//
ТехЛит.ру
- крупнейшая бесплатная электронная интернет библиотека для "технически умных" людей.
WWW.TEHLIT.RU - ТЕХНИЧЕСКАЯ ЛИТЕРАТУРА

:: Алготрейдинг::


АЛГОТРЕЙДИНГ
шаг за шагом
с нуля по урокам!

Торговые роботы на PYTHON, BackTrader,
Pandas, Pine Script для TradingView. Связка с брокерами, телеграм и легкими приложениями.


ГОСУДАРСТВЕННЫЙ СТАНДАРТ СОЮЗА ССР

НЕФТЕПРОДУКТЫ

МЕТОД ОПРЕДЕЛЕНИЯ ВЯЗКОСТИ
АВТОМАТИЧЕСКИМ КАПИЛЛЯРНЫМ ВИСКОЗИМЕТРОМ

ГОСТ 7163-84

ГОСУДАРСТВЕННЫЙ КОМИТЕТ СССР ПО СТАНДАРТАМ

Москва

ГОСУДАРСТВЕННЫЙ СТАНДАРТ СОЮЗА ССР

НЕФТЕПРОДУКТЫ

Метод определения вязкости автоматическим
капиллярным вискозиметром

Petroleum products. Method for measurement of
viscosity by automatic capillar viscosimeter

ГОСТ
7163-84

Взамен
ГОСТ 7163-63

Постановлением Государственного комитета СССР по стандартам от 24 мая 1984 г. № 1688 срок действия установлен

с 01.07.85

до 01.07.90

Несоблюдение стандарта преследуется по закону

Настоящий стандарт устанавливает метод определения эффективной вязкости пластичных смазок и динамической вязкости жидких нефтепродуктов, имеющих вязкость от 1 до 6·106 Па·с. Для научно-исследовательских целей и квалификационных испытаний возможно измерение вязкости в интервале от 1 до 3·105 Па·с. Температурные пределы измерения вязкости от минус 60 до плюс 130 °С. Для пластичных смазок рекомендуется нормировать вязкость при 10 с-1.

1. АППАРАТУРА И МАТЕРИАЛЫ

Вискозиметр капиллярный автоматический АКВ-2 (черт. 1). Допускается применение других вискозиметров типа АКВ (АКВ-2М, АКВ-4) конструкции А.А. Константинова, Г.В. Виноградова и В.В. Синицына.

Устройство термостатирующее любого типа, обеспечивающее поддержание температуры с погрешностью не более ±0,2 °С.

Сетка проволочная № 0125к, 014к и 016к по ГОСТ 3584-73.

Фильтр бумажный обеззоленный по ГОСТ 12026-76.

Бензин по ГОСТ 3134-78 или по ГОСТ 413-76.

Лед.

Спирт этиловый ректификованный технический по ГОСТ 18300-72.

Углекислота (сухой лед) по ГОСТ 12162-77.

Глицерин по ГОСТ 6259-75.

Бумага по ГОСТ 334-73, размером 115 × 300 мм.

Вода дистиллированная по ГОСТ 6709-72.

2. ПОДГОТОВКА К ИСПЫТАНИЮ

2.1. Испытуемый нефтепродукт, при наличии в нем механических примесей, предварительно фильтруют в зависимости от консистенции через бумажный фильтр или проволочную сетку № 0125к, 014к или 016к.

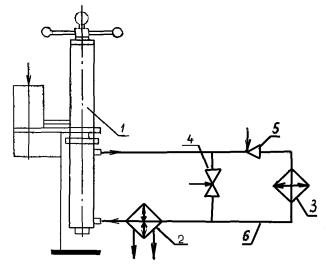
2.2. Вискозиметр АКВ-2 соединяют с термостатом 2 и охладителем 3 согласно схеме (черт. 2).

2.3. Вращением рукоятки 15 опускают винт 13 (черт. 1) настолько, чтобы цанга 17 захватила штырь 19. Момент этого захвата сопровождается легким щелчком.

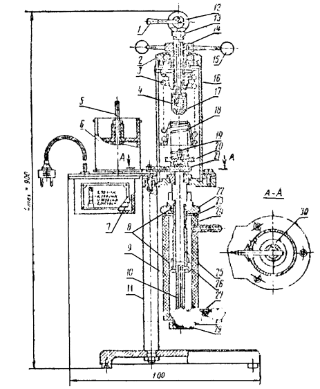
Общий вид вискозиметра АКВ-2

1 - руководитель; 2 - стержень; 3 - пружина; 4 - втулка; 5 - ось; 6 - барабан; 7 - электродвигатель; 8 - прокладка; 9 - термостатирующая рубашка; 10 - капилляр; 11 - штатив; 12 - эксцентрик; 13 - винт; 14 - гайка; 15 - рукоять; 16 - стакан; 17 - цанга; 18 - пружина; 19 - штырь; 20 - опора; 21 - карандаш; 22 - гайка; 23 - прокладки; 24 - шток; 25 - измерительная камера; 26 - гайка накидная; 27 - штуцер; 28 - прокладка; 29 - гайка; 30 - винт

Черт. 1

2.4. Перевернув рукоятку 1 на 180° опускают вниз эксцентрик 12, вследствие чего зажимается цанга 17. После этого, вращением рукоятки 15 в обратную сторону, поднимают шток 24 в крайне верхнее положение - выше нуля.

2.5. Снимают термостатирующую рубашку 9, капилляр 10 и измерительную камеру 25.

2.6. Измерительную камеру промывают бензином или другим растворителем, растворяющим испытуемую пластичную смазку или нефтепродукт, и просушивают в токе воздуха.

2.7. Присоединяют камеру с образцом смазки через прокладку к прибору, плотно привинтив ее гайкой 22. Присоединяют к камере капилляр при помощи накидной гайки 26.

При комплектовании прибора приемников для смазки навинчивают его на нижний конец капилляра, при его отсутствии - подставляют под капилляр какой-либо сосуд для сбора испытуемой смазки или нефтепродукта.

В случае измерения вязкости жидких нефтепродуктов, вначале на камеру надевают гайку 22, затем прикрепляют к камере гайкой 26 капилляр 10, после чего в камеру заливают испытуемый нефтепродукт.

2.8. Обертывают барабан 6 самописца листом миллиметровой бумаги, предназначенным для записи так, чтобы нижний обрез его соприкасался с нижним буртиком барабана и прижимают бумагу резиновыми кольцами, накатав их на бумагу. Устанавливают барабан на максимальную скорость (№ 1). Установку барабана на нужную скорость производят следующим образом: нажатием левой рукой оси 5 вниз, правой рукой резко вращают барабан против хода часовой стрелки до появления отметки, соответствующей требуемой скорости.

2.9. Надевают термостатирующую рубашку 9 на измерительную камеру, закрепив ее с помощью гайки 29 к гайке 22.

2.10. Термостат заливают дистиллированной водой и включают в сеть.

Для получения нулевой и отрицательной температур охладитель заполняют этиловым спиртом и постепенно, перемешивая, добавляют углекислоту до получения нужной температуры.

Для измерения вязкости при температурах 125 - 130 °С термостат заполняют глицерином или глицерином, разбавленным водой в соотношении 1:1.

Схема подключения вискозиметра АКВ-2

1 - вискозиметр АКВ-2; 2 - термостат; 3 - охладитель; 4, 5 - запорный вентиль; 6 - резиновые трубки

Черт. 2

2.12. Поворачивают держатель карандаша так, чтобы графит пружинкой держателя прижимался к бумаге на барабане самописца.

2.13. Ставят выключатель двигателя барабана самописца в положение «Выключено» и включают вилку в электросеть.

3. ПРОВЕДЕНИЕ ИСПЫТАНИЯ

3.1. Ставят выключатель двигателя барабана самописца в положение «Включено». При этом карандаш должен чертить на бумаге горизонтальную линию на уровне, соответствующем максимальному сжатию пружин. Вращением рукоятки вискозиметра стрелку устанавливают на нуль.

3.2. Быстро, но без толчков переставляют рукоятку 4 в другую сторону, освобождая штангу 17, при этом карандаш вычерчивает кривую зависимости перемещения штока (h) от времени (t).

3.3. Следят за движением карандаша по бумаге и при приближении кривой к горизонтали барабан переключают на меньшую скорость.

При переключении скоростей резко меняется крутизна кривой на бумаге. То же самое при необходимости повторяют до конца опыта.

3.4. Когда шток достигает крайнего нижнего положения или кривая, записываемая при наименьшей скорости вращения барабана, приблизится к горизонтали, останавливают двигатель барабана самописца.

3.5. После окончания испытания записывают на диаграмме, закрепленной на барабане самописца, наименование и номер партии испытуемого нефтепродукта, номер капилляра или его диаметры, температуру и отмечают на кривой участки, соответствующие различным скоростям вращения барабана. Одним и тем же листом бумаги можно пользоваться для нескольких опытов.

3.6. Поднимают шток в крайнее верхнее положение, снимают с вискозиметра термостатирующую рубашку, капилляр и камеру, после чего готовят прибор для проведения следующего испытания. При длительных перерывах между определениями и приведении прибора в нерабочее состояние шток необходимо опускать в крайнее нижнее положение.

4. ОБРАБОТКА РЕЗУЛЬТАТОВ

4.1. Для определения вязкости нефтепродукта на диаграмму зависимости перемещения штока (h) от времени (t) накладывают прозрачный трафарет с нанесенной на него наклонной линией, соответствующей данному капилляру и заданному градиенту скорости деформации сдвига (см. обязательное приложение). Трафарет передвигают вдоль диаграммы до касания наклонной линии со снятой во время испытания кривой, при этом горизонтальная линия трафарета должна совпадать с горизонтальной линией миллиметровой бумаги.

Замечают, какой высоте (h) соответствует точка касания, и по таблице (обязательное приложение) определяют вязкость нефтепродукта.

4.2. За результат испытания принимают среднее арифметическое результатов двух определений, с точностью до целого значения.

5. ТОЧНОСТЬ МЕТОДА ИСПЫТАНИЙ

5.1. Сходимость метода.

Два результата испытания, полученные последовательно одним исполнителем, признаются достоверными (с 95 %-ной доверительной вероятностью), если расхождение между ними не превышает указанных в табл. 1.

Таблица 1

Вязкость, Па·с

Сходимость метода, не более, Па·с

                       До           2

0,2

Св.           2    до         64

8

  »           64     »        250

32

  »         250     »     1300

160

  »        1300    »     2300

277

  »        2300    »     4750

540

  »        4750    »     5500

614

5.2. Воспроизводимость метода.

Два результата испытаний, получаемые в двух разных лабораториях, признаются достоверными (с 95 %-ной доверительной вероятностью), если расхождение между ними не превышает указанных в табл. 2.

Таблица 2

Вязкость, Па·с

Воспроизводимость, не более, Па·с

                       До           2

0,3

Св.           2    до         64

10

  »           64     »        250

39

  »         250     »     1300

204

  »        1300    »     2300

362

  »        2300    »     4750

754

  »        4750    »     5500

880

5.3. Сходимость определений (при необходимости) вычисляют умножением значений сходимости метода на 1,41.

ПРИЛОЖЕНИЕ

Обязательное

РАСЧЕТ ЭФФЕКТИВНОЙ ВЯЗКОСТИ

1. Основы расчета вискозиметрических данных

1.1. В результате испытания нефтепродукта на вискозиметре АКВ-2 (АКВ-2М) получается диаграмма, характеризующая зависимость перемещения штока от времени черт. 1.

Схема определения вязкости при помощи трафарета

1 - трафарет; 2 - миллиметровая бумага

Черт. 1

Для вычисления эффективной вязкости испытуемого нефтепродукта необходимы следующие данные:

радиус капилляра R, м;

длина капилляра L, м;

линейное сжатие пружины h, соответствующее моменту времени t, в мм. При этом h соответствует перемещению штока, выталкивающего нефтепродукт через капилляр, или расстоянию от нижнего обреза диаграммы до острия карандаша;

давление в камере Р, при котором происходит истечение нефтепродукта через капилляр в момент времени t, Па (P находят по тарировочной кривой пружины, прилагаемой к вискозиметру);

напряжение сдвига (τ) на стенке капилляра, Па вычисляют по формуле

                                                        (1)

Для данного капилляра коэффициент  является постоянным радиус штока R1, м;

скорость движения бумаги на барабане самописца W, м/с, указанная в паспорте прибора;

угол наклона α касательной к кривой (записанной на диаграмме во времени опыта), проведенной в точке, соответствующей моменту времени t, в град;

угол α находят при помощи транспортира или других устройств;

тангенс угла α (tgα), который находят, пользуясь таблицами, логарифмической линейкой или электронным калькулятором с тригонометрическими функциями;

скорость передвижения штока dh/dt в момент времени t, м/с, вычисляют по формуле

                                                             (2)

секундный расход испытуемой смазки Q в момент времени, t м3/с, вычисляют по формуле

Q = π·R12·W·tgα,                                                           (3)

средняя скорость деформации сдвига испытуемой смазки  в момент времени t, с-1, вычисляют по формуле

                             (4)

Для данного капилляра и данной линейной скорости коэффициент

                                                          (5)

является постоянным.

Эффективную скорость испытуемого нефтепродукта  при температуре Т °С в момент времени t, Па·с, вычисляют по формуле

                                                               (6)

Вязкостные свойства пластичных смазок при данной температуре определяются кривой течения, которая устанавливает зависимость эффективной вязкости от средней скорости деформации сдвига. Для жидких нефтепродуктов, у которых вязкость не зависит от скорости деформации, вычисляют  при любой скорости деформации сдвига. Для построения зависимости  на экспериментальной кривой, записанной на диаграмме, выбирают несколько (5 - 8) произвольных точек, в которых проводят касательные к кривой, измеряют в них углы наклона α с помощью прозрачного транспортира (черт. 2) и вычисляют значения τ, , . Кривые зависимости  от  строят в логарифмических координатах, откладывая по оси ординат логарифмы эффективной вязкости, а по оси абсцисс - логарифмы средней скорости деформации сдвига.

Схема измерения угла наклона касательной к кривой с помощью транспортира

Черт. 2

2. Упрощенный метод расчета эффективной вязкости с помощью трафарета

2.1. Трафарет, построенный для данного капилляра, прикладывают к экспериментальной кривой так, чтобы горизонтальная линия трафарета совпадала с горизонтальной линией миллиметровой бумаги, а наклонная линия, нанесенная на трафарете, являлась бы касательной к экспериментальной кривой.

Находят точку касания и определяют h1 (для АКВ-2 завода «Старорус прибор») или h2 (для АКВ-2, АКВ-2М Ленинаканского завода аналитических приборов) в соответствии с черт. 1, где h1 - расстояние по вертикали от нижнего среза трафарета до точки касания наклонной линии трафарета с кривой диаграммы, а h2 - расстояние по вертикали от горизонтальной линии диаграммы (при исходном состоянии пружины) до точки касания наклонной линии трафарета с кривой диаграммы.

По найденному h1 или h2, пользуясь расчетной таблицей, находят значение эффективной вязкости при заданном градиенте скорости деформации.

2.2. Трафарет строят для каждого из упомянутых приборов и каждого капилляра при заданных градиентах скорости деформации.

Трафарет представляет собой лист тонкого оргстекла толщиной 1 мм, на котором намечены горизонтальная и наклонная линии (черт. 3).

Угол наклона линии определяют для каждой линейной скорости барабана по формуле

                                                               (7)

Пример. Требуется построить трафарет для капилляра с R = 0,0562·10-2 м и длиной L = 11,6·10-2 м при радиусе штока R1 = 0,85·10-2 м, скорости деформации сдвига  = 10 с-1 и линейной скорости барабана W4 = 0,00298·10-2 м/с.

Вычисляем K2 по формуле 5

.

Вычисляем tgα по формуле 7.

Соответственно по таблице тригонометрических функций находим, что α = 11°40'.

Схема построения трафарета

Черт. 3

На листе оргстекла проводим линию параллельно нижнему его краю на расстоянии ≈ 10 мм от последнего. Из произвольно выбранной точки на указанной линии проводим линию под углом α = 11°40'.

При углах наклона менее 5° строить шаблоны нецелесообразно.

2.3. Таблица рассчитывается для каждого прибора, капилляра и градиента скорости деформации.

Выписываем в таблицу значения hi от 0 до 100 мм с интервалом 1 мм.

По тарировочной диаграмме пружины согласно паспорту прибора определяем значения pi для каждого значения hi.

По формуле (1) определяем τi, соответствующие каждому pi.

По формуле (6) определяем значения ηi для каждого τi.

Результаты записываем в таблицу.

Переписываем таблицу, оставляя значения hi и ηi.

Образец окончательной таблицы:

 = 10 с-1; капилляр R = 0,0562·10-2 и L = 11,6·10-2 м

hi (мм)

1

2

3

и т.д. до 100

ηi (Па·с)

η1

η2

η3

и т.д.

3. Тарировка пружины вискозиметра

3.1. Пружину вискозиметра составляют из двух цилиндрических пружин различной жесткости. К каждому вискозиметру прилагают характеристику такой составной пружины, устанавливающую связь между сжатием (линейными размерами) пружины (h) и давлением в камере под штоком (Р). Максимальному сжатию составной пружины должно соответствовать давление в камере не менее 7,845 МПа (80 кгс/см2), а минимальному - сжатию не более 0,049 МПа (0,5 кгс/см2). Рабочий участок пружины соответствует давлению от 0,196 МПа (2 кгс/см2) до 5,814 МПа (60 кгс/см2). Сжатие пружины соответствует перемещению штока, отмеченному на барабане самописца карандашом, ввернутым в шток.

3.2. Тарировку пружины - определение зависимости P = f(h) производят непосредственно на вискозиметре или по жидкости с известной вязкостью. В первом случае отсоединяют от камеры капилляр и вместо него присоединяют широкую трубку, соединенную с образцовым манометром и с насосом или с прессом, применяемым для проверки манометров. Трубка, камера, пресс и манометр заполнены вязкой жидкостью (маслом), которая прессом нагнетается в камеру, вытесняет при этом шток и сжимает пружину. Запись показаний манометра и соответствующих значений h дает характеристику составной пружины вискозиметра.

Во втором случае испытывают на приборе жидкость (масло) с известной вязкостью. Вязкость масла при 20 °С определяется по ГОСТ 33-82, а плотность - по ГОСТ 3900-47. Пересчет кинематической вязкости в динамическую проводят по уравнению ηt = Vtρt·1000 (Па·с). При 20 °С для тарировки рекомендуется использовать авиационное масло (ГОСТ 21743-46) вязкостью при 20 °С порядка 1,5 - 2,0 Па·с. Допускается использовать и другие жидкости, подчиняющиеся при температуре испытания закону Ньютона, с вязкостью при этой температуре не менее 1,2 Па·с.

На листе бумаги, укрепленном на барабане, проводят семь - десять горизонтальных линий. Расстояние этих линий от обреза диаграммы удобно принять: для нижней линии - 2 мм выше нулевой линии; соответствующей крайнему нижнему положению карандаша; далее считая от нулевой линии - 13, 15, 20, 25, 40, 70, 85, 95, 100 мм;

для верхней линии - на 5 мм ниже линии, соответствующей крайнему верхнему положению карандаша.

Укрепляют расчерченную бумагу на барабане самописца и проводят испытание масла в соответствии с настоящим стандартом. В результате каждого испытания получают диаграмму (кривую), характеризующую зависимость перемещения штока от времени. Испытание проводят два раза на двух капиллярах разного радиуса.

Для каждой точки пересечения кривой h(t) с горизонтальными линиями, нанесенными на лист, вычисляют, исходя из параметров прибора и известной вязкости масла, давление в камере Р. Для этого вначале рассчитывают среднюю скорость деформации , с-1 масла для каждой точки по уравнению

где R1 - радиус штока, м;

R - радиус капилляра, см; W - окружная скорость движения бумаги на барабане самописца, см/с; α - угол наклона касательной к кривой h(t) в точке пересечения.

Величину давления Р в Па вычисляют по уравнению

Величины Р, соответствующие той или иной горизонтальной линии или, иными словами, той или иной величине h, для измерений, выполненных при равных температурах и на разных капиллярах, должны различаться между собой не более чем на ±10 % относительно средней арифметической величины Р, рассчитанной по результатам всех измерений.

По вычисленным средним значениям строят характеристику пружины h(P).

СОДЕРЖАНИЕ

 




Яндекс цитирования



   Copyright © 2007-2026,  www.tehlit.ru.

[ ѓосты, стандарты, нормативы, инструкции, правила, строительные нормы ]