//
ТехЛит.ру
- крупнейшая бесплатная электронная интернет библиотека для "технически умных" людей.
WWW.TEHLIT.RU - ТЕХНИЧЕСКАЯ ЛИТЕРАТУРА

:: Алготрейдинг::


АЛГОТРЕЙДИНГ
шаг за шагом
с нуля по урокам!

Торговые роботы на PYTHON, BackTrader,
Pandas, Pine Script для TradingView. Связка с брокерами, телеграм и легкими приложениями.


ГОСТ 9853.21-96

МЕЖГОСУДАРСТВЕННЫЙ СТАНДАРТ

ТИТАН ГУБЧАТЫЙ

Методы определения водорода

МЕЖГОСУДАРСТВЕННЫЙ СОВЕТ
ПО СТАНДАРТИЗАЦИИ, МЕТРОЛОГИИ И СЕРТИФИКАЦИИ

Минск

Предисловие

1 РАЗРАБОТАН Межгосударственным техническим комитетом по стандартизации МТК 105, Украинским научно-исследовательским и проектным институтом титана

ВНЕСЕН Государственным комитетом Украины по стандартизации, метрологии и сертификации

2 ПРИНЯТ Межгосударственным Советом по стандартизации, метрологии и сертификации (протокол № 9 от 12 апреля 1996 г.)

За принятие проголосовали:

Наименование государства

Наименование национального органа по стандартизации

Азербайджанская Республика

Азгосстандарт

Республика Беларусь

Госстандарт Беларуси

Республика Казахстан

Госстандарт Республики Казахстан

Российская Федерация

Госстандарт России

Туркменистан

Главная государственная инспекция Туркменистана

Украина

Госстандарт Украины

3 Постановлением Государственного комитета Российской Федерации по стандартизации и метрологии от 19 октября 1999 г. № 353-ст межгосударственный стандарт ГОСТ 9853.21-96 введен в действие непосредственно в качестве государственного стандарта Российской Федерации с 1 июля 2000 г.

4 ВВЕДЕН ВПЕРВЫЕ

Содержание

1 Область применения

2 Нормативные ссылки

3 Общие требования

4 Хроматографический метод

4.1 Средства измерений, вспомогательные устройства и реактивы

4.2 Порядок подготовки к проведению измерений

4.3 Порядок проведения измерений

4.4 Обработка результатов измерений

4.5 Допустимая погрешность измерений

4.6 Требования к квалификации

5 Спектральный метод

5.1 Средства измерений, вспомогательные устройства и реактивы

5.2 Порядок подготовки к проведению измерений

5.3 Порядок проведения измерений

5.4 Обработка результатов измерений

5.5 Допустимая погрешность измерений

5.6 Требования к квалификации

ГОСТ 9853.21-96

МЕЖГОСУДАРСТВЕННЫЙ СТАНДАРТ

ТИТАН ГУБЧАТЫЙ

Методы определения водорода

Sponge titanium. Methods for determination of hydrogen

Дата введения 2000-07-01

1 Область применения

Настоящий стандарт устанавливает хроматографический (при массовой доле водорода от 0,001 % до 0,1 %) и спектральный (при массовой доле водорода от 0,002 % до 0,1 %) методы определения водорода в губчатом титане по ГОСТ 17746.

Хроматографический метод основан на высокотемпературной экстракции водорода из титана в потоке азота с последующим его определением с помощью термохимического детектора.

Спектральный метод основан на возбуждении спектра пробы низковольтным импульсным разрядом с последующей регистрацией интенсивности спектральной линии водорода фотографическим или фотоэлектрическим способом и определении массовой доли водорода с помощью градуировочных характеристик.

2 Нормативные ссылки

В настоящем стандарте использованы ссылки на следующие стандарты:

ГОСТ 8.315-97 Государственная система обеспечения единства измерений. Стандартные образцы. Основные положения, порядок разработки, аттестации, утверждения, регистрации и применения

ГОСТ 83-79 Натрий углекислый. Технические условия

ГОСТ 195-77 Натрий сернистокислый. Технические условия

ГОСТ 244-76 Натрия тиосульфат кристаллический. Технические условия

ГОСТ 859-78 Медь. Марки

ГОСТ 3022-80 Водород технический. Технические условия

ГОСТ 3956-76 Силикагель технический. Технические условия

ГОСТ 4160-74 Калий бромистый. Технические условия

ГОСТ 6709-72 Вода дистиллированная. Технические условия

ГОСТ 9245-79 Потенциометры постоянного тока измерительные. Общие технические условия

ГОСТ 9293-74 (ИСО 2435-73) Азот газообразный и жидкий. Технические условия

ГОСТ 13033-84 Государственная система промышленных приборов и средств автоматизации. Приборы и средства автоматизации электрические аналоговые. Общие технические условия

ГОСТ 14261-77 Кислота соляная особой чистоты. Технические условия

ГОСТ 17433-80 Промышленная чистота. Сжатый воздух. Классы загрязненности

ГОСТ 17746-96 Титан губчатый. Технические условия

ГОСТ 18300-87 Спирт этиловый ректификованный технический. Технические условия

ГОСТ 19627-74 Гидрохинон (парадиоксибензол). Технические условия

ГОСТ 21241-89 Пинцеты медицинские. Общие технические требования и методы испытаний

ГОСТ 22056-76 Трубки электроизоляционные из фторопласта 4Д и 4ДМ. Технические условия

ГОСТ 23780-96 Титан губчатый. Методы отбора и подготовки проб

ГОСТ 25086-87 Цветные металлы и их сплавы. Общие требования к методам анализа

ГОСТ 25664-83 Метол (4-метиламинофенол сульфат). Технические условия

ГОСТ 28498-90 Термометры жидкостные стеклянные. Общие технические требования. Методы испытаний

ГОСТ 28723-90 Расходомеры скоростные, электромагнитные и вихревые. Общие технические требования и методы испытаний

ГОСТ 29298-92 Ткани хлопчатобумажные и смешанные бытовые. Общие технические условия

3 Общие требования

3.1 Общие требования к методам анализа - по ГОСТ 25086.

3.2 Отбор и подготовку проб проводят по ГОСТ 23780.

3.3 Массовую долю водорода находят по двум навескам.

3.4 При построении градуировочного графика каждая точка строится по среднему арифметическому результатов четырех измерений.

4 Хроматографический метод

4.1 Средства измерений, вспомогательные устройства и реактивы

Хроматограф газовый типа «Газохром-3101», оснащенный термохимическим детектором, или аналогичный прибор.

Микродозатор газовый, содержащий градуировочные дозы от 1 до 18 мм3 (комплектующийся с хроматографом «Газохром-3101» и как самостоятельный дозатор).

Штоковый кран-дозатор, содержащий градуировочные дозы от 0,125 до 0,5 см3 (комплектующийся с хроматографом «Газохром-3101»).

Автоматический цифровой измеритель параметров хроматографических пиков (интегратор) по действующему нормативному документу.

Потенциометр автоматический КСП-4 по ГОСТ 9245.

Электропечь трубчатая разъемная типа СУОЛ.

Автотрансформатор типа ЛАТР-1М.

Милливольтметр типа М-45300 с тиристорным регулятором по ГОСТ 13033.

Секундомер, класс 3, цена деления секундной шкалы 0,2 с по действующему нормативному документу.

Расходомер мыльно-пенный по ГОСТ 28723.

Реактор кварцевый из кварца двойного переплава (рисунок 1). Толщина стенок должна быть не менее 1 мм.

Капсулы кварцевые (рисунок 2).

Соединение фторопластовое для реактора (рисунок 3), состоящее из: штуцера 1, накидной гайки 2, резиновой прокладки 3, муфты 4, кварцевого реактора с буртиком 5.

Регулятор давления: Рвх=(0,5-0,7) МПа, Рвых=(0,05-0,4) МПа.

Регулятор расхода газа от 20 до 1000 см3/мин.

Набор почвенных сит, фракции от 0,1 до 2,0 мм.

Трубка поливинилхлоридная d = (5,0-6,0)/1,0 по действующему нормативному документу.

Трубка фторопластовая (хроматографическая колонка) по ГОСТ 22056, d = (3,5-4,0)/0,6, l=3м.

Азот газообразный ВЧ по ГОСТ 9293.

Водород марки Б по ГОСТ 3022.

Воздух сжатый по ГОСТ 17433 или воздушная магистраль с давлением воздуха не ниже 0,5 МПа.

Этанол (спирт этиловый) ректификованный технический по ГОСТ 18300.

Уголь активированный (для очистки газов) по действующему нормативному документу.

Силикагель, фракции от 0,5 до 1,0 мм (для очистки газов) по ГОСТ 3956.

Цеолит СаА (5А), фракции от 0,25 до 0,50 мм.

Цеолит NaX (13X), фракции от 0,5 до 1,0 мм (для очистки газов).

Кислота соляная по ГОСТ 14261, разбавленная 1:4.

Стандартные образцы титана по ГОСТ 8.315.

Поверочные газовые смеси с аттестованной объемной долей водорода.

4.2 Порядок подготовки к проведению измерений

Проба анализируемого титана должна быть в виде кусочков или стружки толщиной не более 0,5 мм и длиной до 1,0 мм, получаемой механической обработкой образца.

Перед выполнением анализа кварцевый реактор и капсулы промывают раствором соляной кислоты, водой до нейтральной среды и этанолом. Реактор и капсулы сушат и прокаливают при температуре 1373 К в муфельной или трубчатой электропечи. На реакторе с широкой его части буртик прошлифовывают до получения плоской поверхности.

Цеолиты СаА и NaX предварительно регенирируют при нагревании в вакууме, повышая температуру со скоростью 50-60 град/мин до 653 К, и выдерживают при этой температуре в течение 3-4 ч.

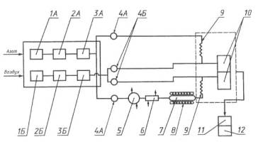
Установку собирают согласно рисунку 4. Установка для определения водорода в титане состоит из: фильтров очистки азота 1А, 2А, ЗА; фильтров очистки воздуха 1Б, 2Б, ЗБ, заполненных соответственно активированным углем, силикагелем и молекулярными ситами NaX; регуляторов расхода азота ; регуляторов давления воздуха ; микродозатора 5; штокового крана-дозатора 6; реактора 7; электропечи 8; хроматографической колонки 9, заполненной цеолитом СаА (5А); термохимического детектора 10 с двумя камерами; потенциометра 11 и интегратора 12.

Узлы установки соединяют поливинилхлоридной трубкой. Узел подсоединения реактора к установке собирают в соответствии с рисунком 3. С помощью регуляторов давления и расхода (рисунок 4) устанавливают расход воздуха в обеих линиях по 60 см3/мин, расход азота в обеих линиях по 60 см3/мин. Температуру нагрева электропечи 8 и кварцевого реактора 7 устанавливают (1323±50) К. Спаи на реакторе не должны находиться в зоне нагрева. Газовый хроматограф, потенциометр, интегратор включают согласно инструкции по эксплуатации. Устанавливают ток моста детектора 150 мА. Герметичность установки проверяют путем пережатия выхода газа-носителя и подачи рабочего давления на установку. В случае падения рабочего давления, фиксируемого манометром, узлы соединения омыливают мыльным раствором. Устраняют утечки газа.

Рисунок 4

4.3 Порядок проведения измерений

4.3.1 Навеску массой 0,03-0,1 г помещают в кварцевую капсулу. Реактор располагают в горизонтальной плоскости и открывают. С помощью пинцета по ГОСТ 21241 кварцевую капсулу помещают в реактор и закрывают, закручивая накидную гайку на муфту. Через 4-5 мин поворотом реактора вокруг оси на 90° (широкий конец реактора при этом находится вверху) капсулу с навеской вводят в зону нагрева. Хроматографический пик водорода регистрируют на ленте самопишущего потенциометра. Площадь хроматографического пика обсчитывают с помощью интегратора. Идентификацию проводят сравнением абсолютного времени удерживания водорода в пробе, стандартном образце и поверочной газовой смеси, используемой при градуировке.

Контрольный опыт проводят в тех же условиях с пустой кварцевой капсулой.

4.3.2 По полученным значениям площади хроматографического пика водорода в пробе и значениям контрольного опыта рассчитывают массовую долю водорода в пробе.

4.3.3 Градуировку установки проводят по чистому водороду (99,99 %) или поверочным газовым смесям с аттестованной объемной долей водорода, при этом используют микродозатор, содержащий градуировочные дозы № 5-7, и штоковый кран-дозатор со сменными градуировочными дозами от 0,125 см3 и выше. После выхода установки на режим и достижения стабильной нулевой линии на диаграммной ленте самопишущего потенциометра к «входу» градуировочного газа на микродозаторе с помощью поливинилхлоридной трубки осуществляют подачу водорода (от баллона, из линии).

Градуировку проводят (при массовой доле водорода от 0,001 % до 0,02 %), последовательно дозируя водород микродозатором с использованием доз № 5, 6, 7, что соответствует 8; 11; 17 мм3 водорода, и штоковым краном-дозатором, используя дозы 0,125 и 0,25 см3. При массовой доле водорода от 0,02 % до 0,10 % градуировку проводят с помощью штокового крана-дозатора, используя дозы 0,125; 0,25; 0,375 и 0,5 см3.

По полученным значениям площади хроматографического пика рассчитывают абсолютный градуировочный коэффициент или строят градуировочный график в соответствии с ГОСТ 25086.

Градуировочный коэффициент К, г/(мкВ × с), рассчитывают по формуле

                                                                                                   (1)

где V - объем дозируемого количества водорода, см3;

2 - масса одного моля водорода, г;

S - площадь хроматографического пика с учетом масштабного множителя, мкВ×с;

22400 - объем одного моля водорода при нормальных условиях, см3.

При использовании поверочных газовых смесей для градуировки установки абсолютный градуировочный коэффициент К, г/(мкВ×с), рассчитывают по формуле

                                                                                          (2)

где а - объемная доля водорода в поверочной газовой смеси, %.

Допускается использование для градуировки установки стандартных образцов титана. Порядок проведения измерений - по 4.3.1. Градуировочный коэффициент К, г/(мкВ × с), в этом случае рассчитывают по формуле

                                                                                                    (3)

где mст - масса навески стандартного образца, г;

Хст - аттестованное значение массовой доли водорода в стандартном образце, %;

Sст - площадь хроматографического пика водорода для стандартного образца, мкВ×с.

Для единичных определений градуировочного коэффициента К необходимо соблюдение условия

                                                      (4)

Рассчитанное значение градуировочного коэффициента используют для количественного расчета содержания водорода в пробе.

4.4 Обработка результатов измерений

Массовую долю водорода X, %, вычисляют по формуле

                                                                                         (5)

где К - абсолютный градуировочный коэффициент, г/( мкВ×с);

S - площадь хроматографического пика водорода в пробе, мкВ×с;

S0 - площадь хроматографического пика водорода в контрольном опыте, мкВ×с;

т - масса навески, г.

4.5 Допустимая погрешность измерений

4.5.1 Расхождение между результатами измерений и результатами анализа (при доверительной вероятности Р=0,95) не должно превышать допускаемых значений, указанных в таблице 1.

Таблица 1

в процентах

Массовая доля водорода

Допускаемое расхождение между результатами параллельных измерений

Допускаемое расхождение между результатами анализа

Предел погрешности измерений D

От

0,0010

до

0,0030

включ.

0,0005

0,0008

0,0006

Св.

0,0030

»

0,0100

»

0,0010

0,0014

0,0010

»

0,010

»

0,030

»

0,003

0,005

0,004

»

0,030

»

0,100

»

0,010

0,014

0,010

4.5.2 Контроль точности результатов анализа

Контроль точности результатов анализа проводят по стандартному образцу, не использовавшемуся для градуировки прибора, в соответствии с ГОСТ 25086.

Допускается проводить контроль точности результатов анализа путем варьирования навески пробы.

4.6 Требования к квалификации

К выполнению анализа допускается химик-аналитик квалификации не ниже 4-го разряда.

5 Спектральный метод

5.1 Средства измерений, вспомогательные устройства и реактивы

Комплект стандартных образцов с диапазоном содержания водорода, охватывающим пределы содержания водорода в губчатом титане.

Токарный станок типа ТВ-16 или аналогичные станки.

Медный пруток марки М-0, М-1 по ГОСТ 859 для изготовления противоэлектродов диаметром 6 мм.

Этанол (спирт этиловый) ректификованный технический по ГОСТ 18300.

Бязь и батист по ГОСТ 29298.

Генератор низковольтных импульсов. Генератор представляет собой электрическое устройство, позволяющее получать низковольтные (~300 В) импульсные разряды между анализируемым образцом и противоэлектродом. Принцип работы генератора основан на заряде формирующей линии, состоящей из последовательно соединенных П-образных фильтров, до заданного напряжения с последующим ее разрядом при подведении пробы к противоэлектроду до пробойного расстояния.

Спектрограф со стеклянной оптикой ИСП-51 и камерой с фокусным расстоянием f = 270 мм.

Микрофотометр типа МФ-2, ИФО-460 или аналогичные приборы.

Спектропроектор типа ПС-18, СПП-2 или аналогичные приборы.

Спектральные пластинки «Инфра» по действующему нормативному документу.

Термометр лабораторный по ГОСТ 28498.

Фотокюветы или другие сосуды для обработки фотопластинок.

Проявитель.

Раствор А:

- вода дистиллированная по ГОСТ 6709 - 1000 см3;

- метол по ГОСТ 25664 - 1 г;

- натрия сульфит (натрий сернистокислый) по ГОСТ 195: кристаллический - 52 г, безводный - 26 г;

- гидрохинон по ГОСТ 19627 - 5 г.

Раствор Б:

- вода дистиллированная по ГОСТ 6709 - 1000 см3;

- натрия карбонат (натрий углекислый) безводный по ГОСТ 83 - 20 г;

- калия бромид (калий бромистый) по ГОСТ 4160 - 1 г.

Перед проявлением растворы А и Б смешивают в объемном отношении 1:1. Фиксаж:

- вода дистиллированная по ГОСТ 6709 - 1000 см3;

- тиосульфат натрия по ГОСТ 244 - 300 г;

- натрия сульфит (натрий сернистокислый) безводный по ГОСТ 195 - 26 г.

Фотоэлектрический стилометр ФЭС-1 с регистрирующим устройством (ЭПС-154, ЭПС-164 или цифровой вольтметр типа В-4-14).

5.2 Порядок подготовки к проведению измерений

Для определения содержания водорода используются образцы, полученные из прессованной заготовки по ГОСТ 23780, подготовленные для проведения механических испытаний.

Перед проведением анализа медные противоэлектроды, анализируемые и стандартные образцы обрабатывают на токарном станке. Торцы образцов и медные противоэлектроды тщательно обрабатывают чистовым резцом с шероховатостью обрабатываемой поверхности не более 10 мкм, острые кромки удаляют (снимают фаску). На торцевой поверхности образцов не допускаются трещины, раковины, царапины, неметаллические включения и другие дефекты. Медный противоэлектрод после заточки должен иметь острый конус с гладкой образующей поверхностью с углом при вершине (60±5)º.

5.3 Порядок проведения измерений

5.3.1 Проведение измерений на фотографической установке ИСП-51 проводят при ширине щели 0,03-0,04 мм; зарядное напряжение - 250-300 В, аналитическая линия - 656,28 нм.

Фотографируются спектры стандартных образцов и анализируемой пробы на одной фотопластинке. Регистрацию спектра проводят от одного импульсного разряда.

5.3.2 Измерения на ФЭС-1 проводят при ширине входной щели 0,04 мм, а выходной щели - 0,12 мм. Шкала накопления (1:1 до 1:5) определяется величиной сигнала.

На выходную щель устанавливается аналитическая линия водорода 656,28 нм.

Аналитический промежуток между пробой и медным противоэлектродом - 0,2 мм, зарядное напряжение - 250-300 В.

Используется один импульс без предварительного обыскривания.

5.3.3 Допускается применение других приборов, оборудования, материалов, режимов возбуждения и регистрации спектральных линий водорода при условии получения метрологических характеристик, отвечающих требованиям настоящего стандарта.

5.4 Обработка результатов измерений

5.4.1 Массовую долю водорода при работе на спектрографе ИСП-51 определяют, фотометрируя спектрограммы на микрофотометре.

В каждой спектрограмме измеряют почернение S аналитической линии водорода и вычисляют разность почернения DS аналитической линии и фона.

Градуировочный график строят в координатах , где С - массовая доля водорода в стандартном образце, взятая из свидетельства на стандартный образец; - среднее значение разности почернения аналитической линии водорода и фона в стандартном образце.

По полученным для каждой пробы значениям DS по градуировочному графику находят определяемую массовую долю водорода в анализируемом образце.

5.4.2 Массовую долю водорода при работе на ФЭС-1 определяют, строя градукровочный график в координатах lgn-lgС или п-С, по средним арифметическим отсчетам комплекта стандартных образцов, где С - массовая доля водорода, указанная в свидетельстве на стандартные образцы; п - показания выходного измерительного устройства, пропорциональные интенсивности спектральной линии водорода.

По построенному градуировочному графику находят определяемую массовую долю водорода.

5.4.3 Допускается использование других систем координат при условии получения метрологических характеристик, отвечающих требованиям настоящего стандарта.

5.5 Допустимая погрешность измерений

5.5.1 Расхождение между результатами определений d2 и результатами двух анализов D не должно превышать (при доверительной вероятности Р=0,95) значений, приведенных в таблице 2. При этом погрешность результатов анализа (при доверительной вероятности Р-0,95) не превышает предела D, приведенного в таблице 2.

Таблица 2

В процентах

Массовая доля

Допускаемое расхождение

Предел погрешности измерений D

d2

D

От

0,002

до

0,005

включ.

0,001

0,002

0,002

Св.

0,005

»

0,010

»

0,003

0,004

0,003

»

0,010

»

0,020

»

0,007

0,008

0,007

»

0,020

»

0,050

»

0,012

0,014

0,011

»

0,05

»

0,10

»

0,02

0,03

0,02

5.5.2 Контроль точности результатов анализа

Контроль точности результатов анализа проводят путем сопоставления с результатами анализа, выполненными физико-химическими методами.

Результаты анализа считают точными, если выполняется условие

                                                                              (6)

где  - результат анализа контрольной пробы, полученный по настоящей методике;

 - результат анализа той же пробы, полученный физико-химическим методом;

D1 D2 - регламентированные стандартами значения допускаемых расхождений между результатами анализов соответственно для спектрального и физико-химического методов.

5.5.3 Оперативный контроль точности результатов анализа проводят перед началом смены или одновременно с анализом какой-либо партии производственных проб. Для выполнения контроля выбирают два стандартных образца со значениями массовой доли водорода, находящимися в области нижнего и верхнего пределов диапазона измерений, и проводят измерение содержания водорода в каждом стандартном образце. Если хотя бы для одного стандартного образца результат анализа при оперативном контроле отличается от значения массовой доли водорода в данной точке градуировочной характеристики больше чем на 0,5 D, проводят корректировку градуировочной характеристики.

5.6 Требования к квалификации

К выполнению анализа допускается спектроскопист квалификации не ниже 4-го разряда.

Ключевые слова: титан губчатый, определение водорода, хроматографический метод, спектральный метод

 




Яндекс цитирования



   Copyright © 2007-2026,  www.tehlit.ru.

[ ѓосты, стандарты, нормативы, инструкции, правила, строительные нормы ]