|
| |
ГОСУДАРСТВЕННЫЙ СТАНДАРТ
РОССИЙСКОЙ ФЕДЕРАЦИИ
|
ГАЙКИ ШЕСТИГРАННЫЕ САМОСТОПОРЯЩИЕСЯ С НЕМЕТАЛЛИЧЕСКОЙ
ВСТАВКОЙ
|
ГОСТ Р
50273-92
(ИСО 7040-83)
|
|
Классы прочности 5, 8 и 10 Технические условия
|
|
Prevailing torque type
hexagon nuts (with non-metallic insert). Property classes 5, 8 and 10.
Specifications
|
Дата введения 1994-01-01
Предисловие
1 ПОДГОТОВЛЕН И ВНЕСЕН
Техническим комитетом по стандартизации ТК 229 «Крепежные изделия»
2 УТВЕРЖДЕН И ВВЕДЕН В ДЕЙСТВИЕ Постановлением
Госстандарта России от 16 сентября 1992 г. № 1184
Настоящий стандарт подготовлен
методом прямого применения международного стандарта ИСО 7040-83 «Гайки
шестигранные с преобладающим крутящим моментом (с неметаллической вставкой).
Тип 1. Классы прочности 5, 8 и 10» с дополнительными требованиями, отражающими
потребности народного хозяйства
3 ВВЕДЕН ВПЕРВЫЕ
4 ПЕРЕИЗДАНИЕ
1 Настоящий стандарт
распространяется на шестигранные самостопорящиеся гайки с неметаллической
вставкой номинальным диаметром резьбы от 3 до 36 мм (далее - гайки), классов
точности А (d < М16) и B(d > М16).
Требования настоящего стандарта
являются обязательными.
Дополнительные требования,
отражающие потребности народного хозяйства, приведены в приложении.
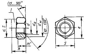
2 Конструкция и размеры гаек
должны соответствовать указанным на рисунке и таблице 1.

1 - стопорящий элемент (допускаются различные варианты исполнения)
Таблица
1
В миллиметрах
|
Резьба d
|
М3
|
М4
|
М5
|
М6
|
М8
|
М10
|
М12
|
(М14)1)
|
М16
|
М20
|
М24
|
М30
|
М36
|
|
P2)
|
0,5
|
0,7
|
0,8
|
1
|
1,25
|
1,5
|
1,75
|
2
|
2
|
2,5
|
3
|
3,5
|
4
|
|
da
|
не менее
|
3
|
4
|
5
|
6
|
8
|
10
|
12
|
14
|
16
|
20
|
24
|
30
|
36
|
|
не более
|
3,45
|
4,60
|
5,75
|
6,75
|
8,75
|
10,80
|
13,00
|
15,10
|
17,30
|
21,60
|
25,90
|
32,40
|
38,90
|
|
dw
|
не менее
|
4,6
|
5,9
|
6,9
|
8,9
|
11,6
|
14,6
|
16,6
|
19,6
|
22,5
|
27,7
|
33,2
|
42,7
|
15,1
|
|
e
|
не менее
|
6,01
|
7,66
|
8,79
|
11,95
|
14,38
|
17,77
|
20,03
|
23,35
|
26,75
|
32,95
|
39,55
|
50,85
|
60,79
|
|
h,
|
не более
|
4,5
|
6
|
6,8
|
8
|
9,5
|
11,9
|
14,9
|
17
|
19,1
|
22,8
|
27,1
|
32,6
|
38,9
|
|
m3)
|
не менее
|
2,15
|
2,9
|
4,4
|
4,9
|
6,44
|
8,04
|
10,37
|
12,1
|
14,1
|
16,9
|
20,2
|
24,3
|
29,4
|
|
m'4)
|
не менее
|
1,65
|
2,2
|
2,75
|
3,3
|
4,4
|
5,5
|
6,6
|
7,7
|
8,8
|
11
|
13,2
|
16,5
|
19,8
|
|
S
|
не более
|
5,5
|
7
|
8
|
10
|
13
|
16
|
18
|
21
|
24
|
30
|
36
|
46
|
55
|
|
не менее
|
5,32
|
6,78
|
7,78
|
9,78
|
12,73
|
15,73
|
17,73
|
20,67
|
23,67
|
29,16
|
35
|
45
|
53,8
|
|
1) Размеры гаек, заключенные в скобки, применять не
рекомендуется.
2) P - шаг
резьбы.
3) m -
минимальная длина резьбы, равная высоте шестигранника.
4) m' - минимальная высота под ключ.
|
3
Технические требования по таблице 2
Таблица
2
|
Гайка
|
Типы
|
NF (нормальное
трение),
LF (пониженное
трение)
|
|
Государственный стандарт
|
ГОСТ
Р 50271
|
|
Материал
|
Корпус гайки
|
Сталь
|
|
Государственный стандарт
|
ГОСТ
Р 50271
|
|
Вставка
|
Полиамид или другой материал
|
|
Государственный стандарт
|
ГОСТ
Р 50271
|
|
Резьба
|
Поле допуска
|
6Н
|
|
Государственный стандарт
|
ГОСТ
16093, ГОСТ
24705
|
|
Механические свойства
|
Класс прочности
|
5, 8 и 10
|
|
Государственный стандарт
|
ГОСТ
Р 50271
|
|
Преобладающий крутящий момент и другие требования1)
|
Государственный стандарт
|
ГОСТ
Р 50271
|
|
Допуски
|
Класс точности
|
для d ≤ M16-А
для d > М16-B
|
|
Государственный стандарт
|
ГОСТ
1759.1
|
|
Поверхность изделия
|
Покрытие
|
ГОСТ 1759.0, ГОСТ
Р 50271
|
|
Приемка
|
|
ГОСТ 17769
|
|
1) Смазка допускается в соответствии с требованиями ГОСТ
Р 50271.
|
Пример условного
обозначения гайки диаметром резьбы d = 12 мм, с крупным шагом резьбы с полем допуска
6Н, класса прочности 5, типа NF:
Гайка M12
- 6H.5.NF ГОСТ
Р 50273-92.
ПРИЛОЖЕНИЕ
(справочное)
Дополнительные требования, отражающие потребности народного
хозяйства
Допускается изготавливать гайки:
- класса прочности 6;
- с резьбой M8×1,
M10×1,25, M10×1, M12×1,25, M14×1,5, М16×1,5;
- с размерами, указанными в таблице 3.
Таблица
3
В миллиметрах
|
Резьба
d
|
М10
|
М12
|
М14
|
|
e, не менее
|
18,9
|
21,1
|
24,5
|
|
dw, не менее
|
15,3
|
17,2
|
20,2
|
|
S
|
17
|
19
|
22
|
ИНФОРМАЦИОННЫЕ ДАННЫЕ
ССЫЛОЧНЫЕ НОРМАТИВНО-ТЕХНИЧЕСКИЕ ДОКУМЕНТЫ
| |
|