//
ТехЛит.ру
- крупнейшая бесплатная электронная интернет библиотека для "технически умных" людей.
WWW.TEHLIT.RU - ТЕХНИЧЕСКАЯ ЛИТЕРАТУРА

:: Алготрейдинг::


АЛГОТРЕЙДИНГ
шаг за шагом
с нуля по урокам!

Торговые роботы на PYTHON, BackTrader,
Pandas, Pine Script для TradingView. Связка с брокерами, телеграм и легкими приложениями.


ГОСТ Р 50837.1-95

ГОСУДАРСТВЕННЫЙ СТАНДАРТ РОССИЙСКОЙ ФЕДЕРАЦИИ

ТОПЛИВА ОСТАТОЧНЫЕ.
ОПРЕДЕЛЕНИЕ ПРЯМОГОННОСТИ

МЕТОД ОПРЕДЕЛЕНИЯ КРИВОЙ ДИСТИЛЛЯЦИИ
ПРИ ДАВЛЕНИИ 0,133
кПа (1 мм рт. ст.)

ГОССТАНДАРТ РОССИИ

Москва

ПРЕДИСЛОВИЕ

1 РАЗРАБОТАН Всероссийским научно-исследовательским институтом по переработке нефти

ВНЕСЕН Департаментом нефтепереработки Минтопэнерго РФ

2 ПРИНЯТ И ВВЕДЕН В ДЕЙСТВИЕ Постановлением Госстандарта Российской Федерации от 16.11.95 № 575

3 Настоящий стандарт разработан на основе ASTM D 1160 «Метод определения фракционного состава нефтепродуктов при остаточном давлении 0,133 кПа (1 мм рт. ст.)»

4 ВВЕДЕН ВПЕРВЫЕ

ГОСТ Р 50837.1-95

ГОСУДАРСТВЕННЫЙ СТАНДАРТ РОССИЙСКОЙ ФЕДЕРАЦИИ

ТОПЛИВА ОСТАТОЧНЫЕ. ОПРЕДЕЛЕНИЕ ПРЯМОГОННОСТИ

Метод определения кривой дистилляции
при давлении 0,133 кПа (1 мм рт.
ст.)

Residual fuel oils. Test for straight-run. Method for determination of the total
shape of distillation curve at pressure of 0,133
кРа (1 mm Hg)

Дата введения. 1996-07-01

1. ОБЛАСТЬ ПРИМЕНЕНИЯ

Настоящий стандарт устанавливает метод определения общего вида кривой дистилляции остаточных топлив при давлении 0,133 кПа (1 мм рт. ст.)

2. НОРМАТИВНЫЕ ССЫЛКИ

ГОСТ 2517-85   Нефть и нефтепродукты. Методы отбора проб

ГОСТ 3900-85   Нефть и нефтепродукты. Методы определения плотности

ГОСТ 8682-93   Посуда и оборудование лабораторные стеклянные. Конусы взаимозаменяемые. Основные размеры, технические требования, методы испытаний и маркировка

3 СУЩНОСТЬ МЕТОДА

Проба остаточного топлива перегоняется при давлении 133 Па (1 мм рт. ст.), при эффективности разделения, соответствующей одной теоретической тарелке.

На основе полученных данных строят кривую разгонки в координатах объем дистиллята - температура кипения.

4 АППАРАТУРА

4.1 Аппарат для проведения дистилляции остаточных топлив, обеспечивающий эффективность разделения, соответствующую одной теоретической тарелке (рисунок 1). Составные части аппарата приведены в 4.1.1 - 4.1.14

4.1.1 Сферическая колба вместимостью 500 см3 из боросиликатного стекла с карманом для термометра или термопары (рисунок 2).

4.1.2 Конусы взаимозаменяемые по ГОСТ 8682.

1 - потенциометр; 2 - переходник для термопары; 3 - нагреватель; 4 - насос; 5 - термостат

Рисунок 1 - Комплект аппаратуры для вакуумной дистилляции

4.1.3 Колонка из боросиликатного стекла (рисунок 3), помещаемая в сосуд Дьюара.

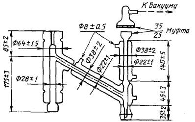
4.1.4 Холодильник из боросиликатного стекла с муфтой для термопары (рисунок 4).

4.1.5 Приемник продукта из боросиликатного стекла вместимостью 200 см3 с ценой деления 2 см3, начиная от низа, и длинными отметками через каждые 20 см3 (рисунок 5).

4.1.6 Термопара железоконстантановая в тонкой оболочке для измерения температуры паров (рисунок 6). Центральная линия стержня термопары устанавливается коаксиально с центральной линией колонки. Нижний конец термопары должен быть немного ниже верхнего уровня пароотводной трубки (рисунок 4). Термопара удерживается в требуемом положении с помощью пробки с отверстием. Входное отверстие пробки смазывают эпоксидной смолой. После затвердевания эпоксидной смолы термопару вставляют в пробку и нагревают пробку с термопарой, чтобы смола затекла в отверстие между ними.

4.1.7 Приспособление для конденсатора из боросиликатного стекла (рисунок 7).

4.1.8 Нагреватель колбы для дистилляции, снабженный разъемной кварцевой рубашкой (рисунок 2).

1 - теплоизоляционный материал; 2 - нагреватель; 3 - карман термопары

Рисунок 2 - Колба для дистилляции

4.1.9 Потенциометр, обеспечивающий измерение температуры от 0 до 370 °С с ценой деления 0,5 °С, предназначенный для записи показаний термопары.

4.1.10 Термометр или термопара для колбы, обеспечивающие измерение температур от 5 до 400 °С с точностью до 3 °С.

4.1.11 Вакуумметр или любой другой аппарат, обеспечивающий измерение абсолютного давления от 0,665 кПа (5 мм рт. ст.) и ниже с точностью (±0,665 · 10-2) кПа (±0,05 мм рт. ст.) и от 0,665 до 6,65 кПа (от 5 до 50 мм рт. ст.) с точностью ±1 % измеряемой величины. Систему измерения давления подсоединяют к боковому отводу дистилляционной колонки после полной сборки аппарата. Соединение должно быть внутренним диаметром не менее 7 мм и максимально коротким.

4.1.12 Система для регулирования абсолютного давления от 1,33 кПа (10 мм рт. ст.) и выше с точностью до ±1 %, а более низкого давления - с точностью ±(1,33 · 10-2) кПа (±0,1 мм рт. ст.). Систему регулирования давления подсоединяют к верху холодильника трубкой диаметром 10 мм, когда аппарат уже собран. Соединение должно быть максимально коротким и по возможности большого внутреннего диаметра.

Рисунок 3 - Колонка с вакуумной рубашкой

1 - термопара; 2 - конус 14/20; 3 - переходная муфта: 4 - конус 19/38

Рисунок 4 - Установка термопары

Рисунок 5 - Приемник

1 - конус 14/20

Рисунок 6 - Термопара

1 - приемник; 2 - конденсаторная трубка; 3 - отметка уровня 10 см3 отгона; 4 - крючок; 5 - пружина

Рисунок 7 - Приспособление для конденсатора

4.1.13 Экран безопасности, который отделяет оператора от дистилляционной установки.

4.1.14 Охлаждающая циркуляционная система, обеспечивающая охлаждение холодильника и приемника до температуры (32 - 78) ± 3 °С.

4.2 Подготовка аппаратуры

4.2.1 Блок термопара - потенциометр калибруется сравнением с работой стандартного термометра, опускаемого в баню с жидкостью. В качестве калибровочных точек используют температуры 0, 38, 93, 149, 204, 260 и 315 °С. Если необходимо, по показаниям потенциометра строят кривую с точностью до 0,5 °С.

Примечание - В качестве стандарта может быть использован платиновый термометр сопротивления или сертифицированный стеклянный ртутный термометр, а также может быть откалиброванная термопара при точности измерений потенциометра ±0,02 мВ.

4.2.2 После сбора установки проверяют предварительно откалиброванную систему измерения давления и блок «термопара - потенциометр». Общая проверка оборудования включает в себя проверку системы поддержания вакуума путем анализа остаточного топлива с известными характеристиками при двух и более давлениях.

5 ОТБОР ПРОБ

Отбор проб - по ГОСТ 2517.

При необходимости пробу перед взвешиванием обезвоживают. Для этого 300 см3 пробы нагревают до 82 °С, добавляют 10 - 15 г хлористого кальция (размер частиц 8 - 12 меш), энергично перемешивают 10 - 15 мин. Затем смесь охлаждают без перемешивания и отделяют пробу декантацией.

6 ПРОВЕДЕНИЕ ИСПЫТАНИЯ

6.1 Температуру охлаждающей смеси холодильника устанавливают не менее чем на 28 °С ниже самой низкой температуры паров, которая будет зафиксирована в методе.

Примечание - Для большинства проб подходит температура 60 °С.

6.2 Определяют относительную плотность пробы при температуре приемника с помощью ареометра по ГОСТ 3900 или любым другим способом с такой же точностью.

6.3 Зная плотность, определяют при температуре приемника эквивалентную 200 см3 массу пробы с погрешностью до 0,1 г. Эту массу пробы вносят в дистилляционную колбу.

6.4 Сферические соединения дистилляционной аппаратуры смазывают подходящей смазкой, используя минимально необходимое количество смазки. В карман дистилляционной колбы устанавливают термометр или термопару, укрепляя их стеклянной ватой.

Устанавливают колбу в теплоизоляционной рубашке на нагреватель и подсоединяют к сферическому шлифу аппарата. Соединение зажимают пружинным зажимом.

Примечание - В качестве смазки используют силиконовую высоковакуумную смазку. Излишки смазки на сферическом соединении могут быть причиной вспенивания пробы при дистилляции.

6.5 Включают вакуумный насос и смотрят, не возникает ли вспенивание содержимого колбы. Если проба вспенивается, слегка повышают давление в аппарате, пока пена не спадет. Растворенный газ может быть удален мягким обогревом.

6.6 Вакууммируют аппаратуру до достижения в системе давления 0,133 кПа (1 мм рт. ст.). Невозможность достижения нужного давления в системе говорит об утечке. Впускают воздух в систему и вновь смазывают все соединения. Если это не дает результата, проверяют всю систему.

6.7 Включают нагреватель и по возможности быстро нагревают колбу, избегая вскипания пробы. Как только пары и рефлюкс появятся на соединении между колбой и колонкой, регулируют скорость нагрева так, чтобы скорость дистилляции была от 6 до 8 см3/мин.

6.8 Отмечают давление в системе измерительного устройства одновременно с записью показаний термометра.

6.9 Записывают температуру пара и наблюдаемое давление для уже собранных в приемник следующих фракций (% объемных долей): н. к., 5, 10, 20, 30, 40, 50, 60, 70, 80, 90, 95 и к. к.

Если температура жидкости достигает 400 °С или пар достигает максимальной температуры до ожидаемого конца кипения, то записывают показание температуры пара на время прекращения дистилляции. В этом случае записывают общий отогнанный объем.

Примечание - При достижении температуры нагрева 400 °С максимальная температура паров является результатом дистилляции либо результатом крекинга. Последнее происходит, когда скорость нагрева увеличивается, а температура паров остается постоянной или несколько падает. Дымление (появление облака легких паров) и существенное увеличение давления в системе - признак крекинга. При появлении крекинга следует прекратить разгонку.

6.10 Опускают нагреватель колбы на несколько сантиметров и охлаждают колбу и нагреватель слабым потоком воздуха. Если необходимо размонтировать аппаратуру, не дожидаясь ее охлаждения ниже 93 °С, в колбу для восстановления давления подают азот или двуокись углерода. Двуокись углерода используют только при условии, что не применяют ловушки с жидким азотом.

Примечание - Восстановление давления с помощью воздуха может привести к взрыву из-за контакта горячих паров с воздухом.

7 ОБРАБОТКА РЕЗУЛЬТАТОВ

7.1 Температуру, отмеченную при разных объемах дистилляции при давлении 0,133 кПа (1 мм рт. ст.), приводят к температуре, соответствующей атмосферному давлению (таблица 1).

7.2 На основании полученных данных строят график зависимости объемной доли фракций от температуры.

При получении пологой графической зависимости исследуемый продукт относят к прямогонному.

8 ТОЧНОСТЬ МЕТОДА

8.1 Сходимость

Расхождение между двумя результатами определения, полученными одним и тем же исполнителем на одной и той же аппаратуре в постоянно действующих условиях, на идентичном исследуемом материале при нормальном и правильном выполнении испытания, может превышать значения, приведенные в таблицах 2 и 3, только в одном случае из двадцати.

8.2 Воспроизводимость

Расхождение между двумя результатами испытаний, полученными разными исполнителями, работающими в различных лабораториях на идентичном исследуемом материале при нормальном и правильном выполнении испытания, может превышать значения, приведенные в таблицах 2 и 3, только в одном случае из двадцати.

Пример расчета воспроизводимости метода приведен в приложении А.

Пологая кривая дистилляции является одним из критериев прямогонности.

Таблица 1

Температура испарения при 0,133 кПа (1 мм рт. ст.), °С

Температура кипения нефтепродукта при 101,1 кПа (760 мм рт. ст.), °С

0,0

0,5

1,0

1,5

2,0

2,5

3,0

3,5

4,0

4,5

1

2

3

4

5

6

7

8

9

10

11

35

195

196

196

198

198

199

199

201

201

202

40

202

203

203

205

205

206

206

207

207

209

45

209

210

210

211

211

213

213

214

214

216

50

216

217

217

218

218

220

220

221

221

222

55

222

224

224

225

225

226

226

228

228

229

60

229

230

230

232

232

233

233

234

234

236

65

236

237

237

238

238

240

240

241

241

242

70

242

244

244

245

245

247

247

248

248

249

75

249

251

251

252

252

253

253

255

255

256

80

256

257

257

259

259

260

260

261

261

263

85

263

264

264

265

265

266

266

268

268

269

90

269

270

270

272

272

273

273

274

274

276

95

276

277

277

278

278

280

280

281

281

282

100

282

284

284

285

285

286

286

288

288

289

105

289

290

290

292

292

293

293

294

294

295

110

295

297

297

298

298

299

299

301

301

302

115

302

303

303

305

305

306

306

307

307

308

120

308

310

310

311

311

312

312

314

314

315

125

315

316

316

318

318

319

319

320

320

321

130

321

323

323

324

324

325

325

327

327

328

135

328

329

329

330

330

332

332

333

333

334

140

334

336

336

337

337

338

338

339

339

341

145

341

342

342

343

343

345

345

346

346

347

150

347

348

348

350

350

351

351

352

352

353

155

353

355

355

356

356

357

357

359

359

360

160

360

361

361

362

362

364

364

365

365

366

165

366

367

367

369

369

370

370

371

371

372

170

372

374

374

375

375

376

376

377

377

379

175

379

380

380

381

381

382

382

384

384

385

180

385

386

386

387

387

389

389

390

390

391

185

391

392

392

394

394

395

395

396

396

397

190

397

399

399

400

400

401

401

402

402

404

195

404

405

405

406

406

407

407

409

409

410

200

410

411

411

412

412

414

414

415

415

416

205

416

417

417

419

419

420

420

421

421

422

210

422

423

423

425

425

426

426

427

427

428

215

428

430

430

431

431

432

432

433

433

434

220

434

436

436

437

437

438

438

439

439

441

225

441

442

442

443

443

444

444

445

445

447

230

447

448

448

449

449

450

450

451

451

453

235

453

454

454

455

455

456

456

458

458

459

240

459

460

460

461

461

462

462

464

464

465

245

465

466

466

467

467

468

468

470

470

471

250

471

472

472

473

473

474

474

476

476

477

255

477

478

478

479

479

480

480

482

482

483

260

483

484

484

485

485

486

486

488

488

489

265

489

490

490

491

491

492

492

493

493

495

270

495

496

496

497

497

498

498

499

499

501

275

501

502

502

503

503

504

504

505

505

506

280

506

508

508

509

509

510

510

511

511

512

285

512

514

514

515

515

516

516

517

517

518

290

518

519

519

521

521

522

522

523

523

524

295

524

525

525

526

526

528

528

529

529

530

300

530

531

531

532

532

533

533

535

535

536

305

536

537

537

538

538

539

539

540

540

542

310

542

543

543

544

544

545

545

546

546

547

315

547

548

548

550

550

551

551

552

552

553

320

553

554

554

555

555

557

557

558

558

559

325

559

560

560

561

561

562

562

563

563

565

330

565

566

566

567

567

568

568

569

569

570

335

570

571

571

573

573

574

574

575

575

576

340

576

577

577

578

578

579

579

581

581

582

345

582

583

583

584

584

585

585

586

586

587

350

587

588

588

590

590

591

591

592

592

592

Примечание - Пример пользования таблицей 1: температура кипения нефтепродукта с температурой испарения 37,5 °С лежит на пересечении значений 35 °С (по вертикали) и 2,5 °С (по горизонтали) и составляет 199 °С.

Таблица 2

Скорость дистилляции, °С/% (по объему)

Сходимость r, °С, при объемной доле дистиллята, %

Воспроизводимость R, °С, при объемной доле дистиллята, %

5 - 50

60 - 90

5 - 50

60 - 90

0,5

2,4

2,5

6,5

3,9

1,0

2,9

3,0

10

6,0

1,5

3,2

3,3

13

7,8

2,0

3,4

3,5

16

9,4

2,5

3,6

3,7

18

11

3,0

3,8

3,9

21

12

3,5

3,9

4,0

23

13

4,0

4,0

4,2

25

16

4,5

4,1

4,3

27

16

5,0

4,2

4,4

29

17

5,5

4,3

4,5

30

18

6,0

4,4

4,6

32

19

6,5

4,5

4,7

34

20

7,0

4,6

4,8

35

23

7,5

4,7

4,8

37

22

8,0

4,8

4,9

38

23

8,5

4,8

5,0

40

24

9,0

4,9

5,1

41

25

9,5

5,0

5,1

43

25

10,0

5,0

5,2

44

26

10,5

5,1

5,2

46

27

11,0

5,1

5,3

47

28

11,5

5,2

5,4

48

29

12,0

5,2

5,4

50

30

12,5

5,3

5,5

51

30

13,0

5,3

5,5

52

31

13,5

5,4

5,6

54

32

14,0

5,4

5,6

55

33

14,5

5,5

5,7

56

33

15,0

5,5

5,7

57

34

Таблица 3

Температура, °С

Сходимость, °С

Воспроизводимость, °С

Начало кипения (н. к.)

17

56

Конец кипения (к. к.)

3,3

31

ПРИЛОЖЕНИЕ А

(справочное)

ПРИМЕР РАСЧЕТА ВОСПРОИЗВОДИМОСТИ МЕТОДА

Требуется оценить воспроизводимость (R, °С) при объемной доле отгона 30 %.

По графику находят температуры:

40 % отгона 443 °С;

30 % отгона 427 °С;

20 % отгона 409 °С.

Рассчитывают:

По таблице 2 находят воспроизводимость для температур 5 - 50 % отгона при средней скорости дистилляции 1,5 и 2,0 °C/V %.

для °C/V % = 1,5 составляет 13 °С;

для °C/V % = 2,0 составляет 16 °С.

Воспроизводимость при средней скорости дистилляции составляет:

Ключевые слова: топливо остаточное, прямогонность, кривая дистилляции, температура испарения, остаточное давление

СОДЕРЖАНИЕ

 




Яндекс цитирования



   Copyright © 2007-2026,  www.tehlit.ru.

[ ѓосты, стандарты, нормативы, инструкции, правила, строительные нормы ]