//
ТехЛит.ру
- крупнейшая бесплатная электронная интернет библиотека для "технически умных" людей.
WWW.TEHLIT.RU - ТЕХНИЧЕСКАЯ ЛИТЕРАТУРА

:: Алготрейдинг::


АЛГОТРЕЙДИНГ
шаг за шагом
с нуля по урокам!

Торговые роботы на PYTHON, BackTrader,
Pandas, Pine Script для TradingView. Связка с брокерами, телеграм и легкими приложениями.


ГОСТ Р 51325.2.2-99
(МЭК 60320-2-2-98)

ГОСУДАРСТВЕННЫЙ СТАНДАРТ РОССИЙСКОЙ ФЕДЕРАЦИИ

СОЕДИНИТЕЛИ ЭЛЕКТРИЧЕСКИЕ
БЫТОВОГО И АНАЛОГИЧНОГО
НАЗНАЧЕНИЯ

Часть 2-2

Дополнительные требования к вилкам и розеткам
для взаимного соединения в приборах
и методы испытаний

ГОССТАНДАРТ РОССИИ
Москва

Предисловие

1 РАЗРАБОТАН И ВНЕСЕН АООТ «НИИЭлектроаппарат»

2 УТВЕРЖДЕН И ВВЕДЕН В ДЕЙСТВИЕ Постановлением Госстандарта России от 29 декабря 1999 г. № 804-ст

3 Настоящий стандарт содержит полный аутентичный текст международного стандарта МЭК 60320-2-2-98 (третье издание) «Соединители бытового и аналогичного назначения. Часть 2-2. Устройства для взаимного соединения» с дополнительными требованиями, учитывающими потребности экономики страны

4 ВВЕДЕН ВПЕРВЫЕ

СОДЕРЖАНИЕ

1 Область применения. 2

2 Нормативные ссылки. 3

3 Определения. 3

4 Общие требования. 3

5 Общие требования к испытаниям.. 4

6 Номинальные значения. 4

7 Классификация. 4

8 Маркировка. 4

9 Размеры и их соответствие. 5

10 Защита от поражения электрическим током.. 6

11 Заземление. 7

12 Зажимы и выводы.. 7

13 Конструкция. 7

14 Влагостойкость. 9

15 Сопротивление и электрическая прочность изоляции. 9

16 Усилия сочленения и расчленения соединителей. 9

17 Работоспособность контактов. 10

18 Нагревостойкость соединителей, предназначенных для работы при средних и высоких температурах. 10

19 Отключающая способность. 10

20 Нормальные условия эксплуатации. 11

21 Превышение температуры.. 12

22 Шнуры и их присоединение. 12

23 Механическая прочность. 12

24 Стойкость к нагреву и старению.. 13

25 Винты, токоведущие части и соединения. 13

26 Пути утечки, воздушные зазоры и расстояния по изоляции. 13

27 Теплостойкость, огнестойкость и трекингостойкость. 13

28 Коррозиестойкость. 14

Приложение А. Дополнительные требования, учитывающие потребности экономики страны и требования государственных стандартов на электротехнические изделия. 26

Приложение В. Библиография. 26

ГОСТ Р 51325.2.2-99
(МЭК 60320-2-2-98)

ГОСУДАРСТВЕННЫЙ СТАНДАРТ РОССИЙСКОЙ ФЕДЕРАЦИИ

СОЕДИНИТЕЛИ ЭЛЕКТРИЧЕСКИЕ БЫТОВОГО И АНАЛОГИЧНОГО НАЗНАЧЕНИЯ

Часть 2-2
Дополнительные требования к вилкам и розеткам для взаимного соединения в приборах и методы испытаний

Appliance couplers for household and similar general purposes.
Part 2-2. Particular requirements for interconnection couplers for household and similar equipment.
Requirements and methods of tests

Дата введения 2001-01-01

В настоящем стандарте изложены технические требования, правила и методы испытаний, которые дополняют, изменяют или исключают соответствующие разделы и/или пункты ГОСТ Р 51325.1.

По всему тексту ГОСТ 51325.1 заменить слова «соединитель», «розетка» и «приборная вилка» соответственно на «вилки и розетки для взаимного соединения», «вилка штепсельная соединительная» и «розетка штепсельная приборная».

1 Область применения

Раздел изложить в новой редакции:

Настоящий стандарт распространяется на вилки и розетки, предназначенные для присоединения гибкого провода (далее - соединители) с заземляющим контактом (или без него) к бытовым и аналогичным приборам классов I и II на номинальное напряжение не выше 250 В, номинальный ток не более 16 А и частоту 50 или 60 Гц.

Примечание - Настоящий стандарт распространяется также на штепсельные приборные розетки, встроенные или являющиеся составной частью электроприбора или аппарата.

К таким розеткам применимы габаритные и общие требования настоящего стандарта, но некоторые испытания не проводят.

Для штепсельных соединительных вилок (далее - вилки) температура ответных контактных гнезд штепсельной приборной розетки не должна превышать 65 °С (для холодных условий).

Соединители, соответствующие настоящему стандарту, предназначены для работы при температуре окружающей среды от 25 °С с допустимым временным увеличением до 35 °С.

Соединители, соответствующие габаритным чертежам настоящего стандарта, применяют в электроприборах, не имеющих специальной влагозащиты. Приборы, при нормальной работе подверженные воздействию брызг, должны соответствовать дополнительным требованиям.

Примечание - В нижеуказанных случаях применяют специальные конструктивные решения:

- при наличии особых условий в местах применения соединителей, например на судах, транспортных средствах и т.п.;

- при использовании в опасных условиях, например во взрывоопасной среде.

Настоящий стандарт следует применять с ГОСТ Р 51325.1.

Требования стандарта являются обязательными.

Дополнительные требования, учитывающие потребности экономики страны, приведены в приложении А.

В тексте стандарта методы испытания выделены курсивом, примечания - петитом.

Пункты, дополняющие ГОСТ Р 51325.1, начинаются с номера 101.

2 Нормативные ссылки

В настоящем стандарте использованы ссылки на следующие стандарты.

ГОСТ 7396.1-89 (МЭК 83-75) Соединители штепсельные бытового и аналогичного назначения. Основные размеры

ГОСТ 24643-81 Основные нормы взаимозаменяемости. Допуски формы и расположения поверхностей. Числовые значения

ГОСТ Р МЭК 245-1-97 Кабели с резиновой изоляцией на номинальное напряжение 450/750 В включительно. Общие требования

ГОСТ Р МЭК 536-94 Классификация электротехнического и электронного оборудования по способу защиты от поражения электрическим током

ГОСТ Р 51325.1-99 (МЭК 60320-1-94) Соединители электрические бытового и аналогичного назначения. Часть 1. Общие требования и методы испытаний

ГОСТ Р МЭК 60227-1-99 Кабели с поливинилхлоридной изоляцией на номинальное напряжение до 450/750 В включительно. Общие требования

3 Определения

По ГОСТ Р 51325.1 со следующими дополнением и изменением.

3.101 соединитель: Изделие, обеспечивающее взаимное сочленение и расчленение гибкого провода или шнура с используемым электрическим прибором.

Он состоит из двух частей:

- подвижной приборной соединительной вилки (далее - вилка) - изделие, выполненное заодно с гибким проводом или шнуром или присоединяемое к проводу или шнуру;

- неподвижной приборной розетки (далее - розетка) - изделие, встроенное или закрепленное на электрическом приборе.

Главной частью вилки являются штыревые контакты.

Главной частью розетки являются контактные гнезда.

Примечание - Встроенная розетка, являющаяся частью прибора, выполнена так, что ее стенки и дно являются одним целым с корпусом электроприбора. Розетка, устанавливаемая на электроприборе, является отдельной деталью, которая может выполняться заодно с корпусом прибора или крепится к нему.

Пункт 3.3. Замена

Термин «изделие» следует рассматривать как обобщенный для обозначения вилки и/или розетки.

4 Общие требования

Раздел изложить в новой редакции:

Соединители должны иметь такую конструкцию, которая при нормальных условиях эксплуатации обеспечивала бы их надежную работу и была бы безопасной для потребителя и окружающей среды.

Соответствие проверяют проведением всех предписанных испытаний.

5 Общие требования к испытаниям

По ГОСТ Р 51325.1 со следующими изменениями.

Пункты 5.4 и 5.5 изложить в новой редакции:

5.4 Если нет других указаний, вилки и приборные розетки испытывают соответственно с вилкой и приборной розеткой, удовлетворяющими настоящему стандарту.

5.5 Для приборных розеток указанные испытания проводят на шести образцах, из которых три подвергают предписанным настоящим стандартом испытаниям, за исключением разделов 14 - 16, 19 - 21, а три оставшихся образца - испытаниям по разделам 14 - 16, 19 - 21 (включая испытания по 16.2).

Для испытания вилок в партии необходимо представить девять образцов: три образца подвергают предусмотренным настоящим стандартом испытаниям, за исключением разделов 14, 15 и 17 и пунктам 22.4 и 24.2, три образца подвергают испытаниям по разделам 14, 15 и 17, а оставшиеся образцы - испытаниям по 22.4.

Для вилок, спрессованных резиной или другим аналогичным материалом, требуются два дополнительных образца, которые подвергают испытаниям по 24.2.1.

Для вилок с корпусами из поливинилхлорида или аналогичного материала требуются два дополнительных образца, которые подвергают испытаниям по 24.2.3.

Общее число образцов вилок - по таблице 101.

Таблица 101

Материал вилки

Число образцов

Твердый изоляционный материал

9

Резина или аналогичные материалы

11

6 Номинальные значения

По ГОСТ Р 51325.1 со следующим изменением.

Пункт 6.2 изложить в новой редакции:

6.2 Номинальные значения тока должны выбираться из ряда: 2,5, 10 и 16 А, как указано в 9.1 настоящего стандарта.

7 Классификация

По ГОСТ Р 51325.1 со следующими изменениями.

Пункты 7.1 и 7.2 изложить в новой редакции:

7.1 Соединители в соответствии с классом электроприбора, к которому их присоединяют, подразделяют на классы I и II.

Примечание - Описания классов приведены в ГОСТ Р МЭК 536.

7.2 Вилки по способу присоединения провода или шнура подразделяют на:

- разборные;

- неразборные (спрессованные).

8 Маркировка

По ГОСТ Р 51325.1 со следующими изменениями.

Пункты 8.1 - 8.3, 8.5 и 8.6 изложить в новой редакции:

8.1 Маркировка вилок должна содержать следующие обозначения:

- номинальный ток, А;

- номинальное напряжение, В;

- символ переменного тока;

- наименование или товарный знак изготовителя или распространителя изделия;

- тип.

Примечание - Обозначение типа может быть каталожным номером.

8.2 На приборных розетках соединителей, кроме встроенных или вмонтированных в электрические приборы, должны быть указаны:

- наименование или товарный знак изготовителя или распространителя изделия;

- тип, обозначение которого не должно быть видно после правильного монтажа розетки на приборе или вставленной в розетку вилке.

Примечание - Обозначение типа может быть каталожным номером.

8.3 Соединители и соединительные комплекты для электроприборов класса II не должны маркироваться символом класса.

8.5 Символы и обозначения, предусмотренные в 8.1, должны быть легко различимы, когда вилка соединена с кабелем, проводом или шнуром и готова к эксплуатации.

Примечание - Термин «готовность к эксплуатации» не обязательно означает, что вилка введена в приборную розетку.

8.6 В случае применения вилок без изменения полярности штырей, положения контактов устанавливают со стороны лицевой поверхности вилки, и их размещение должно быть следующее:

- заземляющий контакт - вверху в середине;

- фазовый контакт - внизу слева;

- нейтральный контакт - внизу справа.

В разборных вилках без изменения полярности штыри маркируют следующим образом:

- заземляющий штырь - знаком .

- нейтральный штырь - буквой N.

В неразборных вилках без изменения полярности нет необходимости маркировать штыри, но жилы кабелей, проводов или шнуров должны присоединяться в соответствии с требованиями 22.1.

Для приборных розеток, не являющихся встроенной частью электрического прибора и не прикрепленных к нему, но предназначенных для работы с вилками по настоящему стандарту, контакты должны маркироваться согласно нижеприведенным требованиям.

Маркировка зажимов не должна быть расположена на винтах, шайбах или других съемных деталях.

Примечание - Требования по обозначению контактов и присоединения кабелей или проводов введены согласно соответствующим требованиям к соединителям для электрических приборов, в которых предусматривается соблюдение полярности питания, что необходимо при экспортных поставках, и соответствие вилок и розеток требованиям МЭК 906-1 [4].

9 Размеры и их соответствие

По ГОСТ Р 51325.1 со следующими изменениями.

Пункты 9.1 - 9.4 изложить в новой редакции:

9.1 Соединители должны соответствовать стандартным листам, кроме случаев, предусмотренных в 9.6:

- соединители на 2,5 А, 250 В для приборов класса I:

вилка - листу А,

приборная розетка - листу В;

- соединители на 2,5 А, 250 В для приборов класса II:

вилка - листу С,

приборная розетка - листу D;

- соединители на 10 А, 250 В для приборов класса I:

вилка - листу Е,

приборная розетка - листу F;

- соединители на 10 А, 250 В для приборов класса II:

вилка - листу G,

приборная розетка - листу Н;

- соединители на 16 А, 250 В для приборов класса I:

вилка - листу I,

приборная розетка - листу J;

- соединители на 16 А, 250 В для приборов класса II:

вилка - листу К,

приборная розетка - листу L.

Соответствие проверяют измерением или с помощью калибров при температуре окружающей среды (25 ± 5) °С.

Калибры для проверки изделий следует выбирать согласно таблице 102.

Таблица 102

Номинальный ток, А

Испытуемое изделие

Стандартный лист

Калибр, номер рисунка

10

Вилка

E и G

16

I и K

10

Розетка

F

101

Н

102

16

J

103

L

104

9.2 Если для удержания вилки в розетке предусмотрено запорное устройство, то оно должно соответствовать требованиям стандартного листа (находится в стадии разработки).

9.3 Не допускается возможность однополюсного контакта между вилками и приборными розетками.

Приборные розетки не должны допускать нежелательного соединения с вилками, соответствующими ГОСТ 7396.1.

Вилки не должны допускать нежелательных соединений с розетками, соответствующими ГОСТ 7396.1 и ГОСТ Р 51325.1.

Контроль осуществляют вручную.

Примечания - «Нежелательные соединения» - однополюсные или любые другие соединения, не соответствующие требованиям к защите от поражения электрическим током.

Соответствие стандартным листам обеспечивает выполнение этих требований.

9.4 Не допускается возможность введения:

- вилок для приборов класса I в розетки класса II;

- вилки в розетки на номинальный ток меньше номинального тока вилки.

Контроль осуществляют визуально, проверкой вручную и с помощью калибров при температуре окружающей среды (35 ± 2) °С.

Примечания

1 Соответствие стандартным листам обеспечивает выполнение всех требований настоящего стандарта, кроме размеров, проверяемых калибрами.

2 Калибры находятся в стадии разработки.

Пункт 9.5 не применяют.

10 Защита от поражения электрическим током

По ГОСТ Р 51325.1 со следующими изменениями.

Пункты 10.1, 10.2 и 10.4 изложить в новой редакции:

10.1 Соединители должны иметь такую конструкцию, чтобы части, находящиеся под напряжением, и заземляющие контакты розетки не были доступны при частичном или полном сочленении.

Конструкция вилок должна исключать доступ к контактным частям, находящимся под напряжением, к заземляющим контактам, а также соединенным с ними частям при правильном монтаже вилки на кабеле, проводе или шнуре.

Проверку проводят внешним осмотром и, при необходимости, испытанием. Испытание проводят с помощью стандартного испытательного пальца по ГОСТ Р 51325.1, который прикладывают во всех возможных направлениях к соответствующим частям, контакт с которыми обнаруживают индикатором.

Для вилок с обрезиненным корпусом или изготовленных из термопластичного материала испытательный палец прикладывают с силой 20 Н в течение 30 с ко всем точкам, где прогиб или разрушение изоляционного материала может вызвать нарушение электробезопасности.

Это испытание следует проводить при температуре окружающей среды (35 ± 2) °С.

Примечания

1 Стандартный испытательный палец должен быть изготовлен так, чтобы каждый из его сегментов мог быть ориентирован на угол 90° в одном направлении по отношению к оси пальца.

2 Электрический индикатор с рабочим напряжением 40 - 50 В следует использовать для визуального обнаружения контактов с вышеописанными деталями.

3 Соответствие стандартным листам обеспечивает соблюдение требований по недоступности контактных элементов во время включения вилки в приборную розетку.

10.2 Не допускается возможность контактирования между одним штырем вилки и гнездом розетки, в то время как другой штырь оказывается доступным для прикосновения.

Контроль осуществляют вручную испытанием по 10.1.

Примечание - Соответствие стандартным листам обеспечивает соблюдение этого требования.

10.4 Наружные элементы вилки и розетки, за исключением крепящих винтов и аналогичных элементов, должны выполняться из изоляционного материала, отвечающего требованиям огнестойкости.

Контроль проводят путем испытания на огнестойкость.

Примечания

1 Качество изоляционного материала проверяют во время диэлектрических испытаний по разделу 15.

2 Лак или эмаль не считают изолирующим материалом в отношении требований 10.1 - 10.4.

11 Заземление

По ГОСТ Р 51325.1 со следующим изменением.

Пункт 11.2 изложить в новой редакции:

11.2 Соединители с заземляющим контактом должны иметь такую конструкцию, чтобы в момент включения вилки заземление обеспечивалось до того, как токоведущие контакты розетки окажутся под напряжением.

В случае соединителей, не соответствующих стандартным листам, контроль осуществляют проверкой размеров по чертежам с учетом отклонений и сравнением образцов с этими чертежами.

Примечание - Соответствие стандартным листам обеспечивает соблюдение этого требования.

12 Зажимы и выводы

По ГОСТ Р 51325.1.

13 Конструкция

По ГОСТ Р 51325.1 со следующими изменениями.

Пункты 13.1, 13.3 - 13.5 изложить в новой редакции:

13.1 Конструкция соединителей должна исключать возможность случайного контакта между заземляющим штырем розетки и токопроводящими контактами вилки.

Контроль проводят внешним осмотром.

Примечание - Соответствие стандартным листам обеспечивает выполнение этого требования.

13.3 Штыри вилок и контакты розеток не должны проворачиваться.

Контроль осуществляют осмотром и испытанием вручную.

Примечание - Зажимные винты могут одновременно защищать от проворачивания.

13.4 Штыри вилок должны быть надежно закреплены, иметь достаточную механическую прочность, демонтироваться при помощи инструмента. Контактные штыри должны быть защищены буртиком, предусмотренным конструкцией вилки.

Надежность удержания штыря проверяют осмотром, а в сомнительных случаях - при помощи следующего испытания.

Образец нагревают до соответствующей ему температуры нагрева штырей (70 ± 2) °С в течение 1 ч и поддерживают эту температуру на всем протяжении испытания, включая и пятиминутный период после снятия испытательной нагрузки.

Вилку прочно закрепляют так, чтобы не вызвать деформации или чрезмерного сжатия ее корпуса. Устройство крепления не должно препятствовать выдергиванию штырей.

На каждый штырь воздействуют выдергивающей или вдавливающей силой (60 ± 0,6) Н, которую прикладывают без рывков вдоль оси штыря и выдерживают в течение 60 с.

Ко всем штырям силу прикладывают сначала в одном направлении (выдергивание), а затем в противоположном (вдавливание).

Крепление штырей считают удовлетворительным, если при испытании не было смещения любого штыря более чем на 2,5 мм и в течение 5 мин после окончания воздействия выдергивающей испытательной силы все штыри остаются в пределах допусков, установленных в соответствующем стандартном листе.

Примечания

1 Это требование относится также к «плавающим» штырям в некоторых направлениях.

2 Допустимые пределы люфта «плавающих» штырей определяют не путем измерений, а с помощью калибров.

13.5 Гнезда розеток должны иметь возможность самоцентрирования относительно оси штырей, чтобы обеспечить соответствующее равномерное контактное давление.

Самоцентрирование гнезд не должно обеспечиваться за счет упругости изоляционного материала.

Контроль осуществляют внешним осмотром и испытаниями по разделам 16 - 21.

Пункт 13.7 не применяют.

Пункт 13.8. Изменение

Третий абзац не применяют.

Пункт 13.9 изложить в новой редакции:

13.9 В вилках штырь заземления должен быть прикреплен к корпусу вилки. Если элементы защитной цепи соединителя выполнены не как одно целое, то они должны быть надежно соединены между собой клепкой, пайкой или другими способами, обеспечивающими аналогичную электробезопасность. Соединение должно быть выполнено из металла, стойкого к коррозии.

Контроль осуществляют внешним осмотром и, если необходимо, специальными испытаниями.

Примечания

1 Данное требование не исключает умеренно «плавающих» заземляющих штырей.

2 Допустимые пределы люфта «плавающих» штырей определяют не путем измерений, а с помощью калибров согласно стандартному листу (находятся в стадии разработки) для вилок на номинальный ток 2,5 А и согласно стандартному листу 9Н по ГОСТ Р 51325.1 - для вилок на номинальный ток 10 А.

14 Влагостойкость

По ГОСТ Р 51325.1.

15 Сопротивление и электрическая прочность изоляции

По ГОСТ Р 51325.1 со следующими изменениями.

Пункт 15.2 изложить в новой редакции:

15.2 Сопротивление изоляции измеряют при постоянном напряжении 500 В. Измерение проводят через 1 мин после приложения напряжения.

Сопротивление изоляции измеряют в следующей последовательности:

1) для приборных розеток - при вставленной вилке и без нее - между токоведущими гнездами, соединенными между собой и корпусом;

2) для приборных розеток - при вставленной вилке - между каждым токоведущим гнездом и другим гнездом, связанным с корпусом;

3) для вилок - между токоведущими штырями, соединенными между собой и корпусом;

4) для вилок - между каждым токоведущим штырем и другим, связанным с корпусом;

5) для разборных вилок - между любой металлической частью устройства для защиты от натяжения и скручивания, включая зажимные винты, и заземляющим штырем;

6) для разборных вилок - между любой металлической частью устройства защиты от натяжения и скручивания, за исключением зажимных винтов, и металлическим стержнем максимального диаметра, применяемого вместо соответствующего провода или шнура.

Максимальные диаметры гибкого провода или шнура для испытания - по ГОСТ Р 51325.1.

Сопротивление изоляции вилок и розеток не должно быть менее 5 МОм.

Примечания

1 В перечислениях 1 - 4 под термином «корпус» подразумевают все металлические части, крепежные винты, наружные сборочные винты или сходные с ними соединения, защитные заземляющие контакты, защитные штыри или гнезда, если они имеются, а также металлическую фольгу, накладываемую на поверхность сочленения вилок (для перечислений 3 и 4).

2 Металлическую фольгу накладывают на наружную поверхность наружных деталей из изолирующего материала, однако не вдавливают в отверстия.

16 Усилия сочленения и расчленения соединителей

Раздел изложить в новой редакции:

16.1 Конструкцией соединителей должно быть предусмотрено легкое сочленение и расчленение вилки с розеткой и исключение самопроизвольного расчленения в условиях нормальной эксплуатации.

Данная способность не должна снижаться за период нормальной эксплуатации соединителя.

Контроль осуществляют испытанием на вилках по 16.2, которое проводят после испытаний по разделу 21.

Примечание - Вопрос о дополнительных испытаниях по контролю усилия, необходимого для сочленения вилки и розетки, в 1,5 раза превышающего усилие расчленения, в настоящее время обсуждается.

16.2 Максимальные и минимальные усилия, необходимые для расчленения вилки с розеткой, определяют при помощи установки, приведенной на рисунке 12 ГОСТ Р 51325.1. Установка состоит из держателя и испытательной вилки, расположенной так, чтобы оси контактных штырей находились в вертикальной плоскости и их свободные концы были направлены вниз, а оси контактных гильз были ориентированы вверх.

Вилка должна соответствовать испытуемой розетке и иметь штыри из закаленной стали с шероховатостью поверхности не более 0,8 мкм. Длина штырей и расстояние между их осями должны соответствовать конструкции, выбранной по стандартному листу настоящего стандарта. Допустимые отклонения расстояния между штырями не должны быть более ± 0,02 мм.

Для измерения максимального/минимального усилия расчленения штыри должны иметь максимальные/минимальные размеры с допустимым отклонением ± 0,01 мм, а буртик - минимальные внутренние размеры с допустимым отклонением плюс ± 0,01 мм согласно стандартному листу на соответствующие вилки и розетки.

Испытуемую вилку сочленяют и расчленяют до конца, по 10 раз с розеткой испытательной установки. Затем вилку вновь сочленяют с розеткой, при этом опору для основного и дополнительного грузов крепят к ней захватом.

Масса дополнительного груза должна создавать усилие 5 Н.

Основной груз вместе с дополнительным грузом, захватом, опорой и вилкой должны обеспечивать усилие 50 Н.

Основной груз навешивают таким образом, чтобы не вызвать сотрясений вилки, а дополнительный груз сбрасывают на основной с высоты 5 см.

По окончании испытания вилка не должна оставаться в розетке.

После этого испытание повторяют с другой испытательной вилкой, при этом основной и дополнительные грузы заменяют другим грузом таким образом, чтобы общая масса вилки, захвата, опоры и нового груза обеспечивала усилие 10 Н для соединителей на ток 10 А и 15 Н - для соединителей на ток 16 А.

По окончании испытания вилка не должна расчленяться с розеткой.

17 Работоспособность контактов

Раздел изложить в новой редакции:

17.1 Штыри вилок и гнезда розеток должны создавать скользящие контакты, обеспечивать достаточное контактное нажатие и не должны выходить из строя при нормальных условиях эксплуатации.

17.2 Цепи, создаваемые соединителями, в частности цепи защиты, должны иметь достаточно низкое сопротивление.

Контактное нажатие между гнездами и штырями цепи защиты не должно зависеть от упругости изоляционного материала, на котором они крепятся.

Соответствие требованиям 17.1 и 17.2 проверяют внешним осмотром.

18 Нагревостойкость соединителей, предназначенных для работы при средних и высоких температурах

Раздел по ГОСТ Р 51325.1 не применяют.

19 Отключающая способность

Раздел изложить в новой редакции:

Соединители должны обладать достаточной коммутационной способностью.

Проверку розеток проводят следующим испытанием.

Розетку закрепляют на установке, указанной на рисунке 14 ГОСТ Р 51325.1, содержащей испытательную вилку со стальными закаленными полированными штырями, размеры которых соответствуют стандартному листу.

Розетку располагают таким образом, чтобы плоскость, проходящая через оси гнезд, была горизонтальной, а контакт заземления находился сверху.

Розетку сочленяют с вилкой в течение 50 циклов (100 движений штыря) с частотой 30 движений в минуту.

Электрическая схема испытательной установки приведена на рисунке 15 ГОСТ Р 51325.1. Испытательное напряжение должно быть 275 В, испытательный ток должен быть в 1,25 раза больше номинального, коэффициент мощности должен быть не менее 0,95 для розеток на ток 10 и 16 А, не менее 0,6 ± 0,05 - для розеток на ток 2,5 А.

При наличии цепи заземления ток через нее не пропускают.

Цепь защиты и доступные металлические части присоединяют через селекторный переключатель С к одному из полюсов источника питания для одной половины испытательных циклов и к другому полюсу - для другой половины циклов.

При применении индуктивного сопротивления без стального сердечника параллельно ему присоединяют активное сопротивление, забирающее около 1 % тока, проходящего через индуктивность.

Возможно использование индуктивности со стальным сердечником при условии, что ток имеет практически синусоидальную форму.

Во время испытания не должен проходить электрический разряд ни между токоведущими частями разной полярности, ни между этими частями и частями контакта заземления, если они имеются, а также не должна наблюдаться устойчивая электрическая дуга.

После испытания образцы не должны иметь никаких повреждений, препятствующих их дальнейшей работе; входные отверстия гильз розеток не должны иметь серьезных следов повреждений.

Примечания

1 В случае сомнения вилку испытательного прибора оснащают новыми штырями с шероховатостью поверхности, равной или ниже 0,8 мкм по всей длине штыря. Если новая партия из трех образцов выдерживает повторное испытание с новыми штырями, розетку считают выдержавшей испытание.

2 Изменение положения соответствует включению или выключению вилки.

3 Вилки не подвергают испытаниям на коммутационную способность.

20 Нормальные условия эксплуатации

Раздел изложить в новой редакции:

Соединители должны выдерживать механические, электрические и тепловые нагрузки, имеющие место при нормальной эксплуатации, без чрезмерного износа или других неблагоприятных результатов.

Контроль осуществляют испытанием на установке, описанной в разделе 19.

Розетки сочленяют с вилками в течение 1000 циклов (2000 движений штыря с номинальным током) и сочленяют и расчленяют с вилкой в течение 3000 циклов (6000 движений штыря без тока).

Схема соединения и другие условия испытания указаны в разделе 19, кроме испытательного напряжения, которое должно быть 250 В.

Переключатель С (рисунок 15) соединяет цепь защиты и доступные металлические детали с одним из полюсов источника питания для одной половины циклов и с другим полюсом - для другой половины циклов.

После испытания образец должен выдержать испытание на электрическую прочность по 15.3, но с меньшим испытательным напряжением, равным 1500 В.

В результате испытаний на образцах не должно быть:

- износа, который препятствовал бы их дальнейшей работе;

- ухудшения качества кожуха или перегородок;

- повреждения вводных отверстий для штырей вилок, которое препятствовало бы их дальнейшей работе;

- ослабления электрических или механических соединений;

- утечки заливочной массы.

Испытание на влагостойкость не повторяют перед электрическим испытанием по настоящему пункту.

Вилки на работоспособность не испытывают.

21 Превышение температуры

Раздел изложить в новой редакции:

Конструкция контактов и других токоведущих частей должна исключать чрезмерный нагрев при нормальной эксплуатации.

Контроль осуществляют путем следующего испытания.

Розетку вводят в подходящую вилку с латунными штырями минимальных размеров, указанных в соответствующем стандартном листе, с отклонением плюс 0,02 мм; межосевое расстояние штырей удовлетворяет стандартному листу.

По токоведущим контактам пропускают переменный ток, равный 1,25 номинального, в течение 1 ч.

Для розеток с заземляющим контактом в течение 1 ч пропускают ток по одному токоведущему и одному заземляющему контактам.

Температуру определяют при помощи плавящихся частиц, цветоизменяющихся индикаторов или термопар, которые выбирают и располагают таким образом, чтобы они оказывали минимальное влияние на тепловой режим образцов.

Превышение температуры контактов или выводов и контактов не должно быть более 45 °С.

После этого испытания вторую партию образцов, указанную в 4.5, подвергают испытанию согласно разделу 16.

Примечание - Вилки не испытывают на нагревание.

Во время испытания розетку не подвергают воздействию наружного источника тепла.

22 Шнуры и их присоединение

По ГОСТ Р 51325.1 со следующими изменениями.

Пункт 22.3 Таблицу 5 изложить в новой редакции:

Таблица 5

Номинальный ток, А

Тип гибкого провода по ГОСТ Р МЭК 245-1

Номинальное сечение, мм2

10

245 IEC 53

0,75; 1,00

16

245 IEC 53

1,50

Пункт 22.4 Таблицу 6 изложить в новой редакции:

Таблица 6

Номинальный ток, А

Тип гибкого провода по ГОСТ Р МЭК 245-1

Номинальное сечение, мм2

10

245 IEC 53

1,0

16

1,5

23 Механическая прочность

По ГОСТ Р 51325.1 со следующими изменениями и дополнением.

Пункты 23.1 и 23.3 изложить в новой редакции:

23.1 Соединители должны иметь достаточную механическую прочность.

Проверку проводят:

- на вилках - испытаниями по 23.2, 23.3, 23.5, 23.7 и 23.8;

- на розетках - испытаниями по 23.5.

23.3 После испытания по 23.2 вилку вводят в розетку испытательной установки в соответствии с рисунком 19 ГОСТ Р 51325.1.

Розетка должна соответствовать настоящему стандарту и выбираться из числа изделий, имеющих наиболее типичные характеристики. Штыри вилки должны быть направлены вниз.

Боковое натяжение, установленное в таблице 7, прикладывают на короткое время к гибкому проводу в направлении, перпендикулярном плоскости штырей вилки. Это натяжение производят по 100 раз в каждом направлении.

Таблица 7

Номинальный ток вилки, А

Натяжение, Н

2,5

6

10,0

35

16,0

50

При необходимости вилку удерживают на месте, чтобы предотвратить ее разъединение с розеткой. Во время испытания устройство защиты, при наличии, не должно отделяться от буртика.

После испытания вилка не должна иметь никаких повреждений и должна соответствовать требованиям настоящего стандарта.

Примечание - Устройство, приведенное на рисунке 19, может использоваться для вилок, у которых ось корпуса совпадает с осью гибкого провода (прямые розетки). Для вилок остальных типов устройство должно быть приспособлено так, чтобы натяжение действовало в наиболее неблагоприятном направлении.

Пункт 23.4 не применяют.

Пункт 23.5 Первый абзац изложить в новой редакции.

Буртик соединителя из изоляционного материала, выступающий на применяемом устройстве, испытывают при помощи контрольного ударного устройства, аналогичного указанному на рисунке 21 ГОСТ Р 51325.1.

Пункт 23.6 не применяют.

Раздел дополнить пунктом:

23.8.101 Корпус розетки подвергают испытанию на сжатие при температуре окружающего воздуха (25 ± 5) °С на установке, показанной на рисунке 24 ГОСТ Р 51325.1.

Образец обжимают двумя стальными зажимными губками с цилиндрическим торцом радиусом 25 мм, шириной 15 мм и длиной не менее 50 мм. Губки имеют закругленные радиусом 2,5 мм углы.

Образец сжимают между губками таким образом, чтобы давление приходилось на участок, который сжимается при нормальном использовании розетки.

Усилие, прикладываемое зажимами, должно быть (20 ± 2) Н.

Через 1 мин зажимы снимают. На образце не должно быть никаких повреждений, нарушающих требования настоящего стандарта.

24 Стойкость к нагреву и старению

По ГОСТ Р 51325.1.

25 Винты, токоведущие части и соединения

По ГОСТ Р 51325.1.

26 Пути утечки, воздушные зазоры и расстояния по изоляции

По ГОСТ Р 51325.1 со следующим изменением.

Примечание 1 к таблице дополнить абзацем:

Под понятием «доступные металлические детали» подразумевают:

- металлическую фольгу, надетую на наружную поверхность из изоляционного материала корпуса розетки;

- металлическую фольгу, надетую на наружную поверхность из изоляционного материала корпуса вилки, доступную в положении, когда штыри вилки находятся в электрическом контакте с соответствующими гильзами розетки.

Последний абзац (до примечания) не применяют.

27 Теплостойкость, огнестойкость и трекингостойкость

По ГОСТ Р 51325.1 со следующим исключением.

Пункт 27.2 не применяют.

28 Коррозиестойкость

По ГОСТ Р 51325.1.

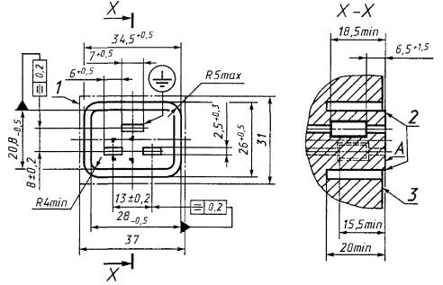
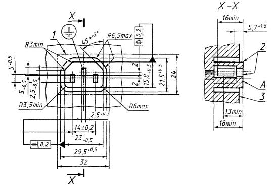
СТАНДАРТНЫЙ ЛИСТ А

Приборная розетка на 2,5 А, 250 В для приборов класса I (опрессованная)

1 - контур передней части; не должен быть превышен или уменьшен в любой точке, расположенной на расстоянии не менее 16,5 мм от поверхности зацепления; 2 - контур задней части; не должен быть превышен ни в одном сечении, перпендикулярном оси вилки, кроме вилок с боковым вводом провода или комбинированных с другой арматурой, когда этот предел не применяют в направлении оси провода

Чертеж не определяет конструкцию, за исключением указанных размеров.

Обозначения отклонений по форме или положению - по ГОСТ 24643.

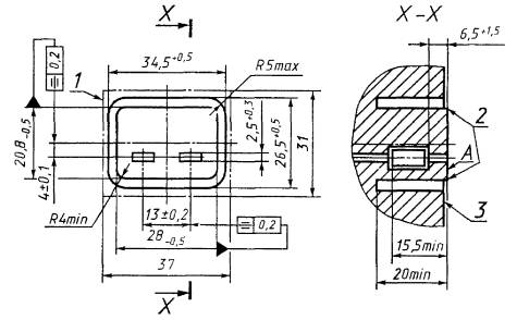
СТАНДАРТНЫЙ ЛИСТ В

Приборная розетка на 2,5 А, 250 В для приборов класса I

1 - контур задней части; 2 - зона, до внешней линии которой должна доходить плоскость А в пределах контура 1

Чертеж не определяет конструкцию, за исключением указанных размеров.

Обозначения отклонений по форме или положению - по ГОСТ 24643.

СТАНДАРТНЫЙ ЛИСТ С

Вилка на 2,5 А, 250 В для приборов класса II (опрессованная)

1 - контур передней части; не должен быть превышен или уменьшен в любой точке, расположенной на расстоянии не менее 16,5 мм от поверхности зацепления; 2 - контур задней части; не должен быть превышен ни в одном сечении, перпендикулярном оси вилки, кроме вилок с боковым вводом провода или комбинированных с другой арматурой, когда этот предел не применяют в направлении оси провода

Чертеж не определяет конструкцию, за исключением указанных размеров.

Обозначения отклонений по форме или положению - по ГОСТ 24643.

СТАНДАРТНЫЙ ЛИСТ D

Приборная розетка на 2,5 А, 250 В для приборов класса II

1 - контур задней части; 2 - зона, до внешней линии которой должна доходить плоскость А в пределах контура 1

Чертеж не определяет конструкцию, за исключением указанных размеров.

Обозначения отклонений по форме или положению - по ГОСТ 24643.

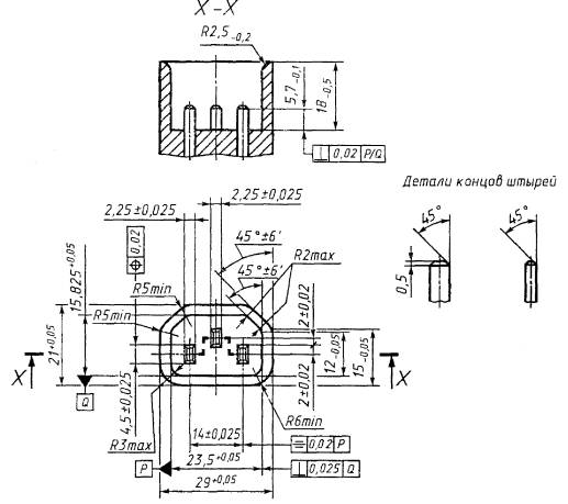
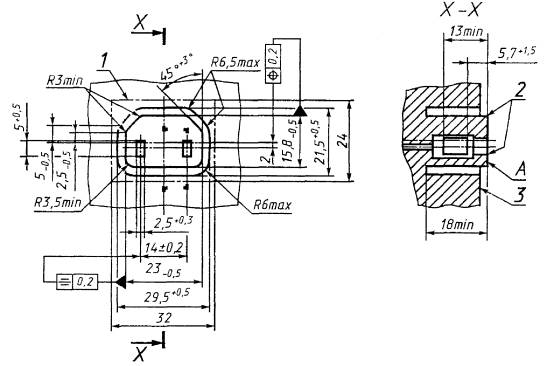
СТАНДАРТНЫЙ ЛИСТ Е

Вилка на 10 А, 250 В для приборов класса I (опрессованная)

1 - контур передней части; не должен быть превышен или уменьшен в любой точке, расположенной на расстоянии не менее 16,5 мм от поверхности зацепления; 2 - контур задней части; не должен быть превышен ни в одном сечении, перпендикулярном оси вилки, кроме вилок с боковым вводом провода или комбинированных с другой арматурой, когда этот предел не применяют в направлении оси провода; 3 - острые кромки притупить; 4 - сферическая поверхность

Чертеж не определяет конструкцию, за исключением указанных размеров.

Обозначения отклонений по форме или положению - по ГОСТ 24643.

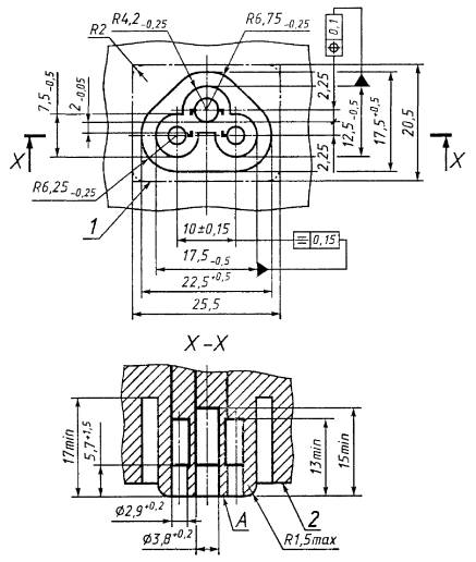
СТАНДАРТНЫЙ ЛИСТ F

Приборная розетка на 10 А, 250 В для приборов класса I

1 - контур задней части; 2 - острые кромки притупить; 3 - указанная поверхность не должна выступать относительно плоскости А в пределах контура 1

Чертеж не определяет конструкцию, за исключением указанных размеров.

Обозначение отклонений по форме или положению - по ГОСТ 24643.

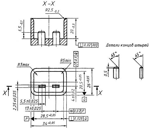
СТАНДАРТНЫЙ ЛИСТ G

Вилка на 10 А, 250 В для приборов класса II (опрессованная)

1 - контур передней части; не должен быть превышен или уменьшен в любой точке, расположенной на расстоянии не менее 16,5 мм от поверхности зацепления; 2 - контур задней части; не должен быть превышен ни в одном сечении, перпендикулярном оси вилки, кроме вилок с боковым вводом провода или комбинированных с другой арматурой, когда этот предел не применяют в направлении оси провода; 3 - острые кромки притупить; 4 - сферическая поверхность

Чертеж не определяет конструкцию, за исключением указанных размеров.

Обозначения отклонений по форме или положению - по ГОСТ 24643.

СТАНДАРТНЫЙ ЛИСТ Н

Приборная розетка на 10 А, 250 В для приборов класса II (опрессованная)

1 - контур задней части; 2 - острые кромки притупить; 3 - указанная поверхность не должна выступать относительно плоскости А в пределах контура 1

Чертеж не определяет конструкцию, за исключением указанных размеров.

Обозначение отклонений по форме или положению - по ГОСТ 24643.

СТАНДАРТНЫЙ ЛИСТ I

Вилка на 16 А для приборов класса I

1 - контур передней части; не должен быть превышен или уменьшен в любой точке, расположенной на расстоянии не менее 16,5 мм от поверхности зацепления; 2 - контур задней части; не должен быть превышен ни в одном сечении, перпендикулярном оси вилки, кроме вилок с боковым вводом провода или комбинированных с другой арматурой, когда этот предел не применяют в направлении оси провода; 3 - острые кромки притупить; 4 - сферическая поверхность

Чертеж не определяет конструкцию, за исключением указанных размеров.

Обозначения отклонений по форме или положению - по ГОСТ 24643.

СТАНДАРТНЫЙ ЛИСТ J

Приборная розетка на 16 А для приборов класса I

1 - контур задней части; 2 - острые кромки притупить; 3 - указанная поверхность не должна выступать относительно плоскости А в пределах контура 1

Чертеж не определяет конструкцию, за исключением указанных размеров.

Обозначение отклонений по форме или положению - по ГОСТ 24643.

СТАНДАРТНЫЙ ЛИСТ К

Вилка на 16 А для приборов класса II

1 - контур передней части; не должен быть превышен или уменьшен в любой точке, расположенной на расстоянии не менее 16,5 мм от поверхности зацепления; 2 - контур задней части; не должен быть превышен ни в одном сечении, перпендикулярном оси вилки, кроме вилок с боковым вводом провода или комбинированных с другой арматурой, когда этот предел не применяют в направлении оси провода; 3 - острые кромки притупить; 4 - сферическая поверхность

Чертеж не определяет конструкцию, за исключением указанных размеров.

Обозначения отклонений по форме или положению - по ГОСТ 24643.

СТАНДАРТНЫЙ ЛИСТ L

Приборная розетка на 16 А для приборов класса II

1 - контур задней части; 2 - острые кромки притупить; 3 - указанная поверхность не должна выступать относительно плоскости А в пределах контура 1

Чертеж не определяет конструкцию, за исключением указанных размеров.

Обозначение отклонений по форме или положению - по ГОСТ 24643.

Калибр и штыри - из твердой стали.

Розетка должна полностью входить в калибр при усилии не более 60 Н.

Для проверки полного введения розетки рекомендуется делать отверстие в калибре.

Обозначение отклонений по форме или положению - по ГОСТ 24643.

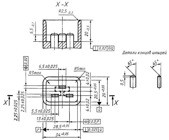
Рисунок 101 - Калибр «проходной» для бытовых розеток к стандартному листу F (см. 8.1)

Калибр и штыри - из твердой стали.

Розетка должна полностью входить в калибр при усилии не более 60 Н.

Для проверки полного введения розетки рекомендуется делать отверстие в калибре.

Обозначение отклонений по форме или положению - по ГОСТ 24643.

Рисунок 102 - Калибр «проходной» для бытовых розеток к стандартному листу Н (см. 8.1)

Калибр и штыри - из твердой стали.

Розетка должна полностью входить в калибр при усилии не более 60 Н.

Для проверки полного введения розетки рекомендуется делать отверстие в калибре.

Обозначение отклонений по форме или положению - по ГОСТ 24643.

Рисунок 103 - Калибр «проходной» для бытовых розеток к стандартному листу J (см. 8.1)

Калибр и штыри - из твердой стали.

Розетка должна полностью входить в калибр при усилии не более 60 Н.

Для проверки полного введения розетки рекомендуется делать отверстие в калибре.

Обозначение отклонений по форме или положению - по ГОСТ 24643.

Рисунок 104 - Калибр «проходной» для бытовых розеток к стандартному листу L (см. 8.1)

ПРИЛОЖЕНИЕ А

(обязательное)

Дополнительные требования, учитывающие потребности экономики страны и требования государственных стандартов на электротехнические изделия

По ГОСТ Р 51325.1.

ПРИЛОЖЕНИЕ В

(справочное)

Библиография*

*Международные стандарты МЭК и их переводы находятся во Всероссийском научно-исследовательском институте классификации, терминологии и информации по стандартизации и качеству (ВНИИКИ).

Адрес: 103001, Москва, Гранатный пер., 4.

По ГОСТ Р 51325.1 со следующим дополнением.

[4] МЭК 906-1-86 Система МЭК на штепсельные вилки и розетки для бытового и аналогичного назначения

Ключевые слова: вилки и розетки для взаимного соединения, методы испытаний, требования безопасности




Яндекс цитирования



   Copyright © 2007-2026,  www.tehlit.ru.

[ ѓосты, стандарты, нормативы, инструкции, правила, строительные нормы ]