//
ТехЛит.ру
- крупнейшая бесплатная электронная интернет библиотека для "технически умных" людей.
WWW.TEHLIT.RU - ТЕХНИЧЕСКАЯ ЛИТЕРАТУРА

:: Алготрейдинг::


АЛГОТРЕЙДИНГ
шаг за шагом
с нуля по урокам!

Торговые роботы на PYTHON, BackTrader,
Pandas, Pine Script для TradingView. Связка с брокерами, телеграм и легкими приложениями.


ГОСТ Р 51342-99

ГОСУДАРСТВЕННЫЙ СТАНДАРТ РОССИЙСКОЙ ФЕДЕРАЦИИ

БЕЗОПАСНОСТЬ МАШИН

СЪЕМНЫЕ ЗАЩИТНЫЕ УСТРОЙСТВА

ОБЩИЕ ТРЕБОВАНИЯ ПО КОНСТРУИРОВАНИЮ И ИЗГОТОВЛЕНИЮ
НЕПОДВИЖНЫХ И ПЕРЕМЕЩАЕМЫХ СЪЕМНЫХ ЗАЩИТНЫХ
УСТРОЙСТВ

ГОССТАНДАРТ РОССИИ
Москва

Предисловие

1 РАЗРАБОТАН Экспериментальным научно-исследовательским институтом металлорежущих станков (ОАО «ЭНИМС»)

ВНЕСЕН Техническим комитетом по стандартизации ТК 70 «Станки»

2 ПРИНЯТ И ВВЕДЕН В ДЕЙСТВИЕ Постановлением Госстандарта России от 22 ноября 1999 г. № 421-ст

3 Настоящий стандарт представляет собой аутентичный текст международного стандарта ЕН 953-97«Безопасность машин. Съемные защитные устройства. Общие требования по конструированию и изготовлению неподвижных и перемещаемых защитных устройств»

4 ВВЕДЕН ВПЕРВЫЕ

СОДЕРЖАНИЕ

Введение. 2

1 Область применения. 3

2 Нормативные ссылки. 3

3 Определения. 4

4 Оценка риска. 8

5 Основные требования по конструированию и изготовлению съемных защитных устройств. 8

5.1 Аспекты машины.. 9

5.2 Человеческие факторы.. 10

5.3 Конструирование съемных защитных устройств. 11

5.4 Изготовление съемных защитных устройств. 11

5.5 Выбор материалов. 13

5.6 Задержание паров и газов. 13

5.7 Устойчивость к коррозии. 13

5.8 Устойчивость к микроорганизмам.. 13

5.9 Нетоксичность. 13

5.10 Обозреваемость зоны обслуживания машины.. 14

5.11 Прозрачность. 14

5.12 Стробоскопические эффекты.. 14

5.13 Электростатические характеристики. 14

5.14 Устойчивость к воздействию температур. 14

5.15 Возгораемость. 14

5.16 Уменьшение шума и вибраций. 14

5.17 Защита от излучений. 14

6 Выбор съемных защитных устройств. 15

6.1 Общие положения. 15

6.2 Комбинация различных съемных защитных устройств или их комбинация с другими защитными устройствами. 15

6.3 Выбор съемных защитных устройств в зависимости от числа и мест опасностей. 15

6.4 Выбор в соответствии с требуемым доступом и частотой доступа. 16

7 Дополнительные соображения по конструированию и изготовлению.. 17

7.1 Сведение к минимуму возможности залезания на съемные защитные устройства. 17

7.2 Средства крепления, которые не теряются. 17

7.3 Виброустойчивость. 18

7.4 Предупреждающие знаки. 18

7.5 Окраска. 18

7.6 Эстетика. 18

8 Верификация требований по безопасности для съемных защитных устройств. 18

8.1 Общие положения. 18

8.2 Ударная прочность. 18

8.3 Безопасные расстояния. 19

8.4 Задерживающая способность. 19

8.5 Шум.. 19

8.6 Усилия, требуемые при эксплуатации съемных защитных устройств. 19

8.7 Обозреваемость. 19

9 Информация для потребителя. 19

9.1 Общие положения. 19

9.2 Опасность от съемных защитных устройств. 19

9.3 Ввод в эксплуатацию.. 19

9.4 Эксплуатация. 19

9.5 Удаление съемных защитных устройств. 19

9.6 Техническое обслуживание. 19

Приложение А Руководство по выбору съемных защитных устройств для предотвращения опасностей от движущихся частей. 20

Приложение В Руководство по выбору съемных защитных устройств в зависимости от числа и видов опасностей. 21

Приложение С Связь между настоящим стандартом и Директивой ЕС по машиностроению.. 22

Введение

Настоящий стандарт дает общие указания по конструированию и производству неподвижных и подвижных съемных защитных устройств.

Настоящий стандарт предназначен для изготовителей, конструкторов, разработчиков стандартов и других специалистов.

Согласно требованиям ГОСТ Р 51333 конструктор машины должен указать опасности, исходящие от машины, провести оценку риска и уменьшить риск конструкторскими мероприятиями до рассмотрения мероприятий по безопасности.

ГОСТ Р 51342-99

ГОСУДАРСТВЕННЫЙ СТАНДАРТ РОССИЙСКОЙ ФЕДЕРАЦИИ

Безопасность машин

СЪЕМНЫЕ ЗАЩИТНЫЕ УСТРОЙСТВА

Общие требования по конструированию и изготовлению неподвижных и перемещаемых съемных защитных устройств

Safety of machinery. Guards. General requirements for the design and construction of fixed and movable guards

Дата введения 2000-07-01

1 Область применения

Настоящий стандарт определяет требования к конструированию и производству съемных защитных устройств, которые в первую очередь предназначены для защиты людей от механических опасностей. Стандарт распространяется, в основном, на машины, которые поставлены после выхода настоящего стандарта, на правила применения съемных защитных устройств для минимизации опасности из-за немеханических причин.

Требования настоящего стандарта справедливы для неподвижных и подвижных защитных устройств.

Настоящий стандарт не распространяется на детали, воздействующие на блокировочные устройства (см. ГОСТ Р 51345), и не содержит требований к специальным системам защиты, которые предназначены для установки и подъема грузов и для защиты от падающих объектов.

2 Нормативные ссылки

В настоящем стандарте использованы ссылки на следующие стандарты:

ГОСТ Р 51333-99 Безопасность машин. Основные понятия, общие принципы конструирования. Термины, технологические решения и технические условия

ГОСТ Р 51334-99 Безопасность машин. Безопасные расстояния для предохранения верхних конечностей от попадания в опасную зону

ГОСТ Р 51335-99 Безопасность машин. Минимальные расстояния для предохранения от защемления частей человеческого тела

ГОСТ Р 51338-99 Безопасность машин. Снижение риска для здоровья от вредных веществ, выделяющихся при эксплуатации машины. Часть 1. Основные положения для изготовителей машин

ГОСТ Р 51339-99 Безопасность машин. Безопасные расстояния для предохранения нижних конечностей от попадания в опасную зону

ГОСТ Р 51344-99 Безопасность машин. Принципы оценки и определения риска

ГОСТ Р 51345-99 Безопасность машин. Блокировочные устройства, связанные с защитными устройствами. Принципы конструирования и выбора

ГОСТ Р МЭК 60204-1-99 Безопасность машин. Электрооборудование машин и механизмов. Часть 1. Общие требования

ИСО 3740-80* Акустика. Определение уровней звуковой мощности источников шума. Руководство по применению базовых стандартов и по разработке норм и правил определения шумов

ИСО 9614-1-93* Акустика. Определение уровней звуковой мощности источников шума по интенсивности звука. Часть 1. Измерения в отдельных точках

ИСО 9614-2-96* Акустика. Определение уровней звуковой мощности источников шума по интенсивности звука. Часть 2. Измерение сканированием

ИСО 11200-95* Акустика. Шум, производимый машинами и оборудованием. Руководящие указания по применению базовых норм для определения уровней звукового давления на рабочем месте и в других установленных точках

ЕН 1070-98* Безопасность машин. Терминология

ЕН 1127-1-98* Безопасность машин. Взрывоопасные атмосферы. Защита от взрывов. Часть 1. Принципы и методика

ЕН 1672-2-97* Безопасность машин. Пищевые машины. Требования по безопасности и гигиене. Общие руководящие указания. Часть 2. Требования по гигиене

ЕН 31253-94* Лазеры и лазерные установки. Интерфейсы по механике

* Международные стандарты - во ВНИИКИ и ВНИИНМАШ Госстандарта России.

3 Определения

В настоящем стандарте применяют следующие термины с соответствующими определениями:

3.1 съемное защитное устройство: Составная часть машины, специально предназначенная для обеспечения защиты с помощью физического барьера. В зависимости от конструкции защитное устройство может называться кожухом, защитным экраном, оградой, дверцей, оболочкой и т.д.

Примечания

1 Съемное защитное устройство может функционировать:

- самостоятельно; в этом случае оно действует только в закрытом состоянии;

- совместно с блокировочным устройством с фиксацией и без фиксации закрывания; в этом случае защита обеспечивается в каждом положении защитного ограждения.

2 У неподвижного съемного защитного устройства «закрытым» считается положение «закреплено в определенной позиции» (ГОСТ Р 51333, 3.23);

3.2 неподвижное съемное защитное устройство: Защитное устройство, закрепленное в определенной позиции (т.е. закрытое):

- либо на длительный срок (путем сварки и т.д.),

- либо с помощью элементов крепления (болтов, гаек и т.д.), которые делают невозможным его открытие без применения инструментов (ГОСТ Р 51333, 3.24);

3.3 оболочка: Съемное защитное устройство, которое препятствует доступу в опасную зону (рисунок 1);

Рисунок 1 - Пример оболочки, которая препятствует доступу к передаче

3.4 съемное дистанционное защитное устройство: Неподвижное защитное устройство, не полностью закрывающее доступ в опасную зону, однако вследствие своих габаритных размеров и расстояния от опасной зоны препятствующее доступу или ограничивающее его, например, защитное ограждение туннельной формы или типа ограды (рисунки 2 и 3);

Рисунок 2 - Пример съемного дистанционного защитного устройства

Рисунок 3 - Пример съемного дистанционного защитного устройства туннельной формы, которое обеспечивает защиту выдвигающихся частей машины

3.5 перемещаемое съемное защитное устройство: Съемное защитное устройство, которое большей частью связано со станиной машины или соседним неподвижным элементом конструкции с помощью, например, шарниров или прямолинейных направляющих и может быть открыто без применения инструментов (ГОСТ Р 51333, 3.25);

3.6 съемное защитное устройство с силовым приводом: Перемещаемое съемное защитное устройство, приводимое в движение с помощью любого источника, кроме мускульной силы человека или силы тяжести;

3.7 автоматически запирающееся съемное защитное устройство: Перемещаемое съемное защитное устройство, приводимое в движение узлом машины (например подвижным столом станка) или посредством заготовки, или деталью зажимного приспособления машины для пропуска заготовки (и зажимного приспособления), которое автоматически возвращается в свое закрытое положение (с помощью силы тяжести, пружины или другого внешнего источника силы) после пропуска заготовки (рисунок 4);

Рисунок 4 - Пример автоматически запирающегося съемного защитного устройства

3.8 управляемое съемное защитное устройство: Съемное защитное устройство, оснащенное блокировочным устройством (без или с фиксацией закрывания) (ГОСТ Р 51333, 3.31), применяется для того, чтобы:

- опасные функции машины, от которых защищает это устройство, не могли быть осуществлены, если съемное защитное устройство не заперто,

- запирание съемного защитного устройства разрешало функции машины (ГОСТ Р 51333, 3.29).

Примечание - Управляемые съемные защитные устройства должны применяться при определенных условиях (5.4.9);

3.9 регулируемое съемное защитное устройство: Неподвижное или перемещаемое защитное устройство, регулируемое в целом или содержащее регулируемые части. Регулировка сохраняется во время определенного технологического этапа (рисунок 5) (ГОСТ Р 51333, 3.26).

Регулируемое съемное защитное устройство имеет телескопическую конструкцию, чтобы хорошо подстраиваться под поверхность заготовки. Оно устанавливается на шарнире, обеспечивая доступ к шпинделю для смены сверла;

Рисунок 5 - Регулируемое съемное защитное устройство

3.10 съемное защитное устройство с блокировкой: Съемное защитное устройство, оснащенное блокировочным устройством (ГОСТ Р 51333, 3.31; ГОСТ Р 51345), применяется для того, чтобы:

- опасные функции машины, обеспеченные защитным устройством, не могли быть реализованы при незапертом защитном устройстве,

- вырабатывалась команда на останов в случае, если защитное устройство не заперто при функциях машины, вызывающих опасность; если защитное устройство закрыть, то опасные функции машины могут быть реализованы, однако запирание съемного защитного устройства не должно вызывать пуска машины (рисунки 6 и 7, ГОСТ Р 51333, 3.27).

Съемные защитные устройства, блокируемые откидными ограждениями в закрытом положении, закрывают опасную зону;

Рисунок 6 - Пример съемных защитных устройств, блокируемых откидными ограждениями

Рисунок 7 - Пример блокируемых подвижных съемных защитных устройств

3.11 съемное защитное устройство с блокировкой и фиксацией закрывания: Съемное защитное устройство с блокировкой и устройство для фиксации закрывания (рисунок 8, ГОСТ Р 51333, 3.31; ГОСТ Р 51345) применяются для того, чтобы:

- опасные функции машины не могли быть реализованы, если защитное устройство не заперто, не заблокировано,

- съемное защитное устройство оставалось запертым и заблокированным до тех пор, пока не будет исключен риск травматизма вследствие опасных функций машины,

- если защитное устройство закрыть и заблокировать, то опасные функции машины могли быть реализованы, однако запирание съемного защитного устройства не должно вызывать пуска машины (ГОСТ Р 51333, 3.28);

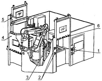
1 - съемное блокируемое устройство в открытом состоянии; 2 - съемное защитное устройство с фиксацией закрывания

Рисунок 8 - Пример оснащения сверлильного станка съемными защитными устройствами с фиксацией закрывания и неподвижными съемными защитными устройствами

3.12 съемное защитное устройство в запертом положении: Съемное защитное устройство считается закрытым, если оно выполняет свои функции препятствия или ограничения доступа в опасную зону или функции ограничения и уменьшения шума и излучения;

3.13 открытое съемное защитное устройство: Съемное защитное устройство считается открытым, если оно не заперто;

3.14 инструмент: Ключ или винтовой ключ для элементов крепления. Вспомогательное средство в виде монеты или пилочки для ногтей в качестве инструмента не рассматривается;

3.15 применение инструмента: Применение инструмента лицом, имеющим на это право при известных и заранее определенных обстоятельствах, как часть безопасной производственной системы;

3.16 частота доступа: Число причин в единицу времени, по которым требуется или предусмотрен доступ в защищаемую зону.

Остальные термины - по ГОСТ Р 51333 и ЕН 1070.

4 Оценка риска

Чтобы выбрать и сконструировать для специальных машин подходящие защитные устройства, важно оценить риск, который возникает в результате воздействия на эту машину различных опасностей, и предполагаемый круг лиц, кому эти опасности угрожают (ГОСТ Р 51333, раздел 6 и ГОСТ Р 51344).

5 Основные требования по конструированию и изготовлению съемных защитных устройств

5.1 Аспекты машины

5.1.1 Общие положения

При конструировании съемных защитных устройств для машин необходимо в течение всего срока службы машины тщательно учитывать все предсказуемые аспекты, относящиеся к самой машине и принципу ее действия. Недостаточный учет этих факторов может привести к появлению небезопасных или не подлежащих эксплуатации машин. Это, со своей стороны, вынудило бы людей к тому, чтобы не использовать предусмотренные съемные защитные устройства и подвергнуть себя большому риску.

5.1.2 Для минимизации доступа в опасную зону в тех случаях, когда это выполнимо, съемные защитные устройства должны быть сконструированы так, чтобы операции по регулировке, смазке и техническому обслуживанию проводились без открывания или удаления этих устройств. В случаях необходимости доступа в опасную зону он должен быть по возможности свободным и беспрепятственным. Ниже приведены причины для доступа:

- загрузка заготовок и снятие готовых деталей;

- смена и наладка инструмента;

- измерение, калибровка и взятие образцов;

- наблюдение за производственным процессом;

- техническое обслуживание и ремонт;

- смазка;

- удаление отходов (например металлолома, стружки, грязи);

- удаление препятствий (устранение нарушений);

- очистка и гигиена.

5.1.3 Удерживание вылетающих деталей

Если существует предсказуемый риск, когда детали (например куски сломанного инструмента, заготовки и т.д.) вылетают из машины, то съемное защитное устройство, насколько это осуществимо, должно быть сконструировано из таких материалов, чтобы указанные детали были удержаны этим ограждением.

5.1.4 Задерживание опасных веществ

Если существует предсказуемый риск выброса из машины опасных веществ (например охлаждающих жидкостей, паров, газов, стружки, искры, горячих или расплавленных материалов, пыли), то съемное защитное устройство должно быть сконструировано так, чтобы эти вещества были задержаны, для чего могут потребоваться соответствующие отводящие устройства (ГОСТ Р 51338).

Если съемное защитное устройство является частью отводящей системы, то эта функция должна быть учтена при конструировании, выборе материала, изготовлении и установке съемного защитного устройства.

5.1.5 Шум

Если выдвинуто требование снижения шума при работе машины, то съемные защитные устройства должны быть сконструированы и изготовлены так, чтобы они уменьшали шум и, кроме того, служили защитой от других опасностей, возникающих в машине (ИСО 3740, ИСО 9614-1, ИСО 9614-2, ИСО 11200). Места соединений съемных защитных устройств, служащих акустической оболочкой, должны быть соответственно уплотнены для уменьшения шумовых излучений.

5.1.6 Излучение

Если существует предсказуемый риск подвергнуться воздействию опасного излучения, то нужно защитные ограждения сконструировать так и выбрать для них такие материалы, чтобы обеспечить защиту людей от этой опасности. В числе мер защиты можно назвать, например, установку затемненного остекления для предотвращения вспышек при сварке или ликвидацию отверстий в съемном защитном устройстве вокруг лазера.

5.1.7 Взрыв

Если существует предсказуемый риск взрыва, то съемные защитные устройства должны быть сконструированы так, чтобы они надежно удерживали освободившуюся энергию или отводили ее в надежном направлении (например путем использования средств, снимающих давление при взрыве) (ЕН 1127-1).

5.2 Человеческие факторы

5.2.1 Общее положение

Предсказуемые аспекты взаимодействия людей с машинами должны быть учтены полностью при конструировании и изготовлении съемных защитных устройств (например при загрузке заготовок, техническом обслуживании и смазке).

5.2.2 Безопасные расстояния

Съемные защитные устройства должны быть сконструированы, изготовлены и установлены так, чтобы было исключено попадание частей тела человека в опасную зону машины (ГОСТ Р 51334 и ГОСТ Р 51339).

5.2.3 Контроль доступа в опасные зоны

Перемещаемые съемные защитные устройства в пределах возможного должны быть сконструированы и установлены так, чтобы они при нормальных условиях эксплуатации не закрывались, когда люди находятся в опасной зоне. Если это условие выполнить нельзя, то должны быть использованы другие средства, препятствующие пребыванию людей в опасной зоне.

5.2.4 Обозреваемость

Для того чтобы обеспечить достаточную обозреваемость производственного процесса, съемные защитные устройства должны быть сконструированы и изготовлены так, чтобы желание удалить их было минимизировано.

5.2.5 Эргономические аспекты

Съемные защитные устройства должны быть сконструированы и изготовлены с учетом Директив по эргономике СЕ (ГОСТ Р 51333).

5.2.5.1 Габаритные размеры и масса

Съемные детали съемных защитных устройств применительно к их габаритным размерам и массе должны быть сконструированы так, чтобы они допускали несложное манипулирование. Съемные защитные устройства, которые не могут обеспечить ручное манипулирование или транспортирование, должны оснащаться соответствующими зачаливающими устройствами для транспортирования с помощью подъемных механизмов или же должна существовать возможность их непосредственного монтажа.

К устройствам приема груза и зачаливающим устройствам можно отнести:

- подъемные механизмы с петлями, грузовыми крюками, рым-болтами или с резьбовыми отверстиями для крепления;

- устройства для автоматического захвата посредством грузового крюка, если фиксирование с земли окажется невозможным;

- встроенные в защитное ограждение подъемные механизмы и устройства.

Данные о массе в килограммах зачаливающих устройств и устройств приема груза должны быть указаны в инструкции по пользованию или на самом съемном защитном устройстве, или на его некоторых съемных частях.

5.2.5.2 Усилия, необходимые для воздействия

Подвижные съемные защитные устройства или их части должны быть сконструированы так, чтобы на них было легко воздействовать. Соблюдение руководящих указаний по эргономике при конструировании съемных защитных устройств повышает безопасность за счет изменения нагрузки и напряжения тела оператора. Таким образом улучшается эффективность и надежность производства и одновременно уменьшается вероятность ошибок на всех фазах работы машины (ГОСТ Р 51333, 3.11).

Усилия могут быть снижены применением таких устройств, как пружины, противовесы или укосины с газовыми подушками.

Съемные защитные устройства с механическим приводом не должны вызывать травм (например по причине давления при запирании, усилий, скорости, наличия острых кромок).

Если предусмотрено сопряжение с несъемным защитным устройством, которое автоматически открывает съемное защитное устройство при соприкосновении человека или предмета со съемным защитным устройством, усилие для препятствия запиранию съемного защитного устройства должно быть не более 150 Н. Кинетическая энергия съемного защитного устройства должна быть не более 10 Дж. При отсутствии такого защитного устройства указанные значения должны быть снижены до 75 Н и 4 Дж соответственно.

5.2.6 Штатное использование

Съемные защитные устройства должны конструироваться с учетом предусмотренного применения и разумно предусмотренного неправильного применения (ГОСТ Р 51333, 3.12).

5.3 Конструирование съемных защитных устройств

5.3.1 Общее положение

На стадии конструирования должны быть тщательно рассмотрены все аспекты применения съемных защитных устройств, чтобы убедиться, что их конструкция и изготовление не создают дополнительных опасностей.

5.3.2 Места возможного защемления и затягивания

Съемные защитные устройства должны быть сконструированы так, чтобы не возникало опасных защемлений или затягивания деталями машины или другими съемными защитными устройствами (ГОСТ Р 51335).

5.3.3 Стабильность в эксплуатации

Съемные защитные устройства должны быть сконструированы так, чтобы их функции сохранялись в течение всего срока эксплуатации машины и принимались меры по замене изнашиваемых деталей.

5.3.4 Гигиена

Съемные защитные устройства должны быть сконструированы так, чтобы не возникало никаких опасностей вследствие накапливания предметов или материалов, как, например, частички пищи, жидкости (ЕН 1672-2).

5.3.5 Очистка

Съемные защитные устройства, применяемые в определенных отраслях промышленности, особенно в пищевой и фармацевтической, должны быть сконструированы таким образом, чтобы их можно было не только безопасно эксплуатировать, но и легко чистить.

5.3.6 Предохранение от попадания загрязняющих веществ

Если это необходимо по технологическим соображениям, то съемные защитные устройства должны быть сконструированы так, чтобы предотвратить попадание загрязняющих веществ из технологических источников (например в пищевой и фармацевтической отраслях промышленности, в электронике и аналогичных областях).

5.4 Изготовление съемных защитных устройств

При определении технологии, применяемой в процессе изготовления съемных защитных устройств, должно учитываться следующее:

5.4.1 Острые кромки и т.д.

Съемные защитные устройства должны быть изготовлены так, чтобы у них отсутствовали острые открытые кромки и углы или другие опасные выступы.

5.4.2 Прочность мест соединений

Сваренные, склеенные и механически соединенные места защитных устройств должны быть достаточно прочными в расчете на предполагаемую нагрузку. При использовании склеивания у склеиваемых материалов должна быть обеспечена совместимость с применяемыми технологическими методами и материалами. В случае применения механических элементов крепления их прочность, количество и расстояние друг от друга должны быть достаточными для обеспечения прочности и жесткости съемного защитного устройства.

5.4.3 Удаление только с помощью инструментов

Съемные детали защитных устройств должны удаляться только с помощью инструментов (3.14, 3.15).

5.4.4 Фиксация съемных защитных устройств

Насколько это осуществимо, съемное защитное устройство должно быть сконструировано так, чтобы исключалась возможность пребывания его в рабочем положении без средств крепления.

5.4.5 Фиксирование закрытого положения перемещаемых съемных защитных устройств Закрытое положение перемещаемых съемных защитных устройств должно быть установлено точно. Съемное защитное устройство должно удерживаться в предусматриваемом положении относительно упора посредством силы тяжести, пружины, фиксатора, ограничительного пальца или других приспособлений.

5.4.6 Автоматически запираемые съемные защитные устройства

Отверстие в автоматически закрываемом съемном защитном устройстве должно быть ограничено таким образом, чтобы его размер был не больше, чем требуется для прохода заготовки. Фиксация съемного защитного устройства в раскрытом положении должна быть невозможной. Эти съемные защитные устройства могут использоваться вместе с неподвижными съемными защитными устройствами, с дистанционным управлением.

5.4.7 Регулируемые съемные защитные устройства

Размеры регулируемых деталей должны выбираться, исходя из минимального размера отверстия для прохода материала. Их регулирование должно осуществляться просто и без применения инструмента.

5.4.8 Перемещаемые съемные защитные устройства

Открепление подвижных съемных защитных устройств должно быть только преднамеренным. Эти устройства должны быть прикреплены к машине или граничащим неподвижным элементам, так чтобы они находились в открытом положении, например, посредством шарниров или направляющих. Эти крепления должны освобождаться только с помощью инструмента (3.14, 3.15).

5.4.9 Управляемые съемные защитные устройства

Управляемые съемные защитные устройства должны применяться только в том случае, если выполняются следующие условия (3.8 и ГОСТ Р 51333):

- если для оператора или части его тела не существует никакой возможности пребывания в опасной зоне или между опасной зоной и съемным защитным устройством, когда оно заперто;

- размеры и форма машины обеспечивают оператору или лицу, которое должно вмещаться в машину, полный обзор всей машины / всего процесса;

- единственной возможностью попадания в опасную зону является открывание управляемого съемного защитного устройства или съемного защитного устройства с блокировкой;

- блокировочное устройство, связанное со съемным защитным устройством, имеет возможно высокую надежность (т. к. отказ может привести к непредсказуемым / неожиданным последствиям);

- если пуск машины, имеющей управляемое съемное защитное устройство, является одним из производственных вариантов, то выбор производственного варианта должен соответствовать требованиям ГОСТ Р 51333, приложение А, разделы А.1, А.2, А.5.

Примечание - Опасной зоной является любая зона, в которой изготавливают детали после запирания управляемого съемного защитного устройства.

5.5 Выбор материалов

5.5.1 Общее положение

При выборе соответствующих материалов для изготовления съемных защитных устройств следует учитывать нижеприведенные требования. Свойства и характеристики материалов должны сохраняться в течение всего срока службы съемного защитного устройства.

5.5.2 Ударная прочность

Съемные защитные устройства должны быть сконструированы так, чтобы они выдерживали предполагаемые удары, вызванные воздействием деталей машин, заготовок, обломков инструментов, вылетающих твердых или жидких веществ, оператора и т.д. Если съемные защитные устройства оснащены смотровыми стеклами, то к выбору материалов и методу крепления нужно подходить особенно тщательно. Для этих целей нужно выбирать такие материалы, которые по своим характеристикам способны выдержать массу и скорость сталкивающихся объектов.

5.5.3 Жесткость

Опорные стойки, рамы съемных защитных устройств и материалы емкостей следует выбирать таким образом, чтобы в результате была получена динамически жесткая и стабильная конструкция, которая способна сопротивляться деформациям. Это особенно важно в тех случаях, когда деформация материала могла бы угрожать соблюдению безопасных расстояний.

5.5.4 Надежное крепление

Съемные защитные устройства или их части должны быть обеспечены местами крепления, обладающими достаточной прочностью, расположенными на достаточном расстоянии друг от друга и в достаточном количестве с тем, чтобы надежное крепление сохранялось при всех предполагаемых нагрузках. Это крепление может быть выполнено с помощью механических средств, скоб, сварки или склеивания либо других подходящих для данного случая средств.

5.5.5 Надежность подвижных деталей

Подвижные детали, например шарниры, направляющие, рукоятки, защелки, должны быть выбраны таким образом, чтобы обеспечить их надежную эксплуатацию применительно к области предполагаемого применения и рабочей среды.

5.6 Задержание паров и газов

Опасные материалы, стружка, пыль, пары, возникновение которых может быть предусмотрено, должны оставаться внутри съемного защитного устройства с применением для защитных ограждений соответствующих непроницаемых материалов.

5.7 Устойчивость к коррозии

Материалы должны быть выбраны таким образом, чтобы они были устойчивы к предполагаемому воздействию окисления и коррозии от изделия, технологии или окружающей среды, например от жидкости для удаления стружки или от моющих и стерилизующих средств в пищевых машинах. Это может быть достигнуто путем нанесения соответствующих защитных покрытий.

5.8 Устойчивость к микроорганизмам

Если существует предполагаемая угроза здоровью вследствие роста бактерий или грибков, что актуально в пищевой, фармацевтической и аналогичных отраслях промышленности, то для съемных защитных устройств следует выбирать материалы, которые предотвращают их рост, легко поддаются очистке и, в случае необходимости, могут быть подвергнуты дезинфекции.

5.9 Нетоксичность

Используемые материалы и покрытия не должны быть токсичными во всех предусмотренных условиях применения. Они должны подходить для соответствующего технологического процесса, особенно в пищевой, фармацевтической и аналогичных отраслях промышленности.

5.10 Обозреваемость зоны обслуживания машины

Если за эксплуатацией машины требуется наблюдение через защитное устройство, то необходимо выбирать материалы с соответствующими свойствами. Если, например, в защитных ограждениях применяется перфорированный или сетчатый материал, то для обеспечения обозреваемости у него должны иметься соразмерно большие отверстия и соответствующая окраска. Обозреваемость улучшается в том случае, если перфорированный материал темнее области, наблюдаемой в машине.

5.11 Прозрачность

Материалы, применяемые для наблюдения за эксплуатацией, должны по возможности сохранять свою прозрачность при старении и длительном применении. Съемные защитные устройства должны быть сконструированы так, чтобы можно было принять меры для замены материалов, не удовлетворяющих предъявляемым к ним требованиям. В определенных случаях применения может возникнуть необходимость выбора материалов или комбинации материалов, устойчивых к истиранию, воздействию химических веществ, потере качества в результате ультрафиолетового облучения, притягиванию пыли вследствие появления статических электрических разрядов или смачиванию поверхности жидкостями, что неблагоприятно влияет на прозрачность.

5.12 Стробоскопические эффекты

При вероятной опасности в связи со стробоскопическими эффектами нужно выбирать такие материалы, которые это явление сводят к минимуму.

5.13 Электростатические характеристики

В определенных случаях может потребоваться выбор таких материалов, которые не несут электростатического заряда, способного привести к удерживанию пыли и частиц или внезапному электрическому разряду с риском пожара и взрыва.

При необходимости съемные защитные устройства следует заземлять, чтобы снизить электростатический заряд до безопасного уровня (ГОСТ Р МЭК 60204-1).

5.14 Устойчивость к воздействию температур

Необходимо выбирать такие материалы, которые не теряют своих свойств, например не проявляют склонности к хрупкому разрушению, не слишком сильно деформируются или не испускают токсичных или легко воспламеняемых паров, если подвергнутся воздействию температуры в предполагаемом температурном диапазоне или внезапному изменению температуры. Выбранные материалы должны сохранять свои свойства в предусматриваемых климатических условиях или условиях, возникающих на рабочем месте.

5.15 Возгораемость

При вероятном риске возникновения пожара выбранные материалы должны быть устойчивыми к искрообразованию и огнестойкими, а также не должны поглощать или выделять легко воспламеняемые жидкости, пары и т.д.

5.16 Уменьшение шума и вибраций

В необходимых случаях нужно выбирать материалы со свойствами, обеспечивающими демпфирование шума и вибраций. Это может быть осуществлено путем изоляции (установка звуковой защиты там, где происходит излучение звука) и / или поглощения (оснащение съемных защитных устройств соответствующими шумопоглощающими материалами) или путем комбинации обоих способов. В необходимых случаях для опорных конструкций съемных защитных устройств также может быть соответствующим образом предусмотрена защита от шума с тем, чтобы, по возможности, свести к минимуму резонансные явления, которые передают или усиливают шум (ИСО 3740, ИСО 9614-1, ИСО 9614-2, ИСО 11200).

5.17 Защита от излучений

В определенных случаях, как сварка или лазерная обработка, должны быть выбраны материалы, защищающие людей от опасного излучения. При сварке это может быть достигнуто с помощью соответствующим образом покрытого защитного экрана, обеспечивающего обозреваемость, но обезвреживающего опасное излучение (ЕН 31253).

6 Выбор съемных защитных устройств

6.1 Общие положения

Если в результате оценки риска установлена необходимость в съемных защитных устройствах, то их выбор должен осуществляться в соответствии с приложением А, ГОСТ Р 51333 и с учетом следующих требований.

При выборе съемных защитных устройств должны быть учтены соответствующие этапы жизни машины (ГОСТ Р 51333, 3.11).

Важнейшие категории выбора:

- вероятность и предполагаемая степень каждой травмы по результатам оценки риска;

- использование машины согласно назначению, как описано в ГОСТ Р 51333;

- опасность от машины (ГОСТ Р 51333);

- способ и частота доступа в опасную зону.

6.2 Комбинация различных съемных защитных устройств или их комбинация с другими защитными устройствами

Может найти применение комбинация различных видов защитных устройств. Если, например, на машине находится несколько опасных зон и в процессе ее эксплуатации требуется доступ к одной из них, то съемные устройства могут состоять из неподвижного съемного защитного устройства, скомбинированного с перемещаемым съемным защитным устройством с блокировкой.

Аналогичным образом иногда может возникнуть необходимость в комбинации защитных устройств со съемными защитными устройствами. Если, например, совместно с неподвижным съемным устройством применяется механическое загрузочное устройство для подачи заготовки на машину (в результате чего отпадает необходимость доступа в опасную зону), то для защиты от вторичной опасности может потребоваться защитное устройство с реакцией на приближение (ГОСТ Р 51333), работающее путем втягивания или отсекания между механическим загрузочным устройством и неподвижным защитным устройством (рисунки 9 и 10).

6.3 Выбор съемных защитных устройств в зависимости от числа и мест опасностей

Съемные защитные устройства должны выбираться в заданной последовательности приоритетов:

a) съемные защитные устройства, обеспечивающие защиту отдельных опасных зон, если количество этих зон мало. Это может обеспечить приемлемый остаточный риск и разрешить доступ к неопасным частям машины при техническом уходе, наладке и т.д.;

b) съемное защитное устройство, которое охватывает все опасные зоны, если количество и размеры этих зон велики. В этом случае места технического обслуживания и настройки должны быть, по возможности, расположены вне защищаемых зон;

c) отдельные съемные защитные устройства, если применение оболочек непрактично и количество защищаемых опасных зон мало;

d) съемное дистанционное защитное устройство, полностью охватывающее все опасные зоны, если применение оболочек непрактично и количество и величина зон велики.

1 - фотоэлектрический барьер; 2 - съемное защитное устройство с блокировкой; 3 - коммутационный шкаф; 4 - внутреннее ограждение, разрешающее допуск в определенном месте; 5 - изолирующий коврик; 6 - устройство для двуручного включения; 7 - орган возврата в исходное положение; 8 - съемное защитное устройство

Рисунок 9 - Первый пример комбинации различных съемных защитных устройств и съемных защитных устройств с другими защитными устройствами

1 - ключи; 2 - устройство двуручного включения; 3 - экран между позициями; 4 - съемное защитное устройство с блокировкой; 5 - предохранительный палец; 6 - коммутационная планка

Рисунок 10 - Второй пример комбинации различных съемных защитных устройств и съемных защитных устройств с другими защитными устройствами

Алгоритм, данный в приложении В, объясняет это метод.

Для производственных целей может оказаться предпочтительным разбиение защищаемой зоны на отдельные части, чтобы обеспечить возможность испытания и регулирования отдельных частей, не влияя на работу других частей машины. В этом случае съемные защитные устройства должны удовлетворять всем требованиям настоящего стандарта для каждой части машины.

6.4 Выбор в соответствии с требуемым доступом и частотой доступа

Примечание - Общие руководящие указания по выбору съемных защитных устройств по требуемому виду и частоте доступа изложены в приложении А.

6.4.1 Движущиеся элементы силовых передач

Защита от опасностей, вызываемых такими движущимися элементами силовых подач, как ведущие шкивы, приводные ремни, передачи, зубчатые рейки, валы и т.д., должна обеспечиваться с помощью либо неподвижных съемных защитных устройств (рисунок 1), либо подвижных съемных защитных устройств, снабженных блокировкой.

6.4.2 Случаи, при которых доступ в опасную зону при производственном процессе не требуется Должны применяться неподвижные съемные защитные устройства в связи с их простотой и надежностью.

6.4.3 Случаи, при которых требуется доступ в опасную зону в период производственного процесса

6.4.3.1 Случаи, при которых доступ требуется при настройке машины, изменении технологии или для технического обслуживания

В этих случаях следует применять нижеприведенные типы съемных защитных устройств:

a) перемещаемое съемное защитное устройство, если предусматривается доступ (например чаще, чем раз в смену) или если удаление и повторная установка неподвижного съемного защитного устройства затруднены. Перемещаемые съемные защитные устройства должны быть снабжены блокировкой или блокировкой с фиксацией закрывания (ГОСТ Р 51345);

b) неподвижное съемное защитное устройство - только в случае малой частоты доступа; его удаление и повторная установка осуществляются в безопасной рабочей системе.

6.4.3.2 Случаи, при которых требуется доступ в опасную зону при производственном цикле

Должны применяться следующие типы съемных защитных устройств:

a) перемещаемые защитные ограждения с блокировкой или с блокировкой и фиксацией закрывания. Если требуется доступ при очень коротком рабочем цикле, то допускается применять преимущественно перемещаемое съемное защитное устройство с механическим приводом;

b) управляемое съемное защитное устройство (в случаях, когда выполняются особые условия использования ограждения) (5.4.9).

6.4.3.3 Случаи, при которых в связи с производственной необходимостью доступ в опасную зону полностью предотвратить невозможно

Если инструменты, например полотна дисковых пил, требуется частично открывать, то в этом случае могут быть использованы следующие виды съемных защитных устройств:

a) автоматически закрываемое съемное защитное устройство (5.4.6);

b) регулируемое съемное защитное устройство (5.4.7).

7 Дополнительные соображения по конструированию и изготовлению

7.1 Сведение к минимуму возможности залезания на съемные защитные устройства

Путем конструктивного исполнения необходимо свести к минимуму возможность залезания на съемные защитные устройства. Эту возможность следует учитывать уже при их изготовлении путем выбора материала и формы. Так, например, залезание затрудняется, если исключить горизонтально расположенные узлы и горизонтально расположенные детали внешней проволочной сетки съемных защитных устройств.

7.2 Средства крепления, которые не теряются

Средства крепления у съемных защитных устройств должны, насколько это возможно, оставаться на этих устройствах, чтобы уменьшить вероятность потерь и упущений пополнения потерянных деталей (рисунок 11).

Рисунок 11 - Пример нетеряющихся средств крепления

7.3 Виброустойчивость

При необходимости элементы крепления должны быть укомплектованы контргайками, пружинными кольцами и т.д., чтобы обеспечить надежное крепление съемных защитных устройств.

7.4 Предупреждающие знаки

В случаях, когда при доступе в защищаемую зону люди могут подвергаться остаточному риску, например облучению, в местах доступа должны быть выставлены предупреждающие знаки.

7.5 Окраска

Опасности должны восприниматься с первого взгляда путем применения соответствующей окраски. Если, например, съемное защитное устройство окрашено в цвет машины, а опасные детали окрашены в контрастный цвет, внимание направляется на опасные места, когда съемное устройство открыто или отсутствует.

7.6 Эстетика

Съемные защитные устройства, по мере возможности, следует конструировать так, чтобы отрицательные психологические влияния были сведены к минимуму.

8 Верификация требований по безопасности для съемных защитных устройств

8.1 Общие положения

При конструировании и изготовлении съемных защитных устройств определенные аспекты должны быть верифицированы путем исследований, инспекции, испытаний и расчетов. Верификация должна выполняться, по возможности, в рабочем состоянии.

Примечание - Для определенного вида машин, рассматриваемых в стандартах типа С (ГОСТ Р 51333), обязательно испытание на производственном образце съемного защитного устройства; в отдельных случаях можно не проводить испытание, например для съемных защитных устройств силовых передач и шлифовальных кругов.

8.2 Ударная прочность

Целесообразна верификация на ударную прочность схемных защитных устройств от ударов персонала, частей инструмента, жидкостей высокого давления и т.д. Перед проведением верификации необходимо устранить ожидаемые опасности от ударов, например удары от персонала, следующие с малой скоростью, удары от частей сломанного инструмента, следующие с большой скоростью, удары вызванные жидкостями высокого давления.

При верификации ударной прочности съемного защитного устройства следует испытать материалы, из которых сделано это устройство. Сюда же следует включить прочность мест крепления и прочность направляющих и мест зажима, с помощью которых съемное защитное устройство связано с машиной или другими конструкциями.

Если имеются стандарты типа С (ГОСТ Р 51333), то в них должны быть изложены методы верификации.

8.3 Безопасные расстояния

Верификация соответствия съемных защитных устройств требуемым безопасным расстояниям должна проводиться измерением (ГОСТ Р 51334 и ГОСТ Р 51339).

8.4 Задерживающая способность

При конструировании съемных защитных устройств должна быть верифицирована эффективность их задерживающей способности. Если заметны неплотные места, то достаточно ограничиться осмотром. Если неплотные места не заметны, но допускают утечку газов или паров, то необходим альтернативный способ верификации путем пробы воздуха (ГОСТ Р 51338).

8.5 Шум

Если съемное защитное устройство предназначено для уменьшения шума, то его акустические свойства должны верифицироваться путем определения уровня шума.

8.6 Усилия, требуемые при эксплуатации съемных защитных устройств

В случаях, когда в обычных условиях обслуживания съемного защитного устройства требуется усилие оператора, например при открывании передвижных съемных защитных устройств, удалении неподвижных съемных защитных устройств, может оказаться необходимым проверка того, что не превышены значения допустимых усилий.

8.7 Обозреваемость

В тех случаях, когда сохранение функции обозреваемости существенно для собственной функции съемного защитного устройства, это должно быть установлено осмотром в обычных производственных условиях.

9 Информация для потребителя

9.1 Общие положения

В случаях необходимости в информации, предоставленной вместе с машиной, должны содержаться требуемые сведения о. съемных защитных устройствах и их функциях, включая установку и обслуживание (ГОСТ Р 51333).

9.2 Опасность от съемных защитных устройств

Должна быть предоставлена информация обо всех опасностях, связанных с использованием защитных устройств, например о горючести материалов.

9.3 Ввод в эксплуатацию

Должны быть представлены указания о правильном вводе в эксплуатацию съемных защитных устройств и относящихся к ним приспособлений.

9.4 Эксплуатация

Потребителю должны быть представлены указания по правильной эксплуатации съемных защитных устройств, их блокировке и т.д. Должны быть даны предупреждения о возможных случаях неправильной эксплуатации (ГОСТ Р 51333, 3.12).

9.5 Удаление съемных защитных устройств

Должна быть представлена информация о каждом мероприятии, которое нужно выполнить до безопасного удаления съемных защитных устройств, например прекращение подачи электрической энергии к машине или отвод аккумулированной энергии.

9.6 Техническое обслуживание

Должны быть представлены конкретные сведения по требующимся работам, касающимся технического обслуживания, например:

- потере или повреждению каждой детали съемного защитного устройства, особенно в случаях, когда это может снизить безопасность (уменьшение ударной прочности из-за царапин на стекловидных материалах);

- замене изношенных деталей;

- правильной эксплуатации блокировок;

- ослаблению мест сопряжения или точек крепления;

- ухудшению условий эксплуатации вследствие коррозии, изменению температуры и воздействию химических веществ;

- правильности эксплуатации и, в случаях необходимости, смазке движущихся частей;

- изменению безопасных расстояний и размеров отверстий;

- снижению акустических характеристик.

ПРИЛОЖЕНИЕ А

(справочное)

Руководство по выбору съемных защитных устройств для предотвращения опасностей от движущихся частей

Настоящее приложение не предусматривает применения других защитных устройств, устройств двуручного управления и т.д. Схема должна использоваться с разделами 4 и 6.

1) Применение управляемых съемных защитных устройств требует соблюдения условий согласно 5.4.9

Рисунок А.1 - Руководство по выбору съемных защитных устройств

ПРИЛОЖЕНИЕ В

(обязательное)

Руководство по выбору съемных защитных устройств в зависимости от числа и видов опасностей

Рисунок В.1

Схема должна использоваться совместно с разделами 4 и 6.

ПРИЛОЖЕНИЕ С

(справочное)

Связь между настоящим стандартом и Директивой ЕС по машиностроению

Разделы настоящего стандарта соответствуют основным требованиям или другим положениям Директив по машиностроению ЕС.

Настоящий стандарт был разработан в рамках мандата, который был выдан СЕН Европейской комиссией и Европейской ассоциацией свободной торговли и поддерживает основные требования следующих Директив ЕС:

- Директивы по машиностроению (89/392/ЕЭС) и ее изменения (91/368/ЕЭС и 93/44/ЕЭС).

Предупреждение:

Для изделия, попадающего в область применения настоящего стандарта, могут быть применимы дальнейшие требования и Директивы ЕС. Разделы настоящего стандарта обеспечивают требования Директивы по машиностроению.

Ключевые слова: безопасность, защитное устройство, конструирование, съемное, неподвижное, перемещаемое защитное устройство




Яндекс цитирования



   Copyright © 2007-2026,  www.tehlit.ru.

[ ѓосты, стандарты, нормативы, инструкции, правила, строительные нормы ]