//
|
|
ГОСТ Р МЭК 60901-99 ГОСУДАРСТВЕННЫЙ СТАНДАРТ РОССИЙСКОЙ ФЕДЕРАЦИИ ЛАМПЫ ЛЮМИНЕСЦЕНТНЫЕ ОДНОЦОКОЛЬНЫЕ Эксплуатационные требования ГОССТАНДАРТ РОССИИ Москва СОДЕРЖАНИЕ Предисловие1. РАЗРАБОТАН И ВНЕСЕН Всероссийским научно-исследовательским институтом источников света имени А.Н. Лодыгина (ОАО «Лисма-ВНИИИС») 2. ПРИНЯТ И ВВЕДЕН В ДЕЙСТВИЕ Постановлением Госстандарта России от 23 августа 1999 г. № 270-ст 3. Настоящий стандарт представляет собой аутентичный текст международного стандарта МЭК 60901 (1996) «Лампы люминесцентные одноцокольные. Эксплуатационные требования» с Изменением № 1 (1997) 4. ВВЕДЕН ВПЕРВЫЕ ГОСТ Р МЭК 60901-99ГОСУДАРСТВЕННЫЙ СТАНДАРТ РОССИЙСКОЙ ФЕДЕРАЦИИ
Дата введения 2002-01-01 1. Общие положения1.1. Область примененияНастоящий стандарт распространяется на одноцокольные люминесцентные лампы для общего освещения и устанавливает эксплуатационные требования. Требования настоящего стандарта относятся только к типовому испытанию. Правила приемки, включая методы статистической оценки, - в стадии рассмотрения. Стандарт распространяется на лампы следующих типов и способов работы с внешними пускорегулирующими аппаратами (далее - ПРА): a) лампы с внутренними средствами зажигания и предварительным подогревом катодов для работы на сетевых частотах переменного тока; b) лампы с внешними средствами зажигания и предварительным подогревом катодов для работы на сетевых частотах переменного тока со стартером и на высокой частоте (ВЧ); c) лампы с внешними средствами зажигания и предварительным подогревом катодов для работы на сетевых частотах переменного тока без стартера (бесстартерные) и на ВЧ; d) лампы с внешними средствами зажигания и предварительным подогревом катодов для работы на ВЧ; e) лампы с внешними средствами зажигания и без предварительного подогрева катодов для работы на ВЧ. 1.2. Общие сведенияЛампы должны зажигаться и удовлетворительно работать при напряжениях от 92 до 106 % расчетного питающего напряжения и температуре окружающей среды от 10 до 50°С с ПРА по МЭК 60921 или МЭК 60929, со стартером согласно МЭК 60155 или МЭК 60927 в светильнике, соответствующем МЭК 60598. Примечание - Для некоторых ламп дается дополнительная информация по расчету ВЧ ПРА для надлежащего зажигания при температуре окружающей среды минус 15°С. 1.3. Нормативные ссылкиНастоящий стандарт содержит положения нижеследующих нормативных документов, на которые даны ссылки. На дату опубликования настоящего стандарта указанные нормативные документы были действующими. Все нормативные документы подвергаются пересмотру и частичным согласованным изменениям, поэтому необходимо учитывать возможность применения для настоящего стандарта более поздних изданий нормативных документов, указанных ниже. Члены МЭК и ИСО ведут регистрацию действующих международных стандартов. МЭК 60050 (845) (1987) Международный электротехнический словарь (МЭС). Глава 845. Освещение МЭК 60061-1 (1969)* Цоколи и патроны ламп, а также калибры для проверки их взаимозаменяемости и безопасности. Часть 1. Цоколи МЭК 60081 (1997)* Лампы люминесцентные двухцокольные. Эксплуатационные требования МЭК 60155 (1993)* Стартеры тлеющего разряда для люминесцентных ламп МЭК 60598-1 (1996)* Светильники. Часть 1. Общие требования и испытания МЭК 60921 (1988)* Аппараты пускорегулирующие для трубчатых люминесцентных ламп. Требования к рабочим характеристикам МЭК 60927 (1996)* Зажигающие устройства (кроме стартеров тлеющего разряда). Требования к рабочим характеристикам МЭК 60929 (1990)* Устройства для ламп. Аппараты пускорегулирующие электронные, питаемые от источников переменного тока, для трубчатых люминесцентных ламп. Требования к рабочим характеристикам МЭК 61199 (1993)* Лампы люминесцентные одноцокольные. Требования безопасности МЭК 61231 (1993) Международная система обозначения ламп (МСОЛ) * Соответствие стандартов МЭК государственным стандартам указано в приложении F. 1.4 ОпределенияОпределения по освещению см. в МЭК 60050 (845). В настоящем стандарте используют следующие определения. 1.4.1. люминесцентная лампа: Разрядная ртутная лампа низкого давления, в которой свет излучается в основном одним или несколькими слоями люминофора, возбуждаемого ультрафиолетовым излучением разряда. 1.4.2. одноцокольная люминесцентная лампа: Люминесцентная лампа с одним цоколем для работы с внешними схемами с внутренними или внешними средствами зажигания. 1.4.3. номинальное значение: Величина, используемая для обозначения или отличия лампы. 1.4.4. расчетное значение: Величина характеристики лампы для заданных рабочих условий. Значение и условия определяются в настоящем стандарте или устанавливаются изготовителем или ответственным поставщиком. 1.4.5. стабильность светового потока: Отношение светового потока каждой лампы после определенного времени горения к начальному световому потоку лампы, работающей при заданных условиях. Это отношение обычно выражается в процентах. 1.4.6. начальные значения: Характеристики зажигания лампы, измеренные до отжига, и электрические, световые параметры и характеристики катода лампы, измеренные после 100 ч отжига. 1.4.7. период разгорания: Время, необходимое для достижения стабилизации давления пара в разрядной трубке лампы после ее включения. 1.4.8. зажигающее вспомогательное устройство: Проводящая полоса, прикрепленная к внешней поверхности лампы, или проводящая пластинка, расположенная на соответствующем расстоянии от лампы. Зажигающее устройство обычно заземляется, и оно может быть эффективным только тогда, когда имеет достаточную разность потенциалов с одним из концов лампы. 1.4.9. образцовый ПРА: Специальный ПРА или индуктивный для ламп, работающих на сетевых частотах переменного тока, или активный для ламп, работающих на высокой частоте. Рассчитан для использования в качестве эталона сравнения при испытании ПРА, для отбора номинальных ламп и испытания регулярно изготавливаемых ламп при стандартных условиях. Характеризуется тем, что при расчетной частоте он имеет стабильное отношение напряжение/ток, которое относительно не зависит от колебаний тока, температуры и магнитного окружения, как указано в соответствующем стандарте на ПРА. 1.4.10. ток калибровки образцового ПРА: Значение тока, на котором основаны калибровка и контроль образцового ПРА. 1.4.11. типовые испытания: Испытания, проведенные на выборке с целью проверки соответствия конструкции данного изделия требованиям стандарта. 1.4.12. выборка для типовых испытаний: Выборка, состоящая из одной или нескольких ламп одного типа, предъявленная изготовителем или ответственным поставщиком для типовых испытаний. 1.5. Требования к лампе1.5.1 Общие положения Лампа должна удовлетворять требованиям МЭК 61199. Лампа должна быть сконструирована так, чтобы ее эксплуатация была надежной при использовании по назначению. Это может быть обеспечено, если лампа соответствует следующим требованиям. 1.5.2. Цоколи Размеры цоколей на готовой лампе должны соответствовать МЭК 60061-1. 1.5.3. Размеры Размеры лампы должны удовлетворять приведенным в соответствующем листе с параметрами лампы (далее - листе, см. раздел 2). 1.5.4. Характеристики зажигания Лампа должна полностью зажечься в течение времени, указанного в соответствующем листе, и продолжать работать. Условия и метод испытания приведены в приложении А. 1.5.5. Электрические параметры и характеристики катода a) Начальное значение напряжения на лампе должно удовлетворять значениям, приведенным в соответствующем листе. b) Начальное значение мощности, потребляемой лампой, не должно превышать расчетную мощность, приведенную в соответствующем листе, более чем на 5 % + 0,5 Вт. Примечание - Поскольку катод подвергается дополнительному нагреву, его мощность не включают в расчетную мощность лампы, если в листе не указано иное. c) Для лампы с предварительным подогревом катодов при работе на сетевых частотах переменного тока в бесстартерных схемах начальное значение сопротивления каждого катода должно быть не менее минимального значения, приведенного в соответствующем листе. d) Для лампы с предварительным подогревом катодов при работе на ВЧ начальное значение сопротивления каждого катода должно удовлетворять значениям, приведенным в соответствующем листе. Условия и метод испытания приведены в приложении В. 1.5.6. Световые параметры a) Начальное значение светового потока лампы должно быть не менее 90 % расчетного значения. b) Начальное значение координат цветности Х и Y лампы должно быть в пределах 5 SDCM (стандартное отклонение выравнивания цвета) от расчетных значений. Примечание - См. также соответствующее приложение по характеристикам расчетного цвета в МЭК 60081. c) Начальное значение общего индекса цветопередачи Ra лампы не должно отличаться от расчетного значения менее чем на три единицы. Условия и метод испытания приведены в приложении В. 1.5.7. Стабильность светового потока Световой поток лампы в заданное время ее продолжительности горения должен быть не менее 90 % (в стадии рассмотрения) расчетного значения. Условия и метод испытания приведены в приложении С. 1.5.8. Подавление радиопомех Лампа с внутренним стартером должна содержать средства, помогающие подавления радиопомех, эквивалентные конденсатору для подавления радиопомех по МЭК 60155. 1.5.9. Маркировка На лампе должны быть нанесены следующие данные: a) номинальная мощность. Примечание - При необходимости для более точного отличия следует приводить дополнительную информацию (например, номинальный диаметр трубки в миллиметрах); b) обозначение, определяющее электрические и световые параметры лампы, объявленные изготовителем или ответственным поставщиком. 1.6. Информация для расчета ПРА и стартераИнформация для расчета ПРА и стартера приведена в соответствующем листе и приложении D. 1.7. Информация для расчета светильникаИнформация для расчета светильника приведена в соответствующем листе и приложении Е. ПРИЛОЖЕНИЕ
А (обязательное)
| ||||||||||||||||||||||||||||||||||||||||||||||||||||||||||||||||||||||||||||||||||||||||||||||||||||||||||||||||||||||||||||||||||||||||||||||||||||||||||||||||||||||||||||||||||||||||||||||||||||||||||||||||||||||||||||||||||||||||||||||||||||||||||||||||||||||||||||||||||||||||||||||||||||||||||||||||||||||||||||||||||||||||||||||||||||||||||||||||||||||||||||||||||||||||||||||||||||||||||||||||||||||||||||||||||||||||||||||||||||||||||||||||||||||||||||||||||||||||||||||||||||||||||||||||||||||||||||||||||||||||||||||||||||||||||||||||||||||||||||||||||||||||||||||||||||||||||||||||||||||||||||||||||||||||||||||||||||||||||||||||||||||||||||||||||||||||||||||||||||||||||||||||||||||||||||||||||||||||||||||||||||||||||||||||||||||||||||||||||||||||||||||||||||||||||||||||||||||||||||||||||||||||||||||||||||||||||||||||||||||||||||||||||||||||||||||||||||||||||||||||||||||||||||||||||||||||||||||||||||||||||||||||||||||||||||||||||||||||||||||||||||||||||||||||||||||||||||||||||||||
|
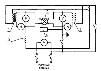
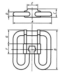
1 - ПРА; 2 - лампа |
1 - ПРА; 2 - лампа; 3 - стартер |
|
Рисунок А.1. - Схема для испытания на зажигание ламп с внутренним стартером
|
Рисунок А. 2 - Схема для испытания на зажигание ламп с внешним стартером ГОСТ Р МЭК 60901-99 |

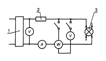
1 - трансформатор; 2 - лампа; 3 - ПРА; 4 - ЗВУ
Рисунок А.3. - Схема для испытания на зажигание ламп с предварительным подогревом катодов для работы в бесстартерных схемах

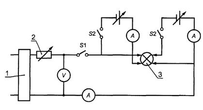
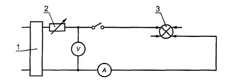
1 - ВЧ генератор; 2 - резистор; 3 - лампа
Рисунок А.4 - Схема для испытания на зажигание ламп с предварительным подогревом катодов для работы на ВЧ

1 - ВЧ генератор; 2 - резистор; 3 - лампа
Рисунок А. 5 - Схема для испытания на зажигание ламп без предварительного подогрева катодов для работы на ВЧ
В.1. Электрические и световые параметры
В.1.1. Общие положения
Световые параметры измеряют в соответствии с рекомендациями МКО (Международная комиссия по освещению).
До измерения лампы отжигают в нормальном режиме в течение 100 ч.
Лампы испытывают при отсутствии сквозняков при температуре окружающей среды (25 +1)°С, если иное не указано в соответствующем листе.
Лампы испытывают в положении, указанном в соответствующем листе.
Для ламп с внешними средствами зажигания соединения контактов лампы с зажимами ПРА должны быть надежными в течение всего времени проведения испытаний.
Измерения проводят после достаточного периода стабилизации лампы. Приблизительное время стабилизации 15 мин после периода разгорания, объявленного изготовителем или ответственным поставщиком.
Примечание - При перевозке и нормальном обращении с лампами внутри разрядной трубки могут появиться небольшие капельки избыточной ртути. Стабилизация достигается тогда, когда вся ртуть сконцентрируется в наиболее холодном месте трубки. Опыт показывает, что первоначально этот процесс может продолжаться до 15 ч. Если лампа, прошедшая этот период разгорания, повторно горит в течение 24 ч, то для стабилизации потребуется только 15 мин, при этом лампа должна выдерживаться в том же положении и не должна подвергаться вибрации или удару.
В.1.2. Испытательная схема
Лампы испытывают в схеме, приведенной на рисунках:
- В.1. для ламп с внутренними средствами зажигания;
- В.2. для ламп с внешними средствами зажигания;
- В.3. для ламп для работы на ВЧ.
В испытательной схеме, приведенной на рисунке В.3, соединения должны быть по возможности короче и прямее, чтобы избежать паразитной емкости. Паразитная емкость, параллельная лампе, должна быть менее 1 нФ.
В.1.3. ПРА
Для этих испытаний применяют образцовые ПРА по МЭК 60921 для сетевых частот переменного тока или по МЭК 60929 для ВЧ. Электрические параметры образцовых ПРА должны быть такими, как указаны в соответствующем листе.
В.1.4. Питающее напряжение
Питающее напряжение должно быть равно расчетному напряжению образцового ПРА. В период стабилизации питающее напряжение должно быть стабильным в пределах ±0,5 %, этот допуск уменьшается до ±0,2 % в течение измерения.
Для сетевых источников переменного тока частота должна быть равна расчетной частоте образцового ПРА с допуском 0,5 %. Для ВЧ источников питания частота должна быть от 20 до 26 кГц.
Форма волны питающего напряжения должна быть синусоидальной. Полная гармоническая составляющая не должна превышать 3 % (для ВЧ источников питания это значение в стадии рассмотрения). Полную гармоническую составляющую определяют как среднеквадратичную сумму отдельных гармонических составляющих, принимая основную за 100 %.
Примечание - Под этим подразумевают, что источник питания должен иметь достаточную мощность, а питающая цепь - достаточно низкое полное сопротивление по сравнению с полным сопротивлением ПРА. Необходимо следить, чтобы это выполнялось при всех возможных условиях.
В.1.5. Электрические приборы
Приборы должны показывать действующие значения, не искажать форму волны и быть пригодны для работы на соответствующей частоте.
Цепь измерения напряжения приборов должна иметь полное сопротивление не менее 100 кОм и отключаться, когда не используется. Схема измерения тока приборов должна иметь наиболее возможное низкое сопротивление и при необходимости закорачиваться, когда не используется.
При измерении мощности лампы не учитывается поправка на потребление ваттметром (соединение схемы - на ламповой стороне цепи измерения тока).
При измерении светового потока вольтметр и цепь напряжения ваттметра должны быть отключены.
В.2. Характеристики катода ламп с предварительным подогревом катодов, работающих в бесстартерных схемах
В.2.1. Испытательная схема
Сопротивление катода измеряют путем использования источника питания постоянного тока или источника питания переменного тока частоты 50 или 60 Гц.
В.2.2. Лампы для работы на сетевых частотах переменного тока
Напряжение на катоде регулируют до значения, приведенного в соответствующем листе, и измеряют ток.
Из этих значений после вычета поправки на потребление вольтметром определяют сопротивление катода.
В.2.3. Лампы для работы на ВЧ
Ток, идущий через катод, регулируют до значения, приведенного в соответствующем листе, и измеряют питающее напряжение. Из этих значений после вычета разницы потенциала на амперметре определяют сопротивление катода.

|
1 - образцовый ПРА; 2 - лампа |
1 - образцовый ПРА; 2 - лампа; 3 - стартер |
|
Рисунок В.1 - Схема для измерения электрических и световых параметров ламп с внутренним стартером |
Рисунок В.2 - Схема для измерения электрических и световых параметров ламп с внешним стартером |

1 - ВЧ генератор; 2 - ПРА; 3 - лампа
Рисунок В.3 - Схема для измерения электрических и световых параметров ламп для работы на ВЧ
С.1. Общие положения
Световой поток в заданное время продолжительности горения лампы измеряют в соответствии с приложением В.
В течение испытания на продолжительность горения лампы должны работать в следующих условиях.
Температура окружающей среды - от 15 до 50°С. Следует избегать чрезмерных сквозняков, а лампы не должны подвергаться вибрации и удару.
Испытательное положение лампы - согласно соответствующему листу.
Для ламп с внешними средствами зажигания соединения контактов ламп с зажимами ПРА должны быть надежными в течение всего времени испытания.
Лампы работают в схеме, указанной изготовителем.
Испытательные значения напряжения и частоты должны быть равны расчетным значениям напряжения и частоты ПРА.
Лампы выключают на 15 мин после каждых 2 ч 45 мин работы.
С.2. Лампы для работы на сетевых частотах переменного тока
Используемые ПРА должны удовлетворять требованиям МЭК 60921.
Когда ПРА при его расчетном напряжении соединен с контрольной лампой, эта лампа должна потреблять мощность, не отличающуюся от ее расчетного значения более чем на 4 %. Контрольной является такая лампа, напряжение на которой не отличается более чем на 2 % от его расчетного значения при работе с образцовым ПРА.
Примечание - Тип ПРА для этих испытаний не устанавливается, однако он может влиять на результаты испытания. Рекомендуется объявлять тип используемого ПРА. В сомнительных случаях рекомендуется использовать индуктивный ПРА, имеющий наименьшее количество параметров, способных повлиять на результаты.
Для ламп, работающих с внутренним или внешним стартером, ток предварительного подогрева при расчетном питающем напряжении не должен отличаться более чем на 10 % от расчетного значения, приведенного в соответствующем листе.
Для ламп, работающих с внешним стартером, тип используемого стартера должен удовлетворять требованиям МЭК 60155 и в любом случае должен быть согласован с изготовителем или ответственным поставщиком.
С.3. Лампы для работы на ВЧ
Используемый ПРА должен удовлетворять требованиям МЭК 60929.
D.1. Общие положения
Для обеспечения безопасной работы лампы информация, приведенная в соответствующем листе и настоящем приложении, должна учитываться при расчете ПРА и стартеров.
D.2. Лампы, работающие с внутренними средствами зажигания
Лампы с внутренним стартером не должны работать в ВЧ схемах.
D.3. Условия предварительного подогрева ламп, работающих на ВЧ
Для ламп с предварительным подогревом катодов и внешними средствами зажигания, работающих на ВЧ, требования для предварительного подогрева приведены в соответствующем листе. Комментарии требований приведены в приложении D МЭК 60929 и приложении В МЭК 60927.
Е.1. Общие положения
Для обеспечения безопасной работы лампы информация, приведенная в соответствующем листе и настоящем приложении, должна учитываться при расчете светильников.
Е.2. Наибольшие контуры лампы
Для механического соответствия ламп, удовлетворяющих настоящему стандарту, в светильнике должно быть предусмотрено свободное пространство, основанное на наибольших контурах лампы. Рисунки наибольших контуров приведены в 2.4.
Е.3. Конденсаторы для последовательного включения в емкостных схемах
Начальный 10 %-ный допуск, типичный для шунтирующих конденсаторов, непригоден для конденсаторов при их последовательном включении. При совпадении предельных допусков на конденсатор и ПРА их суммирование может привести к ухудшению характеристики лампы.
Чтобы удовлетворить требованиям, приведенным в соответствующих листах, допуск на конденсатор должен быть небольшим, или конденсатор и индуктивная реактивная составляющая ПРА должны подбираться так, чтобы неблагоприятные допуски не совпадали.
Е.4. Лампы, работающие с внутренними средствами зажигания
Е.4.1. Лампы с внутренним стартером не должны работать в ВЧ схемах.
Е.4.2. При нормальных рабочих условиях испытания по 12.4.1 МЭК 60598-1 температура на цоколе лампы, измеренная в основании направляющего штырька, не должна превышать наибольшего значения, приведенного в соответствующем листе.
Примечание - Ограничение температуры необходимо из-за наличия в цоколе стартера и конденсатора для подавления радиопомех.
Е.5 Зажигающее вспомогательное устройство
Работа ламп на сетевых частотах переменного тока в бесстартерных схемах требует наличия заземленного проводящего ЗВУ, которым может быть часть светильника.
Расстояние между поверхностью лампы и ЗВУ не должно превышать наибольшего значения, приведенного в соответствующем листе.
Е.6 Опора для конца лампы
Некоторые лампы требуют дополнительное устройство для опирания конца лампы. Оно должно быть рассчитано так, чтобы исключить влияние на заданные характеристики лампы.
Учитывая незначительный зазор между каналами лампы, приведенными в соответствующем листе, часть устройства, расположенная между каналами, не должна оказывать никакого усилия на лампу.
Устройство располагают на таком расстоянии от базовой плоскости цоколя, которое указано в соответствующем листе.
|
Обозначение стандартов МЭК |
Обозначение государственных стандартов |
|
МЭК 60061-1 (1969) |
ГОСТ 28108-89 |
|
МЭК 60081 (1997) |
|
|
МЭК 60155 (1993) |
|
|
МЭК 60598-1 (1996) |
ГОСТ Р МЭК 598-1-99 |
|
МЭК 60921 (1988) |
ГОСТ Р МЭК 921-97 |
|
МЭК 60927 (1996) |
|
|
МЭК 60929 (1990) |
ГОСТ Р МЭК 929-98 |
|
МЭК 61199 (1993) |
ГОСТ Р МЭК 61199-99 |
2.1 Общие принципы нумерации листов
Первое число с последующими буквами «МЭК» означает номер настоящей публикации. Второе число означает порядковый номер листа.
Третье число означает номер страницы листа. Если лист имеет более одной страницы, то они будут иметь соответствующие номера, хотя номер листа с параметрами будет одинаковым.
2.2. Листы для нанесения размеров ламп
2.2.1 Перечень листов с размерами
60901-МЭК-01 Лампы двухканальные
60901-МЭК-02 Лампы четырехканальные
60901-МЭК-03 Лампы квадратные
60901-МЭК-04 Лампы кольцевые
60901-МЭК-05 Лампы многоканальные
60901-МЭК-06 Лампы квадратные (цоколь 2G10)
|
|
ЛАМПА ЛЮМИНЕСЦЕНТНАЯ ОДНОЦОКОЛЬНАЯ ЛИСТ С ПАРАМЕТРАМИ ДЛЯ ИЗМЕРЕНИЯ РАЗМЕРОВ ЛАМП Двухканальная |
|
Эти рисунки предназначены только для показа контролируемых размеров и должны использоваться с соответствующими стандартными листами на лампы

Примечание - Размеры А и В относятся к стеклянным частям лампы.
60901-МЭК-01-1
|
|
ЛАМПА ЛЮМИНЕСЦЕНТНАЯ ОДНОЦОКОЛЬНАЯ ЛИСТ С ПАРАМЕТРАМИ ДЛЯ ИЗМЕРЕНИЯ РАЗМЕРОВ ЛАМП Четырехканальная |
|
Эти рисунки предназначены только для показа контролируемых размеров и должны использоваться с соответствующими стандартными листами на лампы

Примечание - Размеры А и В относятся к стеклянным частям лампы.
60901-МЭК-02-1
|
|
ЛАМПА ЛЮМИНЕСЦЕНТНАЯ ОДНОЦОКОЛЬНАЯ ЛИСТ С ПАРАМЕТРАМИ ДЛЯ ИЗМЕРЕНИЯ РАЗМЕРОВ ЛАМП Квадратные |
|
Эти рисунки предназначены только для показа контролируемых размеров и должны использоваться с соответствующими стандартными листами на лампы

60901-МЭК-03-1
|
|
ЛАМПА ЛЮМИНЕСЦЕНТНАЯ ОДНОЦОКОЛЬНАЯ ЛИСТ С ПАРАМЕТРАМИ ДЛЯ ИЗМЕРЕНИЯ РАЗМЕРОВ ЛАМП Кольцевые |
|
Эти рисунки предназначены только для показа контролируемых размеров и должны использоваться с соответствующими стандартными листами на лампы

60901-МЭК-04-1
|
|
ЛАМПА ЛЮМИНЕСЦЕНТНАЯ ОДНОЦОКОЛЬНАЯ ЛИСТ С ПАРАМЕТРАМИ ДЛЯ ИЗМЕРЕНИЯ РАЗМЕРОВ ЛАМП Многоканальные |
|
Эти рисунки предназначены только для показа контролируемых размеров и должны использоваться с соответствующими стандартными листами на лампы

Примечание - Размеры А и В относятся к стеклянным частям лампы.
60901-МЭК-05-1
|
|
ЛАМПА ЛЮМИНЕСЦЕНТНАЯ ОДНОЦОКОЛЬНАЯ ЛИСТ С ПАРАМЕТРАМИ ДЛЯ ИЗМЕРЕНИЯ РАЗМЕРОВ ЛАМП |
|
|
|
Цоколь: 2G10 |
Квадратные |
||
Эти рисунки предназначены только для показа контролируемых размеров и должны использоваться с соответствующими стандартными листами на лампы

Примечание - Размеры А и В относятся к стеклянным частям лампы.
60901-МЭК-06-1
2.3. Листы с параметрами ламп
2.3.1. Перечень листов по номерам
|
Номер листа |
Номинальная мощность, Вт |
Частота, Гц |
Форма |
Цоколь |
Средства зажигания |
Схема |
Тип катода |
||
|
Сеть переменного тока |
ВЧ |
||||||||
|
60901-МЭК- 0005 |
5 |
50 |
60 |
Двухканальная |
G23 |
Внутрен |
- |
- |
Предварительного подогрева |
|
- 0007 |
7 |
50 |
60 |
» |
G23 |
» |
- |
- |
То же |
|
- 0009 |
9 |
50 |
60 |
» |
G23 |
» |
- |
- |
» |
|
- 0011 |
11 |
50 |
- |
» |
G23 |
» |
- |
- |
» |
|
- 0013 |
13 |
- |
60 |
» |
GX23 |
» |
- |
- |
» |
|
- 0510 |
10 |
50 |
60 |
Четырехка- |
G24d-1 |
» |
- |
- |
» |
|
- 0513 |
13 |
50 |
60 |
» |
G24d-1 |
» |
- |
- |
» |
|
- 0518 |
18 |
50 |
60 |
» |
G24d-2 |
» |
- |
- |
» |
|
- 0526 |
26 |
50 |
60 |
» |
G24d-3 |
» |
- |
- |
» |
|
- 0715 |
15 |
- |
60 |
» |
GX32d-l |
» |
- |
- |
» |
|
- 0720 |
20 |
- |
60 |
» |
GX32d-2 |
» |
- |
- |
» |
|
- 0727 |
27 |
- |
60 |
» |
GX32d-3 |
» |
- |
- |
» |
|
- 1016 |
16 |
50 |
- |
Квадратная |
GR8 |
» |
- |
- |
» |
|
- 1028 |
28 |
50 |
- |
» |
GR8 |
» |
- |
- |
» |
|
- 1413 |
13 |
50 |
60 |
Многоканальная |
GX24d-l |
» |
- |
- |
» |
|
- 1418 |
18 |
50 |
60 |
» |
GX24d-2 |
» |
- |
- |
» |
|
- 1426 |
26 |
50 |
60 |
» |
GX24d-3 |
» |
- |
- |
» |
|
- 2005 |
5 |
50 |
- |
Двухканальная |
2G7 |
Внешние |
Стартерная |
Бесстар- |
» |
|
- 2007 |
7 |
50 |
- |
» |
2G7 |
» |
» |
» |
» |
|
- 2009 |
9 |
50 |
- |
» |
2G7 |
» |
» |
» |
» |
|
- 2011 |
11 |
50 |
- |
» |
2G7 |
» |
» |
» |
» |
|
- 2127 |
27 |
50 |
60 |
» |
GY10q-4 |
» |
» |
- |
» |
|
-2128 |
28 |
50 |
60 |
» |
GY10q-5 |
» |
» |
- |
» |
|
- 2130 |
30 |
50 |
60 |
» |
GY10q-4 |
» |
» |
- |
» |
|
- 2136 |
36 |
50 |
60 |
» |
GY10q-6 |
» |
» |
- |
» |
|
- 2218 |
18 |
50 |
60 |
» |
2G11 |
» |
» |
Бесстар- |
» |
|
- 2224 |
24 |
50 |
60 |
» |
2G11 |
» |
» |
» |
» |
|
- 2236 |
36 |
50 |
60 |
» |
2G11 |
» |
» |
» |
» |
|
- 2510 |
10 |
50 |
- |
Четырехка- |
G24q-1 |
» |
» |
» |
» |
|
- 2513 |
13 |
50 |
- |
» |
G24q-1 |
» |
» |
» |
» |
|
- 2518 |
18 |
50 |
- |
» |
G24q-2 |
» |
» |
» |
» |
|
- 2526 |
26 |
50 |
- |
» |
G24q-3 |
» |
» |
» |
» |
|
- 2613 |
13 |
50 |
60 |
» |
GX10q-2 |
» |
» |
- |
» |
|
- 2618 |
18 |
50 |
60 |
» |
GX10q-3 |
» |
» |
Бесстар- |
» |
|
- 2627 |
27 |
50 |
60 |
» |
GX10q-4 |
» |
» |
- |
» |
|
- 3010 |
10 |
50 |
- |
Квадратная |
GR10q |
» |
» |
- |
» |
|
- 3016 |
16 |
50 |
- |
» |
GR10q |
» |
» |
- |
» |
|
- 3021 |
21 |
50 |
- |
» |
GR10q |
» |
» |
- |
» |
|
- 3028 |
28 |
50 |
- |
» |
GR10q |
» |
» |
- |
» |
|
60901-МЭК-3038 |
38 |
50 |
- |
» |
GR10q |
» |
» |
- |
» |
|
60901-МЭК-3118 |
18 |
50 |
60 |
Квадратная |
2G10 |
Внешние |
Стартерная |
Бесстар- терная |
Предварительного подогрева |
|
- 3124 |
24 |
50 |
60 |
» |
2G10 |
» |
» |
» |
То же |
|
- 3136 |
36 |
50 |
60 |
» |
2G10 |
» |
» |
» |
» |
|
- 3222 |
22 (D29) |
50 |
60 |
Кольцевая |
G10q |
» |
» |
» |
» |
|
- 3231 |
32 (D29) |
50 |
60 |
» |
G10q |
» |
» |
» |
» |
|
- 3232 |
32 (D32) |
50 |
60 |
» |
G10q |
» |
» |
» |
» |
|
- 3239 |
40 (D29) |
50 |
- |
» |
G10q |
» |
» |
» |
» |
|
- 3240 |
40 (D32) |
50 |
- |
» |
G10q |
» |
» |
» |
» |
|
-4224 |
24/27 |
- |
60 |
Двухканальная |
2G11 |
» |
Бесстар- |
- |
Предварительного подогрева, низкоомный |
|
-4236 |
36/39 |
- |
60 |
» |
2G11 |
» |
» |
- |
То же |
|
- 5010 |
10 |
50 |
|
Квадратная |
GR10q |
» |
» |
|
То же, высокоомный |
|
- 5016 |
16 |
50 |
- |
» |
GR10q |
» |
» |
- |
» |
|
- 5021 |
21 |
50 |
- |
» |
GR10q |
» |
» |
- |
» |
|
- 5028 |
28 |
50 |
|
» |
GR10q |
» |
» |
|
Предварительного подогрева, низкоомный |
|
- 5038 |
38 |
50 |
- |
» |
GR10q |
» |
» |
- |
То же |
|
- 5222 |
22 (D29) |
- |
60 |
Кольцевая |
G10q |
» |
» |
- |
» |
|
- 5232 |
32 (D32) |
- |
60 |
» |
G10q |
» |
» |
- |
» |
|
- 5240 |
40 (D32) |
- |
60 |
» |
G10q |
» |
» |
- |
» |
|
- 6240 |
40 |
≥20 кГц |
Двухканальная |
2G11 |
» |
- |
Бесстар- |
Предварительного подогрева |
|
|
- 6255 |
55 |
≥20 кГц |
» |
2G11 |
» |
- |
» |
То же |
|
|
- 7412 |
12 |
≥20 кГц |
Многоканальная |
GX24q-1 |
» |
- |
» |
» |
|
|
- 7416 |
16 |
≥20 кГц |
» |
GX24q-2 |
» |
- |
» |
» |
|
|
- 7424 |
24 |
≥20 кГц |
» |
GX24q-3 |
» |
- |
» |
» |
|
|
- 7432 |
32 |
≥20 кГц |
» |
GX24q-2 |
» |
- |
» |
» |
|
|
-7442 |
42 |
≥20 кГц |
» |
GX24q-4 |
» |
- |
» |
» |
|
|
60901-МЭК-8240 |
40 |
≥20 кГц |
Двухканальная |
2G11 |
» |
- |
» |
Без предварительного подогрева |
|
2.3.2. Перечень листов, расположенных по мощности
|
Номер листа |
Номинальная мощность, Вт |
Частота, Гц |
Форма |
Цоколь |
Средства зажигания |
Схема |
Тип катода |
||
|
Сеть переменного тока |
ВЧ |
|
|||||||
|
60901-МЭК-0005 |
5 |
50 |
60 |
Двухканальная |
G23 |
Внутренние |
- |
- |
Предвари- |
|
- 2005 |
5 |
50 |
- |
» |
2G7 |
Внешние |
Стартерная |
Бесстар- |
То же |
|
- 0007 |
7 |
50 |
60 |
» |
G23 |
Внутрен ние |
- |
- |
» |
|
- 2007 |
7 |
50 |
- |
» |
2G7 |
Внешние |
Стартерная |
Бесстар- |
» |
|
- 0009 |
9 |
50 |
60 |
» |
G23 |
Внутренние |
- |
- |
» |
|
-2009 |
9 |
50 |
- |
» |
2G7 |
Внешние |
Стартерная |
Бесстар- |
» |
|
-0510 |
10 |
50 |
60 |
Четырехка- |
G24d-1 |
Внутренние |
- |
- |
» |
|
- 2510 |
10 |
50 |
- |
» |
G24q-1 |
Внешние |
Стартерная |
Бесстар- |
» |
|
- 3010 |
10 |
50 |
- |
Квадратная |
GR10q |
» |
» |
- |
» |
|
- 5010 |
10 |
50 |
- |
» |
GR10q |
Внутренние |
Бесстар- |
- |
Предвари- |
|
- 0011 |
11 |
50 |
- |
Двухканальная |
G23 |
» |
- |
- |
Предвари- |
|
- 2011 |
11 |
50 |
- |
» |
2G7 |
Внешние |
Стартерная |
Бесстар- терная |
То же |
|
- 7412 |
12 |
≥20 кГц |
Многока- |
GX24q-1 |
» |
- |
» |
» |
|
|
- 0013 |
13 |
- |
60 |
Двухканальная |
GX23 |
Внутренние |
- |
- |
» |
|
- 0513 |
13 |
50 |
60 |
Четырехка- |
G24d-1 |
» |
- |
- |
» |
|
- 1413 |
13 |
50 |
60 |
Многока- |
GX24d-1 |
» |
- |
- |
» |
|
- 2513 |
13 |
50 |
- |
Четырехка- |
G24q-1 |
Внешние |
Стартерная |
Бесстар- |
» |
|
- 2613 |
13 |
50 |
60 |
» |
GX10q-2 |
» |
» |
- |
» |
|
- 0715 |
15 |
- |
60 |
» |
GX32d-1 |
Внутренние |
- |
- |
» |
|
- 1016 |
16 |
50 |
- |
Квадратная |
GR8 |
» |
- |
- |
» |
|
60901 -МЭК-3016 |
16 |
50 |
- |
» |
GR10q |
Внешние |
Стартерная |
- |
» |
|
60901-МЭК-5016 |
16 |
50 |
- |
Квадратная |
GR10q |
Внешние |
Бесстар- |
|
Предвари- |
|
- 7416 |
16 |
≥20 кГц |
Многоканальная |
GX24q-2 |
» |
- |
Бесстар- |
Предварительного подогрева |
|
|
- 0518 |
18 |
50 |
60 |
Четырехка- |
G24d-2 |
Внутренние |
- |
- |
То же |
|
- 1418 |
18 |
50 |
60 |
Многоканальная |
GX24d-2 |
» |
- |
- |
» |
|
- 2218 |
18 |
50 |
60 |
Двухканальная |
2G11 |
Внешние |
Стартерная |
Бесстар- |
» |
|
- 2518 |
18 |
50 |
- |
Четырехка- |
G24q-2 |
» |
» |
» |
» |
|
- 2618 |
18 |
50 |
60 |
» |
GX10q-3 |
» |
» |
» |
» |
|
- 3118 |
18 |
50 |
60 |
Квадратная |
2G10 |
» |
» |
Бесстар- |
» |
|
- 0720 |
20 |
- |
60 |
Четырехка- |
GX32d-2 |
Внутренние |
- |
- |
» |
|
- 3021 |
21 |
50 |
- |
Квадратная |
GR10q |
Внешние |
Стартерная |
- |
» |
|
- 5021 |
21 |
50 |
- |
» |
GR10q |
» |
Бесстар- |
- |
Предвари- |
|
- 3222 |
22 (D29) |
50 |
60 |
Кольцевая |
G10q |
» |
Стартерная |
Бесстар- |
Предвари- |
|
- 5222 |
22 (D29) |
- |
60 |
» |
G10q |
» |
Бесстар- |
|
Предвари- |
|
- 2224 |
24 |
50 |
60 |
Двухканальная |
2G11 |
» |
Стартерная |
Бесстар- |
Предвари- |
|
- 3124 |
24 |
50 |
60 |
Квадратная |
2G10 |
» |
» |
» |
То же |
|
60901- МЭК-4224 |
24/27 |
- |
60 |
Двухканальная |
2G11 |
» |
Бесстар- |
|
Предвари- |
|
60901-МЭК-7424 |
24 |
≥20 кГц |
Многоканальная |
GX24q-3 |
Внешние |
- |
Бесстар- |
Предва- |
|
|
- 0526 |
26 |
50 |
60 |
Четырехка- |
G24d-3 |
Внутренние |
- |
- |
То же |
|
- 1426 |
26 |
50 |
60 |
Многоканальная |
GX24d-3 |
» |
- |
- |
» |
|
- 2526 |
26 |
50 |
- |
Четырехка- |
G24q-3 |
Внешние |
Стартерная |
Бесстар- |
» |
|
- 0727 |
27 |
- |
60 |
» |
GX32d-3 |
Внутренние |
- |
- |
» |
|
- 2127 |
27 |
50 |
60 |
Двухканальная |
GY10q-4 |
Внешние |
Стартерная |
- |
» |
|
- 2627 |
27 |
50 |
60 |
Четырехка- |
GX10q-4 |
» |
» |
- |
» |
|
- 1028 |
28 |
50 |
- |
Квадратная |
GR8 |
Внутренние |
- |
- |
» |
|
- 2128 |
28 |
50 |
60 |
Двухканальная |
GY10q-5 |
Внешние |
Стартерная |
- |
» |
|
- 3028 |
28 |
50 |
- |
Квадратная |
GR10q |
» |
» |
- |
» |
|
- 5028 |
28 |
50 |
- |
» |
GR10q |
» |
Бесстар- |
|
Предвари- |
|
- 2130 |
30 |
50 |
60 |
Двухканальная |
GY10q-4 |
» |
Стартерная |
- |
Предвари-тельного подогрева |
|
- 3231 |
32 (D29) |
50 |
60 |
Кольцевая |
G10q |
» |
» |
Бесстар-терная |
То же |
|
- 3232 |
32 (D32) |
50 |
60 |
» |
G10q |
» |
» |
» |
» |
|
- 5232 |
32 (D32) |
- |
60 |
» |
G10q |
» |
Бесстар- |
|
Предвари- |
|
- 7432 |
32 |
≥20 кГц |
Многоканальная |
GX24q-3 |
» |
- |
Бесстар- |
Предва- |
|
|
- 2136 |
36 |
50 |
60 |
Двухканальная |
GY10q--6 |
» |
Стартерная |
- |
То же |
|
60901-МЭК-2236 |
36 |
50 |
60 |
» |
2G11 |
» |
» |
Бесстар- |
» |
|
60901-МЭК-3136 |
36 |
50 |
60 |
Квадратная |
2G10 |
Внешние |
Стартерная |
Бесстар- |
Предва- |
|
- 4236 |
36/39 |
- |
60 |
Двухканальная |
2G11 |
» |
Бесстар- |
- |
Предвари- |
|
- 3038 |
38 |
50 |
- |
Квадратная |
GR10q |
» |
Стартерная |
- |
Предвари- |
|
- 5038 |
38 |
50 |
- |
» |
GR10q |
» |
Бесстар- |
- |
Предвари- |
|
- 3239 |
40 (D29) |
50 |
- |
Кольцевая |
G10q |
» |
Стартерная |
Бесстар-терная |
Предвари- |
|
- 3240 |
40 (D32) |
50 |
- |
» |
G10q |
» |
» |
» |
То же |
|
- 5240 |
40 (D32) |
- |
60 |
» |
G10q |
» |
Бесстар- |
- |
Предвари- |
|
- 6240 |
40 |
≥20 кГц |
Двухканальная |
2G11 |
» |
|
Бесстар- |
Предвари- |
|
|
- 8240 |
40 |
≥20 кГц |
» |
2G11 |
» |
|
» |
Без предвари- |
|
|
- 7442 |
42 |
≥20 кГц |
Многоканальная |
GX24q-4 |
» |
- |
» |
То же |
|
|
60901-МЭК-6255 |
55 |
≥20 кГц |
Двухканальная |
2G11 |
» |
- |
» |
» |
|
|
|
ЛАМПА ЛЮМИНЕСЦЕНТНАЯ ОДНОЦОКОЛЬНАЯ ЛИСТ С ПАРАМЕТРАМИ Двухканальная |
|
МСОЛ: FSD-5-I-G23
|
Номинальная мощность, Вт |
Схема |
Катод |
Цоколь |
|
5 |
Внутренний стартер |
Предварительного подогрева |
G23 |
Размеры, мм
|
А, не более |
В, не более |
С, не более |
|
28 |
13 |
85 |
Цоколь: см. лист 7004-69 МЭК 60061
Характеристики зажигания
|
Частота, Гц |
Расчетное напряжение ПРА, В |
Испытательное напряжение (действующее значение), В |
Время зажигания, с |
|
50 |
220 |
198 |
10 |
|
60 |
118 |
106 |
10 |
Электрические параметры
|
Частота, Гц |
Расчетная мощность, Вт |
Напряжение на лампе (действующее значение), В |
Расчетный ток лампы, А |
Расчетный ток предварительного подогрева, А |
||
|
расчетное |
не менее |
не более |
||||
|
50 |
5,4 |
35 |
30 |
40 |
0,180 |
0,190 |
|
60 |
5,5 |
35 |
30 |
40 |
0,180 |
1,190 |
Испытательное положение: вертикальное цоколем вверх.
Характеристики образцового ПРА
|
Частота, Гц |
Номинальная мощность, Вт |
Расчетное напряжение, В |
Ток калибровки, А |
Отношение напряжения к току, Ом |
Коэффициент мощности |
|
50 |
9 |
220 |
0,170 |
1180 |
0,12 |
|
60 |
5,5 |
118 |
0,180 |
605 |
0,075 |
Информация для расчета ПРА
|
Частота, Гц |
50 |
60 |
|
|
Ток предварительного подогрева катода, А |
не менее |
0,153 |
0,153 |
|
не более |
0,240 |
0,240 |
|
|
Напряжение холостого хода на лампе, В |
действующее значение, не менее |
198 |
108 |
|
пиковое, не более |
400 |
440 |
|
|
Заменяющий резистор для обоих последовательно соединенных катодов, Ом |
160 |
160 |
|
|
Рабочий ток лампы, А, не более |
0,190 |
0,190 |
|
Информация для расчета светильника
|
Наибольший контур лампы: см. лист 60901-МЭК-А010, с размером Н, мм |
85 |
|
Наибольшая температура на направляющем штырьке цоколя, °С |
90 |
60901-МЭК-0005-1
|
|
ЛАМПА ЛЮМИНЕСЦЕНТНАЯ ОДНОЦОКОЛЬНАЯ ЛИСТ С ПАРАМЕТРАМИ Двухканальная |
|
МСОЛ: FSD-7-1-G23
|
Номинальная мощность, Вт |
Схема |
Катод |
Цоколь |
|
7 |
Внутренний стартер |
Предварительного подогрева |
G23 |
Размеры, мм
|
А, не более |
В, не более |
С, не более |
|
28 |
13 |
115 |
Цоколь: см. лист 7004-69 МЭК 60061-1.
Характеристики зажигания
|
Частота, Гц |
Расчетное напряжение ПРА, В |
Испытательное напряжение (действующее значение), В |
Время зажигания, с |
|
50 |
220 |
198 |
10 |
|
60 |
118 |
106 |
10 |
Электрические параметры
|
Частота, Гц |
Расчетная мощность, Вт |
Напряжение на лампе (действующее значение), В |
Расчетный ток лампы, А |
Расчетный ток предварительного подогрева, А |
||
|
расчетное |
не менее |
не более |
||||
|
50 |
7,1 |
47 |
42 |
52 |
0,175 |
0,190 |
|
60 |
7,0 |
45 |
40 |
50 |
0,180 |
1,190 |
Испытательное положение: вертикальное цоколем вверх.
Характеристики образцового ПРА
|
Частота, Гц |
Номинальная мощность, Вт |
Расчетное напряжение, В |
Ток калибровки, А |
Отношение напряжения к току, Ом |
Коэффициент мощности |
|
50 |
9 |
220 |
0,170 |
1180 |
0,12 |
|
60 |
7 |
118 |
0,180 |
570 |
0,075 |
Информация для расчета ПРА
|
Частота, Гц |
50 |
60 |
|
|
Ток предварительного подогрева катода, А |
не менее |
0,153 |
0,153 |
|
не более |
0,240 |
0,240 |
|
|
Напряжение холостого хода на лампе, В |
действующее значение, не менее |
198 |
108 |
|
пиковое, не более |
400 |
440 |
|
|
Заменяющий резистор для обоих последовательно соединенных катодов, Ом |
160 |
160 |
|
|
Рабочий ток лампы, А, не более |
0,190 |
0,190 |
|
Информация для расчета светильника
|
Наибольший контур лампы: см. лист 60901-МЭК-АОЮ, с размером Н, мм |
85 |
|
Наибольшая температура на направляющем штырьке цоколя, °С |
90 |
60901-МЭК-0007-1
|
|
ЛАМПА ЛЮМИНЕСЦЕНТНАЯ ОДНОЦОКОЛЬНАЯ ЛИСТ С ПАРАМЕТРАМИ Двухканальная |
|
МСОЛ: FSD-9-1-G23
|
Номинальная мощность, Вт |
Схема |
Катод |
Цоколь |
|
9 |
Внутренний стартер |
Предварительного подогрева |
G23 |
Размеры, мм
|
А, не более |
В, не более |
С, не более |
|
28 |
13 |
145 |
Цоколь: см. лист 7004-69 МЭК 60061-1.
Характеристики зажигания
|
Частота, Гц |
Расчетное напряжение ПРА, В |
Испытательное напряжение (действующее значение), В |
Время зажигания, с |
|
50 |
220 |
198 |
10 |
|
60 |
118 |
106 |
10 |
Электрические параметры
|
Частота, Гц |
Расчетная мощность, Вт |
Напряжение на лампе (действующее значение), В |
Расчетный ток лампы, А |
Расчетный ток предварительного подогрева, А |
||
|
расчетное |
не менее |
не более |
||||
|
50 |
8,7 |
60 |
54 |
66 |
0,170 |
0,190 |
|
60 |
9,0 |
59 |
53 |
65 |
0,180 |
1,190 |
Испытательное положение: вертикальное цоколем вверх.
Характеристики образцового ПРА
|
Частота, Гц |
Номинальная мощность, Вт |
Расчетное напряжение, В |
Ток калибровки, А |
Отношение напряжения к току, Ом |
Коэффициент мощности |
|
50 |
9 |
220 |
0,170 |
1180 |
0,12 |
|
60 |
9 |
118 |
0,180 |
515 |
0,075 |
Информация для расчета ПРА
|
Частота, Гц |
50 |
60 |
|
|
Ток предварительного подогрева катода, А |
не менее |
0,153 |
0,153 |
|
не более |
0,240 |
0,240 |
|
|
Напряжение холостого хода на лампе, В |
действующее значение, не менее |
198. |
108 |
|
пиковое, не более |
400 |
440 |
|
|
Заменяющий резистор для обоих последовательно соединенных катодов, Ом |
160 |
160 |
|
|
Рабочий ток лампы, А, не более |
0,190 |
0,190 |
|
Информация для расчета светильника
|
Наибольший контур лампы: см. лист 60901-МЭК-АОЮ, с размером Н, мм |
145 |
|
Наибольшая температура на направляющем штырьке цоколя, °С |
90 |
60901-МЭК-0009-1
|
|
ЛАМПА ЛЮМИНЕСЦЕНТНАЯ ОДНОЦОКОЛЬНАЯ ЛИСТ С ПАРАМЕТРАМИ Двухканальная |
|
МСОЛ:Р8Б-11-1-С23
|
Номинальная мощность, Вт |
Схема |
Катод |
|
Цоколь |
|
11 |
Внутренний стартер |
Предварительного подогрева |
|
G23 |
Размеры, мм
|
А, не более |
В, не более |
С, не более |
|
28 |
13 |
215 |
Цоколь: см. лист 7004-69 МЭК 60061-1.
Характеристики зажигания
|
Частота, Гц |
Расчетное напряжение ПРА, В |
Испытательное напряжение (действующее значение), В |
Время зажигания, с |
|
50 |
220 |
198 |
10 |
|
60 |
- |
- |
- |
Электрические параметры
|
Частота, Гц |
Расчетная мощность, Вт |
Напряжение на лампе (действующее значение), В |
Расчетный ток лампы, А |
Расчетный ток предварительного подогрева, А |
||
|
расчетное |
не менее |
не более |
||||
|
50 |
11,8 |
91 |
81 |
101 |
0,155 |
0,190 |
|
60 |
- |
- |
- |
- |
- |
- |
Испытательное положение: вертикальное цоколем вверх.
Характеристики образцового ПРА
|
Частота, Гц |
Номинальная мощность, Вт |
Расчетное напряжение, В |
Ток калибровки, А |
Отношение напряжения к току, Ом |
Коэффициент мощности |
|
50 |
9 |
220 |
0,170 |
1180 |
0,12 |
|
60 |
- |
- |
- |
- |
- |
Информация для расчета ПРА
|
Частота, Гц |
50 |
60 |
|
|
Ток предварительного подогрева катода, А |
не менее |
0,153 |
- |
|
не более |
0,240 |
- |
|
|
Напряжение холостого хода на лампе, В |
действующее значение, не менее |
198 |
- |
|
пиковое, не более |
400 |
- |
|
|
Заменяющий резистор для обоих последовательно соединенных катодов, Ом |
160 |
- |
|
|
Рабочий ток лампы, А, не более |
0,190 |
- |
|
Информация для расчета светильника
|
Наибольший контур лампы: см. лист 60901-МЭК-АОЮ, с размером Н, мм |
215 |
|
Наибольшая температура на направляющем штырьке цоколя, "С |
90 |
60901-МЭК-0011-1
|
|
ЛАМПА ЛЮМИНЕСЦЕНТНАЯ ОДНОЦОКОЛЬНАЯ ЛИСТ С ПАРАМЕТРАМИ Двухканальная |
|
МСОЛ: FSD-13-1-G23
|
Номинальная мощность, Вт |
Схема |
Катод |
Цоколь |
|
13 |
Внутренний стартер |
Предварительного подогрева |
G23 |
Размеры, мм
|
А, не более |
В, не более |
С, не более |
|
28 |
13 |
170 |
Цоколь: см. лист 7004-69 МЭК 60061-1.
Характеристики зажигания
|
Частота, Гц |
Расчетное напряжение ПРА, В |
Испытательное напряжение (действующее значение), В |
Время зажигания, с |
|
50 |
- |
- |
- |
|
60 |
118 |
106 |
10 |
Электрические параметры
|
Частота, Гц |
Расчетная мощность, Вт |
Напряжение на лампе (действующее значение), В |
Расчетный ток лампы, А |
Расчетный ток предварительного подогрева, А |
||
|
расчетное |
не менее |
не более |
||||
|
50 |
- |
- |
- |
- |
- |
- |
|
60 |
13,4 |
59 |
53 |
65 |
0,285 |
0,400 |
Испытательное положение: вертикальное цоколем вверх.
Характеристики образцового ПРА
|
Частота, Гц |
Номинальная мощность, Вт |
Расчетное напряжение, В |
Ток калибровки, А |
Отношение напряжения к току, Ом |
Коэффициент мощности |
|
50 |
- |
- |
- |
- |
- |
|
60 |
13 |
118 |
0,285 |
325 |
0,075 |
Информация для расчета ПРА
|
Частота, Гц |
50 |
60 |
|
|
Ток предварительного подогрева катода, А |
не менее |
- |
0,270 |
|
не более |
- |
0,525 |
|
|
Напряжение холостого хода на лампе, В |
действующее значение, не менее |
- |
106 |
|
пиковое, не более |
- |
440 |
|
|
Заменяющий резистор для обоих последовательно соединенных катодов, Ом |
- |
25 |
|
|
Рабочий ток лампы, А, не более |
- |
* |
|
Информация для расчета светильника
|
Наибольший контур лампы: см. лист 60901-МЭК-АОЮ, с размером Н, мм |
170 |
|
Наибольшая температура на направляющем штырьке цоколя, °С |
90 |
* В стадии рассмотрения.
60901-МЭК-0013-1
|
|
ЛАМПА ЛЮМИНЕСЦЕНТНАЯ ОДНОЦОКОЛЬНАЯ ЛИСТ С ПАРАМЕТРАМИ Четырехканальная |
|
МСОЛ: FSQ-10-1-G24d-1
|
Номинальная мощность, Вт |
Схема |
Катод |
Цоколь |
|
10 |
Внутренний стартер |
Предварительного подогрева |
G24d-1 |
Размеры, мм
|
А, не более |
В, не более |
С, не более |
|
28 |
28 |
95 |
Цоколь: см. лист 7004-78 МЭК 60061-1.
Характеристики зажигания
|
Частота, Гц |
Расчетное напряжение ПРА, В |
Испытательное напряжение (действующее значение), В |
Время зажигания, с |
|
50 |
220 |
198 |
10 |
|
60 |
220 |
198 |
10 |
Электрические параметры
|
Частота, Гц |
Расчетная мощность, Вт |
Напряжение на лампе (действующее значение), В |
Расчетный ток лампы, А |
Расчетный ток предварительного подогрева, А |
||
|
расчетное |
не менее |
не более |
||||
|
50 |
10 |
64 |
58 |
70 |
0,190 |
0,210 |
|
60 |
10 |
64 |
58 |
70 |
0,190 |
0,210 |
Испытательное положение: вертикальное цоколем вверх.
Характеристики образцового ПРА
|
Частота, Гц |
Номинальная мощность, Вт |
Расчетное напряжение, В |
Ток калибровки, А |
Отношение напряжения к току, Ом |
Коэффициент мощности |
|
50 |
10 |
220 |
0,190 |
1070 |
0,12 |
|
60 |
10 |
220 |
0,190 |
1080 |
0,075 |
Информация для расчета ПРА
|
Частота, Гц |
50 |
60 |
|
|
Ток предварительного подогрева катода, А |
не менее |
0,153 |
0,153 |
|
не более |
0,275 |
0,275 |
|
|
Напряжение холостого хода на лампе, В |
действующее значение, не менее |
198 |
198 |
|
пиковое, не более |
400 |
440 |
|
|
Заменяющий резистор для обоих последовательно соединенных катодов, Ом |
100 |
100 |
|
|
Рабочий ток лампы, А, не более |
0,210 |
0,210 |
|
Информация для расчета светильника
|
Наибольший контур лампы: см. лист 60901-МЭК-А510, с размером Н, мм |
95 |
|
Наибольшая температура на направляющем штырьке цоколя, °С |
90 |
60901-МЭК-0510-1
|
|
ЛАМПА ЛЮМИНЕСЦЕНТНАЯ ОДНОЦОКОЛЬНАЯ ЛИСТ С ПАРАМЕТРАМИ Четырехканальная |
|
МСОЛ: FSQ-13-1-G24d-1
|
Номинальная мощность, Вт |
Схема |
Катод |
Цоколь |
|
|
13 |
Внутренний стартер |
Предварительного подогрева |
G24d-1 |
|
Размеры, мм
|
А, не более |
В, не более |
С, не более |
|
28 |
28 |
130 |
Цоколь: см. лист 7004-78 МЭК 60061-1.
Характеристики зажигания
|
Частота, Гц |
Расчетное напряжение ПРА, В |
Испытательное напряжение (действующее значение), В |
Время зажигания, с |
|
50 |
220 |
198 |
10 |
|
60 |
220 |
198 |
10 |
Электрические параметры
|
Частота, Гц |
Расчетная мощность, Вт |
Напряжение на лампе (действующее значение), В |
Расчетный ток лампы, А |
Расчетный ток предварительного подогрева, А |
||
|
расчетное |
не менее |
не более |
||||
|
50 |
13 |
91 |
81 |
101 |
0,175 |
0,210 |
|
60 |
13 |
91 |
81 |
101 |
0,175 |
0,210 |
Испытательное положение: вертикальное цоколем вверх.
Характеристики образцового ПРА
|
Частота, Гц |
Номинальная мощность, Вт |
Расчетное напряжение, В |
Ток калибровки, А |
Отношение напряжения к току, Ом |
Коэффициент мощности |
|
50 |
13 |
220 |
0,165 |
1070 |
0,12 |
|
60 |
13 |
220 |
0,170 |
1080 |
0,075 |
Информация для расчета ПРА
|
Частота, Гц |
50 |
60 |
|
|
Ток предварительного подогрева катода, А |
не менее |
0,153 |
0,153 |
|
не более |
0,275 |
0,275 |
|
|
Напряжение холостого хода на лампе, В |
действующее значение, не менее |
198 |
198 |
|
пиковое, не более |
400 |
440 |
|
|
Заменяющий резистор для обоих последовательно соединенных катодов, Ом |
100 |
100 |
|
|
Рабочий ток лампы, А, не более |
0,190 |
0,190 |
|
Информация для расчета светильника
|
Наибольший контур лампы: см. лист 60901-МЭК-А510, с размером Н, мм |
130 |
|
Наибольшая температура на направляющем штырьке цоколя, °С |
90 |
60901-МЭК-0513-1
|
|
ЛАМПА ЛЮМИНЕСЦЕНТНАЯ ОДНОЦОКОЛЬНАЯ ЛИСТ С ПАРАМЕТРАМИ Четырехканальная |
|
МСОЛ: FSQ-18-1-G24d-2
|
Номинальная мощность, Вт |
Схема |
Катод |
|
Цоколь |
|
18 |
Внутренний стартер |
Предварительного подогрева |
|
G24d-2 |
Размеры, мм
|
А, не более |
В, не более |
С, не более |
|
28 |
28 |
150 |
Цоколь: см. лист 7004-78 МЭК 60061-1
Характеристики зажигания
|
Частота, Гц |
Расчетное напряжение ПРА, В |
Испытательное напряжение (действующее значение), В |
Время зажигания, с |
|
50 |
220 |
198 |
10 |
|
60 |
220 |
198 |
10 |
Электрические параметры
|
Частота, Гц |
Расчетная мощность, Вт |
Напряжение на лампе (действующее значение), В |
Расчетный ток лампы, А |
Расчетный ток предварительного подогрева, А |
||
|
расчетное |
не менее |
не более |
||||
|
50 |
18 |
100 |
90 |
110 |
0,220 |
0,280 |
|
60 |
18 |
100 |
90 |
110 |
0,220 |
0,280 |
Испытательное положение: вертикальное цоколем вверх.
Характеристики образцового ПРА
|
Частота, Гц |
Номинальная мощность, Вт |
Расчетное напряжение, В |
Ток калибровки, А |
Отношение напряжения к току, Ом |
Коэффициент мощности |
|
50 |
18 |
220 |
0,220 |
800 |
0,12 |
|
60 |
18 |
220 |
0,220 |
815 |
0,075 |
Информация для расчета ПРА
|
Частота, Гц |
50 |
60 |
|
|
Ток предварительного подогрева катода, А |
не менее |
0,190 |
0,190 |
|
не более |
0,375 |
0,375 |
|
|
Напряжение холостого хода на лампе, В |
действующее значение, не менее |
198 |
198 |
|
пиковое, не более |
400 |
440 |
|
|
Заменяющий резистор для обоих последовательно соединенных катодов, Ом |
80 |
80 |
|
|
Рабочий ток лампы, А, не более |
0,240 |
0,240 |
|
Информация для расчета светильника
|
Наибольший контур лампы: см. лист 60901-МЭК-А510, с размером Н, мм |
150 |
|
Наибольшая температура на направляющем штырьке цоколя, °С |
90 |
60901-МЭК-0518-1
|
|
ЛАМПА ЛЮМИНЕСЦЕНТНАЯ ОДНОЦОКОЛЬНАЯ ЛИСТ С ПАРАМЕТРАМИ Четырехканальная |
|
МСОЛ: FSQ-26-1-G24d-3
|
Номинальная мощность, Вт |
Схема |
Катод |
Цоколь |
|
26 |
Внутренний стартер |
Предварительного подогрева |
G24d-3 |
Размеры, мм
|
А, не более |
В, не более |
С, не более |
|
28 |
28 |
170 |
Цоколь: см. лист 7004-78 МЭК 60061-1.
Характеристики зажигания
|
Частота, Гц |
Расчетное напряжение ПРА, В |
Испытательное напряжение (действующее значение), В |
Время зажигания, с |
|
50 |
220 |
198 |
10 |
|
60 |
220 |
198 |
10 |
Электрические параметры
|
Частота, Гц |
Расчетная мощность, Вт |
Напряжение на лампе (действующее значение), В |
Расчетный ток лампы, А |
Расчетный ток предварительного подогрева, А |
||
|
расчетное |
не менее |
не более |
||||
|
50 |
26 |
105 |
95 |
115 |
0,325 |
0,420 |
|
60 |
26 |
105 |
95 |
115 |
0,325 |
0,420 |
Испытательное положение: вертикальное цоколем вверх.
Характеристики образцового ПРА
|
Частота, Гц |
Номинальная мощность, Вт |
Расчетное напряжение, В |
Ток калибровки, А |
Отношение напряжения к току, Ом |
Коэффициент мощности |
|
50 |
26 |
220 |
0,315 |
540 |
0,10 |
|
60 |
26 |
220 |
0,315 |
546 |
0,075 |
Информация для расчета ПРА
|
Частота, Гц |
50 |
60 |
|
|
Ток предварительного подогрева катода, А |
не менее |
0,270 |
0,270 |
|
не более |
0,550 |
0,550 |
|
|
Напряжение холостого хода на лампе, В |
действующее значение, не менее |
198 |
198 |
|
пиковое, не более |
400 |
440 |
|
|
Заменяющий резистор для обоих последовательно соединенных катодов, Ом |
25 |
25 |
|
|
Рабочий ток лампы, А, не более |
0,360 |
0,360 |
|
Информация для расчета светильника
|
Наибольший контур лампы: см. лист 60901-МЭК-А510, с размером Н, мм |
170 |
|
Наибольшая температура на направляющем штырьке цоколя, °С |
90 |
60901-МЭК-0526-1
|
|
ЛАМПА ЛЮМИНЕСЦЕНТНАЯ ОДНОЦОКОЛЬНАЯ ЛИСТ С ПАРАМЕТРАМИ Четырехканальная |
|
МСОЛ: FSQ-15-I-GX32d-l
|
Номинальная мощность, Вт |
Схема |
Катод |
Цоколь |
|
15 |
Внутренний стартер |
Предварительного подогрева |
GX32d-l |
Размеры, мм
|
А, не более |
В, не более |
С, не более |
|
41 |
41 |
117 |
Цоколь: см. лист 7004-87 МЭК 60061-1.
Характеристики зажигания
|
Частота, Гц |
Расчетное напряжение ПРА, В |
Испытательное напряжение (действующее значение), В |
Время зажигания, с |
|
50 |
- |
- |
- |
|
60 |
118 |
108 |
10 |
Электрические параметры
|
Частота, Гц |
Расчетная мощность, Вт |
Напряжение на лампе (действующее значение), В |
Расчетный ток лампы, А |
Расчетный ток предварительного подогрева, А |
||
|
расчетное |
не менее |
не более |
||||
|
50 |
- |
- |
- |
- |
- |
- |
|
60 |
15 |
53 |
* |
* |
0,325 |
* |
Испытательное положение: вертикальное цоколем вверх.
Характеристики образцового ПРА
|
Частота, Гц |
Номинальная мощность, Вт |
Расчетное напряжение, В |
Ток калибровки, А |
Отношение напряжения к току, Ом |
Коэффициент мощности |
|
50 |
- |
- |
- |
- |
- |
|
60 |
15 |
118 |
0,325 |
290 |
0,075 |
Информация для расчета ПРА
|
Частота, Гц |
50 |
60 |
|
|
Ток предварительного подогрева катода, А |
не менее |
- |
0,280 |
|
не более |
- |
0,650 |
|
|
Напряжение холостого хода на лампе, В |
действующее значение, не менее |
- |
108 |
|
пиковое, не более |
- |
400 |
|
|
Заменяющий резистор для обоих последовательно соединенных катодов, Ом |
- |
25 |
|
|
Рабочий ток лампы, А, не более |
- |
* |
|
Информация для расчета светильника
|
Наибольший контур лампы: см. лист 60901-МЭК-А710, с размером Н, мм |
117 |
|
Наибольшая температура на направляющем штырьке цоколя, °С |
90 |
* В стадии рассмотрения.
60901-МЭК-0715-1
|
|
ЛАМПА ЛЮМИНЕСЦЕНТНАЯ ОДНОЦОКОЛЬНАЯ ЛИСТ С ПАРАМЕТРАМИ Четырехканальная |
|
МСОЛ: FSQ-20-1-GX32d-2
|
Номинальная мощность, Вт |
Схема |
Катод |
Цоколь |
|
20 |
Внутренний стартер |
Предварительного подогрева |
GX32d-2 |
Размеры, мм
|
А, не более |
В, не более |
С, не более |
|
41 |
41 |
130 |
Цоколь: см. лист 7004-87 МЭК 60061-1.
Характеристики зажигания
|
Частота, Гц |
Расчетное напряжение ПРА, В |
Испытательное напряжение (действующее значение), В |
Время зажигания, с |
|
50 |
- |
- |
- |
|
60 |
118 |
108 |
10 |
Электрические параметры
|
Частота, Гц |
Расчетная мощность, Вт |
Напряжение на лампе (действующее значение), В |
Расчетный ток лампы, А |
Расчетный ток предварительного подогрева, А |
||
|
расчетное |
не менее |
не более |
||||
|
50 |
- |
- |
- |
- |
- |
- |
|
60 |
20 |
53 |
* |
* |
0,450 |
* |
Испытательное положение: вертикальное цоколем вверх.
Характеристики образцового ПРА
|
Частота, Гц |
Номинальная мощность, Вт |
Расчетное напряжение, В |
Ток калибровки, А |
Отношение напряжения к току, Ом |
Коэффициент мощности |
|
50 |
- |
- |
- |
- |
- |
|
60 |
20 |
118 |
0,450 |
209 |
0,075 |
Информация для расчета ПРА
|
Частота, Гц |
50 |
60 |
|
|
Ток предварительного подогрева катода, А |
не менее |
- |
0,405 |
|
не более |
- |
0,850 |
|
|
Напряжение холостого хода на лампе, В |
действующее значение, не менее |
- |
108 |
|
пиковое, не более |
- |
400 |
|
|
Заменяющий резистор для обоих последовательно соединенных катодов, Ом |
- |
25* |
|
|
Рабочий ток лампы, А, не более |
- |
* |
|
Информация для расчета светильника
|
Наибольший контур лампы: см. лист 60901-МЭК-А710, с размером Н, мм |
|
|
Наибольшая температура на направляющем штырьке цоколя, °С |
|
* В стадии рассмотрения.
60901-МЭК-0720-1
|
|
ЛАМПА ЛЮМИНЕСЦЕНТНАЯ ОДНОЦОКОЛЬНАЯ ЛИСТ С ПАРАМЕТРАМИ Четырехканальная |
|
МСОЛ: FSQ-27-1-GX32d-3
|
Номинальная мощность, Вт |
Схема |
Катод |
Цоколь |
|
27 |
Внутренний стартер |
Предварительного подогрева |
GX32d-3 |
Размеры, мм
|
А, не более |
В, не более |
С, не более |
|
41 |
41 |
146 |
Цоколь: см. лист 7004-87 МЭК 60061-
Характеристики зажигания
|
Частота, Гц |
Расчетное напряжение ПРА, В |
Испытательное напряжение (действующее значение), В |
Время зажигания, с |
|
50 |
- |
- |
- |
|
60 |
118 |
108 |
10 |
Электрические параметры
|
Частота, Гц |
Расчетная мощность, Вт |
Напряжение на лампе (действующее значение), В |
Расчетный ток лампы, А |
Расчетный ток предварительного подогрева, А |
||
|
расчетное |
не менее |
не более |
||||
|
50 |
- |
- |
- |
- |
- |
- |
|
60 |
27 |
54 |
* |
* |
0,625 |
* |
Испытательное положение: вертикальное цоколем вверх.
Характеристики образцового ПРА
|
Частота, Гц |
Номинальная мощность, Вт |
Расчетное напряжение, В |
Ток калибровки, А |
Отношение напряжения к току, Ом |
Коэффициент мощности |
|
50 |
- |
- |
- |
- |
- |
|
60 |
27 |
118 |
0,625 |
154 |
0,075 |
Информация для расчета ПРА
|
Частота, Гц |
50 |
60 |
|
|
Ток предварительного подогрева катода, А |
не менее |
- |
0,540 |
|
не более |
- |
1,080 |
|
|
Напряжение холостого хода на лампе, В |
действующее значение, не более |
- |
108 |
|
пиковое, не более |
- |
400 |
|
|
Заменяющий резистор для обоих последовательно соединенных катодов, Ом |
- |
25* |
|
|
Рабочий ток лампы, А, не более |
- |
* |
|
Информация для расчета светильника
|
Наибольший контур лампы: см. лист 60901-МЭК-А710, с размером Н, мм |
146 |
|
Наибольшая температура на направляющем штырьке цоколя, °С |
90 |
* В стадии рассмотрения.
60901-МЭК-0727-1
|
|
ЛАМПА ЛЮМИНЕСЦЕНТНАЯ ОДНОЦОКОЛЬНАЯ ЛИСТ С ПАРАМЕТРАМИ Квадратная |
|
МСОЛ: FSS-16-1-GR8
|
Номинальная мощность, Вт |
Схема |
Катод |
Цоколь |
|
16 |
Внутренний стартер |
Предварительного подогрева |
GR8 |
Размеры, мм
|
А, не более |
В, не более |
С, не более |
D не более |
Е, не более |
F, не более |
G |
|
|
не менее |
не более |
||||||
|
138 |
141 |
27,5 |
15 |
41 |
40 |
49 |
51 |
Цоколь: см. лист 7004-68 МЭК 60061-1.
Характеристики зажигания
|
Частота, Гц |
Расчетное напряжение ПРА, В |
Испытательное напряжение (действующее значение), В |
Время зажигания, с |
|
50 |
220 |
198 |
10 |
|
60 |
- |
- |
- |
Электрические параметры
|
Частота, Гц |
Расчетная мощность, Вт |
Напряжение на лампе (действующее значение), В |
Расчетный ток лампы, А |
Расчетный ток предварительного подогрева, А |
||
|
расчетное |
не менее |
не более |
||||
|
50 |
16 |
103 |
93 |
113 |
0,195 |
0,260 |
|
60 |
- |
- |
- |
- |
- |
- |
Испытательное положение: горизонтальное.
Характеристики образцового ПРА
|
Частота, Гц |
Номинальная мощность, Вт |
Расчетное напряжение, В |
Ток калибровки, А |
Отношение напряжения к току, Ом |
Коэффициент мощности |
|
50 |
16 |
220 |
0,195 |
890 |
0,12 |
|
60 |
- |
- |
- |
- |
- |
Информация для расчета ПРА
|
Частота, Гц |
50 |
60 |
|
|
Ток предварительного подогрева катода, А |
не менее |
0,175 |
- |
|
не более |
0,410 |
- |
|
|
Напряжение холостого хода на лампе, В |
действующее значение, не менее |
198 |
- |
|
пиковое, не более |
400 |
- |
|
|
Заменяющий резистор для обоих последовательно соединенных катодов, Ом |
130 |
- |
|
|
Рабочий ток лампы, А, не более |
* |
- |
|
Информация для расчета светильника
|
Наибольший контур лампы: см. лист 60901-МЭК-В020 |
* В стадии рассмотрения.
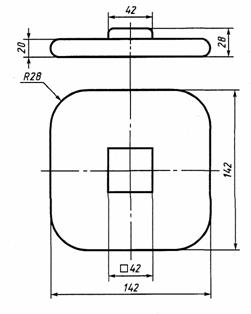
60901-МЭК-1016-1
|
|
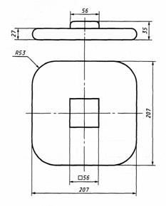
ЛАМПА ЛЮМИНЕСЦЕНТНАЯ ОДНОЦОКОЛЬНАЯ ЛИСТ С ПАРАМЕТРАМИ Квадратная |
|
МСОЛ: FSS-28-1-GR8
|
Номинальная мощность, Вт |
Схема |
Катод |
Цоколь |
|
28 |
Внутренний стартер |
Предварительного подогрева |
GR8 |
Размеры, мм
|
А, не более |
B, не более |
C, не более |
D, не более |
Е, не более |
F, не более |
G |
|
|
не менее |
не более |
||||||
|
205 |
207 |
33 |
24 |
41 |
47 |
74 |
77 |
Цоколь: см. лист 7004-68 МЭК 60061-1.
Характеристики зажигания
|
Частота, Гц |
Расчетное напряжение ПРА, В |
Испытательное напряжение (действующее значение), В |
Время зажигания, с |
|
50 |
220 |
198 |
10 |
|
60 |
- |
- |
- |
Электрические параметры
|
Частота, Гц |
Расчетная мощность, Вт |
Напряжение на лампе (действующее значение), В |
Расчетный ток лампы, А |
Расчетный ток предварительного подогрева, А |
||
|
расчетное |
не менее |
не более |
||||
|
50 |
28 |
108 |
98 |
118 |
0,320 |
0,410 |
|
60 |
- |
- |
- |
- |
- |
- |
Испытательное положение: горизонтальное.
Характеристики образцового ПРА
|
Частота, Гц |
Номинальная мощность, Вт |
Расчетное напряжение, В |
Ток калибровки, А |
Отношение напряжения к току, Ом |
Коэффициент мощности |
|
50 |
28 |
210 |
0,320 |
480 |
0,10 |
|
60 |
*- |
- |
- |
- |
- |
Информация для расчета ПРА
|
Частота, Гц |
50 |
60 |
|
|
Ток предварительного подогрева катода, А |
не менее |
0,290 |
- |
|
не более |
0,680 |
- |
|
|
Напряжение холостого хода на лампе, В |
действующее значение, не менее |
198 |
- |
|
пиковое, не более |
400 |
- |
|
|
Заменяющий резистор для обоих последовательно соединенных катодов, Ом |
18 |
- |
|
|
Рабочий ток лампы, А, не более |
* |
- |
|
Информация для расчета светильника
|
Наибольший контур лампы: см. лист 60901-МЭК-В030 |
* В стадии рассмотрения.
60901-МЭК-1028-1
|
|
ЛАМПА ЛЮМИНЕСЦЕНТНАЯ ОДНОЦОКОЛЬНАЯ ЛИСТ С ПАРАМЕТРАМИ Многоканальная |
|
МСОЛ: FSM-13-1-GX24d-1
|
Номинальная мощность, Вт |
Схема |
Катод |
Цоколь |
|
13 |
Внутренний стартер |
Предварительного подогрева |
GX24d-1 |
Размеры, мм
|
А, не более |
В, не более |
С, не более |
|
52 |
52 |
90 |
Цоколь: см. лист 7004-87 МЭК 60061-1.
Характеристики зажигания
|
Частота, Гц |
Расчетное напряжение ПРА, В |
Испытательное напряжение (действующее значение), В |
Время зажигания, с |
|
50 |
220 |
198 |
10 |
|
60 |
220 |
198 |
10 |
Электрические параметры
|
Частота, Гц |
Расчетная мощность, Вт |
Напряжение на лампе (действующее значение), В |
Расчетный ток лампы, А |
Расчетный ток предварительного подогрева, А |
||
|
расчетное |
не менее |
не более |
||||
|
50 |
13 |
91 |
81 |
101 |
0,175 |
0,210 |
|
60 |
13 |
91 |
81 |
101 |
0,175 |
0,210 |
Испытательное положение: вертикальное цоколем вверх.
Характеристики образцового ПРА
|
Частота, Гц |
Номинальная мощность, Вт |
Расчетное напряжение, В |
Ток калибровки, А |
Отношение напряжения к току, Ом |
Коэффициент мощности |
|
50 |
13 |
220 |
0,165 |
1070 |
0,12 |
|
60 |
13 |
220 |
0,170 |
1080 |
0,075 |
Информация для расчета ПРА
|
Частота, Гц |
50 |
60 |
|
|
Ток предварительного подогрева катода, А |
не менее |
0,153 |
0,153 |
|
не более |
0,275 |
0,275 |
|
|
Напряжение холостого хода на лампе, В |
действующее значение, не менее |
198 |
198 |
|
пиковое, не более |
400 |
440 |
|
|
Заменяющий резистор для обоих последовательно соединенных катодов, Ом |
100 |
100 |
|
|
Рабочий ток лампы, А, не более |
0,190 |
0,190 |
|
Информация для расчета светильника
|
Наибольший контур лампы: см. лист 60901-МЭК-*, с размером Н, мм |
* |
|
Наибольшая температура на направляющем штырьке цоколя, оС |
90 |
* В стадии рассмотрения.
60901-МЭК-1413-1
|
|
ЛАМПА ЛЮМИНЕСЦЕНТНАЯ ОДНОЦОКОЛЬНАЯ ЛИСТ С ПАРАМЕТРАМИ Многоканальная |
|
МСОЛ: FSM-18-1-GX24d-2
|
Номинальная мощность, Вт |
Схема |
Катод |
Цоколь |
|
18 |
Внутренний стартер |
Предварительного подогрева |
GX24d-2 |
Размеры, мм
|
А, не более |
В, не более |
С, не более |
|
52 |
52 |
110 |
Цоколь: см. лист 7004-78 МЭК 60061-1
Характеристики зажигания
|
Частота, Гц |
Расчетное напряжение ПРА, В |
Испытательное напряжение (действующее значение), В |
Время зажигания, с |
|
50 |
220 |
198 |
10 |
|
60 |
220 |
198 |
10 |
Электрические параметры
|
Частота, Гц |
Расчетная мощность, Вт |
Напряжение на лампе (действующее значение), В |
Расчетный ток лампы, А |
Расчетный ток предварительного подогрева, А |
||
|
расчетное |
не менее |
не более |
||||
|
50 |
18 |
100 |
90 |
110 |
0,225 |
0,280 |
|
60 |
18 |
100 |
90 |
110 |
0,225 |
0,280 |
Испытательное положение: вертикальное цоколем вверх.
Характеристики образцового ПРА
|
Частота, Гц |
Номинальная мощность, Вт |
Расчетное напряжение, В |
Ток калибровки, А |
Отношение напряжения к току, Ом |
Коэффициент мощности |
|
50 |
18 |
220 |
0,220 |
800 |
0,12 |
|
60 |
18 |
220 |
0,220 |
815 |
0,075 |
Информация для расчета ПРА
|
Частота, Гц |
50 |
60 |
|
|
Ток предварительного подогрева катода, А |
не менее |
0,190 |
0,190 |
|
не более |
0,375 |
0,375 |
|
|
Напряжение холостого хода на лампе, В |
действующее значение, не менее |
198 |
198 |
|
пиковое, не более |
400 |
440 |
|
|
Заменяющий резистор для обоих последовательно соединенных катодов, Ом |
80 |
80 |
|
|
Рабочий ток лампы, А, не более |
0,240 |
0,240 |
|
Информация для расчета светильника
|
Наибольший контур лампы: см. лист 60901-МЭК-*, с размером Н, мм |
* |
|
Наибольшая температура на направляющем штырьке цоколя, оС |
90 |
* В стадии рассмотрения.
60901-МЭК-1418-1
|
|
ЛАМПА ЛЮМИНЕСЦЕНТНАЯ ОДНОЦОКОЛЬНАЯ ЛИСТ С ПАРАМЕТРАМИ Многоканальная |
|
МСОЛ: FSM-26-I-GX24d-3
|
Номинальная мощность, Вт |
Схема |
Катод |
Цоколь |
|
26 |
Внутренний стартер |
Предварительного подогрева |
GX24d-3 |
Размеры, мм
|
А, не более |
В, не более |
С, не более |
|
52 |
52 |
130 |
Цоколь: см. лист 7004-78 МЭК 60061-1.
Характеристики зажигания
|
Частота, Гц |
Расчетное напряжение ПРА, В |
Испытательное напряжение (действующее значение), В |
Время зажигания, с |
|
50 |
220 |
198 |
10 |
|
60 |
220 |
198 |
10 |
Электрические параметры
|
Частота, Гц |
Расчетная мощность, Вт |
Напряжение на лампе (действующее значение), В |
Расчетный ток лампы, А |
Расчетный ток предварительного подогрева, А |
||
|
расчетное |
не менее |
не более |
||||
|
50 |
26,5 |
105 |
95 |
115 |
0,325 |
0,420 |
|
60 |
26,5 |
105 |
95 |
115 |
0,325 |
0,420 |
Испытательное положение: вертикальное цоколем вверх.
Характеристики образцового ПРА
|
Частота, Гц |
Номинальная мощность, Вт |
Расчетное напряжение, В |
Ток калибровки, А |
Отношение напряжения к току, Ом |
Коэффициент мощности |
|
50 |
26 |
220 |
0,315 |
540 |
0,10 |
|
60 |
26 |
220 |
0,315 |
540 |
0,075 |
Информация для расчета ПРА
|
Частота, Гц |
50 |
60 |
|
|
Ток предварительного подогрева катода, А |
не менее |
0,270 |
0,270 |
|
не более |
0,550 |
0,550 |
|
|
Напряжение холостого хода на лампе, В |
действующее значение, не менее |
198 |
198 |
|
пиковое, не более |
400 |
440 |
|
|
Заменяющий резистор для обоих последовательно соединенных катодов, Ом |
25 |
25 |
|
|
Рабочий ток лампы, А, не более |
0,360 |
0,360 |
|
Информация для расчета светильника
|
Наибольший контур лампы: см. лист 60901-МЭК-*, с размером Н, мм |
* |
|
Наибольшая температура на направляющем штырьке цоколя, °С |
90 |
* В стадии рассмотрения.
60901-МЭК-1426-1
|
|
ЛАМПА ЛЮМИНЕСЦЕНТНАЯ ОДНОЦОКОЛЬНАЯ ЛИСТ С ПАРАМЕТРАМИ Двухканальная |
С.1 |
МСОЛ: FSD-5-E-2G7
|
Номинальная мощность, Вт |
Схема |
Катод |
Цоколь |
|
5 |
Внешний стартер |
Предварительного подогрева |
2G7 |
Размеры, мм
|
А, не более |
В, не более |
С, не более |
|
28 |
13 |
85 |
Цоколь: см. лист 7004-102 МЭК 60061-1.
Характеристики зажигания
|
Частота, Гц |
Расчетное напряжение ПРА, В |
Испытательное напряжение (действующее значение), В |
Время зажигания, с |
|
50 |
220 |
198 |
10 |
|
60 |
- |
- |
- |
Электрические параметры
|
Частота, Гц |
Расчетная мощность, Вт |
Напряжение на лампе (действующее значение), В |
Расчетный ток лампы, А |
Расчетный ток предварительного подогрева, А |
||
|
расчетное |
не менее |
не более |
||||
|
50 |
5,4 |
35 |
30 |
40 |
0,180 |
0,190 |
|
60 |
- |
- |
- |
- |
- |
- |
Испытательное положение: вертикальное цоколем вверх.
Характеристики образцового ПРА
|
Частота, Гц |
Номинальная мощность, Вт |
Расчетное напряжение, В |
Ток калибровки, А |
Отношение напряжения к току, Ом |
Коэффициент мощности |
|
50 |
9 |
220 |
0,170 |
1180 |
0,12 |
|
60 |
- |
- |
- |
- |
- |
Информация для расчета ПРА
|
Частота, Гц |
50 |
60 |
|
|
Ток предварительного подогрева катода, А |
не менее |
0,153 |
- |
|
не более |
0,240 |
- |
|
|
Напряжение холостого хода на стартере (действующее значение), В, не менее |
198 |
- |
|
|
Пиковое напряжение холостого хода на лампе, В, не более |
400 |
- |
|
|
Заменяющий резистор для обоих последовательно соединенных катодов, Ом |
160 |
- |
|
|
Напряжение на стартере с работающей лампой (действующее значение), В, не более |
* |
- |
|
|
Рабочий ток лампы, А, не более |
0,190 |
- |
|
* В стадии рассмотрения.
60901-МЭК-2005-1
|
|
ЛАМПА ЛЮМИНЕСЦЕНТНАЯ ОДНОЦОКОЛЬНАЯ ЛИСТ С ПАРАМЕТРАМИ Двухканальная |
С.2 |
МСОЛ: FSD-5-E-2G7
Информация для расчета стартера
|
Импульсное напряжение, В, не менее |
Напряжение неконтактирования, В, не более |
Конденсатор для подавления радиопомех, нФ |
|
|
не менее |
не более |
||
|
* |
* |
* |
* |
Информация для расчета светильника
|
Наибольший контур лампы: см. лист 60901-МЭК-*, с размером Н, мм |
* |
Информация для расчета ВЧ ПРА
|
|
Типичные параметры лампы
|
Частота, кГц |
Мощность лампы, Вт |
Напряжение на лампе, В |
Ток лампы, А |
|||
|
≥20 |
5 |
27 |
0,190 |
|||
|
|
||||||
|
Ток в любом вводе катода, А, не более |
0,240 |
|||||
|
Рабочий ток лампы, А |
не менее |
0,120 |
||||
|
не более |
0,190 |
|||||
|
|
||||||
|
Ток, контролирующий предварительный подогрев |
||||||
|
Наименьший ток предварительного подогрева iK, А, (за время эмиссии ic, с, iK = (a/te + i2m)0,5 |
a |
0,025 |
||||
|
im, A |
0,135 |
|||||
|
Наибольший ток предварительного подогрева, А |
t ≤ 0,4 |
0,400 |
||||
|
0,4 < t < 2,0 |
0,430 - 0,090 t |
|||||
|
t ≥ 2,0 |
0,250 |
|||||
|
Напряжение холостого хода на лампе (действующее значение) без ЗВУ, В |
t ≤ te |
не более |
120 |
|||
|
t > te |
не менее |
250 |
||||
|
Заменяющий резистор для каждого катода, Ом |
50 |
|||||
|
|
||||||
|
Напряжение, контролирующее предварительный подогрев |
||||||
|
* |
||||||
* В стадии рассмотрения.
60901-МЭК-2005-1
|
|
ЛАМПА ЛЮМИНЕСЦЕНТНАЯ ОДНОЦОКОЛЬНАЯ ЛИСТ С ПАРАМЕТРАМИ Двухканальная |
С.1 |
МСОЛ: FSD-7-E-2G7
|
Номинальная мощность, Вт |
Схема |
Катод |
Цоколь |
|
7 |
Внешний стартер |
Предварительного подогрева |
2G7 |
Размеры, мм
|
А, не более |
В, не более |
С, не более |
|
28 |
13 |
115 |
Цоколь: см. лист 7004-102 МЭК 60061-1
Характеристики зажигания
|
Частота, Гц |
Расчетное напряжение ПРА, В |
Испытательное напряжение (действующее значение), В |
Время зажигания, с |
|
50 |
220 |
198 |
10 |
|
60 |
- |
- |
- |
Электрические параметры
|
Частота, Гц |
Расчетная мощность, Вт |
Напряжение на лампе (действующее значение), В |
Расчетный ток лампы, А |
Расчетный ток предварительного подогрева, А |
||
|
расчетное |
не менее |
не более |
||||
|
50 |
7,1 |
47 |
42 |
52 |
0,175 |
0,190 |
|
60 |
- |
- |
- |
- |
- |
- |
Испытательное положение: вертикальное цоколем вверх.
Характеристики образцового ПРА
|
Частота, Гц |
Номинальная мощность, Вт |
Расчетное напряжение, В |
Ток калибровки, А |
Отношение напряжения к току, Ом |
Коэффициент мощности |
|
50 |
9 |
220 |
0,170 |
1180 |
0,12 |
|
60 |
- |
- |
- |
- |
- |
Информация для расчета ПРА
|
Частота, Гц |
50 |
60 |
|
|
Ток предварительного подогрева катода, А |
не менее |
0,153 |
- |
|
не более |
0,240 |
- |
|
|
Напряжение холостого хода на стартере (действующее значение), В, не менее |
198 |
- |
|
|
Пиковое напряжение холостого хода на лампе, В, не более |
400 |
- |
|
|
Заменяющий резистор для обоих последовательно соединенных катодов, Ом |
160 |
- |
|
|
Напряжение на стартере с работающей лампой (действующее значение), В, не более |
* |
- |
|
|
Рабочий ток лампы, А, не более |
0,190 |
- |
|
* В стадии рассмотрения.
60901-МЭК-2007-1
|
|
ЛАМПА ЛЮМИНЕСЦЕНТНАЯ ОДНОЦОКОЛЬНАЯ ЛИСТ С ПАРАМЕТРАМИ Двухканальная |
С.2 |
МСОЛ: FSD-7-E-2G7
Информация для расчета стартера
|
Импульсное напряжение, В, не менее |
Напряжение неконтактирования, В, не более |
Конденсатор для подавления радиопомех, нФ |
|
|
не менее |
не более |
||
|
* |
* |
* |
* |
Информация для расчета светильника
|
Наибольший контур лампы: см. лист 60901-МЭК-*, с размером Н, мм |
* |
Информация для расчета ВЧ ПРА
|
|
Типичные параметры лампы
|
Частота, кГц |
Мощность лампы, Вт |
Напряжение на лампе, В |
Ток лампы, А |
||||
|
≥20 |
6,5 |
37 |
0,175 |
||||
|
|
|||||||
|
Ток в любом вводе катода, А, не более |
0,240 |
||||||
|
Рабочий ток лампы, А |
не менее |
0,120 |
|||||
|
не более |
0,190 |
||||||
|
|
|||||||
|
Ток, контролирующий предварительный подогрев |
|||||||
|
Наименьший ток предварительного подогрева iK, А, за время эмиссии te, с, iK = (а/te + i2m)0,5 |
a |
0,025 |
|||||
|
im, A |
0,135 |
||||||
|
Наибольший ток предварительного подогрева, А |
t ≤ 0,4 |
0,400 |
|||||
|
0,4 < t < 2,0 |
0,430 - 0,090t |
||||||
|
t ≥ 2,0 |
0,250 |
||||||
|
Напряжение холостого хода на лампе (действующее значение) без ЗВУ, В |
t ≤ te |
не более |
130 |
||||
|
t ≥ te |
не менее |
270 |
|||||
|
Заменяющий резистор для каждого катода, Ом |
50 |
||||||
|
|
|||||||
|
Напряжение, контролирующее предварительный подогрев |
|||||||
|
* |
|||||||
* В стадии рассмотрения.
60901-МЭК-2007-1
|
|
ЛАМПА ЛЮМИНЕСЦЕНТНАЯ ОДНОЦОКОЛЬНАЯ ЛИСТ С ПАРАМЕТРАМИ Двухканальная |
С.1 |
МСОЛ: FSD-9-E-2G7
|
Номинальная мощность, Вт |
Схема |
Катод |
Цоколь |
|
9 |
Внешний стартер |
Предварительного подогрева |
2G7 |
Размеры, мм
|
А, не более |
В, не более |
С, не более |
|
28 |
13 |
145 |
Цоколь: см. лист 7004-102 МЭК 60061-1
Характеристики зажигания
|
Частота, Гц |
Расчетное напряжение ПРА, В |
Испытательное напряжение (действующее значение), В |
Время зажигания, с |
|
50 |
220 |
198 |
10 |
|
60 |
- |
- |
- |
Электрические параметры
|
Частота, Гц |
Расчетная мощность, Вт |
Напряжение на лампе (действующее значение), В |
Расчетный ток лампы, А |
Расчетный ток предварительного подогрева, А |
||
|
расчетное |
не менее |
не более |
||||
|
50 |
8,7 |
60 |
54 |
66 |
0,170 |
0,190 |
|
60 |
- |
- |
- |
- |
- |
- |
Испытательное положение: вертикальное цоколем вверх.
Характеристики образцового ПРА
|
Частота, Гц |
Номинальная мощность, Вт |
Расчетное напряжение, В |
Ток калибровки, А |
Отношение напряжения к току, Ом |
Коэффициент мощности |
|
50 |
9 |
220 |
0,170 |
1180 |
0,12 |
|
60 |
- |
- |
- |
- |
- |
Информация для расчета ПРА
|
Частота, Гц |
50 |
60 |
|
|
Ток предварительного подогрева катода, А |
не менее |
0,153 |
- |
|
не более |
0,240 |
- |
|
|
Напряжение холостого хода на стартере (действующее значение), В, не менее |
198 |
- |
|
|
Пиковое напряжение холостого хода на лампе, В, не более |
400 |
- |
|
|
Заменяющий резистор для обоих последовательно соединенных катодов, Ом |
160 |
- |
|
|
Напряжение на стартере с работающей лампой (действующее значение), В, не более |
* |
- |
|
|
Рабочий ток лампы, А, не более |
0,190 |
- |
|
* В стадии рассмотрения.
60901-МЭК-2009-1
|
|
ЛАМПА ЛЮМИНЕСЦЕНТНАЯ ОДНОЦОКОЛЬНАЯ ЛИСТ С ПАРАМЕТРАМИ Двухканальная |
С.2 |
МСОЛ: FSD-9-E-2G7
Информация для расчета стартера
|
Импульсное напряжение, В, не менее |
Напряжение неконтактирования, В, не более |
Конденсатор для подавления радиопомех, нФ |
|
|
не менее |
не более |
||
|
* |
* |
* |
* |
Информация для расчета светильника
|
Наибольший контур лампы: см. лист 60901-МЭК-*, с размером Н, мм |
* |
Информация для расчета ВЧ ПРА
|
Типичные параметры лампы |
|||||||
|
Частота, кГц |
Мощность лампы, Вт |
Напряжение на лампе, В |
Ток лампы, А |
||||
|
≥20 |
8 |
48 |
0,170 |
||||
|
|
|||||||
|
Ток в любом вводе катодов, А, не более |
0,240 |
||||||
|
Рабочий ток лампы, А |
не менее |
0,120 |
|||||
|
не более |
0,190 |
||||||
|
|
|||||||
|
Ток, контролирующий предварительный подогрев |
|||||||
|
Наименьший ток предварительного подогрева iK, А, за время эмиссии te, с, iK = (a/te + i2m )0,5 |
a |
0,025 |
|||||
|
im, A |
0,135 |
||||||
|
Наибольший ток предварительного подогрева, А |
t ≤ 0,4 |
0,400 |
|||||
|
0,4 <t < 2,0 |
0,430 - 0,090t |
||||||
|
t ≥ 2,0 |
0,250 |
||||||
|
Напряжение холостого хода на лампе (действующее значение) без ЗВУ, В |
t ≤ te |
не более |
150 |
||||
|
t ≥ tе |
не менее |
290 |
|||||
|
Заменяющий резистор для каждого катода, Ом |
50 |
||||||
|
|
|||||||
|
Напряжение, контролирующее предварительный подогрев |
|||||||
|
* |
|||||||
* В стадии рассмотрения.
60901-МЭК-2009-1
|
|
ЛАМПА ЛЮМИНЕСЦЕНТНАЯ ОДНОЦОКОЛЬНАЯ ЛИСТ С ПАРАМЕТРАМИ Двухканальная |
С.1 |
МСОЛ: FSD-11-E-2G7
|
Номинальная мощность, Вт |
Схема |
Катод |
Цоколь |
|
11 |
Внешний стартер |
Предварительного подогрева |
2G7 |
Размеры, мм
|
А, не более |
В, не более |
С, не более |
|
28 |
13 |
215 |
Цоколь: см. лист 7004-102 МЭК 60061-1.
Характеристики зажигания
|
Частота, Гц |
Расчетное напряжение ПРА, В |
Испытательное напряжение (действующее значение), В |
Время зажигания, с |
|
50 |
220 |
198 |
10 |
|
60 |
- |
- |
- |
Электрические параметры
|
Частота, Гц |
Расчетная мощность, Вт |
Напряжение на лампе (действующее значение), В |
Расчетный ток лампы, А |
Расчетный ток предварительного подогрева, А |
||
|
расчетное |
не менее |
не более |
||||
|
50 |
11,8 |
91 |
81 |
101 |
0,155 |
0,190 |
|
60 |
- |
- |
- |
- |
- |
- |
Испытательное положение: вертикальное цоколем вверх.
Характеристики образцового ПРА
|
Частота, Гц |
Номинальная мощность, Вт |
Расчетное напряжение, В |
Ток калибровки, А |
Отношение напряжения к току, Ом |
Коэффициент мощности |
|
50 |
9 |
220 |
0,170 |
1180 |
0,12 |
|
60 |
- |
- |
- |
- |
- |
Информация для расчета ПРА
|
Частота, Гц |
50 |
60 |
|
|
Ток предварительного подогрева катода, А |
не менее |
0,153 |
- |
|
не более |
0,240 |
- |
|
|
Напряжение холостого хода на стартере (действующее значение), В, не менее |
198 |
- |
|
|
Пиковое напряжение холостого хода на лампе, В, не более |
400 |
- |
|
|
Заменяющий резистор для обоих последовательно соединенных катодов, Ом |
160 |
- |
|
|
Напряжение на стартере с работающей лампой (действующее значение), В, не более |
* |
- |
|
|
Рабочий ток лампы, А, не более |
0,190 |
- |
|
* В стадии рассмотрения.
60901-МЭК-2011-1
|
|
ЛАМПА ЛЮМИНЕСЦЕНТНАЯ ОДНОЦОКОЛЬНАЯ ЛИСТ С ПАРАМЕТРАМИ Двухканальная |
С.2 |
МСОЛ: FSD-11-E-2G7
Информация для расчета стартера
|
Импульсное напряжение, В, не менее |
Напряжение неконтактирования, В, не более |
Конденсатор для подавления радиопомех, нФ |
|
|
не менее |
не более |
||
|
* |
* |
* |
* |
Информация для расчета светильника
|
Наибольший контур лампы: см. лист 60901-МЭК-*, с размером H, мм |
* |
Информация для расчета ВЧ ПРА
|
|
Типичные параметры лампы
|
Частота, кГц |
Мощность лампы, Вт |
Напряжение на лампе, В |
Ток лампы, А |
||||
|
≥20 |
11 |
75 |
0,150 |
||||
|
|
|||||||
|
Ток в любом вводе катода, А, не более |
0,240 |
||||||
|
Рабочий ток лампы, А |
не менее |
0,120 |
|||||
|
не более |
0,190 |
||||||
|
|
|||||||
|
Ток, контролирующий предварительный подогрев |
|||||||
|
Наименьший ток предварительного подогрева iK, А, за время эмиссии te, с, iK = (a/te + i2m )0,5 |
a |
0,025 |
|||||
|
im, A |
0,135 |
||||||
|
Наибольший ток предварительного подогрева, А |
t ≤ 0,4 |
( |
0,400 |
||||
|
0,4 <t < 2,0 |
0,43( |
1 - 0,090 t |
|||||
|
t ≥ 2,0 |
С |
1,250 |
|||||
|
Напряжение холостого хода на лампе (действующее значение) без ЗВУ, В |
t ≤ te |
не более |
170 |
||||
|
t ≥ tе |
не менее |
330 |
|||||
|
Заменяющий резистор для каждого катода, Ом |
50 |
||||||
|
|
|||||||
|
Напряжение, контролирующее предварительный подогрев |
|||||||
|
* |
|||||||
* В стадии рассмотрения.
60901-МЭК-2011-1
|
|
ЛАМПА ЛЮМИНЕСЦЕНТНАЯ ОДНОЦОКОЛЬНАЯ ЛИСТ С ПАРАМЕТРАМИ Двухканальная |
С.1 |
МСОЛ: FSD-27-E-GY10q-4
|
Номинальная мощность, Вт |
Схема |
Катод |
Цоколь |
|
27 |
Внешний стартер |
Предварительного подогрева |
GY10q-4 |
Размеры, мм
|
А, не более |
В, не более |
С |
|
|
не менее |
не более |
||
|
44 |
21 |
240 |
265 |
Цоколь: см. лист 7004-85 МЭК 60061-1.
Характеристики зажигания
|
Частота, Гц |
Расчетное напряжение ПРА, В |
Испытательное напряжение (действующее значение), В |
Время зажигания, с |
|
50 |
100 |
94 |
10 |
|
60 |
100 |
94 |
10 |
Электрические параметры
|
Частота, Гц |
Расчетная мощность, Вт |
Напряжение на лампе (действующее значение), В |
Расчетный ток лампы, А |
Расчетный ток предварительного подогрева, А |
||
|
расчетное |
не менее |
не более |
||||
|
50 |
27 |
56 |
50 |
62 |
0,610 |
0,850 |
|
60 |
27 |
56 |
50 |
62 |
0,610 |
0,850 |
Испытательное положение: вертикальное цоколем вверх.
60901-МЭК-2127-1
|
|
ЛАМПА ЛЮМИНЕСЦЕНТНАЯ ОДНОЦОКОЛЬНАЯ ЛИСТ С ПАРАМЕТРАМИ Двухканальная |
С.2 |
МСОЛ: FSD-27-E-GY10q-4
Характеристики образцового ПРА
|
Частота, Гц |
Номинальная мощность, Вт |
Расчетное напряжение, В |
Ток калибровки, А |
Отношение напряжения к току, Ом |
Коэффициент мощности |
|
50 |
27 |
100 |
0,620 |
118 |
0,075 |
|
60 |
27 |
100 |
0,620 |
118 |
0,075 |
Информация для расчета ПРА
|
Частота, Гц |
50 |
60 |
|
|
Ток предварительного подогрева катода, А |
не менее |
0,640 |
0,640 |
|
не более |
1,100 |
1,100 |
|
|
Напряжение холостого хода на стартере (действующее значение), В, не менее |
97 |
97 |
|
|
Пиковое напряжение холостого хода на лампе, В, не более |
400 |
400 |
|
|
Заменяющий резистор для обоих последовательно соединенных катодов, Ом |
30 |
30 |
|
|
Напряжение на стартере с работающей лампой (действующее значение), В, не более |
65 |
65 |
|
|
Рабочий ток лампы, А, не более |
* |
* |
|
Информация для расчета стартера
|
Импульсное напряжение, В, не менее |
Напряжение неконтактирования, В, не более |
Конденсатор для подавления радиопомех, нФ |
|
|
не менее |
не более |
||
|
700 |
70 |
5,0 |
10,0 |
Информация для расчета светильника
|
Наибольший контур лампы: см. лист 60901-МЭК-АПО, с размером Н, мм |
265 |
* В стадии рассмотрения.
60901-МЭК-2127-1
|
|
ЛАМПА ЛЮМИНЕСЦЕНТНАЯ ОДНОЦОКОЛЬНАЯ ЛИСТ С ПАРАМЕТРАМИ Двухканальная |
С.1 |
МСОЛ: FSD-28-E-GY10q-5
|
Номинальная мощность, Вт |
Схема |
Катод |
Цоколь |
|
28 |
Внешний стартер |
Предварительного подогрева |
GY10q-5 |
Размеры, мм
|
A, не более |
В, не более |
С |
|
|
не менее |
не более |
||
|
44 |
21 |
317 |
340 |
Цоколь: см. лист 7004-85 МЭК 60061-1.
Характеристики зажигания
|
Частота, Гц |
Расчетное напряжение ПРА, В |
Испытательное напряжение (действующее значение), В |
Время зажигания, с |
|
50 |
147 |
137 |
10 |
|
60 |
147 |
137 |
10 |
Электрические параметры
|
Частота, Гц |
Расчетная мощность, Вт |
Напряжение на лампе (действующее значение), В |
Расчетный ток лампы, А |
Расчетный ток предварительного подогрева, А |
||
|
расчетное |
не менее |
не более |
||||
|
50 |
28,4 |
83 |
77 |
89 |
0,425 |
0,610 |
|
60 |
• 28,4 |
83 |
77 |
89 |
0,425 |
0,610 |
Испытательное положение: вертикальное цоколем вверх.
60901-МЭК-2128-1
|
|
ЛАМПА ЛЮМИНЕСЦЕНТНАЯ ОДНОЦОКОЛЬНАЯ ЛИСТ С ПАРАМЕТРАМИ Двухканальная |
С.2 |
МСОЛ: FSD-28-E-GY10q-5
Характеристики образцового ПРА
|
Частота, Гц |
Номинальная мощность, Вт |
Расчетное напряжение, В |
Ток калибровки, А |
Отношение напряжения к току, Ом |
Коэффициент мощности |
|
50 |
28 |
147 |
0,435 |
241 |
0,075 |
|
60 |
28 |
147 |
0,435 |
241 |
0,075 |
Информация для расчета ПРА
|
Частота, Гц |
50 |
60 |
|
|
Ток предварительного подогрева катода, А |
не менее |
0,450 |
0,450 |
|
не более |
0,800 |
0,800 |
|
|
Напряжение холостого хода на стартере (действующее значение), В, не менее |
140 |
140 |
|
|
Пиковое -напряжение холостого хода на лампе, В, не более |
400 |
400 |
|
|
Заменяющий резистор для обоих последовательно соединенных катодов, Ом |
40 |
40 |
|
|
Напряжение на стартере с работающей лампой (действующее значение), В, не более |
93 |
93 |
|
|
Рабочий ток лампы, А, не более |
* |
* |
|
Информация для расчета стартера
|
Импульсное напряжение, В, не менее |
Напряжение неконтактирования, В, не более |
Конденсатор для подавления радиопомех, нФ |
|
|
не менее |
не более |
||
|
700 |
96 |
5,0 |
10,0 |
Информация для расчета светильника
|
Наибольший контур лампы: см. лист 60901-МЭК-АПО, с размером Н, мм |
340 |
* В стадии рассмотрения.
60901-МЭК-2128-1
|
|
ЛАМПА ЛЮМИНЕСЦЕНТНАЯ ОДНОЦОКОЛЬНАЯ ЛИСТ С ПАРАМЕТРАМИ Двухканальная |
С.1 |
МСОЛ: FSD-30-E-GY10q-4
|
Номинальная мощность, Вт |
Схема |
Катод |
Цоколь |
|
.30 |
Внешний стартер |
Предварительного подогрева |
GY10q-4 |
Размеры, мм
|
А, не более |
В, не более |
С |
|
|
не менее |
не более |
||
|
54 |
25 |
270 |
280 |
Цоколь: см. лист 7004-85 МЭК 60061-1.
Характеристики зажигания
|
Частота, Гц |
Расчетное напряжение ПРА, В |
Испытательное напряжение (действующее значение), В |
Время зажигания, с |
|
50 |
100 |
94 |
10 |
|
60 |
100 |
94 |
10 |
Электрические параметры
|
Частота, Гц |
Расчетная мощность, Вт |
Напряжение на лампе (действующее значение), В |
Расчетный ток лампы, А |
Расчетный ток предварительного подогрева, А |
||
|
расчетное |
не менее |
не более |
||||
|
50 |
29 |
55 |
49 |
61 |
0,620 |
0,850 |
|
60 |
29 |
55 |
49 |
61 |
0,620 |
0,850 |
Испытательное положение: вертикальное цоколем вверх.
60901-МЭК-2130-1
|
|
ЛАМПА ЛЮМИНЕСЦЕНТНАЯ ОДНОЦОКОЛЬНАЯ ЛИСТ С ПАРАМЕТРАМИ Двухканальная |
С.2 |
МСОЛ: FSD-30-E-GY10q-4
Характеристики образцового ПРА
|
Частота, Гц |
Номинальная мощность, Вт |
Расчетное напряжение, В |
Ток калибровки, А |
Отношение напряжения к току, Ом |
Коэффициент мощности |
|
50 |
30 |
100 |
0,620 |
118 |
0,075 |
|
60 |
30 |
100 |
0,620 |
118 |
0,075 |
Информация для расчета ПРА
|
Частота, Гц |
50 |
60 |
|
|
Ток предварительного подогрева катода, А |
не менее |
0,640 |
0,640 |
|
не более |
1,100 |
1,100 |
|
|
Напряжение холостого хода на стартере (действующее значение), В, не менее |
97 |
97 |
|
|
Пиковое напряжение холостого хода на лампе, В, не более |
400 |
400 |
|
|
Заменяющий резистор для обоих последовательно соединенных катодов, Ом |
30 |
30 |
|
|
Напряжение на стартере с работающей лампой (действующее значение), В, не более |
65 |
65 |
|
|
Рабочий ток лампы, А, не более |
* |
* |
|
Информация для расчета стартера
|
Импульсное напряжение, В, не менее |
Напряжение неконтактирования, В, не более |
Конденсатор для подавления радиопомех, нФ |
|
|
не менее |
не более |
||
|
700 |
70 |
5,0 |
10,0 |
Информация для расчета светильника
|
Наибольший контур лампы: см. лист 60901-МЭК-А120, с размером Н, мм |
280 |
* В стадии рассмотрения.
60901-МЭК-2130-1
|
|
ЛАМПА ЛЮМИНЕСЦЕНТНАЯ ОДНОЦОКОЛЬНАЯ ЛИСТ С ПАРАМЕТРАМИ Двухканальная |
С.1 |
МСОЛ: FSD-36-E-GY10q-6
|
Номинальная мощность, Вт |
Схема |
Катод |
Цоколь |
|
36 |
Внешний стартер |
Предварительного подогрева |
GY10q-6 |
Размеры, мм
|
А, не более |
В, не более |
С |
|
|
не менее |
не более |
||
|
44 |
21 |
405 |
430 |
Цоколь: см. лист 7004-85 МЭК 60061-1.
Характеристики зажигания
|
Частота, Гц |
Расчетное напряжение ПРА, В |
Испытательное напряжение (действующее значение), В |
Время зажигания, с |
|
50 |
200 |
180 |
10 |
|
60 |
200 |
180 |
10 |
Электрические параметры
|
Частота, Гц |
Расчетная мощность, Вт |
Напряжение на лампе (действующее значение), В |
Расчетный ток лампы, А |
Расчетный ток предварительного подогрева, А |
||
|
расчетное |
не менее |
не более |
||||
|
50 |
36 |
105 |
97 |
ИЗ |
0,435 |
0,630 |
|
60 |
36 |
105 |
97 |
ИЗ |
0,435 |
0,630 |
Испытательное положение: вертикальное цоколем вверх.
60901-МЭК-2136-1
|
|
ЛАМПА ЛЮМИНЕСЦЕНТНАЯ ОДНОЦОКОЛЬНАЯ ЛИСТ С ПАРАМЕТРАМИ Двухканальная |
С.2 |
МСОЛ: FSD-36-E-GY10q-6
Характеристики образцового ПРА
|
Частота, Гц |
Номинальная мощность, Вт |
Расчетное напряжение, В |
Ток калибровки, А |
Отношение напряжения к току, Ом |
Коэффициент мощности |
|
50 |
36 |
200 |
0,435 |
341 |
0,075 |
|
60 |
36 |
200 |
0,435 |
341 |
0,075 |
Информация для расчета ПРА
|
Частота, Гц |
50 |
60 |
|
|
Ток предварительного подогрева катода, А |
не менее |
0,460 |
0,460 |
|
не более |
0,830 |
0,830 |
|
|
Напряжение холостого хода на стартере (действующее значение), В, не менее |
185 |
185 |
|
|
Пиковое напряжение холостого хода на лампе, В, не более |
400 |
400 |
|
|
Заменяющий резистор для обоих последовательно соединенных катодов, Ом |
40 |
40 |
|
|
Напряжение на стартере с работающей лампой (действующее значение), В, не более |
119 |
119 |
|
|
Рабочий ток лампы, А, не более |
* |
* |
|
Информация для расчета стартера
|
Импульсное напряжение, В, не менее |
Напряжение неконтактирования, В, не более |
Конденсатор для подавления радиопомех, нФ |
|
|
не менее |
не более |
||
|
800 |
134 |
5,0 |
10,0 |
Информация для расчета светильника
|
Наибольший контур лампы: см. лист 60901-МЭК-АПО, с размером Н, мм |
430 |
* В стадии рассмотрения.
60901-МЭК-2136-1
|
|
ЛАМПА ЛЮМИНЕСЦЕНТНАЯ ОДНОЦОКОЛЬНАЯ ЛИСТ С ПАРАМЕТРАМИ Двухканальная |
С.1 |
МСОЛ: FSD-18-E-2G11
|
Номинальная мощность, Вт |
Схема |
Катод |
|
Цоколь |
|
18 |
Внешний стартер |
Предварительного подогрева |
|
2G11 |
Размеры, мм
|
А, не более |
В, не более |
С, не более |
|
40 |
20 |
225 |
Цоколь: см. лист 7004-82 МЭК 60061-1
Характеристики зажигания
|
Частота, Гц |
Расчетное напряжение ПРА, В |
Испытательное напряжение (действующее значение), В |
Время зажигания, с |
|
50 |
ПО |
103,5 |
10 |
|
60 |
* |
* |
10 |
Электрические параметры
|
Частота, Гц |
Расчетная мощность, Вт |
Напряжение на лампе (действующее значение), В |
Расчетный ток лампы, А |
Расчетный ток предварительного подогрева, А |
||
|
расчетное |
не менее |
не более |
||||
|
50 |
18 |
58 |
52 |
64 |
0,375 |
0,540 |
|
60 |
* |
* |
* |
* |
* |
* |
Испытательное положение: горизонтальное, с горизонтальной плоскостью, проходящей через каналы.
Примечание - Для сокращения времени испытания можно использовать другие положения по согласованию между изготовителем и испытательным органом. В спорном случае горизонтальное положение должно быть предпочтительным.
Характеристики образцового ПРА
|
Частота, Гц |
Номинальная мощность, Вт |
Расчетное напряжение, В |
Ток калибровки, А |
Отношение напряжения к току, Ом |
Коэффициент мощности |
|
50 |
20 |
127 |
0,370 |
270 |
0,12 |
|
60 |
18 |
118 |
0,380 |
240 |
0,075 |
Информация для расчета ПРА
|
Частота, Гц |
50 |
60 |
|
|
Ток предварительного подогрева катода, А |
не менее |
0,315 |
* |
|
не более |
0,670 |
* |
|
|
Напряжение холостого хода на стартере (действующее значение), В, не менее |
103,5 |
* |
|
|
Пиковое напряжение холостого хода на лампе, В, не более |
400 |
* |
|
|
Заменяющий резистор для обоих последовательно соединенных катодов, Ом |
50 |
* |
|
|
Напряжение на стартере с работающей лампой (действующее значение), В, не более |
68 |
* |
|
|
Рабочий ток лампы, А, не более |
0,425 |
* |
|
* В стадии рассмотрения.
60901-МЭК-2218-1
|
|
ЛАМПА ЛЮМИНЕСЦЕНТНАЯ ОДНОЦОКОЛЬНАЯ ЛИСТ С ПАРАМЕТРАМИ Двухканальная |
С.2 |
МСОЛ: FSD-18-E-2G11
Информация для расчета стартера
|
Импульсное напряжение, В, не менее |
Напряжение неконтактирования, В, не более |
Конденсатор для подавления радиопомех, нФ |
|
|
не менее |
не более |
||
|
800 |
70 |
* |
* |
Информация для расчета светильника
|
Наибольший контур лампы: см. лист 60901-МЭК-А210, с размером Н, мм |
225 |
|
|
Опора конца лампы: расстояние от базовой плоскости цоколя, мм |
не менее |
140 |
|
не более |
175 |
|
|
Зазор между каналами лампы, мм, не менее |
1,8 |
|
Информация для расчета ВЧ ПРА
|
|
|
Типичные параметры лампы
|
Частота, кГц |
Мощность лампы, Вт |
Напряжение на лампе, В |
Ток лампы, А |
||||
|
≥20 |
16 |
50 |
0,320 |
||||
|
|
|||||||
|
Ток в любом вводе катода, А, не более |
0,640 |
||||||
|
Рабочий ток лампы, А |
не менее |
0,260 |
|||||
|
|
не более |
0,425 |
|||||
|
|
|||||||
|
Ток, контролирующий предварительный подогрев |
|
||||||
|
Наименьший ток предварительного подогрева iK, А, за время эмиссии te, с, iK = (a/te +i 2,„)0,5 |
а |
0,290 |
|||||
|
im, A |
0,310 |
||||||
|
Наибольший ток предварительного подогрева, А |
t ≤ 0,4 |
0,200 |
|||||
|
0,4 < t < 2,0 |
1,350 - 0,350 t |
||||||
|
t ≥ 2,0 |
0,650 |
||||||
|
Напряжение холостого хода на лампе (действующее значение) без ЗВУ, В |
t ≤ tе |
не более |
150 |
||||
|
t > tе |
не менее |
300 |
|||||
|
Заменяющий резистор для каждого катода, Ом |
12,5 |
||||||
|
|
|||||||
|
Напряжение, контролирующее предварительный подогрев |
|
||||||
|
* |
|||||||
* В стадии рассмотрения.
60901-МЭК-2218-1
|
|
ЛАМПА ЛЮМИНЕСЦЕНТНАЯ ОДНОЦОКОЛЬНАЯ ЛИСТ С ПАРАМЕТРАМИ Двухканальная |
С.1 |
MCОЛ: FSD-24-E-2G11
|
Номинальная мощность, Вт |
Схема |
Катод |
Цоколь |
|
24 |
Внешний стартер |
Предварительного подогрева |
2G11 |
Размеры, мм
|
А, не более |
В, не более |
С, не более |
|
40 |
20 |
320 |
Цоколь: см. лист 7004-82 МЭК 60061-1.
Характеристики зажигания
|
Частота, Гц |
Расчетное напряжение ПРА, В |
Испытательное напряжение (действующее значение), В |
Время зажигания, с |
|
50 |
220 |
198 |
10 |
|
60 |
* |
* |
10 |
Электрические параметры
|
Частота, Гц |
Расчетная мощность, Вт |
Напряжение на лампе (действующее значение), В |
Расчетный ток лампы, А |
Расчетный ток предварительного подогрева, А |
||
|
расчетное |
не менее |
не более |
||||
|
50 |
24 |
87 |
77 |
97 |
0,345 |
0,510 |
|
60 |
* |
* |
* |
* |
* |
* |
Положение горения: горизонтальное с горизонтальной плоскостью, проходящей через каналы.
Примечание - Для сокращения времени испытания можно использовать другие положения по согласованию между изготовителем и испытательным органом. В спорном случае горизонтальное положение должно быть предпочтительным.
Характеристики образцового ПРА
|
Частота, Гц |
Номинальная мощность, Вт |
Расчетное напряжение, В |
Ток калибровки, А |
Отношение напряжения к току, Ом |
Коэффициент мощности |
|
50 |
24 |
220 |
0,340 |
540 |
0,10 |
|
60 |
24 |
236 |
0,340 |
605 |
0,075 |
* В стадии рассмотрения.
60901-МЭК-2224-1
|
|
ЛАМПА ЛЮМИНЕСЦЕНТНАЯ ОДНОЦОКОЛЬНАЯ ЛИСТ С ПАРАМЕТРАМИ Двухканальная |
С.2 |
MCОЛ: FSD-24-E-2G11
Информация для расчета ПРА
|
Частота, Гц |
50 |
60 |
|
|
Ток предварительного подогрева катода, А |
не менее |
0,315 |
* |
|
не более |
0,670 |
* |
|
|
Напряжение холостого хода на стартере (действующее значение), В, не менее |
198 |
* |
|
|
Пиковое напряжение холостого хода на лампе, В, не более |
400 |
* |
|
|
Заменяющий резистор для обоих последовательно соединенных катодов, Ом |
50 |
* |
|
|
Напряжение на стартере с работающей лампой (действующее значение), В, не более |
128 |
* |
|
|
Рабочий ток лампы, А, не более |
0,425 |
* |
|
Информация для расчета стартера
|
Импульсное напряжение, В, не менее |
Напряжение неконтактирования, В, не более |
Конденсатор для подавления радиопомех, нФ |
|
|
не менее |
не более |
||
|
800 |
140 |
* |
* |
Информация для расчета светильника
|
Наибольший контур лампы: см. лист 60901-МЭК-А210, с размером Н, мм |
320 |
|
|
Опора конца лампы: расстояние от базовой плоскости цоколя, мм |
не менее |
140 |
|
не более |
270 |
|
|
Зазор между каналами лампы, мм, не менее |
1,8 |
|
Информация для расчета ВЧ ПРА
|
|
Типичные параметры лампы
|
Частота, кГц |
Мощность лампы, Вт |
Напряжение на лампе, В |
Ток лампы, А |
||||
|
≥20 |
22 |
75 |
0,300 |
||||
|
|
|||||||
|
Ток в любом вводе катода, А, не более |
0,640 |
||||||
|
Рабочий ток лампы, А |
не менее |
0,260 |
|||||
|
не более |
0,425 |
||||||
|
|
|||||||
|
Ток, контролирующий предварительный подогрев |
|||||||
|
Наименьший ток предварительного подогрева iK, А, за время эмиссии te, с, iK = (a/te +i 2,„)0,5 |
а |
0,290 |
|||||
|
im, A |
0,310 |
||||||
|
Наибольший ток предварительного подогрева, А |
t ≤ 0,4 |
1,200 |
|||||
|
0,4 < t < 2,0 |
1,350-0,350 t |
||||||
|
t ≥ 2,0 |
0,650 |
||||||
|
Напряжение холостого хода на лампе (действующее значение) без ЗВУ, В |
t ≤ tе |
не более |
170 |
||||
|
t > tе |
не менее |
320 |
|||||
|
Заменяющий резистор для каждого катода, Ом |
12,5 |
||||||
|
|
|||||||
|
Напряжение, контролирующее предварительный подогрев |
|||||||
|
* |
|||||||
* В стадии рассмотрения.
60901-МЭК-2224-1
|
|
ЛАМПА ЛЮМИНЕСЦЕНТНАЯ ОДНОЦОКОЛЬНАЯ ЛИСТ С ПАРАМЕТРАМИ Двухканальная |
С.1 |
MCОЛ: FSD-36-E-2G11
|
Номинальная мощность, Вт |
Схема |
Катод |
Цоколь |
|
36 |
Внешний стартер |
Предварительного подогрева |
2G11 |
Размеры, мм
|
А, не более |
В, не более |
С, не более |
|
40 |
20 |
415 |
Цоколь: см. лист 7004-82 МЭК 60061-1.
Характеристики зажигания
|
Частота, Гц |
Расчетное напряжение ПРА, В |
Испытательное напряжение (действующее значение), В |
Время зажигания, с |
|
50 |
220 |
198 |
10 |
|
60 |
* |
* |
10 |
Электрические параметры
|
Частота, Гц |
Расчетная мощность, Вт |
Напряжение на лампе (действующее значение), В |
Расчетный ток лампы, А |
Расчетный ток предварительного подогрева, А |
||
|
расчетное |
не менее |
не более |
||||
|
50 |
36 |
106 |
96 |
116 |
0,435 |
0,650 |
|
60 |
* |
* |
* |
* |
* |
* |
Испытательное положение: горизонтальное с горизонтальной плоскостью, проходящей через каналы.
Примечание - Для сокращения времени испытаний можно использовать другие положения по согласованию между изготовителем и испытательным органом. В спорном случае горизонтальное положение должно быть предпочтительным.
Характеристики образцового ПРА
|
Частота, Гц |
Номинальная мощность, Вт |
Расчетное напряжение, В |
Ток калибровки, А |
Отношение напряжения к току, Ом |
Коэффициент мощности |
|
50 |
40 |
220 |
0,430 |
390 |
0,10 |
|
60 |
36 |
236 |
0,430 |
439 |
0,075 |
* В стадии рассмотрения.
60901-МЭК-2236-1
|
|
ЛАМПА ЛЮМИНЕСЦЕНТНАЯ ОДНОЦОКОЛЬНАЯ ЛИСТ С ПАРАМЕТРАМИ Двухканальная |
С.2 |
MCОЛ: FSD-36-E-2G11
Информация для расчета ПРА
|
Частота, Гц |
50 |
60 |
|
|
Ток предварительного подогрева катода, А |
не менее |
0/365 |
* |
|
не более |
0,775 |
* |
|
|
Напряжение холостого хода на стартере (действующее значение), В, не менее |
198 |
* |
|
|
Пиковое напряжение холостого хода на лампе, В, не более |
400 |
* |
|
|
Заменяющий резистор для обоих последовательно соединенных катодов, Ом |
40 |
* |
|
|
Напряжение на стартере с работающей лампой (действующее значение), В, не более |
128 |
* |
|
|
Рабочий ток лампы, А, не более |
0,500 |
* |
|
Информация для расчета стартера
|
Импульсное напряжение, В, не менее |
Напряжение неконтактирования, В, не более |
Конденсатор для подавления радиопомех, нФ |
|
|
не менее |
не более |
||
|
800 |
140 |
* |
* |
Информация для расчета светильника
|
Наибольший контур лампы: см. лист 60901-МЭК-А210, с размером Н, мм |
415 |
|
|
Опора конца лампы: расстояние от базовой плоскости цоколя, мм |
не менее |
330 |
|
не более |
365 |
|
|
Зазор между каналами лампы, мм, не менее |
1,8 |
|
Информация для расчета ВЧ ПРА
|
|
Типичные параметры лампы
|
Частота, кГц |
Мощность лампы, Вт |
Напряжение на лампе, В |
Ток лампы, А |
||||
|
≥20 |
32 |
90 |
0,360 |
||||
|
|
|
||||||
|
Ток в любом вводе катода, А, не более |
0,700 |
||||||
|
Рабочий ток лампы, А |
не менее |
0,300 |
|||||
|
не более |
0,500 |
||||||
|
|
|
||||||
|
Ток, контролирующий предварительный подогрев |
|
||||||
|
Наименьший ток предварительного подогрева iK, А, за время эмиссии te, с, iK = (a/te +i2,„)0,5 |
а |
0,380 |
|||||
|
im, A |
0,360 |
||||||
|
Наибольший ток предварительного подогрева, А |
t ≤ 0,4 |
1,400 |
|||||
|
0,4 < t < 2,0 |
1,550 - 0,400 t |
||||||
|
t ≥ 2,0 |
0,750 |
||||||
|
Напряжение холостого хода на лампе (действующее значение) без ЗВУ, В |
t ≤ tе |
не более |
190 |
||||
|
t > tе |
не менее |
340 |
|||||
|
Заменяющий резистор для каждого катода, Ом |
10 |
||||||
|
|
|||||||
|
Напряжение, контролирующее предварительный подогрев |
|||||||
|
* |
|||||||
* В стадии рассмотрения.
60901-МЭК-2236-1
|
|
ЛАМПА ЛЮМИНЕСЦЕНТНАЯ ОДНОЦОКОЛЬНАЯ ЛИСТ С ПАРАМЕТРАМИ Четырехканальная |
С.1 |
MCOJI: FSQ-10-E-G24q-1
|
Номинальная мощность, Вт |
Схема |
Катод |
Цоколь |
|
10 |
Внешний стартер |
Предварительного подогрева |
G24q-1 |
Размеры, мм
|
А, не более |
В, не более |
С, не более |
|
28 |
28 |
95 |
Цоколь: см. лист 7004-78 МЭК 60061-1.
Характеристики зажигания
|
Частота, Гц |
Расчетное напряжение ПРА, В |
Испытательное напряжение (действующее значение), В |
Время зажигания, с |
|
50 |
220 |
198 |
10 |
|
60 |
- |
- |
- |
Электрические параметры
|
Частота, Гц |
Расчетная мощность, Вт |
Напряжение на лампе (действующее значение), В |
Расчетный ток лампы, А |
Расчетный ток предварительного подогрева, А |
||
|
расчетное |
не менее |
не более |
||||
|
50 |
10 |
64 |
58 |
70 |
0,190 |
0,210 |
|
60 |
- |
- |
- |
- |
- |
- |
Испытательное положение: вертикальное цоколем вверх.
Характеристики образцового ПРА
|
Частота, Гц |
Номинальная мощность, Вт |
Расчетное напряжение, В |
Ток калибровки, А |
Отношение напряжения к току, Ом |
Коэффициент мощности |
|
50 |
10 |
220 |
0,190 |
1070 |
0,12 |
|
60 |
- |
- |
- |
- |
- |
60901-МЭК-2510-1
|
|
ЛАМПА ЛЮМИНЕСЦЕНТНАЯ ОДНОЦОКОЛЬНАЯ ЛИСТ С ПАРАМЕТРАМИ Четырехканальная |
С.2 |
MCОЛ: FSQ-10-E-G24q-1
Информация для расчета ПРА
|
Частота, Гц |
50 |
60 |
|
|
Ток предварительного подогрева катода, А |
не менее |
0,153 |
- |
|
не более |
0,375 |
- |
|
|
Напряжение холостого хода на стартере (действующее значение), В, не менее |
198 |
- |
|
|
Пиковое напряжение холостого хода на лампе, В, не более |
400 |
- |
|
|
Заменяющий резистор для обоих последовательно соединенных катодов, Ом |
100 |
- |
|
|
Напряжение на стартере с работающей лампой (действующее значение), В, не более |
* |
- |
|
|
Рабочий ток лампы, А, не более |
0,210 |
- |
|
Информация для расчета стартера
|
Импульсное напряжение, В, не менее |
Напряжение неконтактирования, В, не более |
Конденсатор для подавления радиопомех, нФ |
|
|
не менее |
не более |
||
|
* |
* |
* |
* |
Информация для расчета светильника
|
Наибольший контур лампы: см. лист 60901-МЭК-А510, с размером Н, мм |
95 |
Информация для расчета ВЧ ПРА
|
|
Типичные параметры лампы
|
Частота, кГц |
Мощность лампы, Вт |
Напряжение на лампе, В |
Ток лампы, А |
||||
|
≥20 |
9,5 |
51 |
0,190 |
||||
|
|
|||||||
|
Ток в любом вводе катода, А, не более |
0,240 |
||||||
|
Рабочий ток лампы, А |
не менее |
0,135 |
|||||
|
не более |
0,210 |
||||||
|
|
|||||||
|
Ток, контролирующий предварительный подогрев |
|||||||
|
Наименьший ток предварительного подогрева iK, А, за время эмиссии te, с, iK = (a/te +i2,„)0,5 |
а |
0,045 |
|||||
|
im, A |
0,140 |
||||||
|
Наибольший ток предварительного подогрева, А |
t ≤ 0,4 |
0,460 |
|||||
|
0,4 < t < 2,0 |
0,500 - 0,110 t |
||||||
|
t ≥ 2,0 |
0,280 |
||||||
|
Напряжение холостого хода на лампе (действующее значение) без ЗВУ, В |
t ≤ tе |
не более |
180 |
||||
|
t > tе |
не менее |
340 |
|||||
|
Заменяющий резистор для каждого катода, Ом |
35 |
||||||
|
|
|||||||
|
Напряжение, контролирующее предварительный подогрев |
|||||||
|
* |
|||||||
* В стадии рассмотрения.
60901-МЭК-2510-1
|
|
ЛАМПА ЛЮМИНЕСЦЕНТНАЯ ОДНОЦОКОЛЬНАЯ ЛИСТ С ПАРАМЕТРАМИ Четырехканальная |
С.1 |
MCOЛ: FSQ-13-E-G24q-1
|
Номинальная мощность, Вт |
Схема |
Катод |
Цоколь |
|
13 |
Внешний стартер |
Предварительного подогрева |
G24q-1 |
Размеры, мм
|
А, не более |
В, не более |
С, не более |
|
28 |
28 |
130 |
Цоколь: см. лист 7004-78 МЭК 60061-1.
Характеристики зажигания
|
Частота, Гц |
Расчетное напряжение ПРА, В |
Испытательное напряжение (действующее значение), В |
Время зажигания, с |
|
50 |
220 |
198 |
10 |
|
60 |
- |
- |
- |
Электрические параметры
|
Частота, Гц |
Расчетная мощность, Вт |
Напряжение на лампе (действующее значение), В |
Расчетный ток лампы, А |
Расчетный ток предварительного подогрева, А |
||
|
расчетное |
не менее |
не более |
||||
|
50 |
13 |
91 |
81 |
101 |
0,175 |
0,210 |
|
60 |
- |
- |
- |
- |
- |
- |
Испытательное положение: вертикальное цоколем вверх.
Характеристики образцового ПРА
|
Частота, Гц |
Номинальная мощность, Вт |
Расчетное напряжение, В |
Ток калибровки, А |
Отношение напряжения к току, Ом |
Коэффициент мощности |
|
50 |
13 |
220 |
0,165 |
1070 |
0,12 |
|
60 |
- |
- |
- |
- |
- |
60901-МЭК-2513-1
|
|
ЛАМПА ЛЮМИНЕСЦЕНТНАЯ ОДНОЦОКОЛЬНАЯ ЛИСТ С ПАРАМЕТРАМИ Четырехканальная |
С.2 |
MCJK: FSQ-13-E-G24q-1
Информация для расчета ПРА
|
Частота, Гц |
50 |
60 |
|
|
Ток предварительного подогрева катода, А |
не менее |
0,153 |
- |
|
не более |
0,275 |
- |
|
|
Напряжение холостого хода на стартере (действующее значение), В, не менее |
198 |
- |
|
|
Пиковое напряжение холостого хода на лампе, В, не более |
400 |
- |
|
|
Заменяющий резистор для обоих последовательно соединенных катодов, Ом |
100 |
- |
|
|
Напряжение на стартере с работающей лампой (действующее значение), В, не более |
* |
- |
|
|
Рабочий ток лампы, А, не более |
0,190 |
- |
|
Информация для расчета стартера
|
Импульсное напряжение, В, не менее |
Напряжение неконтактирования, В, не более |
Конденсатор для подавления радиопомех, нФ |
|
|
не менее |
не более |
||
|
* |
* |
* |
* |
Информация для расчета светильника
|
Наибольший контур лампы: см. лист 60901-МЭК-А510, с размером H, мм |
130 |
Информация для расчета ВЧ ПРА
|
|
Типичные параметры лампы
|
Частота, кГц |
Мощность лампы, Вт |
Напряжение на лампе, В |
Ток лампы, А |
||||
|
≥20 |
12,5 |
77 |
0,165 |
||||
|
|
|||||||
|
Ток в любом вводе катода, А, не более |
0,240 |
||||||
|
Рабочий ток лампы, А |
не менее |
0,120 |
|||||
|
не более |
0,190 |
||||||
|
|
|||||||
|
Ток, контролирующий предварительный подогрев |
|||||||
|
Наименьший ток предварительного подогрева iK, А, за время эмиссии te, с, iK = (a/te +i2,„)0,5 |
а |
0,025 |
|||||
|
im, A |
0,135 |
||||||
|
Наибольший ток предварительного подогрева, А |
t ≤ 0,4 |
0,400 |
|||||
|
0,4 < t < 2,0 |
0,430 - 0,090 t |
||||||
|
t ≥ 2,0 |
0,250 |
||||||
|
Напряжение холостого хода на лампе (действующее значение) без ЗВУ, В |
t ≤ tе |
не более |
190 |
||||
|
t > tе |
не менее |
380 |
|||||
|
Заменяющий резистор для каждого катода, Ом |
50 |
||||||
|
|
|||||||
|
Напряжение, контролирующее предварительный подогрев |
|||||||
|
* |
|||||||
* В стадии рассмотрения.
60901-МЭК-2513-1
|
|
ЛАМПА ЛЮМИНЕСЦЕНТНАЯ ОДНОЦОКОЛЬНАЯ ЛИСТ С ПАРАМЕТРАМИ Четырехканальная |
С.1 |
MCOЛ: FSQ-18-E-G24q-2
|
Номинальная мощность, Вт |
Схема |
Катод |
Цоколь |
|
18 |
Внешний стартер |
Предварительного подогрева |
G24q-2 |
Размеры, мм
|
А, не более |
В, не более |
С, не более |
|
28 |
28 |
150 |
Цоколь: см. лист 7004-78 МЭК 60061-1.
Характеристики зажигания
|
Частота, Гц |
Расчетное напряжение ПРА, В |
Испытательное напряжение (действующее значение), В |
Время зажигания, с |
|
50 |
220 |
198 |
10 |
|
60 |
- |
- |
- |
Электрические параметры
|
Частота, Гц |
Расчетная мощность, Вт |
Напряжение на лампе (действующее значение), В |
Расчетный ток лампы, А |
Расчетный ток предварительного подогрева, А |
||
|
расчетное |
не менее |
не более |
||||
|
50 |
18 |
100 |
90 |
ПО |
0,220 |
0,280 |
|
60 |
- |
- |
- |
- |
- |
- |
Испытательное положение: вертикальное цоколем вверх.
Характеристики образцового ПРА
|
Частота, Гц |
Номинальная мощность, Вт |
Расчетное напряжение, В |
Ток калибровки, А |
Отношение напряжения к току, Ом |
Коэффициент мощности |
|
50 |
18 |
220 |
0,220 |
800 |
0,12 |
|
60 |
- |
- |
- |
- |
- |
60901 -МЭК-2518-1
|
|
ЛАМПА ЛЮМИНЕСЦЕНТНАЯ ОДНОЦОКОЛЬНАЯ ЛИСТ С ПАРАМЕТРАМИ Четырехканальная |
С.2 |
MCОЛ: FSQ-18-E-G24q-2
Информация для расчета ПРА
|
Частота, Гц |
50 |
60 |
|
|
Ток предварительного подогрева катода, А |
не менее |
0,190 |
- |
|
не более |
0,375 |
- |
|
|
Напряжение холостого хода на стартере (действующее значение), В, не менее |
198 |
- |
|
|
Пиковое напряжение холостого хода на лампе, В, не более |
400 |
- |
|
|
Заменяющий резистор для обоих последовательно соединенных катодов, Ом |
80 |
- |
|
|
Напряжение на стартере с работающей лампой (действующее значение), В, не более |
* |
- |
|
|
Рабочий ток лампы, А, не более |
0,240 |
- |
|
Информация для расчета стартера
|
Импульсное напряжение, В, не менее |
Напряжение неконтактирования, В, не более |
Конденсатор для подавления радиопомех, нФ |
|
|
не менее |
не более |
||
|
* |
* |
* |
* |
Информация для расчета светильника
|
Наибольший контур лампы: см. лист 60901-МЭК-А510, с размером Н, мм |
150 |
Информация для расчета ВЧ ПРА
|
|
Типичные параметры лампы
|
Частота, кГц |
Мощность лампы, Вт |
Напряжение на лампе, В |
Ток лампы, А |
||||
|
≥20 |
16,5 |
80 |
0,210 |
||||
|
|
|||||||
|
Ток в любом вводе катода, А, не более |
0,330 |
||||||
|
Рабочий ток лампы, А |
не менее |
0,160 |
|||||
|
не более |
0,240 |
||||||
|
|
|||||||
|
Ток, контролирующий предварительный подогрев |
|||||||
|
Наименьший ток предварительного подогрева iK, А, за время эмиссии te, с, iK = (a/te +i2,„)0,5 |
а |
0,044 |
|||||
|
im, A |
0,170 |
||||||
|
Наибольший ток предварительного подогрева, А |
t ≤ 0,4 |
0,500 |
|||||
|
0,4 < t < 2,0 |
0,550 - 0,115 t |
||||||
|
t ≥ 2,0 |
0,320 |
||||||
|
Напряжение холостого хода на лампе (действующее значение) без ЗВУ, В |
t ≤ tе |
не более |
220 |
||||
|
t > tе |
не менее |
400 |
|||||
|
Заменяющий резистор для каждого катода, Ом |
30 |
||||||
|
|
|||||||
|
Напряжение, контролирующее предварительный подогрев |
|||||||
|
* |
|||||||
* В стадии рассмотрения.
60901-МЭК-2518-1
|
|
ЛАМПА ЛЮМИНЕСЦЕНТНАЯ ОДНОЦОКОЛЬНАЯ ЛИСТ С ПАРАМЕТРАМИ Четырехканальная |
С.1 |
МСОЛ: FSQ-26-Е-G24q-3
|
Номинальная мощность, Вт |
Схема |
Катод |
Цоколь |
|
26 |
Внешний стартер |
Предварительного подогрева |
G24q-3 |
Размеры, мм
|
А, не более |
В, не более |
С, не более |
|
28 |
28 |
170 |
Цоколь: см. лист 7004-78 МЭК 60061 -1.
Характеристики зажигания
|
Частота, Гц |
Расчетное напряжение ПРА, В |
Испытательное напряжение (действующее значение), В |
Время зажигания, с |
|
50 |
220 |
198 |
10 |
|
60 |
- |
- |
- |
Электрические параметры
|
Частота, Гц |
Расчетная мощность, Вт |
Напряжение на лампе (действующее значение), В |
Расчетный ток лампы, А |
Расчетный ток предварительного подогрева, А |
||
|
расчетное |
не менее |
не более |
||||
|
50 |
26 |
105 |
95 |
115 |
0,325 |
0,420 |
|
60 |
- |
- |
- |
- |
- |
- |
Испытательное положение: вертикальное цоколем вверх.
Характеристики образцового ПРА
|
Частота, Гц |
Номинальная мощность, Вт |
Расчетное напряжение, В |
Ток калибровки, А |
Отношение напряжения к току, Ом |
Коэффициент мощности |
|
50 |
26 |
220 |
0,135 |
540 |
0,10 |
|
60 |
- |
- |
- |
- |
- |
60901-МЭК-2526-1
|
|
ЛАМПА ЛЮМИНЕСЦЕНТНАЯ ОДНОЦОКОЛЬНАЯ ЛИСТ С ПАРАМЕТРАМИ Четырехканальная |
С.2 |
MCОЛ: FSQ-26-E-G24q-3
Информация для расчета ПРА
|
Частота, Гц |
50 |
60 |
|
|
Ток предварительного подогрева катода, А |
не менее |
0,270 |
- |
|
не более |
0,550 |
- |
|
|
Напряжение холостого хода на стартере (действующее значение), В, не менее |
198 |
- |
|
|
Пиковое напряжение холостого хода на лампе, В, не более |
400 |
- |
|
|
Заменяющий резистор для обоих последовательно соединенных катодов, Ом |
25 |
- |
|
|
Напряжение на стартере с работающей лампой (действующее значение), В, не более |
* |
- |
|
|
Рабочий ток лампы, А, не более |
0,360 |
- |
|
Информация для расчета стартера
|
Импульсное напряжение, В, не менее |
Напряжение неконтактирования, В, не более |
Конденсатор для подавления радиопомех, нФ |
|
|
не менее |
не более |
||
|
* |
* |
* |
* |
Информация для расчета светильника
|
Наибольший контур лампы: см. лист 60901-МЭК-А510, с размером Н, мм |
170 |
Информация для расчета ВЧ ПРА
|
|
Типичные параметры лампы
|
Частота, кГц |
Мощность лампы, Вт |
Напряжение на лампе, В |
Ток лампы, А |
||||
|
≥20 |
24 |
80 |
0,300 |
||||
|
|
|||||||
|
Ток в любом вводе катода, А, не более |
0,480 |
||||||
|
Рабочий ток лампы, А |
не менее |
0,220 |
|||||
|
не более |
0,360 |
||||||
|
|
|||||||
|
Ток, контролирующий предварительный подогрев |
|||||||
|
Наименьший ток предварительного подогрева iK, А, за время эмиссии te, с, iK = (a/te +i2,„)0,5 |
а |
0,130 |
|||||
|
im, A |
0,250 |
||||||
|
Наибольший ток предварительного подогрева, А |
t ≤ 0,4 |
0,850 |
|||||
|
0,4 < t < 2,0 |
0,940 - 0,230 t |
||||||
|
t ≥ 2,0 |
0,480 |
||||||
|
Напряжение холостого хода на лампе (действующее значение) без ЗВУ, В |
t ≤ tе |
не более |
240 |
||||
|
t > tе |
не менее |
420 |
|||||
|
Заменяющий резистор для каждого катода, Ом |
10 |
||||||
|
|
|||||||
|
Напряжение, контролирующее предварительный подогрев |
|||||||
|
* |
|||||||
* В стадии рассмотрения.
60901-МЭК-2526-1
|
|
ЛАМПА ЛЮМИНЕСЦЕНТНАЯ ОДНОЦОКОЛЬНАЯ ЛИСТ С ПАРАМЕТРАМИ Четырехканальная |
С.1 |
МСОЛ: FSQ-13-Е-GX10q-2
|
Номинальная мощность, Вт |
Схема |
Катод |
Цоколь |
|
13 |
Внешний стартер |
Предварительного подогрева |
GX10q-2 |
Размеры, мм
|
А, не более |
В, не более |
С |
|
|
не менее |
не более |
||
|
39 |
39 |
105 |
120 |
Цоколь: см. лист 7004-84 МЭК 60061-1.
Характеристики зажигания
|
Частота, Гц |
Расчетное напряжение ПРА, В |
Испытательное напряжение (действующее значение), В |
Время зажигания, с |
|
50 |
100 |
94 |
10 |
|
60 |
100 |
94 |
10 |
Электрические параметры
|
Частота, Гц |
Расчетная мощность, Вт |
Напряжение на лампе (действующее значение), В |
Расчетный ток лампы, А |
Расчетный ток предварительного подогрева, А |
||
|
расчетное |
не менее |
не более |
||||
|
50 |
13,3 |
54 |
48 |
60 |
0,300 |
0,440 |
|
60 |
13,3 |
54 |
48 |
60 |
0,300 |
0,440 |
Испытательное положение: вертикальное цоколем вверх.
60901-МЭК-2613-1
|
|
ЛАМПА ЛЮМИНЕСЦЕНТНАЯ ОДНОЦОКОЛЬНАЯ ЛИСТ С ПАРАМЕТРАМИ Четырехканальная |
С.2 |
MCОЛ: FSQ-13-E-GX10q-2
Характеристики образцового ПРА
|
Частота, Гц |
Номинальная мощность, Вт |
Расчетное напряжение, В |
Ток калибровки, А |
Отношение напряжения к току, Ом |
Коэффициент мощности |
|
50 |
13 |
100 |
0,300 |
244 |
0,075 |
|
60 |
13 |
100 |
0,300 |
244 |
0,075 |
Информация для расчета ПРА
|
Частота, Гц |
50 |
60 |
|
|
Ток предварительного подогрева катода, А |
не менее |
0,320 |
0,320 |
|
не более |
0,580 |
0,580 |
|
|
Напряжение холостого хода на стартере (действующее значение), В, не менее |
97 |
97 |
|
|
Пиковое напряжение холостого хода на лампе, В, не более |
400 |
400 |
|
|
Заменяющий резистор для обоих последовательно соединенных катодов, Ом |
50 |
50 |
|
|
Напряжение на стартере с работающей лампой (действующее значение), В, не более |
65 |
65 |
|
|
Рабочий ток лампы, А, не более |
* |
* |
|
Информация для расчета стартера
|
Импульсное напряжение, В, не менее |
Напряжение неконтактирования, В, не более |
Конденсатор для подавления радиопомех, нФ |
|
|
не менее |
не более |
||
|
700 |
70 |
5,0 |
10,0 |
Информация для расчета светильника
|
Наибольший контур лампы: см. лист 60901-МЭК-А610, с размером Н, мм |
120 |
* В стадии рассмотрения.
60901-МЭК-2613-1
|
|
ЛАМПА ЛЮМИНЕСЦЕНТНАЯ ОДНОЦОКОЛЬНАЯ ЛИСТ С ПАРАМЕТРАМИ Четырехканальная |
С.1 |
MCОЛ: FSQ-18-E-GX10q-3
|
Номинальная мощность, Вт |
Схема |
Катод |
Цоколь |
|
18 |
Внешний стартер |
Предварительного подогрева |
GX10q-3 |
Размеры, мм
|
А, не более |
В, не более |
С |
|
|
не менее |
не более |
||
|
39 |
39 |
113 |
128 |
Цоколь: см. лист 7004-84 МЭК 60061-1.
Характеристики зажигания
|
Частота, Гц |
Расчетное напряжение ПРА, В |
Испытательное напряжение (действующее значение), В |
Время зажигания, с |
|
50 |
100 |
94 |
10 |
|
60 |
100 |
94 |
10 |
Электрические параметры
|
Частота, Гц |
Расчетная мощность, Вт |
Напряжение на лампе (действующее значение), В |
Расчетный ток лампы, А |
Расчетный ток предварительного подогрева, А |
||
|
расчетное |
не менее |
не более |
||||
|
50 |
17,5 |
55 |
49 |
61 |
0,375 |
0,530 |
|
60 |
17,5 |
55 |
49 |
61 |
0,375 |
0,530 |
Испытательное положение: вертикальное цоколем вверх.
60901-МЭК-2618-1
|
|
ЛАМПА ЛЮМИНЕСЦЕНТНАЯ ОДНОЦОКОЛЬНАЯ ЛИСТ С ПАРАМЕТРАМИ Четырехканальная |
С.2 |
MCОЛ: FSQ-18-E-GX10q-3
Характеристики образцового ПРА
|
Частота, Гц |
Номинальная мощность, Вт |
Расчетное напряжение, В |
Ток калибровки, А |
Отношение напряжения к току, Ом |
Коэффициент мощности |
|
50 |
18 |
100 |
0,375 |
190 |
0,075 |
|
60 |
18 |
100 |
0,375 |
190 |
0,075 |
Информация для расчета ПРА
|
Частота, Гц |
50 |
60 |
|
|
Ток предварительного подогрева катода, А |
не менее |
0,380 |
0,380 |
|
не более |
0,730 |
0,730 |
|
|
Напряжение холостого хода на стартере (действующее значение), В, не менее |
97 |
97 |
|
|
Пиковое напряжение холостого хода на лампе, В, не более |
400 |
400 |
|
|
Заменяющий резистор для обоих последовательно соединенных катодов, Ом |
50 |
50 |
|
|
Напряжение на стартере с работающей лампой (действующее значение), В, не более |
65 |
65 |
|
|
Рабочий ток лампы, А, не более |
* |
* |
|
Информация для расчета стартера
|
Импульсное напряжение, В, не менее |
Напряжение неконтактирования, В, не более |
Конденсатор для подавления радиопомех, нФ |
|
|
не менее |
не более |
||
|
700 |
70 |
5,0 |
10,0 |
Информация для расчета светильника
|
Наибольший контур лампы: см. лист 60901-МЭК-А610, с размером Н, мм |
128 |
* В стадии рассмотрения.
60901-МЭК-2618-1
|
|
ЛАМПА ЛЮМИНЕСЦЕНТНАЯ ОДНОЦОКОЛЬНАЯ ЛИСТ С ПАРАМЕТРАМИ Четырехканальная |
С.1 |
MCOЛ: FSQ-27-E-GX10q-4
|
Номинальная мощность, Вт |
Схема |
Катод |
Цоколь |
|
27 |
Внешний стартер |
Предварительного подогрева |
GX10q-4 |
Размеры, мм
|
А, не более |
В, не более |
С |
|
|
не менее |
не более |
||
|
39 |
39 |
120 |
142 |
Цоколь: см. лист 7004-84 МЭК 60061-1.
Характеристики зажигания
|
Частота, Гц |
Расчетное напряжение ПРА,В |
Испытательное напряжение (действующее значение), В |
Время зажигания, с |
|
50 |
100 |
94 |
10 |
|
60 |
100 |
94 |
10 |
Электрические параметры
|
Частота, Гц |
Расчетная мощность, Вт |
Напряжение на лампе (действующее значение), В |
Расчетный ток лампы, А |
Расчетный ток предварительного подогрева, А |
||
|
расчетное |
не менее |
не более |
||||
|
50 |
26,8 |
56 |
50 |
62 |
0,610 |
0,850 |
|
60 |
26,8 |
56 |
50 |
62 |
0,610 |
0,850 |
Испытательное положение: вертикальное цоколем вверх.
60901-МЭК-2627-1
|
|
ЛАМПА ЛЮМИНЕСЦЕНТНАЯ ОДНОЦОКОЛЬНАЯ ЛИСТ С ПАРАМЕТРАМИ Четырехканальная |
С.2 |
MCОЛ: FSQ-27-E-GX10q-4
Характеристики образцового ПРА
|
Частота, Гц |
Номинальная мощность, Вт |
Расчетное напряжение, В |
Ток калибровки, А |
Отношение напряжения к току, Ом |
Коэффициент мощности |
|
50 |
27 |
100 |
0,620 |
118 |
0,075 |
|
60 |
27 |
100 |
0,620 |
118 |
0,075 |
Информация для расчета ПРА
|
Частота, Гц |
50 |
60 |
|
|
Ток предварительного подогрева катода, А |
не менее |
0,640 |
0,640 |
|
не более |
1,100 |
1,100 |
|
|
Напряжение холостого хода на стартере (действующее значение), В, не менее |
97 |
97 |
|
|
Пиковое напряжение холостого хода на лампе, В, не более |
400 |
400 |
|
|
Заменяющий резистор для обоих последовательно соединенных катодов, Ом |
30 |
30 |
|
|
Напряжение на стартере с работающей лампой (действующее значение), В, не более |
65 |
65 |
|
|
Рабочий ток лампы, А, не более |
* |
* |
|
Информация для расчета стартера
|
Импульсное напряжение, В, не менее |
Напряжение неконтактирования, В, не более |
Конденсатор для подавления радиопомех, нФ |
|
|
не менее |
не более |
||
|
700 |
70 |
5,0 |
10,0 |
Информация для расчета светильника
|
Наибольший контур лампы: см. лист 60901-МЭК-А610, с размером Н, мм |
142 |
* В стадии рассмотрения.
60901-МЭК-2627-1
|
|
ЛАМПА ЛЮМИНЕСЦЕНТНАЯ ОДНОЦОКОЛЬНАЯ ЛИСТ С ПАРАМЕТРАМИ Квадратная |
С.1 |
MCОЛ: FSS-10-E-GR10q
|
Номинальная мощность, Вт |
Схема |
Катод |
Цоколь |
|
10 |
Внешний стартер |
Предварительного подогрева |
GR10q |
Размеры, мм
|
А, не более |
В, не более |
С, не более |
D, не более |
Е, не более |
F, не более |
G |
|
|
не менее |
не более |
||||||
|
92 |
95 |
34,5 |
14- |
34,2 |
38,2 |
28,5 |
29,5 |
Цоколь: см. лист 7004-77 МЭК 60061-1.
Характеристики зажигания
|
Частота, Гц |
Расчетное напряжение ПРА, В |
Испытательное напряжение (действующее значение), В |
Время зажигания, с |
|
50 |
220 |
198 |
10 |
|
60 |
- |
- |
- |
Электрические параметры
|
Частота, Гц |
Расчетная мощность, Вт |
Напряжение на лампе (действующее значение), В |
Расчетный ток лампы, А |
Расчетный ток предварительного подогрева, А |
||
|
расчетное |
не менее |
не более |
||||
|
50 |
10,5 |
72 |
65 |
79 |
0,180 |
0,215 |
|
60 |
- |
- |
- |
- |
- |
- |
Испытательное положение: горизонтальное.
60901-МЭК-3010-1
|
|
ЛАМПА ЛЮМИНЕСЦЕНТНАЯ ОДНОЦОКОЛЬНАЯ ЛИСТ С ПАРАМЕТРАМИ Квадратная |
С.2 |
MCОЛ: FSS-10-E-GR10q
Характеристики образцового ПРА
|
Частота, Гц |
Номинальная мощность, Вт |
Расчетное напряжение, В |
Ток калибровки, А |
Отношение напряжения к току, Ом |
Коэффициент мощности |
|
50 |
10 |
220 |
0,180 |
1070 |
0,12 |
|
60 |
- |
- |
- |
- |
- |
Информация для расчета ПРА
|
Частота, Гц |
50 |
60 |
|
|
Ток предварительного подогрева катода, А |
не менее |
0,162 |
- |
|
не более |
0,378 |
- |
|
|
Напряжение холостого хода на стартере (действующее значение), В, не менее |
198 |
- |
|
|
Пиковое напряжение холостого хода на лампе, В, не более |
400 |
- |
|
|
Заменяющий резистор для обоих последовательно соединенных катодов, Ом |
НО |
- |
|
|
Напряжение на стартере с работающей лампой (действующее значение), В, не более |
87 |
- |
|
|
Рабочий ток лампы, А, не более |
* |
- |
|
Информация для расчета стартера
|
Импульсное напряжение, В, не менее |
Напряжение неконтактирования, В, не более |
Конденсатор для подавления радиопомех, нФ |
|
|
не менее |
не более |
||
|
500* |
130 |
5,0 |
8,0 |
Информация для расчета светильника
|
Наибольший контур лампы: см. лист 60901-МЭК-В010 |
* В стадии рассмотрения.
60901-МЭК-3010-1
|
|
ЛАМПА ЛЮМИНЕСЦЕНТНАЯ ОДНОЦОКОЛЬНАЯ ЛИСТ С ПАРАМЕТРАМИ Квадратная |
С.1 |
MCОЛ: FSS-16-E-GR10q
|
Номинальная мощность, Вт |
Схема |
Катод |
Цоколь |
|
16 |
Внешний стартер |
Предварительного подогрева |
GR10q |
Размеры, мм
|
А, не более |
В, не более |
С, не более |
D, не более |
Е, не более |
F, не более |
G |
|
|
не менее |
не более |
||||||
|
138 |
141 |
27,5 |
15 |
41 |
40 |
49 |
51 |
Цоколь: см. лист 7004-77 МЭК 60061-1.
Характеристики зажигания
|
Частота, Гц |
Расчетное напряжение ПРА, В |
Испытательное напряжение (действующее значение), В |
Время зажигания, с |
|
50 |
220 |
198 |
10 |
|
60 |
- |
- |
- |
Электрические параметры
|
Частота, Гц |
Расчетная мощность, Вт |
Напряжение на лампе (действующее значение), В |
Расчетный ток лампы, А |
Расчетный ток предварительного подогрева, А |
||
|
расчетное |
не менее |
не более |
||||
|
50 |
16 |
103 |
93 |
113 |
0,195 |
0,260 |
|
60 |
- |
- |
- |
- |
- |
- |
Испытательное положение: горизонтальное.
60901-МЭК-3016-1
|
|
ЛАМПА ЛЮМИНЕСЦЕНТНАЯ ОДНОЦОКОЛЬНАЯ ЛИСТ С ПАРАМЕТРАМИ Квадратная |
С.2 |
MCОЛ: FSS-16-E-GR10q
Характеристики образцового ПРА
|
Частота, Гц |
Номинальная мощность, Вт |
Расчетное напряжение, В |
Ток калибровки, А |
Отношение напряжения к току, Ом |
Коэффициент мощности |
|
50 |
16 |
220 |
0,195 |
890 |
0,12 |
|
60 |
- |
- |
- |
- |
- |
Информация для расчета ПРА
|
Частота, Гц |
50 |
60 |
|
|
Ток предварительного подогрева катода, А |
не менее |
0,175 |
- |
|
не более |
0,410 |
- |
|
|
Напряжение холостого хода на стартере (действующее значение), В, не менее |
198 |
- |
|
|
Пиковое напряжение холостого хода на лампе, В, не более |
400 |
- |
|
|
Заменяющий резистор для обоих последовательно соединенных катодов, Ом |
130 |
- |
|
|
Напряжение на стартере с работающей лампой (действующее значение), В, не более |
128 |
- |
|
|
Рабочий ток лампы, А, не более |
* |
- |
|
Информация для расчета стартера
|
Импульсное напряжение, В, не менее |
Напряжение неконтактирования, В, не более |
Конденсатор для подавления радиопомех, нФ |
|
|
не менее |
не более |
||
|
500* |
130 |
1,0 |
3,0 |
Информация для расчета светильника
|
Наибольший контур лампы: см. лист 60901-МЭК-В020 |
* В стадии рассмотрения.
60901-МЭК-3016-1
|
|
ЛАМПА ЛЮМИНЕСЦЕНТНАЯ ОДНОЦОКОЛЬНАЯ ЛИСТ С ПАРАМЕТРАМИ Квадратная |
С.1 |
MСОЛ: FSS-21-E-GR10q
|
Номинальная мощность, Вт |
Схема |
Катод |
Цоколь |
|
21 |
Внешний стартер |
Предварительного подогрева |
GR10q |
Размеры, мм
|
А, не более |
В, не более |
С, не более |
D, не более |
Е, не более |
F, не более |
G |
|
|
не менее |
не более |
||||||
|
138 |
141 |
27,5 |
15 |
41 |
40 |
49 |
51 |
Цоколь: см. лист 7004-77 МЭК 60061-1.
Характеристики зажигания
|
Частота, Гц |
Расчетное напряжение ПРА, В |
Испытательное напряжение (действующее значение), В |
Время зажигания, с |
|
50 |
220 |
198 |
10 |
|
60 |
- |
- |
- |
Электрические параметры
|
Частота, Гц |
Расчетная мощность, Вт |
Напряжение на лампе (действующее значение), В |
Расчетный ток лампы, А |
Расчетный ток предварительного подогрева, А |
||
|
расчетное |
не менее |
не более |
||||
|
50 |
21 |
102 |
92 |
112 |
0,260 |
0,310 |
|
60 |
- |
- |
- |
- |
- |
- |
Испытательное положение: горизонтальное.
60901-МЭК-3021-1
|
|
ЛАМПА ЛЮМИНЕСЦЕНТНАЯ ОДНОЦОКОЛЬНАЯ ЛИСТ С ПАРАМЕТРАМИ Квадратная |
С.2 |
MCОЛ: FSS-21-E-GR10q
Характеристики образцового ПРА
|
Частота, Гц |
Номинальная мощность, Вт |
Расчетное напряжение, В |
Ток калибровки, А |
Отношение напряжения к току, Ом |
Коэффициент мощности |
|
50 |
21 |
220 |
0,260 |
605 |
0,10 |
|
60 |
- |
- |
- |
- |
- |
Информация для расчета ПРА
|
Частота, Гц |
50 |
60 |
|
|
Ток предварительного подогрева катода, А |
не менее |
0,234 |
- |
|
не более |
0,546 |
- |
|
|
Напряжение холостого хода на стартере (действующее значение), В, не менее |
198 |
- |
|
|
Пиковое напряжение холостого хода на лампе, В, не более |
400 |
- |
|
|
Заменяющий резистор для обоих последовательно соединенных катодов, Ом |
70 |
- |
|
|
Напряжение на стартере с работающей лампой (действующее значение), В, не более |
130 |
- |
|
|
Рабочий ток лампы, А, не более |
* |
- |
|
Информация для расчета стартера
|
Импульсное напряжение, В, не менее |
Напряжение неконтактирования, В, не более |
Конденсатор для подавления радиопомех, нФ |
|
|
не менее |
не более |
||
|
500* |
130 |
5,0 |
8,0 |
Информация для расчета светильника
|
Наибольший контур лампы: см. лист 60901-МЭК-В020 |
* В стадии рассмотрения.
60901-МЭК-3021-1
|
|
ЛАМПА ЛЮМИНЕСЦЕНТНАЯ ОДНОЦОКОЛЬНАЯ ЛИСТ С ПАРАМЕТРАМИ Квадратная |
С.1 |
МСОЛ: FSS-28-E-GR10q
|
Номинальная мощность, Вт |
Схема |
Катод |
Цоколь |
|
28 |
Внешний стартер |
Предварительного подогрева |
GR10q |
Размеры, мм
|
А, не более |
В, не более |
С, не более |
D, не более |
Е, не более |
F, не более |
G |
|
|
не менее |
не более |
||||||
|
205 |
207 |
33 |
24 |
41 |
49 |
74 |
77 |
Цоколь: см. лист 7004-77 МЭК 60061-1.
Характеристики зажигания
|
Частота, Гц |
Расчетное напряжение ПРА, В |
Испытательное напряжение (действующее значение), В |
Время зажигания, с |
|
50 |
220 |
198 |
10 |
|
60 |
- |
- |
- |
Электрические параметры
|
Частота, Гц |
Расчетная мощность, Вт |
Напряжение на лампе (действующее значение), В |
Расчетный ток лампы, А |
Расчетный ток предварительного подогрева, А |
||
|
расчетное |
не менее |
не более |
||||
|
50 |
28 |
108 |
98 |
118 |
0,320 |
0,410 |
|
60 |
- |
- |
- |
- |
- |
- |
Испытательное положение: горизонтальное.
60901-МЭК-3028-1
|
|
ЛАМПА ЛЮМИНЕСЦЕНТНАЯ ОДНОЦОКОЛЬНАЯ ЛИСТ С ПАРАМЕТРАМИ Квадратная |
С.2 |
МСОЛ: FSS-28-E-GR10q
Характеристики образцового ПРА
|
Частота, Гц |
Номинальная мощность, Вт |
Расчетное напряжение, В |
Ток калибровки, А |
Отношение напряжения к току, Ом |
Коэффициент мощности |
|
50 |
28 |
210 |
0,320 |
480 |
0,10 |
|
60 |
- |
- |
- |
- |
- |
Информация для расчета ПРА
|
Частота, Гц |
50 |
60 |
|
|
Ток предварительного подогрева катода, А |
не менее |
0,290 |
- |
|
не более |
0,670 |
- |
|
|
Напряжение холостого хода на стартере (действующее значение), В, не менее |
198 |
- |
|
|
Пиковое напряжение холостого хода на лампе, В, не более |
400 |
- |
|
|
Заменяющий резистор для обоих последовательно соединенных катодов, Ом |
18 |
- |
|
|
Напряжение на стартере с работающей лампой (действующее значение), В, не более |
130 |
- |
|
|
Рабочий ток лампы, А, не более |
* |
- |
|
Информация для расчета стартера
|
Импульсное напряжение, В, не менее |
Напряжение неконтактирования, В, не более |
Конденсатор для подавления радиопомех, нФ |
|
|
не менее |
не более |
||
|
500* |
130 |
5,0 |
8,0 |
Информация для расчета светильника
|
Наибольший контур лампы: см. лист 60901-МЭК-В030 |
* В стадии рассмотрения.
60901-МЭК-3028-1
|
|
ЛАМПА ЛЮМИНЕСЦЕНТНАЯ ОДНОЦОКОЛЬНАЯ ЛИСТ С ПАРАМЕТРАМИ Квадратная |
С.1 |
МСОЛ: FSS-38-E-GR10q
|
Номинальная мощность, Вт |
Схема |
Катод |
Цоколь |
|
38 |
Внешний стартер |
Предварительного подогрева |
GR10q |
Размеры, мм
|
А, не более |
В, не более |
С, не более |
D, не более |
Е, не более |
F, не более |
G |
|
|
не менее |
не более |
||||||
|
205 |
207 |
33 |
24 |
41 |
49 |
74 |
77 |
Цоколь: см. лист 7004-77 МЭК 60061-1.
Характеристики зажигания
|
Частота, Гц |
Расчетное напряжение ПРА, В |
Испытательное напряжение (действующее значение), В |
Время зажигания, с |
|
50 |
220 |
198 |
10 |
|
60 |
- |
- |
- |
Электрические параметры
|
Частота, Гц |
Расчетная мощность, Вт |
Напряжение на лампе (действующее значение), В |
Расчетный ток лампы, А |
Расчетный ток предварительного подогрева, А |
||
|
расчетное |
не менее |
не более |
||||
|
50 |
38,5 |
ПО |
100 |
120 |
0,430 |
0,580 |
|
60 |
- |
- |
- |
- |
- |
- |
Испытательное положение: горизонтальное.
60901-МЭК-3038-1
|
|
ЛАМПА ЛЮМИНЕСЦЕНТНАЯ ОДНОЦОКОЛЬНАЯ ЛИСТ С ПАРАМЕТРАМИ Квадратная |
С.2 |
МСОЛ: FSS-38-E-GR10q
Характеристики образцового ПРА
|
Частота, Гц |
Номинальная мощность, Вт |
Расчетное напряжение, В |
Ток калибровки, А |
Отношение напряжения к току, Ом |
Коэффициент мощности |
|
50 |
40 |
220 |
0,430 |
390 |
0,10 |
|
60 |
- |
- |
- |
- |
- |
Информация для расчета ПРА
|
Частота, Гц |
50 |
60 |
|
|
Ток предварительного подогрева катода, А |
не менее |
0,390 |
- |
|
не более |
0,780 |
- |
|
|
Напряжение холостого хода на стартере (действующее значение), В, не менее |
198 |
- |
|
|
Пиковое напряжение холостого хода на лампе, В, не более |
400 |
- |
|
|
Заменяющий резистор для обоих последовательно соединенных катодов, Ом |
18 |
- |
|
|
Напряжение на стартере с работающей лампой (действующее значение), В, не более |
130 |
- |
|
|
Рабочий ток лампы, А, не более |
* |
- |
|
Информация для расчета стартера
|
Импульсное напряжение, В, не менее |
Напряжение неконтактирования, В, не более |
Конденсатор для подавления радиопомех, нФ |
|
|
не менее |
не более |
||
|
500* |
130 |
5,0 |
8,0 |
Информация для расчета светильника
|
Наибольший контур лампы: см. лист 60901-МЭК-ВОЗО |
* В стадии рассмотрения.
60901-МЭК-3038-1
|
|
ЛАМПА ЛЮМИНЕСЦЕНТНАЯ ОДНОЦОКОЛЬНАЯ ЛИСТ С ПАРАМЕТРАМИ Квадратная |
С.1 |
MOСJI: FSS-18-E-2G10
|
Номинальная мощность, Вт |
Схема |
Катод |
Цоколь |
|
18 |
Внешний стартер |
Предварительного подогрева |
2G10 |
Размеры, мм
|
А, не более |
В, не более |
С, не более |
|
79 |
17,5 |
122 |
Цоколь: см. лист 7004-118 МЭК 60061-1.
Характеристики зажигания
|
Частота, Гц |
Расчетное напряжение ПРА, В |
Испытательное напряжение (действующее значение), В |
Время зажигания, с |
|
50 |
110 |
103,5 |
10 |
|
60 |
* |
* |
10 |
Электрические параметры
|
Частота, Гц |
Расчетная мощность, Вт |
Напряжение на лампе (действующее значение), В |
Расчетный ток лампы, А |
Расчетный ток предварительного подогрева, А |
||
|
расчетное |
не менее |
не более |
||||
|
50 |
18 |
58 |
52 |
64 |
0,375 |
0,540 |
|
60 |
* |
* |
* |
* |
* |
* |
Испытательное положение: вертикальное цоколем вверх.
Примечание - Для уменьшения времени испытания можно применять другие положения по согласованию между изготовителем и испытательными органами. В спорном случае вертикальное положение должно быть предпочтительным.
Характеристики образцового ПРА
|
Частота, Гц |
Номинальная мощность, Вт |
Расчетное напряжение, В |
Ток калибровки, А |
Отношение напряжения к току, Ом |
Коэффициент мощности |
|
50 |
20 |
127 |
0,370 |
270 |
0,12 |
|
60 |
18 |
118 |
0,380 |
240 |
0,075 |
В стадии рассмотрения.
60901-МЭК-3118-1
|
|
ЛАМПА ЛЮМИНЕСЦЕНТНАЯ ОДНОЦОКОЛЬНАЯ ЛИСТ С ПАРАМЕТРАМИ Квадратная |
С.2 |
МСОЛ: FSS-18-E-2G10
Информация для расчета ПРА
|
Частота, Гц |
50 |
60 |
|
|
Ток предварительного подогрева катода, А |
не менее |
0,315 |
* |
|
не более |
0,670 |
* |
|
|
Напряжение холостого хода на стартере (действующее значение), В, не менее |
103,5 |
* |
|
|
Пиковое напряжение холостого хода на лампе, В, не более |
400 |
* |
|
|
Заменяющий резистор для обоих последовательно соединенных катодов, Ом |
50 |
* |
|
|
Напряжение на стартере с работающей лампой (действующее значение), В, не более |
68 |
* |
|
|
Рабочий ток лампы, А, не более |
0,425 |
* |
|
Информация для расчета стартера
|
Импульсное напряжение, В, не менее |
Напряжение неконтактирования, В, не более |
Конденсатор для подавления радиопомех, нФ |
|
|
не менее |
не более |
||
|
800 |
70 |
* |
* |
Информация для расчета светильника
|
Наибольший контур лампы: см. лист 60901-МЭК-В110, с размером Н, мм |
122 |
Информация для расчета ВЧ ПРА
|
|
Типичные параметры лампы
|
Частота, кГц |
Мощность лампы, Вт |
Напряжение на лампе, В |
Ток лампы, А |
||||
|
≥20 |
16 |
50 |
0,320 |
||||
|
|
|||||||
|
Ток в любом вводе катода, А, не более |
0,640 |
||||||
|
Рабочий ток лампы, А |
не менее |
0,260 |
|||||
|
не более |
0,425 |
||||||
|
|
|||||||
|
Ток, контролирующий предварительный подогрев |
|||||||
|
Наименьший ток предварительного подогрева iK, А, за время эмиссии te, с, iK - (a/te+i2m)0,5 |
a |
0,290 |
|||||
|
im, А |
0,310 |
||||||
|
Наибольший ток предварительного подогрева, А |
t ≤ 0,4 |
1,200 |
|||||
|
0,4 < t 2,0 |
1,350 - 0,350 t |
||||||
|
t ≥ 2,0 |
0,650 |
||||||
|
Напряжение холостого хода на лампе (действующее значение) без ЗВУ, В |
t ≤ te |
не более |
150 |
||||
|
t >te |
не менее |
350 |
|||||
|
Заменяющий резистор для каждого катода, Ом |
1,5 |
||||||
|
|
|||||||
|
Предварительный подогрев контролирует напряжение |
|||||||
|
* |
|||||||
* В стадии рассмотрения.
60901-МЭК-3118-1
|
|
ЛАМПА ЛЮМИНЕСЦЕНТНАЯ ОДНОЦОКОЛЬНАЯ ЛИСТ С ПАРАМЕТРАМИ Квадратная |
С.1 |
МСОЛ: FSS-24-E-2G10
|
Номинальная мощность, Вт |
Схема |
Катод |
Цоколь |
|
24 |
Внешний стартер |
Предварительного подогрева |
2G10 |
Размеры, мм
|
А, не более |
В, не более |
С, не более |
|
79 |
17,5 |
165 |
Цоколь: см. лист 7004-118 МЭК 60061-1.
Характеристики зажигания
|
Частота, Гц |
Расчетное напряжение ПРА, В |
Испытательное напряжение (действующее значение), В |
Время зажигания, с |
|
50 |
230 |
198 |
10 |
|
60 |
* |
* |
10 |
Электрические параметры
|
Частота, Гц |
Расчетная мощность, Вт |
Напряжение на лампе (действующее значение), В |
Расчетный ток лампы, А |
Расчетный ток предварительного подогрева, А |
||
|
расчетное |
не менее |
не более |
||||
|
50 |
24 |
87 |
77 |
97 |
0,345 |
0,510 |
|
60 |
* |
* |
* |
* |
* |
* |
Испытательное положение: вертикальное цоколем вверх.
Примечание - Для уменьшения времени испытания можно применять другие положения по согласованию между изготовителем и испытательным органом. В спорном случае вертикальное положение должно быть предпочтительным.
Характеристики образцового ПРА
|
Частота, Гц |
Номинальная мощность, Вт |
Расчетное напряжение, В |
Ток калибровки, А |
Отношение напряжения к току, Ом |
Коэффициент мощности |
|
50 |
24 |
220 |
0,340 |
540 |
0,10 |
|
60 |
24 |
236 |
0,340 |
605 |
0,075 |
* В стадии рассмотрения.
60901-МЭК-3124-1
|
|
ЛАМПА ЛЮМИНЕСЦЕНТНАЯ ОДНОЦОКОЛЬНАЯ ЛИСТ С ПАРАМЕТРАМИ Квадратная |
С.2 |
МСОЛ: FSS-24-E-2G10
Информация для расчета ПРА
|
Частота, Гц |
50 |
60 |
|
|
Ток предварительного подогрева катода, А |
не менее |
0,315 |
* |
|
не более |
0,670 |
* |
|
|
Напряжение холостого хода на стартере (действующее значение), В, не менее |
198 |
* |
|
|
Пиковое напряжение холостого хода на лампе, В, не более |
400 |
* |
|
|
Заменяющий резистор для обоих последовательно соединенных катодов, Ом |
50 |
* |
|
|
Напряжение на стартере с работающей лампой (действующее значение), В, не более |
128 |
* |
|
|
Рабочий ток лампы, А, не более |
0,425 |
* |
|
Информация для расчета стартера
|
Импульсное напряжение, В, не менее |
Напряжение неконтактирования, В, не более |
Конденсатор для подавления радиопомех, нФ |
|
|
не менее |
не более |
||
|
800 |
140 |
* |
* |
Информация для расчета светильника
|
Наибольший контур лампы: см. лист 60901-МЭК-В110, с размером Н, мм |
165 |
Информация для расчета ВЧ ПРА
|
|
Типичные параметры лампы
|
Частота, кГц |
Мощность лампы, Вт |
Напряжение на лампе, В |
Ток лампы, А |
||||
|
≥20 |
22 |
75 |
0,300 |
||||
|
|
|||||||
|
Ток в любом вводе катода, А, не более |
0,640 |
||||||
|
Рабочий ток лампы, А |
не менее |
0,260 |
|||||
|
не более |
0,425 |
||||||
|
|
|||||||
|
Ток, контролирующий предварительный подогрев |
|||||||
|
Наименьший ток предварительного подогрева iK, А, за время эмиссии te, с, iK - (a/te+i2m)0,5 |
a |
0,290 |
|||||
|
im, А |
0,310 |
||||||
|
Наибольший ток предварительного подогрева, А |
t ≤ 0,4 |
1,200 |
|||||
|
0,4 < t 2,0 |
1,350 - 0,350 t |
||||||
|
t ≥ 2,0 |
0,650 |
||||||
|
Напряжение холостого хода на лампе (действующее значение) без ЗВУ, В |
t ≤ te |
не более |
170 |
||||
|
t >te |
не менее |
400 |
|||||
|
Заменяющий резистор для каждого катода, Ом |
12,5 |
||||||
|
|
|||||||
|
Предварительный подогрев контролирует напряжен! |
|||||||
|
|
|||||||
* В стадии рассмотрения.
60901-МЭК-3124-1
|
|
ЛАМПА ЛЮМИНЕСЦЕНТНАЯ ОДНОЦОКОЛЬНАЯ ЛИСТ С ПАРАМЕТРАМИ Квадратная |
С.1 |
МСОЛ: FSS-36-E-2G10
|
Номинальная мощность, Вт |
Схема |
Катод |
Цоколь |
|
36 |
Внешний стартер |
Предварительного подогрева |
2G10 |
Размеры, мм
|
А, не более |
В, не более |
С, не более |
|
79 |
17,5 |
217 |
Цоколь: см. лист 7004-118 МЭК 60061 -1.
Характеристики зажигания
|
Частота, Гц |
Расчетное напряжение ПРА, В |
Испытательное напряжение (действующее значение), В |
Время зажигания, с |
|
50 |
230 |
198 |
10 |
|
60 |
* |
* |
10 |
Электрические параметры
|
Частота, Гц |
Расчетная мощность, Вт |
Напряжение на лампе (действующее значение), В |
Расчетный ток лампы, А |
Расчетный ток предварительного подогрева, А |
||
|
расчетное |
не менее |
не более |
||||
|
50 |
36 |
106 |
96 |
116 |
0,435 |
0,650 |
|
60 |
* |
* |
* |
* |
* |
* |
Испытательное положение: вертикальное цоколем вверх.
Примечание - Для уменьшения времени испытания можно применять другие положения по согласованию между изготовителем и испытательным органом. В спорном случае вертикальное положение должно быть предпочтительным.
Характеристики образцового ПРА
|
Частота, Гц |
Номинальная мощность, Вт |
Расчетное напряжение, В |
Ток калибровки, А |
Отношение напряжения к току, Ом |
Коэффициент мощности |
|
50 |
40 |
220 |
0,430 |
390 |
0,10 |
|
60 |
36 |
236 |
0,430 |
439 |
0,075 |
* В стадии рассмотрения.
60901-МЭК-3136-1
|
|
ЛАМПА ЛЮМИНЕСЦЕНТНАЯ ОДНОЦОКОЛЬНАЯ ЛИСТ С ПАРАМЕТРАМИ Квадратная |
С.2 |
МСОЛ: FSS-36-E-2G10
Информация для расчета ПРА
|
Частота, Гц |
50 |
60 |
|
|
Ток предварительного подогрева катода, А |
не менее |
0,365 |
* |
|
не более |
0,775 |
* |
|
|
Напряжение холостого хода на стартере (действующее значение), В, не менее |
198 |
* |
|
|
Пиковое напряжение холостого хода на лампе, В, не более |
400 |
* |
|
|
Заменяющий резистор для обоих последовательно соединенных катодов, Ом |
40 |
* |
|
|
Напряжение на стартере с работающей лампой (действующее значение), В, не более |
128 |
* |
|
|
Рабочий ток лампы, А, не более |
0,500 |
* |
|
Информация для расчета стартера
|
Импульсное напряжение, В, не менее |
Напряжение неконтактирования, В, не более |
Конденсатор для подавления радиопомех, нФ |
|
|
не менее |
не более |
||
|
800 |
140 |
* |
* |
Информация для расчета светильника
|
Наибольший контур лампы: см. лист 60901-МЭК-В110, с размером Н, мм |
217 |
Информация для расчета ВЧ ПРА
|
|
Типичные параметры лампы
|
Частота, кГц |
Мощность лампы, Вт |
Напряжение на лампе, В |
Ток лампы, А |
||||
|
≥20 |
32 |
90 |
0,360 |
||||
|
|
|||||||
|
Ток в любом вводе катода, А, не более |
0,700 |
||||||
|
Рабочий ток лампы, А |
не менее |
0,300 |
|||||
|
не более |
0,500 |
||||||
|
|
|||||||
|
Ток, контролирующий предварительный подогрев |
|||||||
|
Наименьший ток предварительного подогрева iK, А, за время эмиссии te, с, iK - (a/te+i2m)0,5 |
a |
0,380 |
|||||
|
im, А |
0,360 |
||||||
|
Наибольший ток предварительного подогрева, А |
t ≤ 0,4 |
1,400 |
|||||
|
0,4 < t 2,0 |
1,550 - 0,400 t |
||||||
|
t ≥ 2,0 |
0,750 |
||||||
|
Напряжение холостого хода на лампе (действующее значение) без ЗВУ, В |
t ≤ te |
не более |
190 |
||||
|
t >te |
не менее |
420 |
|||||
|
Заменяющий резистор для каждого катода, Ом |
11 |
||||||
|
|
|||||||
|
Предварительный подогрев контролирует напряжение |
|||||||
|
* |
|||||||
* В стадии рассмотрения.
60901-МЭК-3136-1
|
|
ЛАМПА ЛЮМИНЕСЦЕНТНАЯ ОДНОЦОКОЛЬНАЯ ЛИСТ С ПАРАМЕТРАМИ Кольцевая |
С.1 |
МСОЛ: FC-22-E-G10q-29
|
Номинальная мощность, Вт |
Схема |
Катод |
Цоколь |
|
22(D29) |
Внешний стартер |
Предварительного подогрева |
G10q |
Размеры, мм
|
А |
В |
C и D |
D1 |
||||
|
не менее |
не более |
не менее |
не более |
не менее |
. не более |
не менее |
не более |
|
149,1 |
155,6 |
147,6 |
157,2 |
203,2 |
215,9 |
26,2 |
30,9 |
Цоколь: см. лист 7004-54 МЭК 60061-1.
Характеристики зажигания
|
Частота, Гц |
Расчетное напряжение ПРА, В |
Испытательное напряжение (действующее значение), В |
Время зажигания, с |
|
50 |
110 |
103,5 |
10 |
|
60 |
120 |
103,5 |
10 |
Электрические параметры
|
Частота, Гц |
Расчетная мощность, Вт |
Напряжение на лампе (действующее значение), В |
Расчетный ток лампы, А |
Расчетный ток предварительного подогрева, А |
||
|
расчетное |
не менее |
не более |
||||
|
50 |
22 |
62 |
55 |
69 |
0,400 |
0,600 |
|
60 |
21,5 |
62 |
55 |
69 |
0,370 |
0,600 |
Испытательное положение: горизонтальное.
Характеристики образцового ПРА
|
Частота, Гц |
Номинальная мощность, Вт |
Расчетное напряжение, В |
Ток калибровки, А |
Отношение напряжения к току, Ом |
Коэффициент мощности |
|
50 |
22 |
127 |
0,400 |
240 |
0,12 |
|
60 |
22 |
236 |
0,370 |
575 |
0,075 |
60901-МЭК-3222-1
|
|
ЛАМПА ЛЮМИНЕСЦЕНТНАЯ ОДНОЦОКОЛЬНАЯ ЛИСТ С ПАРАМЕТРАМИ Кольцевая |
С.2 |
МСОЛ: FC-22-E-G10q-29
Информация для расчета ПРА
|
Частота, Гц |
50 |
60 |
|
|
Ток предварительного подогрева катода, А |
не менее |
0,360 |
0,450 |
|
не более |
0,840 |
0,770 |
|
|
Напряжение холостого хода на стартере (действующее значение), В, не менее |
103,5 |
103,5 |
|
|
Пиковое напряжение холостого хода на лампе, В, не более |
400 |
400 |
|
|
Заменяющий резистор для обоих последовательно соединенных катодов, Ом |
40 |
40 |
|
|
Напряжение на стартере с работающей лампой (действующее значение), В, не более |
70 |
70 |
|
|
Рабочий ток лампы, А, не более |
* |
* |
|
Информация для расчета стартера
|
Импульсное напряжение, В, не менее |
Напряжение неконтактирования, В, не более |
Конденсатор для подавления радиопомех, нФ |
|
|
не менее |
не более |
||
|
250 |
70 |
* |
* |
Информация для расчета ВЧ ПРА
|
|
Типичные параметры лампы
|
Частота, кГц |
Мощность лампы, Вт |
Напряжение на лампе, В |
Ток лампы, А |
||||
|
≥20 |
19 |
57 |
0,340 |
||||
|
|
|||||||
|
Ток в любом вводе катода, А, не более |
* |
||||||
|
Рабочий ток лампы, А |
не менее |
* |
|||||
|
не более |
* |
||||||
|
|
|||||||
|
Ток, контролирующий предварительный подогрев |
|||||||
|
Наименьший ток предварительного подогрева iK, А, за время эмиссии te, с, iK - (a/te+i2m)0,5 |
a |
0,290 |
|||||
|
im, А |
0,340 |
||||||
|
Наибольший ток предварительного подогрева, А |
t ≤ 0,4 |
1,760 |
|||||
|
0,4 < t 2,0 |
1,990 - 0,575 t |
||||||
|
t ≥ 2,0 |
0,840 |
||||||
|
Напряжение холостого хода на лампе (действующее значение) без ЗВУ, В |
t ≤ te |
не более |
* |
||||
|
t >te |
не менее |
* |
|||||
|
Заменяющий резистор для каждого катода, Ом |
10 |
||||||
|
|
|||||||
|
Напряжение, контролирующее предварительный подогрев |
|||||||
|
* |
|||||||
* В стадии рассмотрения.
60901-МЭК-3222-1
|
|
ЛАМПА ЛЮМИНЕСЦЕНТНАЯ ОДНОЦОКОЛЬНАЯ ЛИСТ С ПАРАМЕТРАМИ Кольцевая |
С.1 |
МСОЛ: FC-32-Е-G10q-29
|
Номинальная мощность, Вт |
Схема |
Катод |
Цоколь |
|
32(D29) |
Внешний стартер |
Предварительного подогрева |
G10q |
Размеры, мм
|
А |
В |
С и D |
D1 |
||||
|
не менее |
не более |
не менее |
не более |
не менее |
не более |
не менее |
не более |
|
239,7 |
246,1 |
236,5 |
246,1 |
292,1 |
304,8 |
26,2 |
30,9 |
Цоколь: см. лист 7004-54 МЭК 60061-1.
Характеристики зажигания
|
Частота, Гц |
Расчетное напряжение ПРА, В |
Испытательное напряжение (действующее значение), В |
Время зажигания, с |
|
50 |
220 |
198 |
10 |
|
60 |
120/240 |
132 |
10 |
Электрические параметры
|
Частота, Гц |
Расчетная мощность, Вт |
Напряжение на лампе (действующее значение), В |
Расчетный ток лампы, А |
Расчетный ток предварительного подогрева, А |
||
|
расчетное |
не менее |
не более |
||||
|
50 |
32 |
84 |
74 |
94 |
0,450 |
0,675 |
|
60 |
31 |
84 |
74 |
94 |
0,430 |
0,650 |
Испытательное положение: горизонтальное.
Характеристики образцового ПРА
|
Частота, Гц |
Номинальная мощность, Вт |
Расчетное напряжение, В |
Ток калибровки, А |
Отношение напряжения к току, Ом |
Коэффициент мощности |
|
50 |
32 |
220 |
0,450 |
415 |
0,10 |
|
60 |
32 |
236 |
0,425 |
470 |
0,075 |
60901-МЭК-3231-1
|
|
ЛАМПА ЛЮМИНЕСЦЕНТНАЯ ОДНОЦОКОЛЬНАЯ ЛИСТ С ПАРАМЕТРАМИ Кольцевая |
С.2 |
MCОJI: FC-32-E-G10q-29
Информация для расчета ПРА
|
Частота, Гц |
50 |
60 |
|
|
Ток предварительного подогрева катода, А |
не менее |
0,405 |
0,550 |
|
не более |
0,945 |
0,750 |
|
|
Напряжение холостого хода на стартере (действующее значение), В, не менее |
198 |
132 |
|
|
Пиковое напряжение холостого хода на лампе, В, не более |
400 |
400 |
|
|
Заменяющий резистор для обоих последовательно соединенных катодов, Ом |
40 |
20 |
|
|
Напряжение на стартере с работающей лампой (действующее значение), В, не более |
128 |
95 |
|
|
Рабочий ток лампы, А, не более |
* |
* |
|
Информация для расчета стартера
|
Импульсное напряжение, В, не менее |
Напряжение неконтактирования, В, не более |
Конденсатор для подавления радиопомех, нФ |
|
|
не менее |
не более |
||
|
400 |
140 |
* |
* |
Информация для расчета ВЧ ПРА
|
|
Типичные параметры лампы
|
Частота, кГц |
Мощность лампы, Вт |
Напряжение на лампе, В |
Ток лампы, А |
||||
|
≥20 |
30 |
72 |
0,430 |
||||
|
|
|||||||
|
Ток в любом вводе катода, А, не более |
* |
||||||
|
Рабочий ток лампы, А |
не менее |
* |
|||||
|
не более |
* |
||||||
|
|
|||||||
|
Ток, контролирующий предварительный подогрев |
|||||||
|
Наименьший ток предварительного подогрева iK, А, за время эмиссии te, с, iK - (a/te+i2m)0,5 |
a |
0,360 |
|||||
|
im, А |
0,380 |
||||||
|
Наибольший ток предварительного подогрева, А |
t ≤ 0,4 |
1,980 |
|||||
|
0,4 < t 2,0 |
2,240 - 0,650 t |
||||||
|
t ≥ 2,0 |
0,940 |
||||||
|
Напряжение холостого хода на лампе (действующее значение) без ЗВУ, В |
t ≤ te |
не более |
* |
||||
|
t >te |
не менее |
* |
|||||
|
Заменяющий резистор для каждого катода, Ом |
10 |
||||||
|
|
|||||||
|
Напряжение, контролирующее предварительный подогрев |
|||||||
|
* |
|||||||
* В стадии рассмотрения.
60901 -МЭК-3231-1
|
|
ЛАМПА ЛЮМИНЕСЦЕНТНАЯ ОДНОЦОКОЛЬНАЯ ЛИСТ С ПАРАМЕТРАМИ Кольцевая |
С.1 |
МСОЛ: FC-32-Е-G10q-32
|
Номинальная мощность, Вт |
Схема |
Катод |
Цоколь |
|
32(D32) |
Внешний стартер |
Предварительного подогрева |
G10q |
Размеры, мм
|
А |
В |
C и D |
D1 |
||||
|
не менее |
не более |
не менее |
не более |
не менее |
не более |
не менее |
не более |
|
239,7 |
246,1 |
236,5 |
246,1 |
298,5 |
311,2 |
29,4 |
34,1 |
Цоколь: см. лист 7004-54 МЭК 60061-1.
Характеристики зажигания
|
Частота, Гц |
Расчетное напряжение ПРА, В |
Испытательное напряжение (действующее значение), В |
Время зажигания, с |
|
50 |
220 |
198 |
10 |
|
60 |
120/240 |
132 |
10 |
Электрические параметры
|
Частота, Гц |
Расчетная мощность, Вт |
Напряжение на лампе (действующее значение), В |
Расчетный ток лампы, А |
Расчетный ток предварительного подогрева, А |
||
|
расчетное |
не менее |
не более |
||||
|
50 |
32 |
81 |
71 |
91 |
0,450 |
0,675 |
|
60 |
31 |
82 |
73 |
91 |
0,425 |
0,650 |
Испытательное положение: горизонтальное.
Характеристики образцового ПРА
|
Частота, Гц |
Номинальная мощность, Вт |
Расчетное напряжение, В |
Ток калибровки, А |
Отношение напряжения к току, Ом |
Коэффициент мощности |
|
50 |
32 |
220 |
0,450 |
415 |
0,10 |
|
60 |
32 |
236 |
0,425 |
470 |
0,075 |
60901 -МЭК-3232-1
|
|
ЛАМПА ЛЮМИНЕСЦЕНТНАЯ ОДНОЦОКОЛЬНАЯ ЛИСТ С ПАРАМЕТРАМИ Кольцевая |
С.2 |
МСОЛ: FC-32-E-G10q-32
Информация для расчета ПРА
|
Частота, Гц |
50 |
60 |
|
|
Ток предварительного подогрева катода, А |
не менее |
0,405 |
0,490 |
|
не более |
0,945 |
0,830 |
|
|
Напряжение холостого хода на стартере (действующее значение), В, не менее |
198 |
132 |
|
|
Пиковое напряжение холостого хода на лампе, В, не более |
400 |
400 |
|
|
Заменяющий резистор для обоих последовательно соединенных катодов, Ом |
40 |
40 |
|
|
Напряжение на стартере с работающей лампой (действующее значение), В, не более |
128 |
95 |
|
|
Рабочий ток лампы, А, не более |
* |
* |
|
Информация для расчета стартера
|
Импульсное напряжение, В, не менее |
Напряжение неконтактирования, В, не более |
Конденсатор для подавления радиопомех, нФ |
|
|
не менее |
не более |
||
|
400 |
140 |
* |
* |
Информация для расчета ВЧ ПРА
|
|
Типичные параметры лампы
|
Частота, кГц |
Мощность лампы, Вт |
Напряжение на лампе, В |
Ток лампы, А |
||||
|
≥20 |
30 |
72 |
0,430 |
||||
|
|
|||||||
|
Ток в любом вводе катода, А, не более |
* |
||||||
|
Рабочий ток лампы, А |
не менее |
* |
|||||
|
не более |
* |
||||||
|
|
|||||||
|
Ток, контролирующий предварительный подогрев |
|||||||
|
Наименьший ток предварительного подогрева iK, А, за время эмиссии te, с, iK - (a/te+i2m)0,5 |
a |
0,360 |
|||||
|
im, А |
0,380 |
||||||
|
Наибольший ток предварительного подогрева, А |
t ≤ 0,4 |
1,980 |
|||||
|
0,4 < t 2,0 |
2,240 - 0,650 t |
||||||
|
t ≥ 2,0 |
0,940 |
||||||
|
Напряжение холостого хода на лампе (действующее значение) без ЗВУ, В |
t ≤ te |
не более |
* |
||||
|
t >te |
не менее |
* |
|||||
|
Заменяющий резистор для каждого катода, Ом |
10 |
||||||
|
|
|||||||
|
Напряжение, контролирующее предварительный подогрев |
|||||||
|
* |
|||||||
* В стадии рассмотрения.
60901-МЭК-3232-1
|
|
ЛАМПА ЛЮМИНЕСЦЕНТНАЯ ОДНОЦОКОЛЬНАЯ ЛИСТ С ПАРАМЕТРАМИ Кольцевая |
С.1 |
МСОЛ: FC-40-Е-G10q-29
|
Номинальная мощность, Вт |
Схема |
Катод |
Цоколь |
|
40(D29) |
Внешний стартер |
Предварительного подогрева |
G10q |
Размеры, мм
|
А |
В |
С и D |
D1 |
||||
|
не менее |
не более |
не менее |
не более |
не менее |
не более |
не менее |
не более |
|
341,3 |
347,7 |
338,1 |
347,7 |
393,7 |
406,4 |
26,2 |
30,9 |
Цоколь: см. лист 7004-54 МЭК 60061-1.
Характеристики зажигания
|
Частота, Гц |
Расчетное напряжение ПРА, В |
Испытательное напряжение (действующее значение), В |
Время зажигания, с |
|
50 |
220 |
198 |
10 |
|
60 |
- |
- |
- |
Электрические параметры
|
Частота, Гц |
Расчетная мощность, Вт |
Напряжение на лампе (действующее значение), В |
Расчетный ток лампы, А |
Расчетный ток предварительного подогрева, А |
||
|
расчетное |
не менее |
не более |
||||
|
50 |
40 |
115 |
105 |
125 |
0,415 |
0,630 |
|
60 |
- |
- |
- |
- |
- |
- |
Испытательное положение: горизонтальное.
Характеристики образцового ПРА
|
Частота, Гц |
Номинальная мощность, Вт |
Расчетное напряжение, В |
Ток калибровки, А |
Отношение напряжения к току, Ом |
Коэффициент мощности |
|
50 |
40 |
220 |
0,430 |
390 |
0,10 |
|
60 |
- |
- |
- |
- |
- |
60901 -МЭК-3239-1
|
|
ЛАМПА ЛЮМИНЕСЦЕНТНАЯ ОДНОЦОКОЛЬНАЯ ЛИСТ С ПАРАМЕТРАМИ Кольцевая |
С.2 |
МСОЛ: FC-40-E-G10q-29
Информация для расчета ПРА
|
Частота, Гц |
50 |
60 |
|
|
Ток предварительного подогрева катода, А |
не менее |
0,378 |
- |
|
не более |
0,882 |
- |
|
|
Напряжение холостого хода на стартере (действующее значение), В, не менее |
198 |
- |
|
|
Пиковое напряжение холостого хода на лампе, В, не более |
400 |
- |
|
|
Заменяющий резистор для обоих последовательно соединенных катодов, Ом |
40 |
- |
|
|
Напряжение на стартере с работающей лампой (действующее значение), В, не более |
128 |
- |
|
|
Рабочий ток лампы, А, не более |
* |
- |
|
Информация для расчета стартера
|
Импульсное напряжение, В, не менее |
Напряжение неконтактирования, В, не более |
Конденсатор для подавления радиопомех, нФ |
|
|
не менее |
не более |
||
|
400 |
140 |
* |
* |
Информация для расчета ВЧ ПРА
|
|
Типичные параметры лампы
|
Частота, кГц |
Мощность лампы, Вт |
Напряжение на лампе, В |
Ток лампы, А |
|||||
|
≥20 |
32 |
107 |
0,310 |
|||||
|
|
||||||||
|
Ток в любом вводе катода, А, не более |
* |
|||||||
|
Рабочий ток лампы, А |
не менее |
* |
||||||
|
не более |
* |
|||||||
|
|
||||||||
|
Ток, контролирующий предварительный подогрев |
||||||||
|
Наименьший ток предварительного подогрева iK, А, за время эмиссии te, с, iK - (a/te+i2m)0,5 |
a |
0,360 |
||||||
|
im, А |
0,360 |
|||||||
|
Наибольший ток предварительного подогрева, А |
t ≤ 0,4 |
1,840 |
||||||
|
0,4 < t 2,0 |
2,080 - 0,600 t |
|||||||
|
t ≥ 2,0 |
0,880 |
|||||||
|
Напряжение холостого хода на лампе (действующее значение) без ЗВУ, В |
t ≤ te |
не более |
* |
|||||
|
t >te |
не менее |
* |
||||||
|
Заменяющий резистор для каждого катода, Ом |
10 |
|||||||
|
|
||||||||
|
Напряжение, контролирующее предварительный подогрев |
||||||||
|
* |
||||||||
* В стадии рассмотрения.
60901-МЭК-3239-1
|
|
ЛАМПА ЛЮМИНЕСЦЕНТНАЯ ОДНОЦОКОЛЬНАЯ ЛИСТ С ПАРАМЕТРАМИ Кольцевая |
С.1 |
МСОЛ: FC-40-Е-G10q-32
|
Номинальная мощность, Вт |
Схема |
Катод |
Цоколь |
|
40(D32) |
Внешний стартер |
Предварительного подогрева |
G10q |
Размеры, мм
|
А |
В |
С и D |
D1 |
||||
|
не менее |
не более |
не менее |
не более |
не менее |
не более |
не менее |
не более |
|
341,3 |
347,7 |
338,1 |
347,7 |
400,0 |
412,8 |
29,4 |
34,1 |
Цоколь: см. лист 7004-54 МЭК 60061-1.
Характеристики зажигания
|
Частота, Гц |
Расчетное напряжение ПРА,В |
Испытательное напряжение (действующее значение), В |
Время зажигания, с |
|
50 |
220 |
198 |
10 |
|
60 |
- |
- |
- |
Электрические параметры
|
Частота, Гц |
Расчетная мощность, Вт |
Напряжение на лампе (действующее значение), В |
Расчетный ток лампы, А |
Расчетный ток предварительного подогрева, А |
||
|
расчетное |
не менее |
не более |
||||
|
50 |
40 |
110 |
100 |
120 |
0,420 |
0,630 |
|
60 |
- |
- |
- |
- |
- |
- |
Испытательное положение: горизонтальное.
Характеристики образцового ПРА
|
Частота, Гц |
Номинальная мощность, Вт |
Расчетное напряжение, В |
Ток калибровки, А |
Отношение напряжения к току, Ом |
Коэффициент мощности |
|
50 |
40 |
220 |
0,430 |
390 |
0,10 |
|
60 |
- |
- |
- |
- |
- |
60901-МЭК-3240-1
|
|
ЛАМПА ЛЮМИНЕСЦЕНТНАЯ ОДНОЦОКОЛЬНАЯ ЛИСТ С ПАРАМЕТРАМИ Кольцевая |
С.2 |
МСОЛ: FC-40-E-G10q-32
Информация для расчета ПРА
|
Частота, Гц |
50 |
60 |
|
|
Ток предварительного подогрева катода, А |
не менее |
0,378 |
- |
|
не более |
0,882 |
- |
|
|
Напряжение холостого хода на стартере (действующее значение), В, не менее |
198 |
- |
|
|
Пиковое напряжение холостого хода на лампе, В, не более |
400 |
- |
|
|
Заменяющий резистор для обоих последовательно соединенных катодов, Ом |
40 |
- |
|
|
Напряжение на стартере с работающей лампой (действующее значение), В, не более |
128 |
- |
|
|
Рабочий ток лампы, А, не более |
* |
- |
|
Информация для расчета стартера
|
Импульсное напряжение, В, не менее |
Напряжение неконтактирования, В, не более |
Конденсатор для подавления радиопомех, нФ |
|
|
не менее |
не более |
||
|
400 |
140 |
* |
* |
Информация для расчета ВЧ ПРА
Типичные параметры лампы
|
Частота, кГц |
Мощность лампы, Вт |
Напряжение на лампе, В |
Ток лампы, А |
|||||
|
≥20 |
32 |
107 |
0,310 |
|||||
|
|
||||||||
|
Ток в любом вводе катода, А, не более |
* |
|||||||
|
Рабочий ток лампы, А |
не менее |
* |
||||||
|
не более |
* |
|||||||
|
|
||||||||
|
Ток, контролирующий предварительный подогрев |
||||||||
|
Наименьший ток предварительного подогрева iK, А, за время эмиссии te, с, iK - (a/te+i2m)0,5 |
a |
0,360 |
||||||
|
im, А |
0,360 |
|||||||
|
Наибольший ток предварительного подогрева, А |
t ≤ 0,4 |
1,840 |
||||||
|
0,4 < t 2,0 |
2,080 - 0,600 t |
|||||||
|
t ≥ 2,0 |
0,880 |
|||||||
|
Напряжение холостого хода на лампе (действующее значение) без ЗВУ, В |
t ≤ te |
не более |
* |
|||||
|
t >te |
не менее |
* |
||||||
|
Заменяющий резистор для каждого катода, Ом |
10 |
|||||||
|
|
||||||||
|
Напряжение, контролирующее предварительный подогрев |
||||||||
|
* |
||||||||
* В стадии рассмотрения.
60901-МЭК-3240-1
|
|
ЛАМПА ЛЮМИНЕСЦЕНТНАЯ ОДНОЦОКОЛЬНАЯ ЛИСТ С ПАРАМЕТРАМИ Двухканальная |
С.1 |
МСОЛ: FSD-24-L/P/L-2G11
|
Номинальная мощность, Вт |
Схема |
Катод |
Цоколь |
|
24/27 |
Бесстартерная |
Предварительного подогрева |
2G11 |
Размеры, мм
|
А, не более |
В, не более |
С, не более |
|
40 |
20 |
320 |
Цоколь: см. лист 7004-82 МЭК 60061-1.
Характеристики зажигания
|
Частота, Гц |
Номинальная мощность ПРА, Вт |
Расчетное напряжение ПРА, В |
Расстояние до ЗВУ, мм |
Напряжение на катоде (действующее значение), В |
Напряжение холостого хода (действующее значение), В |
Время зажигания, с |
|
50 |
- |
- |
- |
- |
- |
- |
|
60 |
* |
* |
13 |
3,05 |
* |
10 |
Электрические параметры
|
Частота, Гц |
Расчетная мощность, Вт |
Напряжение на лампе (действующее значение), В |
Расчетный ток лампы, А |
||
|
расчетное |
не менее |
не более |
|||
|
50 |
- |
- |
- |
- |
- |
|
60 |
25,7** |
87 |
79 |
95 |
0,335 |
Испытательное положение: горизонтальное с горизонтальной плоскостью, проходящей через каналы.
Примечание - Для уменьшения времени испытания можно применять другие положения по согласованию между изготовителем и испытательным органом. В спорном случае горизонтальное положение должно быть предпочтительным.
Характеристики катода
|
Катод |
Испытательное напряжение (действующее значение), В |
Сопротивление каждого катода, Ом |
|
|
расчетное |
не менее |
||
|
Низкоомный |
3,6 |
9,6 |
7,0 |
* В стадии рассмотрения.
** Включает около 2 Вт на дополнительный нагрев катода с напряжением 3,6 В на каждом катоде.
60901-МЭК-4224-1
|
|
ЛАМПА ЛЮМИНЕСЦЕНТНАЯ ОДНОЦОКОЛЬНАЯ ЛИСТ С ПАРАМЕТРАМИ Двухканальная |
С.2 |
МСОЛ: FSD-24-L/P/L-G11
Характеристики образцового ПРА
|
Частота, Гц |
Номинальная мощность, Вт |
Расчетное напряжение, В |
Ток калибровки, А |
Отношение напряжения к току, Ом |
Коэффициент мощности |
|
50 |
- |
- |
- |
- |
- |
|
60 |
24 |
236 |
0,340 |
605 |
0,075 |
Информация для расчета ПРА
|
Частота, Гц |
50 |
60 |
|
|
Напряжение предварительного подогрева катода (действующее значение), В |
не менее |
- |
3,05 |
|
не более |
- |
4,4 |
|
|
Напряжение холостого хода на лампе (действующее значение), В Коэффициент амплитуды напряжения |
не менее |
- |
220 |
|
не более |
- |
285 |
|
|
не менее |
- |
1,8 |
|
|
Напряжение холостого хода (действующее значение) на двух последовательно соединенных лампах, В Коэффициент амплитуды напряжения |
не менее |
- |
240 |
|
не более |
- |
310 |
|
|
не менее |
- |
1,75 |
|
|
Заменяющий резистор для каждого катода, Ом |
|
9 |
|
|
Коэффициент амплитуды напряжения зажигания, не более |
- |
2,2 |
|
|
Пиковое напряжение на ЗВУ, В, не менее |
- |
520 |
|
|
Ток в любом вводе катодов, А, не более |
- |
0,570 |
|
|
Рабочий ток лампы, А, не более |
- |
* |
|
Информация для расчета светильника
|
Наибольший контур лампы: см. лист 60901-МЭК-*, с размером Н, мм |
* |
|
|
Наибольшее расстояние до ЗВУ, мм |
13 |
|
|
Опора конца лампы: расстояние от базовой плоскости цоколя, мм |
не менее |
241 |
|
не более |
267 |
|
|
Зазор между коленами лампы, мм |
не менее |
1,8 |
* В стадии рассмотрения.
60901-МЭК-4224-1
|
|
ЛАМПА ЛЮМИНЕСЦЕНТНАЯ ОДНОЦОКОЛЬНАЯ ЛИСТ С ПАРАМЕТРАМИ Двухканальная |
С.1 |
МСОЛ: FSD-36-L/P/L-2G11
|
Номинальная мощность, Вт |
Схема |
Катод |
Цоколь |
|
36/39 |
Бесстартерная |
Предварительного подогрева |
2G11 |
Размеры, мм
|
А, не более |
В, не более |
С, не более |
|
40 |
20 |
415 |
Цоколь: см. лист 7004-82 МЭК 60061-1.
Характеристики зажигания
|
Частота, Гц |
Номинальная мощность ПРА, Вт |
Расчетное напряжение ПРА,В |
Расстояние до ЗВУ, мм |
Напряжение на катоде (действующее значение), В |
Напряжение холостого хода (действующее значение), В |
Время зажигания, с |
|
50 |
- |
- |
- |
- |
- |
- |
|
60 |
* |
* |
13 |
3,05 |
* |
10 |
Электрические параметры
|
Частота, Гц |
Расчетная мощность, Вт |
Напряжение на лампе (действующее значение), В |
Расчетный ток лампы, А |
||
|
расчетное |
не менее |
не более |
|||
|
50 |
- |
- |
- |
- |
- |
|
60 |
38,1** |
107 |
96 |
118 |
0,428 |
Испытательное положение: горизонтальное с горизонтальной плоскостью, проходящей через каналы.
Примечание - Для уменьшения времени испытания можно применять другие положения по согласованию между изготовителем и испытательным органом. В спорном случае горизонтальное положение должно быть предпочтительным.
Характеристики катода
|
Катод |
Испытательное напряжение (действующее значение), В |
Сопротивление каждого катода, Ом |
|
|
расчетное |
не менее |
||
|
Низкоомный |
3,6 |
9,6 |
7,0 |
* В стадии рассмотрения.
** Включает около 2 Вт на дополнительный нагрев катода с напряжением 3,6 В на каждом катоде.
60901-МЭК-4236-1
|
|
ЛАМПА ЛЮМИНЕСЦЕНТНАЯ ОДНОЦОКОЛЬНАЯ ЛИСТ С ПАРАМЕТРАМИ Двухканальная |
С.2 |
МСОЛ: FSD-39-L/P/L-2G11
Характеристики образцового ПРА
|
Частота, Гц |
Номинальная мощность, Вт |
Расчетное напряжение, В |
Ток калибровки, А |
Отношение напряжения к току, Ом |
Коэффициент мощности |
|
50 |
- |
- |
- |
- |
- |
|
60 |
36 |
236 |
0,430 |
439 |
0,075 |
Информация для расчета ПРА
|
Частота, Гц |
50 |
60 |
|
|
Напряжение предварительного подогрева катода (действующее значение), В |
не менее |
- |
3,05 |
|
не более |
- |
4,4 |
|
|
Напряжение холостого хода на лампе (действующее значение), В Коэффициент амплитуды напряжения |
не менее |
- |
230 |
|
не более |
- |
300 |
|
|
не менее |
- |
1,8 |
|
|
Напряжение холостого хода (действующее значение) на двух последовательно соединенных лампах, В Коэффициент амплитуды напряжения |
не менее |
- |
300 |
|
не более |
- |
390 |
|
|
не менее |
- |
1,6 |
|
|
Заменяющий резистор для каждого катода, Ом |
- |
9 |
|
|
Коэффициент амплитуды напряжения зажигания, не более |
- |
2,2 |
|
|
Пиковое напряжение на ЗВУ, В, не менее |
- |
520 |
|
|
Ток в любом вводе катодов, А, не более |
- |
0,730 |
|
|
Рабочий ток лампы, А, не более |
- |
* |
|
Информация для расчета светильника
|
Наибольший контур лампы: см. лист 60901-МЭК-*, с размером Я, мм |
* |
|
|
Наибольшее расстояние до ЗВУ, мм |
13 |
|
|
Опора конца лампы: расстояние от базовой плоскости цоколя, мм |
не менее |
330 |
|
не более |
356 |
|
|
Зазор между коленами лампы, мм, не менее |
1,8 |
|
* В стадии рассмотрения.
60901-МЭК-4236-1
|
|
ЛАМПА ЛЮМИНЕСЦЕНТНАЯ ОДНОЦОКОЛЬНАЯ ЛИСТ С ПАРАМЕТРАМИ Квадратная |
С.1 |
МСОЛ: FSS-10-L/P/H-GR10q
|
Номинальная мощность, Вт |
Схема |
Катод |
Цоколь |
|
10 |
Бесстартерная |
Предварительного подогрева |
GR10q |
Размеры, мм
|
А, не более |
В, не более |
С, не более |
D, не более |
Е, не более |
F, не более |
G |
|
|
не менее |
не более |
||||||
|
92 |
95 |
34,5 |
14 |
34,2 |
38,2 |
28,5 |
29,5 |
Цоколь: см. лист 7004-77 МЭК 60061-1.
Характеристики зажигания
|
Частота, Гц |
Номинальная мощность ПРА, Вт |
Расчетное напряжение ПРА, В |
Расстояние до ЗВУ, мм |
Напряжение на катоде (действующее значение), В |
Напряжение холостого хода (действующее значение), В |
Время зажигания, с |
|
50 |
13 |
240 |
6 |
6,5 |
* |
10 |
|
60 |
- |
- |
- |
- |
- |
- |
Электрические параметры
|
Частота, Гц |
Расчетная мощность, Вт |
Напряжение на лампе (действующее значение), В |
Расчетный ток лампы, А |
||
|
расчетное |
не менее |
не более |
|||
|
50 |
10,5 |
72 |
65 |
79 |
0,180 |
|
60 |
- |
- |
- |
- |
- |
Испытательное положение: горизонтальное.
Характеристики катода
|
Катод |
Испытательное напряжение (действующее значение), В |
Сопротивление каждого катода, Ом |
|
|
расчетное |
не менее |
||
|
Высокоомный |
8 |
55 |
40 |
* В стадии рассмотрения.
60901-МЭК-5010-1
|
|
ЛАМПА ЛЮМИНЕСЦЕНТНАЯ ОДНОЦОКОЛЬНАЯ ЛИСТ С ПАРАМЕТРАМИ Квадратная |
С.2 |
МСОЛ: FSS-10-L/P/H-GR10q
Характеристики образцового ПРА
|
Частота, Гц |
Номинальная мощность, Вт |
Расчетное напряжение, В |
Ток калибровки, А |
Отношение напряжения к току, Ом |
Коэффициент мощности |
|
50 |
10 |
220 |
0,180 |
1070 |
0,12 |
|
60 |
- |
- |
- |
- |
- |
Информация для расчета ПРА
|
Частота, Гц |
50 |
60 |
||
|
Напряжение предварительного подогрева катода (действующее значение), В |
не менее |
6,5 |
- |
|
|
не более |
11 |
- |
||
|
Напряжение холостого хода на лампе, В |
действующее значение, не менее |
* |
- |
|
|
пиковое, не более |
* |
- |
||
|
Заменяющий резистор для каждого катода, Ом |
|
* |
- |
|
|
Пиковое напряжение на ЗВУ, В, не менее |
|
* |
- |
|
|
Ток в любом вводе катодов, А, не более |
|
0,315 |
- |
|
|
Рабочий ток лампы, А, не более |
|
* |
- |
|
Информация для расчета светильника
|
Наибольший контур лампы: см. лист 60901-МЭК-В010 |
|
|
Наибольшее расстояние до ЗВУ, мм |
6 |
* В стадии рассмотрения.
60901-МЭК-5010-1
|
|
ЛАМПА ЛЮМИНЕСЦЕНТНАЯ ОДНОЦОКОЛЬНАЯ ЛИСТ С ПАРАМЕТРАМИ Квадратная |
С.1 |
МСОЛ: FSS-16-L/P/H-GR10q
|
Номинальная мощность, Вт |
Схема |
Катод |
Цоколь |
|
16 |
Бесстартерная |
Предварительного подогрева |
GR10q |
Размеры, мм
|
А, не более |
В, не более |
С, не более |
D, не более |
Е, не более |
F, не более |
G |
|
|
не менее |
не более |
||||||
|
138 |
141 |
27,5 |
15 |
41 |
40 |
49 |
51 |
Цоколь: см. лист 7004-77 МЭК 60061-1.
Характеристики зажигания
|
Частота, Гц |
Номинальная мощность ПРА, Вт |
Расчетное напряжение ПРА, В |
Расстояние до ЗВУ, мм |
Напряжение на катоде (действующее значение), В |
Напряжение холостого хода (действующее значение), В |
Время зажигания, с |
|
50 |
16 |
240 |
6 |
6,5 |
* |
10 |
|
60 |
- |
- |
- |
- |
- |
- |
Электрические параметры
|
Частота, Гц |
Расчетная мощность, Вт |
Напряжение на лампе (действующее значение), В |
Расчетный ток лампы, А |
||
|
расчетное |
не менее |
не более |
|||
|
50 |
16 |
103 |
93 |
113 |
0,195 |
|
60 |
- |
- |
- |
- |
- |
Испытательное положение: горизонтальное.
Характеристики катода
|
Катод |
Испытательное напряжение (действующее значение), В |
Сопротивление каждого катода, Ом |
|
|
расчетное |
не менее |
||
|
Высокоомный |
8 |
65 |
50 |
* В стадии рассмотрения.
60901-МЭК-5016-1
|
|
ЛАМПА ЛЮМИНЕСЦЕНТНАЯ ОДНОЦОКОЛЬНАЯ ЛИСТ С ПАРАМЕТРАМИ Квадратная |
С.2 |
МСОЛ: FSS-16-L/P/H-GR10q
Характеристики образцового ПРА
|
Частота, Гц |
Номинальная мощность, Вт |
Расчетное напряжение, В |
Ток калибровки, А |
Отношение напряжения к току, Ом |
Коэффициент мощности |
|
50 |
16 |
220 |
0,195 |
890 |
0,12 |
|
60 |
- |
- |
- |
- |
- |
Информация для расчета ПРА
|
Частота, Гц |
50 |
60 |
||
|
Напряжение предварительного подогрева катода (действующее значение), В |
не менее |
6,5 |
- |
|
|
не более |
11 |
- |
||
|
Напряжение холостого хода на лампе, В |
действующее значение, не менее |
* |
- |
|
|
пиковое, не более |
* |
- |
||
|
Заменяющий резистор для каждого катода, Ом |
* |
- |
||
|
Пиковое напряжение на ЗВУ, В, не менее |
* |
- |
||
|
Ток в любом вводе катодов, А, не более |
0,280 |
- |
||
|
Рабочий ток лампы, А, не более |
* |
- |
||
Информация для расчета светильника
|
Наибольший контур лампы: см. лист 60901-МЭК-В010 |
|
|
Наибольшее расстояние до ЗВУ, мм |
6 |
* В стадии рассмотрения.
60901-МЭК-5016-1
|
|
ЛАМПА ЛЮМИНЕСЦЕНТНАЯ ОДНОЦОКОЛЬНАЯ ЛИСТ С ПАРАМЕТРАМИ Квадратная |
С.1 |
МСОЛ: FSS-21-L/P/H-GR10q
|
Номинальная мощность, Вт |
Схема |
Катод |
Цоколь |
|
21 |
Бесстартерная |
Предварительного подогрева |
GR10q |
Размеры, мм
|
А, не более |
В, не более |
С, не более |
D, не более |
Е, не более |
F, не более |
G |
|
|
не менее |
не более |
||||||
|
138 |
141 |
27,5 |
15 |
41 |
40 |
49 |
51 |
Цоколь: см. лист 7004-77 МЭК 60061-1.
Характеристики зажигания
|
Частота, Гц |
Номинальная мощность ПРА, Вт |
Расчетное напряжение ПРА, В |
Расстояние до ЗВУ, мм |
Напряжение на катоде (действующее значение), В |
Напряжение холостого хода (действующее значение), В |
Время зажигания, с |
|
50 |
21 |
240 |
6 |
6,5 |
* |
10 |
|
60 |
- |
- |
- |
- |
- |
- |
Электрические параметры
|
Частота, Гц |
Расчетная мощность, Вт |
Напряжение на лампе (действующее значение), В |
Расчетный ток лампы, А |
||
|
расчетное |
не менее |
не более |
|||
|
50 |
21 |
103 |
92 |
112 |
0,260 |
|
60 |
- |
- |
- |
- |
- |
Испытательное положение: горизонтальное.
Характеристики катода
|
Катод |
Испытательное напряжение (действующее значение), В |
Сопротивление каждого катода, Ом |
|
|
расчетное |
не менее |
||
|
Высокоомный |
8 |
35 |
25 |
* В стадии рассмотрения.
60901-МЭК-5021-1
|
|
ЛАМПА ЛЮМИНЕСЦЕНТНАЯ ОДНОЦОКОЛЬНАЯ ЛИСТ С ПАРАМЕТРАМИ Квадратная |
С.2 |
МСОЛ: FSS-21-L/P/H-GR10q
Характеристики образцового ПРА
|
Частота, Гц |
Номинальная мощность, Вт |
Расчетное напряжение, В |
Ток калибровки, А |
Отношение напряжения к току, Ом |
Коэффициент мощности |
|
50 |
21 |
205 |
0,260 |
605 |
0,10 |
|
60 |
- |
- |
- |
- |
- |
Информация для расчета ПРА
|
Частота, Гц |
50 |
60 |
||
|
Напряжение предварительного подогрева катода, В |
не менее |
6,5 |
- |
|
|
не более |
11 |
- |
||
|
Напряжение холостого хода на лампе, В |
действующее значение, не менее |
* |
- |
|
|
пиковое, не более |
* |
- |
||
|
Заменяющий резистор для каждого катода, Ом |
* |
- |
||
|
Напряжение на ЗВУ, В, не менее |
* |
- |
||
|
Ток в любом вводе катодов, А, не более |
0,450 |
- |
||
|
Рабочий ток лампы, А, не более |
* |
- |
||
Информация для расчета светильника
|
Наибольший контур лампы: см. лист 60901-МЭК-В020 |
|
|
Наибольшее расстояние до ЗВУ, мм |
6 |
* В стадии рассмотрения.
60901-МЭК-5021-1
|
|
ЛАМПА ЛЮМИНЕСЦЕНТНАЯ ОДНОЦОКОЛЬНАЯ ЛИСТ С ПАРАМЕТРАМИ Квадратная |
С.1 |
МСОЛ: FSS-28-L/P/L-GR10q
|
Номинальная мощность, Вт |
Схема |
Катод |
Цоколь |
|
28 |
Бесстартерная |
Предварительного подогрева |
GR10q |
Размеры, мм
|
А, не более |
В, не более |
С, не более |
D, не более |
Е, не более |
F, не более |
G |
|
|
не менее |
не более |
||||||
|
205 |
207 |
33 |
24 |
41 |
49 |
74 |
77 |
Цоколь: см. лист 7004-77 МЭК 60061-1.
Характеристики зажигания
|
Частота, Гц |
Номинальная мощность ПРА, Вт |
Расчетное напряжение ПРА, В |
Расстояние до ЗВУ, мм |
Напряжение на катоде (действующее значение), В |
Напряжение холостого хода (действующее значение), В |
Время зажигания, с |
|
50 |
28 |
240 |
13 |
3,05 |
250 |
10 |
|
60 |
- |
- |
- |
- |
- |
- |
Электрические параметры
|
Частота, Гц |
Расчетная мощность, Вт |
Напряжение на лампе (действующее значение), В |
Расчетный ток лампы, А |
||
|
расчетное |
не менее |
не более |
|||
|
50 |
28 |
108 |
98 |
118 |
0,320 |
|
60 |
- |
- |
- |
- |
- |
Испытательное положение: горизонтальное.
Характеристики катода
|
Катод |
Испытательное напряжение (действующее значение), В |
Сопротивление каждого катода, Ом |
|
|
расчетное |
не менее |
||
|
Низкоомный |
3,6 |
9 |
7 |
60901-МЭК-5028-1
|
|
ЛАМПА ЛЮМИНЕСЦЕНТНАЯ ОДНОЦОКОЛЬНАЯ ЛИСТ С ПАРАМЕТРАМИ Квадратная |
С.2 |
МСОЛ: FSS-28-L/P/L-GR10q
Характеристики образцового ПРА
|
Частота, Гц |
Номинальная мощность, Вт |
Расчетное напряжение, В |
Ток калибровки, А |
Отношение напряжения к току, Ом |
Коэффициент мощности |
|
50 |
28 |
210 |
0,320 |
480 |
0,10 |
|
60 |
- |
- |
- |
- |
- |
Информация для расчета ПРА
|
Частота, Гц |
50 |
60 |
||
|
Напряжение предварительного подогрева катода (действующее значение), В |
не менее |
3,05 |
- |
|
|
не более |
4,4 |
- |
||
|
Напряжение холостого хода на лампе, В |
действующее значение, не менее |
250 |
- |
|
|
пиковое, не более |
500 |
- |
||
|
Заменяющий резистор для каждого катода, Ом |
* |
- |
||
|
Пиковое напряжение на ЗВУ, В, не менее |
* |
- |
||
|
Ток в любом вводе катодов, А, не более |
0,530 |
- |
||
|
Рабочий ток лампы, А, не более |
* |
- |
||
Информация для расчета светильника
|
Наибольший контур лампы: см. лист 60901-МЭК-В030 |
|
|
Наибольшее расстояние до ЗВУ, мм |
13 |
* В стадии рассмотрения.
60901-МЭК-5028-1
|
|
ЛАМПА ЛЮМИНЕСЦЕНТНАЯ ОДНОЦОКОЛЬНАЯ ЛИСТ С ПАРАМЕТРАМИ Квадратная |
С.1 |
МСОЛ: FSS-38-L/P/L-GR10q
|
Номинальная мощность, Вт |
Схема |
Катод |
Цоколь |
|
38 |
Бесстартерная |
Предварительного подогрева |
GR10q |
Размеры, мм
|
А, не более |
В, не более |
С, не более |
D, не более |
Е, не более |
F, не более |
G |
|
|
не менее |
не более |
||||||
|
205 |
207 |
33 |
24 |
41 |
49 |
74 |
77 |
Цоколь: см. лист 7004-77 МЭК 60061-1.
Характеристики зажигания
|
Частота, Гц |
Номинальная мощность ПРА, Вт |
Расчетное напряжение ПРА, В |
Расстояние до ЗВУ, мм |
Напряжение на катоде (действующее значение), В |
Напряжение холостого хода (действующее значение), В |
Время зажигания, с |
|
50 |
38 |
240 |
13 |
3,05 |
250 |
10 |
|
60 |
- |
- |
- |
- |
- |
- |
Электрические параметры
|
Частота, Гц |
Расчетная мощность, Вт |
Напряжение на лампе (действующее значение), В |
Расчетный ток лампы, А |
||
|
расчетное |
не менее |
не более |
|||
|
50 |
38,5 |
110 |
100 |
120 |
0,430 |
|
60 |
- |
- |
- |
- |
- |
Испытательное положение: горизонтальное.
Характеристики катода
|
Катод |
Испытательное напряжение (действующее значение), В |
Сопротивление каждого катода, Ом |
|
|
расчетное |
не менее |
||
|
Низкоомный |
3,6 |
9 |
7 |
60901-МЭК-5038-1
|
|
ЛАМПА ЛЮМИНЕСЦЕНТНАЯ ОДНОЦОКОЛЬНАЯ ЛИСТ С ПАРАМЕТРАМИ Квадратная |
С.2 |
МСОЛ: FSS-38-L/P/L-GR10q
Характеристики образцового ПРА
|
Частота, Гц |
Номинальная мощность, Вт |
Расчетное напряжение, В |
Ток калибровки, А |
Отношение напряжения к току, Ом |
Коэффициент мощности |
|
50 |
40 |
220 |
0,430 |
390 |
0,10 |
|
60 |
- |
- |
- |
- |
- |
Информация для расчета ПРА
|
Частота, Гц |
50 |
60 |
||
|
Напряжение предварительного подогрева катода (действующее значение), В |
не менее |
3,05 |
- |
|
|
не более |
4,4 |
- |
||
|
Напряжение холостого хода на лампе, В |
действующее значение, не менее |
250 |
- |
|
|
пиковое, не более |
500 |
- |
||
|
Заменяющий резистор для каждого катода, Ом |
* |
- |
||
|
Пиковое напряжение на ЗВУ, В, не менее |
* |
- |
||
|
Ток в любом вводе катодов, А, не более |
0,700 |
- |
||
|
Рабочий ток лампы, А, не более |
* |
- |
||
Информация для расчета светильника
|
Наибольший контур лампы: см. лист 60901-МЭК-В030 |
|
|
Наибольшее расстояние до ЗВУ, мм |
13 |
* В стадии рассмотрения.
60901-МЭК-5038-1
|
|
ЛАМПА ЛЮМИНЕСЦЕНТНАЯ ОДНОЦОКОЛЬНАЯ ЛИСТ С ПАРАМЕТРАМИ Кольцевая |
С.1 |
МСОЛ: FC-22-L/P/L-G10q-29
|
Номинальная мощность, Вт |
Схема |
Катод |
Цоколь |
|
22 (D29) |
Бесстартерная |
Предварительного подогрева |
G10q |
Размеры, мм
|
А |
В |
С и D |
D1 |
||||
|
не менее |
не более |
не менее |
не более |
не менее |
не более |
не менее |
не более |
|
149,1 |
155,6 |
147,6 |
157,2 |
203,2 |
215,9 |
26,2 |
30,9 |
Цоколь: см. лист 7004-54 МЭК 60061-1.
Характеристики зажигания
|
Частота, Гц |
Номинальная мощность ПРА, Вт |
Расчетное напряжение ПРА, В |
Расстояние до ЗВУ, мм |
Напряжение на катоде (действующее значение), В |
Напряжение холостого хода (действующее значение), В |
Время зажигания, с |
|
50 |
- |
- |
- |
- |
- |
- |
|
60 |
22 |
120/240 |
13 |
3,05 |
* |
10 |
Электрические параметры
|
Частота, Гц |
Расчетная мощность, Вт |
Напряжение на лампе (действующее значение), В |
Расчетный ток лампы, А |
||
|
расчетное |
не менее |
не более |
|||
|
50 |
- |
- |
- |
- |
- |
|
60 |
22,5** |
61 |
55 |
67 |
0,370 |
Характеристики катода
|
Катод |
Испытательное напряжение (действующее значение), В |
Сопротивление каждого катода, Ом |
|
|
расчетное |
не менее |
||
|
Низкоомный |
3,6 |
9,6 |
7,0 |
Испытательное положение: горизонтальное.
* В стадии рассмотрения.
** Включает около 2 Вт для дополнительного нагрева катода с напряжением 3,6 В на каждом катоде.
60901-МЭК-5222-1
|
|
ЛАМПА ЛЮМИНЕСЦЕНТНАЯ ОДНОЦОКОЛЬНАЯ ЛИСТ С ПАРАМЕТРАМИ Кольцевая |
С.2 |
МСОЛ: FC-22-L/P/L-G10q-29
Характеристики образцового ПРА
|
Частота, Гц |
Номинальная мощность, Вт |
Расчетное напряжение, В |
Ток калибровки, А |
Отношение напряжения к току, Ом |
Коэффициент мощности |
|
50 |
- |
- |
- |
- |
- |
|
60 |
22 |
236 |
0,370 |
575 |
0,075 |
Информация для расчета ПРА
|
Частота, Гц |
50 |
60 |
||
|
Напряжение предварительного подогрева катода (действующее значение), В |
не менее |
- |
3,05 |
|
|
не более |
- |
5,5 |
||
|
Напряжение холостого хода на лампе, В |
действующее значение, не менее |
- |
180 |
|
|
пиковое, не более |
- |
* |
||
|
Заменяющий резистор для каждого катода, Ом |
- |
9* |
||
|
Пиковое напряжение на ЗВУ, В, не менее |
- |
290 |
||
|
Ток в любом вводе катодов, А, не более |
- |
* |
||
|
Рабочий ток лампы, А, не более |
- |
* |
||
Информация для расчета светильника
|
Наибольшее расстояние до ЗВУ, мм |
13 |
* В стадии рассмотрения.
60901-МЭК-5222-1
|
|
ЛАМПА ЛЮМИНЕСЦЕНТНАЯ ОДНОЦОКОЛЬНАЯ ЛИСТ С ПАРАМЕТРАМИ Кольцевая |
С.1 |
МСОЛ: FC-32-L/P/L-G10q-32
|
Номинальная мощность, Вт |
Схема |
Катод |
Цоколь |
|
32 (D32) |
Бесстартерная |
Предварительного подогрева |
G10q |
Размеры, мм
|
А |
В |
С и D |
D1 |
||||
|
не менее |
не более |
не менее |
не более |
не менее |
не более |
не менее |
не более |
|
239,7 |
246,1 |
236,5 |
246,1 |
298,5 |
311,2 |
29,4 |
34,1 |
Цоколь: см. лист 7004-54 МЭК 60061-1.
Характеристики зажигания
|
Частота, Гц |
Номинальная мощность ПРА, Вт |
Расчетное напряжение ПРА, В |
Расстояние до ЗВУ, мм |
Напряжение на катоде (действующее значение), В |
Напряжение холостого хода (действующее значение), В |
Время зажигания, с |
|
50 |
- |
- |
- |
- |
- |
- |
|
60 |
32 |
120/240 |
13 |
3,05 |
200 |
10 |
Электрические параметры
|
Частота, Гц |
Расчетная мощность, Вт |
Напряжение на лампе (действующее значение), В |
Расчетный ток лампы, А |
||
|
расчетное |
не менее |
не более |
|||
|
50 |
- |
- |
- |
- |
- |
|
60 |
33* |
81 |
73 |
89 |
0,425 |
Испытательное положение: горизонтальное.
Характеристики катода
|
Катод |
Испытательное напряжение (действующее значение), В |
Сопротивление каждого катода, Ом |
|
|
расчетное |
не менее |
||
|
Низкоомный |
3,6 |
9,6 |
7,0 |
* Включает около 2 Вт для дополнительного нагрева катода с напряжением 3,6 В на каждом катоде.
60901-МЭК-5232-1
|
|
ЛАМПА ЛЮМИНЕСЦЕНТНАЯ ОДНОЦОКОЛЬНАЯ ЛИСТ С ПАРАМЕТРАМИ Кольцевая |
С.2 |
МСОЛ: FC-32-L/P/L-G10q-32
Характеристики образцового ПРА
|
Частота, Гц |
Номинальная мощность, Вт |
Расчетное напряжение, В |
Ток калибровки, А |
Отношение напряжения к току, Ом |
Коэффициент мощности |
|
50 |
- |
- |
- |
- |
__ |
|
60 |
32 |
236 |
0,425 |
470 |
0,075 |
Информация для расчета ПРА
|
Частота, Гц |
50 |
60 |
||
|
Напряжение предварительного подогрева катода (действующее значение), В |
не менее |
- |
3,05 |
|
|
не более |
- |
5,5 |
||
|
Напряжение холостого хода на лампе, В |
действующее значение, не менее |
- |
200 |
|
|
пиковое, не более |
- |
* |
||
|
Заменяющий резистор для каждого катода, Ом |
- |
9* |
||
|
Пиковое напряжение на ЗВУ, В, не менее |
- |
290 |
||
|
Ток в любом вводе катодов, А, не более |
- |
* |
||
|
Рабочий ток лампы, А, не более |
- |
* |
||
Информация для расчета светильника
|
Наибольшее расстояние до ЗВУ, мм |
13 |
* В стадии рассмотрения.
60901-МЭК-5232-1
|
|
ЛАМПА ЛЮМИНЕСЦЕНТНАЯ ОДНОЦОКОЛЬНАЯ ЛИСТ С ПАРАМЕТРАМИ Кольцевая |
С.1 |
МСОЛ: FC-40-L/P/L-G10q-32
|
Номинальная мощность, Вт |
Схема |
Катод |
Цоколь |
|
40 (D32) |
Бесстартерная |
Предварительного подогрева |
G10q |
Размеры, мм
|
А |
В |
С и D |
D1 |
||||
|
не менее |
не более |
не менее |
не более |
не менее |
не более |
не менее |
не более |
|
341,3 |
347,7 |
338,1 |
347,7 |
400,0 |
412,8 |
29,4 |
34,1 |
Цоколь: см. лист 7004-54 МЭК 60061-1.
Характеристики зажигания
|
Частота, Гц |
Номинальная мощность ПРА, Вт |
Расчетное напряжение ПРА, В |
Расстояние до ЗВУ, мм |
Напряжение на катоде (действующее значение), В |
Напряжение холостого хода (действующее значение), В |
Время зажигания, с |
|
50 |
- |
- |
- |
- |
- |
- |
|
60 |
40 |
120/240 |
13 |
3,05 |
205 |
10 |
Электрические параметры
|
Частота, Гц |
Расчетная мощность, Вт |
Напряжение на лампе (действующее значение), В |
Расчетный ток лампы, А |
||
|
расчетное |
не менее |
не более |
|||
|
50 |
- |
- |
- |
- |
- |
|
60 |
.41,5* |
108 |
97 |
119 |
0,415 |
Испытательное положение: горизонтальное.
Характеристики катода
|
Катод |
Испытательное напряжение (действующее значение), В |
Сопротивление каждого катода, Ом |
|
|
расчетное |
не менее |
||
|
Низкоомный |
3,6 |
9,6 |
7,0 |
* Включает около 2 Вт для дополнительного нагрева катода с напряжением 3,6 В на каждом катоде.
60901-МЭК-5240-1
|
|
ЛАМПА ЛЮМИНЕСЦЕНТНАЯ ОДНОЦОКОЛЬНАЯ ЛИСТ С ПАРАМЕТРАМИ Кольцевая |
С.2 |
МСОЛ: FC-40-L/P/L-G10q-32
Характеристики образцового ПРА
|
Частота, Гц |
Номинальная мощность, Вт |
Расчетное напряжение, В |
Ток калибровки, А |
Отношение напряжения к току, Ом |
Коэффициент мощности |
|
50 |
- |
- |
- |
- |
- |
|
60 |
40 |
236 |
0,420 |
439 |
0,075 |
Информация для расчета ПРА
|
Частота, Гц |
50 |
60 |
||
|
Напряжение предварительного подогрева катода (действующее значение), В |
не менее |
- |
3,05 |
|
|
не более |
- |
5,5 |
||
|
Напряжение холостого хода на лампе, В |
действующее значение, не менее |
- |
205 |
|
|
пиковое, не более |
- |
* |
||
|
Заменяющий резистор для каждого катода, Ом |
- |
9* |
||
|
Пиковое напряжение на ЗВУ, В, не менее |
- |
290 |
||
|
Ток в любом вводе катодов, А, не более |
- |
* |
||
|
Рабочий ток лампы, А, не более |
- |
* |
||
Информация для расчета светильника
|
Наибольшее расстояние до ЗВУ, мм |
13 |
* В стадии рассмотрения.
60901-МЭК-5240-1
|
|
ЛАМПА ЛЮМИНЕСЦЕНТНАЯ ОДНОЦОКОЛЬНАЯ ЛИСТ С ПАРАМЕТРАМИ |
С.1 |
|
|
ВЧ |
Двухканальная |
||
МСОЛ: FSDH-40-L/P-2G11
|
Номинальная мощность, Вт |
Схема |
Катод |
Цоколь |
|
40 |
ВЧ бесстартерная |
Предварительного подогрева |
2G11 |
Размеры, мм
|
А, не более |
В, не более |
С, не более |
|
40 |
20 |
535 |
Цоколь: см. лист 7004-82 МЭК 60061-1.
Характеристики зажигания
|
Частота, кГц |
Ток предварительного подогрева, А |
Время предварительного подогрева, с |
Напряжение холостого хода (действующее значение), В |
Время зажигания, с |
|
20-26 |
0,470 |
2 |
350 |
0,1 |
Электрические параметры
|
Частота, кГц |
Расчетная мощность, Вт |
Напряжение на лампе (действующее значение), В |
Расчетный ток лампы, А |
||
|
расчетное |
не менее |
не более |
|||
|
20-26 |
40 |
126 |
116 |
136 |
0,320 |
Испытательное положение: горизонтальное с горизонтальной плоскостью, проходящей через каналы.
Примечание - Для уменьшения времени испытания можно применять другие положения по согласованию между изготовителем и испытательным органом. В спорном случае горизонтальное положение должно быть предпочтительным.
Характеристики катода
|
Испытательный ток, А |
Сопротивление каждого катода, Ом |
||
|
расчетное |
не менее |
не более |
|
|
0,470 |
16 |
11 |
* |
* В стадии рассмотрения.
60901-МЭК-6240-1
|
|
ЛАМПА ЛЮМИНЕСЦЕНТНАЯ ОДНОЦОКОЛЬНАЯ ЛИСТ С ПАРАМЕТРАМИ |
С.2 |
|
|
ВЧ |
Двухканальная |
||
МСОЛ: FSDH-40-L/P-2G11
Характеристики образцового ПРА
|
Частота, кГц |
Номинальная мощность, Вт |
Расчетное напряжение, В |
Ток калибровки, А |
Сопротивление, Ом |
|
20-26 |
40 |
254 |
0,320 |
400 |
Информация для расчета ВЧ ПРА
|
Частота, кГц |
≥20 |
||||
|
Ток в любом вводе катодов, А, не более |
0,640 |
||||
|
Рабочий ток лампы, А |
не менее |
0,260 |
|||
|
не более |
0,425 |
||||
|
|
|||||
|
Ток, контролирующий предварительный подогрев |
|||||
|
Наименьший ток предварительного подогрева iK, А, за время эмиссии te, с, te, c, iK = (a/te+i2m)0,5 |
а |
0,290 |
|||
|
im, А |
0,310 |
||||
|
Наибольший ток предварительного подогрева, А |
t ≤ 0,4 |
1,200 |
|||
|
0,4 < t< 2,0 |
1,350-0,350 t |
||||
|
t ≥ 2,0 |
0,650 |
||||
|
Напряжение холостого хода на лампе (действующее значение) без ЗВУ, В |
t ≤ tе |
не более |
220 |
||
|
t >tе |
не менее |
360 |
|||
|
Заменяющий резистор для каждого катода, Ом |
12,5 |
||||
|
|
|||||
|
Напряжение, контролирующее предварительный подогрев |
|||||
|
* |
|||||
Информация для расчета светильника
|
Наибольший контур лампы: см. лист 60901-МЭК-А210, с размером Н, мм |
535 |
|
|
Опора конца лампы: расстояние от базовой плоскости цоколя, мм |
не менее |
450 |
|
не более |
485 |
|
|
Зазор между коленами лампы, мм, не менее |
1,8 |
|
* В стадии рассмотрения.
60901-МЭК-6240-1
|
|
ЛАМПА ЛЮМИНЕСЦЕНТНАЯ ОДНОЦОКОЛЬНАЯ ЛИСТ С ПАРАМЕТРАМИ |
С.1 |
|
|
ВЧ |
Двухканальная |
||
МСОЛ: FSDH-55-L/P-2G11
|
Номинальная мощность, Вт |
Схема |
Катод |
Цоколь |
|
55 |
ВЧ бесстартерная |
Предварительного подогрева |
2G11 |
Размеры, мм
|
А, не более |
В, не более |
С, не более |
|
40 |
20 |
535 |
Цоколь: см. лист 7004-82 МЭК 60061-1
Характеристики зажигания
|
Частота, кГц |
Ток предварительного подогрева, А |
Время предварительного подогрева, с |
Напряжение холостого хода (действующее значение), В |
Время зажигания, с |
|
20-26 |
0,760 |
2 |
350 |
0,1 |
Электрические параметры
|
Частота, кГц |
Расчетная мощность, Вт |
Напряжение на лампе (действующее значение), В |
Расчетный ток лампы, А |
||
|
расчетное |
не менее |
не более |
|||
|
20-26 |
55 |
101 |
91 |
111 |
0,550 |
Испытательное положение: горизонтальное с горизонтальной плоскостью, проходящей через каналы.
Примечание - Для уменьшения времени испытания можно применять другие положения по согласованию между изготовителем и испытательным органом. В спорном случае горизонтальное положение должно быть предпочтительным.
Характеристики катода
|
Испытательный ток, А |
Сопротивление каждого катода, Ом |
||
|
расчетное |
не менее |
не более |
|
|
0,545 |
8,0 |
6,4 |
9,6 |
60901-МЭК-6255-1
|
|
ЛАМПА ЛЮМИНЕСЦЕНТНАЯ ОДНОЦОКОЛЬНАЯ ЛИСТ С ПАРАМЕТРАМИ |
С.2 |
|
|
ВЧ |
Двухканальная |
||
МСОЛ: FSDH-55-L/P-2G11
Характеристики образцового ПРА
|
Частота, кГц |
Номинальная мощность, Вт |
Расчетное напряжение, В |
Ток калибровки, А |
Сопротивление, Ом |
|
20-26 |
55 |
202 |
0,550 |
185 |
Информация для расчета ВЧ ПРА
|
Частота, кГц |
≥20 |
||||
|
Ток в любом вводе катодов, А, не более |
0,780 |
||||
|
Рабочий ток лампы, А |
не менее |
0,450 |
|||
|
не более |
0,650 |
||||
|
|
|||||
|
Ток, контролирующий предварительный подогрев |
|||||
|
Наименьший ток предварительного подогрева iK, А, за время эмиссии te, с, te, c, iK = (a/te+i2m)0,5 |
а |
0,580 |
|||
|
im, А |
0,525 |
||||
|
Наибольший ток предварительного подогрева, А |
t ≤ 0,4 |
1,800 |
|||
|
0,4 < t< 2,0 |
2,000-0,500 t |
||||
|
t ≥ 2,0 |
1,000 |
||||
|
Напряжение холостого хода на лампе (действующее значение) без ЗВУ, В |
t ≤ tе |
не более |
220 |
||
|
t >tе |
не менее |
360 |
|||
|
Заменяющий резистор для каждого катода, Ом |
7 |
||||
|
|
|||||
|
Напряжение, контролирующее предварительный подогрев |
|||||
|
* |
|||||
Информация для расчета светильника
|
Наибольший контур лампы: см. лист 60901-МЭК-А210, с размером Н, мм |
535 |
|
|
Опора конца лампы: расстояние от базовой плоскости цоколя, мм |
не менее |
450 |
|
не более |
485 |
|
|
Промежуток между каналами лампы, мм, не менее |
1,8 |
|
* В стадии рассмотрения.
60901-МЭК-6255-1
|
|
ЛАМПА ЛЮМИНЕСЦЕНТНАЯ ОДНОЦОКОЛЬНАЯ ЛИСТ С ПАРАМЕТРАМИ |
С.1 |
|
|
ВЧ |
Многоканальная |
||
МСОЛ: FSMH-12-L/P-2GX24q-l
|
Номинальная мощность, Вт |
Схема |
Катод |
Цоколь |
|
12 |
ВЧ бесстартерная |
Предварительного подогрева |
GX24q-l |
Размеры, мм
|
А, не более |
В, не более |
С, не более |
|
52 |
52 |
90 |
Цоколь: см. лист 7004-78 МЭК 60061-1.
Характеристики зажигания
|
Частота, кГц |
Ток предварительного подогрева, А |
Время предварительного подогрева, с |
Напряжение холостого хода (действующее значение), В |
Время зажигания, с |
|
20-26 |
0,175 |
2 |
380 |
0,1 |
Электрические параметры
|
Частота, кГц |
Расчетная мощность, Вт |
Напряжение на лампе (действующее значение), В |
Расчетный ток лампы, А |
||
|
расчетное |
не менее |
не более |
|||
|
20-26 |
12,5 |
77 |
67 |
87 |
0,165 |
Испытательное положение: вертикальное, цоколем вверх.
Характеристики катода
|
Испытательный ток, А |
Сопротивление каждого катода, Ом |
||
|
расчетное |
не менее |
не более |
|
|
0,135 |
40 |
30 |
50 |
60901-МЭК-7412-1
|
|
ЛАМПА ЛЮМИНЕСЦЕНТНАЯ ОДНОЦОКОЛЬНАЯ ЛИСТ С ПАРАМЕТРАМИ |
С.2 |
|
|
ВЧ |
Многоканальная |
||
МСОЛ: FSMH-12-L/P-GX24q-l
Характеристики образцового ПРА
|
Частота, кГц |
Номинальная мощность, Вт |
Расчетное напряжение, В |
Ток калибровки, А |
Сопротивление, Ом |
|
20-26 |
12 |
155 |
0,165 |
470 |
Информация для расчета ВЧ ПРА
|
Частота, кГц |
≥20 |
|||||
|
Ток в любом вводе катодов, А, не более |
0,240 |
|||||
|
Рабочий ток лампы, А |
не менее |
0,120 |
||||
|
не более |
0,190 |
|||||
|
|
||||||
|
Ток, контролирующий предварительный подогрев |
||||||
|
Наименьший ток предварительного подогрева iK, А, за время эмиссии te, с, te, c, iK = (a/te+i2m)0,5 |
а |
0,025 |
||||
|
im, А |
0,135 |
|||||
|
Наибольший ток предварительного подогрева, А |
t ≤0,4 |
0,400 |
||||
|
0,4 < t < 2,0 |
0,430-0,090? |
|||||
|
t ≥ 2,0 |
0,250 |
|||||
|
Напряжение холостого хода на лампе (действующее значение) без ЗВУ, В |
t ≤ te |
не более |
190 |
|||
|
t > te (+10°C) |
не менее |
380 |
||||
|
t > tе (-15°С) |
не менее |
410* |
||||
|
Заменяющий резистор для каждого катода, Ом |
50 |
|||||
|
|
||||||
|
Напряжение, контролирующее предварительный подогрев |
||||||
|
* |
||||||
Информация для расчета светильника
|
Наибольший контур лампы: см. лист 60901-МЭК-А210, с размером Н, мм |
* |
* В стадии рассмотрения.
60901-МЭК-7412-1
|
|
ЛАМПА ЛЮМИНЕСЦЕНТНАЯ ОДНОЦОКОЛЬНАЯ ЛИСТ С ПАРАМЕТРАМИ |
С.1 |
|
|
ВЧ |
Многоканальная |
||
МСОЛ: FSMH-16-L/P-2GX24q-2
|
Номинальная мощность, Вт |
Схема |
Катод |
Цоколь |
|
16 |
ВЧ бесстартерная |
Предварительного подогрева |
GX24q-2 |
Размеры, мм
|
А, не более |
В, не более |
С, не более |
|
52 |
52 |
ПО |
Цоколь: см. лист 7004-78 МЭК 60061-1.
Характеристики зажигания
|
Частота, кГц |
Ток предварительного подогрева, А |
Время предварительного подогрева, с |
Напряжение холостого хода (действующее значение), В |
Время зажигания, с |
|
20-26 |
0,220 |
2 |
400 |
0,1 |
Электрические параметры
|
Частота, кГц |
Расчетная мощность, Вт |
Напряжение на лампе (действующее значение), В |
Расчетный ток лампы, А |
||
|
расчетное |
не менее |
не более |
|||
|
20-26 |
16,5 |
80 |
70 |
90 |
0,210 |
Испытательное положение: вертикальное, цоколем вверх.
Характеристики катода
|
Испытательный ток, А |
Сопротивление каждого катода, Ом |
||
|
расчетное |
не менее |
не более |
|
|
0,170 |
24 |
18 |
30 |
60901-МЭК-7416-1
|
|
ЛАМПА ЛЮМИНЕСЦЕНТНАЯ ОДНОЦОКОЛЬНАЯ ЛИСТ С ПАРАМЕТРАМИ |
С.2 |
|
|
ВЧ |
Многоканальная |
||
МСОЛ: FSMH-16-L/P-GX24q-2
Характеристики образцового ПРА
|
Частота, кГц |
Номинальная мощность, Вт |
Расчетное напряжение, В |
Ток калибровки, А |
Сопротивление, Ом |
|
20-26 |
16 |
160 |
0,210 |
380 |
Информация для расчета ВЧ ПРА
|
Частота, кГц |
≥20 |
|||||
|
Ток в любом вводе катодов, А, не более |
0,330 |
|||||
|
Рабочий ток лампы, А |
не менее |
0,160 |
||||
|
не более |
0,240 |
|||||
|
|
||||||
|
Ток, контролирующий предварительный подогрев |
||||||
|
Наименьший ток предварительного подогрева iK, А, за время эмиссии te, с, te, c, iK = (a/te+i2m)0,5 |
а |
0,044 |
||||
|
im, А |
0,170 |
|||||
|
Наибольший ток предварительного подогрева, А |
t ≤0,4 |
0,500 |
||||
|
0,4 < t < 2,0 |
0,550-0,115t |
|||||
|
t ≥ 2,0 |
0,320 |
|||||
|
Напряжение холостого хода на лампе (действующее значение) без ЗВУ, В |
t ≤ te |
не более |
220 |
|||
|
t > te (+10°C) |
не менее |
400 |
||||
|
t > tе (-15°С) |
не менее |
440* |
||||
|
Заменяющий резистор для каждого катода, Ом |
30 |
|||||
|
|
||||||
|
Напряжение, контролирующее предварительный подогрев |
||||||
|
* |
||||||
Информация для расчета светильника
|
Наибольший контур лампы: см. лист 60901-МЭК-*, с размером Н, мм |
- |
* В стадии рассмотрения.
60901-МЭК-7416-1
|
|
ЛАМПА ЛЮМИНЕСЦЕНТНАЯ ОДНОЦОКОЛЬНАЯ ЛИСТ С ПАРАМЕТРАМИ |
С.1 |
|
|
ВЧ |
Многоканальная |
||
МСОЛ: FSMH-24-L/P-GX24q-3
|
Номинальная мощность, Вт |
Схема |
Катод |
Цоколь |
|
24 |
ВЧ бесстартерная |
Предварительного подогрева |
GX24q-3 |
Размеры, мм
|
А, не более |
В, не более |
С, не более |
|
52 |
52 |
130 |
Цоколь: см. лист 7004-78 МЭК 60061-1.
Характеристики зажигания
|
Частота, кГц |
Ток предварительного подогрева, А |
Время предварительного подогрева, с |
Напряжение холостого хода (действующее значение), В |
Время зажигания, с |
|
20-26 |
0,360 |
2 |
420 |
0.1 |
Электрические параметры
|
Частота, кГц |
Расчетная мощность, Вт |
Напряжение на лампе (действующее значение), В |
Расчетный ток лампы, А |
||
|
расчетное |
не менее |
не более |
|||
|
20-26 |
24 |
80 |
70 |
90 |
0,300 |
Испытательное положение: вертикальное, цоколем вверх.
Характеристики катода
|
Испытательный ток, А |
Сопротивление каждого катода, Ом |
||
|
расчетное |
не менее |
не более |
|
|
0,250 |
12 |
9 |
15 |
60901-МЭК-7424-1
|
|
ЛАМПА ЛЮМИНЕСЦЕНТНАЯ ОДНОЦОКОЛЬНАЯ ЛИСТ С ПАРАМЕТРАМИ |
С.2 |
|
|
ВЧ |
Многоканальная |
||
МСОЛ: FSMH-24-L/P-GX24q-3
Характеристики образцового ПРА
|
Частота, кГц |
Номинальная мощность, Вт |
Расчетное напряжение, В |
Ток калибровки, А |
Сопротивление, Ом |
|
20-26 |
24 |
160 |
0,300 |
265 |
Информация для расчета ВЧ ПРА
|
Частота, кГц |
≥20 |
|||||
|
Ток в любом вводе катодов, А, не более |
0,480 |
|||||
|
Рабочий ток лампы, А |
не менее |
0,220 |
||||
|
не более |
0,360 |
|||||
|
|
||||||
|
Ток, контролирующий предварительный подогрев |
||||||
|
Наименьший ток предварительного подогрева iK, А, за время эмиссии te, с, te, c, iK = (a/te+i2m)0,5 |
а |
0,130 |
||||
|
im, А |
0,250 |
|||||
|
Наибольший ток предварительного подогрева, А |
t ≤0,4 |
0,850 |
||||
|
0,4 < t < 2,0 |
0,940-0,230 t |
|||||
|
t ≥ 2,0 |
0,480 |
|||||
|
Напряжение холостого хода на лампе (действующее значение) без ЗВУ, В |
t ≤ te |
не более |
240 |
|||
|
t > te (+10°C) |
не менее |
420 |
||||
|
t > tе (-15°С) |
не менее |
480* |
||||
|
Заменяющий резистор для каждого катода, Ом |
15 |
|||||
|
|
||||||
|
Напряжение, контролирующее предварительный подогрев |
||||||
|
* |
||||||
Информация для расчета светильника
|
Наибольший контур лампы: см. лист 60901-МЭК-*, с размером Н, мм |
* |
* В стадии рассмотрения.
60901-МЭК-7424-1
|
|
ЛАМПА ЛЮМИНЕСЦЕНТНАЯ ОДНОЦОКОЛЬНАЯ ЛИСТ С ПАРАМЕТРАМИ |
С.1 |
|
|
ВЧ |
Многоканальная |
||
МСОЛ: FSMH-32-L/P-GX24q-3
|
Номинальная мощность, Вт |
Схема |
Катод |
Цоколь |
|
24 |
ВЧ бесстартерная |
Предварительного подогрева |
GX24q-3 |
Размеры, мм
|
А, не более |
В, не более |
С, не более |
|
52 |
52 |
145 |
Цоколь: см. лист 7004-78 МЭК 60061-1.
Характеристики зажигания
|
Частота, кГц |
Ток предварительного подогрева, А |
Время предварительного подогрева, с |
Напряжение холостого хода (действующее значение), В |
Время зажигания, с |
|
20-26 |
0,360 |
2 |
220 |
0,1 |
Электрические параметры
|
Частота, кГц |
Расчетная мощность, Вт |
Напряжение на лампе (действующее значение), В |
Расчетный ток лампы, А |
||
|
расчетное |
не менее |
не более |
|||
|
20-26 |
32 |
100 |
90 |
НО |
0,320 |
Испытательное положение: вертикальное, цоколем вверх.
Характеристики катода
|
Испытательный ток, А |
Сопротивление каждого катода, Ом |
||
|
расчетное |
не менее |
не более |
|
|
0,250 |
12 |
9 |
15 |
60901-МЭК-7432-1
|
|
ЛАМПА ЛЮМИНЕСЦЕНТНАЯ ОДНОЦОКОЛЬНАЯ ЛИСТ С ПАРАМЕТРАМИ |
С.2 |
|
|
ВЧ |
Многоканальная |
||
МСОЛ: FSMH-32-L/P-GX24q-3
Характеристики образцового ПРА
|
Частота, кГц |
Номинальная мощность, Вт |
Расчетное напряжение, В |
Ток калибровки, А |
Сопротивление, Ом |
|
20-26 |
32 |
200 |
0,320 |
315 |
Информация для расчета ВЧ ПРА
|
Частота, кГц |
≥20 |
||||
|
Ток в любом вводе катодов, А, не более |
0,480 |
||||
|
Рабочий ток лампы, А |
не менее |
0,220 |
|||
|
не более |
0,360 |
||||
|
|
|||||
|
Ток, контролирующий предварительный подогрев |
|||||
|
Наименьший ток предварительного подогрева iK, А, за время эмиссии te, с, te, c, iK = (a/te+i2m)0,5 |
а |
0,130 |
|||
|
im, А |
0,250 |
||||
|
Наибольший ток предварительного подогрева, А |
t ≤0,4 |
0,850 |
|||
|
0,4 < t < 2,0 |
0,940-0,230 t |
||||
|
t ≥ 2,0 |
0,480 |
||||
|
Напряжение холостого хода на лампе (действующее значение) без ЗВУ, В |
t ≤ te |
не более |
240 |
||
|
t > te (+10°C) |
не менее |
440 |
|||
|
t > tе (-15°С) |
не менее |
520* |
|||
|
Заменяющий резистор для каждого катода, Ом |
15 |
||||
|
|
|||||
|
Напряжение, контролирующее предварительный подогрев |
|||||
|
* |
|||||
Информация для расчета светильника
|
Наибольший контур лампы: см. лист 60901-МЭК-*, с размером Н, мм |
* |
* В стадии рассмотрения.
60901-МЭК-7432-1
|
|
ЛАМПА ЛЮМИНЕСЦЕНТНАЯ ОДНОЦОКОЛЬНАЯ ЛИСТ С ПАРАМЕТРАМИ |
С.1 |
|
|
ВЧ |
Многоканальная |
||
МСОЛ: FSMH-42-L/P-GX24q-4
|
Номинальная мощность, Вт |
Схема |
Катод |
Цоколь |
|
42 |
ВЧ бесстартерная |
Предварительного подогрева |
GX24q-4 |
Размеры, мм
|
А, не более |
В, не более |
С, не более |
|
52 |
52 |
155 |
Цоколь: см. лист 7004-78 МЭК 60061-1.
Характеристики зажигания
|
Частота, кГц |
Ток предварительного подогрева, А |
Время предварительного подогрева, с |
Напряжение холостого хода (действующее значение), В |
Время зажигания, с |
|
20-26 |
0,360 |
2 |
550 |
0,1 |
Электрические параметры
|
Частота, кГц |
Расчетная мощность, Вт |
Напряжение на лампе (действующее значение), В |
Расчетный ток лампы, А |
||
|
расчетное |
не менее |
не более |
|||
|
20-26 |
43 |
135 |
125 |
145 |
0,320 |
Испытательное положение: вертикальное, цоколем вверх.
Характеристики катода
|
Испытательный ток, А |
Сопротивление каждого катода, Ом |
||
|
расчетное |
не менее |
не более |
|
|
0,310 |
13 |
10,4 |
15,6 |
60901-МЭК-7442-1
|
|
ЛАМПА ЛЮМИНЕСЦЕНТНАЯ ОДНОЦОКОЛЬНАЯ ЛИСТ С ПАРАМЕТРАМИ |
С.2 |
|
|
ВЧ |
Многоканальная |
||
МСОЛ: FSMH-42-L/P-GX24q-4
Характеристики образцового ПРА
|
Частота, кГц |
Номинальная мощность, Вт |
Расчетное напряжение, В |
Ток калибровки, А |
Сопротивление, Ом |
|
20-26 |
42 |
270 |
0,320 |
420 |
Информация для расчета ВЧ ПРА
|
Частота, кГц |
≥20 |
|||||
|
Ток в любом вводе катодов, А, не более |
0,480 |
|||||
|
Рабочий ток лампы, А |
не менее |
0,220 |
||||
|
не более |
0,360 |
|||||
|
|
||||||
|
Ток, контролирующий предварительный подогрев |
|
|||||
|
Наименьший ток предварительного подогрева iK, А, за время эмиссии te, с, te, c, iK = (a/te+i2m)0,5 |
а |
0,130 |
||||
|
im, А |
0,250 |
|||||
|
Наибольший ток предварительного подогрева, А |
t ≤ 0,4 |
0,850 |
||||
|
0,4 < t < 2,0 |
0,940-0,230 t |
|||||
|
t ≥ 2,0 |
0,480 |
|||||
|
Напряжение холостого хода на лампе (действующее значение) без ЗВУ, В |
t ≤ te |
не более |
265 |
|||
|
t > te (+10°C) |
не менее |
550 |
||||
|
t > tе (-15°С) |
не менее |
575* |
||||
|
Заменяющий резистор для каждого катода, Ом |
15 |
|||||
|
|
||||||
|
Напряжение, контролирующее предварительный подогрев |
||||||
|
* |
||||||
Информация для расчета светильника
|
Наибольший контур лампы: см. лист 60901-МЭК-*, с размером Н, мм |
* |
* В стадии рассмотрения.
60901-МЭК-7442-1
|
|
ЛАМПА ЛЮМИНЕСЦЕНТНАЯ ОДНОЦОКОЛЬНАЯ ЛИСТ С ПАРАМЕТРАМИ |
|
|
|
ВЧ |
Двухканальная |
||
МСОЛ: FSDH-40-L/N-2G11
|
Номинальная мощность, Вт |
Схема |
Катод |
Цоколь |
|
40 |
ВЧ бесстартерная |
Предварительного подогрева |
2G11 |
Размеры, мм
|
А, не более |
В, не более |
С, не более |
|
40 |
20 |
535 |
Цоколь: см. лист 7004-82 МЭК 60061-1.
Характеристики зажигания
|
Частота, кГц |
Напряжение холостого хода (действующее значение), В |
Время зажигания, с |
|
20-26 |
475 |
0,1 |
Электрические параметры
|
Частота, кГц |
Расчетная мощность, Вт |
Напряжение на лампе (действующее значение), В |
Расчетный ток лампы, А |
||
|
расчетное |
не менее |
не более |
|||
|
20-26 |
40 |
126 |
116 |
136 |
0,320 |
Испытательное положение: горизонтальное с горизонтальной плоскостью, проходящей через каналы.
Примечание - Для уменьшения времени испытания можно применять другие положения по согласованию между изготовителем и испытательным органом. В спорном случае горизонтальное положение должно быть предпочтительным.
Характеристики образцового ПРА
|
Частота, кГц |
Номинальная мощность, Вт |
Расчетное напряжение, В |
Ток калибровки, А |
Сопротивление, Ом |
|
20-26 |
40 |
254 |
0,320 |
400 |
Информация для расчета ВЧ ПРА
|
Частота, кГц |
≥20 |
|
|
Напряжение холостого хода на лампе (действующее значение), В, не менее |
800 |
|
|
Ток через резистор, заменяющий лампу, А, не менее |
0,200 |
|
|
Резистор, заменяющий лампу, Ом |
1000 |
|
|
Заменяющий резистор для каждого катода, Ом |
2 |
|
|
Ток катода, А, не более |
1,500 |
|
|
Ток в любом вводе катодов, А, не более |
0,640 |
|
|
Рабочий ток лампы, А |
не менее |
0,260 |
|
не более |
0,425 |
|
Информация для расчета светильника
|
Наибольший контур лампы: см. лист 60901-МЭК-А210, с размером Н, мм |
535 |
|
|
Опора конца лампы: расстояние от базовой плоскости цоколя, мм |
не менее |
450 |
|
не более |
485 |
|
|
Зазор между каналами лампы, мм, не менее |
|
1,8 |
60901-МЭК-8240-1
2.4. Листы с наибольшими контурами ламп
2.4.1. Перечень листов с наибольшими контурами ламп
|
Номер листа |
Форма |
Цоколь |
Мощность, Вт |
|
60901-МЭК-А010 |
Двухканальная |
G23, GX23 |
Все |
|
-А110 |
» |
GY10q |
27, 28, 36 |
|
-А120 |
» |
CY10q |
30 |
|
-А210 |
» |
2G11 |
Все |
|
-А510 |
Четырехканальная |
G24d, G24q |
» |
|
-А610 |
» |
GX10q |
» |
|
-А710 |
» |
GX32d |
» |
|
-В010 |
Квадратная |
GR10q |
10 |
|
-В020 |
» |
GR8, GR10q |
16, 21 |
|
-В030 |
» |
GR8, GR10q |
28, 38 |
|
60901-МЭК-В110 |
» |
2G10 |
Все |
|
|
ЛАМПА ЛЮМИНЕСЦЕНТНАЯ ОДНОЦОКОЛЬНАЯ ЛИСТ С НАИБОЛЬШИМ КОНТУРОМ ЛАМПЫ |
|
|
|
Цоколь: G23, GХ23 |
Двухканальная |
||
Размеры в миллиметрах
Все номинальные мощности

Размер Н приведен на соответствующем листе с параметрами лампы.
60901-МЭК-А010-1
|
|
ЛАМПА ЛЮМИНЕСЦЕНТНАЯ ОДНОЦОКОЛЬНАЯ ЛИСТ С НАИБОЛЬШИМ КОНТУРОМ ЛАМПЫ |
|
|
|
Цоколь: GY10q |
Двухканальная |
||
Размеры в миллиметрах
Номинальная мощность, Вт: 27, 28, 36

Размер Н приведен на соответствующем листе с параметрами лампы.
60901-МЭК-А110-1
|
|
ЛАМПА ЛЮМИНЕСЦЕНТНАЯ ОДНОЦОКОЛЬНАЯ ЛИСТ С НАИБОЛЬШИМ КОНТУРОМ ЛАМПЫ |
|
|
|
Цоколь: GY10q |
Двухканальная |
||
Размеры в миллиметрах
Номинальная мощность, Вт: 30

Размер Н приведен на соответствующем листе с параметрами лампы.
60901-МЭК-А120-1
|
|
ЛАМПА ЛЮМИНЕСЦЕНТНАЯ ОДНОЦОКОЛЬНАЯ ЛИСТ С НАИБОЛЬШИМ КОНТУРОМ ЛАМПЫ |
|
|
|
Цоколь: 2G11 |
Двухканальная |
||
Размеры в миллиметрах
Все номинальные мощности

Размер Н приведен на соответствующем листе с параметрами лампы.
60901-МЭК-А210-1
|
|
ЛАМПА ЛЮМИНЕСЦЕНТНАЯ ОДНОЦОКОЛЬНАЯ ЛИСТ С НАИБОЛЬШИМ КОНТУРОМ ЛАМПЫ |
|
|
|
Цоколь: G24d, G24q |
Четырехканальная |
||
Размеры в миллиметрах
Все номинальные мощности

Размер Н приведен на соответствующем листе с параметрами лампы.
60901-МЭК-А510-1
|
|
ЛАМПА ЛЮМИНЕСЦЕНТНАЯ ОДНОЦОКОЛЬНАЯ ЛИСТ С НАИБОЛЬШИМ КОНТУРОМ ЛАМПЫ |
|
|
|
Цоколь: GX10q |
Четырехканальная |
||
Размеры в миллиметрах
Все номинальные мощности

Размер H приведен на соответствующем листе с параметрами лампы.
60901-МЭК-А610-1
|
|
ЛАМПА ЛЮМИНЕСЦЕНТНАЯ ОДНОЦОКОЛЬНАЯ ЛИСТ С НАИБОЛЬШИМ КОНТУРОМ ЛАМПЫ |
|
|
|
Цоколь: GX32d |
Четырехканальная |
||
Размеры в миллиметрах
Все номинальные мощности

Размер Н приведен на соответствующем листе с параметрами лампы.
60901-МЭК-А710-1
|
|
ЛАМПА ЛЮМИНЕСЦЕНТНАЯ ОДНОЦОКОЛЬНАЯ ЛИСТ С НАИБОЛЬШИМ КОНТУРОМ ЛАМПЫ |
|
|
|
Цоколь: GR10q |
Квадратная |
||
Размеры в миллиметрах
Номинальная мощность, Вт: 10

60901-МЭК-В010-1
|
|
ЛАМПА ЛЮМИНЕСЦЕНТНАЯ ОДНОЦОКОЛЬНАЯ ЛИСТ С НАИБОЛЬШИМ КОНТУРОМ ЛАМПЫ |
|
|
|
Цоколь: GR8, GR10q |
Квадратная |
||
Размеры в миллиметрах
Номинальная мощность, Вт: 16, 21

60901-МЭК-В020-1
|
|
ЛАМПА ЛЮМИНЕСЦЕНТНАЯ ОДНОЦОКОЛЬНАЯ ЛИСТ С НАИБОЛЬШИМ КОНТУРОМ ЛАМПЫ |
|
|
|
Цоколь: GR8, GR10q |
Квадратная |
||
Размеры в миллиметрах
Номинальная мощность, Вт: 28, 38

60901-МЭК-В030-1
|
|
ЛАМПА ЛЮМИНЕСЦЕНТНАЯ ОДНОЦОКОЛЬНАЯ ЛИСТ С НАИБОЛЬШИМ КОНТУРОМ ЛАМПЫ |
|
|
|
Цоколь: 2G10 |
Квадратная |
||
Размеры в миллиметрах
Все номинальные мощности

Размер Н приведен на соответствующем листе с параметрами лампы.
60901-МЭК-В110-1
Ключевые слова: эксплуатационные требования, параметры, размеры
|
|
|
|