//
|
|
РОССИЙСКОЕ АКЦИОНЕРНОЕ ОБЩЕСТВО ЭНЕРГЕТИКИ ДЕПАРТАМЕНТ НАУЧНО-ТЕХНИЧЕСКОЙ ПОЛИТИКИ И РАЗВИТИЯ ТЕХНИЧЕСКИЕ УСЛОВИЯ РД 153-34.1-35.108-2001
Разработано Открытым акционерным обществом «Фирма по наладке, совершенствованию технологии и эксплуатации электростанций и сетей ОРГРЭС» Исполнители Н.И. ЧУЧКИНА, Л.М. КАПЕЛЬСОН Утверждено Департаментом научно-технической политики развития РАО «ЕЭС России» 23.03.2001 г. Первый заместитель начальника А.П. ЛИВИЙСКИЙ Настоящие Технические условия разработаны по поручению Департамента научно-технической политики развития РАО «ЕЭС России» и являются собственностью РАО. Перепечатка Технических условий и применение их в других отраслях промышленности России, а также в странах ближнего зарубежья допускается исключительно с разрешения Собственника. Срок первой проверки настоящего РД - 2004 г., периодичность проверки - один раз в 3 года. Ключевые слова: технологическая защита, блокировка, мазут, природный газ, котельные установки. СОДЕРЖАНИЕ
Дата введения 2002 - 07 - 01 год - месяц - число 1 ОБЩАЯ ЧАСТЬ1.1 Технические условия составлены на основании ПБ 12-368-00 [1] и РД 34.03.351-93 [2]. 1.2 Документ распространяется на действующие, вновь вводимые в эксплуатацию и модернизируемые котельные установки паропроизводительностью 50 т/ч и выше и водогрейные котельные установки тепловой производительностью 30 Гкал/ч и выше, сжигающие газ и/или мазут. Для котельных установок, у которых на линии подвода газа к горелкам установлены газовые блоки фирмы ЗАО «АМАКС», технические условия на выполнение защит и блокировок несколько отличаются от изложенных в данном документе. Для этого оборудования выпущен специальный документ. 1.3 Правилами [1] и [2] предъявляются различные требования к оснащению горелочных устройств арматурой и запально-защитными устройствами (ЗЗУ). 1.3.1 При сжигании мазута предъявляются следующие требования: На вновь проектируемых газомазутных и мазутных котлах мощностью более 100 Гкал/ч на линии подвода мазута к каждой горелке устанавливается запорное устройство с электроприводом и предохранительно-запорный клапан (ПЗК). Горелки оснащаются ЗЗУ. На вновь проектируемых пылеугольных котлах любой мощности и газомазутных котлах мощностью до 100 Гкал/ч включительно допускается установка на линии подвода мазута к горелке одного запорного устройства с электроприводом и другого - с ручным или электрическим приводом. Все мазутные горелки этих котлов оснащаются ЗЗУ. На действующих котлах любой мощности допускается установка на линии подвода мазута к горелкам одного запорного устройства с электроприводом и другого - с ручным или электрическим приводом. Горелки, с которых может начинаться растопка этих котлов, оснащаются ЗЗУ, остальные горелки могут быть оснащены запальными устройствами (ЗУ) или ЗЗУ. При установке на линии подвода мазута к горелке ПЗК и задвижки с электроприводом рекомендуемый порядок их установки дан в п. 2.2.4 [3], а именно: сначала устанавливается ПЗК, а затем задвижка. 1.3.2 При сжигании газа предъявляются следующие требования: На линии подвода газа к горелкам котлов тепловой производительностью более 420 ГДж/ч (100 Гкал/ч) требуется установка двух запорных устройств с электроприводом, в качестве которых могут быть использованы как ПЗК, так и задвижки. Все газовые горелки этих котлов оснащаются всережимным ЗЗУ, т.е. ЗЗУ, способным обеспечивать селективный контроль факела горелки во всех режимах работы котла. При установке на линии подвода газа к горелке ПЗК и задвижки с электроприводом рекомендуемый порядок их установки следующий: сначала по ходу газа устанавливается ПЗК, а затем задвижка. 1.3.3 На котлах, все горелки которых на газе и/или на мазуте оснащены ПЗК, запорным устройством с электроприводом и ЗЗУ («котлы с ПЗК у горелок»), растопка может начинаться с розжига любой горелки. При этом контролируется факел каждой горелки. До ввода защиты по общему факелу горение контролируется защитой, срабатывающей при невоспламенении факела горелки, разжигаемой первой, или при погасании факела всех горелок. При погасании факела второй, третьей и т.д. разжигаемой горелки закрываются защитой запорные устройства на линии подвода топлива к этой горелке. После ввода защиты по общему факелу контроль факела горелок, оснащенных всережимным ЗЗУ, сохраняется: при погасании факела горелки закрываются защитой запорные устройства на линии подвода топлива к этой горелке. 1.3.4 На котлах, сжигающих газ, где нет ПЗК на каждой газовой горелке («котлы без ПЗК у горелок»), выделяется растопочная группа горелок, растопка может начинаться с розжига любой из этих горелок. При растопке на газе контролируется розжиг и горение каждой горелки растопочной группы. До ввода защиты по общему факелу горение контролируется защитой, срабатывающей при неуспешном розжиге или погасании любой горелки растопочной группы. После того, как разожжены все газовые горелки растопочной группы, разрешается розжиг остальных горелок и вводится защита по общему факелу. 1.3.5 На котлах, сжигающих мазут, где нет ПЗК на каждой мазутной горелке («котлы без ПЗК у горелок»), выделяется группа мазутных горелок, с которых может начинаться растопка котла из разных тепловых состояний. Каждая из этих горелок оснащается ЗЗУ, селективно контролирующим факел горелки хотя бы во время растопки, и растопка может начинаться с розжига любой из этих горелок. При растопке на мазуте контролируется факел каждой горелки, оснащенной ЗЗУ. До ввода защиты по общему факелу горение контролируется защитой, срабатывающей при невоспламенении факела горелки, разжигаемой первой, или при погасании факела всех горелок, оснащенных ЗЗУ. После ввода защиты по общему факелу сохраняется контроль факела каждой горелки, оснащенной всережимным ЗЗУ: при погасании факела горелки закрываются защитой запорные устройства на линии подвода мазута к данной горелке. 1.4 Технические условия приняты с учетом следующего: 1.4.1 На котлах, работающих на нескольких видах топлива, растопка производится с использованием только одного вида топлива. 1.4.2 Если одно запорное устройство на линии подвода топлива к горелке не имеет электропривода, подача этого топлива к горелке при ее розжиге осуществляется при полностью открытом ручном запорном устройстве с помощью электрифицированного запорного устройства, которое участвует во всех блокировках и защитах. 1.4.3 Если в качестве ПЗК или других запорных устройств установлена арматура с пневмоприводом, на нее распространяются все условия, принятые для арматуры с электроприводом. 1.4.4 На котлах, оснащенных двухпоточными газовыми горелками, растопка ведется при закрытых запорных устройствах на периферийной линии подвода газа к горелке, на открытие которых налагается запрет при закрытых запорных устройствах на центральной линии подвода газа к горелке. В защитных блокировках участвуют запорные устройства на центральной линии подвода газа; защиты, отключающие данную горелку, действуют на все запорные устройства. 1.4.5 Расход мазута измеряется с учетом его рециркуляции в обратную магистраль. Установка расходомера на линии рециркуляции осуществляется в соответствии с требованиями РД 34.03.351-93 [2]. На газомазутных котлах для использования в схемах защит и блокировок допускается определение расхода мазута как приведенной разности между общим расчетным расходом топлива при данной паропроизводительности котла и расходом газа. При применении микропроцессорной техники защиты паровых котлов, действующие на останов котла при изменении параметра, выполняются с использованием трех датчиков аналогового сигнала, локальные защиты, защиты водогрейных котлов и блокировки могут выполняться с использованием одного датчика. Контроль достоверности сигнала каждого датчика и сравнение сигналов датчиков одного параметра между собой осуществляются до их сравнения с уставкой защиты. 1.4.7 Ввод и вывод защит и блокировок, препятствующих пуску котла, должны производиться: - на вновь проектируемых котлах и котлах, проекты автоматизации которых выполнены после 01.08.87 г., - автоматически; - на остальных котлах для защит по погасанию общего факела в топке и основного факела горелок при растопке («Невоспламенение при растопке»), а также всех блокировок - автоматически, для остальных защит - либо автоматически, либо существующими в схемах защит средствами ввода-вывода. 1.4.8 Признак «Начало растопки» формулируется: На котлах без ПЗК у газовых горелок при растопке на газе - «не закрыта задвижка на линии подвода топлива к котлу и начало открываться второе запорное устройство на линии подвода этого топлива к любой горелке растопочной группы». На остальных котлах - «не закрыта задвижка на линии подвода топлива к котлу и начало открываться второе запорное устройство на линии подвода этого топлива к любой горелке». 1.4.9 Признак «Останов котла» формируется с выдержкой времени до 3 мин от начала выполнения программы автоматического останова котла («Сработало РОК»). 1.5 На рисунках 1 - 34 даны логические схемы защит и блокировок, учитывающие различные варианты оснащения горелок котлов запорными и запальными устройствами и различные виды сжигаемого топлива. Номера рисунков, используемых при проектировании защит и блокировок разных типов котлов, приведены в приложении А. Условные обозначения элементов схем приведены в приложении Б. 1.6 С выходом настоящих Технических условий утрачивают силу «Технические условия на выполнение технологических защит и блокировок при использовании мазута и природного газа в котельных установках в соответствии с требованиями взрывобезопасности» (М.: СПО ОРГРЭС, 1997). 2 ПЕРЕЧЕНЬ ТЕХНОЛОГИЧЕСКИХ ЗАЩИТ И БЛОКИРОВОК2.1 Защиты, действующие на останов котла2.1.1 Погасание общего факела в топке (см. рисунки 5 - 9). 2.1.2 Отключение всех дымососов (см. рисунок 10). 2.1.3 Отключение всех дутьевых вентиляторов (см. рисунок 10). 2.1.4 Отключение всех регенеративных воздухоподогревателей (см. рисунок 10). 2.1.5 Понижение давления газа (см. рисунки 11 - 14). 2.1.6 Понижение давления мазута (см. рисунки 15 - 17). 2.2 Защиты,
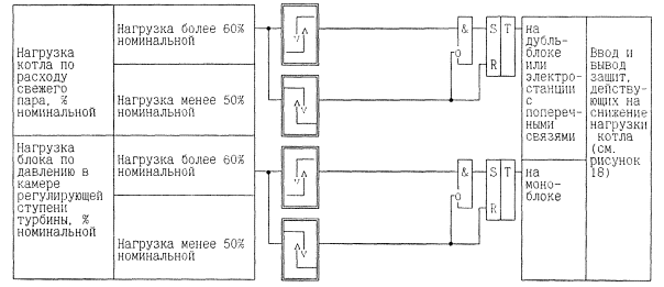
действующие на снижение нагрузки котла до 50 % номинальной
| |||||||||||||||||||||||||||||||||||||||||||||||||||||||||||||||||||||||||||||||||||||||||||||||||||||||||||||||||||||||||||||||||||||||||||||||||||||||||||||||||||||||||||||||||||||||||||||||||||||||||||||||||||||||||||||||||||||||||||||||||||||||||||||||||||||||||||||||||||||||||||||||||||||
|
Наименование защиты или блокировки |
Тип котла по виду топлива |
||||||||
|
Газовый |
Мазутный |
Газомазутный |
Пылеугольный |
Пылегазовый |
|||||
|
с ПЗК |
без ПЗК |
с ПЗК |
без ПЗК |
с ПЗК |
без ПЗК |
без ПЗК |
с ПЗК (газ) |
без ПЗК |
|
|
Ввод защит при начале растопки |
1 |
2 |
1 |
2 |
3 |
2 |
3 |
||
|
Условия ввода защит, снижающих нагрузку котла до 50 % номинальной |
4 |
||||||||
|
Погасание общего факела в топке |
5 |
6 |
5 |
7 |
8 |
9 |
|||
|
Отключение тягодутьевых механизмов и РВП котла |
10 |
||||||||
|
Понижение давления газа |
11 |
- |
13 |
- |
14 |
||||
|
Понижение давления газа на котле под наддувом |
12 |
- |
- |
- |
- |
||||
|
Понижение давления мазута |
- |
15 |
16 |
17 |
17 |
||||
|
Отключение одного из двух тягодутьевых механизмов и РВП |
18 |
||||||||
|
Невоспламенение при растопке |
19 |
20 |
19 |
21 |
22 |
19 |
21 |
22 |
|
|
То же для пылеугольного котла АО ПМЗ |
- |
- |
- |
23 |
- |
||||
|
Невоспламенение или погасание факела горелки |
24 |
||||||||
|
Условия вентиляции топки |
25 |
||||||||
|
Запрет розжига без вентиляции |
26, 31 |
26 |
27, 31 |
28 |
29, 30, 31 |
||||
|
Запрет розжига горелки, не относящейся к растопочной группе |
- |
31 |
- |
31 |
- |
31 |
|||
|
Запрет подачи топлива к котлу |
32 |
||||||||
|
Запрет при прекращении подачи воздуха в горелку |
32 |
||||||||
|
Запрет розжига горелки: - без факела запальника; - при ложной работе датчика факела горелки |
33 |
||||||||
|
Запрет открытия второго запорного устройства при закрытом первом |
33 |
||||||||
|
Блокировки запорного устройства на трубопроводе безопасности |
34 |
- |
34 |
- |
34 |
||||
|
Блокировки паровой и мазутной магистралей мазутной горелки |
- |
34 |
34 |
34 |
34 |
||||
(справочное)
|
Наименование устройства |
Обозначение |
|
Наименование логического элемента |
Обозначение |
|
Концевой выключатель запорного устройства в положении «Не открыто» |
|
«ИЛИ» |
|
|
|
Концевой выключатель запорного устройства в положении «Закрыто» |
|
«НЕ» |
|
|
|
Концевой выключатель запорного устройства в положении «Открыто» |
|
«И» |
|
|
|
Концевой выключатель запорного устройства в положении «Не закрыто» |
|
«И» с одним инверсным входом |
|
|
|
Пороговый элемент, срабатывающий при понижении параметра |
|
Триггер (память) |
|
|
|
Пороговый элемент, срабатывающий при повышении параметра |
|
Выдержка времени |
|
|
|
Контакт реле, дискретный сигнал |
|
Импульс |
|
Рисунок 1 - Ввод защит при начале растопки и
вывод после останова котла.
Газовый котел с ПЗК у горелок, мазутный котел с ПЗК у горелок

Рисунок 2 - Ввод защит при начале растопки и вывод после останова
котла.
Газовый котел без ПЗК у горелок, мазутный котел без ПЗК у горелок, пылеугольный
котел

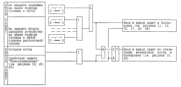
Рисунок 3 - Ввод защит при начале растопки и вывод после останова котла. Газомазутный, пылегазовый котлы
Примечание - Для котлов с ПЗК: «Не закрыто второе запорное устройство на линии подвода газа к любой горелке». Для котлов без ПЗК: «Не закрыто второе запорное устройство на линии подвода газа к любой горелке растопочной группы».

Рисунок 4 - Условия автоматического ввода защит, снижающих нагрузку котла до 50 % номинальной
Рисунок 5 - Защита по погасанию общего факела в топке.
Газовый котел с ПЗК у горелок, мазутный котел
Примечание - Комплекты 3 и 4 для котлов с двусветным экраном.

Рисунок 6 - Защита по погасанию общего факела в топке.
Газовый котел без ПЗК у горелок
Примечание - Комплекты 3 и 4 для котлов с двусветным экраном.

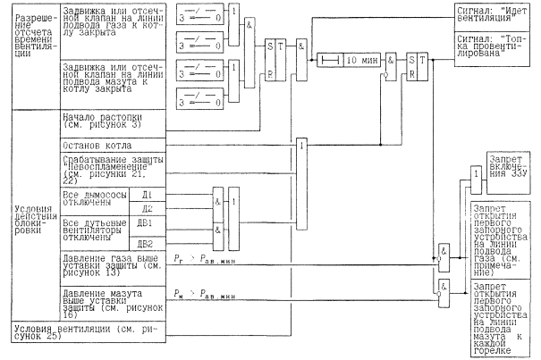
Рисунок 7 - Защита по погасанию общего факела в топке. Газомазутный котел
Примечания
1 Комплекты 3 и 4 - для котлов с двусветным экраном.
2 Выполняется один из вариантов в зависимости от наличия или отсутствия ПЗК на линии подвода газа к горелкам.

Рисунок 8 - Защита по погасанию общего факела в топке. Пылеугольный котел
Примечания
1 Комплекты 3 и 4 - для котлов с двусветным экраном.
2 Условие контролируется для всех котлов, кроме котлов АО ПМЗ. Для котлов АО ПМЗ контролируется условие: «Расход мазута более 90 % растопочного».
Рисунок 9 - Защита по погасанию общего факела в топке. Пылегазовый котел
Примечания
1 Комплекты 3 и 4 - для котлов с двусветным экраном.
2 Выполняется один из вариантов в зависимости от наличия или отсутствия ПЗК на линии подвода газа к горелкам.
Рисунок 10 - Защита по отключению тягодутьевых механизмов и регенеративных воздухоподогревателей котла
Примечание - При коммутации силовых цепей электродвигателей РВП контактами магнитных пускателей защита действует с выдержкой времени до 9 с.
Рисунок 11 - Защита по понижению давления газа. Газовый котел
Примечание - Количество датчиков при выполнении защиты на микропроцессорной технике - см. п. 1.4.6.

Рисунок 12 - Защита по понижению давления газа на котле, работающем под наддувом. Газовый котел
Примечание - Количество датчиков при выполнении защиты на микропроцессорной технике см. п. 1.4.6.

Рисунок 13 - Защита по понижению давления газа. Газомазутный котел
Примечание - Количество датчиков при выполнении защиты на микропроцессорной технике - см. п. 1.4.6.
Рисунок 14 - Защита по понижению давления газа. Пылегазовый котел
Примечание - Количество датчиков при выполнении защиты на микропроцессорной технике - см. п. 1.4.6.
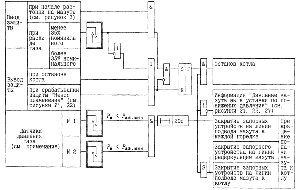
Рисунок 15 - Защита по понижению давления мазута. Мазутный котел
Примечание - Количество датчиков при выполнении защиты на микропроцессорной технике - см. п. 1.4.6.

Рисунок 16 - Защита по понижению давления мазута. Газомазутный котел
Примечание - Количество датчиков при выполнении защиты на микропроцессорной технике - см. п. 1.4.6.
Рисунок 17 - Защита по понижению давления мазута.
Пылеугольный и пылегазовый котлы
Примечание - Количество датчиков при выполнении защиты на микропроцессорной технике - см. п. 1.4.6.
Рисунок 18 - Защита по отключению одного из двух тягодутьевых механизмов или регенеративных воздухоподогревателей котла
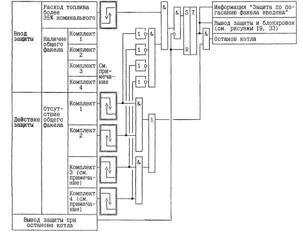
Рисунок 19 - Защита «Невоспламенение первой или погасание факела всех газовых горелок, оснащенных ПЗК и ЗЗУ, или всех мазутных горелок, оснащенных ЗЗУ, при розжиге котла». Пылеугольный котел (кроме котлов АО ПМЗ), газовый и мазутный котлы
Примечание - Алгоритм сигнала о прекращении подачи пыли в котел определяется при проектировании
Рисунок 20 - Защита «Невоспламенение или погасание факела любой газовой горелки растопочной группы при розжиге котла». Газовый котел без ПЗК у горелок
Рисунок 21 - Защита «Невоспламенение первой или погасание факела всех газовых горелок, оснащенных ПЗК и ЗЗУ, или всех мазутных горелок, оснащенных ЗЗУ, при розжиге котла». Газомазутный и пылегазовый котлы
Рисунок 22 - Защита «Невоспламенение или погасание факела любой газовой горелки растопочной группы при розжиге на газе котла без ПЗК у газовых горелок». Газомазутный и пылегазовый котлы
Примечание - Алгоритм сигнала о прекращении подачи пыли в котел определяется при проектировании.
Рисунок 23 - Защита «Невоспламенение первой или погасание факела всех газовых горелок, оснащенных ПЗК и ЗЗУ, или всех мазутных горелок, оснащенных ЗЗУ, при розжиге котла». Пылеугольный котел АО ПМЗ
Примечание - Алгоритм сигнала о прекращении подачи пыли в котел определяется при проектировании.
Рисунок 24 - Защита «Невоспламенение или погасание факела газовой или мазутной горелки, оснащенной всережимным ЗЗУ»
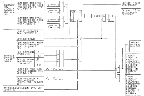
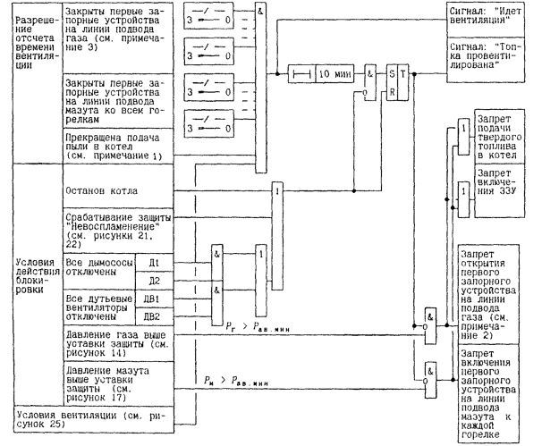
Рисунок 25 - Условия вентиляции топки

Рисунок 26 - Запрет розжига горелок при растопке котла без вентиляции топки. Газовый и мазутный котлы
Примечание - Для котлов с ПЗК: «Запрет открытия первого запорного устройства на линии подвода топлива к каждой горелке». Для котлов без ПЗК: «Запрет открытия первого запорного устройства на линии подвода топлива к каждой горелке растопочной группы».

Рисунок 27 - Запрет розжига горелок при растопке котла без вентиляции топки. Газомазутный котел
Примечание - Для котлов с ПЗК: «Запрет открытия первого запорного устройства на линии подвода газа к каждой горелке». Для котлов без ПЗК: «Запрет открытия первого запорного устройства на линии подвода газа к каждой горелке растопочной группы».

Рисунок 28 - Запрет розжига горелок при растопке котла без вентиляции топки. Пылеугольный котел
Примечание - Алгоритм сигнала о прекращении подачи пыли в котел определяется при проектировании.

Рисунок 29 - Запрет розжига горелок при растопке котла без вентиляции топки. Пылегазовый котел
Примечания
1 Алгоритм сигнала о прекращении подачи пыли в котел определяется при проектировании.
2 Для котлов с ПЗК: «Запрет открытия первого запорного устройства на линии подвода газа к каждой горелке». Для котлов без ПЗК: «Запрет открытия первого запорного устройства на линии подвода газа к каждой горелке растопочной группы».
Рисунок 30 - Запрет розжига горелок при растопке котла без вентиляции топки. Пылегазовый котел. Вариант ввода блокировки, предложенный АО «ВНИПИЭнергопром»
Примечания
1 Алгоритм сигнала о прекращении подачи пыли в котел определяется при проектировании.
2 Для котлов с ПЗК: «Запрет открытия первого запорного устройства на линии подвода газа к каждой горелке». Для котлов без ПЗК: «Запрет открытия первого запорного устройства на линии подвода газа к каждой горелке растопочной группы».
3 Для котлов с ПЗК: «Закрыты первые запорные устройства на линии подвода газа ко всем горелкам». Для котлов без ПЗК: «Закрыты первые запорные устройства на линии подвода газа ко всем горелкам растопочной группы».
Рисунок 31 - Запрет розжига газовой горелки, не относящейся к растопочной группе
Рисунок 32 - Запрет подачи топлива к котлу. Запрет при закрытии воздушного шибера перед горелкой
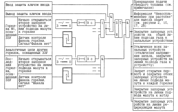
Рисунок 33 - Запреты при розжиге горелки
Примечание - Условие вводится для газомазутных котлов.
Рисунок 34 - Блокировки запорного устройства на трубопроводе безопасности газовой горелки. Блокировки паровой и мазутной магистралей мазутной горелки
1 Правила безопасности в газовом хозяйстве: ПБ 12-368-00. - С.-Пб.: ЦОТПБСП, 2000.
2 Правила взрывобезопасности при использовании мазута в котельных установках: РД 34.03.351-93. - М.: СПО ОРГРЭС, 1994.
|
|
|
|