//
ТехЛит.ру
- крупнейшая бесплатная электронная интернет библиотека для "технически умных" людей.
WWW.TEHLIT.RU - ТЕХНИЧЕСКАЯ ЛИТЕРАТУРА

:: Алготрейдинг::


АЛГОТРЕЙДИНГ
шаг за шагом
с нуля по урокам!

Торговые роботы на PYTHON, BackTrader,
Pandas, Pine Script для TradingView. Связка с брокерами, телеграм и легкими приложениями.


ОТРАСЛЕВОЙ ДОРОЖНЫЙ МЕТОДИЧЕСКИЙ ДОКУМЕНТ

УТВЕРЖДЕНО

Распоряжением Минтранса России

№ ОС-358 от 18.04.2003

РУКОВОДСТВО
ПО ПРИМЕНЕНИЮ ПОВЕРХНОСТНО-АКТИВНЫХ
ВЕЩЕСТВ ПРИ УСТРОЙСТВЕ
АСФАЛЬТОБЕТОННЫХ ПОКРЫТИЙ

(ВЗАМЕН ВСН 59-68)

МИНИСТЕРСТВО ТРАНСПОРТА РОССИЙСКОЙ ФЕДЕРАЦИИ

ГОСУДАРСТВЕННАЯ СЛУЖБА ДОРОЖНОГО ХОЗЯЙСТВА

(РОСАВТОДОР)

МОСКВА 2003

СОДЕРЖАНИЕ

Предисловие. 1

1. Общие положения. 3

2. Технические требования к «Амдор-9», «БП-3М» и «Дорос-АП», битуму с этими добавками и асфальтобетонам на их основе. 4

3. Технологические способы применения «Амдор-9», «БП-3М» и «Дорос-АП». 6

4. Определение оптимального содержания «Амдор-9», «БП-3М» и «Дорос-АП». 6

5. Технологический процесс введения адгезионных добавок в битум.. 7

5.1. Технологический процесс введения «Амдор-9» в битум.. 7

5.2. Технологический процесс введения «БП-3М» в битум.. 9

5.3. Технологический процесс введения «Дорос-АП» в битум.. 9

6. Особенности применения битумов с «Амдор-9», «БП-3М» и «Дорос-АП». 11

7. Технический контроль. 12

8. Транспортирование и хранение добавок «Амдор-9», «БП-3М» и «Дорос-АП», битума с указанными добавками и асфальтобетонной смеси на их основе. 13

9. Правила техники безопасности при работе с «Амдор-9», «БП-3М» и «Дорос-АП». 14

10. Охрана окружающей среды.. 15

Приложение А. Методы испытания адгезионных добавок «Амдор-9», «БП-3М» И «Дорос-АП». 16

ПРЕДИСЛОВИЕ

Огромные затраты на ремонт дорожных покрытий в последние годы требуют значительного повышения сроков их службы.

Одна из причин преждевременного разрушения асфальтобетонных покрытий - их недостаточная водо- и морозостойкость, что проявляется в шелушении и выкрашивании, переходящих в выбоины на покрытиях.

В последние годы скорость, интенсивность и грузонапряженность движения автомобилей увеличились, в частности, на основных магистралях страны - скорость на 15 - 20 %, интенсивность движения - на 26,2 %, грузонапряженность (объем перевозок) - более чем на 100 % (из выступления первого заместителя министра транспорта России О.В. Скворцова, приведенного в журнале «Автомобильные дороги» № 7 за 2001 г.). Это положение интенсифицирует процесс разрушения асфальтобетонных покрытий, срок службы которых в среднем в настоящее время составляет 6 лет.

Причиной указанных разрушений является неудовлетворительное сцепление битумов с поверхностью минеральных материалов, особенно кислых пород и, как следствие, недостаточная водо- и морозостойкость асфальтобетона.

В настоящее время изготовители битумов в соответствии с требованиями действующего ГОСТ 22245-90 «Битумы нефтяные дорожные вязкие. Технические условия» гарантируют хорошее сцепление только битумов марок БНД с эталонным мрамором - представителем материалов основных пород.

Практика и многочисленные исследования в нашей стране показали, что в большинстве случаев этого недостаточно для обеспечения требуемой водо- и морозостойкости покрытий, а один из эффективных путей обеспечения требуемого сцепления битумов с поверхностью применяемых минеральных материалов - применение добавок катионных ПАВ в битумы.

В связи с этим в Проект ГОСТ Р «Битумы нефтяные дорожные улучшенные. Технические условия» введено обязательное требование по обеспечению хорошего сцепления дорожных битумов с поверхностью любых применяемых минеральных материалов, в том числе и кислых пород, как щебня, так и песка. Это требование может быть выполнено, в частности, за счет введения в битум добавок катионных ПАВ «АМДОР-9», «БП-3М», «ДОРОС-АП».

Добавка адгезионная дорожная «АМДОР-9», далее по тексту «АМДОР-9», принадлежит к новому поколению катионных ПАВ для дорожного строительства. Рецептура и технология производства «АМДОР-9» разработана ЗАО «АМДОР» с учетом замечаний и пожеланий специализированных дорожно-строительных организаций к качеству ПАВ предыдущего поколения: выпускаемой и широко применяемой ранее добавки БП-3, разработанной БашНИИ НП, опробованной и рекомендованной к применению Союздорнии и его Ленинградским филиалом (Методические рекомендации по применению катионного поверхностно-активного вещества БП-3 при устройстве асфальтобетонных покрытий. // М. Союздорнии, 1977), а также добавки ПАБ-1, разработанной и рекомендованной к применению Союздорнии совместно с НПО ГИПХ (Методические рекомендации по применению катионного поверхностно-активного вещества ПАБ-1 для повышения водо- и морозостойкости дорожных асфальтобетонных покрытий. // М. Союздорнии, 1991).

Технология производства добавки «АМДОР-9», представляющей собой смесь полиаминоамидов и полиаминоимидазолинов, основана на использовании высококачественного сырья и позволяет получать продукцию с заданными свойствами и постоянного состава в отличие от катионных ПАВ предыдущего поколения типа БП-3 и ПАБ-1, производившихся, как правило, из отходов химической промышленности.

ЗАО «АМДОР» осуществляет в настоящее время промышленный выпуск «АМДОР-9» по заказам потребителей на Березниковском АО «АЗОТ».

За последние 5 лет в дорожном строительстве успешно использовано более 1000 т этой добавки для повышения водо- и морозостойкости горячих асфальтобетонных смесей при устройстве верхних слоев покрытий на автомагистралях г. Санкт-Петербурга, Ленинградской, Московской, Орловской, Новгородской, Свердловской, Владимирской, Тверской, Ярославской областей, Республик Карелии и Мордовии, Ханты-Мансийского округа.

Добавка адгезионная БП-3М к дорожным битумам - катионное ПАВ, - рецептура и технология производства которого разработаны БашНИИ НП взамен добавки БП-3. После закрытия по экологическим соображениям производства добавки БП-3 на Бердянском опытном нефтезаводе выпуск добавки БП-3М организован в г. Уфе на опытном заводе малотоннажных нефтехимических производств. Для приготовления добавки БП-3М применяются высокомолекулярные органические кислоты (природные либо синтетические или их кубовые остатки) и фракция 160 - 210 °С полиэтиленполиаминов. Объем выпуска добавки 300 - 500 т/год. Добавка БП-3М применялась при строительстве покрытий автомобильных дорог и их реконструкции в объединении «Башкиравтодор», она поставлялась в дорожно-строительные организации Белорецкого, Дуванского, Белокатайского, Бирского, Балтачевского, Иглинского, Гафурийского, Стерлитамакского и других районов Башкортостана и также в районы Краснодарского края, Поволжья и Урала.

Добавка адгезионная для дорожных битумов «ДОРОС-АП» - химическое соединение класса имидазолинов - выпускается на предприятии «ДОРОС» в г. Ярославле с 1997 г.; объем продаж в 2002 г. составил более 200 т.

Добавка «ДОРОС-АП» применялась при устройстве дорог в ФОАО «Орелдострой», в городах Элиста (Калмыкия), Томске, Новосибирске, Кемерово, Саратове и Архангельске.

«Руководство по применению поверхностно-активных веществ при устройстве асфальтобетонных покрытий» разработано ФГУП «Союздорнии» на основе результатов лабораторных исследований, опытно-производственных испытаний и практических результатов внедрения, доказывающих технологические и эксплуатационные преимущества применения этих добавок. Технологические преимущества при применении указанных добавок ПАВ: снижение расхода битума, его температуры, температуры приготовления асфальтобетонных смесей, повышение производительности АБЗ и отряда по устройству покрытия, удлинение строительного сезона, снижение затрат энергии. Эксплуатационные преимущества: улучшение адгезионных свойств битумов, водо- и морозостойкости асфальтобетонного покрытия, увеличение сроков его службы.

В данном «Руководстве по применению поверхностно-активных веществ при устройстве асфальтобетонных покрытий» приведены общие положения, технические требования к «АМДОР-9», «БП-3М» и «ДОРОС-АП», способы их применения, особенности технологии приготовления и применения асфальтобетонных смесей с их использованием, технический контроль, особенности их хранения, техника безопасности, методы испытания этих добавок.

Настоящее Руководство составлено сотрудниками ФГУП «Союздорнии»: кандидатами технических наук Л.М. Гохманом и А.Р. Давыдовой.

1. Общие положения

1.1. Применение добавок катионных ПАВ в дорожных битумах позволяет снизить поверхностное натяжение на границе раздела битум - минеральный материал, а следовательно, улучшить и ускорить смачивание и обволакивание поверхности минеральных материалов, увеличить адгезию битума к минеральному материалу.

Катионные ПАВ этого типа могут адсорбироваться также на лиофобных участках поверхности асфальтенов, блокируя места их коагуляционных контактов, приводя тем самым к стабилизации всей системы, а следовательно, замедлению старения битума. Такая стабилизация системы адсорбционными слоями приводит к снижению ее вязкости. Все это вместе взятое - улучшение смачивания и обволакивания вследствие снижения поверхностного натяжения, а также снижение вязкости битума в результате стабилизации системы - позволяет снизить рабочую температуру битума и температуру приготовления асфальтобетонной смеси.

1.2. «Амдор-9», «БП-3М» и «Дорос-АП» дают возможность обеспечить требуемое сцепление битума с поверхностью минеральных материалов как ультракислых, кислых, так и основных пород одновременно, что способствует повышению водо- и морозостойкости любых асфальтобетонных и черных материалов, в том числе и тех, в которых минеральная часть - щебень, песок и минеральный порошок - представлена материалами различной природы, а следовательно, продлевает сроки службы покрытий.

Добавка «Амдор-9» представляет собой смесь полиаминоамидов и полиаминоимидазолинов; «БП-3М» - продукт взаимодействия высокомолекулярных органических кислот, природных, либо синтетических, или их кубовых остатков с полиэтиленполиаминами (фракция 160 - 210 °С), «Дорос-АП» - смесь химических соединений типа имидазолинов.

1.3. «Амдор-9», «БП-3М» и «Дорос-АП» рекомендуется применять:

во-первых, при использовании жидких битумов по ГОСТ 11955-82 или вязких битумов марок БН по ГОСТ 22245-90; при устройстве поверхностных обработок с применением щебня кислых и ультракислых пород и использовании как жидких битумов всех марок, так и вязких битумов марок БНД и БН; при использовании асфальтобетонов и других черных материалов в тех случаях, когда не удается при подборе состава смеси обеспечить требуемый по ГОСТ коэффициент длительной водостойкости;

во вторых, для повышения сроков службы покрытий, в тех случаях, когда асфальтобетон соответствует требованиям ГОСТ 9128-97, в том числе и по коэффициенту длительной водостойкости; при необходимости продления строительного сезона производства работ, повышения производительности труда на АБЗ и при укладке смеси.

1.4. Добавки «Амдор-9», «БП-3М» и «Дорос-АП» характеризуются специфическим неприятным запахом, поэтому в случаях необходимости их использования в жаркую безветренную погоду работникам, занятым на таком производстве, следует пользоваться специальными средствами для защиты органов дыхания.

1.5. Превышение оптимального содержания ПАВ в битуме и асфальтобетоне может привести к отрицательному эффекту, что обусловлено способностью ПАВ, нескомпенсированного минеральным материалом, привлекать (солюбилезировать) воду. Это в свою очередь может приводить к снижению водо- и морозостойкости асфальтобетона, а также предела прочности при сжатии при 50 °С.

1.6. Часть катионного ПАВ, введенного в битум, идет на нейтрализацию анионной активности асфальтенов и других активных соединений битумов, поэтому, чем активнее битум, тем большее количество ПАВ необходимо в него ввести для получения оптимального эффекта.

1.7. Введение в битум 0,5 - 1,5 % «Амдор-9», 0,5 - 1,5 % «БП-3М», 0,3 - 1,5 % «Дорос-АП» не ухудшает комплекс стандартных показателей свойств битума, и он соответствует требованиям ГОСТ 22245-90, предъявляемым к исходному битуму без добавки. При этом значительно улучшается показатель изменения температуры размягчения битума после прогрева, т.е. устойчивость к старению и показатель сцепления как с минеральными материалами кислой и основной природы, применяемыми в практике дорожного строительства, так и с эталонными - мрамором и вольским песком.

1.8. При совместном использовании минеральных порошков, активированных анионным ПАВ, и битумов с добавкой катионного ПАВ при условии оптимального соотношения этих ПАВ достигается значительный синергетический эффект, вызывающий существенный рост водо- и морозостойкости асфальтобетона, повышение предела прочности при сжатии образцов при 50 °С, без изменения предела прочности при 0 °С, т.е. повышение сдвигоустойчивости при 50 °С без ухудшения деформативности при 0 °С. Увеличение содержания одного из указанных видов ПАВ сверх оптимума приводит к отрицательному эффекту.

2. Технические требования к «Амдор-9», «БП-3М» и «Дорос-АП», битуму с этими добавками и асфальтобетонам на их основе

2.1. Добавки «Амдор-9», «БП-3М» и «Дорос-АП» должны быть изготовлены в соответствии с требованиями Технических условий на них по технологическому регламенту, утвержденному в установленном порядке.

2.2. «Амдор-9» представляет собой смесь полиаминоамидов и полиаминоимидозолинов (продуктов ацилирования полиэтиленполиаминов высшими карбоновыми кислотами) и, в отличие от БП-3 и ПАБ-1, представляет собой продукт с заданными свойствами, полученный на основе известных химических реагентов, а не отходов производства.

2.3. «Амдор-9» - однородная вязкая жидкость от светло-желтого до темно-коричневого цвета с характерным запахом, не расслаивается при хранении.

«Амдор-9» практически нерастворим в воде; растворим в ароматических углеводородах, керосине и ограниченно растворим в спиртах.

Плотность и вязкость «Амдор-9» при различных температурах приведены ниже.

Температура, °С

Плотность, кг/м3

Вязкость, сСт

Вязкость, град. Энглера

20

948

 

 

30

942

2442

329

40

936

 

 

50

929

511

69

60

923

 

 

70

916

144

10

2.4. По органолептическим и физико-химическим показателям «Амдор-9» должен соответствовать требованиям и нормам ТУ 0257-003-35475596-96 (с извещением об изменении № 1) «Присадки адгезионные дорожные «Амдор».

Требования к «АМДОР-9» приведены в табл. 1.

Таблица 1

Технические требования к «Амдор-9»

Наименование показателей

Норма

Методы анализа

1. Внешний вид

Однородная вязкая жидкость от темно-коричневого до темно-бурого цвета

Приложение 1 п. 2

2. Сцепление битума, содержащего 0,5 % присадки, с минеральным материалом, не хуже

Контрольный образец № 1

Приложение А п. 3

3. Кислотное число, мг КОН/г продукта, не более

15

Приложение А п. 4

4. Массовая доля воды, %, не более

2

Приложение А п. 5

5. Температура плавления, °С, не более

35

Приложение А п. 6

6. Аминное число, г HCI с массовой долей 100 % на 100 г продукта, не менее

16

Приложение А п. 7

7. Однородность

Однородна

Приложение А п. 2

2.5. «БП-3М» представляет собой продукт взаимодействия высокомолекулярных органических кислот, природных либо синтетических, или их кубовых остатков с полиэтиленполиаминами (фракция 160 - 210 °С).

2.6. «БП-3М» однородная масса от желтого до коричневого цвета, не растворимая в воде, но легкорастворимая в углеводородах и легких нефтепродуктах; образует стойкую эмульсию с водой.

2.7. По физико-химическим показателям свойств «БП-3М» должен соответствовать требованиям и нормам ТУ 0257-001-00151822-93 «Присадка адгезионная «БП-3М» к дорожным нефтебитумам». Требования к «БП-3М» приведены в табл. 2.

Таблица 2

Технические требования к добавке «БП-3М»

Наименование показателей

Норма

Методы анализа

1. Внешний вид

Однородная масса от желтого до коричневого цвета

Приложение А п. 2

2. Температура вспышки в открытом тигле, °С, не ниже

105

Приложение А п. 9

3. Температура каплепадения, °С, не выше

75

Приложение А п. 8

4, Сцепление битума, содержащего 1 % добавки, с песком

Выдерживает по контрольному образцу № 1

Приложение А п. 3.2

Испытание по п. 3 производят только при использовании новых партий сырья и изменении технологии производства добавки.

2.8. «Дорос-АП» представляет собой вязкую жидкость от желтого до темно-коричневого цвета с характерным запахом. «Дорос-АП» легко растворяется в углеводородах и спиртах и хорошо совмещается с нефтяными битумами.

2.9. По физико-химическим показателям свойств «Дорос-АП» должен соответствовать требованиям и нормам ТУ 0257-002-33452160-99. «Присадка адгезионная для дорожных битумов «Дорос-АП»». Требования к «Дорос-АП» приведены в табл. 3.

Таблица 3

Технические требования к добавке «Дорос-АП»

Наименование показателя

Норма

Методы анализа

1. Кислотное число, мг КОН/г, не более

20

Приложение А п. 4

2. Температура каплепадения, °С, не выше

40

Приложение А п. 8

3. Сцепление битума с мрамором и песком

Выдерживает испытание по контрольному обр. № 1

Приложение А п. 3.3

4. Сцепление битума с серым гранитом

Выдерживает испытание по контрольному обр. № 1

Приложение А п. 3.3

5. Сцепление битума с розовым гранитом

Выдерживает испытание по контрольному обр. № 1

Приложение А п. 3.3

2.10. Битумы с добавками «Амдор-9», «БП-3М» и «Дорос-АП» должны удовлетворять требованиям действующего ГОСТ 22245-90 на данную марку битума по всему комплексу стандартных показателей.

Кроме того, битум с добавками «Амдор-9», «БП-3М» и «Дорос-АП» должны обеспечивать сцепление не ниже, чем по контрольному образцу № 2 по ГОСТ 11508 (метод А) с эталонным мрамором, а также с фракцией (2,5 - 5) мм отсева, применяемого при приготовлении асфальтобетонных смесей, щебня и применяемым песком.

При использовании битума с указанными добавками для устройства поверхностных обработок они должны обеспечивать сцепление с фракцией (2,5 - 5) мм применяемого щебня по контрольному образцу № 1 по ГОСТ 11508-74 (метод А).

2.11. Асфальтобетон, приготовленный на основе битума с добавками «Амдор-9», «БП-3М» и «Дорос-АП», должен удовлетворять всем требованиям, предъявляемым ГОСТ 9128-97, а, кроме того, показатель длительной водостойкости, определенный после 30 суток выдерживания в воде образцов, насыщенных в течение 1 ч под вакуумом, должен быть не ниже стандартного коэффициента длительной водостойкости для асфальтобетона 1 марки в районе строительства.

3. Технологические способы применения «Амдор-9», «БП-3М» и «Дорос-АП»

3.1. Рекомендуется применять «Амдор-9», «БП-3М» и «Дорос-АП» в производственных условиях двумя способами: введением «Амдор-9», «БП-3М» и «Дорос-АП» в битум; нанесением этих добавок на поверхность минеральных материалов.

3.2. Введение «Амдор-9», «БП-3М» и «Дорос-АП» в битум может осуществляться как на асфальтобетонном заводе (АБЗ), так и на предприятиях, изготавливающих и поставляющих битумы дорожно-строительным организациям, - нефтеперерабатывающих заводах, битумных базах, локальных битумных заводах.

3.3. Перед введением в битум или на поверхность минеральных материалов «Амдор-9» не рекомендуется разогревать выше 50 °С, «БП-3М» - не выше 80 °С и «Дорос-АП» - выше 70 °С.

3.4. Для введения «Амдор-9», «БП-3М» и «Дорос-АП» в битум рекомендуется использовать принудительное перемешивание, осуществляемое с помощью механических мешалок любого типа, или интенсивную циркуляцию с помощью специальных циркуляционных контуров. Для этой цели могут быть использованы существующие установки для приготовления полимерно-битумных вяжущих или бескомпрессорные установки для окисления битумов типа Т-309 (см. п. 5.6).

3.5. Равномерное распределение «Амдор-9», «БП-3М» и «Дорос-АП» в битуме является обязательным условием достижения требуемых адгезионных свойств битума.

3.6. В целях установления минимально необходимого времени перемешивания битума с «Амдор-9», «БП-3М» и «Дорос-АП» рекомендуется провести перед началом производства работ установочный опыт. Для этого в соответствии с п. 5.1.2 настоящего Руководства рассчитывается время дозирования и перемешивания, если используется циркуляционный контур, или принимается за исходное время перемешивание смеси 2 ч, если используется аппарат с механической мешалкой, при начальной температуре битума с добавкой «Амдор-9» и «Дорос-АП» 150 °С, с добавкой «БП-3М» - 130°С. После завершения перемешивания отбирается проба битума из разных мест данной емкости и разных уровней. Перемешивание продолжается еще 2 ч. Пробы отбираются так же, как указано выше, через 1 ч и в конце перемешивания. Для всех проб определяется показатель сцепления битума с фракцией 2,5 - 5 мм щебня и применяемым песком. Устанавливается то время перемешивания, при котором все пробы характеризуются показателем сцепления не ниже контрольного образца № 2 по ГОСТ, в том случае, если битум готовится для асфальтобетонной смеси, и № 1, если - для поверхностных обработок.

Установленное время принимается для производства работ.

3.7. Наиболее простым и технологичным является способ введения «Амдор-9», «БП-3М» и «Дорос-АП» в битум, поэтому именно они рекомендуются для широкого применения в дорожном строительстве.

3.8. При нанесении «Амдор-9», «БП-3М» и «Дорос-АП» на поверхность минеральных материалов их следует подавать непосредственно в мешалку асфальтосмесителя под давлением 0,5 МПа. Отдозированную добавку предварительно смешивают с битумом в соотношении 1:3 для обеспечения возможности равномерного распределения по поверхности минеральных материалов. При этом использованное количество битума должно учитываться при назначении содержания битума в асфальтобетонной смеси.

4. Определение оптимального содержания «Амдор-9», «БП-3М» и «Дорос-АП»

Определение и корректировка дозировки «Амдор-9», «БП-3М» и «Дорос-АП» производится в заводских и центральных лабораториях Потребителя.

4.1. Оптимальное содержание «Амдор-9», «БП-3М» и «Дорос-АП» в битуме для устройства поверхностных обработок устанавливается как минимально необходимое для достижения показателя сцепления битума с фракцией 2,5 - 5,0 мм, применяемого в данном случае щебня, не ниже контрольного образца № 1.

Кроме того, рекомендуется определить сцепление битума с установленным содержанием этих добавок с горячим щебнем. Для этого отбирают 3 щебенки размером не менее 10 мм, обвязывают тонкой проволокой или ниткой, нагревают их до 150 °С и погружают на 15 с в битум с добавками «Амдор-9», «БП-3М» и «Дорос-АП», разогретый до 130 - 140 °С. Затем извлеченные щебенки подвешивают для стекания излишка битума и остывания. Через 15 мин обработанные щебенки погружают в стакан с кипящей дистиллированной водой на 30 мин. Если пленка битума отслаивается даже частично, необходимо увеличивать содержание добавки в битуме до тех пор, пока пленка будет сохраняться полностью на поверхности щебенки, при этом толщина ее местами может быть уменьшена.

4.2. Оптимальное содержание «Амдор-9», «БП-3М» и «Дорос-АП» в битуме для приготовления асфальтобетонных смесей устанавливается по двум критериям: как минимально необходимое для достижения показателя сцепления не ниже контрольного образца № 2 по ГОСТ 11508-74 (метод А) битума с эталонным мрамором фракции 2,5 - 5 мм, отсевом применяемого щебня и применяемым песком и как минимально необходимое для обеспечения коэффициента длительной водостойкости асфальтобетона после 30 сут водонасыщения образцов, выдержанных предварительно в течение 1 ч под вакуумом, равного стандартному показателю длительной водостойкости, регламентированной ГОСТ 9128-97 для асфальтобетона 1 марки в данном регионе. Определяющим является второй критерий.

4.3. В случае снижения показателей предела прочности асфальтобетона при сжатии ниже требований ГОСТ 9128-97, рекомендуется довести его до требуемого значения за счет корректировки состава асфальтобетонных смесей: снижать пористость минерального остова асфальтобетона или увеличивать содержание минерального порошка.

4.4. При использовании активированных минеральных порошков следует корректировать оптимальное содержание добавки «Амдор-9», «БП-3М» и «Дорос-АП» в битуме. Оптимум при этом, как правило, наблюдается при более низком содержании добавки.

5. Технологический процесс введения адгезионных добавок в битум

5.1. Технологический процесс введения «Амдор-9» в битум

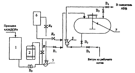
5.1.1. Принципиальная технологическая схема введения добавки «Амдор-9» в битум с использованием для перемешивания циркуляционного контура приведена на рис. 1.

Рис. 1. Принципиальная технологическая схема приготовления битума с добавкой «Амдор-9» с использованием для перемешивания циркуляционного контура:

1 - емкость для добавки «Амдор-9» (склад для приема и хранения); 2 - металлическая бочка с «Амдор-9»; 3 - насос циркуляционный; 4 - емкость для приготовления смеси битума с добавкой «Амдор-9»; 5 - дозирующий насос для добавки «Амдор-9»; 6 - мерник; В1, B2 B3, B4, B5, B6, B7, В8 - вентили

Битум после выпаривания из рабочего котла насосом 3 закачивается в емкость 4 для приготовления смеси битума с добавкой. После заполнения емкости насосом 3 осуществляется циркуляция битума. Температура битума в емкости 4 не должна превышать 160 °С.

Подача добавки «Амдор-9» в емкость 4 осуществляется насосом 5 из емкости 1 или бочки 2 через мерник 6. Из мерника 6 добавка дозируется насосом 5 или самотеком.

Подачу «Амдор-9» в емкость 4 можно производить двумя способами:

первый способ:

- после загрузки необходимого количества битума в емкость 4 (коэффициент заполнения емкости 4 не более 0,7) туда же насосом 5 (или самотеком) подается расчетное количество добавки. Смешение осуществляется циркуляционным насосом 3. Продолжительность циркуляции должна обеспечивать не менее чем 10-кратный обмен продукта в емкости 4.

Пример расчета продолжительности циркуляции:

Объем емкости 4, V1, м3                                                                         16,0

Объем битума в емкости, V2, м3                                                            11,2

Производительность насоса 3, Q3, м3                                                50,0

Продолжительность циркуляции, t, ч t = V2·10/Q3                              2,25

второй способ:

- подача добавки «Амдор-9» производится дозировочным насосом 5 (или самотеком) непосредственно в циркуляционный контур. Расход добавки при этом устанавливается на дозировочном насосе 5 в зависимости от производительности циркуляционного насоса 3 по расчетному соотношению, зависящему от оптимальной концентрации «Амдор-9» в битуме. При концентрации добавки 0,5 % от массы битума это соотношение составит 1:200, при концентрации 1 % - 1:100.

Пример расчета продолжительности дозировки и циркуляции присадки с помощью насоса 5:

Объем емкости 4, V1, м3                                                          16,0        16,0       50,0

Объем битума в емкости, V2, м3                                             11,2        11,2       35,0

Концентрация добавки, % масс                                             0,5          1,0         0,5

Производительность насоса 3, Q3, м3                                 50,0        50,0       50,0

Дозировка добавки насосом 5, Q5, м3                                 0,25        0,5         0,25

Продолжительность дозировки, t = V2·60/Q3, мин               15           15          45

Продолжительность циркуляции, мин                                  15           -            -

5.1.2. На рис. 2 приведена принципиальная технологическая схема введения добавки «Амдор-9» в битум с использованием для перемешивания механических перемешивающих устройств (мешалок).

Рис. 2. Принципиальная технологическая схема приготовления битума с добавкой «Амдор-9» с использованием для перемешивания механических перемешивающих устройств (мешалок):

1 - емкость для добавки «Амдор-9» (склад для приема и хранения); 2 - металлическая бочка с «Амдор-9»; 3 - насос циркуляционный; 4 - емкость для приготовления смеси битума с добавкой «Амдор-9»; 5 - дозирующий насос для добавки «Амдор-9»; 6 - мерник; 7 - перемешивающее устройство; В1, B2 B3, B4, B5, B6, B7, В8 - вентили

Битум после выпаривания из рабочего котла насосом 3 закачивается в емкость 4 для приготовления смеси битума с присадкой. Температура битума в емкости 4 не должна превышать 160 °С.

Подача добавки «Амдор-9» в емкость 4 производится насосом 5 из емкости 1 или бочки 2 через мерник 6. Из мерника 6 присадка дозируется насосом 5 или самотеком.

Перемешивание битума с добавкой «Амдор-9» осуществляется перемешивающим устройством 7. Расчет перемешивающего устройства (тип и диаметр мешалки, число оборотов и мощность двигателя) выполняют исходя из конструктивных характеристик емкости 4, реологических свойств перемешиваемых жидкостей, требуемых качества и времени перемешивания. Для расчета и выбора перемешивающих устройств рекомендуем обратиться в специализированную конструкторскую организацию.

В случае самостоятельного расчета и выбора перемешивающих устройств рекомендуем использовать специализированную справочную литературу по расчету и выбору перемешивающих устройств:

Справочник химика / Химия, М-Л, 1968, т. 5.

Штербачек З., Тауск П. // Перемешивание в химической промышленности / Госхимиздат, 1963.

Касаткин А.Г. // Основные процессы и аппараты химической технологии / 7-е изд., Госхимиздат, 1960.

Стренк Ф. // Перемешивание и аппараты с мешалками / Л., 1975.

5.2. Технологический процесс введения «БП-3М» в битум

5.2.1. Принципиальная технологическая схема введения добавки «БП-3М» в битум по согласованию с заказчиком принимается аналогичной технологической схеме введения присадки «Амдор-9» по первому способу (см. 5.1.1) со следующими дополнениями:

добавку «БП-3М», разогретую до 60 - 80 °С, следует вводить во внутренний слой битума, не допуская ее попадания на поверхность горячего битума. Для этого используют специальное приспособление произвольной конструкции, например, отрезок трубы с воронкой на верхнем конце, нижний конец этой трубы опущен под слой битума в битумном котле на глубину 0,5 - 1 м (коэффициент заполнения емкости битумом должен быть не более 0,7). После введения расчетного количества добавки в битум необходимо осуществить циркуляцию по схеме: битумный котел, насос и битумный котел в течение времени, необходимого для полной перекачки всего количества битума в котле.

Время циркуляции рассчитывается исходя из производительности битумного насоса и равно частному от деления объема битума в котле на производительность насоса.

Ввиду низкой пожаробезопасности и малой термостабильности добавки «БП-3М» температура битума в битумном котле должна быть 120 - 130 °С. Время реализации всего объема приготовленного битума не должно превышать 16 ч, приготовление битума с добавкой «БП-3М» впрок с последующей реализацией в течение более 24 ч недопустимо.

5.3. Технологический процесс введения «Дорос-АП» в битум

5.3.1. Принципиальная технологическая схема введения добавки «Дорос-АП» в битум по согласованию с Заказчиком принимается по аналогичной схеме введения «Амдор-9» (см. 5.1) со следующими дополнениями и изменениями:

- поскольку добавка «Дорос-АП» при температуре не менее 35 °С находится в текучем состоянии, ее можно дозировать вручную, порциями через люк емкости в разогретый до 130 - 140 °С битум;

- для закачки добавки насосами вместе с разогретым битумом ее необходимо разогреть до 60 - 70 °С (разогрев бачка с «Дорос-АП» производится с помощью поддонов, оборудованных греющим минеральным кабелем). При налаженной системе циркуляции битума в котле с помощью одного или двух насосов в течение времени, необходимого для двух- или трехкратного обмена битума в емкости (практически не более 2 ч), происходит полное растворение расчетного количества добавки в битуме. Подачу добавки рекомендуется осуществлять на прием циркуляционного битумного насоса.

5.3.2. Битум с добавкой «Дорос-АП», имеющий температуру 160 °С, рекомендуется использовать в течение одного рабочего дня (10 - 12 ч). Неиспользованный битум с добавкой рекомендуется хранить до следующего дня при температуре не выше 120 °С и перед использованием его надо нагреть до 150 - 160 °С.

5.3.3. Склад для приема и хранения адгезионных добавок рекомендуется оборудовать следующим образом.

Добавки «Амдор-9», «БП-3М» и «Дорос-АП» поступают на АБЗ в металлических бочках вместимостью 200 - 250 дм3, а также в автоцистернах или битумовозах. При транспортировке в автоцистернах или битумовозах продукт сливают в специальную емкость для хранения добавки. Емкость должна быть снабжена паровым или электрическим обогревом на случай разогрева содержимого в холодное время года или после зимнего хранения. Объем емкости должен обеспечивать полный слив автоцистерны или битумовоза. Рабочая температура при хранении адгезионных добавок не должна быть выше 50 °С. В летнее время для добавок «Амдор-9» и «Дорос-АП» разогрев не требуется.

Бочки с добавкой рекомендуется хранить в закрытых складских помещениях при температуре окружающей среды от минус 40 до плюс 50 °С на расстоянии не менее 2 м от отопительных элементов или на открытых площадках под навесом.

При необходимости разогрев добавки, хранящейся в бочках, осуществляют погружными ТЭНами с закрытой спиралью (любой марки), нагревательными лентами, в термошкафах, обогреваемых паром или ТЭНами, или любым другим способом, обеспечивающим отсутствие контакта продукта с влагой и безопасную работу персонала. Не допускается разогрев бочек открытым пламенем.

После длительного хранения при низких температурах и разогрева содержимое бочек рекомендуется перемешать. Это обусловлено тем, что при разогреве бочки нельзя гарантировать, что вся масса продукта в бочке прогреется равномерно, поэтому при дозировке возможны существенные колебания вязкостных характеристик продукта, что может привести к сбою работы насоса.

Перемешать добавку в бочке следует путем ее перекатывания или через горловину металлической штангой.

Рекомендуется иметь запас адгезионной добавки для обеспечения 2-недельной непрерывной работы установки.

Марка стали, из которой изготавливается оборудование, указана в табл. 4. Возможно использование других материалов с коррозионной стойкостью не ниже указанной в таблице.

5.3.4. Добавки «Амдор-9», «БП-3М» и «Дорос-АП» могут подаваться на смешение в систему следующими способами:

1. Насосами, в том числе дозировочными.

2. Самотеком (из емкостей, расположенных выше емкостей, куда производится дозировка).

Контроль количества подаваемой добавки может быть организован с использованием:

- расходомеров дифференциальных или интегральных (объемных, весовых);

- мерников (объемных, весовых).

Рекомендуется использовать простейшие объемные мерники даже при использовании насосов-дозаторов. Допускается применение других средств контроля количества подаваемой добавки, обеспечивающих требуемую точность дозировки. Использование насосов-дозаторов требует организации контроля количества подаваемой добавки, т.к. насос-дозатор может работать, но не обеспечивать подачу заданного количества добавки по многим причинам (изменение температуры подаваемого реагента, залипание клапанов, пропуск клапанов и т.д.). Насосы-дозаторы необходимы для закачивания добавки из бочек в емкость хранения и в мерник. Можно использовать и обычные плунжерные самовсасывающие насосы.

5.3.5. Рекомендуется применять следующие типы емкостей для приготовления смеси битума с адгезионными добавками.

Возможно использование любых аппаратов емкостного типа с любым обогревом, обеспечивающим поддержание температуры битума до 180 °С. Допускается использование типовых битумоплавильных котлов любых марок, выпускаемых предприятиями дорожной отрасли.

Допускается также использование реакторов для бескомпрессорного окисления нефтяного сырья в битум, отключив систему подачи воздуха и организовав перемешивание при помощи циркуляционного контура или с помощью погружных перемешивающих устройств. Перемешивание системы битум и адгезионная добавка барботированием воздуха не допускается.

5.3.6. В табл. 4 указаны характеристики насосов для перекачивания битумов. Возможно использование любых марок насосов шестеренчатого типа, предназначенных для перекачки битума.

Таблица 4

Рекомендуемая аппаратура

№ поз.

Наименование

Кол.

Техническая характеристика

Материал

Примечание

1.

Емкость для приема адгезионной добавки

1

V = 5 - 60 м3,

Т = 20 - 50 °С

Ст. 3

Емкость с паровым или электрическим обогревом

2.

Бочка с адгезионной добавкой

1

V = 200 - 250 дм3,

Т = 130 - 160 °С

Ст. 3

 

3.

Насос циркуляционный

2

Q = 16 - 50 м3,

Т = 130 - 160 °С

Ст. 3

Насос шестеренчатый, используемый на АБЗ для перекачки битума

4.

Емкость для приготовления смеси битума с адгезионной добавкой

2

V = 16 - 50 м3

Т = 120 - 160 °С

Ст. 3

Емкости используются поочередно для приготовления смеси битума с присадкой и дозировки ее на стадии приготовления асфальтобетона. Возможно использование одной емкости

5.

Насос дозировочный плунжерный

2

ДП 1000/10К14А

Q = 0,1 - 1,0 м3,

Т = 50 °С

12Х18Н10Т

Производитель ЗАО «Дозировочные системы» г. Пермь, г. Тула

6.

Мерник

1

 

Ст. 3

Мерник с паровым или электрическим обогревом

7.

Перемешивающее устройство

1

 

Ст. 3

 

6. Особенности применения битумов с «Амдор-9», «БП-3М» и «Дорос-АП»

6.1. Приготовление, укладку и уплотнение асфальтобетонных смесей с применением «Амдор-9», «БП-3М» и «Дорос-АП» осуществляют в соответствии с «Пособием по строительству асфальтобетонных покрытий и оснований автомобильных дорог» (М. Союздорнии 1991) и СНиП 3.06.03-85 «Автомобильные дороги».

6.2. В соответствии со СНиП 3.06.03-85 «Автомобильные дороги» п. 10.7 при использовании добавок «Амдор-9», «БП-3М» и «Дорос-АП» температура битума, поступающего в смеситель, щебня, песка, отсевов и готовой асфальтобетонной смеси должна быть снижена по сравнению с указанной в табл. 13 СНиП и соответствовать указанной в табл. 5.

Таблица 5

Марка битума

Температура, °С

битума, поступающего в смеситель

щебня (гравия), песка, отсевов дробления при выходе из сушильного барабана

смеси при выпуске из смесителя

БНД 40/60, БНД 60/90, БНД 90/130, БН 60/90, БН 90/130

110-130

145-165

120-140

БНД 130/200, БНД 200/300, БН 130/200, БН 200/300

100-120

135-155

110-130

СГ 130/200

70-90

105-125

80-100

МГ 130/200, МГО 130/200

80-100

115-135

90-110

СГ 70/130, МГ 70/130, МГО 70/130

80-90

105-115

80-100

Примечание. При применении добавки «БП-3М» температура битума с добавкой не должна превышать 120 °С, горячей асфальтобетонной смеси - 130 °С.

6.3. В соответствии со СНиП 3.06.03-85 «Автомобильные дороги» п. 10.12 время нахождения асфальтобетонных смесей с адгезионными добавками, используемых для нижнего слоя, и типа А, используемых для верхнего слоя, в накопительном бункере должно быть не более 2 ч. Смеси других типов с адгезионными добавками должны находиться в бункере не более 1 ч.

6.4. Продолжительность транспортирования асфальтобетонной смеси с адгезионными добавками устанавливается из условий обеспечения температуры при укладке: для горячих смесей на вязких битумах не ниже 100 °С, для теплых - не ниже 90 °С, для смесей на жидких битумах: для теплых - не ниже 70 °С, для холодных - не ниже 5 °С. Допускается укладка холодных асфальтобетонных смесей непосредственно после их приготовления, то есть в горячем виде.

6.5. Общее время хранения битума с «Амдор-9», «Дорос-АП» и «БП-3М» при различных температурах - см. п. 8.3.

7. Технический контроль

Технический контроль осуществляют на всех стадиях технологического процесса от приготовления битума, содержащего «Амдор-9», «БП-3М» и «Дорос-АП», до процесса приготовления асфальтобетонной смеси, укладки и уплотнения ее на автодороге.

7.1. При устройстве асфальтобетонных покрытий с применением указанных добавок необходимо контролировать качество битума, адгезионных добавок, битума с добавками, минеральных материалов и точность их дозирования, правильность назначения концентрации добавки, а также качество асфальтобетонных смесей, соблюдение параметров и нормы технологического процесса их приготовления, укладки и уплотнения.

7.2. Добавки принимают по паспортным данным завода-изготовителя. Качество «Амдор-9» должно соответствовать требованиям ТУ 0257-003-35475596-96 и требованиям п. 2.4 настоящего Руководства. При этом показатели пп. 1, 2 и 8 Технических условий определяют при входном контроле.

Качество «БП-3М» должно соответствовать требованиям ТУ 0257-001-00151822-93 и требованиям п. 2.7 настоящего Руководства. При этом показатели п.п. 1, 2 и 4 Технических условий определяют при входном контроле.

Качество «Дорос-АП» должно соответствовать требованиям ТУ 0257-002-33452160-99 и требованиям п. 2.9 настоящего Руководства. При этом показатели п.п. 3, 4 и 5 Технических условий определяют при входном контроле.

Определение показателей кислотного числа, массовой доли азота аминогрупп, плотности, температур каплепадения и плавления из-за сложности проведения этих анализов при входном контроле адгезионных добавок на АБЗ не производится.

7.3. Оптимальное количество «Амдор-9», «БП-3М» и «Дорос-АП» в битуме определяют в соответствии с разделом 4 настоящего Руководства.

7.4. Качество исходного вязкого битума проверяют по ГОСТ 22245-90, жидкого - по ГОСТ 11955-82, битума с адгезионными добавками по п. 2.10 настоящего Руководства.

7.5. Качество исходных минеральных материалов, готовой асфальтобетонной смеси определяют по ГОСТ 9128-97, а при подборе ее состава на основе битума с адгезионными добавками по п. 2.11 настоящего Руководства.

7.6. В процессе приготовления смеси битума с адгезионными добавками по р. 5 особо тщательно проверяют их дозировку (точность дозирования ±2 %).

7.7. Замеры температуры нагрева битума с «Амдор-9», «БП-3М» и «Дорос-АП» в рабочих котлах следует производить не реже одного раза в 2 - 3 ч в целях контроля температуры выпускаемой смеси битума с адгезионными добавками.

7.8. Процесс приготовления асфальтобетонной смеси с «Амдор-9», «БП-3М» и «Дорос-АП» контролируют в соответствии с «Пособием по строительству асфальтобетонных покрытий и оснований автомобильных дорог» и СНиП 3.06.03-85 «Автомобильные дороги». В процессе приготовления асфальтобетона с указанными добавками контроль технологического процесса осуществляют путем отбора из каждого смесителя пробы (один раз в смену) и испытанием сформированного из этой смеси образца согласно ГОСТ 9128-97.

7.9. При устройстве покрытия проверяют температуру асфальтобетонной смеси перед уплотнением, толщину уложенного слоя, качество уплотнения и ровность покрытия на соответствие показателям СНиП 3.06.03-85 «Автомобильные дороги».

7.10. Рекомендуемый график лабораторного контроля технологического процесса приготовления битума с добавками «Амдор-9», «БП-3М» и «Дорос-АП» и асфальтобетонной смеси на их основе приведен в табл. 6.

Таблица 6

№ пп

Наименование контролируемого фактора

Контролируемый показатель

Норма

Методика (№... п. Руководства»)

Периодичность

1

2

3

4

5

6

1.

Добавка адгезионная дорожная:

 

 

 

При получении каждой новой партии

«Амдор-9»

Внешний вид

Однородная вязкая жидкость от темно-коричневого до темно-бурого цвета

ТУ 0257-003-35475596-96 (п. 2.4 Руководства)

Сцепление с минеральным материалом битума, содержащего 0,5 % присадки

Не хуже контрольного образца № 1

ГОСТ 11508-74 метод А

Плотность, г/см3

0,9-0,96

ГОСТ Р 51069-97

«БП-3М»

Внешний вид

Однородная масса от желтого до коричневого цвета

ТУ 0257-001-00151822-93 (п. 2.7 Руководства)

При получении каждой новой партии добавки

Температура вспышки в открытом тигле, °С

Не ниже 105 °С

ГОСТ 4333-87

Сцепление с песком битума, содержащего 1 % добавки

Не хуже контрольного образца № 1

ГОСТ 11508-74 метод Б

Температура каплепадения, °С

Не выше 75

ГОСТ 6793-74

При использовании новых партий сырья и изменении технологии производства добавки

«Дорос-АП»

 

 

ТУ 0257-002-33452160-99 (п. 2.9 Руководства)

При получении каждой новой партии

Кислотное число, мг КОН/г

Не более 20

ГОСТ 11362-96

Температура каплепадения, °С

Не выше 40

ГОСТ 6793-74

Сцепление с мрамором и песком битума, содержащего 0,5 - 1,0 % добавки

Не хуже контрольного образца № 1

ГОСТ 11508-74

Сцепление с розовым гранитом битума, содержащего 0,5 - 1,0 % добавки

 

 

2.

Вязкий битум

Показатели по ГОСТ 22245-90

По ГОСТ 22245-90

ГОСТ 22245-90

При получении каждой новой партии

3.

Жидкий битум

Показатели по ГОСТ 11955-82

По ГОСТ 11955-82

ГОСТ 11955-82

При получении каждой новой партии

4.

Битум с адгезионной добавкой

Показатели по ГОСТ 22245-90 или ГОСТ 11955-82 в зависимости от марки битума

По ГОСТ 22245-90 или ГОСТ 11955-82

ГОСТ 22245-90 или ГОСТ 11955-82

Один раз в смену при отгрузке оптовой продукции

Сцепление битума, содержащего адгезионную добавку с минеральным материалом (с эталонным мрамором, с применяемым щебнем фракцией 2,5 - 5 мм, с применяемым песком)

Не хуже контрольного образца № 1 для устройства поверхностной обработки

ГОСТ 11508-74 (метод А)

 

Не хуже контрольного образца № 2 для приготовления асфальтобетонных смесей

5.

Минеральные материалы

Показатели по ГОСТ 9128-97

По ГОСТ 9128-97

ГОСТ 9128-97

При получении каждой новой партии

6.

Асфальтобетонная смесь

Показатели по ГОСТ 9128-97

По ГОСТ 9128-97

ГОСТ 9128-97

Один раз в смену при отгрузке оптовой продукции

8. Транспортирование и хранение добавок «Амдор-9», «БП-3М» и «Дорос-АП», битума с указанными добавками и асфальтобетонной смеси на их основе

8.1. Добавка «Амдор-9» с завода-изготовителя поступает в металлических бочках вместимостью 200 л, автоцистернах или битумовозах.

8.2. Добавку «Амдор-9» транспортируют по железной дороге и автомобильным транспортом в соответствии с действующими Правилами перевозки грузов.

8.3. Добавка «Амдор-9» в таре изготовителя потребителем хранится в закрытых складских помещениях на расстоянии не менее 2 м от отопительных элементов при температуре от минус 25 °С до плюс 50 °С или на открытых площадках под навесом, или в специально оборудованных емкостях с обогревом.

8.4. Максимально допустимое гарантированное время хранения «Амдор-9» в таре завода-изготовителя в диапазоне температур от минус 40 °С до плюс 50 °С составляет 2 года, а в диапазоне температур от плюс 50 °С до плюс 80 °С - 1 год. После истечения гарантированного срока хранения продукт анализируют на соответствие техническим требованиям по п. 2.4 и в случае соответствия используют.

8.5. Максимально допустимое время хранения битума с добавкой «Амдор-9» при температурах: 160 °С - не более 60 ч; 140 °С - не более 80 ч; 120 °С - не более 90 ч; при 100 °С - не более 100 ч; при 80 °С - не более 110 ч; с добавкой «Дорос-АП» при 160 °С - не более 24 ч, при 140 °С - не более 48 ч; с добавкой «БП-3М» при 140 °С - не более 8 ч, при 120 °С - не более 12 ч.

8.6. Не рекомендуется транспортировать битумы с «Амдор-9» при температуре выше 140 °С, как железнодорожным, так и автотранспортом более 20 ч. После выгрузки перед применением смесь битума с «Амдор-9» необходимо перемешать при температуре 150 °С в течение 2 ч и провести полный входной контроль качества.

8.7. Добавки «БП-3М» и «Дорос-АП» транспортируют по ГОСТ 1510-84 битумовозами, в железнодорожных цистернах, а также в стальных бочках (ГОСТ 13950-84 тип 1) вместимостью 100 и 200 л в крытых транспортных средствах в соответствии с правилами перевозок, действующими на железнодорожном и автомобильном транспорте.

8.8. Бочки с добавками «БП-3М» и «Дорос-АП» транспортируют железнодорожным транспортом повагонными или мелкими отправками. Груз формируют в транспортные пакеты в соответствии с ГОСТ 26663-85.

8.9. Бочки с добавками «БП-3М» и «Дорос-АП» следует хранить в крытых складских помещениях при температуре окружающей среды. Бочки устанавливают пробками вверх не более чем в три яруса.

8.10. Гарантированный срок хранения добавок «БП-3М» и «Дорос-АП» в закрытой таре при соблюдении условий их хранения 1 год с момента изготовления.

8.11. При необходимости использования накопительных бункеров при применении асфальтобетонных смесей с «Амдор-9», «БП-3М» и «Дорос-АП» рекомендуется соблюдать требования п. 6.3 настоящего Руководства.

9. Правила техники безопасности при работе с «Амдор-9», «БП-3М» и «Дорос-АП»

9.1. При использовании «Амдор-9», «БП-3М» и «Дорос-АП» необходимо руководствоваться «Правилами охраны труда при строительстве, ремонте и содержании автомобильных дорог» (М. Союздорнии, Росдорнии, 1992 г.).

При работах с адгезионными добавками «Амдор-9», «БП-3М» и «Дорос-АП» необходимо соблюдать правила пожарной безопасности, относящиеся к пуску установок и оборудования, применяемого при приготовлении и введении добавок в битум и на поверхность минерального материала.

9.2. «Амдор-9» - малолетучее, невзрывоопасное вещество. Пожароопасные характеристики приведены ниже.

Температура вспышки, °С                                                                     145 ± 5

Температура воспламенения, °С                                                           255 ± 5

Температура самовоспламенения, °С                                                   330 ± 5

При возникновении пожара для тушения «Амдор-9» следует применять огнетушители, песок, воду.

9.3. Добавка «БП-3М» относится к горючим веществам: температура вспышки в открытом тигле выше 105 °С, температура самовоспламенения около 300 °С.

В случае загорания небольших количеств добавки «БП-3М» применяют песок, углекислотные огнетушители.

При возникновении пожара для тушения необходимо использовать воздушно-механическую или химическую пену, порошковые составы.

9.4. Добавка «Дорос-АП» в соответствии с ГОСТ 12.1.044-89 - горючая жидкость: температура вспышки в открытом тигле - 166 °С, воспламенения - 187 °С, самовоспламенения - 377 °С. Температурные пределы распространения пламени до 220 °С отсутствуют.

Для тушения загоревшейся добавки «Дорос-АП» можно применять воду, раствор смачивателя, тонко распыленную воду, воздушно-механическую пену. Наиболее целесообразными средствами тушения являются распыленная вода, пена, порошок ПСБ. При тушении небольших очагов горения - вода, песок, асбестовое одеяло.

9.5. По токсикологическим свойствам «Амдор-9» является малотоксичным веществом 4-го класса опасности по ГОСТ 12.1.007-76. «Амдор-9» обладает характерным запахом и оказывает раздражающее действие на кожу, слизистые оболочки дыхательных путей и глаз.

Санитарно-эпидемиологическое заключение № 78.01.06.025.П.000675.02.01 от 02.02.2001 г. прилагается (приложение Б).

Расчетный ОБУВ, равный 5 мг/м3, определен на основании экспериментально полученного параметра токсичности ЛД50 = 9136 (7810 - 10688) мг/кг (Заключение НИИ ГП и ЭЧ МЗ и МП РФ о токсичности и опасности адгезионной добавки «Амдор-9» от 17.10.96 г.)

9.6. Адгезионная добавка «БП-3М» по степени воздействия на организм человека относится к малоопасным веществам - 4-й класс опасности по ГОСТ 12.1.007-76. Характеризуется слабо выраженным аллергическим действием на органы дыхания и кожу при повторных контактах (в течение 1 мес.), обусловленным примесью этилендиамина - наиболее легкокипящего компонента (температура его кипения 117 °С), который присутствует во фракции полиэтиленполиаминов. Добавка «БП-3М» кумулятивными свойствами не обладает. Имеет низкую летучесть и специфический «аминный» запах.

«Аминный» запах, а также слабое аллергенное воздействие добавки «БП-3М» обусловлены примесью этилендиамина, присутствующего в малых количествах в полиэтиленполиаминах. Предельно допустимая концентрация паров этилендиамина в воздухе рабочей зоны 2 мг/м3 по ГОСТ 12.1.005-88, класс опасности 3.

В сочетании с пахучими компонентами высокомолекулярных органических кислот, в частности, неочищенных кислот талового масла, «аминный» запах этилендиамина может вызвать ощущение непереносимости у лиц, предрасположенных к аллергическим заболеваниям органов дыхания.

Гигиенический сертификат № 2/54 от 15.06.93 прилагается (Приложение Б). Величина ОБУВ этилендиамина в атмосферном воздухе 0,03 мг/м3.

9.7. Добавка адгезионная «Дорос-АП» по степени воздействия на организм человека в соответствии с ГОСТ 12.1.007 относится к малоопасным веществам - 4-й класс опасности.

Добавка «Дорос-АП» обладает местным раздражающим действием на незащищенные кожные покровы и слизистые оболочки глаз при непосредственном контакте. При длительном контакте добавка «Дорос-АП» может проявлять свойства слабого аллергена. Кумулятивные свойства выражены слабо.

При работе с добавкой «Дорос-АП» возможно выделение в воздушную среду небольших количеств аминов. Контроль воздуха рабочей зоны следует вести по наиболее летучему и токсичному компоненту - этилендиамину, предельно допустимая концентрация которого в воздухе производственных помещений в соответствии с ГОСТ 12.1.005-88 составляет 2 мг/м3.

Санитарно-эпидемиологическое заключение по добавке «Дорос-АП» № 76.01.07.025.П.000388.06.02. от 10.06.2002 г. и № 76.01.025.Т.000376.06.02 от 13.06.2002 г. прилагается (Приложение Б).

9.8. При работе с «Амдор-9», «БП-3М» и «Дорос-АП» необходимыми и обязательными требованиями являются использование индивидуальных средств защиты: спецодежда согласно требованиям Типовых отраслевых норм, резиновые рукавицы, резиновый фартук, при необходимости защитные очки или маска, при температурах окружающего воздуха выше 30 °С и в безветренную погоду рекомендуется использовать приспособления для защиты органов дыхания.

9.9. На асфальтобетонных заводах и строительных площадках, где проводятся работы с адгезионными добавками «Амдор-9», «БП-3М» и «Дорос-АП», должны быть аптечки с набором медикаментов, включающих нейтрализующие вещества (сода, борная кислота, 1-процентный водный раствор глютаминовой или 3-процентный уксусной кислоты).

Первая помощь:

при попадании адгезионной добавки на кожный покров - необходимо снять его ватным тампоном, удалить остатки теплой водой с мылом и обработать пораженное место 1-процентным водным раствором глютаминовой кислоты или 3-процентным водным раствором уксусной кислоты;

при попадании в глаза - немедленно промыть глаза обильной струей воды в течение 10 - 15 мин и направить пострадавшего к врачу.

9.10. При выполнении производственных операций с адгезионными добавками, а также при отборе проб и их испытании необходимо соблюдать следующие правила техники безопасности:

помещения, в которых проводятся работы с добавками, должны быть оборудованы приточно-вытяжной или местной вентиляцией;

при розливе добавки ее необходимо засыпать песком, затем собрать в герметичную тару и удалить из помещения, место розлива протереть ветошью или тряпкой;

при затаривании добавок в бочки и транспортные средства, а также при сливе их из тары необходимо избегать выделения паров и пахучих компонентов добавок в атмосферный воздух.

9.11. Лица, занятые в производстве и применении битумов с добавками «Амдор-9», «БП-3М» и «Дорос-АП», проходят предварительные при поступлении на работу и периодические осмотры в соответствии с действующими приказами МЗ РФ № 90 от 14.03.96. Следует ограничить контакт с указанными добавками лиц, предрасположенных к аллергическим заболеваниям.

9.12. Лица моложе 18 лет и беременные женщины к работе с битумами с добавками «Амдор-9», «БП-3М» и «Дорос-АП» и самими добавками не допускаются.

9.13. При введении добавок «Амдор-9», «БП-3М» и «Дорос-АП» в емкости битумоплавильных установок, работающих с использованием электронагревателей, необходимо соблюдение следующих требований:

все токоведущие части должны быть изолированы, ограждены и заземлены;

не допускается оголение спиралей электронагревательных элементов;

осмотр и ремонт установки допускаются только при отключении тока.

10. Охрана окружающей среды

10.1. В процессе приготовления и применения битумов с «Амдор-9», «БП-3М» и «Дорос-АП» необходимо соблюдать требования ГОСТ 17.2.3.02-78 по охране природы и атмосферы. Эффективной мерой защиты природной среды является герметизация оборудования с целью предотвращения розлива битума, битума с указанными добавками и самих добавок.

10.2. Предприятие, производящее битумы с добавками «Амдор-9», «БП-3М» и «Дорос-АП», должно разрабатывать том ПДВ (ВСВ) в соответствии с требованиями санитарного и природоохранного законодательств.

10.3. Образующиеся отходы производства либо возвращаются в технологический процесс, либо работа с ними осуществляется в соответствии с Временным классификатором токсичных промышленных отходов № 4286-87, Предельным количеством накопления токсичных промышленных отходов на территории предприятия (организации) СП № 3209-85, Санитарными правилами «Порядок накопления, транспортировки, обезвреживания и захоронения токсичных промышленных отходов» СП № 3184-84.

10.4. Сброс растворов добавок в легких углеводородах и образующихся эмульсий с водой в канализацию недопустим.

Эмульсии необходимо подвергать разрушению действием электролитов. Выделившийся органический остаток, а также растворы добавки в нефтепродуктах подлежат сжиганию в порядке, установленном территориальным органом санэпиднадзора.

Генеральный директор ФГУП «Союздорнии», канд. техн. наук         В.М. Юмашев

Руководитель темы, канд. техн. наук                                                      Л.М. Гохман

Ответственный исполнитель, канд. техн. наук                                     А.Р. Давыдова

Приложение А

МЕТОДЫ ИСПЫТАНИЯ АДГЕЗИОННЫХ ДОБАВОК «АМДОР-9», «БП-3М» И «ДОРОС-АП»

1. Отбор пробы добавки производят из расплавленного продукта по ГОСТ 2517-85. Масса средней отобранной пробы должна быть не менее 0,5 кг.

Отобранную пробу нагревают на водяной бане до расплавления всей пробы, перемешивают и делят на две части. Одна часть используется для проведения первичных испытаний, другая часть - для повторных испытаний при получении неудовлетворительных результатов первичных испытаний. Результаты повторных испытаний являются окончательными.

2. Определение внешнего вида и однородности

Внешний вид и однородность определяют визуально. При испытании добавки «Амдор-9» в пробирку по ГОСТ 25336-82 из бесцветного стекла наливают от 20 до 30 см3 продукта, нагревают до жидкого состояния и просматривают в проходящем свете на фоне белой бумаги. Добавка «Амдор-9» считается однородной, если она не содержит механических примесей и других включений.

При испытании добавки «БП-3М» ее наносят шпателем на предметное стекло слоем толщиной около 1 мм и рассматривают в приходящем свете: добавка не должна содержать механических примесей и других включений.

3. Определение сцепления битума, содержащего добавку, с минеральным материалом

3.1. Для определения качества добавки «Амдор-9» проводят определение сцепления минерального материала с битумом, содержащим 0,5 % присадки.

Определение сцепления битума, содержащего 0,5 % добавки, с минеральным материалом производят по ГОСТ 11508-74 (метод А) со следующими изменениями и дополнениями:

- в качестве эталонного минерального материала используют гранитный отсев Каменогорского месторождения Ленинградской обл. фракции 2,5 - 5,0 мм или 5,0 - 6,0 мм;

- при приготовлении пробы битумоминеральной смеси навеска битума составляет 0,6 г на 15 г камня;

- испытания проводятся в режиме бурного кипения воды.

3.2. Для определения качества добавки «БП-3М» проводят определение сцепления битума, содержащего 1,0 % добавки, по ГОСТ 11508-74 (метод Б) только с эталонным песком.

3.3. Для определения качества добавки «Дорос-АП» проводят определение сцепления битума, содержащего 0,5-1,0 % добавки, по ГОСТ 11508-74 (метод А). При определении сцепления битума, содержащего 0,5 - 1,0 % добавки, с серым и розовым гранитом берут на 5 г минерального материала 0,2 г битума.

3.4. При подборе оптимальной концентрации добавки для конкретного минерального материала определение сцепления его с битумом проводят по ГОСТ 11508-74 Метод А, при этом концентрация добавки в битуме должна быть в пределах, рекомендуемых для каждой конкретной добавки.

4. Определение кислотного числа

Кислотное число для добавок «Амдор-9» и «Дорос-АП» определяют по ГОСТ 11362-76, при испытании добавки «Дорос-АП» ее навеска зависит от значения кислотного числа и составляет 0,5 - 1,0 г.

5. Определение массовой доли воды

Определение массовой доли воды производят методом Дина-Старка по ГОСТ 14870-77 раздел 4.

6. Определение температуры плавления

Определение температуры плавления проводят по ГОСТ 4255-75.

7. Определение аминного числа

7.1. Аппаратура, материалы и реактивы:

Весы лабораторные общего назначения с наибольшим пределом взвешивания 200 г, погрешность ±0,00075 г.

Бюретка по ГОСТ 29251-91, 2-го класса точности, вместимостью 10 см3, погрешностью ±0,05 см3.

Пипетки по ГОСТ 29169-91, 2-го класса точности, вместимостью 10 см3, погрешностью ±0,04 см3.

Цилиндры по ГОСТ 1770-74, вместимостью 25, 50, 100 см3, 2-го класса, погрешностью ±0,50 и ±1,00 см3 соответственно.

Колбы мерные по ГОСТ 1770-74, вместимостью 100 и 1000 см3, погрешностью ±0,20 и ±0,80 см3 соответственно.

Колбы Кн и П-1-100-29 или Кн и П-1-250-29 по ГОСТ 25336-82 с пришлифованной пробкой.

Стаканы В, Н-100 по ГОСТ 25336-82.

Холодильники типа ХШ по ГОСТ 25336-82.

Электрод индикаторный стеклянный типа ЭСЛ-4307 по ТУ 25-05-2234-77.

Электрод сравнения каломелевый типа ЭВД-1М или ЭВЛ-1МЗ.

Мешалка магнитная типа ММ-2.

Баня водяная.

Кислота уксусная по ГОСТ 61-75, ледяная.

Натрий углекислый по ГОСТ 83-79, прокаленный при температуре от 270 до 300 °С до постоянной массы.

Кислота бромисто-водородная по ГОСТ 2062-77, ч.д.а, раствор с концентрацией 0,1 моль/дм3 в ледяной уксусной кислоте, готовят следующим образом: в мерную колбу вместимостью 1000 см3 вносят 100 см3 ледяной уксусной кислоты, медленно по каплям при охлаждении на водяной бане приливают 15 см3 бромисто-водородной кислоты, перемешивают и доливают до метки уксусной кислотой, поправочный коэффициент К раствора устанавливают по углекислому натрию (или бифталату калия) потенциометрическим методом.

Поправочный коэффициент К раствора бромисто-водородной кислоты с концентрацией 0,1 моль/дм3 вычисляют по формуле

,                                                         (1)

где m - масса навески углекислого натрия, г;

V - объем раствора бромисто-водородной кислоты с концентрацией 0,1 моль/дм3, израсходованный на титрование;

0,0053 - коэффициент, равный массе углекислого натрия, соответствующий 1 см3 раствора НВt с концентрацией 0,1 моль/дм3, г/см3.

За значение поправочного коэффициента принимают среднее арифметическое всех (но не менее трех) параллельных определений, расхождение между значениями которых не превышает 0,001.

7.2. Подготовка к проведению анализа.

Электрод индикаторный стеклянный выдерживают в течение 2 ч в смеси ледяной кислоты с уксусным ангидридом (10:1). Затем промывают уксусной кислотой и дистиллированной водой. Электрод сравнения заполняют насыщенным раствором хлористого калия в изопропиловом или этиловом спирте, хранят электроды в дистиллированной воде.

7.3. Проведение анализа.

(0,1250 ± 0,0250) г «Амдор-9» помещают в стакан для титрования, растворяют в (40 ± 5) см3 ледяной уксусной кислоты, потенциометрически титруют раствором бромисто-водородной кислоты с концентрацией 0,1 моль/дм3 до резкого изменения потенциала измерительного электрода в точке эквивалентности. Параллельно проводят контрольный опыт в тех же условиях и с теми же реактивами, но без «Амдор-9».

7.4. Обработка результатов.

Аминное число А (г НС1 с масс. долей 100 % (100 г «Амдор-9») вычисляют по формуле

,                                              (2)

где V1 - объем раствора бромисто-водородной кислоты с концентрацией 0,1 моль/дм3, израсходованный на титрование исследуемой пробы, см3;

V0 - объем раствора бромисто-водородной кислоты с концентрацией 0,1 моль/дм 3, израсходованный на титрование контрольного опыта, см3;

К - поправочный коэффициент раствора бромисто-водородной кислоты с концентрацией 0,1 моль/дм3 в ледяной уксусной кислоте;

m1 - масса исследуемого продукта, взятая для определения аминного числа, г;

0,003646 - коэффициент, равный массе НС1, эквивалентной массе НВt, содержащейся в 1 см3 раствора НВt с концентрацией 0,1 моль/дм3, г/см3.

За результат анализа принимают среднее арифметическое двух параллельных определений, абсолютное расхождение между которыми не превышает допустимое расхождение, равное 1 %.

Допустимая абсолютная суммарная погрешность результата анализа ±1 % при доверительной вероятности 0,95.

7.5. Допускается применение других средств измерений (приборов, мерной посуды), с метрологическими характеристиками, оборудования с техническими характеристиками, а также реактивов по качеству не ниже вышеуказанных.

8. Определение температуры каплепадения

Определение температуры каплепадения добавок «БП-3М» и «Дорос-АП» производят по ГОСТ 6793-74, для добавки «Дорос-АП» со следующим уточнением: адгезионную добавку заливают в пробирку и помещают в водяную баню. За температуру каплепадения принимают температуру, при которой добавка «Дорос-АП» становится прозрачной и приобретает текучесть.

9. Определение температуры вспышки

Определение температуры вспышки проводят в открытом тигле по ГОСТ 4333-87.

10. Определение плотности

Определение плотности производят по ГОСТ 51069-97.




Яндекс цитирования



   Copyright © 2007-2026,  www.tehlit.ru.

[ ѓосты, стандарты, нормативы, инструкции, правила, строительные нормы ]