//
ТехЛит.ру
- крупнейшая бесплатная электронная интернет библиотека для "технически умных" людей.
WWW.TEHLIT.RU - ТЕХНИЧЕСКАЯ ЛИТЕРАТУРА

:: Алготрейдинг::


АЛГОТРЕЙДИНГ
шаг за шагом
с нуля по урокам!

Торговые роботы на PYTHON, BackTrader,
Pandas, Pine Script для TradingView. Связка с брокерами, телеграм и легкими приложениями.


ЦЕНТРАЛЬНЫЙ
НАУЧНО-ИССЛЕДОВАТЕЛЬСКИЙ И ПРОЕКТНЫЙ ИНСТИТУТ
ТИПОВОГО И ЭКСПЕРИМЕНТАЛЬНОГО ПРОЕКТИРОВАНИЯ
КОМПЛЕКСОВ И ЗДАНИЙ КУЛЬТУРЫ, СПОРТА И УПРАВЛЕНИЯ
им. Б.С. МЕЗЕНЦЕВА

(ЦНИИЭП им. Б.С. МЕЗЕНЦЕВА) ГОСГРАЖДАНСТРОЯ

РЕКОМЕНДАЦИИ
ПО ПРОЕКТИРОВАНИЮ
МУЗЕЕВ

Москва Стройиздат 1988

Рекомендовано к изданию научно-технической секцией ЦНИИЭП им. Б.С. Мезенцева Госгражданстроя.

Сформулированы основные принципы проектирования музеев. Особое внимание уделено наиболее массовым профильным группам - художественным и историко-краеведческим.

Приведены методика проектирования, классификация музеев, особенности их градостроительного размещения, требования к участку, составу и взаимосвязи помещений, объемно-планировочной композиции музеев. Отдельный раздел посвящен специфике проектирования панорам и диорам.

Для проектировщиков, сотрудников музеев, художников, инженеров и студентов.

Табл. 15, ил. 19.

Разработаны ЦНИИЭП им. Б.С. Мезенцева (канд. архит. В.И. Ревякин, архит. А.А. Оленев - разд. 14).

СОДЕРЖАНИЕ

1. Общие положения. 1

2. Создание централизованных музейных систем.. 2

3. Классификация музеев. 4

4. Принципы организации музеев массовой сети. 5

5. Градостроительные принципы размещения музеев. 7

6. Требования к участку. 8

7. Функциональная программа. 9

8. Состав и взаимосвязь помещений. 11

9. Организация экспозиций. 13

10. Фондохранилища. 14

11. Расширение музеев. 15

12. Инженерно-техническое оборудование. 16

13. Методика проектирования. 18

14. Панорамы и диорамы.. 19

Приложение. 22

1. ОБЩИЕ ПОЛОЖЕНИЯ

1.1. Музеи предназначаются для собирания и комплектования памятников материальной и духовной культуры, их хранения, изучения и экспонирования.

Музеи принадлежат к особому типу научно-исследовательских и культурно-просветительных учреждений, осуществляющих многообразную деятельность предметным языком экспонатов.

1.2. Профиль музея, функциональная специфика деятельности и коллекций, национальное своеобразие края, градостроительные особенности размещения являются основополагающими моментами в проектировании зданий музеев.

Каждый музей должен иметь индивидуальное архитектурно-художественное решение, определяемое конкретной коллекцией и формами деятельности. Особенность всех музеев - постоянный рост количества экспонатов, пополнение и обновление композиций. В соответствии с этим для музеев не может быть предложено нормирование аналогично объектам типового проектирования. Цель настоящих Рекомендаций - сформировать основные принципы проектирования музеев и в первую очередь наиболее распространенных - художественных и историко-краеведческих.

1.3. При открытии новых музеев или реконструкции существующих следует исходить из необходимости создания в регионе целостной взаимосвязанной музейно-выставочной системы, включающей музеи различных профилей, выставочные залы, памятники истории и культуры и способствующей наиболее эффективному и всестороннему показу истории, природы, общественного развития, искусства, а также современных достижений в социально-экономической и духовной жизни.

В этой связи представляется целесообразным создание централизованных фондохранилищ с лабораториями и мастерскими и преимущественное развитие сети специализированных музеев.

2. СОЗДАНИЕ ЦЕНТРАЛИЗОВАННЫХ МУЗЕЙНЫХ СИСТЕМ

2.1. Перспективным, направлением совершенствования структуры сути музеев является создание централизованных музейных систем по профильному или территориальному признаку, включающих (полностью или частично) музеи определенного региона.

2.2. Централизованная музейная система имеет, как правило, следующую структуру:

головной музей;

филиалы;

музеи на правах отделов (секторов) головного музея или филиалов;

самостоятельные экспозиции в отдельных зданиях, чаще всего в музеефицированных памятниках истории и культуры.

В отдельных случаях централизованные системы могут функционировать без головного музея с подчинением филиалов единой дирекции. Место музея в системе определяют состав помещений и характер архитектурного облика здания.

2.3. В основе деятельности музейного объединения лежат централизация управления, единое планирование научно-исследовательской, научно-просветительной, хозяйственной и финансовой деятельности, единая система учета, хранения, комплектования и использования музейных фондов.

При централизации появляется возможность создания объединенных отделов и служб, ориентированных на решение задач, общих для всех музеев региона. Структура объединения является в этом отношении достаточно гибкой, легко приспосабливаемой к местной специфике. Актуальным является выделение особого структурного подразделения для разработки архитектурно-художественных решений и технического оснащения музейных экспозиций. В связи с постоянной и планомерной работой в области учета, охраны и использования памятников истории и культуры необходимо создание отделов научной пропаганды, реставрации и музеефикации памятников. В ряде случаев на объединенный музей-заповедник возлагаются функции государственного органа охраны памятников истории и культуры. Таким образом, централизованные научные отделы, лаборатории, мастерские, фондохранилища целесообразно устраивать в специально оборудованном здании с учетом местных условий, конкретных особенностей объединения.

2.4. При организации централизованных музейных систем одной из первоочередных задач является разработка генерального плана. К его составлению должны привлекаться музеи, научные учреждения, общественность, органы охраны памятников, творческие союзы, заинтересованные министерства и ведомства. В генеральном плане уточняется профиль существующих музеев; определяются тематика экспозиций, планируемых на перспективу, место их размещения, состояние памятников истории и культуры, намеченных для музеефикации; сроки реставрационных работ; время открытия новых экспозиций и возможность комплексного обслуживания всей системы музеев с учетом нового строительства. Генеральный план разрабатывается с участием архитекторов на основе научной концепции, определяющей характер развития музейного дела региона. В централизованных музейных системах при разработке научной концепции и генерального плана вносятся существенные изменения в региональную музейную сеть. В первую очередь преодолевается однообразие периферийной музейной сети; стереотипные районные и городские музеи преобразуются в специализированные музеи, посвященные важным для данной территории историческим событиям, отраслям народного хозяйства, явлениям культуры и искусства. Предусматривается преимущественное развитие тех профилей, которые не были в достаточной степени представлены в сети: дружбы народов, искусства, науки и техники, народного творчества, истории городов и предприятий, а также посвященных конкретным событиям революционной борьбы, социалистического и коммунистического строительства. Вместе с развитием многообразия экспозиций встают задачи их архитектурно-художественного представления.

Тематическая специализация определяется рядом факторов и, прежде всего, особой значимостью тех или иных событий, периодов истории региона в общем историческом процессе, выдающихся личностей, наличием в фондах собраний местных художников, особо ценных коллекций и уникальных материалов. Важным фактором является непосредственная увязка тематической специализации музея с общей научной концепцией и генеральным планом развития музейного дела в регионе.

Районные и городские краеведческие музеи полного профиля сохраняют свое значение в условиях значительной удаленности от областного центра, при наличии соответствующих коллекций, необходимых экспозиционных площадей. Таким образом, в централизованных объединениях создается возможность гибко и рационально строить музейную сеть, неуклонно повышать научный и архитектурно-художественный уровень экспозиций.

2.5. Отличительной чертой музейных объединений является активизация экспозиционной деятельности, характеризуемая более высоким процентом экспонирования музейных предметов в постоянных экспозициях - 10 - 12*.

* Здесь и далее приводятся данные по музеям РСФСР до и после централизации.

Высокими показателями характеризуется развитие выставочной работы: растет количество выставок, разнообразной становится их тематика, увеличивается насыщенность выставок подлинными музейными материалами, в 4 раза увеличивается количество предметов, экспонируемых на выставках.

Необходимой предпосылкой развития экспозиционной и выставочной работы в объединениях является происходящее в них динамичное перераспределение фондов между головными музеями и филиалами и в первую очередь обогащение новых экспозиций и выставок филиалов за счет фондов головного музея: экспонаты головного музея составляют в экспозициях и на выставках, подготовленных филиалами, 50 - 80 %.

2.6. Научно-фондовая работа в централизованных системах характеризуется и другими серьезными изменениями, прежде всего значительным ростом основного фонда в головном музее и в филиалах. Такой сдвиг возможен в результате проведения совместных экспедиций по комплектованию материалов, а также более широкому развитию связей музеев с научными учреждениями, архивами, предприятиями, учебными заведениями, вузами, как одному из следствий создания централизованной системы. Две трети фондовых поступлений приходится на филиалы, тогда как до централизации они составляли лишь одну треть. В связи с этим насущной задачей является увеличение площадей фондохранилищ.

Перспективным следует считать создание объединенных специализированных фондохранилищ по отдельным видам музейных предметов. При этом, создаются наиболее благоприятные условия для хранения музейных предметов в режиме, соответствующем тому или иному материалу. Объединенное специализированное хранение позволяет поднять научный уровень работы с фондами, способствует повышению квалификации сотрудников, занимающихся изучением определенных видов музейных памятников. Создаются также условия для значительного повышения оборота музейных фондов, поскольку усиливается использование коллекций исследователями, а также средствами массовой информации.

В зданиях для централизованного хранения фондов рекомендуется создавать комплексные реставрационные отделы, лаборатории и мастерские, обслуживающие филиалы объединения. В составе помещений необходимо предусматривать специальные выставочные залы для новых поступлений и отреставрированных экспонатов общей площадью 400 - 600 м2.

2.7. Научно-просветительская работа. После централизации в музеях наблюдается процесс быстрого и систематического роста общего числа посетителей. Наиболее интенсивный рост посещаемости наблюдается в филиалах. Если в целом по объединениям посещаемость музеев возрастает на 38 %, то по филиалам в среднем рост посещаемости составляет 73 %, т.е. почти в 2 раза больше. Опережающий рост посещаемости филиалов - закономерный и поддающийся планированию результат развития централизованных музейных систем.

Опережающий рост посещаемости филиалов ведет в свою очередь к возрастанию другого важного параметра объединенной музейной системы - удельного веса филиалов в системе (на 24,2 %). Удельный вес филиалов в системе определяется как отношение годичного числа посетителей в музеях-филиалах к годичному числу посетителей по объединенной системе в целом.

Резко увеличивается также число проведенных экскурсий, массовых мероприятий как в целом по объединенному музею, так и по филиалам, расширяется их тематика, внедряются новые формы массовой научно-просветительной работы, увеличивается процент экскурсионного обслуживания посетителей.

Успехи в развитии научно-просветительной работы достигаются благодаря внедрению комплекса организационно-методических и архитектурных мероприятий. Среди них: создание централизованных отделов и секторов экскурсионной работы, научной пропаганды, методики научно-просветительной работы руководства филиалами, внемузейной работы и рекламы музея. Благодаря этому значительно увеличивается контингент посетителей, а также возможность широко внедрять практику комплексных экскурсий, включающих посещение музеев, филиалов, памятников истории и культуры, памятных мест.

Комплексные темы экскурсий становятся разнообразнее и занимают все больший удельный вес в экскурсионной тематике музеев.

Большое значение для повышения научного, идейного и профессионального уровня массовой работы имеет коренная перестройка системы подготовки и повышения квалификации кадров. Она имеет целью охватить различными формами обучения всех без исключения научных сотрудников, экскурсоводов и руководящих работников среднего звена. Головной музей должен стать центром профессиональной подготовки кадров. Рекомендуется в объединенном музее организация школ для штатных и внештатных сотрудников.

Архитектурный аспект этой проблемы - создание специально оборудованных центров, обеспеченных аудиториями и кинолекционным залом на 200 мест.

Высокий идейный и профессиональный уровень научно-просветительной работы сочетается с редакционно-издательской деятельностью.

Для этого необходимо предусматривать в составе помещений регионального центра музеев редакционно-издательский и научно-методический отделы.

Первоочередной задачей для создания целостной системы музеев в регионе является строительство специального здания (или приспособление существующих зданий) для регионального центра управления и обслуживания музеев (РЦМ).

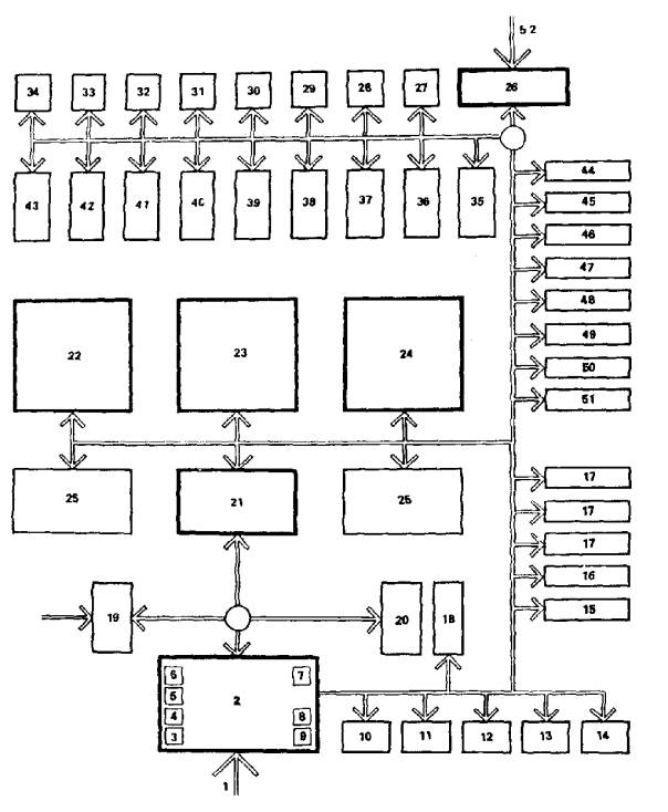
2.8. Рекомендуемые состав и площади помещений регионального центра музеев приведены в табл. 1, рис. 1, 2.

Таблица 1

п.п.

Группы помещений

Ориентировочная площадь, м2

1.

Дирекция и административно-хозяйственные службы

150

2.

Научно-исследовательский отдел

250

3.

Научно-методический отдел

200

4.

Редакционно-издательский отдел

120

5.

Научно-справочная библиотека

200

6.

Архитектурно-художественные мастерские

150

7.

Кинолекционный зал

180

8.

Выставочные залы

400

9.

Реставрационные мастерские и лаборатории

600

10.

Кинофотолаборатория

100

11.

Хранилища по видам материалов

2500

12.

Производственные мастерские

120

13.

Обслуживающие помещения

150

14.

Технические помещения

По расчету

3. КЛАССИФИКАЦИЯ МУЗЕЕВ

3.1. Классификация отражает отнесение музеев к определенному типу, профилю, статусу и категории.

Тип музея определяется характером общественного использования. По этому признаку музеи распределяются на три основных типа: научно-просветительские, научные и учебные.

3.2. Профиль музея определяется связью с определенной областью знаний, искусства или производства (или их совокупностью).

Основные профильные группы музеев следующие: исторические, литературные, естественнонаучные, искусствоведческие и комплексные.

Внутри каждой группы происходит дальнейшая профилизация музеев, отражающая внутреннюю специализацию науки, искусства и производства.

Архитектурная типология представляется более общей, чем тематическое разнообразие музеев. С архитектурной точки зрения мемориальные музеи, например, имеют много общего вне зависимости от их профиля. С точки зрения архитектурного проектирования, они разделяются на здания с сохраняющейся мемориальностью обстановки, здания с дополнительными помещениями для поясняющей экспозиции, новые здания музеев.

Типологический ряд мемориальных музеев включает: музей-памятник, комплекс мемориальных сооружений, комплекс памятника с новым зданием для поясняющей экспозиции, диорамы и панорамы.

Среди исторических музеев особое место занимают военно-патриотические музеи. По своей тематической и архитектурной направленности они могут быть объединены в 6 групп: музеи Великой Отечественной войны; музеи героической защиты городов и мест, военно-исторических событий; интернационального сотрудничества; партизанской, народной и комсомольской славы; мемориальные; памятники-музеи.

Для архитектурной классификации военно-патриотических музеев 1 - 4-й групп существенное значение имеет комплексный характер экспозиции; развитый состав помещений, включающий зоны для постоянной экспозиции, временных выставок и лекций, фондохранилища, мастерские и лаборатории, административные, подсобные и хозяйственные помещения.

Исторические музеи подразделяются на три группы, характеризующие задачи архитектурного проектирования: новые здания и комплексы, сохраняемые (восстановленные) места и представляющие сочетание новых сооружений с существующими.

Наиболее значительные в архитектурном отношении - мемориальные комплексы. Общепринятое понимание музея как хранителя подлинных экспонатов и место их показа здесь переакцентировано: на первое место выделяется не показ музейными средствами, а создание памятника архитектурно-художественными средствами. Важную роль в архитектурно-пространственном формировании ансамбля имеет природное окружение, сохраняемая или создаваемая среда, в которую включается комплекс.

Учитывая ярко выраженную специфику, музеи науки и техники могут быть выделены по архитектуре в самостоятельную группу.

Наибольшее распространение в практике проектирования получили художественные и историко-краеведческие музеи.

3.3. По статусу музеи разделяются на государственные и работающие на общественных началах.

3.4. Категория музея определяется величиной фондов и количеством посещений.

При установлении категории музея учитываются качественные показатели коллекции и посещаемости, которые могут не совпадать с указанными в табл. 2.

Таблица 2

Показатели деятельности

Категория музея

I

II

III

IV

V

Посещаемость музея в год, тыс. чел.

400 и более

150 - 400

100 - 150

20 - 100

10 - 20

Количество единиц хранения, тыс.

150 и более

75 - 150

30 - 75

10 - 30

2 - 10

3.5. Музеи подразделяются по организационному признаку на центральные, осуществляющие научно-методическое руководство своей группой; головные, имеющие сеть филиалов; музеи на правах филиалов и отделов (секторов); самостоятельные музеи.

4. ПРИНЦИПЫ ОРГАНИЗАЦИИ МУЗЕЕВ МАССОВОЙ СЕТИ

4.1. Решающими факторами, определяющими величину музея, являются количество, состав фондов и динамика поступлений.

4.2. За основу расчета площадей музеев принимается экспозиционная площадь, которая, как правило, составляет половину общей площади музея (45 - 55 %). Для всех профилей музеев, кроме мемориальных, характерна следующая закономерность в распределении экспозиционных площадей в различных по величине городах: с ростом численности населения города показатели площади на 1 тыс. жителей уменьшаются.

Такой же характер носит зависимость количества посещений в городах с различной численностью населения: чем меньше город, тем большее количество посещений на 1 тыс. жителей в год. Обратная зависимость имеет место в распределении экспонатов в экспозиции и фондах.

4.3. Распределение экспозиционной площади музеев для городов различной величины (табл. 3) может быть рекомендовано как ориентировочное, требующее корректировки с учетом специфики данного города, коллекции и т.д.

4.4. Принципы организации музеев массовой сети приведены в табл. 4.

Таблица 3

Музеи

Группы городов по численности населения

Экспозиционная площадь, 1 м2

Экспозиционная площадь на 1 тыс. жителей

Количество посещений на 1 тыс. жителей в год

Количество экспонатов экспозиции на 1 м2 залов

Количество экспонатов фонда на 1 м2 площади

КРАЕВЕДЧЕСКИЕ

Крупнейшие

2500 - 2000

2,5

0,3

5,5

340

Крупные

1800

4,5

0,4

5

320

Большие

1500

8

0,6

4,5

250

Средние

1000

12,5

0,9

4

140

Малые

500

22

1,2

3,9

100

ИСТОРИЧЕСКИЕ

Крупнейшие

2500 - 2000

2,2

0,3

7

350

Крупные

1600

3,8

0,5

5

300

Большие

800

5

0,7

3,5

220

Средние

500

8

0,8

3,2

200

Малые

300

30

1,75

3

150

ИСТОРИКО-МЕМОРИАЛЬНЫЕ

-

250

1

0,2

6

100

ЛИТЕРАТУРНО-МЕМОРИАЛЬНЫЕ

 

350

0,43 - 26,85

0,06 - 12,8

2,7

145

ХУДОЖЕСТВЕННЫЕ

Крупнейшие

1500

1,3

0,14

0,7

40

Крупные

1300

4

0,3

0,85

34

Большие

850

5,5

0,4

1

30

Средние

450

7,5

0,6

1,3

26

Малые

400

40

2,6

1,75

16

Примечание. Численность населения для определения группы городов:

более 500             тыс. чел.     - города крупнейшие;

от 250 до 500        "         "       -       "         крупные;

" 100     "   250        "         "       -       "         большие;

" 50       "   100        "         "       -       "         средние;

"       50          "         "       -       "         малые.

Таблица 4

№ п.п.

Музеи массовой сети

Принципы размещения

1.

Комната боевой и трудовой славы, музей на общественных началах

Организуется в основном на общественных началах в районных, городских и сельских домах культуры, библиотеках, в школах, на предприятиях и в организациях

2.

Народный музей

Организуется на базе лучших музеев на общественных началах, комнат боевой и трудовой славы в соответствии с «Типовым положением о музее, работающем на общественных началах»

3.

Окружной, районный, городской исторический, краеведческий, естественнонаучный музей (филиал централизованной музейной системы - ЦМС)

Организуется в населенных пунктах с числом жителей не менее 5 тыс. чел. и числом экспонатов не менее 1000 (основной фонд)

4.

Мемориальный музей любого профиля (филиал ЦМС)

Организуется на базе мемориальных комплексов (усадеб, домов, квартир и т.п.), связанных с жизнью и деятельностью выдающихся политических деятелей, деятелей науки, техники, культуры и искусства

5.

Историко-архитектурный, историко-художественный, археологический музей и музей-заповедник (филиал ЦМС)

Организуется на базе комплекса памятников архитектуры, культуры, искусства, археологии, представляющих особую историческую, научную, художественную или иную культурную ценность

6.

Музей прикладного искусства

Организуется в местах сосредоточения народных художественных промыслов

7.

Республиканский (АССР), краевой, областной, окружной краеведческий, исторический музей (головной музей ЦМС)

В центре каждой автономной республики, края, области, автономной области, национального округа

8.

Республиканский (АССР), краевой, областной, окружной, городской художественный музей

В центре каждой автономной республики, края, области, а также в городах, обладающих коллекцией художественных произведений

9.

Выставочный зал

Не менее одного в центре каждой автономной республики, края, области, национального округа, а также в городах с населением более 100 тыс. чел.

5. ГРАДОСТРОИТЕЛЬНЫЕ ПРИНЦИПЫ РАЗМЕЩЕНИЯ МУЗЕЕВ

5.1. Градостроительная ситуация, непосредственное окружение и собственно участок музея имеют существенное влияние на архитектуру здания. Функциональная программа должна решаться в органической связи с природным и градостроительным окружением.

Исторически единственно возможное место расположения музея в городе - исключительно центр - и сегодня сохраняет свою актуальность, хотя и формулируется не с такой категоричностью, как раньше.

Уникальность определяет архитектурное значение музея в формировании значительных градостроительных ансамблей. С ростом числа и типологического разнообразия музеев, появлением, музеев, связанных с определенным местом, изменения их роли в общественной и культурной жизни нарушилось и единообразие подхода к выбору участка. Известны многочисленные примеры строительства музеев за городом (этнографических, археологических и мемориальных, в живописной местности, позволяющей совместить отдых посетителей с посещением музея). Много музеев открыто на селе - свидетельство возросшего культурного уровня и стирания граней между городом и селом.

5.2. Общие требования к выбору участка для здания музея следующие:

предпочтительность размещения в городском центре. Музеи являются ведущими объектами формирования общегородского ансамбля. Соблюдение данного требования обеспечивает равнодоступность музея для посетителей из разных районов;

включение музея в комплекс учреждений культуры вместе с другими музеями, театром, выставочным залом, библиотекой, архивом, центром информации и досуговыми учреждениями. Кооперация дополняет функциональную программу музея и привлекает новые категории посетителей;

близость парка - для устройства открытой экспозиции, естественной защиты от шума и загрязнений и создания необходимых музею рекреационных зон;

достаточная площадь территории для строительства и перспективного расширения музея.

Данные требования не распространяются на музеи, расположение которых связано с определенным местом:

мемориальные музеи;

археологические музеи на месте раскопок;

музеи предприятий, учреждений и учебных заведений;

музеи в памятниках;

музеи под открытым небом, требующие больших по площади незастроенных территорий, с ландшафтом, характерным для данного региона.

5.3. При выборе места для строительства музея требуется учет следующих основных факторов:

социальные цели: сохранение культурного наследия и его пропаганда; повышение образовательного и культурного уровня населения; проведение научных исследований;

назначение и специфика музея: место музея в общей структуре (центральный, головной, филиал), тип коллекции, фонды, преимущественное развитие функций (научно-исследовательских, научно-просветительских, образовательных и досуговых);

характеристика города (населенного пункта): численность населения, структура расселения, предполагаемый регион охвата музеем, транспортная схема, перспективы развития города (населенного пункта) в целом и предполагаемого района для строительства музея, исторические и культурные традиции, развитие туризма.

Анализ структуры посетителей историко-краеведческих музеев показывает, что иногородние составляют существенную часть посетительской аудитории - от 32 % в крупнейших музеях до 78 % в небольших районных.

Для регионов с высокой плотностью населения и развитым межгородским общественным транспортом существенное влияние на посещаемость оказывает население тяготеющих населенных мест;

природное окружение: рельеф, растительность, водоемы, геологические характеристики, климатические условия (с точки зрения сохранности экспонатов и возможностей организации открытой площадки), форма и размер участка, ограничения использования, включая шум, вибрации и загрязнения, пригодность местности для проведения досуговых мероприятий;

градостроительная ситуация: наличие других музеев, учебных заведений (включая школы), научных учреждений (их мощность, тип, размещение и число), мест досуга и отдыха; ближайшее архитектурное окружение; тенденция развития; неблагоприятное для музея соседство с промышленными предприятиями, скоростными магистралями, железной дорогой и аэропортом; возможность поэтапного расширения здания музея;

структура населения: социально-профессиональный и возрастной состав, уровень образования, культурные запросы, туристы;

транспортная доступность: система общественного транспорта в районе строительства музея, размещение стоянок, пешеходная доступность к музею (легко доступен - 15 мин ходьбы или езды местным транспортом, доступен - 15 - 30 мин);

технико-экономические соображения: благоустройство территории, проведение сопутствующих строительству музея мероприятий (дорог, коммуникаций и т.п.);

специальные требования. Краеведческие музеи: своеобразие естественно-природного ландшафта и архитектурного окружения как элементов экспозиционного показа. Художественные музеи: возможность размещения произведений монументального искусства на открытых экспозиционных площадках. Музеи в памятниках: обязательность охранных зон. Технические музеи: расширенный состав экспозиции под открытым небом. Музеи предприятий и учреждений: целесообразность их размещения без ограничений посещаемости режимом работы предприятий и учреждений.

6. ТРЕБОВАНИЯ К УЧАСТКУ

6.1. Участок музея включает следующие функциональные зоны: входную, экспозиционную, рекреационную и хозяйственную.

6.2. Входная зона служит для адаптации посетителей перед посещением музея, местом сбора экскурсий и ожидания. Здесь размещается реклама и информация. Вблизи от входной зоны следует размещать стоянки для автобусов и автомашин.

6.3. Экспозиционная зона является продолжением постоянной экспозиции в здании и предназначается для размещения различных экспонатов под открытом небом: произведений монументального искусства и скульптуры - в художественных музеях; образцов орудий, военной техники, каменных изваяний, археологических фрагментов, памятников народного зодчества, монументальных композиций, посвященных знаменательным событиям и героям, - в музеях исторического профиля; образцов флоры и фауны - в краеведческих. Для последних характерно также использование в экспозиционных целях защитного озеленения территории, устройство дендрария.

6.4. Рекреационная зона предназначается для отдыха посетителей и может быть совмещена с входной или экспозиционной зонами.

6.5. Хозяйственная зона включает необходимые хозяйственные постройки вне здания музея (гаражи, склады, трансформаторные подстанции). Желательно ее размещение со стороны приема и отправки экспонатов.

Площадь участка музея зависит от величины и характера коллекций.

Здание музея следует размещать на участке с отступом не менее 15 м от красных линий застройки и городских магистралей с целью создания озелененной защитной зоны.

Участок музея должен представлять возможность для расширения здания в будущем.

6.6. Зависимость площадей экспозиции и участка такова:

Экспозиционная площадь, м2

500

1000

1500

2000

2500

3000

Площадь участка, га

0,5

0,8

1,2

1,5

1,8

2

6.7. Наиболее распространенные соотношения различных площадей участка приведены в табл. 5.

Таблица 5

Площадь застройки, %

Подъезды, дорожки, площадки для стоянки автотранспорта, %

Открытые экспозиционные площадки, %

Озеленение, %

Хозяйственный двор, %

25 - 30

10 - 15

10 - 15

30 - 40

5 - 10

7. ФУНКЦИОНАЛЬНАЯ ПРОГРАММА

7.1. Содержание экспонатов и обслуживание посетителей составляют основу, деятельности музеев, определяют структуру, состав и площади помещений (табл. 6, 7).

7.2. При проектировании музеев должен последовательно осуществляться принцип максимального разделения двух основных технологических потоков: маршрута посетителей и путей перемещения экспонатов.

Основными видами деятельности музеев является: формирование и хранение коллекций, научно-исследовательская работа, организация постоянной экспозиции, устройство выставок, культурно-просветительная деятельность.

Таблица 6

Содержание экспонатов

Функция

Место

Показ

Экспозиционные и выставочные залы

Сбор и хранение

Фондохранилище, реставрационные мастерские

Изучение

Рабочие комнаты

Таблица 7

Обслуживание посетителей

Функция

Место

Прием

Вестибюль, кинолекционный зал, кружковые

Показ

Экспозиционные и выставочные залы

Информация

Информационные службы, библиотека

7.3. Формирование и хранение коллекций. Функциональную программу музей выполняет специфическими средствами. Вещественный памятник - основа различных по виду музеев.

Выявление, взятие на учет и комплектование фондов проводятся по профильной принадлежности музея. В зависимости от значимости экспонатов фонды музея разделяются на основные и научно-вспомогательные.

Архитектурный аспект проблемы включает необходимость иметь специальные помещения для хранения фондов по видам экспонатов, рабочие помещения для сотрудников фондов, хранения научного архива, резервные площади для регулярного пополнения коллекций, возможность обновления постоянной экспозиции и устройства выставок.

Прирост музейных фондов в год составляет в среднем 3 - 4 %. Таким образом, фонды большинства музеев удваиваются каждые 25 - 30 лет. Развитие музея в основном приходится на долю фондохранилищ.

7.4. Научносследовательская деятельность складывается из нескольких последовательных фаз: определение и классификация материала, научная обработка в культурно-просветительных целях, размещение поступления в фондах и экспозиции. Научная классификация собраний музея находит отражение в составлении каталогов и другой научно-вспомогательной документации. Завершающей фазой научной обработки музейного материала являются организация экспозиции и подготовка научных публикаций.

Проведение научной работы сотрудниками музея и специалистами фондов обеспечивается доступностью ко всем материалам фондовых коллекций.

План научно-исследовательской работы включает выработку научной концепции развития музея, тематической структуры, тематико-экспозиционных планов и архитектурно-художественных мероприятий по оформлению экспозиций. Головные музеи осуществляют научно-методическую помощь филиалам.

Для научной работы предназначаются специальные кабинеты, располагаемые поблизости от библиотеки. Библиотека комплектует свои фонды в соответствии со спецификой музея, обслуживает сотрудников музея и посетителей.

7.5. Площади помещений для научной работы предусматриваются для руководителей отделов (секторов) - 9 м2, для научных сотрудников - 4,5 м2. Площади помещений для библиотеки приведены в табл. 8.

Таблица 8

Помещения (зоны)

Единица измерения

Площадь, м2

Помещения (зоны) обслуживания читателей

Места для чтения при одноместных столах

1 место

3

То же, при двуместных столах

то же

2,4

Фонд открытого доступа

1000 единиц хранения

4,5

Кафедра выдачи и приема литературы

1 кафедра

5

Помещения (зоны) хранения и служебной работы

Фонд без открытого доступа

1000 единиц хранения

2,5

Места для библиотечно-производственной работы

1 место

6

7.6. Постоянная экспозиция - основное звено деятельности музея. Формируется, главным образом, на подлинных экспонатах, прошедших научную обработку. Основные требования к экспозиции: цельность архитектурно-планировочного построения и научной концепции, создание комфортных условий для посетителей (продуманные графики движения, освещение, информация, возможность индивидуального осмотра и в составе экскурсионных групп, учет интересов разных категорий посетителей); выразительная художественная форма подачи всего собрания и отдельных материалов в соответствии со структурой и тематико-экспозиционным планом; меры по сохранности экспонатов (освещение, температурно-влажностный режим, меры по охране).

Организация архитектурного пространства включает как собственно экспозиционные залы, так и открытую экспозицию.

В состав помещений желательно включать вводной зал, как организующее пространственное начало, где посетители получают первую информацию о музее и проводятся торжественные мероприятия.

7.7. Выставочная деятельность является оперативной формой участия музея в современной жизни. Выставки организуются из фондов как самого музея, так и других музеев. Они расширяют экспозиционные возможности музеев, привлекают новые категории посетителей. Существуют две основных формы проведения выставок: внутри музея и передвижные, что определяет необходимость специальных выставочных залов и транспортных средств.

Основные требования к выставочным залам:

близость к вестибюлю, возможность беспрепятственного изолированного доступа (без прохождения через другие помещения):

нейтральность пространственного и художественного решения;

возможность легкой и быстрой трансформации.

При залах целесообразно предусматривать помещения для хранения выставочного оборудования и инвентаря.

В музеях I - II категорий целесообразно проектировать в фондохранилищах специальные помещения для передвижных выставок, максимально приближенное к служебному входу.

7.8. Примерные соотношения выставочной и экспозиционной площадей приведены в табл. 9.

Таблица 9

Экспозиционная площадь, м

1500

2500

5000

Выставочная площадь, м

200

250

600

7.9. Культурно-просветительная работа включает организацию выставок, экскурсий, проведение лекций, конференций, встреч, вечеров, бесед, показ кинофильмов, работу кружков, что обусловливает включение в структуру здания кинолекционного зала и кружковых. В зависимости от величины музея размерные характеристики помещений варьируют следующим образом:

в музеях с экспозиционной площадью до 200 м2 выявляется зона универсального использования на этой площади;

в музеях с экспозиционной площадью до 1500 м2 проектируется кинолекционный зал на 100 мест и кружковая;

в музеях с экспозиционной площадью до 2500 м2 проектируется кинолекционный зал на 200 мест и кружковая;

в музеях с экспозиционной площадью до 5000 м2 проектируется два зала - кинолекционный зал на 200 мест и малый зал заседаний площадью 45 - 60 м2, а также кружковые комнаты.

Характер деятельности отдельных музеев требует внесения корректив в эти показатели.

В практике мемориальных, исторических и краеведческих музеев практикуются вручение правительственных наград, прием в пионеры и комсомол, в художественных - копирование произведений искусств.

Особенностью этнографических музеев является выступление этнографических ансамблей, литературных - систематическое проведение лекций, концертов, выступлений артистов, научных сотрудников.

Кинолекционный зал проектируется в непосредственной близости от вестибюля. Желательно предусматривать его автономное использование.

7.10. Хранение коллекций включает проведение мероприятий по сохранности экспонатов в экспозиционных залах, но в основном - в фондах.

Музейный фонд характеризуется количественным и качественным разнообразием экспонатов. Хранение организуется по видам экспонатов.

Основной частью работы является консервация и реставрация экспонатов. В зависимости от величины музея и его значимости в системе предусматривается от одной общей реставрационной мастерской до комплекса мастерских и лабораторий. Прогрессивной формой обслуживания нескольких музеев в условиях централизации их фондов является организация базовых фондохранилищ, мастерских и лабораторий.

Наряду с традиционными формами деятельности в работе музея с посетителями должны внедряться и такие, как показ работы реставраторов, открытый доступ в фонды и др.

8. СОСТАВ И ВЗАИМОСВЯЗЬ ПОМЕЩЕНИЙ

8.1. Посещения музея разделяются на основные, вспомогательные и обслуживающие.

8.2. В зависимости от преимущественного использования помещений посетителями или сотрудниками музея они разделяются на две основные зоны: А - посетительскую, Б - служебную.

8.3. Помещения и функциональные зоны музея приведены в табл. 10.

Таблица 10

№ п. п.

Вид помещений по назначению

Функциональные зоны музея

А - посетительская

Б - служебная

1.

Основные

Постоянная экспозиция, временные выставки

Фондохранилища

2.

Вспомогательные

Кинолекционный зал, кружковая, зона отдыха, помещения для информации

Рабочие помещения сотрудников, лаборатории, мастерские, библиотека

3.

Обслуживающие

Вестибюль, гардероб, буфет, киоск, курительные, санузлы

Служебный вестибюль, хозяйственные кладовые, помещения для инвентаря, санузлы, технические помещения

8.4. Распределение площадей между основными группами помещений зависит от профиля музея, его величины и значимости. Ориентировочные соотношения площадей следующие:

экспозиционные залы - 45 - 55 %;

фондохранилища - 20 - 25 %;

вспомогательные и обслуживающие помещения - 25 - 35 %.

8.5. Исходя из общности функционального назначения и внутренней взаимосвязи, в составе музея выделяют следующие основные группы помещений:

вестибюль;

экспозиционные залы;

лекционный зал;

административные, рабочие и подсобные помещения;

лаборатории и мастерские;

фондохранилища;

технические помещения.

8.6. Вестибюль. С вестибюля начинается развитие архитектурного пространства музея. Здесь посетители получают свое первое впечатление от музея.

Планировочная и пространственная организация вестибюля подчиняется выполнению следующих функций: место сбора индивидуальных посетителей и экскурсионных групп, информационное обслуживание, отдых, контроль, продажа билетов, сувениров и буклетов. Здесь возможно проведение кратковременных выставок. На площади вестибюля желательно предусматривать помещение для дежурных экскурсоводов.

Вестибюль является важным коммуникационным узлом, где начинаются и заканчиваются маршруты осмотра. Из вестибюля должна быть обеспечена возможность беспрепятственного доступа в экспозиционные, выставочные и кинолекционный залы, в администрацию и кружковые комнаты. Помимо главного вестибюля для посетителей в музеях желательно иметь служебный вестибюль для персонала.

Расчет вестибюльной группы следует вести исходя из максимальной единовременной вместимости музея, которая составляет 1/5 общего количества посетителей в день. В случае, если вестибюль одновременно обслуживает помещения для дополнительных видов деятельности, следует прибавить вместимость и этих помещений.

8.7. Площади входной группы помещений рассчитываются на единицу, м2: для гардероба - 0,08; для хранения сумок, портфелей - 0,04; для вестибюля - 0,2 - 0,3.

8.8. Гардероб желательно устраивать в уровне главного входа в здание. Чтобы не нарушать взаимосвязи вестибюля с залами и коммуникационными узлами, лестницами, лифтами и пр. при многоэтажном построении экспозиции, гардероб следует размещать в стороне от основного пути движения.

В небольших музеях касса, киоск и контроль могут быть объединены в одном месте.

В вестибюле проектируются также посты охраны, включая пожарный. В крупных музеях предусматривается медпункт. При проектировании вестибюля следует обратить особое внимание на размещение контроля, который разделяет вестибюль на две зоны: доконтрольную и законтрольную.

До контроля размещается распределительный вестибюль с гардеробом, кассами, информационными службами, киосками, буфетом, курительными и санузлами, за контролем - входы в выставочные и экспозиционные залы, фондохранилища, лаборатории и мастерские.

Буфет рассчитывается на обслуживание сотрудников и посетителей и функционально связан с вестибюлем; включает зал обслуживания, стойку раздачи с соответствующим технологическим оборудованием и подсобной, требующей естественного освещения.

8.9. Экспозиционные залы - ведущий элемент в функциональной структуре и архитектурной экспозиции здания. Архитектурно-пространственное построение залов: их размеры, форма, система взаимосвязей между собой, с остальными помещениями и окружающим пространством - определяется назначением и спецификой экспозиции.

Общие требования к экспозиционным залам:

пространственно-планировочное и художественное решение залов в соответствии с тематическим назначением экспозиций;

возможность организации сквозного маршрута по всему музею и выборочного осмотра ведущих отделов;

возможность внесения изменений в структуру залов во времени в связи с пополнением и обновлением экспозиций;

связь с открытой экспозицией;

включение в структуру экспозиционных залов специальных зон отдыха и помещений для подготовки экспозиций и хранения уборочного инвентаря.

Экспозиционные залы должны иметь технологическую связь с фондохранилищем и мастерскими. При проектировании их на разных этажах необходимо предусмотреть грузовой лифт для доставки экспонатов.

При многоэтажном размещений экспозиций предпочтительна организация маршрута сверху вниз. Осмотр экспозиции внутри залов организуется слева направо. В экспозиционных залах требуется соблюдение следующего температурно-влажностного режима: 18 - 22 °С и 55 - 60 % влажности воздуха. Для контроля за температурно-влажностным режимом залы оборудуются соответствующими приборами.

В залах предусматривается охранная и противопожарная сигнализация.

Наиболее распространенным типом композиции зданий музея является расположение экспозиций вокруг центрального вводного зала на втором и третьем этажах. Расположение экспозиции выше третьего этажа нежелательно, что не исключает в конкретных условиях многоэтажных композиций.

Одноэтажная композиция создает максимум удобств как в отношении взаимного размещения основных помещений, так и освещения. Преимущества этого типа планировки - возможность тесной связи с природой, трансформаций и расширения музея в целом и отдельных его разделов. Сокращение путей перемещения посетителей и экспонатов ограничивает применение распластанных композиционных решений зданий для крупных музеев.

Высотная композиция музея определяет вертикальное зонирование: верхние этажи отводятся под экспозицию, которая формируется вокруг ядра вертикальных коммуникаций или центрального зала. Хранилища, администрация, лекционный зал и различные помещения обслуживания занимают нижние этажи. При таком решении вестибюль является композиционным узлом, с которого начинается развитие пространства по вертикали.

8.10. Сравнение одно- и многоуровневых композиций приведено в табл. 11.

8.11. Специальные требования для музеев различных профильных групп. В художественных музеях: желательность естественного освещения в залах с экспозицией картин. Ориентация светопроемов предпочтительна на северную сторону горизонта. Экспонирование произведений графика представляется целесообразным в специальные залы.

Таблица 11

Композиция

Преимущества

Недостатки

Одноуровневая

Назначение площадей, высот помещений и освещения в зависимости от характеристики экспонатов, гибкость использования помещений, возможность расширения, связь с природным окружением

Необходимость значительной территории для строительства и перспективного расширения, большая протяженность инженерных сетей

Многоуровневая

Экономное использование территории, сокращение инженерных и транспортных коммуникаций

Ограничения расширения здания и перераспределение площадей помещений. Однообразие архитектурно-планировочного решения различных помещений, цельность восприятия экспозиции затруднена

В краеведческих музеях членение экспозиции производится на три основных отдела (природа, история досоветского периода и история советского периода). Экспозиция отдела природы может получить большую планировочную самостоятельность. Наибольшую планировочную гибкость должны представлять залы истории советского периода.

8.12. Примерное распределение экспозиционных площадей краеведческих музеев по отделам, %:

отдел природы............................................. 15 - 25

отдел истории досоветского периода....... 25 - 35

отдел истории советского периода........... до 55

8.13. В небольших музеях (с экспозиционной площадью 500 м2) следует предусматривать возможность организации в экспозиции мест проведения встреч, показ кинофильмов, а также временных выставок.

9. ОРГАНИЗАЦИЯ ЭКСПОЗИЦИЙ

9.1. Художественное проектирование экспозиций включает следующие основные этапы: составление тематической структуры, тематико-экспозиционных планов и сценария. Тематическая структура определяет основные темы и разделы, тематико-экспозиционный план дополняется сведениями об экспонатах, их размерах, способах и средствах показа. Оба документа подготавливаются музеем.

9.2. Сценарий представляет собой развернутый тематико-экспозиционный план с указанием характеристики пространства, художественных, сюжетных, изобразительных и технических средств и приемов, необходимых для воплощения каждого пункта плана, где форма показа и содержание взаимно увязываются в совместной работе научных сотрудников и художника. Архитектурное проектирование здания должно исходить из сценария, дать ему пространственное выражение, которое подчеркивает его цельность, создать возможности для правильной расстановки акцентов (рис. 4 - 8).

9.3. Основой экспозиционного показа в музеях являются подлинные экспонаты, которые объединяются в тематические комплексы для раскрытия содержания.

Тематический комплекс может включать несколько планов показа с различной степенью детализации представленного материала, чтобы удовлетворить запросы разных категорий посетителей. Этой же цели служат специально запроектированные информационные службы (или средства). Для усиления эмоционального и художественного воздействия в экспозиции широко применяются разнообразные художественно-технические средства, составляющие вместе с подлинными экспонатами целостный зрительный ряд.

9.4. Организация визуальной стратегии поведения посетителей подразумевает возможность охвата и оценки экспозиции в целом для принятия решения по последовательности и деятельности дальнейшего осмотра.

С учетом психофизиологических особенностей восприятия посетителей и тематического построения экспозиции определяют зоны повышенной зрительной информации и зрительной разрядки. Острота восприятия притупляется от однообразия цвета и безликости пространства. Поэтому в экспозиции важно иметь специальные зоны для переключения внимания посетителей и отдыха.

9.5. При построении графика осмотра центральные места в экспозиции следует отводить для размещения ведущих экспонатов, выделяемых средствами художественного оформления (светом, цветом, фоном, обрамлением).

Практика эксплуатации музеев показывает, что в большинстве случаев необходимая и достаточная высота экспозиционных залов составляет 4,2 - 4,5 м, высота экспозиционного пояса 1,5 - 1,7 см на расстоянии 80 - 90 см от пола. Длина экспозиционного ряда не должна превышать 20 - 50 м. Загрузка площади экспозиционного пояса экспонатами принимается равной 50 - 60 %. Удаление зрителя от экспоната обычно принимается равным его двойной высоте. Целостность зрительного восприятия экспозиционного пространства ограничивается 24 м.

Загрузка пола крупными экспонатами и витринами принимается в пределах 20 - 30 %, главный проход 2 - 3 м и второстепенный 1,5 - 2 м. Перед ведущими экспонатами желательно оставлять свободное пространство в 10 - 15 см2.

Экспозиционная площадь на одного посетителя составляет 3 - 4 м2.

9.6. При проектировании залов следует стремиться к сокращению оконных и дверных проемов, жестко фиксированных конструктивных опор и перегородок, затрудняющих перепланировку и организацию экспозиции.

Для соблюдения этих требований архитектор должен использовать все многообразие имеющихся в его распоряжении средств: выбор общей схемы здания, этажности, уровней пола и потолка, пластики объемов и пространств, световых и цветовых акцентов, создание композиционных акцентов и т.п. Обратное влияние - от здания к экспозиции наблюдается при использовании старых зданий, где структура экспозиции должна строиться в соответствии с композиционным развитием существующих интерьеров.

9.7. Маршрут осмотра может быть принудительным, свободным или представлять их сочетание.

Принудительный график с обязательным посещением всех разделов в определенной последовательности характерен для дидактических экспозиций, в меньшей степени для художественных музеев.

Последовательность осмотра желательно организовывать слева направо и сверху вниз при многоуровневом построении экспозиции.

Маршрут осмотра и система освещения могут стать определяющими моментами в построении композиционных схем.

Для свода воедино научных, содержательных и функционально-технологических вопросов организации экспозиции требуется разработка единой художественной концепции музея в соответствии с характером коллекции и ее индивидуальное воплощение в натуре.

10. ФОНДОХРАНИЛИЩА

10.1. Все музейные экспонаты подлежат строгому документальному учету и научному описанию с целью обеспечения их сохранности, раскрытия исторического, научного и художественного значения, создания условий для их широкого показа в экспозиции музея и на выставках, использования в научно-просветительной работе и в научных целях.

Для музейных фондов требуются специально оборудованные хранилища, удобно связанные с экспозиционными залами. Их расположение в структуре здания должно обеспечивать возможность перспективного расширения.

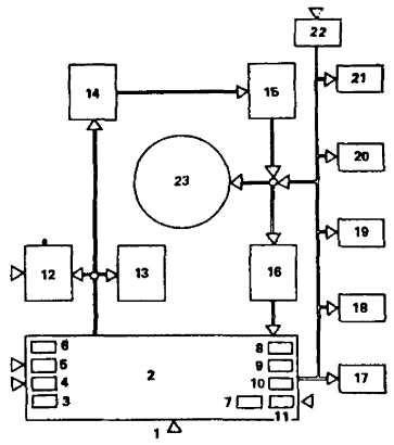
10.2. Кроме специализированных хранилищ, следует предусматривать приемную экспонатов, изолятор и дезинфекционную камеры. Рабочие помещения для сотрудников отдела фондов и для работы посетителей должны быть изолированы от хранилищ (рис. 3).

В хранилищах следует предусматривать специальные места для работы сотрудников с соответствующим оборудованием и освещением.

10.3. Фондохранилища разделяются на отдельные секции по видам хранимых материалов для создания оптимального для каждого вида температурно-влажностного режима. Для основной массы экспонатов требуется температура 18 - 22 °С, влажность 55 ± 5 %. Режим хранения направлен также на предупреждение повреждений и случаев хищения. В связи с этим предусматриваются соответствующие структура помещений и их оборудование.

10.4. С точки зрения специфики хранения, основные виды фондовых материалов следующие: живопись, графика, документы и памятники письменности, скульптура и архитектурные фрагменты, стекло, керамика, металл, костюмы, ткани, ковры, изделия из дерева, в том числе мебель, археологические коллекции, нумизматика, фото-, кино- и фотофонд, геологические и минералогические коллекции, почвенные монолиты, зоологические коллекции, ботанические коллекции, сейфовое хранение драгоценных металлов, оружия и других уникальных экспонатов.

11. РАСШИРЕНИЕ МУЗЕЕВ

11.1. Требования приспособляемости и перспективного расширения зданий музеев диктуются следующими практическими соображениями:

ростом количества экспонатов;

созданием новых коллекций;

тематической или художественной перестройкой экспозиции;

технологическими совершенствованиями;

ростом посещаемости;

развитием дополнительных видов деятельности.

Процесс накопления всех видов памятников (истории, культуры, произведений искусства, естественно-научных предметов) носит для музеев постоянный характер. Динамика поступлений экспонатов является определяющим фактором форм перспективного расширения музеев и расчетных сроков амортизации зданий (рис. 9 - 12).

11.2. При изучении этой проблемы следует принимать во внимание и специальные музееведческие факторы, ограничивающие беспредельное расширение: психофизиологические особенности воспитания и время оптимального восприятия экспозиции в пределах 1,5 ч, отчуждающих эффект больших комплексов.

11.3. Перспективное развитие музея может осуществляться в трех следующих основных формах:

за счет внутренней перепланировки (приспособляемость);

расширением здания;

открытием филиалов.

11.4. Требование приспособляемости означает, что здание музея должно проектироваться с учетом изменений и корректировки функциональной программы во времени. С архитектурно-конструктивных позиций важно обеспечить максимально возможное сокращение опор в интерьере, жестко фиксированных перегородок, увеличение пролетов и конструирование подвесных потолков, допускающих изменение высоты экспозиционных помещений. Модульная или иная увязка конструктивно-планировочных размеров с параметрами оборудования обеспечивает гибкость преобразований.

11.5. Емкость фондохранилища увеличивается на 50 % при применении компактных методов хранения на передвижных стеллажах.

11.6. Развитие новых конструкций расширило представление о морфологии архитектурного языка музеев, и сложные формы разнообразных пространственных структур занимают в архитектуре современных музеев заметное место наряду с более простыми традиционными.

Основными направлениями в разработке сложных «растущих» структур с принципиально различными конструктивными схемами и программами проектирования являются ячеистые, веерообразные структуры и модульные конструкции, допускающие развитие композиции здания как по вертикали, так и по горизонтали.

В первом случае поиск структурного разнообразия основан на методе объемно-пространственного комбинирования стандартизованных ячеек квадратной, прямоугольной или многоугольной формы. Пространственное развитие структуры музея на базе единого укрупненного модуля и индустриальных изделий применимо для быстро растущих коллекций, например историко-археологического профиля. Традиционно-статичный подход к формированию пространства с использованием «трех прямых углов» учитывает психофизиологический фактор - простоту ориентации человека в таком пространстве.

Второе направление наиболее характерно для развития художественных музеев и представляет пример принципиально иного «скульптурного» метода комбинирования элементов структуры на основе использования традиционных блоков, объединенных в «открытую» систему. Преимущества схемы - в возможности такого «наращивания» блоков с учетом архитектурно-типологических требований, при котором создается возможность их независимого использования и непосредственного доступа из обслуживающей группы помещений, расположенной в центре.

Проблема расширения касается не только экспозиционных помещений, но и других частей здания. Рост коллекций не вызывает прямо пропорционального увеличения экспозиционных площадей, но требует в первую очередь интенсивного расширения фондохранилищ, а главное - резерва территории.

11.7. Таким образом, практически все музеи проходят через следующие временные этапы:

этап формирования объекта - осуществление основной программы;

этап роста - количественное увеличение элементов без радикального изменения композиционной целостности;

этап развития - качественное преобразование структуры.

Открытая к расширению структура в меньшей степени характерна для мемориальных музеев.

12. ИНЖЕНЕРНО-ТЕХНИЧЕСКОЕ ОБОРУДОВАНИЕ

12.1. Технология музеев требует высокого уровня технического оснащения зданий, которые оборудуются центральным водяным отоплением, холодным и горячим водоснабжением, канализацией, приточно-вытяжной вентиляцией (кондиционированием), освещением и слаботочными устройствами, в том числе охраной и пожарной сигнализацией, молниезащитой и электрочасификацией.

Самым надежным способом обеспечить долговечность экспонатов является оборудование музеев установками для кондиционирования воздуха в экспозиционных залах и фондохранилищах - круглосуточное и круглогодичное, обеспечивающее оптимальный температурно-влажностный режим 18 - 22 °С и относительную влажность 55 ± 5 %.

12.2. Для обеспечения сохранности особо ценные экспонаты следует размещать в специальных герметических витринах с заполнением инертным газом.

12.3. Здания крупных и крупнейших музеев оборудуются централизованным пылеудалением.

12.4. Кратность обмена воздуха рекомендуется принимать: в экспозиционных залах 5 - 6; в хранилищах 1,5 - 2; в кинолекционном зале 4 - 6; в лабораториях 10.

12.5. Освещение следует решать с учетом содержания экспозиции и требований сохранности экспонатов.

Уровень общей освещенности не должен создавать излишних контрастов. При резком перепаде освещенности следует предусматривать переходную зону для адаптации зрителей: в центральной части поля зрения контрасты в освещении не должны превышать 1:3, а между центром и периферией 1:10.

12.6. Из психофизиологических соображений предпочтительно естественное освещение, когда это допускается требованиями консервации (рис. 13 - 15).

В большинстве случаев требуется принятие следующих мер:

устранение попадания прямого солнечного света;

визуальная связь с окружением.

12.7. Преимущества искусственного освещения состоят в следующем:

независимость от состояния погоды;

использование помещений в вечерние часы;

создание качественных и количественных характеристик освещения в зависимости от требований экспозиции;

возможность регулировать интенсивность и спектральный состав света;

обеспечение планировочной гибкости.

Устройство искусственного освещения должно обеспечивать:

возможность полноценного осмотра экспонатов;

индивидуальную подсветку ведущих экспонатов (или деталей интерьера, представляющих художественную ценность);

пожарную безопасность;

нормальные условия работы в рабочих помещениях.

12.8. Для освещения рабочих мест сотрудников, выполняющих работу повышенной точности, рекомендуется предусматривать дополнительное местное освещение.

12.9. При проектировании освещения экспозиционных залов следует исходить из светочувствительности экспонатов.

12.10. Освещение картин люминесцентными лампами (примерно 4000 К температурой цвета) следует предусматривать с направлением светового потока порядка 30° по вертикали.

12.11. Освещение ковров. Ввиду большой чувствительности к свету желательно исключить освещение естественным светом. Для ковровых изделий, вывешенных на стенах, рекомендуется освещение под углом 30 - 40° с помощью ламп накаливания.

12.12. Освещение гравюр, масок и рисунков. Исходя из высокой чувствительности этих экспонатов к радиации, теплу и влажности, дневной свет должен быть полностью исключен. Экспонаты помещают в витрины, освещенные снаружи лампами накаливания.

Уровень освещенности в экспозиционных залах должен устанавливаться в соответствии со светостойкостью экспонатов.

12.13. Рекомендации по освещению различных экспонатов приведены в табл. 12.

Таблица 12

Вид экспонатов

Рекомендуемый источник света

Допустимая освещенность

Предметы, малочувствительные к свету: изделия из металла, керамики; минералы1, драгоценности, стекло, эмали

Естественное освещение. Люминесцентные лампы с температурой цвета 4000 - 6500 К. Обычные лампы накаливания. Лампы с йодным циклом. Небольшие прожекторы

Редко бывает необходимо превышать 300 лк

Произведения живописи, лаки, дерево, слоновая кость, клеевая краска

Естественное освещение. Люминесцентные лампы с цветотемпературой 4000 - 6500 К. Лампы накаливания.

Максимум 150 лк. Предельная годичная освещенность картин равна 650 тыс. лк/ч

Экспонаты, особенно чувствительные к свету: акварели, рисунки, ткани, одежда, рукописи, зоологические и ботанические коллекции

Лампы накаливания

Не более 50 лк с максимальным сокращением времени экспонирования

1 За исключением светочувствительных.

12.14. При проектировании новых музейных зданий следует обращать особое внимание на принятие специальных противопожарных мероприятий. В экспозиционных залах и фондохранилищах рекомендуется применять углекислотное пожаротушение.

Электропроводка обязательно выполняется скрытой. Установка раздвижных решеток возможна только на окнах первого этажа по согласованию с Госпожнадзором.

В отделке не следует применять сгораемые токсичные полимерные материалы.

Из экспозиции и помещений, где проводятся массовые мероприятия - лекции, кинопоказ, встречи, должно быть не менее двух эвакуационных выходов.

В экспозиционных и выставочных залах проходы между оборудованием должны быть не менее 2 м, а главный проход - не менее 3 м.

Хранилища должны быть изолированы от прочих помещений музея стенами с пределом огнестойкости не менее 2,5 ч. Стены внутри хранилищ могут иметь 2-часовой предел огнестойкости. Ширина проходов в хранилище назначается не менее 0,9 м, а главных проходов - 2,5 м.

Здание музея должно быть обеспечено молниезащитой.

12.15. В зданиях музеев должна быть предусмотрена система удаления мусора: сбор, накопление, а также временное (в пределах санитарных норм) хранение мусора и обеспечение возможности его дальнейшего вывоза. В музеях с экспозиционной площадью более 5000 м2 следует предусматривать централизованную систему вакуумной пылеуборки.

13. МЕТОДИКА ПРОЕКТИРОВАНИЯ

13.1. Современный музей - сложный многофункциональный организм. Отсюда вытекает необходимость коллегиальности проектирования в соответствии с тремя основными частями общей программы: сотрудников музея - функциональная программа, тематическая и научная содержательность экспозиции; архитекторов - пространственно-планировочное и функционально-технологическое решения; художников - образное воплощение экспозиции.

Процесс проектирования обычно складывается из следующих последовательных этапов.

13.2. Первый этап: определяется авторский коллектив, специфика музея, тематическая структура экспозиции, научная концепция развития музея на ближайшее время и перспективу, ориентировочный состав и площади помещений, разрабатываются варианты градостроительного размещения, архитектурной и художественно-образной направленности.

Архитектор должен учитывать не только архитектурную и функциональную специфику музеев, но и социальные и экономические условия строительства, требования потенциальной аудитории - ее запросы и реальные возможности.

В процессе проектирования происходит либо репродуцирование сложившихся пространственных стереотипов, использование традиционных решений, либо поиск объемно-пространственной организации, основанной на новых технологических возможностях, авторской интерпретации музейного процесса. Постоянный прогресс науки и техники, дифференциация конкретных условий реализации проектов приводят к возникновению предложений, акцентирующих одну из сторон проектирования.

В основе работы должно лежать комплексное изучение коллекции, динамики роста поступлений, состава и количества потенциальных посетителей, специфики видов деятельности.

Обязанности архитектора при проектировании современных музеев не сводятся только к пространственному закреплению положений функциональной и организационной программы.

13.3. Второй этап: составляется задание на проектирование, выполняется в полном объеме проект с архитектурной, конструктивной и технологической частью, включая смету и генеральное решение оформления экспозиции.

Работа основывается на полной информации о музейной коллекции и существующем опыте проектирования. Регламентации «Задания» должны быть конкретны, их детализация должна обеспечить всем участникам проектирования принятие взаимообусловленных решений.

13.4. Третий этап: разрабатывается тематико-экспозиционный план, рабочая документация архитектурно-строительного проекта и эскизный проект оформления экспозиции.

Детализируется и уточняется первоначальный замысел, взаимоувязываются вопросы комплексной программы, включая технологические, архитектурные и художественные аспекты.

13.5. Четвертый этап: осуществление проекта в натуре.

13.6. Рассмотренные выше общие принципы проектирования музеев сохраняют свою актуальность и при организации в исторических зданиях, трансформируясь с учетом их сохранности и архитектурно-художественных особенностей.

Музеи-заповедники, этнографические, под открытым небом и историко-архитектурные, как правило, представляют комплекс зданий с дисперсным размещением служб в различных объемах.

Территориальная централизация музейных фондов создает необходимые предпосылки для оптимального использования отдельных зданий и сооружений в музейных целях: создание единого архитектурно-художественного и (или) историко-культурного комплекса, каким могут стать экспозиция и само здание при организации специализированного филиала. Очевидные преимущества при этом следующие: снимаются технологические ограничения по размещению фондохранилищ, мастерских и лабораторий, которые централизованно обслуживают сеть филиалов; экспозиция филиала (количество экспонатов, их характер, соблюдение условий хранения и экспонирования) выбирается в соответствии с имеющейся площадью, пространственным и планировочным решением используемого памятника; исключается характерная для музея проблема роста экспонатов.

Музеефикация памятников истории и архитектуры - одно из важнейших направлений в сохранении культурного наследия.

14. ПАНОРАМЫ И ДИОРАМЫ

Общая часть

Панорамы и диорамы являются особым видом искусства, интегрирующим средства живописи, архитектуры и светотехники с целью наиболее полного наглядного и достоверного показа исторических событий и явлений природы.

Панорама - замкнутая картина, расположенная на стене круглого помещения, которая совместно с предметным планом и освещением дает иллюзию реального пространства. Зритель в панораме находится в центре изображаемых событий и для осмотра перемещается по кругу.

Диорама располагается на стене полукруглого помещения и для ее осмотра устраивается специальный проем.

В панораме и диораме живописное полотно сочетается с предметным планом - макетом местности и реальными предметами. Расположенные по краю полотна, делают незаметным для зрителя переход от трёхмерного пространства к иллюзорному, изображенному на полотне.

Большую роль играет освещение. Рассеянный свет падает сверху и освещает полотно. Верхний край картины панорамы и источники света скрыты от зрителя круглым зонтом, подвешенным над смотровой площадкой, создающим затемненную зону для зрителей.

Панорамы (диорама) в совокупности с музейными экспонатами дает убедительное и наиболее полное представление о времени и о событиях, которым она посвящена, и сама является памятником.

Принципы функциональной организации

Панорамный (диорамный) зал. Архитектурная организация зала должна обеспечить:

создание необходимой иллюзии, эффекта присутствия;

удобную для осмотра организацию смотровой площадки;

специфическое освещение картины и предметного плана;

неутомляемость при обозрении;

рациональную организацию движения посетителей;

сохранность живописного полотна и предметного плана и защиту от огня, пыли и вредных газов.

Композиция зала влияет на организацию всей обслуживающей группы помещении, Смотровая площадка должна вмещать расчетное число посетителей с равноценными условиями видимости.

Для выхода на смотровую площадку в панораме необходимы две лестницы: для подъема и спуска. Возможно устройство подъемника. Потоки поднимающихся и спускающихся посетителей не должны пересекаться. Посетители, поднявшись на смотровую площадку, должны сделать полный круг и вернуться туда, где начинали осмотр. Поэтому обе лестницы должны располагаться в одной зоне.

Смотровая площадка должна иметь ограждение, не допускающее зрителей на предметный план.

В диорамах смотровая площадка может быть расположена как вдоль предметного плана, так и быть выдвинута полукругом. Количество зрителей на смотровой площадке прямо пропорционально ее величине и обратно пропорционально времени, затрачиваемому на осмотр.

В панорамах проход в захолстовое пространство на верхнюю обходную площадку допускается только через комнату дежурного пожарного поста. Целесообразно объединение комнат электрика и дежурного.

Освещение живописного полотна, предметного плана и смотровой площадки решается комплексно в соответствии с замыслом художника.

Перепад освещенности смотровой площадки к живописному холсту обычно принимается 1:10.

Осмотр проводится организованными группами по 25 - 30 чел. с экскурсоводом. Четкая организация осмотра позволяет увеличить пропускную способность. Панорамный (диорамный) зал должен быть звукоизолирован от остальных экспозиционных залов. Рядом с ним желательно иметь подсобное помещение для инвентаря.

В зале должна быть создана возможность реставрации и пылеуборки холста, предметного плана, захолстового пространства и зонта-рефлектора. Для замены светильников и пылеуборки необходим выход на зонт-рефлектор.

Экспозиционные залы. Экспозиция должна последовательно и убедительно раскрыть художественную и научную информацию.

Для экспозиции служат вводный, аванзал, панорамный и заключительный залы. Схема движения посетителей должна позволять зайти в кинозал как в начале, так и в конце осмотра.

Для сменных выставок необходим специальный зал при вестибюле с возможностью его самостоятельного функционирования. Кассы должны быть при входе и сообщаться с вестибюлем. Кафе с входом из вестибюля нежелательно, его лучше иметь с входом с улицы или рядом, в другом здании. Киоск по продаже сувениров - в конце маршрута осмотра. Вестибюль должен быть связан с экскурсионным бюро и помещениями администрации.

Функциональная организация вспомогательных помещений аналогична другим музеям (рис. 16, 18, 19).

Архитектурно-планировочные особенности

Главными элементами панорам (диорам) являются: зал, живописное полотно, объемный предметный план, смотровая площадка, зонт-рефлектор, освещение.

Панорамный (диорамный) зал. Основная схема панорамного зала в плане - традиционный круг или многоугольник, диорамного зала - полукруг или половина многоугольника (иногда половина эллипса).

Размер зала определяется размерами живописного холста, смотровой площадки, захолстового пространства, глубиной предметного плана, пропускной способностью, схемой движения посетителей и наличием подсобного помещения.

Диаметр панорамного зала от 18 до 42 м, диорамного - от 7 до 20 м. Увеличение диаметра зала влечет за собой увеличение размеров смотровой площадки и, следовательно, пропускной способности. При этом расстояние между зрителями и холстом, определяемое наилучшими условиями видимости (12 - 14 м), не меняется.

Высота зала и его радиус определяются высотой живописной картины. От соотношения между радиусом зала и высотой картины зависят условия видимости. При удалении зрителя от картины на расстояние L, равное высоте H, или отношение 3:4, достигаются наилучшие условия видимости.

В диорамах расстояние наблюдения можно регулировать с помощью ограждения.

Живописное полотно. Панорамность изображения и эффект участия в значительной мере определяются размерами живописного холста.

Сравнение размеров живописного холста приведено в табл. 13.

Таблица 13

Название панорамы и города

Дата проекта или строительства, годы

Размер холста, м

«Штурм Перекопа» (проект)

1934 - 1935

130×18

«Оборона Севастополя» (Севастополь)

1954

115×14

«Сталинградская битва» (Волгоград)

1962

120×16

«Бородинская битва» (Москва)

1963

115×15

«Битва за Новороссийск. Малая Земля» (проект), (Новороссийск)

1982 - 1983

120×16

Предметный план лимитирует объемные предметы. Как правило, он состоит из рельефного макета местности с расположенными на нем постройками, утварью, оружием и манекенами в натуральную величину или в соответствующем перспективном уменьшении. При его выполнении должна соблюдаться мера условности и реальности. Его нельзя перегружать излишними деталями - наносить надо лишь характерные атрибуты обстановки и местности, находящие свое продолжение на живописном полотне. Некоторые объемы размещаются на предметном плане так, что одна часть их передается в натуре, а другая изображается на полотне.

Закономерность видимости, по В.Л. Петропавловскому, иллюстрирует рис. 17. Зритель находится на смотровой площадке С и рельеф местности СБ предметного плана приподнимается от него к панорамной картине. В силу законов перспективы и психологического стремления человека представить землю горизонтальной, рельеф местности будет казаться ему не приподнятым, а горизонтальным, а предмет АБ на рельефе - больше настоящей величины и гораздо более удаленным от него А1Б1.

При понижении рельефа местности предметного плана в сторону к панорамной картине участок СД также будет казаться горизонтальным, однако в отношении высоты предмета АД будет наблюдаться обратное явление: он будет казаться ближе и меньше А2Д2.

Смотровая площадка. Уровень площадки должен соответствовать высоте горизонта живописной картины за вычетом среднего роста человека (154 см). При этом изображение холмистой местности на картине влечет за собой повышение уровня смотровой площадки.

Диаметр площадки и ее высота зависят от размеров картины. При обычной высоте холста 15 м площадка имеет 14 м в диаметре и располагается на высоте 4 - 5 м от нижней кромки полотна. Вход и выход на смотровую площадку делаются на расстоянии 6 - 8 м от ограждения. Желательно их разделять, чтобы потоки входящих и выходящих посетителей не пересекались. Для удобства осмотра на площадке могут быть 1 - 3 уровня с превышением верхнего над нижним в 60 см. Размеры смотровой площадки должны позволять находиться на ней, не мешая друг другу, расчетному числу посетителей. Перед входом на площадку желательна зона ожидания.

Зонт-рефлектор. Над смотровой площадкой подвешивается зонт-рефлектор, который скрывает от зрителя источники света, верхний край полотна и создает затемнение в зоне наблюдения. Контрастность освещения между картиной и местом расположения зрителя усиливает иллюзию панорамности.

Зонт-рефлектор - пространственная конструкция, обтянутая изнутри, со стороны зонта, темным материалом и снаружи, со стороны рефлектора, - белым, способная опускаться и подниматься для регулировки освещения и пылеуборки. В некоторых панорамах применяется жесткое крепление. В отдельных случаях для усиления отраженного света нижний пояс обтягивается фольгой выше светильников, расположенных по карнизу зонта-рефлектора. Пространство над зонтом-рефлектором используется для замены светильников, и его объем желательно свести к минимуму.

Освещение. Восприятие панорамно-диорамной живописи определяется условиями ее освещения и видимости.

Необходимо освещение, при котором можно не только различать детали на картине и предметном плане, но и воспринимать их цветовую гамму. Нужно избегать отблесков, теней и слепящего света. Этим требованиям лучше всего удовлетворяет рассеянное освещение.

Естественный свет, совмещенный с искусственным, или только искусственный, отражаясь от поверхности рефлектора, рассеивается по картине и предметному плану. Зонт, совмещенный с рефлектором, затемняет смотровую площадку и создает контраст освещенности для иллюзии реального пространства.

При сравнительно небольшой освещенности живописная картина с предметным планом представляется залитой светом, как в натуре.

Цветовая температура света, падающего на холст, рекомендуется 3500 - 4000 К при спектральном составе, близком к естественному, что достигается применением смешанной системы освещения люминесцентными лампами и лампами накаливания. Для общей освещенности зала рекомендуются диффузные светильники с люминесцентными лампами белого света, а также зеркальные лампы накаливания, работающие при фиксированном режиме. Для акцентирования отдельных мест на картине или предметном плане необходима театральная аппаратура с линзовой оптикой. В диорамах применяются светогасители, регулирующие силу света в соответствии с программой. Рекомендуемый уровень освещенности: в верхней части полотна - 400 лк, в нижней - 200 лк, предметного плана ближе к смотровой площадке - 50 лк.

Степень освещенности корректируется в соответствии с замыслом художника регулируемыми светильниками на зонте-рефлекторе.

Ориентировочный состав и площади помещений зданий панорам приведены в табл. 14.

Таблица 14

Помещение

Площадь, м2

Дополнительные данные

Входная группа помещений

Вестибюль

125

 

Гардероб

60

 

Кассовый вестибюль

25

 

Киоск для продажи сувениров

10

 

Экскурсбюро

15

 

Пост охраны

10

 

Курительная и санузлы

50

 

Итого

295

 

Экспозиционная часть

Вводный зал

300

 

Аванзал

150

 

Панорамный зал

1385

Размер полотна 120×16 м

Заключительный зал

300

 

Итого

2135

 

Кинолекционный зал

Фойе

80

Площадь фойе может быть объединена с вестибюлем

Зал на 200 мест с эстрадой, кинопроекционной и радиоузлом

210

 

Комната при эстраде

15

 

Итого

305

 

Помещения для почетных гостей

Вестибюль с гардеробом

36

 

Гостевая с буфетной стойкой

60

 

Комната отдыха

25

 

Санузлы

15

 

Итого

136

 

Административные, рабочие и подсобные помещения

Кабинет директора

20

 

Кабинет заместителя директора по научной работе

15

 

Кабинет заместителя директора по общим вопросам

15

 

Приемная секретаря

15

 

Канцелярия и бухгалтерия

18

 

Массовый сектор

18

 

Кабинеты для научной работы (6×15)

90

 

Кабинет инженера по эксплуатации

12

 

Комната персонала (2×15)

30

 

Библиотека с читальным залом и книге хранилищем

100

 

Итого

338

 

Лаборатории и мастерские

Фотолаборатория

60

 

Реставрационные мастерские

60

 

Столярная мастерская

36

 

Слесарная мастерская

25

 

Итого

181

 

Фондохранилище

 

 

Приемная экспонатов с изолятором

45

 

Помещение хранения (4×60)

240

 

Итого

285

 

Технические помещения

 

По расчету

Итого

3681 м2

 

Приложение

Рис. 1. Состав и взаимосвязь помещений музея

Входная группа: 1 - главный вход; 2 - вестибюль; 3 - гардероб; 4 - касса; 5 - киоск; 6 - дежурные экскурсоводы; 7 - буфет; 8 - пост охраны; 9 - курительная и санузлы. Административные, рабочие и обслуживающие помещения: 10 - кабинет директора; 11 - приемная секретаря; 12 - кабинет заместителя директора; 13 - канцелярия и бухгалтерия; 14 - комната персонала; 15 - массовый отдел; 16 - кружковая; 17 - кабинеты для научных сотрудников; 18 - библиотека; 19 - кинолекционный зал; 20 - выставочный зал. Экспозиция: 21 - вводный зал; 22 - 24 - постоянная экспозиция; 25 - открытые экспозиционные площадки. Фондохранилища: 26 - приемная экспонатов; 27 - изолятор; 28 - дезинфекционная камера; 29 - хранение материалов; 30 - хранение оборудования; 31 - рабочая комната с каталогами; 32 - научный архив; 33 - 34 - кабинеты заведующего фондами и сотрудников; 35 - 43 - хранилища по видам экспонатов. Лаборатории и мастерские: 44 - столярная; 45 - слесарная; 46 - фотолаборатория; 47 - макетная и модельная; 48 - художественная мастерская; 49 - реставрационная мастерская; 50 - 51 - прочие мастерские в зависимости от профиля музея; 52 - служебный вход.

Рис. 2. Рекомендуемая степень взаимосвязи помещений

● максимальная степень связи, помещения должны быть сближены; ○ минимальная степень связи, помещения должны быть разобщены

Рис. 3. Состав и взаимосвязь помещений фондохранилищ

1 - подъем; 2 - разгрузочная площадка; 3 - приемная экспонатов; 4 - контроль; 5 - хранение оборудования; 6 - хранение материалов; 7 - изолятор; 8 - дезинфекционная камера; 9 - рабочая комната с каталогами; 10 - научный архив; 11 - 12 - кабинеты заведующего фондами и сотрудников; 13 - хранилища по видам экспонатов; 14 - служебный вход; 15 - в экспозицию; 16 - в лабораторию и мастерские

Рис. 4. Принципы организации экспозиции

Рис. 5. Организация экспозиции

а - организация экспозиции в соответствии со сценарием: 1 - пролог; 2 - завязка; 3 - кульминация; 4 - развитие; 5 - финал; б - пространственная организация экспозиции в разных уровнях в соответствии с тематической структурой

Рис. 6. Организация экспозиции

а - для легкости визуальной ориентации посетителей входы в основные экспозиционные отделы видны из вестибюля; б - создание разнообразных пространств облегчает осмотр экспозиции

Рис. 7. Организация экспозиции

а - организация маршрута осмотра основана на выявлении фокусных точек для ведущих экспонатов; б - включение в маршрут осмотра зон отдыха

Рис. 8. Приемы организации экспозиции

а - размещение экспозиций с различной степенью детализации в одном зале; б - размещение экспозиций в кратном и расширенном вариантах в смежных залах; в - построение одного типа экспозиции и использование фондов, библиотеки и справочного аппарата взамен детализированного варианта экспозиции: 1 - открытое хранение фондов; 2 - библиография; 3 - справочная библиотека; 4 - хранитель

Рис. 9. Перспективные схемы расширения здания музея

а - использование модульной системы; б - присоединение новых корпусов; в - линейное расширение; г - планировочные структуры, допускающие органичное расширение; д - создание системы зданий

Рис. 10. Расширение музея

а - внутренняя перепланировка; б - рост объемно-планировочной структуры здания; в - открытие филиалов

Рис. 11. Развитие во времени и пространстве художественного музея

Рис. 12. Проект картинной галереи, обеспечивающей расширение здания по вертикали (а - разрез) и горизонтали (б - план в уровне экспозиции)

Рис. 13. Освещение экспозиции

а - верхнее периметральное освещение экспозиции; б - освещение верхним светом через защитные фонари. Интенсивность света, падающего концентрическими кругами, уменьшается от центра; в - рассеянный свет от вертикальных плоскостей глубокого фонаря; г - открытая структура с изменяемыми уровнями, допускающая естественное боковое освещение

Рис. 14. Освещение экспозиции

а - дискомфортность верхнего освещения при слишком низком размещении потолка; б - дискомфортность при верхнем боковом освещении; в - дискомфортность верхнего освещения при отсутствии регулируемой системы отражения; г - использование светопоглощающих поверхностей стен, стендов, пола и потолка, чтобы избежать нежелательного отражения; 1 - светопоглощающие поверхности

Рис. 15. Освещение экспозиции

а - большеразмерные экспонаты: верхний свет, антресоли для новых точек осмотра; б - сплошное боковое остекление для связи с экспозицией под открытым небом; в - экспонаты, требующие хорошего естественного освещения и защиты от прямого света: шедовое освещение, жалюзийный подвесной потолок для рассеянного освещения; г - двустороннее естественное освещение для смешанной экспозиции выставочного характера; д - ведущий экспонат: направленное естественное освещение; е - экспозиция живописи, графики, скульптуры: верхнебоковое освещение; ж - смешанное освещение: боковое - естественным светом, верхнее - искусственным; з - варианты решения верхнего освещения

Рис. 16. Состав и взаимосвязь помещений панорамы

1 - главный вход; 2 - вестибюль; 3 - пост охраны; 4 - помещение почетных гостей; 5 - кафе; 6 - курительные, санузлы; 7 - гардероб; 8 - киоск; 9 - экскурсионное бюро; 10 - кассы; 11 - кассовый вестибюль; 12 - кинолекционный зал; 13 - зал временных выставок; 14 - вводный зал; 15 - аванзал; 16 - заключительные залы; 17 - кабинет директора; 18 - администрация; 19 - рабочие и подсобные помещения; 20 - лаборатории и мастерские; 21 - фондохранилище; 22 - приемная экспонатов с изолятором; 23 - панорамный зал

Рис. 17. Схема видимости на предметном плане

Рис. 18. Схемы диорам

1 - смотровая площадка; 2 - предметный план; 3 - живописное полотно; 4 - светильники; 5 - захолстовое пространство; 6 - линия горизонта; 7 - динамики

Рис. 19. Проект панорамы «Битва за Новороссийск. Малая земля» в Новороссийске. Разрез (архитекторы Г. Горлышков, Ю. Корнеев, инженеры Л. Покрасс, С. Кондратенкова.)




Яндекс цитирования



   Copyright © 2007-2026,  www.tehlit.ru.

[ ѓосты, стандарты, нормативы, инструкции, правила, строительные нормы ]