//
ТехЛит.ру
- крупнейшая бесплатная электронная интернет библиотека для "технически умных" людей.
WWW.TEHLIT.RU - ТЕХНИЧЕСКАЯ ЛИТЕРАТУРА

:: Алготрейдинг::


АЛГОТРЕЙДИНГ
шаг за шагом
с нуля по урокам!

Торговые роботы на PYTHON, BackTrader,
Pandas, Pine Script для TradingView. Связка с брокерами, телеграм и легкими приложениями.


МИНИСТЕРСТВО ЭНЕРГЕТИКИ И ЭЛЕКТРИФИКАЦИИ СССР

ГЛАВНОЕ ТЕХНИЧЕСКОЕ УПРАВЛЕНИЕ ПО ЭКСПЛУАТАЦИИ ЭНЕРГОСИСТЕМ

ИНСТРУКЦИЯ
ПО
ЭКСПЛУАТАЦИИ
силовых
КАБЕЛЬНЫХ
ЛИНИЙ

Часть 1

Кабельные линии
напряжением
до 35 кВ

РД 34.20.508

СОЮЗТЕХЭНЕРГО

Москва 1980

Проект Инструкции составлен цехом электрических сетей ПО «Союзтехэнерго»

Составители: канд. техн. наук М.И. ВОЛКОВ, инженеры В.П. ЖАРОВ, Л.Е. ТРОСТ, М.Н. ШНИТМАН

Инструкция предназначена для персонала электростанций и электрических сетей, занимающегося эксплуатацией кабельных линий.

Инструкция согласована ВНИИ кабельной промышленности 21 марта 1979 г.

С выходом в свет настоящей Инструкции отменяется «Инструкция по эксплуатации силовых кабельных линий напряжением до 220 кВ» (М.: Энергия, 1966).

УТВЕРЖДАЮ:

Заместитель начальника Главтехуправления

К.М. АНТИПОВ

15 октября 1979 г.

ВВЕДЕНИЕ

Настоящая Инструкция распространяется на силовые кабельные линии всех типов напряжением до 35 кВ включительно.

При эксплуатации кабельных линий следует руководствоваться также действующими «Правилами техники безопасности при эксплуатации электроустановок электрических станций и подстанций» и «Инструкцией по содержанию и применению средств пожаротушения на предприятиях Минэнерго СССР».

Инструкция составлена в соответствии с действующими «Правилами технической эксплуатации электрических станций и сетей» и «Нормами испытания электрооборудования» и является обязательной для персонала электрических станций и электрических сетей.

Прокладка кабельных линий и монтаж арматуры должны производиться в соответствии с действующими «Правилами устройства электроустановок», «Инструкцией по прокладке кабелей напряжением до 110 кВ» (СН 85-74)» и «Технической документацией на муфты для кабелей с бумажной и пластмассовой изоляцией до 35 кВ».

Выбор конструкции кабелей в зависимости от условий прокладки следует производить в соответствии с рекомендациями «Единых технических указаний по выбору и применению электрических кабелей».

В настоящей Инструкции приведены рекомендации по техническому обслуживанию (обходы, осмотры, испытания и т.д.) и капитальному ремонту кабельных линий в процессе их эксплуатации.

1. НАГРУЗКИ КАБЕЛЬНЫХ ЛИНИЙ

1.1. Длительно допустимые токовые нагрузки для силовых кабелей с бумажной и пластмассовой изоляцией на напряжение до 35 кВ включительно (приложения 1 и 2) установлены в соответствии с предельными длительно допустимыми рабочими температурами жил кабелей по действующим стандартам и техническим условиям.

Для кабелей, проложенных в грунте, допустимые токовые нагрузки приняты исходя из условия прокладки в траншее на глубине 0,7 - 1,0 м не более одного кабеля при температуре грунта 15 °С и удельном тепловом сопротивлении 120 °С (см/Вт).

Для кабелей, проложенных в воздухе, длительно допустимые токовые нагрузки приняты для расстояний в свету между кабелями при прокладке их внутри и вне зданий и в туннелях не менее 35 мм, а в каналах, коробах и шахтах - не менее 50 мм при любом числе проложенных кабелей и температуре воздуха 25 °С.

Для кабелей, проложенных в воде, длительно допустимые токовые нагрузки приняты для температуры воды 15 °С.

1.2. Длительно и кратковременно допустимая температура нагрева жил кабелей в нормальном и аварийном режимах работы не должна превышать значений, приведенных в табл. 1.1.

Таблица 1.1

Длительно и кратковременно допустимая температура жил кабелей

Тип кабеля

Номинальное напряжение, кВ

Длительно допустимая температура жил кабелей в нормальном режиме, °С

Кратковременно допустимая температура жил кабелей, °С

в аварийном режиме

в режиме короткого замыкания

С пропитанной бумажной изоляцией

До 3

80

100

200

6

65

85

200

10

60

80

200

20

55

55

130

35

50

50

130

С поливинилхлоридной изоляцией

До 10

70

90

150

С полиэтиленовой изоляцией1

До 35

70/90

80/130

120/250

С резиновой изоляцией

До 1

65

65

150

1 В знаменателе указана температура для кабелей с изоляцией из вулканизированного полиэтилена.

1.3. В условиях эксплуатации следует устанавливать сезонные (летнюю - по июлю и зимнюю - по декабрю) длительно допустимые токовые нагрузки для каждой кабельной линии с учетом следующих конкретных условий, в которых они работают:

- температура окружающей среды (земли, воздуха, воды);

- количество рядом проложенных кабелей в земле;

- тепловое сопротивление грунта для участка трассы с наихудшими условиями охлаждения;

- прокладка кабелей в земле в трубах на длине более 10 м.

Нагрузки определяются по участку трассы кабельной линии с наихудшими условиями охлаждения, если длина участка более 10 м.

При определении кратковременно допустимых перегрузок следует учитывать заполнение суточного графика нагрузки (коэффициент предварительной нагрузки).

1.4. Поправочные коэффициенты на температуру окружающей среды, а также на количество рядом проложенных кабелей в земле и в земле в трубах для учета их теплового влияния друг на друга указаны в приложении 3.

Параметры для определения и учета удельных тепловых сопротивлений грунтов приведены в приложении 4.

1.5. При наличии на кабельной трассе участка кабеля в земле в трубах длиной более 10 м длительно допустимая токовая нагрузка кабельной линии, проложенной в грунте, определяется по формуле

Iд.д = Iд.грКтр,

где Iд.гр - длительно допустимая токовая нагрузка на кабель, проложенный в грунте, А;

Ктр - поправочный коэффициент на прокладку кабеля в земле в трубе, приведенный ниже.

Номинальное напряжение кабельной линии, кВ

До 10

20 - 35

Поправочный коэффициент Ктр

0,88

0,82

1.6. Кабельные линии на напряжение до 10 кВ, несущие нагрузки меньше номинальных, могут кратковременно перегружаться с повышением температуры жил (во время перегрузки) до длительно допустимой температуры (см. табл. 1.1). Допустимые кратность и продолжительность перегрузок кабельных линий для различных видов прокладки (грунт, воздух, трубы в земле) с учетом коэффициента предварительной нагрузки устанавливаются в соответствии с ПТЭ.

1.7. В аварийных режимах допускается кратковременная перегрузка кабелей с бумажной и пластмассовой изоляцией напряжением до 10 кВ в течение 5 сут с доведением температуры жил до кратковременно допустимой (см. табл. 1.1).

Допустимая кратность к номинальному току и продолжительность перегрузки кабелей с бумажной изоляцией в зависимости от коэффициента предварительной нагрузки устанавливается ПТЭ.

Допустимая кратность перегрузки к номинальному току кабелей с полиэтиленовой и поливинилхлоридной изоляцией не должна превышать 1,1 и 1,15 соответственно, а продолжительность перегрузки не должна превышать 6 ч в сутки.

1.8. Коэффициент предварительной нагрузки и длительность максимума для определения перегрузок устанавливается обработкой суточного графика нагрузки с приведением его к двухступенчатому виду (приложение 5).

К двухступенчатому виду приводятся суточные графики, имеющие один максимум нагрузки в течение суток длительностью не более 6 ч.

Если в суточном графике длительность максимума составляет более 6 ч или нагрузка имеет максимальное значение 2 раза или более в сутки при суммарной длительности максимумов также более 6 ч, то такие графики приводятся к одноступенчатому виду с расчетной нагрузкой, равной максимальной. Перегрузка линий, имеющих такой график нагрузки, не допускается.

Перегрузка кабельных линий на напряжение 20 - 35 кВ не допускается.

1.9. Кабели с пластмассовой изоляцией на напряжение до 1 кВ включительно при необходимости должны быть проверены расчетом на термическую устойчивость при токе КЗ (если при проектировании проверка не производилась) с соблюдением следующего условия: температура нагрева жил при протекании тока КЗ не должна превышать 120 °С для кабелей с полиэтиленовой изоляцией и 150 °С - для кабелей с поливинилхлоридной изоляцией.

Выбор сечения жил таких кабелей осуществляется также и по экономической плотности тока в соответствии с ПУЭ.

В тех случаях, когда в эксплуатации нагрузка кабеля по экономической плотности тока превышает допустимую по нагреву, нагрузки на кабель должны устанавливаться по длительно допустимой температуре.

1.10. На ряде электростанций и на многих линиях городских кабельных сетей кабели используются на напряжение, отличающееся от номинального.

Нагрузка таких кабельных линий Iраб должна устанавливаться по формуле

Iраб = Iд.дК,

где Iд.д - длительно допустимая токовая нагрузка кабеля (см. приложение 1) в соответствии с его номинальным напряжением, А;

К - поправочный коэффициент (табл. 1.2).

Таблица 1.2

Поправочный коэффициент К

Напряжение сети, кВ

Вид прокладки кабеля

номинальное напряжение кабеля, кВ

1 - 3

6

10

20

35

1-3

В земле

1,0

1,12

1,16

-

-

 

В воздухе

1,0

1,14

1,21

-

-

6

В земле

0,9

1,0

1,05

-

-

 

В воздухе

0,88

1,0

1,06

-

-

10

В земле

-

0,96

1,0

1,11

-

 

В воздухе

-

0,95

1,0

1,16

-

20

В земле

-

-

0,9

1,0

1,0

 

В воздухе

-

-

0,86

1,0

1,0

35

В земле

-

-

-

1,0

1,0

 

В воздухе

-

-

-

1,0

1,0

1.11. При определении пропускной способности одножильных кабелей при их групповой прокладке следует учитывать неравномерность распределения токов по отдельным кабелям и токи, протекающие в свинцовых (алюминиевых) оболочках.

1.12. Влияние токов, наведенных на металлических оболочках одножильных кабелей и ограничивающих пропускную способность, должно быть установлено измерением температуры нагрева кабелей.

1.13. При неравномерности распределения токов (более 20 - 30 %) по одножильным кабелям, проложенным в помещениях, когда отдельные кабели лимитируют пропускную способность всей группы кабелей, должны быть приняты меры по выравниванию токов по фазам одним из следующих способов:

- перекладка кабелей (схемы правильной раскладки приведены в приложении 6);

- пересоединение (перезаводка) концов кабелей.

1.14. При изменении в процессе эксплуатации кабельных линий исходных расчетных условий (параметры суточного графика нагрузки, перевод линии на другое рабочее напряжение, устройство вставок большего сечения, увеличение числа параллельно проложенных линий и др.) нагрузки на них должны быть пересмотрены.

1.15. Расчетные длительно допустимые значения токовых нагрузок и кратковременно допустимые значения перегрузок должны быть записаны в паспорте кабельной линии.

1.16. Определения возможности повышения длительно допустимых нагрузок кабельных линий по сравнении с расчетными, рекомендуется производить опытным путем.

Для этого измеряется температура бронелент, а при их отсутствии - металлических или пластмассовых оболочек (шлангов) кабелей. По результатам измерений сначала определяется фактическая температура нагрева жил кабеля при данном токе нагрузки, а затем нагрузка корректируется для действительных эксплуатационных условий (приложение 7).

1.17. Длительно допустимая токовая нагрузка кабельной линии, определенная на основании опытов, оформляется протоколом, который утверждается главным инженером или начальником (заместителем начальника) района сети (электростанции). К протоколу прилагаются результаты измерений и расчетов, на основании которых устанавливается новый режим работы кабельной линии. При этом в паспорте кабельной линии должно быть указано новое значение длительно допустимой токовой нагрузки.

1.18. На ответственных (питающих) кабельных линиях, отходящих от электростанций и подстанций с постоянным дежурным персоналом, должен вестись контроль за токовыми нагрузками с помощью стационарных измерительных приборов. Запись показаний приборов производится дежурным персоналом в суточной ведомости в сроки, установленные местной инструкцией. На шкале щитовых амперметров красной чертой должен быть отмечен длительно допустимый ток кабельной линии.

1.19. На подстанциях без постоянного дежурного персонала контроль за нагрузками кабельных линий должен осуществляться измерениями токов переносными или стационарными измерительными приборами с периодичностью, указанной в ПТЭ.

1.20. В распределительных кабельных сетях измерения нагрузок могут быть выполнены в летний или осенне-зимний период в зависимости от параметров суточных графиков нагрузки.

1.21. Измерение температуры окружающего воздуха в кабельных сооружениях, температуры грунта в местах пересечения кабелей с теплопроводами, а также температуры оболочек кабельных линий производится в сроки, устанавливаемые местными инструкциями.

Расчетную температуру окружающего воздуха в кабельных сооружениях и в производственных помещениях следует устанавливать на основании измерения температуры в зимний и летний сезоны.

Значение сезонной расчетной температуры грунта на глубине прокладки кабелей (0,8 м), по которому устанавливаются длительно допустимые токовые нагрузки кабельных линий, приведено в приложении 8.

1.22. Если в результате измерений и проверок окажется, что температура жил кабелей выше допустимого значения или обнаружатся участки с неудовлетворительными условиями охлаждения, то рекомендуется выполнить следующее:

- улучшить вентиляцию в туннелях и каналах;

- заменить траншейные прокладки с большим количеством кабелей прокладками в туннелях и каналах хотя бы простейших типов (с технико-экономическим обоснованием);

- применить вставки кабелей большего сечения;

- применить дополнительную теплоизоляцию теплопроводов в местах пересечений их с кабелями;

- увеличить расстояния между кабелями в траншеях для уменьшения взаимного теплового влияния;

- засыпать траншеи более теплопроводящим грунтом.

2. НАДЗОР ЗА СОСТОЯНИЕМ ТРАСС КАБЕЛЬНЫХ ЛИНИЙ, КАБЕЛЬНЫХ СООРУЖЕНИЙ И КАБЕЛЬНЫХ ЛИНИЙ

2.1. Надзор за трассами кабельных линий, кабельными сооружениями и кабельными линиями производится в целях проверки их состояния периодическим обходом и осмотром специально выделенными для этого монтерами в сроки, предусмотренные ПТЭ, и инженерно-техническим персоналом в сроки, предусмотренные местными инструкциями.

2.2. Внеочередные обходы и осмотры производятся в период паводков и после ливней, а также при отключении линий релейной защитой.

2.3. При обходах в осмотрах трасс кабельных линий, проложенных на открытых территориях, необходимо:

- проверять, чтобы на трассе не производились несогласованные с энергопредприятием работы (строительство сооружений, раскопка земли, посадка растений, устройство складов, забивка свай, столбов и т.п.), а также, чтобы не было завалов трасс снегом, мусором, шлаком, отбросами, не было провалов и оползней грунта;

- осматривать места пересечения кабельных трасс с железными дорогами, обращая внимание на наличие предупредительных плакатов и на надежное металлическое соединение рельсов электрифицированных железных дорог в местах стыков;

- осматривать места пересечения кабельных трасс шоссейными дорогами, канавами и кюветами;

- осматривать состояние устройств и кабелей, проложенных по мостам, дамбам, эстакадам и другим подобным сооружениям;

- проверять в местах выхода кабелей на стены зданий или опоры воздушных линий электропередачи наличие и состояние защиты кабелей от механических повреждений, исправность концевых муфт;

- проверять в местах перехода кабельных линий с берега в реку или в другой водоем наличие и состояние береговых сигнальных знаков и в случае стоянки кораблей, судов, барж и других плавучих средств в зоне подводного перехода немедленно сообщать об этом своему непосредственному начальнику.

2.4. При обходах и осмотрах трасс кабельных линий, проложенных на закрытых территориях, кроме выполнения рекомендаций п. 2.3, необходимо:

- привлекать к участию в осмотре трассы представителя предприятия, ответственного за охрану кабелей и других, относящихся к ним сооружений;

- при выявлении дефектов на трассах линий вручать предписание об их устранении;

- в случае выявления не устраненных в установленный при предыдущем осмотре срок недостатков составлять протокол о нарушении.

2.5. Осмотр подводных кабельных переходов производится бригадой водолазов под руководством мастера. Ширина зоны осмотра менее 20 м (по 10 м в каждую сторону от кабеля).

При осмотрах подводных кабельных переходов необходимо:

- проверять соответствие устройства кабельного перехода проекту;

- проверять, не попали ли на кабельную трассу якори, цепа или другие затонувшие предметы;

- проверять сохранность и состояние кабеля в местах выхода из труб на берега рек, каналов и других водоемов;

- обращать внимание, нет ли дефектов на кабелях, переплетений кабелей и сноса их по течению;

- проверять глубину залегания кабелей и отсутствие сноса грунта.

2.6. Осмотр кабельных линий, проложенных в кабельных сооружениях, и кабельных сооружений должен производиться специально выделенным персоналом электростанции или электрической сети.

При осмотре кабельных линий, проложенных в кабельных сооружениях, и кабельных сооружений необходимо:

- проверять состояние антикоррозионных покровов металлических оболочек кабелей;

- измерять температуру оболочек кабелей;

- проверять внешнее состояние соединительных муфт и концевых заделок;

- проверять, нет ли смещений и провесов кабелей, соблюдены ли предусматриваемые ПУЭ расстояния между кабелями;

- проверять наличие и правильность маркировки кабелей;

- проверять исправность освещения;

- измерять температуру воздуха в помещениях;

- проверять исправность устройств сигнализации и пожаротушения;

- проверять состояние строительной части, дверей, люков и их запоров, крепежных конструкций, наличие разделительных несгораемых перегородок и плотности заделки кабелей в местах прохода через стены, перекрытия и перегородки;

- проверять, нет ли посторонних предметов, строительных и монтажных материалов, обтирочных концов, тряпок, мусора и пр. (при наличии удалить);

- проверять, не проникают ли грунтовые и сточные воды, нет ли технологических отходов производства.

2.7. Осмотр кабельных колодцев производится двумя лицами в следующем порядке:

- открывается люк колодца;

- спускается на уровень не ниже 0,25 м до дна колодца резиновый шланг, соединенный с вентилятором или компрессором, и в колодец в течение 15 мин нагнетается свежий воздух;

- проверяется отсутствие в колодце горючих и вредных газов;

- после вентилирования один из монтеров опускается в колодец, а второй - неотлучно дежурит около люка колодца.

2.8. Осмотр концевых участков и концевых муфт кабельных линий, заходящих в распределительные устройства электростанций и подстанций, производится своим персоналом.

2.9. В случаях, когда кабельные сооружения и распределительные устройства или подстанции принадлежат разным организациям, осмотр должен производиться представителями этих организаций.

2.10. Результаты обходов и осмотров оформляются следующим образом:

2.10.1. Результаты обходов и осмотров кабельных линий регистрируются в журнале по обходам и осмотрам. Кроме того, все обнаруженные дефекты на трассах кабельных линий должны быть записаны в журнал дефектов и неполадок или в карты дефектов.

2.10.2. По окончании осмотра трассы закрытой территории вручается предписание работнику предприятия, ответственному за сохранность кабельных линий, в целях своевременного устранения обнаруженных дефектов.

2.10.3. При выявлении дефектов, требующих немедленного устранения, производящий обход и осмотр обязан немедленно сообщить об этом своему непосредственному начальнику.

2.10.4. Результаты осмотра трасс кабельных линий инженерно-техническим персоналом регистрируются в журнале дефектов и неполадок.

2.10.5. Осмотр подводных трасс кабельных линий оформляется актом комиссии в составе ответственного представителя эксплуатирующей организации, бригадира водолазов и водолаза, непосредственно осматривавшего трассу.

2.10.6. При обнаружении на трассе кабельных линий производства земляных работ, выполняемых без разрешения кабельной сети, а также при обнаружении над местом прокладки подводных кабелей стоянки кораблей, судов и других нарушений действующих «Правил охраны высоковольтных электрических сетей» и «Правил охраны электрических сетей напряжением до 1000 В» производящий обход и осмотр должен принять меры по предотвращению вышеуказанных нарушений и сообщить об этом своему непосредственному начальнику и сделать запись в журнале обходов и осмотров.

2.10.7. Результаты осмотров открыто проложенных кабельных линий и кабельных сооружений регистрируются инженерно-техническим персоналом, производящим осмотр, соответственно в паспортах данного сооружения и в журнале дефектов и неполадок кабельных линий.

2.10.8. Результаты осмотров концевых участков кабелей и концевых муфт в распределительных устройствах электростанций и подстанций регистрируются в том же журнале дефектов и неполадок. Если дефекты обнаружены на концах отходящих линий, то сведения о них передаются эксплуатирующей организации.

2.11. Предприятия, эксплуатирующие кабельные линии, должны проводить разъяснительную работу среди населения, руководителей предприятий, учреждений и жилищно-эксплуатационных контор по соблюдению «Правил охраны высоковольтных электрических сетей» и «Правил охраны электрических сетей напряжением до 1000 В» путем объявлений по радио, телевидению, вывешивания плакатов, публикации в газетах, рассылки «Извещений о правилах производства раскопок и мерах по охране кабельных линий» (приложение 9), требовать от руководства предприятия, на территории которого проходят кабельные линии, приказом по предприятию выделять лиц, ответственных за сохранность кабельных линий. Копия приказа должна быть направлена в соответствующий район (участок) кабельной сети (электросети).

3. НАДЗОР ЗА РАБОТАМИ, ПРОИЗВОДЯЩИМИСЯ НА ТРАССАХ КАБЕЛЬНЫХ ЛИНИЙ

3.1. Согласно «Правилам охраны высоковольтных электрических сетей» и «Правилам охраны электрических сетей напряжением до 1000 В» все виды работ (например, земляные, взрывные, гидроразработки, возведение строений или сооружений и аналогичные работы вблизи кабельных трасс) допускается производить только после предварительного согласования выполнения этих работ с организацией, эксплуатирующей кабельную сеть, и получения разрешения на производство работ.

3.2. При согласовании всех плановых работ по вскрытию земляных покровов организация, эксплуатирующая кабельную сеть, обязана ознакомиться с проектом производства этих работ и удостовериться, что проектом предусмотрены четкие, конкретные мероприятия по обеспечению сохранности кабельных линий и других сетевых сооружений.

3.3. В проекте производства работ вблизи кабельных трасс должно быть указано на необходимость извещения телефонограммой организации, эксплуатирующей кабельную сеть, о начале работ заранее (за 1 дн). В телефонограмме должны быть указаны дата начала работ, адрес и наименование организации, производящей работу.

3.4. Организация, эксплуатирующая кабельную сеть, обязана вести учет всех согласованных проектов и регистрацию всех земляных работ.

3.5. При раскопках кабельных трасс или производстве земляных работ вблизи них должен быть обеспечен надзор за сохранностью кабелей на весь период производства работ, а открытые кабели должны быть укреплены для предупреждения провисания и защиты от механических повреждений.

Производителю работ по раскопкам должно быть указано точное место нахождения кабелей, объяснен порядок обращения с ними и взята от него расписка, подтверждающая получение указанных сведений.

3.6. Места производства земляных работ по степени опасности в отношении возможности механических повреждений кабельных линий делятся на две зоны:

1-я - работы на трассах кабельных линий или на расстоянии до 1 м от крайнего кабеля любого напряжения;

2-я - работы на трассах кабельных линий на расстоянии от крайнего кабеля, превышающем 1 м.

Работы на участках, где правильность указанного на планах расположения кабельных линий вызывает сомнение, должны быть отнесены к работам в 1-й зоне.

3.7. Производство раскопок с применением землеройных машин разрешается не ближе 1 м от кабелей; рыхление грунта с применением отбойных молотков разрешается на глубину не более 0,3 м. Применение ударных и вибропогружаемых механизмов разрешается не ближе 5 м от кабелей.

3.8. В назначенное время представитель организации, эксплуатирующей кабельную сеть, которому поручено произвести допуск к работам, должен прибыть на место работ с планом трассы кабельных линий и комплектом предупредительных плакатов.

3.9. При работах в 1-й зоне представитель организации, эксплуатирующей кабельную сеть, которому поручено произвести допуск к работам, обязан на месте работ:

- проверить, имеется ли у производителя работ разрешение местного Совета народных депутатов на производство работ и проект, согласованный с организацией, эксплуатирующей кабельную сеть;

- проверить правильность установки ограждений места работ;

- ознакомиться с содержанием работ, а также определить сроки отдельных этапов работ и намеченный срок окончания;

- проверить по плану расположение кабельных линий, указать производителю работ трассу кабельных линий, наметить границу зоны безопасного производства работ и вывесить предупредительные плакаты;

- выдать письменное разрешение на производство работ их производителю и ознакомить его с правилами техники безопасности при работах на кабельных трассах, а также с ответственностью, установленной за повреждение кабельных линий.

В выданном разрешении, подписываемом представителем электрической сети и производителем работ, должны быть четко указаны границы производства работ и следующие требования к производителю работ по обеспечению сохранности кабелей:

- вести наблюдение за работами непосредственно на трассе кабельных линий, обеспечивая выполнение всех мер предосторожности при удалении грунта с трассы;

- следить, чтобы открытые кабели и соединительные муфты были надежно обшиты коробами и укреплены. При этом необходимо обращать внимание на то, чтобы кабели не провисали и муфты были уложены и укреплены на прочном помосте в горизонтальном положении. На защитных коробах кабелей должны быть укреплены предупредительные плакаты;

- следить, чтобы было проведено контрольное шурфование с интервалами между шурфами не более 10 м поперек трассы кабельных линий, по которой ведутся земляные работы;

- следить, чтобы без дополнительного разрешения не расширялась намеченная и согласованная зона раскопок.

3.10. При работах в 1-й зоне все кабельные линии напряжением выше 1000 В должны быть, как правило, отключены и приняты следующие меры предосторожности:

- раскопки должны производиться только лопатами; применение ломов, пневматических инструментов и клиньев допускается только для снятия верхнего покрова на глубину не более 0,3 м. Если в место раскопок попадают кабели марки ААШв или кабели с пластмассовой изоляцией, то при выемке грунта в непосредственной близости от кабелей следует принимать меры, исключающие возможность повреждения пластмассового шланга или оболочки, о чем должно быть указано в разрешении на производство работ;

- при отогревании почвы в зимнее время источники тепла должны находиться не ближе чем на 0,3 м от кабелей;

- контрольные шурфы (ямы) разрешается рыть на ширину лопаты, отойдя от предполагаемой трассы кабельных линий на расстояние не менее 0,5 м и осторожно приближаясь к кабелям;

- в местах, где кабели вскрываются, работы должны быть закончены в возможно короткий срок;

- открытые кабели не разрешается перекладывать или передвигать;

- если раскопки производятся на глубине большей, чем глубина прокладки кабелей, и кабели открываются, необходимо поместить их в короба или в разрезные трубы и надежно подвесить к уложенным поперек траншей балкам с креплением через каждый метр; запрещается подвешивать кабель без устройства короба.

3.11. При работах во 2-й зоне представитель организации, эксплуатирующей кабельную сеть, при допуске к работам обязан на месте работ выполнить указания п. 3.9 настоящей Инструкции.

3.12. При аварийных случаях производство раскопок разрешает диспетчер, который дает указание ОВБ выехать на место раскопок и производить наблюдение за ними согласно указаниям пп. 3.8 - 3.10. В нерабочее время допуск производит дежурный мастер.

В случаях, когда организации (например, жилищно-коммунальной конторе, водопроводной сети) необходимо выполнить аварийные работы, связанные с вскрытием земляных покровов, представители электрической сети обязаны требовать, чтобы дежурному диспетчеру было сообщено о месте, времени начала работ и их объеме.

Дежурный диспетчер должен направить на место работы представителя организации, эксплуатирующей кабельную сеть.

3.13. При работах на трассах кабельной линии надзор со стороны организации, эксплуатирующей кабельную сеть, должен производиться таким образом, чтобы была обеспечена сохранность кабельных линий.

3.14. Если при проведении работ их производителю требуется расширение зоны раскопок или возобновление работ после перерыва, то допуск его к этим работам должен осуществляться вновь в соответствии с требованиями пп. 3.8 - 3.11 настоящей Инструкции. Продолжительность перерывов, в течение которых не требуется повторный допуск, определяется местными Инструкциями.

3.15. В случае нарушения при производстве работ требований настоящей Инструкции представитель организации, эксплуатирующей кабельную сеть, осуществляющий надзор, обязан добиться прекращения работ и устранения допущенного нарушения. В противном случае, а также во всех случаях повреждения кабельных линий представитель, осуществляющий надзор, должен составить акт о нарушении производителем работ требований «Правил охраны высоковольтных электрических сетей» и «Правил охраны электрических сетей напряжением до 1000 В» и поставить в известность непосредственного начальника.

3.16. При работах в 1-й зоне (п. 3.6) укладка кабелей после окончания работ должна быть произведена в присутствии представителя организации, эксплуатирующей кабельную сеть, после детального осмотра им всех кабелей.

3.17. Кабели должны быть уложены и защищены от механических повреждений в соответствии с требованиями ПУЭ.

3.18. После окончания земляных работ, осмотра и засыпки кабелей грунтом представитель организации, эксплуатирующей кабельную сеть, совместно с производителем работ оформляет акт окончания земляных работ и в соответствии с ним производит запись в паспорте кабельной линии о земляных работах на трассе с указанием даты, адреса и организации, производившей работы.

3.19. После окончания земляных работ на трассе все кабельные линии напряжением выше 1000 В должны быть испытаны повышенным выпрямленным напряжением.

3.20. Результаты испытаний кабельных линий заносятся в паспорт.

4. КОНТРОЛЬ ЗА СОСТОЯНИЕМ МЕТАЛЛИЧЕСКИХ ОБОЛОЧЕК КАБЕЛЕЙ И МЕРЫ ПРЕДОТВРАЩЕНИЯ ИХ КОРРОЗИОННОГО РАЗРУШЕНИЯ

4.1. Металлические оболочки кабелей при прохождении кабельных трасс в коррозионно-опасных зонах должны быть обеспечены соответствующей защитой, предохраняющей их от коррозии. Наиболее коррозионно-опасными являются районы с электрифицированным транспортом, работающим на постоянном токе (метрополитен, трамвай, железная дорога), или районы, по которым проходят линии электропередачи постоянного тока системы «провод-земля», а также с почвами, агрессивными к свинцу и алюминию.

Мероприятия по защите кабельных линий от коррозии, предусматриваемые проектом или осуществляемые в процессе эксплуатации, должны учитывать требования действующего ГОСТ «Единая система защиты от коррозии и старения. Подземные сооружения. Общие технические требования» и быть согласованы с местной организацией, которая координирует работу по защите подземных сооружений от коррозии, а где такие организации отсутствуют - с организациями, эксплуатирующими расположенные в непосредственной близости от кабельных трасс подземные металлические сооружения и сооружения, являющиеся источниками блуждающих токов.

4.2. Мероприятия по защите от коррозии кабелей должны разрабатываться на стадии проектирования.

В процессе эксплуатации в коррозионно-опасных зонах должны производиться измерения блуждающих токов (приложение 10), определяться степень коррозионной активности грунтов, грунтовых и других вод (приложение 11), составляться и периодически корректироваться карта коррозионных зон кабельной сети. Для этого на совмещенных планах расположения кабельных линий и трамвайных сооружений (рельсовых путей, отсосов, питающих центров) по данным наблюдений показываются диаграммы потенциалов и плотностей блуждающих токов, а также указываются места расположения агрессивных грунтов.

4.3. На основании анализа данных о коррозионных зонах, потенциальной диаграммы рельсовой сети, а также данных о имевших место случаях повреждений кабелей электрокоррозией устанавливаются места, где в первую очередь должны производиться измерения блуждающих токов и потенциалов на кабелях. Измерение производится в доступных местах без вскрытия траншей, в контрольно-измерительных пунктах, во временных шурфах в коррозионно-опасных зонах и, кроме того, через 100 - 300 м по исследуемой трассе кабельной линии.

В результате измерений определяются средние значения потенциалов и строятся потенциальные диаграммы кабеля. При этом следует учитывать стационарный потенциал металлической оболочки по отношению к медносульфатному электроду сравнения (для свинца - 0,48 В, для алюминия - 0,7 В).

4.4. По результатам измерений разности потенциалов можно определить в исследуемой зоне наличие того или иного вида коррозии. Если измеряемая разность потенциалов изменяется по значению и знаку или только по значению, то это указывает на наличие в земле блуждающих токов. Если измеряемая разность потенциалов имеет устойчивый характер, то это указывает на наличие в земле токов почвенного происхождения либо токов от линий передачи постоянного тока по системе «провод-земля» (если она имеется в данном районе).

4.5. По данным измерений строятся графики потенциалов отдельно для каждого сооружения и кабельной линии.

При необходимости графики дополняются сведениями о плотностях натекающих и стекающих токов, а также данными о направлениях и значениях сквозных токов, текущих по оболочкам кабелей (или по другим подземным сооружениям).

4.6. Защита кабельных линий от коррозии на стадии проектирования, сооружения и эксплуатации осуществляется:

- рациональным выбором трассы прокладки и марки кабеля (с учетом коррозионной активности окружающей среды, наличия блуждающих токов и типа защитных покровов кабеля);

- соблюдением всех норм и правил прокладки и монтажа кабельных линий, обеспечивающих целостность защитных покровов самих кабелей и участков, примыкающих к соединительным муфтам. Для кабелей с алюминиевыми оболочками контроль за состоянием изоляции защитных покровов должен осуществляться на всех этапах прокладки и монтажа кабельной линии, а также периодически в процессе эксплуатации изменением сопротивления изоляции защитного покрова;

- активной электрозащитой участков кабельной линии, проложенных в коррозионно-опасных зонах (в коррозионно-активных грунтах и водах и в зонах с наличием блуждающих токов).

Активной защите от коррозии подлежат силовые кабели на напряжение 6 кВ и выше, проходящие в коррозионно-опасных зонах.

Вопрос о необходимости активной защиты кабельных линий на напряжение ниже 6 кВ решается в каждом случае отдельно.

4.7. Кабельные линии подлежат защите от коррозии, вызываемой блуждающими токами, в анодных и знакопеременных зонах:

- при прокладке в грунтах с удельным сопротивлением выше 20 Ом·м и значении среднесуточной плотности тока, стекающего в землю, выше 0,15 мА/дм2;

- при прокладках в грунтах с удельным сопротивлением менее 20 Ом·м независимо от плотности тока, стекающего в землю.

При отсутствии достаточных данных о степени коррозионной активности грунтов защита на кабельной линии устанавливается, если значение потенциала в анодной зоне превышает +0,2 В.

В процессе эксплуатации коррозионная ситуация по трассе кабельной линии может меняться. При обнаружении коррозии оболочек кабельных линий должны быть разработаны мероприятия по предотвращению дальнейшего повреждения кабелей и замене поврежденных участков.

4.8. Необходимо систематически следить за выполнением мероприятий, проводимых управлениями электрифицированного транспорта по уменьшению значений блуждающих токов в земле (систематическое получение и изучение потенциальных диаграмм рельсовой сети, результатов проверки состояния рельсовых стыков и др.) в соответствии с требованиями действующих «Правил защиты подземных сооружений от коррозии» Госстроя СССР и действующего ГОСТ «Единая система защиты от коррозии и старения. Подземные сооружения. Общие технические требования».

4.9. При обнаружении во время обходов и осмотров неисправностей в устройствах трамвайных путей и электрифицированных железных дорог необходимо добиваться (через местные Советы народных депутатов) проведения управлениями трамваев и дорог мероприятий по сварке рельсовых стыков, устройству надежных отсосов и других мер, обеспечивающих более низкий уровень блуждающих токов.

4.10. Поскольку разрушение оболочки кабелей блуждающими токами происходит там, где они находятся под положительным потенциалом (в анодных зонах), защита кабелей от коррозии заключается в том, чтобы погасить или свести до минимума положительные потенциалы на оболочках кабелей. Это достигается одним из следующих способов: установкой электродренажей различных типов, применением катодной защиты (подача на оболочки отрицательного потенциала от специальных источников), установкой протекторов, заземлителей и перепаек кабелей.

4.11. Выбор способов и средств защиты кабельных линий от коррозии определяется типом (маркой) проложенных кабелей, а также степенью опасности их коррозионного разрушения (приложение 12).

4.12. Применение различного вида электрических способов защиты кабелей от коррозии должно удовлетворять требованиям действующих «Правил защиты подземных сооружений от коррозии».

Сведения о защитных устройствах, выпускаемых промышленностью, приведены в приложении 13.

Сведения об особенностях защиты от коррозии кабелей в алюминиевых оболочках приведены в приложении 14.

4.13. Все случаи коррозионных повреждений должны регистрироваться. Основным документом о коррозионном повреждении является акт или протокол обследования кабельной линии. Случаи коррозионных повреждений должны заноситься в паспорт кабельной линии.

5. ИСПЫТАНИЯ КАБЕЛЬНЫХ ЛИНИЙ ПОВЫШЕННЫМ ВЫПРЯМЛЕННЫМ НАПРЯЖЕНИЕМ

5.1. Кабельные линии 3 - 3,5 кВ в процессе эксплуатации должны периодически подвергаться испытаниям повышенным выпрямленным напряжением от стационарных испытательных выпрямительных установок или передвижных лабораторий (приложение 15). Методика испытаний приведена в приложении 16.

5.2. При испытаниях вместе с кабелем испытываются концевые муфты и опорные изоляторы. Кабельные выводы и вставки на воздушных линиях испытываются без отсоединения от воздушной линии. При этом вентильные разрядники на опоре линии электропередачи должны быть отсоединены.

5.3. В городских кабельных сетях испытанию при одновременном отключении могут подвергаться несколько кабельных линий, отходящих от подстанции, или цепочка последовательно соединенных кабельных линий с распределительными устройствами. При этом трансформаторы напряжения должны быть отсоединены.

5.4. На электростанциях и подстанциях испытание групповых кабелей одного подсоединения (генератора, трансформатора и др.) производится, как правило, вместе с шинной сборкой.

5.5. Значения повышенного выпрямленного напряжения при производстве испытаний и сроки их проведения должны устанавливаться в соответствии с «Нормами испытания электрооборудования».

Исходные значения испытательных напряжений кабелей с бумажной изоляцией 3 и 6 кВ и дальнейшие переходы на более высокие ступени испытательного напряжения согласуются с объемом ремонтных работ и другими местными условиями и устанавливаются главным инженером энергосистемы (электрической сети).

5.6. До начала испытаний производится осмотр всех элементов кабельной линии, кабельных каналов и туннелей, в которых проложена линия. Если плановый обход и осмотр линии производились менее чем за 3 мес до ее испытания, то дополнительный осмотр линии перед испытаниями не требуется.

При обнаружении дефектов концевых муфт и заделок испытания должны производиться после их ремонта.

5.7. Автоматизированные кабельные линии могут испытываться реже, чем неавтоматизированные. Периодичность их испытаний устанавливается руководством энергосистемы (электрической сети) с учетом местных условий, однако испытания при этом должны производиться не реже 1 раза в 3 года.

5.8. После выполнения работ по капитальному ремонту кабельных линий должны производиться внеочередные испытания в соответствии с «Нормами испытания электрооборудования». Через месяц после ремонта линии рекомендуется провести повторное ее испытание.

Испытание кабельных линий после раскопок производится в соответствии с рекомендациями, приведенными в п. 3.19 настоящей Инструкции.

5.9. Линии с пониженным уровнем изоляции должны испытываться в летнее и осеннее время года. Испытания подводных кабелей следует производить с таким расчетом, чтобы ремонт их в случае пробоя мог быть закончен до начала ледостава или ледохода.

5.10. Место пробоя кабельной линии должно быть обследовано и должна быть выяснена причина повреждения. При обследовании, которое производится в стационарной лаборатории, производятся разборка, осмотр и обмер поврежденного образца кабеля (или кабельной муфты, заделки).

Вскрытие кабелей должно выполняться в соответствии с действующей «Инструкцией по вскрытиям, разборке, осмотрам и обмерам образцов кабелей с бумажной пропитанной изоляцией на напряжение 1 - 35 кВ». Кроме того, при осмотрах пластмассовых оболочек и шлангов следует обращать внимание на задиры, порезы, надрезы, трещины, сквозные отверстия, оплавления и другие повреждения.

При осмотре пластмассовой изоляции обращается внимание на наличие пор и раковин в толще изоляции, оплавление изоляции, степень старения изоляции, а также измеряется толщина изоляции.

При вскрытиях и разборке кабельных муфт и заделок определяются основные конструктивные размеры и соответствие их требованиям действующей «Технической документации на муфты для кабелей с бумажной и пластмассовой изоляцией до 35 кВ».

Результаты вскрытий и разборок и заключение о причине повреждения оформляются протоколом.

5.11. При наличии в кабеле заводского дефекта должна быть предъявлена рекламация изготовителю.

5.12. Если для ремонта линии после пробоя не требуется производить вырезки поврежденного участка, то анализ причины повреждения должен производиться на месте ремонта.

5.13. Образцы кабелей с разными видами повреждений, в том числе с заводскими дефектами, рекомендуется сохранять в лаборатории для использования в качестве наглядных пособий при обучении персонала, а также для представления их экспертам (при предъявлении рекламаций, арбитражных разбирательствах и т.д.).

5.14. Результаты испытаний кабельных линий, причины их повреждения и выполненные мероприятия по ремонтам должны заноситься в паспорт кабельной линии.

5.15. Степень осушения изоляции на вертикальных участках кабелей 20 - 35 кВ устанавливается периодическим измерением tg δ изоляции этих участков или систематическим наблюдением за их нагревом (приложение 17).

5.16. Испытания изоляции кабельных линий на напряжение 6 кВ под нагрузкой проводятся в соответствии с «Нормами испытания электрооборудования». Рекомендации по методике испытаний кабелей приведены в приложении 18.

6. ОПРЕДЕЛЕНИЕ МЕСТ ПОВРЕЖДЕНИЙ НА КАБЕЛЬНЫХ ЛИНИЯХ

6.1. Работы по определению мест повреждения (ОМП) подразделяются на следующие три этапа:

- диагностика повреждения - определение характера повреждения, выполнение предварительных измерений расстояний до места повреждения. На этой стадии ОМП устанавливается необходимость предварительного прожигания;

- определение зоны предполагаемого повреждения одним из относительных методов;

- уточнение местонахождения повреждения одним из абсолютных методов.

6.2. Метод ОМП кабельной линии выбирается в зависимости от характера повреждения. Повреждения кабелей могут быть подразделены на следующие виды:

- повреждение изоляции, вызывающее замыкание одной фазы на землю;

- повреждение изоляции, вызывающее замыкания двух или трех фаз на землю либо двух или трех фаз между собой;

- обрыв одной, двух и трех фаз (с заземлением или без заземления фаз);

- заплывающий пробой изоляции;

- сложные повреждения, представляющие комбинации из вышеупомянутых видов повреждений.

6.3. Измерения производятся на кабельной линии, которая отсоединена от источника питания и от нее отсоединены все электроприемники.

6.4. Трассы кабельных линий, отключившихся аварийно, должны быть осмотрены.

6.5. При необходимости производятся уточнение трассы кабельной линии (приложении 19), а также ее осмотр, в первую очередь в кабельных сооружениях, в целях обнаружения явного повреждения. Осмотру подлежат также концевые заделки и муфты.

6.6. Для установления характера повреждения кабельной линии следует:

- измерять сопротивление изоляции каждой токоведущей жилы по отношению к земле;

- измерить сопротивление изоляции между парой токоведущих жил;

- определить целостность (отсутствие обрыва) токоведущих жил;

- при необходимости прибором Р5-5 (или ему подобным) уточнить характер повреждения и проверить длину поврежденных жил кабеля.

6.7. Измерение сопротивления изоляции производится мегаомметром на напряжение 2500 В.

6.8. Если мегаомметром не удается определить характер повреждения, то необходимо снизить сопротивление изоляции в месте повреждения, что может быть достигнуто дополнительным поочередным испытанием высоким напряжением (от испытательной установки) изоляции токоведущих жил между собой и по отношению к оболочке.

6.9. Результаты измерений в целях установления характера повреждения должны быть занесены в протокол измерений и на рабочую схему ОМП и используются для выбора методов и технологии ОМП.

6.10. После определения характера повреждения кабельной линии выбирается метод, наиболее подходящий для определения места повреждения в данном конкретном случае. Рекомендуется в первую очередь определить зону, в границах которой расположено повреждение. Определение зоны повреждения производится одним из следующих относительных методов:

- импульсным (локационным);

- колебательного разряда (волновым);

- петлевым.

После определения зоны повреждения производится определение места повреждения непосредственно на трассе кабельной линии одним из следующих абсолютных методов:

- индукционным;

- акустическим;

- методом накладной рамки.

Для точного определения места повреждения, как правило, пользуются сочетанием относительного и абсолютного методов.

6.11. Характеристики различных методов определения мест повреждения, а также области и условия их применения приведены в приложениях 20 и 21.

6.12. Применение импульсного и индукционного методов отыскания повреждений требует значительного понижения переходного сопротивления в месте повреждения (от 10 до 100 Ом). Это достигается прожиганием изоляции в поврежденном месте от специальных установок (приложение 22).

7. КАПИТАЛЬНЫЙ РЕМОНТ КАБЕЛЬНЫХ ЛИНИЙ

7.1. Ремонт кабельных линий производится по плану-графику, утвержденному руководством предприятия.

7.2. План-график ремонтов составляется на основе записей в журналах обходов и осмотров, результатов испытаний и измерений, а также по данным диспетчерских служб.

Объем ремонтов уточняется на основании дополнительной проверки на месте инженерно-техническим персоналом всех выявленных неисправностей кабелей и трасс кабельных линий, что позволяет своевременно подготовить необходимые материалы и механизмы для выполнения ремонта.

В план-график включаются ремонтные работы, не требующие срочного их выполнения; очередность производства таких работ устанавливается руководством района (участка, службы) электрической сети и цеха электростанции. Очередность выполнения срочных ремонтов определяется руководством предприятия.

7.3. Ремонт находящихся в эксплуатации кабельных линий производится эксплуатационным персоналом или персоналом специализированных организаций.

7.4. Вскрытие кабеля для ремонта производится после сверки на месте соответствия расположения кабеля с расположением его на плане трассы, а также после проверки отсутствия напряжения на этом кабеле и прокаливания его в соответствии с требованиями действующих «Правил техники безопасности при эксплуатации электроустановок электрических станций и подстанций».

7.5. Изоляция кабеля, используемого для вставки при ремонте, предварительно проверяется на отсутствие влаги, устанавливается сечение и номинальное напряжение кабеля.

7.6. При ремонте кабельной линии в зимних условиях кабельная вставка должна быть уложена в траншею в подогретом состоянии в соответствии с рекомендациями, приведенными в «Инструкции по прокладке кабелей на напряжение до 110 кВ».

7.7. Перед монтажем соединительных муфт при ремонте кабельной линии фазировку рекомендуется производить непосредственно на месте монтажа. Допускается производить фазировку на концевых заделках после монтажа соединительных муфт.

Фазировка может производиться с применением мегаомметра с фазировочным приспособлением или с использованием телефонных трубок.

7.8. При выполнении ремонта открыто проложенных кабелей при необходимости производится также ремонт кабельных сооружений (туннелей, колодцев, каналов, шахт и пр.).

Одновременно с ремонтом кабелей производятся проверка и восстановление бирок, предупредительных и опознавательных надписей и пр.

7.9. По окончании ремонтных работ на кабельной линии должен быть составлен исполнительный эскиз. По этому эскизу должны быть произведены все исправления в технической документации (планы трасс, схемы, паспортные карты и пр.). На вновь смонтированные муфты должны быть установлены маркировочные бирки.

7.10. После капитального ремонта кабельной линии должны быть произведены испытания и измерения в соответствии с «Нормами испытания электрооборудования».

При этом измерение сопротивления заземления корпусов концевых заделок выполняется в тех случаях, когда производится ремонт старых или монтаж новых концевых заделок.

7.11. После ремонтов на кабельных линиях, не связанных с отсоединением концов кабеля (покраска воронок, восстановление лакового покрытия на фазах, исправление заземлений, обновление или смена маркировочных бирок), фазировка линии и испытание ее повышенным выпрямленным напряжением не производятся.

7.12. При выполнении ремонтных работ на кабельных линиях, проложенных в земле и особенно в кабельных сооружениях, должны соблюдаться следующие меры пожарной безопасности:

- при пользовании открытым огнем (газовая горелка, паяльная лампа и т.п.) на месте работ должны быть огнетушители (не менее двух), ведра с сухим мелким песком, кошма или брезент, листы асбеста для ограждения работающих кабелей и плотно закрывающийся металлический ящик с крышкой для сбора отходов разделки кабеля и других горючих материалов;

- бензин на месте работы должен храниться в металлической посуде с пробкой на резьбе;

- заправка и доливка паяльных ламп, а также разогрев кабельной массы должны производиться вне помещений;

- разжигаемая лампа должна быть обращена носком на огнеупорную стену или лист асбеста.

7.13. Указания по ремонту кабелей и кабельной арматуры приведены в приложении 23.

8. ПРАВИЛА ПРИЕМКИ КАБЕЛЬНЫХ ЛИНИЙ В ЭКСПЛУАТАЦИЮ

8.1. Эксплуатирующая организация должна производить технический надзор в процессе прокладки и монтажа кабельных линий, вновь сооружаемых другими организациями и передаваемых затем на баланс в энергосистему.

Присутствие при выполнении работ представителя эксплуатирующей организации не снимает с монтажной организации и производителя работ ответственности за выполняемые ими работы. Прокладку и монтаж кабельных линий всех напряжений разрешается производить только лицам, прошедшим специальное обучение, сдавшим экзамены и получившим свидетельство на выполнение указанных работ.

8.2. Выполняющий технический надзор обязан ознакомиться с проектом прокладки и монтажа кабельной линии, перед ее прокладкой проверить по документам и осмотром состояние и качество кабелей на барабанах, а также кабельных муфт и монтажных материалов, проверить качество работ в процессе прокладки и монтажа кабельной линии и правильность выполнения маркировки.

8.3. Выполняющий технический надзор обязан ставить в известность производителя работ о всех замеченных дефектах и нарушениях и требовать их устранения.

При наличии разногласий с производителем работ выполняющий технический надзор должен ставить в известность об этом свою администрацию.

8.4. Вновь смонтированная кабельная линия должна быть принята в эксплуатацию комиссией в составе представителей монтажной и эксплуатирующей организаций. Председателем комиссии назначается руководитель эксплуатирующей организации.

8.5. Комиссия по приемке кабельной линии в эксплуатацию обязана проверить техническую документацию, произвести обход трассы кабельной линии, проверку выполненных работ (скрытые работы при необходимости проверяются выборочно), а также ознакомиться с результатами испытания кабельной линии.

8.6. При приемке в эксплуатацию вновь сооруженной кабельной линии должны быть произведены испытания и измерения в соответствии с «Нормами испытания электрооборудования».

8.7. При сдаче кабельной линии в эксплуатацию должна быть предъявлена документация, предусмотренная ПТЭ и СНиП (приложение 24).

8.8. Приемка в эксплуатацию кабельной линии оформляется актом, в котором отмечается:

- наименование организации, производившей сооружение и монтаж кабельной линии;

- фамилия производителя работ;

- фамилия представителя эксплуатации, наблюдавшего за работами;

- наименование и назначение линии и место прокладки;

- краткая характеристика линии (марка кабеля, сечение, напряжение, длина, тип муфты и заделок, их количество и пр.);

- соответствие выполненных работ действующим правилам и нормам;

- заключение о пригодности линии для эксплуатации.

8.9. К акту прилагаются все документы, перечисленные в приложении 24, и их опись, а также копия приказа о назначении ответственных лиц за сохранность кабельной трассы, проходящей по территории предприятия.

9. ТЕХНИЧЕСКАЯ ДОКУМЕНТАЦИЯ

9.1. После приемки кабельной линии эксплуатирующая организация должна оформить всю техническую документацию по данной кабельной линии.

На каждую кабельную линию должен быть заведен паспорт, содержащий все необходимые технические данные по линии и систематически пополняемый сведениями по испытаниям, ремонту и эксплуатации линии (форма паспорта приведена в приложении 25). В соответствии с местными инструкциями (в зависимости от структуры предприятия) некоторые данные по эксплуатации кабельных линий (например, по нагрузкам и испытаниям) могут заноситься в другие документы.

9.2. На каждую кабельную линию должна быть заведена архивная папка, в которой хранятся паспорт кабельной линии и вся техническая документация, перечисленная в приложении 24, а также протоколы вскрытия и испытания кабеля в процессе эксплуатации, акты повреждений линий и др.

9.3. В процессе эксплуатации ведутся и заполняются журналы по обходам и осмотрам кабельных линий, журналы для записи дефектов и др. Перечень и содержание журналов по эксплуатации кабельных линий устанавливаются местными инструкциями.

9.4. Сроки хранения журналов и другой эксплуатационной документации определяются местными инструкциями.

10. ТРЕБОВАНИЯ ТЕХНИКИ БЕЗОПАСНОСТИ ПРИ ЭКСПЛУАТАЦИИ КАБЕЛЬНЫХ ЛИНИЙ

10.1. Требования техники безопасности должны соответствовать действующим «Правилам техники безопасности при эксплуатации электроустановок электрических станций и подстанций».

10.2. При эксплуатации кабельных линий особое внимание должно быть уделено вопросам безопасности производства ремонтных работ на кабелях, проложенных в зданиях и на территории электрических станций и подстанций (гл. Ш-6 ПТБ) и вопросам безопасности при проведении испытаний оборудования и измерений (гл. Ш-9 ПТБ).

11. ТРЕБОВАНИЯ ПОЖАРНОЙ БЕЗОПАСНОСТИ ПРИ ЭКСПЛУАТАЦИИ КАБЕЛЬНЫХ ЛИНИЙ

11.1. При эксплуатации кабельных линий следует руководствоваться действующими «Правилами пожарной безопасности промпредприятий» и «Инструкцией по содержанию и применению средств пожаротушения на предприятиях Минэнерго СССР».

Приложение 1

ДЛИТЕЛЬНО ДОПУСТИМЫЕ ТОКОВЫЕ НАГРУЗКИ ДЛЯ КАБЕЛЕЙ НА НАПРЯЖЕНИЕ ДО 35 кВ ВКЛЮЧИТЕЛЬНО С БУМАЖНОЙ ПРОПИТАННОЙ ИЗОЛЯЦИЕЙ С МЕДНЫМИ И АЛЮМИНИЕВЫМИ ЖИЛАМИ

Таблица П1.1

Кабели с медными и алюминиевыми жилами с бумажной пропитанной изоляцией, прокладываемые в земле

Сечение жилы, мм2

Токовые нагрузки, А

для одножильных кабелей до 1 кВ

для двухжильных кабелей до 1 кВ

для трехжильных кабелей

для четырехжильных кабелей до 1 кВ

до 3 кВ

6 кВ

10 кВ

10

140/110

105/80

95/75

80/60

-

85/65

16

175/135

140/110

120/90

105/80

95/75

115/90

25

235/180

185/140

160/125

135/105

120/90

150/115

35

285/220

225/175

190/145

160/125

150/115

175/135

50

360/275

270/210

235/180

200/155

180/140

215/165

70

440/340

325/250

285/220

245/190

215/165

265/200

95

520/400

380/290

340/260

295/225

265/205

310/240

120

595/460

435/335

390/300

340/260

310/240

350/270

150

675/520

500/385

435/335

390/300

355/275

395/305

185

755/580

-

490/380

440/340

400/310

450/345

240

880/675

-

570/440

510/390

460/355

-

300

1000/770

-

-

-

-

-

400

1220/940

-

-

-

-

-

500

1400/1080

-

-

-

-

-

625

1520/1170

-

-

-

-

-

800

1700/1310

-

-

-

-

-

Примечание. Нагрузки для кабелей с алюминиевыми жилами указаны в знаменателе.

Таблица П1.2

Кабели с медными и алюминиевыми жилами с бумажной пропитанной изоляцией, прокладываемые в воздухе

Сечение жилы, мм2

Токовые нагрузки, А

для одножильных кабелей до 1 кВ

для двухжильных кабелей до 1 кВ

для трехжильных кабелей

для четырехжильных кабелей до 1 кВ

до 3 кВ

6 кВ

10 кВ

10

95/75

75/55

60/46

55/43

-

60/45

16

120/90

95/75

80/60

65/50

60/46

80/60

25

160/125

130/100

105/80

90/70

85/65

100/75

35

200/155

150/115

125/95

110/85

105/80

120/95

50

245/190

185/140

155/120

145/110

135/105

145/110

70

305/235

225/175

200/155

175/135

165/130

185/140

95

360/275

275/210

245/190

215/165

200/155

215/165

120

415/320

320/245

285/220

250/190

240/185

260/200

150

470/360

375/290

330/255

290/225

270/210

300/230

185

525/405

-

375/290

325/250

305/235

340/260

240

610/470

-

430/330

375/290

350/270

-

300

720/555

-

-

-

-

-

400

880/675

-

-

-

-

-

500

1020/785

-

-

-

-

-

625

1180/910

-

-

-

-

-

800

1400/1080

-

-

-

-

-

Примечание. Нагрузки для кабелей с алюминиевыми жилами указаны в знаменателе.

Таблица П1.3

Кабели с медными и алюминиевыми жилами с бумажной пропитанной изоляцией, прокладываемые в воде

Сечение жилы, мм2

Токовые нагрузки, А

для трехжильных кабелей

для четырехжильных кабелей до 1 кВ

до 3 кВ

6 кВ

10 кВ

16

155/120

135/105

120/90

-

25

210/160

170/130

150/115

195/150

35

250/190

205/160

180/140

230/175

50

305/235

255/195

220/170

285/220

70

375/290

310/240

275/210

350/270

95

440/340

375/290

340/260

410/315

120

505/390

430/330

395/305

470/360

150

565/435

500/385

450/345

-

185

615/475

545/420

510/390

-

240

715/550

625/480

585/450

-

Примечание. Нагрузки для кабелей с алюминиевыми жилами указаны в знаменателе.

Таблица П1.4

Кабели трехжильные с отдельно освинцованными медными и алюминиевыми жилами с обедненнопропитанной изоляцией, прокладываемые в земле, в воздухе и в воде

Сечение жилы, мм2

Токовые нагрузки. А, для кабелей на напряжение, кВ, при прокладке

6

10

в земле

в воздухе

в воде

в земле

в воздухе

в воде

16

90/70

80/60

115/90

-

-

-

25

125/95

105/80

155/120

110/85

100/75

140/110

35

155/120

125/95

195/150

130/100

120/90

170/130

50

185/140

150/115

230/175

160/125

145/110

210/160

70

225/175

190/145

280/215

200/155

180/140

255/195

95

270/210

230/175

340/260

250/190

220/170

305/230

120

310/240

265/205

385/295

290/225

255/195

360/275

150

355/275

310/240

450/345

335/260

295/225

405/310

Примечание. Нагрузки для кабелей с алюминиевыми жилами указаны в знаменателе.

Таблица П1.5

Кабели с медными и алюминиевыми жилами с обеднено-пропитанной изоляцией в общей свинцовой или алюминиевой оболочке, прокладываемые в земле и в воздухе

Сечение жилы, мм2

Токовые нагрузки, А, для кабелей на напряжение 6 кВ при прокладке

в земле

в воздухе

16

90/70

65/50

25

120/90

90/70

35

145/110

110/85

50

180/140

140/110

70

220/170

170/130

95

265/205

210/160

120

310/240

245/190

150

355/275

290/225

Примечание. Нагрузки для кабелей с алюминиевыми жилами указаны в знаменателе.

Таблица П1.6

Кабели трехжильные с отдельно освинцованными медными и алюминиевыми жилами

Сечение жилы, мм2

Токовые нагрузки, А, для кабелей на напряжение, кВ, при прокладке

20

35

в земле

в воздухе

в воде

в земле

в воздухе

в воде

25

110/85

85/65

120/90

-

-

-

35

135/105

100/75

145/110

-

-

-

50

165/125

120/90

180/140

-

-

-

70

200/155

150/115

225/175

195/150

145/110

210/160

95

240/185

180/140

275/210

235/180

180/140

255/195

120

275/210

205/160

315/245

270/210

205/160

290/225

150

315/240

230/175

350/270

310/240

230/175

-

185

355/275

265/205

390/300

-

265/-

-

Примечание. Нагрузки для кабелей с алюминиевыми жилами указаны в знаменателе.

Приложение 2

ДЛИТЕЛЬНО ДОПУСТИМЫЕ ТОКОВЫЕ НАГРУЗКИ ДЛЯ КАБЕЛЕЙ НА НАПРЯЖЕНИЕ ДО 35 кВ ВКЛЮЧИТЕЛЬНО С ПЛАСТМАССОВОЙ ИЗОЛЯЦИЕЙ С МЕДНЫМИ И АЛЮМИНИЕВЫМИ ЖИЛАМИ

Таблица П2.1

Кабели на напряжение 1 кВ с медными и алюминиевыми жилами с пластмассовой изоляцией, прокладываемые в земле

Сечение жилы, мм2

Токовые нагрузки, А, для кабелей

двухжильных

трехжильных

четырехжильных

6

70/55

60/46

55/42

10

105/80

90/70

83/64

16

135/105

115/90

106/83

25

175/135

150/115

138/106

35

210/160

180/140

166/130

50

265/205

225/175

206/160

70

320/245

275/210

254/195

95

385/295

330/255

304/235

120

445/340

385/295

355/270

150

505/390

435/335

400/310

185

570/440

500/385

460/355

Примечание. Нагрузки для кабелей с алюминиевыми жилами указаны в знаменателе.

Таблица П2.2

Кабели на напряжение 1 кВ с медными и алюминиевыми жилами с пластмассовой изоляцией, прокладываемые в воздухе

Сечение жилы, мм2

Токовые нагрузки, А, для кабелей

одножильных

двухжильных

трехжильных

четырехжильных

6

50/38

50/38

42/32

39/30

10

80/60

70/55

55/42

48/39

16

100/75

90/70

75/60

69/55

25

140/105

115/90

95/75

87/69

35

170/130

140/105

120/90

110/83

50

215/165

175/135

145/110

136/100

70

270/210

215/165

180/140

167/130

95

325/250

260/200

220/170

202/156

120

385/295

300/230

260/200

240/185

150

440/340

350/270

305/235

280/215

185

510/390

405/310

350/270

324/250

240

605/465

-

-

-

Примечание. Нагрузки для кабелей с алюминиевыми жилами указаны в знаменателе.

Таблица П2.3

Кабели на напряжение 6 кВ с медными и алюминиевыми жилами с пластмассовой изоляцией, прокладываемые в земле и в воздухе

Сечение жилы, мм2

Токовые нагрузки, А

при прокладке в земле

при прокладке в воздухе

для кабелей с поливинилхлоридной и полиэтиленовой изоляцией

для кабелей с изоляцией из вулканизированного полиэтилена

для кабелей с поливинилхлоридной и полиэтиленовой изоляцией

для кабелей с изоляцией из вулканизированного полиэтилена

10

84/63

100/75

57/44

66/50

16

110/84

131/100

68/52

78/60

25

141/110

168/131

94/73

108/84

35

168/131

200/156

115/89

132/102

50

210/162

250/193

152/115

174/132

70

257/199

306/237

183/141

210/162

95

309/236

368/281

225/173

258/198

120

357/273

425/325

262/199

300/228

150

409/315

487/375

304/236

348/270

185

462/357

550/425

341/262

390/300

240

535/409

637/487

393/304

450/348

Примечание. Нагрузки для кабелей с алюминиевыми жилами указаны в знаменателе.

Таблица П2.4

Кабели на напряжение 10 кВ с медными и алюминиевыми жилами с пластмассовой изоляцией, прокладываемые в земле и в воздухе

Сечение жилы, мм2

Токовые нагрузки, А

при прокладке в земле

при прокладке в воздухе

для одножильных кабелей

для трехжильных кабелей

для одножильных кабелей

для трехжильных кабелей

16

110/90

104/32

100/80

70/50

25

150/115

132/99

140/105

95/70

35

175/130

165/126

160/120

115/90

50

230/175

198/154

210/160

150/115

70

275/215

236/181

250/195

180/145

95

320/250

291/225

290/225

220/170

120

345/265

341/264

315/240

265/200

150

380/290

390/302

345/265

300/230

185

400/320

440/341

370/290

340/260

240

460/350

506/390

420/320

390/300

Примечание. Нагрузки для кабелей с алюминиевыми жилами указаны в знаменателе.

Таблица П2.5

Одножильные кабели на напряжение 35 кВ с медными и алюминиевыми жилами с пластмассовой изоляцией, прокладываемые в земле и в воздухе

Сечение жилы, мм2

Токовые нагрузки, А, для кабелей

прокладываемых в земле

прокладываемых в воздухе

70

245/185

220/170

95

280/220

260/200

120

320/250

290/225

150

355/275

320/250

185

380/300

345/270

240

420/325

380/295

Примечание. Нагрузки для кабелей с алюминиевыми жилами указаны в знаменателе.

Приложение 3

ПОПРАВОЧНЫЕ КОЭФФИЦИЕНТЫ К НАГРУЗКАМ КАБЕЛЕЙ НА ТЕМПЕРАТУРУ ОКРУЖАЮЩЕЙ СРЕДЫ И НА КОЛИЧЕСТВО РЯДОМ ПРОЛОЖЕННЫХ В ЗЕМЛЕ КАБЕЛЕЙ

Таблица П3.1

Поправочные коэффициенты на температуру земли

Нормированная температура жилы, °С

Поправочные коэффициенты при фактической температуре среды, °С

-5

0

+5

+10

+15

+20

+25

+30

+35

+40

+45

80

1,14

1,1

1,08

1,04

1,0

0,96

0,92

0,88

0,83

0,78

0,73

70

1,17

1,13

1,09

1,05

1,0

0,95

0,90

0,86

0,80

0,73

0,65

65

1,18

1,14

1,10

1,05

1,0

0,95

0,89

0,84

0,77

0,71

0,63

60

1,20

1,15

1,12

1,06

1,0

0,94

0,88

0,82

0,75

0,67

0,57

55

1,22

1,17

1,12

1,07

1,0

0,93

0,86

0,79

0,71

0,61

0,50

50

1,25

1,20

1,14

1,07

1,0

0,93

0,84

0,76

0,66

0,54

0,37

Таблица П3.2

Поправочные коэффициенты на количество работающих кабелей, лежащих рядом в земле в трубах и без труб

Расстояние в свету, мм

Поправочные коэффициенты при количестве кабелей

100

1,00

0,90

0,85

0,80

0,78

0,75

200

1,00

0,92

0,87

0,84

0,82

0,81

300

1,00

0,93

0,90

0,87

0,86

0,85

Таблица П3.3

Поправочные коэффициенты на температуру воздуха

Нормированная температура жилы, °С

Поправочные коэффициенты при фактической температуре среды, °С

-5

0

+5

+10

+15

+20

+25

+30

+35

+40

+45

80

1,24

1,20

1,17

1,13

1,09

1,04

1,00

0,95

0,90

0,85

0,80

70

1,29

1,24

1,20

1,15

1,11

1,05

1,00

0,94

0,88

0,81

0,74

65

1,32

1,27

1,22

1,17

1,12

1,06

1,00

0,94

0,87

0,79

0,71

60

1,36

1,31

1,25

1,20

1,13

1,07

1,00

0,93

0,85

0,76

0,66

55

1,41

1,35

1,29

1,23

1,15

1,08

1,00

0,91

0,82

0,71

0,58

50

1,48

1,41

1,34

1,26

1,18

1,09

1,00

0,89

0,78

0,63

0,45

Приложение 4

ПАРАМЕТРЫ УДЕЛЬНЫХ ТЕПЛОВЫХ СОПРОТИВЛЕНИЙ ГРУНТОВ

Таблица П4.1

Расчетные значения удельных тепловых сопротивлений грунтов

Характер токовой нагрузки

Коэффициент предварительной нагрузки для кабелей

Количество кабелей в траншее

Удельное тепловое сопротивление, °С·(см/Вт)

для нормальных грунтов

для гидрозащитных и дренирующих грунтов

Длительная и стабильная нагрузка в течение года

0,8 и более

3 и более

150

250

1 или 2

120

200

Менее 0,8

3 и более

120

200

1 или 2

80

120

Нагрузка с максимумом в летний период

0,8 и более

3 и более

120

200

1 или 2

100

150

Менее 0,8

3 и более

100

150

1 или 2

80

120

Нагрузка с максимумом в зимний период

0,8 и более

3 и более

100

150

1 или 2

80

120

Менее 0,8

3 и более

80

120

1 или 2

80

120

Примечания: 1. К нормальным грунтам относятся пески с зернами 0,05 - 2,0 мм и различные смеси глины с песком; к гидрозащитным - грунты из глины и мела с зернами менее 0,05 мм; к дренирующим - грунты, состоящие из гравия с зернами более 2 мм.

2. Размер зерен в пробе грунта, взятой непосредственно с кабельной трассы, определяется просеиванием через сито.

Таблица П4.2

Поправочные коэффициенты к длительно допустимым токовым нагрузкам для кабелей в зависимости от удельного теплового сопротивления грунта

Удельное тепловое сопротивление грунта, °С·(см/Вт)

Поправочный коэффициент

250

0,80

200

0,85

150

0,93

120

1,00

100

1,05

80

1,13

Приложение 5

РЕКОМЕНДАЦИИ ПО ПРИВЕДЕНИЮ СУТОЧНЫХ ГРАФИКОВ НАГРУЗКИ К ДВУХСТУПЕНЧАТОМУ ВИДУ

1. Расчетные параметры реальных суточных графиков нагрузки для кабелей определяются приведением суточных графиков к двухступенчатому виду.

2. Методика приведения суточных графиков нагрузки к двухступенчатому виду (рис. П.5.1) заключается в следующем:

- на реальный суточный график нагрузки наносится значение максимальной нагрузки 7 и устанавливается предварительное значение длительности максимума (не менее 0,5 ч);

Рис. П5.1. Приведение суточного графика нагрузки к двухступенчатому виду:

1 - реальный суточный график; 2 - двухступенчатый суточный график

- определяется коэффициент нагрузки реального суточного графика из выражения

                                                                      (1)

где W' - количество электроэнергии, переданное по кабельной линии за данные сутки, кВт·ч;

W - количество электроэнергии, которое могло бы быть передано за данные сутки, если бы нагрузка на кабельную линию за время была максимальной, кВт·ч;

- определяется коэффициент нагрузки двухступенчатого суточного графика из выражения

К2Н = К0 + (I - К0)Кt                                                           (2)

где К0 - коэффициент предварительной нагрузки (отношение тока первой ступени I0 к току второй ступени IM двухступенчатого графика);

Кt - отношение длительности максимума (tM) к продолжительности суток (24 ч);

- пользуясь выражением (2) и принимая сначала К2Н = КН, определяем предварительное значение коэффициента нагрузки К'0

а затем, принимая К2Н = 1,1КН, определяем расчетное значение длительности максимума двухступенчатого графика нагрузки

- значение тока первой ступени двухступенчатого графика нагрузки определяется из выражения

- уточняется расчетное значение коэффициента предварительной нагрузки

Зная значения расчетной длительности максимума tМ и уточненное значение коэффициента предварительной нагрузки К0, по таблицам, приведенным в гл. 39 ПТЭ, определяется допустимая перегрузка.

Для оперативного определения приближенного значения коэффициента перегрузки допускается коэффициент предварительной нагрузки К0 принимать равным коэффициенту нагрузки КН, а длительность максимума нагрузки tМ - по его длительности на реальном графике нагрузки.

Приложение 6

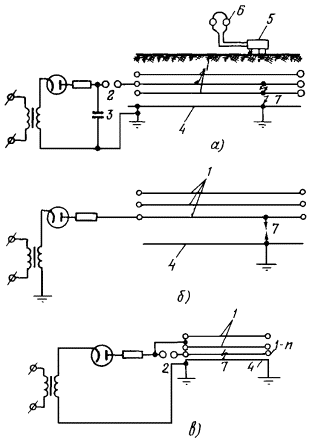
СХЕМЫ ПРАВИЛЬНОЙ РАСКЛАДКИ ОДНОЖИЛЬНЫХ КАБЕЛЕЙ

1. Схемы раскладки одножильных кабелей при наличии обратных связей (на одну фазу)

Один (прямой) кабель на фазу

Два (прямых) кабеля на фазу

Два (прямых) кабеля на фазу

Три (прямых) кабеля на фазу (вполне равномерное распределение токов)

Три (прямых) кабеля на фазу (не вполне равномерное распределение токов)

2. Схемы раскладки одножильных кабелей без наличия обратных связей

Один кабель на фазу

Два кабеля на фазу

Два кабеля на фазу

Три кабеля на фазу

Приложение 7

КОРРЕКТИРОВКА ДЛИТЕЛЬНО ДОПУСТИМЫХ ТОКОВЫХ НАГРУЗОК В УСЛОВИЯХ ЭКСПЛУАТАЦИИ

1. Температура нагрева жил кабеля определяется по результатам измерений по формуле

Vж = Vбр + DV

где Vбр - температура на бронеленте (оболочке или шланге) кабеля, измеренная при опыте, °С;

DV - разность температуры между бронелентой (оболочкой или шлангом) кабеля и жилами кабеля.

Разность температуры может быть определена по формуле

где n - число жил кабеля;

Iоп - длительная максимальная нагрузка кабеля, измеренная при опыте, А;

ρ20 - удельное электрическое сопротивление жилы кабеля при температуре +20 °С, Ом·(мм2/см) (для меди 17,93 · 10-5, для алюминия 29,4 · 10-5);

S - сечение жилы кабеля, мм2;

Тк - сумма тепловых сопротивлений изоляции и защитных покровов кабеля, °С·(см/Вт);

Кр - поправочный коэффициент для приведения электрического сопротивления к расчетной температуре (при прокладке в воздухе 1,02, в земле 0,98);

α - температурный коэффициент сопротивления токопроводящей жилы, °С-1 (для меди 0,0039, для алюминия 0,0040);

Vдоп - длительно допустимая температура нагрева жил, °С (см. табл. 1.1);

Vокр - температура окружающей среды, измеренная при опыте, °С.

2. Разность температуры DV для кабелей с бумажной изоляцией с алюминиевыми жилами с различной степенью старения может быть определена также по номограммам:

- для кабелей на напряжение 6 - 35 кВ (находящихся в эксплуатации до 10 лет) по номограммам, приведенным на рис. П7.1 - П7.3);

- для кабелей на напряжение 6 - 10 кВ (находящихся в эксплуатации от 10 до 25 лет) по номограммам, приведенным на рис. П7.4 и П7.5.

3. Для кабелей с бумажной изоляцией и медными жилами разности температуры должны быть соответственно уменьшены в 1,7 раза.

4. Для кабелей с бумажной изоляцией на напряжение 3 - 10 кВ, находящихся в эксплуатации более 25 лет, а также для кабелей, длительное время (более 5 лет) работавших в тяжелых условиях, явившихся причиной заметного осушения изоляции, значения тепловых сопротивлений приведены в табл. П7.1.

5. По определенным опытным путем температурам нагрева жил кабелей Vж и соответствующих им токов нагрузки Iоп и температур окружающей среды Vокр допустимая нагрузка может быть скорректирована для действительных эксплуатационных условий по выражению

где DVоп = Vж - Vокр.оп - превышение температуры жилы над температурой окружающей среды, измеренной во время опыта, °С;

DVдоп = Vдоп - Vокр.расч - длительно допустимое превышение температуры жилы над расчетной температурой окружающей среды, °С.

Рис. П7.1. Разность температур между бронелентами (оболочкой или шлангом) и алюминиевыми жилами новых кабелей 6 кВ

Рис. П7.2. Разность температур между бронелентами (оболочкой или шлангом) и алюминиевыми жилами новых кабелей 10 кВ

Рис. П7.3. Разность температур между бронелентами и алюминиевыми жилами кабелей 35 кВ

Рис. П7.4. Разность температур между бронелентами (оболочкой или шлангом) и алюминиевыми жилами кабелей 6 кВ, находящихся в эксплуатации от 10 до 25 лет

Рис. П7.5. Разность температур между бронелентами (оболочкой или шлангом) и алюминиевыми жилами кабелей 10 кВ, находящихся в эксплуатации от 10 до 25 лет

Таблица П7.1

Тепловые сопротивления изоляции Тиз и слоя наружных покровов Тн.п для трехжильных кабелей 3, 6, 10 кВ с заметно осушенной изоляцией, °С·(см/Вт)

Напряжение кабеля, кВ

Слой

Тепловые сопротивления изоляции кабелей с сечением жилы, мм2

16

25

35

50

70

95

120

150

185

240

3

Изоляция

68

51

45

38

34

29

26

24

21

19

Наружные покровы

35

33

31

28

25

22

21

20

19

18

6

Изоляция

83

73

64

58

50

42

37

32

30

30

Наружные покровы

31

30

25

24

22

20

18

18

18

17

10

Изоляция

101

89

82

72

66

57

51

47

43

37

Наружные покровы

25

24

20

19

18

18

17

17

15

15

Примечание. Удельные тепловые сопротивления приняты для изоляции 1000 °С·(см/Вт), для наружных покровов - 550 °С·(см/Вт).

После корректировки нагрузки следует произвести дополнительное измерение температуры нагрева кабелей в целях проверки правильности произведенных изменений нагрузочных токов.

Измерение температуры кабелей рекомендуется производить в наиболее неблагоприятных для работы условиях (максимальная нагрузка, высокая температура или низкая теплопроводность окружающей среды и т.п.).

При этом следует иметь в виду, что наибольшие нагревы кабеля по трассе вероятнее всего могут быть на участках линий, проложенных в воздухе, в трубе (в земле) и в блоках.

6. Если нагрузка кабельной линии в течение суток равномерна, то температуру кабеля достаточно измерить 2 раза с интервалом 1 - 2 ч. При неравномерной нагрузке температуру кабеля следует измерять в течение суток через каждый час, измеряя одновременно значение токовой нагрузки. Если нагрузка в часы максимума резко изменяется, то измерения температуры следует производить в это время через 0,5 ч. По полученным данным строятся суточные графики температуры кабеля и его нагрузки. В этом случае при подсчете температуры жилы кабеля за Vбр следует принимать максимальные температуры бронеленты (оболочки, шланга) по графику, а за Iоп - максимальное значение нагрузки (длительностью не менее 0,5 ч), хотя эти значения и будут сдвинуты по времени.

7. Измерение температуры бронеленты (оболочек, шлангов) кабелей, проложенных открыто в кабельных сооружениях, рекомендуется производить с помощью термосопротивлений или термопар и лишь в крайнем случае с помощью термометров. В последнем случае конец термометра со ртутью должен быть хорошо укреплен и прижат к броне (оболочке, шлангу) кабеля с помощью станиоля (или аналогичного материала с хорошей теплопроводностью) и бандажа из хлопчатобумажной ленты.

При больших групповых прокладках кабелей на ответственных объектах (туннели электростанций, подстанций, питающие линии на центрах питания) рекомендуется применять автоматическую запись температуры с помощью электронных потенциометров или мостов.

Измерение температуры нагрева кабелей в отдельных случаях может быть выполнено также термощупом Т-4.

8. Измерение температуры кабеля, проложенного в земле или в других труднодоступных местах, следует производить при помощи термосопротивлений или термопар.

9. На каждом кабеле в месте измерения следует установить не менее двух термосопротивлений (термопар) для обеспечения резерва в случае выхода из строя одного из них.

10. Для установки термосопротивлений (или термопар) на кабелях, проложенных в земле, необходимо:

- вырыть на трассе кабельной линии котлован и в торце его вдоль оси кабеля сделать углубление (нишу) на 250 - 300 мм;

- снять в этом месте с кабелей джутовый покров (при его наличии) или развести его;

- установить термодатчики между предварительно очищенными от битума бронелентами или на очищенную от грунта поверхность пластмассового шланга (оболочки). В последнем случае на установленные термодатчики накладывается металлическая фольга;

- закрепить термодатчики на кабеле наложением бандажа из нескольких слоев изоляционной ленты;

- восстановить снятый с кабеля джутовый покров;

- ввести измерительные концы в стальной или в иной трубке в удобное и безопасное от механических повреждений место, причем на длине 100 - 120 мм они должны располагаться на поверхности кабеля. По всей длине проводники от термодатчиков должны иметь металлические экраны, исключающие влияние окружающей среды на результаты измерений;

- установить на концах выводимых проводов маркировочные бирки;

- засыпать мелким грунтом и осторожно утрамбовать котлован так, чтобы не повредить термодатчики.

11. Измерение температуры кабеля следует производить не раньше чем через сутки после засыпки котлована, чтобы грунт в месте измерения имел установившуюся температуру.

12. Для измерения температуры окружающей среды устанавливаются отдельные термодатчики.

Температура окружающей среды должна фиксироваться:

- при прокладке кабелей в земле - на расстоянии 3 - 5 м от крайнего кабеля на глубине прокладки кабелей в зоне, где отсутствуют источники тепла. Для этого следует просверлить отверстие диаметром 100 - 150 мм на глубину прокладки кабеля, установить термодатчики, засыпать грунтом и утрамбовать. Измерение температуры грунта следует производить также не ранее чем через сутки после установки термодатчиков;

- при прокладке кабелей в кабельных сооружениях - на входе или выходе из сооружения в месте выброса теплого воздуха.

Приложение 8

СЕЗОННЫЕ РАСЧЕТНЫЕ ТЕМПЕРАТУРЫ ГРУНТА НА ГЛУБИНЕ ПРОКЛАДКИ КАБЕЛЕЙ ПО ЭНЕРГОУПРАВЛЕНИЯМ

Главное управление, Министерство

Энергоуправление

Расчетные температуры грунта, °с

в летний сезон

в осенне-зимний сезон

Главцентрэнерго

Горэнерго

15

5

Ивэнерго

15

5

Калининэнерго

15

5

Костромаэнерго

15

5

Куйбышевэнерго

20

5

Мордовэнерго

15

5

Мосэнерго

15

5

Орелэнерго

15

5

Пензаэнерго

15

5

Саратовэнерго

20

5

Тамбовэнерго

15

5

Татэнерго

15

5

Тулэнерго

15

5

Ульяновскэнерго

20

5

Чувашэнерго

15

5

Главсевзапэнерго

Архэнерго

15

5

Брянскэнерго

20

5

Калининградэнерго

20

10

Карелэнерго

15

5

Колэнерго

10

5

Комиэнерго

15

5

Ленэнерго

15

5

Смоленскэнерго

15

5

Ярэнерго

15

5

Главюжэнерго

Белгородэнерго

20

5

Волгоградэнерго

25

10

Воронежэнерго

20

5

Грозэнерго

25

15

Дагэнерго

25

20

Курскэнерго

20

5

Краснодарэнерго

25

10

Липецкэнерго

15

5

Ростовэнерго

20

10

Севкавказэнерго

25

10

Ставропольэнерго

25

10

Министерство энергетики и электрификации Украинской ССР

Винницаэнерго

20

10

Днепроэнерго

25

10

Донбассэнерго

25

10

Киевэнерго

20

10

Крымэнерго

25

10

Львовэнерго

20

10

Одессаэнерго

25

10

Харьковэнерго

20

10

Главвостокэнерго

Барнаулэнерго

15

5

Бурятэнерго

10

0

Иркутскэнерго

15

5

Красноярскэнерго

15

5

Кузбассэнерго

15

5

Новосибирскэнерго

15

5

Омскэнерго

15

5

Томскэнерго

15

5

Главсеверовостокэнерго

Амурэнерго

15

0

Дальэнерго

20

5

Камчатскэнерго

10

5

Магаданэнерго

5

0

Сахалинэнерго

15

5

Хабаровскэнерго

20

5

Читаэнерго

10

0

Якутскэнерго

10

0

Главуралэнерго

Башкирэнерго

15

5

Кировэнерго

15

5

Оренбургэнерго

15

5

Пермэнерго

15

5

Свердловэнерго

15

5

Удмуртэнерго

15

5

Челябэнерго

15

5

Министерство энергетики и электрификации Казахской ССР

Алма-Атаэнерго

20

10

Алтайэнерго

20

10

Гурьевэнерго

25

10

Запказэнерго

20

5

Карагандаэнерго

20

5

Кустанайэнерго

20

5

Павлодарэнерго

20

5

Целинэнерго

15

5

Южказэнерго

25

15

Белглавэнерго

Брестэнерго

15

10

Витебскэнерго

15

5

Гомельэнерго

20

5

Гродноэнерго

15

5

Минскэнерго

15

5

Могилевэнерго

15

5

Азглавэнерго

 

25

15

Армглавэнерго

 

25

10

Грузглавэнерго

 

25

15

Киргизглавэнерго

 

25

10

Литовглавэнерго

 

15

5

Латвглавэнерго

 

15

5

Молдглавэнерго

 

20

10

Таджикглавэнерго

 

30

15

Туркменглавэнерго

 

30

15

Министерство энергетики и электрификации Узбекской ССР

 

30

15

Эстонглавэнерго

 

15

5

Примечание. В энергосистемах, где температура грунта отличается более чем на 2 - 3 °С от приведенных в таблице расчетных температур, следует пользоваться «Справочником по климату СССР. Температура почвы и воздуха». (М.: Гидрометиздат, 1965).

Приложение 9

ИЗВЕЩЕНИЕ О ПРАВИЛАХ ПРОИЗВОДСТВА РАСКОПОК И МЕРАХ ПО ОХРАНЕ КАБЕЛЬНЫХ ЛИНИЙ

Министерство энергетики

и электрификации СССР

______________________ энерго

______________________ сеть

______________________ район

Выдано:

___________________________________

(фамилия, имя, отчество)

___________________________________

(должность, наименование организации)

___________________________________

(адрес, телефон)

ИЗВЕЩЕНИЕ

____________________________ сеть доводит до Вашего сведения, что на территории Вашего хозяйства расположены электрические кабели и сооружения ___________________________________________________________________________

(наименование сети)

Согласно «Правилам охраны высоковольтных электрических сетей», утвержденным Постановлением Совета Министров СССР от 30 ноября 1953 г. 2866, «Правилам охраны электрических сетей напряжением до 1000 В», утвержденным Постановлением Совета Министров СССР от 11 сентября 1972 г. 667 и Решению ______________________ Исполкома от _____________________ _______ «О мерах охраны электрических кабельных сетей предприятий ___________________ энерго» на Вас возлагается ответственность за сохранность этих кабелей и электрического оборудования, находящегося внутри сооружений ___________________ энерго.

Вам надлежит принять все следующие меры, обеспечивающие выполнение указанных Правил и Решений, которые введены в целях обеспечения сохранности электрических сетей и предотвращения несчастных случаев:

1. Предприятия и организации, производящие какие-либо работы, которые могут вызвать повреждение электрических кабелей, обязаны не позднее чем за 3 дн до начала работ согласовать их проведение с организацией, эксплуатирующей кабельные сети, и принять меры к обеспечению их сохранности.

2. Для охраны кабельных сетей установлены охранные зоны:

- над подземными кабельными электрическими линиями - площадь над кабелем и по 1 м в обе стороны от крайнего кабеля;

- для подводных кабельных электрических линий - в виде пространства от водной поверхности до дна, заключенного между вертикальными плоскостями, отстоящими от крайних кабелей на 100 м с каждой стороны.

3. В пределах охранных зон без письменного разрешения организации, эксплуатирующей кабельные сети, запрещается:

- производить какие-либо земляные работы и шурфовать грунт;

- производить какое-то ни было строительство, устанавливать столбы, заборы, ларьки;

- устраивать склады, свалки и загромождать подъезды к сооружениям ______________________ энерго;

- производить посадку зеленых насаждений, огородов и т.п.;

- устраивать стоянку автомашин около сооружений _____________________ энерго;

- сбрасывать большие тяжести, выливать растворы кислот, щелочей, солей;

- открывать помещения электросетевых сооружений, производить подключения и переключения в электрических сетях;

- сбрасывать снег с крыш домов на крыши сооружений _____________________ энерго.

4. При наличии сооружений ___________________ энерго в подвалах дома следить за тем, чтобы эти подвалы не была заполнены водой.

5. При расположении территории хозяйства на набережных рек и каналов и при наличии в этих местах подводных кабельных переходов в случае устройства в местах переходов каких-либо пристаней, причалов, стоянок барж, пароходов и пр. немедленно ставить об этом в известность __________________ сеть.

6. При появлении осадки или размыва грунта, оползней, прорыва водопроводных труб немедленно ставить в известность ____________________ сеть.

7. Организации, эксплуатирующие электрические сети, имеют право приостановить работы в охранной зоне, выполняемые другими организациями с нарушением Правил охраны.

8. Предприятия и организации, производящие земляные работы, при обнаружении кабеля, не указанного в технической документации на производство этих работ, обязаны немедленно прекратить работы, принять меры к обеспечению сохранности кабеля и сообщить об этом организации, эксплуатирующей электрические сети.

9. Производители работ обязаны выполнять технические условия на производство работ, а также другие указания представителя технического надзора организации, эксплуатирующей кабельные линии.

10. По территории, занятой под предприятия, заводы, фабрики, учреждения, войсковые части, огражденные забором и имеющие постоянный персонал для охраны, приказом выделяется лицо, ответственное за сохранение электрических сетей и сооружений.

11. Ответственным лицам за сохранность кабелей и сооружений на закрытых территориях промышленных предприятий разрешается выдача разряжений на право производства земляных работ в пределах территории предприятия, за исключением земляных работ в охранной зоне.

Ответственное лицо назначается приказом по предприятию, в приказе оговариваются права и обязанности этого лица.

12. Руководителям строительных и монтажных организаций, заводов, домоуправлений и других предприятий обеспечить ознакомление всех подчиненных работников с названными выше Правилами.

13. Организации, допустившие повреждение электрических сетей, производят их восстановление немедленно, своими силами и средствами под техническим руководством представителя эксплуатирующей организации.

Предупреждение вручил ___________________________________________________

(должность, подпись)

«       » ____________ 19      г.

Вызов представителей _______________________ электрической сети, а также все сообщения и переговоры производить по телефонам _____________________________

___________________________________________________________________________

линия отреза

Извещение вручено_______________________________________________________

(фамилия, и.о., должность, наименование

___________________________________________________________________________

организации, адрес, телефон)

Об ответственности за непринятие мер по охране электрических кабелей и сооружений ________________энерго поставлен в известность.

Предупреждение получил ________________

(подпись)

«        » _____________ 19      г.

Приложение 10

ИЗМЕРЕНИЕ БЛУЖДАЮЩИХ ТОКОВ

1. На кабельных линиях измеряют:

- потенциалы оболочек кабелей по отношению к медносульфатному электроду сравнения;

- разности потенциалов между оболочкой кабеля и другими подземными сооружениями и рельсами электрифицированного транспорта;

- значения силы и плотности токов и их направления в тех же местах и цепях, где производились измерения потенциалов.

Для измерений потенциалов блуждающих токов должен применяться вольтметр с внутренним сопротивлением не менее 20000 Ом на 1 В с пределами измерений 75 - 0 - 75 мВ; 0,5 - 0 - 0,5 В; 1,0 - 0 - 1,0 В; 5,0 - 0 - 5,0 В.

Если измеренные разности потенциалов не превышают 1 В, следует применять неполяризующийся медносульфатный электрод сравнения; при больших разностях потенциалов могут быть использованы металлические электроды (штыри).

2. Резко переменный характер блуждающих токов обусловливает следующие требования к методике их измерений.

В каждом контрольном пункте измерения следует производить в течение 10 - 15 мин через каждые 5 - 10 с.

В зонах отсутствия блуждающих токов время измерения в каждой точке может быть ограничено 3 - 5 мин. Отсчеты должны производиться через каждые 15 - 20 с.

По данным измерений определяются средние значения потенциалов и токов. В знакопеременных зонах средние потенциалы подсчитываются отдельно для каждой полярности.

3. Измерения блуждающих токов следует производить в часы наиболее интенсивного движения транспорта (трамваев, поездов электрифицированной железной дороги).

4. Измерения блуждающих токов на кабельных линиях, проложенных в трубах (блоках), производятся в каждом смотровом колодце (местах расположений соединительных муфт).

5. На линиях, проложенных непосредственно в земле, измерения производятся или в открытых шурфах (разовые измерения) или в специально оборудуемых контрольных пунктах (где устанавливается длительное наблюдение за блуждающими токами).

Конструкции контрольно-измерительных пунктов с учетом местных условий могут быть различными (подземные, настенные и др.).

В качестве контрольно-измерительных пунктов могут быть использованы трансформаторные подстанции.

6. При наличии сложных узлов подземных сооружений и перетоков блуждающих токов с одних сооружений на другие измерения блуждающих токов должны производиться одновременно всеми заинтересованными организациями. Полученные таким образом данные измерений после их совместного рассмотрения и анализа позволят наметить наиболее обоснованные и правильные меры борьбы с коррозией.

Приложение 11

КОНТРОЛЬ КОРРОЗИОННЫХ СВОЙСТВ ГРУНТОВ, ГРУНТОВЫХ И ДРУГИХ ВОД

1. Обследование коррозионных свойств грунтов производится отбором проб:

- в местах, где имеются подозрения на агрессивные свойства грунтов (торфяные, черноземные, солончаковые, засоренные шлаком, строительным мусором и т.д.);

- в местах, где уже наблюдалось разрушение оболочек кабелей коррозией (особенно там, где нет блуждающих токов или где их уровень низок);

- по трассам вновь прокладываемых кабельных линий.

Отбор пробы грунтов рекомендуется производить также в местах всякого рода ремонтных работ.

2. Пробы грунта на химический анализ отбираются с глубины прокладки кабеля через каждые 1000 м при однородном и через каждые 500 м при неоднородном характере грунта.

В торфяных, черноземных, солончаковых и насыпных грунтах отбирают по три пробы на расстоянии 300 - 500 м.

Масса одной пробы должна составлять не менее 500 г, причем 70 % этой пробы берется с глубины заложения кабеля и по 15 % со стенок шурфа или траншеи в двух характерных по цвету, составу и влажности местах. Все эти части перемешиваются и помещаются в закрытую пронумерованную тару, не допускающую загрязнения пробы.

3. При наличии на трассе участков с грунтовыми и другими водами также следует устанавливать их коррозионные свойства отбором и анализом проб.

Проба воды отбирается в чистые сухие бутылки емкостью 1 л, предварительно 2 - 3 раза промытые отбираемой водой. Бутылки закрывают жесткими корковыми или резиновыми пробками. На бутылку прикрепляется этикетка с указанием номера объекта, номера пробы и места отбора.

4. Коррозионная активность грунтов, грунтовых и других вод по отношению к свинцовой оболочке кабелей определяется по концентрации в них водородных ионов (рН), содержанию органических и азотных веществ (нитрат-ионов) и общей жесткости воды (табл. П11.1 и П11.2).

Коррозионная активность грунтов, грунтовых и других вод по отношению к алюминиевой оболочке кабелей определяется по концентрации водородных ионов (рН), содержанию ионов хлора и железа (табл. П11.3 и П11.4).

Степень коррозионной активности грунтов, грунтовых и других вод на основании результатов химического анализа устанавливается в соответствии с нормами, приведенными в табл. П11.1 - П11.4.

5. Оценку коррозионной активности грунтов допускается производить также по потере массы стальных образцов и определением удельного электрического сопротивления грунтов.

При определении коррозионной активности грунтов различными методами принимается показатель, указывающий на более высокую степень коррозионности.

Таблица П11.1

Коррозионная активность грунтов по отношению к свинцовой оболочке кабеля

рн

Содержание компонентов, % от массы воздушно-сухой пробы

Коррозионная активность

органические вещества (гумус)

нитрат-ион

6,5 - 7,5

До 0,0100

До 0,0001

Низкая

5,0 - 6,4

0,010 - 0,020

0,0001 - 0,0010

Средняя

7,6 - 9,0

до 5,0

Свыше 0,0200

Свыше 0,0010

Высокая

Свыше 9,0

Таблица П11.2

Коррозионная активность грунтовых и других вод по отношению к свинцовой оболочке кабеля

рН

Общая жесткость, мг-экв/л

Содержание компонентов, мг/л

Коррозионная активность

органические вещества (гумус)

нитрат-ион

6,5 - 7,5

Свыше 5,3

До 20

До 10

Низкая

5,0 - 6,4

5,3 - 3,0

20 - 40

10 - 20

Средняя

7,6 - 9,0

до 5,0

До 3,0

Свыше 40

Свыше 20

Высокая

свыше 9,0

Таблица П11.3

Коррозионная активность грунтов по отношению к алюминиевой оболочке кабеля

рН

Содержание компонентов, % от массы воздушно-сухой пробы

Коррозионная активность

хлор-ион

ион железа

6,0 - 7,5

До 0,001

До 0,002

Низкая

4,5 - 5,9

0,001 - 0,005

0,002 - 0,010

Средняя

7,6 - 8,5

до 4,5

Свыше 0,005

Свыше 0,010

Высокая

свыше 8,5

Таблица П11.4

Коррозионная активность грунтовых и других вод по отношению к алюминиевой оболочке кабеля

рн

Содержание компонентов, мг/л

Коррозионная активность

хлор-ион

ион железа

6,0 - 7,5

До 5,0

До 1,0

Низкая

4,5 - 5,9

5,0 - 50

1,0 - 10

Средняя

7,6 - 8,5

до 4,5

Свыше 50

Свыше 10

Высокая

свыше 8,5

6. Определение коррозионной активности грунтов по потере массы стальных образцов выполняется следующим образом:

6.1. Образец представляет собой стальную трубку длиной 100 мм и внутренним диаметром 19 мм.

6.2. Перед испытанием поверхность образца очищают от ржавчины и окалины корундовой шкуркой, обезжиривают ацетоном, высушивают фильтровальной бумагой, выдерживают сутки в эксикаторе с хлористым кальцием и взвешивают с погрешностью не более 0,1 г.

6.3. Образец помещают в жестяную банку высотой 110 мм и внутренним диаметром 80 мм. Для изоляции образца от дна банки в один из его торцов вставляют резиновую пробку так, чтобы она выступала на 10 - 12 мм.

6.4. Банка заполняется грунтом на 5 мм ниже верхнего конца трубки. Грунт трамбуется для обеспечения плотного прилегания к образцу и банке.

6.5. Грунт увлажняют до появления на его поверхности непоглощенной влаги. Не допускается проводить увлажнение грунта после начала испытаний.

6.6. К банке с помощью зажимного приспособления подключается отрицательный полюс, а к образцу - положительный полюс источника постоянного тока напряжением 6 В. Образец должен находиться под током в течение 24 ч.

6.7. После окончания тока образец тщательно очищается от продуктов коррозии катодным травлением в 8 %-ном гидрате окиси натрия при плотности тока 3 - 5 А/дм2, промывается дистиллированной водой, высушивается и взвешивается с погрешностью не более 0,1 г.

Коррозионную активность грунта оценивают согласно следующим данным:

Потеря массы стальной трубки, г

Менее 1

От 1 до 2

От 2 до 3

От 3 до 4

Свыше 4

Степень коррозионной активности грунтов

Низкая

Средняя

Повышенная

Высокая

Весьма высокая

7. Коррозионную активность грунтов в зависимости от их удельного электрического сопротивления оценивают согласно следующим данным:

Минимальное годовое удельное электрическое сопротивление грунтов, Ом

Свыше 100

Свыше 20 до 100

Свыше 10 до 20

Свыше 5 до 10

До 5

Степень коррозионной активности грунтов

Низкая

Средняя

Повышенная

Высокая

Весьма высокая

Приложение 12

СПОСОБЫ ЗАЩИТЫ КАБЕЛЬНЫХ ЛИНИЙ ОТ КОРРОЗИИ

1. Одним из основных способов защиты кабелей от коррозии является электродренаж - металлическая перемычка, с помощью которой блуждающие токи с оболочек кабелей отводятся в рельсы, отсасывающие пункты или непосредственно на отрицательные шины трамвайных подстанций.

Электродренаж сообщает отрицательный потенциал оболочкам кабелей, вследствие чего прекращается стекание с них в землю блуждающих токов и тем самым прекращается процесс электролитической коррозии оболочек.

Различают три вида электродренажей.

Прямой электродренаж (дренажное устройство, обладающее двусторонней проводимостью) применяется в тех случаях, когда исключена возможность стекания токов с рельсов (либо отрицательных шин подстанций) на оболочки кабельных линий.

Поляризованный электродренаж (дренаж, обладающий односторонней проводимостью) применяется в тех случаях, когда потенциал защищаемого кабеля положительный или знакопеременный по отношению к рельсам или шине тяговой подстанции и по отношению к «земле», а также когда разность потенциалов «кабель-рельсы» больше разности потенциалов «кабель-земля».

Усиленный электродренаж применяется в тех случаях, когда потенциалы рельсов превосходят потенциал на оболочке защищаемых кабелей и когда одновременно на кабельной линии имеется опасная (анодная) зона.

Когда по условиям защиты требуется поддержание определенного значения защитного потенциала, применяется автоматизация электродренажа.

Электродренаж на кабельных линиях должен осуществляться при минимальном значении дренажного тока, обеспечивающего защиту оболочек кабелей от коррозии, и устанавливаться на линиях, как правило, в тех местах, где стекающие с оболочки токи максимальны. Электродренаж должен периодически контролироваться и регулироваться в зависимости от изменившихся условий работы трамвайной сети, а также после установки электрических защит на других подземных сооружениях (кабелях связи, газопроводах и т.д.).

2. Катодные установки применяются для защиты кабельных линий от электрокоррозии в тех случаях, когда устройство электрического дренажа невозможно или нецелесообразно по технико-экономическим соображениям (например, из-за отдаленности кабельных линий от мест возможного присоединения электродренажа), а также для защиты кабелей с голыми металлическими оболочками или кабелей, защитные покровы которых (кабельная пряжа, бронеленты) разрушены.

Принцип действия катодной установки заключается в создании отрицательного потенциала на защищаемом кабеле за счет токов катодной установки.

Защита способом катодной поляризации может не применяться, если антикоррозионные покровы на кабелях не допускают прохождения через них блуждающих токов.

Катодная поляризация силовых кабелей (со свинцовыми и алюминиевыми оболочками) должна осуществляться таким образом, чтобы создаваемые на них потенциалы по отношению к электродам сравнения (по абсолютной величине) были не менее значений, указанных в табл. П12.1, и не более значений, указанных в табл. П12.2.

Катодная поляризация силовых кабелей должна осуществляться так, чтобы исключалось ее вредное влияние на соседние подземные металлические сооружения.

Таблица П12.1

Значения минимальных поляризационных (защитных) потенциалов

Металл сооружения

Значения минимальных поляризационных (защитных) потенциалов, В, по отношению к неполяризующимся электродам

Среда

водородному

медносульфатному

Сталь

-0,55

-0,85

Любая

Свинец

-0,20

-0,50

Кислая

Свинец

-0,42

-0,72

Щелочная

Алюминий

-0,55

-0,85

Любая

Таблица П12.2

Значения максимальных поляризационных (защитных) потенциалов

Металл сооружения

Защитные покрытия

Значения максимальных поляризационных (защитных) потенциалов, В, по отношению к неполяризующимся электродам

Среда

водородному

медносульфатному

Сталь

Имеются

-0,80

-1,10

Любая

Сталь

Отсутствуют

Не ограничивается

Любая

Свинец

Имеются или

-0,80

-1,10

Кислая

отсутствуют

-1,00

-1,30

Щелочная

Алюминий

Имеются, но частично повреждены

-1,08

-1,38

Любая

3. Протекторная защита применяется для защиты кабелей от электрокоррозии в небольших анодных или знакопеременных зонах, когда удельное электрическое сопротивление грунта менее 20 Ом·м, анодные зоны имеют небольшую протяженность, положительный потенциал на оболочках кабелей не превышает 0,2 - 0,3 В, а также когда одновременно необходима защита оболочек кабелей от воздействия почвенной коррозии.

4. Токоотводы (перемычки) следует применять для защиты от электрокоррозии в анодных (прямые токоотводы) и знакопеременных (поляризованные токоотводы) зонах лишь в качестве вспомогательной меры защиты от коррозии.

5. Электрические методы защиты кабелей от воздействия блуждающих токов являются одновременно действенной защитой от почвенной коррозии, так как сообщаемый оболочкам кабелей отрицательный потенциал позволяет подавлять вредное действие микро- и макроэлементов, возникающих на поверхности металла при почвенной коррозии.

6. Кроме электрических мер защиты должны осуществляться следующие мероприятия по предотвращению разрушения оболочек кабелей коррозией:

- запрещение загрязнения трасс кабельных линий всякими видами отбросов и отходов, действующих разрушающе на металлические оболочки кабелей;

- замена грунта под и над кабельными линиями землей, химически нейтральной по отношению к оболочкам;

- удаление (перенос) кабельных линий из зон с агрессивными грунтами;

- прокладка кабелей в изолирующей канализации (каналах, блоках, тоннелях, коробах, залитых битумом и т.п.);

- применение кабелей со специальными антикоррозионными покровами или кабелей в пластмассовых оболочках.

Приложение 13

ЗАЩИТНЫЕ СРЕДСТВА ОТ ЭЛЕКТРОКОРРОЗИИ, ИЗГОТОВЛЯЕМЫЕ ПРОМЫШЛЕННОСТЬЮ

Наименование

Тип

Номинальная мощность, кВт

Номинальное выпрямленное напряжение, В

Номинальный выпрямленный ток, А

Автоматическая станция катодной защиты

ПАСК-1,2-48/24 VI

1,2

48/24

25/50

ПАСК-3,0-96/48 VI

3,0

96/48

31/62

ПАСК-5,0-96/48 VI

5,0

96/48

52/104

Катодная станция

ПСК-1,2-48/24 VI

1,2

48/24

25/50

ПСК-2,0-96/48 VI

2,0

96/48

21/42

ПСК-3,0-96/48 VI

3,0

96/48

31/62

ПСК-5,0-96/48 VI

5,0

96/48

52/104

КСК-500-1

0,5

50

10

КСК-1200-1

1,2

60

20

Поляризованный электродренаж

ПГД-200

-

-

200

ПД-

-

-

500

Приложение 14

ОСОБЕННОСТИ ЗАЩИТЫ ОТ КОРРОЗИИ КАБЕЛЕЙ В АЛЮМИНИЕВЫХ ОБОЛОЧКАХ

1. Опасность коррозии кабелей в алюминиевых оболочках, находящихся в эксплуатации, определяется на основании результатов определения:

- значения сопротивления изоляции защитного покрова алюминиевой оболочки, измеренного по отношению к земле (для небронированных кабелей) или к бронеленте (для бронированных кабелей);

- наличия блуждающих токов в оболочке кабеля.

Если измеренное значение сопротивления изоляции защитных покровов алюминиевой оболочки кабеля (независимо от типа защитного покрова) составляет менее 15 кОм·км, то такие участки требуют проведения мероприятий по защите от коррозии (отыскание мест повреждения защитных покровов и их ремонт, применение электрохимической защиты).

2. Если после отыскания и устранения всех обнаруженных дефектов значение сопротивления изоляции защитных покровов составляет более 15 кОм·км, то электрохимическая защита не требуется, в противном случае должна быть создана электрохимическая защита, независимо от степени коррозионной активности грунта.

3. Защита алюминиевых оболочек силовых кабелей от коррозионного воздействия окружающей среды и блуждающих токов в земле должна преимущественно обеспечиваться за счет применения кабелей с усиленными защитными покровами (шлангового типа) и лишь в качестве дополнительных мероприятий должны предусматриваться электрические методы.

Электрические дренажи и катодные станции для защиты от электрокоррозии алюминиевых оболочек должны обеспечивать автоматическое поддержание защитных потенциалов в заданных пределах.

4. Для предотвращения контактной коррозии при сооружении и ремонтах кабельных линий должна быть выполнена надежная изоляция мест спаев алюминиевой оболочки со свинцовыми соединительными муфтами и медными перемычками и оголенных участков оболочки у «шеек» муфт.

5. Контроль сопротивления изоляции защитных покровов должен производиться периодически с учетом условий прокладки кабеля в сроки, устанавливаемые местными инструкциями. Для осуществления контроля сопротивления изоляции защитных покровов заземление оболочек и бронелент должно выполняться в соответствии с требованиями ПУЭ.

Приложение 15

ПЕРЕДВИЖНЫЕ И СТАЦИОНАРНЫЕ КАБЕЛЬНЫЕ ЛАБОРАТОРИИ

1. Организации, эксплуатирующие кабельные сети, должны иметь стационарные и специальные передвижные кабельные лаборатории, оборудованные и оснащенные аппаратами, приборами, установками и другими принадлежностями для выполнения следующих работ:

- проверка соответствия требованиям ГОСТ и техническим условиям образцов кабелей и материалов для монтажа кабельных муфт;

- испытание действующих и вновь сооруженных кабельных линий и оборудования подстанций;

- проведение различных измерений (значений нагрузок и нагрева кабельных линий, напряжений, блуждающих токов и т.д.);

- прожигание поврежденных мест изоляции кабельных линий, определение мест повреждений на кабельных линиях с применением наиболее совершенных методов (импульсного, колебательного разряда, индукционного, акустического);

- испытание штанг, перчаток, бот и других защитных средств.

2. Для испытания кабельных линий, прожиганий поврежденных мест изоляции и определения мест повреждений на линиях должны применяться передвижные лаборатории (на автомашинах).

3. В передвижных лабораториях для испытания кабельных линий до 10 кВ повышенное выпрямленное напряжение получается с помощью полупроводниковых выпрямителей. Лаборатория должна иметь испытательный трансформатор мощностью не менее 2,5 кВ·А с вторичным напряжением 60 - 70 кВ.

4. Передвижная лаборатория для прожигания и определения мест повреждений может быть выполнена на германиевых или масляно-селеновых выпрямителях.

Трансформатор для прожиганий должен иметь мощность около 20 - 25 кВ·А; секционированные обмотки высокого напряжения должны позволять их параллельное или последовательное соединение для получения напряжений 7,5 - 15 кВ. Выпрямленное напряжение должно быть 10,5 - 21 кВ, ток 1,5 - 2,0 А.

5. Для пользования индукционным методом лаборатория снабжается генератором звуковой частоты (мощностью 1,5 - 2 кВт, напряжением 110 - 220 В, частотой 1200 Гц).

Для пользования акустическим методом лаборатория должна быть оснащена конденсаторами высокого напряжения (2,5 - 5 кВ, 300 - 600 мкф).

6. Кроме того, лаборатория укомплектовывается:

- кабелеискателем (приемная рамка с усилителем);

- усилителем с пьезокварцевым датчиком;

- приборами Р5 или ИКЛ;

- электромикросекундомером (ЭМКС-58М);

- измерителем расстояния до места повреждения кабеля Щ-4120;

- универсальным кабельным мостом.

7. В передвижных лабораториях для испытаний линий 20 - 35 кВ применяется установка высокого напряжения, повышенное выпрямленное напряжение в которой создается по схеме удвоения с пульсирующим.

8. Для испытаний могут применяться любые другие имеющиеся на местах установки, обеспечивающие выполнение требований, предписанных настоящей Инструкцией.

Приложение 16

МЕТОДИКА ИСПЫТАНИЯ КАБЕЛЬНЫХ ЛИНИЙ ПОВЫШЕННЫМ ВЫПРЯМЛЕННЫМ НАПРЯЖЕНИЕМ

1. Для испытания повышенное выпрямленное напряжение прикладывается поочередно к каждой жиле кабеля, тогда как две другие жилы кабеля вместе с оболочкой (экраном) должны быть заземлены. При этом испытывается изоляция жил по отношению к земле и междуфазная изоляция.

Для кабелей с изолированными жилами в отдельных металлических оболочках или экранах напряжение прикладывается поочередно к каждой жиле. При этом остальные жилы и все оболочки (или экраны) должны быть заземлены. Допускается одновременное испытание всех трех фаз таких кабелей, но с измерением токов утечки при этом каждой фазы в отдельности.

При испытаниях напряжение должно плавно (со скоростью не более 1 - 2 кВ в 1 с) подниматься до максимального значения и поддерживаться неизменным в течение всего периода испытаний. Отсчет времени приложения испытательного напряжения следует производить с момента установления его максимального значения.

2. В течение всего периода выдержки кабеля под напряжением ведется наблюдение за значением тока утечки, а на последней минуте испытания должен быть произведен отсчет показаний микроамперметра.

Если значения токов утечки стабильны, но превосходят 300 мкА при относительной влажности до 80 % и 500 мкА при относительной влажности более 80 % для линий 10 кВ, а также 800 и 1500 мкА соответственно для линий 20 - 35 кВ, кабельная линия может быть введена в эксплуатацию, но с сокращением срока последующего профилактического испытания по усмотрению руководства электрической сети (района, электростанции) с учетом местных условий.

3. Кабельная линия считается выдержавшей испытание, если во время испытаний:

а) не произошло пробоя или перекрытий по поверхности концевых муфт, а также роста тока утечки в период выдержки под напряжением;

б) не наблюдалось резких толчков тока.

При заметном нарастании тока утечки или появлении толчков тока продолжительность испытания следует увеличить (до 10 - 20 мин). При дальнейшем нарастании тока утечки или увеличении количества толчков тока испытания следует вести до пробоя кабельной линии.

Если при этом кабельная линия не пробивается, то она может быть включена в работу с последующим повторным испытанием через 1 мес. В дальнейшем такие линии испытываются не реже 1 раза в год.

4. Если заметное нарастание токов утечки или толчки тока обнаружатся на линиях с устаревшими конструкциями концевых муфт (мачтовые конструкции Фирсова, типа КТН и др.), особенно если они установлены на групповых трансформаторных кабелях, испытание повышенным напряжением следует прекратить и обследовать муфты, ибо в подавляющем большинстве случаев причиной резкого возрастания токов утечки является их увлажнение. Такие муфты подлежат замене.

Приложение 17

ИСПЫТАНИЯ И ИЗМЕРЕНИЯ ДЛЯ УСТАНОВЛЕНИЯ ОПАСНОЙ СТЕПЕНИ ОСУШЕНИЯ ИЗОЛЯЦИИ НА ВЕРТИКАЛЬНЫХ УЧАСТКАХ КАБЕЛЕЙ

1. При измерениях tg δ металлическая оболочка кабеля не должна иметь (на время испытаний) прямых заземлений, для этого:

- заземляющий провод на концевой муфте отсоединяется от земли;

- под хомуты и корпус муфты подкладываются изолирующие подкладки;

- в конце вертикального участка на свинцовой оболочке вырезается поясок шириной 1 - 2 см, который после производства измерений ставится на место, а швы пропаиваются легкоплавким припоем.

Для увеличения механической прочности место запайки обматывается гибким медным проводом диаметром 1 - 1,5 мм.

2. При оценке результатов измерений производится сравнение зависимостей tg δ = f(U), снятых для вертикальных участков и всей остальной части линии (рис. П17.1).

Недопустимо, чтобы в пределах рабочего (фазного) напряжения наблюдалось быстрое возрастание tg δ.

Для линий 20 - 35 кВ опасными значениями tg δ следует считать значения, превосходящие указанные в ГОСТ 18410-73 более чем в 2 - 3 раза. Измерения следует производить 1 раз в 3 - 5 лет.

3. Метод контроля нагрева вертикальных участков заключается в том, что на этих участках устанавливаются термосопротивления для контроля местного перегрева, способствующего развитию пробоя в изоляции. На каждом из вертикальных участков должно быть установлено по три - четыре термосопротивления; первое у горловины концевой муфты и далее вниз через каждые 250 - 500 мм одно от другого. Измерения должны производиться систематически (не реже 1 раза в 5 - 7 дн).

4. Превышение показания одного термосопротивления по отношению к другим на 2 - 3 °С будет свидетельствовать о начавшемся процессе пробоя изоляции. Кабель должен быть при этом немедленно выведен из эксплуатации и должны быть приняты меры по замене вертикального конца кабеля новым. При одновременном контроле нагрева многих линий рекомендуется подключать термосопротивления к электронным потенциометрам, автоматически ведущим запись температур. Последние могут иметь устройство, автоматически подающее на щит управления сигнал о превышении разности температур выше обусловленных пределов.

Рис. П17.1. Схема измерений диэлектрических потерь в изоляции вертикальных участков линий:

1 - испытуемый кабель; 2 - места крепления кабеля (оболочка изолирована от земли); 3 - изолирующий промежуток; 4 - эталонный конденсатор; 5 - испытательный трансформатор; 6 - измерительный мост

Приложение 18

МЕТОДИКА ИСПЫТАНИЯ ИЗОЛЯЦИИ ЭЛЕКТРИЧЕСКИХ СЕТЕЙ ПОД НАГРУЗКОЙ

1. При испытании электрических сетей под нагрузкой испытательное выпрямленное напряжение, накладываемое на рабочее, должно быть в пределах 20 - 24 кВ, а частота испытаний - 2 - 6 раз в год.

Испытания проводятся в периоды минимальных нагрузок по графику, заблаговременно согласовываемому с потребителями.

2. Выдержка времени при испытательном напряжении 3 мин. При появлении толчков тока (пробоев на землю) в целях предотвращения переходов замыканий на землю в двух-трехфазные КЗ следует избегать более двух подъемов напряжения.

При этом общая выдержка испытуемого участка сети под повышенным напряжением не должна превышать 5 мин.

3. Испытательная установка присоединяется к нулевой точке обмоток трансформатора 6 кВ собственных нужд питающего центра или какого-либо сетевого трансформатора небольшой мощности (рис. П18.1).

Рис. П18.1. Схема испытаний изоляции участка сети под нагрузкой повышенным напряжением постоянного (пульсирующего) тока:

1 - выключатели; 2 - емкость сети; 3 - секция шин питающего центра; 4 - отходящие кабельные линии; 5 - трансформатор с выведенной нулевой точкой для подсоединения испытательной установки; 6 - трансформатор питающего центра (35/6, 110/6 кВ); 7 - испытательная установка постоянного тока

Подсоединение испытательной установки к нулевой точке трансформатора производится проводом с изоляцией высокого напряжения (например, типа ПВЛ) при предварительно наложенном переносном заземлении на вывод трансформатора (при отключенном положении выключателя в цепи: нуль трансформатора - испытательная установка).

В зоне вывода высокого напряжения испытательной установки (возле контактного зажима) должен быть установлен токоограничивающий резистор из расчета 4 - 5 кОм на 1 кВ испытательного напряжения суммарной мощностью 0,5 - 1,0 кВт.

Назначение токоограничивающего резистора - защита испытательной установки от разрушений при случайном перекрытии в ней и одновременном замыкании в испытуемой сети.

4. При испытании изоляции электрических сетей под нагрузкой возможны двух- и трехфазные КЗ (перекрытия) на оборудовании подстанций, поэтому на время производства испытаний должны быть прекращены ремонтные и другие работы, ведущиеся на подстанциях испытуемого участка, в том числе и у абонентов, а персонал выведен из подстанции на все время испытаний.

5. В целях повышения эффективности испытаний изоляции электрических сетей под нагрузкой рекомендуется проводить дополнительные испытания кабельных линий с отключением с периодичностью 1 раз в 2 - 3 года. Учитывая, что при испытаниях под нагрузкой междуфазная изоляция кабелей не испытывается, целесообразно при дополнительных испытаниях с отключением применять не только однополярную, но и двухполярную схему (рис. П18.2), которая позволяет более тщательно проверить состояние междуфазной изоляции за счет более высокого испытательного напряжения, прикладываемого к ней.

6. При дополнительных испытаниях значения испытательных напряжений в пределах, указанных в «Нормах испытания электрооборудования», устанавливаются с учетом местных условий главным инженером энергосистемы (электрической сети).

Рис. П18.2. Схема испытаний кабельной линии от двухполярной установки постоянного тока:

1 - испытательный трансформатор; 2 - полупроводниковые выпрямители; 3 - испытуемая кабельная линия

Приложение 19

ИНДУКЦИОННЫЙ МЕТОД УТОЧНЕНИЯ МЕСТА ПРОХОЖДЕНИЯ ТРАСС КАБЕЛЬНЫХ ЛИНИЙ, ГЛУБИНЫ ЗАЛЕГАНИЯ КАБЕЛЕЙ И РАСПОЛОЖЕНИЯ НА НИХ СОЕДИНИТЕЛЬНЫХ МУФТ

1. Трасса кабеля определяется включением генератора звуковой частоты преимущественно по схеме фаза-фаза или по схеме фаза-земля.

Один вывод генератора присоединяется к жиле кабеля, противоположный конец которой заземляется, другой вывод генератора также заземляется. Значение тока работающего генератора должно быть не менее 1 - 5 А.

При движении по трассе ось приемной рамки (антенны) должна быть расположена вертикально к поверхности земли.

Для определения трассы кабельной линии лицо, производящее работу, передвигается вдоль кабеля от места его присоединения (подстанции), держа приемную рамку и слегка перемещая ее в горизонтальной плоскости поперек оси кабельной линии. В телефоне при этом будет улавливаться минимальная громкость звука над кабелем. При отклонении рамки вправо или влево от трассы кабеля в телефоне будут слышны усиления громкости звука (рис. П19.1, а). Таким образом трасса кабеля будет проходить по линии минимальной слышимости звука в телефоне.

При пропускании тока звуковой частоты по двум фазам кабеля максимум громкости звука будет слышен над кабелем (рис. П19.1, б), при этом вследствие скрутки жил кабеля по мере перемещения вдоль линии будет происходить периодическое изменение слышимости (соответствующее шагу скрутки жил 1 - 1,5 м).

Отыскание отключенного кабеля среди работающих должно производиться по схеме фаза-фаза.

2. Для определения глубины заложения кабеля лицо, производящее работу, перемещает две крестообразно расположенные и последовательно соединенные приемные рамки в обе стороны от оси кабельной линии. При смещении их в сторону от оси кабеля на расстояние, равное глубине заложения кабеля, в обеих рамках э.д.с. оказываются равными и имеющими противоположные знаки, вследствие чего в телефоне слышна минимальная громкость звука (рис. П19.2). Расстояние между центрами рамок h при смещении их в крайние положения будет равно двойной глубине заложения кабеля, при этом глубину заложения необходимо отсчитывать от центра рамок, а не от поверхности земли.

Рис. П19.1. Характер изменения звука при удалении рамки вправо или влево от линии прохождения кабеля:

а - при пропускании тока звуковой частоты по схеме фаза-земля; б - при пропускании тока звуковой частоты по схеме фаза-фаза;

1 - кабель; 2 - наибольшая слышимость; 3 - наименьшая слышимость; 4, 4' - приемная рамка

Рис. П19.2. Определение глубины заложения кабельной линии в земле индукционным методом:

1 - приемные рамки; 2 - кабель

3. Для уточнения расположения соединительных муфт по двум жилам кабеля пропускается ток от генератора звуковой частоты, жилы с другой стороны линии замыкаются накоротко. Пропускаемый по жилам ток должен быть не менее 20 А. Так как в соединительных муфтах токоведущие жилы разведены на значительно большие расстояния по сравнению с жилами в целом месте кабеля, внешнее электромагнитное поле над муфтами резко усиливается, что и обнаруживается с помощью приемной рамки, усилителя и телефона.

При определении местоположения муфт следует иметь в виду, что и над кабелем по его длине будут прослушиваться периодические усиления звука, соответствующие расстоянию шага скрутки токоведущих жил. Однако над муфтой громкость звучания будет значительно больше.

Для выполнения указанных выше работ применяются кабелеискатели различной конструкции (например, ИПТК-69 и ТПК-1).

Приложение 20

ХАРАКТЕРИСТИКИ МЕТОДОВ ОПРЕДЕЛЕНИЯ МЕСТ ПОВРЕЖДЕНИЯ

Описание и физическая характеристика метода

Выбор метода, область и условия его применения

Применяемые приборы и аппаратура

А. Относительные методы

1. Импульсный метод основан на измерении интервала времени между моментом посылки в поврежденную линию специального, так называемого, зондирующего импульса и моментом возвращения отраженного импульса от места повреждения в точку измерения (к месту подключения прибора к линии). На экране осциллографа одновременно с изображением импульсов проектируется изображение масштабных меток, позволяющих производить отсчет непосредственно в метрах, исходя из условия, что скорость распространения электромагнитных колебаний в силовых кабелях составляет 160 ± 3 м/мкс.

Метод может быть применен на кабелях любых конструкций. Сечение и материал жил практически не влияют на скорость распространения импульсов. Метод применим на кабельных линиях практически любых длин. Зона повреждения определяется с точностью до нескольких метров. Импульсным методом можно определить:

1) однофазные и междуфазные замыкания устойчивого характера (отраженный импульс направлен своей вершиной вниз);

2) обрыв одной, двух или всех жил (отраженный импульс направлен вверх);

3) сложные, в том числе многоместные повреждения.

Метод не применим при переходных сопротивлениях более 100 Ом

ИКЛ-4, ИКЛ-5, Р5-1А, Р5-5, Р5-8, Р5-9, Р5-10

2. Метод колебательного разряда основан на измерении периода (или полупериода) собственных электрических колебаний в кабеле, возникающих в нем в момент пробоя (разряда в поврежденном месте).

Поврежденная жила кабеля заряжается до Uпроб от выпрямительной установки. Значение Uпроб должно быть ниже испытательного напряжения кабеля.

Расстояние до места повреждения пропорционально периоду собственного колебания (при измерении прибором ЭМКС-58М) и полупериоду собственного колебания (при измерении прибором Щ-4120). После пробоя возникает колебательный процесс, и прибор, включенный через емкостный делитель, срабатывает, а стрелочный или цифровой индикатор фиксирует расстояние от места пробоя в соответствии с выбранным масштабом измерения.

Метод может быть применен для определения мест повреждений при заплывающем пробое и в случаях, когда в месте повреждения появляются электрические разряды.

При определении места однофазного пробоя целые жилы должны быть изолированы. При пробое между жилами на одну жилу подается напряжение, а две остальные заземляются через сопротивление более 1000 Ом

Электронный микросекундомер ЭМКС-58М. Измеритель расстояния до места повреждения кабеля Щ-4120.

Емкостный делитель напряжения (антенна). Испытательная выпрямительная установка на напряжение 30 - 50 кВ

3. Петлевой метод основан на том, что поврежденная и здоровая жилы кабеля соединяются накоротко с одной стороны (образуется петля). С другой стороны к концам жил подсоединяются дополнительные регулируемые резисторы - создается схема моста (рис. П20.1) При равновесии моста расстояние до места повреждения находится из выражения

где L - полная длина кабельной линии, м;

r1 - значение сопротивления резистора, подсоединенного к поврежденной жиле;

r2 - значение сопротивления резистора, подсоединенного к неповрежденной жиле.

Для линии, состоящей из кабелей разных сечений, длина линии L приводится к одному эквивалентному сечению. Для устранения погрешностей следует обеспечить надежность контактов в месте установки перемычки и подсоединения измерительного моста и устранить влияние на точность измерений соединительных проводников.

Измерения по определению места повреждения следует производить с обоих концов кабельной линии (меняя место установки перемычки). Показателем правильно произведенных измерений является условие:

где первый член в скобках составлен из значений сопротивлений, найденных при измерениях с одной стороны кабельной линии, а второй член - с другой ее стороны

Для пользования методом петли необходимо иметь хотя бы одну неповрежденную жилу кабеля или хотя бы одну жилу с переходным сопротивлением, значительно большим переходных сопротивлений двух других жил (в 10 - 102 раз). Значение переходного сопротивления поврежденной жилы должно быть не более 5000 Ом. При больших значениях устойчивых переходных сопротивлений можно применить питание схемы моста от источника повышенного напряжения 2 - 20 кВ, т.е. применить мост высокого напряжения обычного реохордного типа, управление которым производится с помощью изолирующей штанги. Методом петли надежно определяются однофазные и двухфазные замыкания устойчивого характера.

Трехфазные замыкания могут быть определены при наличии дополнительного провода; при измерениях может быть использован параллельно проложенный кабель

Специальный кабельный или любой другой измерительный мост. Для более точных измерений двойной мост Томсона. Гальванометр (нулевой). Источник питания постоянного тока напряжением 10 - 200 В (аккумулятор, сухие батареи). Измерительные провода (типа «магнето»), снабженные струбцинками для подсоединения к жилам (наконечникам) кабеля. Перемычка для замыкания фаз кабеля с одной стороны. Установка на напряжение 2 - 20 кВ в случае применения моста высокого напряжения (может использоваться мегаомметр на напряжение 2500 В)

Б. Абсолютные методы

4. Индукционный метод основан на принципе улавливания магнитного поля над кабелем, по поврежденным жилам которого пропускается ток звуковой частоты (800 - 1600 Гц) от генератора. При этом вокруг кабеля образуется магнитное поле, напряженность которого пропорциональна значению тока в кабеле. Следуя по трассе кабельной линии с приемной рамкой, усилителем и телефонными наушниками, улавливают создаваемые кабелем электромагнитные колебания до тех пор, пока не дойдут до места повреждения (рис. П20.2). За местом повреждения громкость звука в телефоне резко снижается (или пропадает) и пропадают его периодические усиления. Четкие периодические усиления звука до места повреждения происходят потому, что жилы кабеля скручены и на протяжении шага скрутки 1 - 1,5 м меняют свое положение в пространстве. Ток, пропускаемый по жилам, должен быть достаточно большим (15 - 20 А), но так как большое значение переходного сопротивления в месте повреждения часто препятствует этому, место повреждения предварительно прожигают

С помощью индукционного метода определяются двухфазные и трехфазные замыкания устойчивого характера при значении переходного сопротивления в месте повреждения (с жилы на жилу) не более 20 - 25 Ом. Если значение переходного сопротивления в месте повреждения невозможно снизить до указанных пределов, то следует применить другие методы измерений. Этим методом можно определить место нахождения отключенного кабеля, подлежащего ремонту и находящегося в группе других кабелей. Метод не применим при большой глубине залегания кабеля (более 1,5 - 2,0 м)

Генератор звуковой частоты. Приемная рамка (антенна). Усилитель низкой частоты. Телефонные наушники. Для снижения переходного сопротивления необходима прожигательная установка

5. Акустический метод основан на прослушивании над местом повреждения звуковых колебаний, вызванных искровым разрядом в канале повреждения. При определении заплывающего пробоя (в муфтах) поврежденная жила заряжается до пробивного напряжения. При устойчивых замыканиях в поврежденную жилу кабеля подаются периодические импульсы постоянного тока через разрядник от накопителя заряда (рис. П20.3, б), при этом одновременно с пробоем искрового промежутка возникает искровой разряд в месте повреждения. Звук, сопутствующий искровому разряду в месте повреждения, прослушивается с поверхности земли с помощью стетоскопа или специального прибора с пьезодатчиком - преобразователем механических колебаний в электрические. В качестве зарядной емкости возможно использование неповрежденных жил кабеля (рис. П20.3, в)

Акустический метод является основным при определении мест повреждения с заплывающим пробоем (рис. П20.3, а). С помощью этого метода можно также определять:

а) однофазные и многофазные замыкания устойчивого характера;

б) обрывы одной или нескольких жил с заземлением в месте обрыва.

Эффективность применения метода зависит от уровня (громкости) звуковых колебаний, которые сопровождают искровой разряд в месте повреждения. При применении этого метода целесообразно использовать большие емкости накопителя при сравнительно малых зарядных напряжениях. Зарядное напряжение при определении устойчивых замыканий должно быть в пределах двух-трехкратного рабочего напряжения кабельной линии. Метод не применим при металлическом соединении жилы с оболочкой и отсутствии искровых разрядов в месте повреждения. При определении заплывающего пробоя разрядное напряжение должно быть ниже испытательного. Следует иметь в виду, что акустический метод сложно применять (а иногда и невозможно) при значительном уровне уличных или промышленных шумов

Испытательная установка постоянного тока на 30 - 50 кВ. Конденсаторы высокого напряжения. Разрядники. Усилитель с акустическим датчиком (например, АИП-ЗМ, КИАТ-65 и др.).

Деревянный стетоскоп

6. Метод накладной рамки (разновидность индукционного метода) основан на принципе улавливания магнитного поля над кабелем, по поврежденной жиле и оболочке которого пропускается ток звуковой частоты (800 - 1200 Гц) от генератора. На кабель накладывается рамка, стороны которой расположены симметрично относительно кабеля. При вращении рамки вокруг кабеля звук в телефоне (соединенном с рамкой через усилитель или непосредственно) 2 раза достигает максимума и минимума. Наводимая в рамке э.д.с. за местом повреждения создает в телефоне монотонное звучание без указанных выше усилений и ослаблений звука

Метод применяется для определения мест повреждений преимущественно на открыто проложенных кабельных линиях. На линиях, проложенных в земле, необходимо делать шурфы. Этим методом можно определить места повреждений на кабелях с отдельными металлическими оболочками. Метод применим при пробоях одной жилы на оболочку или при повреждениях изоляции двух и трех жил с большим значением переходного сопротивления

Генератор звуковой частоты. Накладная рамка с телефоном, настроенным в резонанс с частотой генератора.

Усилитель низкой частоты (не обязателен)

Рис. П20.1. Схема определения места повреждения петлевым методом:

1 - фазы испытуемой кабельной линии; 2 - перемычка (закоротка)

Рис. П20.2. Определение места повреждения индукционным методом:

1 - приемная рамка со стальным сердечником; 2 - усилитель; 3 - телефонные наушники; 4 - место повреждения с переходным сопротивлением на землю; 5 - кривая слышимости при прохождении испытателем вдоль трассы кабельной линии

Рис. П20.3. Схемы определения мест повреждения акустическим методом:

а - при устойчивом замыкании в поврежденном месте; б - при заплывающем способе; в - при использовании неповрежденных жил кабеля в качестве зарядной (накопительной) емкости;

1 - фазы кабеля; 2 - разрядник; 3 - зарядная (накопительная) емкость; 4 - металлическая оболочка кабеля; 5 - пьезодатчик с усилителем; 6 - телефонные наушники; 7 - поврежденное место на кабельной линии

Приложение 21

РЕКОМЕНДУЕМЫЕ МЕТОДЫ ОПРЕДЕЛЕНИЯ МЕСТА ПОВРЕЖДЕНИЯ В ЗАВИСИМОСТИ ОТ ВИДА ПОВРЕЖДЕНИЯ

Вид повреждения

Схема повреждения

Значение переходного сопротивления линии, Ом

Рекомендуемые методы

Примечание

относительные

абсолютные

1. Замыкания фаз на оболочку кабеля

Rn £ 50

Импульсный

Акустический

 

100 < Rn < 104

Мостовой

Акустический, метод накладной рамки

Rn £ 50

Импульсный

Акустический, индукционный

Метод накладной рамки при

100 < Rn < 104

Мостовой

Акустический

Rn £ 50

Импульсный

Акустический

 

100 < Rn < 104

Мостовой

Акустический, индукционный

2. Замыкание между фазами

Rn £ 100

Импульсный

Индукционный

 

3. Обрыв жил без их заземления и c заземлением

Rn > 106

Импульсный

Метод колебательного разряда

Акустический

 

0 < Rn < 5 · 103

Импульсный

Акустический, индукционный, метод накладной рамки

Индукционный при

Rn > 106

Импульсный

Метод колебательного разряда

Акустический

 

0 < Rn < 5 · 103

Импульсный

Акустический, индукционный

Индукционный при Rn = 500 0м

4. Заплывающий пробой

Rn > 106

Метод колебательного разряда

Акустический

 

Приложение 22

ПРОЖИГАНИЕ ПОВРЕЖДЕННЫХ МЕСТ ИЗОЛЯЦИИ КАБЕЛЯ

1. Для прожигания поврежденных мест изоляции кабеля применяется полупроводниковые выпрямительные установки с селеновыми или германиевыми выпрямителями, а иногда прожигание ведется и переменным током непосредственно от трансформаторов.

Так как от прожигательной установки требуется не только большое значение тока, но и высокое напряжение, то требуемая мощность установки должна быть значительной. Поэтому наиболее целесообразным методом прожигания является «ступенчатый способ». Сущность его заключается в смене источников питания по мере снижения напряжения пробоя и переходного сопротивления в месте повреждения (табл. П22.1).

Таблица П22.1

Характеристика ступеней прожигания

Ступень прожигания

Напряжение установки, кВ

Внутреннее сопротивление установки, кОм

Максимальный ток, А

Вид установки

I

30 - 50

500 - 100

0,1 - 0,5

Трансформатор с германиевым или масляно-селеновым выпрямителем

II

5 - 8

5 - 1

5 - 10

Трансформатор с масляно-селеновым выпрямителем

III

0,05 - 0,5

0,05 - 0,0005

100

Генератор высокой частоты, трансформатор с отпайками, сетевой трансформатор

2. Для прожигания изоляции кабелей может применяться также резонансный метод. Параллельно прожигаемому кабелю подключается катушка высокого напряжения, которая при настройке образует с кабелем резонансный контур. Колебания в этом контуре возбуждаются благодаря связи с другой катушкой, получающей питание от сети вязкого напряжения. В резонансном контуре может развиваться реактивная мощность до нескольких сотен киловольт-ампер, в то время как из сети низкого напряжения потребляется мощность примерно нескольких киловатт, идущая на покрытие потерь. Прожигательная установка получается легкой и портативной.

Процесс прожигания изоляции таким методом протекает по разному в зависимости от характера повреждения кабельной линии. Наиболее часто встречаются следующие случаи:

- при прожигании изоляции напряжение не снижается или после нескольких пробоев при сниженном напряжении электрическая прочность изоляции вновь возрастает. Это характерный для соединительных муфт, так называемый «заплывающий пробой». Если через 5 - 10 непрерывных повторений пробоев напряжение не снижается, то прожигание следует прекратить и определить место повреждения методом колебательного разряда и акустическим методом;

- после нескольких минут повторения пробоев разрядное напряжение снижается до значения, позволяющего произвести включение II ступени прожигания. Обычно прожигание в течение 5 - 10 мин на II ступени приводит к снижению напряжения пробоя до нуля, а переходного сопротивления - до 20 - 30 Ом. Затем включается III ступень. Иногда (при жидкой пропитке кабеля) переходное сопротивление вновь возрастает и приходится на короткое время возвращаться ко II ступени. Через несколько минут работы на II ступени следует произвести измерения прибором типа ИKД или другими аналогичными приборами. После этого целесообразно проверить включением испытательного напряжения остальные жилы, не прожглась ли изоляция этих жил в месте повреждения. Если будет обнаружен пробой, то следует снова провести цикл прожигания, затем определить место повреждения по схеме «фаза-фаза». Если пробой не произойдет, то место повреждения следует определить акустическим методом;

- после нескольких минут повторения пробоев на I ступени и снижения напряжения пробоя длительная работа на II ступени характеризуется устойчивым протеканием тока определенного значения. Причем переходное сопротивление не снижается меньше чем до 2 - 3 кОм. Это характерный случай места повреждения кабеля в воде. Прожигание следует прекратить и определить место повреждения петлевым и акустическим методами.

3. Прожигание кабелей, проложенных в коллекторах и в кабельных сооружениях, при необходимости разрешается производить с применением полупроводниковых выпрямительных установок, но током не более 3 А. Если кабель частично проложен в грунте и зона повреждения также расположена в грунте, то при необходимости прожигание можно вести любым методом.

4. Наблюдение за прожиганием кабелей в колодцах и кабельных сооружениях должно производиться в соответствии с ПТБ и местными инструкциями.

Приложение 23

УКАЗАНИЯ ПО РЕМОНТУ КАБЕЛЕЙ И КАБЕЛЬНОЙ АРМАТУРЫ

Ремонт защитных покровов кабеля

1. Обнаруженные разрушения бронеленты рекомендуется устранять следующим образом: в месте разрушения снимают остатки бронеленты, обрез бронелент с обеих сторон закрепляется бандажом.

Бронелента соединяется перемычкой из медного провода пайкой, на оголенные участки оболочки наносится антикоррозионное покрытие.

2. Для защиты бронеленты и металлических оболочек открыто проложенных кабелей рекомендуется применять термостойкие пентафталевые лаки ПФ-170 (ГОСТ 15907-70), ПФ-171 (ГОСТ 5494-71) или термостойкую масляно-битумную краску БТ-177 (ГОСТ 5631-70).

3. При ремонте поливинилхлоридных шлангов и оболочек кабелей места, подлежащие ремонту, должны быть подготовлены следующим образом:

- поверхность очистить от загрязнений;

- посторонние включения вырезать с помощью кабельного ножа;

- выступающие края отверстий, раковин, разрывов оболочки срезать.

Протоколы, отверстия, раковины ремонтируют с применением сварочного прутка, для чего на дефектное место и на конец сварочного прутка одновременно направляют струю горячего воздуха из сварочного пистолета и прогревают 3 - 5 с, затем отводят струю и прижимают разогретый конец прутка к дефектному месту. После охлаждения сварочный пруток обрезают. Затем место ремонта оболочки прогревают, прикладывают сложенный в три-четыре слоя кусок кабельной бумаги и прижимают его рукой. Для надежности операцию повторяют 3 - 4 раза.

Щели, порезы и вырезы также ремонтируют с применением сварочного прутка. Для этого, как указано выше, приваривают конец прутка к целому месту на расстоянии 1 - 2 мм от дефектного места. Убеждаются в прочности приварки, для чего производят легкое подергивание за пруток. Затем направляют струю воздуха так, чтобы одновременно прогревалась нижняя часть сварочного прутка и обе стороны пореза или щели. Легким усилием нажимая на пруток, укладывают его вдоль щели или пореза. Приварку заканчивают на целом месте на расстоянии 1 - 2 мм от конца щели.

После приварки ножом срезают остатки прутка и производят заглаживание.

4. Разрывы оболочки ремонтируют с помощью заплат или разрезных поливинилхлоридных трубок.

Ремонт оболочки с помощью заплат производят следующим образом:

- вырезают из пластиката заплату размером на 1,5 - 2 мм больше разрыва;

- приваривают заплату вдоль всей кромки к оболочке;

- приваривают вдоль образовавшегося шва поливинилхлоридный пруток;

- срезают выступающие поверхности прутка и производят окончательную сварку.

Ремонт оболочки с помощью разрезных поливинилхлоридных трубок производят следующим образом:

- отрезают поливинилхлоридную трубку на 35 - 40 мм больше длины дефектного места;

- разрезают ее и надевают на кабель так, чтобы был равномерный заход (нахлест) на оболочку кабеля с обоих концов;

- трубку обматывают поливинилхлоридной или миткалевой лентой с шагом 20 - 25 мм;

- приваривают конец прутка в стыке оболочки кабеля с трубкой и по срезу трубки;

- после приварки обоих концов трубки снимают временную обмотку и приваривают пруток вдоль разреза трубки;

- срезают выступающие поверхности прутка и производят окончательную сварку.

5. Ремонт поливинилхлоридного шланга и оболочки может также производиться с применением эпоксидного компаунда и стеклоленты. Поверхность шланга или оболочки, предварительно подготовленная и обработанная, как указано выше, в месте повреждения и за его краями на 3 - 5 см в обе стороны смазывается эпоксидным компаундом К-115, К-176 или Э-2200 с введенным в него отвердителем. По слою эпоксидного компаунда накладываются три-четыре слоя стеклоленты, каждый из которых также покрывается слоем компаунда.

Ремонт металлических оболочек

1. Ремонт металлических оболочек производится после проверки бумажной изоляции кабеля в дефектном месте на отсутствие влаги и повреждений. С этой целью удаляют часть оболочки по обе стороны от места ее повреждения, а затем осматривают поясную изоляцию (снимают верхний слой изоляции и проверяет, не попала ли в изоляцию влага).

2. При отсутствии повреждений и влаги в изоляции восстановление свинцовой оболочки производят следующим образом. Из листового свинца (толщиной 2 - 2,5 мм) вырезают полосу шириной на 70 - 80 см больше оголенной части кабеля и длиной на 30 - 40 мм больше длины окружности кабеля (по оболочке). В полосе делают два заливочных отверстия с таким расчетом, чтобы они приходились над оголенной частью кабеля.

Полосой свинца обертывают оголенное место кабеля так, чтобы полоса равномерно заходила на края оболочки кабеля, а края образовавшейся свинцовой трубы перекрывали друг друга не менее чем на 15 - 20 мм. Вначале производят пропайку продольного шва, а затем припаивают торцы свинцовой трубы к оболочке кабеля.

Для кабелей с алюминиевой оболочкой места припайки к ней свинцовой трубы предварительно обслуживаются припоем «А». Промывают и заливают муфту горячей кабельной массой марки МП-1. После остывания и доливки запаивают заливочные отверстия. На запаянное место накладывается бандаж из медной проволоки диаметром 1 мм с выходом на оболочку кабеля и с припайкой к ней.

Отремонтированное место покрывается (обматывается) смоляной лентой.

3. В случаях проникновения влаги под оболочку, а также в случаях повреждения не только поясной, но и фазной изоляций поврежденный участок кабеля вырезают. Вместо него вставляют соответствующей длины отрезок кабеля той же марки, сечения и напряжения и монтируются две соединительные муфты. Допускается прокладка и монтаж кабельных вставок того же напряжения, но других марок, имеющих сечение жил, эквивалентное ремонтируемому кабелю.

При наличии запаса кабеля по длине обходятся установкой одной соединительной муфты.

Восстановление бумажной изоляции кабеля

При незначительных повреждениях, когда токопроводящие жилы не повреждены, и при наличии достаточной слабины кабеля, позволяющей развести его жилы для намотки изоляции, ремонт кабеля можно выполнить без разрезания жил монтажом муфты из двух продольных половин. Восстановление изоляция в поврежденном месте производится наложением роликов и рулонов. Такой ремонт возможен только в том случае, если изоляция кабеля в месте повреждения не увлажнилась и если ремонт производится не на крутонаклонных участках трасс (особенно в их нижней части), где возможно образование внутреннего повышения давления, так как муфта с продольными спаями в этих условиях имеет недостаточную механическую прочность.

Ремонт токопроводящих жил кабеля

Повреждение токопроводящих жил кабеля устраняется установкой в месте повреждения одной соединительной муфты или заменой дефектного участка новым отрезком кабеля с установкой двух соединительных муфт.

Первый способ применяют, когда разрыв жил кабеля не сопровождается повреждением его на сколько-нибудь значительной длине и оставленный при прокладке запас достаточен для разделки и монтажа одной муфты.

Если запаса кабеля нет, то в некоторых случаях могут быть применены удлиненные соединительные гильзы и муфты. Ремонт в этом случае может быть ограничен установкой одной муфты. Во всех остальных случаях при ремонте токопроводящих жил кабеля применяется вставка кабеля и монтаж двух муфт.

Ремонт соединительных и концевых муфт и заделок

1. Целесообразность ремонта соединительной муфты устанавливается после ее осмотра и разборки.

В случае, если пробой произошел с гильзы или края среза металлической оболочки на корпус муфты, а место пробоя имеет небольшие размеры (диаметром 2 - 5 мм) и изоляция не увлажнена, ремонт может быть выполнен разборкой поврежденной части изоляции с последующим ее восстановлением и установкой нового разрезного корпуса муфты. При необходимости для этих целей может быть применена удлиненная муфта.

2. Если при выборочных вскрытиях соединительных муфт обнаруживается значительный уход заливочной массы (в кабель), то муфта должна быть долита. Для этого вскрываются (распаиваются) оба заливочных отверстия, муфта слегка прогревается газовой горелкой или паяльной лампой и производится проливка муфты свежей горячей кабельной массой (марки МК-45) до полного исчезновения пены (и каких-либо других примесей) в вытекающей из муфты массы. После доливки и остывания запаиваются заливочные отверстия, устанавливается и монтируется защитный чугунный кожух. Указанному частичному ремонту не подлежат муфты, залитые битумной массой (марки МБ-70/60).

3. При капитальном ремонте и замене старых соединительных свинцовых муфт новыми их разделку и монтаж следует выполнять по технологии, предусмотренной технической документацией на муфты.

4. Ремонт концевых муфт производится в следующей последовательности: удаляется заливочная масса, демонтируется корпус муфты, проверяется изоляция кабеля и отсутствие влаги, восстанавливается при необходимости поврежденная изоляция, после чего устанавливается на место демонтированная муфта. Если длина кабеля в конце линии имеет достаточный запас, то ремонт ограничивается монтажом только концевой муфты. Если же запаса кабеля недостаточно, то на конце линии монтируется вставка кабеля необходимой длины; в этом случае приходится монтировать и концевую и соединительную муфты.

5. При ремонте концевых заделок в стальных воронках в зависимости от их состояния может потребоваться:

- восстановление поверхностной изоляции на фазах (выше концевых воронок);

- перезаливка концевых воронок.

Пришедшую в негодность поверхностную изоляцию (задиры, сильное загрязнение, увлажнение) снимают с фаз; сматывают дополнительную подмотку и один слой бумажной изоляции.

Производят подмотку в четыре-пять слоев с 50 % перекрытием липкой поливинилхлоридной лентой или нелипкой поливинилхлоридной лентой с подклейкой лаком ПВХ 1 либо двумя слоями прорезиненной ленты с последующим покрытием изоляционными лаками или красками. При растрескивании, отслаивании, частичном уходе и значительном загрязнении заливочного состава, особенно когда эти дефекты сопровождаются заметным смещением фаз между собой или к корпусу воронки (что может в свою очередь вызываться неправильным положением или отсутствием распорной пластины), следует сделать полную перезаливку стальной воронки.

Старый заливочный состав удаляется (выплавляется), воронка опускается вниз и очищается от копоти и грязи. Производится подмотка нового уплотнения (под воронку) и воронка ставится на место.

Горловина воронки подматывается смоляной лентой и воронка ставится на место.

Горловина воронки подматывается смоляной лентой и воронка вместе с кабелем крепится к опорной конструкции хомутом. Проверяется правильность положения фарфоровых втулок. Производится заливка воронки заливочным составом (МБ-70/60, МБ-90/75).

6. Ремонт сухих заделок поливинилхлоридными лентами и лаками производится:

- при наличии течи пропиточного состава;

- при увлажнении поливинилхлоридных лент, признаком чего является их обесцвечивание;

- при растрескивании и обрывах поливинилхлоридных лент.

После сматывания поливинилхлоридных лент бумажная изоляция проверяется на отсутствие влаги и производится герметизация «корешка» заделки и жил поливинилхлоридными лентами и лаками в соответствии с технической документацией на муфты.

7. При капитальных ремонтах концевых заделок внутренней установки во всех случаях следует стремиться переходить на применение усовершенствованных конструкций концевых заделок.

8. Концевые муфты наружной установки старых типов (мачтовые конструкции Фирсова, КТН и др.) ремонту не подлежат, их следует заменять на муфты усовершенствованных конструкций, рекомендуемые технической документацией на муфты.

Приложение 24

ПЕРЕЧЕНЬ ПРИЕМО-СДАТОЧНОЙ ДОКУМЕНТАЦИИ

При сдаче кабельной линии в эксплуатацию должна быть представлена следующая документация:

- скорректированный проект кабельной линии, имеющий в своем составе мероприятия по антикоррозионной защите;

- исполнительный чертеж трассы с указанием мест установки соединительных муфт, выполненный в масштабе 1:200 или 1:500 в зависимости от развития сети в данном районе;

- материалы по согласованию трассы кабельной линии;

- протоколы заводских испытаний кабелей;

- акты о состоянии кабелей на барабанах и в случае необходимости протоколы вскрытия и осмотра образцов (вскрытие является обязательным для кабелей иностранных фирм);

- кабельный журнал с указанием количества и типов смонтированных муфт, даты их монтажа, фамилий электромонтеров, длин кабеля между муфтами, номеров барабанов, а также схема кабельной линии с указанием заводских номеров барабанов и соединительных муфт;

- инвентарная опись всех элементов кабельной линии;

- акты строительных и скрытых работ с указанием пересечений и сближений кабелей со всеми подземными коммуникациями;

- протоколы испытания кабельной линии после прокладки;

- чертеж профиля трассы кабельной линии в местах пересечений с дорогами и другими коммуникациями для кабельных линий на напряжение 35 кВ и особо сложных трасс кабельных линий на напряжение 6 - 10 кВ;

- протоколы анализа грунтов трассы кабельной линии по характерным участкам;

- акты проверки и испытаний автоматических стационарных установок пожаробезопасности;

- протоколы испытаний и осмотра кабелей на барабанах перед прокладкой;

- акты осмотра кабельной канализации в траншеях и каналах перед закрытием;

- протокол прогрева кабелей на барабанах перед прокладкой при низких температурах.

Приложение 25

ПАСПОРТ КАБЕЛЬНОЙ ЛИНИИ НА НАПРЯЖЕНИЕ ДО 35 кВ

1. _______________________                                            2. _________________________

(энергосистема)                                                                             (электросеть, ГЭС)

3. _______________________                                            4. ______________________ кВ

(район, участок)                                                                             (рабочее напряжение)

5. Наименование кабельной линии __________________________________________

6. Длина ________________ м                                          7. Сечение _____________ мм2

8. Марка кабеля ___________                                            9. Завод-изготовитель _______

10. Год прокладки ____________

11. Конструкции концевых и соединительных муфт ___________________________

Монтаж производил:                                                               Дата:

1. _____________________            _____________________             _________________

2. _____________________            _____________________             _________________

3. _____________________            _____________________             _________________

4. _____________________            _____________________             _________________

12. Характер грунтов по трассе _____________________________________________

(месторасположение по схеме трассы)

13. Схема трассы кабельной линии:

14. Нагрузка - допустимая и измеренная фактически ___________________________

15. Данные профилактических испытаний

дата испытания

Испытательное напряжение, кВ

Результаты испытаний

Заключение

Примечание

фаза «А»

фаза «В»

фаза «С»

1

2

3

4

5

6

7

16. Сведения о ремонтах кабельной линии

Дата ремонта

Причина повреждения

Содержание ремонта

Ремонт производил

Примечание

1

2

3

4

5

17. Сведения о земляных работах, производившихся на кабельных трассах или вблизи них

Дата вскрытия кабеля

Назначение раскопок

Кто производил раскопки

Адрес раскопки

Примечание

1

2

3

4

5

Паспорт составил ______________________________________

(должность, подпись)

«        » _________ 19      г.

СОДЕРЖАНИЕ

ВВЕДЕНИЕ

1. НАГРУЗКИ КАБЕЛЬНЫХ ЛИНИЙ

2. НАДЗОР ЗА СОСТОЯНИЕМ ТРАСС КАБЕЛЬНЫХ ЛИНИЙ, КАБЕЛЬНЫХ СООРУЖЕНИЙ И КАБЕЛЬНЫХ ЛИНИЙ

3. НАДЗОР ЗА РАБОТАМИ, ПРОИЗВОДЯЩИМИСЯ НА ТРАССАХ КАБЕЛЬНЫХ ЛИНИЙ

4. КОНТРОЛЬ ЗА СОСТОЯНИЕМ МЕТАЛЛИЧЕСКИХ ОБОЛОЧЕК КАБЕЛЕЙ И МЕРЫ ПРЕДОТВРАЩЕНИЯ ИХ КОРРОЗИОННОГО РАЗРУШЕНИЯ

5. ИСПЫТАНИЯ КАБЕЛЬНЫХ ЛИНИЙ ПОВЫШЕННЫМ ВЫПРЯМЛЕННЫМ НАПРЯЖЕНИЕМ

6. ОПРЕДЕЛЕНИЕ МЕСТ ПОВРЕЖДЕНИЙ НА КАБЕЛЬНЫХ ЛИНИЯХ

7. КАПИТАЛЬНЫЙ РЕМОНТ КАБЕЛЬНЫХ ЛИНИЙ

8. ПРАВИЛА ПРИЕМКИ КАБЕЛЬНЫХ ЛИНИЙ В ЭКСПЛУАТАЦИЮ

9. ТЕХНИЧЕСКАЯ ДОКУМЕНТАЦИЯ

10. ТРЕБОВАНИЯ ТЕХНИКИ БЕЗОПАСНОСТИ ПРИ ЭКСПЛУАТАЦИИ КАБЕЛЬНЫХ ЛИНИЙ

11. ТРЕБОВАНИЯ ПОЖАРНОЙ БЕЗОПАСНОСТИ ПРИ ЭКСПЛУАТАЦИИ КАБЕЛЬНЫХ ЛИНИЙ

Приложение 1

ДЛИТЕЛЬНО ДОПУСТИМЫЕ ТОКОВЫЕ НАГРУЗКИ ДЛЯ КАБЕЛЕЙ НА НАПРЯЖЕНИЕ ДО 35 кВ ВКЛЮЧИТЕЛЬНО С БУМАЖНОЙ ПРОПИТАННОЙ ИЗОЛЯЦИЕЙ С МЕДНЫМИ И АЛЮМИНИЕВЫМИ ЖИЛАМИ

Приложение 2

ДЛИТЕЛЬНО ДОПУСТИМЫЕ ТОКОВЫЕ НАГРУЗКИ ДЛЯ КАБЕЛЕЙ НА НАПРЯЖЕНИЕ ДО 35 кВ ВКЛЮЧИТЕЛЬНО С ПЛАСТМАССОВОЙ ИЗОЛЯЦИЕЙ С МЕДНЫМИ И АЛЮМИНИЕВЫМИ ЖИЛАМИ

Приложение 3

ПОПРАВОЧНЫЕ КОЭФФИЦИЕНТЫ К НАГРУЗКАМ КАБЕЛЕЙ НА ТЕМПЕРАТУРУ ОКРУЖАЮЩЕЙ СРЕДЫ И НА КОЛИЧЕСТВО РЯДОМ ПРОЛОЖЕННЫХ В ЗЕМЛЕ КАБЕЛЕЙ

Приложение 4

ПАРАМЕТРЫ УДЕЛЬНЫХ ТЕПЛОВЫХ СОПРОТИВЛЕНИЙ ГРУНТОВ

Приложение 5

РЕКОМЕНДАЦИИ ПО ПРИВЕДЕНИЮ СУТОЧНЫХ ГРАФИКОВ НАГРУЗКИ К ДВУХСТУПЕНЧАТОМУ ВИДУ

Приложение 6

СХЕМЫ ПРАВИЛЬНОЙ РАСКЛАДКИ ОДНОЖИЛЬНЫХ КАБЕЛЕЙ

Приложение 7

КОРРЕКТИРОВКА ДЛИТЕЛЬНО ДОПУСТИМЫХ ТОКОВЫХ НАГРУЗОК В УСЛОВИЯХ ЭКСПЛУАТАЦИИ

Приложение 8

СЕЗОННЫЕ РАСЧЕТНЫЕ ТЕМПЕРАТУРЫ ГРУНТА НА ГЛУБИНЕ ПРОКЛАДКИ КАБЕЛЕЙ ПО ЭНЕРГОУПРАВЛЕНИЯМ

Приложение 9

ИЗВЕЩЕНИЕ О ПРАВИЛАХ ПРОИЗВОДСТВА РАСКОПОК И МЕРАХ ПО ОХРАНЕ КАБЕЛЬНЫХ ЛИНИЙ

Приложение 10

ИЗМЕРЕНИЕ БЛУЖДАЮЩИХ ТОКОВ

Приложение 11

КОНТРОЛЬ КОРРОЗИОННЫХ СВОЙСТВ ГРУНТОВ, ГРУНТОВЫХ И ДРУГИХ ВОД

Приложение 12

СПОСОБЫ ЗАЩИТЫ КАБЕЛЬНЫХ ЛИНИЙ ОТ КОРРОЗИИ

Приложение 13

ЗАЩИТНЫЕ СРЕДСТВА ОТ ЭЛЕКТРОКОРРОЗИИ, ИЗГОТОВЛЯЕМЫЕ ПРОМЫШЛЕННОСТЬЮ

Приложение 14

ОСОБЕННОСТИ ЗАЩИТЫ ОТ КОРРОЗИИ КАБЕЛЕЙ В АЛЮМИНИЕВЫХ ОБОЛОЧКАХ

Приложение 15

ПЕРЕДВИЖНЫЕ И СТАЦИОНАРНЫЕ КАБЕЛЬНЫЕ ЛАБОРАТОРИИ

Приложение 16

МЕТОДИКА ИСПЫТАНИЯ КАБЕЛЬНЫХ ЛИНИЙ ПОВЫШЕННЫМ ВЫПРЯМЛЕННЫМ НАПРЯЖЕНИЕМ

Приложение 17

ИСПЫТАНИЯ И ИЗМЕРЕНИЯ ДЛЯ УСТАНОВЛЕНИЯ ОПАСНОЙ СТЕПЕНИ ОСУШЕНИЯ ИЗОЛЯЦИИ НА ВЕРТИКАЛЬНЫХ УЧАСТКАХ КАБЕЛЕЙ

Приложение 18

МЕТОДИКА ИСПЫТАНИЯ ИЗОЛЯЦИИ ЭЛЕКТРИЧЕСКИХ СЕТЕЙ ПОД НАГРУЗКОЙ

Приложение 19

ИНДУКЦИОННЫЙ МЕТОД УТОЧНЕНИЯ МЕСТА ПРОХОЖДЕНИЯ ТРАСС КАБЕЛЬНЫХ ЛИНИЙ, ГЛУБИНЫ ЗАЛЕГАНИЯ КАБЕЛЕЙ И РАСПОЛОЖЕНИЯ НА НИХ СОЕДИНИТЕЛЬНЫХ МУФТ

Приложение 20

ХАРАКТЕРИСТИКИ МЕТОДОВ ОПРЕДЕЛЕНИЯ МЕСТ ПОВРЕЖДЕНИЯ

Приложение 21

РЕКОМЕНДУЕМЫЕ МЕТОДЫ ОПРЕДЕЛЕНИЯ МЕСТА ПОВРЕЖДЕНИЯ В ЗАВИСИМОСТИ ОТ ВИДА ПОВРЕЖДЕНИЯ

Приложение 22

ПРОЖИГАНИЕ ПОВРЕЖДЕННЫХ МЕСТ ИЗОЛЯЦИИ КАБЕЛЯ

Приложение 23

УКАЗАНИЯ ПО РЕМОНТУ КАБЕЛЕЙ И КАБЕЛЬНОЙ АРМАТУРЫ

Приложение 24

ПЕРЕЧЕНЬ ПРИЕМО-СДАТОЧНОЙ ДОКУМЕНТАЦИИ

Приложение 25

ПАСПОРТ КАБЕЛЬНОЙ ЛИНИИ НА НАПРЯЖЕНИЕ ДО 35 кВ

 




Яндекс цитирования



   Copyright © 2007-2026,  www.tehlit.ru.

[ ѓосты, стандарты, нормативы, инструкции, правила, строительные нормы ]