//
ÒåõËèò.ðó
- êðóïíåéøàÿ áåñïëàòíàÿ ýëåêòðîííàÿ èíòåðíåò áèáëèîòåêà äëÿ "òåõíè÷åñêè óìíûõ" ëþäåé.
WWW.TEHLIT.RU - ÒÅÕÍÈ×ÅÑÊÀß ËÈÒÅÐÀÒÓÐÀ

:: Àëãîòðåéäèíã::


ÀËÃÎÒÐÅÉÄÈÍÃ
øàã çà øàãîì
ñ íóëÿ ïî óðîêàì!

Òîðãîâûå ðîáîòû íà PYTHON, BackTrader,
Pandas, Pine Script äëÿ TradingView. Ñâÿçêà ñ áðîêåðàìè, òåëåãðàì è ëåãêèìè ïðèëîæåíèÿìè.


ÏÐÀÂÈËÀ • ÌÅÒÎÄÈÊÈ • ÈÍÑÒÐÓÊÖÈÈ

ÌÎÑÊÂÀ

«ÝÍÅÐÃÎÑÅÐÂÈÑ»

2004

ÌÈÍÈÑÒÅÐÑÒÂÎ ÝÍÅÐÃÅÒÈÊÈ

ÐÎÑÑÈÉÑÊÎÉ ÔÅÄÅÐÀÖÈÈ

ÓÒÂÅÐÆÄÅÍÛ

Çàìåñòèòåëåì ðóêîâîäèòåëÿ

Ãîñýíåðãîíàäçîðà

Â.Í. Áåëîóñîâûì

27.12.2000

ÌÅÒÎÄÈ×ÅÑÊÈÅ ÓÊÀÇÀÍÈß ÏÎ ÊÎÍÒÐÎËÞ È ÀÍÀËÈÇÓ ÊÀ×ÅÑÒÂÀ ÝËÅÊÒÐÈ×ÅÑÊÎÉ ÝÍÅÐÃÈÈ Â ÑÈÑÒÅÌÀÕ ÝËÅÊÒÐÎÑÍÀÁÆÅÍÈß ÎÁÙÅÃÎ ÍÀÇÍÀ×ÅÍÈß

×àñòü 1. Êîíòðîëü êà÷åñòâà ýëåêòðè÷åñêîé ýíåðãèè

ÐÄ 153-34.0-15.501-00

ÑÎÃËÀÑÎÂÀÍÛ

Äèðåêòîðîì ÂÍÈÈÌÑà

À.È. Àñòàøåíêîâûì

ÐÀÇÐÀÁÎÒÀÍÛ

Íàó÷íî-ìåòîäè÷åñêèì

öåíòðîì ÎÎÎ «Íàó÷íûé

öåíòð ËÈÍÂÈÒ»

ÌÎÑÊÂÀ

ÝÍÅÐÃÎÑÅÐÂÈÑ

2004

Íàñòîÿùèé äîêóìåíò ÐÄ 153-34.0-15.501-00 «Ìåòîäè÷åñêèå óêàçàíèÿ ïî êîíòðîëþ è àíàëèçó êà÷åñòâà ýëåêòðè÷åñêîé ýíåðãèè â ñèñòåìàõ ýëåêòðîñíàáæåíèÿ îáùåãî íàçíà÷åíèÿ. ×àñòü 1. Êîíòðîëü êà÷åñòâà ýëåêòðè÷åñêîé ýíåðãèè» óñòàíàâëèâàåò ïîðÿäîê ïðîâåäåíèÿ ðàáîò, ïðîöåäóðû âûïîëíåíèÿ èçìåðåíèé, îáðàáîòêè è ïðåäñòàâëåíèÿ ðåçóëüòàòîâ ïðè ðàçëè÷íûõ âèäàõ êîíòðîëÿ è èñïûòàíèé ýëåêòðè÷åñêîé ýíåðãèè íà ñîîòâåòñòâèå òðåáîâàíèÿì ÃÎÑÒ 13109-97.

Ìåòîäè÷åñêèå óêàçàíèÿ ïðåäíàçíà÷åíû äëÿ ïåðñîíàëà ýíåðãîñíàáæàþùèõ è ýíåðãîïîòðåáëÿþùèõ îðãàíèçàöèé, àêêðåäèòîâàííûõ èñïûòàòåëüíûõ ëàáîðàòîðèé, îðãàíîâ ãîñóäàðñòâåííîãî ýíåðãåòè÷åñêîãî íàäçîðà è îðãàíîâ ãîñóäàðñòâåííîãî íàäçîðà çà ñîáëþäåíèåì òðåáîâàíèé ãîñóäàðñòâåííûõ ñòàíäàðòîâ.

Ñ ââåäåíèåì â äåéñòâèå íàñòîÿùèõ Ìåòîäè÷åñêèõ óêàçàíèé óòðà÷èâàþò ñèëó íà òåððèòîðèè Ðîññèéñêîé Ôåäåðàöèè ÐÄ 34.15.501-88 «Ìåòîäè÷åñêèå óêàçàíèÿ ïî êîíòðîëþ è àíàëèçó êà÷åñòâà ýëåêòðè÷åñêîé ýíåðãèè â ýëåêòðè÷åñêèõ ñåòÿõ îáùåãî íàçíà÷åíèÿ» (Ì.: ÑÏÎ Ñîþçòåõýíåðãî, 1990 ã.), Äîïîëíåíèå ¹ 1 ê óêàçàííûì ÐÄ «Ìåòîäèêà êîíòðîëÿ è àíàëèçà êà÷åñòâà ýëåêòðè÷åñêîé ýíåðãèè â ýëåêòðè÷åñêèõ ñåòÿõ îáùåãî íàçíà÷åíèÿ» (Ìîñêâà, Åêàòåðèíáóðã, 1995 ã.) çà èñêëþ÷åíèåì ðàçäåëà 6 è ïðèëîæåíèé Æ, È, Ê, Ë, Ì, Í, Ï, à òàêæå ïðåêðàùàþò ñâîå äåéñòâèå Èçìåíåíèÿ è äîïîëíåíèÿ ê Äîïîëíåíèþ ¹ 1 (ïèñüìî Ãëàâãîñýíåðãîíàäçîðà Ðîññèè îò 05.02.98 ¹ 32-04-05-135).

ÎÑÍÎÂÍÛÅ ÈÑÏÎËÍÈÒÅËÈ

Íèêèôîðîâà Â.Í. - ðóêîâîäèòåëü Íàó÷íî-ìåòîäè÷åñêîãî öåíòðà ÎÎÎ «ÍÖ ËÈÍÂÈÒ»

ßðîñëàâñêèé Â.Í. - íà÷àëüíèê îòäåëà ÂÍÈÈÌÑ

Øòèëëåðìàí B.C. - âåäóùèé èíæåíåð ÂÍÈÈÌÑ

Êàðìàøåâ B.C. - ïðåäñåäàòåëü Òåõíè÷åñêîãî êîìèòåòà 30 Ãîññòàíäàðòà Ðîññèè

Ìàìîøèí P.P. -ïðîôåññîð ÌÈÈÒ

Ìåòîäè÷åñêèå óêàçàíèÿ ïî êîíòðîëþ è àíàëèçó êà÷åñòâà ýëåêòðè÷åñêîé ýíåðãèè â ñèñòåìàõ ýëåêòðîñíàáæåíèÿ îáùåãî íàçíà÷åíèÿ. ×àñòü 1. Êîíòðîëü êà÷åñòâà ýëåêòðè÷åñêîé ýíåðãèè

ÐÄ 153-34.0-15.501-00

Ñðîê äåéñòâèÿ óñòàíîâëåí

ñ 01.01.2001 ã.

äî 01.01.2006 ã.

1. ÎÁËÀÑÒÜ ÏÐÈÌÅÍÅÍÈß

1.1. Íàñòîÿùàÿ ÷àñòü Ìåòîäè÷åñêèõ óêàçàíèé óñòàíàâëèâàåò îñíîâíûå ïîëîæåíèÿ ïî êîíòðîëþ êà÷åñòâà ýëåêòðè÷åñêîé ýíåðãèè â ñîîòâåòñòâèè ñ òðåáîâàíèÿìè ÃÎÑÒ 13109-97 â ñèñòåìàõ ýëåêòðîñíàáæåíèÿ îáùåãî íàçíà÷åíèÿ îäíîôàçíîãî è òðåõôàçíîãî ïåðåìåííîãî òîêà ñ ÷àñòîòîé 50 Ãö è îïðåäåëÿåò ïðàâèëà îöåíêè ñîîòâåòñòâèÿ óñòàíîâëåííûì òðåáîâàíèÿì ñëåäóþùèõ ïîêàçàòåëåé êà÷åñòâà ýëåêòðè÷åñêîé ýíåðãèè (äàëåå - ÏÊÝ):

- óñòàíîâèâøååñÿ îòêëîíåíèå íàïðÿæåíèÿ;

- êîýôôèöèåíò n-îé ãàðìîíè÷åñêîé ñîñòàâëÿþùåé íàïðÿæåíèÿ;

- êîýôôèöèåíò èñêàæåíèÿ ñèíóñîèäàëüíîñòè êðèâîé íàïðÿæåíèÿ;

- êîýôôèöèåíò íåñèììåòðèè íàïðÿæåíèé ïî îáðàòíîé ïîñëåäîâàòåëüíîñòè;

- êîýôôèöèåíò íåñèììåòðèè íàïðÿæåíèé ïî íóëåâîé ïîñëåäîâàòåëüíîñòè;

- îòêëîíåíèå ÷àñòîòû;

- äëèòåëüíîñòü ïðîâàëà íàïðÿæåíèÿ.

1.2. Íàñòîÿùàÿ ÷àñòü Ìåòîäè÷åñêèõ óêàçàíèé (äàëåå - óêàçàíèÿ) ïðåäíàçíà÷åíà äëÿ ïðèìåíåíèÿ ýíåðãîñíàáæàþùèìè è ýíåðãîïîòðåáëÿþùèìè îðãàíèçàöèÿìè â ñîîòâåòñòâèè ñî ñâîèìè ïîëíîìî÷èÿìè ïðè îñóùåñòâëåíèè ñëåäóþùèõ âèäîâ êîíòðîëÿ êà÷åñòâà ýëåêòðè÷åñêîé ýíåðãèè (äàëåå - ÊÝ):

- ïåðèîäè÷åñêèé êîíòðîëü ÊÝ;

- êîíòðîëü ÊÝ ïðè îïðåäåëåíèè òåõíè÷åñêèõ óñëîâèé (äàëåå - ÒÓ), ðàçðåøåíèé èëè èíûõ äîêóìåíòîâ íà ïðèñîåäèíåíèå;

- êîíòðîëü ÊÝ ïðè îïðåäåëåíèè óñëîâèé äîãîâîðà ìåæäó ýíåðãîñíàáæàþùåé îðãàíèçàöèåé è ïîòðåáèòåëåì (äàëåå - äîãîâîðà ýíåðãîñíàáæåíèÿ);

- êîíòðîëü ÊÝ ïðè äîïóñêå ê ýêñïëóàòàöèè ýëåêòðîóñòàíîâîê ïîòðåáèòåëåé, óõóäøàþùèõ ÊÝ;

- êîíòðîëü ÊÝ ïðè ðàññìîòðåíèè ïðåòåíçèé ê êà÷åñòâó ýëåêòðè÷åñêîé ýíåðãèè.

1.3. Óêàçàíèÿ äîëæíû èñïîëüçîâàòüñÿ àêêðåäèòîâàííûìè èñïûòàòåëüíûìè ëàáîðàòîðèÿìè, îðãàíàìè ãîñóäàðñòâåííîãî ýíåðãåòè÷åñêîãî íàäçîðà è îðãàíàìè ãîñóäàðñòâåííîãî íàäçîðà çà ñîáëþäåíèåì òðåáîâàíèé ãîñóäàðñòâåííûõ ñòàíäàðòîâ â ñîîòâåòñòâèè ñî ñâîèìè ïîëíîìî÷èÿìè ïðè ïðîâåäåíèè ñåðòèôèêàöèîííûõ èñïûòàíèé ÝÝ, àðáèòðàæíûõ èñïûòàíèÿõ ÝÝ, îñóùåñòâëåíèè èíñïåêöèîííîãî êîíòðîëÿ çà ñåðòèôèöèðîâàííîé ÝÝ, à òàêæå ïðè îñóùåñòâëåíèè ãîñóäàðñòâåííîãî íàäçîðà çà êà÷åñòâîì ýëåêòðè÷åñêîé ýíåðãèè è ñîáëþäåíèåì îáÿçàòåëüíûõ òðåáîâàíèé ãîñóäàðñòâåííûõ ñòàíäàðòîâ (äàëåå - ãîñóäàðñòâåííîãî íàäçîðà).

1.4. Óêàçàíèÿ ìîãóò áûòü òàêæå èñïîëüçîâàíû ýíåðãîñíàáæàþùèìè è ýíåðãîïîòðåáëÿþùèìè îðãàíèçàöèÿìè äëÿ ïðîâåäåíèÿ òåõíîëîãè÷åñêîãî êîíòðîëÿ èëè èíûõ âèäîâ êîíòðîëÿ ÊÝ ïðè îòñóòñòâèè ñîîòâåòñòâóþùèõ íîðìàòèâíûõ äîêóìåíòîâ.

2. ÍÎÐÌÀÒÈÂÍÛÅ ÑÑÛËÊÈ

 óêàçàíèÿõ èñïîëüçîâàíû ññûëêè íà ñëåäóþùèå íîðìàòèâíûå äîêóìåíòû:

ÃÎÑÒ 13109-97 «Ýëåêòðè÷åñêàÿ ýíåðãèÿ. Ñîâìåñòèìîñòü òåõíè÷åñêèõ ñðåäñòâ ýëåêòðîìàãíèòíàÿ. Íîðìû êà÷åñòâà ýëåêòðè÷åñêîé ýíåðãèè â ñèñòåìàõ ýëåêòðîñíàáæåíèÿ îáùåãî íàçíà÷åíèÿ»;

ÃÎÑÒ Ð 8.563-96 ÃÑÈ Ìåòîäèêè âûïîëíåíèÿ èçìåðåíèé;

ÃÎÑÒ 16263-70 ÃÑÈ. Ìåòðîëîãèÿ. Òåðìèíû è îïðåäåëåíèÿ;

ÃÎÑÒ 16504-81 ÑÃÈÏ Èñïûòàíèÿ è êîíòðîëü êà÷åñòâà ïðîäóêöèè. Îñíîâíûå òåðìèíû è îïðåäåëåíèÿ;

ÃÎÑÒ 22261-94 Ñðåäñòâà èçìåðåíèé ýëåêòðè÷åñêèõ è ìàãíèòíûõ âåëè÷èí;

ÃÎÑÒ Ð 50397-92 Ñîâìåñòèìîñòü òåõíè÷åñêèõ ñðåäñòâ ýëåêòðîìàãíèòíàÿ. Òåðìèíû è îïðåäåëåíèÿ.

3. ÒÅÐÌÈÍÛ È ÎÏÐÅÄÅËÅÍÈß

 íàñòîÿùèõ óêàçàíèÿõ ïðèìåíÿþò ñëåäóþùèå òåðìèíû è îïðåäåëåíèÿ:

3.1. Óñòàíîâëåííûå òðåáîâàíèÿ - òðåáîâàíèÿ, óñòàíîâëåííûå â íîðìàòèâíûõ äîêóìåíòàõ, äîãîâîðàõ ýíåðãîñíàáæåíèÿ, òåõíè÷åñêèõ óñëîâèÿõ íà ïðèñîåäèíåíèå, à òàêæå â èíûõ äîêóìåíòàõ.

3.2. Êîíòðîëü ÊÝ - ïðîâåðêà ñîîòâåòñòâèÿ ïîêàçàòåëåé ÊÝ óñòàíîâëåííûì òðåáîâàíèÿì.

3.3. Ïåðèîäè÷åñêèé êîíòðîëü ÊÝ - êîíòðîëü, îñóùåñòâëÿåìûé â öåëÿõ óïðàâëåíèÿ ÊÝ, ïðè êîòîðîì ïîñòóïëåíèå èíôîðìàöèè î êîíòðîëèðóåìûõ ïîêàçàòåëÿõ è èõ îöåíêà ïðîèñõîäèò ïåðèîäè÷åñêè ñ èíòåðâàëàìè, îïðåäåëÿåìûìè îðãàíèçàöèåé, îñóùåñòâëÿþùåé êîíòðîëü ÊÝ, íî íå ðåæå ïðåäåëîâ, óñòàíîâëåííûõ ÃÎÑÒ 13109-97.

3.4. Òåõíîëîãè÷åñêèé êîíòðîëü ÊÝ - êîíòðîëü ÊÝ ñ äëèòåëüíîñòüþ è (èëè) ïîãðåøíîñòüþ èçìåðåíèé, êîòîðûå ìîãóò îòëè÷àòüñÿ îò òðåáîâàíèé ÃÎÑÒ 13109-97.

3.5. Ïðåòåíçèîííûå èñïûòàíèÿ ÝÝ - èñïûòàíèÿ, ïðîâîäèìûå ïðè ðàññìîòðåíèè ïðåòåíçèé ïðîäàâöà èëè ïîêóïàòåëÿ ýëåêòðè÷åñêîé ýíåðãèè ê åå êà÷åñòâó.

3.6. Àðáèòðàæíûå èñïûòàíèÿ ÝÝ - ïðåòåíöèîííûå èñïûòàíèÿ ÝÝ, ïðîâîäèìûå àêêðåäèòîâàííûìè â óñòàíîâëåííîì ïîðÿäêå èñïûòàòåëüíûìè ëàáîðàòîðèÿìè (öåíòðàìè) ïî ïîñòàíîâëåíèþ ñóäîâ ïðè ðàññìîòðåíèè ïðåòåíçèé ê ÊÝ, ó÷àñòâóþùèõ â ñïîðå ñòîðîí.

3.7. Ñåðòèôèêàöèîííûå èñïûòàíèÿ ÝÝ - èñïûòàíèÿ ÝÝ, ïðîâîäèìûå àêêðåäèòîâàííûìè â óñòàíîâëåííîì ïîðÿäêå èñïûòàòåëüíûìè ëàáîðàòîðèÿìè (öåíòðàìè) â öåëÿõ ñåðòèôèêàöèè ýëåêòðè÷åñêîé ýíåðãèè.

3.8. Èñïûòàíèÿ ïðè èíñïåêöèîííîì êîíòðîëå çà ñåðòèôèöèðîâàííîé ÝÝ - èñïûòàíèÿ ÝÝ, ïðîâîäèìûå àêêðåäèòîâàííûìè â óñòàíîâëåííîì ïîðÿäêå èñïûòàòåëüíûìè ëàáîðàòîðèÿìè (öåíòðàìè) ñ öåëüþ ïîäòâåðæäåíèÿ, ÷òî ÝÝ ñîîòâåòñòâóåò òðåáîâàíèÿì, êîòîðûå áûëè óñòàíîâëåíû ïðè ñåðòèôèêàöèè.

3.9. Èñïûòàíèÿ ÝÝ ïðè îñóùåñòâëåíèè ãîñóäàðñòâåííîãî íàäçîðà - èñïûòàíèÿ, ïðîâîäèìûå îðãàíàìè ãîñóäàðñòâåííîãî íàäçîðà ñ öåëüþ ïðîâåðêè ñîîòâåòñòâèÿ ÝÝ óñòàíîâëåííûì ÃÎÑÒ 13109-97 òðåáîâàíèÿì ê åå êà÷åñòâó.

3.10. Ïóíêò êîíòðîëÿ ÊÝ - ïóíêò ýëåêòðè÷åñêîé ñåòè, â êîòîðîì ïðîâîäÿò èçìåðåíèå ïîêàçàòåëåé ÊÝ ïðè êîíòðîëå êà÷åñòâà ÝÝ.

 êà÷åñòâå ïóíêòà êîíòðîëÿ ÊÝ ìîæåò áûòü èñïîëüçîâàíà òî÷êà îáùåãî ïðèñîåäèíåíèÿ, ãðàíèöà ðàçäåëà áàëàíñîâîé ïðèíàäëåæíîñòè, âûâîäû ïðèåìíèêîâ ýëåêòðè÷åñêîé ýíåðãèè, à òàêæå äðóãèå òî÷êè ýëåêòðè÷åñêîé ñåòè, â òîì ÷èñëå âûáðàííûå ïî ñîãëàñîâàíèþ ìåæäó ýíåðãîñíàáæàþùåé îðãàíèçàöèåé è ïîòðåáèòåëåì.

3.11. Òî÷êà îáùåãî ïðèñîåäèíåíèÿ (äàëåå - ÒÎÏ) - ýëåêòðè÷åñêè áëèæàéøàÿ ê ðàññìàòðèâàåìîìó ïîòðåáèòåëþ ÝÝ òî÷êà ýëåêòðè÷åñêîé ñåòè ýíåðãîñíàáæàþùåé îðãàíèçàöèè, ê êîòîðîé ïðèñîåäèíåíû èëè ìîãóò áûòü ïðèñîåäèíåíû äðóãèå ïîòðåáèòåëè ÝÝ.

3.12. Òî÷êà êîììåð÷åñêîãî êîíòðîëÿ ÊÝ (äàëåå - ÒÊÝ) - òî÷êà îáùåãî ïðèñîåäèíåíèÿ, ãðàíèöà ðàçäåëà áàëàíñîâîé ïðèíàäëåæíîñòè, èëè äðóãàÿ òî÷êà ýëåêòðè÷åñêîé ñåòè, ïðèíÿòàÿ ïî ñîãëàñîâàíèþ ìåæäó ýíåðãîñíàáæàþùåé îðãàíèçàöèåé è ïîòðåáèòåëåì â êà÷åñòâå òî÷êè ñåòè, â êîòîðîé ïðè íàëè÷èè ïðåòåíçèé êàêîé-ëèáî èç ñòîðîí äîãîâîðà áóäåò ïðîèçâîäèòüñÿ ïðîâåðêà ñîáëþäåíèÿ äîãîâîðíûõ óñëîâèé ïî ÊÝ è ðàñ÷åòû çà èõ íàðóøåíèå.

3.13. Öåíòð ïèòàíèÿ (äàëåå - ÖÏ) - ðàñïðåäåëèòåëüíîå óñòðîéñòâî ãåíåðàòîðíîãî íàïðÿæåíèÿ ýëåêòðîñòàíöèè èëè ðàñïðåäåëèòåëüíîå óñòðîéñòâî âòîðè÷íîãî íàïðÿæåíèÿ (6000  è âûøå) ïîäñòàíöèè ýíåðãîñíàáæàþùåé îðãàíèçàöèè, ê êîòîðûì ïðèñîåäèíåíû ýëåêòðè÷åñêèå ñåòè äàííîãî ðàéîíà (ðåãèîíà) ïî ìåñòîðàñïîëîæåíèþ ïîòðåáèòåëåé.

ÖÏ è ïðèñîåäèíåííàÿ ê íåìó ýëåêòðè÷åñêàÿ ñåòü ìîãóò ïðèíàäëåæàòü ðàçíûì ýíåðãîñíàáæàþùèì îðãàíèçàöèÿì.

3.14. Ðàñïðåäåëèòåëüíàÿ ýëåêòðè÷åñêàÿ ñåòü - ýëåêòðè÷åñêàÿ ñåòü, ïðèñîåäèíåííàÿ ê öåíòðó ïèòàíèÿ, îáåñïå÷èâàþùàÿ ðàñïðåäåëåíèå ýëåêòðè÷åñêîé ýíåðãèè ìåæäó ïîòðåáèòåëÿìè ýëåêòðè÷åñêîé ýíåðãèè èëè îáåñïå÷èâàþùàÿ ïåðåäà÷ó ýëåêòðè÷åñêîé ýíåðãèè îðãàíèçàöèÿì, çàêëþ÷àþùèì äîãîâîðà ýíåðãîñíàáæåíèÿ ñ ïîòðåáèòåëÿìè.

3.15. Íàèáîëüøåå (íàèìåíüøåå) çíà÷åíèå ÏÊÝ - íàèáîëüøåå (íàèìåíüøåå) èç âñåõ èçìåðåííûõ â òå÷åíèå 24 ÷ çíà÷åíèé êîíòðîëèðóåìîãî ÏÊÝ.

3.16. Âåðõíåå (íèæíåå) çíà÷åíèå ÏÊÝ - âåðõíÿÿ (íèæíÿÿ) ãðàíèöà îòðåçêà, êîòîðîìó ïðèíàäëåæàò 95 % èçìåðåííûõ â òå÷åíèå 24 ÷ çíà÷åíèé êîíòðîëèðóåìîãî ÏÊÝ.

4. ÍÎÐÌÛ ÊÝ, ÓÑËÎÂÈß ÑÎÎÒÂÅÒÑÒÂÈß ÍÎÐÌÀÌ È ÔÎÐÌÛ ÏÐÅÄÑÒÀÂËÅÍÈß ÐÅÇÓËÜÒÀÒÎÂ ÊÎÍÒÐÎËß

4.1. Íîðìû êà÷åñòâà ýëåêòðîýíåðãèè

4.1.1.  ñîîòâåòñòâèè ñ ÃÎÑÒ 13109-97 äëÿ ÏÊÝ óñòàíîâëåíû íîðìàëüíî äîïóñêàåìûå è (èëè) ïðåäåëüíî äîïóñêàåìûå çíà÷åíèÿ.

 çàâèñèìîñòè îò âèäà ïóíêòà êîíòðîëÿ ÊÝ (âûâîäû ïðèåìíèêà ýëåêòðè÷åñêîé ýíåðãèè, ÒÎÏ ýëåêòðè÷åñêèõ ñåòåé ðàçëè÷íûõ êëàññîâ íàïðÿæåíèÿ è äð.) ÷èñëåííûå çíà÷åíèÿ íîðì ÊÝ â îáùåì ñëó÷àå ðàçëè÷íû è äîëæíû óñòàíàâëèâàòüñÿ â äîãîâîðàõ ýíåðãîñíàáæåíèÿ ñ ó÷åòîì íåîáõîäèìîñòè âûïîëíåíèÿ íîðì ÃÎÑÒ 13109-97 â ïóíêòàõ (òî÷êàõ) ýëåêòðè÷åñêèõ ñåòåé, óñòàíîâëåííûõ ýòèì ñòàíäàðòîì.

Äëÿ ÏÊÝ, óêàçàííûõ â 1.1, íîðìû ÊÝ â ïóíêòàõ êîíòðîëÿ îïðåäåëÿþòñÿ â ñîîòâåòñòâèè ñ Ïðèëîæåíèåì À.

4.2. Óñëîâèÿ ñîîòâåòñòâèÿ ÊÝ óñòàíîâëåííûì íîðìàì

4.2.1. Êà÷åñòâî ýëåêòðè÷åñêîé ýíåðãèè ïî îòêëîíåíèþ ÷àñòîòû è óñòàíîâèâøåìóñÿ îòêëîíåíèþ íàïðÿæåíèÿ â ïóíêòå êîíòðîëÿ ñ÷èòàþò ñîîòâåòñòâóþùèì óñòàíîâëåííûì òðåáîâàíèÿì, åñëè îäíîâðåìåííî âûïîëíÿþòñÿ ñëåäóþùèå óñëîâèÿ:

à) âñå èçìåðåííûå â òå÷åíèå 24 ÷ çíà÷åíèÿ êîíòðîëèðóåìîãî ÏÊÝ ïðèíàäëåæàò èíòåðâàëó, îãðàíè÷åííîìó ïðåäåëüíî äîïóñêàåìûìè çíà÷åíèÿìè ÏÊÝ;

á) 95 % èçìåðåííûõ â òå÷åíèå 24 ÷ çíà÷åíèé ÏÊÝ ïðèíàäëåæàò èíòåðâàëó, îãðàíè÷åííîìó íîðìàëüíî äîïóñêàåìûìè çíà÷åíèÿìè ÏÊÝ.

4.2.2 Êà÷åñòâî ýëåêòðè÷åñêîé ýíåðãèè ïî êîýôôèöèåíòàì èñêàæåíèÿ êðèâîé ñèíóñîèäàëüíîñòè è n-îé ãàðìîíè÷åñêîé ñîñòàâëÿþùåé íàïðÿæåíèÿ, à òàêæå êîýôôèöèåíòàì íåñèììåòðèè íàïðÿæåíèé ïî îáðàòíîé è íóëåâîé ïîñëåäîâàòåëüíîñòÿì â ïóíêòå êîíòðîëÿ ñ÷èòàþò ñîîòâåòñòâóþùèì óñòàíîâëåííûì òðåáîâàíèÿì, åñëè îäíîâðåìåííî âûïîëíÿþòñÿ ñëåäóþùèå óñëîâèÿ:

à) íàèáîëüøåå èç âñåõ èçìåðåííûõ â òå÷åíèå 24 ÷ çíà÷åíèé êîíòðîëèðóåìîãî ÏÊÝ íå ïðåâûøàåò ïðåäåëüíî äîïóñêàåìîãî çíà÷åíèÿ ÏÊÝ;

á) 95 % èçìåðåííûõ â òå÷åíèå 24 ÷ çíà÷åíèé êîíòðîëèðóåìîãî ÏÊÝ íå ïðåâûøàþò íîðìàëüíî äîïóñêàåìîãî çíà÷åíèÿ ÏÊÝ.

4.3. Ôîðìû ïðåäñòàâëåíèÿ ðåçóëüòàòîâ êîíòðîëÿ

4.3.1. Ðåçóëüòàòû êîíòðîëÿ îòêëîíåíèé ÷àñòîòû äîëæíû áûòü ïðåäñòàâëåíû â âèäå:

- íàèáîëüøåãî è íàèìåíüøåãî çíà÷åíèé (ñ ó÷åòîì çíàêà) çà êàæäûå 24 ÷àñà îáùåé äëèòåëüíîñòè èçìåðåíèé, à òàêæå

- âåðõíåãî è íèæíåãî çíà÷åíèé (ñ ó÷åòîì çíàêà) çà êàæäûå 24 ÷àñà îáùåé äëèòåëüíîñòè èçìåðåíèé.

4.3.2. Ðåçóëüòàòû èçìåðåíèé óñòàíîâèâøåãîñÿ îòêëîíåíèÿ íàïðÿæåíèÿ â ïóíêòå êîíòðîëÿ äîëæíû áûòü ïðåäñòàâëåíû â âèäå:

- íàèáîëüøåãî è íàèìåíüøåãî çíà÷åíèé (ñ ó÷åòîì çíàêà) óñòàíîâèâøåãîñÿ îòêëîíåíèÿ íàïðÿæåíèÿ îòäåëüíî â ðåæèìàõ íàèáîëüøèõ è íàèìåíüøèõ íàãðóçîê ÖÏ çà êàæäûå 24 ÷àñà îáùåé äëèòåëüíîñòè èçìåðåíèé, à òàêæå

- âåðõíåãî è íèæíåãî çíà÷åíèé (ñ ó÷åòîì çíàêà) óñòàíîâèâøåãîñÿ îòêëîíåíèÿ íàïðÿæåíèÿ îòäåëüíî â ðåæèìàõ íàèáîëüøèõ è íàèìåíüøèõ íàãðóçîê ÖÏ.

Ïðèìå÷àíèå. Âåðõíåå è íèæíåå çíà÷åíèÿ óñòàíîâèâøåãîñÿ îòêëîíåíèÿ íàïðÿæåíèÿ ÿâëÿþòñÿ ãðàíèöàìè îòðåçêà, êîòîðîìó ïðèíàäëåæàò 95 % çíà÷åíèé, èçìåðåííûõ çà èíòåðâàë âðåìåíè ñóòîê, ñîîòâåòñòâóþùèé ðåæèìàì íàèáîëüøèõ (íàèìåíüøèõ) íàãðóçîê ÖÏ.

4.3.3. Ïî ñîãëàñîâàíèþ ìåæäó ýíåðãîñíàáæàþùåé îðãàíèçàöèåé è ïîòðåáèòåëåì äîïóñêàåòñÿ ðåçóëüòàòû èçìåðåíèé óñòàíîâèâøåãîñÿ îòêëîíåíèÿ íàïðÿæåíèÿ ïðåäñòàâëÿòü â âèäå:

- íàèáîëüøåãî è íàèìåíüøåãî çíà÷åíèé (ñ ó÷åòîì çíàêà) çà êàæäûå 24 ÷àñà îáùåé äëèòåëüíîñòè èçìåðåíèé, à òàêæå

- âåðõíåãî è íèæíåãî çíà÷åíèé (ñ ó÷åòîì çíàêà) çà êàæäûå 24 ÷àñà îáùåé äëèòåëüíîñòè èçìåðåíèé.

4.3.4. Ðåçóëüòàòû èçìåðåíèé êîýôôèöèåíòîâ èñêàæåíèÿ êðèâîé ñèíóñîèäàëüíîñòè è n-îé ãàðìîíè÷åñêîé ñîñòàâëÿþùåé íàïðÿæåíèÿ, à òàêæå êîýôôèöèåíòîâ íåñèììåòðèè íàïðÿæåíèé ïî îáðàòíîé è íóëåâîé ïîñëåäîâàòåëüíîñòÿì äîëæíû áûòü ïðåäñòàâëåíû â âèäå:

- íàèáîëüøåãî çíà÷åíèÿ êîíòðîëèðóåìîãî ÏÊÝ çà êàæäûå 24 ÷àñà îáùåé äëèòåëüíîñòè èçìåðåíèé, à òàêæå

- âåðõíåãî çíà÷åíèÿ êîíòðîëèðóåìîãî ÏÊÝ çà êàæäûå 24 ÷àñà îáùåé äëèòåëüíîñòè èçìåðåíèé.

Ïðèìå÷àíèå. Âåðõíåå çíà÷åíèå êîíòðîëèðóåìîãî ÏÊÝ ÿâëÿåòñÿ ãðàíèöåé, íèæå êîòîðîé íàõîäÿòñÿ 95 % èçìåðåííûõ çà 24 ÷àñà çíà÷åíèé.

4.3.5. Ôîðìà ïðåäñòàâëåíèÿ ðåçóëüòàòîâ êîíòðîëÿ ÊÝ, óêàçàííàÿ â ïï 4.3.1 - 4.3.4, ÿâëÿåòñÿ îáÿçàòåëüíîé ïðè âñåõ âèäàõ èñïûòàíèé ÊÝ â ñôåðàõ, ïîäëåæàùèõ îáÿçàòåëüíîìó ãîñóäàðñòâåííîìó êîíòðîëþ è íàäçîðó (ñåðòèôèêàöèîííûå, àðáèòðàæíûå èñïûòàíèÿ, èíñïåêöèîííûé êîíòðîëü ÊÝ, ãîñóäàðñòâåííûé íàäçîð çà ñîáëþäåíèåì îáÿçàòåëüíûõ òðåáîâàíèé ãîñóäàðñòâåííûõ ñòàíäàðòîâ, èçìåðåíèÿ, èñïîëüçóåìûå äëÿ óñòàíîâëåíèÿ ñêèäîê è íàäáàâîê ïðè ðàñ÷åòàõ çà ýëåêòðè÷åñêóþ ýíåðãèþ è ò.ï.).

4.3.6. Ïðè ïðîâåäåíèè ïåðèîäè÷åñêîãî èëè òåõíîëîãè÷åñêîãî êîíòðîëÿ äîïóñêàåòñÿ èñïîëüçîâàòü óñëîâèÿ ñîîòâåòñòâèÿ ÊÝ óñòàíîâëåííûì òðåáîâàíèÿì, îñíîâàííûå íà èçìåðåíèè îòíîñèòåëüíîãî âðåìåíè âûõîäà êîíòðîëèðóåìîãî ïîêàçàòåëÿ çà íîðìàëüíî è ïðåäåëüíî äîïóñêàåìûå çíà÷åíèÿ.

 ýòèõ ñëó÷àÿõ êà÷åñòâî ýëåêòðè÷åñêîé ýíåðãèè â ïóíêòå êîíòðîëÿ ñ÷èòàþò ñîîòâåòñòâóþùèì óñòàíîâëåííûì òðåáîâàíèÿì, åñëè îäíîâðåìåííî âûïîëíÿþòñÿ èäåíòè÷íûå ïðèâåäåííûì â ïï 4.2.1 è 4.2.2 óñëîâèÿ:

à) îòíîñèòåëüíîå âðåìÿ âûõîäà çíà÷åíèé ÏÊÝ, èçìåðåííûõ â òå÷åíèå 24 ÷àñîâ, çà íîðìàëüíî äîïóñêàåìûå çíà÷åíèÿ (çíà÷åíèå) íå ïðåâûøàåò 5 %;

á) îòíîñèòåëüíîå âðåìÿ âûõîäà çíà÷åíèé ÏÊÝ, èçìåðåííûõ â òå÷åíèå 24 ÷àñîâ, çà ïðåäåëüíî äîïóñêàåìûå çíà÷åíèÿ (çíà÷åíèå) ðàâíî 0 %.

4.3.7. Êà÷åñòâî ýëåêòðè÷åñêîé ýíåðãèè ïî äëèòåëüíîñòè ïðîâàëà íàïðÿæåíèÿ ñ÷èòàþò ñîîòâåòñòâóþùèì òðåáîâàíèÿì ÍÄ, åñëè íàèáîëüøàÿ èç âñåõ èçìåðåííûõ çà ïðîäîëæèòåëüíûé ïåðèîä íàáëþäåíèÿ (íàïðèìåð, â òå÷åíèå ãîäà) äëèòåëüíîñòåé ïðîâàëîâ íàïðÿæåíèÿ íå ïðåâûøàåò ïðåäåëüíî äîïóñêàåìîãî çíà÷åíèÿ.

Âûïîëíåíèå óñòàíîâëåííûõ òðåáîâàíèé ê óêàçàííîìó ÏÊÝ ïðè îòñóòñòâèè èçìåðåíèé äîïóñêàåòñÿ ïðîâåðÿòü ðàñ÷åòîì ñóììàðíîé äëèòåëüíîñòè âûäåðæåê âðåìåíè ñðàáàòûâàíèÿ êîììóòàöèîííûõ àïïàðàòîâ è óñòàâîê ðåëåéíîé çàùèòû è àâòîìàòèêè.

5. ÂÛÁÎÐ ÏÓÍÊÒΠÊÎÍÒÐÎËß ÊÀ×ÅÑÒÂÀ ÝËÅÊÒÐÈ×ÅÑÊÎÉ ÝÍÅÐÃÈÈ

5.1. Ïóíêòû êîíòðîëÿ ïðè ïåðèîäè÷åñêîì êîíòðîëå ÊÝ â ýëåêòðè÷åñêèõ ñåòÿõ ýíåðãîñíàáæàþùåé îðãàíèçàöèè

5.1.1. Ïóíêòû êîíòðîëÿ êà÷åñòâà çàêóïàåìîé ÝÝ

 êà÷åñòâå ïóíêòîâ êîíòðîëÿ ÊÝ çàêóïàåìîé ýíåðãîñíàáæàþùåé îðãàíèçàöèåé ÝÝ âûáèðàþò ãðàíèöû ðàçäåëà áàëàíñîâîé ïðèíàäëåæíîñòè äâóõ ýíåðãîñíàáæàþùèõ îðãàíèçàöèé èëè èíûå ïóíêòû, ñâÿçûâàþùèå ýëåêòðè÷åñêèå ñåòè ýòèõ îðãàíèçàöèé è ïîçâîëÿþùèå ïðîâîäèòü èçìåðåíèÿ ÊÝ. Âûáðàííûå ïóíêòû êîíòðîëÿ óêàçûâàþò â äîãîâîðå ýíåðãîñíàáæåíèÿ ìåæäó ýòèìè ýíåðãîñíàáæàþùèìè îðãàíèçàöèÿìè.

5.1.2. Ïóíêòû êîíòðîëÿ êà÷åñòâà ïîñòàâëÿåìîé ïîòðåáèòåëÿì ÝÝ

Ïóíêòàìè êîíòðîëÿ ÊÝ, ïîñòàâëÿåìîé ïîòðåáèòåëÿì, ÿâëÿþòñÿ: ÖÏ, åñëè îí ïðèíàäëåæèò ýíåðãîñíàáæàþùåé îðãàíèçàöèè, â ÷üåì âåäåíèè íàõîäèòñÿ ðàñïðåäåëèòåëüíàÿ ýëåêòðè÷åñêàÿ ñåòü (äàëåå - ðàñïðåäåëèòåëüíàÿ ñåòü), è õàðàêòåðíûå òî÷êè â ðàñïðåäåëèòåëüíîé ñåòè, âûáîð êîòîðûõ îñóùåñòâëÿþò â ñîîòâåòñòâèè ñ ðåêîìåíäàöèÿìè ïï. 5.1.3 - 5.1.6.

5.1.3. Ïóíêòû êîíòðîëÿ óñòàíîâèâøåãîñÿ îòêëîíåíèÿ íàïðÿæåíèÿ

Âûáîð êîíòðîëüíûõ ïóíêòîâ â ðàñïðåäåëèòåëüíîé ñåòè äëÿ èçìåðåíèÿ óñòàíîâèâøåãîñÿ îòêëîíåíèÿ íàïðÿæåíèÿ ñëåäóåò ïðîèçâîäèòü â ñëåäóþùåì ïîðÿäêå.

5.1.3.1. Ñãðóïïèðîâàòü ðàñïðåäåëèòåëüíûå ëèíèè, îòõîäÿùèå îò ÖÏ, åñëè ýòî âîçìîæíî, ïî äîìèíèðóþùåìó õàðàêòåðó ãðàôèêîâ íàãðóçêè (ëèíèè ñ ïðîìûøëåííîé

íàãðóçêîé è ëèíèè ñ íàãðóçêîé îáùåñòâåííûõ, íàó÷íûõ, êîììåð÷åñêèõ ó÷ðåæäåíèé, æèëûõ çäàíèé è äð.).

5.1.3.2. Âûáðàòü â êàæäîé èç ãðóïï ðàñïðåäåëèòåëüíûõ ëèíèé ñëåäóþùèå êîíòðîëüíûå ïóíêòû:

- ÒÊÝ ñ ïîòðåáèòåëÿìè, ñîîòâåòñòâóþùèå òî÷êàì ýëåêòðè÷åñêîé ñåòè, ïîòåðè íàïðÿæåíèÿ îò ÖÏ äî êîòîðûõ ÿâëÿþòñÿ ìèíèìàëüíûìè è ìàêñèìàëüíûìè â ðàññìàòðèâàåìîé ãðóïïå ðàñïðåäåëèòåëüíûõ ëèíèé â ðåæèìàõ íàèìåíüøèõ è íàèáîëüøèõ íàãðóçîê ÖÏ;

- ÒÊÝ ñ ïîòðåáèòåëÿìè, ãðàôèê íàãðóçêè êîòîðûõ ðåçêî îòëè÷åí îò ãðàôèêà íàãðóçêè ÖÏ;

- øèíû 0,4 ê òðàíñôîðìàòîðíûõ ïîäñòàíöèé (ÒÏ) 6 - 35/0,4 êÂ, îò êîòîðûõ îñóùåñòâëÿåòñÿ ýëåêòðîñíàáæåíèå áûòîâûõ ïîòðåáèòåëåé, ïîòåðè íàïðÿæåíèÿ îò ÖÏ äî êîòîðûõ ÿâëÿþòñÿ ìèíèìàëüíûìè è ìàêñèìàëüíûìè â ðàññìàòðèâàåìîé ãðóïïå ðàñïðåäåëèòåëüíûõ ëèíèé â ðåæèìàõ íàèáîëüøèõ è íàèìåíüøèõ íàãðóçîê ÖÏ èëè ââîäíî-ðàñïðåäåëèòåëüíîå óñòðîéñòâî ê ýòèì áûòîâûì ïîòðåáèòåëÿì.

5.1.3.3. Åñëè íà ïîäñòàíöèè ýíåðãîñíàáæàþùåé îðãàíèçàöèè óñòàíîâëåí òðàíñôîðìàòîð, îñóùåñòâëÿþùèé îäèí è òîò æå çàêîí ðåãóëèðîâàíèÿ íàïðÿæåíèÿ äëÿ íåñêîëüêèõ ðàñïðåäåëèòåëüíûõ óñòðîéñòâ (òðåõîáìîòî÷íûé òðàíñôîðìàòîð, òðàíñôîðìàòîð ñ ðàñùåïëåííûìè îáìîòêàìè), òî ïóíêòû êîíòðîëÿ âûáèðàþò â îáúåäèíåííîé ðàñïðåäåëèòåëüíîé ñåòè, ïðèñîåäèíåííîé êî âñåì ñåêöèÿì (ñèñòåìàì) øèí âòîðè÷íîãî íàïðÿæåíèÿ äàííîãî òðàíñôîðìàòîðà, èñïîëüçóÿ ïîëîæåíèÿ ï. 5.1.3.2.

 êà÷åñòâå ïóíêòà êîíòðîëÿ â ÖÏ ðåêîìåíäóåòñÿ, âûáðàòü ñåêöèþ (ñèñòåìó) øèí, â ñîîòâåòñòâèè ñ íàãðóçêîé êîòîðîé îñóùåñòâëÿþò öåíòðàëèçîâàííîå ðåãóëèðîâàíèå íàïðÿæåíèÿ â îáúåäèíåííîé ðàñïðåäåëèòåëüíîé ñåòè.

5.1.3.4. Ïðè âûáîðå ïóíêòîâ êîíòðîëÿ äëÿ èçìåðåíèÿ óñòàíîâèâøåãîñÿ îòêëîíåíèÿ íàïðÿæåíèÿ ñëåäóåò èñïîëüçîâàòü:

- ðàñ÷åòû ñ ó÷åòîì ïðîãíîçèðóåìîãî ðîñòà íàãðóçîê èëè èçìåðåíèÿ ïîòåðü íàïðÿæåíèÿ â ýëåêòðè÷åñêèõ ñåòÿõ íàïðÿæåíèåì 6 - 35 è 0,4 ê â ðåæèìàõ íàèáîëüøèõ è íàèìåíüøèõ íàãðóçîê ÖÏ;

- ñâåäåíèÿ î çàãðóçêå ðàñïðåäåëèòåëüíûõ òðàíñôîðìàòîðîâ 6 - 35/0,4 ê è äàííûå î ðåãóëèðîâî÷íûõ îòâåòâëåíèÿõ, óñòàíîâëåííûõ íà ýòèõ òðàíñôîðìàòîðàõ;

- ðåçóëüòàòû èçìåðåíèé òîêîâ â ðàñïðåäåëèòåëüíûõ ëèíèÿõ è íàïðÿæåíèé íà øèíàõ 0,4 ê òðàíñôîðìàòîðîâ 6 - 35/0,4 ê è äð.

5.1.4. Ïóíêòû êîíòðîëÿ ïîêàçàòåëåé íåñèíóñîèäàëüíîñòè è êîýôôèöèåíòà íåñèììåòðèè íàïðÿæåíèé ïî îáðàòíîé ïîñëåäîâàòåëüíîñòè

 êà÷åñòâå ïóíêòîâ êîíòðîëÿ â ðàñïðåäåëèòåëüíîé ýëåêòðè÷åñêîé ñåòè äëÿ èçìåðåíèÿ ïîêàçàòåëåé íåñèíóñîèäàëüíîñòè è íåñèììåòðèè íàïðÿæåíèé ïî îáðàòíîé ïîñëåäîâàòåëüíîñòè ñëåäóåò âûáèðàòü ÒÎÏ (ÒÊÝ) ñ ïîòðåáèòåëÿìè, ÿâëÿþùèìèñÿ èñòî÷íèêàìè óõóäøåíèÿ êà÷åñòâà ýëåêòðè÷åñêîé ýíåðãèè (äàëåå èñêàæàþùèå ïîòðåáèòåëè).

Äîïîëíèòåëüíî ñëåäóåò ðàññìîòðåòü öåëåñîîáðàçíîñòü êîíòðîëÿ ÊÝ â ÒÎÏ (ÒÊÝ) ñ âîñïðèèì÷èâûìè ïîòðåáèòåëÿìè, áëèæàéøèìè ê èñêàæàþùèì ïîòðåáèòåëÿì, è òî÷êè ýëåêòðè÷åñêîé ñåòè ñ óñòàíîâëåííûìè ñòàòè÷åñêèìè êîìïåíñèðóþùèìè óñòðîéñòâàìè.

5.1.5. Ïóíêòû êîíòðîëÿ êîýôôèöèåíòà íåñèììåòðèè íàïðÿæåíèé ïî íóëåâîé ïîñëåäîâàòåëüíîñòè

 êà÷åñòâå ïóíêòîâ êîíòðîëÿ êîýôôèöèåíòà íåñèììåòðèè íàïðÿæåíèé ïî íóëåâîé ïîñëåäîâàòåëüíîñòè ñëåäóåò âûáèðàòü øèíû 0,4 ê òðàíñôîðìàòîðîâ 6 - 35/0,4 êÂ, ïèòàþùèõ êîììóíàëüíî-áûòîâóþ íàãðóçêó.

 êà÷åñòâå ïóíêòîâ êîíòðîëÿ ìîãóò áûòü òàêæå âûáðàíû øèíû òðåõôàçíîãî ââîäíî-ðàñïðåäåëèòåëüíîãî óñòðîéñòâà æèëîãî äîìà.

Âûáîð êîíêðåòíûõ ïóíêòîâ êîíòðîëÿ îñóùåñòâëÿþò ñ ó÷åòîì ðåçóëüòàòîâ èçìåðåíèé òîêîâ â ëèíèÿõ 0,4 ê è íàïðÿæåíèé íà øèíàõ 0,4 ê òðàíñôîðìàòîðîâ 6 - 35/0,4 êÂ, ïðîâîäèìûõ ýíåðãîñíàáæàþùåé îðãàíèçàöèåé äâà ðàçà â ãîä â ïåðèîä íàèáîëüøèõ è íàèìåíüøèõ ãîäîâûõ íàãðóçîê. Ïðè ýòîì â ïåðâóþ î÷åðåäü âûáèðàþò òî÷êè ðàñïðåäåëèòåëüíîé ñåòè, â êîòîðûõ áûëà çàðåãèñòðèðîâàíà íàèáîëüøàÿ íåñèììåòðèÿ ôàçíûõ òîêîâ è íàïðÿæåíèé.

5.1.6. Ïóíêòû êîíòðîëÿ îòêëîíåíèÿ ÷àñòîòû è äëèòåëüíîñòè ïðîâàëà íàïðÿæåíèÿ

 êà÷åñòâå ïóíêòîâ êîíòðîëÿ âûáèðàþò ëþáîé ïóíêò ýëåêòðè÷åñêèõ ñåòåé, â òîì ÷èñëå ëþáûå ÒÊÝ.

5.2. Ïóíêòû êîíòðîëÿ ÊÝ ïðè ðàññìîòðåíèè ïðåòåíçèé ê ÊÝ

 êà÷åñòâå ïóíêòîâ êîíòðîëÿ ÊÝ âûáèðàþò ÒÊÝ ñ ïîòðåáèòåëåì, ÿâëÿþùèìñÿ îäíîé èç ñòîðîí çàÿâëåííîé ïðåòåíçèè.

Ïðè íåîáõîäèìîñòè äîïîëíèòåëüíî ìîãóò áûòü âûáðàíû äðóãèå ïóíêòû êîíòðîëÿ, ðåçóëüòàòû èçìåðåíèé â êîòîðûõ ïîçâîëÿþò óñòàíîâèòü îáîñíîâàííîñòü ïðåòåíçèé, ïðåäúÿâëÿåìûõ ê ÊÝ ó÷àñòâóþùèìè â ñïîðå ñòîðîíàìè, íàïðèìåð, áëèæàéøàÿ ê ðàññìàòðèâàåìîìó ïîòðåáèòåëþ ÒÎÏ, åñëè ïîñëåäíÿÿ íå ÿâëÿåòñÿ ÒÊÝ ñ ýòèì ïîòðåáèòåëåì, òî÷êà â ñèñòåìå ýëåêòðîñíàáæåíèÿ ïîòðåáèòåëÿ, ïðèáëèæåííàÿ ê èñòî÷íèêó óõóäøåíèÿ ÊÝ, òî÷êà ýëåêòðè÷åñêîé ñåòè ýíåðãîñíàáæàþùåé îðãàíèçàöèè áîëåå âûñîêîãî êëàññà íàïðÿæåíèÿ, ýëåêòðè÷åñêè áëèæàéøàÿ ê ÒÎÏ ñ ðàññìàòðèâàåìûì ïîòðåáèòåëåì.

5.3. Ïóíêòû êîíòðîëÿ ÊÝ ïðè îïðåäåëåíèè ÒÓ è äîãîâîðíûõ óñëîâèé ñ ïîòðåáèòåëåì, ýëåêòðîóñòàíîâêè êîòîðîãî óõóäøàþò ÊÝ, à òàêæå ïðè äîïóñêå â ýêñïëóàòàöèþ ýëåêòðîóñòàíîâîê, óõóäøàþùèõ ÊÝ

 êà÷åñòâå ïóíêòà êîíòðîëÿ òåõ ÏÊÝ, ïî êîòîðûì ýëåêòðîóñòàíîâêè ïîòðåáèòåëÿ óõóäøàþò ÊÝ, âûáèðàþò ÒÎÏ ñ äàííûì ïîòðåáèòåëåì. Äîïîëíèòåëüíî â êà÷åñòâå ïóíêòà êîíòðîëÿ ïðè äîïóñêå ê ýêñïëóàòàöèè ýëåêòðîóñòàíîâîê, óõóäøàþùèõ ÊÝ, ìîæåò áûòü âûáðàíà òî÷êà â ñèñòåìå ýëåêòðîñíàáæåíèÿ ïîòðåáèòåëÿ, ïðèáëèæåííàÿ ê ýòîé ýëåêòðîóñòàíîâêå.

5.4. Ïóíêòû êîíòðîëÿ ÊÝ â ýëåêòðè÷åñêèõ ñåòÿõ ïîòðåáèòåëÿ

5.4.1. Ïóíêòû êîíòðîëÿ êà÷åñòâà çàêóïàåìîé ÝÝ

 êà÷åñòâå ïóíêòîâ êîíòðîëÿ ÊÝ çàêóïàåìîé ÝÝ âûáèðàþò òî÷êó êîììåð÷åñêîãî êîíòðîëÿ, åñëè îíà ðàñïîëàãàåòñÿ â ñåòè ïîòðåáèòåëÿ, èëè ãðàíèöó ðàçäåëà áàëàíñîâîé ïðèíàäëåæíîñòè èëè èíîé ïóíêò, áëèæàéøèé ê ãðàíèöå ðàçäåëà, â êîòîðîì ìîæåò áûòü îñóùåñòâëåí êîíòðîëü ÊÝ.

5.4.2. Ïóíêòû êîíòðîëÿ óñòàíîâèâøåãîñÿ îòêëîíåíèÿ íàïðÿæåíèÿ

 êà÷åñòâå ïóíêòîâ êîíòðîëÿ óñòàíîâèâøåãîñÿ îòêëîíåíèÿ íàïðÿæåíèÿ (äîïîëíèòåëüíî ê ïóíêòó êîíòðîëÿ çàêóïàåìîé ÝÝ) ðåêîìåíäóåòñÿ âûáèðàòü âûâîäû õàðàêòåðíûõ ýëåêòðîïðèåìíèêîâ: áëèæàéøåãî è íàèáîëåå óäàëåííîãî ê ãðàíèöå ðàçäåëà, à òàêæå âûâîäû ýëåêòðîïðèåìíèêîâ, õàðàêòåð íàãðóçêè êîòîðûõ ðåçêî îòëè÷åí îò ãðàôèêîâ íàãðóçêè ÖÏ â èíòåðâàëàõ âðåìåíè íàèáîëüøèõ è íàèìåíüøèõ íàãðóçîê, ñîîáùàåìûõ ïîòðåáèòåëþ ýíåðãîñíàáæàþùåé îðãàíèçàöèåé.

Ïðè âûáîðå õàðàêòåðíûõ ýëåêòðîïðèåìíèêîâ ðåêîìåíäóåòñÿ ïîëüçîâàòüñÿ èíôîðìàöèåé, óêàçàííîé â 5.1.3.4.

5.4.3. Ïóíêòû êîíòðîëÿ ïîêàçàòåëåé íåñèíóñîèäàëüíîñòè è êîýôôèöèåíòà íåñèììåòðèè íàïðÿæåíèé ïî îáðàòíîé ïîñëåäîâàòåëüíîñòè

 êà÷åñòâå ïóíêòîâ êîíòðîëÿ ïîêàçàòåëåé íåñèíóñîèäàëüíîñòè è êîýôôèöèåíòà íåñèììåòðèè íàïðÿæåíèé ïî îáðàòíîé ïîñëåäîâàòåëüíîñòè (äîïîëíèòåëüíî ê ïóíêòó êîíòðîëÿ çàêóïàåìîé ÝÝ) ðåêîìåíäóåòñÿ âûáèðàòü ÒÎÏ, ê êîòîðûì ïðèñîåäèíåíû íåëèíåéíûå è íåñèììåòðè÷íûå ýëåêòðîïðèåìíèêè.

5.4.4. Ïóíêòû êîíòðîëÿ êîýôôèöèåíòà íåñèììåòðèè íàïðÿæåíèé ïî íóëåâîé ïîñëåäîâàòåëüíîñòè

 êà÷åñòâå ïóíêòîâ êîíòðîëÿ êîýôôèöèåíòà íåñèììåòðèè íàïðÿæåíèé ïî íóëåâîé ïîñëåäîâàòåëüíîñòè ñëåäóåò âûáèðàòü øèíû 0,4 ê òðàíñôîðìàòîðîâ 6 - 35/0,4 êÂ, ïèòàþùèõ îäíîâðåìåííî òðåõôàçíóþ è îäíîôàçíóþ íàãðóçêè.

5.5. Ïóíêòû êîíòðîëÿ ïðè ñåðòèôèêàöèîííûõ èñïûòàíèÿõ

 êà÷åñòâå ïóíêòîâ êîíòðîëÿ óñòàíîâèâøåãîñÿ îòêëîíåíèÿ íàïðÿæåíèÿ âûáèðàþò ïóíêò(û) êîíòðîëÿ êà÷åñòâà çàêóïàåìîé ÝÝ (ñì.5.1.1) è âûâîäû ïðèåìíèêîâ ýëåêòðè÷åñêîé ýíåðãèè áûòîâûõ ïîòðåáèòåëåé, ïîòåðè íàïðÿæåíèÿ äî êîòîðûõ ÿâëÿþòñÿ ìèíèìàëüíûìè è ìàêñèìàëüíûìè â ðåæèìàõ íàèáîëüøèõ è íàèìåíüøèõ íàãðóçîê ÖÏ, èëè ââîäíî-ðàñïðåäåëèòåëüíûå óñòðîéñòâà ê ýòèì áûòîâûì ïîòðåáèòåëÿì, èëè, ïðè íàëè÷èè îáîñíîâàíèé (ðàñ÷åòîâ, äàííûõ èçìåðåíèé è äð.), øèíû 0,4 ê òðàíñôîðìàòîðíûõ ïîäñòàíöèé (ÒÏ) 6 - 35/0,4 êÂ, îò êîòîðûõ îñóùåñòâëÿåòñÿ ýëåêòðîñíàáæåíèå óêàçàííûõ áûòîâûõ ïîòðåáèòåëåé.

Âûáîð ïóíêòîâ êîíòðîëÿ îñòàëüíûõ ÏÊÝ îñóùåñòâëÿþò â ñîîòâåòñòâèè ñ 5.1.4 - 5.1.6.

5.6. Îðãàíû ãîñóäàðñòâåííîãî íàäçîðà çà ñîáëþäåíèåì îáÿçàòåëüíûõ òðåáîâàíèé ãîñóäàðñòâåííûõ ñòàíäàðòîâ è îðãàíû ãîñóäàðñòâåííîãî ýíåðãåòè÷åñêîãî íàäçîðà âûáèðàþò ïóíêòû êîíòðîëÿ ÊÝ ïî ñâîåìó óñìîòðåíèþ.

6. ÏÐÎÄÎËÆÈÒÅËÜÍÎÑÒÜ È ÏÅÐÈÎÄÈ×ÍÎÑÒÜ ÊÎÍÒÐÎËß ÏÊÝ

6.1. Ïðè ñåðòèôèêàöèîííûõ è àðáèòðàæíûõ èñïûòàíèÿõ, à òàêæå èíñïåêöèîííîì êîíòðîëå çà ñåðòèôèöèðîâàííîé ýëåêòðè÷åñêîé ýíåðãèåé ïðîäîëæèòåëüíîñòü íåïðåðûâíûõ èçìåðåíèé ÏÊÝ äîëæíà ñîñòàâëÿòü íå ìåíåå 7 ñóòîê.

Îðãàíû ãîñóäàðñòâåííîãî íàäçîðà çà ñîáëþäåíèåì îáÿçàòåëüíûõ òðåáîâàíèé ãîñóäàðñòâåííûõ ñòàíäàðòîâ è îðãàíû ãîñóäàðñòâåííîãî ýíåðãåòè÷åñêîãî íàäçîðà óñòàíàâëèâàþò ïðîäîëæèòåëüíîñòü íåïðåðûâíûõ èçìåðåíèé ÏÊÝ ïî ñâîåìó óñìîòðåíèþ, íî íå ìåíåå îäíèõ ñóòîê.

Ñîîòâåòñòâèå óñòàíîâëåííûì íîðìàì ïðîâåðÿåòñÿ ïî ðåçóëüòàòàì èçìåðåíèé ÏÊÝ çà êàæäûå 24 ÷ â îòäåëüíîñòè. Ïðè ýòîì ñóììàðíûé ïåðåðûâ â èçìåðåíèÿõ ÏÊÝ çà ñóòêè, âêëþ÷àÿ äëèòåëüíîñòü ïðîâàëîâ, ïåðåíàïðÿæåíèé è îòêëþ÷åíèé ïðèáîðà, äîëæåí ñîñòàâëÿòü íå áîëåå 5 ìèí.

6.2. Ïðè ïðåòåíçèîííûõ èñïûòàíèÿõ ýëåêòðè÷åñêîé ýíåðãèè îáùàÿ ïðîäîëæèòåëüíîñòü íåïðåðûâíûõ èçìåðåíèé ÏÊÝ óñòàíàâëèâàåòñÿ ñîãëàøåíèåì ìåæäó ýíåðãîñíàáæàþùåé îðãàíèçàöèåé è ïîòðåáèòåëÿìè è äîëæíà ñîñòàâëÿòü íå ìåíåå îäíèõ ñóòîê.

6.3. Ýíåðãîñíàáæàþùàÿ îðãàíèçàöèÿ äîëæíà ïðîâîäèòü ïåðèîäè÷åñêèé êîíòðîëü êà÷åñòâà ïîñòàâëÿåìîé ïîòðåáèòåëÿì ÝÝ. Ïîòðåáèòåëü ïî ñâîåìó óñìîòðåíèþ ïðîâîäèò êîíòðîëü ëþáûõ ÏÊÝ, óñòàíîâëåííûõ ÃÎÑÒ 13109-97, è îáÿçàí ïðîâîäèòü ïåðèîäè÷åñêèé êîíòðîëü ÊÝ ïî òåì ïîêàçàòåëÿì, èñòî÷íèêîì óõóäøåíèÿ êîòîðûõ îí ÿâëÿåòñÿ (ñì. ÃÎÑÒ 13109-97, ïðèëîæåíèå Å).

6.4. Ïðè ïåðèîäè÷åñêîì êîíòðîëå ÊÝ ðåêîìåíäóåòñÿ, ÷òîáû îáùàÿ ïðîäîëæèòåëüíîñòü íåïðåðûâíîãî êîíòðîëÿ ÏÊÝ ñîñòàâëÿëà 7 ñóòîê.

Äîïóñêàåòñÿ óìåíüøåíèå îáùåé ïðîäîëæèòåëüíîñòè êîíòðîëÿ ÊÝ, åñëè â íåäåëüíîì öèêëå äîñòîâåðíî îïðåäåëåíû ñóòêè (íåñêîëüêî ñóòîê), ðåçóëüòàòû èçìåðåíèé ÊÝ çà êîòîðûå ÿâëÿþòñÿ ðåïðåçåíòàòèâíûìè äëÿ íåäåëüíîãî öèêëà. Ïðè ýòîì ìèíèìàëüíàÿ ïðîäîëæèòåëüíîñòü íåïðåðûâíîãî êîíòðîëÿ êàæäîãî èç ïåðå÷èñëåííûõ â 1.1 ÏÊÝ (çà èñêëþ÷åíèåì äëèòåëüíîñòè ïðîâàëà íàïðÿæåíèÿ) äëÿ îïðåäåëåíèÿ èõ ñîîòâåòñòâèÿ òðåáîâàíèÿì ÍÄ äîëæíà áûòü íå ìåíåå 24 ÷.

Èíòåðâàë ìåæäó î÷åðåäíûìè èçìåðåíèÿìè ÏÊÝ ïðè ïåðèîäè÷åñêîì êîíòðîëå ÊÝ óñòàíàâëèâàåòñÿ ýíåðãîñíàáæàþùåé îðãàíèçàöèåé è äîëæåí ñîñòàâëÿòü:

- äëÿ óñòàíîâèâøåãîñÿ îòêëîíåíèÿ íàïðÿæåíèÿ - íå ðåæå äâóõ ðàç â ãîä â çàâèñèìîñòè îò ñåçîííîãî èçìåíåíèÿ íàãðóçîê â ðàñïðåäåëèòåëüíîé ñåòè öåíòðà ïèòàíèÿ, à ïðè íàëè÷èè àâòîìàòè÷åñêîãî âñòðå÷íîãî ðåãóëèðîâàíèÿ íàïðÿæåíèÿ - íå ðåæå 1 ðàçà â ãîä. Ïðè íåçíà÷èòåëüíîé äèíàìèêå ìàêñèìàëüíîé íàãðóçêè ÖÏ (íå áîëåå 10 % çà ãîä) è ïðè îòñóòñòâèè ñóùåñòâåííûõ èçìåíåíèé â ýëåêòðè÷åñêîé ñõåìå ñåòè è åå ýëåìåíòàõ â ïðîöåññå ýêñïëóàòàöèè äîïóñêàåòñÿ óâåëè÷èâàòü èíòåðâàë âðåìåíè ìåæäó äâóìÿ êîíòðîëüíûìè ïðîâåðêàìè óñòàíîâèâøåãîñÿ îòêëîíåíèÿ íàïðÿæåíèÿ, íî íå ðåæå 1 ðàçà â 2 ãîäà;

- äëÿ îñòàëüíûõ ÏÊÝ çà èñêëþ÷åíèåì îòêëîíåíèÿ ÷àñòîòû è äëèòåëüíîñòè ïðîâàëà íàïðÿæåíèÿ (ñì. 1.1) - íå ðåæå îäíîãî ðàçà â äâà ãîäà ïðè îòñóòñòâèè èçìåíåíèé ýëåêòðè÷åñêèõ ñõåì ñåòè è åå ýëåìåíòîâ â ïðîöåññå ýêñïëóàòàöèè è ïðè íåçíà÷èòåëüíûõ èçìåíåíèÿõ íàãðóçêè ïîòðåáèòåëÿ, óõóäøàþùåãî ÊÝ.

Ïåðèîäè÷åñêèé êîíòðîëü îòêëîíåíèé ÷àñòîòû ïðè îòñóòñòâèè îðãàíèçîâàííîãî â ýíåðãîñíàáæàþùåé îðãàíèçàöèè ïîñòîÿííîãî êîíòðîëÿ ýòîãî ÏÊÝ ðåêîìåíäóåòñÿ ïðîâîäèòü íå ðåæå 2-õ ðàç â ãîä â ðåæèìàõ íàèáîëüøèõ è íàèìåíüøèõ ãîäîâûõ íàãðóçîê. Èíòåðâàë ìåæäó êîíòðîëüíûìè ïðîâåðêàìè äîïóñêàåòñÿ óâåëè÷èâàòü, íî íå ðåæå 1 ðàçà â 2 ãîäà.

6.5. Ïåðèîäè÷åñêèé êîíòðîëü óñòàíîâèâøåãîñÿ îòêëîíåíèÿ íàïðÿæåíèÿ ðåêîìåíäóåòñÿ ïðîâîäèòü îäíîâðåìåííî âî âñåõ âûáðàííûõ â ðàññìàòðèâàåìîé ýëåêòðè÷åñêîé ñåòè ïóíêòàõ êîíòðîëÿ.

Åñëè öåíòð ïèòàíèÿ è ðàñïðåäåëèòåëüíàÿ ýëåêòðè÷åñêàÿ ñåòü ïðèíàäëåæàò ðàçíûì ýíåðãîñíàáæàþùèì îðãàíèçàöèÿì, òî ñðîêè ïðîâåäåíèÿ ïåðèîäè÷åñêîãî êîíòðîëÿ ÊÝ â ýòèõ îðãàíèçàöèÿõ öåëåñîîáðàçíî ñîãëàñîâûâàòü.

6.6. Ïðîäîëæèòåëüíîñòü íåïðåðûâíîãî êîíòðîëÿ ÊÝ äëÿ îïðåäåëåíèÿ ÒÓ íà ïðèñîåäèíåíèå è äîãîâîðíûõ óñëîâèé ýëåêòðîñíàáæåíèÿ äîëæíà ñîñòàâëÿòü íå ìåíåå 24 ÷ è óñòàíàâëèâàòüñÿ ýíåðãîñíàáæàþùåé îðãàíèçàöèåé òàêèì îáðàçîì, ÷òîáû âêëþ÷èòü õàðàêòåðíûå ñóòî÷íûå èçìåíåíèÿ ÏÊÝ â íåäåëüíîì öèêëå.

Ïðè äîïóñêå â ýêñïëóàòàöèþ ýëåêòðîóñòàíîâîê ïîòðåáèòåëÿ, ÿâëÿþùèõñÿ èñòî÷íèêàìè óõóäøåíèÿ ÊÝ â ÒÎÏ, êîíòðîëü ÏÊÝ òðåáóåòñÿ ïðîâîäèòü äî è ïîñëå ïîäêëþ÷åíèÿ ýòèõ ýëåêòðîóñòàíîâîê ïîòðåáèòåëÿ. Îáùàÿ ïðîäîëæèòåëüíîñòü èçìåðåíèé ÏÊÝ äî è ïîñëå ïîäêëþ÷åíèÿ äîëæíà óñòàíàâëèâàòüñÿ ýíåðãîñíàáæàþùåé îðãàíèçàöèåé ñ ó÷åòîì õàðàêòåðíûõ ñóòî÷íûõ èçìåíåíèé ÏÊÝ â íåäåëüíîì öèêëå è ñîñòàâëÿòü íå ìåíåå äâóõ ñóòîê.

7. ÒÐÅÁÎÂÀÍÈß Ê ÏÎÃÐÅØÍÎÑÒÈ ÈÇÌÅÐÅÍÈÉ

Ïîãðåøíîñòü èçìåðåíèé äîëæíà ñîîòâåòñòâîâàòü òðåáîâàíèÿì, óêàçàííûì â ÃÎÑÒ 13109-97, ïóíêòû 7.1 è 7.2.

8. ÒÐÅÁÎÂÀÍÈß Ê ÑÐÅÄÑÒÂÀÌ ÈÇÌÅÐÅÍÈÉ

8.1 Ïðè âñåõ âèäàõ èñïûòàíèé, êîíòðîëÿ è èçìåðåíèé ÊÝ, çà èñêëþ÷åíèåì òåõíîëîãè÷åñêîãî êîíòðîëÿ äîëæíû èñïîëüçîâàòüñÿ ñðåäñòâà èçìåðåíèé, ðåàëèçóþùèå àëãîðèòìû îáðàáîòêè èçìåðèòåëüíîé èíôîðìàöèè â ñîîòâåòñòâèè ñ òðåáîâàíèÿìè ÃÎÑÒ 13109-97 è ï. 8 íàñòîÿùèõ óêàçàíèé è èìåþùèå ìåòðîëîãè÷åñêèå õàðàêòåðèñòèêè íå õóæå óêàçàííûõ â òàáëèöå 8.1.

Òàáëèöà 8.1

Ìåòðîëîãè÷åñêèå õàðàêòåðèñòèêè ñðåäñòâ èçìåðåíèé

Íàèìåíîâàíèå èçìåðÿåìîé âåëè÷èíû, åäèíèöà èçìåðåíèé

Ìåòðîëîãè÷åñêèå õàðàêòåðèñòèêè

Äèàïàçîí èçìåðåíèé â åäèíèöàõ è; ìåðÿåìîé âåëè÷èíû

Ïðåäåë àáñîëþòíîé äîïóñêàåìîé ïîãðåøíîñòè â åäèíèöàõ èçìåðÿåìîé âåëè÷èíû

Ïðåäåë îòíîñèòåëüíîé äîïóñêàåìîé ïîãðåøíîñòè, %

Èíòåðâàë óñðåäíåíèÿ, ñ

1

2

3

4

5

1. Óñòàíîâèâøååñÿ îòêëîíåíèå íàïðÿæåíèÿ, %

îò ìèíóñ 20 äî ïëþñ 20

±0,2*

±0,5**

 

60

2. Êîýôôèöèåíò n-é ãàðìîíè÷åñêîé ñîñòàâëÿþùåé íàïðÿæåíèÿ, %

îò 0 äî 15

±0,05

ïðè ÊU(n) < 1

±5

ïðè ÊU(n) > 1

3

3. Êîýôôèöèåíò èñêàæåíèÿ ñèíóñîèäàëüíîñòè êðèâîé íàïðÿæåíèÿ, %

îò 0 äî 15

±0,1

ïðè ÊU < 1

±10

ïðè ÊU > 1

3

4. Êîýôôèöèåíò íåñèììåòðèè íàïðÿæåíèé ïî îáðàòíîé ïîñëåäîâàòåëüíîñòè, %

îò 0 äî 5

±0,2*

±0,3**

-

3

5. Êîýôôèöèåíò íåñèììåòðèè íàïðÿæåíèé ïî íóëåâîé ïîñëåäîâàòåëüíîñòè, %

îò 0 äî 5

±0,2*

±0,5**

-

3

6. Îòêëîíåíèå ÷àñòîòû, Ãö

îò 49 äî 51

±0,03

-

20

7. Äëèòåëüíîñòü ïðîâàëà íàïðÿæåíèÿ, ñ

îò 0,01 äî 60

0,01

-

-

* - äëÿ ñðåäñòâ èçìåðåíèé, ïîäêëþ÷àåìûõ ê âûõîäàì èçìåðèòåëüíûõ òðàíñôîðìàòîðîâ íàïðÿæåíèÿ,

** - äëÿ ñðåäñòâ èçìåðåíèé, ïîäêëþ÷àåìûõ íåïîñðåäñòâåííî ê ýëåêòðè÷åñêèì ñåòÿì 380, 220 Â,

ÊU, ÊU(n) - ñîîòâåòñòâåííî êîýôôèöèåíò èñêàæåíèÿ ñèíóñîèäàëüíîñòè êðèâîé íàïðÿæåíèÿ è êîýôôèöèåíò n-îé ãàðìîíè÷åñêîé ñîñòàâëÿþùåé íàïðÿæåíèÿ.

8.2. Ïðè òåõíîëîãè÷åñêîì êîíòðîëå ÊÝ äîïóñêàåòñÿ èñïîëüçîâàòü ñðåäñòâà èçìåðåíèé, äèíàìè÷åñêèå õàðàêòåðèñòèêè è ïîãðåøíîñòü êîòîðûõ îòëè÷àþòñÿ îò óñòàíîâëåííûõ â òàáëèöå 8.1. Îäíàêî ïîãðåøíîñòü èñïîëüçóåìûõ ñðåäñòâ èçìåðåíèé íå äîëæíà ïðåâûøàòü óñòàíîâëåííóþ â òàáëèöå 8.1 äëÿ ñðåäñòâ èçìåðåíèé, ïîäêëþ÷àåìûõ íåïîñðåäñòâåííî ê ýëåêòðè÷åñêèì ñåòÿì 380, 220 Â.

8.3.  ñôåðàõ, ïîäëåæàùèõ îáÿçàòåëüíîìó ãîñóäàðñòâåííîìó êîíòðîëþ è íàäçîðó (ñåðòèôèêàöèîííûå, àðáèòðàæíûå èñïûòàíèÿ, èíñïåêöèîííûé êîíòðîëü ÊÝ, ãîñóäàðñòâåííûé íàäçîð çà ñîáëþäåíèåì îáÿçàòåëüíûõ òðåáîâàíèé ãîñóäàðñòâåííûõ ñòàíäàðòîâ, èçìåðåíèÿ, èñïîëüçóåìûå äëÿ óñòàíîâëåíèÿ ñêèäîê è íàäáàâîê ïðè ðàñ÷åòàõ çà ýëåêòðè÷åñêóþ ýíåðãèþ, øòðàôíûõ ñàíêöèé è ò.ï.), ïðè ïðîâåäåíèè ðàáîò â ýëåêòðè÷åñêèõ ñåòÿõ ñ íîìèíàëüíûì íàïðÿæåíèåì âûøå 1000  äîëæíû èñïîëüçîâàòüñÿ òðàíñôîðìàòîðû íàïðÿæåíèÿ êëàññà òî÷íîñòè íå õóæå 0,5, ïîâåðåííûå â óñòàíîâëåííîì ïîðÿäêå ñ íåèñòåêøèìè ñðîêàìè ïîâåðêè. Ïðè ýòîì íàãðóçêà âòîðè÷íûõ öåïåé òðàíñôîðìàòîðîâ ñ ó÷åòîì âõîäíûõ ñîïðîòèâëåíèé èñïîëüçóåìûõ ñðåäñòâ èçìåðåíèé ÊÝ, äîëæíà íàõîäèòüñÿ â ïðåäåëàõ 25 - 100 % íîìèíàëüíîé íàãðóçêè, óñòàíîâëåííîé äëÿ óêàçàííîãî êëàññà òî÷íîñòè. Íåðàâíîìåðíîñòü àìïëèòóäíî-÷àñòîòíîé õàðàêòåðèñòèêè òðàíñôîðìàòîðà â ïîëîñå ÷àñòîò äî 2 êÃö íå äîëæíà ïðåâûøàòü 2 %. Êîýôôèöèåíòû n-ûõ ãàðìîíè÷åñêèõ ñîñòàâëÿþùèõ íàïðÿæåíèÿ äî 40-îé âêëþ÷èòåëüíî íà âûõîäå òðàíñôîðìàòîðà ïðè ïîäà÷å íà åãî âõîä ñèíóñîèäàëüíîãî íàïðÿæåíèÿ ÷àñòîòîé 50 Ãö äîëæíû áûòü íå áîëåå 0,02 %.

Ïðè îñòàëüíûõ âèäàõ èñïûòàíèé è êîíòðîëÿ ìîãóò èñïîëüçîâàòüñÿ óñòàíîâëåííûå â ýëåêòðè÷åñêèõ ñåòÿõ è íå ïîäâåðãàâøèåñÿ ïåðèîäè÷åñêîé ïîâåðêå òðàíñôîðìàòîðû íàïðÿæåíèÿ êëàññà òî÷íîñòè 0,5, íàãðóçêà âòîðè÷íûõ èçìåðèòåëüíûõ öåïåé êîòîðûõ íàõîäèòñÿ â ïðåäåëàõ îò 0,4 äî 0,8 íîìèíàëüíîé íàãðóçêè, óñòàíîâëåííîé äëÿ óêàçàííîãî êëàññà òî÷íîñòè.

8.4. Ïðèáîðû äîëæíû îáåñïå÷èâàòü èçìåðåíèÿ ïðè ñëåäóþùèõ íîìèíàëüíûõ çíà÷åíèÿõ íàïðÿæåíèÿ íà èõ âõîäàõ:

- ôàçíûå íàïðÿæåíèÿ 100/√3 è 220 Â;

- ìåæäóôàçíûå íàïðÿæåíèÿ 100 è 380 Â.

8.5. Ñðåäñòâà èçìåðåíèé äîëæíû óñðåäíÿòü èçìåðÿåìûå ÏÊÝ íà èíòåðâàëàõ, óêàçàííûõ â òàáëèöå 8.1, ñ èñïîëüçîâàíèåì ñëåäóþùèõ âåñîâûõ ôóíêöèé (èçìåðèòåëüíûõ îêîí):

ïðÿìîóãîëüíîå èçìåðèòåëüíîå îêíî ñ øèðèíîé Tw, ðàâíîé 0,32 ñ, áåç ïðîáåëîâ ìåæäó îêíàìè,

èëè èçìåðèòåëüíîå îêíî Õåííèíãà ñ øèðèíîé Tw, ðàâíîé 0,4 - 0,5 ñ, ñ ïåðåêðûòèåì ñìåæíûõ îêîí íà 50 %.

8.6. Ñðåäñòâà èçìåðåíèé äîëæíû îáåñïå÷èâàòü âûÿâëåíèå êðàòêîâðåìåííûõ ïåðåíàïðÿæåíèé, ïðîâàëîâ è îòêëþ÷åíèé èçìåðÿåìûõ íàïðÿæåíèé äëèòåëüíîñòüþ áîëåå 0,01 ñ.  ñëó÷àå, åñëè íà èíòåðâàëå èçìåðåíèé, ðàâíîì øèðèíå èçìåðèòåëüíîãî îêíà ïî 8.5, ïðîèñõîäèò ëþáîå èç ýòèõ ÿâëåíèé, ðåçóëüòàòû èçìåðåíèé â ýòîì îêíå äîëæíû èãíîðèðîâàòüñÿ.

8.7. Ñðåäñòâà èçìåðåíèé äîëæíû îáåñïå÷èâàòü íîðìàëüíóþ ðàáîòó ïðè õàðàêòåðèñòèêàõ íàïðÿæåíèÿ ïèòàíèÿ, èçìåíÿþùèõñÿ â ïðåäåëàõ, óêàçàííûõ â òàáëèöå 8.1, â òîì ÷èñëå ïðè ñíèæåíèè íàïðÿæåíèÿ ïèòàíèÿ äî 80 % îò íîìèíàëüíîãî íàïðÿæåíèÿ. Ïðè áîëüøåì ñíèæåíèè èëè èñ÷åçíîâåíèè íàïðÿæåíèÿ ïèòàíèÿ ñðåäñòâà èçìåðåíèé äîëæíû îáåñïå÷èâàòü ñîõðàíåíèå óñòàíîâî÷íûõ ïàðàìåòðîâ, îïåðàòèâíûõ óñòàâîê, íàêîïëåííîé â ïàìÿòè èíôîðìàöèè, à òàêæå îòñ÷åò òåêóùåãî âðåìåíè. Ïðè âîññòàíîâëåíèè íàïðÿæåíèÿ ïèòàíèÿ äî 80 % îò íîìèíàëüíîãî çíà÷åíèÿ, ñðåäñòâà èçìåðåíèé äîëæíû îáåñïå÷èâàòü àâòîìàòè÷åñêîå âîññòàíîâëåíèå íîðìàëüíîé ðàáîòû.

8.8. Ñðåäñòâà èçìåðåíèé äîëæíû îáåñïå÷èâàòü íàêîïëåíèå èçìåðèòåëüíîé èíôîðìàöèè çà âðåìÿ íå ìåíåå 7 ñóòîê è õðàíåíèå ýòîé èíôîðìàöèè ïðè îòêëþ÷åííîì ïèòàíèè íå ìåíåå 15 ñóòîê.

8.9. Ñðåäñòâà èçìåðåíèé äîëæíû îáåñïå÷èâàòü ðåãèñòðàöèþ è îòîáðàæåíèå ñóììàðíîé äëèòåëüíîñòè ñîáûòèé, óêàçàííûõ â 8.6 è 8.7, â òå÷åíèå êàæäûõ êàëåíäàðíûõ ñóòîê. Ïðè ýòîì äîëæíî ó÷èòûâàòüñÿ âðåìÿ âûõîäà ïðèáîðà íà íîðìàëüíûé ðåæèì ðàáîòû ïîñëå âîññòàíîâëåíèÿ ïèòàíèÿ.

8.10. Ñðåäñòâà èçìåðåíèé äîëæíû îáåñïå÷èâàòü ïðåäñòàâëåíèå ïðîòîêîëîâ èçìåðåíèé â ôîðìå, îáåñïå÷èâàþùåé ïðîâåðêó óñëîâèé ñîîòâåòñòâèÿ ÊÝ ïî ï. 4.2 íàñòîÿùèõ Óêàçàíèé.

8.11. Ïî óñòîé÷èâîñòè ê êëèìàòè÷åñêèì âîçäåéñòâèÿì â ðàáî÷èõ óñëîâèÿõ ïðèìåíåíèÿ ïðèáîðû äîëæíû ñîîòâåòñòâîâàòü ãðóïïå èñïîëíåíèÿ íå íèæå 3-é ïî ÃÎÑÒ 22261-94.

8.12. Ïî óñòîé÷èâîñòè ê âîçäåéñòâèþ âíåøíèõ ýëåêòðîìàãíèòíûõ ïîìåõ ñðåäñòâà èçìåðåíèé äîëæíû óäîâëåòâîðÿòü òðåáîâàíèÿì ñëåäóþùèõ ñòàíäàðòîâ: ÃÎÑÒ Ð 50317.4.2-99 (ÌÝÊ 61000-4-2-95), ÃÎÑÒ Ð 50317.4.3-99 (ÌÝÊ 61000-4-3-95), ÃÎÑÒ Ð 50317.4.4-99 (ÌÝÊ 61000-4-4-95), ÃÎÑÒ Ð 50317.4.5-99 (ÌÝÊ 61000-4-5-95), ÃÎÑÒ Ð 50317.4.11-99 (ÌÝÊ 61000-4-11-94), ÃÎÑÒ Ð 50628- 2000, ÃÎÑÒ Ð 50648-94 (ÌÝÊ 1000-4-8-93).

8.13. Ñðåäñòâà èçìåðåíèé äîëæíû âûäåðæèâàòü íà çàæèìàõ âõîäíûõ öåïåé è öåïåé ñåòåâîãî ïèòàíèÿ äëèòåëüíîå (íå ìåíåå 24 ÷) âîçäåéñòâèå íàïðÿæåíèÿ íå ìåíåå óäâîåííîãî íîìèíàëüíîãî çíà÷åíèÿ.

8.14. Ñðåäñòâà èçìåðåíèé äîëæíû âûäåðæèâàòü íà çàæèìàõ âõîäíûõ öåïåé è öåïåé ñåòåâîãî ïèòàíèÿ âîçäåéñòâèå ãðîçîâûõ èìïóëüñîâ íàïðÿæåíèÿ äî 6 êÂ.

8.15. Ñðåäñòâà èçìåðåíèé äîëæíû îáåñïå÷èâàòü çàùèòó èçìåðèòåëüíîé èíôîðìàöèè ïóòåì îãðàíè÷åíèÿ äîñòóïà ê âõîäíûì çàæèìàì è îðãàíàì óïðàâëåíèÿ, ïðèìåíåíèåì ïàðîëåé, ôèêñàöèåé â ïàìÿòè ìîìåíòîâ âðåìåíè ââîäà êîìàíä, èçìåíÿþùèõ ðåæèìû ðàáîòû ïðèáîðà.

9. ÌÅÒÎÄ ÈÇÌÅÐÅÍÈÉ

9.1. Ïðè âûïîëíåíèè èçìåðåíèé èñïîëüçóþò ìåòîä íåïîñðåäñòâåííîé îöåíêè ÏÊÝ, ïåðå÷èñëåííûõ â 1.1.

9.2. Ïðè êîíòðîëå ÊÝ â òðåõôàçíûõ è îäíîôàçíûõ ýëåêòðè÷åñêèõ ñåòÿõ ñëåäóåò èçìåðÿòü ôàçíûå íàïðÿæåíèÿ.

Ïðè îòñóòñòâèè â ýëåêòðè÷åñêèõ ñåòÿõ ñ èçîëèðîâàííîé íåéòðàëüþ îäíîôàçíûõ çàçåìëÿåìûõ èëè òðåõôàçíûõ çàçåìëÿåìûõ òðàíñôîðìàòîðîâ íàïðÿæåíèÿ äîïóñêàåòñÿ èçìåðÿòü ìåæäóôàçíûå íàïðÿæåíèÿ.

10. ÒÐÅÁÎÂÀÍÈß ÁÅÇÎÏÀÑÍÎÑÒÈ

10.1. Ïðè êîíòðîëå ÏÊÝ äîëæíû áûòü ñîáëþäåíû òðåáîâàíèÿ áåçîïàñíîñòè â ñîîòâåòñòâèè ñ ÃÎÑÒ 12.3.019-80, ÃÎÑÒ 12.2.007-75, «Ïðàâèëàìè ýêñïëóàòàöèè ýëåêòðîóñòàíîâîê ïîòðåáèòåëåé», «Ïðàâèëàìè òåõíèêè áåçîïàñíîñòè ïðè ýêñïëóàòàöèè ýëåêòðîóñòàíîâîê ïîòðåáèòåëåé», «Ïðàâèëàìè òåõíèêè áåçîïàñíîñòè ïðè ýêñïëóàòàöèè ýëåêòðîóñòàíîâîê» è «Ïðàâèëàìè òåõíè÷åñêîé ýêñïëóàòàöèè ýëåêòðè÷åñêèõ ñòàíöèé è ñåòåé Ðîññèéñêîé Ôåäåðàöèè».

10.2. Ïîìåùåíèÿ, èñïîëüçóåìûå ïðè êîíòðîëå ÏÊÝ, äîëæíû óäîâëåòâîðÿòü òðåáîâàíèÿì ïîæàðíîé áåçîïàñíîñòè ïî ÃÎÑÒ 12.1.004-91.

10.3. Ñðåäñòâà èçìåðåíèé, èñïîëüçóåìûå ïðè êîíòðîëå ÏÊÝ, äîëæíû óäîâëåòâîðÿòü òðåáîâàíèÿì áåçîïàñíîñòè ïî ÃÎÑÒ 22261-94.

11. ÒÐÅÁÎÂÀÍÈß Ê ÊÂÀËÈÔÈÊÀÖÈÈ ÎÏÅÐÀÒÎÐÎÂ

11.1. Ê âûïîëíåíèþ èçìåðåíèé ìîãóò áûòü äîïóùåíû ëèöà, èìåþùèå êâàëèôèêàöèþ íå íèæå 3-é ãðóïïû (â óñòàíîâëåííûõ ñëó÷àÿõ 4-é ãðóïïû) ïî ýëåêòðîáåçîïàñíîñòè. Ýòè ëèöà äîëæíû áûòü àòòåñòîâàíû íà ïðàâî ïðîâåäåíèÿ êîíòðîëÿ ÏÊÝ â óñòàíîâëåííîì ïîðÿäêå.

11.2. Àíàëèç ðåçóëüòàòîâ êîíòðîëÿ ÏÊÝ è îôîðìëåíèå ïðîòîêîëîâ ìîæåò ïðîèçâîäèòüñÿ ëèöàìè ñî ñðåäíèì ñïåöèàëüíûì èëè âûñøèì îáðàçîâàíèåì.

12. ÓÑËÎÂÈß ÈÇÌÅÐÅÍÈÉ

12.1. Èçìåðåíèÿ ÏÊÝ ïðîâîäÿò â íîðìàëüíûõ è ðåìîíòíûõ ðåæèìàõ ðàáîòû ýëåêòðè÷åñêîé ñåòè.

12.2. Ïðè èçìåðåíèÿõ ÏÊÝ îáåñïå÷èâàþò âûïîëíåíèå ðàáî÷èõ óñëîâèé ïðèìåíåíèÿ èñïîëüçóåìûõ ÑÈ â ïóíêòå êîíòðîëÿ.

13. ÏÎÄÃÎÒÎÂÊÀ Ê ÏÐÎÂÅÄÅÍÈÞ ÈÇÌÅÐÅÍÈÉ

13.1. Ïåðåä íà÷àëîì èçìåðåíèé â ýëåêòðè÷åñêèõ ñåòÿõ íàïðÿæåíèåì âûøå 1000  ñëåäóåò:

- óñòàíîâèòü òèï èçìåðèòåëüíîãî òðàíñôîðìàòîðà (òðàíñôîðìàòîðîâ) íàïðÿæåíèÿ (ÒÍ) â ïóíêòå êîíòðîëÿ; íîìèíàëüíûå íàïðÿæåíèÿ ïåðâè÷íîé è âòîðè÷íîé îáìîòîê ÒÍ; ñõåìó ñîåäèíåíèé âòîðè÷íûõ îáìîòîê ÒÍ; êëàññ åãî òî÷íîñòè, íàëè÷èå äåéñòâóþùåãî ñâèäåòåëüñòâà î ïîâåðêå èëè ïîâåðèòåëüíîãî êëåéìà (ïðè íåîáõîäèìîñòè, ñì. ï 8.3 íàñòîÿùèõ Óêàçàíèé), ñõåìó ñîåäèíåíèÿ íàãðóçîê âòîðè÷íûõ îáìîòîê ÒÍ;

- îïðåäåëèòü íàãðóçêó âòîðè÷íûõ öåïåé ÒÍ â ñîîòâåòñòâèè ñ ïðèëîæåíèåì Á. Íàãðóçêà äîëæíà ñîîòâåòñòâîâàòü òðåáîâàíèÿì ï. 8.3 íàñòîÿùèõ Óêàçàíèé;

13.2. Ïåðåä íà÷àëîì èçìåðåíèé ÊÝ ñëåäóåò:

- ïðîâåðèòü êëèìàòè÷åñêèå óñëîâèÿ, à òàêæå íàïðÿæåíèå è ÷àñòîòó ïèòàíèÿ ñ òåì, ÷òîáû èñïîëüçóåìûå ñðåäñòâà èçìåðåíèé áûëè ðàçìåùåíû â òàêèõ êëèìàòè÷åñêèõ óñëîâèÿõ è áûëè îáåñïå÷åíû òàêèå õàðàêòåðèñòèêè íàïðÿæåíèÿ èõ ïèòàíèÿ, äëÿ êîòîðûõ â ñîîòâåòñòâèè ñ òåõíè÷åñêîé äîêóìåíòàöèåé óêàçàííûõ ñðåäñòâ èçìåðåíèé îáåñïå÷èâàþòñÿ íîðìû òî÷íîñòè èçìåðåíèé ïî 8.1 íàñòîÿùèõ Óêàçàíèé;

- óñòàíîâèòü ñðåäñòâà èçìåðåíèé, çàçåìëèòü èõ è ïîäãîòîâèòü ê ðàáîòå â ñîîòâåòñòâèè ñ èíñòðóêöèÿìè ïî ýêñïëóàòàöèè, âêëþ÷àÿ ïðîãðåâ ïðèáîðà, êîððåêòèðîâêó, ïðè íåîáõîäèìîñòè, òåêóùåãî âðåìåíè è äàòû, ââåäåíèå íåîáõîäèìûõ óñòàâîê.  êà÷åñòâå ñîåäèíèòåëüíûõ ïðîâîäîâ ìåæäó ïðèáîðîì è èññëåäóåìîé ñåòüþ ñëåäóåò èñïîëüçîâàòü ñòàíäàðòíûå ñîåäèíèòåëüíûå êàáåëè, âõîäÿùèå â êîìïëåêò ïðèáîðà, èëè â ñëó÷àå èõ îòñóòñòâèÿ ìíîãîæèëüíûå êàáåëè. Ñå÷åíèå è äëèíà ñîåäèíèòåëüíûõ ïðîâîäîâ äîëæíû áûòü âûáðàíû èç óñëîâèÿ, ÷òî ïîòåðÿ íàïðÿæåíèÿ â íèõ íå ïðåâûøàåò 0,05 %;

- ïðèíÿòü ìåðû äëÿ èñêëþ÷åíèÿ âëèÿíèÿ ïîìåõ íà èçìåðèòåëüíûå öåïè ïðèáîðà. Íàïðÿæåíèå ïîìåõè îöåíèâàþò ñëåäóþùèì îáðàçîì. Îäèí èç âõîäíûõ çàæèìîâ èçìåðèòåëüíîãî êàáåëÿ, ñîîòâåòñòâóþùèé êàíàëó èçìåðåíèÿ, ïî êîòîðîìó îñóùåñòâëÿåòñÿ ñèíõðîíèçàöèÿ ïðèáîðà (êàê ïðàâèëî - ýòî êàíàë èçìåðåíèÿ íàïðÿæåíèÿ ôàçû À), ïîäêëþ÷àþò ê êîíòðîëèðóåìîé öåïè, îñòàëüíûå çàæèìû ïðèñîåäèíÿþò ê êëåììå çàçåìëåíèÿ îáúåêòà (ÒÍ èëè êëåììíîå óñòðîéñòâî, ê êîòîðîìó ïîäêëþ÷àþò ïðèáîð). Äåéñòâóþùåå çíà÷åíèå íàïðÿæåíèÿ ïîìåõè íà çàçåìëåííûõ êàíàëàõ èçìåðåíèé ôàçíîãî (ìåæäóôàçíîãî) íàïðÿæåíèÿ íå äîëæíî ïðåâûøàòü 0,1 % îò íîìèíàëüíîãî çíà÷åíèÿ èçìåðÿåìîãî íàïðÿæåíèÿ.

- ïîäêëþ÷èòü êîíòðîëèðóåìîå íàïðÿæåíèå â ñîîòâåòñòâèè ñ 9.2 íàñòîÿùèõ óêàçàíèé. Îïðåäåëèòü ñîîòâåòñòâèå ìàðêèðîâêè ôàç èçìåðÿåìîé òðåõôàçíîé ñåòè ïðàâèëüíîìó ÷åðåäîâàíèþ ôàç ñ ïîìîùüþ ôàçîóêàçàòåëÿ èëè ñðåäñòâà èçìåðåíèé ÊÝ. Ñëåäîâàíèå ôàç âõîäíûõ ñèãíàëîâ äîëæíî ñîâïàäàòü ñ ìàðêèðîâêîé ñîîòâåòñòâóþùèõ èçìåðèòåëüíûõ êàíàëîâ íàïðÿæåíèÿ ïðèáîðà; - óáåäèòüñÿ â ðàáîòîñïîñîáíîñòè ñîáðàííîé ñõåìû, ïðîêîíòðîëèðîâàâ òåêóùèå çíà÷åíèÿ ÏÊÝ.

14. ÂÛÏÎËÍÅÍÈÅ ÈÇÌÅÐÅÍÈÉ

14.1. Âûïîëíåíèå èçìåðåíèé ïðîèçâîäÿò â ñîîòâåòñòâèè ñ èíñòðóêöèåé ïî ýêñïëóàòàöèè èñïîëüçóåìîãî ÑÈ.

14.2. Êëèìàòè÷åñêèå óñëîâèÿ îêðóæàþùåé ñðåäû è íàïðÿæåíèÿ ïèòàíèÿ ïðèáîðà êîíòðîëèðóþòñÿ íå ìåíåå 1 ðàçà â ñóòêè.

14.3. Ïðîäîëæèòåëüíîñòü è ïåðèîäè÷íîñòü èçìåðåíèé óñòàíàâëèâàþò â ñîîòâåòñòâèè ñ ðàçäåëîì 6 íàñòîÿùèõ Óêàçàíèé.

14.4. Ïåðåä çàâåðøåíèåì èçìåðåíèé ïðîâåðÿþò âûïîëíåíèå òðåáîâàíèé 6.1 ïî ñóììàðíîìó ïåðåðûâó â èçìåðåíèÿõ ÏÊÝ, â ñëó÷àå íåâûïîëíåíèÿ òðåáîâàíèé èçìåðåíèÿ ïîâòîðÿþò.

15. ÎÁÐÀÁÎÒÊÀ ÐÅÇÓËÜÒÀÒÎÂ ÈÇÌÅÐÅÍÈÉ

Äëÿ îöåíêè ñîîòâåòñòâèÿ ÏÊÝ óñòàíîâëåííûì òðåáîâàíèÿì ñîãëàñíî 4.2 íàñòîÿùèõ óêàçàíèé ñðåäñòâà èçìåðåíèé äîëæíû îáåñïå÷èâàòü îáðàáîòêó ðåçóëüòàòîâ èçìåðåíèé ïî ñëåäóþùåìó àëãîðèòìó:

15.1. Äëÿ ïîêàçàòåëåé, èìåþùèõ íîðìó â âèäå îäíîãî ïðåäåëà (êîýôôèöèåíò èñêàæåíèÿ ñèíóñîèäàëüíîñòè êðèâîé íàïðÿæåíèÿ, êîýôôèöèåíò n-îé ãàðìîíè÷åñêîé ñîñòàâëÿþùåé íàïðÿæåíèÿ è äð.), îáðàáîòêà ðåçóëüòàòîâ èçìåðåíèé ÏÊÝ âûïîëíÿåòñÿ â ñëåäóþùåì ïîðÿäêå.

15.1.1. Âñå èçìåðåííûå çà 24 ÷àñà çíà÷åíèÿ ÏÊÝ óïîðÿäî÷èâàþòñÿ íà ÷èñëîâîé îñè è êàæäîìó óïîðÿäî÷åííîìó çíà÷åíèþ ïðèñâàèâàåòñÿ íîìåð îò 1 äî Níá.

15.1.2. Îïðåäåëÿþò íàèáîëüøåå çíà÷åíèå ÏÊÝ - ÏÊÝíá, ñîîòâåòñòâóþùåå íàèáîëüøåìó íîìåðó Níá.

15.1.3. Îïðåäåëÿþò âåðõíåå çíà÷åíèå ÏÊÝ (ÏÊÝâ), ñîîòâåòñòâóþùåå óñëîâèþ, ÷òî 95 % èçìåðåííûõ çíà÷åíèé ÏÊÝ ëåæàò íèæå ýòîãî çíà÷åíèÿ. Óïîðÿäî÷åííûé íîìåð âåðõíåãî çíà÷åíèÿ ÏÊÝ îïðåäåëÿþò ïî ôîðìóëå:

Nâ = Níá - 0,05 N,

ãäå N - îáùåå ÷èñëî èçìåðåíèé ÏÊÝ çà 24 ÷àñà.

15.2. Äëÿ ïîêàçàòåëåé, èìåþùèõ íîðìó â âèäå äèàïàçîíà (óñòàíîâèâøååñÿ îòêëîíåíèå íàïðÿæåíèÿ, îòêëîíåíèå ÷àñòîòû) îáðàáîòêà ðåçóëüòàòîâ èçìåðåíèé ÏÊÝ âûïîëíÿåòñÿ â ñëåäóþùåì ïîðÿäêå.

15.2.1. Âñå èçìåðåííûå çà 24 ÷ çíà÷åíèÿ ÏÊÝ óïîðÿäî÷èâàþò íà ÷èñëîâîé îñè è êàæäîìó óïîðÿäî÷åííîìó çíà÷åíèþ ïðèñâàèâàþò íîìåð îò 1 äî Níá.

15.2.2. Îïðåäåëÿþò ÷èñëî çíà÷åíèé ÏÊÝ, âûõîäÿùèõ çà íèæíåå íîðìàëüíî äîïóñêàåìîå çíà÷åíèå - òí è âåðõíåå íîðìàëüíî äîïóñêàåìîå çíà÷åíèå - òâ.

15.2.3. Åñëè òí = 0 è òâ = 0, òî óïîðÿäî÷åííûå íîìåðà, ñîîòâåòñòâóþùèå íèæíåìó è âåðõíåìó çíà÷åíèÿì ÏÊÝ, â ïðåäåëàõ êîòîðûõ íàõîäÿòñÿ 95 % èçìåðåííûõ çíà÷åíèé ÏÊÝ, îïðåäåëÿþò ïî ôîðìóëàì:

Ní = 0,025 N

Nâ = Ní + 0,95 N

15.2.4. Åñëè óñëîâèÿ ïî 15.2.3 íå ñîáëþäàþòñÿ, íî òí+ mâ < 0,05N, òî:

à) åñëè òí = 0, òî óïîðÿäî÷åííûå íîìåðà, ñîîòâåòñòâóþùèå íèæíåìó è âåðõíåìó çíà÷åíèÿì ÏÊÝ, îïðåäåëÿþò èç âûðàæåíèé

Ní = (0,05 N + mâ)/2

Nâ = Ní + 0,95 N

á) åñëè òâ = 0, òî óïîðÿäî÷åííûå íîìåðà, ñîîòâåòñòâóþùèå íèæíåìó è âåðõíåìó çíà÷åíèÿì ÏÊÝ îïðåäåëÿþò èç âûðàæåíèé

Ní = (0,05 N - mí)/2

Nâ = Ní + 0,95 N

15.2.5. Åñëè óñëîâèÿ ïî 15.2.3 íå ñîáëþäàþòñÿ, íî òí + òâ > 0,05N, òî óïîðÿäî÷åííûå íîìåðà, ñîîòâåòñòâóþùèå âåðõíåìó è íèæíåìó çíà÷åíèÿì, îïðåäåëÿþò ïî ñëåäóþùèì ôîðìóëàì:

Ní = 0,05 Nmí/(mí + mâ)

Nâ = Ní + 0,95 N

16. ÎÔÎÐÌËÅÍÈÅ ÐÅÇÓËÜÒÀÒΠÊÎÍÒÐÎËß ÏÎÊÀÇÀÒÅËÅÉ ÊÀ×ÅÑÒÂÀ ÝËÅÊÒÐÈ×ÅÑÊÎÉ ÝÍÅÐÃÈÈ

Ðåçóëüòàòû êîíòðîëÿ ÏÊÝ îôîðìëÿþòñÿ â âèäå «Ïðîòîêîëà èñïûòàíèé (êîíòðîëÿ) ýëåêòðè÷åñêîé ýíåðãèè ïî ïîêàçàòåëÿì êà÷åñòâà» (äàëåå - ïðîòîêîë).

16.1. Â ïðîòîêîëå ïðèâîäÿò ñëåäóþùèå äàííûå:

à) íàèìåíîâàíèå è àäðåñ èñïûòàòåëüíîé ëàáîðàòîðèè (îðãàíèçàöèè èëè ïîäðàçäåëåíèÿ), ïðîâîäèâøèõ èçìåðåíèÿ ÊÝ;

á) íàèìåíîâàíèå è àäðåñ îðãàíèçàöèè (ïîäðàçäåëåíèÿ ýíåðãîñíàáæàþùåé îðãàíèçàöèè), ÿâëÿþùåéñÿ çàêàç÷èêîì èñïûòàíèé (èçìåðåíèé) ÊÝ;

â) íàèìåíîâàíèå è àäðåñ îáúåêòà èñïûòàíèé (ïóíêòà êîíòðîëÿ êà÷åñòâà ÝÝ);

ã) íàèìåíîâàíèå è àäðåñ (íîìåð) öåíòðà ïèòàíèÿ, ðàñïðåäåëèòåëüíîãî ïóíêòà, òðàíñôîðìàòîðíîé ïîäñòàíöèè è ò.ä.;

ä) öåëü èñïûòàíèé (êàòåãîðèÿ èñïûòàíèé - ñåðòèôèêàöèîííûå, àðáèòðàæíûå, ïðåòåíçèîííûå, ïåðèîäè÷åñêèé êîíòðîëü è äð.), íàèìåíîâàíèå è íîìåð íîðìàòèâíîé äîêóìåíòàöèè (ÃÎÑÒ 13109-97 èëè äîãîâîð ýíåðãîñíàáæåíèÿ ñ óêàçàíèåì ïóíêòîâ, óñòàíàâëèâàþùèõ äîïóñêàåìûå çíà÷åíèÿ ÏÊÝ);

å) ñðîêè ïðîâåäåíèÿ èñïûòàíèé (ãîä, ìåñÿö, ÷èñëî, âðåìÿ íà÷àëà è îêîí÷àíèÿ èçìåðåíèé);

æ) íàèìåíîâàíèå è ïóíêòû íîðìàòèâíîé äîêóìåíòàöèè, óñòàíàâëèâàþùåé ìåòîäû èñïûòàíèé (êîíòðîëÿ) ÊÝ;

è) ñðåäñòâà èçìåðåíèé:

1) íàèìåíîâàíèå, òèï, íîìåð ïðèáîðà(îâ) äëÿ èçìåðåíèé ÏÊÝ, ñâåäåíèÿ î ïîãðåøíîñòÿõ èçìåðèòåëåé ÏÊÝ, äàòà ïîñëåäíåé ïîâåðêè, ñðîê äåéñòâèÿ ñâèäåòåëüñòâà î ïîâåðêå;

2) òèï èçìåðèòåëüíîãî òðàíñôîðìàòîðà íàïðÿæåíèÿ (ÒÍ), êëàññ òî÷íîñòè, ñâåäåíèÿ î ïîãðåøíîñòÿõ ÒÍ è ïîâåðêå;

3) ññûëêà íà ïðîòîêîë èçìåðåíèÿ íàãðóçêè ÒÍ;

ê) óñëîâèÿ âûïîëíåíèÿ èçìåðåíèé:

1) òåìïåðàòóðà îêðóæàþùåãî âîçäóõà, °Ñ;

2) îòíîñèòåëüíàÿ âëàæíîñòü âîçäóõà, %;

3) àòìîñôåðíîå äàâëåíèå, êÏà (ìì ðò.ñò.) - òîëüêî äëÿ ñåðòèôèêàöèîííûõ è àðáèòðàæíûõ èñïûòàíèé;

4) ÷àñòîòà ñåòè ýëåêòðîïèòàíèÿ ñðåäñòâ èçìåðåíèé ÊÝ, Ãö;

5) íàïðÿæåíèå ñåòè ýëåêòðîïèòàíèÿ ñðåäñòâ èçìåðåíèé ÊÝ, Â;

ë) òðåáîâàíèÿ ê ïîêàçàòåëÿì êà÷åñòâà ýëåêòðîýíåðãèè â ïóíêòå êîíòðîëÿ;

ì) ðåçóëüòàòû èçìåðåíèé ÏÊÝ â ïóíêòå êîíòðîëÿ çà êàæäûå 24 ÷ (ðåçóëüòàòû ìîãóò áûòü ïðèâåäåíû â ïðèëîæåíèè ê ïðîòîêîëó);

í) çàêëþ÷åíèå ïî ðåçóëüòàòàì êîíòðîëÿ ÏÊÝ.

 ïðèëîæåíèÿõ ê ïðîòîêîëó ïðèâîäÿòñÿ ðåçóëüòàòû èñïûòàíèé ÒÍ èëè åãî íàãðóçêè, à òàêæå ðåçóëüòàòû èçìåðåíèé ÏÊÝ â ïóíêòå êîíòðîëÿ çà êàæäûå 24 ÷, îïèñàíèå ìåð, ïðåäïðèíÿòûõ äëÿ ïîääåðæàíèÿ äëÿ ÑÈ íåîáõîäèìûõ óñëîâèé èçìåðåíèé, à òàêæå äîïîëíèòåëüíûå ñâåäåíèÿ, íåîáõîäèìîñòü ïðåäñòàâëåíèÿ êîòîðûõ îïðåäåëÿþò èñïûòàòåëüíàÿ îðãàíèçàöèÿ è (èëè) çàêàç÷èê.

Ðåêîìåíäóåìûå ôîðìû «Ïðîòîêîëà ñåðòèôèêàöèîííûõ èñïûòàíèé...» è «Ïðèëîæåíèÿ ê ïðîòîêîëó» ïðèâåäåíû â ïðèëîæåíèè Â ê íàñòîÿùèì Óêàçàíèÿì.

Ïðèëîæåíèå À

(îáÿçàòåëüíîå)

ÄÎÏÓÑÊÀÅÌÛÅ ÇÍÀ×ÅÍÈß ÏÊÝ Â ÏÓÍÊÒÀÕ ÊÎÍÒÐÎËß

À.1. ÎÁÙÈÅ ÏÎËÎÆÅÍÈß

À.1.1. Íîðìû ÃÎÑÒ 13109-97 äëÿ âñåõ ÏÊÝ, çà èñêëþ÷åíèåì îòêëîíåíèÿ ÷àñòîòû è óñòàíîâèâøåãîñÿ îòêëîíåíèÿ íàïðÿæåíèÿ, óñòàíîâëåíû äëÿ ÒÎÏ.

À.1.2. Íîðìû ÃÎÑÒ 13109-97, óñòàíîâëåííûå äëÿ îòêëîíåíèé ÷àñòîòû, äåéñòâèòåëüíû äëÿ âñåõ òî÷åê ýëåêòðè÷åñêîé ñåòè

À.1.3. Íîðìû ÃÎÑÒ 13109-97 äëÿ óñòàíîâèâøåãîñÿ îòêëîíåíèÿ íàïðÿæåíèÿ óñòàíîâëåíû äëÿ âûâîäîâ ýëåêòðîïðèåìíèêîâ, â îñòàëüíûõ òî÷êàõ ýëåêòðè÷åñêîé ñåòè çíà÷åíèÿ óñòàíîâèâøåãîñÿ îòêëîíåíèÿ íàïðÿæåíèÿ äîëæíû áûòü òàêèìè, ÷òîáû îáåñïå÷èâàëîñü âûïîëíåíèå íîðì ÃÎÑÒ 13109-97 íà âûâîäàõ ýëåêòðîïðèåìíèêîâ.

À.1.4.  ñîîòâåòñòâèè ñ ðàçäåëîì 5 íàñòîÿùèõ Óêàçàíèé â êà÷åñòâå ïóíêòîâ êîíòðîëÿ ÏÊÝ ìîãóò áûòü âûáðàíû ÒÎÏ, ÒÊÝ ñ õàðàêòåðíûìè ïîòðåáèòåëÿìè, âûâîäû ýëåêòðîïðèåìíèêîâ, à òàêæå äðóãèå òî÷êè ýëåêòðè÷åñêîé ñåòè, âûáðàííûå ïî ñîãëàñîâàíèþ ìåæäó ýíåðãîñíàáæàþùåé îðãàíèçàöèåé è ïîòðåáèòåëåì.

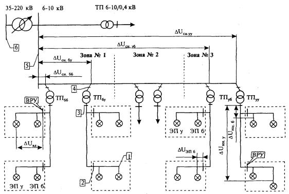
À.2. ÑÎÊÐÀÙÅÍÈß È ÎÁÎÇÍÀ×ÅÍÈß

dUíá, dUíì - ïðåäåëüíî äîïóñêàåìûå âåðõíåå è íèæíåå çíà÷åíèÿ dUy (ãðàíèöû èíòåðâàëà), â äèàïàçîíå êîòîðûõ ñ âåðîÿòíîñòüþ 100 % äîëæíî ïîääåðæèâàòüñÿ óñòàíîâèâøèåñÿ îòêëîíåíèÿ íàïðÿæåíèÿ â ïóíêòå êîíòðîëÿ (ÊÏ);

dUâ, dUí - íîðìàëüíî äîïóñêàåìûå âåðõíåå è íèæíåå çíà÷åíèÿ dUó (ãðàíèöû èíòåðâàëà), â êîòîðûõ ñ âåðîÿòíîñòüþ 95 % äîëæíî ïîääåðæèâàòüñÿ óñòàíîâèâøèåñÿ îòêëîíåíèÿ íàïðÿæåíèÿ â ïóíêòå êîíòðîëÿ;

l(ll) - âåðõíèå èíäåêñû, ñîîòâåòñòâóþùèå ðåæèìó íàèáîëüøèõ (íàèìåíüøèõ) íàãðóçîê öåíòðà ïèòàíèÿ (ÖÏ);

â(í) - íèæíèå èíäåêñû, ñîîòâåòñòâóþùèå âåðõíåé (íèæíåé) ãðàíèöå íîðìàëüíî äîïóñêàåìûõ çíà÷åíèé â ïóíêòå êîíòðîëÿ;

dUÝÏ - óñòàíîâèâøååñÿ îòêëîíåíèå íàïðÿæåíèÿ íà âûâîäàõ ýëåêòðîïðèåìíèêà (ÝÏ);

dUÂÐÓ - óñòàíîâèâøååñÿ îòêëîíåíèå íàïðÿæåíèÿ íà ââîäíî-ðàñïðåäåëèòåëüíîì óñòðîéñòâå (ÂÐÓ) çäàíèÿ (æèëîãî, îáùåñòâåííîãî);

dUÒÏ(0,4) - óñòàíîâèâøååñÿ îòêëîíåíèå íàïðÿæåíèÿ íà øèíàõ 0,4 ê òðàíñôîðìàòîðíîé ïîäñòàíöèè 6 - 10/0,4 êÂ(ÒÏ);

dUÒÏ(6 - 10) - óñòàíîâèâøååñÿ îòêëîíåíèå íàïðÿæåíèÿ íà øèíàõ 6 - 10 ê ÒÏ;

dUÏÑÒ - óñòàíîâèâøååñÿ îòêëîíåíèå íàïðÿæåíèÿ íà øèíàõ 6 - 10 ê ðàñïðåäåëèòåëüíîé ïîäñòàíöèè (ÐÏ) èëè òðàíñôîðìàòîðíîé ïîäñòàíöèè 35 - 220/6 - 10 ê (ÖÏ);

dUÝÏ.á - ïîòåðè íàïðÿæåíèÿ îò ÂÐÓ çäàíèÿ äî áëèæàéøåãî ýëåêòðîïðèåìíèêà;

dUâä- ïîòåðè íàïðÿæåíèÿ âî âíóòðèäîìîâîé ñåòè;

dUíí.á, dUíí.ó - ïîòåðè íàïðÿæåíèÿ â ñåòè íèçêîãî íàïðÿæåíèÿ îò ÒÏ äî áëèæàéøåãî è íàèáîëåå óäàëåííîãî ÝÏ;

dUñí.áá è dUñí.óó - ïîòåðè íàïðÿæåíèÿ â ñåòè ñðåäíåãî íàïðÿæåíèÿ (6 - 10 êÂ) îò ÖÏ äî áëèæàéøåé è íàèáîëåå óäàëåííîé ÒÏ;

dUñí.áó - ïîòåðè íàïðÿæåíèÿ â ñåòè ñðåäíåãî íàïðÿæåíèÿ îò ÖÏ äî íàèáîëåå óäàëåííîé ÒÏ áëèæàéøåãî ó÷àñòêà ñåòè (ñì. ï. À.4.8 è ðèñóíîê À2);

dUñí.óá - ïîòåðè íàïðÿæåíèÿ â ñåòè ñðåäíåãî íàïðÿæåíèÿ îò ÖÏ äî áëèæàéøåé ÒÏ íàèáîëåå óäàëåííîãî ó÷àñòêà ñåòè (ñì. ï. À.4.8 è ðèñóíîê À2);

dUÒ - ïîòåðè íàïðÿæåíèÿ â òðàíñôîðìàòîðå 6 - 10/0,4 êÂ;

ÅÒ - äîáàâêà íàïðÿæåíèÿ íà òðàíñôîðìàòîðå 6 - 10/0,4 êÂ, ñîîòâåòñòâóþùóþ óñòàíîâëåííîìó íà íåì ðåãóëèðîâî÷íîìó îòâåòâëåíèþ.

À.3. ÍÎÐÌÀËÜÍÎ È ÏÐÅÄÅËÜÍÎ ÄÎÏÓÑÊÀÅÌÛÅ ÇÍÀ×ÅÍÈß ÎÒÊËÎÍÅÍÈÉ ×ÀÑÒÎÒÛ

À.3.1. Íîðìàëüíî è ïðåäåëüíî äîïóñêàåìûå çíà÷åíèÿ îòêëîíåíèé ÷àñòîòû â ëþáîì èç ïóíêòîâ êîíòðîëÿ â ýëåêòðè÷åñêîé ñåòè óñòàíàâëèâàþò â ñîîòâåòñòâèè ñ ÃÎÑÒ 13109-97:

±0,2 Ãö è ±0,4 Ãö.

À.4. ÍÎÐÌÀËÜÍÎ È ÏÐÅÄÅËÜÍÎ ÄÎÏÓÑÊÀÅÌÛÅ ÇÍÀ×ÅÍÈß ÓÑÒÀÍÎÂÈÂØÅÃÎÑß ÎÒÊËÎÍÅÍÈß ÍÀÏÐ߯ÅÍÈß

À.4.1. Äîãîâîðíûå óñëîâèÿ ìåæäó ýíåðãîñíàáæàþùåé îðãàíèçàöèåé è ïîòðåáèòåëåì ïî óñòàíîâèâøåìóñÿ îòêëîíåíèþ íàïðÿæåíèÿ â ÒÎÏ (ÒÊÝ) óñòàíàâëèâàþòñÿ â âèäå äèàïàçîíîâ äîïóñêàåìûõ çíà÷åíèé óñòàíîâèâøåãîñÿ îòêëîíåíèÿ íàïðÿæåíèÿ, ôèêñèðóåìûõ îòäåëüíî:

äëÿ ðåæèìîâ íàèáîëüøèõ íàãðóçîê ÖÏ

dUIíá, dUIíì - ïðåäåëüíî äîïóñêàåìûå çíà÷åíèÿ è

dUIâ, dUIí - íîðìàëüíî äîïóñêàåìûå çíà÷åíèÿ;

äëÿ ðåæèìîâ íàèìåíüøèõ íàãðóçîê ÖÏ

dUIIíá, dUIIíì - ïðåäåëüíî äîïóñêàåìûå çíà÷åíèÿ è

dUIIâ, dUIIí - íîðìàëüíî äîïóñêàåìûå çíà÷åíèÿ.

Ñîáëþäåíèå óñòàíîâëåííûõ òðåáîâàíèé ïðîâåðÿåòñÿ îòäåëüíî â ðåæèìàõ íàèáîëüøèõ è íàèìåíüøèõ íàãðóçîê ÖÏ çà êàæäûå 24 ÷àñà ïåðèîäà íàáëþäåíèé.

À.4.2.  ñëó÷àå, êîãäà â ÖÏ îñóùåñòâëÿåòñÿ âñòðå÷íîå ðåãóëèðîâàíèå íàïðÿæåíèÿ, äîïóñêàåòñÿ ïî ñîãëàñîâàíèþ ñ ïîòðåáèòåëåì ïðîâåðêó âûïîëíåíèÿ óñòàíîâëåííûõ òðåáîâàíèé ïðîèçâîäèòü áåç äåëåíèÿ îòäåëüíî íà ðåæèìû íàèáîëüøèõ è íàèìåíüøèõ íàãðóçîê.

 ýòîì ñëó÷àå âñå èçìåðåííûå â òå÷åíèå êàæäûõ ñóòîê ïåðèîäà íàáëþäåíèé çíà÷åíèÿ óñòàíîâèâøåãîñÿ îòêëîíåíèÿ íàïðÿæåíèÿ äîëæíû íàõîäèòüñÿ â ïðåäåëàõ dUíá, dUíì, a 95 % èçìåðåííûõ çíà÷åíèé äîëæíû íàõîäèòüñÿ â ïðåäåëàõ dUâ, dUí, îïðåäåëÿåìûõ ïî ôîðìóëàì:

dUíá = dUIíá, dUíì = dUIIíì

dUâ = dUIâ, dUí = dUIIí

À.4.3. Èíòåðâàëû âðåìåíè íàèáîëüøèõ è íàèìåíüøèõ íàãðóçîê ÖÏ îïðåäåëÿþò ñëåäóþùèì îáðàçîì:

- âûáèðàþò òèïîâîé ñóòî÷íûé ãðàôèê íàãðóçêè öåíòðà ïèòàíèÿ, ê êîòîðîìó ïðèñîåäèíåíà ðàññìàòðèâàåìàÿ ðàñïðåäåëèòåëüíàÿ ñåòü, äëÿ çèìíåãî è ëåòíåãî ïåðèîäà (ðèñ. À1);

- íà âðåìåííîì îòðåçêå ðàâíîì 24 ÷àñàì, îïðåäåëÿþò ñðåäíåå çíà÷åíèå ñóòî÷íîé íàãðóçêè;

- èíòåðâàëû âðåìåíè, â òå÷åíèå êîòîðîãî äåéñòâèòåëüíàÿ ñóòî÷íàÿ íàãðóçêà áîëüøå ñðåäíåãî åå çíà÷åíèÿ, ñîîòâåòñòâóþò èíòåðâàëàì íàèáîëüøåé íàãðóçêè (t2 - t3);

- èíòåðâàëû âðåìåíè, â òå÷åíèå êîòîðîãî äåéñòâèòåëüíàÿ ñóòî÷íàÿ íàãðóçêà ìåíüøå, ÷åì ñðåäíåå åå çíà÷åíèå, ñîîòâåòñòâóþò èíòåðâàëàì íàèìåíüøåé íàãðóçêè (t1 - t2 è t3 - t4).

Ðèñóíîê À1. Òèïîâîé ñóòî÷íûé ãðàôèê íàãðóçêè öåíòðà ïèòàíèÿ

À.4.4.  ñîîòâåòñòâèè ñ ðàçäåëîì 5 íàñòîÿùèõ Óêàçàíèé â êà÷åñòâå ïóíêòîâ êîíòðîëÿ ìîãóò ðàññìàòðèâàòüñÿ:

- âûâîäû ýëåêòðîïðèåìíèêîâ (ÝÏ);

- ââîäíî-ðàñïðåäåëèòåëüíîå óñòðîéñòâî 220 - 380 Â (ÂÐÓ);

- øèíû 0,4 ê òðàíñôîðìàòîðíîé ïîäñòàíöèè 6 - 10/0,4 (ÒÏ);

- øèíû 6 - 10 ê ÒÏ;

- øèíû ðàñïðåäåëèòåëüíûõ ïîäñòàíöèé 6 - 10 ê (ÐÏ);

- øèíû 6 - 10 ê ïîäñòàíöèé 35 - 220/6 - 10 êÂ, ÿâëÿþùèõñÿ öåíòðàìè ïèòàíèÿ (ÖÏ) ðàñïðåäåëèòåëüíûõ ñåòåé;

- øèíû 35 - 220 ê òðàíñôîðìàòîðíûõ ïîäñòàíöèé 35 - 220/6 - 10 êÂ.

Äëÿ ñåòè, ïðåäñòàâëåííîé íà ðèñ. À2, íîðìàëüíî è ïðåäåëüíî äîïóñêàåìûå çíà÷åíèÿ óñòàíîâèâøåãîñÿ îòêëîíåíèÿ íàïðÿæåíèÿ â ïåðå÷èñëåííûõ ïóíêòàõ êîíòðîëÿ îïðåäåëÿþò ïî ôîðìóëàì, ïðèâåäåííûì â òàáëèöå À1 è ï. À.4.10.

À.4.5. Ïîòåðè íàïðÿæåíèÿ â ñåòè, ïðèñîåäèíåííîé ê ïóíêòó êîíòðîëÿ, ìîãóò áûòü îïðåäåëåíû ðàñ÷åòîì íà îñíîâå äàííûõ î íàãðóçêàõ òðàíñôîðìàòîðîâ ÒÏ è ëèíèÿõ 0,38 - 35 ê èëè ïóòåì íåïîñðåäñòâåííîãî èõ èçìåðåíèÿ.

 ðåæèìå íàèáîëüøèõ íàãðóçîê ñëåäóåò îïðåäåëÿòü ñëåäóþùèå ïîòåðè íàïðÿæåíèÿ:

âî âíóòðèäîìîâîé ñåòè - îò ÂÐÓ äî áëèæàéøåãî è íàèáîëåå óäàëåííîãî ýëåêòðîïðèåìíèêîâ - DUÝÏ.á è DUâä;

â ñåòè 0,4 ê ÒÏ - ñóììàðíûå ïîòåðè íàïðÿæåíèÿ äî íàèáîëåå áëèçêîãî è íàèáîëåå óäàëåííîãî ýëåêòðîïðèåìíèêà, DUíí.á è DUíí.ó;

â ñåòè 6 - 10 ê ÐÏ (ÖÏ) - ïîòåðè íàïðÿæåíèÿ äî íàèáîëåå áëèçêîé è íàèáîëåå óäàëåííîé ÒÏ - DUñí.áá è DUñí.yy, à òàêæå ïîòåðè äî áëèæàéøåé ÒÏ íàèáîëåå óäàëåííîãî ó÷àñòêà ñåòè, òðàíñôîðìàòîðû êîòîðîãî èìåþò íàèáîëüøèé íîìåð îòâåòâëåíèÿ ÏÁ - DUñí.óá è ïîòåðè íàïðÿæåíèÿ äî íàèáîëåå óäàëåííîé ÒÏ áëèæàéøåãî ó÷àñòêà ñåòè, òðàíñôîðìàòîðû êîòîðîãî èìåþò îòâåòâëåíèå ÏÁÂ, óñòàíîâëåííîå íà ¹ 1 - DUñí.áó;

â òðàíñôîðìàòîðàõ - DUÒ äîáàâêó íàïðÿæåíèÿ ÅÒ, ñîîòâåòñòâóþùóþ óñòàíîâëåííîìó ðåãóëèðîâî÷íîìó îòâåòâëåíèþ.

À.4.6. Ñ äîñòàòî÷íîé äëÿ ïðàêòè÷åñêèõ ðàñ÷åòîâ òî÷íîñòüþ ïîòåðè íàïðÿæåíèÿ â ýëåìåíòàõ ñåòè â ðåæèìå íàèìåíüøèõ íàãðóçîê ÖÏ ìîãóò áûòü îïðåäåëåíû ïî ôîðìóëå:

DUII = bDUI

ãäå II, III - íàãðóçêà ýëåìåíòà ñåòè ñîîòâåòñòâåííî â ðåæèìå íàèáîëüøèõ è íàèìåíüøèõ íàãðóçîê ÖÏ;

DUI, DUII - ïîòåðè íàïðÿæåíèÿ íà ýëåìåíòå ñåòè ñîîòâåòñòâåííî â ðåæèìå íàèáîëüøèõ è íàèìåíüøèõ íàãðóçîê ÖÏ.

Ðèñóíîê À.2. Ñõåìà ðàñïðåäåëèòåëüíîé ýëåêòðè÷åñêîé ñåòè

À.4.7. Ôàêòè÷åñêèå çíà÷åíèÿ ïîòåðü íàïðÿæåíèÿ â ýëåìåíòàõ ýëåêòðè÷åñêîé ñåòè, êàê ïðàâèëî, íå äîëæíû ïðåâûøàòü ñëåäóþùèõ çíà÷åíèé:

- äëÿ âíóòðèäîìîâûõ ñåòåé ñ ó÷åòîì âîçìîæíîé íåñèììåòðèè íàãðóçîê - 3 %;

- äëÿ ñåòåé íàïðÿæåíèåì äî 1000 Â, âêëþ÷àÿ âíóòðèäîìîâûå ñåòè - 5 - 6 %;

- äëÿ ýëåêòðè÷åñêèõ ñåòåé íàïðÿæåíèåì 6 - 35 êÂ, âêëþ÷àÿ ïîòåðè â òðàíñôîðìàòîðàõ 6 - 35/0,4 êÂ, è ñ ó÷åòîì âîçìîæíîé íåîäíîðîäíîñòè íàãðóçîê ÒÏ - 5 - 6 %.

À.4.8. Âûáîð ðåãóëèðîâî÷íûõ îòâåòâëåíèé ñåòåâûõ òðàíñôîðìàòîðîâ ÒÏ ñëåäóåò îñóùåñòâëÿòü â çàâèñèìîñòè îò ïîòåðü íàïðÿæåíèÿ â ñåòè îò ÖÏ äî áëèæàéøåãî è íàèáîëåå óäàëåííîãî ýëåêòðîïðèåìíèêîâ â ñåòè äàííîãî òðàíñôîðìàòîðà â ðåæèìå íàèáîëüøèõ íàãðóçîê ÖÏ.

Ðåêîìåíäóåòñÿ ñëåäóþùèé ïîðÿäîê âûáîðà ðåãóëèðîâî÷íûõ îòâåòâëåíèé òðàíñôîðìàòîðîâ ÒÏ:

- ðàçäåëÿþò ïðèñîåäèíåííóþ ê ÖÏ ðàñïðåäåëèòåëüíóþ ñåòü íà çîíû øèðèíîé 2,5 % ïî ïîòåðå íàïðÿæåíèÿ îò øèí ÖÏ äî áëèæàéøåãî ê øèíàì íèçêîãî íàïðÿæåíèÿ ÒÏ ýëåêòðîïðèåìíèêà;

Òàáëèöà À.1

Ôîðìóëû äëÿ îïðåäåëåíèÿ ãðàíèö äèàïàçîíà íîðìàëüíî äîïóñêàåìûõ çíà÷åíèé óñòàíîâèâøåãîñÿ îòêëîíåíèÿ íàïðÿæåíèÿ â ïóíêòå êîíòðîëÿ

Ïóíêò êîíòðîëÿ, åãî íîìåð â ñõåìå íà ðèñóíêå À2, îáîçíà÷åíèå óñòàíîâèâøåãîñÿ îòêëîíåíèÿ íàïðÿæåíèÿ â ýòîì ïóíêòå

Ãðàíèöû íîðìàëüíî äîïóñêàåìûõ çíà÷åíèé óñòàíîâèâøåãîñÿ îòêëîíåíèÿ íàïðÿæåíèÿ â ïóíêòå êîíòðîëÿ

Ðåæèì íàèáîëüøåé íàãðóçêè(I), %

Ðåæèì íàèìåíüøåé íàãðóçêè(II), %

Ñóòî÷íûé ðåæèì, %

Âåðõíÿÿ ãðàíèöà

Íèæíÿÿ ãðàíèöà

Âåðõíÿÿ ãðàíèöà

Íèæíÿÿ ãðàíèöà

Âåðõíÿÿ ãðàíèöà

Íèæíÿÿ ãðàíèöà

Âûâîä ýëåêòðîïðèåìíèêà - 1

dUÝÏ

dU+

dU-

dU+

dU-

dU+

dU-

Ââîä â äîì (ÂÐÓ) - 2

dUBPÓ

dU+ + DUIÝÏ.á

dU- + DUIâä

dU+ + DUIIÝÏ.á

dU- + DUIIâä

dU+ + DUIÝÏ.á

dU- + DUIIâä

Øèíû 0,4 ê òðàíñôîðìàòîðíîé ïîäñòàíöèè 6 - 10//0,4 ê - 3

dUÒÏ(0,4)

dU+ + DUIíí.á

dU- + DUIíí.ó

dU+ + DUIIíí.á

dU- + DUIIíí.ó

dU+ + DUIíí.á

dU- + DUIIíí.ó

Øèíû 6 - 10 ê òðàíñôîðìàòîðíîé ïîäñòàíöèè 6 - 10/0,4 ê - 4

dUÒÏ(6 - 10)

dUIòï(0,4)â + DUIÒ - ÅÒ

dUIòï(0,4)í + DUIÒ - ÅÒ

dUIIòï(0,4)â + DUIIÒ - ÅÒ

dUIIòï(0,4)í + DUIIÒ - ÅÒ

dUIòï(0,4)â + DUIÒ - ÅÒ

dUIIòï(0,4)í + DUIIÒ - ÅÒ

Øèíû 6 - 10 ê ðàñïðåäåëèòåëüíîãî ïóíêòà - dUÐÏ èëè øèíû 6 - 10 ê òðàíñôîðìàòîðíîé ïîäñòàíöèè 35 - 220/6 - 10 ê - 5

dUïñò

dUIÒÏ(6 - 10)áá.â + DUIñí.áá

dUIÒÏ(6 - 10)óó.í + DUIñí.óó

dUIIÒÏ(6 - 10)óá.â + DUIIñí.óá

dUIIÒÏ(6 - 10)áó.í + DUIIñí.áó

dUIÒÏ(6 - 10)áá.â + DUIñí.áá

dUIÒÏ(6 - 10)áó.í + DUIIñí.áó

Ïðèìå÷àíèå: äëÿ óïðîùåíèÿ îáîçíà÷åíèé íîðìàëüíî äîïóñêàåìîãî çíà÷åíèÿ óñòàíîâèâøåãîñÿ îòêëîíåíèÿ íàïðÿæåíèÿ â ïóíêòå êîíòðîëÿ íèæíèå èíäåêñû (íä) îïóùåíû

- ïðèíèìàþò â êàæäîé çîíå äëÿ òðàíñôîðìàòîðîâ ÒÏ îäíî è òî æå ðåãóëèðîâî÷íîå îòâåòâëåíèå. Íà òðàíñôîðìàòîðàõ, ïðèñîåäèíåííûõ ê ðàñïðåäåëèòåëüíîé ñåòè â çîíå ïîòåðü íàïðÿæåíèÿ îò 0 äî 2,5 % - ðåãóëèðîâî÷íîå îòâåòâëåíèå ¹ 1, â çîíå ïîòåðü íàïðÿæåíèÿ îò 2,5 äî 5 % - ¹ 2, îò 5 äî 7,5 - ¹ 3 è ò.ä. (ñì. ðèñóíîê À2);

- îïðåäåëÿþò ãðàíèöû äîïóñêàåìûõ çíà÷åíèé óñòàíîâèâøåãîñÿ îòêëîíåíèÿ íàïðÿæåíèÿ â ÖÏ (ñì. òàáëèöà À1, ñòðîêà 5), èñõîäÿ èç ñóùåñòâóþùèõ ïîòåðü íàïðÿæåíèÿ â ñåòè è ïðèíÿòûõ ðåãóëèðîâî÷íûõ îòâåòâëåíèé òðàíñôîðìàòîðîâ;

- ïðîâåðÿþò ñîîòâåòñòâèå ãðàíèö äîïóñêàåìûõ çíà÷åíèé óñòàíîâèâøåãîñÿ îòêëîíåíèÿ íàïðÿæåíèÿ â ÖÏ ñ ôàêòè÷åñêè ïîääåðæèâàåìûì ðåæèìîì íàïðÿæåíèÿ â ÖÏ è, ïðè íåîáõîäèìîñòè, ïðîâîäÿò êîððåêöèþ ðåãóëèðîâî÷íûõ îòâåòâëåíèé ñåòåâûõ òðàíñôîðìàòîðîâ èëè çàêîíà ðåãóëèðîâàíèÿ â ÖÏ ñ öåëüþ îáåñïå÷åíèÿ òðåáîâàíèé ÃÎÑÒ 13109-97 íà âûâîäàõ ýëåêòðîïðèåìíèêîâ.

À.4.9. Äîáàâêó íàïðÿæåíèÿ, ñîîòâåòñòâóþùóþ âûáðàííîìó ðåãóëèðîâî÷íîìó îòâåòâëåíèþ ñåòåâîãî òðàíñôîðìàòîðà îïðåäåëÿþò èç òàáëèöû À2.

Òàáëèöà À.2

Äîáàâêè íàïðÿæåíèÿ òðàíñôîðìàòîðà 6 - 10/0,4 êÂ

Ðåãóëèðîâî÷íîå îòâåòâëåíèå îáìîòêè ïåðâè÷íîãî íàïðÿæåíèÿ

Äîáàâêà íàïðÿæåíèÿ

Ïîðÿäêîâûé íîìåð

Îáîçíà÷åíèå íà òðàíñôîðìàòîðå, %

Òî÷íîå çíà÷åíèå, %

Îêðóãëåííîå çíà÷åíèå, %

1

+5

0,25

0

2

+2,5

2,7

2,5

3

0

5,26

5

4

-2,5

7,96

7,5

5

-5

10,8

10

À.4.10 Åñëè ïóíêòîì êîíòðîëÿ ÿâëÿþòñÿ øèíû 35 - 220 ê òðàíñôîðìàòîðà 35 - 220/6 - 10 êÂ, òî äèàïàçîí íîðìàëüíî äîïóñêàåìûõ çíà÷åíèé óñòàíîâèâøåãîñÿ îòêëîíåíèÿ íàïðÿæåíèÿ îïðåäåëÿþò ïðè êîýôôèöèåíòå òðàíñôîðìàöèè, ñîîòâåòñòâóþùåì äâóì êðàéíèì ïîëîæåíèÿì ÐÏÍ (ÏÁÂ).

 ðåæèìå íàèáîëüøèõ íàãðóçîê ÖÏ

â ðåæèìå íàèìåíüøèõ íàãðóçîê ÖÏ

ãäå ,  - âåðõíÿÿ è íèæíÿÿ ãðàíèöû íîðìàëüíî äîïóñêàåìûõ çíà÷åíèé óñòàíîâèâøåãîñÿ îòêëîíåíèÿ íàïðÿæåíèÿ íà øèíàõ 6 - 10 ê ïîäñòàíöèè 35 - 220/6 - 10 êÂ, îïðåäåëåííûå â ñîîòâåòñòâèè ñ Òàáëèöåé À1 (ñòðîêà 5, ñòîëáöû, îòíîñÿùèåñÿ ê ñóòî÷íîìó ðåæèìó);

,  - íîìèíàëüíûå íàïðÿæåíèÿ ñåòåé, ïðèñîåäèíåííûõ ê øèíàì ïîäñòàíöèè 35 - 220/6 - 10 êÂ;

Êòð.êð - êîýôôèöèåíò òðàíñôîðìàöèè òðàíñôîðìàòîðà ïîäñòàíöèè 35 - 220/6 - 10 ê ïðè äâóõ êðàéíèõ ïîëîæåíèÿõ ÐÏÍ (ÏÁÂ);

 () - íàèáîëüøèå (íàèìåíüøèå) ïîòåðè â òðàíñôîðìàòîðå ïîäñòàíöèè â ðåæèìå íàèáîëüøèõ (íàèìåíüøèõ) íàãðóçîê ÖÏ ïðè äâóõ êðàéíèõ ïîëîæåíèÿõ ÐÏÍ (ÏÁÂ).

À.4.11. Ïðè êîíòðîëå óñòàíîâèâøåãîñÿ îòêëîíåíèÿ íàïðÿæåíèÿ â òî÷êå ðàñïðåäåëèòåëüíîé ñåòè, îòëè÷íîé îò óêàçàííûõ â òàáëèöå À.1, ãðàíèöû íîðìàëüíî äîïóñêàåìûõ çíà÷åíèé óñòàíîâèâøåãîñÿ îòêëîíåíèÿ íàïðÿæåíèÿ ñëåäóåò îïðåäåëÿòü ñ ó÷åòîì ïîòåðü íàïðÿæåíèÿ ìåæäó êîíòðîëüíûì ïóíêòîì, óêàçàííûì â òàáëèöå À.1, è âûáðàííîé òî÷êîé ðàñïðåäåëèòåëüíîé ñåòè.

À.4.12. Ïðåäåëüíî äîïóñêàåìûå çíà÷åíèÿ óñòàíîâèâøåãîñÿ îòêëîíåíèÿ íàïðÿæåíèÿ, %, â ïóíêòàõ êîíòðîëÿ äîëæíû îïðåäåëÿòüñÿ ïî ôîðìóëàì:

ïðè ýòîì  íå äîëæíî ïðåâûøàòü îòêëîíåíèå íàïðÿæåíèÿ, ñîîòâåòñòâóþùåå íàèáîëüøåìó ðàáî÷åìó íàïðÿæåíèþ äëÿ ýëåêòðè÷åñêîé ñåòè äàííîãî êëàññà íàïðÿæåíèÿ.

À.5. ÍÎÐÌÀËÜÍÎ È ÏÐÅÄÅËÜÍÎ ÄÎÏÓÑÊÀÅÌÛÅ ÇÍÀ×ÅÍÈß ÊÎÝÔÔÈÖÈÅÍÒÀ ÈÑÊÀÆÅÍÈß ÑÈÍÓÑÎÈÄÀËÜÍÎÑÒÈ ÊÐÈÂÎÉ ÍÀÏÐ߯ÅÍÈß

À.5.1. Íîðìàëüíî äîïóñêàåìûå è ïðåäåëüíî äîïóñêàåìûå çíà÷åíèÿ êîýôôèöèåíòà èñêàæåíèÿ ñèíóñîèäàëüíîñòè êðèâîé íàïðÿæåíèÿ â ïóíêòàõ êîíòðîëÿ, ÿâëÿþùèõñÿ òî÷êàìè îáùåãî ïðèñîåäèíåíèÿ ê ýëåêòðè÷åñêèì ñåòÿì ñ ðàçíûìè íîìèíàëüíûìè íàïðÿæåíèÿìè Uíîì, ïðèâåäåíû â òàáëèöå À.2.

Òàáëèöà À.2

(Â ïðîöåíòàõ)

Íîðìàëüíî äîïóñêàåìîå çíà÷åíèå ïðè Uíîì, êÂ

Ïðåäåëüíî äîïóñêàåìîå çíà÷åíèå ïðè Uíîì, êÂ

0,38

6 - 20

35

110 - 330

0,38

6 - 20

35

110 - 330

8,0

5,0

4,0

2,0

12,0

8,0

6,0

3,0

À.5.2. Ïðè êîíòðîëå êîýôôèöèåíòà èñêàæåíèÿ ñèíóñîèäàëüíîñòè êðèâîé íàïðÿæåíèÿ íå â ÒÎÏ, à èíîì ïóíêòå êîíòðîëÿ, ñîãëàñîâàííîì ìåæäó ýíåðãîñíàáæàþùåé îðãàíèçàöèåé è ïîòðåáèòåëåì, íå ÿâëÿþùèìñÿ èñòî÷íèêîì ãàðìîíè÷åñêèõ ïîìåõ â ÒÎÏ, íîðìàëüíî è ïðåäåëüíî äîïóñêàåìûå çíà÷åíèÿ ýòîãî ïîêàçàòåëÿ ïðèíèìàþò â ñîîòâåòñòâèè ñ òàáëèöåé À.2.

À.5.3.  òåõ ñëó÷àÿõ, êîãäà ýíåðãîñíàáæàþùàÿ îðãàíèçàöèÿ è ïîòðåáèòåëü, ÿâëÿþùèéñÿ èñòî÷íèêîì ãàðìîíè÷åñêèõ ïîìåõ, ñîãëàñîâàëè ïóíêò êîíòðîëÿ, ðàñïîëîæåííûé áëèæå ê äàííîìó ïîòðåáèòåëþ, à ìåæäó ÒÎÏ è êîíòðîëüíûì ïóíêòîì íå ïðèñîåäèíåíû êàêèå-ëèáî äðóãèå íàãðóçêè, àêòèâíûå ñîïðîòèâëåíèÿ ýëåìåíòîâ ñåòè, ðàñïîëàãàþùèõñÿ ìåæäó ÒÎÏ è êîíòðîëüíûì ïóíêòîì, ïðåíåáðåæèìî ìàëû è õàðàêòåð èõ ðåàêòèâíûõ ñîïðîòèâëåíèé îäèíàêîâ, íîðìàëüíî è ïðåäåëüíî äîïóñêàåìûå çíà÷åíèÿ ýòîãî ïîêàçàòåëÿ îïðåäåëÿþò ïî ôîðìóëàì:

ãäå Sê.ÒÎÏ, Sê.ÊÏ - ìîùíîñòü êîðîòêîãî çàìûêàíèÿ, ñîîòâåòñòâåííî â ÒÎÏ è ïóíêòå êîíòðîëÿ;

Õê.ÒÎÏ, Õê.ÊÏ - âõîäíîå ñîïðîòèâëåíèå ýëåêòðè÷åñêîé ñåòè ýíåðãîñíàáæàþùåé îðãàíèçàöèè îòíîñèòåëüíî ÒÎÏ è êîíòðîëüíîãî ïóíêòà.

À.6. ÍÎÐÌÀËÜÍÎ È ÏÐÅÄÅËÜÍÎ ÄÎÏÓÑÊÀÅÌÛÅ ÇÍÀ×ÅÍÈß ÊÎÝÔÔÈÖÈÅÍÒÀ n-îé ÃÀÐÌÎÍÈ×ÅÑÊÎÉ ÑÎÑÒÀÂËßÞÙÅÉ ÍÀÏÐ߯ÅÍÈß

À.6.1. Íîðìàëüíî äîïóñêàåìûå çíà÷åíèÿ êîýôôèöèåíòà n-îé ãàðìîíè÷åñêîé ñîñòàâëÿþùåé íàïðÿæåíèÿ â ïóíêòàõ êîíòðîëÿ, ÿâëÿþùèõñÿ òî÷êàìè îáùåãî ïðèñîåäèíåíèÿ ê ýëåêòðè÷åñêèì ñåòÿì ñ ðàçíûìè íîìèíàëüíûìè íàïðÿæåíèÿìè Uíîì, ïðèâåäåíû â òàáëèöå À.3.

À.6.2. Ïðåäåëüíî äîïóñêàåìîå çíà÷åíèå êîýôôèöèåíòà n-îé ãàðìîíè÷åñêîé ñîñòàâëÿþùåé íàïðÿæåíèÿ âû÷èñëÿþò ïî ôîðìóëå:

ÊU(n)ïðåä = 1,5 ÊU(n)íîðì

ãäå 5ÊU(n)íîðì - íîðìàëüíî äîïóñêàåìîå çíà÷åíèå êîýôôèöèåíòà n-îé ãàðìîíè÷åñêîé ñîñòàâëÿþùåé íàïðÿæåíèÿ, îïðåäåëÿåìîå ïî òàáëèöå À.2.

À.6.3. Íîðìàëüíî è ïðåäåëüíî äîïóñêàåìûå çíà÷åíèÿ êîýôôèöèåíòîâ ãàðìîíè÷åñêèõ ñîñòàâëÿþùèõ íàïðÿæåíèÿ â ïóíêòàõ êîíòðîëÿ, îòëè÷íûõ îò ÒÎÏ, îïðåäåëÿþò â ñîîòâåòñòâèè ñ ïï. À.5.2 è À.5.3.

À.7. ÍÎÐÌÀËÜÍÎ È ÏÐÅÄÅËÜÍÎ ÄÎÏÓÑÊÀÅÌÛÅ ÇÍÀ×ÅÍÈß ÊÎÝÔÔÈÖÈÅÍÒÀ ÍÅÑÈÌÌÅÒÐÈÈ ÍÀÏÐ߯ÅÍÈÉ ÏÎ ÎÁÐÀÒÍÎÉ ÏÎÑËÅÄÎÂÀÒÅËÜÍÎÑÒÈ

À.7.1. Íîðìàëüíî äîïóñêàåìîå è ïðåäåëüíî äîïóñêàåìûå çíà÷åíèÿ êîýôôèöèåíòà íåñèììåòðèè íàïðÿæåíèé ïî îáðàòíîé ïîñëåäîâàòåëüíîñòè â ïóíêòàõ êîíòðîëÿ, ÿâëÿþùèõñÿ ÒÎÏ, ðàâíû ñîîòâåòñòâåííî 2,0 è 4,0 %.

Òàáëèöà A.3

 ïðîöåíòàõ

Íå÷åòíûå ãàðìîíèêè, íå êðàòíûå 3 ïðè Uíîì, êÂ

Íå÷åòíûå ãàðìîíèêè, êðàòíûå 3* ïðè Uíîì, êÂ

×åòíûå ãàðìîíèêè ïðè Uíîì, êÂ

n

0,38

6 - 20

35

110 - 330

n

0,38

6 - 20

35

110 - 330

n

0,38

6 - 20

35

110 - 330

5

6,0

4,0

3,0

1,5

3

5,0

3,0

3.0

1,5

2

2,0

1,5

1,0

0,5

7

5,0

3,0

2,5

1,0

9

1,5

1,0

1,0

0,4

4

1,0

0,7

0,5

0,3

11

3,5

2,0

2,0

1,0

15

0,3

0,3

0,3

0,2

6

0,5

0,3

0,3

0,2

13

3,0

2,0

1,5

0,7

21

0,2

0,2

0,2

0,2

8

0,5

0,3

0,3

0,2

17

2,0

1,5

1,0

0,5

> 21

0,2

0,2

0,2

0,2

10

0,5

0,3

0,3

0,2

19

1,5

1,0

1,0

0,4

 

 

 

 

 

12

0,2

0,2

0,2

0,2

23

1,5

1,0

1,0

0,4

 

 

 

 

 

> 12

0,2

0,2

0,2

0,2

25

1,5

1,0

1,0

0,4

 

 

 

 

 

 

 

 

 

 

> 25

0,2 + 1,3*

*25/n

0,2 + 0,8*

*25/n

0,2 + 0,6*

*25/n

0,2 + 0,2*

*25/n

 

 

 

 

 

 

 

 

 

 

 

 

 

 

 

 

 

 

 

 

 

 

 

 

 

 

 

 

 

 

n - íîìåð ãàðìîíè÷åñêîé ñîñòàâëÿþùåé íàïðÿæåíèÿ

* - íîðìàëüíî äîïóñêàåìûå çíà÷åíèÿ, ïðèâåäåííûå äëÿ n, ðàâíûõ 3 è 9, îòíîñÿòñÿ ê îäíîôàçíûì ýëåêòðè÷åñêèì ñåòÿì.  òðåõôàçíûõ òðåõïðîâîäíûõ ýëåêòðè÷åñêèõ ñåòÿõ ýòè çíà÷åíèÿ ïðèíèìàþò âäâîå ìåíüøèìè ïðèâåäåííûõ â òàáëèöå

À.7.2. Íîðìàëüíî äîïóñêàåìîå è ïðåäåëüíî äîïóñêàåìûå çíà÷åíèÿ êîýôôèöèåíòà íåñèììåòðèè íàïðÿæåíèé ïî îáðàòíîé ïîñëåäîâàòåëüíîñòè â ïóíêòàõ êîíòðîëÿ, îòëè÷íûõ îò ÒÎÏ, îïðåäåëÿþò, ðóêîâîäñòâóÿñü ïîëîæåíèÿìè ïï. À.5.2 è À.5.3.

À.8. ÍÎÐÌÀËÜÍÎ È ÏÐÅÄÅËÜÍÎ ÄÎÏÓÑÊÀÅÌÛÅ ÇÍÀ×ÅÍÈß ÊÎÝÔÔÈÖÈÅÍÒÀ ÍÅÑÈÌÌÅÒÐÈÈ ÍÀÏÐ߯ÅÍÈÉ ÏÎ ÍÓËÅÂÎÉ ÏÎÑËÅÄÎÂÀÒÅËÜÍÎÑÒÈ

À.8.1. Íîðìàëüíî äîïóñêàåìîå è ïðåäåëüíî äîïóñêàåìîå çíà÷åíèÿ êîýôôèöèåíòà íåñèììåòðèè íàïðÿæåíèé ïî íóëåâîé ïîñëåäîâàòåëüíîñòè â ïóíêòàõ êîíòðîëÿ, ÿâëÿþùèõñÿ òî÷êàìè ïðèñîåäèíåíèÿ òðåõôàçíûõ ïîòðåáèòåëåé (ýëåêòðîïðèåìíèêîâ) ê ÷åòûðåõïðîâîäíûì ýëåêòðè÷åñêèì ñåòÿì ñ íîìèíàëüíûì íàïðÿæåíèåì 0,38 ê (øèíû 0,4 ê òðàíñôîðìàòîðíîé ïîäñòàíöèè èëè ââîäíî-ðàñïðåäåëèòåëüíîå óñòðîéñòâî äîìà), ðàâíû ñîîòâåòñòâåííî 2,0 è 4,0 %.

À.9. ÏÐÅÄÅËÜÍÎ ÄÎÏÓÑÊÀÅÌÎÅ ÇÍÀ×ÅÍÈÅ ÏÐÎÂÀËÀ ÍÀÏÐ߯ÅÍÈß

À.9.1 Ïðåäåëüíî äîïóñêàåìîå çíà÷åíèå äëèòåëüíîñòè ïðîâàëà íàïðÿæåíèÿ â ïóíêòå êîíòðîëÿ, â ñåòÿõ äî è âûøå 1000 Â, óñòàíàâëèâàþò â ñîîòâåòñòâèè ñ âûäåðæêàìè âðåìåíè ðåëåéíîé çàùèòû, àâòîìàòèêè è îòêëþ÷àþùèõ àïïàðàòîâ, óñòàíîâëåííûõ â ðàññìàòðèâàåìîé ðàñïðåäåëèòåëüíîé ñåòè.

Ïðèëîæåíèå Á

(ðåêîìåíäóåìîå)

ÌÅÒÎÄÈÊÀ ÎÏÐÅÄÅËÅÍÈß ÍÀÃÐÓÇÊÈ È ÊÎÝÔÔÈÖÈÅÍÒÀ ÌÎÙÍÎÑÒÈ ÂÒÎÐÈ×ÍÛÕ ÖÅÏÅÉ ÒÐÀÍÑÔÎÐÌÀÒÎÐÀ ÍÀÏÐ߯ÅÍÈß Â ÐÀÁÎ×ÈÕ ÓÑËÎÂÈßÕ ÏÐÈÌÅÍÅÍÈß

Á.1. ÎÁÙÈÅ ÏÎËÎÆÅÍÈß

Á.1.1.  òðåõôàçíûõ ýëåêòðè÷åñêèõ ñåòÿõ îáùåãî íàçíà÷åíèÿ ñ èçîëèðîâàííîé íåéòðàëüþ è íàïðÿæåíèåì 6-35 ê îäíîôàçíûå íåçàçåìëÿåìûå è çàçåìëÿåìûå äâóõ- è òðåõîáìîòî÷íûõ è òðåõôàçíûå äâóõ- è òðåõîáìîòî÷íûå èçìåðèòåëüíûå òðàíñôîðìàòîðû íàïðÿæåíèÿ (ÒÍ) âêëþ÷àþòñÿ ïî ñõåìàì, ïðåäñòàâëåííûì íà ðèñóíêàõ Á.1 - Á.4.

Á.1.2. Äëÿ îáåñïå÷åíèÿ áåçîïàñíîñòè ïåðñîíàëà îñíîâíûå âòîðè÷íûå îáìîòêè ÒÍ âñåãäà çàçåìëÿþòñÿ (ñì. ðèñóíêè Á.1 - Á.4).  óñëîâèÿõ ýêñïëóàòàöèè âìåñòî çàçåìëåíèÿ íóëåâîé òî÷êè âòîðè÷íûõ îáìîòîê, ñîåäèíåííûõ â çâåçäó, ÷àñòî ïðèìåíÿþò çàçåìëåíèå îäíîé èç ôàç, êàê ïðàâèëî, ôàçû b.

Á.1.3.  ñîîòâåòñòâèè ñ ÃÎÑÒ 1983 «Òðàíñôîðìàòîðû íàïðÿæåíèÿ. Îáùèå òåõíè÷åñêèå óñëîâèÿ» äëÿ êàæäîãî ÒÍ óñòàíîâëåí îäèí èëè íåñêîëüêî êëàññîâ òî÷íîñòè â çàâèñèìîñòè îò íîìèíàëüíûõ ìîùíîñòåé òðàíñôîðìàòîðà.

Çà íîìèíàëüíóþ ìîùíîñòü äâóõîáìîòî÷íûõ ÒÍ ïðèíèìàþò ìîùíîñòü âòîðè÷íîé îáìîòêè òðàíñôîðìàòîðà, à òðåõîáìîòî÷íûõ ÒÍ - ñóììàðíóþ ìîùíîñòü îñíîâíîé è äîïîëíèòåëüíîé âòîðè÷íûõ îáìîòîê.

Äëÿ òðåõôàçíûõ ÒÍ çà íîìèíàëüíóþ ìîùíîñòü ïðèíèìàþò òðåõôàçíûå ìîùíîñòè, ïðè ýòîì äëÿ òðåõôàçíûõ òðåõîáìîòî÷íûõ ÒÍ êëàññû òî÷íîñòè óñòàíîâëåíû òîëüêî äëÿ îñíîâíîé âòîðè÷íîé îáìîòêè.

Äëÿ îäíîôàçíûõ òðåõîáìîòî÷íûõ ÒÍ êëàññû òî÷íîñòè óñòàíîâëåíû äëÿ îáåèõ âòîðè÷íûõ îáìîòîê.

Á.1.4.  çàâèñèìîñòè îò êîíêðåòíîãî ïðèìåíåíèÿ ÒÍ è ñõåì âêëþ÷åíèÿ (ðèñóíêè Á.1 - Á.4) ñõåìû ñîåäèíåíèÿ íàãðóçîê îñíîâíûõ âòîðè÷íûõ îáìîòîê ÒÍ ïðè òðåõïðîâîäíîé ñõåìå âòîðè÷íûõ öåïåé ïðåäñòàâëåíû íà ðèñóíêàõ Á.5 è Á.6.

Ñõåìà ñîåäèíåíèÿ íàãðóçîê îñíîâíûõ âòîðè÷íûõ îáìîòîê ïðè ÷åòûðåõïðîâîäíîé ñõåìå âòîðè÷íûõ öåïåé ÒÍ ïðåäñòàâëåíà íà ðèñóíêå Á.7.

Ñõåìà ñîåäèíåíèÿ íàãðóçîê äîïîëíèòåëüíûõ âòîðè÷íûõ îáìîòîê ïðåäñòàâëåíà íà ðèñóíêå Á.8.

Á.1.5. Ïîëíàÿ ìîùíîñòü íàãðóçêè ÒÍ äîëæíà íàõîäèòüñÿ â èíòåðâàëå äîïóñêàåìûõ çíà÷åíèé äëÿ òðåáóåìîãî êëàññà òî÷íîñòè: 25 è 100 % íîìèíàëüíîé ìîùíîñòè èëè 40 - 80 % íîìèíàëüíîé ìîùíîñòè (ñì. 8.3 íàñòîÿùèõ Óêàçàíèé).

 ñîîòâåòñòâèè ñ ÃÎÑÒ 13109-97 òðåáóåìûì êëàññîì òî÷íîñòè ÒÍ ÿâëÿåòñÿ êëàññ 0,2. Äîïóñêàåòñÿ èñïîëüçîâàòü ÒÍ ñ êëàññîì òî÷íîñòè 0,5.

Á.1.6. Ïðè ëþáîé ñõåìå ñîåäèíåíèÿ íàãðóçîê îñíîâíûõ âòîðè÷íûõ îáìîòîê îäíîôàçíûõ è òðåõôàçíûõ ÒÍ è âîçìîæíîñòè èñïîëüçîâàíèÿ ïðè èçìåðåíèÿõ íóëåâîé òî÷êè âòîðè÷íûõ îáìîòîê («âûâåäåííûé íóëü») íàãðóçêó ýòèõ îáìîòîê ðåêîìåíäóåòñÿ îïðåäåëÿòü ïî ðåçóëüòàòàì èçìåðåíèé çíà÷åíèé ôàçíûõ íàïðÿæåíèé, òîêîâ, ìîùíîñòåé, â ïðîòèâíîì ñëó÷àå íàãðóçêó îñíîâíûõ âòîðè÷íûõ îáìîòîê ÒÍ îïðåäåëÿþò ïðèáëèæåííî ïî ìåòîäèêå, èçëîæåííîé â «Èíñòðóêöèè ïî ïðîâåðêå òðàíñôîðìàòîðîâ íàïðÿæåíèÿ è èõ âòîðè÷íûõ öåïåé», Ñîþçòåõýíåðãî, 1979.

Á.1.7. Ïðîâåðêó âûïîëíåíèÿ òðåáîâàíèé ïóíêòà 1.5 ïðîèçâîäÿò ñëåäóþùèì îáðàçîì.

Ïðè èñïîëüçîâàíèè îäíîôàçíûõ äâóõîáìîòî÷íûõ ÒÍ (ðèñóíêè Á.1, Á.2) îïðåäåëÿþò ïîëíûå ìîùíîñòè íàèáîëåå è íàèìåíåå çàãðóæåííûõ ÒÍ è ñîïîñòàâëÿþò èõ íàãðóçêó ñ ïðåäåëüíûìè çíà÷åíèÿìè íàãðóçêè äëÿ èíòåðâàëà äîïóñêàåìûõ çíà÷åíèé â çàäàííîì êëàññå òî÷íîñòè.

Ïðè èñïîëüçîâàíèè îäíîôàçíûõ òðåõîáìîòî÷íûõ ÒÍ ïîëíûå ìîùíîñòè íàèáîëåå è íàèìåíåå çàãðóæåííûõ ÒÍ ñóììèðóþò ñ ïîëíîé ìîùíîñòüþ äîïîëíèòåëüíîé âòîðè÷íîé îáìîòêè, è ïîëó÷åííûå çíà÷åíèÿ ñîïîñòàâëÿþò ñ ïðåäåëüíûìè çíà÷åíèÿìè íàãðóçêè äëÿ èíòåðâàëà äîïóñêàåìûõ çíà÷åíèé â çàäàííîì êëàññå òî÷íîñòè.

Ïðè èñïîëüçîâàíèè òðåõôàçíûõ äâóõîáìîòî÷íûõ ÒÍ (ðèñóíîê Á.2) îïðåäåëÿþò ïîëíûå ìîùíîñòè íàèáîëåå è íàèìåíåå çàãðóæåííûõ ôàç è óòðîåííûå èõ çíà÷åíèÿ ñîïîñòàâëÿþò ñ ïðåäåëüíûìè çíà÷åíèÿìè íàãðóçêè äëÿ èíòåðâàëà äîïóñêàåìûõ çíà÷åíèé â çàäàííîì êëàññå òî÷íîñòè.

Ïðè èñïîëüçîâàíèè òðåõôàçíûõ òðåõîáìîòî÷íûõ ÒÍ (ðèñóíîê Á.3) óòðîåííûå çíà÷åíèÿ ïîëíîé ìîùíîñòè íàèáîëåå è íàèìåíåå çàãðóæåííûõ ôàç ÒÍ ñóììèðóþò ñ ïîëíîé ìîùíîñòüþ äîïîëíèòåëüíîé âòîðè÷íîé îáìîòêè, è ïîëó÷åííûå çíà÷åíèÿ ñîïîñòàâëÿþò ñ ïðåäåëüíûìè çíà÷åíèÿìè íàãðóçêè äëÿ èíòåðâàëà äîïóñêàåìûõ çíà÷åíèé â çàäàííîì êëàññå òî÷íîñòè.

Èñïîëüçîâàíèå óòðîåííîé ìîùíîñòè íàèáîëåå çàãðóæåííîé ôàçû äëÿ îïðåäåëåíèÿ íàãðóçêè òðåõôàçíûõ ÒÍ ïðèâîäèò ê çàâûøåííûì ðåçóëüòàòàì.

Á.1.8 Ïðè íåâûïîëíåíèè óñëîâèé óñòàíîâëåííûõ â 1.5 íàñòîÿùåãî ïðèëîæåíèÿ, òðåõôàçíóþ íàãðóçêó îñíîâíûõ âòîðè÷íûõ îáìîòîê ÒÍ è óñðåäíåííûé ïî òðåì ôàçàì êîýôôèöèåíò ìîùíîñòè ñëåäóåò îïðåäåëÿòü ïî ôîðìóëàì:

Ð3 = Ða + Ðb + Ðc                                                            (Á.1)

Q3 = Qa + Qb + Qc                                                           (Á.2)

                                                                (Á.3)

                                                                     (Á.4)

ãäå Ð3, Q3, S3 - ðàñ÷åòíûå àêòèâíàÿ, ðåàêòèâíàÿ è ïîëíàÿ ìîùíîñòè íàãðóçêè òðåõôàçíîãî ÒÍ;

cosj3 - ðàñ÷åòíûé êîýôôèöèåíò ìîùíîñòè òðåõôàçíîãî ÒÍ;

Pa, Pb, Pc, Qa, Qb, Qc - àêòèâíûå è ðåàêòèâíûå ìîùíîñòè ñîîòâåòñòâóþùèõ ôàçíûõ íàãðóçîê ÒÍ.

Ðèñóíîê Á.1. Ñõåìà âêëþ÷åíèÿ îäíîôàçíûõ íåçàçåìëÿåìûõ äâóõîáìîòî÷íûõ òðàíñôîðìàòîðîâ â òðåõôàçíûõ ýëåêòðè÷åñêèõ ñåòÿõ ñ èçîëèðîâàííîé íåéòðàëüþ è íàïðÿæåíèåì 3 - 35 êÂ

Ðèñóíîê Á.2. Ñõåìà âêëþ÷åíèÿ îäíîôàçíûõ çàçåìëÿåìûõ è òðåõôàçíûõ çàçåìëÿåìûõ äâóõîáìîòî÷íûõ òðàíñôîðìàòîðîâ â òðåõôàçíûõ ýëåêòðè÷åñêèõ ñåòÿõ ñ èçîëèðîâàííîé íåéòðàëüþ è íàïðÿæåíèåì 3 - 35 êÂ

Ðèñóíîê Á.3. Ñõåìà âêëþ÷åíèÿ òðåõôàçíûõ òðåõîáìîòî÷íûõ òðàíñôîðìàòîðîâ â òðåõôàçíûõ ýëåêòðè÷åñêèõ ñåòÿõ ñ èçîëèðîâàííîé íåéòðàëüþ è íàïðÿæåíèåì 3 - 35 êÂ

Ðèñóíîê Á.4. Ñõåìà âêëþ÷åíèÿ îäíîôàçíûõ çàçåìëÿåìûõ òðåõîáìîòî÷íûõ òðàíñôîðìàòîðîâ â òðåõôàçíûõ ýëåêòðè÷åñêèõ ñåòÿõ ñ èçîëèðîâàííîé íåéòðàëüþ è íàïðÿæåíèåì 3 - 35 êÂ

Ðèñóíîê Á.5. Ñõåìà ñîåäèíåíèÿ íàãðóçîê ÒÍ îòêðûòûì òðåóãîëüíèêîì äëÿ òðåõïðîâîäíîé èçìåðèòåëüíîé öåïè

Ðèñóíîê Á.6. Ñõåìû ñîåäèíåíèÿ íàãðóçîê ÒÍ òðåóãîëüíèêîì äëÿ òðåõïðîâîäíîé èçìåðèòåëüíîé öåïè

Ðèñóíîê Á.7. Ñõåìû ñîåäèíåíèÿ íàãðóçîê ÒÍ äëÿ ÷åòûðåõïðîâîäíîé èçìåðèòåëüíîé öåïè

Ðèñóíîê Á.8. Ñõåìà ïîäêëþ÷åíèÿ ôàçíûõ íàãðóçîê ê äîïîëíèòåëüíîé âòîðè÷íîé îáìîòêå îäíîôàçíûõ òðåõîáìîòî÷íûõ òðàíñôîðìàòîðîâ

Á.2. ÒÐÅÁÎÂÀÍÈß Ê ÏÎÃÐÅØÍÎÑÒÈ ÈÇÌÅÐÅÍÈÉ

Á.2.1. Â ñîîòâåòñòâèè ñ ÃÎÑÒ 8.216 «Òðàíñôîðìàòîðû íàïðÿæåíèÿ. Ìåòîäû ïîâåðêè» ïðåäåë äîïóñêàåìîé îñíîâíîé ïîãðåøíîñòè èçìåðåíèé àêòèâíîé è ðåàêòèâíîé ñîñòàâëÿþùèõ ìîùíîñòè íàãðóçêè íå äîëæåí ïðåâûøàòü ±4 %.

Á.3. ÑÐÅÄÑÒÂÀ ÈÇÌÅÐÅÍÈÉ

Á.3.1. Äëÿ îïðåäåëåíèÿ ìîùíîñòè íàãðóçêè âòîðè÷íûõ öåïåé ÒÍ ðåêîìåíäóåòñÿ ïðèìåíÿòü ñðåäñòâà èçìåðåíèé, ïðèâåäåííûå â òàáëèöå Á.1.

Á.3.2. Ïðè âõîäíûõ çíà÷åíèÿõ òîêà è íàïðÿæåíèÿ, îòëè÷àþùèõñÿ îò íîìèíàëüíûõ çíà÷åíèé, òðåáîâàíèÿ 2.1 Ïðèëîæåíèÿ Á âûïîëíÿþòñÿ, åñëè ñðåäñòâà èçìåðåíèé, ïåðå÷èñëåííûå â òàáëèöå Á.1, èñïîëüçóþòñÿ ïðè óñëîâèÿõ, ïðèâåäåííûõ â òàáëèöå Á.2.

Á.3.3. Åñëè óñëîâèÿ, ïðèâåäåííûå â 3.2, íå âûïîëíÿþòñÿ, òî ñëåäóåò èñïîëüçîâàòü ñðåäñòâà èçìåðåíèé, ïðèâåäåííûå â òàáëèöå Á.3, ïðèìåíÿåìûå ïðè êîñâåííîì ìåòîäå îïðåäåëåíèÿ àêòèâíûõ è ðåàêòèâíûõ ñîñòàâëÿþùèõ ìîùíîñòåé íàãðóçîê ÒÍ.

Ïðè êîñâåííûõ èçìåðåíèÿõ âûáèðàþò ïðåäåëû èçìåðåíèé íàïðÿæåíèÿ è ñèëû òîêà òàêèì îáðàçîì, ÷òîáû ðåçóëüòàòû èçìåðåíèé îòñ÷èòûâàëèñü â ïîñëåäíåé òðåòè øêàëû èçìåðåíèé.

Ïðè âûáðàííûõ òàêèì îáðàçîì ïðåäåëàõ èçìåðåíèé ïîãðåøíîñòü îïðåäåëåíèÿ ïîëíîé ìîùíîñòè â äèàïàçîíå îò 25 äî 100 % íîìèíàëüíîé íàãðóçêè ÒÍ íå ïðåâûøàåò ±1,5 %, àêòèâíîé ìîùíîñòè - ±2 %, ðåàêòèâíîé ìîùíîñòè è êîýôôèöèåíòà ìîùíîñòè - 3,5 %.

Á.4. ÌÅÒÎÄ ÈÇÌÅÐÅÍÈÉ

Á.4.1. Äëÿ ïîëó÷åíèÿ ÷èñëîâûõ çíà÷åíèé ïîëíîé ìîùíîñòè, à òàêæå àêòèâíûõ è ðåàêòèâíûõ ñîñòàâëÿþùèõ íàãðóçêè îñíîâíûõ âòîðè÷íûõ îáìîòîê ÒÍ èñïîëüçóþò ïðÿìûå è êîñâåííûå èçìåðåíèÿ.

Á.4.2 Ïðè ïðÿìûõ èçìåðåíèÿõ èñïîëüçóåòñÿ ìåòîä íåïîñðåäñòâåííîé îöåíêè ïîëíîé ìîùíîñòè ôàçíûõ íàãðóçîê ÒÍ (Sa, Sb, Sc), è ïðè íåîáõîäèìîñòè (ñì. 1.8 íàñòîÿùåãî Ïðèëîæåíèÿ Á) àêòèâíûõ è ðåàêòèâíûõ íàãðóçîê à, Pb, Pc, Qa, Qb, Qc), ðåàëèçóåìûé ñ ïîìîùüþ ñðåäñòâ èçìåðåíèé, ïðèâåäåííûõ â òàáëèöå Á.1, ïðè óñëîâèÿõ, óêàçàííûõ â òàáëèöå Á.2.

Òàáëèöà Á.1

Ñðåäñòâà èçìåðåíèé

Ïîðÿäêîâûé íîìåð è íàèìåíîâàíèå ñðåäñòâà èçìåðåíèé

Ìåòðîëîãè÷åñêèå õàðàêòåðèñòèêè

Íàèìåíîâàíèå èçìåðÿåìîé âåëè÷èíû

Äèàïàçîí èçìåðåíèé

Ïîãðåøíîñòü èçìåðåíèé, %

1 Ïðèáîð äëÿ èçìåðåíèÿ ïîêàçàòåëåé êà÷åñòâà è ó÷åòà ýëåêòðè÷åñêîé ýíåðãèè «ÝÐÈÑ-ÊÝ.01.À» (ÝÐÈÑ-ÊÝ)

±106

±0,52)

Àêòèâíàÿ ìîùíîñòü1)

±106

±0,52)

Ðåàêòèâíàÿ ìîùíîñòü1)

±106

±0,52)

Ïîëíàÿ ìîùíîñòü1)

50 - 120 % Uíîì

±0,23)

Äåéñòâóþùåå çíà÷åíèå íàïðÿæåíèÿ

0 - 150 % Iíîì

±1,04)

Äåéñòâóþùåå çíà÷åíèå òîêà

2 Èçìåðèòåëüíî-âû÷èñëèòåëüíûé êîìïëåêñ «Îìñê» (ÈÂÊ «Îìñê»)

90 - 110 % Uíîì

±0,23)

Äåéñòâóþùåå çíà÷åíèå íàïðÿæåíèÿ

1 - 5 À

±1,03)

Äåéñòâóþùåå çíà÷åíèå òîêà

±180 ãðàä

±1 ãðàä5)

Óãîë ñäâèãà ôàç ìåæäó íàïðÿæåíèåì è òîêîì

3 Ðåãèñòðàòîð íàïðÿæåíèÿ è òîêà Ïàðìà «ÐÊ6.05» (Ïàðìà «ÐÊ6.05»)

40 - 460 Â

0,2 + 0,075(Uê/Uí -l)

Äåéñòâóþùåå çíà÷åíèå íàïðÿæåíèÿ

0,1 - 6 À

0,2 + 0,075(Iê/Ií - 1)

Äåéñòâóþùåå çíà÷åíèå òîêà

±180 ãðàä

±1 ãðàä5)

Óãîë ñäâèãà ôàç ìåæäó íàïðÿæåíèåì è òîêîì

(1) - óêàçàíû äèàïàçîíû ñ ó÷åòîì ìàñøòàáíûõ êîýôôèöèåíòîâ âíåøíèõ ïðåîáðàçîâàòåëåé;

(2) - óêàçàíà ïîãðåøíîñòü, ïðèâåäåííàÿ ê íîìèíàëüíîé ìîùíîñòè Síîì = 3UíîìIíîì ïðè èçìåðåíèÿõ â òðåõ ôàçàõ èëè Síîì = UíîìIíîì ïðè èçìåðåíèÿõ â îäíîé ôàçå;

(3) - óêàçàíà îòíîñèòåëüíàÿ ïîãðåøíîñòü;

(4) - óêàçàíà ïîãðåøíîñòü, ïðèâåäåííàÿ ê Iíîì, äëÿ ïðèáîðà ñ òîêîèçìåðèòåëüíûìè êëåùàìè;

(5) - óêàçàíà àáñîëþòíàÿ ïîãðåøíîñòü.

Òàáëèöà Á.2

Óñëîâèÿ ïðèìåíåíèÿ ïðèáîðîâ, ïåðå÷èñëåííûõ â òàáëèöå À.1

Íàèìåíîâàíèå ñðåäñòâà èçìåðåíèé

Äèàïàçîí èçìåíåíèÿ íàïðÿæåíèÿ íà âòîðè÷íîé îáìîòêå ÒÍ, Â

Äèàïàçîí èçìåíåíèÿ ôàçíîãî òîêà íàãðóçêè âòîðè÷íîé îáìîòêè ÒÍ, À

Äèàïàçîí èçìåíåíèÿ cosj ôàçíîé íàãðóçêè âòîðè÷íîé îáìîòêè ÒÍ

ÝÐÈÑ - ÊÝ

90 - 110

³ 0,9

³ 0,8

0,5 - 1,0

0,8 - 1,0

ÈÂÊ «Îìñê»

45 - 70

³ 0,6

0,41 - 1,0

Ïàðìà «ÐÊ6.05»

³ 40

³ 0,3

³ 0,1

³ 0,06

0,41 - 1,0

0,6 - 1,0

0,98 - 1,0

Òàáëèöà Á.3

Ñðåäñòâà èçìåðåíèé, ïðèìåíÿåìûå ïðè êîñâåííûõ èçìåðåíèÿõ íàãðóçêè ÒÍ

Ïîðÿäêîâûé íîìåð è íàèìåíîâàíèå ñðåäñòâà èçìåðåíèé

Ìåòðîëîãè÷åñêèå õàðàêòåðèñòèêè

Íàèìåíîâàíèå èçìåðÿåìîé âåëè÷èíû

Ïðåäåëû èçìåðåíèé

Êëàññ òî÷íîñòè

1 Âîëüòìåòð ïåðåìåííîãî òîêà

60, 75, 100, 150 Â

0,5

Äåéñòâóþùåå çíà÷åíèå íàïðÿæåíèÿ

2 Àìïåðìåòð ïåðåìåííîãî òîêà

100; 200 ìÀ

0,5; 1; 2,5 À

0,5

Äåéñòâóþùåå çíà÷åíèå òîêà

3 Âàòòìåòð

1; 2 À,

75; 150 Â

0,5

Àêòèâíàÿ ìîùíîñòü

Á.4.3. Ïðè êîñâåííûõ èçìåðåíèÿõ ìåòîäîì íåïîñðåäñòâåííîé îöåíêè ñ ïîìîùüþ ñðåäñòâ èçìåðåíèé, ïðèâåäåííûõ â òàáëèöå Á.3, îïðåäåëÿþò Ua, Ub, Uc, Ia, Ib, Ic è, ïðè íåîáõîäèìîñòè, Ða, Ðb, Ðc, à çàòåì âû÷èñëÿþò ïîëíûå è, ïðè íåîáõîäèìîñòè, ðåàêòèâíûå ìîùíîñòè ôàçíûõ íàãðóçîê ïî ôîðìóëàì:

ïîëíàÿ ìîùíîñòü i-îé ôàçíîé íàãðóçêè

Si = UiIi;

êîýôôèöèåíò ìîùíîñòè i-îé ôàçíîé íàãðóçêè

ðåàêòèâíàÿ ìîùíîñòü i-îé ôàçíîé íàãðóçêè

Qi = Sisin(arccosji),

ãäå i - ôàçà a, b, ñ.

Á.5. ÒÐÅÁÎÂÀÍÈß ÁÅÇÎÏÀÑÍÎÑÒÈ, ÎÊÐÓÆÀÞÙÅÉ ÑÐÅÄÛ

Ïðè âûïîëíåíèè èçìåðåíèé äîëæíû áûòü ñîáëþäåíû òðåáîâàíèÿ áåçîïàñíîñòè, èçëîæåííûå â ðàçäåëå 10 íàñòîÿùèõ Óêàçàíèé.

Á.6. ÒÐÅÁÎÂÀÍÈß Ê ÊÂÀËÈÔÈÊÀÖÈÈ ÎÏÅÐÀÒÎÐÎÂ

Êâàëèôèêàöèÿ îïåðàòîðîâ ïðè âûïîëíåíèè èçìåðåíèé, îáðàáîòêå è àíàëèçå ðåçóëüòàòîâ èçìåðåíèé äîëæíà ñîîòâåòñòâîâàòü òðåáîâàíèÿì, èçëîæåííûì â ðàçäåëå 11 íàñòîÿùèõ Óêàçàíèé.

Á.7. ÓÑËÎÂÈß ÈÇÌÅÐÅÍÈÉ

Ïðè âûïîëíåíèè èçìåðåíèé äîëæíû áûòü ñîáëþäåíû óñëîâèÿ, èçëîæåííûå â ðàçäåëå 12 íàñòîÿùèõ Óêàçàíèé.

Á.8. ÏÎÄÃÎÒÎÂÊÀ Ê ÂÛÏÎËÍÅÍÈÞ ÈÇÌÅÐÅÍÈÉ

Á.8.1. Ïðè ïîäãîòîâêå ê âûïîëíåíèþ ïðÿìûõ èçìåðåíèé íàãðóçêè ÒÍ ïðîâîäÿò ñëåäóþùèå ðàáîòû:

- ñîáèðàþò ñõåìó èçìåðåíèé, ïðåäñòàâëåííóþ íà ðèñóíêå Á.9;

- ïðîèçâîäÿò ïîäãîòîâêó è ïðîâåðêó ðåæèìîâ ðàáîòû ñðåäñòâ èçìåðåíèé â ñîîòâåòñòâèè ñ Èíñòðóêöèÿìè ïî èõ ýêñïëóàòàöèè.

Á.8.2. Ïðè ïîäãîòîâêå ê âûïîëíåíèþ êîñâåííûõ èçìåðåíèé íàãðóçêè ÒÍ ïðîâîäÿò ñëåäóþùèå ðàáîòû:

- îòêëþ÷àþò âòîðè÷íóþ îáìîòêó ÒÍ îò íàãðóçî÷íûõ öåïåé ñ âèäèìûì ðàçðûâîì;

- îòêëþ÷àþò ïåðâè÷íóþ îáìîòêó ÒÍ îò âûñîêîâîëüòíîé ñåòè;

- ñîáèðàþò ñõåìó èçìåðåíèé, ïðåäñòàâëåííóþ íà ðèñóíêå Á.10;

- ïðîèçâîäÿò ïîäãîòîâêó è ïðîâåðêó ðåæèìîâ ðàáîòû ñðåäñòâ èçìåðåíèé â ñîîòâåòñòâèè ñ Èíñòðóêöèÿìè ïî èõ ýêñïëóàòàöèè.

Ðèñóíîê Á.9. Ñõåìà ïðÿìîãî èçìåðåíèÿ íàãðóçêè âòîðè÷íûõ öåïåé ÒÍ

Ðèñóíîê Á.10. Ñõåìà êîñâåííîãî èçìåðåíèÿ íàãðóçêè âòîðè÷íûõ öåïåé ÒÍ

Á.9. ÂÛÏÎËÍÅÍÈÅ ÈÇÌÅÐÅÍÈÉ

Á.9.1. Ïðè âûïîëíåíèè ïðÿìûõ èçìåðåíèé íàãðóçêè ÒÍ ïðîèçâîäÿò ñëåäóþùèå îïåðàöèè:

- ââîäÿò óñòàâêè â ñðåäñòâà èçìåðåíèé: êîýôôèöèåíòû òðàíñôîðìàöèè ïî íàïðÿæåíèþ è òîêó, ðàâíûå 1;

- ïðîâîäÿò îäíîêðàòíûå èçìåðåíèÿ;

- âûâîäÿò íà ïå÷àòü ðåçóëüòàòû èçìåðåíèé ïîëíîé àêòèâíîé è ðåàêòèâíîé ìîùíîñòè, íàïðÿæåíèÿ, òîêà è cosj â êàæäîé ôàçå è çàíîñÿò â ïðîòîêîë èçìåðåíèé, ôîðìà êîòîðîãî ïðåäñòàâëåíà â òàáëèöå Á.4.

Òàáëèöà Á.4.

Ôîðìà ïðîòîêîëà ïðÿìûõ èçìåðåíèé íàãðóçêè ÒÍ

Èçìåðÿåìûå âåëè÷èíû

Ôàçà à

Ôàçà b

Ôàçà ñ

Íàïðÿæåíèå, Â

 

 

 

Ïîëíàÿ ìîùíîñòü, ÂÀ

 

 

 

Àêòèâíàÿ ìîùíîñòü, Âò

 

 

 

Êîýôôèöèåíò ìîùíîñòè

 

 

 

Á.9.2. Ïðè âûïîëíåíèè êîñâåííûõ èçìåðåíèé íàãðóçêè ÒÍ ïðîèçâîäÿò ñëåäóþùèå îïåðàöèè:

- âûâîäû 1 è 2 èçìåðèòåëüíîé ñõåìû, ïðåäñòàâëåííîé íà ðèñóíêå Á.10, ïîî÷åðåäíî ñîåäèíÿþò ñ ââîäàìè öåïåé âòîðè÷íîé íàãðóçêè ÒÍ: ab, bc, ca, à0, b0, ñ0;

- ñ ïîìîùüþ ËÀÒÐ (ãðóáî) è ðåîñòàòà (òî÷íî) óñòàíàâëèâàþò äëÿ ìåæäóôàçíûõ ââîäîâ 100  è ôàçíûõ - 57,7 Â;

- ïðîâîäÿò îäíîêðàòíûå èçìåðåíèÿ è çàíîñÿò â ïðîòîêîë çíà÷åíèÿ òîêà, íàïðÿæåíèÿ è àêòèâíîé ìîùíîñòè.

Òàáëèöà Á.5.

Ôîðìà ïðîòîêîëà êîñâåííûõ èçìåðåíèé íàãðóçêè ÒÍ

Ïîêàçàíèÿ ïðèáîðîâ

Ââîäû íàãðóçî÷íûõ öåïåé ÒÍ

ab

bc

ñà

a0

b0

c0

Íàïðÿæåíèå, U, Â

 

 

 

 

 

 

Òîê, I, À

 

 

 

 

 

 

Àêòèâíàÿ ìîùíîñòü, Ð, Âò

 

 

 

 

 

 

Á.10. ÎÁÐÀÁÎÒÊÀ (ÂÛ×ÈÑËÅÍÈÅ) ÐÅÇÓËÜÒÀÒΠÈÇÌÅÐÅÍÈÉ

Á.10.1. Ïðè îáðàáîòêå ðåçóëüòàòîâ ïðÿìûõ èçìåðåíèé íàãðóçêè ÒÍ ïðîèçâîäÿò ñëåäóþùèå îïåðàöèè:

- ïåðåñ÷èòûâàþò ïîëíóþ è ïðè íåîáõîäèìîñòè (ñì. 1.8 íàñòîÿùåãî Ïðèëîæåíèÿ Á) àêòèâíóþ è ðåàêòèâíóþ ìîùíîñòè ôàçíîé íàãðóçêè ÒÍ íà íîìèíàëüíîå íàïðÿæåíèå âòîðè÷íîé îáìîòêè ÒÍ (100/√3, 100 Â) ïî ôîðìóëàì:

ãäå Si, Pi, Qi - èçìåðåííûå çíà÷åíèÿ ïîëíîé, àêòèâíîé è ðåàêòèâíîé ìîùíîñòè ôàçíîé íàãðóçêè ÒÍ;

Ui - èçìåðåííîå çíà÷åíèå i-îãî ôàçíîãî íàïðÿæåíèÿ ÒÍ;

i = à, b, ñ;

- âûáèðàþò íàèáîëåå è íàèìåíåå çàãðóæåííûå ïî çíà÷åíèÿì ïîëíîé ìîùíîñòè ôàçû;

- ñðàâíèâàþò ïîëó÷åííûå çíà÷åíèÿ ñ ïðåäåëüíûìè çíà÷åíèÿìè íàãðóçêè îäíîôàçíûõ ÒÍ â çàäàííîì êëàññå òî÷íîñòè èëè óòðîåííûå çíà÷åíèÿ ïîëíîé ìîùíîñòè íàèáîëåå è íàèìåíåå çàãðóæåííûõ ôàç ñ ïðåäåëüíûìè çíà÷åíèÿìè íàãðóçêè òðåõôàçíûõ ÒÍ;

- ïðè íåâûïîëíåíèè óñëîâèé, óñòàíîâëåííûõ â 1.5 íàñòîÿùåãî Ïðèëîæåíèÿ äëÿ òðåõôàçíûõ ÒÍ, îïðåäåëÿþò ðàñ÷åòíûå àêòèâíóþ è ðåàêòèâíóþ íàãðóçêó ÒÍ ïî ôîðìóëàì (Á.1, Á.2);

- îïðåäåëÿþò ïîëíóþ ðàñ÷åòíóþ ìîùíîñòü íàãðóçêè òðåõôàçíîãî ÒÍ è ðàñ÷åòíûé êîýôôèöèåíò ìîùíîñòè ïî ôîðìóëàì (Á.3, Á.4) è ñðàâíèâàþò ïîëó÷åííîå ïî ôîðìóëå (Á.3) çíà÷åíèå ïîëíîé ìîùíîñòè ñ ïðåäåëüíûìè çíà÷åíèÿìè íàãðóçêè òðåõôàçíûõ ÒÍ â çàäàííîì êëàññå òî÷íîñòè.

Á.10.2. Ïðè îáðàáîòêå êîñâåííûõ èçìåðåíèé íàãðóçêè ÒÍ ïðîèçâîäÿò ñëåäóþùèå îïåðàöèè:

- ðàññ÷èòûâàþò äëÿ êàæäîãî ñòîëáöà òàáëèöû Á.5 ôàçîâûé óãîë ñäâèãà ìåæäó íàïðÿæåíèåì è òîêîì ïî ôîðìóëå:

- ðàññ÷èòûâàþò çíà÷åíèÿ ôàçíûõ òîêîâ ïî ôîðìóëàì:

- ðàññ÷èòûâàþò ìîäóëè ôàçíûõ òîêîâ è ñîîòâåòñòâóþùèå ôàçîâûå óãëû ïî ñëåäóþùèì ôîðìóëàì:

ãäå i = a, b, c;

- ðàññ÷èòûâàþò ìîùíîñòè è cosj îñíîâíûõ âòîðè÷íûõ îáìîòîê îäíîôàçíûõ è òðåõôàçíûõ ÒÍ ïî ñëåäóþùèì ôîðìóëàì:

äëÿ ñõåìû ñîåäèíåíèÿ íàãðóçîê îñíîâíûõ âòîðè÷íûõ îáìîòîê ÒÍ ïðåäñòàâëåííîé íà ðèñóíêå Á.5

Sab = 100 Ia

cosjab = cos(120 - jab)

Sbc = 100 Ic

cosjbc = cos(-jbc)

äëÿ ñõåì ñîåäèíåíèÿ íàãðóçîê îñíîâíûõ âòîðè÷íûõ öåïåé, ïðåäñòàâëåííûõ íà ðèñóíêàõ Á.6 è Á.7

Si = 100Ii, ãäå i = a, b, c

cosja = cos(90 - ja)

cosjb = cos(-30 - jb)

cosjc = cos(-150 - jc)

Á.11. ÎÔÎÐÌËÅÍÈÅ ÐÅÇÓËÜÒÀÒÎÂ ÈÇÌÅÐÅÍÈÉ

Á.11.1. Ðåçóëüòàòû ïðÿìûõ èçìåðåíèé íàãðóçêè ÒÍ îôîðìëÿþò ïðîòîêîëîì, ôîðìà êîòîðîãî ïðåäñòàâëåíà â òàáëèöå Á.4.

Á.11.2. Ðåçóëüòàòû êîñâåííûõ èçìåðåíèé íàãðóçêè ÒÍ îôîðìëÿþò ïðîòîêîëîì, â ñîñòàâ êîòîðîãî âõîäÿò ðåçóëüòàòû èçìåðåíèé, îôîðìëåííûå â âèäå òàáëèöû Á.5, è ðåçóëüòàòû îáðàáîòêè, ïðåäñòàâëåííûå â âèäå òàáëèö Á.6 è Á.7 (äëÿ òðåõ îäíîôàçíûõ ÒÍ) èëè Á.8 (äëÿ òðåõôàçíîãî ÒÍ).

Á.11.3. Ïðîòîêîëû ïðÿìûõ èëè êîñâåííûõ èçìåðåíèé íàãðóçêè ÒÍ äîëæíû ñîäåðæàòü çàêëþ÷åíèå î ñîîòâåòñòâèè èëè íåñîîòâåòñòâèè ðåçóëüòàòîâ èçìåðåíèé óñòàíîâëåííûì òðåáîâàíèÿì.

Òàáëèöà Á.6.

Ðåçóëüòàòû âû÷èñëåíèÿ ìîäóëåé ôàçíûõ òîêîâ è ñîîòâåòñòâóþùèõ ôàçîâûõ óãëîâ ñäâèãà

Ia

cosja

Ib

cosjb

Ic

cosjc

 

 

 

 

 

 

Òàáëèöà Á.7.

Ðåçóëüòàòû âû÷èñëåíèÿ íàãðóçîê îñíîâíûõ âòîðè÷íûõ îáìîòîê îäíîôàçíûõ ÒÍ

Ñõåìà ñîåäèíåíèÿ

Sab

cosjab

Sbc

cosjbc

Sa

cosja

Sb

cosjb

Sc

cosjc

 

 

 

 

 

 

 

 

 

 

 

Òàáëèöà Á.8.

Ðåçóëüòàòû âû÷èñëåíèÿ íàãðóçîê îñíîâíûõ âòîðè÷íûõ îáìîòîê òðåõôàçíûõ ÒÍ

Ôàçà i

Si

cosji

Ði

Qi

P3

Q3

S3

cosj3

à

 

 

 

 

 

 

 

 

b

 

 

 

 

ñ

 

 

 

 

Ïðèëîæåíèå Â

(ðåêîìåíóåìîå)

ÔÎÐÌÀ ÏÐÎÒÎÊÎËÀ ÑÅÐÒÈÔÈÊÀÖÈÎÍÍÛÕ ÈÑÏÛÒÀÍÈÉ ÝËÅÊÒÐÈ×ÅÑÊÎÉ ÝÍÅÐÃÈÈ ÏÎ ÏÎÊÀÇÀÒÅËßÌ ÊÀ×ÅÑÒÂÀ

ÎÎÎ «ÍÀÓ×ÍÛÉ ÖÅÍÒÐ ËÈÍÂÈÒ»

ÈÑÏÛÒÀÒÅËÜÍÛÉ ÖÅÍÒÐ ÏÎ ÊÀ×ÅÑÒÂÓ ÝËÅÊÒÐÈ×ÅÑÊÎÉ ÝÍÅÐÃÈÈ (ÈÖ ÊÝ)

111250, Ìîñêâà

Àâèàìîòîðíàÿ, 8

òåë: (095) 2738974

ôàêñ: (095) 3624234

e-mail: vir@srd.mtuci.ru

Àòòåñòàò àêêðåäèòàöèè N ÐÎÑÑ.Ð.0001.21ÀÀ07,

âûäàí Ãîññòàíäàðòîì Ðîññèè «17» èþíÿ 1999 ã.

ñðîê äåéñòâèÿ äî «17» èþíÿ 2002 ã.

 

«Óòâåðæäàþ»

Ðóêîâîäèòåëü ÈÖ ÊÝ

__________ Âîèíîâ Â.Í.

«____» _________ 2001 ã.

Ïðîòîêîë ¹ ____
ñåðòèôèêàöèîííûõ èñïûòàíèé ýëåêòðè÷åñêîé ýíåðãèè ïî ïîêàçàòåëÿì êà÷åñòâà
, óñòàíîâëåííûì ÃÎÑÒ 13109-97

(íà n ëèñòàõ)

Íàñòîÿùèé ïðîòîêîë èñïûòàíèé êàñàåòñÿ òîëüêî ýëåêòðè÷åñêîé ýíåðãèè â ïóíêòå êîíòðîëÿ, óêàçàííîì â ï. 3, çà ïåðèîä èñïûòàíèé, îïðåäåëåííûé â ï. 4.

Ïîëíàÿ èëè ÷àñòè÷íàÿ ïåðåïå÷àòêà íàñòîÿùåãî ïðîòîêîëà èñïûòàíèé áåç ðàçðåøåíèÿ ÈÖ ÊÝ «ËÈÍÂÈÒ» íå äîïóñêàåòñÿ.

1. Çàêàç÷èê èñïûòàíèé

Íàèìåíîâàíèå:

Àäðåñ:

2. Öåëü èñïûòàíèé

Ñåðòèôèêàöèîííûå èñïûòàíèÿ íà ñîîòâåòñòâèå òðåáîâàíèÿì ÃÎÑÒ 13109-97, ïï. 5.4.1, 5.4.2, 5.5.1, 5.5.2, 5.6 è äîãîâîðà ýíåðãîñíàáæåíèÿ ¹ nn ïï...

3. Èäåíòèôèêàöèîííûå äàííûå ïóíêòà êîíòðîëÿ

Ìåñòî (îáîçíà÷åíèå) â ñõåìå:

Àäðåñ:

Öåíòð ïèòàíèÿ:

4. Ñðîêè ïðîâåäåíèÿ èñïûòàíèé

ñ «___»______2001 ã. ïî «___»________2001 ã.

5. Ìåòîäèêà èñïûòàíèé

Èñïûòàíèÿ ïðîâîäèëèñü â ñîîòâåòñòâèè ñ Äîïîëíåíèåì ¹ 1 ê ÐÄ 34.15.501-88.

6. Ïåðå÷åíü ñðåäñòâ èçìåðåíèé (ÑÈ)

Íàèìåíîâàíèå ÑÈ

Òèï ÑÈ

Çàâîäñêîé íîìåð, ãîä âûïóñêà

¹ ñâèäåòåëüñòâà î ïîâåðêå è äàòà ïîâåðêè

 

 

 

 

 

 

 

 

Ñõåìà ñîåäèíåíèÿ îáìîòîê ÒÍ

Ïðîòîêîë èñïûòàíèé ÒÍ ïðèâåäåí â ïðèëîæåíèè ¹ 1 ê íàñòîÿùåìó ïðîòîêîëó.

7. Óñëîâèÿ ïðîâåäåíèÿ èçìåðåíèé (çà âåñü ïåðèîä èçìåðåíèé)

Òåìïåðàòóðà, °Ñ

Àòìîñôåðíîå äàâëåíèå, ìì ðò.ñò.

Îòíîñèòåëüíàÿ âëàæíîñòü, %

Íàïðÿæåíèå ïèòàíèÿ, Â

Íàèìåí.

Íàèáîë.

Íàèìåí.

Íàèáîë.

Íàèìåí.

Íàèáîë.

Íàèìåí.

Íàèáîë.

 

 

 

 

 

 

 

 

8. Ðåçóëüòàòû èçìåðåíèé çà êàæäûå ñóòêè ïðèâåäåíû â ïðèëîæåíèÿõ ¹ 2 - 8

9. Çàêëþ÷åíèå

Èç ðåçóëüòàòîâ èçìåðåíèé ÏÊÝ, ïðèâåäåííûõ â Ïðèëîæåíèè 2, è ñîïîñòàâëåíèÿ ñ òðåáîâàíèÿìè ÍÄ, ïåðå÷èñëåííûìè â ï. 2, â ïóíêòå êîíòðîëÿ, óêàçàííîì â ï. 3, çà ïåðèîä âðåìåíè, îïðåäåëåííûé â ï. 4, ñëåäóåò, ÷òî êà÷åñòâî ýëåêòðè÷åñêîé ýíåðãèè:

- ïî óñòàíîâèâøåìóñÿ îòêëîíåíèþ íàïðÿæåíèÿ - ñîîòâåòñòâóåò (íå ñîîòâåòñòâóåò);

- ïî îòêëîíåíèÿì ÷àñòîòû - ñîîòâåòñòâóåò (íå ñîîòâåòñòâóåò);

- ïî êîýôôèöèåíòó èñêàæåíèÿ ñèíóñîèäàëüíîñòè íàïðÿæåíèÿ - ñîîòâåòñòâóåò (íå ñîîòâåòñòâóåò);

- ïî êîýôôèöèåíòó n-é ãàðìîíè÷åñêîé ñîñòàâëÿþùåé íàïðÿæåíèÿ - ñîîòâåòñòâóåò (íå ñîîòâåòñòâóåò);

- ïî êîýôôèöèåíòó íåñèììåòðèè íàïðÿæåíèé ïî îáðàòíîé ïîñëåäîâàòåëüíîñòè - ñîîòâåòñòâóåò (íå ñîîòâåòñòâóåò);

- ïî êîýôôèöèåíòó íåñèììåòðèè íàïðÿæåíèé ïî íóëåâîé ïîñëåäîâàòåëüíîñòè - íå ñîîòâåòñòâóåò (íå ñîîòâåòñòâóåò).

Ïðèëîæåíèÿ

1. Ðåçóëüòàòû èñïûòàíèé ÒÍ èëè åãî íàãðóçêè.

2. Ðåçóëüòàòû èçìåðåíèé ÏÊÝ â ïóíêòå êîíòðîëÿ çà êàæäûå 24 ÷àñà.

3. Îïèñàíèå ïðèíÿòûõ ìåð ïî ïîääåðæàíèþ óñëîâèé èçìåðåíèé.

Èíæåíåð-èñïûòàòåëü                                               __________________

Òåõíèê-èñïûòàòåëü                                                   __________________

               Äàòà

ÈÑÏÛÒÀÒÅËÜÍÛÉ ÖÅÍÒÐ ÏÎ ÊÀ×ÅÑÒÂÓ ÝËÅÊÒÐÈ×ÅÑÊÎÉ ÝÍÅÐÃÈÈ «ËÈÍÂÈÒ»

ÏÐÈËÎÆÅÍÈÅ ¹ N Ê ÏÐÎÒÎÊÎËÓ ÈÇÌÅÐÅÍÈÉ ¹ N

Äàòà è âðåìÿ íà÷àëà èçìåðåíèé:                         ÄÄ.ÌÌ. ÃÃÃà          ××: ÌÌ

Äàòà è âðåìÿ îêîí÷àíèÿ èçìåðåíèé:                  ÄÄ.ÌÌ. ÃÃÃà          ××: ÌÌ

Èíòåðâàëû âðåìåíè íàèáîëüøèõ íàãðóçîê:       ××: ÌÌ – ××: ÌÌ

××: ÌÌ – ××: ÌÌ

Òàáëèöà 1

Ðåçóëüòàòû èñïûòàíèé ýëåêòðè÷åñêîé ýíåðãèè ïî óñòàíîâèâøåìóñÿ îòêëîíåíèþ íàïðÿæåíèÿ â ðåæèìàõ íàèáîëüøèõ è íàèìåíüøèõ íàãðóçîê

 ïðîöåíòàõ

Ðåæèì íàèáîëüøèõ íàãðóçîê

Ðåæèì íàèìåíüøèõ íàãðóçîê

Èçìåðÿåìàÿ õàðàêòåðèñòèêà

Ðåçóëüòàò èçìåðåíèé

Íîðìàòèâíîå çíà÷åíèå

Ò1

Ò2

Èçìåðÿåìàÿ õàðàêòåðèñòèêà

Ðåçóëüòàò èçìåðåíèé

Íîðìàòèâíîå çíà÷åíèå

Ò1

Ò2

Ïðÿìîé ïîñëåäîâàòåëüíîñòè

dUIí

 

 

 

XX

dUIIí

 

 

 

XX

dUIâ

 

 

XX

dUIIâ

 

 

XX

dUIíì

 

 

XX

 

dUIIíì

 

 

XX

 

dUIíá

 

 

XX

dUIIíá

 

 

XX

Ôàçíîå (ìåæäóôàçíîå) À (ÀÂ)

dUIí

 

 

 

XX

dUIIí

 

 

 

XX

dUIâ

 

 

XX

dUIIâ

 

 

XX

dUIíì

 

 

XX

 

dUIIíì

 

 

XX

 

dUIíá

 

 

XX

dUIIíá

 

 

XX

Ôàçíîå (ìåæäóôàçíîå) Â (ÂÑ)

dUIí

 

 

 

XX

dUIIí

 

 

 

XX

dUIâ

 

 

XX

dUIIâ

 

 

XX

dUIíì

 

 

XX

 

dUIIíì

 

 

XX

 

dUIíá

 

 

XX

dUIIíá

 

 

XX

Ôàçíîå (ìåæäóôàçíîå) Ñ (ÑÀ)

dUIí

 

 

 

XX

dUIIí

 

 

 

XX

dUIâ

 

 

XX

dUIIâ

 

 

XX

dUIíì

 

 

XX

 

dUIIíì

 

 

XX

 

dUIíá

 

 

XX

dUIIíá

 

 

XX

Ïîãðåøíîñòü èçìåðåíèé

Îáîçíà÷åíèå

Ðåçóëüòàò

Íîðìàòèâíîå çíà÷åíèå

DdU

 

 

 

Òàáëèöà 1 (à)

Ðåçóëüòàòû èñïûòàíèé ýëåêòðè÷åñêîé ýíåðãèè ïî óñòàíîâèâøåìóñÿ îòêëîíåíèþ íàïðÿæåíèÿ çà ñóòêè

 ïðîöåíòàõ

Ñóòî÷íûé ðåæèì íàãðóçîê

Èçìåðÿåìàÿ õàðàêòåðèñòèêà

Ðåçóëüòàò èçìåðåíèé

Íîðìàòèâíîå çíà÷åíèå

 

 

Èçìåðÿåìàÿ õàðàêòåðèñòèêà

Ðåçóëüòàò èçìåðåíèé

Íîðìàòèâíîå çíà÷åíèå

Ò1

Ò2

Ïðÿìîé ïîñëåäîâàòåëüíîñòè

Ôàçíîå (ìåæäóôàçíîå) À (ÀÂ)

dUí

 

 

 

XX

dUí

 

 

 

XX

dUâ

 

 

XX

dUâ

 

 

XX

dUíì

 

 

XX

 

dUíì

 

 

XX

 

dUíá

 

 

XX

dUíá

 

 

XX

Ôàçíîå (ìåæäóôàçíîå) Â (ÂÑ)

Ôàçíîå (ìåæäóôàçíîå) Ñ (ÑÀ)

dUí

 

 

 

XX

dUí

 

 

 

XX

dUâ

 

 

XX

dUâ

 

 

XX

dUíì

 

 

XX

 

dUíì

 

 

XX

 

dUíá

 

 

XX

dUíá

 

 

XX

Ïîãðåøíîñòü èçìåðåíèé

Îáîçíà÷åíèå

Ðåçóëüòàò

Íîðìàòèâíîå çíà÷åíèå

DdU

 

 

Òàáëèöà 2

Ðåçóëüòàòû èñïûòàíèé ýëåêòðè÷åñêîé ýíåðãèè ïî êîýôôèöèåíòó èñêàæåíèÿ ñèíóñîèäàëüíîñòè êðèâîé íàïðÿæåíèÿ

 ïðîöåíòàõ

Èçìåðÿåìàÿ õàðàêòåðèñòèêà

Ôàçà «À»

Ôàçà «Â»

Ôàçà «Ñ»

Íîðìàòèâíîå çíà÷åíèå

Ðåçóëüòàò èçìåðåíèé

T1

T2

Ðåçóëüòàò èçìåðåíèé

T1

T2

Ðåçóëüòàò èçìåðåíèé

T1

T2

 

 

X

 

 

X

 

 

X

 

 

X

 

 

X

 

 

X

 

 

Ïîãðåøíîñòü èçìåðåíèé

Îáîçíà÷åíèå

Ðåçóëüòàò

Íîðìàòèâíîå çíà÷åíèå

DÊu

 

 

Òàáëèöà 3

Ðåçóëüòàòû èñïûòàíèé ýëåêòðè÷åñêîé ýíåðãèè ïî êîýôôèöèåíòó íåñèììåòðèè íàïðÿæåíèé ïî îáðàòíîé ïîñëåäîâàòåëüíîñòè

 ïðîöåíòàõ

Èçìåðÿåìàÿ õàðàêòåðèñòèêà

Ðåçóëüòàò èçìåðåíèé

Íîðìàòèâíîå çíà÷åíèå

T1

T2

 

 

 

X

 

 

X

 

Ïîãðåøíîñòü èçìåðåíèé

Îáîçíà÷åíèå

Ðåçóëüòàò

Íîðìàòèâíîå çíà÷åíèå

DÊ2u

 

 

Òàáëèöà 4

Ðåçóëüòàòû èñïûòàíèé ýëåêòðè÷åñêîé ýíåðãèè ïî êîýôôèöèåíòó íåñèììåòðèè íàïðÿæåíèé ïî íóëåâîé ïîñëåäîâàòåëüíîñòè

 ïðîöåíòàõ

Èçìåðÿåìàÿ õàðàêòåðèñòèêà

Ðåçóëüòàò èçìåðåíèé

Íîðìàòèâíîå çíà÷åíèå

T1

T2

 

 

 

X

 

 

X

 

Ïîãðåøíîñòü èçìåðåíèé

Îáîçíà÷åíèå

Ðåçóëüòàò

Íîðìàòèâíîå çíà÷åíèå

DÊou

 

 

Òàáëèöà 5

Ðåçóëüòàòû èñïûòàíèé ýëåêòðè÷åñêîé ýíåðãèè ïî îòêëîíåíèþ ÷àñòîòû

 Ãåðöàõ

Èçìåðÿåìàÿ õàðàêòåðèñòèêà

Ðåçóëüòàò èçìåðåíèé

Íîðìàòèâíîå çíà÷åíèå

T1

T2

Dfí

 

 

 

XX

Dfâ

 

 

XX

Dfíì

 

 

XX

 

Dfíá

 

 

XX

Ïîãðåøíîñòü èçìåðåíèé

Îáîçíà÷åíèå

Ðåçóëüòàò

Íîðìàòèâíîå çíà÷åíèå

DDf

 

 

Òàáëèöà 6

Ðåçóëüòàòû èñïûòàíèé ýëåêòðè÷åñêîé ýíåðãèè ïî êîýôôèöèåíòó ï-é ãàðìîíè÷åñêîé ñîñòàâëÿþùåé íàïðÿæåíèÿ

 ïðîöåíòàõ

n

Ðåçóëüòàò èçìåðåíèé

Íîðìàòèâíûå çíà÷åíèÿ

ôàçà «À»

ôàçà «Â»

ôàçà «Ñ»

KU(n

KU(n)íá

T1

T2

KU(n

KU(n)íá

T1

T2

KU(n

KU(n)íá

T1

T2

KU(n)íä

KU(n)ïä

2

 

 

 

 

 

 

 

 

 

 

 

 

 

 

3

 

 

 

 

 

 

 

 

 

 

 

 

 

 

4

 

 

 

 

 

 

 

 

 

 

 

 

 

 

5

 

 

 

 

 

 

 

 

 

 

 

 

 

 

6

 

 

 

 

 

 

 

 

 

 

 

 

 

 

7

 

 

 

 

 

 

 

 

 

 

 

 

 

 

8

 

 

 

 

 

 

 

 

 

 

 

 

 

 

9

 

 

 

 

 

 

 

 

 

 

 

 

 

 

10

 

 

 

 

 

 

 

 

 

 

 

 

 

 

11

 

 

 

 

 

 

 

 

 

 

 

 

 

 

12

 

 

 

 

 

 

 

 

 

 

 

 

 

 

13

 

 

 

 

 

 

 

 

 

 

 

 

 

 

14

 

 

 

 

 

 

 

 

 

 

 

 

 

 

15

 

 

 

 

 

 

 

 

 

 

 

 

 

 

16

 

 

 

 

 

 

 

 

 

 

 

 

 

 

17

 

 

 

 

 

 

 

 

 

 

 

 

 

 

18

 

 

 

 

 

 

 

 

 

 

 

 

 

 

19

 

 

 

 

 

 

 

 

 

 

 

 

 

 

20

 

 

 

 

 

 

 

 

 

 

 

 

 

 

21

 

 

 

 

 

 

 

 

 

 

 

 

 

 

22

 

 

 

 

 

 

 

 

 

 

 

 

 

 

23

 

 

 

 

 

 

 

 

 

 

 

 

 

 

24

 

 

 

 

 

 

 

 

 

 

 

 

 

 

25

 

 

 

 

 

 

 

 

 

 

 

 

 

 

26

 

 

 

 

 

 

 

 

 

 

 

 

 

 

27

 

 

 

 

 

 

 

 

 

 

 

 

 

 

28

 

 

 

 

 

 

 

 

 

 

 

 

 

 

29

 

 

 

 

 

 

 

 

 

 

 

 

 

 

30

 

 

 

 

 

 

 

 

 

 

 

 

 

 

31

 

 

 

 

 

 

 

 

 

 

 

 

 

 

32

 

 

 

 

 

 

 

 

 

 

 

 

 

 

33

 

 

 

 

 

 

 

 

 

 

 

 

 

 

34

 

 

 

 

 

 

 

 

 

 

 

 

 

 

35

 

 

 

 

 

 

 

 

 

 

 

 

 

 

36

 

 

 

 

 

 

 

 

 

 

 

 

 

 

37

 

 

 

 

 

 

 

 

 

 

 

 

 

 

38

 

 

 

 

 

 

 

 

 

 

 

 

 

 

39

 

 

 

 

 

 

 

 

 

 

 

 

 

 

40

 

 

 

 

 

 

 

 

 

 

 

 

 

 

Ïîãðåøíîñòü èçìåðåíèé

Îáîçíà÷åíèå

Ðåçóëüòàò

Íîðìàòèâíîå çíà÷åíèå

DÊu(n)

 

 

Èíæåíåð-èñïûòàòåëü                                            ______________

Òåõíèê-èñïûòàòåëü                                                ______________

ñîäåðæàíèå

1. ÎÁËÀÑÒÜ ÏÐÈÌÅÍÅÍÈß.. 2

2. ÍÎÐÌÀÒÈÂÍÛÅ ÑÑÛËÊÈ.. 2

3. ÒÅÐÌÈÍÛ È ÎÏÐÅÄÅËÅÍÈß.. 2

4. ÍÎÐÌÛ ÊÝ, ÓÑËÎÂÈß ÑÎÎÒÂÅÒÑÒÂÈß ÍÎÐÌÀÌ È ÔÎÐÌÛ ÏÐÅÄÑÒÀÂËÅÍÈß ÐÅÇÓËÜÒÀÒÎÂ ÊÎÍÒÐÎËß.. 3

5. ÂÛÁÎÐ ÏÓÍÊÒΠÊÎÍÒÐÎËß ÊÀ×ÅÑÒÂÀ ÝËÅÊÒÐÈ×ÅÑÊÎÉ ÝÍÅÐÃÈÈ.. 4

6. ÏÐÎÄÎËÆÈÒÅËÜÍÎÑÒÜ È ÏÅÐÈÎÄÈ×ÍÎÑÒÜ ÊÎÍÒÐÎËß ÏÊÝ.. 6

7. ÒÐÅÁÎÂÀÍÈß Ê ÏÎÃÐÅØÍÎÑÒÈ ÈÇÌÅÐÅÍÈÉ.. 7

8. ÒÐÅÁÎÂÀÍÈß Ê ÑÐÅÄÑÒÂÀÌ ÈÇÌÅÐÅÍÈÉ.. 7

9. ÌÅÒÎÄ ÈÇÌÅÐÅÍÈÉ.. 8

10. ÒÐÅÁÎÂÀÍÈß ÁÅÇÎÏÀÑÍÎÑÒÈ.. 8

11. ÒÐÅÁÎÂÀÍÈß Ê ÊÂÀËÈÔÈÊÀÖÈÈ ÎÏÅÐÀÒÎÐÎÂ.. 8

12. ÓÑËÎÂÈß ÈÇÌÅÐÅÍÈÉ.. 8

13. ÏÎÄÃÎÒÎÂÊÀ Ê ÏÐÎÂÅÄÅÍÈÞ ÈÇÌÅÐÅÍÈÉ.. 8

14. ÂÛÏÎËÍÅÍÈÅ ÈÇÌÅÐÅÍÈÉ.. 9

15. ÎÁÐÀÁÎÒÊÀ ÐÅÇÓËÜÒÀÒÎÂ ÈÇÌÅÐÅÍÈÉ.. 9

16. ÎÔÎÐÌËÅÍÈÅ ÐÅÇÓËÜÒÀÒΠÊÎÍÒÐÎËß ÏÎÊÀÇÀÒÅËÅÉ ÊÀ×ÅÑÒÂÀ ÝËÅÊÒÐÈ×ÅÑÊÎÉ ÝÍÅÐÃÈÈ.. 10

Ïðèëîæåíèå À.. 10

ÄÎÏÓÑÊÀÅÌÛÅ ÇÍÀ×ÅÍÈß ÏÊÝ Â ÏÓÍÊÒÀÕ ÊÎÍÒÐÎËß.. 10

Ïðèëîæåíèå Á. 15

ÌÅÒÎÄÈÊÀ ÎÏÐÅÄÅËÅÍÈß ÍÀÃÐÓÇÊÈ È ÊÎÝÔÔÈÖÈÅÍÒÀ ÌÎÙÍÎÑÒÈ ÂÒÎÐÈ×ÍÛÕ ÖÅÏÅÉ ÒÐÀÍÑÔÎÐÌÀÒÎÐÀ ÍÀÏÐ߯ÅÍÈß Â ÐÀÁÎ×ÈÕ ÓÑËÎÂÈßÕ ÏÐÈÌÅÍÅÍÈß.. 15

Ïðèëîæåíèå Â. 22

ÔÎÐÌÀ ÏÐÎÒÎÊÎËÀ ÑÅÐÒÈÔÈÊÀÖÈÎÍÍÛÕ ÈÑÏÛÒÀÍÈÉ ÝËÅÊÒÐÈ×ÅÑÊÎÉ ÝÍÅÐÃÈÈ ÏÎ ÏÎÊÀÇÀÒÅËßÌ ÊÀ×ÅÑÒÂÀ.. 22

 




ßíäåêñ öèòèðîâàíèÿ



   Copyright © 2007-2026,  www.tehlit.ru.

[ ƒîñòû, ñòàíäàðòû, íîðìàòèâû, èíñòðóêöèè, ïðàâèëà, ñòðîèòåëüíûå íîðìû ]