//
ТехЛит.ру
- крупнейшая бесплатная электронная интернет библиотека для "технически умных" людей.
WWW.TEHLIT.RU - ТЕХНИЧЕСКАЯ ЛИТЕРАТУРА

:: Алготрейдинг::


АЛГОТРЕЙДИНГ
шаг за шагом
с нуля по урокам!

Торговые роботы на PYTHON, BackTrader,
Pandas, Pine Script для TradingView. Связка с брокерами, телеграм и легкими приложениями.


ГОСУДАРСТВЕННЫЙ СТАНДАРТ СОЮЗА ССР

ПРОФИЛИ СТАЛЬНЫЕ ГНУТЫЕ
ЗАМКНУТЫЕ СВАРНЫЕ КВАДРАТНЫЕ
И ПРЯМОУГОЛЬНЫЕ

Технические условия

ГОСТ 25577-83

ГОСУДАРСТВЕННЫЙ КОМИТЕТ СССР ПО УПРАВЛЕНИЮ
КАЧЕСТВОМ ПРОДУКЦИИ И СТАНДАРТАМ

Москва

ГОСУДАРСТВЕННЫЙ СТАНДАРТ СОЮЗА ССР

ПРОФИЛИ СТАЛЬНЫЕ ГНУТЫЕ ЗАМКНУТЫЕ
СВАРНЫЕ КВАДРАТНЫЕ И ПРЯМОУГОЛЬНЫЕ

Технические условия

Steel bent closed welded square and rectangular sections. Specifications

ГОСТ
25577-83

Срок действия с 01.01.84

до 01.01.94

Настоящий стандарт распространяется на стальные гнутые замкнутые сварные квадратные и прямоугольные профили, предназначенные для применения в сельскохозяйственном машиностроении, тракторостроении и других отраслях народного хозяйства.

1. СОРТАМЕНТ

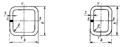
1.1. Поперечное сечение профилей должно соответствовать указанному на черт. 1 и 2.

Черт. 1                                                Черт. 2

h - высота профиля; b - ширина профиля; S - толщина профиля; R - радиус кривизны; W - момент сопротивления; I - момент инерции; i - радиус инерции; Sx.y - статический момент полусечения; F - площадь поперечного сечения


Таблица 1

b

s

R, не более

Площадь поперечного сечения F, см2

Справочные значения величин для осей

Масса 1 м, кг

Х - Х

Y - Y

мм

Ix, Iу, см4

Wx, Wу, см3

i x, iу, см

Sx, Sу, см3

150

8

22

41,86

1329,97

177,23

5,64

107,63

32,86

140

8

22

38,67

1055,26

150,75

5,22

92,08

30,36

140

7

18

34,66

974,21

139,17

5,30

83,87

27,81

140

6

14

30,31

873,50

110,57

5,37

74,35

23,79

140

5

12

25,76

780,54

108,62

5,43

64,01

20,22

120

8

22

32,27

624,02

84,33

4,40

64,58

25,33

110

6

14

23,31

398,80

72,51

4,15

43,91

19,22

110

3

7

12,40

233,59

42,47

4,33

24,70

9,79

100

6

14

20,81

290,14

58,03

3,73

35,44

16,33

100

5

12

17,76

255,57

51,11

3,79

30,76

13,94

100

4

10

14,70

234,09

48,90

3,87

26,00

11,50

100

4

10

14,54

215,73

43,15

3,85

25,59

11,47

80

6

14

16,01

135,47

33,87

2,91

21,19

12,57

80

5

12

13,76

121,46

30,36

2,97

18,69

10,80

80

4

10

11,34

104,21

26,05

3,03

15,69

8,90

Таблица 2

h

b

s

R, не более

Площадь поперечного сечения F, см2

Справочные значения величин для осей

Масса 1 м, кг

Х - Х

Y - Y

мм

Ix, см4

Wx, см3

ix, см

Sx, см3

Iу, см4

Wу, см3

iу, см

Sу, см3

230

100

8

22

46,47

2804,05

243,83

7,75

159,76

770,24

154,05

4,06

89,73

36,64

220

100

5

12

29,71

1771,58

150,77

7,72

101,78

525,42

105,08

4,21

59,15

23,32

180

125

5

12

28,26

1265,94

140,66

6,69

85,20

726,58

116,25

5,07

66,63

22,18

180

125

4

10

22,94

601,91

87,84

5,12

54,69

1046,92

116,32

6,76

69,87

18,00

180

75

6

14

27,31

1005,32

101,55

6,07

73,13

256,87

68,50

3,07

39,72

21,44

180

75

5

12

23,26

883,02

98,11

6,16

63,33

226,38

60,37

3,12

34,44

18,26

180

75

4

10

18,94

737,11

76,78

6,24

52,27

190,15

50,71

3,17

28,50

14,86

160

130

7

18

36,06

1263,31

157,91

5,92

96,54

921,02

141,70

5,05

83,99

28,30

160

120

4

10

20,94

765,50

89,01

6,05

57,24

494,73

82,45

4,86

47,19

16,43

160

80

7

18

29,12

857,47

94,75

5,43

70,02

292,90

73,22

3,17

43,43

22,86

160

80

4

10

17,87

579,88

69,03

5,70

45,32

199,05

49,76

3,34

28,14

14,03

150

100

8

22

34,42

959,61

127,96

5,28

81,39

513,87

102,77

3,86

61,77

27,02

150

100

6

14

26,71

780,90

92,96

5,41

64,80

420,07

84,01

3,97

49,27

20,96

120

80

6

14

20,71

341,47

53,83

4,24

32,28

199,52

49,88

3,10

29,85

16,25

120

80

4

10

14,54

279,35

42,33

4,38

28,63

150,46

37,62

3,22

21,27

11,41

97

80

3

7

9,87

134,73

27,78

3,69

21,99

100,45

25,11

3,19

14,50

7,76

Таблица 3

b

s

R, не более

Площадь поперечного сечения F, см2

Справочные значения величин для осей

Масса 1 м, кг

Х - Х

Y - Y

мм

Ix, Iу, см4

Wx, Wу, см3

ix, iу, см

Sx, Sу, см3

140

7

18

34,66

974,21

239,17

5,30

83,87

27,21

140

6

14

30,31

873,50

110,57

5,37

74,35

23,79

140

5

10

25,93

761,14

109,88

5,45

64,63

20,35

110

6

14

23,31

398,90

72,51

4,15

43,91

18,22

110

3

6

12,75

233,59

42,47

4,33

24,70

9,79

100

5

12

17,76

255,57

51,11

3,79

30,76

13,94

100

4

8

14,70

234,00

48,90

3,87

26,00

11,50

Таблица 4

h

b

s

R, не более

Площадь поперечного сечения F, см2

Справочные значения величин для осей

Масса 1 м, кг

X-Х

Y-Y

мм

Ix, см4

Wx, см3

ix, см

Sx, см3

Iу, см4

Wу, см3

iу, см

Sу, см3

220

100

5

12

29,71

1771,58

150,77

7,72

101,78

525,42

105,08

4,21

59,15

23,32

180

125

5

12

28,26

1265,94

140,66

6,69

85,20

726,58

116,25

5,07

66,63

22,18

180

75

6

14

27,31

1005,32

101,55

6,07

73,13

256,87

68,50

3,07

39,72

21,44

180

75

5

12

23,26

883,02

98,11

6,16

63,33

226,38

60,37

3,12

34,44

18,26

180

75

4

8

18,94

737,11

76,78

6,24

52,27

190,15

50,71

3,17

28,50

14,86

160

130

7

18

36,06

1263,31

157,91

5,92

96,54

921,02

141,70

5,05

83,99

28,30

160

120

4

8

20,94

765,50

89,01

6,05

57,24

494,73

82,45

4,86

47,19

14,86

160

120

3

6

16,05

601,73

75,22

6,12

44,69

388,86

64,81

4,92

36,37

12,60

160

80

7

18

29,12

857,47

94,75

5,43

70,02

292,90

73,22

3,17

43,43

22,86

150

100

6

14

26,71

780,90

92,96

5,41

64,80

420,07

84,01

3,97

49,27

20,96

120

80

6

14

20,71

371,47

53,83

4,24

39,28

199,52

49,88

3,10

29,85

16,25

120

80

4

8

14,54

279,35

42,33

4,38

28,63

150,46

37,62

3,22

21,77

11,41

97

80

3

6

9,87

134,73

27,78

3,69

21,99

100,45

25,11

3,19

14,50

7,76

Примечание к табл. 1 - 4. Приведенные в таблицах площадь поперечного сечения и справочные значения вычислены по номинальным размерам. При вычислении массы 1 м профиля плотность стали принята 7,85 г/см3.


1.2. Размеры профилей, площадь поперечного сечения, справочные величины для осей и масса 1 м профиля должны соответствовать:

для профилей из углеродистой спокойной и низколегированной стали - табл. 1 и 2;

для профилей из углеродистой кипящей и полуспокойной стали - табл. 3 и 4.

1.3. Предельные отклонения по толщине профилей должны соответствовать предельным отклонениям по толщине заготовки шириной 1000 - 2000 мм нормальной точности прокатки Б, приведенным в ГОСТ 19903-74. Предельные отклонения по толщине не распространяются на места изгиба.

По согласованию изготовителя с потребителем допускается изготовление профилей из заготовки повышенной точности прокатки А.

1.4. Предельные отклонения по высоте и ширине профиля не должны превышать:

при высоте (ширине) профиля до 100 мм                       ±1,5 мм,

при высоте (ширине) профиля более 100 мм                 ±2 мм.

Предельные отклонения по высоте (ширине) профиля с толщиной стенки 7 - 8 мм не должны превышать ±2 мм.

1.5. Профили изготовляют длиной от 9 до 11,8 м:

мерной длины;

немерной длины.

Примечание. Допускается по согласованию изготовителя с потребителем изготовление профилей немерной длины с немерными длинами от 3 до 9 м.

1.6. Предельные отклонения по длине профилей мерной длины, кратной мерной длины должны быть не более +60 мм.

1.5, 1.6. (Измененная редакция, Изм. № 1).

1.7. Предельные отклонения от угла 90° не должны превышать ± 1°30¢. Предельные отклонения от угла 90° для профилей с толщиной стенки 7 - 8 мм должны быть не более ±2°.

Пример условного обозначения гнутого сварного профиля высотой 180 мм, шириной 75 мм, толщиной стенки 5 мм:

(Измененная редакция, Изм. № 1).

2. ТЕХНИЧЕСКИЕ ТРЕБОВАНИЯ

2.1. Замкнутые сварные профили изготовляют в соответствии с требованиями настоящего стандарта по технологическому регламенту, утвержденному в установленном порядке.

(Измененная редакция, Изм. № 1).

2.1a. Замкнутые сварные профили изготовляют из горячекатаного проката с обеспечиваемой свариваемостью из углеродистой стали марок Ст3сп, Ст3пс, Ст3кп по ГОСТ 14637-79 и ГОСТ 16523-70, марок 20 и 20пс по ГОСТ 1050-88 и низколегированных сталей марок 09Г2 по ГОСТ 19281-89 и 18ЮТ по ТУ 14-1-4303-87.

(Измененная редакция, Изм. № 2).

2.2. Технические требования профилей - по ГОСТ 11474-76 с дополнениями.

2.2.1 Кривизна профилей в горизонтальной и вертикальной плоскостях не должна превышать 0,1 % измеряемой длины.

2.2.2. Скручивание профилей вокруг продольной оси не должно превышать произведения 30¢ на длину профиля в метрах и должно быть не более 5°.

2.2.3. Выпуклость и вогнутость стенок профилей не должна превышать 1 мм. Для профиля размером 160´120´3 мм выпуклость или вогнутость стенки не должна превышать 2 мм.

2.2.4. Неперпендикулярность плоскости реза к продольной оси профиля не должна превышать 1°30¢. Допускается огневая обрезка торцов отдельных профилей.

2.2.5. Смещение свариваемых кромок относительно друг друга не должно превышать:

0,5 мм - при толщине стенки профиля до 4 мм;

1 мм - при толщине стенки профиля свыше 4 мм.

Высота остаточного грата, выступающая над поверхностью профиля, не должна превышать 1,0 мм. Грат снимается с наружной стороны.

(Измененная редакция, Изм. № 1).

2.2.6. Непровар отдельного места сварного соединения не должен превышать 20 мм, общая длина непровара на 1 м длины при толщине профиля до 6 мм - 50 мм, при толщине 7 - 8 мм - 70 мм.

2.2.7. Прочность сварного соединения не должна быть ниже прочности основного металла.

2.2.8. Требования пп. 2.2.5 - 2.2.7 обеспечиваются при доверительной вероятности 0,95.

3. ПРАВИЛА ПРИЕМКИ

3.1. Правила приемки - по ГОСТ 11474-76.

4. МЕТОДЫ ИСПЫТАНИЙ

4.1. Методы испытаний - по ГОСТ 11474-76 с дополнениями.

4.1.2. Испытание сварного соединения на растяжение - по ГОСТ 6996-66.

4.1.3. Размеры поперечного сечения профилей определяют на расстоянии 100 мм от торца.

4.1.4. Предельные отклонения высоты профиля и измерения выпуклости и вогнутости контролируются по несварной стенке профиля.

(Измененная редакция, Изм. № 1).

4.1.5. Кривизну профилей, вогнутость и выпуклость определяют металлической линейкой (ГОСТ 427-75).

4.1.6. Скручивание и неперпендикулярность плоскости реза профилей определяют угломером (ГОСТ 5378-88).

4.1.7. Смещение кромок и высоту остаточного грата определяют штангенциркулем (ГОСТ 166-80).

4.1.8. Сплошность сварного соединения определяют визуально, без применения увеличительных приборов.

5. УПАКОВКА, МАРКИРОВКА И ТРАНСПОРТИРОВАНИЕ

5.1. Упаковка, маркировка и транспортирование - по ГОСТ 11474-76.

ИНФОРМАЦИОННЫЕ ДАННЫЕ

1. РАЗРАБОТАН И ВНЕСЕН Министерством черной металлургии СССР

РАЗРАБОТЧИКИ

И. С. Тришевский, д-р техн. наук; В. И. Рыбалка, канд. техн. наук, В. А. Савченко, канд. техн. наук; А. Н. Коновалов

2. УТВЕРЖДЕН И ВВЕДЕН В ДЕЙСТВИЕ Постановлением Государственного комитета СССР по стандартам от 05.01.83 № 6

3. ВВЕДЕН ВПЕРВЫЕ

4. ССЫЛОЧНЫЕ НОРМАТИВНО-ТЕХНИЧЕСКИЕ ДОКУМЕНТЫ

Обозначение НТД, на который дана ссылка

Номер пункта, подпункта

ГОСТ 166-89

4.1.7

ГОСТ 427-75

4.1.5

ГОСТ 1050-88

2.1а

ГОСТ 5378-88

4.1.6

ГОСТ 6996-66

4.1.2

ГОСТ 11474-76

2.1а, 2.2, 3.1, 4.1, 5.1

ГОСТ 14637-89

2.1а

ГОСТ 16523-89

2.1а

ГОСТ 19281-89

2.1а

ГОСТ 19903-74

1.3

ТУ 14-1-4303-87

2.1а

5. Срок действия продлен до 01.01.94 Постановлением Госстандарта СССР от 09.02.88 № 214

6. ПЕРЕИЗДАНИЕ (июль 1991 г.) с Изменениями № 1, 2, утвержденными в феврале 1988 г., июле 1989 г. (ИУС 5-88, 11-89)

СОДЕРЖАНИЕ

1. Сортамент. 1

2. Технические требования. 6

3. Правила приемки. 7

4. Методы испытаний. 7

5. Упаковка, маркировка и транспортирование. 7

 




Яндекс цитирования



   Copyright © 2007-2026,  www.tehlit.ru.

[ ѓосты, стандарты, нормативы, инструкции, правила, строительные нормы ]