|
| |
 
ГОСУДАРСТВЕННЫЙ СТАНДАРТ СОЮЗА ССР
ПРИЖИМЫ,.
ДЕРЖАТЕЛИ И ПОЯСКИ
ДЛЯ КРЕПЛЕНИЯ ТРУБОПРОВОДОВ
И КАБЕЛЕЙ
КОНСТРУКЦИЯ И РАЗМЕРЫ
ГОСТ 17020-78
ГОСУДАРСТВЕННЫЙ КОМИТЕТ СССР ПО
СТАНДАРТАМ
Москва
ГОСУДАРСТВЕННЫЙ СТАНДАРТ СОЮЗА ССР
|
ПРИЖИМЫ, ДЕРЖАТЕЛИ И ПОЯСКИ ДЛЯ КРЕПЛЕНИЯ ТРУБОПРОВОДОВ И
КАБЕЛЕЙ
Конструкция и размеры
Clamps, holders end
belts for fixing pipe-lines and cables. Design end dimensions
|
ГОСТ
17020-78*
Взамен
ГОСТ
17020-71
|
Постановлением Государственного комитета стандартов Совета
Министров СССР от 30 января 1978 г. № 281 срок введения установлен
с
01.01.79
Проверен в
1983 г. Постановлением Госстандарта от 30.03.83 № 1516 срок действия продлен
до 01.01.89
Несоблюдение стандарта преследуется по закону
1. Настоящий
стандарт распространяется на прижимы, держатели и пояски для крепления
трубопроводов и кабелей и устанавливает их конструкцию и размеры.
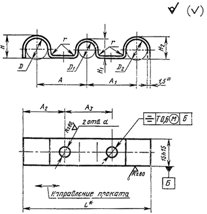
2. Конструкция и
размеры прижимов для крепления трубопроводов должны соответствовать указанным
на черт. 1 - 5 и в табл. 1 -
5.
(Измененная редакция, Изм. № 1).
Тип I

* Размер для справок.
Черт. 1
(Измененная редакция, Изм. № 2).
Таблица 1
Размеры,
мм
|
D (Пред. откл. + 0,5 -
0,3)
|
d (Пред. откл. по H13)
|
А (Пред. откл. ± 0,5)
|
L (Пред. откл. ± 0,5)
|
H
|
h
|
Масса 1000 шт. стальных
прижимов, кг
|
Применяемость
|
|
4
|
4,5
|
13
|
26
|
4,0
|
-
|
5,60
|
|
|
6,6
|
|
|
5
|
4,5
|
14
|
28
|
5,0
|
6,24
|
|
|
6,6
|
|
|
6
|
4,5
|
15
|
30
|
6,0
|
1
|
6,55
|
|
|
6,6
|
|
|
8
|
4,5
|
16
|
32
|
8,0
|
2
|
7,83
|
|
|
6,6
|
|
|
10
|
4,5
|
17
|
34
|
10,0
|
8,50
|
|
|
6,6
|
|
|
12
|
4,5
|
18
|
36
|
12,0
|
9,35
|
|
|
6,6
|
|
|
14
|
4,5
|
19
|
38
|
13,5
|
10,20
|
|
|
6,6
|
|
|
16
|
4,5
|
20
|
40
|
15,5
|
10,80
|
|
|
6,6
|
|
|
18
|
4,5
|
21
|
42
|
17,5
|
12,20
|
|
|
6,6
|
|
(Измененная редакция, Изм. № 2).
Примечание. Для
определения массы прижимов из алюминиевого сплава значения массы, указанные в
табл. 1, должны быть умножены на
коэффициент 0,356.
Пример условного обозначения прижима типа I D = 4 мм и d = 4,5 мм, из стали марки 25, с покрытием Ц15.хр:
Прижим TI-4-4,5-25-Ц15.хр
ГОСТ 17020-78
То же, из стали
25, с покрытием Кд15.хр:
Прижим TI-4-4,5-25-Кд15.хр ГОСТ 17020-78
То же, из стали
марки 12Х18Н10Т, с покрытием Хим. Пас:
Прижим TI-4-4,5-12Х18Н10Т-Хим. Пас ГОСТ 17020-78
То же, из
алюминиевого сплава Д16АМ, с покрытием Ан.
Окс. нхр:
Прижим TI-4-4,5-Д16АМ-Ан.
Окс. нхр ГОСТ 17020-78
(Измененная редакция, Изм. № 2).
Тип II

* Размеры для справок.
Черт. 2
(Измененная
редакция, Изм. № 2).
Таблица 2
Размеры, мм
|
D (Пред.
откл. + 0,5 - 0,3)
|
D1 (Пред. откл. + 0,5 - 0,3)
|
d (Пред. откл. по Н13)
|
A
|
А1
|
B (Пред. откл. по h15)
|
L
|
h (Пред.
откл. ±0,2)
|
r
|
Масса 1000 шт. стальных
прижимов, кг »
|
Применяемость
|
|
Сталь (Пред. откл. ±0,5)
|
Алюминиевый сплав (Пред.
откл. ±0,5)
|
Сталь (Пред. откл. ±0,5)
|
Алюминиевый сплав (Пред.
откл. ±0,5)
|
Сталь
|
Алюминиевый сплав
|
Сталь
|
Алюминиевый сплав
|
|
6
|
6
|
4,5
|
22
|
25
|
11,0
|
12,5
|
10
|
31
|
34
|
1,0
|
1,5
|
3,0
|
4,25
|
|
|
6,6
|
26
|
29
|
13,0
|
14,5
|
16
|
35
|
38
|
7,36
|
|
|
8
|
4,5
|
23
|
26
|
12,0
|
13,5
|
10
|
33
|
36
|
4,14
|
|
|
6,6
|
27
|
30
|
14,0
|
15,5
|
16
|
37
|
40
|
8,05
|
|
|
8
|
4,5
|
24
|
27
|
12,0
|
13,5
|
10
|
35
|
38
|
4,97
|
|
|
6,6
|
28
|
31
|
14,0
|
15,5
|
16
|
39
|
42
|
8,56
|
|
|
10
|
6
|
4,5
|
24
|
27
|
13,0
|
14,5
|
10
|
35
|
38
|
4,97
|
|
|
6,6
|
28
|
31
|
15,0
|
16,5
|
16
|
39
|
42
|
8,56
|
|
|
8
|
4,5
|
25
|
28
|
13,0
|
14,5
|
10
|
37
|
40
|
5,30
|
|
|
6,6
|
29
|
32
|
15,0
|
16,5
|
16
|
41
|
44
|
9,20
|
|
|
10
|
4,5
|
26
|
29
|
13,0
|
14,5
|
10
|
39
|
42
|
5,74
|
|
|
6,6
|
30
|
33
|
15,0
|
16,5
|
16
|
43
|
46
|
9,76
|
|
|
12
|
6
|
4,5
|
25
|
28
|
14,0
|
15,5
|
10
|
37
|
40
|
5,28
|
|
|
6,6
|
29
|
32
|
16,0
|
17,5
|
16
|
41
|
44
|
9,20
|
|
|
8
|
4,5
|
26
|
29
|
14,0
|
15,5
|
10
|
39
|
42
|
5,62
|
|
|
6,6
|
30
|
33
|
16,0
|
17,5
|
16
|
43
|
46
|
9,76
|
|
|
10
|
4,5
|
27
|
30
|
14,0
|
15,5
|
10
|
41
|
44
|
6,02
|
|
|
6,6
|
31
|
34
|
16,0
|
17,5
|
16
|
45
|
48
|
10,40
|
|
|
12
|
4,5
|
28
|
31
|
14,0
|
15,5
|
10
|
43
|
46
|
6,32
|
|
|
6,6
|
32
|
35
|
16,0
|
17,5
|
16
|
47
|
50
|
10,90
|
|
|
14
|
6
|
4,5
|
26
|
29
|
15,0
|
16,5
|
10
|
39
|
42
|
5,64
|
|
|
6,6
|
30
|
33
|
17,0
|
18,5
|
16
|
43
|
46
|
9,80
|
|
|
8
|
4,5
|
27
|
30
|
15,0
|
16,5
|
10
|
41
|
44
|
5,98
|
|
|
6,6
|
31
|
34
|
17,0
|
18,5
|
16
|
45
|
48
|
10,35
|
|
|
10
|
4,5
|
28
|
31
|
15,0
|
16,5
|
10
|
43
|
46
|
6,32
|
|
|
6,6
|
32
|
35
|
17,0
|
18,5
|
16
|
47
|
50
|
10,90
|
|
|
12
|
4,5
|
29
|
32
|
15,0
|
16,5
|
10
|
45
|
48
|
6,70
|
|
|
6,6
|
33
|
36
|
17,0
|
18,5
|
16
|
49
|
52
|
11,50
|
|
|
14
|
4,5
|
30
|
33
|
15,0
|
16,5
|
10
|
47
|
50
|
7,14
|
|
|
6,6
|
34
|
37
|
17,0
|
18,5
|
16
|
51
|
54
|
12,15
|
|
|
16
|
6
|
4,5
|
27
|
30
|
16,0
|
17,5
|
10
|
41
|
44
|
5,98
|
|
|
6,6
|
31
|
34
|
18,0
|
19,5
|
16
|
45
|
48
|
10,35
|
|
|
8
|
4,5
|
28
|
31
|
16,0
|
17,5
|
10
|
43
|
46
|
6,32
|
|
|
6,6
|
32
|
35
|
18,0
|
19,5
|
16
|
47
|
50
|
10,90
|
|
|
10
|
4,5
|
29
|
32
|
16,0
|
17,5
|
10
|
45
|
48
|
6,70
|
|
|
6,6
|
33
|
36
|
18,0
|
19,5
|
16
|
49
|
52
|
11,50
|
|
|
12
|
4,5
|
30
|
33
|
16,0
|
17,5
|
10
|
47
|
50
|
7,14
|
|
|
6,6
|
34
|
37
|
18,0
|
19,5
|
16
|
51
|
54
|
12,15
|
|
|
14
|
4,5
|
31
|
34
|
16,0
|
17,5
|
10
|
49
|
52
|
7,45
|
|
|
6,6
|
35
|
38
|
18,0
|
19,5
|
16
|
53
|
56
|
12,70
|
|
|
16
|
4,5
|
32
|
35
|
16,0
|
17,5
|
10
|
51
|
54
|
7,84
|
|
|
6,6
|
36
|
39
|
18,0
|
19,5
|
16
|
55
|
58
|
13,30
|
|
|
18
|
6
|
4,5
|
28
|
31
|
17,0
|
18,5
|
10
|
43
|
46
|
5,98
|
|
|
6,6
|
32
|
35
|
19,0
|
20,5
|
16
|
47
|
50
|
10,35
|
|
|
8
|
4,5
|
29
|
32
|
17,0
|
18,5
|
10
|
45
|
48
|
6,70
|
|
|
6,6
|
33
|
36
|
19,0
|
20,5
|
16
|
49
|
52
|
11,50
|
|
|
10
|
4,5
|
30
|
33
|
17,0
|
18,5
|
10
|
47
|
50
|
7,14
|
|
|
6,6
|
34
|
37
|
19,0
|
20,5
|
16
|
51
|
54
|
12,15
|
|
|
12
|
4,5
|
31
|
34
|
17,0
|
18,5
|
10
|
49
|
52
|
7,45
|
|
|
6,6
|
35
|
38
|
19,0
|
20,5
|
16
|
53
|
56
|
12,70
|
|
|
14
|
4,5
|
32
|
35
|
17,0
|
18,5
|
10
|
51
|
54
|
1,5
|
7,84
|
|
|
6,6
|
36
|
39
|
19,0
|
20,5
|
16
|
55
|
58
|
13,30
|
|
|
16
|
4,5
|
33
|
36
|
17,0
|
18,5
|
10
|
53
|
56
|
8,21
|
|
|
6,6
|
37
|
40
|
19,0
|
20,5
|
16
|
57
|
60
|
13,90
|
|
|
18
|
4,5
|
34
|
37
|
17,0
|
18,5
|
10
|
55
|
58
|
8,60
|
|
|
6,6
|
38
|
41
|
19,0
|
20,5
|
16
|
59
|
62
|
14,50
|
|
(Измененная редакция, Изм. № 2).
Примечание. Для
определения массы прижимов из алюминиевого сплава значения массы, указанные в
табл. 2, должны быть умножены на
коэффициент 0,356.
Пример условного обозначения прижима типа II, D = 6 мм, D1 = 6 мм и d = 4;,5 мм, из стали марки
25, с покрытием Ц15.хр:
Прижим ТII-6-6-4,5-25-Ц15.хр ГОСТ 17020-78
То же, из стали
марки 25, с покрытием Кд15.хр:
Прижим TII-6-6-4,5-25-Кд15.хр
ГОСТ 17020-78
То же, из стали
марки 12Х18Н10Т, с покрытием Хим. Пас:
Прижим TII-6-6-4,5-
12Х18Н10Т-Хим. Пас ГОСТ 17020-78
То же, из
алюминиевого сплава марки Д16АМ, с покрытием Ан. Окс. нхр:
Прижим TII-6-6-4,5-Д16АМ-Ан. Окс. нxр. ГОСТ 17020-78
(Измененная редакция, Изм. № 2).
Тип III


* Размеры для справок.
Черт. 3
(Измененная
редакция, Изм. № 2).
Таблица 3
Размеры, мм
|
D (Пред. откл. + 0,5 -
0,3)
|
D1 (Пред. откл. + 0,5 - 0,3)
|
d (Пред.
откл. по Н13)
|
A
|
А1
|
А2
|
L
|
r
|
Масса 1000 шт. стальных
прижимов, кг »
|
Применяемость
|
|
Сталь (Пред. откл. ±0,5)
|
Алюминиевый сплав (Пред.
откл. ±0,5)
|
Сталь (Пред. откл. ±0,5)
|
Алюминиевый сплав (Пред.
откл. ±0,5)
|
Сталь (Пред. откл. ±0,5)
|
Алюминиевый сплав (Пред.
откл. ±0,5)
|
Сталь
|
Алюминиевый сплав
|
Сталь
|
Алюминиевый сплав
|
|
6
|
6
|
4,5
|
22
|
25
|
22
|
25
|
11
|
12,5
|
45,5
|
50
|
1,5
|
3,0
|
8,95
|
|
|
6,6
|
26
|
29
|
26
|
29
|
13
|
14,5
|
51,5
|
56
|
10,20
|
|
|
8
|
4,5
|
23
|
26
|
24
|
27
|
12
|
13,5
|
47,5
|
52
|
9,55
|
|
|
6,6
|
27
|
30
|
28
|
31
|
14
|
15,5
|
53,5
|
58
|
10,80
|
|
|
8
|
4,5
|
24
|
27
|
24
|
27
|
12
|
13,5
|
49,5
|
54
|
10,20
|
|
|
6,6
|
28
|
31
|
28
|
31
|
14
|
15,5
|
55,5
|
60
|
11,45
|
|
|
10
|
6
|
4,5
|
24
|
27
|
26
|
29
|
13
|
14,5
|
49,5
|
54
|
10,20
|
|
|
6,6
|
28
|
31
|
30
|
33
|
15
|
16,5
|
55,5
|
60
|
11,45
|
|
|
8
|
4,5
|
25
|
28
|
26
|
29
|
13
|
14,5
|
51,5
|
56
|
10,75
|
|
|
6,6
|
29
|
32
|
30
|
33
|
15
|
16,5
|
57,5
|
62
|
12,00
|
|
|
10
|
4,5
|
26
|
29
|
26
|
29
|
13
|
14,5
|
53,5
|
58
|
11,45
|
|
|
6,6
|
30
|
33
|
30
|
33
|
15
|
16,5
|
59,5
|
64
|
12,70
|
|
|
12
|
6
|
4,5
|
25
|
28
|
28
|
31
|
14
|
15,5
|
51,5
|
56
|
10,75
|
|
|
6,6
|
29
|
32
|
32
|
35
|
16
|
17,5
|
57,5
|
62
|
12,00
|
|
|
8
|
4,5
|
26
|
29
|
28
|
31
|
14
|
15,5
|
53,5
|
58
|
11,45
|
|
|
6,6
|
30
|
33
|
32
|
35
|
16
|
17,5
|
59,5
|
64
|
12,70
|
|
|
10
|
4,5
|
27
|
30
|
28
|
31
|
14
|
15,5
|
55,5
|
60
|
11,90
|
|
|
6,6
|
31
|
34
|
32
|
35
|
16
|
17,5
|
61,5
|
66
|
13,15
|
|
|
12
|
4,5
|
28
|
31
|
28
|
31
|
14
|
15,5
|
57,5
|
62
|
12,55
|
|
|
6,6
|
32
|
35
|
32
|
35
|
16
|
17,5
|
63,5
|
68
|
13,80
|
|
|
14
|
6
|
4,5
|
26
|
29
|
30
|
33
|
15
|
16,5
|
53,5
|
58
|
11,45
|
|
|
6,6
|
30
|
33
|
34
|
37
|
17
|
18,5
|
59,5
|
64
|
12,70
|
|
|
8
|
4,5
|
27
|
30
|
30
|
33
|
15
|
16,5
|
55,5
|
60
|
11,90
|
|
|
6,6
|
31
|
34
|
34
|
37
|
17
|
18,5
|
61,5
|
66
|
13,15
|
|
|
10
|
4,5
|
28
|
31
|
30
|
33
|
15
|
16,5
|
57,5
|
62
|
12,55
|
|
|
6,6
|
32
|
35
|
34
|
37
|
17
|
18,5
|
63,5
|
68
|
13,80
|
|
|
12
|
4,5
|
29
|
32
|
30
|
33
|
15
|
16,5
|
59,5
|
64
|
12,85
|
|
|
6,6
|
33
|
36
|
34
|
37
|
17
|
18,5
|
65,5
|
70
|
14,10
|
|
|
14
|
4,5
|
30
|
33
|
30
|
33
|
15
|
16,5
|
61,5
|
66
|
13,70
|
|
|
6,6
|
34
|
37
|
34
|
37
|
17
|
18,5
|
67,5
|
72
|
14,95
|
|
|
16
|
6
|
4,5
|
27
|
30
|
32
|
35
|
16
|
17,5
|
55,5
|
60
|
11,90
|
|
|
6,6
|
31
|
34
|
36
|
39
|
18
|
19,5
|
61,5
|
66
|
13,15
|
|
|
8
|
4,5
|
28
|
31
|
32
|
35
|
16
|
17,5
|
57,5
|
62
|
12,55
|
|
|
6,6
|
32
|
35
|
36
|
39
|
18
|
19,5
|
63,5
|
68
|
13,80
|
|
|
10
|
4,5
|
29
|
32
|
32
|
35
|
16
|
17,5
|
59,5
|
64
|
13,05
|
|
|
6,6
|
33
|
36
|
36
|
39
|
18
|
19,5
|
65,5
|
70
|
14,30
|
|
|
12
|
4,5
|
30
|
33
|
32
|
35
|
16
|
17,5
|
61,5
|
66
|
13,70
|
|
|
6,6
|
34
|
37
|
36
|
39
|
18
|
19,5
|
67,5
|
72
|
14,95
|
|
|
14
|
4,5
|
31
|
34
|
32
|
35
|
16
|
17,5
|
63,5
|
68
|
14,25
|
|
|
6,6
|
35
|
38
|
36
|
39
|
18
|
19,5
|
69,5
|
74
|
15,50
|
|
|
16
|
4,5
|
32
|
35
|
32
|
35
|
16
|
17,5
|
65,5
|
70
|
14,85
|
|
|
6,6
|
36
|
39
|
36
|
39
|
18
|
19,5
|
71,5
|
76
|
16,10
|
|
|
18
|
6
|
4,5
|
28
|
31
|
34
|
37
|
17
|
18,5
|
57,5
|
62
|
11,90
|
|
|
6,6
|
32
|
35
|
38
|
41
|
19
|
20,5
|
63,5
|
68
|
13,15
|
|
|
8
|
4,5
|
29
|
32
|
34
|
37
|
17
|
18,5
|
59,5
|
64
|
13,05
|
|
|
6,6
|
33
|
36
|
38
|
41
|
19
|
20,5
|
65,5
|
70
|
14,30
|
|
|
10
|
4,5
|
30
|
33
|
34
|
37
|
17
|
18,5
|
61,5
|
66
|
13,70
|
|
|
6,6
|
34
|
37
|
38
|
41
|
19
|
20,5
|
67,5
|
72
|
14,95
|
|
|
12
|
4,5
|
31
|
34
|
34
|
37
|
17
|
18,5
|
63,5
|
68
|
14,25
|
|
|
6,6
|
35
|
38
|
38
|
41
|
19
|
20,5
|
69,5
|
74
|
15,50
|
|
|
14
|
4,5
|
32
|
35
|
34
|
37
|
17
|
18,5
|
65,5
|
70
|
14,85
|
|
|
6,6
|
36
|
39
|
38
|
41
|
19
|
20,5
|
71,5
|
76
|
16,10
|
|
|
16
|
4,5
|
33
|
36
|
34
|
37
|
17
|
18,5
|
67,5
|
72
|
15,35
|
|
|
6,6
|
37
|
40
|
38
|
41
|
19
|
20,5
|
73,5
|
78
|
16,60
|
|
|
18
|
4,5
|
34
|
37
|
34
|
37
|
17
|
18,5
|
69,5
|
74
|
16,00
|
|
|
6,6
|
38
|
41
|
38
|
47
|
19
|
20,5
|
75,5
|
80
|
17,25
|
|
(Измененная редакция, Изм. № 2).
Примечание. Для
определения массы прижимов из алюминиевого сплава значения массы, указанные в
табл. 3, должны быть умножены на
коэффициент 0,356.
Пример условного обозначения прижима типа III, D = 6 мм, D1 = 6 мм и d = 4,5 мм, из
стали марки 25, с покрытием Ц15.хр:
Прижим TIII-6-6-4,5-25-Ц15.хр ГОСТ 17020-78
То же, из стали
марки 25, с покрытием Кд15.хр:
Прижим
TIII-6-6-4,5-25-Кд15.хр ГОСТ 17020-78
То же, из стали
марки 12Х18Н10Т, с покрытием Хим. Пас:
Прижим TIII-6-6-4,5-12Х18Н10Т-Хим. Пас ГОСТ 17020-78
То же, из
алюминиевого сплава Д16АМ, с покрытием Ан.
Окс. нхр:
Прижим
TIII-6-6-4,5-Д16АМ-Ан.
Окс. нхр ГОСТ 17020-78
(Измененная редакция, Изм. № 2).
Тип IV

* Размеры для справок.
Черт. 4
(Измененная
редакция, Изм. № 2).
Таблица 4
Размеры, мм
|
D (Пред. откл. + 0,5 -
0,3)
|
D1 (Пред. откл. + 0,5 - 0,3)
|
D2 (Пред. откл. + 0,5 - 0,3)
|
d (Пред.
откл. по Н13)
|
A
|
А1
|
А2
|
А3
|
L
|
H
|
H1
|
H2
|
r
|
Масса 1000 шт. стальных
прижимов, кг »
|
Применяемость
|
|
Сталь (Пред. откл. ±0,5)
|
Алюминиевый сплав (Пред.
откл. ±0,5)
|
Сталь (Пред. откл. ±0,5)
|
Алюминиевый сплав (Пред.
откл. ±0,5)
|
Сталь (Пред. откл. ±0,5)
|
Алюминиевый сплав (Пред.
откл. ±0,5)
|
Сталь (Пред. откл. ±0,5)
|
Алюминиевый сплав (Пред.
откл. ±0,5)
|
Сталь
|
Алюминиевый сплав
|
Сталь
|
Алюминиевый сплав
|
|
6
|
6
|
6
|
4,5
|
22
|
25
|
22
|
25
|
15,5
|
17
|
22
|
25
|
53
|
59
|
5,5
|
5,5
|
5,5
|
1,5
|
3,0
|
9,90
|
|
|
6,6
|
26
|
29
|
26
|
29
|
17,5
|
19
|
26
|
29
|
61
|
67
|
11,40
|
|
|
8
|
8
|
8
|
4,5
|
24
|
27
|
24
|
27
|
17,5
|
19
|
24
|
27
|
59
|
65
|
7,5
|
7,5
|
7,5
|
12,20
|
|
|
6,6
|
28
|
31
|
28
|
31
|
19,5
|
21
|
28
|
31
|
67
|
73
|
13,70
|
|
|
10
|
4,5
|
25
|
28
|
24
|
27
|
19,5
|
21
|
24
|
27
|
61
|
67
|
9,5
|
12,90
|
|
|
6,6
|
29
|
32
|
28
|
31
|
21,5
|
23
|
28
|
31
|
69
|
75
|
14,40
|
|
|
6
|
10
|
4,5
|
24
|
27
|
24
|
27
|
19,5
|
21
|
22
|
25
|
61
|
67
|
5,5
|
9,5
|
13,20
|
|
|
6,6
|
28
|
31
|
28
|
31
|
21,5
|
23
|
26
|
29
|
69
|
75
|
14,70
|
|
|
12
|
4,5
|
25
|
28
|
24
|
27
|
21,5
|
23
|
22
|
25
|
63
|
69
|
11,5
|
14,25
|
|
|
6,6
|
29
|
32
|
28
|
31
|
23,5
|
25
|
26
|
29
|
71
|
77
|
15,75
|
|
|
14
|
4,5
|
26
|
29
|
24
|
27
|
23,5
|
25
|
22
|
25
|
65
|
71
|
13,5
|
14,60
|
|
|
6,6
|
30
|
33
|
28
|
31
|
25,5
|
27
|
26
|
29
|
73
|
79
|
16,10
|
|
|
8
|
8
|
4,5
|
27
|
30
|
24
|
27
|
23,5
|
25
|
24
|
27
|
65
|
71
|
7,5
|
7,5
|
14,50
|
|
|
6,6
|
31
|
34
|
28
|
31
|
25,5
|
27
|
28
|
31
|
73
|
79
|
16,00
|
|
|
10
|
14
|
4,5
|
28
|
31
|
28
|
31
|
23,5
|
25
|
26
|
29
|
73
|
79
|
9,5
|
13,5
|
17,40
|
|
|
6,6
|
32
|
35
|
32
|
35
|
25,5
|
27
|
30
|
33
|
81
|
87
|
18,90
|
|
|
16
|
6
|
10
|
4,5
|
27
|
30
|
24
|
27
|
25,5
|
27
|
22
|
25
|
67
|
73
|
15,5
|
5,5
|
9,5
|
15,75
|
|
|
6,6
|
31
|
34
|
28
|
31
|
27,5
|
29
|
26
|
29
|
75
|
81
|
17,25
|
|
|
16
|
12
|
4,5
|
32
|
35
|
30
|
33
|
25,5
|
27
|
32
|
35
|
79
|
85
|
15,5
|
11,5
|
21,10
|
|
|
6,6
|
36
|
39
|
34
|
37
|
27,5
|
29
|
36
|
39
|
87
|
93
|
20,60
|
|
|
18
|
14
|
14
|
4,5
|
32
|
35
|
30
|
33
|
27,5
|
29
|
30
|
33
|
81
|
87
|
17,5
|
13,5
|
13,5
|
17,10
|
|
|
6,6
|
36
|
39
|
34
|
37
|
29,5
|
31
|
34
|
37
|
89
|
95
|
18,60
|
|
|
18
|
18
|
4,5
|
34
|
37
|
34
|
37
|
27,5
|
29
|
34
|
37
|
89
|
95
|
17,5
|
17,5
|
22,80
|
|
|
6,6
|
38
|
41
|
38
|
41
|
29,5
|
31
|
38
|
41
|
97
|
103
|
24,30
|
|
(Измененная редакция, Изм. № 2).
Примечание. Для определения массы прижимов из алюминиевого сплава
значения массы, указанные в табл. 4,
должны быть умножены на коэффициент 0,356.
Пример условного обозначения прижима типа IV, D = 12 mm,
D1 = 6 мм, D2 = 10 мм и d = 4,5 мм, из
стали марки 25, с покрытием Ц15.хр:
Прижим TIV-12-6-10-4,5-25-Ц15.хр
ГОСТ 17020-78
То же, из стали
марки 25, с покрытием Кд15.хр:
Прижим TIV-12-6-10-4,5-25-Кд15.хр ГОСТ 17020-78
То же, из стали
марки 12Х18Н10Т, с покрытием Хим. Пас:
Прижим TIV-12-6-10-4,5-12Х18Н10Т-Хим. Пас ГОСТ 17020-78
То же, из
алюминиевого сплава Д16АМ, с покрытием Ан.
Окс. нхр:
Прижим
TIV-12-6-10-4,5-Д16АМ-Ан.
Окс. нхр ГОСТ 17020-78
(Измененная редакция, Изм. № 2).
Тип V

Шероховатость поверхности в местах удаления литников и
облоя должна быть не более Rz 40 мкм.
Черт. 5
(Измененная редакция, Изм. № 2).
Таблица 5
Размеры, мм
|
H (Пред. откл. ± 0,5)
|
d (Пред.
откл. по H13)
|
Масса 1000 шт., кг »
|
Применяемость
|
|
8
|
4,5
|
9,79,7
|
|
|
6,6
|
|
|
13
|
4,5
|
15,9
|
|
|
6,6
|
|
(Измененная редакция, Изм. № 2).
Пример условного обозначения прижима, типа V, H
=
8 мм и d = 4,5 мм из
пpecc-материала АГ-4В:
Прижим TV-8-4,5-АГ-4В
ГОСТ 17020-78
(Измененная редакция, Изм. № 2).
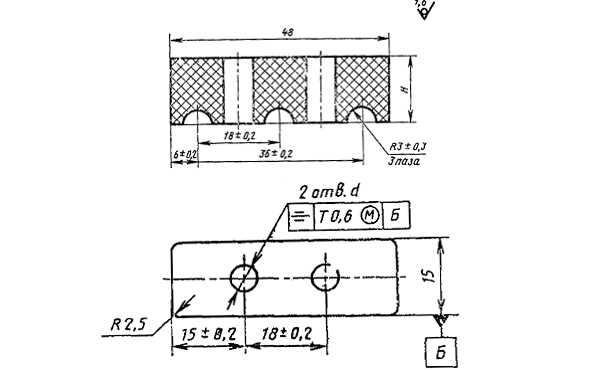
3. Конструкция и
размеры прижимов для крепления кабелей должны соответствовать указанным на
черт. 6 - 8 и в табл. 6 -
8.
(Измененная редакция, Изм. № 1).
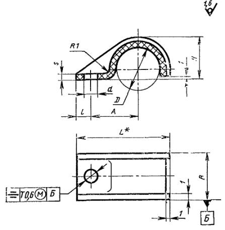
Тип 1
 
* Размеры для справок.
Черт. 6
(Измененная редакция, Изм. № 2).
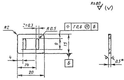
Тип II

1. *Размеры для справок.
2. Предельные отклонения резьб указаны после нанесения
покрытия.
Черт. 7
(Измененная редакция, Изм. № 2).
Тип III

1. * Размер для справок.
2. Шероховатость поверхности в местах удаления литников и
облоя не более Rz 40 мкм.
Черт. 8
Таблица 6
Размеры, мм
|
D (Пред. откл. + 0,5 -
0,3)
|
d (Пред.
откл. по H13)
|
A (Пред.
откл. ± 0,3)
|
B (Пред.
откл. по h15)
|
L
|
l
|
H
|
h
|
s
|
R
|
r
|
Масса 1000 шт. стальных
прижимов, кг »
|
Применяемость
|
|
3
|
2,4
|
5,5
|
5
|
10,0
|
2,5
|
2,5
|
0,5 ± 0,2
|
0,5
|
3,5
|
0,8
|
0,20
|
|
|
6,5
|
6
|
11,0
|
0,50
|
|
|
4,5
|
9,0
|
10
|
14,5
|
3,5
|
6,0
|
1,00
|
|
|
4
|
2,4
|
6,0
|
5
|
11,0
|
2,5
|
3,5
|
3,5
|
0,30
|
|
|
7,0
|
6
|
12,0
|
0,50
|
|
|
4,5
|
9,5
|
10
|
15,5
|
3,5
|
6,0
|
1,00
|
|
|
5
|
2,4
|
8,5
|
5
|
14,3
|
2,5
|
4,0
|
1,0
|
0,8
|
3,5
|
1,5
|
0,40
|
|
|
3,4
|
8
|
14,8
|
3,0
|
6,0
|
1,00
|
|
|
4,5
|
11,0
|
10
|
17,8
|
3,5
|
1,40
|
|
|
6
|
2,4
|
8,5
|
5
|
14,8
|
2,5
|
5,0
|
3,5
|
0,60
|
|
|
3,4
|
9,5
|
8
|
16,3
|
3,0
|
6,0
|
1,20
|
|
|
4,5
|
11,5
|
10
|
18,8
|
3,5
|
1,70
|
|
|
8
|
2,9
|
10,0
|
6
|
17,8
|
3,0
|
7,0
|
3,5
|
1,00
|
|
|
3,4
|
8
|
6,0
|
1,50
|
|
|
4,5
|
12,5
|
10
|
20,8
|
3,5
|
2,14
|
|
|
10
|
2,9
|
11,0
|
6
|
19,8
|
3,0
|
8,0
|
3,5
|
1,20
|
|
|
3,4
|
8
|
6,0
|
1,70
|
|
|
4,5
|
13,5
|
10
|
22,8
|
3,5
|
2,48
|
|
|
12
|
3,4
|
13,0
|
6
|
23,0
|
3,0
|
10,0
|
1,0
|
3,5
|
1,70
|
|
|
10
|
6,0
|
2,00
|
|
|
4,5
|
14,5
|
25,0
|
3,5
|
2,68
|
|
|
14
|
3,4
|
14,0
|
8
|
25,0
|
3,0
|
12,0
|
|
|
4,5
|
15,5
|
10
|
27,0
|
3,5
|
|
|
|
3,4
|
15,0
|
8
|
3,0
|
14,0
|
4,05
|
|
|
|
4,5
|
16,5
|
10
|
29,0
|
3,5
|
|
|
18
|
4,5
|
18,0
|
8
|
31,7
|
3,5
|
15,0
|
1,0
|
1,2
|
6,0
|
2,0
|
3,40
|
|
|
10
|
4,20
|
|
|
20
|
19,0
|
8
|
33,7
|
17,0
|
4,00
|
|
|
10
|
4,75
|
|
|
22
|
20,0
|
36,0
|
18,5
|
2,0
|
1,5
|
6,50
|
|
|
25
|
25,0
|
42,5
|
21,5
|
7,40
|
|
|
28
|
28,0
|
47,0
|
24,5
|
7,90
|
|
|
32
|
32,0
|
53,0
|
28,5
|
9,80
|
|
(Измененная
редакция, Изм. № 2).
Примечание. Для определения массы прижимов из алюминиевого сплава
значения массы, указанные в табл. 6,
должны быть умножены на коэффициент 0,356.
Пример условного обозначения прижима типа I D = 3 мм, В = 5 мм и d =
2,2 4 мм, из стали марки
25, с покрытием Ц15.хр:
Прижим
KI-3-5-2,24-25-Ц15.хр ГОСТ
17020-78
То же, из стали
марки 25, с покрытием Кд15.хр:
Прижим
KI-3-5-2,24-25-Кд15.хр ГОСТ
17020-78
То же, из стали
марки 12Х18Н10Т, с покрытием Хим. Пас:
Прижим KI-3-5-2,24-12Х18Н10Т-Хим. Пас
ГОСТ 17020-78
То же, из
алюминиевого сплава Д16АМ, с покрытием Ан.
Окс. нхр:
Прижим KI-3-5-2,24-Д16АМ-Ан.
Окс. нхр ГОСТ 17020-78
(Измененная редакция, Изм. № 2).
Таблица 7
Размеры, мм
|
D (Пред. откл. + 0,5 -
0,3)
|
d
|
A (Пред.
откл. ± 05)
|
В (Пред. откл. по h15)
|
L
|
l
|
H
|
h
|
h1
|
s
|
R
|
r1
|
r, не более
|
Масса 1000 шт. стальных прижимов,
кг »
|
Применяемость
|
|
3
|
M2-6H
|
5,0
|
6
|
10,0
|
3
|
3,0
|
0,5 ± 0,2
|
1,2
|
0,5
|
3,5
|
0,8
|
0,25
|
0,30
|
|
|
M4-6H
|
9,5
|
12
|
18,2
|
6
|
3,7
|
2,4
|
1,2
|
8,5
|
2,0
|
0,60
|
2,50
|
|
|
4
|
M2-6H
|
5,5
|
6
|
11,0
|
3
|
4,0
|
1,2
|
0,5
|
3,5
|
0,8
|
0,25
|
0,40
|
|
|
M4-6H
|
10,0
|
12
|
19,2
|
6
|
4,7
|
2,4
|
1,2
|
8,5
|
2,0
|
0,60
|
2,70
|
|
|
5
|
M3-6H
|
7,5
|
8
|
14,8
|
4
|
4,8
|
1,0
|
1,8
|
0,8
|
6,0
|
1,5
|
0,40
|
0,90
|
|
|
M4-6H
|
10,5
|
12
|
20,2
|
6
|
5,2
|
2,4
|
1,2
|
8,5
|
2,0
|
0,60
|
3,00
|
|
|
6
|
M3-6H
|
9,0
|
8
|
16,8
|
4
|
5,8
|
1,8
|
0,8
|
6,0
|
1,5
|
0,40
|
1,00
|
|
|
M4-6H
|
11,0
|
12
|
21,2
|
6
|
6,2
|
2,4
|
1,2
|
8,5
|
2,0
|
0,60
|
3,20
|
|
|
8
|
M3-6H
|
10,0
|
8
|
18,8
|
4
|
7,8
|
1,8
|
0,8
|
6,0
|
1,5
|
0,40
|
1,30
|
|
|
M4-6H
|
12,0
|
12
|
23,2
|
6
|
8,2
|
2,4
|
1,2
|
8,5
|
2,0
|
0,60
|
3,70
|
|
|
10
|
M3-6H
|
11,0
|
8
|
20,8
|
4
|
8,8
|
1,8
|
0,8
|
6,0
|
1,5
|
0,40
|
1,40
|
|
|
M4-6H
|
13,0
|
12
|
25,2
|
6
|
9,2
|
2,4
|
1,2
|
8,5
|
2,0
|
0,60
|
4,20
|
|
|
12
|
M3-6H
|
12,0
|
10
|
24,0
|
5
|
11,0
|
2,0
|
1,0
|
6,0
|
1,5
|
0,50
|
2,80
|
|
|
M4-6H
|
14,0
|
12
|
27,2
|
6
|
11,2
|
2,4
|
1,2
|
8,5
|
2,0
|
0,60
|
4,70
|
|
|
15
|
M3-6H
|
10
|
27,5
|
5
|
14,0
|
2,0
|
1,0
|
6,0
|
1,5
|
0,50
|
3,40
|
|
|
M4-6H
|
16,0
|
12
|
30,7
|
6
|
14,2
|
2,4
|
1,2
|
8,5
|
2,0
|
0,60
|
5,40
|
|
|
18
|
M4-6H
|
17,0
|
33,2
|
16,2
|
2,0
|
5,80
|
|
|
20
|
18,0
|
35,2
|
18,2
|
6,40
|
|
|
22
|
20,0
|
14
|
39,5
|
7
|
20,0
|
2,8
|
1,5
|
0,75
|
10,70
|
|
|
25
|
21,0
|
42,0
|
23,0
|
11,90
|
|
|
28
|
23,0
|
45,5
|
26,0
|
12,80
|
|
|
32
|
24,0
|
48,5
|
30,0
|
14,50
|
|
Примечание. Для
определения массы прижимов из алюминиевого сплава значения массы, указанные в
табл. 7, должны быть умножены на
коэффициент 0,356.
Пример условного обозначения прижима типа II, D = 3 мм и d = M4 - 6Н, из стали марки 25, с покрытием Ц15.хр:
Прижим
KII-3-M4-6H-25 Ц15.хр ГОСТ
17020-78
То же, из стали
марки 25, с покрытием Кд15.хр:
Прижим KII-3-M4-6H-25 Кд15.хр ГОСТ
17020-78
То же, из стали
марки 12Х18Н10Т, с покрытием Хим. Пас.
Прижим
КII-3-М4-6Н-12Х18Н10Т-
Хим. Пас ГОСТ 17020-78
То же, из
алюминиевого сплава Д16АМ, с покрытием Ан.
Окс. нхр:
Прижим KII-3-M4-6H-Д16АМ-Ан.
Окс. нхр ГОСТ 17020-78
(Измененная
редакция, Изм. № 2).
Таблица 8
Размеры, мм
|
D (Пред. откл. + 0,5 -
0,3)
|
d (пред.
откл. по H13)
|
А (пред. откл. ± 0,5)
|
B
|
H
|
L
|
l
|
s
|
Масса 1000 шт., кг
|
Применяемость
|
|
3
|
2,4
|
7,5
|
8
|
5,0
|
14,0
|
3,0
|
1,5
|
0,26
|
|
|
4,5
|
8,5
|
15
|
16,5
|
4,5
|
0,46
|
|
|
4
|
2,4
|
8,0
|
8
|
5,5
|
15,0
|
3,0
|
0,27
|
|
|
4,5
|
9,5
|
15
|
18,0
|
4,5
|
0,54
|
|
|
5
|
2,4
|
8,5
|
8
|
6,5
|
16,0
|
3,0
|
0,32
|
|
|
4,5
|
10,0
|
15
|
19,0
|
4,5
|
0,60
|
|
|
6
|
3,4
|
10,5
|
10
|
8,0
|
19,8
|
4,0
|
0,48
|
|
|
4,5
|
11,0
|
15
|
20,8
|
4,5
|
0,82
|
|
|
8
|
3,4
|
11,5
|
10
|
10,0
|
21,8
|
4,0
|
2,0
|
0,69
|
|
|
4,5
|
12,0
|
15
|
22,8
|
4,5
|
1,05
|
|
|
10
|
3,4
|
12,5
|
10
|
11,0
|
23,8
|
4,0
|
0,77
|
|
|
4,5
|
13,0
|
15
|
24,8
|
4,5
|
1,22
|
|
|
12
|
3,4
|
13,5
|
13
|
13,0
|
25,8
|
4,0
|
1,11
|
|
|
4,5
|
14,0
|
15
|
26,8
|
4,5
|
1,30
|
|
|
15
|
3,4
|
15,0
|
13
|
16,0
|
28,8
|
4,0
|
1,28
|
|
|
4,5
|
15,5
|
15
|
29,8
|
4,5
|
1,53
|
|
(Измененная редакция, Изм. № 2).
Пример условного обозначения прижима типа III, D = 3 мм и d = 2,2 4 мм из литьевого полиамида 610:
Прижим кIII-3-2,24-610 ГОСТ 17020-78
4. Конструкция и
размеры прижимов для крепления трубопроводов и кабелей должны соответствовать
указанным на черт. 9 и в табл. 9.
(Измененная редакция, Изм. № 1)

* Размеры для справок.
Черт. 9
(Измененная редакция, Изм. № 2).
Таблица 9
Размеры, мм
|
D (Пред. откл. + 0,5 -
0,3)
|
D1 (Пред.
откл. + 0,5 - 0,3)
|
d (Пред.
откл. по H13)
|
А
|
А1
|
B (Пред. откл. по h15)
|
L
|
H
|
H1
|
h
|
h1
|
s
|
r
|
Масса 1000 шт. стальных
прижимов, кг, »
|
Применяемость
|
|
Сталь (Пред. откл. ± 0,5)
|
Алюминиевый сплав (Пред.
откл. ± 0,5)
|
Сталь (Пред. откл. ± 0,5)
|
Алюминиевый сплав (Пред.
откл. ± 0,5)
|
Сталь
|
Алюминиевый сплав
|
Сталь
|
Алюминиевый сплав
|
|
3
|
3
|
3,4
|
14,0
|
14,0
|
7,0
|
7,0
|
10
|
18,6
|
18,6
|
3,0
|
3,0
|
0,5 ± 0,2
|
0,5 ± 0,2
|
0,8
|
1,5
|
1,5
|
1,50
|
|
|
4,5
|
16,0
|
16,0
|
8,0
|
8,0
|
21,0
|
21,0
|
3,2
|
3,2
|
1,0
|
1,80
|
|
|
4
|
4
|
3,4
|
15,0
|
15,0
|
7,5
|
7,5
|
20,6
|
20,6
|
4,0
|
4,0
|
0,8
|
1,80
|
|
|
4,5
|
19,0
|
19,0
|
8,5
|
8,5
|
25,0
|
25,0
|
4,2
|
4,2
|
1,0
|
2,25
|
|
|
5
|
20,5
|
20,5
|
10,5
|
10,5
|
27,0
|
27,0
|
5,0
|
4,0
|
3,10
|
|
|
6,6
|
24,5
|
27,5
|
12,5
|
14,0
|
16
|
32,0
|
35,0
|
5,5
|
4,5
|
-
|
-
|
1,5
|
3,0
|
7,15
|
|
|
5
|
3,4
|
16,0
|
16,0
|
8,0
|
8,0
|
10
|
22,6
|
22,6
|
5,0
|
5,0
|
1,0
|
1,0
|
0,8
|
1,5
|
2,00
|
|
|
4,5
|
18,0
|
18,0
|
9,0
|
9,0
|
25,0
|
25,0
|
5,2
|
5,2
|
1,0
|
2,40
|
|
|
6
|
6
|
3,4
|
17,0
|
17,0
|
8,5
|
8,5
|
24,6
|
24,6
|
6,0
|
6,0
|
0,8
|
2,20
|
|
|
4,5
|
19,0
|
19,0
|
9,5
|
9,5
|
27,0
|
27,0
|
6,2
|
6,2
|
1,0
|
2,64
|
|
|
6,6
|
26,0
|
29,0
|
13,0
|
14,5
|
16
|
35,0
|
38,0
|
5,5
|
5,5
|
-
|
-
|
1,5
|
3,0
|
8,05
|
|
|
8
|
4,5
|
23,0
|
23,0
|
12,0
|
12,0
|
10
|
32,0
|
32,0
|
7,0
|
5,0
|
1,0
|
1,0
|
1,0
|
1,5
|
3,40
|
|
|
6,6
|
27,0
|
30,0
|
14,0
|
15,5
|
16
|
37,0
|
40,0
|
7,5
|
5,5
|
-
|
-
|
1,5
|
3,0
|
9,05
|
|
|
8
|
4,5
|
22,0
|
22,0
|
11,0
|
11,0
|
10
|
32,0
|
32,0
|
8,0
|
8,0
|
1,0
|
1,0
|
1,0
|
1,5
|
3,60
|
|
|
6,6
|
28,0
|
31,0
|
14,0
|
15,5
|
16
|
39,0
|
42,0
|
7,5
|
7,5
|
-
|
-
|
1,5
|
3,0
|
10,00
|
|
|
10
|
6
|
4,5
|
24,0
|
24,0
|
13,0
|
13,0
|
10
|
34,0
|
34,0
|
9,0
|
5,0
|
1,0
|
1,0
|
1,0
|
1,5
|
4,22
|
|
|
6,6
|
28,0
|
31,0
|
15,0
|
16,5
|
16
|
39,0
|
42,0
|
9,5
|
5,5
|
-
|
1,5
|
3,0
|
9,83
|
|
|
8
|
4,5
|
25,0
|
25,0
|
13,0
|
13,0
|
10
|
36,0
|
36,0
|
9,0
|
7,0
|
1,0
|
1,0
|
1,5
|
4,64
|
|
|
6,6
|
29,0
|
32,0
|
15,0
|
16,5
|
16
|
41,0
|
44,0
|
9,5
|
7,5
|
-
|
1,5
|
3,0
|
10,80
|
|
|
10
|
4,5
|
24,0
|
24,0
|
12,0
|
12,0
|
10
|
36,0
|
36,0
|
9,0
|
9,0
|
1,0
|
1,5
|
1,5
|
4,60
|
|
|
6,6
|
30,0
|
33,0
|
15,0
|
16,5
|
16
|
43,0
|
46,0
|
9,5
|
9,5
|
1,5
|
3,0
|
11,58
|
|
|
12
|
6
|
4,5
|
25,0
|
25,0
|
14,0
|
14,0
|
10
|
36,0
|
36,0
|
11,0
|
5,0
|
1,0
|
1,5
|
4,56
|
|
|
6,6
|
29,0
|
32,0
|
16,0
|
17,5
|
16
|
41,0
|
44,0
|
11,5
|
5,5
|
2,0
|
-
|
1,5
|
3,0
|
10,60
|
|
|
8
|
4,5
|
26,0
|
26,0
|
14,0
|
14,0
|
10
|
38,0
|
38,0
|
11,0
|
7,0
|
1,0
|
1,0
|
1,0
|
1,5
|
4,98
|
|
|
6,6
|
30,0
|
33,0
|
16,0
|
17,5
|
16
|
43,0
|
46,0
|
11,5
|
7,5
|
2,0
|
-
|
1,5
|
3,0
|
11,58
|
|
|
10
|
4,5
|
27,0
|
27,0
|
14,0
|
14,0
|
12
|
40,0
|
40,0
|
11,0
|
9,0
|
1,0
|
0,1
|
1,0
|
1,5
|
6,68
|
|
|
6,6
|
31,0
|
34,0
|
16,0
|
17,5
|
16
|
45,0
|
48,0
|
11,5
|
9,5
|
2,0
|
1,5
|
3,0
|
12,35
|
|
|
12
|
4,5
|
26,0
|
26,0
|
13,0
|
13,0
|
12
|
40,0
|
40,0
|
11,0
|
11,0
|
1,0
|
1,0
|
1,5
|
7,50
|
|
|
6,6
|
32,0
|
35,0
|
16,0
|
17,5
|
16
|
47,0
|
50,0
|
11,5
|
11,5
|
2,0
|
2,0
|
1,5
|
3,0
|
13,10
|
|
|
14
|
6
|
4,5
|
26,0
|
26,0
|
15,0
|
15,0
|
12
|
38,0
|
38,0
|
13,0
|
5,0
|
1,0
|
1,0
|
1,0
|
1,5
|
5,70
|
|
|
6,6
|
30,0
|
33,0
|
17,0
|
18,5
|
16
|
43,0
|
46,0
|
13,5
|
5,5
|
3,0
|
-
|
1,5
|
3,0
|
11,40
|
|
|
8
|
4,5
|
27,0
|
27,0
|
15,0
|
15,0
|
12
|
40,0
|
40,0
|
13,0
|
7,0
|
1,0
|
1,0
|
1,0
|
1,5
|
6,15
|
|
|
6,6
|
31,0
|
34,0
|
17,0
|
18,5
|
16
|
45,0
|
48,0
|
13,5
|
7,5
|
3,0
|
-
|
1,5
|
3,0
|
12,30
|
|
|
10
|
4,5
|
28,0
|
28,0
|
15,0
|
15,0
|
12
|
42,0
|
42,0
|
13,0
|
9,0
|
1,0
|
1,0
|
1,0
|
1,5
|
6,55
|
|
|
6,6
|
32,0
|
35,0
|
17,0
|
18,5
|
16
|
47,0
|
50,0
|
13,5
|
9,5
|
3,0
|
1,5
|
3,0
|
13,10
|
|
|
12
|
4,5
|
29,0
|
29,0
|
15,0
|
15,0
|
12
|
44,0
|
44,0
|
13,0
|
11,0
|
1,0
|
1,0
|
1,5
|
6,95
|
|
|
6,6
|
33,0
|
36,0
|
17,0
|
18,5
|
16
|
49,0
|
52,0
|
13,5
|
11,5
|
3,0
|
2,0
|
1,5
|
3,0
|
13,90
|
|
|
14
|
4,5
|
30,0
|
30,0
|
15,0
|
15,0
|
12
|
46,0
|
46,0
|
13,0
|
13,0
|
1,0
|
1,0
|
1,0
|
1,5
|
7,32
|
|
|
6,6
|
34,0
|
37,0
|
17,0
|
18,5
|
16
|
51,0
|
54,0
|
13,5
|
13,5
|
3,0
|
3,0
|
1,5
|
3,0
|
14,65
|
|
|
15
|
15
|
4,5
|
30,0
|
30,0
|
15,0
|
15,0
|
12
|
47,4
|
47,4
|
14,0
|
14,0
|
1,0
|
1,0
|
1,2
|
2,0
|
9,10
|
|
|
16
|
6
|
27,0
|
27,0
|
16,0
|
16,0
|
40,4
|
40,4
|
15,0
|
5,0
|
7,40
|
|
|
6,6
|
31,0
|
34,0
|
18,0
|
19,5
|
16
|
45,0
|
48,0
|
15,5
|
5,5
|
4,0
|
-
|
1,5
|
3,0
|
12,35
|
|
|
8
|
4,5
|
28,0
|
28,0
|
16,0
|
16,0
|
12
|
42,4
|
42,4
|
15,0
|
7,0
|
1,0
|
1,0
|
1,2
|
2,0
|
7,74
|
|
|
6,6
|
32,0
|
35,0
|
18,0
|
19,5
|
16
|
47,0
|
50,0
|
15,5
|
7,5
|
4,0
|
-
|
1,5
|
3,0
|
12,90
|
|
|
10
|
4,5
|
29,0
|
29,0
|
16,0
|
16,0
|
12
|
44,4
|
44,4
|
15,0
|
9,0
|
1,0
|
1,0
|
1,2
|
2,0
|
7,74
|
|
|
6,6
|
33,0
|
36,0
|
18,0
|
19,5
|
16
|
49,0
|
52,0
|
15,5
|
9,5
|
4,0
|
1,5
|
3,0
|
13,90
|
|
|
12
|
4,5
|
30,0
|
30,0
|
16,0
|
16,0
|
12
|
46,4
|
46,4
|
15,0
|
11,0
|
1,0
|
1,2
|
2,0
|
8,84
|
|
|
6,6
|
34,0
|
37,0
|
18,0
|
19,5
|
16
|
51,0
|
54,0
|
15,5
|
11,5
|
4,0
|
2,0
|
1,5
|
3,0
|
14,68
|
|
|
14
|
4,5
|
31,0
|
31,0
|
16,0
|
16,0
|
12
|
48,4
|
48,4
|
15,0
|
13,0
|
1,0
|
1,0
|
1,2
|
2,0
|
9,30
|
|
|
6,6
|
35,0
|
38,0
|
18,0
|
19,5
|
16
|
53,0
|
56,0
|
15,5
|
13,5
|
4,0
|
3,0
|
1,5
|
3,0
|
15,50
|
|
|
16
|
4,5
|
32,0
|
32,0
|
16,0
|
16,0
|
12
|
50,4
|
50,4
|
15,0
|
15,0
|
1,0
|
1,0
|
1,2
|
2,0
|
9,70
|
|
|
6,6
|
36,0
|
39,0
|
18,0
|
19,5
|
16
|
55,0
|
58,0
|
15,5
|
15,5
|
4,0
|
4,0
|
1,5
|
3,0
|
16,20
|
|
|
18
|
6
|
4,5
|
28,0
|
28,0
|
17,0
|
17,0
|
12
|
42,4
|
42,4
|
17,0
|
5,0
|
1,0
|
1,0
|
1,2
|
2,0
|
7,70
|
|
|
6,6
|
32,0
|
35,0
|
19,0
|
20,5
|
16
|
47,0
|
50,0
|
17,5
|
5,5
|
5,0
|
-
|
1,5
|
3,0
|
12,90
|
|
|
8
|
4,5
|
29,0
|
29,0
|
17,0
|
17,0
|
12
|
44,4
|
44,4
|
17,0
|
7,0
|
1,0
|
1,0
|
1,2
|
2,0
|
8,30
|
|
|
6,6
|
33,0
|
36,0
|
19,0
|
20,5
|
16
|
49,0
|
52,0
|
17,5
|
7,5
|
5,0
|
-
|
1,5
|
3,0
|
13,90
|
|
|
10
|
4,5
|
30,0
|
30,0
|
17,0
|
17,0
|
12
|
46,4
|
46,4
|
17,0
|
9,0
|
1,0
|
1,0
|
1,2
|
2,0
|
8,90
|
|
|
6,6
|
34,0
|
37,0
|
19,0
|
20,5
|
16
|
51,0
|
54,0
|
17,5
|
9,5
|
5,0
|
1,0
|
1,5
|
3,0
|
14,80
|
|
|
14
|
4,5
|
32,0
|
32,0
|
17,0
|
17,0
|
12
|
50,4
|
50,4
|
17,0
|
11,0
|
1,0
|
1,2
|
2,0
|
7,10
|
|
|
6,6
|
36,0
|
39,0
|
19,0
|
20,5
|
16
|
54,4
|
57,4
|
17,2
|
11,2
|
5,0
|
9,50
|
|
|
18
|
4,5
|
33,5
|
33,0
|
16,5
|
16,5
|
12
|
53,4
|
53,4
|
16,0
|
16,0
|
1,0
|
10,80
|
|
|
20
|
20
|
35,0
|
35,0
|
17,5
|
17,5
|
57,4
|
57,4
|
18,0
|
18,0
|
11,90
|
|
|
22
|
22
|
40,0
|
40,0
|
20,0
|
20,0
|
65,0
|
65,0
|
20,0
|
20,0
|
12,50
|
|
|
5,5
|
16
|
2,0
|
2,0
|
1,5
|
3,0
|
20,80
|
|
|
25
|
25
|
4,5
|
43,0
|
43,0
|
21,5
|
21,5
|
12
|
71,0
|
71,0
|
23,0
|
23,0
|
18,80
|
|
|
5,5
|
16
|
25,20
|
|
|
28
|
28
|
4,5
|
46,0
|
46,0
|
23,0
|
23,0
|
12
|
77,0
|
77,0
|
26,0
|
26,0
|
2,0
|
2,0
|
20,60
|
|
|
5,5
|
16
|
27,50
|
|
|
32
|
32
|
4,5
|
49,0
|
49,0
|
24,5
|
24,5
|
12
|
84,0
|
84,0
|
30,0
|
30,0
|
2,0
|
2,0
|
23,20
|
|
|
5,5
|
16
|
30,95
|
|
Примечание. Для определения массы прижимов из алюминиевого сплава
значения массы, указанные в табл. 9,
должны быть умножены на коэффициент 0,356.
Пример условного обозначения прижима D = 3 мм, D1 = 3 мм и d = 3,4 мм, из стали марки 25, с покрытием Ц15.хр:
Прижим
ТК-3-3-3,4- 25- Ц15.хр ГОСТ 17020-78
То же, из стали
марки 25, с покрытием Кд15.хр:
Прижим
ТК-3-3-3,4-25-Кд15.хр ГОСТ 17020-78
То же, из стали
марки 12Х18Н10Т, с покрытием Хим. Пас:
Прижим ТК-3-3-3,4-12Х18Н10Т-Хим. Пас ГОСТ 17020-78
То же, из
алюминиевого сплава марки Д16АМ, с покрытием Ан. Окс. нхр:
Прижим
ТК-3-3-3,4-Д16АМ-Ан. Окс. нхр ГОСТ 17020-78
(Измененная редакция, Изм. № 2).
5. Конструкция и
размеры держателей для крепления кабелей должны соответствовать указанным на
черт. 10 и 11 и в табл. 10
и 11.
(Измененная редакция, Изм. № 1, 2).
Тип I

* Размеры для справок.
Черт. 10
(Измененная редакция, Изм. № 2).
Тип II

* Размеры для справок.
Черт. 11
(Измененная редакция, Изм. № 2).
Таблица 10
Размеры, мм
|
D (Пред. откл. по Is16)
|
d (Пред.
откл. по H13)
|
В (Пред. откл. -0,6)
|
b
|
b1 (Пред. откл. по js16)
|
L
|
H (Пред.
откл. ± 0,5)
|
А (Пред. откл. ± 0,2)
|
Масса 1000 шт., кг, »
|
Применяемость
|
|
Номин.
|
(Пред. откл.)
|
|
10
|
3,4
|
15
|
5
|
± 1,0
|
8
|
11
|
9
|
7
|
2,8
|
|
|
12
|
10
|
13
|
11
|
3,3
|
|
|
15
|
6
|
± 1,5
|
16
|
12
|
3,7
|
|
|
18
|
7
|
12
|
19
|
13
|
4,1
|
|
|
20
|
8
|
± 2,0
|
21
|
15
|
4,6
|
|
|
25
|
10
|
16
|
26
|
17
|
5,3
|
|
|
4,5
|
20
|
10
|
7,0
|
|
|
30
|
3,4
|
15
|
12
|
± 2,5
|
18
|
31
|
19
|
7
|
6,0
|
|
|
4,5
|
20
|
10
|
8,0
|
|
|
35
|
3,4
|
15
|
36
|
22
|
7
|
7,0
|
|
|
4,5
|
20
|
10
|
9,3
|
|
|
40
|
3,4
|
15
|
20
|
41
|
24
|
7
|
7,9
|
|
|
4,5
|
20
|
10
|
10,6
|
|
|
50
|
3,4
|
15
|
51
|
30
|
12,9
|
|
|
4,5
|
|
|
60
|
3,4
|
22
|
61
|
35
|
|
|
4,5
|
|
(Измененная редакция, Изм. № 2).
Пример условного обозначения держателя типа I, D = 10 мм и d = 3,4 мм, из стали марки 25, с покрытием Ц15.хр:
Держатель
КI-10-3,4-25-Ц15.хр
ГОСТ 17020-78
То же, из стали
марки 25, с покрытием Кд15.хр:
Держатель
KI-10-3,4-25-
Кд15.хр ГОСТ 17020-78
(Измененная редакция, Изм. № 2).
Таблица 11
Размеры, мм
|
D (Пред. откл. по Is16)
|
d (Пред.
откл. по H13)
|
A (Пред.
откл. ± 0,2)
|
B (Пред.
откл. ± 0,42)
|
L
|
L1
(Пред. откл. по
js15)
|
Масса 1000 шт., кг, »
|
Применяемость
|
|
10
|
2,4
|
16
|
24
|
11
|
30
|
2,9
|
|
|
4,5
|
18
|
28
|
32
|
3,6
|
|
18
|
2,4
|
16
|
24
|
19
|
30
|
3,8
|
|
|
4,5
|
18
|
28
|
32
|
4,5
|
|
|
30
|
2,4
|
16
|
24
|
31
|
30
|
4,7
|
|
|
4,5
|
18
|
28
|
32
|
5,2
|
|
|
50
|
2,4
|
16
|
24
|
51
|
30
|
6,8
|
|
|
4,5
|
18
|
28
|
32
|
7,5
|
|
(Измененная редакция, Изм. № 2).
Пример условного обозначения держателя типа II, D = 18 мм и d = 2,2 мм, из стали марки 25, с покрытием Ц15.хр:
Держатель
KII-18-2,2-25-
Ц15.хр ГОСТ 17020-78
То же, из стали марки
25, с покрытием Кд15.хр:
Держатель
KII-18-2,2-25-Кд15.хр
ГОСТ 17020-78
(Измененная редакция, Изм. № 2).
6. Конструкция и размеры поясков для
крепления кабелей должны соответствовать указанным на черт. 12 - 15 и в
табл. 12 - 15.
(Измененная редакция, Изм. № 1)
Тип 1I

* Размер для справок.
Черт. 12
(Измененная редакция, Изм. № 2).
Таблица 12
Размеры, мм
|
L
|
s
|
Масса 1000 шт. стальных
поясков, кг, »
|
Применяемость
|
L
|
s
|
Масса 1000 шт. стальных
поясков, кг, »
|
Применяемость
|
|
Номин.
|
Пред. откл.
|
Номин.
|
Пред. откл.
|
|
80
|
± 2
|
0,3
|
2,22
|
|
350
|
± 4
|
0,3
|
8,40
|
|
|
0,5
|
3,70
|
|
0,5
|
14,00
|
|
|
100
|
0,3
|
2,40
|
|
400
|
0,3
|
9,60
|
|
|
0,5
|
4,00
|
|
0,5
|
16,00
|
|
|
120
|
0,3
|
2,58
|
|
450
|
0,3
|
10,80
|
|
|
0,5
|
4,30
|
|
0,5
|
18,00
|
|
|
150
|
0,3
|
3,60
|
|
500
|
0,3
|
12,00
|
|
|
0,5
|
6,00
|
|
0,5
|
20,00
|
|
|
180
|
± 3
|
0,3
|
4,20
|
|
550
|
0,3
|
13,20
|
|
|
0,5
|
7,00
|
|
0,5
|
22,00
|
|
|
200
|
0,3
|
4,80
|
|
600
|
0,3
|
14,40
|
|
|
0,5
|
8,00
|
|
0,5
|
24,00
|
|
|
250
|
0,3
|
6,00
|
|
800
|
± 5
|
0,3
|
19,20
|
|
|
0,5
|
10,00
|
|
0,5
|
32,00
|
|
|
300
|
± 4
|
0,3
|
7,20
|
|
|
0,5
|
12,00
|
|
Примечания.
1. Пояски с S = 0,3 мм могут изготовляться только из стали марки 12Х18Н10Т.
2. Для определения массы поясков из алюминия
значения массы, указанные в табл. 12,
должны быть умножены на коэффициент 0,34.
(Измененная редакция, Изм. № 2).
Пример условного обозначения пояска типа I, L = 80 мм, S = 0,5 мм из стали марки 08кп, с покрытием Ц15.хр:
Поясок
I-80-0,5-08кп-Ц15.хр
ГОСТ 17020-78
То же, из стали
марки 08кп, с покрытием Кд15.хр:
Поясок
I-80-0,5-08кп-Кд15.хр
ГОСТ 17020-78
То же, из стали
марки 12Х18Н10Т, с покрытием Хим. Пас:
Поясок
I-80-0,5-12Х18Н10Т-Хим. Пас ГОСТ 17020-78
То же, из
алюминия марки АД1М, с покрытием Ан.
Окс. нхр:
Поясок
I-80-0,5-АД1М-Ан. ОкcОкс.
нхр ГОСТ 17020-78
(Измененная редакция, Изм. № 2).
Тип II

* Размер для справок.
Черт. 13
(Измененная редакция, Изм. №
2).
Таблица 13
Размеры, мм
|
L
|
d (Пред.
откл. по H13)
|
Масса 1000 шт.,
стальных поясков, кг »
|
Применяемость
|
|
Номин.
|
Пред. откл.
|
|
60
|
± 2
|
4,5
|
3,89
|
|
|
5,5
|
|
|
80
|
4,5
|
5,30
|
|
|
5,5
|
|
|
120
|
4,5
|
7,98
|
|
|
5,5
|
|
|
200
|
± 3
|
4,5
|
13,75
|
|
|
5,5
|
|
(Измененная редакция, Изм. № 2).
Примечание. Для
определения массы поясков из алюминия значения массы, указанные в табл. 13, должны быть умножены на
коэффициент 0,34.
Пример условного обозначения пояска, типа II, L = 60 мм и d = 4,5 мм, из
стали марки 08кп, с покрытием Ц15.хр:
Поясок
II-60-4,5-08кп-Ц15.хр ГОСТ 17020-78
То же, из стали
марки 08кп, с покрытием Кд15.хр:
Поясок
II-60-4,5-08кп-Кд15.хр
ГОСТ 17020-78
То же, из стали
марки 12Х18Н10Т, с покрытием Хим. Пас:
Поясок
II-60-4,5-12Х18Н10Т-Хим. Пас ГОСТ 17020-78
То же, из
алюминия марки АД1М, с покрытием Ан. Окс. нхр:
Поясок
II-60-4,5-АД1М-Ан. Окс.
нхр ГОСТ 17020-78
(Измененная редакция, Изм. № 2).
Тип III

* Размер для справок.
Черт. 14
Таблица 14
Размеры, мм
|
L
|
d (Пред.
откл. по H13)
|
Масса 1000 шт, . стальных поясков,
кг »
|
Применяемость
|
|
Номин.
|
Пред. откл.
|
|
80
|
± 2
|
4,5
|
3,0
|
|
|
5,5
|
|
|
100
|
4,5
|
3,5
|
|
|
5,5
|
|
|
120
|
4,5
|
4,0
|
|
|
5,5
|
|
|
150
|
4,5
|
5,0
|
|
|
5,5
|
|
|
180
|
± 3
|
4,5
|
6,0
|
|
|
5,5
|
|
|
200
|
4,5
|
7,0
|
|
|
5,5
|
|
|
250
|
4,5
|
8,5
|
|
|
5,5
|
|
|
300
|
± 4
|
4,5
|
10,0
|
|
|
5,5
|
|
|
400
|
4,5
|
13,0
|
|
|
5,5
|
|
|
500
|
4,5
|
16,0
|
|
|
5,5
|
|
|
600
|
4,5
|
19,0
|
|
|
5,5
|
|
|
800
|
± 5
|
4,5
|
22,0
|
|
|
5,5
|
|
(Измененная редакция, Изм. № 2).
Примечание. Для определения
массы поясков из алюминия значения массы, указанные в табл. 14, должны быть умножены на коэффициент 0,34.
Пример условного обозначения пояска типа III, L = 80 мм и d = 4,5 мм, из
стали марки 08кп, с покрытием Ц15.хр:
Поясок
III-80-4,5-08кп- Ц15.хр
ГОСТ 17020-78
То же, из стали
марки 08кп, с покрытием Кд15.хр:
Поясок
III-80-4,5-08кп-Кд15.хр ГОСТ 17020-78
То же, из стали
марки 12X18H10T, с покрытием Хим. Пас:
Поясок
III-80-4,5-12Х18Н10Т-Хим.
Пас ГОСТ 17020-78
То же, из
алюминия марки АД1М, с покрытием Ан.
Окс. нхр:
Поясок
III-80-4,5-АД1М-Ан. Окс. нхр ГОСТ
17020-78
(Измененная редакция, Изм. № 2).
Тип IV

1 -
пряжка; 2 - лента
Перед точечной сваркой на места нахлестки поясков из стали марки
08 кп нанести покрытие, защищающее поверхности от коррозии.
После точечной сварки на незащищенные места поясков нанести
покрытие: грунт ВЛ-02 ГОСТ 12707-77 один слой, эмаль ЭП-51 ГОСТ 9640-85 серая
один слой.
Черт. 15
(Измененная редакция, Изм. № 2).
Таблица 15
Размеры, мм
|
Длина пояска L
|
Масса 1000 шт. стальных
поясков, кг »
|
Применяемость
|
|
Номин.
|
Пред. откл.
|
|
100
|
± 2
|
5,44
|
|
|
150
|
7,04
|
|
|
200
|
± 3
|
8,64
|
|
|
250
|
10,29
|
|
|
300
|
± 4
|
11,94
|
|
|
400
|
15,30
|
|
|
500
|
17,44
|
|
|
550
|
20,44
|
|
|
600
|
21,74
|
|
|
800
|
28,24
|
|
Примечание. Для
определения массы поясков из
алюминия марки АД1М значения массы, указанные в табл. 15, должны быть умножены на коэффициент 0,34.
Пример условного обозначения пояска типа IV, L = 100 мм из
стали марки 08кп, с покрытием Ц15.хр:
Поясок
IV-100-08кп-Ц15.хр ГОСТ 17020-78
То же, из стали
марки 08кп, с покрытием Кд15.хр:
Поясок
IV-100-08кп-Кд15.хр ГОСТ 17020-78
То же, из стали
марки 12Х18Н10Т, с покрытием Хим. Пас:
Поясок
IV-10-12Х18Н10Т Хим. Пас ГОСТ 17020-78
То же, из
алюминия марки АД1М, с покрытием Ан. Окс. нхр:
Поясок
IV-100-АД1М-Ан. Окс. нхр ГОСТ 17020-78
(Измененная редакция, Изм. № 2).
6.1. Конструкция
и размеры пряжек (деталь 1) должны
соответствовать указанным на черт. 16.

* Размер для справок.
Черт. 16
(Измененная редакция, Изм. № 2).
Пример условного обозначения пряжки из стали марки 08кп, с покрытием
Ц15.хр:
Пряжка
08кп-Ц15.хр ГОСТ 17020-78
То же, из стали
марки 08кп, с покрытием Кд15.хр:
Пряжка
08кп-Кд15.хр ГОСТ 17020-78
То же, из стали
марки 12Х18Н10Т, с покрытием Хим. Пас:
Пряжка
12Х18Н10Т-Хим. Пас ГОСТ 17020-78
То же, из
алюминия марки АД1М, с покрытием Ан.
Окс. нхр:
Пряжка
АД1М-Ан. Окс. нхр ГОСТ 17020-78
(Измененная редакция, Изм. № 2).
6.2. Конструкция
и размеры лент (деталь 2) должны
соответствовать указанным на черт. 17
и в табл. 16.

1. * Размер для справок.
2. Для лент из стали марки 08кп покрытие должно быть
нанесено только на поверхности А.
Черт. 17
Таблица 16
Размеры, мм
|
L
|
Масса 1000 шт. стальных лент,
кг »
|
Применяемость
|
L
|
Масса 1000 шт. стальных
лент, кг »
|
Применяемость
|
|
Номин.
|
Пред. откл.
|
Номин.
|
Пред. откл.
|
|
125
|
± 0,5
|
4,10
|
|
425
|
± 2
|
13,90
|
|
|
175
|
5,70
|
|
525
|
17,10
|
|
|
225
|
± 1
|
7,30
|
|
575
|
18,70
|
|
|
275
|
8,95
|
|
625
|
± 3
|
20,40
|
|
|
325
|
± 2
|
10,60
|
|
825
|
26,70
|
|
Примечание. Для определения массы лент из алюминия марки АД1М
значения массы, указанные в табл. 16, должны быть умножены на коэффициент 0,34.
Пример условного обозначения ленты L = 125 мм, из стали марки 08кп, с покрытием Ц15.хр:
Лента
125-08кп-Ц15.хр ГОСТ 17020-78
То же, из стали
марки 08кп, с покрытием Кд15.хр:
Лента
125-08кп-Кд15.хр ГОСТ 17020-78
То же, из стали
марки 12Х18Н10Т, с покрытием Хим. Пас:
Лента
125-12Х18Н10Т-Хим. Пас ГОСТ 17020-78
То же, из
алюминия марки АД1М, с покрытием Ан.
Окс. нхр:
Лента 125-АД1М-Ан.
Окс. нхр ГОСТ 17020-78
(Измененная редакция, Изм. № 2).
6.3. Пряжки и
ленты, входящие в пояски типа IV, должны изготовляться из материалов одних
марок, иметь одинаковое защитное покрытие. Ленты должны быть на 25 мм длиннее
поясков, размеры которых указаны в табл. 15.
7. Прижимы,
держатели и пояски должны изготовляться из материалов, указанных в табл. 17.
Таблица 17
|
Наименование детали
|
Материал
|
|
Прижимы типов I - IV для крепления трубопроводов, прижимы типов I - II для крепления
кабелей и прижимы для крепления трубопроводов и кабелей
|
Лента 25-s*´B* по ГОСТ
2284-79;
|
|
Лента 12Х18Н10Т-М-НТ-3-s* по ГОСТ 4986-79;
|
|
Лист Д16АМ-s* по ГОСТ 21631-76.
|
|
Допускается изготовлять прижимы из:
|
|
ленты
20-s*´B* по ГОСТ
2284-79;
|
|
ленты
12Х17Г9АН4-М-НТ-3-s* по ГОСТ 4986-79;
|
|
листа
|
Б-ПН-s* ГОСТ 19904-74
|
;
|
|
5-II-Н-20 ГОСТ 16523-70
|
|
листа
|
Б-ПВ-s* ГОСТ 19904-74
|
;
|
|
5-II-Н-20 ГОСТ 16523-70
|
|
листа
|
Б-ПН-s* ГОСТ 19904-74
|
;
|
|
4-II-25 ГОСТ 16523-70
|
|
листа
|
Б-ПН-s* ГОСТ 19904-74
|
;
|
|
3-II-Ст3 ГОСТ 16523-70
|
|
листа
|
Б-ПН-s* ГОСТ 19904-74
|
;
|
|
4-II-10 ГОСТ 16523-70
|
|
листа
|
Б-ПН-s* ГОСТ 19904-74
|
|
5-II-Н-08кп ГОСТ 16523-70
|
|
Прижимы типа V для крепления трубопроводов
|
Пресс-материал АГ-4-В по ГОСТ
20437-75
|
|
Прижимы типа III для
крепления кабелей
|
Полиамид 610 литьевой по ГОСТ 10589-73.
|
|
Допускается изготовлять прижимы из:
|
|
полиэтилена
20908-040 и 21008-075, сорта 2 по ГОСТ 16338-77
|
|
Держатели типа I - II для крепления кабелей
|
Лента 25-s*´B* по ГОСТ
2284-79.
|
|
Допускается изготовлять из:
|
|
ленты У8А-0,5´В* по ГОСТ 2283-79;
|
|
листа
|
Б-ПН-s* ГОСТ 19904-74
|
;
|
|
4-II-25 ГОСТ 16523-70
|
|
листа
|
Б-ПВ-s* ГОСТ 19904-74
|
|
5-II-H-20 ГОСТ 16523-70
|
|
Пояски для крепления
кабелей
|
Лента 08кп-М-2-0,5´В* по ГОСТ 503-81;
|
|
лента 12X18H10T-M-HT-3-s* по ГОСТ 4986-79;
|
|
лист АД1М-0,5 по ГОСТ 21631-76.
|
|
Допускается изготовлять из:
|
|
листа
|
Б-ПН-0,5 ГОСТ 19904-74
|
|
4-II-08 ГОСТ 16523-70
|
|
и ленты 12Х17Г9АН4-М-НТ-3-0,5 по ГОСТ 4986-79
|
(Измененная редакция, Изм. № 2).
s* - толщина ленты или
листа, В* - ширина ленты.
8. Допускается
увеличивать сварную точку до 5,5 мм.
9. Прочность
сварной точки на срез должна быть не менее 180 кгс.
10. Общие технические
требования, правила приемки, методы контроля, маркировка, упаковка, хранение,
транспортирование и гарантии изготовителя - по ГОСТ 17019-78.
| |
|