|
Термин
|
Определение
|
Схема
|
|
|
ОБЩИЕ ПОНЯТИЯ
|
|
|
1. Кран грузоподъемный
|
Машина
цикличного действия, предназначенная для подъема и перемещения в пространстве
груза, подвешенного с помощью крюка или удерживаемого другим грузозахватным
органом
|
-
|
|
|
Классификация
кранов по конструкции
|
|
|
2. Кран мостового типа
|
Кран, у которого грузозахватный орган подвешен
к грузовой тележке, тали или стреловому крану, перемещающимся по мосту
|
-
|
|
|
(Е) Overhead type crane
|
|
|
(F) Appareil de levage du type pont
|
|
|
3. Кран мостовой
|
Кран мостового типа, несущие элементы
конструкции которого опираются непосредственно на подкрановый путь
|

|
|
|
(Е) Overhead traveling crane
|
|
|
(F) Pont roulant
|
|
|
4. Кран козловой
|
Кран мостового типа, несущие элементы
конструкции которого опираются на подкрановый путь с помощью двух опорных
стоек
|

|
|
|
(Е) Portal bridge crane
|
|
|
(F) Pont portique
|
|
|
5. Кран полукозловой
|
Кран мостового типа, несущие элементы
конструкции которого опираются на подкрановый путь, с одной стороны, а с
другой - с помощью опорной стойки
|

|
|
|
(Е) Semi-portal bridge crane
|
|
|
(F) Pont semi-portique
|
|
|
6. Кран кабельного
типа
|
Кран, у
которого грузозахватный орган подвешен к грузовой тележке, перемещающейся по
несущим канатам, закрепленным на двух опорах
|
-
|
|
|
(Е) Cable
type crane
|
|
|
(F) Appareil de
levage du type blondin
|
|
|
7. Кран кабельный
|
Кран, несущими
элементами у которого являются канаты, закрепленные в верхней части опорных
мачт
|

|
|
|
(Е) Cable
crane
|
|
|
(F) Blondin
|
|
|
8. Кран кабельный
мостовой
|
Кран,
несущими элементами у которого являются канаты, закрепленные на концах моста,
установленного на опорных стойках
|

|
|
|
(Е) Portal cable crane
|
|
|
(F) Pont portique a cable
|
|
|
9. Кран стрелового
типа
|
Кран, у
которого грузозахватный орган подвешен к стреле или тележке, перемещающейся
по стреле
|
-
|
|
|
(Е) Jib type crane
|
|
|
(F) Appareil de levage du type grue
|
|
|
10. Кран портальный
|
Кран
стрелового типа передвижной, поворотный на портале, предназначенном для
пропуска железнодорожного или автомобильного транспорта
|

|
|
|
(Е) Portal slewing crane
|
|
|
(F) Grue orientable sur portique
|
|
|
11. Кран полупортальный
|
Кран
стрелового типа передвижной, поворотный, на полупортале, предназначенном для
пропуска железнодорожного или автомобильного транспорта
|

|
|
|
(Е) Semi-portal slewing crane
|
|
|
(F) Grue orientable sur semi-portique
|
|
|
12. Кран стреловой
самоходный
|
Кран
стрелового типа, который может быть снабжен башенно-стреловым оборудованием и
может перемещаться с грузом или без груза, не требуя специальных путей и
устойчивость которого, обеспечивается за счет силы тяжести
|
-
|
|
|
(Е) Mobile crane
|
|
|
(F) Grue mobile
|
|
|
13. Кран башенный
|
Кран
стрелового типа поворотный со стрелой, закрепленной в верхней части
вертикально расположенной башни.
|

|
|
|
(Е) Tower crane
|
|
|
(F) Grue a tour
|
|
|
14. Кран
железнодорожный
|
Кран
стрелового типа, смонтированный на платформе, передвигающейся по
железнодорожному пути
|

|
|
|
(Е) Railway crane
|
|
|
(F) Grue sur voie ferree
|
|
|
15. Кран плавучий
|
Кран
стрелового типа на самоходном или несамоходном понтоне, предназначенном для
его установки и передвижения
|
-
|
|
|
(Е) Floating crane
|
|
|
(F) Grue flot-tante
|
|
|
16. Кран стреловой
судовой
|
Кран
стрелового типа поворотный, установленный на борту судна и предназначенный
для его загрузки и разгрузки
|

|
|
|
(Е) Deck crane
|
|
|
(F) Grue de bord
|
|
|
17. Кран мачтовый
|
Кран
стрелового типа поворотный, со стрелой, закрепленной шарнирно на мачте,
имеющей нижнюю и верхнюю опоры
|
-
|
|
|
(Е) Derrick crane (mast crane)
|
|
|
(F) Mat de charge (grue-derrick)
|
|
|
18. Кран мачтовый
вантовый
|
Кран
мачтовый с закреплением верха мачты посредством канатных оттяжек-вантов
|

|
|
|
(Е) Guy-derrick crane
|
|
|
(F) Grue-derrick a haubans
|
|
|
19. Кран мачтовый
жестконогий
|
Кран
мачтовый с закреплением верха мачты посредством жестких тяг
|

|
|
|
(Е) Rigid-braced derrick crane
|
|
|
(F) Grue-derrick a rigide
|
|
|
20. Кран консольный
|
Кран
стрелового типа, грузозахватный орган которого подвешен к жестко закрепленной
консоли (стреле) или тележке, перемещающейся по консоли (стреле)
|
-
|
|
|
(Е) Cantilever crane
|
|
|
(F) Grue a potence
|
|
|
21. Кран консольный
на колонне
|
Кран
консольный, вращающийся на колонне, основание которой прикреплено к
фундаменту, либо прикрепленный к колонне, которая может вращаться в
подпятнике, размещенном в фундаменте
|

|
|
|
(Е) Pillar jib crane
|
|
|
(F) Grue a fut (potence sur colonne)
|
|
|
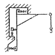
22. Кран настенный
|
Кран
консольный стационарный, прикрепленный к стене либо перемещающийся по
надземному крановому пути, закрепленному на стене или несущей конструкции
|

|
|
|
(Е) Wall crane
|
|
|
(F) Grue murale
|
|
|
23. Кран
велосипедный
|
Кран
консольный, перемещающийся по наземному однорельсовому пути и удерживаемый
верхней направляющей
|

|
|
|
(Е) Walking crane
|
|
|
(F) Grue velocipede
|
|
|
Классификация кранов по виду
грузозахватного органа
|
|
|
24. Кран крюковой
|
Кран с
грузозахватным органом в виде крюка
|

|
|
|
(Е) Hook crane
|
|
|
(F) Appareil de levage a crochet
|
|
|
25. Кран грейферный
|
Кран,
оборудованный грузозахватным органом в виде грейфера
|

|
|
|
(Е) Grabbing crane
|
|
|
(F) Appareil de levage a benne pre-neuse
|
|
|
26. Кран магнитный
|
Кран,
оборудованный грузозахватным органом в виде электромагнита
|

|
|
|
(Е) Magnet crane
|
|
|
(F) Appareil de levage a electroporteur
|
|
|
27. Кран
мульдомагнитный
|
Кран
мостового типа, оборудованный грузозахватным органом в виде электромагнита и
приспособлением для перемещения мульд
|

|
|
|
(Е) Box-handling crane with magnet
|
|
|
(F) Pont roulant electroporteur pour auges a
mitrailles (pont roulant a auges et a electroporteur)
|
|
|
28. Кран мульдогрейферный
|
Кран мостового типа, оборудованный
грузозахватным органом в виде грейфера и приспособлением для перемещения
мульд
|

|
|
|
(Е) Box-handling crane with grab
|
|
|
(F) Pont roulant a benne preneuse pour auges a mitrailles
|
|
|
29. Кран мульдозавалочный
|
Кран мостового типа, оборудованный хоботом для
захвата мульд
|

|
|
|
(Е) Open-hearth furnace charging crane
|
|
|
(F) Pont roulant chargeur de four Martin (pont roulant chargeur de
four)
|
|
|
30. Кран штыревой
|
Кран мостового типа, оборудованный захватом для
извлечения штырей из электролизеров
|

|
|
|
(Е) Electrode-handling crane
|
|
|
(F) Pont roulant arrache-goujons
|
|
|
31. Кран-штабелер
|
Кран мостового типа, оборудованный
вертикальной колонной с устройством для штабелирования грузов
|

|
|
|
(Е) Overhead travelling stacking crane
|
|
|
(F) Pont roulant gerbeur
|
|
|
32. Кран литейный
|
Кран мостового типа, оборудованный механизмами
подъема и опрокидывания литейного ковша
|

|
|
|
(Е) Ladle crane
|
|
|
(P) Pont roulant de coulee
|
|
|
33. Кран посадочный
|
Кран мостового типа, оборудованный вращающейся
колонной с горизонтальными клещами в нижней ее части для захвата и посадки в
печь заготовок
|

|
|
|
(Е) Ingot charging crane
|
|
|
(F) Pont roulant chargeur de lingots
|
|
|
34. Кран ковочный
|
Кран мостового типа, оборудованный
приспособлением для подъема, перемещения и поворота поковок
|

|
|
|
(Е) Forge crane
|
|
|
(F) Pont roulant de forge
|
|
|
35. Кран для раздевания слитков (стрипперный)
|
Кран мостового типа, оборудованный устройством
для выталкивания слитков из изложниц
|

|
|
|
(Е) Stripper crane
|
|
|
(F) Pont roulant demouleur (pont strippeur)
|
|
|
36. Кран колодцевый
|
Кран мостового типа, оборудованный клещевым
захватом и предназначенный для обслуживания колодцевых печей
|

|
|
|
(E) Soaking pit crane
|
|
|
(F) Pont roulant de four pit
|
|
|
Классификация
кранов по возможности перемещения
|
|
|
37. Кран стационарный
|
Кран, закрепленный на фундаменте или на другом
неподвижном основании
|

|
|
|
(Е) Fixed base crane
|
|
|
(F) Appereil de levage fixe (stationnaire)
|
|
|
38. Кран самоподъемный
|
Кран, установленный на конструкциях
возводимого сооружения и перемещающийся вверх при помощи собственных
механизмов по мере возведения сооружения
|

|
|
|
(Е) Climbing crane
|
|
|
(F) Appereil de levage a autosurelevation
|
|
|
39. Кран переставной
|
Кран,
установленный на основании и перемещаемый с места на место вручную или при
помощи других грузоподъемных средств
|

|
|
|
(Е) Portable crane
|
|
|
(F) Appareil de levage deplacable
|
|
|
40. Кран радиальный
|
Кран,
имеющий возможность перемещения при работе относительно одной стационарной
опоры
|

|
|
|
(Е) Radial crane
|
|
|
(F) Appareil de levage pivotant
|
|
|
41. Кран передвижной
|
Кран,
имеющий возможность передвижения при работе
|
-
|
|
|
(Е) Travelling crane
|
|
|
(F) Appareil de levage mobile
|
|
|
42. Кран самоходный
|
Кран
передвижной, оборудованный механизмом для передвижения при работе и транспортировке
|
-
|
|
|
(Е) Self-propelled crane
|
|
|
(F) Grue automotrice
|
|
|
43. Кран прицепной
|
Кран
передвижной, не оборудованный механизмом для передвижения и перемещаемый в
прицепе за тягачом (буксиром)
|

|
|
|
(Е) Trailer crane
|
|
|
(F) Grue remorquee
|
|
|
Классификация кранов по виду привода
|
|
|
44. Кран ручной
|
Кран с
ручным приводом его рабочих механизмов
|
-
|
|
|
(Е) Manual crane
|
|
|
(F) Appareil de levage a main
|
|
|
45. Кран электрический
|
Кран с
электрическим приводом его рабочих механизмов
|
-
|
|
|
(Е) Electric crane
|
|
|
(F) Appareil de levage electrique
|
|
|
46. Кран гидравлический
|
Кран с
гидравлическим приводом его рабочих механизмов
|
-
|
|
|
(Е) Hydraulic crane
|
|
|
(F) Appareil de levage hydraulique
|
|
|
Классификация крапов по степени поворота
|
|
|
47. Кран поворотный
|
Кран,
имеющий возможность вращения (в плане) поворотной части вместе с грузом
относительно опорной части крана
|
-
|
|
|
(Е) Slewing crane
|
|
|
(F) Grue orientable
|
|
|
48. Кран неполноповоротный
|
Кран
поворотный, имеющий возможность вращения поворотной части от одного крайнего
положения до другого на угол не менее 360°
|

|
|
|
(Е) Limited slewing crane
|
|
|
(F) Grue a orientation limitee
|
|
|
49. Кран полноповоротный
|
Кран
поворотный, имеющий возможность вращения поворотной части от одного крайнего
положения до другого на угол более 360°
|

|
|
|
(Е) Full-circle slewing crane
|
|
|
(F) Grue a orientation totale
|
|
|
50. Кран неповоротный
|
Кран,
не имеющий возможности вращения груза (в плане) относительно опорной части
|

|
|
|
(Е) Non-slewing crane
|
|
|
(F) Grue non orientable
|
|
|
Классификация
кранов по способу опирания
|
|
|
51. Кран опорный
|
Кран мостовой, опирающийся на надземный
крановый путь
|

|
|
|
(Е) Supported crane
|
|
|
(F) Appareil de levage pose
|
|
|
52. Кран подвесной
|
Кран мостовой, подвешенный к нижним полкам
подкранового пути
|

|
|
|
(Е) Underslung crane
|
|
|
(F) Appareil de levage suspendu
|
|
|
ПАРАМЕТРЫ
|
|
|
Нагрузки
|
|
|
53. Момент грузовой M=L×Q
|
Произведение значений вылета L и
соответствующей ему грузоподъемности Q
|

|
|
|
(Е) Load moment
|
|
|
(F) Moment de la charge par rapport a 1’axe d’orientation
|
|
|
54. Момент грузовой опрокидывающий M=A×Q
|
Произведение значений вылета от ребра
опрокидывания A и соответствующей ему
грузоподъемности Q
|

|
|
|
(Е) Load tipping moment
|
|
|
(F) Moment de basculement
|
|
|
55. Конструктивная
масса Gk
|
Масса
крана без балласта и противовеса в незаправленном состоянии, т.е. без
топлива, масла, смазочных материалов и воды. Для стреловых кранов принимается
в сборе с основной стрелой и противовесом в незаправленном состоянии
|
-
|
|
|
(Е) Design mass
|
|
|
(F) Masse nette
|
|
|
56. Общая масса Gо
|
Полная
масса крана в заправленном состоянии с балластом и противовесом
|
-
|
|
|
(Е) Total mass
|
|
|
(F) Masse totale
|
|
|
57. Давление колеса Р
|
Значение
наибольшей вертикальной нагрузки, передаваемое одним ходовым колесом на
подкрановый путь или на основание
|

|
|
|
(Е) Wheel load
|
|
|
(Е) Charge sur un appui
|
|
|
Линейные параметры крана
|
|
|
58. Вылет L
|
Расстояние
по горизонтали от оси вращения поворотной части до вертикальной оси
грузозахватного органа без нагрузки при установке крана на горизонтальной
площадке
|

|
|
|
(Е) Radius
|
|
|
(F) Portee
|
|
|
59. Вылет от ребра
опрокидывания А
|
Расстояние
по горизонтали от ребра опрокидывания до вертикальной оси грузозахватного
органа без нагрузки при установке крана на горизонтальной площадке
|

|
|
|
(Е) Outreach to tipping axis
|
|
|
(F) Portee a partir de 1’axe de basculement
|
|
|
60. Вылет консоли l
|
Наибольшее
расстояние по горизонтали от оси опоры крана, ближайшей к консоли, до оси
грузозахватного органа, расположенного на консоли
|

|
|
|
(Е) Outreach from rail
|
|
|
(F) Portee de bec
|
|
|
61. Подход С
|
Минимальное
расстояние по горизонтали от оси кранового рельса до вертикальной оси
грузозахватного органа
|

|
|
|
(Е) Hook approach
|
|
|
(F) Cote d’approche (appareil de type pont)
|
|
|
62. Габарит задний r
|
Наибольший
радиус поворотной части крана со стороны, противоположной стреле
|

|
|
|
(Е) Tail radius
|
|
|
(F) Zone de debattement arriere
|
|
|
63. Высота подъема Н
|
Расстояние
по вертикали от уровня стоянки до грузозахватного органа, находящегося в
верхнем положении:
|

|
|
|
(Е) Load-lifting height
|
|
|
(F) Course de levage
|
|
|
для крюков и вил - до их опорной
поверхности;
|
|
|
для прочих грузозахватных органов - до их
нижней точки (в замкнутом положении)
|

|
|
|
Для мостовых кранов высота подъема
принимается от уровня пола. Высота подъема определяется без нагрузки при
установке крана на горизонтальной площадке
|
|
|
64. Глубина
опускания h
|
Расстояние
по вертикали от уровня стоянки крана до грузозахватного органа, находящегося
в нижнем рабочем положении:
|

|
|
|
(Е) Load-lowering height
|
|
|
(F) Profondeur de descente
|
|
|
для крюков и вил - до их опорной
поверхности;
|
|
|
для прочих грузозахватных органов - до их
нижней точки (в замкнутом положении)
|
|
|
Для мостовых кранов глубина опускания
принимается от уровня рельса. Глубина опускания определяется без нагрузки при
установке крана на горизонтальной площадке
|
|
|
65. Диапазон подъема
D
|
Расстояние
по вертикали между верхним и нижним рабочими положениями грузозахватного
органа
|

|
|
|
(Е) Lifting range
|
|
|
(F) Amplitude de levage
|
|
|
66. Высота
подкранового пути Но
|
Расстояние
по вертикали от уровня пола (земли) до уровня головок рельсов подкранового
пути
|

|
|
|
(Е) Crane track height
|
|
|
(F) Hauteur du chemin de roulement
|
|
|
Скорости рабочих движений
|
|
|
67. Скорость подъема
(опускания) груза Vn
|
Скорость
вертикального перемещения рабочего груза в установившемся режиме движения
|

|
|
|
(Е) Load-lifting (-lowering) speed
|
|
|
(F) Vitesse de levage (de descente) de la
charge
|
|
|
68. Скорость посадки Vm
|
Наименьшая скорость опускания наибольшего
рабочего груза при монтаже или укладке в установившемся режиме движения
|

|
|
|
(Е) Precision load-lowering speed
|
|
|
(F) Vitesse de pose (de mise en place)
|
|
|
69. Частота вращения w
|
Угловая скорость вращения поворотной части
крана в установившемся режиме движения. Определяется при наибольшем вылете с
рабочим грузом при установке крана на горизонтальной площадке и скорости
ветра не более 3 м/с на высоте 10 м
|

|
|
|
(Е) Slewing speed
|
|
|
(F) Vitesse d’orientation
|
|
|
70. Скорость передвижения Vk
|
Скорость передвижения крана в установившемся
режиме движения. Определяется при передвижении крана по горизонтальному пути
с рабочим грузом и при скорости ветра не более 3 м/с на высоте 10 м
|

|
|
|
(Е) Travelling speed
|
|
|
(F) Vitesse de translation
|
|
|
71. Скорость передвижения тележки Vt
|
Скорость передвижения грузовой тележки в
установившемся режиме движения. Определяется при движении тележки по
горизонтальному пути с наибольшим рабочим грузом и при скорости ветра не
более 3 м/с на высоте 10 м
|

|
|
|
(Е) Crab traversing speed
|
|
|
(F) Vitesse de deplacement du chariot
|
|
|
72. Скорость изменения вылета Vr
|
Средняя скорость горизонтального перемещения
рабочего груза в установившемся режиме движения. Определяется при изменении
вылета от наибольшего до наименьшего при установке крана на горизонтальном
пути и скорости ветра не более 3 м/с на высоте 10 м
|

|
|
|
(Е) Derricking speed
|
|
|
(F) Vitesse de variation de la portee
|
|
|
73. Время изменения
вылета t
|
Время,
необходимое для изменения вылета от наибольшего до наименьшего. Определяется
при изменении вылета под нагрузкой, равной грузоподъемности для наибольшего
вылета при установке крана на горизонтальном пути при скорости ветра не более
3 м/с на высоте 10 м
|
-
|
|
|
(Е) Derricking time
|
|
|
(F) Duree de relevage
|
|
|
74. Скорость
транспорта Vo
|
Наибольшая
скорость передвижения крана в транспортном положении, обеспечиваемая
собственным приводом
|

|
|
|
(Е) Transport (road) speed
|
|
|
(Е) Vitesse de route
|
|
|
75. Время рабочего
цикла
|
Время,
затрачиваемое на осуществление одного установленного рабочего цикла
|
-
|
|
|
(Е) Operation cycle time
|
|
|
(F) Duree d’un cycle de travail
|
|
|
Параметры, связанные с подкрановыми путями
|
|
|
76. Уровень стоянки
крана
|
Горизонтальная
поверхность основания или поверхность головок рельсов, на которую опирается
неповоротная часть крана. Для кранов, у которых опоры расположены на разной
высоте, уровень стоянки крана определяется по нижней опоре крана
|

|
|
|
(Е) Crane datum level
|
|
|
(F) Niveau d’appui d’un appareil de levage
|
|
|
77. Пролет S
|
Расстояние
крана по горизонтали между осями рельсов подкранового пути для кранов
мостового типа
|

|
|
|
(Е) Span
|
|
|
(F) Portee
|
|
|
78. Колея К:
|
Расстояние
по горизонтали между осями рельсов или колее (гусениц) ходовой части крана
|

|
|
|
а) для
кранов стрелового типа
|
|
|
б) для
грузовых тележек
|
Расстояние
между осями рельсов для передвижения тележки
|

|
|
|
(Е) Track centers
|
|
|
(F) Voie
|
|
|
79. База В
|
Расстояние
между осями опор крана, измеренное по его продольной оси
|

|
|
|
(Е) Base
|
|
|
(F) Empattement
|
|
|
80. База выносных
опор Во
|
Расстояние
между вертикальными осями выносных опор, измеренное по продольной оси крана
|

|
|
|
(Е) Base on outriggers
|
|
|
(F) Empattement des verins de calage
|
|
|
81. Расстояние между
выносными опорами Ко
|
Расстояние
между вертикальными осями выносных опор, измеренное поперек продольной оси
крана
|

|
|
|
(Е) Distance between outriggers
|
|
|
(F) Distance entre verins de calage
|
|
|
82. Уклон пути I
|
Уклон,
на котором допускается работа крана, определяют отношением , выраженным в процентах, соответствующим разности уровней
двух точек пути, находящихся на расстоянии В, равном базе крана.
Значение разности уровней измеряется при отсутствии нагрузки на данный
участок пути
|

|
|
|
(Е) Gradient
|
|
|
(F) Pente de la voie
|
|
|
83. Уклон преодолеваемый
|
Уклон
пути , выраженный в процентах, преодолеваемый краном с
постоянной транспортной скоростью
|

|
|
|
(Е) Gradeablity
|
|
|
(F) Pente franchissable
|
|
|
84. Контур опорный
|
Контур,
образуемый горизонтальными проекциями прямых линий, соединяющих вертикальные
оси опорных элементов крана (колес или выносных опор)
|

|
|
|
(Е) Support contour
|
|
|
(F) Contour d’appui
|
|
|
85. Радиус
закругления Rk
|
Наименьший
радиус закругления оси внутреннего рельса на криволинейном участке пути
|

|
|
|
(Е) Track curvature radius
|
|
|
(F) Rayon de courbure de la voie
|
|
|
86. Наименьший
радиус поворота R
|
Радиус,
окружности, описываемый внешним передним колесом крана при изменении
направления движения
|

|
|
|
(Е) Minimum turning radius
|
|
|
|
|
|
|
|
(F) Rayon minimal de braquage
|
|
|
Параметры общего характера
|
|
|
87. Режим работы
|
Характеристика
крана, учитывающая его использование по грузоподъемности и времени, а также
число циклов работы
|
-
|
|
|
(Е) Classification group
|
|
|
(F) Groupe de classification
|
|
|
88. Габарит приближения
|
Пространство,
определяемое условиями безопасности при работе крана вблизи сооружений, из
пределов которого может выходить лишь грузозахватный орган при выполнении
рабочих операций
|


|
|
|
(Е) Crane clearance line
|
|
|
(F) Gabarit d’approche
|
|
|
Движения
|
|
|
89. Подъем
(опускание) груза
|
Вертикальное
перемещение груза
|

|
|
|
(Е) Lifting (lowering) of load
|
|
|
(F) Levage (descente) de la charge
|
|
|
90. Плавная посадка
груза
|
Опускание
груза с наименьшей скоростью при его монтаже или укладке (см. также 68)
|

|
|
|
(Е) Precision load-lowering
|
|
|
(F) Levage (descente) de precision
|
|
|
91. Подъем
(опускание) стрелы
|
Угловое
движение стрелы в вертикальной плоскости
|

|
|
|
(Е) Derricking (luffing)
|
|
|
(F) Relevage (descente) de la fleche
|
|
|
92. Изменение вылета
|
Перемещение
грузозахватного органа путем подъема, опускания или передвижения стрелы, или
путем передвижения грузовой тележки
|

|
|
|
(Е) Change in radius
|
|
|
(F) Variation de la portee
|
|
|
93. Горизонтальный
ход груза
|
Изменение
вылета, осуществляемое подъемом стрелы, при котором груз автоматически
перемещается по траектории, близкой к горизонтали
|

|
|
|
(Е) Level luffing
|
|
|
(F) Deplacement horizontal de la charge
|
|
|
94. Передвижение крана
|
Перемещение
всего крана в рабочем положении
|

|
|
|
(Е) Travelling
|
|
|
(F) Translation de l’appareil de levage
|
|
|
95. Передвижение (направление)
|
Перемещение
грузовой тележки по мосту, несущему канату, стреле или консоли
|

|
|
|
(Е) Traversing (direction)
|
|
|
(F) Deplacement (direction)
|
|
|
96. Поворот
(вращение)
|
Угловое
движение поворотной части крана мостового или стрелового типа в
горизонтальной плоскости
|

|
|
|
(Е) Slewing
|
|
|
(F) Orientation
|
|
|
Устойчивость
крана
|
|
|
97. Устойчивость крана
|
Способность крана противодействовать
опрокидывающим моментам
|
-
|
|
|
(Е) Crane stability
|
|
|
(F) Stabilite
|
|
|
98. Устойчивость грузовая
|
Способность крана противодействовать
опрокидывающим моментам, создаваемым весом груза, силами инерции, ветровой
нагрузкой рабочего состояния и другими факторами
|
-
|
|
|
(Е) Stability under working conditions
|
|
|
(F) Stabilite en charge
|
|
|
99. Устойчивость собственная
|
Способность крана противодействовать
опрокидывающим моментам, создаваемым ветровой нагрузкой нерабочего состояния
и другими факторами
|
-
|
|
|
(Е) Stability under no-load condition (crane
assembled)
|
|
|
(F) Stabilite propre
|
|
|
100. Испытания статические
|
Испытания крана путем статического приложения
нагрузки к грузозахватному органу, на Х % превышающей грузоподъемность
крана
|
-
|
|
|
(Е) Static tests
|
|
|
(F) Essais statiques
|
|
|
101. Испытания динамические
|
Испытания крана путем выполнения рабочих
движений под нагрузкой, на Y % превышающей грузоподъемность крана
|
-
|
|
|
(Е) Dynamic tests
|
|
|
(F) Essais dynamiques
|
|
|
Узлы
|
|
|
102. Механизм подъема
|
Приводное устройство для подъема и опускания
груза
|

|
|
|
(Е) Hoisting mechanism
|
|
|
(F) Mecanisme de levage
|
|
|
103. Механизм передвижения крана
|
Приводное устройство для передвижения крана
|
-
|
|
|
(Е) Crane travel mechanism (F)
|
|
|
Mecanisme de translation de l’appareil de levage
|
|
|
104. Механизм передвижения тележки или тали
|
Приводное устройство для передвижения
грузовой тележки или тали
|

|
|
|
(Е) Crab or hoist traverse mechanism
|
|
|
(F) Mecanisme de direction
|
|
|
105. Механизм изменения вылета
|
Приводное устройство для изменения вылета
путем изменения угла наклона стрелы и (или) гуська
|

|
|
|
(Е) Derricking mechanism
|
|
|
(F) Mecanisme de relevage
|
|
|
106. Механизм поворота
|
Приводное устройство для вращения поворотной
части крана в горизонтальной плоскости
|
-
|
|
|
(Е) Slewing mechanism
|
|
|
(F) Mecanisme d’orientation
|
|
|
107. Лебедка
|
Механизм, тяговое усилие которого передается
посредством гибкого элемента (каната, цепи) от приводного барабана.
|

|
|
|
(Е) Winch
|
|
|
(F) Treuil
|
|
|
|
Типы
лебедок:
|

|
|
|
барабанная;
|
|
|
с
канатоведущими шкивами;
|
|
|
шпилевая
|
|
|

|
|
|
108. Таль
|
Грузоподъемный
механизм, смонтированный с приводом хода или без него в одном корпусе
|

|
|
|
(Е) Hoist
|
|
|
(F) Palan
|
|
|
109. Ходовое
устройство
|
Основание
крана для установки поворотной платформы или башни крана, включающее
приводное устройство для передвижения крана
|
-
|
|
|
(Е) Undercarriage
|
|
|
(F) Chassis de roulement
|
|
|
110. Портал
|
Конструкция,
имеющая приподнятую ходовую раму, опирающуюся посредством стоек или
непосредственно на крановый путь
|

|
|
|
(Е) Portal
|
|
|
(F) Portique
|
|
|
111. Тележка
ходовая балансирная
|
Опорная
конструкция, оборудованная колесами или катками, имеющая шарнирное соединение
для равномерной передачи нагрузок на колеса или катки
|
-
|
|
|
(Е) Bogie
|
|
|
(F) Bogie de roulement
|
|
|
112. Мост
|
Несущая
конструкция кранов мостового типа, предназначенная для движения по ней
грузовой тележки или конструкция между опорами козлового или полукозлового
крана
|
-
|
|
|
(Е) Bridge
|
|
|
(F) Ossature de pont
|
|
|
113 Тележка
грузовая
|
Конструкция,
предназначенная для перемещения подвешенного груза
|
-
|
|
|
(Е) Crab (trolley)
|
|
|
(F) Chariot
|
|
|
114.
Опорно-поворотный круг
|
Узел
для передачи нагрузок (грузового момента, вертикальных и горизонтальных сил)
от поворотной части крана на неповоротную, он может также включать зубчатый
венец для вращения крана
|
-
|
|
|
(Е) Slewing ring
|
|
|
(F) Couronne d’orientation
|
|
|
115. Платформа поворотная
|
Поворотная
конструкция крана для размещения механизмов и стрелы
|

|
|
|
(Е) Rotating platform
|
|
|
(F) Plate-forme tournante
|
|
|
116. Башня
|
Вертикальная
конструкция крана, поддерживающая стрелу и (или) поворотную платформу и
обеспечивающая необходимую высоту расположения опоры стрелы
|

|
|
|
(Е) Tower
|
|
|
(F) Tour (fut, mat)
|
|
|
117. Колонна
|
Вертикальная
конструкция, поддерживающая поворотную стрелу с рабочим грузом и
обеспечивающая необходимую высоту подъема
|

|
|
|
(Е) Pillar
|
|
|
(F) Fut
|
|
|
118. Стрела
|
Конструкция
крана, обеспечивающая необходимое значение вылета и (или) высоту подъема грузозахватного
органа
|

|
|
|
(Е) Jib (boom)
|
|
|
(F) Flectie
|
|
|
119. Оборудование
башенно-стреловое
|
Сменное
оборудование стрелового самоходного крана, состоящее из башни, стрелы с
гуськом или без гуська и других необходимых устройств
|

|
|
|
(Е) Mast (tower) attachment
|
|
|
(F) Equipement en grue a tour
|
|
|
120. Противовес
|
Грузы,
прикрепляемые к противовесной консоли или поворотной платформе для
уравновешивания рабочего груза и (или) отдельных частей крана во время работы
|

|
|
|
(Е) Counterweight
|
|
|
(F) Contrepoids
|
|
|
121. Балласт
|
Груз,
прикрепленный на ходовую раму или портал для обеспечения устойчивости крана
|

|
|
|
(Е) Ballast
|
|
|
(F) Lest
|
|
|
122. Тормоз
|
Устройство
для снижения скорости движения или для остановки и (или) удержания механизмов
в неподвижном состоянии
|
-
|
|
|
(Е) Brake
|
|
|
(F) Frein
|
|
|
123. Блок
(канатный)
|
Вращающийся
элемент, с одним или несколькими ручьями для направления каната
|

|
|
|
(Е) Sheave (pulley)
|
|
|
(F) Poulie
|
|
|
124. Полиспаст
|
Блочно-канатная
система для изменения силы и скорости
|

|
|
|
(Е) Reeving system
|
|
|
(F) Mouflage
|
|
|
125. Подвеска
крюковая
|
Система
блоков, размещенных на раме, снабженной крюком
|

|
|
|
(Е) Hook assembly
|
|
|
(F) Moufle a crochet
|
|
|
126. Орган грузозахватный
|
Устройство
(крюк, грейфер, электромагнит, вилы и др.) для подвешивания, захватывания или
подхватывания груза
|

|
|
|
(Е) Load-handling device
|
|
|
(F) Organe de prehension
|
|
|
127. Опора выносная
|
Устройство,
предназначенное для увеличения опорного контура крана в рабочем состоянии
|

|
|
|
(Е) Outrigger
|
|
|
(F) Verin de stability
|
|