//
ТехЛит.ру
- крупнейшая бесплатная электронная интернет библиотека для "технически умных" людей.
WWW.TEHLIT.RU - ТЕХНИЧЕСКАЯ ЛИТЕРАТУРА

:: Алготрейдинг::


АЛГОТРЕЙДИНГ
шаг за шагом
с нуля по урокам!

Торговые роботы на PYTHON, BackTrader,
Pandas, Pine Script для TradingView. Связка с брокерами, телеграм и легкими приложениями.


ГОСУДАРСТВЕННЫЙ СТАНДАРТ СОЮЗА ССР

МАШИНЫ ЗЕМЛЕРОЙНЫЕ

УСТРОЙСТВА ЗАЩИТЫ ОТ ПАДАЮЩИХ ПРЕДМЕТОВ.
ЛАБОРАТОРНЫЕ ИСПЫТАНИЯ И ТЕХНИЧЕСКИЕ
ТРЕБОВАНИЯ

ГОСТ 27719-88

(ИСО 3449-84)

ГОСУДАРСТВЕННЫЙ КОМИТЕТ СССР ПО СТАНДАРТАМ

Москва

ГОСУДАРСТВЕННЫЙ СТАНДАРТ СОЮЗА ССР

МАШИНЫ ЗЕМЛЕРОЙНЫЕ

Устройства защиты от падающих предметов.
Лабораторные испытания и технические требования

Earth-moving machinery. Falling object protective structures. Laboratory tests and technical requirements

ГОСТ
27719-88

(ИСО 3449-84)

Дата введения 01.01.89

1. НАЗНАЧЕНИЕ

1.1. Настоящий стандарт устанавливает:

а) методы лабораторных испытаний для определения характеристик конструкции;

б) технические требования, предъявляемые к устройству защиты от падающих предметов (FOPS) в процессе контрольного испытания.

1.2. Лабораторные испытания предназначены для определения характеристик конструкций, используемых для защиты оператора от локализованных ударов, и позволяют оценить способность этих устройств противостоять ударным нагрузкам.

1.3. Настоящий стандарт устанавливает типовые воспроизводимые методы оценки характеристик FOPS и технические требования к этим устройствам при нагружении в процессе контрольного испытания.

Примечание. Термин «контрольное испытание», применяемый в настоящем стандарте, означает испытание образца, материал которого, размеры и требования к обработке являются типовыми для изготовляемых конструкций PS.

2. ОБЛАСТЬ ПРИМЕНЕНИЯ

2.1. Настоящий стандарт распространяется на следующие управляемые оператором машины по ИСО 6165 (независимо от типа рулевого управления): гусеничные и колесные погрузчики, гусеничные и колесные тракторы, автогрейдеры, самоходные скреперы.

2.2. Настоящий стандарт не распространяется на:

самоходные уплотняющие машины, бурильные установки, асфальтоукладчики, машины с двигателями мощностью менее 15 кВт (20 л. с.), многоковшовые погрузчики, экскаваторы, краны и драглайны.

3. ССЫЛКИ

Ссылочные документы приведены в приложении 3.

4. ОПРЕДЕЛЕНИЯ И СОКРАЩЕННЫЕ ОБОЗНАЧЕНИЯ

4.1. Устройство защиты при опрокидывании (ROPS) - система конструктивных элементов, смонтированных на машине для выполнения основного назначения - уменьшения нанесения повреждений оператору при опрокидывании машины, при условии применения оператором ремней безопасности. К конструктивным элементам ROPS oтносят подрамник, кронштейн, опору, болты, пальцы, подвеску или упругий амортизатор, используемые для закрепления системы ROPS на раме машины. Mecтa крепления, выполненные на раме машины, в их число не входят.

4.2. Объем ограничения деформации (DLV) - объем, определяющий предельно допустимую деформацию ROPS и FOPS при проведении лабораторных испытаний. Размеры объема ограничения деформации основаны на антропометрических данных оператора высокого роста в положении сидя.

4.3. Устройство защиты от падающих предметов (FOPS) - система конструктивных элементов, смонтированных на машине для обеспечения защиты оператора от падающих предметов (деревьев, камней).

5. ОБЩИЕ ПОЛОЖЕНИЯ

5.1. FOPS допускается конструктивно объединять с кабиной оператора.

5.2. Настоящий метод испытаний не обеспечивает точное воспроизведение деформаций, возникающих при реальных ударах от падающих предметов (деревьев, камней и др.).

5.3. Настоящий метод испытаний в результат остаточной деформации может вызывать разрушение FOPS.

5.4. FOPS не может обеспечить защиту оператора от падающих предметов во всех возможных случаях от ударов сверху, поэтому предполагают защиту оператора при падении предмета округлой формы (черт. 1) с высоты, достаточной для развития энергии 11 600 Дж.

5.5. Требования, предъявляемые к температуре и материалу, установлены в п. 7.3 в целях обеспечения достаточного сопротивления FOPS хрупкому разрушению и не обязательно должны соответствовать реальным условиям эксплуатации.

Поскольку в реальных условиях нагружение будет динамическим (удар), поэтому следует осторожно использовать условные «коэффициенты запаса», полученные при статическом нагружении. Действительный «коэффициент запаса» FOPS в большей степени зависит от энергопоглощающей способности, особенностей конструкции и технологии сварки, чем от ее статической прочности.

6. ЛАБОРАТОРНЫЕ ИСПЫТАНИЯ

6.1. Оборудование

Должно быть предусмотрено следующее оборудование.

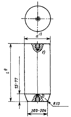
6.1.1. Стандартный предмет для лабораторных ударных испытаний, изготовленный из стали (черт. 1).

Стандартный предмет для лабораторных испытаний

1 Размеры d и l не обязательны и зависят от массы предмета и его подъема, достаточных для развития энергии, значение которого указано в п. 6 3.3.

Например, для предмета массой 227 кг:

d = 255-260 мм;

l = 583-585 мм.

2 Допускается резьбовое отверстие для крепления подъемной скобы

Черт. 1

Примечание. Для определения высоты падения см. черт. 3.

6.1.2. Устройство для подъема стандартного предмета на требуемую высоту.

6.1.3. Устройство, обеспечивающее сбрасывание предмета и не препятствующее его свободному падению.

6.1.4. Опорная поверхность достаточной твердости, препятствующая при испытании погружению машины или испытательного стенда.

6.1.5. Устройство, позволяющее при испытании определять проникание элементов FOPS в объем ограничения деформации.

Допускается применять:

а) DLV, верхняя часть которого изготовлена из материала, фиксирующего любое проникание элементов устройства защиты от падающих предметов; для определения проникания нижняя поверхность FOPC может быть покрыта смазкой;

б) систему измерительных приборов с достаточными частотными характеристиками для определения деформации устройства защиты от падающих предметов относительно DLV.

6.1.6. DLV и его положение должны соответствовать требованиям ГОСТ 27245-87. DLV следует жестко закреплять на той части машины, на которой установлено сиденье оператора. DLV должен находиться там в течение испытания.

6.2. Условия проведения испытаний

6.2.1. Точность измерений

При проведении испытаний необходимо придерживаться следующей точности измерений:

Измерения                                                   Погрешность

Деформация FOPS ±5% значения максимальной деформации.

6.2.2. Состояние машины или испытательного стенда

6.2.2.1. FOPS следует крепить на раме как на реальной машине. Для испытаний не обязательно попользовать машину в сборе, закрепление FOPS на раме машины должно воспроизводить реальную установку, а жесткость испытательного стенда в вертикальном направлении не должна быть меньше жесткости реальной машины (п. 6.2.2.2.).

6.2.2.2. При установке FOPS на машину необходимо соблюдать следующие условия:

не должно быть ограничений в применении различных приспособлений и (или) полезной нагрузки;

рабочие органы должны быть в обычном транспортном положении;

все упругие системы, включая пневматические шины, должны быть в рабочем состоянии. Упругие системы с переменной жесткостью должны быть в диапазоне «максимальной жесткости»;

детали кабины (окна, съемные панели или неконструктивные элементы крепления) должны быть демонтированы для исключения их влияния на оценку FOPS.

6.3. Порядок испытаний

Порядок испытаний должен состоять из следующих операций.

6.3.1. Предмет (п. 6.1.1) следует помещать на верхнюю часть FOPS (узким концом вниз) в месте, указанном в п. 6.3.2.

Примечание. Допускается использовать предмет в форме сферы или шара с максимальным диаметром 400 мм, способного развивать энергию 11600 Дж.

6.3.2. Узкий конец предмета следует помещать на верхнюю часть FOPS в пределах вертикальной проекции DLV.

Случай 1

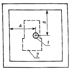
Основные верхние горизонтальные элементы FOPS не пересекают вертикальную проекцию DLV на верхнюю часть FOPS. Центр предмета должен быть в точке, имеющей максимально возможную сумму перпендикулярных расстояний (А и В на черт. 2), измеряемых от основных верхних горизонтальных элементов конструкции.

Точки приложения удара

Случай 1

Случай 2

1 - узкий конец предмета; 2 - вертикальная проекция DLV; 3 - основной верхний горизонтальный элемент

Черт. 2

Случай 2

Основные верхние горизонтальные элементы FOPS пересекают вертикальную проекцию DLV на верхнюю часть FOPS. Если материал покрытия всех площадей поверхности над DLV одинаковой толщины, то центр предмета должен быть на поверхности наибольшей площади. Данная площадь является площадью проекции DLV без учета площади основных верхних горизонтальных элементов. Центр предмета должен быть в точке, находящейся в пределах поверхности наибольшей площади, имеющей максимально возможную сумму перпендикулярных расстояний (А и В на черт. 2), измеряемых от основных верхних горизонтальных элементов конструкции. Если используют другие материалы или материалы неодинаковой толщины для различных площадей поверхности DLV, то испытаниям следует подвергать каждую площадь поверхности поочередно.

6.3.3. Предмет следует поднимать вертикально на высоту, измеряемую от положения, указанного в пп. 6.3.1 и 6.3.2, чтобы развить энергию 11600 Дж, определяемую в зависимости от массы предмета (см. черт. 1). Для получения максимальной деформации удар испытательным предметом должен быть направленным.

Примечание. Для развития энергии 11600 Дж предмет следует поднимать на высоту 3,6-5,2 м. Высота зависит от массы предмета (черт. 3).

График зависимости высоты от массы падающего предмета, развивающего энергию 11 600 Дж

Черт. 3

6.3.4. Предмет следует сбрасывать так, чтобы он свободно падал на FOPS.

6.3.5. При свободном падении попадание предмета в точку, указанную в пп. 6.3.1 и 6.3.2, маловероятно, поэтому возможны следующие допущения.

6.3.5.1. Первый удар узким концом предмета должен быть направлен в круг радиусом 200 мм, но не должен попадать на основные верхние горизонтальные элементы конструкции (центр данного круга должен совпадать с вертикальной осевой линией предмета, расположенного в соответствии с требованиями пп. 6.3.1 и 6.3.2).

6.3.5.2. Начальный контакт предмета с FOPS следует осуществлять узким концом предмета или его закругленной частью (см. черт. 1).

6.3.5.3. Ограничения по следующим рикошетным ударам отсутствуют.

7. ТЕХНИЧЕСКИЕ ТРЕБОВАНИЯ

7.1. Защитные свойства FOPS следует оценивать способностью кабины или защитной конструкции противостоять удару.

При первом и последующих ударах предметом ни один из элементов устройства защиты от падающих предметов не должен проникать в DLV (ГОСТ 27245-87). Если испытательный предмет проникает через FOPS, то конструкция испытаний не выдержала.

7.2. Если используют единую конструкцию ROPS и FOPS, то конструкция FOPS должна также отвечать техническим требованиям, предъявляемым к ROPS (см. ГОСТ 27714-88). Если конструкция не предназначена для использования в качестве ROPS, то для опоры FOPS допускается использовать другую конструкцию при условии, что при испытаниях не будет нарушен DLV. FOPS должно полностью покрывать и перекрывать вертикальную проекцию DLV.

Примечания:

1. При использовании одной и той же конструкции для оценки устройства защиты при опрокидывании и устройства защиты от падающих предметов, испытания ROPS должны предшествовать испытаниям FOPS. Допускается устранять дефекты или заменять вышедшие из строя элементы FOPS.

2. Необязательно, чтобы DLV полностью находился в пространстве, ограниченном ROPS или FOPS, имеющем четыре или более вертикальных элементов. Допускается использовать простую двухстоечную конструкцию ROPS или FOPS.

7.3. Требования, предъявляемые к температуре и материалу

7.3.1. При лабораторных испытаниях температура всех элементов ROPS и рамы машины должна быть минус 18°С или ниже.

7.3.2. Если при данной температуре испытания не могут быть проведены, то материал должен соответствовать следующим минимальным требованиям.

7.3.2.1. У болтов и гаек, используемых для крепления FOPS (или крыши FOPS и опорных элементов) на раму машины и соединения конструктивных элементов с крышей FOPS, должны быть классы прочности: 8,8 или 10,9 (ИСО 898/1) - для болтов; 8,0 или 10 (ИСО 898/2) - для гаек.

7.3.2.2. Конструктивные элементы FOPS и ROPS и детали их крепления на раме машины должны быть изготовлены из стали и иметь одну из следующих ударных вязкостей по методу испытаний Шарпи для образцов с V-образным надрезом:

образец 10´10 мм: 10,8 Дж при минус 30°С;

образец 10´7,5 мм: 9,5 Дж при минус 30°С;

образец 10´5 мм: 7,5 Дж при минус 30°С;

образец 10´2,5 мм: 5,5 Дж при минус 30°С.

Конструктивные элементы, изготовленные из других материалов, должны иметь эквивалентное сопротивление удару при низких температурах.

Примечания:

1. Образцы для использования в конструкции FOPS должны быть «продольными» и взяты из полосового, трубчатого или фасонного проката до начала гибки или сварки. Образцы из трубчатого или фасонного проката должны быть взяты из середины наибольшей по размеру боковой стороны без сварных швов.

2. Требования п. 7.3.2.2 приведены для сведения до принятия соответствующего стандарта.

7.3.3. Материалы следует обрабатывать так, чтобы исключить наличие острых углов и кромок в рабочей зоне оператора или обслуживающего персонала.

8. ЗАВОДСКАЯ ТАБЛИЧКА

8.1. Каждый экземпляр FOPS должен быть снабжен заводской табличкой. Если устройство соответствует техническим требованиям, предъявляемым к FOPS и ROPS, то заводская табличка должна соответствовать настоящему стандарту.

8.1.1. Требования к заводской табличке

8.4.1.1. Табличка должна быть рассчитана на постоянное пользование и закреплена на устройстве.

8.1.1.2. Табличка должна быть расположена так, чтобы ее можно было легко читать. Табличка должна быть защищена от воздействия окружающей среды.

8.1.2. Содержание заводской таблички

8.1.2.1. Наименование и адрес поставщика или изготовителя FOPS.

8.1.2.2. Идентификационный номер FOPS.

8.1.2.3. Марка машины, модель (модели) или номер (номера) серии, для которых предназначено устройство.

8.1.2.4. Номер (номера) стандарта (стандартов), требованиям которых удовлетворяет устройство.

8.1.2.5. Изготовитель может включать в текст таблички другую информацию, относящуюся к данному устройству (например указания по установке, ремонту или замене).

9. ОТЧЕТ ОБ ИСПЫТАНИЯХ

Результаты испытаний должны быть изложены в виде протокола, оформленного в соответствии с приложением 1. Дополнительную информацию, содержащуюся в приложении 2, следует представить тем, кто подал заявку на испытания.

ПРИЛОЖЕНИЕ 1
Справочное

ПРОТОКОЛ ИСПЫТАНИЙ

(см. п. 9)

А1. Опознавательные данные

А1.1. Машина (машины)

Тип_____________________________________________________________________

Изготовитель_____________________________________________________________

Модель__________________________________________________________________

Серийный номер (если имеется)_____________________________________________

Номер рамы машины по каталогу составных частей____________________________

А1.2.

Изготовитель_____________________________________________________________

Модель__________________________________________________________________

Серийный номер (если имеется)_____________________________________________

Номер FOPS (может включать ROPS) по каталогу составных частей

А2. Информация изготовителя (изготовителей)

Расположение DLV________________________________________________________

A3. Заключение

А3.1. Подтверждение результатов испытаний:

1) минимальные технические требования ГОСТ 27719-88 выполнены (не выполнены);

2) дата испытаний;

3) наименование и адрес организации, проводившей испытания;

4) руководитель испытаний (подпись);

5) дата составления протокола.

ПРИЛОЖЕНИЕ 2
Справочное

ПРОТОКОЛ ИСПЫТАНИЙ

Дополнительные сведения для подавших заявку на испытания (см. п. 9)

В1. Предмет для ударных испытаний

В1.1. Стандартный предмет: диаметр ______ мм, длина _______ мм; масса ______ кг.

В1.2. Круглый предмет: диаметр __________ мм, масса ___________ кг.

В1.3. Высота падения предмета при испытаниях _____________ м.

В2. Фотографии

В2.1. Фотография испытательного предмета и испытательной установки перед началом испытаний.

В2.2. Фотографии вида сверху и снизу на конструкцию FOPS после ударных испытаний.

В3. Результаты испытаний

В3.1. Ударные испытания

Достигнутое испытательным предметом значение энергии в джоулях без проникания в DI.V конструктивного элемента FOPS или испытательного предмета через FOPS.

В3.2. Температура и материал:

а) температура элементов устройства защиты от падающих предметов и рамы машины при испытании __________ °С или проверка выполнения требований к ударной вязкости по методу испытаний Шарпи для образцов с V-образным надрезом, взятых из металлических конструктивных элементов устройства защиты от падающих предметов и устройства защиты при опрокидывании (или крыши устройства защиты от падающих предметов);

б) проверка требований к классу прочности гаек и болтов (п. 7.3.2.1).

ПРИЛОЖЕНИЕ 3
Обязательное

ССЫЛОЧНЫЕ НОРМАТИВНО-ТЕХНИЧЕСКИЕ ДОКУМЕНТЫ

Раздел, подраздел, пункт; в котором приведена ссылка

Обозначение соответствующего стандарта

Обозначение отечественного нормативно-технического документа, на который дана ссылка

7.3.2.1

ИСО 898/1

-

7.3.2.1

ИСО 898/2

-

6.1.6, 7.1

-

ГОСТ 27245-87

А.3.1

-

ГОСТ 27719-88

7.2, 8.1

-

ГОСТ 27714-88

2.1

ИСО 6165

-

ИНФОРМАЦИОННЫЕ ДАННЫЕ

1. ВНЕСЕН Министерством строительного, дорожного и коммунального машиностроения СССР

2. Постановлением Государственного комитета СССР по стандартам от 25.05.88 № 1457 введен в действие государственный стандарт ГОСТ 27719-88, в качестве которого непосредственно применен международный стандарт ИСО 3449-84, с 01.01.89

СОДЕРЖАНИЕ

 




Яндекс цитирования



   Copyright © 2007-2026,  www.tehlit.ru.

[ ѓосты, стандарты, нормативы, инструкции, правила, строительные нормы ]