|
| |

ГОСУДАРСТВЕННЫЙ
СТАНДАРТ СОЮЗА ССР
ИЗДЕЛИЯ
ОГНЕУПОРНЫЕ
ОБЩЕГО НАЗНАЧЕНИЯ
ФОРМА И РАЗМЕРЫ
ГОСТ 8691-73
(ИСО 5019-1-84,
ИСО 5019-2-84, ИСО 5019-5-84)
ИПК ИЗДАТЕЛЬСТВО
СТАНДАРТОВ
Москва
ГОСУДАРСТВЕННЫЙ
СТАНДАРТ СОЮЗА ССР
|
ИЗДЕЛИЯ
ОГНЕУПОРНЫЕ
ОБЩЕГО НАЗНАЧЕНИЯ
Форма и размеры
General-purpose refractory articles.
Form and dimensions
|
ГОСТ
8691-73
(ИСО 5019-1-84,
ИСО 5019-2-84, ИСО 5019-5-84)
|
Дата введения 01.01.75
Настоящий
стандарт распространяется на огнеупорные изделия общего назначения, применяемые
для кладки различных тепловых агрегатов.
Дополнительные
требования, отражающие потребности народного хозяйства (ИСО 5019-1-84, ИСО
5019-2-84, ИСО 5019-5-84), набраны курсивом.
(Измененная
редакция, Изм. № 3, 4).
1. МАРКИ
1.1. Огнеупорные
изделия общего назначения изготовляются марок, указанных в табл. 1.
Таблица 1
|
Марки
|
Наименование
изделия
|
Кажущаяся
плотность, г/см3 (расчетная)
|
|
ШАК
|
Шамотные
|
2,1
|
|
ША-I
|
2,1
|
|
ША-I
|
2,0
|
|
ШБ-I
|
2,0
|
|
ШБ-I
|
1,9
|
|
ШВ-I, ШВ-II
|
1,9
|
|
ШУС
|
1,9
|
|
ПБ-I, ПБ-II
|
Полукислые
|
0,9
|
|
ПВ-I, ПВ-II
|
0,9
|
|
ДН
|
Динасовые
|
0,9
|
|
ШЛА-1,3
|
Шамотные легковесные и полукислые
легковесные
|
0,3
|
|
ШКЛ-1,3
|
0,3
|
|
ШЛ-1,3
|
0,3
|
|
ШЛ-1,0
|
0,0
|
|
ШЛ-0,9
|
0,9
|
|
ШТЛ-0,6
|
0,6
|
|
ШЛ 1-6,4
|
0,4
|
|
ШЛ-0,4
|
0,4
|
|
МКРЛ-0,8
|
Муллитокремнеземистые легковесные
|
0,8
|
|
МКРЛ-0,7
|
0,7
|
|
МЛЛ-1,3
|
Муллитовые легковесные
|
1,3
|
|
КЛ-1,1
|
Корундовые легковесные
|
1,1
|
|
ДП-1,2
|
Динасовые легковесные
|
1,2
|
|
ДП1-1,2
|
1,2
|
|
МКС-72
|
Муллитокорундовые
|
2,5
|
|
МЛС-62
|
Муллитовые
|
2,3
|
(Измененная
редакция, Изм. № 4).
2. ФОРМА И РАЗМЕРЫ
2.1. Форма и
размеры изделий должны соответствовать требованиям, указанным на черт. 1-26 и в табл. 2-27.
Размеры
прямоугольного огнеупорного кирпича (прямой, лещадка, плитка) приведены в табл.2а; размеры огнеупорного оводового кирпича
- в табл.12а.
Пятовый
кирпич для применения с кирпичом горизонтального ряда кладки высотой 64 мм и
высотой 76 мм - на черт. 9а и 9б.

Черт. 1
Таблица 2
|
Номер
изделия
|
а
|
б
|
в
|
Объем,
см3
|
Масса
для изделий марок, кг
|
|
мм
|
ШАК, ША-I
|
ША-II, ШБ-I
|
ШБ-II, ШВI, ШВ-II, ШУС, ПК ПБ-I,
ПБ-II, ПВ-I, ПВ-II, ДН
|
ШЛА-1,3;
ШЛ-1,3; ШКЛ-1,3
|
МЛЛ-1,3
|
ДЛ-1,2;
ДЛ1-1,2
|
КЛ-1,1
|
ШЛ-1,0
|
ШЛ-0,9
|
МКРЛ-0,8
|
МКРЛ-0,7
|
ШТЛ-0,6
|
ШЛ1-0,4,
ШЛ-0,4
|
МКС-72
|
МЛС-62
|
|
1
|
230
|
65
|
65
|
972
|
2,0
|
1,9
|
1,8
|
-
|
-
|
-
|
-
|
-
|
0,9
|
0,8
|
-
|
-
|
0,4
|
-
|
-
|
|
2
|
230
|
85
|
65
|
1271
|
2,7
|
2,5
|
2,4
|
-
|
-
|
-
|
-
|
-
|
1,1
|
1,0
|
-
|
-
|
0,5
|
-
|
-
|
|
3
|
230
|
114
|
100
|
2622
|
5,5
|
5,2
|
5,0
|
-
|
3,4
|
3,2
|
-
|
-
|
-
|
-
|
-
|
-
|
-
|
-
|
-
|
|
4
|
230
|
114
|
75
|
1967
|
4,1
|
3,9
|
3,7
|
2,6
|
2,6
|
2,4
|
-
|
1,9
|
-
|
1,6
|
-
|
-
|
-
|
4,9
|
4,5
|
|
5
|
230
|
114
|
65
|
1704
|
3,6
|
3,4
|
3,2
|
2,2
|
2,2
|
2,1
|
1,9
|
1,7
|
1,5
|
1,4
|
1,2
|
1,0
|
0,7
|
4,3
|
3,9
|
|
6
|
230
|
114
|
40
|
1049
|
2,2
|
2,1
|
2,0
|
1,4
|
1,4
|
1,3
|
-
|
1,0
|
-
|
0,8
|
-
|
-
|
-
|
2,6
|
2,4
|
|
6а
|
230
|
150
|
65
|
2242
|
-
|
-
|
-
|
-
|
-
|
-
|
-
|
-
|
-
|
-
|
-
|
-
|
-
|
-
|
5,2
|
|
7
|
250
|
124
|
75
|
2325
|
4,9
|
4,7
|
4,4
|
3,0
|
3,0
|
2,8
|
2,6
|
2,3
|
2,1
|
1,9
|
1,6
|
1,4
|
0,9
|
5,8
|
5,3
|
|
8
|
250
|
124
|
65
|
2015
|
4,2
|
4,0
|
3,8
|
2,6
|
2,6
|
2,4
|
2,2
|
2,0
|
1,8
|
1,6
|
1,4
|
1,2
|
0,8
|
5,0
|
4,6
|
|
9
|
300
|
150
|
65
|
2925
|
6,1
|
5,9
|
5,6
|
3,8
|
3,8
|
3,5
|
-
|
2,9
|
-
|
-
|
-
|
-
|
-
|
7,3
|
6,7
|
|
10
|
345
|
150
|
75
|
3881
|
8,2
|
7,8
|
7,4
|
5,0
|
5,0
|
4,7
|
-
|
3,9
|
-
|
-
|
-
|
-
|
-
|
9,7
|
8,9
|
Примечания:
1. Динасовые
изделия номеров 1 и 2 не изготовляются.
2.
Шамотно-каолиновые легковесные изделия марки ШКЛ-1,3 номеров 4, 6, 9, 10 не
изготовляются.
Таблица 2а
Размеры прямоугольного огнеупорного кирпича
(прямой, лещадка, плитка)
мм
|
Тип
кирпича
|
Серия
64 мм
|
Серия
76 мм
|
|
Прямоугольный

|
А´В´С
230´114´64
230´172´64
345´114´64
|
А´В´С
230´114´76
230´172´76
345´114´76
|
|
Лещадка

|
А´В´С
230´114´64
|
А´В´С
230´114´38
|
|
Плитка

|
А´В´С
230´230´64
|
А´В´С
230´230´76
|
Примечания:
1.
Предпочтительно применять серию кирпича 76 мм.
2.
Допускаемые отклонения размеров, приведенных в таблице, должны быть согласованы
между поставщиком и потребителем.
Таблица
2а (Введена дополнительно, Изм. № 4).

Черт. 2
Таблица 3
|
Номер
изделия
|
а
|
б
|
в
|
Объем,
см3
|
Масса
для изделий марок, кг
|
|
мм
|
ШАК, ША-I
|
ША-II, ШБ-I
|
ШБ-II, ШВI, ШВ-II, ШУС, ПК ПБ-I,
ПБ-II, ПВ-I, ПВ-II, ДН
|
ШЛА-1,3;
ШЛ-1,3; МЛЛ-1,3
|
ДЛ-1,2;
ДЛ1-1,2
|
ШЛ-1,0
|
МКРЛ-0,8
|
МКС-72
|
МЛС-62
|
|
11
|
230
|
172
|
75
|
2967
|
6,2
|
5,9
|
5,6
|
3,9
|
3,6
|
3,0
|
2,4
|
-
|
-
|
|
12
|
230
|
172
|
65
|
2571
|
5,4
|
5,1
|
4,9
|
3,3
|
3,1
|
2,6
|
2,1
|
6,4
|
5,9
|
|
13
|
250
|
187
|
75
|
3506
|
7,4
|
7,0
|
6,7
|
-
|
-
|
-
|
2,8
|
-
|
-
|
|
14
|
250
|
187
|
65
|
3039
|
6,4
|
6,1
|
5,8
|
-
|
-
|
-
|
2,8
|
-
|
-
|
|
15
|
300
|
225
|
65
|
4388
|
9,2
|
8,8
|
8,3
|
-
|
-
|
-
|
-
|
10,9
|
10,0
|

Черт. 3
Таблица 4
|
Номер
изделия
|
а
|
б
|
в
|
Объем,
см3
|
Масса
для изделий марок, кг
|
|
мм
|
ШАК, ША-I
|
ША-II, ШБ-I
|
ШБ-II, ШВ-I, ШВ-II, ШУС, ПБ-I, ПБ-II, ПВ-I, ПВ-II, ДН
|
ШЛА-1,3;
ШЛ-1,3; МЛЛ-1,3
|
ДЛ-1,2;
ДЛ1-1,2
|
ШЛ-0,9
|
ШЛ-1,0
|
МКРЛР-0,8
|
ШЛI-0,4;
ШЛ-0,4
|
МКС-72
|
МЛС-62
|
|
16
|
172
|
114
|
75
|
1471
|
3,1
|
2,9
|
2,8
|
-
|
-
|
-
|
-
|
1,2
|
-
|
-
|
-
|
|
17
|
172
|
114
|
65
|
1274
|
2,7
|
2,6
|
2,4
|
1,7.
|
1,5
|
1,3
|
1,2
|
1,0
|
0,5
|
3,2
|
2,9
|
|
18
|
187
|
124
|
75
|
1739
|
3,7
|
3,5
|
3,3
|
-
|
-
|
-
|
-
|
1,4
|
-
|
-
|
-
|
|
19
|
187
|
124
|
65
|
1507
|
3,2
|
3,0
|
2,9
|
-
|
-
|
-
|
-
|
1,2
|
-
|
-
|
-
|

Черт.4
Таблица 5
|
Номер
изделия
|
а
|
б
|
в
|
в1
|
Объем,
см3
|
Масса
для изделий марок, кг
|
|
мм
|
ШАК, ША-I
|
ША-II, ШБ-I
|
ШБ-II, ШВ-I, ШВ-II, ШУС, ПБ-I, ПБ-II, ПВ-I, ПВ-II, ДН
|
ШЛА-1,3;
ШЛ-1,3; МЛЛ-1,3
|
ШКЛ-1,3
|
ДЛ-1,2;
ДЛI-1,2
|
ШЛ-0,9
|
ШЛ-1,0
|
МКЛР-0,5
|
ШЛI-0,4;
ШЛ-0,4
|
МКС-72
|
МЛС-62
|
|
20
|
230
|
114
|
75
|
65
|
1835
|
3,9
|
3,7
|
3,5
|
-
|
-
|
-
|
-
|
-
|
-
|
-
|
4,6
|
4,2
|
|
21
|
230
|
114
|
75
|
55
|
1704
|
3,6
|
3,4
|
3,2
|
-
|
-
|
-
|
-
|
-
|
-
|
-
|
4,3
|
3,9
|
|
22
|
230
|
114
|
65
|
55
|
1573
|
3,3
|
3,2
|
3,0
|
2,1
|
2,1
|
1,9
|
1,4
|
1,5
|
0,8
|
0,6
|
3,9
|
3,6
|
|
23
|
230
|
114
|
65
|
45
|
1442
|
3,0
|
2,9
|
2,7
|
1,9
|
1,9
|
1,7
|
1,3
|
1,4
|
0,7
|
0,6
|
3,6
|
3,3
|
|
23а
|
230
|
150
|
75
|
45
|
2070
|
-
|
-
|
-
|
-
|
-
|
-
|
-
|
-
|
-
|
-
|
-
|
4,8
|
|
24
|
250
|
124
|
75
|
65
|
2170
|
4,6
|
4,3
|
4,1
|
-
|
-
|
-
|
-
|
-
|
-
|
-
|
5,4
|
5,0
|
|
25
|
250
|
124
|
65
|
55
|
1860
|
3,9
|
3,7
|
3,5
|
2,4
|
-
|
2,2
|
-
|
1,9
|
-
|
-
|
4,7
|
4,3
|
|
26
|
250
|
124
|
65
|
45
|
1705
|
3,6
|
3,4
|
3,2
|
2,2
|
-
|
2,1
|
-
|
1,7
|
-
|
-
|
4,3
|
3,9
|
|
27
|
172
|
114
|
65
|
55
|
1176
|
2,5
|
2,4
|
2,2
|
1,5
|
-
|
1,4
|
-
|
1,2
|
-
|
-
|
2,9
|
2,7
|
|
28
|
172
|
114
|
65
|
45
|
1078
|
2,3
|
2,2
|
2,1
|
1,4
|
-
|
1,3
|
-
|
1,0
|
-
|
-
|
2,7
|
2,5
|
|
29
|
300
|
150
|
65
|
55
|
2700
|
5,7
|
5,4
|
5,1
|
-
|
-
|
3,2
|
-
|
-
|
-
|
-
|
6,8
|
6,2
|
|
30
|
300
|
150
|
65
|
45
|
2475
|
5,2
|
5,0
|
4,7
|
-
|
-
|
-
|
-
|
-
|
-
|
-
|
6,2
|
5,7
|
|
31
|
345
|
150
|
75
|
65
|
3622
|
7,6
|
7,3
|
6,9
|
-
|
-
|
-
|
-
|
-
|
-
|
-
|
9,0
|
8,3
|
|
32
|
345
|
150
|
75
|
55
|
3364
|
7,0
|
6,7
|
6,4
|
-
|
-
|
-
|
-
|
-
|
-
|
-
|
8,4
|
7,7
|

Черт. 5
Таблица 6
|
Номер
изделия
|
а
|
б
|
в
|
в1
|
Объем,
см3
|
Масса
для изделий марок, кг
|
|
мм
|
ШАК, ША-I
|
ША-II, ШБ-I
|
ШБ-II, ШВ-I, ШВ-II, ШУС, ПБ-I, ПБ-II, ПВ-I, ПВ-II, ДН
|
ШЛА-1,3;
ШЛ-1,3; МЛЛ-1,3
|
ДЛ-1,2;
ДЛI-1,2
|
ШЛ-1,0
|
МКС-72
|
МЛС-62
|
|
33
|
230
|
172
|
75
|
65
|
2769
|
5,8
|
5,5
|
5,3
|
-
|
-
|
-
|
6,9
|
6,3
|
|
34
|
230
|
172
|
75
|
55
|
2571
|
5,4
|
5,1
|
4,9
|
-
|
-
|
-
|
6,4
|
5,9
|
|
35
|
230
|
172
|
65
|
55
|
2374
|
5,0
|
4,8
|
4,5
|
3,1
|
2,9
|
2,4
|
5,9
|
5,5
|
|
36
|
230
|
172
|
65
|
45
|
2176
|
4,6
|
4,4
|
4,1
|
2,8
|
2,6
|
2,2
|
5,4
|
5,0
|
|
37
|
250
|
187
|
75
|
65
|
3272
|
6,9
|
6,6
|
6,2
|
-
|
-
|
-
|
-
|
-
|
|
38
|
250
|
187
|
65
|
55
|
2805
|
5,9
|
5,6
|
5,3
|
-
|
-
|
-
|
-
|
-
|
|
39
|
250
|
187
|
65
|
45
|
2571
|
5,4
|
5,1
|
4,9
|
-
|
-
|
-
|
-
|
-
|
|
40
|
300
|
225
|
65
|
55
|
4050
|
8,5
|
8,1
|
7,7
|
-
|
-
|
-
|
10,1
|
9,3
|
|
41
|
300
|
225
|
65
|
45
|
3712
|
7,8
|
7,4
|
7,1
|
-
|
-
|
-
|
9,3
|
8,5
|

Черт. 6
Таблица 7
|
Номер
изделия
|
а
|
б
|
в
|
в1
|
Объем,
см3
|
Масса
для изделий марок, кг
|
|
мм
|
ШАК, ША-I
|
ША-II, ШБ-I
|
ШБ-II, ШВ-I, ШВ-II, ШУС, ПБ-I, ПБ-II, ПВ-I, ПВ-II, ДН
|
ШЛА-1,3;
ШЛ-1,3; МЛЛ-1,3
|
ШКЛ-1,3
|
ДЛ-1,2;
ДЛI-1,2
|
ШЛ-1,0
|
ШЛ-0,9
|
МКЛР-0,7
|
ШТЛ-0,6
|
ШЛ1-0,4,
ШЛ-0,4
|
МКС-72
|
МЛС-62
|
|
42
|
230
|
114
|
75
|
65
|
1835
|
3,9
|
3,7
|
3,5
|
2,4
|
-
|
2,2
|
1,8
|
-
|
-
|
-
|
-
|
46
|
47
|
|
43
|
230
|
114
|
75
|
55
|
1704
|
3,6
|
3,4
|
3,2
|
2,2
|
-
|
2,1
|
1,7
|
-
|
-
|
-
|
-
|
-
|
-
|
|
44
|
230
|
114
|
65
|
55
|
1573
|
3,3
|
3,2
|
3,0
|
2,1
|
2,1
|
1 9
|
1,6
|
I 4
|
1,1
|
0,4
|
0,6
|
3,9
|
3,6
|
|
45
|
230
|
114
|
65
|
45
|
1442
|
3,0
|
79
|
2,7
|
1,9
|
1,9
|
1,7
|
1,4
|
13
|
1,0
|
0,9
|
0,6
|
3,6
|
4,4
|
|
45а
|
230
|
150
|
65
|
55
|
2070
|
-
|
-
|
-
|
-
|
-
|
-
|
-
|
-
|
-
|
-
|
-
|
-
|
4,8
|
|
45б
|
230
|
150
|
65
|
45
|
1898
|
-
|
-
|
-
|
-
|
-
|
-
|
-
|
-
|
-
|
-
|
-
|
-
|
4,4
|
|
46
|
250
|
174
|
75
|
65
|
2170
|
4,6
|
4,3
|
4,1
|
-
|
-
|
-
|
-
|
-
|
-
|
-
|
-
|
5,4
|
5,0
|
|
47
|
250
|
124
|
65
|
55
|
1860
|
3,9
|
3,7
|
3,5
|
2,4
|
2,4
|
2,2
|
1,9
|
1,7
|
1,3
|
1,3
|
0,7
|
4,7
|
44
|
|
48
|
250
|
124
|
65
|
45
|
1705
|
3,6
|
3,4
|
3,2
|
2,2
|
-
|
2,1
|
1,7
|
-
|
-
|
-
|
-
|
4,3
|
3,9
|

Черт. 7
Таблица 8
|
Номер
изделия
|
а
|
б
|
в
|
в1
|
Объем,
см3
|
Масса
для изделий марок, кг
|
|
мм
|
ШАК, ША-I
|
ША-II, ШБ-I
|
ШБ-II, ШВ-I, ШВ-II, ШУС, ПБ-I, ПБ-II, ПВ-I, ПВ-II, ДН
|
ШЛА-1,3;
ШЛ-1,3; МЛЛ-1,3
|
ДЛ-1,2;
ДЛI-1,2
|
ШЛ-1,0
|
МКС-72
|
МЛС-62
|
|
49
|
230
|
114
|
96
|
65
|
1570
|
3,3
|
3,1
|
3,0
|
2,0
|
1,9
|
1,6
|
3,9
|
3,6
|
|
50
|
230
|
114
|
76
|
65
|
1420
|
3,0
|
2,8
|
2,7
|
1,9
|
1,7
|
1,4
|
3,6
|
3,3
|
|
51
|
230
|
114
|
56
|
65
|
1271
|
2,7
|
2,5
|
2,4
|
1,7
|
1,5
|
1,3
|
3,2
|
2,9
|
|
52
|
345
|
150
|
125
|
75
|
3557
|
7,5
|
7,1
|
6,8
|
-
|
-
|
-
|
8,9
|
8,2
|
|
53
|
345
|
150
|
90
|
75
|
3105
|
,5
|
6,2
|
5,9
|
-
|
-
|
-
|
7,8
|
7,1
|
|
54
|
345
|
150
|
80
|
75
|
2976
|
6,3
|
6,0
|
5,7
|
-
|
-
|
-
|
-
|
-
|
Кирпич
трапецеидальный поперечный
(двусторонний)

Черт. 8
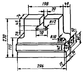
Таблица 9
|
Номер
изделия
|
а
|
б
|
в
|
в1
|
Объем,
см3
|
Масса
для изделий марок, кг
|
|
мм
|
ШАК, ША-I
|
ША-II, ШБ-I
|
ШБ-II, ШВ-I, ШВ-II, ШУС, ПБ-I, ПБ-II, ПВ-I, ПВ-II, ДН
|
ШЛА-1,3;
ШЛ-1,3
|
ШЛ-1,0
|
|
55
|
230
|
180
|
114
|
65
|
1519
|
3,2
|
3,0
|
2,9
|
2,0
|
1,5
|
|
56
|
230
|
190
|
114
|
65
|
1556
|
3,3
|
3,1
|
3,0
|
2,0
|
1,6
|
|
57
|
230
|
200
|
114
|
65
|
1593
|
3,4
|
3,2
|
3,0
|
2,1
|
1,6
|
|
58
|
230
|
210
|
114
|
65
|
1630
|
3,4
|
3,3
|
3,1
|
2,1
|
1,6
|
|
59
|
230
|
220
|
114
|
65
|
1667
|
3,5
|
3,3
|
3,2
|
2,2
|
1,7
|
Кирпич пятовый

Черт. 9
Пятовый кирпич
для применения с кирпичом горизонтального ряда кладки высотой 64 мм

Объем 5,57 дм3
Черт. 9а
Пятовый кирпич
для применения с кирпичом горизонтального ряда кладки высотой 76 мм

Объем 4,72 дм3
Черт. 9б
Примечания:
1.
Предпочтительно применять серию кирпича 76 мм.
2. Допускаемые
отклонения размеров, указанных на черт. 9а и 9б, должны быть согласованы между
поставщиком и потребителем.
Таблица 10
|
Номер
изделия
|
а
|
б
|
в
|
г
|
д
|
е
|
a, град
|
Объем,
см3
|
Масса
для изделий марок, кг
|
|
мм
|
ШАК, ША-I
|
ША-II, ШБ-I
|
ШБ-II, ШВ-I, ШВ-II, ШУС, ПБ-I, ПБ-II, ПВ-I, ПВ-II, ДН
|
МКС-72
|
МЛС-62
|
|
60
|
114
|
114
|
114
|
133
|
34
|
57
|
60
|
1407
|
3,0
|
2,8
|
2,7
|
3,5
|
3,2
|
|
61
|
114
|
114
|
114
|
133
|
52
|
33
|
45
|
1355
|
2,9
|
2,7
|
2,6
|
3,4
|
3,1
|
|
62
|
124
|
124
|
124
|
133
|
26
|
62
|
60
|
1634
|
3,4
|
3,3
|
3,1
|
4,0
|
3,7
|
|
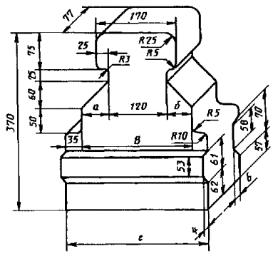
63
|
124
|
124
|
124
|
133
|
45
|
36
|
45
|
1565
|
3,3
|
3,1
|
3,0
|
-
|
-
|
|
64
|
172
|
230
|
114
|
201
|
52
|
144
|
60
|
4540
|
9,5
|
9,1
|
8,6
|
11,3
|
10,4
|
|
65
|
172
|
230
|
114
|
201
|
80
|
109
|
45
|
4436
|
9,3
|
8,9
|
8,4
|
11,1
|
10,2
|
|
66
|
230
|
230
|
114
|
201
|
39
|
68
|
45
|
3774
|
7,9
|
7,6
|
7,2
|
-
|
-
|
|
67
|
230
|
230
|
114
|
236
|
37
|
115
|
60
|
4884
|
10,3
|
9,8
|
9,3
|
12,2
|
11,2
|
|
68
|
230
|
230
|
114
|
269
|
70
|
115
|
60
|
5749
|
12,1
|
11,5
|
10,9
|
14,4
|
13,2
|
|
69
|
250
|
230
|
124
|
269
|
53
|
105
|
60
|
5998
|
12,6
|
12,0
|
11,4
|
-
|
-
|
|
70
|
300
|
230
|
75
|
269
|
9
|
80
|
60
|
3178
|
6,7
|
6,4
|
6,0
|
7,9
|
7,3
|
|
71
|
300
|
275
|
75
|
269
|
57
|
63
|
45
|
3863
|
8,1
|
7,7
|
7,3
|
-
|
-
|
|
72
|
300
|
345
|
75
|
269
|
57
|
133
|
45
|
5275
|
11,1
|
10,6
|
10,0
|
13,2
|
12,1
|
|
73
|
345
|
230
|
75
|
337
|
38
|
57
|
60
|
3874
|
8,1
|
7,7
|
7,4
|
9,7
|
8,9
|

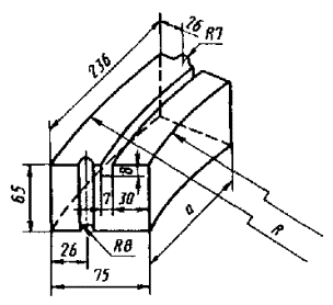
Черт. 10
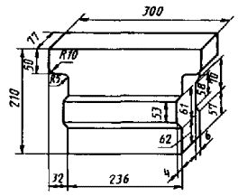
Таблица 11
|
Номер
изделия
|
а
|
а1
|
б
|
б1
|
Объем,
см3
|
Масса
для изделий марок, кг
|
|
мм
|
ШАК, ША-I
|
ША-II, ШБ-I
|
ШБ-II, ШВ-I, ШВ-II, ШУС, ПБ-I, ПБ-II, ПВ-I, ПВ-II, ДН
|
|
74
|
230
|
30
|
230
|
115
|
2691
|
5,6
|
5,3
|
5,0
|
|
75
|
345
|
145
|
172
|
56
|
3103
|
6,4
|
6,1
|
5,8
|
Кирпич сводовый
подвесной ребристый

Черт. 11
Таблица 12
|
Номер
изделия
|
а
|
б
|
в
|
Объем,
см3
|
Масса
для изделий марок, кг
|
|
мм
|
ШАК, ША-I
|
ША-II, ШБ-I
|
ШБ-II, ШВ-I, ШВ-II, ШУС, ПБ-I, ПБ-II, ПВ-I, ПВ-II, ДН
|
|
76
|
-
|
25
|
135-2
|
2485
|
5,2
|
5,0
|
4,7
|
|
77
|
25
|
-
|
135-2
|
2485
|
5,2
|
5,0
|
4,7
|
|
78
|
25
|
25
|
160-2
|
2680
|
5,6
|
5,4
|
5,1
|
Таблица
12а
Размеры
огнеупорного сводового кирпича
мм
|
Тип
кирпича
|
Кирпич
с постоянным средним размером
|
Кирпич
с постоянным размером задней стороны
|
|
Серия
64 мм
|
Серия
76 мм
|
|
Ребровой
двусторонний клин

|
A´B´C/D
|
A´B´C/D
|
A´B´C/D
|
|
230´114´67/61
|
230´114´79/61
|
230´114´76/70
|
|
230´114´69/59
|
230´114´81/71
|
230´114´76/64
|
|
230´114´72/56
|
230´114´84/68
|
230´114´76/52
|
|
230´114´76/52
|
230´114´88/64
|
230´114´76/38
|
|
Торцовый клин

|
A´B´C/D
|
A´B´C/D
|
A´B´C/D
|
|
230´114´66/62
|
230´114´78/74
|
230´114´76/70
|
|
230´114´69/59
|
230´114´81/71
|
230´114´76/64
|
|
230´114´72/56
|
230´114´84/68
|
230´114´76/57
|
|
230´114´76/52
|
230´114´88/64
|
230´114´76/52
|
|
Торцовый
полуторный клиновой кирпич

|
A´B´C/D
|
A´B´C/D
|
A´B´C/D
|
|
230´172´66/62
|
230´172´78/74
|
230´172´76/70
|
|
230´172´69/59
|
230´172´81/71
|
230´172´76/64
|
|
230´172´72/56
|
230´172´84/68
|
230´172´76/57
|
|
230´172´76/52
|
230´172´88/64
|
230´172´76/52
|
|
Большой
сводовый кирпич

|
A´B´C/D
|
A´B´C/D
|
A´B´C/D
|
|
230´230´66/62
|
230´230´78/74
|
230´230´76/70
|
|
230´230´69/59
|
230´230´81/71
|
230´230´76/64
|
|
230´230´72/56
|
230´230´84/68
|
230´230´76/57
|
|
230´230´76/52
|
230´230´88/64
|
230´230´76/52
|
Примечания:
1. Предпочтительно
применять серию кирпича 76 мм.
2. Допускаемые
отклонения размеров, приведенных в таблице, должны быть согласованы между
поставщиком и потребителем.
Кирпич подвесной

Черт. 12а

Черт. 12б
Таблица 13
|
Номер
изделия
|
Номера
чертежей
|
Объем,
см3
|
Масса
для изделий марок, кг
|
|
ШАК, ША-I
|
ША-II,
ШБ-I
|
ШБ-II, ШВ-I, ШВ-II, ШУС, ПБ-I, ПБ-II, ПВ-I, ПВ-II
|
|
79
|
12а
|
2824
|
5,9
|
5,7
|
5,4
|
|
80
|
12б
|
3240
|
6,8
|
6,5
|
6,2
|
Кирпич подвесной

Черт. 13
Таблица 14
|
Номер
изделия
|
Объем,
см3
|
Масса
для изделий марок, кг
|
|
ШАК, ША-I
|
ШA-II, ШБ-II
|
ШБ-II, ШВ-I, ШВ-II, ШУС, ПБ-I, ПБ-II, ПВ-I, ПВ-II
|
|
81
|
2991
|
6,3
|
6,0
|
5,7
|
Кирпич сводовый
подвесной

Черт. 14
Таблица 15
|
Номер
изделия
|
а, мм
|
Объем,
см3
|
Масса
для изделий марок, кг
|
|
ШАК, ША-I
|
ШA-II,
ШБ-II
|
ШБ-II, ШВ-I, ШВ-II, ШУС, ПБ-I, ПБ-II, ПВ-I, ПВ-II
|
ШЛА-1,3;
ШЛ-1,3
|
ШЛ-1,0
|
МКС-72
|
МЛС-62
|
|
82
|
100
|
8060
|
16,9
|
16,1
|
15,3
|
10,5
|
8,1
|
20,1
|
18,5
|
|
83
|
75
|
6045
|
12,7
|
12,1
|
11,5
|
7,9
|
6,1
|
-
|
-
|
Примечание.
Допускается изготовлять изделия с длиной скоса 75 мм вместо 40 мм.
Кирпич сводовый
подвесной

Черт. 15
Таблица 16
|
Номер
изделия
|
а, мм
|
Объем,
см3
|
Масса
для изделий марок, кг
|
|
ШАК, ША-I
|
ША-II, ШБ-I
|
ШБ-II, ШВ-I, ШВ-II, ШУС, ПБ-I, ПБ-II, ПВ-I, ПВ-II
|
|
84
|
230
|
4814
|
10,1
|
9,6
|
9,2
|
|
85
|
322
|
6829
|
14,3
|
13,7
|
13,0
|
Кирпич подвесной

Черт. 16
Таблица 17
|
Номер
изделия
|
Объем,
см3
|
Масса
для изделий марок, кг
|
|
ШАК, ША-I
|
ША-II, ШБ-I
|
ШБ-II, ШВ-I, ШВ-II, ШУС, ПБ-I, ПБ-II, ПВ-I, ПВ-II
|
|
86
|
4007
|
8,4
|
8,0
|
7,6
|
Кирпич подвесной

Черт. 17
Таблица 18
|
Номер
изделия
|
Объем,
см3
|
Масса
для изделий марок, кг
|
|
ШАК, ША-I
|
ША-II, ШБ-I
|
ШБ-II, ШВ-I, ШВ-II, ШУС, ПБ-I, ПБ-II, ПВ-I, ПВ-II
|
|
87
|
4159
|
8,7
|
8,3
|
7,9
|
Кирпич подвесной

Черт 18
Таблица 19
|
Номер
изделия
|
a
|
б
|
в
|
г
|
Объем,
см3
|
Масса
для изделий марок, кг
|
|
мм
|
ШАК, ША-I
|
ША-II, ШБ-I
|
ШБ-II, ШВ-I, ШВ-II, ШУС, ПБ-I, ПБ-II, ПВ-I, ПВ-II
|
МКС-72
|
МЛС-62
|
|
88
|
65
|
45
|
230
|
300
|
6576
|
13,8
|
13,2
|
12,5
|
16,4
|
15,1
|
|
89
|
45
|
65
|
230
|
300
|
6576
|
13,8
|
13,2
|
12,5
|
16,4
|
15,1
|
|
90
|
65
|
65
|
250
|
320
|
6946
|
14,6
|
13,9
|
13,2
|
17,4
|
16,0
|
Кирпич подвесной

Черт. 19
Таблица 20
|
Номер
изделия
|
Объем,
см3
|
Масса
для изделий марок, кг
|
|
ШАК,
ША-1
|
ША-II, ШБ-I
|
ШБ-II, ШВ-I, ШB-II, ШУС, ПБ-I, ПБ-II, ПВ-I, ПВ-II
|
МКС-72
|
МЛС-62
|
|
91
|
4048
|
8,5
|
8,1
|
7,7
|
10,1
|
9,3
|
Кирпич бортовой
выдвижного пода

Черт. 20
Таблица 21
|
Номер
изделия
|
а, мм
|
Объем,
см3
|
Масса
для изделий марок, кг
|
|
ШАК, ША-I
|
ШA-II, ШБ-I
|
ШБ-II, ШВ-I, ШВ-II, ШУС, ПБ-I, ПБ-II, ПВ-I, ПВ-II, ДН
|
|
92
|
230
|
11850
|
24,9
|
23,7
|
22,5
|
|
93
|
114
|
5874
|
12,3
|
11,8
|
11,2
|
Плита

Черт. 21
Таблица 22
|
Номер
изделия
|
а
|
б
|
в
|
Объем,
см3
|
Масса
для изделий марок, кг
|
|
мм
|
ШАК, ША-I
|
ШA-II, ШБ-I
|
ШБ-II, ШВ-I, ШВ-II, ШУС, ПБ-I, ПБ-II, ПВ-I, ПВ-II, ДН
|
МКС-72
|
МЛС-62
|
|
94
|
460
|
230
|
75
|
7935
|
16,7
|
15,9
|
15,1
|
19,8
|
18,3
|
|
95
|
575
|
170
|
80
|
7820
|
16,4
|
15,6
|
14,9
|
19,6
|
18,0
|
|
96
|
600
|
230
|
90
|
12420
|
26,1
|
24,9
|
23,6
|
31,0
|
28,6
|
Брус

Черт. 22
Таблица 23
|
Номер
изделия
|
Объем,
см3
|
Масса
для изделий марок, кг
|
|
ШАК,
ША-I
|
ША-II, ШБ-I
|
ШБ-II, ШВ-I, ШВ-II, ШУС, ПБ-I, ПБ-II, ПВ-I, ПВ-II, ДН
|
МКС-72
|
МЛС-62
|
|
97
|
6975
|
14,7
|
14,0
|
13,3
|
17,4
|
16,0
|
Кирпич горелочный
 
Черт. 23
Таблица 24
|
Номер
изделия
|
а
|
б
|
в
|
Д
|
d
|
d1
|
Объем,
см3
|
Масса
для изделий марок, кг
|
|
мм
|
ШАК, ША-I
|
ША-II, ШБ-I
|
ШБ-II, ШВ-I, ШВ-II, ШУС, ПБ-I, ПБ-II, ПВ-I, ПВ-II, ДН
|
МКС-72
|
МЛС-62
|
|
98-1
98-2
|
230
|
100
|
80
|
150
|
50
|
35
|
4385
|
9,2
|
8,8
|
8,3
|
-
|
-
|
|
99-1
99-2
|
340
|
167
|
120
|
190
|
75
|
45
|
11531
|
24,2
|
23,1
|
21,9
|
28,8
|
26,5
|
|
100-1
100-2
|
340
|
167
|
120
|
210
|
100
|
45
|
10976
|
23,1
|
22,0
|
20,9
|
-
|
-
|
|
101-1
101-2
|
340
|
167
|
130
|
240
|
125
|
40
|
10166
|
21,3
|
20,3
|
19,3
|
-
|
-
|
|
102-1
102-2
|
340
|
167
|
130
|
260
|
150
|
40
|
9405
|
19,8
|
18,8
|
17,9
|
-
|
-
|
Кирпич лекальный

Черт. 24
Таблица 25
|
Номер
изделия
|
a
|
r
|
R
|
Объем,
см3
|
Масса
для изделий марок, кг
|
|
мм
|
ШАК, ША-I
|
ША-II, ШБ-I
|
ШБ-II, ШВ-I, ШВ-II, ШУС, ПБ-I, ПБ-II, ПВ-I, ПВ-II, ДН
|
МКС-72
|
МЛС-62
|
|
103
|
175
|
200
|
275
|
1040
|
2,1
|
2,1
|
2,0
|
1,4
|
1,1
|
|
104
|
188
|
275
|
350
|
1065
|
2,2
|
2,1
|
2,0
|
1,4
|
1,1
|
|
105
|
196
|
350
|
425
|
1080
|
2,3
|
2,2
|
2,1
|
1,4
|
1,1
|
|
106
|
202
|
425
|
500
|
1090
|
2,3
|
2,2
|
2,1
|
1,4
|
1,1
|
|
107
|
208
|
500
|
575
|
1100
|
2,3
|
2,2
|
2,1
|
1,4
|
1,1
|
|
108
|
214
|
650
|
725
|
1110
|
2,3
|
2,2
|
2,1
|
1,4
|
1,1
|
|
109
|
218
|
910
|
985
|
1105
|
2,3
|
2,2
|
2,1
|
1,4
|
1,1
|
Примечания:
1. По соглашению
сторон допускается изготовление изделий других форм размеров и марок.
2. Для изделий, выполненных
способом пластического формования, допускается закругление ребер радиусом не
более 5 мм.
3. Расчетная
масса и объем изделий не являются браковочным признаком.
4. Номера
изготовляемых изделий по группам приводятся в приложении.
Таблица 26
|
Номер
изделия
|
Объем,
см3
|
Масса
для изделий марок, кг
|
|
ШАК, ША-I
|
|
110
|
3810
|
8,0
|
Таблица 27
|
Номер
изделия
|
Объем, см3
|
Масса
для изделий марок, кг
|
|
ШАК, ША-I
|
|
111
|
4524
|
9,5
|

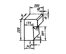
Черт. 25
Кирпич сводовый
подвесной

Черт. 26
(Измененная
редакция, Изм. № 1, 2, 3, 4)
3. ТЕХНИЧЕСКИЕ ТРЕБОВАНИЯ
3.1. Огнеупорные
изделия по физико-химическим показателям, предельным отклонениям по
размерам и показателям внешнего вида должны соответствовать:
шамотные - ГОСТ
390;
полукислые -
ГОСТ 390;
динасовые - ГОСТ
4157;
легковесные
огнеупорные - ГОСТ 5040;
муллитокорундовые
и муллитовые - по ГОСТ 24704.
(Измененная
редакция, Изм. № 3).
Разделы 4-6 (Исключены,
Изм. № 4).
ПРИЛОЖЕНИЕ
Справочное
Номера
изготовляемых изделий по группам
|
Наименование
изделия
|
Номера
изготовляемых изделий
|
|
Шамотные и полукислые марок: ШАК, ША-I, ША-II, ШБ-I, ШБ-II, ШВ-I, ШВ-II, ШУС, ПБ-I, ПБ-II, ПВ-I, ПВ-II
|
1-109
|
|
Динасовые марки ДН
|
3-54, 60-75, 92-109
|
|
Шамотные легковесные марок: ШЛА-1,3;
ШЛ-1,3; ШЛ-1,0
|
4-12, 17, 22, 23, 25-28, 35, 36, 42-45,
47-51, 55-59, 83, 103-109
|
|
Шамотные легковесные марок: ШКЛ-1,3;
ШТЛ-0,6
|
5, 7, 8, 22, 23, 44, 45, 47
|
|
Муллитокремнеземистые легковесные марки
МКРЛ-0,7
|
5, 7, 8, 22, 23, 44, 45, 47
|
|
Муллитовые легковесные марки МЛЛ-1,3
|
3-12, 17, 22, 23, 25-28, 35, 36, 42-45,
47-51
|
|
Динасовые легковесные марок: ДЛ-1,2;
ДЛ1-1,2
|
3-12, 17, 22, 23, 25-28, 29, 35, 36.
42-45, 47-51
|
|
Корундовые легковесные марки: КЛ-1,1
|
5, 7, 8
|
|
Шамотные легковесные марок: ШЛ-0,9; ШЛ
1-0,4, ШЛ-0,4
|
1, 2, 5, 7, 8, 17, 22, 23, 44, 45, 47
|
|
Муллитокремнеземистые легковесные марки
МКРЛ-0,8
|
1, 2, 4-8, 11-14, 16-19
|
|
Муллитокорундовые марки МКС-72
|
4-10, 12, 15, 17, 20-32, 35, 36, 40-42,
44-53, 60-62, 67-70, 72, 73, 82
|
|
Муллитовые марки МЛС-62
|
88-91, 99-1, 99-2
|
(Измененная
редакция, Изм. № 2, 3, 4)
ИНФОРМАЦИОННЫЕ
ДАННЫЕ
1. РАЗРАБОТАН И ВНЕСЕН Министерством
черной металлургии СССР
РАЗРАБОТЧИКИ
А. И. Узберг,
Г.А. Мосеева
2.
УТВЕРЖДЕН И ВВЕДЕН В ДЕЙСТВИЕ Постановлением Государственного комитета
стандартов Совета Министров СССР от 15.06.73 № 1486
3.
Стандарт соответствует международному стандарту ИСО 5019-1-84 в части размера
230´114´64
4. Стандарт унифицирован с БДС 4749-72
5. ВЗАМЕН ГОСТ 8691-58
6. ССЫЛОЧНЫЕ
НОРМАТИВНО-ТЕХНИЧЕСКИЕ ДОКУМЕНТЫ
|
Обозначение
НТД, на который дана ссылка
|
Номер
пункта
|
|
ГОСТ 390-83
|
3.1
|
|
ГОСТ 4157-79
|
3.1
|
|
ГОСТ 5040-78
|
3.1
|
|
ГОСТ 8179-85
|
4.2
|
|
ГОСТ 24704-94
|
3.1
|
7.
Постановлением Госстандарта от 15.04.92 № 395 снято ограничение срока действия
8.
ПЕРЕИЗДАНИЕ (октябрь 1996 г.) с Изменениями № 1, 2, 3, 4, утвержденными в
ноябре 1977 г., в августе 1984 г., в мае 1989 г., в апреле 1992 г. (ИУС 11-77,
11-84, 8-89, 7-92)
| |
|