//
ТехЛит.ру
- крупнейшая бесплатная электронная интернет библиотека для "технически умных" людей.
WWW.TEHLIT.RU - ТЕХНИЧЕСКАЯ ЛИТЕРАТУРА

:: Алготрейдинг::


АЛГОТРЕЙДИНГ
шаг за шагом
с нуля по урокам!

Торговые роботы на PYTHON, BackTrader,
Pandas, Pine Script для TradingView. Связка с брокерами, телеграм и легкими приложениями.


МЕЖГОСУДАРСТВЕННЫЙ СТАНДАРТ

ОСНОВНЫЕ СОЕДИНЕНИЯ ДЕТАЛЕЙ ИЗ ДРЕВЕСИНЫ
И ДРЕВЕСНЫХ МАТЕРИАЛОВ

Типы и размеры

ГОСТ 9330-76

2000

МЕЖГОСУДАРСТВЕННЫЙ СТАНДАРТ

ОСНОВНЫЕ СОЕДИНЕНИЯ ДЕТАЛЕЙ ИЗ ДРЕВЕСИНЫ
И ДРЕВЕСНЫХ МАТЕРИАЛОВ

Типы и размеры

Principal joints of details of wood and wood materials.
Types and dimensions

ГОСТ
9330-76*

Взамен
ГОСТ 9330-67

Постановлением Государственного комитета стандартов Совета Министров СССР от 11 мая 1976 г. № 1161 срок введения установлен

с 01.07.77

Ограничение срока действия снято по протоколу № 7-95 Межгосударственного Совета по стандартизации, метрологии и сертификации (ИУС 11-95)

Настоящий стандарт распространяется на основные шиповые соединения деталей из древесины и устанавливает их типы и размеры.

1. ТИПЫ И РАЗМЕРЫ

1.1. Типы основных соединений деталей из древесины имеют следующие условные обозначения:

УК - угловое концевое;

УС - угловое серединное;

УЯ - угловое ящичное;

К - по кромке;

Ду - по длине на «ус»

и указаны в табл. 1-4.

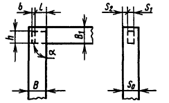
1.2. Типы и размеры угловых концевых соединений (УК) должны соответствовать указанным в табл. 1.

Таблица 1

Типы соединений

Условные обозначения

Схемы и размеры соединений

На шип открытый сквозной

одинарный

УК-1

S1=0,4S0; S2=0,5(S0-S1)

двойной

УК-2

S1=S2=S3=0,20S0; S2=0,5[S0-(2S1+S3)]

тройной

УК-3

S1=S3=0,14S0 и S2=0,15S0

На шип с полупотемком

несквозной

УК-4

S1=0,4S0; l=(0,5-0,8)B; h=0,7B1; S2=0,5(S0-S1); b - не менее 2 мм; l1=(0,3-0,6)l

сквозной

УК-5

S1=0,4S0; l=0,5B; h=0,6B1; S2=0,5(S0-S1)

На шип с потемком

несквозной

УК-6

S1=0,4S0; l=(0,5-0,8)B; h=0,7B1; S2=0,5(S0-S1); b - не менее 2 мм

сквозной

УК-7

S1=0,4S0; h=0,6B1; S2=0,5(S0-S1)

На шипы круглые вставные (шканты)

несквозные и сквозные

УК-8

d=0,4S0; l - длина шканта (2,5-6)d; l1 более l на 2-3 мм

На ус со вставными круглыми шипами (шкантами)

несквозные

УК-9

d=0,4S0; l - длина шканта (2,5-6)d; l1 более l на 2-3 мм

Допускается применять сквозные шканты

На ус со вставным плоским шипом

несквозной

УК-10

S1=0,4S0. Для деталей толщиной до 10 мм

S1=2-3 мм; l=(1-1,2)В; b=0,75B. Допускается соединение деталей на ус двойным вставным шипом, при этом S1=0,2S0.

сквозной

У К-11

S1=0,4S0. Для деталей толщиной до 10 мм

S1=2-3 мм; l=(1-1,2)В; b=0,75B. Допускается соединение на "ус" двойным вставным шипом, при этом S1=0,2S0.

Зубчатое

УК-12

Длина зубчатого шипа L

Шаг шипа l

Затупление b

50

12,00

2,0

32

8,00

1,0

20

6,00

1,0

10

3,50

0,5

5

1,75

0,2

1.2.1. Расчетные толщины шипов и диаметров шкантов соединений типов УК округляют до ближайшего размера: 4; 6; 8; 10; 12; 14; 16; 20 и 25 мм.

1.2.2. В соединениях типов УК-1 - УК-7 значение величины S2 установлено для симметричного расположения шипов. При несимметричном расположении шипов величину S2 устанавливают в зависимости от назначения и конструкции изделия.

При различных толщинах соединяемых деталей S1 назначают в зависимости от толщины с шипом.

В соединениях типов УК-1 - УК-3 и УК-7 допускается дополнительное крепление соединения нагелем на клею, а угол a принимают в зависимости от конструкции изделия.

1.3. Типы и размеры угловых серединных соединений (УС) должны соответствовать указанным в табл. 2.

Таблица 2

Типы соединений

Условные обозначения

Схемы и размеры соединений

На шип одинарный

несквозной

УС-1

несквозной в паз

УС-2

сквозной

УС-3

S1=0,4S0; S2=0,5(S0-S1); b - не менее 2 мм.

l1=(0,3-0,8)B; l2=(0,2-0,3)B1. В соединениях типов УС-1, УС-2 допускается двойной шип, при этом S1=0,2S0, R соответствует радиусу фрезы

На шип двойной

сквозной

УС-4

S1=S2=S3=0,20S0; S2=0,5[S0-(2S1+S3)]

В паз и гребень

несквозной

УС-5

S1=(0,4-0,5)S0; l=(0,3-0,8)S; S2=0,5(S0-S1); b - не менее 2 мм

В паз

несквозной

УС-6

l=(0,3-0,5)S0; b - не менее 1 мм

На шипы круглые вставные (шканты)

несквозные

УС-7

d=0,4S0; l - длина шканта (2,5-6)d; l1 более l на 2-3 мм.

Допускается применять сквозные шканты

На шип «ласточкин хвост»

несквозной

УС-8

l=(0,3-0,5)B1; S1=0,85S0; полученный размер округляют до ближайшего диаметра фрезы 13; 14; 15; 16; 17 мм, а не менее S0

Примечания к табл. 1 и 2:

1. Угловые соединения (концевые и серединные) допускается выполнять с фасками и фальцами, размеры которых соответствуют стандартизованному дереворежущему инструменту.

2. Допускается подсечка заплечиков под углом 45°.

3. Дно паза может быть плоским или другой формы в зависимости от формы присоединяемой детали.

(Измененная редакция, Изм. № 2).

1.2, 1.3. (Измененная редакция, Изм. № 1).

1.3.1. Расчетные толщины шипов и диаметры шкантов соединений типов УС округляют до ближайшего размера 4; 6; 8; 10; 12; 14; 16; 20 и 25 мм, а угол a устанавливают в зависимости от конструкции изделия.

1.3.2. В соединениях типов УС-1 - УС-4 значение величины S2 установлено для симметричного расположения шипов. При несимметричном расположении шипов величину S2 устанавливают в зависимости от назначения и конструкции изделия.

(Введен дополнительно, Изм. № 2).

1.4. Типы и размеры угловых ящичных соединений (УЯ) должны соответствовать указанным в табл. 3.

Таблица 3

Типы соединений

Условные обозначения

Схемы и размеры соединений

На шип прямой

открытый

УЯ-1

S1=S3=6; 8; 10; 12; 14; 18 мм; l=S0; S2 не менее 0,3S0

На шип «ласточкин хвост»

УЯ-2

S1=0,85S0; полученный размер округляют до ближайшего диаметра фрезы: 13; 14; 15; 16 и 17 мм; S2 - не менее

0,75S0; S3=(0,85-3)S0; l=S0; a=10°. Допускается соединение на шип "ласточкин хвост" в полупотай

На шип круглый вставной (шкант)

открытый

УЯ-3

d=0,4S0 полученный диаметр шкантов округляют до ближайшего размера 4; 6; 8; 10; 12; 16; 20 и 25 мм; l=(2,5-6)d; l1 более l на 1-2 мм; b=от 0 до dmin

(Измененная редакция, Изм. № 1).

1.5. Типы и размеры соединений по кромке (К) деталей должны соответствовать указанным в табл. 4.

Таблица 4

Типы соединений

Условные обозначения

Схемы и размеры соединений

На рейку

|

К-1

l=20-30 мм; l1 более l на 2-3 мм; S1=0,4S0 (для реек из древесины); S1=0,25S0 (для реек из фанеры). Размер S1 округляют до ближайшего размера пазовой дисковой фрезы; 4; 5; 6; 8; 10; 12; 16 и 20 мм. Допускаются на кромках одно- и двухсторонние фаски

В четверть

|

К-2

h=(S0/2)-0,5 мм. Допускаются на кромках одно- и двухсторонние фаски

мм

S0

А

От 12 до 15 вкл.

6

Св. 15 » 20 »

8

» 20 » 30 »

10

» 30

16

Допускается в соединении деталей платформ грузовых автомобилей и прицепов при S0 свыше 30 мм глубина четверти b=8 мм

В паз и гребень

Прямоугольный

К-3

r=от 1 до 2 мм; l1 более l на 1-2 мм

мм

S0

S1

l

От 10 до 12 вкл.

4

6

Св. 12 » 19 »

6

6

» 19 » 25 »

8

8

» 25 » 29 »

10

10

» 29 » 40 »

12

12

Допускаются на кромках одно- и двухсторонние фаски. Для тары, включая специальную, допускается при S0=22 мм, S1=6 мм, l=6 мм

Допускается формирование соединения без заоваливания радиусом r углов гребня и паза

К-4

S0

S

S1

l

l1

b

b1

28

6

7

6

7

15

14

36

9

10

6

7

17

16

трапецеидальный

К-5

S0

S1

l

l1

r

12-13

5,5

7

8

1,5

15-16

6.5

8

9

2

20-22

8,5

10

11

2

25

9,0

10

11

2

30-35

11,5

12

13

3

40-45

14,5

12

15

3

50-60

16,5

12

15

3

Допускаются одно- и двухсторонние фаски. В соединениях деталей платформ грузовых автомобилей и прицепов при S0 свыше 30 мм допускается l=7 мм

Допускается формирование соединения без заоваливания радиусом r углов гребня и паза

На гладкую фугу

|

К-6

В паз и гребень

Прямоугольный

К-7

S0

S1

l

l1

r

16

6

6

6,5

5

27

6

6

7

10,5

(Измененная редакция, Изм. № 1, 2).

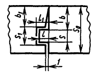
1.6. Соединение деталей по длине на зубчатый шип должно соответствовать требованиям ГОСТ 19414-90.

1.7. Соединение деталей по длине на «ус» (Ду) должно соответствовать требованиям, указанным на чертеже.

В деталях, требующих повышенной прочности, длину усового соединения L устанавливают (10-12) S0.

1.8. Точность изготовления элементов и методы испытания соединений указаны в приложении.

1.9. Величина отклонений от номинальных размеров шиповых соединений деталей из древесины устанавливается в нормативно-технической документации на конкретные изделия и должна соответствовать требованиям ГОСТ 6449.1-82 и ГОСТ 6449.3-82.

(Введен дополнительно, Изм. № 1).

где L=8S0

ПРИЛОЖЕНИЕ

Рекомендуемое

1. Наибольшая прочность клеевых соединений деревянных деталей достигается при точности изготовления элементов соединения (толщина и ширина гнезда), обеспечивающей в период сборки натяг от 0 до 0,3 мм. Нижний предел от 0 до 0,2 мм принимают для шипов из древесины твердых лиственных пород, а верхний предел от 0,1 до 0,3 мм - для шипов из древесины хвойных и мягких лиственных пород.

2. Прочность угловых концевых и ящичных соединений (УК, УЯ) испытывают по схеме, указанной в ГОСТ 23166-78. Предел прочности вычисляют с погрешностью не более 0,001 МПа (0,01 кгс/см2) по формуле

где Р - максимальная нагрузка при разрушении образца Н, (кгс);

В - ширина бруска м, (мм);

S - толщина бруска м, (мм).

3. Прочность клеевого соединения на гладкую фугу при скалывании вдоль волокон испытывают по ГОСТ 15613.1-84.

4. Прочность соединений деталей по длине на «ус» испытывают на растяжение по ГОСТ 15613.5-79, при этом длина образца должна быть не менее 500 мм.

Испытания на статический изгиб проводят по ГОСТ 15613.4-78.

(Измененная редакция, Изм. № 1).

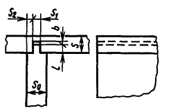
5. Прочность соединений типов УК и УС, используемых в конструкциях с горизонтальным расположением элементов и вертикальным направлением действия нагрузок, испытывают по схеме, указанной на чертеже.




Яндекс цитирования



   Copyright © 2007-2026,  www.tehlit.ru.

[ ѓосты, стандарты, нормативы, инструкции, правила, строительные нормы ]