//
ТехЛит.ру
- крупнейшая бесплатная электронная интернет библиотека для "технически умных" людей.
WWW.TEHLIT.RU - ТЕХНИЧЕСКАЯ ЛИТЕРАТУРА

:: Алготрейдинг::


АЛГОТРЕЙДИНГ
шаг за шагом
с нуля по урокам!

Торговые роботы на PYTHON, BackTrader,
Pandas, Pine Script для TradingView. Связка с брокерами, телеграм и легкими приложениями.


ГОСУДАРСТВЕННЫЙ СТАНДАРТ СОЮЗА ССР

ИЗВЕЩАТЕЛИ РАДИОИЗОТОПНЫЕ
ПОЖАРНЫЕ

ОБЩИЕ ТЕХНИЧЕСКИЕ УСЛОВИЯ

ГОСТ 22522-91

КОМИТЕТ СТАНДАРТИЗАЦИИ И МЕТРОЛОГИИ СССР

Москва

ГОСУДАРСТВЕННЫЙ СТАНДАРТ СОЮЗА ССР

ИЗВЕЩАТЕЛИ РАДИОИЗОТОПНЫЕ
ПОЖАРНЫЕ

Общие технические условия

Ionization fire detectors.

General specifications

ГОСТ
22522-91

Дата введения 01.07.92

Настоящий стандарт распространяется на группу однородной продукции - извещатели радиоизотопные пожарные (далее - радиоизотопные извещатели), применяемые в системах (установках) пожарной сигнализации и предназначенные для обнаружения и регистрации очагов пожара.

Радиоизотопные извещатели не являются средствами измерения.

Стандарт не распространяется на радиоизотопные извещатели с принудительной доставкой среды.

Требования пп. 2.2.10, 2.2.11, 2.2.18, 2.3, 2.5, разд. 4 и приложения 1 настоящего стандарта являются рекомендуемыми, другие требования настоящего стандарта являются обязательными.

1. ОСНОВНЫЕ ПАРАМЕТРЫ

1.1. По виду выходного сигнала радиоизотопные извещатели разделяют на два типа:

с дискретным выходным сигналом;

с аналоговым выходным сигналом.

1.2. Концентрацию продуктов горения (аэрозоля) при испытаниях радиоизотопных извещателей определяют по относительному изменению тока контрольной ионизационной камеры следующим выражением:

,                                                                  (1)

где I0 - ток контрольной ионизационной камеры в чистом воздухе, А;

I - ток контрольной ионизационной камеры при наличии в нем аэрозоля, А.

1.3. Порог срабатывания радиоизотопных извещателей с дискретным выходным сигналом в нормальных условиях выбирают из ряда: 0,25; 0,5; 0,75; 1,0; 1,5; 2,0; 3,0.

1.4. Отношение наибольшего порога срабатывания к наименьшему для радиоизотопных извещателей в нормальных условиях не должно превышать значения, выбираемого из ряда: 1,2; 1,4; 1,6; 2,0.

1.5. Отношение порога срабатывания радиоизотопных извещателей при воздействии каждого из влияющих факторов к порогу срабатывания в нормальных условиях не должно превышать значения, выбираемого из ряда: 1,2; 1,4; 1,6; 2,0; 3,0.

1.6. Отношение порога срабатывания радиоизотопных извещателей при воздействии установленных в ТУ предельных значений напряжения питания к порогу срабатывания при нормальном напряжении питания не должно превышать значения, выбираемого из ряда: 1,2; 1,4; 1,6; 2,0.

1.7. Максимальная концентрация продуктов горения, контролируемая радиоизотопными извещателями с аналоговым выходным сигналом, в нормальных условиях должна быть не менее 1,5.

1.8. Отношение наибольшей концентрации продуктов горения к наименьшей при установленном в ТУ выходном сигнале для радиоизотопных извещателей в нормальных условиях не должно превышать значения, выбираемого из ряда: 1,2; 1,4; 1,6; 2,0.

Значение выходного сигнала должно соответствовать максимальному значению контролируемой концентрации продуктов горения и устанавливается в ТУ на конкретный радиоизотопный извещатель.

1.9. Отношение концентрации продуктов горения при воздействии каждого из влияющих факторов к концентрации продуктов горения в нормальных условиях при установленном в ТУ выходном сигнале не должно превышать значения, выбираемого из ряда: 1,2; 1,4; 1,6; 2,0; 3,0.

1.10. Отношение концентрации продуктов горения при воздействии предельных значений напряжения питания к значению концентрации продуктов горения при нормальном напряжении питания и установленном в ТУ выходном сигнале не должно превышать значения, выбираемого из ряда: 1,2; 1,4; 1,6; 2,0.

1.11. Для радиоизотопных извещателей устанавливается следующая форма условного обозначения:

ИП-211-х1, х2, х3,

где ИП - определяет название ИЗВЕЩАТЕЛЬ ПОЖАРНЫЙ;

2 - признак пожара, на который реагирует радиоизотопный извещатель - дым;

11 - принцип действия пожарного извещателя - радиоизотопный;

х1 - порядковый номер разработки радиоизотопного извещателя;

х2 - модификация радиоизотопного извещателя; обозначается русской прописной буквой в алфавитном порядке; при обозначении основного варианта не указывается; первая модификация обозначается буквой А;

х3 - шифр предприятия-разработчика.

Пример условного обозначения извещателя пожарного радиоизотопного третьей разработки первой модификации:

ИП-211-3Ак

2. ТЕХНИЧЕСКИЕ ТРЕБОВАНИЯ

2.1. Радиоизотопные извещатели должны изготовляться в соответствии с требованиями настоящего стандарта, технических условий и по рабочим чертежам, утвержденным в установленном порядке.

2.2. Характеристики

2.2.1. Выходной электрический сигнал радиоизотопных извещателей должен формироваться бесконтактным способом.

2.2.2. Электрический сигнал срабатывания радиоизотопных извещателей с дискретным выходным сигналом должен обеспечивать одноступенчатый скачок тока в сигнальной линии с активной длительностью фронта или среза, выбираемый из ряда по ГОСТ 26.013.

2.2.3. Сигнал срабатывания радиоизотопных извещателей с дискретным выходным сигналом должен сохраняться после окончания воздействия продуктов горения. Его отключение должно производиться отключением питания извещателя на время не более 2 с или с помощью специального устройства.

2.2.4. Радиоизотопные извещатели с аналоговым выходным сигналом должны обеспечивать однозначность преобразования контролируемой концентрации продуктов горения и аэрозоля в выходной сигнал.

2.2.5. Радиоизотопные извещатели должны иметь встроенную оптическую индикацию срабатывания.

2.2.6. Радиоизотопные извещатели должны иметь внешнее или встроенное устройство для их проверки. Требования к устройству должны устанавливаться в ТУ на конкретный радиоизотопный извещатель.

2.2.7. Номинальное значение напряжения питания радиоизотопных извещателей должно выбираться из ряда 6, 9, 12, 24, 30 В. Предельные отклонения от номинального значения напряжения питания устанавливаются в ТУ на конкретный радиоизотопный извещатель.

2.2.8. Масса и габаритные размеры радиоизотопных извещателей должны устанавливаться в ТУ на конкретный извещатель.

2.2.9. Мощность, потребляемая радиоизотопным извещателем в дежурном режиме, должна быть не более 0,3 Вт.

2.2.10. Радиоизотопные извещатели должны быть устойчивы к воздействию температуры и влажности окружающего воздуха в диапазонах, указанных в табл. 1.

Таблица 1

Диапазон температуры окружающего воздуха, °С

Значения относительной влажности, %

Место размещения при эксплуатации

минимальное значение

максимальное значение

+5

-10

+70

+70

80 % при 25 °С и более низких температурах

Закрытые обогреваемые и (или) охлаждаемые помещения, исключающие непосредственное воздействие солнечных лучей, осадков, ветра, песка и пыли

+5

+5

-10

+70

+110

+70

80 % при 35 °С и более низких температурах

+5

+110

95 % при 30 °С и более низких температурах

-10

-10

+70

+85

95 % при 35 °С и более низких температурах без конденсации влаги

Закрытые помещения с нерегулируемыми климатическими условиями

-30

-40

+70

+85

Примечание. В технически обоснованных случаях допускается устанавливать другие диапазоны температуры окружающего воздуха.

2.2.11. Радиоизотопные извещатели исполнений L1, L2, N1, N2 по ГОСТ 12997 должны быть устойчивыми и прочными к воздействию синусоидальных вибраций высокой частоты.

Примечание. В технически обоснованных случаях допускается устанавливать другие параметры воздействия синусоидальных вибраций.

2.2.12. Радиоизотопные извещатели в транспортной таре должны выдерживать транспортную тряску с ускорением 30 м/с2 при частоте ударов от 10 до 120 в минуту.

2.2.13. Радиоизотопные извещатели должны быть устойчивы к воздействию на них потоков воздуха с максимальной скоростью, выбираемой из ряда: 3; 5; 7; 10; 15 м/с.

2.2.14. Радиоизотопные извещатели должны быть устойчивы к воздействию индустриальных радиопомех, не превышающих норм, предусмотренных ГОСТ 21177, ГОСТ 22505, ГОСТ 23450, ГОСТ 23511.

2.2.15. Конструкция радиоизотопных извещателей должна предусматривать их монтаж в вертикальном и горизонтальном положениях.

2.2.16. В радиоизотопных извещателях должны применяться закрытые источники ионизирующих излучений, удовлетворяющие нормам степеней жесткости при климатических и механических воздействиях по ГОСТ 19745.

2.2.17. Радиоизотопные извещатели одного типа должны быть взаимозаменяемы, при этом допускается их подрегулировка, предусмотренная технической документацией.

2.2.18. Средняя наработка на отказ радиоизотопных извещателей должна быть не менее значения, выбираемого из ряда: (10000); (12000); (16000); 20000; 30000; 40000; 60000; 80000; 100000 ч. Критерии отказа устанавливаются в ТУ на конкретный радиоизотопный извещатель.

Примечание. Значения, указанные в скобках, применяются для изделий с естественно-ограниченным сроком службы комплектующих изделий.

2.2.19. Среднее время восстановления работоспособного состояния радиоизотопных извещателей должно выбираться из ряда: 5; 10; 20; 40; 60 мин; 2; 4 ч.

2.2.20. Гамма-процентный срок сохраняемости радиоизотопных извещателей (при  = 90, 95, 98 %) должен выбираться из ряда: 2; 4; 6 лет.

2.2.21. Средний срок службы радиоизотопных извещателей должен быть не менее 10 лет.

2.2.22. Условия, для которых нормируются показатели безотказности, ремонтопригодности, сохраняемости и долговечности должны быть указаны в ТУ на конкретный радиоизотопный извещатель.

2.3. Комплектность

2.3.1. Перечень и число прилагаемых присоединительных деталей и приспособлений, запасных частей и принадлежностей должны устанавливаться в ТУ на конкретный радиоизотопный извещатель.

2.3.2. К изделиям должна прилагаться эксплуатационная документация, выполненная в соответствии с ГОСТ 2.601.

2.4. Маркировка

2.4.1. Маркировка радиоизотопных извещателей должна содержать:

условное обозначение;

товарный знак или наименование предприятия-изготовителя;

знак радиационной опасности;

тип изотопа, источника ионизирующего излучения и его активности.

Дополнительные надписи оговариваются в ТУ на конкретный пожарный извещатель.

2.4.2. Место и способ нанесения маркировки должны быть указаны в чертежах на конкретный радиоизотопный извещатель.

2.4.3. Содержание и место нанесения транспортной маркировки должны соответствовать ГОСТ 14192 и «Правилам безопасности при транспортировании радиоактивных веществ ПБТРВ-73».

2.4.4. На упаковочные ящики должны быть нанесены манипуляционные знаки и надписи «ОСТОРОЖНО, ХРУПКОЕ!», «БОИТСЯ СЫРОСТИ», «ВЕРХ, НЕ КАНТОВАТЬ» согласно ГОСТ 14192, а также прикреплена этикетка соответствующей транспортной категории радиационных упаковок и знак радиационной опасности по ГОСТ 17925.

2.5. Упаковка

2.5.1. Радиоизотопные извещатели следует упаковывать в закрытых вентилируемых помещениях с температурой от плюс 15 °С до плюс 40 °С и относительной влажности воздуха до 80 % при отсутствии в окружающей среде агрессивных примесей.

2.5.2. Внутреннее упаковывание составных частей радиоизотопных извещателей должно осуществляться по варианту ВУ-ША-1 без конденсаторной бумаги по ГОСТ 23216.

3. ТРЕБОВАНИЯ БЕЗОПАСНОСТИ

3.1. Радиоизотопные извещатели должны соответствовать требованиям электробезопасности по ГОСТ 12.2.007.0.

3.2. Радиоизотопные извещатели по способу защиты человека от поражения электрическим током должны удовлетворять требованиям III класса по ГОСТ 12.2.007.0.

3.3. Конструкция радиоизотопных извещателей должна обеспечивать выполнение требований пожарной безопасности по ГОСТ 12.4.009.

3.4. Радиоизотопные извещатели должны соответствовать требованиям «Норм радиационной безопасности НРБ-76», «Основных санитарных правил работы с радиоактивными веществами и другими источниками ионизирующих излучений ОСП-72», «Санитарных правил устройства и эксплуатации радиоизотопных приборов № 1946», утвержденных Министерством здравоохранения СССР. На поверхность корпуса радиоизотопного извещателя должен быть нанесен знак радиационной опасности согласно ГОСТ 17925.

3.5. Мощность экспозиционной дозы рентгеновского и гамма-излучения на поверхности извещателей должна нормироваться по возможному действительному значению и не должна быть более 0,3 мР/ч.

4. ПРИЕМКА

4.1. Радиоизотопные извещатели серийного и массового производства подвергают приемо-сдаточным, периодическим, типовым, сертификационным испытаниям и испытаниям на надежность.

4.2. Радиоизотопные извещатели, предъявляемые к испытаниям, должны быть отрегулированы и подвергнуты технологическому прогону в соответствии с технической документацией на конкретный радиоизотопный извещатель.

4.3. Радиоизотопные извещатели единичного производства подвергают испытаниям по ГОСТ 15.005. Объем испытаний - по всем пунктам табл. 2.

4.4. Объем и рекомендуемая последовательность контроля и испытаний, которым подвергают радиоизотопные извещатели с дискретным выходным сигналом при приемо-сдаточных, периодических, типовых и сертификационных испытаниях, приведены в табл. 2.

Таблица 2

Контролируемый параметр и характеристика

Номер пункта методов испытаний

Вид испытаний

Приемосдаточные

Периодические

Типовые

Сертификационные

1. Проверка комплектности

5.3.2

+

-

-

 

2. Проверка соответствия чертежам

5.3.2

+

-

-

 

3. Проверка порога срабатывания

5.3.3

-

+

+

+

4. Проверка повторяемости порога срабатывания

5.3.4

-

+

+

 

5. Проверка непрерывной круглосуточной работы

5.3.5

-

+

+

 

6. Проверка зависимости порога срабатывания от положения радиоизотопного извещателя к потоку воздуха

5.3.6

-

+

+

 

7. Проверка пределов напряжения

5.3.7

-

+

+

 

8. Проверка устойчивости радиоизотопного извещателя к потокам воздуха

5.3.8

-

+

+

 

9. Проверка устойчивости радиоизотопного извещателя к воздействию высокой температуры

5.3.9

-

+

+

 

 

10. Проверка устойчивости радиоизотопного извещателя к механическим воздействиям

5.3.10

-

+

+

 

 

11. Проверка устойчивости радиоизотопного извещателя к воздействию влажности

5.3.11

-

+

+

 

 

12. Проверка устойчивости радиоизотопного извещателя к воздействию низкой температуры

5.3.12

-

+

+

 

 

13. Проверка радиационной защиты

5.3.13

-

+

+

+

 

14. Проверка устойчивости радиоизотопного извещателя к воздействию индустриальных радиопомех

5.3.14

-

+

+

 

 

15. Проверка на прочность при транспортировании

5.3.15

-

+

+

 

 

16. Проверка потребляемой мощности в дежурном режиме

5.3.16

+

-

-

 

 

17. Проверка выходного сигнала в режиме «ПОЖАР»

5.3.17

+

-

-

 

 

18. Проверка оптической сигнализации

5.3.17

+

-

-

 

 

4.5. Объем и рекомендуемая последовательность контроля и испытаний, которым подвергают радиоизотопные извещатели с аналоговым выходным сигналом при приемо-сдаточных, периодических и типовых испытаниях, приведены в табл. 3.

Таблица 3

Контролируемый параметр и характеристика

Номер пункта методов испытаний

Вид испытаний

Приемосдаточные

Периодические

Типовые

Сертификационные

1. Проверка комплектности

5.3.2

+

-

-

 

2. Проверка соответствия чертежам

5.3.2

+

-

-

 

3. Проверка соответствия выходного сигнала контролируемой концентрации продуктов горения (аэрозоля)

5.3.3

-

+

+

 

4. Проверка повторяемости соответствия выходного сигнала контролируемой концентрации продуктов горения (аэрозоля)

5.3.4

-

+

+

 

5. Проверка непрерывной круглосуточной работы

5.3.5

-

+

+

 

6. Проверка зависимости соответствия выходного сигнала контролируемой концентрации продуктов горения (аэрозоля) от направления потоков воздуха

5.3.6

-

+

+

 

7. Проверка пределов напряжения

5.3.7

-

+

+

 

8. Проверка устойчивости радиоизотопного извещателя к потокам воздуха

5.3.8

-

+

+

 

9. Проверка устойчивости радиоизотопного извещателя к воздействию высокой температуры

5.3.9

-

+

+

 

10. Проверка устойчивости радиоизотопного извещателя к механическим воздействиям

5.3.10

-

+

+

 

11. Проверка устойчивости радиоизотопного извещателя к воздействию влажности

5.3.11

-

+

+

 

12. Проверка устойчивости радиоизотопного извещателя к воздействию низкой температуры

5.3.12

-

+

+

 

13. Проверка радиационной защиты

5.3.13

-

+

+

+

14. Проверка устойчивости радиоизотопного извещателя к воздействию индустриальных радиопомех

5.3.14

-

+

+

 

15. Проверка на прочность при транспортировании

5.3.15

-

+

+

 

16. Проверка потребляемой мощности в дежурном режиме

5.3.16

+

-

-

 

17. Проверка выходного сигнала в режиме «ПОЖАР»

5.3.17

+

-

-

 

18. Проверка оптической сигнализации

5.3.17

+

-

-

 

4.6. Приемо-сдаточные испытания должны проводиться методом сплошного контроля.

4.7. Если в процессе приемо-сдаточных испытаний будет обнаружено несоответствие радиоизотопного извещателя хотя бы одному требованию, этот радиоизотопный извещатель считается невыдержавшим испытания и приемке не подлежит. Радиоизотопный извещатель должен быть возвращен для устранения дефекта. После устранения дефекта этот извещатель должен пройти повторные испытания.

Результаты повторных испытаний являются окончательными.

4.8. Периодические испытания следует проводить не реже одного раза в год.

Испытаниям должны подвергаться не менее 10 радиоизотопных извещателей, произвольно выбранных из предъявляемой партии и прошедших приемо-сдаточные испытания.

4.9. Если при периодических испытаниях будет обнаружено несоответствие радиоизотопного извещателя требованиям стандарта и ТУ на конкретный радиоизотопный извещатель, должны быть проведены испытания в полном объеме на удвоенном количестве извещателей.

4.10. Типовые испытания проводят по программе, в которую входят обязательная проверка параметров радиоизотопных извещателей, на которые могли повлиять изменения, внесенные в их конструкцию или технологию изготовления.

4.11. Контрольные испытания на надежность проводят один раз в два года, начиная с установочной серии, а также в случае модернизации, влияющей на показатели надежности, на партии не менее чем из 10 радиоизотопных извещателей.

Исходные данные для планирования контрольных испытаний на надежность устанавливают в ТУ на конкретный радиоизотопный извещатель в соответствии с ГОСТ 27.410.

4.12. Радиоизотопные извещатели, предъявляемые на контрольные испытания на надежность, должны пройти приемо-сдаточные испытания.

4.13. Контрольные испытания на надежность и оценку их результатов проводят по программе и методике испытаний, разработанным изготовителем радиоизотопных извещателей в соответствии с ГОСТ 27.410 и согласно технической документации на радиоизотопный извещатель.

4.14. Радиоизотопные извещатели, выдержавшие контрольные испытания на надежность, подлежат поставке потребителям с указанием в паспорте наработанных часов.

4.15. Результаты испытаний должны оформляться актом испытаний.

5. МЕТОДЫ ИСПЫТАНИЙ

5.1. Условия испытаний

5.1.1. Проверку радиоизотопного извещателя в нормальных условиях проводят при:

температуре окружающего воздуха (23 ± 5) °С;

относительной влажности от 30 до 80 %;

атмосферном давлении от 98 до 104 кПа;

отклонении напряжения питания от номинального значения не более ±2 %;

отсутствии внешних электрических и магнитных полей или полях, находящихся в пределах, не влияющих на работу радиоизотопного извещателя.

5.1.2. Скорость нарастания аэрозоля в испытательной камере должна удовлетворять условию

мин-1,                                                          (2)

где  - приращение значений Y, определяемых по формуле (1) за время .

5.1.3. Отклонение скорости нарастания концентрации аэрозоля не должно быть более ± 15 % для всех измерений, выполняемых в испытательной камере.

5.1.4. Общие положения при проведении испытаний на воздействие механических и климатических факторов - по ГОСТ 12997.

5.2. Аппаратура, оборудование и вспомогательные средства

5.2.1. Контрольно-измерительная аппаратура, оборудование и вспомогательные средства, применяемые при испытаниях радиоизотопных извещателей, должны соответствовать стандартам или технической документации на них и быть проверены или аттестованы в установленном порядке.

5.2.2. Для испытания радиоизотопных извещателей должна применяться испытательная камера, параметры которой приведены в приложении 1.

5.2.3. Для определения порога срабатывания или соответствия выходного сигнала контролируемой концентрации продуктов горения (аэрозоля) радиоизотопного извещателя должна применяться контрольная ионизационная камера, размеры и характеристики которой приведены в приложении 2.

5.2.4. Требования к аэрозолю, применяемому при испытаниях, должны устанавливаться в ТУ на конкретный радиоизотопный извещатель.

5.2.5. Испытания радиоизотопных извещателей с аналоговым выходным сигналом должны проводиться не менее чем при трех различных значениях выходного сигнала. Значения выходного сигнала устанавливаются в ТУ на конкретный радиоизотопный извещатель.

5.3. Проведение испытаний

5.3.1. Перед проведением испытаний радиоизотопный извещатель должен быть проверен на соответствие чертежам и технической документации, он не должен иметь видимых механических повреждений.

5.3.2. Проверку комплектности, маркировки и соответствия чертежам следует проводить сличением комплекта поставки с требованиями ТУ и сличением радиоизотопных извещателей, узлов и сборочных единиц с чертежами предприятия-изготовителя.

Радиоизотопный извещатель считается выдержавшим проверку, если комплект поставки соответствует требованиям ТУ, а радиоизотопные извещатели, узлы и сборочные единицы соответствуют чертежам предприятия-изготовителя.

5.3.3. Проверку порога срабатывания радиоизотопного извещателя с дискретным выходным сигналом или соответствия выходного сигнала контролируемой концентрации продуктов горения (аэрозоля) радиоизотопного извещателя с аналоговым выходным сигналом следует проводить в такой последовательности:

5.3.3.1. Проверяемый радиоизотопный извещатель установить в испытательную камеру в рабочем положении, подключить к контрольно-измерительной аппаратуре.

В камере установить нормальные условия, подать номинальное напряжение питания и установить скорость перемещения воздуха не более 0,5 м/с. Скорость перемещения воздуха - по ТУ на конкретный радиоизотопный извещатель.

5.3.3.2. Радиоизотопный извещатель выдержать во включенном состоянии в течение 15 мин.

5.3.3.3. Зафиксировать значение ионизационного тока через контрольную ионизационную камеру и создать в испытательной камере нарастающую концентрацию аэрозоля (дыма).

5.3.3.4. В момент срабатывания радиоизотопного извещателя с дискретным выходным сигналом или соответствия выходного сигнала установленному в ТУ сигналу радиоизотопного извещателя с аналоговым выходным сигналом фиксировать значение тока через контрольную ионизационную камеру и определить значение порога срабатывания или значение контролируемой концентрации продуктов горения (аэрозоля) по формуле (1).

5.3.3.5. Провентилировать испытательную камеру. Радиоизотопный извещатель считается выдержавшим испытания, если порог срабатывания не превышает значения, установленного в ТУ, или контролируемая концентрация продуктов горения соответствует значению, указанному в ТУ.

5.3.4. Проверку повторяемости порога срабатывания радиоизотопного извещателя или соответствия выходного сигнала контролируемой концентрации продуктов горения (аэрозоля) радиоизотопного извещателя следует проводить в такой последовательности:

5.3.4.1. Подключить радиоизотопный извещатель в порядке, изложенном в пп. 5.3.3.1 - 5.3.3.2.

5.3.4.2. По методике, изложенной в пп. 5.3.3.3 - 5.3.3.5, определить шесть раз порог срабатывания радиоизотопного извещателя или соответствие выходного сигнала установленной в ТУ контролируемой концентрации продуктов горения (аэрозоля).

5.3.4.3. Найти наибольший и наименьший пороги срабатывания радиоизотопного извещателя или контролируемую концентрацию продуктов горения (аэрозоля) и определить их отношение.

5.3.4.4. Определить среднее арифметическое значение порога срабатывания радиоизотопного извещателя или значение контролируемой концентрации продуктов горения (аэрозоля) по формуле

,                                                              (3)

где Yi - порог срабатывания, определенный при i-м измерении.

Радиоизотопный извещатель считается выдержавшим испытания, если отношение наибольшего значения порога срабатывания или контролируемой концентрации продуктов горения (аэрозоля) к наименьшему не превышает установленного в ТУ значения.

5.3.5. Проверку непрерывной работы радиоизотопного извещателя следует проводить в такой последовательности:

5.3.5.1. Подключить радиоизотопный извещатель в порядке, изложенном в пп. 5.3.3.1 - 5.3.3.2.

5.3.5.2. По методике, изложенной в пп. 5.3.3.3 - 5.3.3.5, определить порог срабатывания радиоизотопного извещателя или соответствие выходного сигнала установленному в ТУ значению контролируемой концентрации продуктов горения (аэрозоля).

5.3.5.3. Радиоизотопный извещатель оставить включенным на время не менее 120 ч. Время непрерывной работы установлено в ТУ на конкретный радиоизотопный извещатель.

5.3.5.4. По методике, изложенной в пп. 5.3.3.3 - 5.3.3.5, определить порог срабатывания радиоизотопного извещателя или соответствие выходного сигнала установленной в ТУ контролируемой концентрации продуктов горения (аэрозоля).

5.3.5.5. Определить отношение наибольшего и наименьшего порогов срабатывания или контролируемую концентрацию продуктов горения (аэрозоля).

Радиоизотопный извещатель считается выдержавшим испытания, если отношение наибольшего порога срабатывания или значения контролируемой концентрации продуктов горения (аэрозоля) к наименьшему не превышает установленного в ТУ значения.

5.3.6. Проверку зависимости порога срабатывания или соответствие выходного сигнала установленному в ТУ значению радиоизотопного извещателя от положения к потокам воздуха следует проводить в такой последовательности:

5.3.6.1. Подключить радиоизотопный извещатель в порядке, изложенном в пп. 5.3.3.1 - 5.3.3.2.

5.3.6.2. По методике, изложенной в пп. 5.3.3.3 - 5.3.3.5, определить восемь раз порог срабатывания радиоизотопного извещателя или соответствие выходного сигнала установленной в ТУ контролируемой концентрации продуктов горения (аэрозоля). Перед каждым определением порога срабатывания или соответствия выходного сигнала контролируемой концентрации продуктов горения (аэрозоля) установленному в ТУ значению радиоизотопный извещатель повернуть на 45° ± 3° вокруг вертикальной оси.

5.3.6.3. Определить отношение наибольшего значения порога срабатывания или значения контролируемой концентрации продуктов горения (аэрозоля) к наименьшему.

5.3.6.4. Повернуть радиоизотопный извещатель вокруг горизонтальной оси на 90° ± 5° так, чтобы чувствительный элемент был направлен в сторону набегающего потока воздуха.

5.3.6.5. По методике, изложенной в пп. 5.3.3.3 - 5.3.3.5, определить порог срабатывания радиоизотопного извещателя или соответствие выходного сигнала установленной в ТУ контролируемой концентрации продуктов горения (аэрозоля).

5.3.6.6. Повернуть радиоизотопный извещатель на 45° ± 3° и 90° ± 3° от установленного значения вокруг вертикальной оси по часовой стрелке и против часовой стрелки и определить порог срабатывания или соответствие выходного сигнала установленному в ТУ значению по методике, изложенной в пп. 5.3.3.3 - 5.3.3.5.

5.3.6.7. Определить отношение наибольшего значения порога срабатывания или значения контролируемой концентрации продуктом горения (аэрозоля) к наименьшему.

Радиоизотопный извещатель считается выдержавшим испытания, если отношение наибольшего значения порога срабатывания или контролируемой концентрации продуктов горения (аэрозоля) к наименьшему не превышает установленного в ТУ значения.

5.3.7. Проверку пределов напряжения питания следует проводить в такой последовательности:

5.3.7.1. Подключить радиоизотопный извещатель в порядке, изложенном в пп. 5.3.3.1 - 5.3.3.2.

5.3.7.2. Изменять напряжение питания радиоизотопного извещателя до верхнего (нижнего) предела напряжения питания и выдержать в течение 5 мин.

5.3.7.3. По методике, изложенной в пп. 5.3.3.3 - 5.3.3.5, определить порог срабатывания радиоизотопного извещателя или соответствие выходного сигнала установленной в ТУ контролируемой концентрации продуктов горения (аэрозоля).

5.3.7.4. Из трех значений порога срабатывания или контролируемой концентрации продуктов горения (аэрозоля) - среднего значения порога срабатывания или контролируемой концентрации продуктов горения (аэрозоля), по пп. 5.3.5.4 для данного радиоизотопного извещателя и определенные по пп. 5.3.7.3 выбрать наибольшее и наименьшее и определить их отношение.

Радиоизотопный извещатель считается выдержавшим испытания, если отношение наибольшего значения порога срабатывания или контролируемой концентрации продуктов горения (аэрозоля) к наименьшему не превышает установленного в ТУ.

5.3.8. Проверку устойчивости к воздействию потоков воздуха следует проводить в такой последовательности:

5.3.8.1. Подключить радиоизотопный извещатель в порядке, изложенном в пп. 5.3.3.1 - 5.3.3.2.

5.3.8.2. В испытательной камере установить скорость перемещения воздуха (1 ± 0,2) м/с.

5.3.8.3. Порог срабатывания радиоизотопного извещателя или соответствие выходного сигнала установленному в ТУ значению определить 8 раз по методике, изложенной в пп. 5.3.3.3 - 5.3.3.5. Перед каждым определением порога срабатывания или соответствия выходного сигнала установленному в ТУ значению радиоизотопный извещатель повернуть на (45 ± 3)° вокруг вертикальной оси.

5.3.8.4. Определить наибольшее и наименьшее значения порога срабатывания или контролируемой концентрации продуктов горения (аэрозоля).

5.3.8.5. Извещатель поместить в поток воздуха с предельно допустимой скоростью, установленной в ТУ, разместить соосно потоку, чувствительный элемент направить в сторону потока и выдержать в течение 2 мин.

5.3.8.6. Извещатель развернуть перпендикулярно к потоку и выдержать в течение 2 мин.

Радиоизотопный извещатель считается выдержавшим испытания, если выполняется соотношение

,                                                   (4)

где Y(0,5)min, Y(0,5)max - наименьшее и наибольшее значения порога срабатывания или контролируемой концентрации продуктов горения (аэрозоля), определенные по п. 5.3.6;

Y(1,0)min, Y(1,0)max - наименьшее и наибольшее значения порога срабатывания или контролируемой концентрации продуктов горения (аэрозоля), определенные по п. 5.3.8.4;

А - допустимое отношение по п. 1.7 и отсутствуют ложные срабатывания извещателя.

5.3.9. Проверку устойчивости к воздействию высокой температуры следует проводить в такой последовательности:

5.3.9.1. Подключить радиоизотопный извещатель в порядке, изложенном в пп. 5.3.3.1 - 5.3.3.2.

5.3.9.2. Повысить температуру в испытательной камере до (50 ± 3) °С со скоростью не более 1 °С/мин и выдержать радиоизотопный извещатель в течение 1 ч.

5.3.9.3. По методике, изложенной в пп. 5.3.3.3 - 5.3.3.5, определить порог срабатывания радиоизотопного извещателя или соответствие выходного сигнала установленной в ТУ контролируемой концентрации продуктов горения (аэрозоля).

5.3.9.4. Радиоизотопный извещатель выдержать в нормальных условиях в течение 1 ч, поместить в климатическую камеру и подать номинальное напряжение питания.

5.3.9.5. Повысить температуру в испытательной камере до предельного верхнего значения со скоростью не более 1 °С/мин.

5.3.9.6. Выдержать радиоизотопный извещатель в этих условиях в течение 2 ч.

Радиоизотопный извещатель считается выдержавшим испытания, если отношение среднего арифметического значения порога срабатывания или контролируемой концентрации продуктов горения (аэрозоля) по п. 5.3.5 к измеренному значению не превышает установленного значения и при всех испытаниях отсутствовали ложные срабатывания.

Примечание. При определении отношения наибольшее значение порога срабатывания помещается в числителе.

5.3.10. Проверку устойчивости радиоизотопного извещателя к механическим воздействиям следует проводить в такой последовательности:

5.3.10.1. Радиоизотопный извещатель закрепить на вибростенде в рабочем положении и подключить к контрольно-измерительной аппаратуре.

5.3.10.2. Установить требуемые значения механических воздействий и выдержать не менее 2 ч.

5.3.10.3. Установить радиоизотопный извещатель в горизонтальном положении и повторить действия по п. 5.3.10.2.

5.3.10.4. По методике, изложенной в пп. 5.3.3.3 - 5.3.3.5, определить порог срабатывания радиоизотопного извещателя или соответствие выходного сигнала установленной в ТУ контролируемой концентрации продуктов горения (аэрозоля).

Радиоизотопный извещатель считается выдержавшим испытания, если отсутствуют механические повреждения, в процессе испытаний отсутствовали ложные срабатывания и отношение среднего арифметического значения порога срабатывания или контролируемой концентрации продуктов горения (аэрозоля) по п. 5.3.5 к измененному значению не превышает установленного в ТУ.

Примечание. При определении отношения наибольшее значение порога срабатывания помещается в числитель.

5.3.11. Проверку устойчивости радиоизотопного извещателя к воздействию влажности следует проводить в такой последовательности:

5.3.11.1. Радиоизотопный извещатель поместить в камеру влажности и выдержать в нормальных условиях в течение 1 ч.

5.3.11.2. Радиоизотопный извещатель подключить к контрольно-измерительной аппаратуре, подать номинальное напряжение питания и выдержать во включенном состоянии в течение 15 мин.

5.3.11.3. Выключить напряжение питания, установить в камере влажности верхнее значение температуры, приведенное в ТУ на конкретный радиоизотопный извещатель при воздействии влажности, и выдержать радиоизотопный извещатель в течение 2 ч.

Относительную влажность в камере повышать до предельного значения, установленного в ТУ на конкретный радиоизотопный извещатель.

5.3.11.4. Через 4 ч после установления режима на радиоизотопный извещатель подать номинальное напряжение питания и выдержать его в этих условиях не менее 44 ч. Не допускается выпадение росы на радиоизотопный извещатель в течение всего времени испытаний.

5.3.11.5. Радиоизотопный извещатель извлечь из камеры влажности, поместить в испытательную камеру и подключить к контрольной измерительной аппаратуре.

5.3.11.6. По методике, изложенной в пп. 5.3.3.3 - 5.3.3.5, в течение 10 мин определить порог срабатывания или соответствие выходного сигнала установленному в ТУ значению контролируемой концентрации продуктов горения (аэрозоля).

Радиоизотопный извещатель считается выдержавшим испытания, если в процессе испытаний отсутствовали ложные срабатывания и отношение среднего арифметического значения порога срабатывания или значения контролируемой концентрации продуктов горения (аэрозоля) по п. 5.3.5 к измеренному значению не превышает установленного в ТУ.

Примечание. При определении отношения наибольшее значение порога срабатывания помещать в числителе.

5.3.12. Проверку устойчивости радиоизотопного извещателя к воздействию низкой температуры проводить в такой последовательности.

5.3.12.1. Радиоизотопный извещатель поместить в камеру холода, подключить к контрольно-измерительной аппаратуре, подать номинальное напряжение питания и выдержать в нормальных условиях в течение 30 мин.

5.3.12.2. Снизить температуру в камере до нижнего предела, указанного в ТУ, со скоростью не более 1 °С/мин.

5.3.12.3. После установления требуемой температуры радиоизотопный извещатель выдержать в течение 1 ч и подать номинальное напряжение питания.

5.3.12.4. Во включенном состоянии радиоизотопный извещатель выдержать в камере в течение 1 ч.

5.3.12.5. В течение 1 ч повышать температуру до нормальных условий и выдержать в нормальных условиях не более 1 ч.

5.3.12.6. Подключить радиоизотопный извещатель в порядке, изложенном в пп. 5.3.3.1 - 5.3.3.2.

5.3.12.7. По методике, изложенной в пп. 5.3.3.3 - 5.3.3.5, определить порог срабатывания радиоизотопного извещателя или соответствие выходного сигнала установленной в ТУ контролируемой концентрации продуктов горения (аэрозоля).

Радиоизотопный извещатель считается выдержавшим испытания, если в процессе испытаний отсутствовали ложные срабатывания и отношение среднего арифметического значения порога срабатывания или значения контролируемой концентрации продуктов горения (аэрозоля) по п. 5.3.5 к измеренному значению не превышает установленного в ТУ значения.

Примечание. При определении порога срабатывания его наибольшее значение следует помещать в числителе.

5.3.13. Проверку мощности эквивалентной дозы ионизирующего излучения на поверхности радиоизотопного извещателя проводить с использованием радиометрических приборов по методике, указанной в ТУ на конкретный радиоизотопный извещатель.

Радиоизотопный извещатель считается выдержавшим испытания, если мощность эквивалентной дозы ионизирующего излучения на наружной поверхности не превышает пределов, указанных в ТУ на конкретный радиоизотопный извещатель.

5.3.14. Проверку устойчивости к индустриальным помехам следует проводить в такой последовательности:

5.3.14.1. Подключить радиоизотопный извещатель в порядке, изложенном в пп. 5.3.3.1 - 5.3.3.2.

5.3.14.2. По схеме, приведенной на черт. 4, подключить генератор помех и установить напряжение помех, указанное в ТУ на конкретный радиоизотопный извещатель.

5.3.14.3. Изменять частоту генераторов помех в диапазоне, указанном в ТУ на конкретный радиоизотопный извещатель, в течение 5 мин.

5.3.14.4. По методике, изложенной в пп. 5.3.3.3 - 5.3.3.5, определить шесть раз порог срабатывания радиоизотопного извещателя или соответствие выходного сигнала установленной в ТУ контролируемой концентрации продуктов горения (аэрозоля), причем перед каждым измерением генератор перестраивать на новую частоту. Диапазон должен быть разбит на шесть опорных частот.

Радиоизотопный извещатель считается выдержавшим испытания, если в процессе испытаний отсутствовали ложные срабатывания и отношение наибольшего значения порога срабатывания или значения контролируемой концентрации продуктов горения (аэрозоля) к наименьшему не превышает установленного в ТУ.

5.3.15. Проверку устойчивости радиоизотопного извещателя при транспортировании следует проводить с применением вибростенда и климатической камеры по методике, изложенной в ГОСТ 12997. После каждого испытания определять порог срабатывания радиоизотопного извещателя или соответствие выходного сигнала установленной в ТУ контролируемой концентрации продуктов горения (аэрозоля) по методике, изложенной в пп. 5.3.3.1 - 5.3.3.5.

Радиоизотопный извещатель считается выдержавшим испытания, если он не имеет механических повреждений и отношение среднего арифметического значения порога срабатывания или значения контролируемой концентрации продуктов горения (аэрозоля) по п. 5.3.5 к измеренному значению не превышает установленного в ТУ.

Примечание. При определении порога срабатывания его наибольшее значение необходимо помещать в числителе.

5.3.16. Проверку потребляемой мощности в дежурном режиме проводить в такой последовательности:

5.3.16.1. Радиоизотопный извещатель подключить к контрольно-измерительной аппаратуре, подать максимальное напряжение питания и измерить ток потребления радиоизотопного извещателя.

Примечание. При импульсном питании определяется средний ток за время не менее 10 периодов.

5.3.16.2. Определить потребляемую мощность Р в ваттах по формуле

 или ,                                          (5)

где Uпит - напряжение питания, В; I (Iср) - средний ток, А.

Радиоизотопный извещатель считается выдержавшим испытания, если потребляемая мощность не превышает значения, указанного в ТУ на конкретный радиоизотопный извещатель.

5.3.17. Проверку выходного сигнала и оптической сигнализации радиоизотопного извещателя в режиме ПОЖАР следует проводить в такой последовательности:

5.3.17.1. Радиоизотопный извещатель подключить к контрольно-измерительной аппаратуре, подать номинальное напряжение питания.

5.3.17.2. Привести в действие внешнее или встроенное устройство для проверки и через установленное в ТУ время контролировать выходной сигнал.

5.3.17.3. Визуально контролировать работу оптической сигнализации.

Радиоизотопный извещатель считается выдержавшим испытания, если выходной сигнал и оптическая сигнализация соответствуют требованиям, установленным в ТУ на конкретный радиоизотопный извещатель.

6. ТРАНСПОРТИРОВАНИЕ, ХРАНЕНИЕ

6.1. Транспортирование

6.1.1. Упаковка радиоизотопного извещателя должна соответствовать I транспортной категории радиоизотопных упаковок согласно «Правилам безопасности транспортирования радиоактивных веществ ПБТРВ-73».

6.1.2. Транспортирование радиоизотопного извещателя в упаковке предприятия-изготовителя должно осуществляться всеми видами сухопутного транспорта на любое расстояние при соблюдении следующих условий:

перевозка должна осуществляться в крытых вагонах и автомашинах;

при перевозке воздушным транспортом ящики с радиоизотопными извещателями должны быть размещены в багажных отсеках любых самолетов;

климатические условия и механические воздействия при транспортировании должны быть установлены в ТУ на конкретный радиоизотопный извещатель.

6.1.3. Размещение и крепление в транспортных средствах упакованных радиоизотопных извещателей должны обеспечивать их устойчивое положение, исключать возможность ударов друг о друга, а также о стенки транспортных средств.

6.1.4. Указания предупредительной маркировки следует выполнять на всех этапах следования радиоизотопных извещателей по пути от грузоотправителя до грузополучателя.

6.2. Хранение

6.2.1. Радиоизотопные извещатели в упаковке должны храниться в запираемом, отапливаемом помещении в условиях, указанных в ТУ на конкретный радиоизотопный извещатель.

6.2.2. Радиоизотопные извещатели можно хранить на общих складах, за исключением хранения вместе с другими опасными грузами (взрывчатыми, легковоспламеняющимися или самовоспламеняющимися).

7. ГАРАНТИИ ИЗГОТОВИТЕЛЯ

7.1. Изготовитель гарантирует соответствие радиоизотопного извещателя требованиям настоящего стандарта и (или) ТУ на конкретный радиоизотопный извещатель при соблюдении условий эксплуатации, транспортирования и хранения.

7.2. Гарантийный срок эксплуатации радиоизотопного извещателя - не менее 18 мес с момента ввода в эксплуатацию или 24 мес с момента изготовления.

ПРИЛОЖЕНИЕ 1

Рекомендуемое

ИСПЫТАТЕЛЬНАЯ КАМЕРА, ОСНОВНЫЕ ПАРАМЕТРЫ И РАЗМЕРЫ

1. Испытательная камера состоит из аэродинамической трубы замкнутого типа, снабженной специальным устройством ввода; применяется при испытаниях продуктов горения (аэрозоля).

2. Форма испытательной камеры, а также размещение измерительной аппаратуры и испытуемых извещателей (датчиков) дыма показаны на черт. 1.

Испытательная камера

1 - аэродинамическая труба; 2 - измеритель температуры; 3 - место установки испытываемого извещателя; 4 - контрольная ионизационная камера; 5 - место установки нагревательного элемента; 6 - место ввода продуктов горения (аэрозоля); 7 - вентилятор; 8 - измерительный участок; стрелками показано направление движения контролируемой среды

Черт. 1

3. Поперечное сечение (диаметр) аэродинамической трубы испытательной камеры - не менее 380 ´ 380 мм.

4. Измерительный участок испытательной камеры должен быть не менее 750 мм.

5. Внутренний объем испытательной камеры должен превышать объем испытуемых извещателей (датчиков) дыма не менее чем в 50 раз.

6. Испытательная камера должна обеспечивать ввод и равномерное распределение продуктов горения (аэрозоля) по всему поперечному сечению измерительного участка аэродинамической трубы.

7. Испытательная камера должна обеспечивать возможность повышения температуры контролируемой среды до 50 °С со скоростью не более 1 °С/мин.

ПРИЛОЖЕНИЕ 2

Обязательное

КОНТРОЛЬНАЯ ИОНИЗАЦИОННАЯ КАМЕРА (КИК). ОСНОВНЫЕ ПАРАМЕТРЫ, РАЗМЕРЫ И ПРИНЦИП ДЕЙСТВИЯ

1. Контрольная ионизационная камера действует по принципу постоянного контроля содержания продуктов горения (аэрозоля) посредством непрерывного пробоотбора из внутреннего объема испытательной камеры.

2. Принцип действия контрольной ионизационной камеры показан на черт. 2. Стрелками показано направление движения контролируемой среды при пробоотборе.

Принцип действия контрольной ионизационной камеры (КИК)

1 - контролируемая среда; 2 - штуцер всасывания контролируемой среды; 3 - основание конструкции; 4 - изолирующее кольцо; 5 - внешняя сетка; 6 - внутренняя сетка; 7 - внешний электрод; 8 - излучение; 9 - измерительный объем; 10 - источник ионизирующего излучения; 11 - измерительный электрод; 12 - изоляционный материал; 13 - охранное кольцо; 14 - ветрозащита; 15 - измерительный резистор; стрелками показано направление движения контролируемой среды при пробоотборе

Черт. 2

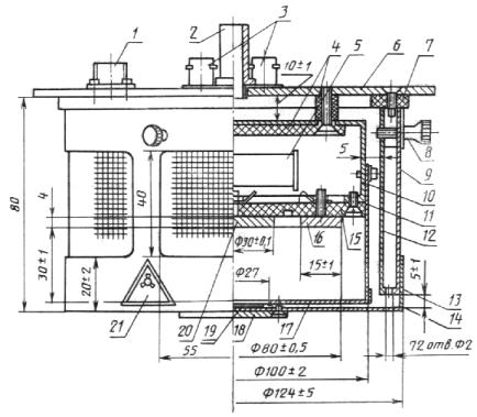
3. Конструкция, размеры и взаимное расположение основных деталей контрольной ионизационной камеры должны соответствовать черт. 3.

Конструкция КИК

Черт. 3

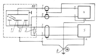
4. Схема подключения контрольной ионизационной камеры приведена на черт. 4.

Схема подключения КИК

BD - ионизационная камера КИК; 1 - измерительный электрод КИК; 2 - охранное кольцо КИК; 3 - измерительный регистр КИК; 4 - источник питания; 5 - вольтметр электромеханический; 6 - клемма заземления

Черт. 4

5. Перечисление деталей конструкции контрольной ионизационной камеры приведено в табл. 4.

Таблица 4

Деталь

Условное обозначение на черт. 3

Размеры, специальные характеристики

Материалы

Количество

Разъем

1

Десятиполюсный

 

1

Штуцер всасывания контролируемой среды

2

 

Латунь с покрытием никелем

1

Вывод измерительного электрода ионизационной камеры

3

Разъем подключения к электрометрическому вольтметру типа СР-50

 

2

Изолятор корпуса ионизационной камеры

4

 

Фторопласт Ф4

1

Измерительный резистор

5

500 мОм ± 0,2 %

 

2

Основание

6

 

Алюминий Д16 с покрытием никелем

1

Изолирующее кольцо лабиринта

7

 

 

1

Крепление лабиринта

8

М3

Латунь с покрытием никелем

3

Сетка лабиринта

9

Проволока Æ 0,2 w = 0,8

Нержавеющая сталь

1

Корпус ионизационной камеры

10

 

Алюминий Д16с с покрытием никелем

1

Сетка внешнего электрода ионизационной камеры

11

Проволока Æ 0,4 w = 2,5 мм

Латунь с покрытием никелем

1

Внутренний кожух лабиринта

12

 

Нержавеющая сталь

1

Демпфирующее кольцо лабиринта

13

С 72 отверстиями по окружности Æ 2 мм

То же

1

Внешний кожух лабиринта

14

Шесть отверстий для воздуха

Нержавеющая сталь

1

Изолирующая пластина

15

 

Фторопласт Ф4

1

Электрод «охранное кольцо» ионизационной камеры

16

 

Нержавеющая сталь

1

Внешний электрод

17

 

То же

1

Держатель ИИИ

18

 

Латунь с покрытием никелем

1

Источник ионизирующего излучения

19

Am-241, A = 1,3×105 Бк (3,5 мкКи) Æ 27 мм с уплотнением

 

1

Внутренний электрод ионизационной камеры

20

 

Нержавеющая сталь

1

Знак радиационной опасности

21

 

 

1

6. Параметры источника ионизирующего излучения:

изотоп 241Am (америций);

активность 130 кБк (3,5 мкКи);

габаритные размеры: диск диаметром 27 мм, толщиной 1 мм;

материал подложки - нержавеющая сталь.

7. Номинальное значение ионизационного тока в чистом воздухе при нормальных условиях эксплуатации - 100×10-12 А.

8. Ионизационный ток насыщения в нормальных условиях эксплуатации - не менее 450×10-12 А.

9. Номинальное значение крутизны вольт-амперной характеристики в рабочей точке, определяемое в чистом воздухе при нормальных условиях эксплуатации.

,

где I1 - ионизационный ток при напряжении питания U1, А;

I2 - ионизационный ток при напряжении питания U2, А;

U1 и U2 - напряжения, указанные в ТУ на контрольную ионизационную камеру;

Отклонение крутизны от номинального значения в нормальных условиях эксплуатации - не более ±0,8×10-12 А/В.

10. Вольт-амперная характеристика, приведенная на черт. 5, измерена при отсутствии в воздухе продуктов горения и при следующих условиях:

давление (101,3 ± 1) кПа;

температура (25 ± 2) °С;

относительная влажность (55 ± 20) %;

расход воздуха через КИК - (30 ± 3) дм3/мин (0,5 ± 0,05 дм3/с).

При определении порога срабатывания напряжение источника питания должно быть таким, чтобы обеспечить ионизационный ток 100×10-12 А при отсутствии в воздухе продуктов горения.

11. Контрольную ионизационную камеру рекомендуется использовать в составе испытательной камеры. Параметры и размеры показаны на черт. 1.

Вольт-амперная характеристика КИК

Черт. 5

ПРИЛОЖЕНИЕ 3

Обязательное

ПОРЯДОК ВВЕДЕНИЯ СТАНДАРТА В ДЕЙСТВИЕ

1. Для вновь разрабатываемых извещателей радиоизотопных пожарных, ТЗ на разработку которых утверждены после 01.07.92, дата введения стандарта устанавливается с 01.07.92.

2. Для серийно выпускаемых извещателей радиоизотопных пожарных и действующих НТД дата введения стандарта в действие устанавливается в соответствии с планами-графиками пересмотра НТД или модернизации извещателей радиоизотопных пожарных.

3. В течение 1991 - 1992 гг. провести межведомственную аттестацию контрольно-ионизационных камер, изготовленных в соответствии с приложением 2 настоящего стандарта.

ИНФОРМАЦИОННЫЕ ДАННЫЕ

1. РАЗРАБОТАН И ВНЕСЕН Министерством атомной энергетики и промышленности

2. УТВЕРЖДЕН И ВВЕДЕН В ДЕЙСТВИЕ Постановлением Государственного комитета СССР по управлению качеством продукции и стандартам от 11.07.91 № 1244

3. Срок проверки - 1998 г., периодичность проверки - 5 лет

4. В стандарт введены требования Европейского стандарта EN-54 ч. 7.

5. ВЗАМЕН ГОСТ 22522-77, ГОСТ 24483-80, ГОСТ 26017-83

6. ССЫЛОЧНЫЕ НОРМАТИВНО-ТЕХНИЧЕСКИЕ ДОКУМЕНТЫ

Обозначение НТД, на который дана ссылка

Номер пункта

ГОСТ 2.601-68

2.3.2

ГОСТ 12.2.007.0-75

3.1, 3.2

ГОСТ 12.4.009-83

3.3

ГОСТ 26.013-81

2.2.2

ГОСТ 27.410-87

4.11, 4.13

ГОСТ 15.005-86

4.3

ГОСТ 12997-84

2.2.11, 5.1.4, 5.3.15

ГОСТ 14192-77

2.4.3, 2.4.4

ГОСТ 17925-72

2.4.4, 3.4

ГОСТ 19745-74

2.2.16

ГОСТ 21177-82

2.2.14

ГОСТ 22505-83

2.2.14

ГОСТ 23216-78

2.5.2

ГОСТ 23450-79

2.2.14

ГОСТ 23511-79

2.2.14

ОСП-72/87

3.4

НРБ-76/87

3.4

ПБТРВ-76/87

2.4.3, 6.1.1

СОДЕРЖАНИЕ

1. Основные параметры.. 1

2. Технические требования. 2

3. Требования безопасности. 5

4. Приемка. 5

5. Методы испытаний. 8

6. Транспортирование, хранение. 15

7. Гарантии изготовителя. 15

Приложение 1 Испытательная камера, основные параметры и размеры.. 15

Приложение 2 Контрольная ионизационная камера (кик). Основные параметры, размеры и принцип действия. 16

Приложение 3 Порядок введения стандарта в действие. 20

 




Яндекс цитирования



   Copyright © 2007-2026,  www.tehlit.ru.

[ ѓосты, стандарты, нормативы, инструкции, правила, строительные нормы ]