//
|
|
ГОСУДАРСТВЕННЫЙ КОМИТЕТ СССР ПО ДЕЛАМ СТРОИТЕЛЬСТВА (ГОССТРОЙ СССР) ИНСТРУКЦИЯ СН 510-78 Утверждена МОСКВА 1979 Содержание Инструкция по проектированию сетей водоснабжения и канализации для районов распространения вечномерзлых грунтов разработана Красноярским Промстройниипроектом Минтяжстроя СССР. При разработке Инструкции использованы работы НИИ оснований и подземных сооружений им. Н. М. Герсеванова Госстроя СССР, Ленинградского инженерно-строительного института, Зонального научно-исследовательского и проектного института типового и экспериментального проектирования жилых и общественных зданий Госгражданстроя, ВНИИ Водгео Госстроя СССР, ЦНИИЭП инженерного оборудования Госгражданстроя. Редакторы: инж. Б.В. Тамбовцев (Госстрой СССР), кандидаты техн. наук Ш. Ф. Акбулатов, А. В. Лютов, инж. И. П. Данилова (Красноярский Промстройниипроект).
1. ОБЩИЕ ПОЛОЖЕНИЯ1.1. Требования настоящей Инструкции должны выполняться при проектировании наружных сетей водоснабжения и канализации, сооружаемых в районах распространения вечномерзлых грунтов, включая сейсмические районы (рис. 1) при строительстве по принципу I.
Рис. 1. Схематическая карта распространения вечномерзлых грунтов и сейсмики 1.2. В зависимости от изменения физико-механических свойств мерзлых грунтов при оттаивании, температурных режимов трубопроводов и грунтов по трассе, а также температурного режима оснований зданий и сооружений, расположенных вблизи трубопроводов, надлежит принимать один из двух принципов использования вечномерзлых грунтов в качестве оснований: принцип I - вечномерзлые грунты основания используются в мерзлом состоянии, сохраняемом в процессе строительства и в течение всего заданного периода эксплуатации; принцип II - вечномерзлые грунты основания используются в оттаивающем и оттаявшем состоянии. 1.3. При проектировании сетей водопровода и канализации для районов распространения вечномерзлых грунтов необходимо исходить из условия обеспечения: наименьшей трудоемкости строительства и эксплуатации сетей; применения оборудования и материалов, наиболее высокой надежности действия и долговечности; снижения веса оборудования и материалов; незамерзаемости жидкостей, транспортируемых по трубопроводам, при отклонениях теплового режима от нормы и в случаях аварий; организации четкого контроля за тепловыми режимами сетей. 1.4. При проектировании сетей водопровода и канализации надлежит учитывать: тепловое воздействие трубопроводов на основания близлежащих зданий и сооружений; опасность непосредственного теплового воздействия воды на мерзлые грунты при повреждениях трубопроводов; изменение мерзлотно-грунтовых условий при освоении территории. 1.5. Мерзлотно-грунтовые условия участков строительства трубопроводов характеризуются: распространением и залеганием вечномерзлых грунтов; составом, сложением и строением грунтов; мощностью сезоннопротаивающих и сезоннопромерзающих слоев грунта; температурным режимом грунтов; физико-механическими свойствами грунтов; мерзлотными процессами (пучение, наледи, термокарст, трещинообразование); наличием грунтовых вод. 1.6. Проектирование сетей по принципу I следует принимать, когда: грунты характеризуются значительными осадками при оттаивании; оттаивание грунтов вокруг трубопровода влияет на устойчивость расположенных вблизи зданий и сооружений, строящихся с сохранением основания в мерзлом состоянии. 1.7. Проектирование сетей по принципу II следует принимать, когда: грунты характеризуются незначительными осадками на всю расчетную глубину оттаивания; здания и сооружения по трассе трубопроводов расположены на значительном расстоянии от трубопроводов или строящихся с допущением оттаивания вечномерзлых грунтов в их основаниях. 2.
НОРМЫ ВОДОПОТРЕБЛЕНИЯ
| ||||||||||||||||||||||||||||||||||||||||||||||||||||||||||||||||||||||||||||||||||||||||||||||||||||||||||||||||||||||||||||||||||||||||||||||||||||||||||||||||||||||||||||||||||||||||||||||||||||||||||||||||||||||||||||||||||||||||||||||||||||||||||||||||||||||||||||||||||||||||||||||||||||||||||||||||||||||||||||||||||||||||||||||||||||||||||||||||||||||||||||||||||||||||||||||||||||||||||||||||||||||||||||||||||||||||||||||||||||||||||||||||||||||||||||||||||||||||||||||||||||||||||||||||||||||||||||||||||||||||||||||||||||||||||||||||||||||||||||||||||||||||||||||||||||||||||||||||||||||||||||||||||||||||||||||||||||||||||||||||||||||||||||||||||||||||||||||||||||||||||||||||||||||||||||||||||||||||||||||||||||||||||||||||||||||||||||||||||||||||||||||||||||||||||||||||||||||||||||||||||||||||||||||||||||||||||||||||||||||||||||||||||||||||||||||||||||||||||||||||||||||||||||||||||||||||||||||||||||||||||||||||||||||||||||||||||||||||||||||||||||||||||||||||||||||||||||||||||||||
|
Пожарный гидрант для сети наземной прокладки |
Устанавливается сверху трубы, расстояние от верха трубы до клапана не более 50 мм |
|
Пожарный гидрант для подземной сети…………… |
Врезается в трубу сбоку, так чтобы корпус гидранта на 0,5 диаметра трубы погружался в трубопровод |
|
Плунжерный кран …………………………………… |
Устанавливается сбоку трубы, корпус крана располагается горизонтально |
|
Водоразборная колонка с опорожнением стояка в емкость ……………………………………………….. |
Устанавливается сверху трубы, емкость погружается в трубопровод |
|
Аэрационный клапан ……………………………….. |
Устанавливается сверху трубы, корпус погружается в трубопровод на 70 % своей высоты |
|
Выпуск ……………………………………………… |
Врезается у дна трубы сбоку, ось шпинделя составляет с горизонтальной плоскостью угол от 10 до 15° |
|
Задвижка для перемычек …………………………… |
Устанавливается снизу трубы |
|
Незамерзающая подставка под манометр …………. |
Устанавливается сверху трубы, корпус подставки погружается в трубопровод |
|
Самоуплотняющийся компенсатор ………………… |
Эластичное кольцо устанавливается за середину стакана компенсатора в сторону его перехода |
|
Вантуз …………………………………………………. |
Устанавливается сверху трубы |
|
Прибор для измерения толщины льда на внутренних стенках труб …………………………………………… |
Корпус прибора устанавливается так, чтобы его дно располагалось по оси трубопровода. Измерительная трубка поднимается выше тепловой изоляции |
|
Уловитель с промывкой ………………………………. |
Ось решеток устанавливается горизонтально и перпендикулярно оси трубопровода, выпуск располагается снизу |
8.6. Для увеличения времени остановки водовода, и повышения надежности его работы следует применять арматуру, обеспечивающую работу трубопровода в ледовых режимах.
Примеры арматуры, работающей при оледенении трубопровода на 50 % живого сечения трубы, показаны на рис. 28 и 29.

Рис. 28. Конструкция выпуска воды при оледенении трубопровода на 50 %
1 - трубопровод; 2 - корпус арматуры; 3 - клапан; 4 - шпиндель; 5 - ходовая гайка; 6 - нажимная гайка; 7 - уплотнение шпинделя; 8 - выпускной патрубок; 9 - теплоизоляция; 10 - лед

Рис. 29. Конструкция аэрационного клапана при оледенении трубопровода на 50 %
1 - трубопровод; 2 - корпус арматуры; 3 - клапан; 4 - уплотнение; 5 - шпиндель; 6 - нажимная гайка; 7 - теплоизоляция
8.7. Конструкцией арматуры, устанавливаемой на трубопроводах в ледовых режимах, должно предусматриваться:
размещение входных каналов и затвора в середине сечения трубопровода;
автоматический слив воды из корпуса после закрытия затвора;
расположение выходных каналов снизу трубопровода;
применение деталей, влияющих на тепловые потери арматуры, из материалов с низким коэффициентом теплопроводности или их теплоизоляцию.
9.1. При подземной прокладке водопроводных труб следует применять сборные железобетонные колодцы с водонепроницаемыми стенками и днищем. Конструкцией узлов сопряжения труб с колодцами должна предусматриваться возможность неравномерной осадки колодцев и трубопроводов.
9.2. При проектировании колодцев для пучинистых грунтов надлежит предусматривать меры, исключающие «выталкивание» колодцев из грунта: обратную засыпку непучинистыми грунтами, гидроизоляцию вокруг колодцев из глинобетона и отвод поверхностных вод.
9.3. Устройство открытых лотков в колодцах на сетях канализации не допускается; для прочистки труб следует предусматривать ревизии (рис. 30).

Рис. 30. Смотровой колодец на сети канализации, оборудованный закрытой ревизией с клиновым уплотнением крышки
1 - труба; 2 - ревизия; 3 - колодец; 4 - дно колодца (бетон); 5 - эластичное уплотнение
9.4. На водоводах, состоящих из двух ниток, следует применять узлы переключения по перекрестной схеме (рис. 31).

Рис. 31. Узел переключений с перекрестными перемычками
9.5. Проектирование сооружений для условий вечномерзлых грунтов должно выполняться в соответствии с требованиями главы СНиП по проектированию оснований и фундаментов на вечномерзлых грунтах и главы СНиП по проектированию бетонных и железобетонных конструкций.
10.1. Переходы трубопроводов через улицы, железные и автомобильные дороги надлежит осуществлять в каналах или стальных футлярах; надземная прокладка трубопроводов на стойках или по эстакадам допускается в случаях, когда прокладка сети водопровода на данном участке трассы осуществляется на стойках или по эстакадам.
Переходы трубопроводов через водные преграды, овраги и другие препятствия следует предусматривать надземной прокладкой на стойках или по эстакадам (рис. 32).

Рис. 32. Переходы через водотоки
а - переход через реку на железобетонных опорах; б - переход через реку на свайных опорах; 1 - опоры из железобетонных колец; 2 - подвесные опоры; 3 - сварные опоры; 4 - подвесные опоры
10.2. Бесканальная прокладка трубопроводов, а также устройство дюкеров не допускается.
10.3. На трубопроводах с обеих сторон переходов следует предусматривать колодцы, размещая в них вентиляционные шахты и водоприемные приямки.
10.4. Каналы на переходах через улицы и дороги следует принимать из железобетонных деталей заводского изготовления; применение дерева и кирпича не рекомендуется.
11.1. Величину термического сопротивления теплоизоляции, а также ее конструктивные решения (кольцевая, засыпная, ограждения каналов и пр.) следует выбирать на основании технико-экономических расчетов.
11.2. При выборе теплоизоляционных материалов следует учитывать:
условия эксплуатации трубопроводов в резко переменных температурно-влажностных режимах при прокладке их на открытом воздухе и в вентилируемых подземных каналах;
влияние ветра, дождя и снега при эксплуатации труб на открытом воздухе;
возможность механических повреждений трубопровода;
стоимость доставки материалов;
ограниченные сроки производства наружных строительных работ с мокрыми процессами.
11.3. При наземной прокладке трубопроводов в земляных валиках в качестве теплоизоляции надлежит использовать местный или привозной грунт, а также подстилающие засыпки из горелых пород, мхов или торфов.
11.4. При надземной прокладке трубопроводов в каналах следует применять кольцевую теплоизоляцию.
11.5. При бесканальной прокладке труб следует применять тепловую изоляцию из водонепоглощающих пеноматериалов с замкнуто-ячеистой структурой.
11.6. В качестве теплоизоляции трубопроводов надлежит применять высокоэффективные изоляционные материалы на базе стекловолокна и пенопластов, а также пенобетонные и диатомовые сегменты.
11.7. При изоляции трубопроводов минеральной ватой следует предусматривать устройство прочного и влагонепроницаемого защитного слоя.
11.8. Для трубопроводов, транспортирующих жидкости с температурой не выше 95° С, в качестве теплоизоляции рекомендуется использовать антисептированную деревянную рейку.
11.9. Для защиты кольцевой теплоизоляции необходимо применять алюминиевый лист, асбестоцементную штукатурку по проволочной сетке или рулонные изоляционные материалы.
Применение толя, а также мешковины и других тканей с масляной покраской не допускается.
11.10. При надземной прокладке трубопроводов рекомендуется применять дополнительную защиту изоляции деревянной рейкой, покрытой битумом.
11.11. Древесные опилки, торф, мох и другие органические материалы допускается применять для трубопроводов со сроком эксплуатации 1-2 года, прокладываемых на низких опорах в деревянных коробах.
12.1. Особенностями проектирования сетей водоснабжения и канализации в районах распространения вечномерзлых грунтов, определяющими их технологические и конструктивные решения, являются отрицательная в течение длительного периода года температура окружающей среды (воздуха, грунта) и резкое изменение физико-механических свойств большинства грунтов при их оттаивании.
12.2. Номенклатуру мерзлых грунтов надлежит принимать в соответствии с номенклатурой, приведенной в главе СНиП по проектированию оснований и фундаментов на вечномерзлых грунтах.
12.3. Основными характеристиками температурного режима грунта являются среднегодовая температура, глубина сезонного промерзания и оттаивания, а также минимальная температура грунта на глубине заложения трубопровода.
12.4. Среднегодовую температуру грунта to в естественных условиях следует принимать по данным разовых измерений, проведенных на глубинах, указанных в табл. 1.
Таблица 1
|
Время измерения температуры грунта |
Глубина, на которой производится измерение температуры грунта, м, при его среднегодовой температуре, °С |
||
|
От 0 до минус 2 |
ниже минус 2 до минус 4 |
ниже минус 4 |
|
|
С середины лета до момента полного промерзания сезонноталого слоя грунта |
3,5-4 |
5-6 |
7-8 |
|
С момента полного промерзания сезонноталого слоя грунта до середины лета |
5-6 |
7-8 |
9-10 |
Примечание. В песчаных и скальных грунтах глубины, на которых производят измерение температур, следует увеличивать на 1-2 м.
12.5. Глубина сезонного оттаивания грунта Hт должна приниматься наибольшей из ежегодных максимальных глубин за срок наблюдений не менее 10 лет:
в пределах застройки - по данным наблюдений на осушенной площадке без растительного и торфяного покрова, очищаемой весной от снега;
вне населенных пунктов - на площадке с естественными условиями.
При отсутствии указанных данных глубину сезонного оттаивания грунта Нт следует определять теплотехническим расчетом в соответствии с п. 12.17.
12.6. Глубина сезонного промерзания грунта Нм должна приниматься равной средней из ежегодных максимальных глубин по данным наблюдений за срок не менее 10 лет:
в пределах застройки - по данным наблюдений на осушенной площадке без растительного и торфяного покрова, очищаемой зимой от снега;
вне населенных пунктов - на площадке с естественными условиями.
При отсутствии указанных данных глубину сезонного промерзания грунта Нм следует определять теплотехническим расчетом, в соответствии с п. 12.16.
12.7. Минимальную температуру грунта tг в расчетах следует принимать равной минимальной среднемесячной температуре грунта на глубине заложения трубопровода (считая от поверхности грунта до оси трубы или середины канала), определяемой по данным наблюдений за срок не менее 10 лет.
При отсутствии данных расчетную температуру грунта tг надлежит определять теплотехническим расчетом в соответствии с п. 12.15.
12.8. При проектировании сетей водопровода в канализации в зависимости от физико-механических и мерзлотных свойств грунтов следует учитывать возможную осадку трубопроводов при оттаивании грунтов; при этом давление трубопроводов на грунт допускается не учитывать.
12.9. Теплотехническими расчетами определяется температурный режим сетей водопровода и канализации, а также окружающих их грунтов.
12.10. Теплотехнические расчеты следует производить для принятого гидравлического режима работы трубопроводов.
12.11. Принятые в теплотехнических расчетах основные обозначения и определения приведены в прил. 1. Примеры теплотехнических расчетов даны в прил. 2.
12.12. Температурный режим грунтов характеризуется их среднегодовой температурой to, минимальной среднемесячной температурой грунта на глубине заложения трубопровода tг и глубиной сезонного промерзания и оттаивания грунтов Нм и Нт, принимаемых в соответствии с указаниями, приведенными в пп. 12.4-12.7.
12.13. При определении значений температурного режима грунтов to, tг, Нм и Нт теплотехническими расчетами следует учитывать возможные изменения теплофизических свойств грунтов, их влажности и условий теплообмена па поверхности, которые произойдут в результате освоения территории.
12.14. В теплотехнических расчетах суммарную влажность грунта wc Для площадок, где сохраняется естественный покров и природный режим грунтовых вод, следует принимать равной естественной; для площадок, где предусматривается вертикальная планировка, осуществление мероприятий по регулированию поверхностного стока или по понижению уровня надмерзлотных вод и другие меры по инженерной подготовке территории, приводящие к уменьшению влажности грунтов, величина wc принимается равной для:
песков wc = wp = 0,15 ¸ 0,25;
супесей wc = 0,5 wт =0,10 ¸ 0,15;
суглинков wc = wм = 0,02 ¸ 0,07,
где wp - влажность на границе раскатывания в долях единицы;
wт - влажность на границе текучести в долях единицы;
wм- максимальная молекулярная влагоемкость грунта в долях единицы.
12.15. Минимальную температуру грунта tг следует определять по формуле
tг = t0 + Wэ АВ, (11)
где А - определяется по графику рис. 33 и зависимости от tз;
Wэ - отрицательная сумма градусо-часов за зимний период года (минимальная за срок наблюдений 10 лет);
tз - продолжительность периода года с отрицательными среднемесячными температурами воздуха (зимний период), ч.

Рис. 33. Номограмма для определения значения А
Значение В находится по номограмме рис. 34 по параметрам j и m:
Величина коэффициентов теплопроводности lм и объемной теплоемкости См мерзлого грунта принимается для значений влажности и объемной массы грунта в естественных условиях. Для территории застройки значение S принимается равным нулю, т.е. значение В находится по номограмме рис. 34 при j = 0. При определении значения tг для участков вне населенных пунктов толщина снежного покрова при вычислении значения S по формуле (68) принимается равной минимальной среднезимней за срок наблюдений 10 лет.

Рис. 34. Номограмма для определения значения В
12.16. Глубину сезонного промерзания грунта Нм, м, надлежит определять по формуле
(13)
где tз - средняя температура воздуха, °С, за период с отрицательными среднемесячными температурами воздуха - средне-зимняя температура воздуха (принимается со знаком плюс);
tз - продолжительность периода с отрицательными среднемесячными температурами воздуха (зимний период), ч.
За расчетную среднезимнюю температуру воздуха следует принимать минимальную среднезимнюю температуру за срок наблюдений 10 лет.
Определение теплоты замерзания грунта q надлежит производить по формуле (69) при значении wн = 0.
При вычислении глубины промерзания грунта для участка на территории застройки снежный покров не учитывается, т.е. в формуле (68), по которой вычисляется значение S, принимается Нс = 0. Величины коэффициентов теплопроводности lм и теплоемкости См грунта и теплота замерзания грунта q определяются для значений влажности грунта на застроенной территории. Значения влажности грунта на этой территории следует принимать согласно указаниям, приведенным в п. 12.14.
При вычислении глубины промерзания грунта для участков, расположенных вне населенных пунктов, толщина снежного покрова принимается равной минимальной среднезимней за срок наблюдений 10 лет. Величины коэффициентов теплопроводности lм и объемной теплоемкости См грунта и теплота замерзания грунта q определяются для влажности грунта в естественных условиях, если не предусматриваются мероприятия по осушению грунта по трассе трубопровода; в случае осушения грунтов вдоль трассы значения указанных величин принимаются как для участков в пределах населенных пунктов.
12.17. Глубину сезонного оттаивания грунта Нт, м, надлежит определять по формуле
где t1 = 1,4 tл+2,4; (15)
t1 = 1,15 tл +360;
tл - средняя температура воздуха за период положительных температур, °С;
tл - продолжительность периода с положительными температурами воздуха, ч;
q1 = q + 0,5 Cт tл; (16)
где tз - средняя температура воздуха за зимний период, °С;
tз - продолжительность зимнего периода, мес.
Значения tл и tл следует принимать по табл. 1 главы СНиП по строительной климатологии и геофизике, причем для климатических подрайонов 1Б и 1Г значения tл и tл принимаются с коэффициентом 0,9.
Коэффициент h определяется по номограмме рис. 35 в зависимости от
, где
- термическое
сопротивление снежного покрова; Нс - толщина снега; lс - коэффициент
теплопроводности снега (табл. 3).
Если глубина сезонного оттаивания определяется для участков, с поверхности которых снег сдувается или счищается, значение коэффициента h принимается равным 1.
Значение коэффициента Км в формуле (17) определяется по номограмме рис. 35 в зависимости от продолжительности зимнего периода tз, мес и величины коэффициента К0.
|
|
|
|
|
|
Рис. 35. Номограмма для определения вспомогательных величин К0, Км, h
Значение коэффициента К0 предварительно находится по графику рис. 35 по величине средней годовой температуры грунта t0.
Теплота таяния льда в грунте q вычисляется по формуле (69) при значении wн, определенной для t = t0.
Величины коэффициентов теплопроводности и объемные теплоемкости грунта принимаются по табл. 4 для значений влажности, указанных в п. 12.14.
12.18. В зависимости от условий эксплуатации и диаметра водопровода возможны следующие случаи его работы:
образование ледяной корки на внутренних стенках труб не допускается;
образование ледяной корки на внутренних стенках труб допускается.
12.19. Если образование ледяной корки на внутренних стенках трубопровода не допускается, то расчетом надлежит определять или начальную температуру воды tн, или толщину теплоизоляции dи при заданной начальной температуре воды.
Температура воды в начале расчетного участка трубопровода (сети или водовода) tн и толщина теплоизоляции dи связаны соотношением
где tв - минимальная среднесуточная температура наружного воздуха, °С;
е - экспонент (показательная функция). Значения приведены в прил. 3;
; (19)
aв - коэффициент теплоотдачи от воды к внутренним стенкам трубы, Вт/м2×°С), определяемый по формуле
aн - коэффициент теплоотдачи от поверхности трубопровода и наружному воздуху, Bт/(м2×°C), определяемый в зависимости от наружного радиуса (с изоляцией) и скорости ветра
v - скорость ветра, м/с.
Значения v0,8, (2r)0,2 и [2(r + dи]0,2 определяются по графикам рис. 36, 37.

Рис. 36. График для определения величины v0,8

Рис. 37. График для определения величины x

Рис. 38. График для определения коэффициента
Толщина теплоизоляции dи при заданной температуре воды в начале расчетного участка трубопровода определяется подбором из формулы (18).
Выбор наиболее целесообразного сочетания начальной температуры воды и толщины теплоизоляции определяется теплотехническим и технико-экономическим расчетами.
12.20. При заданной температуре воды в конце расчетного участка трубопровода и толщине теплоизоляции dи, температура воды в начале расчетного участка tн должна быть не менее
tн =(tк ‑ tв)e jз + tв, (24)
где jз и tв - то же, что и в формуле (18).
12.21. При заданной температуре воды в начале tн и конце tк расчетного участка трубопровода, требуемую толщину теплоизоляции dи надлежит определять подбором из формулы
. (25)
12.22. Если на внутренней поверхности трубопровода допускается образование ледяной корки (в периоды резкого похолодания), то толщина ледяной корки dл определяется по формуле
(26)
откуда ![]()
где lл - коэффициент теплопроводности льда, Вт/м×°С);
tм - продолжительность расчетного периода с температурой воздуха самого холодного месяца, ч;
tм - температура воздуха в расчетный период tм, °С.
Значения tм и tм принимаются по таблице Справочника по климату СССР Госкомгидромета («Число дней со средней суточной температурой в различных пределах»), при этом величина (tм - tв)t по абсолютной величине должна быть наибольшей.
12.23. В случае, когда трубопроводы укладываются в тоннеле или канале, расчетом надлежит определять:
глубину оттаивания грунта в основании тоннеля или канала в летнее время;
температуру воздуха в тоннеле или канале в зимнее время, необходимую для промораживания слоя грунта, оттаявшего под каналом за летний период;
расход воздуха для вентилирования тоннеля или канала в летнее и зимнее время;
толщину теплоизоляции труб;
изменение температуры теплоносителя по длине трубопровода, уложенного в тоннеле или канале.
12.24. Устойчивость вентилируемого тоннеля или канала и уложенных в нем трубопроводов при наличии льдонасыщенных грунтов в основании обеспечивается при соотношении
Нт = Нм (27)
где Hт - глубина оттаивания грунта в летнее время в основании тоннеля или канала, равная толщине слоя замененного грунта или предварительно оттаянного и уплотненного, м;
Нм - глубина промерзания грунта основания тоннеля или канала в зимнее время, м.
12.25. Расчет глубины оттаивания и промерзания грунта надлежит производить по средним температурам воздуха за летний и зимний периоды.
12.26. Глубину оттаивания грунта в основании вентилируемого тоннеля или канала следует определять по формуле
где x - коэффициент, определяемый по графику рис. 38 в зависимости от параметра J:
где dк - толщина стенки тоннеля или канала, м;
lк - коэффициент теплопроводности стенки тоннеля или канала, Вт/(м×°С);
b - ширина тоннеля или канала, м;
tл - среднелетняя температура наружного воздуха, °С;
tл - продолжительность периода года с положительной средне-суточной температурой, ч.
12.27. Расход воздуха на вентилирование в расчете на 1 м тоннеля или канала в летний период Gл , кг/ч, следует определять по формуле
где Св - теплоемкость воздуха, кДж/кг×°С);
tпр - температура теплоносителя в прямой трубе теплопровода, °С;
tоб - температура теплоносителя в обратной трубе теплопровода, °С;
U - внутренний периметр тоннеля или канала.
Коэффициент теплопередачи К определяется по формулам: для прямой трубы
для обратной трубы
где rпр и rоб - наружные радиусы прямой и обратной труб теплопровода, м;
aн - коэффициент теплоотдачи от поверхности теплоизоляции труб теплопровода к воздуху в тоннеле или канале, Вт/(м2×°С).
Если в тоннеле или канале кроме теплопровода укладываются другие трубопроводы (водопровод, канализация и пр.), то расход воздуха на вентилирование определяется только исходя из теплопотерь теплопровода.
12.28. Средняя температура воздуха в тоннеле или канале за период года с отрицательной температурой воздуха определяется по формуле
где J - определяется по формуле (29);
tз - продолжительность периода года с отрицательной средне-месячной температурой воздуха (зимний период), ч.
12.29. Расход воздуха на вентилирование в расчете на 1 м в тоннеле или канале в зимний период Gз, кг/ч, следует определять по формуле
, (35)
где tз - среднезимняя температура наружного воздуха, °С;
h0 - расстояние от поверхности земли до верха канала, м.
12.30. Толщину теплоизоляции труб в тоннеле или канале dи надлежит определять предварительно по величине допустимых среднегодовых теплопотерь по формуле
(37)
где tт - температура теплоносителя в трубе, °С;
qср - допустимая среднегодовая величина теплопотерь, Вт/м.
12.31. Перепад температуры теплоносителя Dt в самый холодный месяц следует рассчитывать по формуле
Dt = (tт - tз.к ) (1 - еj). (38)
12.32. Если перепад температуры теплоносителя в трубах в самый холодный месяц окажется больше допустимого, то окончательная толщина теплоизоляции определяется по формуле
dи = r (еj1 - 1), (39)
где j1 = 
12.33. Тепловой расчет вводов в здания, принятых к прокладке в тоннеле или канале, производится так же, как и для магистральных тоннелей или каналов.
12.34. Размеры зоны оттаивания грунтов вокруг тоннелей или каналов определяются для положительной средней годовой температуры воздуха в канале.
12.35. Предельная глубина оттаивания грунтов под тоннелями или каналами определяется по формуле
hп = (xп ‑ m ‑ 1)r. (40)
Предварительно вычисляется значение b:
В расчетах принимается эквивалентное значение радиуса тоннеля или канала, вычисляемое по формуле
где U - внутренний периметр тоннеля или канала; значение т вычисляется по формуле
По значениям b и т по номограмме (рис. 39) находится значение коэффициента xп.

Рис. 39. Номограмма для определения коэффициента xп
12.36. Глубина оттаивания грунта под тоннелем или каналом за время t следует определять по формуле для значений b £ 0,1
ht = (x0 ‑ m ‑ 1)r. (44)
Коэффициент x0 находится по номограммам рис. 40 по значениям b, т и параметру J, вычисляемому по формуле
Глубина оттаивания для промежуточных значений b и т определяется по интерполяции.
При значениях b > 0,1 расчет производится по формуле (40).

Рис. 40. Номограмма для определения коэффициента x0
12.37. Предельное оттаивание грунта lп в горизонтальном направлении (от оси трубопровода) при b > 0,1 надлежит определять по формуле
lп = 0,5 xп r, (46)
где xп - коэффициент,
определяемый по номограмме рис. 39 по
значениям b по формуле (41) при ![]()
12.38. Оттаивание грунта в горизонтальном направлении lt при b £ 0,1 за время t следует определять по формуле
lt = 0,5j0r, (47)
где j0 - коэффициент, определяемый
по номограмме рис. 41 по значениям b по формуле (41) при
и J
формула (45).

Рис. 41. Номограмма для определения коэффициента j0
Для значений b > 0,1 расчет производится по формуле (46).
12.39. При заданной глубине оттаивания грунта под серединой тоннеля или канала Нз среднегодовую допустимую температуру воздуха в тоннеле или канале tдоп
в зависимости от значения
. (48)
надлежит определять по формулам:
при b £ 0,1
при b > 0,1
Предварительно следует задаваться приближенным значением среднегодовой допустимой температуры воздуха в тоннеле или канале tдоп и определять значение b по формуле (48), после чего определять значение т по формуле (43) и значение x0, равное:
при b £ 0,1 по значениям x0, b и т по номограмме рис. 40 находится значение J. По формуле (49) вычисляется значение tдоп. В случае расхождения предварительно заданного значения tдоп и вычисленного по формуле (49) более чем на 5° расчет повторяется.
При b > 0,1 по значениям x0 = xп и т по номограмме рис. 39 находится значение b. При расхождении предварительно заданного значения tдоп и вычисленного по формуле (50) более чем на 2° расчет повторяется.
12.40. При заданной величине оттаивания грунта от оси тоннеля или канала в горизонтальном направлении Lз определение допустимой среднегодовой температуры воздуха в канале tдоп следует производить способом, аналогичным изложенному в п. 12.39.
По заданному оттаиванию грунта в сторону от тоннеля или канала Lз находится значение j по формуле
, (52)
после чего задается приближенное значение tдоп и по формуле (48) вычисляется значение b.
при b £ 0,1 по значениям j, b и т по номограмме рис. 41 находится значение J и по формуле (49) вычисляется значение tдоп.
При расхождении предварительно заданного значения tдоп (предварительно заданного и полученного расчетом) более чем на 5° расчет повторяется при полученном расчетом значении tдоп.
При b > 0,1 вычисляется
(53) и по значению xп и т по номограмме рис. 39
находится значение b, по которому по формуле (50) определяется значение tдоп.
12.41. Температуру воды в конце tк и в начале tн расчетного участка трубопровода (сети или водовода), если не учитывается нагрев за счет трения воды о стенки трубопровода, следует определять по формулам:
(55)
где v - коэффициент, зависящий от степени заполнения трубопровода (для напорных трубопроводов v = l); для самотечных трубопроводов, работающих неполным сечением, определяется по табл. 2;
К - коэффициент теплопередачи, Вт/(м×°С), определяемый по формулам:
для трубопроводов без теплоизоляции
где R0 - определяется
по графику рис. 42 в зависимости от
отношения ![]()
для трубопроводов с теплоизоляцией
(58)
где Rи - термическое сопротивление теплоизоляции трубопровода, м×°С/Вт.
|
Температура tг °С |
Значение коэффициента v в зависимости от материала и степени заполнения канализационной трубы, % |
|||||
|
сталь, чугун |
бетон, железобетон |
|||||
|
10 |
30 |
100 |
10 |
30 |
100 |
|
|
0 |
0,8 |
0,95 |
1 |
0,7 |
0,8 |
1 |
|
-2 |
0,75 |
0,85 |
1 |
0,65 |
0,75 |
1 |
|
-4 |
0,7 |
0,8 |
1 |
0,6 |
0,7 |
1 |
|
-6 |
0,66 |
0,77 |
1 |
0,55 |
0,66 |
1 |

Рис. 42. Номограмма для определения вспомогательной величины R0
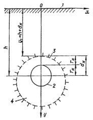
12.42. При подогреве трубопровода электрическим кабелем, уложенным вдоль трубопровода, не рекомендуется полностью срабатывать талую зону грунта, окружающего трубопровод, даже во время аварий. За минимальную толщину слоя грунта сверху трубы принимается слой, равный по величине радиусу трубопровода (рис. 43).

Рис. 43. Схема для расчета талика вокруг трубопровода
1 - поверхность грунта; 2 - трубопровод; 3 - нулевая изотерма; 4 - талик
12.43. Температуру воды в трубопроводе, °С, необходимую для образования над верхней образующей трубы талика толщиной rн, надлежит определять по формуле
где dн - наружный диаметр трубопровода, м.
12.44. Уравнение нулевой изотермы вокруг неизолированного трубопровода выражается зависимостью
(60)
где Q - тепловые потери трубопровода при подземной прокладке, Вт/м;
lг - приведенный коэффициент теплопроводности грунта, Вт/(м×°С);
(61)
где y1 - расстояние от поверхности земли до верха талика, м, рис. 43;
х, у - координаты пулевой изотермы.
При x = 0, y1 = h - dн
(62)
12.45. Тепловые потери трубопровода, для x = 0, y1 = h - dн равны, Вт/м,
12.46. Теплопроизводительность системы попутного электроподогрева Тг.к, Вт, надлежит определять исходя из расчетного дефицита тепла с учетом непроизводительных затрат, а при движении воды также с учетом увеличения теплосодержания воды:
Тг.к = QK1K2 (64)
где K1 - коэффициент, учитывающий непроизводительные затраты тепла, выделяемого греющим кабелем;
K2 - коэффициент, учитывающий отклонение фактических тепловых потерь от расчетных за счет изменения мерзлотно-грунтовых условий по трассе, отметок заложения трубопровода, неравномерности уплотнения грунта при обратной засыпке.
Для нескальных грунтов следует принимать: K1 = 1,2; K2 = 1,1.
12.47. Необходимую минимальную температуру греющего кабеля следует определять по формуле
(65)
где dк - диаметр электрического кабеля, м;
aк - коэффициент теплопередачи кабеля в окружающую среду, Вт/(м2×°С).
12.48. При заданном напряжении силу тока J надлежит определять по формуле
(66)
где v - напряжение, подаваемое на греющий кабель, В;
Lк - длина кабеля, м.
12.49. Требуемое сопротивление греющего кабеля Rг.к, Ом/км, следует определять по формуле
(67)
где bэ - температурный коэффициент электрического сопротивления греющего кабеля
12.50. Расчетом следует определять глубину оттаивания грунта под водоводами и разводящими сетями по формулам (40), (41), (44), (45) и оттаивание грунта в горизонтальном направлении от оси трубопровода по формулам (46), (47).
12.51. Канализационные коллекторы и канализационные выпуски из зданий рассчитываются так же, как водоводы, разводящие сети и вводы системы водоснабжения.
r - внутренний радиус трубы, м;
rн - наружный радиус трубы, м;
h - глубина заложения трубы (от поверхности грунта до ее оси), м;
l - длина расчетного участка трубопровода, м;
Нт - глубина оттаивания грунта, м;
Hм - глубина промерзания грунта, м;
Нс - толщина снежного покрова, м;
rи - радиус трубы с изоляцией, м;
dи - толщина теплоизоляции, м;
S - толщина слоя грунта, термическое сопротивление которого равно термическому сопротивлению изоляции, снега и т.п.; при наличии одновременно снега и теплоизоляции толщина слоя грунта S определяется по формуле
lт - коэффициент теплопроводности грунта в талом состоянии, Вт/(м×°С), определяемый по табл. 4;
lм - коэффициент теплопроводности грунта в мерзлом состоянии, Вт/(м×°С), определяемый по табл. 4;
lс - коэффициент теплопроводности снега, Вт/(м×°С), определяемый по табл. 3;
lи - коэффициент теплопроводности теплоизоляции, Вт/(м×°С);
R0 - вспомогательная величина для вычисления термического сопротивления трубы, уложенной в грунт, определяемая по номограмме рис. 42;
Rи - термическое сопротивление кольцевой теплоизоляции трубопровода, м×°С/Вт;
v - скорость движения воздуха, м/с;
vв - скорость движения воды, м/с;
Ст - коэффициент теплоемкости талого грунта, кДж/(м3×°С), определяемый по табл. 4;
См - коэффициент теплоемкости мерзлого грунта, кДж/(м3×°С), определяемый по табл. 4;
t - температура жидкости, °С;
tн - температура жидкости в начале расчетного участка трубопровода, °С;
tк - температура жидкости в конце расчетного участка трубопровода, °С;
tв - температура воздуха, °С;
tг - расчетная температура грунта на глубине заложения трубопровода, °С;
t0 - среднегодовая температура грунта, °С;
q - теплота замерзания воды или таяния льда в 1 м3 грунта, кДж/м равная:
Значение коэффициента lс
|
Населенные пункты |
lс |
|
Сковородимо |
0,20 |
|
Игарка |
0,26 |
|
Воркута |
0,29 |
|
Якутск |
0,15 |
|
Анадырь |
0,32 |
|
Тикси |
0,32 |
Таблица 4
Коэффициент теплопроводности грунта, Вт/(м×°С)
|
Объемный вес g0, т/м3 |
Суммарная влажность грунта, доли ед. wc |
Пески |
Супеси |
Суглинки - глины |
Объемная теплоемкость, кДж/(м3×°С) |
||||
|
lт |
lм |
lт |
lм |
lт |
lм |
Ст |
См |
||
|
1 |
2 |
3 |
4 |
5 |
6 |
7 |
8 |
9 |
10 |
|
1,2 |
0,05 |
0,46 |
0,60 |
- |
- |
- |
- |
1197 |
1092 |
|
1,2 |
0,10 |
0,72 |
0,92 |
0,44 |
0,52 |
- |
- |
1344 |
1134 |
|
1,4 |
0,05 |
0,66 |
0,80 |
- |
- |
- |
- |
1386 |
1260 |
|
1,4 |
0,10 |
1,01 |
1,25 |
0,60 |
0,80 |
0,51 |
0,79 |
1554 |
1323 |
|
1,4 |
0,15 |
1,16 |
1,45 |
0,82 |
1,02 |
0,65 |
0,97 |
1722 |
1386 |
|
1,4 |
0,20 |
- |
- |
0,97 |
1,22 |
0,75 |
1,09 |
1890 |
1449 |
|
1,4 |
0,25 |
- |
- |
1,07 |
1,35 |
0,83 |
1,16 |
2058 |
1512 |
|
1,6 |
0,05 |
0,87 |
1,06 |
- |
- |
- |
- |
1596 |
1428 |
|
1,6 |
0,10 |
1,22 |
1,57 |
- |
- |
- |
- |
1806 |
1512 |
|
1,6 |
0,15 |
1,45 |
1,86 |
1,08 |
1,28 |
0,83 |
1,14 |
1974 |
1554 |
|
1,6 |
0,20 |
1,58 |
2,01 |
1,22 |
1,50 |
1,02 |
1,30 |
2184 |
1659 |
|
1,6 |
0,25 |
1,64 |
2,11 |
1,35 |
1,67 |
1,11 |
1,44 |
2373 |
1722 |
|
1,6 |
0,30 |
- |
2,24 |
1,39 |
1,80 |
1,16 |
1,51 |
2562 |
1806 |
|
1,6 |
0,35 |
- |
- |
1,51 |
1,91 |
1,22 |
1,57 |
2730 |
1869 |
|
1,6 |
0,40 |
- |
- |
- |
2,00 |
1,28 |
1,64 |
2940 |
1953 |
|
1,6 |
0,60 |
- |
- |
- |
- |
- |
1,74 |
- |
2100 |
|
1,8 |
0,10 |
1,51 |
1,86 |
- |
- |
- |
- |
2016 |
1680 |
|
1,8 |
0,15 |
1,80 |
2,20 |
1,38 |
1,52 |
1,16 |
1,43 |
2226 |
1764 |
|
1,8 |
0,20 |
1,91 |
2,44 |
1,55 |
1,76 |
1,30 |
1,60 |
2436 |
1848 |
|
1,8 |
0,25 |
2,03 |
2,59 |
1,66 |
1,97 |
1,44 |
1,77 |
2688 |
1932 |
|
1,8 |
0, 30 |
- |
2,69 |
1,72 |
2,11 |
1,48 |
1,87 |
2898 |
2016 |
|
1,8 |
0,35 |
- |
- |
1,75 |
2,24 |
1,54 |
1,93 |
3108 |
2100 |
|
1,8 |
0,40 |
- |
- |
- |
2,32 |
1,62 |
2,00 |
3339 |
2184 |
|
1,8 |
0,60 |
- |
- |
- |
- |
- |
2,09 |
- |
2352 |
|
2,0 |
0,15 |
2,04 |
2,55 |
1,62 |
1,74 |
- |
- |
2478 |
1974 |
|
2,0 |
0,20 |
2,32 |
2,81 |
1,81 |
2,03 |
1,44 |
- |
2478 |
2058 |
|
2,0 |
0,25 |
2,62 |
3,16 |
2,01 |
2,24 |
1,57 |
1,91 |
2961 |
2142 |
|
2,0 |
0,30 |
- |
- |
2,09 |
2,44 |
1,67 |
2,03 |
3234 |
2226 |
|
2,0 |
0,35 |
- |
- |
- |
- |
1,77 |
2,16 |
3444 |
2331 |
Q - тепловые потери, Вт/м;
r - удельная теплота плавления льда или замерзания воды, кДж/кг (336 кДж/кг);
gс - объемный вес скелета мерзлого грунта, кгс/м3;
g0 - объемный вес мерзлого грунта, кгс/м3;
wc - суммарная весовая влажность грунта в долях единицы;
wн - весовое содержание незамерзшей воды в долях единицы;
определяется по формуле
wн = Kн wp, (70)
Kн - коэффициент, принимаемый по табл. 5 в зависимости от вида грунта, числа пластичности wп и температуры мерзлого грунта;
wp - влажность на границе раскатывания, доли единицы:
С - удельная теплоемкость теплоносителя, кДж/(кг×°С);
G - весовой расход теплоносителя, кг/ч;
v - коэффициент, зависящий от степени заполнения трубопровода;
t - время, ч.
В расчетах необходимо привести в соответствие единицы измерения всех величин, входящих в формулы, для чего единицы измерения объемной теплоемкости Ст, См, удельной теплоемкости С, удельной теплоты плавления льда r, теплоты таяния льда в 1 м3 грунта q должны быть переведены соответственно в Вт×ч/(м3×°С), Вт×ч/(кг×°С), Вт×ч/кг, Вт×ч/м3, что достигается делением их на 3,6.
Таблица 5
Значение Кн
|
Грунт |
Число пластичности |
Температура грунтов, °С |
|||
|
минус 0,3 |
минус 0,5 |
минус 1 |
минус 2 |
||
|
Пески |
wп £ 1 |
0 |
0 |
0 |
0 |
|
Супеси |
1 < wп £ 2 2 < wп £ 7 |
0 0,6 |
0 0,5 |
0 0,4 |
0 0,35 |
|
Суглинки |
7 < wп £ 13 13 < wп £ 17 |
0,7 1 |
0,65 0,75 |
0,6 0,65 |
0,50 0,55 |
|
Глины |
wп £ 17 |
1 |
0,95 |
0,9 |
0,65 |
Пример 1. Определить среднегодовую температуру грунта, глубину сезонного оттаивания Нт и расчетную температуру грунта tг в районе Игарки для участка за пределами застройки. Глубина заложения трубопровода h = l,5 м. Грунт - суглинок суммарной влажностью wc = 0,3, пределом раскатывания wр = 0,15, числом пластичности wп = 8, с объемным весом g0 = 1600 кгс/м3. Среднегодовая температура грунта минус 2° С.
Согласно данным главы СНиП по строительной климатологии и геофизике основные климатические показатели для данного района следующие:
продолжительность зимнего периода tз = 240дн. = 5760ч;
продолжительность летнего периода tл = 125 дн. = 3000 ч;
сумма отрицательных градусо-часов температуры воздуха
Wз = ‑ (28,6×720 + 25,6×720 + 20,0×720 + 11,7×720 + 2,6×720 + 6,7×720 + 6,7×720 + 21,2×720 + +27,2×720) = ‑ 103390° C/ч;
сумма положительных градусо-часов температуры воздуха
Wл = (7,7×720+14,8×720+11,6×720+4,7×720) = 27940° С/ч;
среднезимняя температура воздуха

среднелетняя температура воздуха
![]()
среднезимняя толщина снежного покрова Нс = 0,45 м (по данным местной метеостанции).
Значения теплофизических характеристик грунта определяются по табл. 4. При wc = 0,3 и g0 = 1600 кгс/м3 получаем:
lт = 1,16 Вт/(м×°С); lм = 1,51 Вт/(м×°С);
Ст = 2562 кДж/(м3×°С); См = 1806 кДж/(м3×°С).
Коэффициент теплопроводности снега lс = 0,26 Вт/(м×°С) (по табл. 3).
Приводим единицы измерения величин Ст, См в соответствии с единицами измерения других величин, входящих в формулы:
Вт×ч/(м3×°С)
Вт×ч/(м3×°С)
Задаваясь значением среднегодовой температуры грунта в данном районе t0 = - 2° С, по формуле (70) определяется расчетное количество незамерзшей воды в грунте wн = 0,50×0,15 = 0,075. Величина удельной теплоты таяния льда в грунте q вычисляется по формуле (69):
Вт×ч/м3.
По формулам (68) и (12) определяются значения параметров j и m:
м;
;
.
Расчетная температура грунта tr определяется по формуле (11).
Находятся коэффициенты А = 1,9×10-4 (по номограмме рис. 33 при tз = 5760) и В = 0,28 (по номограмме рис. 34 при j = 47,5 и m = 27,3). Подставляя эти значения коэффициентов А и В в формулу (11), получаем
Tг = - 2 - 103390×1,9×10-4 ×0,28= - 7,5° C.
Глубина сезонного оттаивания
грунта рассчитывается по формуле (14).
Предварительно по формулам (15), (16) вычисляются значения t1, t1, q1 и значение комплекса ![]()
t1 = l,4×9,3 + 2,4 = 3,7° C;
t1 = 1,15×3000 + 360 = 3800 ч;
q1 = 25754 + 0,5×712×9,3 = 29065 Вт×ч/м3;
![]()
По значению
по графику (см. рис. 35) определяется коэффициент h = 0,47 и коэффициент К0 =
0,75 (при t0 =- 2,0° С). По значениям К0 = 0,75 и tз = 8 мес по номограмме (см. рис. 35) находится коэффициент Kм = 5,6.
По формуле (17) вычисляется величина Qм.
Вт×ч/м.
Искомая глубина сезонного протаивания грунта Нт вычисляется по формуле (14)
м.
Пример 2. Определить температуру воды в начале напорного водовода, если образование ледяной корки в трубе не допускается. Радиус стальной трубы водовода r = 0,25 м. Длина водовода l = 20000 м. Расход воды G =1000000 кг/ч. Теплоизоляция трубы - стеклянный войлок толщиной dи = 0,1 м; коэффициент его теплопроводности lи = 0,03 Вт/(м×°С). Минимальная среднесуточная температура воздуха tв = - 50° С. Скорость ветра v =0,6 м/с. Скорость воды при заданном расходе vв = 1,5 м/с. По формуле (22) определяем значение
Вт/(м×°С).
По формуле (20) вычисляется значение
м×°С/Вт
По формуле (23) определяется значение
Вт/(м2×°С)
Значение Rн вычисляется по формуле (21):
м×°С/Вт.
По формуле (19) определяется величина коэффициента:
.
Температура воды в начале водовода должна быть не менее рассчитанной, по формуле (18):
° С.
Пример 3. Определить расход воздуха, необходимый для вентилирования канала при сохранении грунтов основания в мерзлом состоянии.
В железобетонном канале с внутренним сечением 1´1 м проложены прямая и обратная трубы теплопровода радиусами rпр = rоб = 0,15 м. Трубы изолированы шлаковатой слоем dи.пр=0,07 м и dи.об=0,05 м. Толщина стенки канала 0,1 м. Глубина заложения до верха канала 0,5 м. Температура теплоносителя tпр = 90° С и tоб = 70° С. Расход теплоносителя G = 100000 кг/ч, его теплоемкость С = 4,2 кДж/(кг×°С), теплоемкость воздуха Св = 11,008 кДж/(кг×°С).
Климатические условия: среднелетняя температура воздуха tл = 9,5° С; среднезимняя температура воздуха tз = -25° С; среднезимняя высота снежного покрова Нс = 0,3 м.
Продолжительность летнего периода tл = 5 мес = 3600 ч, продолжительность зимнего периода tз = 7 мec = 5100 ч.
Теплофизические свойства грунтов и материалов:
lм = 1,86 Bт/(м×°C); lт = 1,39 Вт/(м×°С);
lс = 0,35 Вт/(м×°С); lи = 0,06 Вт/(м×°С);
lк = 0,8 Вт/(м×°С); q = 100800 кДж/м3; aн = 14 Вт/(м2×°С).
Предварительно приведем единицы измерения величин С, Св в соответствие с единицами измерения других величин, входящих в формулы:
Вт×ч/(кг×°С);
Вт×ч/(кг×°С);
Вт×ч/м3.
Вычисляем по формулам (30) и (36) значения:

![]()
Определим значение параметра J по формуле (29):
![]()
По графику рис. 38 по значению J = 1,2 находим величину x = 1,3.
Глубина летнего оттаивания грунтов под каналом по формуле (28) равна:
м.
Далее определяются величины Кпр и Коб:
для прямой трубы по формуле (32)

для обратной трубы по формуле (33)

Расход воздуха, кг/ч, для вентиляции 1 м канала в летний период по формуле (31) равен:

Для промерзания грунтов под каналом зимой достаточно поддерживать в канале температуру, формула (34):

Определим расход воздуха для вентилирования 1 м канала в зимний период по формуле (35)
кг/ч
Пример 4. Требуется определить допустимую среднегодовую температуру воздуха в канале tдоп при заданном оттаивании грунта через t = 25 лет в сторону от канала Lз = 8 м. Внутреннее сечение канала 0,6´1,2 м; глубина его заложения (до середины канала) h = 1,3 м. Коэффициенты теплопроводности грунта: lт = 1,16 Вт/(м×°С), lм = 1,39 Вт/(м×°С); теплота таяния грунта q =15000 Вт×ч/(м3×°С).
Среднегодовая температура вечномерзлого грунта t0 = - 0,8°С. По формулам (42), (43) и (52) вычисляем:
![]()
![]()
Задаемся значением tдоп = 20° С. По формуле (48) вычисляем
![]()
По значениям т = 2,3; j = 14 и b = 0,05 по номограмме (см. рис. 41) находим J =0,18×1000.
По формуле (49) вычисляем
.
Расхождения между заданным и полученным значением tдоп менее 5°. Поэтому окончательно можно принять tдоп =16° С.
Пример 5. Требуется определить температуру воды в конце напорного стального водовода радиусом r = 0,05 м, длиной l = 3000 м и расходом воды G = 30000 кг/ч. Глубина заложения водовода h = 0,7 м. Температура поступающей в водовод воды равна tн = 6° С.
Грунт - суглинок объемным весом g0 = 1600 кг/м3, суммарной влажностью wc = 0,2. Минимальная температура грунта на глубине заложения водовода tг = ‑ 15° С.
Предварительно по табл. 4 определяются коэффициенты теплопроводности грунта в мерзлом состоянии. Они соответственно равны:
lм = 1,30 Bт/(м×°C); lт = 1,02 Вт/(м×°С);
По формуле (57) определяется величина коэффициента теплопередачи.
Предварительно по графику рис. 42 для
= 14 находим R0 =
0,53.
Тогда
Вт/(м×°С).
По формуле (54) вычисляется температура воды в конце водовода.
Предварительно определяем по выражению (56) значение
![]()
Тогда по формуле (54)
![]()
Пример 6. Требуется определить температуру воды в водоводе, необходимую для образования вокруг трубопровода талого слоя, толщина которого над верхней образующей трубы равна радиусу трубопровода; необходимую теплопроизводительность греющего кабеля, уложенного вдоль стального водовода.
Радиус трубы r = 0,1 м, длина водовода l = 1700 м, глубина заложения h = l,2 м. Температура грунта tг =- 9,5°С. Коэффициент теплопроводности грунта lг = 1,9 Вт/(м×°С). Коэффициент, учитывающий непроизводительные затраты тепла, выделяемого греющим кабелем, и неоднородность грунтовых условий, К = 1,25.
Температуру воды в водоводе, необходимую для образования над трубой талика толщиной rн, определим по формуле (59):

Тепловые потери водовода во время аварии найдем по формуле (63):

Необходимая теплопроизводительность греющего кабеля определяется по формуле (64): Кг.к = 47×1,25 = 58,8 Вт/м.
На всю длину трубопровода
58,8×1700 = 99960 Вт = 99,96 кВт.
|
х |
ex |
e-х |
х |
ex |
e-х |
|
0,00 |
1,000 |
1,000 |
47 |
1,600 |
0,625 |
|
01 |
1,010 |
0,990 |
48 |
1,616 |
0,619 |
|
02 |
1,020 |
0,980 |
49 |
1,632 |
0,613 |
|
03 |
1,031 |
0,970 |
0,50 |
1,649 |
0,607 |
|
04 |
1,041 |
0,9,61 |
51 |
1,665 |
0,601 |
|
0,05 |
1,051 |
0,951 |
52 |
1,682 |
0,595 |
|
06 |
1,062 |
0,942 |
53 |
1,699 |
0,589 |
|
07 |
1,073 |
0,932 |
54 |
1,716 |
0,583 |
|
08 |
1,083 |
0,923 |
0,55 |
1,773 |
0,577 |
|
09 |
1,094 |
0,914 |
56 |
1,751 |
0,571 |
|
0,10 |
1,105 |
0,905, |
57 |
1,768 |
0,566 |
|
11 |
1,116 |
0,896 |
58 |
1,786 |
0,560 |
|
12 |
1,128 |
0,887 |
59 |
1,804 |
0,554 |
|
13 |
1,139 |
0,878 |
0,60 |
1,822 |
0,549 |
|
14 |
1,150 |
0,869 |
61 |
1,840 |
0,543 |
|
0,15 |
1,162 |
0,861 |
62 |
1,859 |
0,538 |
|
16 |
1,174 |
0,852 |
63 |
1,878 |
0,533 |
|
17 |
1,185 |
0,844 |
64 |
1,897 |
0,527 |
|
18 |
1,197 |
0,835 |
0,65 |
1,916 |
0,522 |
|
19 |
1,209 |
0,827 |
66 |
1,935 |
0,517 |
|
0,20 |
1,221 |
0,819 |
67 |
1,954 |
0,512 |
|
21 |
1,234 |
0,811 |
68 |
1,974 |
0,507 |
|
22 |
1,246 |
0,803 |
69 |
1,994 |
0,502 |
|
23 |
1,259 |
0,795 |
0,70 |
2,014 |
0,497 |
|
24 |
1,271 |
0,787 |
71 |
2,034 |
0,492 |
|
0,25 |
1,284 |
0,779 |
72 |
2,054 |
0,487 |
|
26 |
1,297 |
0,771 |
73 |
2,075 |
0,482 |
|
27 |
1,310 |
0,763 |
74 |
2,096 |
0,477 |
|
28 |
1,321 |
0,756 |
0,75 |
2,117 |
0,472 |
|
29 |
1,336 |
0,748 |
76 |
2,138 |
0,468 |
|
0,30 |
1,350 |
0,741 |
77 |
2,160 |
0,463 |
|
31 |
1,363 |
0,733 |
78 |
2,182 |
0,458 |
|
32 |
1,377 |
0,726 |
79 |
2,203 |
0,454 |
|
33 |
1,391 |
0,719 |
0,80 |
2,226 |
0,449 |
|
34 |
1,405 |
0,712 |
81 |
2,248 |
0,44,5 |
|
0,35 |
1,419 |
0,705 |
82 |
2,271 |
0,440 |
|
36 |
1,433 |
0,698 |
83 |
2,293 |
0,436 |
|
37 |
1,448 |
0,691 |
84 |
2,316 |
0,432 |
|
38 |
1,462 |
0,684 |
0,85 |
2,340 |
0,427 |
|
39 |
1,477 |
0,677 |
86 |
2,363 |
0,423 |
|
0,40 |
1,492 |
0,670 |
87 |
2,387 |
0,419 |
|
41 |
1,507 |
0,664 |
88 |
2,411 |
0,415 |
|
42 |
1,522 |
0,657 |
89 |
2,435 |
0,411 |
|
43 |
1,537 |
0,651 |
0,90 |
2,460 |
0,407 |
|
44 |
1,553 |
0,644 |
91 |
2,484 |
0,403 |
|
0,45 |
1,568 |
0,638 |
92 |
2,509 |
0,399 |
|
46 |
1,584 |
0,631 |
93 |
2,535 |
0,395 |
|
94 |
2,560 |
0,391 |
44 |
4,221 |
0,237 |
|
0,95 |
2,586 |
0,387 |
1,45 |
4,263 |
0,235 |
|
96 |
2,612 |
0„383 |
46 |
4,306 |
0,232 |
|
97 |
2,638 |
0,379 |
47 |
4,349 |
0,230 |
|
98 |
2,665 |
0,375 |
48 |
4,393 |
0,228 |
|
99 |
2,691 |
0,372 |
49 |
4,437 |
0,225 |
|
1,00 |
2,718 |
0,368 |
1,50 |
4,482 |
0,223 |
|
01 |
2,746 |
0,364 |
51 |
4,527 |
0,221 |
|
02 |
2,773 |
0,361 |
52 |
4,572 |
0,219 |
|
03 |
2,801 |
0,357 |
53 |
4,618 |
0,217 |
|
04 |
2,829 |
0,354 |
54 |
4,665 |
0,214 |
|
1,05 |
2,858 |
0,350 |
1,55 |
4,712 |
0,212 |
|
06 |
2,886 |
,0,347 |
56 |
4,759 |
0,210 |
|
07 |
2,915 |
0,343 |
57 |
4,807 |
0,208 |
|
08 |
2,945 |
0,340 |
58 |
4,855 |
0,206 |
|
09 |
2,974 |
0„336 |
59 |
4,904 |
0,204 |
|
1,10 |
3,004 |
0,333 |
1,60 |
4,953 |
0„202 |
|
11 |
3,034 |
0,330 |
61 |
5,003 |
0,200 |
|
12 |
3,065 |
0,326 |
62 |
5,053 |
0,198 |
|
13 |
3,096 |
0,323 |
63 |
5,104 |
0,196 |
|
14 |
3,127 |
0,320 |
64 |
5,155 |
0,194 |
|
1,15 |
3,158 |
0,317 |
1,65 |
5,207 |
0,192 |
|
16 |
3,190 |
0,314 |
66 |
5,259 |
0,190 |
|
17 |
3,222 |
0,310 |
67 |
5,312 |
0,188 |
|
18 |
3,254 |
0,307 |
68 |
5,366 |
0,186 |
|
19 |
3,287 |
0,304 |
69 |
5,420 |
0,185 |
|
1,20 |
3,320 |
0,301 |
1,70 |
5,474 |
0,183 |
|
21 |
3,354 |
0,298 |
71 |
5,529 |
0,181 |
|
22 |
3,387 |
0,295 |
72 |
5,585 |
0,179 |
|
23 |
3,421 |
0,292 |
73 |
5,641 |
0,177 |
|
24 |
3,456 |
0,289 |
74 |
5,697 |
0,176 |
|
1,25 |
3,490 |
0,287 |
1,75 |
5,755 |
0,174 |
|
26 |
3,525 |
0,284 |
76 |
5,812 |
0,172 |
|
27 |
3,561 |
0,281 |
77 |
5,871 |
0,170 |
|
28 |
3,597 |
0,279 |
78 |
5,930 |
0,169 |
|
29 |
3,633 |
0,275 |
79 |
5,990 |
0,167 |
|
1,30 |
3,669 |
0,273 |
1,80 |
6,050 |
0,165 |
|
31 |
3,706 |
0,270 |
81 |
6,110 |
0,164 |
|
32 |
3,743 |
0,267 |
82 |
6,172 |
0,162 |
|
33 |
3,781 |
0,265 |
83 |
6,234 |
0,160 |
|
34 |
3,819 |
0,262 |
84 |
6,297 |
0,159 |
|
1,35 |
3,857 |
0,259 |
1,85 |
6,360 |
0,157 |
|
36 |
3,896 |
0,257 |
86 |
6,424 |
0,156 |
|
37 |
3,935 |
0,254 |
87 |
6,488 |
0,154 |
|
38 |
3,975 |
0,252 |
88 |
6,554 |
0,153 |
|
39 |
4,015 |
0,249 |
89 |
6,619 |
0,151 |
|
1,40 |
4,055 |
0,247 |
1,90 |
6,686 |
0,150 |
|
41 |
4,096 |
0,244 |
91 |
6,753 |
0,148 |
|
42 |
4,137 |
0,242 |
92 |
6,821 |
0,147 |
|
43 |
4,179 |
0,239 |
93 |
6,890 |
0,145 |
|
94 |
6,959 |
0,144 |
44 |
11,47 |
0,0872 |
|
1,95 |
7,029 |
0,142 |
2,45 |
11,59 |
0,0863 |
|
96 |
7,099 |
0,141 |
46 |
11,71 |
0,0854 |
|
97 |
7,171 |
0,140 |
47 |
11,82 |
0,0846 |
|
98 |
7,243 |
0,138 |
48 |
11,94 |
0,0837 |
|
99 |
7,316 |
0,137 |
49 |
12,06 |
0,0829 |
|
2,00 |
7,389 |
0,135 |
2,50 |
12,18 |
0,0821 |
|
01 |
7,463 |
0,134 |
51 |
12,31 |
0,0813 |
|
02 |
7,538 |
0,133 |
52 |
12,43 |
0,0805 |
|
03 |
7,614 |
0,131 |
53 |
12,55 |
0,0797 |
|
04 |
7,691 |
0,130 |
54 |
12,68 |
0,0789 |
|
2,05 |
7,768 |
0,129 |
2,55 |
12,81 |
0,0781 |
|
06 |
7,846 |
0,128 |
56 |
12,94 |
0,0,773 |
|
07 |
7,925 |
0,126 |
57 |
13,07 |
0,0765 |
|
08 |
8,005 |
0,125 |
58 |
13,20 |
0,0758 |
|
09 |
8,085 |
0,124 |
59 |
13,33 |
0,0750 |
|
2,10 |
8,166 |
0,123 |
2,60 |
13,46 |
0,0743 |
|
11 |
8,248 |
0,121 |
61 |
13,60 |
0,0735 |
|
12 |
8,331 |
0120 |
62 |
13,74 |
0,0728 |
|
13 |
8,415 |
0,119 |
63 |
13,87 |
0,0721 |
|
14 |
8,499 |
0,118 |
64 |
14,01 |
0,0714 |
|
2,15 |
8,585 |
0,117 |
2,65 |
14,15 |
0,0707 |
|
16 |
8,671 |
0,115 |
66 |
14,30 |
0,0700 |
|
17 |
8,758 |
0,114 |
67 |
14,44 |
0,0693 |
|
18 |
8,846 |
0,113 |
68 |
14,59 |
0,0686 |
|
19 |
8,935 |
0,112 |
69 |
14,73 |
0,0679 |
|
2,20 |
9,025 |
0,111 |
2,70 |
14,88 |
0,0672 |
|
21 |
9,116 |
0,110 |
71 |
15,03 |
0,0665 |
|
22 |
9,207 |
0,109 |
72 |
15,18 |
0,0659 |
|
23 |
9,300 |
0,108 |
73 |
15,33 |
0,0652 |
|
24 |
9,393 |
0,107 |
74 |
15,49 |
0,064,6 |
|
2,25 |
9,488 |
0,105 |
2,75 |
15,64 |
0,0639 |
|
26 |
9,583 |
0,104 |
76 |
15,80 |
0,0633 |
|
27 |
9,679 |
0,103 |
77 |
15,96 |
0,0627 |
|
28 |
9,777 |
0,102 |
78 |
16,12 |
0,0620 |
|
29 |
9,875 |
0,101 |
79 |
16,28 |
0,0614 |
|
2,30 |
9,974 |
0,100 |
2,80 |
16,45 |
0,0608 |
|
31 |
10,07 |
0,099 |
81 |
16,61 |
0,0602 |
|
32 |
10,18 |
0,0983 |
82 |
16,78 |
0,0596 |
|
33 |
10,28 |
0,0973 |
83 |
16,95 |
0,0590 |
|
34 |
10,38 |
0,0963 |
84 |
17,12 |
0,0584 |
|
2,35 |
10,49 |
0,0954 |
2,85 |
17,29 |
0,0578 |
|
36 |
10,59 |
0,0944 |
86 |
17,46 |
0,0573 |
|
37 |
10,70 |
0,0935 |
87 |
17,64 |
0,0567 |
|
38 |
10,81 |
0,0926 |
88 |
17,81 |
0,0561 |
|
39 |
10,92 |
0,0916 |
89 |
17,99 |
0,0566 |
|
2,40 |
11,02 |
0,0907 |
2,90 |
18,17 |
0,0550 |
|
41 |
11,13 |
0,0898 |
91 |
18,36 |
0,0545 |
|
42 |
11,25 |
0,0889 |
92 |
18,54 |
0,0639 |
|
43 |
11,36 |
0,0880 |
93 |
18,73 |
0,0534 |
|
94 |
18,92 |
0,0529 |
44 |
31,19 |
0,0321 |
|
2,95 |
19,11 |
0,0523 |
3,45 |
31,50 |
0,0318 |
|
96 |
19,30 |
0,0518 |
46 |
31,82 |
0,0314 |
|
97 |
19,49 |
0,0513 |
47 |
32,14 |
0,0311 |
|
98 |
19,69 |
0,0508 |
48 |
32,46 |
0,0308 |
|
99 |
19,89 |
0,0503 |
49 |
32,79 |
0,0305 |
|
3,00 |
20,09 |
0,0498 |
3,50 |
33,12 |
0,03,02 |
|
01 |
20,29 |
0,0493 |
51 |
33,45 |
0,0299 |
|
02 |
20,49 |
0,0488 |
52 |
33,78 |
0,0296 |
|
03 |
20,70 |
0,0483 |
53 |
34,12 |
0,0293 |
|
04 |
20,91 |
0,0478 |
54 |
34,47 |
0,0290 |
|
3,05 |
21,12 |
0,0474 |
3,55 |
34,81 |
0,0287 |
|
06 |
21,33 |
0,0469 |
56 |
35,16 |
0,0284 |
|
07 |
21,54 |
0,0464 |
57 |
35,52 |
0,0282 |
|
08 |
21,76 |
0,0460 |
58 |
35,87 |
0,0279 |
|
09 |
21,98 |
0,0455 |
59 |
36,23 |
0,0276 |
|
3,10 |
22,20 |
0,045,1 |
3,60 |
36,60 |
0,0273 |
|
11 |
22,42 |
0,0446 |
61 |
36,97 |
0,0271 |
|
12 |
22,65 |
0,0442 |
62 |
37,34 |
0,0268 |
|
13 |
22,87 |
0,0437 |
63 |
37,71 |
0,0265 |
|
14 |
23,10 |
0,0433 |
64 |
38,09 |
0,02,63 |
|
3,15 |
23,34 |
0„0429 |
3,65 |
38,48 |
0,0260 |
|
16 |
23,57 |
0,0424 |
66 |
38,86 |
0,0257 |
|
17 |
23,81 |
0,0420 |
67 |
39,25 |
0,0255 |
|
18 |
24,05 |
0,0416 |
68 |
39,65 |
0,0252 |
|
19 |
24,29 |
0,0412 |
69 |
40,05 |
0,0250 |
|
3,20 |
24,53 |
0,0408 |
3,70 |
40,45 |
0,0247 |
|
21 |
24,78 |
0,0404 |
71 |
40,85 |
0,0245 |
|
22 |
25,03 |
0,0400| |
72 |
41,26 |
0,0242 |
|
23 |
25,28 |
0,0396 |
73 |
41,68 |
0,0240 |
|
24 |
25,53 |
0,0392 |
74 |
42,10 |
0,0238 |
|
3,25 |
25,79 |
0,0388 |
3,75 |
42,52 |
0,0235 |
|
26 |
26,05 |
0,0384 |
76 |
42,95 |
0,0233 |
|
27 |
26,31 |
0,0380 |
77 |
43,38 |
0,0231 |
|
28 |
26,58 |
0,0376 |
78 |
43,82 |
0,0228 |
|
29 |
26,84 |
0,0373 |
79 |
44,26 |
0,0226 |
|
3,30 |
27,11 |
0,0369 |
3,80 |
44,70 |
0,0224 |
|
31 |
27,39 |
0,0365 |
81 |
45,15 |
0,0222 |
|
32 |
27,66 |
0,0362 |
82 |
45,60 |
0,0219 |
|
33 |
27,94 |
0,0358 |
83 |
46,06 |
0,0217 |
|
34 |
28,22 |
0,0354 |
84 |
46,53 |
0,0215 |
|
3,35 |
28,50 |
0,0351 |
3,85 |
46,99 |
0,0213 |
|
36 |
28,79 |
0,0347 |
86 |
47,47 |
0,0211 |
|
37 |
29,08 |
0,0344 |
87 |
47,94 |
0,0209 |
|
38 |
29,37 |
0,0341 |
88 |
48,42 |
0,0207 |
|
39 |
29,67 |
0,0337 |
89 |
48,91 |
0,0205 |
|
3,40 |
29,96 |
0,0334 |
3,90 |
49,40 |
0,0202 |
|
41 |
30,27 |
0,0330 |
91 |
49,90 |
0,0200 |
|
42 |
30,57 |
0,0327 |
92 |
50,40 |
0,0198 |
|
43 |
30,88 |
0,0324 |
93 |
50,91 |
0,0196 |
|
94 |
51,42 |
0,0195 |
6,8 |
897,9 |
0,00111 |
|
3,95 |
51,94 |
0,0193 |
6,9 |
992,3 |
0,00111 |
|
96 |
52,46 |
0,0191 |
7,0 |
1097 |
0,000912 |
|
97 |
52,99 |
0,0189 |
7,1 |
1212 |
0,000825 |
|
98 |
53,52 |
0,0187 |
7,2 |
1339 |
0,000747 |
|
99 |
54,06 |
0,0185 |
7,3 |
1480 |
0,000677 |
|
4,00 |
54,60 |
0,0183 |
7,4 |
1636 |
0,000611 |
|
4,1 |
60,34 |
0,0166 |
7,5 |
1808 |
0,000553 |
|
4,2 |
66,69 |
0,0150 |
7,6 |
1998 |
0,000500 |
|
4,3 |
75,70 |
0,0136 |
7,7 |
2208 |
0,000453 |
|
4,4 |
81,45 |
0,0123 |
7,8 |
2441 |
0,000410 |
|
4,5 |
90,02 |
0,0111 |
7,9 |
2697 |
0,000371 |
|
4,6 |
99,48 |
0,0101 |
8,0 |
2981 |
0,000335 |
|
4,7 |
110,0 |
0,00910 |
8,1 |
3295 |
0,000304 |
|
4,8 |
121,5 |
0,00823 |
8,2 |
3641 |
0,000275 |
|
4,9 |
134,3 |
0,00745 |
8,3 |
4024 |
0,000249 |
|
5,0 |
148,4 |
0,00674 |
8,4 |
4447 |
0,000225 |
|
5,1 |
164,0 |
0,00610 |
8,5 |
4915 |
0,000203 |
|
5,2 |
181,3 |
0,00552 |
8,6 |
5432 |
0,000184 |
|
5,3 |
200,3 |
0,00499 |
8,7 |
6003 |
0,000167 |
|
5,4 |
221,4 |
0,00452 |
8,8 |
6634 |
0,000151 |
|
5,5 |
244,7 |
0,00409 |
8,9 |
7332 |
0,000136 |
|
5,6 |
270,4 |
0,00370 |
9,0 |
8103 |
0,000123 |
|
5,7 |
298,9 |
0,00335 |
9,1 |
8955 |
0,000112 |
|
5,8 |
330,3 |
0,00303 |
9,2 |
9897 |
0.000101 |
|
5,9 |
365,0 |
0,00974 |
9,3 |
10938 |
0,000091 |
|
6,0 |
403,4 |
0,00248 |
9,4 |
12088 |
0,000083 |
|
6,1 |
445,9 |
0,00224 |
9,5 |
13360 |
0,000075 |
|
6,2 |
492,8 |
0,00203 |
9,6 |
14765 |
0,000068 |
|
6,3 |
544,6 |
0,00184 |
9,7 |
16318 |
0,000061 |
|
6,4 |
601,9 |
0,00166 |
9,8 |
18034 |
0,000055 |
|
6,5 |
665,1 |
0,00150 |
9,9 |
19930 |
0,000050 |
|
6,6 |
735,1 |
0,00135 |
10,0 |
22026 |
0,000045 |
|
6,7 |
812,4 |
0,00123 |
|
|
|
|
|
|
|