//
ТехЛит.ру
- крупнейшая бесплатная электронная интернет библиотека для "технически умных" людей.
WWW.TEHLIT.RU - ТЕХНИЧЕСКАЯ ЛИТЕРАТУРА

:: Алготрейдинг::


АЛГОТРЕЙДИНГ
шаг за шагом
с нуля по урокам!

Торговые роботы на PYTHON, BackTrader,
Pandas, Pine Script для TradingView. Связка с брокерами, телеграм и легкими приложениями.


МИНИСТЕРСТВО ТОПЛИВА И ЭНЕРГЕТИКИ РОССИЙСКОЙ ФЕДЕРАЦИИ

МЕТОДИЧЕСКИЕ УКАЗАНИЯ ПО СОСТАВЛЕНИЮ И СОДЕРЖАНИЮ ЭНЕРГЕТИЧЕСКИХ ХАРАКТЕРИСТИК ОБОРУДОВАНИЯ ТЕПЛОВЫХ ЭЛЕКТРОСТАНЦИЙ

РД 34.09.155-93

Москва

ЦПТИиТО ОРГРЭС

2006

Содержание

1. ТЕРМИНЫ И ОПРЕДЕЛЕНИЯ

2. ОБЩИЕ ПОЛОЖЕНИЯ

3. ОБЩИЕ ТРЕБОВАНИЯ К ЭНЭРГЕТИЧЕСКИМ ХАРАКТЕРИСТИКАМ ОБОРУДОВАНИЯ

4. ЭНЕРГЕТИЧЕСКИЕ ХАРАКТЕРИСТИКИ ТУРБОАГРЕГАТОВ

5. ЭНЕРГЕТИЧЕСКИЕ ХАРАКТЕРИСТИКИ ЭНЕРГЕТИЧЕСКИХ КОТЛОВ

6. ПИКОВЫЕ ВОДОГРЕЙНЫЕ КОТЛЫ

7. ЗАТРАТЫ ЭЛЕКТРОЭНЕРГИИ И ТЕПЛА НА ОБЩЕГРУППОВЫЕ МЕХАНИЗМЫ, АППАРАТЫ И УСТАНОВКИ СОБСТВЕННЫХ НУЖД ПОДГРУППЫ ОБОРУДОВАНИЯ И ТЕХНОЛОГИЧЕСКИЕ ПОТЕРИ ТЕПЛА, СВЯЗАННЫЕ С ЕГО ОТПУСКОМ

8. ПОЯСНИТЕЛЬНАЯ ЗАПИСКА

9. ТРЕБОВАНИЯ К ОФОРМЛЕНИЮ ЭНЕРГЕТИЧЕСКИХ ХАРАКТЕРИСТИК

Приложение 1

КОЭФФИЦИЕНТ, УЧИТЫВАЮЩИЙ ТОЧНОСТЬ ИСХОДНОГО МАТЕРИАЛА

Приложение 2

ДОПУСК НА ЭКСПЛУАТАЦИОННЫЕ УСЛОВИЯ

Приложение 3

ЧАСОВОЙ РАСХОД ПАРА, ВНУТРЕННЯЯ МОЩНОСТЬ И ДАВЛЕНИЕ ОТРАБОТАВШЕГО ПАРА ТУРВОПРИВОДА МЕХАНИЗМА СОБСТВЕННЫХ НУЖД ПОТРЕБЛЯЮЩЕГО ПАР ИЗ ОТБОРА ТУРБОАГРЕГАТА

Приложение 4

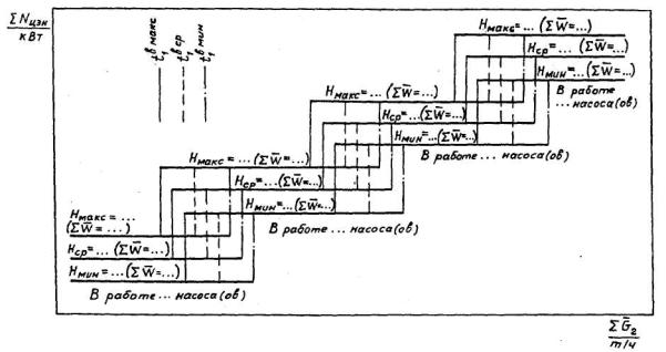
ФОРМА ПРЕДСТАВЛЕНИЯ ГРАФИЧЕСКИХ ЗАВИСИМОСТЕЙ ЭНЕРГЕТИЧЕСКИХ ХАРАКТЕРИСТИК ТУРБОАГРЕГАТА

Приложение 5

ФОРМА ПРЕДСТАВЛЕНИЯ ГРАФИЧЕСКИХ ЗАВИСИМОСТЕЙ ЭНЕРГЕТИЧЕСКИХ ХАРАКТЕРИСТИК КОТЛА

Приложение 6

ФОРМА ПРЕДСТАВЛЕНИЯ ГРАФИЧЕСКИХ ЗАВИСИМОСТЕЙ СОСТАВЛЯЩИХ РАСХОДА ЭЛЕКТРОЭНЕРГИИ НА МЕХАНИЗМЫ СОБСТВЕННЫХ НУЖД КОТЛОВ, ТУРБОАГРЕГАТОВ И СВЯЗАННЫХ С ОБЕСПЕЧЕНИЕМ ОТПУСКА ТЕПЛА С ПАРОМ И ГОРЯЧЕЙ ВОДОЙ

Приложение 7

ПЕРЕЧЕНЬ МЕХАНИЗМОВ И УСТАНОВОК ЭЛЕКТРИЧЕСКИХ СОБСТВЕННЫХ НУЖД ПОДГРУППЫ ОБОРУДОВАНИЯ

Приложение 8

ФОРМА ПРЕДСТАВЛЕНИЯ ГРАФИЧЕСКИХ ЗАВИСИМОСТЕЙ СОСТАВЛЯЮЩИХ РАСХОДА ТЕПЛА НА СОБСТВЕННЫЕ НУЖДЫ ПОДГРУППЫ ОБОРУДОВАНИЯ И ТЕХНОЛОГИЧЕСКИХ ПОТЕРЬ ТЕПЛА, СВЯЗАННЫХ С ЕГО ОТПУСКОМ

РАЗРАБОТАНО фирмой по наладке, совершенствованию технологии и эксплуатации электростанций и сетей ОРГРЭС

ИСПОЛНИТЕЛИ Н.Л. АСТАХОВ, В.Ф. КАЛИНОВ, М.С. МОЛОКАНОВ

УТВЕРЖДЕНО Министерством топлива и энергетики России 22.09.93г.

Первый заместитель министра В.Н. Костюнин

МЕТОДИЧЕСКИЕ УКАЗАНИЯ ПО СОСТАВЛЕНИЮ И СОДЕРЖАНИЮ ЭНЕРГЕТИЧЕСКИХ ХАРАКТЕРИСТИК ОБОРУДОВАНИЯ ТЕПЛОВЫХ ЭЛЕКТРОСТАНЦИЙ

РД 34.09.155-93

Срок действия установлен
без ограничения срока
(Измененная редакция, Изм. № 1).

Методические указания устанавливают содержание энергетических характеристик в зависимости от вида и типа оборудования, режима работы и условий его эксплуатации, перечень технико-экономических показателей, определяют характер их зависимости от нагрузки агрегатов и других параметров, устанавливают условия построения характеристик и порядок введения поправок на изменение этих условий.

Методические указания предназначены для работников электростанций, энергообъединений и наладочных организаций, разрабатывающих и пересматривающих энергетические характеристики оборудования.

1. ТЕРМИНЫ И ОПРЕДЕЛЕНИЯ

1.1. Энергетическая характеристика оборудования - комплекс зависимостей технико-экономических показателей его работы в абсолютном или относительном исчислении от нагрузки при оптимальных режимах работы, принятой тепловой схеме, фиксированных значениях внешних факторов, а также состоянии оборудования и уровне его эксплуатации, обеспечивающих выполнение требований действующих Правил технической эксплуатации электрических станций и сетей с учетом неустранимых дефектов проектирования, изготовления, монтажа и старения его.

Включает в себя систему поправок к отдельным показателям на изменение значений внешних факторов.

Отражает реально достижимую экономичность работы освоенного оборудования при указанных выше условиях.

1.2. Фиксированные условия - номинальные значения ряда параметров, наиболее вероятные значения внешних факторов, принятые при расчете и построении энергетических характеристик оборудования, характеризующиеся постоянными численными значениями или зависимостями.

1.3. Внешние факторы - объективные факторы, влияющие на экономичность работы оборудования, значения которых не зависят от деятельности производственного персонала электростанций.

1.4. Группа оборудования - совокупность конденсационных турбоагрегатов или турбоагрегатов с регулируемыми отборами пара с одинаковыми параметрами свежего пара (а для энергоблоков еще и одинаковой мощностью), а также всех котлов (как пылеугольных, так и газомазутных), обеспечивающих работу данных турбоагрегатов.

1.5. Подгруппа энергоблоков - совокупность только пылеугольных или газомазутных котлов и работающих совместно с ними конденсационных или теплофикационных турбоагрегатов с соответствующим давлением свежего пара и одинаковой мощностью.

Подгруппа оборудования с поперечными связями - совокупность конденсационных или теплофикационных турбоагрегатов с одинаковыми параметрами свежего пара и котлов, обеспечивающих работу данных турбоагрегатов. Если на общий коллектор свежего пара работают пылеугольные и газомазутные котлы, подгруппа оборудования условно считается пылеугольной.

1.6. Старение оборудования - технологически невосстанавливаемый ремонтами естественный физический износ оборудования при длительной его эксплуатации, приводящий к ухудшению технического состояния, снижению надежности и экономичности работы.

1.7. Основные технико-экономические показатели - показатели работы оборудования, обобщенно характеризующие экономичность агрегата, установки или механизма.

Для котла основным показателем является КПД брутто, для турбоагрегата - удельный расход тепла брутто на производство электроэнергии (для турбоагрегата с противодавлением, и при работе в режиме с полным использованием тепла отработавшего пара также и развиваемая ими нормативная мощность), для механизмов собственных нужд под группы оборудования - затраты мощности, абсолютный или удельный расход электроэнергии, для установок и аппаратов тепловых собственных нужд под группы оборудования - абсолютный, часовой или удельный расход тепла.

1.8. Промежуточные технико-экономические показатели - показатели работы, характеризующие отдельные стороны работы оборудования, экономичность работы отдельных механизмов и аппаратов, относящихся к котлу, турбоагрегату или установке, или отдельных процессов, входящих в цикл производства и отпуска электроэнергии и тепла.

1.9. Исходно-номинальное значение технико-экономических показателей - значение этих показателей, определенное по энергетическим характеристикам при фиксированных значениях внешних факторов и заданном значении нагрузки, часовой производительности, расхода энергоносителя (или транспортируемого вещества) или другого нормообразующего показателя.

1.10. Номинальное значение технико-экономических показателей - значение этих показателей, определенное путем введения к их исходно-номинальному значению поправок на отклонение фактических значений внешних факторов от фиксированных.

1.11. Нормирование технико-экономических показателей работы оборудования - установление исходно-номинальных и номинальных значений этих показателей на какой-либо период.

1.12. Нормируемый объект - единичный агрегат или комплекс оборудования (энергоблок, подгруппа оборудования, электростанция), для которого производится нормирование технико-экономических показателей его работы.

2. ОБЩИЕ ПОЛОЖЕНИЯ

2.1. Основные задачи нормирования - обеспечение применения в энергетике технически обоснованных нормативных значений расхода топлива, тепловой и электрической энергии для осуществления режима экономии, проведения объективного анализа работы оборудования ТЭС, определения путей сокращения нерационального расхода топлива.

2.2. Технической базой нормирования являются энергетические характеристики котлов и турбоагрегатов и исходно-номинальные расходы электроэнергии и тепла на подгрупповые (общегрупповые, общестанционные) механизмы, аппараты и установки собственных производственных нужд.

2.3. Нормирование технико-экономических показателей работы группы оборудования должно быть объективным, т.е. учитывать состав и режим работы оборудования, условия водо- и теплоснабжения, климатические условия, схему отпуска электроэнергии и тепла, требования надежности, безопасности, охраны окружающей среды, ирригации и рыбоводства.

2.4. Энергетические характеристики составляются для каждой подгруппы оборудования электростанции.

3. ОБЩИЕ ТРЕБОВАНИЯ К ЭНЭРГЕТИЧЕСКИМ ХАРАКТЕРИСТИКАМ ОБОРУДОВАНИЯ

3.1. Состав энергетических характеристик подгруппы оборудования

3.1.1. Энергетические характеристики подгруппы оборудования включают в себя:

энергетические характеристики котлов;

энергетические характеристики турбоагрегатов;

зависимости затрат мощности, электроэнергии и тепла на собственные нужды подгруппы оборудования;

зависимости технологических потерь тепла, связанных с его отпуском;

пояснительную записку.

3.1.2. Энергетические характеристики котлов и турбоагрегатов представляются в виде графических и аналитических зависимостей основных и промежуточных показателей их работы, а также затрат мощности, абсолютных, часовых, удельных расходов электроэнергии и тепла на индивидуальные механизмы собственных нужд от часовой тепло- и паропроизводительности, электрической мощности и часового отпуска тепла из регулируемых отборов пара (противодавления).

Энергетические характеристики котлов и турбоагрегатов разрабатываются для определенных условий и значений внешних факторов, содержат поправки к основным и промежуточным показателям на изменение значений этих факторов.

3.1.3. Затраты мощности электроэнергии и тепла (удельные расходы электроэнергии и тепла) на собственные нужды подгруппы оборудования представляются в виде графических и аналитических зависимостей от производительности, часового расхода среды, топлива на отдельные механизмы и установки, от температуры наружного воздуха и других параметров.

3.1.4. Технологические потери тепла, связанные с его отпуском внешним потребителям (коэффициент потерь), представляются в виде их графических зависимостей от температуры наружного воздуха и состава работающего оборудования в схемах пара и сетевой воды от источников тепла до точек измерения отпуска его внешним потребителям, состава работающего оборудования.

3.1.5. Аналитические зависимости, таблицы с необходимыми расчетами отдельных показателей, описанием оборудования и условий эксплуатации даются в пояснительной записке.

3.1.6. Исходя из особенностей конструкции оборудования, условий его работы, удобства пользования характеристиками зависимости основных и промежуточных показателей работы оборудования и поправок к ним могут быть приведены от иных, нежели указанных в настоящих Методических указаниях, показателей и параметров.

3.2. Требования к исходным документам, учет состояния оборудования при составлении энергетических характеристик

3.2.1. В качестве основных исходных документов для составления энергетических характеристик необходимо использовать результаты тепловых испытаний котлов и турбоагрегатов, проведенных специализированными аттестованными организациями, а при их отсутствии - типовые энергетические характеристики котлов, турбоагрегатов и вспомогательного оборудования.

Возможность использования результатов испытаний для составления энергетических характеристик оборудования определяется специалистами фирмы ОРГРЭС.

3.2.2. При отсутствии результатов испытаний составляются временные энергетические характеристики на основе расчетных и проектных данных заводов-изготовителей с учетом имеющегося опыта эксплуатации оборудования.

3.2.3. Значения основных и промежуточных показателей энергетических характеристик устанавливаются с учетом:

3.2.3.1. Допуска на эксплуатационные условия.

3.2.3.2. Старения оборудования.

3.2.3.3. Отличия технических характеристик, тепловых схем, значений отдельных параметров и внешних факторов конкретного оборудования от принятых в исходных материалах.

3.2.3.4. Экономической эффективности осуществленных мероприятий по реконструкции и модернизации оборудования.

3.2.3.5. Точности исходных материалов, на основе которых разрабатываются энергетические характеристики оборудования.

3.2.3.6. Неустранимых дефектов проекта, изготовления и монтажа оборудования.

3.2.4. Значения удельного расхода тепла на выработанную электроэнергию турбоагрегатом qт{кДж/(кВт·ч)[ккал/(кВт·ч)]} и КПД брутто котла  (%) с учетом влияния факторов, указанных в п. 3.2.3, рассчитываются по формулам

                                        (1)

                                                      (2)

(Измененная редакция, Изм. № 1).

где  - начальные для пересчета значения основных показателей, соответственно кДж/(кВт·ч) [ккал/(кВт·ч)] и %;

- допуски на эксплуатационные условия, %;

 - изменение удельного расхода тепла на выработку электроэнергии турбоагрегатом (%) и КПД брутто котла (% абс.) вследствие износа оборудования;

 - изменение удельного расхода тепла на выработку электроэнергии турбоагрегатом (%) и КПД брутто котла (% абс.) вследствие влияния факторов, указанных в пп. 3.2.3.3 - 3.2.3.6;

Δqэ - относительный прирост расхода тепла на выработку электроэнергии, ГДж/(МВт·ч)(Гкал/(МВт·ч)]; для турбоагрегатов с регулируемыми отборами пара значение Δqэ в диапазоне изменения электрической мощности (МВт) от Nт,1 до Nт,2 определяется с использованием зависимостей  (см. пп. 4.5.3.3, 4.5.4.4 и 4.5.5.3) по выражению

                                                             (2а)

здесь qт,1, и qт,2 - удельные расходы тепла на выработку электроэнергии, кДж/(кВт·ч)[ккал/(кВт·ч)], при мощности, равной соответственно Nт,1 и Nт,2, и неизменных значениях  и  (соответственно часовой отпуск тепла из теплофикационного и производственного отборов).

(Измененная редакция, Изм. № 1).

3.2.5. Значение коэффициента, учитывающего точность исходного материала, устанавливается в пределах, указанных в приложении 1, а значения допусков на эксплуатационные условия принимаются в соответствии с приложением 2.

(Измененная редакция, Изм. № 1).

3.2.6. Влияние на экономичность ресурса времени, отработанного турбоагрегатом αт,рес (%) и котлом  (% абс), определяется по формулам

                                                                            (3)

                                                                             (4)

где ста - коэффициент износа, принимаемый равным 0,0025 для турбоагрегатов, работающих с ухудшенным вакуумом или противодавлением, и 0,0085 для всех остальных турбоагрегатов, %/1000 ч;

ск - коэффициент износа, принимаемый равным 0,0055 для котлов, работающих на твердом топливе; 0,0035 - для котлов, работающих на высокосернистом мазуте; 0,0015 -для котлов, работающих на сернистом, мало- . сернистом мазуте и газе, %/1000 ч;

 - продолжительность работы котла и турбоагрегата, учитываемая при определении влияния старения на их экономичность, ч, рассчитывается по формулам:

τрес = τнэ - τнэ,и      при τнэ > τнэ,и ≥ 35000,                                                 (5)

τрес = τнэ - 35000  при τнэ > 35000 > τнэ,и,                                                (6)

τрес = 0                при τнэ,и < τнэ < 35000,                                                  (7)

где τнэ,и, τнэ - продолжительность работы агрегата с начала эксплуатации соответственно до момента проведения испытаний, по результатам которых рассчитываются энергетические характеристики, и до рассматриваемого момента, ч.

При сжигании нескольких видов топлива значение коэффициента износа определяется пропорционально их долям, при этом если несколько видов топлива сжигаются совместно, то коэффициент износа оборудования принимается для того вида топлива, износ при сжигании которого максимальный.

Для пиковых водогрейных котлов поправка, учитывающая влияние ресурса времени на их экономичность, не вводится.

При наличии на ТЭС нескольких однотипных агрегатов для них может быть составлена одна энергетическая характеристика для средней продолжительности работы с начала эксплуатации или с момента проведения испытаний.

3.2.7. Коэффициент, учитывающий точность исходного материала, применяется:

в сторону ужесточения энергетических характеристик оборудования - в случаях, когда определенные на их основе номинальные удельные расходы топлива на отпуск электроэнергии и тепла превышают фактические значения более чем на 0,4% и 0,2% соответственно;

в сторону уменьшения экономичности - в исключительных случаях при предоставлении электростанциями детальных обоснований. Максимальные значения коэффициентов не должны превышать указанных в справочном приложении 1.

3.2.8. Коэффициент, учитывающий неустранимые дефекты проекта, изготовления и монтажа оборудования, применяется в исключительных случаях при детальном обосновании. В необходимых случаях должны быть представлены документы заводов-изготовителей и Минэнерго РФ. Максимальное его значение не должно превышать указанного в справочном приложении 1.

(Измененная редакция, Изм. № 1).

3.2.9. Значения промежуточных показателей с учетом всех изменений устанавливаются на основе детального анализа причин отклонений их фактических значений от принятых за исходные. При этом суммарное влияние изменений промежуточных показателей должно быть не больше разности значений удельного расхода тепла брутто на турбоагрегат и КПД брутто котла в разрабатываемых и исходных документах.

3.2.10. Новые значения часовых расходов свежего пара  (т/ч) . и тепла  [ГДж/ч(Гкал/ч)] на турбоагрегат с учетом влияния факторов, указанных в п. 3.2.3, за исключением часовых расходов, соответствующих максимальным граничным режимам, определяются при тех же (начальных) значениях его электрической мощности и соотношений  по формулам:

                                               (8)

                                  (9)

где  - часовой расход пара на входе в промежуточный пароперегреватель, т/ч;

 и iвпр - часовой расход (т/ч) и энтальпия [кДж/кг(ккал/кг)] воды, впрыскиваемой в промежуточный пароперегреватель;

qт - удельный расход тепла, определенный по формуле (1), кДж/(кВт·ч)[ккал/(кВт·ч)];

Nт,0 - начальное (до пересчета) значение электрической мощности турбоагрегата, МВт;

 - суммарная внутренняя мощность турбоприводов механизмов собственных нужд, питающихся паром от турбоагрегата, МВт;

 - часовой расход пара промежуточного перегрева, т/ч;

 - энтальпия пара соответственно до и после промежуточного перегрева (за ЦВД и перед ЦСД), кДж/кг(ккал/кг);

 - энтальпия соответственно свежего пара и питательной воды, кДж/кг(ккал/кг);

 - суммарный часовой расход тепла из регулируемых и нерегулируемых (сверх нужд регенерации) отборов и противодавления турбоагрегата, ГДж/ч(Гкал/ч).

(Измененная редакция, Изм. № 1).

Кроме формул (8) и (9) могут быть использованы также формулы

               (10)

               (11)

где  - начальные (до пересчета) значения соответственно часовых расходов тепла и свежего пара на турбоагрегат.

Формулы (8), (9), (10), (11) действительны при условии равенства часовых расходов питательной воды через ПВД и свежего пара.

Для линий максимальных граничных режимов при неизменных (максимальных) значениях часового расхода свежего пара (тепла) новые значения мощности Nт (МВт) определяются по формуле

                                       (12)

где Nт,0 - исходное значение электрической мощности турбоагрегата, МВт.

Для теплофикационных турбоагрегатов с противодавлением или с конденсатором при работе в режиме с полным использованием тепла отработавшего пара при одном и том же исходном значении часовых расходов тепла из регулируемых отборов и противодавления новое значение электрической мощности определяется по формуле (12).

3.2.11. Корректировка значений удельной выработки электроэнергии по теплофикационному циклу производится при неизменных значениях часового расхода свежего пара по формуле, аналогичной формуле (12), в которую вместо значений мощности подставляются значения удельной выработки.

При определении новых значений показателей по пп. 3.2.9 и 3.2.10 влияние старения для турбоагрегатов всех типов рассчитывается по формуле (3) с коэффициентом износа, равным 0,0085.

4. ЭНЕРГЕТИЧЕСКИЕ ХАРАКТЕРИСТИКИ ТУРБОАГРЕГАТОВ

4.1. Определение удельного расхода тепла на выработку электроэнергии

Удельный расход тепла турбоагрегатом на выработку электроэнергии qт {кДж/(кВт·ч)[ккал/(кВт·ч)]} определяется по формуле

                                                       (13)

где  - часовой расход тепла на выработку электроэнергии, ГДж/ч(Гкал/ч);

 - часовой расход тепла из регулируемых и нерегулируемых (сверх нужд регенерации) отборов турбоагрегата для обеспечения внешних потребителей, собственных и хозяйственных нужд, кроме турбоприводов механизмов собственных нужд, ГДж/ч(Гкал/ч).

Для турбоагрегатов энергоблоков, имеющих турбоприводы механизмов собственных нужд (питательных насосов, воздуходувок и т.п.), работающих на паре отборов, удельный расход тепла на выработку электроэнергии qт {кДж/(кВт·ч)[ккал/(кВт·ч)]} рассчитывается по формуле

                                                                         (14)

где  - часовой расход тепла на выработку электроэнергии и на турбоприводы механизмов собственных нужд, ГДж/ч(Гкал/ч);

 - суммарная внутренняя мощность турбоприводов механизмов, МВт.

Часовой расход тепла на турбоприводы рассчитывается по формуле

                                                                               (15)

(Измененная редакция, Изм. № 1).

Часовой расход тепла на турбоагрегат при равенстве часовых расходов свежего пара и питательной воды рассчитывается по формуле

                            (16)

(Измененная редакция, Изм. № 1).

Для конденсационных турбоагрегатов при отсутствии расхода тепла из нерегулируемых отборов сверх нужд регенерации  или .

4.2. Условия построения энергетических характеристик турбоагрегатов

4.2.1. Расчет показателей энергетических характеристик турбоагрегатов производится для фиксированных условий, которые представляются в виде принципиальной тепловой схемы, листа с условиями построения, графических зависимостей некоторых внешних факторов и параметров и текста в пояснительной записке.

4.2.2. Принципиальная тепловая схема (в дальнейшем тепловая схема) турбоагрегата должна соответствовать условиям его работы. В зависимости от типа турбоагрегата и условий эксплуатации она должна графически отражать особенности схемы регенерации, влияющие на экономичность работы турбоагрегата, в том числе схемы подачи пара на уплотнения, отсоса паровоздушной смеси из конденсатора, использования питательной воды и конденсата для впрыска в топку котла, нагрева холодного воздуха (охлаждения дымовых газов), регулирования впрыском температуры пара после промежуточного перегрева и т.п., отпуска тепла внешним потребителям и на собственные нужды с указанием места ввода возвращаемого конденсата пара и его энтальпии и т.п.

Особенности питания паром деаэраторов, использования выпара деаэраторов и расширителей продувки котлов, отпуска тепла от турбоагрегатов потребителям указываются графически на схемах, приведенных в пояснительной записке.

(Измененная редакция, Изм. № 1).

4.2.3. На листе с условиями построения приводятся:

4.2.3.1. Значения всех внешних факторов и параметров, при которых построены энергетические характеристики. Если значение какого-либо внешнего фактора или параметра характеризуется зависимостью, то указывается номер ее графика, входящего в состав характеристик.

Значения внешних факторов и, параметров должны отражать особенности технологического процесса, связанные с отпуском электроэнергии и тепла, технического водоснабжения, схем водоподготовки и восполнения потерь пара, конденсата и питательной воды, требования надежности работы оборудования, безопасности, охраны труда и санитарии, охраны окружающей среды, ирригации и рыбоводства.

4.2.3.2. Формулы расчета часового отпуска тепла из регулируемых и нерегулируемых (сверх нужд регенерации) отборов и противодавления.

4.2.3.3. Режимы работы турбоагрегата.

4.2.4. К условиям построения энергетических характеристик турбоагрегатов в общем случае относятся значения следующих факторов и параметров:

4.2.4.1. Давления р0 [Мпа(кгс/см2)] и температуры t0 (°С) свежего пара перед турбоагрегатом.

4.2.4.2. Температуры пара после промежуточного перегрева  (°С).

4.2.4.3. Давления отработавшего пара в конденсаторе р2 [мПа(кгс/см2)] или часового расхода охлаждающей воды 3/ч) и ее температуры на входе в конденсатор tв1C).

4.2.4.4. Абсолютный ∆рпп [МПа(кгс/см2)] и относительной ∆рпп/р'цсд потери давления в тракте промежуточного перегрева пара.

4.2.4.5. Давления пара в деаэраторе.

4.2.4.6. Нагрева (повышения энтальпии) питательной воды в питательных насосах ∆iпн [кДж/кг(ккал/кг)].

4.2.4.7. Соотношений между часовыми расходами свежего пара и питательной воды.

4.2.4.8. Коэффициента мощности cosφ с указанием типа генератора.

4.2.4.9. Энтальпии возвращаемого в цикл от потребителей конденсата пара i-го нерегулируемого отбора, из которого производится отпуск тепла сверх нужд регенерации,  [кДж/кг(ккал/кг)].

4.2.4.10. Энтальпии исходной воды, направляемой на водоподготовительную установку для восполнения потерь пара, конденсата, сетевой воды, iисх [кДж/кг(ккал/кг)].

4.2.4.11. Часового расхода пара  (т/ч), внутренней мощности  (МВт) и давления отработавшего пара  [кПа(кгс/см2)] (в зависимости от электрической мощности турбоагрегата или часового расхода свежего пара на него) каждого из турбоприводов механизмов собственных; нужд энергоблока, потребляющего пар из отборов турбоагрегата (справочное приложение 3).

4.2.4.12. Продолжительности работы с начала эксплуатации до момента проведения испытаний  (ч) (если энергетическая характеристика составлена на основе результатов испытаний) и до момента составления энергетических характеристик  (ч).

4.2.4.13. Допуска на эксплуатационные условия  (%).

4.2.4.14. Изменения экономичности работы турбоагрегата за счет старения  (%).

(Измененная редакция, Изм. № 1).

4.2.4.15. Изменения экономичности работы турбоагрегата за счет факторов, указанных в пп. 3.2.3.3 - 3.2.3.6.

4.2.4.16. Давления пара в камере регулируемого производственного отбора рт (МПа(кгс/см2)].

4.2.4.17. Давления пара в камере регулируемого отопительного отбора рт (МПа(кгс/см2)].

4.2.4.18. Давления отработавшего пара для турбоагрегатов с противодавлением и турбоагрегатов с регулируемыми отборами при работе в режиме с полным использованием тепла отработавшего пара (температуры обратной сетевой воды при ее подогреве в конденсаторе или встроенном пучке).

4.2.4.19. Температуры сетевой воды перед подогревателями сетевой воды t'псв1 (нагрева ее в подогревателях ∆tпсв (°С) при двухступенчатом подогреве.

4.2.4.20. Соотношения между часовыми расходами пара из отборов турбоагрегата к потребителям и возвращаемого конденсата.

4.2.4.21. Других внешних факторов, присущих условиям работы оборудования конкретной электростанции и влияющих на экономичность работы турбоагрегата.

4.2.5 (Измененная редакция, Изм. № 1).

4.2.6. Графические зависимости основных и промежуточных показателей в энергетических характеристиках турбоагрегата должны быть построены для всего рабочего диапазона нагрузок и возможных режимов работы.

(Измененная редакция, Изм. № 1).

4.2.7. Энергетические характеристики турбоагрегата определяются при условии равенства часовых расходов свежего пара и питательной воды, а также пара из отборов турбоагрегата к потребителям и возвращаемого конденсата.

(Измененная редакция, Изм. № 1).

4.3. Поправки к основным и промежуточным показателям на влияние внешних факторов

4.3.1. Энергетические характеристики турбоагрегата должны содержать поправки к основным и промежуточным показателям в виде аналитических или графических зависимостей от значений (или изменений) внешних факторов, параметров, показателей.

(Измененная редакция, Изм. № 1).

4.3.2 (Измененная редакция, Изм. № 1).

4.3.3. В общем случае поправки к основным показателям турбоагрегата приводятся на отклонение значений следующих внешних факторов:

(Измененная редакция, Изм. № 1).

4.3.3.1 (Измененная редакция, Изм. № 1).

4.3.3.2. Давления обработавшего пара турбоагрегата в конденсаторе, или температуры и часового расхода охлаждающей воды через конденсатор.

4.3.3.3. Соотношения часового расхода питательной: воды и часового расхода свежего пара.

4.3.3.4. Расхода питательной воды, подаваемой на впрыск в промежуточный пароперегреватель.

4.3.3.5. Отпуска (подвода) тепла из нерегулируемых отборов сверх нужд собственной регенерации.

4.3.3.6. Отпуска тепла из конденсатора турбоагрегата.

4.3.3.7. Давления отработавшего пара для каждого турбопривода механизмов собственных нужд энергоблока.

4.3.3.8. Старения оборудования при продолжительности работы турбоагрегата с начала эксплуатации сверх указанной в условиях построения характеристики.

4.3.3.9. Количество пусков турбоагрегата, произведенных в соответствии с диспетчерским графиком нагрузки из различных тепловых состояний.

4.3.3.10. Давления в камере регулируемого производственного отбора турбоагрегата.

4.3.3.11. Давления в камере регулируемого отопительного отбора турбоагрегата.

4.3.3.12. Температуры сетевой воды на входе в ее подогреватели (нагрева сетевой воды в подогревателях) при двухступенчатом подогреве.

4.3.3.13 (Измененная редакция, Изм. № 1).

4.3.3.14. Давления отработавшего пара для турбоагрегатов с противодавлением и турбоагрегатов с конденсаторами при работе в режиме с полным использованием его тепла (температуры обратной сетевой воды при ее нагреве в конденсаторе или встроенном пучке).

4.3.3.15. Других внешних факторов, присущих условиям работы конкретного оборудования и влияющих на экономичность работы турбоагрегата.

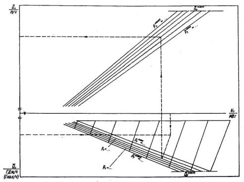
4.3.4. Состав внешних факторов, показателей и параметров, на отклонение которых вводятся поправки, для нормирования основных показателей работы турбоагрегата, зависит от его типа, режимов работы и конструктивных особенностей оборудования, указанных в условиях построения энергетических характеристик турбоагрегата. Характер графических зависимостей поправок для определения номинального значения показателей и форма их представления показаны на рис. П4.1 - П4.18 справочного приложения 4.

4.3.5. Для обеспечения возможности проведения анализа показателей работы турбоагрегатов и определения резервов их тепловой экономичности должны быть приведены поправки на изменение:

давления и температуры свежего пара;

потери давления в тракте промежуточного перегрева и температуры пара после него;

температуры питательной воды;

места ввода в тепловую схему турбоагрегата конденсата пара регулируемого отбора.

(Измененная редакция, Изм. № 1).

4.3.6. Поправки к основным показателям могут быть представлены в виде графических зависимостей изменения значения этих показателей как в абсолютных {ГДж/ч(Гкал/ч), кДж/(кВт·ч), [ккал/кВт·ч)], т/ч, кВт, МВт}, так и в относительных (%) единицах от часового расхода свежего пара, мощности турбоагрегата или других показателей в рабочем диапазоне их значений.

4.3.7. Расчет поправок для турбоагрегатов, не имеющих типовых энергетических характеристик, производится в соответствии с "Методикой расчета поправок к мощности, расходу свежего пара и удельному расходу теплоты на отклонение параметров и условий от номинальных для турбоагрегатов с регулируемыми отборами пара: МТ 34-70-027-86" (М.: СПО Союзтехэнерго, 1987) и "Методическими указаниями по расчету поправок к расходу тепла турбоагрегатами" (М.: СПО Союзтехэнерго, 1981).

4.3.8. Знак поправки должен соответствовать переходу от фиксированного значения фактора к его измененному значению.

4.3.9. Для конденсационных и теплофикационных турбоагрегатов при работе в конденсационном режиме поправки к удельному расходу тепла представляются в виде графической зависимости изменения его от мощности (часового расхода свежего пара).

Для турбоагрегатов только с производственным или отопительным отборами поправки к удельному расходу тепла и мощности представляются как зависимости от часового расхода свежего пара для различных значений часового отпуска тепла соответственно из производственного или отопительного отборов от нулевого до максимального.

Для турбоагрегатов с производственным и отопительными отборами поправки на отклонение температуры свежего пара приводятся к часовому расходу тепла на выработку электроэнергии и мощности в зависимости от часового расхода свежего пара для различных значений часового отпуска тепла из указанных регулируемых отборов от нулевого до максимального.

(Измененная редакция, Изм. № 1).

4.3.10. Поправка к мощности на изменение давления отработавшего пара в конденсаторе приводится для всех турбоагрегатов конденсационных и теплофикационных с конденсационной установкой в виде графической зависимости изменения мощности от отклонения давления в конденсаторе, для различных значений часового расхода пара на входе в ЧНД или отработавшего пара (см. рис. П4.4).

Приводятся поправки на отклонение давления отработавшего пара или часового расхода охлаждающей воды через конденсатор и ее температуры для различных значений мощности турбоагрегатов (часовых расходов отработавшего пара в конденсатор) (см. рис. П4.5, П4.6):

(Измененная редакция, Изм. № 1).

4.3.10.1. К удельному расходу тепла на турбоагрегаты конденсационные и теплофикационные, работавшие в конденсационном режиме.

4.3.10.2. К часовому расходу тепла на производство электроэнергии для теплофикационных турбоагрегатов с конденсационной установкой, при работе с регулируемыми отборами пара.

(Измененная редакция, Изм. № 1).

4.3.11. Поправка на отличие значений часового расхода питательной воды и свежего пара приводится для их соотношений, составляющих соответственно 1,1 и 0,9 (см. рис. П4.7). В зависимости от условий работы конкретного турбоагрегата указанные соотношения могут быть приняты другими.

Указанная поправка приводится:

(Измененная редакция, Изм. № 1).

4.3.11.1. К удельному расходу тепла на турбоагрегаты конденсационные и теплофикационные при работе в конденсационном режиме в зависимости от мощности (часового расхода свежего пара).

4.3.11.2. К удельному расходу тепла на турбоагрегат и мощности в зависимости от часового расхода свежего пара для теплофикационных турбоагрегатов с производственным или отопительными отборами.

4.3.11.3. К удельному расходу тепла на турбоагрегат и мощности в зависимости от часового расхода свежего пара для турбоагрегатов с производственным и отопительными отборами, причем поправка к удельному расходу тепла представляется для различных значений часового отпуска тепла из производственного отбора.

4.3.11.4. К мощности турбоагрегатов с противодавлением в зависимости от часового отпуска тепла из противодавления для различных значений давления пара в нем.

4.3.12. Поправка на впрыск питательной воды для регулирования температуры пара после промежуточного перегрева (см. рис. П4.8) представляется в виде графической зависимости изменения часового расхода тепла на выработку электроэнергии от относительного расхода питательной воды на впрыск. К ней прилагается график зависимости номинального значения расхода питательной воды на впрыск в промежуточный пароперегреватель от часового расхода свежего пара на турбоагрегат (см. рис. П4.9).

(Измененная редакция, Изм. № 1).

4.3.13. Поправка на влияние отпуска (подвода) 1 или 10 ГДж/ч(Гкал/ч) тепла из i-го нерегулируемого отбора сверх нужд регенерации представляется для каждого такого отбора в виде зависимости (см. рис. П4.10):

4.3.13.1. К удельному расходу тепла на турбоагрегаты конденсационные и теплофикационные при работе в конденсационном режиме от часового расхода свежего пара для каждого i-го отбора.

4.3.13.2. К мощности для турбоагрегата с противодавлением от часового отпуска тепла из противодавления для каждого i-го отбора.

4.3.13.3. К удельному расходу тепла и к мощности для теплофикационных турбоагрегатов с конденсационной установкой - от часового расхода свежего пара для различных значений давления в камере производственного (для турбоагрегатов, имеющих производственный отбор) или отопительного отбора (для турбоагрегатов только с отопительными отборами).

4.3.13.4. К мощности для турбоагрегатов с противодавлением и производственным отбором - от часового отпуска тепла из противодавления для различных значений давления в нем.

Расчет поправок производится в соответствии с "Методическими указаниями по расчету поправок к расходу тепла турбоагрегатами" (М.: СПО Союзтехэнерго, 1981).

Поправка к удельному расходу тепла на конденсационный турбоагрегат  {[кДж/(кВт·ч)[ккал/(кВт·ч)]} при отпуске (подводе) тепла из i-го нерегулируемого отбора сверх нужд регенерации  [ГДж/ч(Гкал/ч^), составляющего до 1 - 2% часового расхода тепла на турбоагрегат, рассчитывается по формуле

                                                                        (17)

где ζi - - коэффициент ценности тепла i-го отбора. Расчет, производится в соответствии с "Исследованием реальных тепловых схем ТЭС и АЭС" (М.: Энергоиздат, 1982).

4.3.14. Поправка к удельному расходу тепла на выработку электроэнергии  {[кДж/(кВт·ч)[ккал/(кВт·ч)]}, на отпуск тепла из конденсатора с водой, подаваемой на водоподготовительную установку или другому потребителю, определяется по формуле

                                                                                   (18)

где  - часовой отпуск тепла из конденсатора, Дж/ч(Гкал/ч).

4.3.15. Поправка на отклонение давления отработавшего пара каждого турбопривода механизмов собственных нужд котла и турбоагрегата дается к часовому расходу тепла на выработку электроэнергии в зависимости от часового расхода свежего пара на турбоагрегат при различных значениях давления отработавшего пара.

Если турбопривод имеет собственный конденсатор, то поправка может быть построена в зависимости от температуры охлаждающей воды, если значение последней принято в качестве условия построения энергетических характеристик турбоагрегата.

4.3.16. Поправки к удельному расходу тепла на старение оборудования определяются в соответствии с п. 3.2.6 по формуле (3). Поправка к нормативной мощности рассчитывается аналогично.

4.3.17. Поправки на пуски турбоагрегата даются в виде пусковых потерь тепла и электроэнергии, связанных с турбоагрегатом технологически и отнесенных соответственно к расходу тепла на выработку электроэнергии и расходу тепла и электроэнергии на собственные нужды турбоагрегата.

Поправки приводятся в виде таблицы или графика зависимости потерь энергии при пуске от времени простоя оборудования. В потери на пуск включаются затраты энергии на останов оборудования и во время, простоя.

Потери при пуске принимаются в соответствии с "Нормами потерь топлива, электроэнергии и пара при пусках энергоблоков мощностью 160 - 1200 МВт тепловых электростанций: РД 34.09.106-94" (М.: ПМБ ВТИ, 1994), "Нормами потерь топлива, электроэнергии и пара при пусках теплофикационных энергоблоков мощностью 110 - 250 МВт тепловых электростанций: РД 34.09.112-89" (М.: СПО Союзтехэнерго, 1990) и результатами произведенных специальных испытаний.

(Измененная редакция, Изм. № 1).

4.3.18. Поправки на отклонение давления в камере производственного отбора теплофикационных турбоагрегатов с таким отбором приводятся к часовому расходу тепла на выработку электроэнергии и к мощности и представляются как графические зависимости от часового расхода свежего пара для различных значений часового отпуска тепла из производственного отбора при отклонении давления в нем на +0,1 МПа (1 кгс/см2) (см. рис. П4.12).

(Измененная редакция, Изм. № 1).

4.3.19. Поправки к часовому расходу тепла на выработку электроэнергии и к мощности на отклонение давления в камере регулируемого отопительного отбора представляются графическими зависимостями их значений от часового расхода свежего пара для различных значений часового отпуска тепла в отопительный отбор и давления в его камере.

Для турбоагрегатов, имеющих производственный отбор, зависимость учитывает при этом значение часового отпуска тепла в производственный отбор (см. рис. П4.14).

4.3.20. Поправки к часовому расходу тепла на выработку электроэнергии и к мощности турбоагрегатов с отопительным отбором и двухступенчатым подогревом сетевой воды на отклонение ее температуры перед подогревателями t'псв1 (нагрева сетевой воды в подогревателях ∆tпсв) (°С), влияющей на перераспределение отпуска тепла из ступеней отопительного отбора, представляются в виде графических зависимостей изменения этих показателей от часового расхода свежего пара для различных значений часового отпуска тепла из отопительных отборов при отклонения значения температуры сетевой воды перед ее подогревом (нагрева сетевой воды в ее подогревателях) от фиксированного на ±10°С (см. рис. П4.15).

Для турбоагрегатов с производственными и отопительными отборами с двухступенчатым подогревом сетевой воды поправки к часовому расходу тепла на выработку электроэнергии и в мощности представляются в виде графической зависимости.

Изменения значений этих показателей от часового расхода свежего пара определяются для различных часовых расходов тепла в производственный отбор при отклонении температуры сетевой воды перед подогревателями (нагрева ее в подогревателях) на +10°С (см. рис. П4.17).

При отсутствии предварительного подогрева сетевой воды перед подогревателями сетевой воды в конденсаторах или встроенных пучках турбоагрегатов ее значение равно значению температуры обратной сетевой воды.

4.3.21. Поправка к мощности на отклонение давления отработавшего пара у турбоагрегатов с противодавлением вводится в том случае, если зависимость нормативной мощности была построена для одного постоянного его значения. Она представляет зависимость изменения мощности от давления пара в противодавлении для различных значений часового отпуска тепла из противодавления (см. рис. П4.18). Для турбоагрегатов с противодавлением и производственным отбором поправка к мощности на отклонение давления в противодавлении приводится в виде набора графиков зависимости изменения мощности от давления пара в противодавлении для различных значений часового отпуска тепла из противодавления и ряда значений часового отпуска тепла из производственного отбора (от нулевого до максимального).

(Измененная редакция, Изм. № 1).

4.3.22. Расчет изменения удельного расхода тепла и мощности в зависимости от того, к какому показателю дана поправка на отклонение значения внешнего фактора, производится по формулам (19) - (25).

Если удельная поправка к удельному расходу тепла на турбоагрегат и к мощности дается в виде абсолютного изменения его  и  при изменении значения внешнего фактора F на единицу его отклонения ∆F1, то изменение удельного расхода тепла  и мощности ∆Nт при изменении значения фактора на ∆F рассчитывается по формулам

                                                                                    (19)

                                                                                   (20)

Если удельная поправка к удельному расходу пепла и к мощности дается как относительное изменение удельного расхода  и  при изменении значения фактора F на единицу его отклонения ∆F1, то изменение удельного расхода и мощности рассчитывается по формулам

                                                                       (21)

                                                                    (22)

где qт,0 - начальное (до пересчета) значение удельного расхода тепла на турбоагрегат;

Nт,0 - начальное (до пересчета) значение мощности.

Если поправка дается как абсолютное изменение мощности турбоагрегата  при отклонении значения фактора F на ∆F без изменения часового расхода тепла, на турбоагрегат, то изменение удельного расхода тепла определяется по формуле

                                                                          (23)

(Измененная редакция, Изм. № 1).

где ∆qэ - относительный прирост расхода тепла на производство электроэнергии турбоагрегатом при постоянных тепловых нагрузках отопительного и производственного отборов;

Nт,0 - начальное значение мощности турбоагрегата;

 - начальное значение внутренней мощности турбрприводов.

Если удельная поправка дается как относительное изменение часового расхода тепла на турбоагрегат  при изменении значения фактора F на единицу его отклонения ∆F1, то изменение удельного расхода тепла определяется по формуле

                                                    (24)

где  - исходно-номинальное значение часового расхода тепла на турбоагрегат;

 - изменение часового расхода тепла на турбоагрегат от действия фактора.

Влияние пусков турбоагрегата по диспетчерскому графику на удельный расход тепла рассчитывается по формуле

                                                                       (25)

где  - потери тепла при пуске турбоагрегата из j-го теплового состояния, ГДж(Гкал);

n - число пусков турбоагрегата по диспетчерскому графику;

Э - выработка электроэнергии турбоагрегатом, МВт·ч.

4.3.23. Поправки к мощности турбоагрегатов, оговоренные в пп. 4.3.9, 4.3.11.2, 4.3.11.3, 4.3.13.3, 4.3.18, 4.3.19 и 4.3.20 при нормировании показателей тепловой экономичности не используются и в энергетические характеристики турбоагрегатов включаются по инициативе электростанции.

(Измененная редакция, Изм. № 1).

4.4. Энергетические характеристики конденсационных турбоагрегатов

4.4.1. Определение удельного расхода тепла на выработку электроэнергии

Графическая зависимость часового расхода тепла на турбоагрегат от его электрической мощности представляется в виде кривой, описываемой полиномом n-й степени, или ломаной или спрямленной кривой.

Часовой расход тепла на турбоагрегат определяется по формуле (16), а удельный расход тепла брутто на выработку электроэнергии - по формулам (13) или (14) соответственно при отсутствии или наличии турбоприводов у механизмов собственных нужд, работающих на отборном паре турбоагрегата.

4.4.2. Основные и промежуточные показатели, составляющие энергетические характеристики

(Измененная редакция, Изм. № 1).

4.4.2.1. Энергетические характеристики конденсационных турбоагрегатов (турбоагрегатов типа К) должны содержать для чисто конденсационного режима при фиксированных значениях внешних факторов графические (а при необходимости также и аналитические) зависимости следующих показателей:

удельного расхода тепла на выработку электроэнергии qт {кДж/(кВт·ч)[ккал/(кВт·ч)]} (рис. П4.19);

часовых расходов свежего пара  (т/ч) и тепла  [гдж/ч(Гкал/ч)] на турбоагрегат, электромеханического КПД ηэм (%) или суммарных потерь мощности в генераторе и механических потерь турбоагрегата  (МВт) от электрической мощности на выводах генератора Nт (МВт) (рис. П4.19, П4.20);

часового расхода пара через промежуточный пароперегреватель  (т/ч) от часового расхода свежего пара на турбоагрегат (рис. П4.21);

температуры питательной воды за группой ПВД tпв (°С) от часового расхода свежего пара на турбоагрегат (рис. П4.22);

часового расхода пара в конденсатор  (т/ч) от часового расхода свежего пара на турбоагрегат (рис. П4.21);

давления отработавшего пара р2 [кПа(кгс/см2)] и температурного напора в конденсаторе δt C) от часового расхода отработавшего пара в конденсатор при различных значениях температуры охлаждающей воды на входе в конденсатор tв1C) в виде серии графиков для нескольких постоянных значений ее часового расхода  3/ч), равных 100, 70 и 50% номинального или других, более удобных для пользования (рис. П4.23, П4.24);

часового расхода пара на турбопривод  (т/ч), его внутренней мощности  (МВт), давления отработавшего пара турбопривода  [кПа(кгс/см2)] от соответствующего нормообразующего показателя - для турбопривода каждого механизма собственных нужд турбоагрегата, работающего на его отборном паре или свежем паре;

давления отработавшего пара в конденсаторе турбопривода механизмов собственных нужд турбоагрегата  [кПа(кгс/см2)] от часового расхода пара на турбопривод  (т/ч) при различных значениях температуры охлаждающей воды на входе в конденсатор tв1 (°С) и при номинальном часовом расходе охлаждающей воды - для турбоприводов, имеющих собственные конденсаторы (рис. П4.24);

затрат мощности на циркуляционные насосы турбоагрегата Nцэн (кВт) или удельного расхода электроэнергии на них Эцэн (%) от электрической мощности на выводах генератора (рис. П4.25 - П4.27);

затрат мощности на прочие индивидуальные механизмы собственных нужд турбоагрегата  (кВт) от его электрической мощности (часового расхода свежего пара на турбоагрегат) (рис. П4.28);

часового расхода тепла на индивидуальные аппараты и установки собственных нужд турбоагрегата (кроме турбоприводов механизмов)  ГДж/ч(Гкал/ч).

4.4.2.2. Вместо графика зависимости часового расхода отработавшего пара в конденсатор турбоагрегата от часового расхода свежего пара энергетические характеристики турбоагрегата могут содержать графики других зависимостей, дающие возможность определять часовой расход пара в конденсатор для данного режима работы турбоагрегата более точно и объективно.

4.4.2.3. Графики зависимости давления отработавшего пара и температурного напора в конденсаторе от часового расхода отработавшего пара при различных значениях температуры охлаждающей воды на входе в конденсатор строятся для таких постоянных значений ее часового расхода, которые позволяют путем интерполирования определять значения давления во всем рабочем диапазоне нагрузок.

4.4.2.4. Графики зависимости часового расхода пара на турбоприводы механизмов собственных нужд турбоагрегата, их внутренней мощности и давления отработавшего пара турбоприводов строятся для каждого турбопривода. Если в параллельной работе находится два и более турбопривода механизмов одного назначения, они рассматриваются как один турбопривод, и указанные выше зависимости определяются для их совместной работы.

Графики указанных зависимостей дополняются графиками поправок:

к давлению отработавшего пара турбоприводов механизмов собственных нужд турбоагрегата, направляемого в отборы турбоагрегата, в зависимости от дополнительного потребления пара из этих отборов сверх нужд собственной регенерации;

к часовому расходу пара на турбоприводы механизмов собственных нужд турбоагрегата, на изменение давления отработавшего пара или температуры охлаждающей воды для турбоприводов с собственными конденсаторами;

к внутренней мощности турбоприводов механизмов турбоагрегата на действие объективных факторов, влияющих на нее.

Поправка к давлению отработавшего пара турбоприводов механизмов собственных нужд турбоагрегата, направляемого в его отборы, приводится только в случае влияния на него дополнительных расходов пара из этих отборов, и дается в виде графика зависимости изменения этого давления от мощности турбоагрегата при различных значениях часового отпуска тепла из отбора.

4.4.2.5. В затраты мощности на прочие индивидуальные механизмы собственных нужд турбоагрегата включается потребляемая мощность механизмов собственных нужд, относящихся непосредственно к данному турбоагрегату и связанных с его работой. К ним относятся конденсатные и сливные насосы, маслонасосы уплотнения генератора, рабочие маслонасосы смазки и регулирования, насосы охлаждения газоохладителей, подъемные насосы водоструйных эжекторов, механические вакуумные насосы и т.п.

4.4.2.6. Графики зависимости затрат мощности циркуляционными насосами или удельного расхода электроэнергии на циркуляционные насосы строятся только для турбоагрегатов, для которых эти насосы установлены индивидуально.

Затраты мощности на привод осевых с неизменным углом разворота лопастей и центробежных циркуляционных насосов определяются для трех имеющих место в эксплуатационных условиях значений напора насосов: минимального, среднего и максимального. Для каждого из значений напора насосов при трех значениях температуры охлаждающей воды (максимальном, среднем и минимальном) определяются значения мощности турбоагрегата Nт (или расхода пара в конденсатор ), при которых осуществляется перевод насоса на повышенную частоту вращения вала или включение второго насоса, т.е. те значения Nт, при которых дополнительные затраты мощности на циркуляционные насосы равны приросту Nт за счет увеличения расхода циркуляционной воды.

Затраты мощности на привод осевых циркуляционных насосов, угол разворота υ лопастей которых остается постоянным в течение сезона, определяются для трех значений напора (минимального, среднего и максимального) насоса при каждом из трех значений υ (максимальном, среднем и минимальном).

Затраты мощности на привод осевых циркуляционных насосов с регулированием угла разворота лопастей на ходу определяются при оптимальных расходах циркуляционной воды для различных значений ее температуры.

При расчетах затрат мощности на привод циркуляционных насосов используются результаты их испытаний, типовые энергетические характеристики, паспортные данные заводов-изготовителей или данные каталогов. Гидравлическая характеристика сети принимается по данным испытаний, проектным или эксплуатационным данным.

(Измененная редакция, Изм. № 1).

4.4.3. Условия построения энергетических характеристик и внешние факторы

Условия построения определяются в соответствии с п. 4.2.

Внешние факторы указаны в пп. 4.2.4.1 - 4.2.4.15, 4.2.4.21.

4.4.4.4. Поправки на влияние внешних факторов

4.4.4.1. Поправки к основным и промежуточным показателям приводятся на отклонение значений внешних факторов и параметров, указанных в пп. 4.3.3.1 - 4.3.3.9, 4.3.3.15. Разработка поправок производится в соответствии с п. 4.3.

(Измененная редакция, Изм. № 1).

Характер графической зависимости поправок от внешних факторов, показателей и параметров и форма их представления показаны на рис. П4.1, П4.4 - П4.11.

4.4.4.2. Поправки к мощности конденсационного турбоагрегата даются для условий сохранения постоянным исходного значения часового расхода свежего пара на турбоагрегат, а к удельному и часовому расходам тепла - для условий сохранения неизменным исходного значения мощности.

4.5. Энергетические характеристики турбоагрегатов с регулируемыми отборами пара и противодавлением

4.5.1. Режимы работы турбоагрегатов

4.5.1.1. Паровые турбоагрегаты с регулируемыми отборами пара и противодавлением по своей конструкции подразделяются на турбоагрегаты:

с одним или двумя ступенями отопительного отбора пара (соответственно типа T1 и типа Т2);

с одним производственным отбором пара (типа П);

с производственным и одним или двумя ступенями отопительного отбора пара (соответственно ПТ1 и ПТ2);

с противодавлением (типа Р);

с противодавлением и производственным отбором пара (типа ПР).

4.5.1.2. Производственный или отопительный отборы пара турбоагрегата считаются включенными в работу, если в регулируемом отборе поддерживается давление пара регулирующими органами.

4.5.1.3. Для турбоагрегатов типов П, T1, ПТ1 режим работы с полным использованием тепла отработавшего пара и нагревом сетевой или подпиточной воды в конденсаторе (встроенном пучке), при котором давление пара в нем возрастает, носит название режима работы с ухудшенным вакуумом.

4.5.1.4. В зависимости от числа включенных в работу ступеней отопительного отбора пара турбоагрегата режим его работы носит название одно- или двухступенчатого. У турбоагрегатов типов Т2 и ПТ2 режим работы с полным использованием тепла отработавшего пара и нагревом в конденсаторе (встроенном пучке) сетевой воды носит название трехступенчатого.

4.5.1.5. У турбоагрегатов с регулируемыми отборами пара и противодавлением возможны следующие режимы работы:

у турбоагрегатов с отопительными отборами - конденсационный (режим К), с включенными одной ступенью (режим T1) и двумя ступенями (режим Т2) отопительного отбора и режим с полным использованием тепла отработавшего пара;

у турбоагрегатов типа П - конденсационный (режим К), с производственным отбором (режим П) и полным использованием тепла отработавшего пара;

у турбоагрегатов с производственным и отопительными отборами - конденсационный (режим К), с включенным производственным отбором (режим П), с включенными одной ступенью (режим T1) и двумя ступенями (режим Т2) отопительного отбора, с включенным: производственным отбором и одной ступенью (режим ПТ1) и двумя ступенями (режим ПТ2) отопительного отбора, режим с полным использованием тепла отработавшего пара с включенными только отопительным и отопительным и производственным отборами;

у турбоагрегатов типа Р - режим противодавления (режим Р);

у турбоагрегатов типа ПР - режим отпуска тепла только с паром из противодавления турбоагрегата (режим Р) и с паром из противодавления турбоагрегата и производственного отбора (режим ПР).

4.5.1.6. Режимы работы теплофикационных турбоагрегатов разделяются на режимы работы по электрическому и тепловому графикам нагрузки.

Режим работы по электрическому графику характеризуется независимым несением электрической и тепловой нагрузок и возможен в случае, когда тепло отработавшего пара отдается тепловому потребителю и охлаждающей воде в конденсаторе.

Режим работы турбоагрегата по тепловому графику возможен в случае работы с закрытыми регулирующими органами ЧНД и минимальным пропуском пара в конденсатор, охлаждаемый циркуляционной водой. Он характеризуется жесткой зависимостью электрической нагрузки турбоагрегата только от часового отпуска тепла.

Частным случаев режима работы по тепловому графику является режим с полным использованием тепла отработавшего в турбоагрегате пара при охлаждении конденсатора (встроенного пучка) подпиточной или обратной сетевой водой. Он аналогичен режиму работы турбоагрегатов с противодавлением.

Зависимости показателей рассматриваются ниже для каждого типа теплофикационных турбоагрегатов в порядке возрастания сложности режимов их работы (в частности, для турбоагрегатов с конденсационной установкой - с конденсационного до теплофикационных с включением регулируемых отборов в различных сочетаниях).

Если показатели работы турбоагрегата характеризуются одними и теми же зависимостями при работе в конденсационном и теплофикационных режимах, то эти зависимости представляются только с показателями работы в режиме К.

4.5.2. Определение удельного расхода тепла на выработку электроэнергии

(Измененная редакция, Изм. № 1).

4.5.2.1. Часовой расход тепла на турбоагрегат с регулируемыми отборами пара представляется графической и аналитической зависимостью от электрической мощности и часового отпуска тепла из регулируемых отборов при фиксированных (номинальных) значениях параметров свежего пара и пара промежуточного перегрева, давления отработавшего пара в конденсаторе и регулируемых отборах.

Часовой расход тепла на турбоагрегат определяется по формуле (16), а удельный расход тепла на выработку электроэнергии в зависимости от наличия или отсутствия турбоприводов у механизмов собственных нужд, на которые подается пар из отборов турбоагрегата, - по формулам (13) и (14).

Часовой расход тепла из регулируемых отборов турбоагрегата рассчитывается по формуле

                                                          (26)

где  - часовой расход пара регулируемого i-го отбора (кроме нужд регенерации), т/ч;

iотбi - энтальпия пара в камере i-го регулируемого отбора, кДж/кг(ккал/кг);

 - энтальпия смеси конденсата, возвращаемого в схему регенерации турбоагрегата, и добавка обессоленной воды для восполнения его потерь, кДж/кг(ккал/кг).

4.5.2.2. Определение показателей работы турбоагрегатов в конденсационном режиме производится в соответствии с п. 4.4.2.

4.5.2.3. Принятый в действующих нормативно-технических документах принцип составления теплового баланса электростанции таков, что нагрев питательной воды за счет сжатия ее в питательных насосах не включается в тепло, подведенное от котлов к турбоагрегатам. Исходя из этого при работе турбоагрегата в режиме с полным использованием тепла отработавшего пара удельный расход тепла на выработку электроэнергии определяется по формуле

                     (27)

где qэкв - физический эквивалент, равный 3601 кДж/(кВт·ч) [860 ккал/(кВт·ч)];

ηэм - электромеханический КПД турбоагрегата, учитывающий потери в генераторе и механические потери от трения в подшипниках турбоагрегата и генератора;

 - постоянные прочие потери тепла через концевые уплотнения и с излучением в окружающую среду турбоагрегатом, трубопроводами отборов, регенеративными подогревателями, ГДж/ч(Гкал/ч);

iпн - прирост энтальпии питательной воды за счет сжатия ее в насосах, кДж/кг(ккал/кг).

Рассчитанный по формуле (27) удельный расход тепла на выработку электроэнергии, который полностью согласуется с тепловым балансом, не включает тепло, выделяемое при сжатии питательной воды в насосах, доля которого (в зависимости от тепловой схемы турбоагрегата) может использоваться на производство электроэнергии и, таким образом (в соответствии с действующей методикой учета), включается в отпущенное от турбоагрегата тепло, однако полностью согласуется с тепловым балансом и обеспечивает соответствие расхода тепла на турбоагрегаты  выработке тепла котлами брутто  но при этом он ниже определенного по формуле

                                                                    (28)

и может быть ниже даже теоретического значения.

Значения  принимаются на основании результатов соответствующих испытаний, а при отсутствии данных таких испытаний для турбоагрегатов мощностью 25, 50 и 100 МВт они могут быть приняты на уровне 2,04; 2,54 и 4,92 ГДж/ч (0,49; 0,61 и 1,18 Гкал/ч).

При объективных факторах, ухудшающих экономичность (неиспользование тепла пара уплотнений, увеличенное излучение тепла поверхностью конденсатора - при работе с ухудшенным вакуумом и т.п.) указанные значения  могут быть увеличены на основании результатов испытаний или соответствующих расчетов. Основания для увеличения  должны быть указаны в пояснительной записке.

Зависимость электромеханического КПД турбоагрегата от мощности принимается по результатам испытаний или данным заводов-изготовителей.

4.5.2.4. При отсутствии в типовой энергетической характеристике или результатах испытаний графических зависимостей удельных расходов тепла производится их .расчет с использованием данных, имеющихся в указанных документах.

Порядок проведения расчетов иллюстрируется на примере определения удельного расхода тепла для турбоагрегата типа ПТ1 по результатам испытаний.

В качестве исходных данных используется диаграмма режимов с комплектом поправок, а также ряд таких зависимостей, как температуры (энтальпии) питательной воды от часового расхода свежего пара при различных значениях давления пара в производственном отборе, энтальпии пара производственного и отопительного отборов от часового расхода свежего пара при различных значениях соответственно давления пара в производственном отборе и часового расхода тепла с паром этого отбора.

Расчет энергетической характеристики турбоагрегата типа ПТ1 производится в приведенной ниже последовательности.

Если в диаграмме режимов зависимость часового расхода свежего пара от электрической мощности построена при различных значениях часового отпуска тепла из производственного и отопительного отборов, то при фиксированных значениях внешних факторов в диапазоне от нулевого до максимально возможного с определенным интервалом принимается ряд постоянных значений часового расхода тепла в производственный отбор. Для каждого установленного значения часового расхода тепла в производственный отбор таким же образом задаются постоянные значения часового расхода тепла в отопительный отбор. Для каждого сочетания значений часового расхода тепла производственного и отопительного отборов турбоагрегата и различных значений его мощности в диапазоне возможных ее изменений определяется значение часового расхода свежего пара, затем энтальпии питательной воды (по зависимости, ее от часового расхода свежего пара), часового расхода тепла на турбоагрегат по формуле (16) и удельного расхода тепла - по формуле (13).

В режиме работы турбоагрегата по тепловому графику по нижнему полю диаграммы режимов для каждого заданного значения часового отпуска тепла из производственного отбора определяются значения максимально возможного часового расхода тепла из отопительного отбора. Для каждого заданного значения часового отпуска тепла из производственного отбора, и ряда найденных значений часового расхода тепла из отопительного отбора определяются значения мощности турбоагрегата. С помощью верхнего поля диаграммы режимов по найденным значениям мощности и часового отпуска тепла из производственного отбора определяются значения часового расхода свежего пара. Далее расчет производится согласно указанному выше.

Если диаграмма режимов представляет зависимость часового расхода свежего пара от электрической мощности турбоагрегата для различных значений часовых расходов пара в производственный и отопительный отборы, то для принятых значений часового отпуска тепла методом последовательных приближений определяются соответствующие значения часового расхода пара. Для этого необходимо задаться значениями использования тепла пара этих отборов, рассчитать значения часового расхода пара этих отборов и определить по диаграмме режимов значение часового расхода свежего пара, а по вспомогательным графикам - значения энтальпии пара регулируемых отборов. Рассчитанные на основе последних значения использования тепла пара сравниваются с принятыми, которые при большом расхождении корректируются, и операции повторяются до их удовлетворительного совпадения.

4.5.2.5. Для турбоагрегатов с противодавлением расчет удельного расхода тепла на выработку электроэнергии производится по формуле (27) в соответствии с п. 4.5.2.3.

4.5.2.6. Нормативная мощность определяется для турбоагрегатов с регулируемыми отборами пара при работе в режиме с полным использованием тепла отработавшего пара и турбоагрегатов с противодавлением по энергетической характеристике для заданных (фактических) значений часового отпуска тепла из регулируемых отборов и противодавления и различных (номинальных) значений давления в них.

4.5.3. Энергетические характеристики. турбоагрегатов типа П и T1

4.5.3.1. Энергетические характеристики турбоагрегатов типа П(Т1) строятся для работы их в конденсационном режиме (режим К), режиме с отпуском тепла из производственного (отопительного) отбора (режим П и T1) и для турбоагрегатов типа T1 - в режиме с полным использованием тепла отработавшего пара.

Условия построения определяются в соответствии с п. 4.2. Внешние факторы приводятся в составе, указанном в пп. 4.2.4.1 - 4.2.4.18, 4.2.4.20, 4.2.4.21.

4.5.3.2. Графические зависимости технико-экономических показателей при работе в конденсационном режиме даются в составе, указанном в п. 4.4.2.1. Характер зависимостей показан на рис. П4.1 - П4.28, П4.35.

4.5.3.3. Для режима работы с производственным (отопительным) отбором пара строятся графические зависимости следующих показателей:

часового расхода свежего пара на турбоагрегат от его мощности при различных значениях часового расхода тепла П(Т) - отбора (от нулевого до максимально возможного) для фиксированных значений давления в камере производственного (отопительного) отбора и отработавшего пара в конденсаторе (диаграмма режимов по расходу пара); графическая зависимость должна содержать также линии постоянных значений часового расхода пара на входе в ЧВД  (т/ч) (рис. П4.29);

часового расхода пара промежуточного перегрева от часового расхода свежего пара (рис. П4.30);

удельного расхода тепла на турбоагрегат от его мощности для различных, принятых с постоянным интервалом значений от нулевого до максимально возможного часового отпуска тепла из производственного (отопительного) отбора; для турбоагрегатов типа П строится графическая зависимость для фиксированного значения давления пара в П -отборе, для турбоагрегатов типа T1 - набор графиков для ряда значений давления в Т - отборе, принятых с постоянным интервалом; если у турбоагрегата типа T1 давление в Т - отборе колеблется в диапазоне 0,02 МПа (0,2 кгс/см2) или остается постоянным, то для удобства пользования графическая зависимость может быть построена для постоянного значения этого давления (рис. П4.31, П4.32);

температуры питательной воды за ПВД при различных значениях давления в П(Т) - отборе от часового расхода свежего пара (рис. П4.33, П4.34);

часового расхода пара на входе в ЧНД от часового расхода свежего пара при различных значениях часового расхода тепла П(Т) - отбора (рис. П4.37);

часового расхода отработавшего пара в конденсатор турбоагрегата от часового расхода пара на входе в ЧНД (рис. П4.38);

затраты мощности на прочие собственные нужды турбоагрегата от часового расхода отработавшего пара в конденсатор и часового расхода тепла производственного (отопительного) отбора (рис. П4.39);

удельной теплофикационной выработки электроэнергии паром П(Т) - отбора Wп(т) [(кВт·ч)/ГДж {[(кВт·ч)/Гкал}] от часового расхода свежего пара при различных значениях давления пара в П(Т) - отборе с поправкой на дополнительную выработку, греющим паром ПНД при подогреве конденсата пара П(Т)-отбора, если он возвращается в линию основного конденсата (рис. П4.40);

относительного температурного напора (недогрева сетевой воды) в подогревателе  от часового расхода ее  3/ч) при различных значениях средней температуры нагреваемой сетевой воды в подогревателе tсв(cp)C) (рис. П4.41);

зависимости от часового отпуска тепла сопротивления паропровода на участке от камеры отбора до подогревателя сетевой воды (для отопительного отбора) и до точки измерения давления в коллекторе пара (для производственного отбора) (рис. П4.42).

4.5.3.4. Для режима работы турбоагрегата типа П(Т1) с полным использованием тепла пара, поступающего в конденсатор, строятся графические зависимости следующих показателей:

удельного расхода тепла от мощности турбоагрегата (рис. П4.43);

нормативной мощности турбоагрегата от часового отпуска тепла из (производственного) отопительного отбора для ряда значений часового отпуска тепла отработавшего пара из конденсатора; для каждого из этих значений часового отпуска тепла указываются линии постоянных значений давления этого пара (рис. П4.44);

характеристики конденсатора для значений часового расхода охлаждающей воды через него и ее температуры, которые характерны при работе в этом режиме (см. рис. П4.24).

4.5.3.5. Характеристика турбоприводов механизмов собственных нужд турбоагрегата энергоблока разрабатывается при их наличии в соответствии с п. 4.4.2.4 для установленных режимов работы турбоагрегата.

4.5.3.6. Поправки к основным и промежуточным показателям приводятся на отклонение значений внешних факторов и параметров, указанных в пп. 4.3.3.1 - 4.3.3.11, 4.3.3.13 - 4.3.3.15.

(Измененная редакция, Изм. № 1).

Разработка поправок производится в соответствии с п. 4.3.

Характер графических зависимостей поправок от внешних факторов, показателей и параметров показан на рис. П4.1, П4.4 - П4.11, П4.13).

4.5.3.7. Поправки на отклонение значений внешних факторов определяются:

к мощности турбоагрегата при работе в К - режиме - в соответствии с условиями, указанными в п. 4.4.4.2, в режиме П(Т1) - при условии сохранения неизменными исходных значений часового расхода свежего пара и тепла в регулируемый отбор;

к удельному и часовому расходам тепла на выработку электроэнергии при работе по электрическому графику - при сохранении постоянными исходных значений мощности и часового расхода тепла в регулируемый отбор, при работе по тепловому графику - только часового расхода тепла в регулируемый отбор;

к мощности при работе в режиме с полным использованием тепла отработавшего пара и нагревом в конденсаторе сетевой воды - на отклонение давления отработавшего пара (температуры обратной сетевой воды).

(Измененная редакция, Изм. № 1).

4.5.3.8. Поправки к нормативному значению мощности турбоагрегата для режима работы с полным использованием тепла отработавшего пара приводятся на отклонение значений следующих внешних факторов:

температуры свежего пара (см. рис. П4.1);

давления пара в камере производственного (отопительного) отбора (см. рис. П4.13);

давления отработавшего пара в конденсаторе (см. рис. П4.4);

соотношения часовых расходов свежего пара и питательной воды (см. рис. П4.7);

отпуска тепла из нерегулируемых отборов сверх нужд регенерации (см. рис. П4.10);

старения оборудования.

4.5.4. Энергетические характеристики турбоагрегатов типа Т2

4.5.4.1. Энергетические характеристики турбоагрегатов типа Т2 с двухступенчатым отопительным отбором пара строятся для работы в режимах конденсационном (режим К), с включенными одной и двумя ступенями отопительного отбора (режимы T1 и Т2) и с полным использованием тепла отработавшего пара, поступающего в конденсатор (при подогреве во встроенном пучке сетевой воды - трехступенчатый режим).

Условия построения энергетических характеристик определяются в соответствии с п. 4.2. Внешние факторы приводятся в составе, указанном в пп. 4.2.4.1 - 4.2.4.15, 4.2.4.17 - 4.2.4.21.

4.5.4.2. Графические зависимости технико-экономических показателей при работе в конденсационном режиме приводятся в составе, указанном в п. 4.5.3.2.

4.5.4.3. Для режима работы T1 графические зависимости показателей строятся в соответствии с п. 4.5.3.3 так же, как для аналогичного режима турбоагрегата типа Т1, кроме диаграммы режимов по расходу свежего пара, удельного расхода тепла на турбоагрегат и удельной выработки электроэнергии по теплофикационному циклу паром отопительного отбора.

Часовой расход свежего пара на турбоагрегат (диаграмма режимов по расходу свежего пара) представляется в виде его графической зависимости от мощности и часового отпуска тепла из отопительного отбора для ряда значений (от минимального до максимального) давления пара в нижнем отопительном отборе при фиксированном значении давления отработавшего пара в конденсаторе (часового расхода охлаждающей воды и ее температуры) (рис. П4.45).

Удельный расход тепла на турбоагрегат представляется в виде набора графиков, каждый из которых строится в виде зависимости его от мощности при различных (от нулевого до максимального) значениях часового отпуска тепла из отопительного отбора, принятых с постоянным интервалом, и фиксированного значения давления отработавшего пара в конденсаторе (часового расхода охлаждающей воды и ее температуры); графики строятся для ряда значений давления пара в нижнем отопительном отборе (от минимального до максимального), принятых с постоянным интервалом (см. рис. П4.32).

Удельная теплофикационная выработка электроэнергии паром отопительного отбора представляется в виде графической зависимости от часового расхода свежего пара на турбоагрегат при различных значениях давления пара в нижнем отопительном отборе (от минимального до максимального) и при работе по тепловому графику (рис. П4.46).

4.5.4.4. Для режима Т2 строятся графические зависимости следующих показателей:

часового расхода свежего пара на турбоагрегат (диаграмма режимов по расходу свежего пара) - в соответствии с п. 4.5.4.3 для ряда значений давления пара в верхнем отопительном отборе при фиксированном значении температуры сетевой воды перед ее подогревателями (нагрева сетевой воды в ее подогревателях) в дополнение к указанным выше условиям (см. рис. П4.45);

удельного расхода тепла на турбоагрегат - в соответствии с п. 4.5.4.3 для ряда значений давления пара в верхнем отопительном отборе при фиксированном значении температуры сетевой воды перед ее подогревателями (нагрева сетевой воды в ее подогревателях) в дополнение к указанным выше условиям (см. рис. П4.32);

часового расхода на входе в ЧНД от часового расхода свежего пара при различных значениях часового расхода тепла в отопительный отбор; для каждого значения часового расхода тепла в отопительный отбор даются зависимости для нескольких значений давления пара в верхнем отопительном отборе (см. рис. П4.37);

часового расхода отработавшего пара в конденсатор турбоагрегата от часового расхода пара на входе в ЧНД (см. рис. П4.38);

относительного температурного напора (недогрева сетевой воды) в подогревателе каждой ступени от ее часового расхода при различных значениях средней температуры нагреваемой в подогревателе сетевой воды (см. рис. П4.41);

сопротивления паропровода от часового отпуска тепла на участке от камеры отбора до подогревателя сетевой воды каждой ступени (см. рис. П4.42);

удельной теплофикационной выработки электроэнергии паром отопительных отборов от часового расхода свежего пара на турбоагрегат при различных значениях давления пара в верхнем отопительном отборе (от максимального до минимального) и при работе по тепловому графику (см. рис. П4.46);

часового расхода пара на входе в ЧНД при закрытой регулирующей диафрагме от давления в отопительном отборе (рис. П4.36).

4.5.4.5. Для режима работы турбоагрегата с трехступенчатым подогревом сетевой воды строятся графические зависимости следующих показателей:

удельного расхода тепла на выработку электроэнергии от мощности турбоагрегата (см. рис. П4.43);

нормативной мощности турбоагрегата от часового отпуска тепла из отопительного отбора для ряда значений часового отпуска тепла отработавшего пара из встроенного пучка; для каждого из этих значений часового отпуска тепла указываются линии постоянных значений давления этого пара (см. рис. П4.44);

относительного температурного напора (недогрева сетевой воды) во встроенном пучке от ее часового расхода при различных значениях средней температуры нагреваемой в нем сетевой воды (см. рис. П4.41).

4.5.4.6. Для режима работы турбоагрегата с отключенным (отсеченным) ЦНД (для турбоагрегатов Т-250/300-240) строятся графические зависимости следующих показателей:

удельного расхода тепла на выработку электроэнергии от мощности турбоагрегата при различных значениях давления пара в верхнем отопительном отборе и фиксированном значении давления отработавшего пара (температуры обратной сетевой воды) (рис. П4.47);

нормативной мощности турбоагрегата от часового отпуска тепла в регулируемый отбор и часового расхода свежего пара при различных значениях давления пара в верхней отопительной отборе и фиксированной значении давления отработавшего пара (рис. П4.48).

4.5.4.7. Характеристика турбоприводов механизмов собственных нужд турбоагрегата энергоблока строится при их наличии в соответствии с п. 4.4.2.4 для соответствующих режимов работы.

4.5.4.8. Поправки к основным и промежуточным показателям приводятся на отклонение значений внешних факторов и параметров, указанных в пп. 4.3.3.1 - 4.3.3.9, 4.3.3.11 - 4.3.3.15. Разработка поправок производится в соответствии с п. 4.3.

(Измененная редакция, Изм. № 1).

Характер графических зависимостей поправок от внешних факторов, показателей и параметров показан на рис. П4.1, П4.4 - П4.11, П4.15, П4.16.

4.5.4.9. Поправки на отклонение значений внешних факторов к мощности, удельному и часовому расходам тепла на турбоагрегат при работе в различных режимах определяются в соответствии с п. 4.5.3.7.

4.5.4.10. Поправки к нормативному значению мощности турбоагрегата приводятся на отклонение значений следующих факторов в режиме работы с трехступенчатым подогревом сетевой воды:

температуры свежего пара (см. рис. П4.1);

давления отработавшего пара во встроенном пучке (температуры обратной сетевой воды) (см. рис. П4.4);

соотношения часовых расходов питательной воды и свежего пара на турбоагрегат (см. рис. П4.7);

отпуска тепла из нерегулируемых отборов сверх нужд регенерации (см. рис. П4.10);

температуры сетевой воды перед ее подогревателями (нагрева ее в подогревателях) (см. рис. П4.16);

старения оборудования.

(Измененная редакция, Изм. № 1).

4.5.5. Энергетические характеристики турбоагрегатов типа ПТ2

4.5.5.1. Энергетические характеристики турбоагрегатов с производственным и двухступенчатым отопительным отбором типа ПТ2 строятся для работы в следующих режимах: конденсационном (режим К), с включенными одной, двумя ступенями только отопительного отбора и полным использованием тепла отработавшего пара для подогрева сетевой воды (режимы T1, Т2 и трехступенчатый), с включенными производственным и одной, двумя ступенями отопительного отбора и полным использованием тепла отработавшего пара (режимы ПТ1, ПТ2 и трехступенчатый с производственным отбором).

Условия построения энергетических характеристик определяются в соответствии с п. 4.2. Внешние факторы приводятся в составе, указанном в пп. 4.2.4.1 - 4.2.4.21.

4.5.5.2. Графические зависимости технико-экономических показателей с учетом особенностей оборудования и условий его работы приводятся, в составе:

при работе в режиме К - в соответствии с п. 4.5.3.2;

при работе в режимах П и T1 - в соответствии с п. 4.5.3.3;

при работе в режиме Т2 - в соответствии с п. 4.5.4.4;

при работе в режиме с трехступенчатым подогревом сетевой воды и отключенным производственным отбором - в соответствии с п. 4.5.4.5, кроме часового расхода свежего пара и удельного расхода тепла на выработку электроэнергии при работе в режимах П, T1 и Т2. При работе в этих режимах значения указанных показателей определяются по графикам, построенным в соответствии с п. 4.5.5.3.

4.5.5.3. Для режимов работы с включенными производственным и отопительными отборами пара отдельно для одноступенчатого (ПТ1) и двухступенчатого (ПТ2) нагрева сетевой воды строятся графические зависимости следующих показателей:

часового расхода свежего пара на турбоагрегат от его мощности (диаграмма режимов по расходу свежего пара) для различных значений (от нулевого до максимального) часового расхода тепла производственного и отопительного отборов при фиксированных значениях давления отработавшего пара в конденсаторе (или часового расхода охлаждающей воды через конденсатор и ее температуры), давления в производственном отборе, температуры сетевой воды перед ее подогревателями (только для режима ПТ2), давления в верхнем (нижнем) отопительном отборе (соответственно для режимов ПТ2 и ПТ1); на графиках указываются линии постоянных значений часового расхода пара на входе в ЧСД (рис. П4.49);

удельного расхода тепла на выработку электроэнергии турбоагрегатом от его мощности для различных (от нулевого до максимального) значений часового расхода тепла в отопительный отбор в виде зависимостей для различных (от нулевого до максимального) значений часового расхода тепла в производственный отбор; зависимости строятся при фиксированных значениях давления в верхнем отопительном отборе (для режима ПТ2), в нижнем отопительном отборе (для режима ПТ1), в производственном отборе, в конденсаторе (часового расхода охлаждающей воды и ее температуры) и температуры сетевой воды перед ее подогревателями (в режиме ПТ2) (см. рис. П4.31);

часового расхода пара на входе в ЧСД от часового расхода свежего пара для ряда значений (от нулевого до максимального) часового расхода тепла производственного отбора; для каждого значения часового расхода тепла производственного отбора зависимости строятся для различных значений (от минимального до максимального) давления в этом отборе (рис. П4.50);

часового расхода пара в ЧВД от часового расхода пара на входе в ЧСД для ряда значений (от нулевого до максимального) часового расхода тепла в отопительный отбор при работе в режиме ПТ1 и ПТ2; для каждого значения часового расхода тепла в отопительный отбор зависимости строятся для различных значений (от минимального до максимального) давления в этом отборе (см. рис. П4.37);

удельной теплофикационной выработки электроэнергии паром отопительного отбора от часового расхода свежего пара при работе в режимах ПТ1 и ПТ2 для различных значений часового расхода тепла производственного отбора и фиксированных значениях давления в производственном, верхнем (для режима ПТ2) и нижнем (ПТ1) отопительном отборах с поправкой на отклонение от этих значений соответственно для режимов ПТ2 и ПТ1 (рис. П4.51).

4.5.5.4. Для режима работы турбоагрегата с производственным отбором и трехступенчатым подогревом сетевой воды строятся графические зависимости следующих показателей:

удельного расхода тепла на турбоагрегат от его мощности (см. рис. П4.43);

нормативной мощности турбоагрегата от суммарного часового отпуска тепла из отопительного отбора и встроенного пучка для различных значений давления в камере верхнего отопительного отбора в виде набора графиков для ряда различных (от нулевого до максимального) значений часового расхода тепла в производственный отбор и при фиксированном значении давления в камере производственного отбора, отработавшего пара во встроенном пучке и температуры сетевой воды перед ее подогревателями (рис. П4.52);

относительного температурного напора (недогрева сетевой воды) во встроенном пучке от ее часового расхода при различных значениях средней температуры нагреваемой в нем сетевой воды (см. рис. П4.41).

4.5.5.5. Характеристика турбоприводов механизмов собственных нужд турбоагрегата энергоблока строится при их наличии в соответствии с п. 4.4.2.4 для соответствующих режимов работы.

4.5.5.6. Поправки к основным и промежуточным показателям приводятся на отклонение значений внешних факторов и параметров, указанных в пп. 4.3.3.1 - 4.3.3.15. Разработка поправок производится в соответствии с п. 4.3.

Характер графических зависимостей поправок от внешних факторов, показателей и параметров и форма их представления показаны на рис. П4.1 - П4.17.

4.5.5.7. Поправки на отклонение значений внешних факторов к мощности, удельному и часовому расходам тепла на выработку электроэнергии определяются в соответствии с п. 4.5.3.7.

4.5.5.8. Поправки к нормативному значению мощности турбоагрегата даются на отклонение значений следующих факторов в режиме работы с трехступенчатым подогревом и включенным производственным отбором:

температуры свежего пара (см. рис. П4.3);

давления в производственном отборе (см. рис. П4.12, П4.13);

давления отработавшего пара во встроенном пучке (температуры обратной сетевой воды) (см. рис. П4.4);

соотношения часовых расходов питательной воды и свежего пара на турбоагрегат (см. рис. П4.7);

отпуска тепла с паром нерегулируемых отборов сверх нужд регенерации (см. рис. П4.10);

температуры сетевой воды перед подогревателями (нагрева сетевой воды в ее подогревателях) (см. рис. П4.17);

старения оборудования.

4.5.6. Энергетические характеристики турбоагрегатов типа ПТ1

4.5.6.1. Энергетические характеристики турбоагрегатов с производственным и одноступенчатым отопительным отборами пара типа ПИ строятся для работы в режимах конденсационном (режим К), только с отопительным отбором (режим T1) и с полным использованием тепла отработавшего пара, режиме работы только с производственным отбором пара (режим П), с производственным и отопительным отборами (режим ПТ1) и в режиме с полным использованием тепла отработавшего пара.

Условия построения энергетических характеристик определяются в соответствии с п. 4.2. Внешние факторы приводятся в составе, указанном в пп. 4.2.4.1 - 4.2.4.18, 4.2.4.20 - 4.2.4.21.

4.5.6.2. Графические зависимости основных и промежуточных показателей с учетом особенностей оборудования и условий его работы приводятся в составе:

при работе в режиме К - в соответствии с п. 4.5.3.2;

при работе в режиме П и T1 - в соответствии с п. 4.5.3.3;

при работе в режиме с полным использованием тепла отработавшего пара для подогрева сетевой воды и отключенным производственным отбором - в соответствии с п. 4.5.3.4;

при работе в режиме ПТ1 - в соответствии с п. 4.5.5.3 для режима ПТ1.

Для режимов П, T1 и Т2 графические зависимости часового расхода свежего пара и удельного расхода тепла на выработку электроэнергии не строятся. При работе в этих режимах значения указанных показателей определяются по графикам, построенным для режима ПТ1.

4.5.6.3. Для режимов работы с полным использованием тепла отработавшего пара и включенным или отключенным производственным отбором строятся графические зависимости основных и промежуточных показателей, аналогичные показателям турбоагрегатов типа ПТ2 в составе, приведенном в п. 4.5.5.4, кроме поправки на температуру сетевой воды перед ее подогревателями (нагрев в подогревателях сетевой воды).

4.5.6.4. Характеристика турбоприводов механизмов собственных нужд турбоагрегата энергоблока строится при их наличии в соответствии с п. 4.4.2.4.

4.5.6.5. Поправки к основным и промежуточным показателям приводятся на отклонение внешних факторов и параметров, указанных в пп. 4.3.3.1 - 4.3.3.11, 4.3.3.13 - 4.3.3.15. Разработка поправок производится в соответствии с п. 4.3.

Характер графических зависимостей поправок от внешних факторов, показателей и параметров показан на рис. П4.1 - П4.17.

(Измененная редакция, Изм. № 1).

4.5.6.6. Поправки на отклонение значений внешних факторов к мощности, часовому и удельному расходу тепла определяются в соответствии с п. 4.5.3.7.

4.5.6.7. Поправки к нормативному значению мощности турбоагрегата в режиме работы с полным использование тепла отработавшего пара и включенным производственным отбором даются на отклонение следующих факторов:

температуры свежего пара (см. рис. П4.3);

давления в камере производственного отбора (см. рис. П4.12, П4.13);

давления отработавшего пара турбоагрегата во встроенном пучке (температуры обратной сетевой воды) (см. рис. П4.4);

соотношения часовых .расходов питательной воды и свежего пара (см. рис. П4.7);

отпуска тепла из нерегулируемых отборов сверх нужд регенерации (см. рис. П4.10);

старения оборудования.

4.5.7. Энергетические характеристики турбоагрегатов с противодавлением типа Р

4.5.7.1. Условия построения энергетических характеристик определяется в соответствии с п. 4.2. Внешние факторы приводятся в составе, указанном в пп. 4.2.4.1, 4.2.4.2, 4.2.4.4 - 4.2.4.15, 4.2.4.18, 4.2.4.20 - 4.2.4.21.

Номинальное значение противодавления определяется с учетом режима работы всех подключенных потребителей: промышленных предприятий, аппаратов и установок электростанции (деаэраторы, теплообменники, сушилки и т.п.).

4.5.7.2. Графические зависимости основных и промежуточных показателей работы турбоагрегата приводятся в составе:

удельного расхода тепла на выработку электроэнергии от мощности турбоагрегата (см. рис. П4.43);

часового расхода свежего пара и тепла на турбоагрегат от мощности турбоагрегата при различных значениях давления пара в противодавлении (рис. П4.53);

нормативной мощности турбоагрегата от часового отпуска тепла из противодавления при различных значениях давления пара в противодавлении (рис. П4.54);

электромеханического КГД турбоагрегата от мощности турбоагрегата (см. рис. П4.43);

температуры питательной воды за ГВД от часового расхода свежего пара на турбоагрегат для ряда значений давления пара в противодавлении (см. рис. П4.33);

часового расхода пара и тепла из противодавления от часового расхода свежего пара на турбоагрегат для ряда значений давлений пара в противодавлении (рис. П4.55).

4.5.7.3. Характеристика турбоприводов механизмов собственных нужд турбоагрегата энергоблока строится при их наличии в соответствии с п. 4.4.2.4.

4.5.7.4. Поправки к основным и промежуточным показателям приводятся на отклонение значений внешних факторов и параметров, указанных в пп. 4.3.3.1, 4.3.3.3 - 4.3.3.5, 4.3.3.7 - 4.3.3.9, 4.3.3.13 - 4.3.3.15. Разработка поправок производится в соответствии с п. 4.3.

Характер графических зависимостей поправок от внешних факторов показателей и параметров и форма их представления показаны на рис. П4.1, П4.7 - П4.11, П4.18.

(Измененная редакция, Изм. № 1).

4.5.7.5. Поправки на отклонение значений внешних факторов к мощности, часовому расходу тепла на турбоагрегат определяются из условия сохранения неизменным исходного значения часового отпуска тепла от турбоагрегата потребителям при отклонениях от фиксированных значений внешних факторов.

4.5.7.6. Поправка к удельному расходу тепла на выработку электроэнергии приводится только на старение турбоагрегата.

(Измененная редакция, Изм. № 1).

4.5.7.7. Поправки к нормативному значению мощности турбоагрегата даются на отклонение значений следующих внешних факторов:

температуры свежего пара (см. рис. П4.1);

давления пара в противодавлении, если исходно-нормативное значение мощности дано при постоянном его значении (см. рис. П4.18);

соотношения часовых расходов свежего пара и питательной воды (см. рис. П4.7);

отпуска тепла из нерегулируемых отборов сверх нужд регенерации (см. рис. П4.10);

старения оборудования.

4.5.8. Энергетические характеристики турбоагрегатов типа ПР с противодавлением и производственным отбором

4.5.8.1. Энергетические характеристики турбоагрегата строятся для режима работы только с противодавлением (режим Р) и работы с противодавлением и производственным отбором пара (режим ПР).

Условия построения энергетических характеристик определяются в соответствии с п. 4.2. Внешние факторы приводятся в составе, указанном в пп. 4.2.4.1, 4.2.4.2, 4.2.4.4 - 4.2.4.16, 4.2.4.18, 4.2.4.20 - 4.2.4.21.

4.5.8.2. Энергетические характеристики турбоагрегата при работе в режиме Р приводятся в составе, указанном в п. 4.5.7.2 для турбоагрегата типа Р.

4.5.8.3. Графические зависимости основных и промежуточных показателей работы турбоагрегата в режиме ПР приводятся в следующем составе:

часового расхода свежего пара и тепла на турбоагрегат от его электрической мощности при различных значениях часового расхода тепла в производственный отбор при фиксированном значении его давления; на графике указываются линии постоянных значений часового расхода тепла из противодавления при различных значениях его давления (рис. П4.56);

температуры питательной воды от часового расхода свежего пара для ряда значений давления пара в производственном отборе (рис. П4.33).

8.5.В.4. Характеристика турбоприводов механизмов собственных нужд турбоагрегата строится при их наличии в соответствии с п. 4.4.2.4.

4.5.8.5. Поправки к мощности и часовому расходу тепла на турбоагрегат на отклонение значений внешних факторов определяются в соответствии с п. 4.5.7.5.

4.5.8.6. Поправки к основным и промежуточным показателям приводятся на отклонение значений внешних факторов, показателей и параметров, указанных в пп. 4.3.3.1, 4.3.3.3 - 4.3.3.5, 4.3.3.7 - 4.3.3.10, 4.3.3.13 - 4.3.3.15. Разработка поправок производится в соответствии с п. 4.3.

Характер графических зависимостей поправок от внешних факторов, показателей и параметров и форма их представления показаны на рис. П4.1, П4.7 - П4.11, П4.13, П4.18.

(Измененная редакция, Изм. № 1).

5. ЭНЕРГЕТИЧЕСКИЕ ХАРАКТЕРИСТИКИ ЭНЕРГЕТИЧЕСКИХ КОТЛОВ

5.1. Состав основных и промежуточных показателей, входящих в энергетические характеристики

5.1.1. В энергетические характеристики котла включаются основные и промежуточные показатели экономичности его работы, которые зависят от режима работы только самого котла. Характер графических зависимостей этих показателей и форма их представления показаны на рис. П5.1 - П5.14 приложения 5.

5.1.2. В зависимости от вида и марки сжигаемого топлива, конструкции котла и горелочных устройств, механизмов собственных нужд и их приводов, применяемых технологических процессов и т.п. в общем случае энергетические характеристики котла должны включать в себя графические зависимости от теплопроизводительности  [ГДж/ч(Гкал/ч)] и паропроизводительности  (т/ч) котла следующих показателей:

КПД брутто котла  (%) (см. рис. П5.7);

потери тепла с уходящими газами q2 (%) (см. рис. П5.7);

потери тепла от химической неполноты сгорания q3 (%) (см. рис П5.7);

потери тепла от механической неполноты сгорания q4 (%) (см. рис. П5.7);

потери тепла в окружающую среду q5 (.%) (см. рис. П5.7);

потери тепла с физическим теплом шлака q6 (%) (см. рис. П5.7);

потери тепла с охлаждением леток, форсунок, балок и дробеочистки котла  (%);

коэффициента избытка воздуха в режимном сечении αр (см. рис. П5.1);

значений присосов воздуха на тракте "режимное сечение -дымосос" ∆αр-ух (%) (для котлов, на которых потеря с уходящими газами определяется в сечении за дымососом) (см. рис. П5.2);

значений присосов воздуха на трактах "режимное сечение - последняя поверхность нагрева" ∆αр-ух (%) и "последняя поверхность нагрева - дымосос" ∆αух-дс (%) (для котлов, на которых потеря тепла с уходящими газами определяется в сечении за последней поверхностью нагрева) (см. рис. П5.2);

температуры уходящих газов υух (°С) и их нагрева, в дымососах ∆υдсC) (см. рис. П5.5);

содержания горючих в уносе Гун (%) (см. рис. П5.3);

содержания горючих в шлаке Гшл (%) (см. рис. П5.3);

доли рециркуляции дымовых газов rрец (см. рис. П5.4);

часового расхода тепла на подогрев воздуха в калориферах котла  [ГДж/ч(Гкал/ч)] при различных значениях нагрева в них воздуха (см. рис. П5.6);

удельного расхода электроэнергии на тягу и дутье, включая затраты энергии на вентиляторы рециркуляции горячего воздуха и дымосос рециркуляции дымовых газов Этд [кВт·ч/ГДж(кВт·ч/Гкал)] (см. рис. П5.8);

потребляемой мощности Nдрг (кВт) и удельного расхода электроэнергии дымососом рециркуляции дымовых газов Эдрг [кВт·ч/ГДж(кВт·ч/Гкал)] (см. рис. П5.9);

внутренней мощности турбопривода турбовоздуходувки  (МВт), часового расхода пара на турбопривод  (т/ч), давления отработавшего пара  [кПа(кгс/см2)] и давления воздуха в напорном патрубке воздуходувки р2 [Па(кгс/м2)] (для котлов энергоблоков) (см. рис. П5.13).

5.1.3. В энергетические характеристики включаются также графические зависимости следующих показателей:

удельного расхода электроэнергии на пылеприготовление Эпп (кВт·ч/т) от часового расхода твердого топлива на котел в натуральном исчислении (см. рис. П.5.10);

удельного расхода электроэнергии на перекачивание питательной воды Эпв (кВт·ч/т) от часового расхода питательной воды (для котлов энергоблоков) (см. рис. П5.11);

внутренней мощности турбопривода питательного насоса  (МВт) давления питательной воды на стороне нагнетания насоса  [МПа(кгс/см2)], часового расхода пара на турбопривод ПТН  (т/ч), давления отработавшего пара турбопривода  [кПа(кгс/см2)] от часового расхода питательной воды на котел (для котлов энергоблоков) (см. рис. П5.14);

давления отработавшего пара в конденсаторе  [кПа(кгс/см2)] от его часового расхода для различных значений температуры охлаждающей воды и ее номинального часового расхода через конденсатор (для турбоприводов турбовоздуходувки и питательного насоса, если отработавший пар у них направляется в собственный конденсатор) (см. рис. П4.24);

мощности прочих механизмов индивидуальных собственных нужд котла  (кВт) от теплопроизводительности котла;

часового расхода тепла на индивидуальные установки и аппараты собственных нужд котла (кроме турбоприводов механизмов)  [ГДж/ч(Гкал/ч)] от теплопроизводительности котла.

5.2. Определение основных и промежуточных показателей

5.2.1. КПД брутто котла определяется методом обратного баланса по формуле

                                                 (29)

Корректировка значений КПД брутто котла, взятых за основу для составления энергетической характеристики, производится с учетом влияния факторов, указанных в п. 3.2.3. Значение этой корректировки распределяется между отдельными составляющими тепловых потерь пропорционально тому влиянию, которое они оказывают на общее значение. Аналогичным образом для каждой составляющей тепловых потерь корректируются значения отдельных показателей и параметров, с помощью которых эта составляющая рассчитывается.

(Измененная редакция, Изм. № 1).

5.2.2. Коэффициент избытка воздуха в режимном сечении принимается оптимальным, исходя из условий отсутствия потерь от химической и механической неполноты сгорания для жидкого и газообразного топлива, отсутствия потерь от химической неполноты сгорания и минимальных суммарных потерь с уходящими газами и механической неполнотой сгорания для твердого топлива, а также необходимого уровня температур свежего пара и пара после промежуточного перегрева. При этом значение присосов воздуха в топку и систему пылеприготовления котла должно быть номинальным.

Значения присосов (перетоков) воздуха в тракт дымовых газов, топку и систему пылеприготовления котла при номинальной нагрузке принимаются в соответствии с данными действующих Правил технической эксплуатации электрических станций и сетей.

В случае экономической нецелесообразности или отсутствия технической возможности доведения присосов воздуха до норм ПТЭ допускается принимать в качестве нормативного значения лучшие результаты, достигнутые после капитальных ремонтов.

(Измененная редакция, Изм. № 1).

5.2.2.1. Корректировка этих показателей на влияние факторов, указанных в п. 3.2.3, производится с учетом конструкции обмуровки топочной камеры, регенеративных воздухоподогревателей, свойств сжигаемого топлива (налипание на элементы тракта топливоподачи и системы пылеприготовления, шлакование и занос поверхностей нагрева, абразивные свойства золы, коррозионная активность, трудоемкость удаления шлака и т.п.), характера суточного графика нагрузки.

Корректировка значений присосов воздуха в топку, газоходы и системы пылеприготовления котла и вызываемое этим изменение других показателей (температуры уходящих газов, содержания горючих в уносе, провале и шлаке, удельного расхода электроэнергии на тягу и дутье, пылеприготовление и т.п.) должны учитываться суммарно.

5.2.2.2. (Измененная редакция, Изм. № 1).

5.2.2.3. (Измененная редакция, Изм. № 1).

5.2.2.4. (Измененная редакция, Изм. № 1).

5.2.2.5. Значение присосов в газовый тракт котла при текущей нагрузке ∆α (%) определяется по формуле

                                                                               (30)

где ∆αном - значение присосов при номинальной нагрузке, %;

 - номинальное и текущее значения часовой теплопроизводительности котла, ГДж/ч(Гкал/ч).

5.2.3. Значение температуры уходящих газов определяется из условия предотвращения конденсации водяных паров из дымовых газов на поверхностях нагрева и газоходах котла, налипания золы твердого и жидкого топлива на них и коррозии металла при высоком содержании серы.

Исходя из этих условий, определяется и значение температуры воздуха перед воздухоподогревателем, изменением которой регулируется уровень температуры уходящих газов.

5.2.4. Для увеличения достоверности определение температуры уходящих газов υух (°С) для всех видов топлива с сухим способом золоулавливания (с помощью электрофильтров, циклонов и т.п.) или без золоулавливания (у котлов для сжигания газа и мазута) производится расчетом на основе температуры дымовых газов, измеряемой в сечении за дымососом, по формуле

                                                                                      (31)

где υ''дс - температура дымовых газов за дымососом, °С;

υдс - нагрев дымовых газов в дымососах при их сжатии, °С.

Нагрев дымовых газов в дымососах ∆υдс (°С) определяется по формуле

                                                                    (32)

где кυ - коэффициент пропорциональности, равный 2,67·10-1 , если напор дымососов измеряется в Па, и 2,60 , если напор дымососов измеряется в кгс/м2;

ндс - полный напор дымососов, Па(кгс/м2);

ηдс - КПД дымососов с учетом потерь энергии в направляющих аппаратах, %.

При влажном способе золоулавливания [с помощью мокрых золоуловителей (скрубберов) и т.п.] температура уходящих газов определяется путем измерения в сечении за последней поверхностью нагрева. При этом должно быть обеспечено достаточное перемешивание дымовых газов за последней поверхностью нагрева и предотвращено искажение присосами холодного воздуха через стенки газоходов и перетоками его в воздухоподогревателе представительности результатов измерения. Точки измерения температуры уходящих газов (дымовых газов за дымососом) и избытков воздуха в уходящих газах должны находиться в одном поперечном сечении газохода.

5.2.5. Значение доли рециркуляции дымовых газов rрец, указанное в характеристиках, должно обеспечить поддержание номинальных значений температуры свежего пара и пара после промежуточного перегрева и подавление оксидов азота.

При отсутствии на котле прямого измерения расхода рециркулирующих дымовых газов для определения коэффициента рециркуляции строится график его косвенной зависимости, например, от тепловой производительности котла при различных значениях потребляемой мощности дымососами газовой рециркуляции.

5.2.6. Потеря тепла с уходящими газами определяется по формуле

                       (33)

где αух - коэффициент избытка воздуха в уходящих газах;

υух - температура уходящих газов, °С;

tхв - температура холодного воздуха, °С;

q4 - потеря тепла от механической неполноты сгорания, %;

КQ - поправочный коэффициент, учитывающий внесенное в топку котла тепло с паром, подогретым воздухом и топливом;

 - дополнительная потеря тепла с физическим теплом уноса, %;

К, С, в - коэффициенты, зависящие от сорта и приведенной влажности топлива, усредненные значения которых приведены в "Методические указания по составлению отчета электростанции и акционерного общества энергетики и электрификации о тепловой экономичности оборудования: РД 34.08.552-95" (М.: СПО ОРГРЭС, 1995);

Температура голодного воздуха tхв (°С) должна измеряться на стороне всасывания дутьевого вентилятора до ввода рециркулирующего горячего воздуха. Если калориферы для подогрева воздуха находятся на стороне всасывания дутьевых вентиляторов, то температура холодного воздуха должна измеряться до калориферов.

Поправочный коэффициент КQ определяется по формуле

                         (34)

Физическое тепло 1 кг топлива, внесенное в топку, qтл [кДж/кг(ккал/кг)] рассчитывается по формуле

                                                                                       (35)

где  - удельная теплоемкость мазута при температуре его поступления в топку, кДж/(кГ·°С)[ккал/(кг·°С)];

 - температура поступающего в котел мазута, нагретого вне его, °С;

αм - доля мазута по теплу в смеси топлив.

Удельный расход тепла на 1 кг топлива, внесенного в котел с воздухом при его предварительном подогреве в калориферах, qкф [кДж/кг(ккал/кг)] в случае отсутствия измерения расхода и параметров греющей среды в калориферах рассчитывается по формуле

                                             (36)

где  - избыток воздуха, поступающего в котел, в тракте перед воздухоподогревателем;

tкф - нагрев воздуха в калориферах, °С;

Wп - приведенная влажность топлива, (кг·%·103)/кДж[(кг·%·103)/ккал];

kп - коэффициент пропорциональности: kп = 4,187, если  выражаегся в кДж/кг; kп = 1, если  выражается в ккал/кг;

 - низшая «теплота сгорания топлива, кДж/кг(ккал/кг).

Приведенная влажность твердого топлива и мазута рассчитывается по формуле

                                                                                       (37)

где Wр - влажность топлива на рабочую массу, %.

Тепло, внесенное в котел на 1 кг топлива с паром, поступающим на мазутные форсунки, qф [кДж/кг(ккал/кг)], определяется по формуле

                                                                                (38)

где dф - удельный расход пара на распыливание 1 кг мазута, кг/кг;

iф - энтальпия пара, поступающего на распыливание мазута, кДж/кг(ккал/кг);

iух - энтальпия пара при давлении и температуре уходящих газов, кДж/кг(ккал/кг).

Тепло, внесенное в котел на 1 кг топлива с паром, подаваемым для транспортировки угольной пыли, qкп [кДж/кг(ккал/кг)] рассчитывается по формуле

                                                                             (39)

где dкп - удельный расход пара на транспортировку пыли высокой концентрации, кг/кг;

iкп - энтальпия пара, поступающего на транспортировку пыли, кДж/кг(ккал/кг).

Тепло, затраченное в котле на нагрев и испарение воды, подаваемой в топку для предотвращения образования оксидов азота,  {[кДж/кг(ккал/кг)} для твердого и жидкого топлива и [кДж/м3(ккал/м3)] для газа при нормальных условиях},определяется по формуле

                                                                           (40)

где  - удельный расход воды на впрыск в топку котла на 1 кг (нм3/ч) топлива, кг/кг (кг/нм3);

iвпр - энтальпия воды, подаваемой на впрыск, кДж/кг(ккал/кг).

Значение  будет всегда отрицательным, так как в котле затрачивается тепло на нагрев и испарение введенной воды.

Дополнительная потеря тепла с физическим теплом уноса  (%) определяется по формуле

                                                                    (41)

где αун - доля золы топлива в уносе;

Ар - зольность топлива на рабочую массу, %.

Тепло, внесенное в топку при паровой обдувке поверхностей нагрева qо6д.п [кДж/кг(ккал/кг)] и затраченное на испарение воды при водяной обдувке и расшлаковке поверхностей нагрева qо6д.в [кДж/кг(ккал/кг)], определяется по формулам:

qобд.п = dобд(iобд.пiух);                                                                            (42)

qобд.в = gобд(iобд.вiух),                                                                            (42а)

где dобд и gобд - удельные расходы пара и воды (на 1 кг топлива) на паровую и водяную обдувку поверхностей нагрева;

iобд.п и iобд.в - энтальпия пара и воды, используемых для обдувки, кДж/кг(ккал/кг).

При совместном сжигании различных видов и марок топлива, если коэффициенты К, С и в для различных марок твердого топлива отличаются друг от друга, потеря тепла с уходящими газами  (%) определяется по формуле

                                                             (43)

где  - потеря тепла с уходящими газами при сжигании соответственно i-й марки твердого топлива, мазута и газа, рассчитанная по формуле (33) для каждого вида и марки топлива, %;

αтвi, αм, αг - доля соответственно i-й марки твердого топлива, мазута и газа по теплу в сожженной смеси.

Если коэффициенты К, С и в марок твердого топлива, сжигаемых совместно, не отличаются один от другого, то в этом случае все марки рассматриваются как один вид топлива.

(Измененная редакция, Изм. № 1).

5.2.7. Потеря тепла от химической неполноты сгорания топлива q3 (%) должна отсутствовать и принимается равной нулю.

5.2.8. Потеря тепла от механической неполноты сгорания топлива q4 (%) определяется по формуле

                                   (44)

где Гшл, Гун - содержание горючих в шлаке и провале, уносе, %;

Ар - зольность топлива на рабочую массу, %;

αшл, αун - доля золы топлива соответственно в шлаке и провале и в уносе, которые при отсутствии экспериментальных данных по количеству очаговых остатков могут быть приняты по даным "Теплового расчета котельных агрегатов. Нормативный метод" (М.: Энергия, 1973), %;

qгор - средняя теплота сгорания 1 кг горючих, содержащихся в шлаке, уносе, провале, равная 32660 кДж/кг (7800 ккал/кг).

Для котлов, сжигающих газ и мазут, потери тепла от механической неполноты сгорания принимаются равными нулю.

Потеря тепла от механической неполноты сгорания при сжигании смеси твердого топлива, мазута и газа  (%) определяется по формуле

                                                                                          (45)

где αтв - доля по теплу твердого топлива, сжигаемого в смеси;

q'4 - потери тепла от механической неполноты сгорания твердого топлива, определенные по формуле (44) с подстановкой в нее значений Гшл и Гун при сжигании смеси топлив, %.

Потеря тепла от механической неполноты сгорания  (%) при совместном сжигании нескольких видов, в том числе двух марок твердого топлива, если показатели качества последних, а также доля их золы в уносе, провале и шлаке даже при совместном сжигании значительно различаются, рассчитывается по формуле

                                                                      (46)

где q4,1, q4,2 - потери тепла от механической неполноты сгорания топлива, определенные по формуле (44) соответственно для марок топлива 1 и 2, %;

αтв1, αтв2 - доля по теплу твердого топлива соответственно марки 1 и 2 в сжигаемой смеси.

При отсутствии результатов испытаний котла на смеси топлив допускается значение  определять по формуле

                                                                                             (46а)

где  - потери тепла от механической неполноты сгорания при сжигании только твердого топлива, %;

а - коэффициент, значение которого принимается (в зависимости от доли газа или мазута в смеси) следующим:

Доля газа или мазута в смеси (по теплу), %

а

Доля газа или мазута в смеси (по теплу), %

а

0

1,0

60

0,62

10

1,4

70

0,4

20

1,6

80

0,22

30

1,4

90

0,1

40

1,15

100

0

50

0,9

 

 

(Измененная редакция, Изм. № 1).

5.2.9. Нормативное значение потерь тепла котлом в окружающую среду q5 (%) за счет конвекции и излучения наружными поверхностями определяется по формуле

                                                                              (47)

где q5ном - нормативные потери тепла котлом (корпусом котла) в окружающую среду при номинальной часовой паропроизводительности, определяемые по расчету завода-изготовителя или по данным "Теплового расчета котельных агрегатов. Нормативный метод" (М.: Энергия, 1973);

 - часовая паропроизводительность котла (корпуса котла) текущая и номинальная, т/ч.

5.2.10. Потери тепла с физическим теплом шлака или золы для всех видов твердого топлива  (%) определяются по формуле

                                                                          (48)

где ()шл - энтальпия шлака, кДж/кг(ккал/кг); определяется в соответствии с данными "Методические указания по составлению отчета электростанции и акционерного общества энергетики и электрификации о тепловой экономичности оборудования: РД 34.08.552-95" (М.: СПО ОРГРЭС, 1995);

υшл - температура шлака (золы), °С; при твердом шлакоудалении принимается равной 600°С, при жидком шлакоудалении - равной температуре нормального жидкого шлакоудаления, а при отсутствии данных - по температуре жидкоплавкого состояния золы υз, увеличенной на 100°С.

При сжигании смеси твердого топлива, мазута и газа потери тепла с физическим теплом шлака и золы (%) определяются по формуле, аналогичной формуле (45).

Потери тепла при охлаждении панелей и балок, не включенных в циркуляционную схему котла,  (%) определяются по формуле

                                                                                    (48а)

или приближенно

                                                                                     (48б)

где  - абсолютное значение потерь тепла, определяемое тепловым расчетом или опытным путем, ГДж/ч(Гкал/ч);

Hохл - площадь лучевоспринимающей поверхности балок и панелей (для последних в расчет принимается только боковая, обращенная в топку, поверхность), м2.

(Измененная редакция, Изм. № 1).

5.2.11. В расход электроэнергии на тягу и дутье включаются расходы ее на дымососы и дутьевые вентиляторы, имеющие электроприводы, а также:

расход электроэнергии на дымососы рециркуляции дымовых газов, предназначенные для регулирования температуры перегрева пара и подавления оксидов азота;

при одновентиляторной схеме пылеприготовления - часть расхода электроэнергии на мельничные вентиляторы, пропорциональную отношению сопротивления напорной части тракта или участка "сепаратор пыли - горелки" включительно для систем пылеприготовления с мельницами, работающими под разрежением и наддувом соответственно, к полному напору, развиваемому мельничными вентиляторами;

при двухвентиляторной схеме пылеприготовления - расход электроэнергии на вентиляторы первичного воздуха;

при транспортировании пыли к горелкам горячим воздухом -расход электроэнергии на вентиляторы горячего дутья.

Удельный расход электроэнергии на тягу и дутье котла Этд [кВт·ч/ГДж(кВт·ч/Гкал)] определяется по формуле

                                                                                             (49)

где Nтд - суммарная мощность, потребляемая тягодутьевым оборудованием котла, кВт.

Номинальный удельный расход электроэнергии определяется по данным типовых энергетических характеристик, а при их отсутствии - по результатам испытаний при условии, что сопротивление газовоздушного тракта не должно превышать значений, установленных при испытаниях котла с чистыми поверхностями нагрева или заводом-изготовителем котла, а избытки воздуха в топке и присосы в газовый тракт не должны превышать значений, установленных в энергетических характеристиках котла.

5.2.12. Удельный расход электроэнергии на пылеприготовление Эпп (кВт·ч/т) определяется по формуле

                                                                                            (50)

где Nпп - мощность, потребляемая механизмами системы пылеприготовления при часовом расходе натурального твердого топлива на котел  (т/ч), соответствующем заданной теплопроизводительности котла при оптимальной работе мельниц, кВт.

Мощность механизмов пылеприготовления включает затраты, связанные с размолом топлива и пневмотранспортом пыли.

В расход электроэнергии на размол топлива включается расход на привод мельниц и вентиляторов уплотняющего воздуха мельниц.

В расход электроэнергии на пневмотранспорт включается расход ее на привод мельничных вентиляторов (за исключением одновентиляторных схем пылеприготовления). В схемах с разомкнутой сушкой топлива в расход электроэнергии на пневмотранспорт включаются дополнительно расходы на сушильные вентиляторы, вентиляторы сбросных горелок, вентиляторы на сбросе сушильного агента через фильтры. В одновентиляторных схемах пылеприготовления на пневмотранспорт относят часть мощности мельничного вентилятора Nп,тр (кВт), определяемую по формуле

                                                                      (51)

где Nмв - мощность мельничного вентилятора, кВт;

Hмв - полный напор, развиваемый мельничнш вентилятором, Па(кгс/м2);

Нд - сопротивление напорной части тракта мельничного вентилятора для систем пылеприготовления с мельницами, работающими под разрежением; для систем пылеприготовления с мельницами, работающими под наддувом, сопротивление на участке от сепаратора пыли до горелок включительно, Па(кгс/м2).

В схемах пылеприготовления, где инертные газы используются в качестве сушильного агента, в расход электроэнергии на пневмотранспорт включается расход на дымосос инертных газов.

Номинальное значение расхода электроэнергии на пылеприготовление должно устанавливаться на основе испытаний для оптимальных режимов совместной работы пылеприготовительной установки и котла. Присосы воздуха в пылеприготовительной установке не должны превышать значений, указанных в действующих Правилах технической эксплуатации, электрических станций и сетей.

В схемах с центральным пылезаводом к расходу на пылеприготовление относится вся электроэнергия, затрачиваемая механизмами пылезавода.

5.2.13. Для котлов энергоблоков графическая зависимость удельного расхода электроэнергии на перекачивание питательной воды питательными насосами Эпв [(кВт·ч)/т] от ее часового расхода строится для питательных и бустерных электронасосов по данным типовых энергетических характеристик котлов, а при их отсутствии - по результатам испытаний или в отдельных случаях - по проектным данным завода-изготовителя.

5.2.14. К прочим индивидуальным механизмам собственных нужд котла относятся механизмы, установленные индивидуально с каждым котлом и находящиеся в работе только в период работы котла. К таким механизмам относятся приводы обдувочных аппаратов и РВП, насосы ввода реагентов в котел, шлакодробилки, транспортеры шлакоудаления, механизмы системы очистки дымовых газов, работающие в блохе с котлом и т.п.

5.2.15. В расход тепла на аппараты и установки индивидуальных собственных нужд котла входят те затраты тепла, которые связаны непосредственно с работой данного котла и зависят от режима и времени его работы. Сюда относятся затраты тепла, связанные с предварительным подогревом воздуха перед воздухоподогревателем в калориферах, распыливанием мазута в мазутных форсунках и их охлаждением паром, обдувкой паром и перегретой водой поверхностей нагрева котла, непрерывной и периодической продувкой котла, работой отборников проб пара и воды, транспортировкой с помощью пара угольной пыли высокой концентрации, пуском и остановом калориферов, впрыском нагретой воды в топку для предотвращения образования оксидов азота, очисткой дымовых газов, выполнением природоохранных мероприятий и т.п. Сюда относятся расходы тепла на турбоприводы механизмов собственных нужд котла энергоблока, потребляющие пар из отборов турбоагрегата.

5.2.16. Часовой расход тепла на турбопривод каждого механизма собственных нужд котла энергоблока, на который подается пар из отборов турбоагрегата, определяется по формуле (15).

5.3 Условия построения энергетических характеристик и внешние факторы

5.3.1. В энергетических характеристиках котлов в зависимости от конструкции оборудования, сжигаемого топлива, условий эксплуатации должны быть указаны следующие внешние факторы и параметры и даны их значения, при которых энергетические характеристики построены:

вид, марка и характеристика сжигаемого топлива { низшая теплота сгорания  [кДж/кг(ккал/кг) или кДж/м3(ккал/м3)], зольность Ар (%), влажность Wр (%) и содержание серы Sр (%) на рабочую массу, группа окисленности для окисленного твердого топлива, выход летучих Vr (%)};

доля каждого вида и марки топлива, сжигаемых совместно;

температура свежего пара и пара после промежуточного перегрева;

температура мазута, подаваемого в котел,  C);

присосы воздуха в топку ∆αт (%);

температура холодного воздуха tхвC);

способ предварительного подогрева воздуха; температура воздуха перед воздухоподогревателями t'вп (°С);

характеризуется постоянным значением или графической зависимостью (рис. П5.16);

нагрев воздуха за счет рециркуляции горячего воздуха Δtрец (°С);

нагрев воздуха в калориферах котла Δtкф (°С);

температура питательной воды tпвC); характеризуется постоянным значением или графической зависимостью (рис. П5.15);

количество впрыскиваемой воды в топку [(т/ч)] или доля рециркуляции дымовых газов [rрец (%)], предотвращающие образование оксидов азота в дымовых газах;"

число часов работы с начала эксплуатации (ч) и до момента проведения испытаний, если по их результатам построена энергетическая характеристика,  (ч);

допуск на эксплуатационные условия  (%);

введенная поправка на старение оборудования (%);

введенные поправки на действие факторов, указанных в пп. 3.2.3.3 - 3.2.3.6;

значения других внешних факторов, присущих индивидуальным особенностям установок и влияющих на экономичность работы котла.

(Измененная редакция, Изм. № 1).

5.3.2. При сжигании в смеси нескольких видов топлива энергетические характеристики котла разрабатываются с учетом особенностей сжигания каждого вида топлива, а также их взаимного влияния при совместном сжигании.

5.3.2.1. При сжигании в котле как раздельно, так и совместно твердого топлива (мазута) и газа энергетические характеристики строятся для режимов работы с сжиганием:

твердого топлива (мазута);

совместно твердого топлива (мазута) и газа;

газа после работы на твердом топливе (мазуте) или при поочередном сжигании твердого топлива (мазута) и газа;

газа при чистых поверхностях нагрева.

Энергетические характеристики котла при сжигании твердого топлива (мазута) в этом случае строятся для условий работы котла только на этом виде топлива.

При совместном сжигании мазута и газа строятся графические зависимости показателей работы котла для условий их совместного сжигания при различных значениях соотношения по теплу мазута и газа с учетом его влияния на температуру уходящих газов и другие показатели.

Аналогичным образом строятся энергетические характеристики котла при сжигании твердого топлива и газа с учетом влияния соотношения видов сжигаемого топлива на температуру уходящих газов, содержание горючих в уносе, провале и шлаке и другие показатели (см. рис. П5.5, П5.8, П5.12). Как показывает опыт, при доле газа 85% и более и 10% и менее влияние соотношения не сказывается на значении этих показателей. Для таких режимов могут быть использованы энергетические характеристики работы котла соответственно на газе после сжигания твердого топлива и на твердом топливе.

Энергетические характеристики работы котла на газе после работы его на твердом топливе (мазуте) или при поочередном их сжигании строятся для условий работы котла на газе с учетом загрязнения поверхностей нагрева.

При сжигании твердого топлива и мазута энергетические характеристики строятся аналогично работе на твердом топливе и газе с учетом того, что на загрязнение поверхностей нагрева оказывает влияние как твердое топливо, так и мазут.

5.3.2.2. При сжигании в котле как раздельно, так и совместно твердого топлива, мазута и газа энергетические характеристики составляются для режимов работы с сжиганием:

твердого топлива;

совместно твердого топлива, мазута и газа;

газа и мазута после работы на твердом топливе (с мазутом или без него;) или при поочередном сжигании твердого топлива, мазута и газа;

газа при чистых поверхностях нагрева.

Для режима совместного сжигания твердого топлива, мазута и газа строятся графические зависимости показателей работы котла для каждого вида топлива и одних и тех же условий их совместного сжигания и с учетом влияния соотношения видов сжигаемого топлива на температуру уходящих газов и содержание горючих в уносе, шлаке и провале с указанием формул расчета показателей работы котла при сжигании смеси. Как правило, на температуру уходящих газов влияет доля сжигаемого газа в диапазоне от 10 до 85%, на содержание горючих в уносе, провале и шлаке - суммарная доля газа и мазута в сжигаемой смеси в диапазоне от 10 до 85%.

5.3.3. Значения внешних факторов и параметров даются на листе условий построения энергетических характеристик котла. Описание особенностей конструкции оборудования, режимов его работы, природоохранных мероприятий и т.п. даются в пояснительной записке.

5.4. Поправки на влияние внешних факторов

5.4.1. Для приведения исходно-номинальных значений основных и промежуточных показателей работы котла к фактические условиям работы оборудования энергетические характеристики должны содержать поправки к этим показателям на изменение значений следующих внешних факторов, показателей и параметров:

соотношения видов и марок совместно сжигаемого топлива и их характеристик: зольности, влажности, низшей теплоты сгорания, выхода летучих и т.п.;

температуры холодного воздуха tхвC);

нагрева холодного воздуха за счет рециркуляции горячего воздуха Δtрец (°С);

температуры воздуха перед воздухоподогревателем t'вп (°С);

температуры питательной воды tпвC);

доли рециркуляции дымовых газов rрец, если допускается изменение ее значения, указанного в характеристике;

уменьшения расхода воды на впрыск в топку котла для предотвращения образования оксидов азота в часовом, удельном или относительном исчислении;

пусков котлов по диспетчерскому графику;

старения оборудования;

других факторов, присущих условиям работы данного оборудования и влияющих на экономичность.

5.4.2. Кроме поправок, используемых для нормирования технико-экономических показателей, отдельно должны быть приведены поправки, используемые для анализа технико-экономических показателей работы оборудования.

(Измененная редакция, Изм. № 1).

5.4.3. Поправки представляются на листе поправок в виде перечня, таблицы или того и другого вместе с приложенными графическими зависимостями отдельных поправок, характер которых и форма представления показаны на рис. П5.17, П5.18.

В каждой строке перечня указываются наименование внешнего фактора, параметра или его условное обозначение, единица отклонения его значения, условные обозначения изменяющихся под его действием показателей и значение поправки к каждому из них на единицу отклонения значения внешнего фактора.

Если значение поправки на единицу отклонения значения внешнего фактора или параметра является переменной величиной или зависимость изменения значения показателя от отклонения значения внешнего фактора нелинейная, то указывается номер графика, по которому поправка определяется.

Поправки к q2 и  на отклонение от исходных значений tпв, tхв, Δtрец, t'вп при нормировании показателей тепловой экономичности не используются и в перечень (таблицу) включаются по инициативе электростанции.

Поправки на пуски даются в виде абсолютных потерь топлива, затрат электроэнергии и тепла для одного пуска котла из различных тепловых состояний, изменяющих значения соответственно КПД котла брутто, расхода электроэнергии и тепла на собственные нужды. Значения этих величин устанавливаются в соответствии с документами, указанными в п. 4.3.17 или по результатам специальных испытаний оборудования.

При совместном сжигании нескольких видов топлива поправки могут определяться к показателям, характеризующим экономичность процесса сжигания смеси топлив в целом или каждого компонента смеси в отдельности, но для условий совместного сжигания. В последнем случае вместе с поправками должны быть указаны формулы для расчета поправок к показателям при сжигании смеси.

(Измененная редакция, Изм. № 1).

5.4.4. Поправки к потере тепла с уходящими газами

5.4.4.1. Поправки, не связанные с изменением температуры уходящих газов:

К внешним факторам и показателям, отклонение которых вызывает изменение потери тепла с уходящими газами и КПД котла брутто, оставляя неизменным значение температуры уходящих газов, относятся:

температура холодного воздуха;

зольность твердого топлива;

расход воды на впрыск в топку котла для предотвращения образования оксидов азота;

потеря тепла от механической неполноты сгорания.

В этом случае поправка к потере тепла с уходящими газами на отклонение внешнего фактора при сжигании одного вида топлива определяется как разность значений q2, рассчитанных для текущего и исходного значений этого фактора, отличающихся между собой на единицу его отклонения, при неизменных значениях прочих показателей.

При совместном сжигании нескольких видов топлива поправка к потере тепла с уходящими газами на отклонение внешнего фактора или показателя рассчитывается по формуле, аналогичной формуле (43), в которой обозначения потерь тепла заменены обозначениями поправок к потере тепла с уходящими газами на отклонение этого фактора или показателя при сжигании каждого из этих видов топлива и их смеси.

Поправка на отклонение температуры холодного воздуха определяется с помощью формулы (33), на отклонение расхода воды на впрыск в топку для предотвращения образования оксидов азота - по формуле (51а)*:

                                                 (51а)

* Здесь и далее наличие подстрочного индекса "исх" обозначает исходное (принятое при составлении энергетической характеристики) значение показателя, а его отсутствие - текущее значение показателя.

Поправка на отклонение зольности твердого топлива учитывает влияние изменения потери тепла от механической неполноты сгорания и дополнительной потери с физическим теплом уноса на потерю тепла с уходящими газами, рассчитывается при сжигании одного вида топлива по формулам (33), (41), (44) при условии, что значение комплекса

(Измененная редакция, Изм. № 1).

5.4.4.2. Поправки, связанные с изменением температуры уходящих газов:

Температура уходящих газов υyхC) при текущих значениях внешних факторов определяется по формуле

                              (52)

где кпв, квп, крец, кr, кэнд - удельные поправки к температуре уходящих газов на изменение соответственно температуры питательной воды, температуры воздуха перед воздухоподогревателем, нагрева воздуха за счет рециркуляции горячего воздуха (°С/°С), коэффициента рециркуляции дымовых газов (°С/%), тепловой нагрузки экономайзера низкого давления {°С/(ГДж/ч)[°С/(Гкал/ч)]};

 - тепловая нагрузка экономайзера низкого давления, ГДж/ч[Гкал/ч];

- изменение температуры уходящих газов за счет изменения прочих объективных факторов."

Температура воздуха перед воздухоподогревателем и температура холодного воздуха связаны между собой зависимостью, которая выражается формулой .

                                                                 (53)

где ∆tдв - нагрев воздуха в дутьевых вентиляторах за счет его сжатия, °С.

Коэффициент кпв определяется при изменении значения температуры питательной воды при постоянном значении температуры воздуха перед воздухоподогревателем.

Коэффициент квп определяется при изменении температуры воздуха перед воздухоподогревателем за счет отклонения температуры холодного воздуха или нагрева его в калориферах и отсутствии рециркуляции горячего воздуха и дымовых газов.

Коэффициент крец определяется при изменении нагрева холодного воздуха за счет рециркуляции горячего воздуха и постоянных значениях температуры воздуха перед воздухоподогревателем и отсутствии рециркуляции дымовых газов. Всегда имеет отрицательное значение.

В зависимости от конструкции котла и его поверхностей нагрева, вида сжигаемого топлива и нагрузки значения коэффициентов составляют кпв = 0,1...0,25; квп = 0,5...0,8; крец = -0,2...-0,45; кr = 0,05...0,6.

Зависимости изменения температуры уходящих газов от отклонения коэффициента рециркуляции дымовых газов rрец и тепловой нагрузки экономайзера низкого давления  определяются опытным путем, как правило, они имеют нелинейный характер и представляются в виде графиков. Если определена зависимость между коэффициентом рециркуляции и каким-либо непосредственно измеряемым параметром, то для удобства пользования график такой зависимости должен быть приведен.

В связи с вышеизложенные поправка к температуре уходящих газов, потере тепла с уходящими газами и КПД котла брутто дается при отклонении значения:

температуры питательной воды;

температуры воздуха перед воздухоподогревателем;

нагрева воздуха за счет рециркуляции горячего воздуха;

степени рециркуляции дымовых газов;

нагрузки экономайзера низкого давления (ЭНД).

Поправка к тепловой потере с уходящими газами на отклонение внешнего фактора при сжигании одного вида (марки) топлива определяется как разность значений q2, рассчитанных с помощью формулы (33) для текущего и исходного значений температуры уходящих газов, изменившейся при отклонении на единицу изменения этого внешнего фактора, и неизменных значениях прочих показателей.

При совместном сжигании нескольких видов (марок) топлива и постоянном их соотношении по теплу поправка к потере тепла с уходящими газами рассчитывается аналогично указанному в п. 5.4.4.1.

Отклонение температуры уходящих газов при изменении соотношения отдельных видов топлива при их совместном сжигании обусловлено изменением структуры факела, свойств дымовых газов и золы, степени загрязненности поверхностей нагрева и вследствие этого процесса теплообмена. Поправка к температуре уходящих газов определяется опытным путем в зависимости от доли различных видов топлива, сжигаемых вместе. Изменение потери тепла с уходящими газами при совместном сжигании определяется как разность значений , рассчитанных с помощью формулы (43) для текущих и исходных значений температуры уходящих газов и доли каждого вида топлива, сжигаемых совместно.

(Измененная редакция, Изм. № 1).

5.4.5. Поправки к потере тепла от механической неполноты сгорания топлива

5.4.5.1. На изменение потери тепла от механической неполноты сгорания твердого топлива может влиять отклонение качества топлива (его зольность и влажность на рабочую массу), а также ряд внешних факторов, вызывающих изменение содержания горючих в уносе, провале и шлаке.

При сжигании одного вида (марки) топлива поправка определяется как разность значений q4 рассчитанных с помощью формулы (44) для текущего и исходного значений внешнего фактора, отличающихся на единицу отклонения, при неизменных значениях прочих показателей.

При сжигании нескольких видов (марок) топлива поправка к потере тепла от механической неполноты сгорания на отклонение внешнего фактора или параметра рассчитывается по формуле, аналогичной формуле (46), в которой обозначения потерь тепла заменены обозначениями поправок к потере тепла от механической неполноты сгорания на отклонение этого фактора или параметра при сжигании каждого из этих видов (марок) топлива и их смеси.

5.4.5.2. Поправки на действия факторов, не влияющих на содержание горючих в уносе, провале и шлаке:

Поправка  (%) на изменение влажности топлива на рабочую массу от исходного  до текущего Wр значения определяется по формуле.

                                                                        (54)

где q4,исх - исходно-номинальное значение потери от механической неполноты сгорания, %;

 - значение низшей теплоты сгорания топлива, соответственно при исходном и текущем значениях влажности, кДж/кг(ккал/кг).

Значение низшей теплоты сгорания, пересчитанное на текущее значение влажности  [кДж/кг(ккал/кг)], определяется по формуле

                                           (55)

Поправка  (%) на изменение зольности топлива на рабочую массу от исходного  (%) до текущего Ар (%) значений определяется по формуле

                                                                    (56)

где  - низшая теплота сгорания топлива, соответственно исходное значение и пересчитанное на текущее значение зольности, кДж/кг(ккал/кг).

Значение низшей теплоты сгорания, пересчитанное на текущее значение зольности,  [кДж/кг(ккал/кг)], определяется по формуле

                                                                           (57)

При сжигании смеси топлив поправка на изменение соотношения между марками (видами топлива и потерей тепла от механической неполноты его сгорания и КПД котла брутто определяется с помощью формулы (46) аналогично указанному в п. 5.4.4.2.

(Измененная редакция, Изм. № 1).

5.4.5.3. Поправка на действие факторов, влияющих на содержание горючих в уносе, провале и шлаке:

Влияние изменения низшей теплоты сгорания твердого топлива, выхода летучих, соотношения видов и марок топлива, сжигаемого совместно, на содержание горючих в уносе, шлаке или провале определяется опытным путем на основании результатов испытаний и отражается в виде графических зависимостей в энергетических характеристиках котла.

Если отклонение низшей теплоты сгорания твердого топлива вызывает изменение содержания горючих в уносе, шлаке или провале, влияние отклонения его зольности и влажности на изменение потери тепла от механической неполноты сгорания определяется не только с помощью формул (54) и (56), но и с помощью формулы (44).

При совместном сжигании нескольких видов (марок) топлива поправка к потере тепла от механической неполноты сгорания смеси топлив определяется как разность значений , рассчитанных по формуле (46) для текущего и исходного значений доли каждого вида (марки) топлива и содержания горючих в уносе при неизменных значениях прочих показателей.

5.4.6. Поправка на старение оборудования

Значения коэффициентов износа оборудования определяются в соответствии с п. 3.2.6, поправка на старение к КПД котла брутто  определяется по формуле (4) в соответствии с указаниями, данными в п. 3.2.6.

5.4.7. Поправка на пуски котла по диспетчерскому графику представляется в виде графической зависимости или таблицы с конкретными значениями потерь топлива на один пуск котла  в зависимости от времени простоя котла.

Конкретные значения потерь устанавливаются по результатам специальных испытаний или принимаются в соответствии с документами, указанными в п. 4.3.17.

5.4.8. Поправки к расходу электроэнергии на индивидуальные собственные нужды котла

5.4.8.1. Поправки к удельному расходу электроэнергии на тягу и дутье:

Поправка на изменение температуры воздуха перед дутьевыми вентиляторами  [кВт·ч/ГДж(кВт·ч/Гкал)] определяется опытным путем или может быть рассчитана по формуле

                                                                  (58)

где k -коэффициент, равный 0,55-0,65;

tдв,исх, tдв -исходное и текущее значения температуры воздуха в дутьевых вентиляторах, °С;

Эдв,исх - исходно - номинальное значение удельного расхода электроэнергии на дутьевые вентиляторы, кВт·ч/ГДж(кВт·ч//Гкал).

Расчет поправки на изменение нагрева воздуха рециркуляцией горячего воздуха, подаваемого во всасывающий воздуховод дутьевых вентиляторов, основывается на учете изменения сопротивления той части воздушного тракта, по которой рециркулирует горячий воздух, и температуры воздуха в дутьевых вентиляторах. Поправка определяется по результатам испытаний оборудования.

Изменение доли рециркуляции дымовых газов вызывает изменение мощности дымососов рециркуляции дымовых газов, а также дутьевых вентиляторов и дымососов за счет изменения сопротивления газового и воздушного трактов котла. Поправка определяется опытным путем.

Поправка к удельному расходу электроэнергии на тягу и дутье на изменение влажности топлива вводится при ее колебаниях в диапазоне не менее 1% абс. и учитывает изменение объема дымовых газов, сопротивления газового тракта котла и вследствие этого - загрузки дымососов.

Поправка на изменение соотношения отдельных видов и марок топлива при совместном их сжигании зависит от разницы значений удельных объемов дымовых газов составляющих, влияния их доли на загрязнение поверхностей нагрева и изменение сопротивления газовоздушного тракта. Поправка определяется опытным путем и вводится, если отклонение соотношения составляющих в рабочем диапазоне вызывает изменение удельного расхода электроэнергии на тягу и дутье, на 0,05 кВт·ч/ГДж (0,2 кВт·ч/Гкал) и более.

5.4.8.2. Поправки к удельному расхода электроэнергии на пылеприготовление:

Поправки на влияние внешних факторов определяются в основном не только непосредственным влиянием характеристик сжигаемого топлива (коэффициент размолоспособности, влажность, налипание на стенки, абразивность, выход летучих) на процесс пылеприготовления, но и их воздействием на надежность транспортировки топлива по тракту, износ оборудования, ограничение производительности сушильно-мельничных систем и т.п. Влияние внешних факторов определяется индивидуально для конкретных условий работы конкретного оборудования каждой электростанции по результатам испытаний, введение их должно быть обосновано в пояснительной записке.

5.4.9. Поправки к расходу тепла на турбоприводы механизмов собственных нужд котла энергоблока определяются с помощью формулы (15) при отклонении значения внутренней мощности турбопривода.

При наличии турбовоздуходувки даются поправки к внутренней мощности на изменение температуры воздуха перед воздуходувками за счет отклонения температуры холодного воздуха и нагрева с помощью рециркуляции горячего воздуха, отклонения барометрического давления (см. рис. П5.18).

Поправки к внутренней мощности турбоприводов указываются в общем перечне поправок и представляются вместе с характеристиками турбоприводов.

5.4.10. Поправки к расходу электроэнергии и тепла на собственные нужды на пуски котла по диспетчерскому графику

Поправки на пуски котла даются в зависимости от времени его простоя и представляются в виде графической зависимости или таблицы с конкретными значениями затрат электроэнергии  (МВт·ч) и тепла  [ГДж(Гкал)] на собственные нужды на один пуск котла.

6. ПИКОВЫЕ ВОДОГРЕЙНЫЕ КОТЛЫ

6.1. Особенности пиковых водогрейных котлов

Энергетические характеристики пиковых водогрейных котлов (в дальнейшем ПВК) разрабатываются аналогично энергетическим характеристикам энергетических котлов в соответствии с разд. 5 и с учетом особенностей конструкции и режима работы ПВК.

К особенностям ряда ПВК относятся неразвитые конвективные поверхности нагрева, отсутствие воздухоподогревателя, установка автономно работающих индивидуальных дутьевых вентиляторов для каждой горелки и количественное регулирование подачи топлива в котел, отсутствие дымососов и мало меняющийся часовой расход сетевой воды через котел.

Для ПВК, имеющих неразвитые конвективные поверхности нагрева и низкое сопротивление газового тракта котла, определение присосов в последний производится как для топочной камеры.

6.2. Нормируемые показатели

6.2.1. В зависимости от вида и марки сжигаемого топлива, конструкции горелочных устройств, механизмов собственных нужд, энергетические характеристики ПВК включают в себя графические зависимости от часовой теплопроизводительности котла  [ГДж/ч(Гкал/ч)] следующих показателей:

КПД котла брутто  (%);

потери тепла с уходящими газами q2 (%);

потери тепла от механической неполноты сгорания q4 (%);

потери тепла от химической неполноты сгорания q3 (%);

потери тепла в окружающую среду q5 (%);

коэффициента избытка воздуха за последней поверхностью нагрева αух (%);

суммарных присосов воздуха в топочную камеру и конвективные поверхности нагрева ∆αух (%)у

температуры уходящих газов υуxC);                                                                                

содержания горючих в уносе Гун (%);

удельного расхода электроэнергии на тягу и дутье Этд [кВт·ч/ТДж(кВт·ч/Ткал)];

удельного расхода электроэнергии на пылеприготовление Эпп (кВт·ч/т натурального топлива);

потребляемой мощности насосами рециркуляции сетевой воды при различных значениях степени рециркуляции Nрец (кВт);

часового расхода тепла на индивидуальные собственные нужды котла  [ГДж/ч(Гкал/ч)].

6.2.2

6.2.3. Измерение температуры уходящих газов и избытка воздуха за последней поверхностью нагрева производится в одном сечении. При наличии дымососа и сжигании газа и мазута или твердого топлива с сухим способом золоудаления место измерения может быть перенесено в тракт за дымососом.

6.2.4. При установке индивидуальных дутьевых вентиляторов на каждую горелку и количественном регулировании подачи топлива избыток воздуха за каждой горелкой во всем диапазоне нагрузок принимается постоянным и значение избытка воздуха в режимном сечении αух определяется по формуле

                              (59)

где αух, ном - избыток воздуха в дымовых газах за последней поверхностью нагрева при номинальной нагрузке;

αух, ном - присосы воздуха в топке и конвективной части при номинальной нагрузке, %;

 - тепловая производительность котла номинальная и текущая, ГДж/ч(Гкал/ч).

6.2.5. При отсутствии дымососов удельный расход электроэнергии указывается только на дутье.

6.2.6. К расходу тепла на прочие индивидуальные собственные нужды котла относятся затраты тепла с паром на распил и охлаждение мазутных форсунок, паровую обдувку и т.п.

6.2.7. Энергетические характеристики строятся на основе типовых энергетических характеристик или результатов испытаний.

6.2.8. Для пиковых водогрейных котлов поправки на старение оборудования не вводятся.

6.3. Условия построения и внешние факторы

На листе с условиями построения энергетических характеристик котла должны быть указаны:

вид, марка и характеристика сжигаемого топлива;

доля каждого вида топлива, сжигаемого совместно;

режим работы ПВК (основной или пиковый);

часовой расход сетевой воды через котел  (т/ч);

температура сетевой воды на входе в котел tвхC);

температура холодного воздуха tхвC);

тонина помола топлива R90 или R200 (%);

доля золы в уносе αун ;

способ поддержания температуры сетевой воды перед котлом (наличие ее рециркуляции);

температура мазута перед котлом  C);

допуск на эксплуатационные условия  (%);

введенные поправки на действие факторов, указанных в пп. 3.2.3.3 - 3.2.3.6.

6.4. Поправки на влияние внешних факторов

Для приведения исходно-номинальных значений основных и промежуточных показателей работы котла к фактическим условиям устанавливаются поправки к этим показателям на изменение значений следующих внешних факторов:

зольности Ар (%) и влажности Wр (%) на рабочую массу;

соотношения видов топлива;

температуры холодного воздуха tхвC);

температуры сетевой воды перед котлом tвхC);

часового расхода сетевой воды через котел  (т/ч);

коэффициента рециркуляции сетевой воды крец.

Значения поправок к показателям представляются в виде таблицы.

7. ЗАТРАТЫ ЭЛЕКТРОЭНЕРГИИ И ТЕПЛА НА ОБЩЕГРУППОВЫЕ МЕХАНИЗМЫ, АППАРАТЫ И УСТАНОВКИ СОБСТВЕННЫХ НУЖД ПОДГРУППЫ ОБОРУДОВАНИЯ И ТЕХНОЛОГИЧЕСКИЕ ПОТЕРИ ТЕПЛА, СВЯЗАННЫЕ С ЕГО ОТПУСКОМ

7.1. Общие положения

7.1.1. Механизмы, установки и аппараты собственных нужд подразделяются на индивидуальные котлов и турбоагрегатов, подгрупповые, общегрупповые и общестанционные. Аналогично подразделяются и затраты энергии на механизмы, установки и аппараты собственных нужд.

7.1.2. Характеристики индивидуальных механизмов, установок и аппаратов собственных нужд котлов и турбоагрегатов включаются в энергетические характеристики этих агрегатов. Перечень их приведен соответственно в разд. 5 и 4.

7.1.3. Характеристики общестанционных и общегрупповых механизмов, установок и аппаратов собственных нужд представляются с энергетическими характеристиками одной из подгрупп оборудования, электростанции.

7.1.4. Энергетические характеристики расхода тепла и электроэнергии на собственные нужды подгруппы оборудования включают в себя аналитические зависимости суммарных (включая прочие) расходов электроэнергии и тепла на механизмы, установки и аппараты котлов, турбоагрегатов, оборудования, связанного с отпуском тепла с горячей водой (теплофикационная установка) и паром, а также зависимости часовых (удельных) затрат тепла и электроэнергии (затрат мощности) как на отдельные механизмы, аппараты и установки, так и на комплексы этих потребителей, технологически связанных между собой, от нормообразующего показателя, характерного для них.

7.1.5. Разработка характеристик производится с учетом свойств сжигаемого топлива, конкретных схем разгрузки, хранения и подачи топлива, золоулавливания и золошлакоудаления, водоснабжения, теплоснабжения, технологических процессов выработки энергии и предотвращения вредного воздействия на окружающую среду и т.п.

Если режим работы механизмов, аппаратов и установок изменяется в зависимости от сезона, то их характеристики должны иметь конкретные границы использования для того или иного периода в виде значений какого-либо параметра (температуры наружного воздуха, охлаждающей воды и т.п.).

7.1.6. Для составления зависимости потребляемой мощности механизмов от часового расхода среды используются их типовые характеристики, а при их отсутствии - результаты испытаний или в отдельных случаях при отсутствии указанных документов - паспортные данные заводов-изготовителей. Аналогичным образом составляются зависимости часового расхода тепла на установки и аппараты собственных нужд.

Составление зависимостей производится в соответствии с действующими методическими указаниями.

7.1.7. Определение расхода электроэнергии мелкими потребителями (дренажными насосами и т.п.) удобно производить с помощью их средней потребляемой мощности за сутки, которая рассчитывается как произведение установленной мощности электродвигателя механизма кN, относительной номинальной мощности механизма кэл, равной отношению потребляемой мощности электродвигателя механизма при номинальной нагрузке к установленной мощности электродвигателя, числа одновременно работающих механизмов и относительного суммарного времени их работы в течение суток кτ.

Для инвентаризации потребителей электроэнергии и расчета суммарной среднесуточной мощности мелких механизмов в пояснительной записке составляется таблица по форме, указанной в приложении 7.

7.1.6. Расход электроэнергии на механизмы и установки собственных нужд котлов, турбоагрегатов или связанные с отпуском тепла с паром и горячей водой подгруппы оборудования в общем виде определяется следующей аналитической зависимостью, приведшей в пояснительной записке:

        (60)

где  - расход электроэнергии на собственные нужды соответственно индивидуальные i-го агрегата (котла, турбоагрегата), j-го подгруппового механизма, k-го общегруппового и p-го общестанционного механизма, определяемый по их характеристикам, МВт·ч;

Gтэс,p, Gгр,k, Gпг,k, Gпг,p - расход воды, топлива и т.п. через общестанционные и общегрупповые механизмы и установки и его значение, приходящееся на подгруппу оборудования.

Указанный в формуле (60) коэффициент 1,03 учитывает потери в трансформаторах собственных нужд.

(Измененная редакция, Изм. № 1).

7.1.9. При отпуске тепла с паром и горячей водой определяются отдельно аналитические зависимости расхода электроэнергии на привод механизмов, связанных с обеспечением отпуска тепла с паром Эпар и с горячей водой (теплофикационной установки) Этепл.

К первым относятся механизмы, обеспечивающие возврат конденсата от потребителей пара, восполнение потерь пара и конденсата, подпитку паропреобразовательных установок и откачку из них конденсата.

Ко вторым относятся механизмы, обеспечивающие подачу сетевой воды потребителям, подпитку теплосети, приготовление воды для восполнения потерь ее в теплосети, откачку конденсата из подогревателей сетевой воды, а также индивидуальные механизмы вспомогательного оборудования ПВК.

7.1.10. Указанный в формуле (60) коэффициент 1,03, учитывающий потери электроэнергии в трансформаторах собственных нужд, применяется в том случае, когда счетчики установлены на стороне низшего напряжения трансформаторов.

7.2. Подгрупповые, общегрупповые и общестанционные механизмы и установки собственных нужд

7.2.1. К подгрупповым, общегрупповым и общестанционным относятся следующие механизмы и установки собственных нужд котлов:

механизмы для погрузо-разгрузочных работ и обработки на складе, размораживания, дробления, сушки и транспортировки твердого топлива в бункера сырого угля котлов, улавливания из него металла и посторонних предметов, обеспыливания тракта топливо - подачи;

механизмы для разгрузки, обработки и подачи к котлам мазута;

механизмы центрального пылезавода;

компрессоры и воздуходувки, обеспечивающие сжатым воздухом систему очистки котлов и пневмоинструмента;

механизмы для пневматической подачи пыли;

механизмы для золоулавливания, золо- и шлакоудаления;

механизмы для очистки дымовых газов от вредных примесей (кроме установленных индивидуально с котлом);

установки для очистки отмывочных сточных вод, конденсата подогревателей мазута и других загрязненных вод;

питательные насосы для оборудования с поперечными связями;

установки для химической очистки и химического обессоливания воды, подаваемой для восполнения внутристанционных потерь пара и конденсата;

дренажные насосы, насосы технической воды и пожарного водоснабжения;

дренажные насосы, механизмы системы отопления, вентиляции, кондиционирования и другие механизмы теплофикационной установки, работа которых не зависит от времени работы последней;

механизмы, используемые для текущего и среднего ремонта котельного оборудования;

механизмы системы отопления, вентиляции и кондиционирования котельного оборудования;

установки для освещения котлов и теплофикационной установки;

средства измерения, электроприводы арматуры, система управления и защиты.

7.2.2. К подгрупповым, общегрупповым и общестанционным механизмам и установкам собственных нужд турбоагрегатов относятся:

циркуляционные насосы, не установленные индивидуально с турбоагрегатами;

вентиляторы градирен;

дренажные и перекачивающие насосы;

подкачивающие насосы в систему циркуляционного водоснабжения;

механизмы очистки и регенерации масла для смазки и регулирования турбоагрегатов и центральной маслоаппаратной;

механизмы электроцеха (компрессоры воздушных выключателей, зарядные и подзарядные мотор-генераторы и т.п.);

механизмы системы предотвращения попадания загрязненных и замасленных вод в почву и открытые водоемы;

механизмы, работа которых связана с охраной окружающей среды, выполнением требований рыбоводства, ирригации;

механизмы и установки дли проведения средних и текущих ремонтов;

система освещения турбоагрегатов и относящегося к ним оборудования;

механизмы системы отопления, вентиляции и кондиционирования оборудования турбоагрегатов;

средства измерения, авторегуляторы, электроприводы арматуры, система управления и защиты.

7.2.3. К расходу электроэнергии на механизмы, связанные с отпуском тепла паром, Эпар относится расход ее на электродвигатели конденсатных и питательных насосов паропреобразователей и механизмы по химической очистке и обессоливанию воды для восполнения невозврата конденсата от потребителей пара.

К расходу электроэнергии на собственные нужды теплофикационной установки, связаннее с обеспечением отпуска тепла с горячей водой, Этепл относится расход ее на электродвигатели:

сетевых и подпиточных насосов теплосети, расположенных на территории электростанции;

конденсатных насосов подогревателей сетевой воды, в том числе если последние установлены индивидуально с турбоагрегатами;

механизмов индивидуально установленного на ПВК вспомогательного оборудования;

механизмов по химической очистке и приготовлению воды для восполнения потерь сетевой воды в теплосети.

7.2.4. Характер графических зависимостей некоторых составляющих расхода электроэнергии на собственные нужды и форма их представления показаны на рис. П6.1 - П6.12 приложения 6.

7.2.5. Затраты мощности на механизмы разгрузки и погрузки твердого топлива, его транспортировки к котлам изображаются в зависимости от часового расхода его при подаче на склад и для сжигания в котлах. Время работающих соответствующих механизмов должно быть увязано с нормативными сроками разгрузки топлива. Должно быть учтено влияние температуры твердого топлива на работу дробилок, бурорыхлительных и дробильно-фрезерных машин в связи с изменением свойств топлива в зависимости от температуры.

7.2.6. Графическая зависимость удельного расхода электроэнергии на питательные насосы составляется в зависимости от часового расхода питательной воды для оптимального состава работающих насосов.

7.2.7. При составлении зависимости потребляемой мощности насосами системы золошлакоудаления следует учитывать необходимость подачи воды на орошение мокрых золоуловителей даже при работе котла на газе и поддержания скорости воды в золошлакопроводах не ниже минимального значения по условиям предотвращения выпадения шлака и золы, состав работающего оборудования подгруппы, группы или электростанции (если система золошлакоудаления является общестанционной), виды и марки сжигаемого топлива, свойства золы и шлака сжигаемого твердого топлива.

7.2.8. Мазутные насосы должны постоянно обеспечивать циркуляцию мазута в мазутопроводах даже при отсутствии его расхода на сжигание.

7.2.9. Время разогрева топлива в тепляке и работы соответствующих вентиляторов определяется нормативными сроками, установленными на основании результатов соответствующих испытания.

7.2.10. Зависимость мощности циркуляционных насосов устанавливается от оптимальных значений часовых расходов охлаждающей воды через конденсаторы турбоагрегатов, которые определяются с учетом экономического вакуума, производительности и числа работающих насосов и градирен (если они установлены), сопротивления системы циркуляционных водоводов, необходимости увеличивать расход или включать дополнительные охладители при ограничении температур охлаждающей воды после конденсаторов при сливе ее в открытые водоемы.

7.2.11. При составлении характеристик насосных установок принимается, что при параллельной работе следующий насос включается в работу после достижения работающими номинальной часовой производительности или максимального ее значения, определенного по результатам испытаний. Если характеристика сети такова, что следующий насос должен включаться до достижения работающими указанных значений их производительности из-за недостаточности располагаемого напора установленных насосов, то значение часовой производительности насосной установки, при которой производится включение следующего насоса, определяется при совместном рассмотрении характеристики сети и развиваемого напора параллельно работающими насосами. Причины более раннего включения в работу насосов должны быть указаны в пояснительной записке.

7.3. Подгрупповые, общегрупповые и общестанционные составляющие расхода тепла на собственные нужды и технологические потери тепла, связанные с его отпуском

7.3.1. К подгрупповым, общегрупповым и общестанционным относятся составляющие расхода тепла на собственные нужды котлов, связанные с:

технологическими потерями тепла при разгрузке, хранении, транспортировке топлива до котлов и поддержании в резерве системы топливоснабжения;

его потерями при подготовке обессоленной воды для восполнения внутристанционных потерь пара и конденсата;

отоплением и кондиционированием производственных помещений котлов энергетических и пиковых водогрейных, химического и топливно-транспортного цехов;

очисткой и нейтрализацией замасленных, замазученных, отмывочных и загрязненных вод;

потерями тепла при циркуляции сетевой воды через поверхности нагрева неработающих ПВК для предотвращения их коррозии и поддержания положительной температуры в газоходах этих котлов.

7.3.2. К общегрупповым и общестанционным относятся составляющие расходы тепла на собственные нужды турбоагрегатов, связанные с:

отоплением и кондиционированием производственных помещений

турбоагрегатов и электроцеха;

выполнением природоохранных мероприятий.

7.3.3. К технологическим потерям тепла, связанным с его отпуском потребителям, относятся потери:

от наружного охлаждения паропроводов отборов и противодавления турбоагрегатов и редукционно-охладительных установок для отпуска тепла с паром до точки измерения отпуска тепла потребителям или до подогревателей сетевой воды;

от наружного охлаждения основных и пиковых подогревателей сетевой воды, паропроводов к ним и конденсатопроводов от них до деаэратора или системы регенерации турбоагрегата и трубопроводов сетевой воды между точками измерения температуры обратной и прямой сетевой воды;

от наружного охлаждения паропреобразовательной установки и подходящих и отходящих паропроводов до точки измерения отпуска пара потребителям, а также отходящих конденсатопроводов к деаэратору или системе регенерации турбоагрегатов;

при подготовке химически очищенной воды для подпитки теплосети и обессоленной воды или дистиллята для восполнения невозврата конденсата от потребителей тепла;

при очистке возвращаемого потребителями загрязненного конденсата;

с продувкой паропреобразовательных установок;

с продувкой котлов, превышающей номинальные значения вследствие ухудшения качества питательной воды из-за невозврата конденсата от потребителей;

от наружного охлаждения деаэраторов подпитки теплосети, трубопроводов к ним и от них и потери с выпаром из этих деаэраторов.

7.3.4. Характер графических зависимостей и форма представления некоторых составляющих расхода тепла на собственные нужды и технологических потерь тепла, связанных с ее отпуском, показаны на рис. П8.1 - П8.6 приложения 8.

7.3.5. При определении показателей работы оборудования мазутного хозяйства необходимо иметь в виду, что циркуляция мазута по мазутопроводам должна быть постоянной независимо от температуры наружного воздуха, работы основного оборудования и вида сжигаемого топлива.

7.3.6. Для определения времени нахождения размораживающего устройства и устройств для слива мазута в резерве необходим график нормативного времени разогрева топлива в вагоне и мазута в цистерне.

Графические зависимости технологических потерь тепла, связанных с его отпуском для подгруппы оборудования, строятся как зависимости часовых или относительных потерь от температуры наружного воздуха, объема включенного в работу оборудования и доли отпуска тепла подгруппой оборудования, если потери являются общестанционными.

8. ПОЯСНИТЕЛЬНАЯ ЗАПИСКА

8.1. Пояснительная записка к энергетических характеристикам группы оборудования должна содержать:

краткое описание электростанции и подгруппы оборудования;

краткое техническое описание основного и вспомогательного оборудования, условия его эксплуатации;

описание отличий технических характеристик оборудования и тепловой схемы, а также внешних условий эксплуатации от соответствующих данных, принятых в исходном материале;

таблицы расчетов по приведению основных и промежуточных показателей исходных энергетических характеристик к фактический условиям эксплуатации, составлению оборудования, тепловой схеме и внешним условиям, принятым для вновь разрабатываемых энергетических характеристик; таблицы должны содержать значения показателей, используемые при построении характеристик.

8.2. В пояснительной записке к характеристике котла каждого типа приводятся следующие технические данные:

тип, паропроизводительность и параметры пара, (установленные заводом-изготовителем или утвержденные для данной электростанции Департаментом электрических станций РАО "ЕЭС России"), количество котлов;

количество, производительность, тип и расположение горелок;

способ распиливания мазута;

технологические особенности совместного сжигания различных видов топлива;

способ регулирования температуры свежего пара и пара после промежуточного перегрева;

место ввода рециркулирующих дымовых газов;

сопротивление газовоздушного тракта при сжигании различных видов топлива или их смеси;

тип золоуловителя;

система очистки поверхностей нагрева;

вид шлакоудаления (сухое, жидкое);

площади поверхностей нагрева пароперегревателей, экономайзера, воздухоподогревателя;

тип воздухоподогревателя;

характеристика тяго-дутьевых механизмов (производительность, напор, частота вращения, способ регулирования производительности);

характеристика системы пылеприготовления (тип мельниц, их производительность, количество, сушильный агент, схема транспортирования пыли в горелки);

другие технические особенности котла и его вспомогательного оборудования;

выполняемые природоохранные мероприятия, системы очистки дымовых газов и особенности режима работы, вызванные их выполнением;

таблица основных и промежуточных показателей работы, составляющих энергетические характеристики котла с учетом и без учета действия факторов, указанных в пп. 3.2.6.1 - 3.2.6.6.

(Измененная редакция, Изм. № 1).

8.3. В пояснительной записке в характеристике турбоагрегата каждого типа приводятся следующие технические данные:

тип, мощность, параметры пара (установленные заводом-изготовителем или утвержденные для данной электростанции Департаментом электрических станций РАО "ЕЭС России"), количество, турбоагрегатов;

максимальный часовой расход пара через ЧВД, ЧСД и ЧНД и причины его ограничения;

отсутствие отдельных ступеней проточной части или наличие укороченных лопаток;

изменения в схемах отсоса пара из уплотнений и разъемов цилиндров;

характеристика системы регенерации (тип ПВД и ПНД, количество потоков воды, наличие пароохладителей и охладителей конденсата, схема отвода конденсата, материал трубок ПНД);

характеристика конденсационной установки (тип конденсатора, площадь охлаждения, количество потоков воды, диаметр трубок и их материал, наличие встроенного пучка, гидравлическое сопротивление, тип основных эжекторов, схема питания их паром или водой);

значение отпуска пара из нерегулируемых отборов сверх нужд собственной регенерации;

значение энтальпии и место ввода конденсата пара, возвращаемого от внешних потребителей и потребителей собственных нужд;

количество основного конденсата, подаваемого на уплотнения и охлаждение подшипников насосов, обратных клапанов, электродвигателей и генератора;

использование в тепловой схеме турбоагрегата выпара деаэратора расширителей дренажей и продувки котлов;

количество и температура подаваемой в конденсатор химически очищенной воды;

другие технические особенности турбоагрегата, его тепловой схемы и вспомогательного оборудования, влияющие на экономичность его работы;

выполняемые природоохранные мероприятия и особенности режима работы, вызванные их выполнением.

(Измененная редакция, Изм. № 1).

8.4. В пояснительной записке к определению затрат энергии на механизмы и установки собственных нужд подгруппы оборудования приводятся:

перечень, краткая техническая характеристика, режим работ, способ подсчета затрат мощности механизмами электрических собственных нужд;

описание особенностей условий работы, учтенных при определении затрат энергии;

формулы расчета энергии на собственные нужды подгруппы оборудования и ее составляющих;

результаты расчета расходов тепла на отопление и вентиляцию производственных помещений и исходные данные для этого, в том числе размеры помещений;

исходные данные, использованные при определении затрат энергии (результаты испытаний, заводские характеристики, методические материалы, нормативы, инструкции, другие технические материалы).

9. ТРЕБОВАНИЯ К ОФОРМЛЕНИЮ ЭНЕРГЕТИЧЕСКИХ ХАРАКТЕРИСТИК

9.1. Энергетические характеристики группы оборудования в виде графических зависимостей показателей, пояснительной записки с таблицами должны быть оформлены на листах формата А4 размером 297×210 мм с титульным листом и сброшюрованы.

Если размеры графика, таблицы или схемы выходят за размеры указанного формата, то их оформляют на листах следующих форматов, которые должны быть сложены таким образом, чтобы габариты сложенных листов соответствовали размерам формата А4.

9.2. Графики зависимости основных и промежуточных показателей должны строиться в масштабах, указанных ниже и обеспечивающих необходимую точность определения номинальных значений показателей и удобство пользования графиками.

Для удобства пользования и уменьшения вероятности ошибок масштаб построения графиков удельных расходов тепла для каждого режима работы турбоагрегата и показателей работы каждого котла для всех видов сжигаемого топлива должен быть одним и тем же.

Величина графического интервала (расстояния между делительными штрихами или линиями координатной сетки) графика должна быть кратна 1; 2 или 5.

9.3. (Измененная редакция, Изм. № 1).

9.4. (Измененная редакция, Изм. № 1).

9.5. (Измененная редакция, Изм. № 1).

9.6. (Измененная редакция, Изм. № 1).

9.7. Разработанные энергетические характеристики подгруппы оборудования должны быть подписаны и утверждены в соответствии с действующим положением о разработке энергетических характеристик оборудования.

Приложение 1

Справочное

КОЭФФИЦИЕНТ, УЧИТЫВАЮЩИЙ ТОЧНОСТЬ ИСХОДНОГО МАТЕРИАЛА

Материал, использованный при составлении энергетической характеристики

Значение коэффициента, %

Типовая энергетическая характеристика

+0,9...-0,9

Индивидуальные испытания оборудования

+1,5...-1,5

Расчеты завода-изготовителя/

+0,5β*...-0,5β*

*β - допуск к гарантийным значениям, указанный заводом-изготовителем оборудования, %.

Приложение 2

Справочное

ДОПУСК НА ЭКСПЛУАТАЦИОННЫЕ УСЛОВИЯ

Группа оборудования по давлению свежего пара перед турбоагрегатами, МПа (кгс/см2)

 %

 % при сжигании

твердого топлива

мазута

газа

23,5 и 12,7 (240 и 130)

0,8

0,60

0,45

0,30

8,8 (90)

1,1

0,75

0,60

0,45

Менее 4,4 (45) и иностранных фирм

1,4

0,90

0,75

0,60

Пиковые водогрейные котлы

-

0,80

0,65

0,50

Приложение 3

Справочное

ЧАСОВОЙ РАСХОД ПАРА, ВНУТРЕННЯЯ МОЩНОСТЬ И ДАВЛЕНИЕ ОТРАБОТАВШЕГО ПАРА ТУРВОПРИВОДА МЕХАНИЗМА СОБСТВЕННЫХ НУЖД ПОТРЕБЛЯЮЩЕГО ПАР ИЗ ОТБОРА ТУРБОАГРЕГАТА

Рис. П3.1

Часовой расход пара, внутренняя мощность и давление отработавшего пара турбопривода механизма собственных нужд, потребляющего пар из отбора турбоагрегата Для турбоагрегатов всех типов

Приложение 4

Справочное

ФОРМА ПРЕДСТАВЛЕНИЯ ГРАФИЧЕСКИХ ЗАВИСИМОСТЕЙ ЭНЕРГЕТИЧЕСКИХ ХАРАКТЕРИСТИК ТУРБОАГРЕГАТА

Рис. П4.1

Поправка к удельному расходу тепла и к мощности на отклонение температуры свежего пара и пара после промежуточного перегрева

а - для турбоагрегатов типа К и режима К турбоагрегатов типов П, T1, Т2, ПТ1, ПТ2;

б - для турбоагрегатов типов П, T1, T2;

в - для турбоагрегатов типов П, T1, T2

Рис. П4.2

Поправка к часовому расходу тепла на выработку электроэнергии на отклонение температуры свежего пара

Для турбоагрегатов типов ПТ1, ПТ2

Рис. П4.3

Поправка к мощности на отклонение температуры свежего пара

Для турбоагрегатов типов ПТ1, ПТ2

Рис. П4.4

Поправка к мощности на давление отработавшего пара в конденсаторе

Для турбоагрегатов типов К, П, Т1, T2, ПТ1, ПТ2

Рис. П4.5.

Поправки к часовому и удельному расходам тепла на выработку электроэнергии на отклонение давления отработавшего пара в конденсаторе (температуры охлаждающей воды)

Условия: ...

Для турбоагрегатов типов К, П, Т1, T2, ПТ1, ПТ2

Рис. П4.6

Поправка к часовому расходу тепла на выработку электроэнергии на отклонение часового

расхода охлаждающей воды

Условия: ...

Для турбоагрегатов типов К, П, Т1, T2, ПТ1, ПТ2

Рис. П4.7

Поправки к удельному расходу тепла и к мощности на отличие часовых расходов питательной воды и свежего пара:

а - для турбоагрегатов типа К и турбоагрегатов типов П, T1, Т2, ПТ1, ПТ2 при работе в режиме К;

б - для турбоагрегатов типов Р, ПР;

в, г -для турбоагрегатов типов П, Т1, Т2;

д, е - для турбоагрегатов типов ПТ1, ПТ2

Рис. П4.8

Поправка к часовому расходу тепла на выработку электроэнергии на включение впрыска в промежуточный пароперегреватель

Для турбоагрегатов всех типов

Рис. П4.9

Относительный расход питательной воды на впрыск в промежуточный пароперегреватель

Для турбоагрегатов всех типов

Рис. П4.10

Поправки к часовому расходу тепла на выработку электроэнергии и к мощности на отпуск 1 ГДж/ч(1 Гкал/ч) не регулируемых отборов:

Условия: ...

а - для турбоагрегатов типов К, Р

Условия: ...

б - для турбоагрегатов типов П, T1, T2, ПТ1, ПТ2, ПР

Рис. П4.11

Поправка к часовому расходу тепла на выработку электроэнергии на отклонение давления отработавшего пара турбопривода

Для турбоприводов механизмов энергоблока, потребляющих пар из отборов турбоагрегата

Рис. П4.12

Поправка к часовому расходу тепла на выработку электроэнергии и к мощности на отклонение давления в производственном отборе:

Условия: рп = ...

Для турбоагрегатов типов ПТ1, ПТ2

Рис. П4.13

Поправка к мощности на отклонение давления в производственном отборе

Для турбоагрегатов типов П, ПТ1, ПТ2, ПР

Рис. П4.14.

Поправка к мощности на отклонение давления в отопительном отборе

Для турбоагрегатов типов ПТ1, ПТ2

Рис. П4.15

Поправка к удельному расходу тепла на выработку электроэнергии на отклонение температуры сетевой воды на входе в подогреватели сетевой воды

Условия: t'псв1 = ...

Для турбоагрегатов типа Т2 при работе в режиме Т2

Рис. П4.16

Поправка к мощности на отклонение температуры сетевой воды на входе в подогреватели сетевой воды

Условия: t'псв1 = ...

Для турбоагрегатов типа Т2 при работе в режиме Т2

Рис. П4.17

Поправка к мощности и удельному расходу тепла на выработку электроэнергии на отклонение температуры сетевой воды на входе в подогреватели сетевой воды

Условия: t'псв1 = ...

Для турбоагрегатов типа ПТ2 при работе - в режиме ПТ2

Рис. П4.18

Поправка к мощности на отклонение давления - пара в противодавлении

Условия: рп = ...(для турбоагрегатов типа ПР)

Для турбоагрегатов типов Р, ПР

При работе в режиме ПР приводится набор трафиков для различных значений

Рис. П4.19

Часовой расход свежего пара, часовой и удельный расходы тепла

—— работа на номинальном давлении свежего пара;

----- работа на скользящем давлении свежего пара

Условия:...

Для турбоагрегатов типа К и типов П, T1, T2, ПТ1, ПТ2 при работе в режиме К

Рис. П4.20

Потери мощности и электромеханический КПД турбоагрегата

Для турбоагрегатов всех типов

Рис. П4.21

Часовой расход пара на промперегрев и в конденсатор

Условия:...

Для турбоагрегатов типа К и типов П, Т1, Т2, ПТ1, ПТ2 при работе в режиме К

Рис. П4.22

Температура питательной воды

а - при однокорпусном котле (моноблок)

б - при двухкорпусном котле (дубль-блок)

Условия:

Для турбоагрегатов типов К, T1, Т2 и типов П, ПТ1, ПТ2 при работе в режиме К

Рис. П4.23.

Температурный напор в конденсаторе турбоагрегата (турбопривода)

Условия:

Рис. П4.24

Абсолютное давление пара в конденсаторе турбоагрегата (турбопривода)

Условия:

Рис. П4.25.

Потребляемая мощность осевых (с неизменным углом разворота лопастей) и центробежных циркуляционных насосов:

1 - в работе один насос (в работе один насос на первой частоте вращения вала);

2 - в работе два насоса (в работе один насос на второй частоте вращения вала)
(Измененная редакция, Изм. № 1).

Рис. П4.25а.

Потребляемая мощность осевых циркуляционных насосов, угол разворота υ лопастей которых остается постоянным в течение сезона:

1 - υмакс =...; 2 - υср = ...;3 - υмин =...
(Измененная редакция, Изм. № 1).

Рис. П4.26

Оптимальное значение часового расхода охлаждающей воды через конденсатор при непрерывно регулируемой производительности индивидуальных циркуляционных насосов

Для турбоагрегатов типа К и типов П, Т1, Т2, ПТ1, ПТ2 при работе в режиме К

Рис. П4.27

Потребляемая мощность индивидуальных циркуляционных насосов при непрерывном регулировании их производительности разворотом рабочих лопаток

Для. турбоагрегатов типа К и типов П, T1, T2, ПТ1, ПТ2 при работе в режиме К

Рис. П4.28

Мощность, потребляемая прочими индивидуальными механизмами собственных нужд турбоагрегата

1 - в работе 1 конденсатный насос;

2 - в работе 2 конденсатных насоса;

3 - включение в работу одного сливного насоса регенерации;

4 - включение в работу второго сливного насоса регенерации

Для турбоагрегатов типа К

Рис. П4.29

Часовой расход свежего пара на турбоагрегат

Условия: рп =... (для турбоагрегатов при работе в режиме П);

рт =... (для турбоагрегатов при работе в режиме T1)

Для турбоагрегатов типов П, T1 и ПТ1 при работе в режиме только с одним регулируемым П(Т) отбором

При работе турбоагрегата типа ПТ1 только с отбором П обозначение  заменяется на

Рис. П4.30

Часовой расход пара промежуточного перегрева

Условия:...

Для теплофикационных турбоагрегатов всех типов

Рис. П4.31

Удельный расход тепла на турбоагрегат

Условия: рп = ... (при работе в режимах П, ПТ1, ПТ2)

рнто(вто) = ... (при работе с одно- или двухступенчатым подогревом сетевой воды)

t'псв1(∆tпсв) = ... (при работе в режиме с двухступенчатым подогревом сетевой воды)

Приводится набор графиков для различных значений при работе в режиме ПТ1 и ПТ2

Для турбоагрегатов типа П, ПТ1, ПТ2

Рис. П4.32

Удельный расход тепла на турбоагрегат

Условия: t'псв1(∆tпсв) = ... (при работе в режиме с двухступенчатым отпуском тепла из Т-отбора)

Приводится набор графиков для различных значений рнто при работе в режиме T1 и рвто работе в режиме Т2

Для турбоагрегатов типа T1, T2 при работе в режимах T1 и Т2

Рис. П4.33

Температура питательной воды

Для турбоагрегатов типов П, ПТ1, ПТ2, ПР при работе в режиме с П - отбором и в режиме Р для турбоагрегатов типов ПР и Р

Рис. П4.34

Температура питательной воды

Для турбоагрегатов типов T1, T2

Рис. П4.35

Часовой расход пара в ЧНД и конденсатор

Условия:...

Для турбоагрегатов типов П, T1, Т2, ПТ1, ПТ2 при работе в режиме К

Рис. П4.36

Часовой расход пара на входе в ЧНД при закрытой регулирующей диафрагме

Условия:...

Для турбоагрегатов типов T1, Т2, ПТ1, ПТ2

Рис. П.4.37

Часовой расход пара на входе в ЧНД

Условия:...

Зависимости  строятся для турбоагрегатов ПТ1 и ПТ2 для ряда значений  и рт

Для турбоагрегатов типов П, T1, Т2, ПТ1, ПТ2

Рис. П4.38

Часовой расход пара в конденсатор

Для турбоагрегатов типов П, T1, T2, ПТ1, ПТ2

Рис. П4.39

Мощность, потребляемая прочими индивидуальными механизмами собственных нужд турбоагрегата

1 - в работе 1 конденсатный насос;

2 - в работе 2 конденсатных насоса;

3 - включение сливного насоса подогревателя низкого давления

Для турбоагрегатов типов П, T1, T2, ПТ1, ПТ2

Рис. П4.40

Удельная выработка электроэнергии по теплофикационному циклу паром производственного (отопительного) отбора

Wп - дополнительная выработка греющим паром ПНД при подогреве конденсата пара П - отбора при его возврате в линию основного конденсата

Условия:... Для турбоагрегатов типов П, Т1, ПТ1, ПТ2, ПР

Для турбоагрегата типа Р график Wпр строится в зависимости от  при различных значениях рпр

Рис. П4.41.

Относительный температурный напор (недогрев сетевой воды):

а - в сетевом подогревателе;

б - во встроенном пучке конденсатора

Для теплофикационных турбоагрегатов

Рис. П4.42

Сопротивление участка паропровода от камеры производственного (отопительного) отбора до точки измерения давления в коллекторе пара производственного отбора (в корпусе подогревателя сетевой воды)

Рис. П4.43

Удельный расход тепла на выработку электроэнергии и электромеханический КПД турбоагрегата

Для всех турбоагрегатов при работе в режиме полного использования тепла отработавшего пара

Рис. П4.44

Нормативная мощность при работе в режиме с полным использованием тепла отработавшего пара

Условия: рп = ... (для турбоагрегатов типа П)

t'псв1(∆tпсв) = ... (для турбоагрегатов типа Т2)

Для турбоагрегатов типов П, T1, T2

Рис. П4.45

Часовой расход свежего пара на турбоагрегат

Условия:...

Для турбоагрегатов типа Т2 при работе в режиме T1 и Т2

Рис. П4.46

Удельная выработка электроэнергии по теплофикационному циклу паром отопительного отбора:

а - одноступенчатый подогрев сетевой воды;

б - двухступенчатый подогрев сетевой воды

Условия:...

Для турбоагрегатов типа Т2

Рис. П4.47

Удельный расход тепла при работе с отключенным отсеченным ЧНД

Условия: р2 ...; t'псв1(∆tпсв) = ...

Для турбоагрегатов типа Т2

Рис. П4.48

Нормативная мощность при работе с отключенным (отсеченным) ЧНД

Условия: р2 = ...

Для турбоагрегатов типа Т2

Рис . П4.49

Часовой расход свежего пара на турбоагрегат

Условия: рп = ...

рт = ...

t'псв1(∆tпсв) = ...

Для турбоагрегатов типов ПТ1, ПТ2

Рис. П4.50

Часовой расход пара на входе в ЧСД

Условия:...

Для турбоагрегатов типов ПТ1, ПТ2

Рис. П4.51.

Удельная выработка по теплофикационному циклу парой отопительного отбора (регулятор давления производственного отбора включен)

Условия ...

Поправка к удельной теплофикационной выработке электроэнергии паром отопительного отбора на давление в камере производственного отбора  (в зоне дроссельного парораспределения). Поправка к удельной теплофикационной выработке электроэнергии паром отопительного отбора на давление в камере отопительного отбора

Для турбоагрегатов типов ПТ1, ПТ2, ПР

Для турбоагрегатов типа ПР вместо W'т указывается Wпр

Рис. П4.52

Нормативная мощность при работе в режиме с полным использованием тепла отработавшего пара

Условия: р2 = ...

рп = ...

t'псв1(∆tпсв) = ... (Для режима работы с двухступенчатым подогревом сетевой воды)

Для турбоагрегатов типов ПТ1, ПТ2

Приводится в виде набора графиков для ряда значений от нулевого до максимального

Рис. П4.53

Часовой расход свежего пара и тепла

Условия:...

Для турбоагрегатов типа Р

Рис. П4.54

Нормативная мощность

Условия: iрег = ...

Для турбоагрегатов типа Р

Риc. П4.55

Часовой расход тепла и пара из противодавления

Условия: iрег = ...

Для турбоагрегатов типа Р

Рис. П4.56

Часовой расход- свежего пара и тепла на турбоагрегат

Условия: рп = ...

                iрег = ...

Для турбоагрегатов типа ПР при работе в режиме ПР

Приложение 5

Справочное

ФОРМА ПРЕДСТАВЛЕНИЯ ГРАФИЧЕСКИХ ЗАВИСИМОСТЕЙ ЭНЕРГЕТИЧЕСКИХ ХАРАКТЕРИСТИК КОТЛА

Рис. П5.1

Коэффициент избытка воздуха в режимном сечения

Рис. П5.2

Присосы воздуха на тракте "режимное сечение - сечение измерения температуры уходящих газов", "сечение измерения температуры уходящих газов - сечение за дымососом"

Рис. П5.3

Содержание горючих в уносе и шлаке

Рис. П5.4

Доля рециркуляции дымовых газов

Рис. П5.5.

Температура уходящих газов в их нагрева в дымососах:

а - для котлов при сжигании одного вида топлива или нескольких видов и марок, если их соотношение не влияет на данный показатель;

б - для котлов при сжигании двух видов или марок топлива

Рис. П5.6

Часовой расход тепла на подогрев воздуха в калориферах

Рис. П5.7

Показатели работы котла при сжигании одного вида топлива

а- КПД котла брутто;

б - потеря тепла с уходящими газами;

в - потеря тепла от механической неполноты сгорания;

г - потеря тепла в окружающую среду; д - потеря тепла с физическим теплом шлака

Рис. П5.8

Удельный расход электроэнергии на тягу и дутье

а - для котлов при сжигании одного вида топлива;

б - для котлов при сжигании двух видов топлива;

1 - зона работы дутьевых вентиляторов и дымососов, на 1 скорости вращения;

2 - зона работы дутьевых вентиляторов (дымососов) на 1 скорости и дымососов (дутьевых вентиляторов) на 2 скорости;

3 - зона работы механизмов на 2 скорости вращения

Рис. П5.9

Удельный расход электроэнергии на рециркуляцию дымовых газов

Рис. П5.10

Удельный расход электроэнергии на пылеприготовление

Рис. П5.11

Удельный расход электроэнергии на питательные (бустерные) насосы (для энергоблоков)

1 - в работе 1 насос;

2 - в работе 2 насоса

Рис. П5.12

Показатели работы котла при сжигании двух видов топлива в смеси

а- КПД котла брутто;

б - потеря тепла с уходящими газами;

в - потеря тепла от механической неполноты сгорания;

г - потеря тепла с физическим теплом шлака

Рис. П5.13

Внутренняя мощность турбопривода воздуходувки, давление воздуха на стороне нагнетания воздуходувки, часовой расход пара на турбопривод и давление отработавшего пара

Условия: ...

Рис. П5.14

Внутренняя мощность турбопривода питательного насоса энергоблока, давление питательной воды, часовой расход пара на турбопривод, давление отработавшего пара

а - однокорпусный котел; б - двухкорпусный котел;

1 - зона работы при скользящем давлении свежего пара перед стопорным клапаном турбоагрегата; 2 - в работе один корпус котла; 3 - в работе два корпуса котла;

—— при номинальном давлении свежего пара; ----- при скользящем давлении свежего пара.

Для котлов энергоблоков с турбоприводом питательного насоса

Рис. П5.15

Температура питательной воды перед котлом

1 - для моноблока или дубль-блока при работе с двумя корпусами котла;

2 - для .дубль-блока при работе с одним корпусом котла

Рис. П5.16

Температура воздуха перед воздухоподогревателем

Рис. П5.17.

Поправки к показателям работы котла на отклонение от фиксированного значения:

а - температуры питательной воды;

б - температуры холодного воздуха;

в- температуры воздуха перед воздухоподогревателем;

г - нагрева воздуха рециркуляцией горячего воздуха;

д- коэффициента рециркуляции дымовых газов;

е - зольности твердого топлива;

ж - влажности жидкого топлива;

з - влажности твердого топлива;

и - доли твердого топлива при совместном сжигании его с газом или мазутом;

к - температуры сетевой воды на входе в ПВК;

л - часового расхода сетевой воды через ПВК;

м - температуры воздуха перед дутьевыми вентиляторами;

н - доли рециркуляции горячего воздуха

Рис. П5.18

Поправки к внутренней мощности турбопривода турбовоздуходувки на изменение:

а - напора турбовоздуходувки;

б - температуры воздуха перед воздуходувкой;

в - нагрева воздуха перед турбовоздуходувкой о помощью рециркуляции горячего воздуха

Приложение 6

Справочное

ФОРМА ПРЕДСТАВЛЕНИЯ ГРАФИЧЕСКИХ ЗАВИСИМОСТЕЙ СОСТАВЛЯЩИХ РАСХОДА ЭЛЕКТРОЭНЕРГИИ НА МЕХАНИЗМЫ СОБСТВЕННЫХ НУЖД КОТЛОВ, ТУРБОАГРЕГАТОВ И СВЯЗАННЫХ С ОБЕСПЕЧЕНИЕМ ОТПУСКА ТЕПЛА С ПАРОМ И ГОРЯЧЕЙ ВОДОЙ

Рис. П6.1

Удельный расход электроэнергии на разгрузку, переработку на складе и подачу на сжигание твердого топлива

Рис. П6.2

Потребляемая мощность механизмов золошлакоудаления

Рис. П6.3

Потребляемая мощность механизмов установок по приготовлению химически очищенной и обессоленной воды

Рис. П6.4

Потребляемая мощность механизмов мазутонасосной

Рис. П6.5

Расход электроэнергии на разогрев в размораживающем устройстве одной ставки вагонов с топливом

Рис. П6.6

Время разогрева в размораживающем устройстве одной ставки вагонов с топливом

Рис. П6.7

Удельный расход электроэнергии на питательные электронасосы Для электростанции с поперечными связями

Рис. П6.8.

Потребляемая мощность циркуляционных насосов группы турбоагрегатов

(Измененная редакция, Изм. № 1).

Рис. П6.9

Потребляемая мощность сетевых насосов

Рис. П6.10

Мощность конденсатных насосов подогревателей сетевой воды

1 - одноступенчатый подогрев сетевой воды;

2 - двухступенчатый подогрев сетевой воды

Рис. П6.11

Мощность насосов возврата конденсата от производственных потребителей

Рис. П6.12

Мощность насосов подпитки теплосети


Приложение 7

Обязательное

ПЕРЕЧЕНЬ МЕХАНИЗМОВ И УСТАНОВОК ЭЛЕКТРИЧЕСКИХ СОБСТВЕННЫХ НУЖД ПОДГРУППЫ ОБОРУДОВАНИЯ

Наименование механизма, установки, его марка

Номинальная часовая производительность механизма

Номинальный напор

Установленная мощность электродвигателя,. кВт

Количество механизмов

Относительная номинальная мощность механизма kN

Относительное суммарное время одновременно работающих механизмов в сутки kτ

Средняя потребляемая мощность электродвигателей, кВт

Примечание

установлено

одновременно в работе

 

 

 

 

 

 

 

 

 

 


Приложение 8

Справочное

ФОРМА ПРЕДСТАВЛЕНИЯ ГРАФИЧЕСКИХ ЗАВИСИМОСТЕЙ СОСТАВЛЯЮЩИХ РАСХОДА ТЕПЛА НА СОБСТВЕННЫЕ НУЖДЫ ПОДГРУППЫ ОБОРУДОВАНИЯ И ТЕХНОЛОГИЧЕСКИХ ПОТЕРЬ ТЕПЛА, СВЯЗАННЫХ С ЕГО ОТПУСКОМ

Рис. П8.1

Расход тепла на мазутное хозяйство

а - предельное время слива мазута с из цистерн;

б - температура мазута в цистерне;

в - расход тепла на прогрев приемно-сливного устройства при нахождении его в резерве;

г - часовой расход тепла на хранение мазута я на охлаждение в трубопроводах;

д - часовой расход тепла на нагрев мазута, сжигаемого в котлах

Рис .П8.2

Часовой расход тепла на отопление;

а - котельного (турбинного) отделения;

б - других производственных помещений

Рис. П8.3

Часовой расход тепла на вентиляции котельного (турбинного) отделения

Рис. П8.4

Часовой расход тепла на размораживание одной ставки вагонов с топливом

Рис. П8.5

Часовые потери тепла при подготовке химически очищенной и обессоленной воды

Рис. П8.6

Часовые технологические потери тепла, связанные с его отпуском




Яндекс цитирования



   Copyright © 2007-2026,  www.tehlit.ru.

[ ѓосты, стандарты, нормативы, инструкции, правила, строительные нормы ]