//
ТехЛит.ру
- крупнейшая бесплатная электронная интернет библиотека для "технически умных" людей.
WWW.TEHLIT.RU - ТЕХНИЧЕСКАЯ ЛИТЕРАТУРА

:: Алготрейдинг::


АЛГОТРЕЙДИНГ
шаг за шагом
с нуля по урокам!

Торговые роботы на PYTHON, BackTrader,
Pandas, Pine Script для TradingView. Связка с брокерами, телеграм и легкими приложениями.


МИНИСТЕРСТВО ВНУТРЕННИХ ДЕЛ РОССИЙСКОЙ ФЕДЕРАЦИИ ГЛАВНОЕ УПРАВЛЕНИЕ ВНЕВЕДОМСТВЕННОЙ ОХРАНЫ

УТВЕРЖДЕНО

Начальником ГУВО МВД России

полковником милиции

М.И. Суходольским

«06» ноября 2002 г.

ЛОЖНЫЕ СРАБАТЫВАНИЯ
ТЕХНИЧЕСКИХ СРЕДСТВ ОХРАННОЙ СИГНАЛИЗАЦИИ
И МЕТОДЫ БОРЬБЫ С НИМИ

Р 78.36.013-2002

Рекомендации

МОСКВА 2002

Рекомендации разработаны сотрудниками НИЦ «Охрана» ГУВО МВД России Н.Н. Котовым, Л.И. Савчук, Е.П. Тюриным, А.Г. Зайцевым под руководством Н.В. Будзинского.

В рекомендациях рассматриваются вопросы снижения количества ложных срабатываний технических средств охранной сигнализации. Проведен анализ имеющегося опыта повышения помехоустойчивости технических средств охранной сигнализации. Выявлены мешающие факторы и определена степень их влияния на аппаратуру в условиях эксплуатации. Разработана методология поиска и устранения причин ложных срабатываний аппаратуры охранной сигнализации на объектах.

Рекомендации предназначены для инженерно-технических работников вневедомственной охраны и электромонтеров охранно-пожарной сигнализации.

НИЦ «Охрана» выражает признательность ГУВО МВД России (B.C. Веремчуку, Ю.Н. Зуйкову, В.А. Лютенко, В.П. Фуртату), УВО при МВД республики Башкортостан, УВО при МВД республики Татарстан, УВО при ГУВД г. Москвы, УВО при ГУВД Московской области, УВО при ГУВД Краснодарского края, УВО при ГУВД Пермской области, УВО при ГУВД Санкт-Петербурга и Ленинградской области, УВО при ГУВД Челябинской области, УВО при УВД Омской области, УВО при УВД Тульской области за замечания и предложения, высказанные в процессе подготовки и рецензирования настоящих Рекомендаций.

СОДЕРЖАНИЕ

Введение. 2

1. Общие положения. 3

2. Сокращения. 4

3. Помехи и мешающие факторы.. 4

4. Основные характеристики технических средств охранной сигнализации. 11

5. Технические средства охранной сигнализации. условия эксплуатации. 18

5.1. Извещатели. 18

5.1.1. Магнитоконтактные. 18

5.1.2. Ударноконтактные. 19

5.1.3. Акустические. 20

5.1.5. Оптико-электронные. 22

5.1.6. Емкостные. 23

5.1.7. Вибрационные. 23

5.1.8. Комбинированные. 24

5.1.9. Совмещенные. 24

5.1.10. Электроконтактные. 24

5.2. Приборы приемно-контрольные. 25

5.3. Приборы-сигнализаторы.. 25

5.4. Системы передачи извещений. 26

5.4.1. Повышение имитостойкости СПИ.. 27

5.4.2. Практические рекомендации по развертыванию и эксплуатации радиосистем передачи извещений «Струна-3» и «Струна-3М». 28

6. Организация работ по снижению количества ложных срабатываний. 30

6.1. Основные работы.. 30

6.2. Техническое обслуживание. 30

6.3. Дополнительные функциональные обязанности личного состава. 32

7. Учет и анализ ложных срабатываний. 33

7.1. Учет ложных срабатываний. 33

7.2. Порядок проведения работ по результатам анализа. 36

8. Алгоритмы поиска причин ложных срабатываний. 37

8.1. Проверка шлейфа сигнализации. 40

8.2. Проверка извещателей. 41

8.3. Проверка приборов приемно-контрольных. 41

8.4. Проверка систем передачи извещений. 42

8.5. Проверка радиосистем передачи извещений. 42

9. Контроль технической эксплуатации. 44

10. Организация электропитания. 45

10.1. Пультовая аппаратура систем передачи извещений. 45

10.2. Станционная аппаратура охранной сигнализации. 45

10.3. Объектовая аппаратура охранной сигнализации. 46

11. Заземление. 47

12. Монтаж электропроводок. 48

12.1. Шлейф сигнализации. 48

12.2. Локальная вычислительная сеть. 49

Приложение 1 Контроль тока «охраны». 49

Приложение 2 Перечень основных работ по техническому обслуживанию.. 50

ВВЕДЕНИЕ

Развитие технических средств охраны происходит исключительно быстрыми темпами. Это в основном обусловлено бурным развитием микрооптоэлектроники, микропроцессорной и вычислительной техники. За последнее десятилетие на базе комплекса проведенных теоретических и экспериментальных исследований создан целый ряд извещателей, приборов приемно-контрольных и систем передачи извещений с расширенными тактико-техническими характеристиками, улучшенными методами обнаружения и способами обработки информации. Несмотря на это, проблема ложных срабатываний сигнализации остается в настоящее время одной из основных причин, снижающих эффективность охраны.

Анализ причин ложных срабатываний показывает, что большинство из них происходит из-за неудовлетворительного технического состояния аппаратуры охранной сигнализации на охраняемых объектах, серьезных упущений в организации работы электромонтеров охранно-пожарной сигнализации и инженерно-технических работников подразделений вневедомственной охраны.

Опыт работы ведущих подразделений охраны свидетельствует, что при проведении целенаправленных мероприятий по улучшению технического обслуживания технических средств охранной сигнализации количество ложных срабатываний сигнализации может быть сведено к минимуму. С целью улучшения организации работы по сокращению количества ложных срабатываний на местах с учетом опыта работы подразделений вневедомственной охраны и разработаны настоящие рекомендации.

В рекомендациях рассмотрены вопросы, связанные с организацией и проведением работы по борьбе с ложными срабатываниями; определен ряд факторов, оказывающих влияние на работоспособность аппаратуры; изложены требования к установке и оптимальной настройке на охраняемых объектах.

Рекомендации предназначены для использования в практической деятельности подразделений вневедомственной охраны, системе служебной подготовки и обучения персонала.

1. ОБЩИЕ ПОЛОЖЕНИЯ

Ложным срабатыванием называется сформированное техническими средствами охранной сигнализации извещение о нарушении на объекте при отсутствии явных признаков, характеризующих эти события. Таким образом, под ложным срабатыванием технического средства охранной сигнализации понимается любое тревожное извещение, вызванное сбоями (отказами) аппаратуры или другими событиями, не связанными с попытками проникновения на охраняемый объект.

Уменьшение числа ложных срабатываний и, следовательно, повышение эффективности функционирования подразделений вневедомственной охраны представляет собой сложную комплексную проблему, включающую в себя вопросы повышения помехоустойчивости и надежности технических средств охранной сигнализации, как на этапе разработки и серийного производства, так и на этапе эксплуатации. Достаточно ответственным этапом по обеспечению требований помехоустойчивости и надежности является этап разработки и серийного производства. От того, насколько всесторонне учтены при проектировании условия производства и эксплуатации аппаратуры, в конечном счёте зависит эффективность ее функционирования. Существующий «Перечень технических средств вневедомственной охраны, разрешенных к применению в (текущем году)» (далее - Перечень) является наилучшим барьером к появлению ненадежной и некачественной аппаратуры на охраняемых объектах.

К ложным срабатываниям могут привести ошибки, внесенные при обследовании объекта, выборе необходимых технических средств охранной сигнализации, проектировании схемы защиты объекта, монтаже и сдаче в эксплуатацию технических средств охранной сигнализации по причине:

- неквалифицированного обследования объекта;

- выбора технических средств охранной сигнализации без учета влияния помех, факторов, воздействующих на их работоспособность, выхода параметров аппаратуры за пределы граничных условий применения;

- неправильного выполнения (или отсутствия) работ по инженерно-технической укрепленности объекта;

- отступления от проекта или акта обследования при проведении монтажных работ;

- некачественного проведения (или отсутствия) входного контроля технических средств охранной сигнализации;

- неправильного выбора структуры сигнализации и тактики охраны;

- несоответствия проведения монтажных работ нормативным документам;

- неполноты эксплуатационной документации или ее отсутствие;

- недостаточной требовательности к руководителю, ответственному лицу, собственнику объекта при нарушении правил сдачи (снятия) объекта под охрану, эксплуатации технических средств охранной сигнализации;

- не уведомления сотрудников вневедомственной охраны о ремонтных, строительных работах на объекте, а также работах на автоматических телефонных станциях и абонентских телефонных линиях;

- несоответствующего качества и периодичности проведения технического обслуживания или ремонта технических средств охранной сигнализации;

- неправильного анализа причин возникновения ложных срабатываний, их локализации, устранения или нейтрализации;

- отказа технических средств охранной сигнализации, шлейфов сигнализации, линий связи и электропитания;

- отсутствия измерений (выявления изменений) помеховой обстановки на объекте;

- недостаточности (или отсутствия) технического контроля (надзора) эксплуатации технических средств охранной сигнализации и технической укрепленности объекта.

Таким образом, работы по сокращению количества ложных срабатываний технических средств охранной сигнализации представляет собой комплекс организационно-технических мероприятий, направленных на повышение надежности функционирования этих средств на охраняемых объектах, автоматической телефонной станции и пункте централизованной охраны.

2. СОКРАЩЕНИЯ

В настоящих рекомендациях применяются следующие условные сокращения:

ЛС - ложное срабатывание;

ТС ОС - технические средства охранной сигнализации;

ПЦО - пункт централизованной охраны;

ПЦН - пульт централизованного наблюдения;

СПИ - система передачи извещений;

РСПИ - радиосистема передачи извещений;

АРМ - автоматизированное рабочее место;

УО - устройство оконечное;

УТ - устройство трансляции;

Р - ретранслятор;

АЛ - абонентская линия;

ВЛ - выделенная линия;

ППК - прибор приемно-контрольный;

ШС - шлейф сигнализации;

ДРС - датчик разбития стекла;

БОС - блок обработки сигнала;

ДСВ - датчик сигнала вибрации;

АТС - автоматическая телефонная станция;

УС - устройство соединительное;

УЦ - узел центрального ретранслятора;

БП - блок питания.

3. ПОМЕХИ И МЕШАЮЩИЕ ФАКТОРЫ

ТС ОС и в первую очередь извещатели в процессе эксплуатации подвергаются воздействию различных помех и мешающих факторов, среди которых основными являются: акустические помехи и шумы, вибрации строительных конструкций, движение воздуха, электромагнитные помехи, изменения температуры и влажности окружающей среды, помехи по сети электропитания, техническая неукрепленность объекта, халатность или ошибки собственника.

Степень воздействия помех на работу ТС ОС зависит от их мощности, принципа действия прибора, а также его схемно-технических решений.

Акустические помехи и шумы создаются промышленными установками, транспортными средствами, бытовой электро-, радиоаппаратурой, грозовыми разрядами и другими источниками. Для практической оценки в таблице 3.1 приведена сила звука различных источников акустических помех. Этот вид помех вызывает появление неоднородностей воздушной среды, колебания не жестко закрепленных остекленных конструкций и может служить причиной ложных срабатываний ультразвуковых, звуковых, ударноконтактных и вибрационных извещателей. При уровне шума более 60 дБ применять данные извещатели не рекомендуется. К ложным срабатываниям ультразвуковых извещателей также могут привести и высокочастотные составляющие акустического шума.

Таблица 3.1 - Сила звука источников акустических помех

Сила звука, дБ

Примеры звуков указанной силы

0

Предел чувствительности человеческого уха

10

Шорох листьев. Слабый шепот на расстоянии 1 м

20

Тихий сад

30

Тихая комната. Средний уровень шума в зрительном зале

40

Негромкая музыка. Шум в жилом помещении

50

Слабая работа громкоговорителя. Шум в учреждении с открытыми окнами

60

Громкий радиоприемник. Шум в магазине. Средний уровень разговорной речи на расстоянии 1 м

70

Шум мотора грузового автомобиля. Шум внутри трамвая

80

Шумная улица. Машинописное бюро

90

Автомобильный гудок

100

Автомобильная сирена. Отбойный молоток

120

Сильные удары грома. Реактивный двигатель

130

Болевой предел. Звук уже не слышен

Вибрацию строительных конструкций вызывают проходящие вблизи охраняемого объекта железнодорожные составы, поезда метрополитена, работа мощных компрессорных установок и т.п. Особенно чувствительны к вибрационным помехам ударноконтактные и вибрационные извещатели, поэтому на объектах, подверженных таким помехам, эти извещатели применять не рекомендуется.

Движение воздуха в охраняемой зоне вызывается в основном тепловыми потоками вблизи отопительных устройств, сквозняками, вентиляторами и т.п. Наиболее подвержены влиянию воздушных потоков ультразвуковые и пассивные оптико-электронные извещатели. При монтаже этих извещателей необходимо строго соблюдать требования по их установке.

Электромагнитные помехи создаются грозовыми разрядами, мощными радиоустановками, высоковольтными линиями электропередач, распределительными сетями электропитания, контактными сетями электротранспорта, установками для научных исследований и т.п. К данному типу помех не восприимчивы магнитоконтактные и ударноконтактные извещатели. Наиболее подвержены воздействию электромагнитных помех радиоволновые и емкостные извещатели. Причем радиоволновые извещатели в большей степени восприимчивы к радиопомехам, а емкостные - к помехам от близко расположенных (менее 10 м) к охраняемому объекту электрических установок мощностью более 15 кВА.

В процессе эксплуатации ТС ОС в сети его питания постоянно присутствуют различные электромагнитные помехи. Среди них можно выделить несколько типов:

- импульсные высоковольтные броски (пики) - броски напряжения до 3 кВ длительностью от 0,1 до 10 мс, возникающие при ударе молнии вблизи линии электропередач, переключении мощных электрических машин и аппаратов, электростатических разрядах;

- периодические выбросы (пики на максимуме синусоиды) - периодические броски напряжения, причиной которых являются работа ламп дневного света, лифтового оборудования, а так же неисправности электросети;

- падение напряжения - медленное падение напряжения до 170 - 180 В при одновременном подключении к сети большого числа мощных потребителей (в промышленных районах - в рабочее время, в жилых кварталах - ранним утром и с наступлением сумерек);

- интерференция - (наложение) радиочастот - электрическое сложение волн, причиной которых являются мощные электропередатчики, сварочные аппараты, медицинское и офисное оборудование. Проявляется в модуляции частотой сигнала возмущающего устройства синусоиды питающего напряжения;

- спады и подъемы - понижение до 170 В или повышение до 240 В напряжения в течение нескольких периодов, возникающих при подключении к фазе мощных потребителей - тяжелого оборудования, лифтовых устройств, запуске электродвигателей;

- девиация - нестабильность частоты питающего напряжения;

- провалы - кратковременное (до половины периода) отключение энергии, выражающееся в резком падении синусоиды напряжения до нуля с последующим восстановлением;

- полное отключение энергии - исчезновение синусоиды питающего напряжения на неопределенное время.

При использовании на объекте люминесцентного освещения, источником помех для радиоволновых извещателей являются мигающий с частотой 100 Гц столб ионизированного газа лампы и вибрация арматуры лампы с частотой 50 Гц. Дальность обнаружения люминесцентных светильников всего в 3 - 5 раз меньше дальности обнаружения человека, поэтому на период охраны рекомендуется выключать люминесцентные лампы, а в качестве дежурного освещения использовать лампы накаливания. Допускается применять радиоволновые извещатели, у которого в схеме обработки входного сигнала используется микропроцессор, «вырезающий» спектральные составляющие помех люминесцентного освещения.

Изменения температуры и влажности окружающей среды на охраняемом объекте могут быть как медленными (при изменении погодных условий), так и сравнительно быстрыми (при смене времени суток в неотопительный период). При этом если температура и влажность меняются в пределах, оговоренных в технических условиях, аппаратура охранной сигнализации работает устойчиво без ложных срабатываний.

Затухание ультразвуковых колебаний в воздухе зависит от его температуры и влажности. Например, при повышении температуры среды от +10 до +30 °С коэффициент затухания возрастает в 2,5 - 3 раза, а при повышении влажности от (20 - 30) до 98 % и понижении ее до 10 % коэффициент затухания изменяется в 3 - 4 раза. Уменьшение температуры на объекте в ночное время по сравнению с дневным приводит к уменьшению коэффициента поглощения ультразвуковых колебаний и, как следствие, к увеличению чувствительности извещателя (увеличению дальности обнаружения). При наличии ЛС рекомендуется дополнительно провести регулировку извещателя в ночное время.

Техническая неукрепленность объектов оказывает значительное влияние на устойчивость работы магнитоконтактных извещателей, применяемых для блокировки на «открывание» элементов строительных конструкций (дверей, окон, фрамуг и т.п.). Кроме того, плохая техническая укрепленность может служить причиной ЛС других извещателей из-за возникновения сквозняков, вибраций остекленных конструкций и т.п.

Движение мелких животных и насекомых в ближней зоне может восприниматься извещателями, принцип действия которых основан на эффекте Доплера, как движение нарушителя. К таким извещателям относятся ультразвуковые и радиоволновые. Кроме того выявлено, что движение насекомых (тараканов, мух и т.п.) непосредственно по поверхности линзы пассивных оптико-электронных извещателей может вызвать ЛС.

Радиопроницаемость элементов строительных конструкций может стать причиной ЛС радиоволнового извещателя, если стены имеют малую толщину или в них имеются значительные по размерам тонкостенные проемы, окна, двери. Энергия, излучаемая извещателем, может выходить за пределы помещения, при этом извещатель обнаруживает проходящих вне объекта людей или проезжающий транспорт.

Крупные металлические конструкции, находящиеся в зоне обнаружения могут переотражать СВЧ энергию за пределы объекта, а при установке извещателя в узких коридорах шириной менее 3 м дальность обнаружения может увеличиваться в 1,5 - 2 раза, что может привести к ЛС.

Излучение осветительных приборов транспортных средств может служить причиной ЛС оптикоэлектронных извещателей. Сигналы, вызываемые этим излучением, по мощности соизмеримы с тепловым излучением человека и могут служить причиной их срабатывания.

В таблице 3.2 приведены возможные помехи и мешающие факторы, влияющие на устойчивость работы извещателей, способы повышения их помехоустойчивости.

Из таблицы 3.2 видно, что уменьшение влияния мешающих факторов, а, следовательно, и снижение количества ЛС извещателей в основном достигается соблюдением требований к размещению извещателей и их оптимальной настройкой по месту установки.


Таблица 3.2 - Помехи и способы их локализации

Виды и источники помех

Извещатели

ударноконтактные, магнитоконтактные

ультразвуковые

пассивные звуковые

радиоволновые

оптико-электронные

емкостные

вибрационные

комбинированные

ИК + СВЧ

пассивные

активные

Внешние акустические помехи и шумы, создаваемые вблизи объекта транспортными средствами, строительными машинами и агрегатами, летательными аппаратами, погрузочными и разгрузочными работами и т.п.

Не влияют

Применять при уровне шума в помещении до 60 дБ

Не влияют

Применять при уровне шума в помещении до 60 дБ

Не влияют

Внутренние акустические помехи и шумы, создаваемые на объекте:

холодильными установками вентиляторами, телефонными и электрическими звонками, дросселями люминесцентных ламп, гидравлическими шумами в трубах.

Не влияют

Не устанавливать вблизи источника помех. Правильно настроить извещатель

Не влияют

Правильно установить и настроить извещатель

Не влияют

Совместная работа в одном помещении извещателей одного принципа действия

Не влияет

Правильно установить и настроить извещатель

Не влияет

Правильно установить извещатель. Применять извещатели с разными литерами

Не влияет

Правильно установить и настроить извещатели

Не влияет

Вибрация конструкций

При наличии постоянных вибраций большой амплитуды применять не рекомендуется

Движение воздуха:

сквозняки, тепловые потоки от батарей отопления

Не влияет

Правильно установить и настроить извещатель

Не влияет

Правильно установить и настроить извещатель

Не влияет

Правильно установить и настроить извещатель

Движущиеся предметы и люди за некапитальными стенами, деревянными дверями

Не влияют

Правильно установить и настроить извещатель

Не влияют

Правильно установить и настроить извещатель

Не влияют

Правильно установить и настроить извещатель

Движущиеся предметы в охраняемой зоне:

качание штор, растений, вращение лопастей вентиляторов

Не влияют

Не устанавливать вблизи источника помех. Правильно настроить извещатель

Не влияют

Правильно установить и настроить извещатель

Не влияют

Правильно установить и настроить извещатель

Не влияют

Правильно установить и настроить извещатель

Мелкие животные (мыши, крысы).

Не влияют

Правильно установить и настроить извещатель

Не влияют

Правильно установить и настроить извещатель

Не влияют

Движение воды в пластмассовых трубах.

Не влияет

Не устанавливать вблизи источника помех. Правильно настроить извещатель

Заэкранировать трубы

Не влияет

Не устанавливать вблизи источника помех. Правильно настроить извещатель

Правильно настроить извещатель

Изменение свободного пространства охраняемой зоны за счет внесения, вынесения крупногабаритных предметов, обладающих повышенной способностью поглощения или отражения.

Не влияет

Перенастроить извещатель

Не влияет

Перенастроить извещатель

Колебания напряжения в сети переменного тока.

Использовать источник резервного питания постоянного тока

Электромагнитные помехи, создаваемые:

транспортными средствами с электродвигателями, мощными радиопередатчиками, электросварочными аппаратами, линиями электропередач, электроустановками мощностью более 15 кВА.

Не влияют

При напряженности поля более 10 В/м и УКВ излучения более 40 Вт на расстоянии менее 3 м от извещателя применять нельзя

Люминесцентное освещение

Не влияет

Отключать освещение на период охраны

Исключить прямых засветок. Правильно установить извещатель

Не влияет

Засветка светом солнца, фар транспортных средств

Не влияет

Правильно установить извещатель

Не влияет

Изменение температуры фона

Не влияет

Скорость изменения температуры фона не более 1 °С/мин

Не влияет

Не влияет


4. ОСНОВНЫЕ ХАРАКТЕРИСТИКИ ТЕХНИЧЕСКИХ СРЕДСТВ ОХРАННОЙ СИГНАЛИЗАЦИИ

Одним из условий устойчивой работы охранной сигнализации на объектах является правильный подбор для этих целей технических средств с необходимыми тактико-техническими характеристиками. Основные тактико-технические характеристики и условия эксплуатации ТС ОС на объектах приведены в таблицах 4.1 и 4.2.

Таблица 4.1 - Тактико-технические характеристики извещателей

Наименование

Назначение, размещение, особенности

Зона обнаружения

Электропитание

Диапазон температур, °С

Магнитоконтактные

ИО 102-2

Защита дверей (кроме стальных), оконных рам. Установка открытая

Допустимый зазор между магнитом и датчиком 1 … 10 мм

 

-40 … +50

ИО 102-4

Малогабаритный. Защита дверей (кроме стальных), оконных рам. Установка открытая

Допустимый зазор между магнитом и датчиком 1 … 10 мм

 

-50 … +50,

-50 … +75 (исполнение 02, 03)

ИО 102-5

Защита дверей (кроме стальных), оконных рам. Установка скрытая

Допустимый зазор между магнитом и датчиком 1 … 10 мм

 

-50 … +50,

-50 … +75 (исполнение 02, 03)

ИО 102-6

Для стальных конструкций. Установка скрытая

Допустимый зазор между магнитом и датчиком 1 … 7 мм

 

-50 … +50

ИО 102-15/1

Малогабаритный. Защита дверей (кроме стальных), оконных рам. Установка скрытая

Допустимый зазор между магнитом и датчиком 1 … 10 мм

 

-50 … +50

ИО 102-16/1

Малогабаритный. Защита дверей (кроме стальных), оконных рам. Установка открытая

Допустимый зазор между магнитом и датчиком 1 … 10 мм

 

-50 … +50

Оптико-электронные

Вектор-8/25

Активный. Защита внутреннего периметра помещений. Защита от вскрытия

Однолучевой барьер. Дальность до 25 м

10 - 15 В, не более 40 мА

-30 … +50

Вектор-СПЭК

Активный. Блокировка внешнего периметра объекта. Изменение чувствительности. Дистанционный контроль функционирования

Однолучевой барьер. Дальность до 75 м для исполнения - «75». Дальность до 150 м для исполнения - «150»

10 - 30 В,

не более 70 мА

-40 … +55

СПЭК-7

Активный. Блокировка внешнего периметра объекта. Дистанционный контроль функционирования. Защита от вскрытия

Двух- или шестилучевой барьер. Дальность 8 м на открытых площадках и 30 м в помещении

10 - 30 В,

не более 60 мА

-40 … + 55

СПЭК-8

Активный. Блокировка внешнего периметра объекта. Изменение чувствительности. Дистанционный контроль функционирования. Микропроцессорная обработка сигнала. Автоматическое включение подогрева. Защита от вскрытия

Однолучевой барьер. Дальность до 300 м

18 - 30 В,

не более 500 мА

-55 … +75

Фотон-6

Пассивный. Защита объема закрытых помещений. Контроль напряжения питания

Дальность 12 м, объемная зона обнаружения, размером 12 × 17 м

10 … 15 В, не более 20 мА

-30 … +50

Фотон-6Б

Пассивный. Защита строительных конструкций и подходов к ценностям. Контроль напряжения питания

Поверхностная зона (штора). Дальность 10 м; высота уст. от 2,3 до 5 м.

10 … 15 В, не более 20 мА

-30 … +50

Фотон-8

Пассивный. Защита протяженных помещений (коридоров). Выбор режима работы извещателя

Дальность 12 м, объемная зона обнаружения, размером 12 × 17 м

от ШС 10 … 72 В, 2 … 15 мА в режиме РАЗР, не более 0,5 мА в режиме работы КЗ

-30 … +50

Фотон-8Б

Пассивный. Защита строительных конструкций и подходов к ценностям. Выбор режима работы извещателя

Поверхностная зона (штора). Дальность 10 м. Высота установки от 2,3 до 5 м

от ШС 10 … 72 В, 2 … 15 мА в режиме РАЗР, не более 0,5 мА в режиме КЗ

-30 … +50

Фотон-9

Пассивный. Защита внутреннего объема. Изменение чувствительности

Дальность 10 м, объемная зона обнаружения, размером 10 × 12 м

10 … 15 В, не более 15 мА

0 … +50

Фотон-11

Пассивный. Защита внутреннего объема. Изменение чувствительности

Дальность 15 м, объемная зона, размером 15 × 15 м

10 … 16 В, не более 20 мА

-10 … +50

Астра-5

Пассивный. Защита внутреннего объема

Дальность 12 м, объемная зона, размером 12 × 12 м

10 … 15 В, не более 20 мА

-10 … +40

Фотон-СК

Пассивный. Защита внутреннего объема. Наличие защиты от вскрытия

Дальность 10 м, объемная зона обнаружения, размером 10 × 12 м

10 … 15 В, не более 20 мА

0 … +50

Фотон-СК2

Пассивный. Защита внутреннего объема. Микропроцессорная обработка сигнала, контроль работоспособности, температурная компенсация, изменение чувствительности. Наличие защиты от вскрытия

Дальность 15 м, объемная зона обнаружения, размером, 15 × 20 м

9,5 … 16 В, не более 15 мА

-10 … +55

Фотон-Ш

Пассивный. Защита проемов. Установка над дверьми, окнами и др. проемами. Изменение чувствительности. Наличие защиты от вскрытия

Вертикальная штора. Высота установки от 2,3 до 5 м, угол 70° в вертикальной плоскости

10 … 15 В, не более 20 мА

-30 … +50

Икар-1

Пассивный. Защита внутреннего объема. Установка на потолке

Объемная конусная зона. Высота установки от 2,3 до 5 м, угол 90° в вертикальной плоскости

10 … 16 В, не более 16 мА

-30 … +50

Икар-1А

Пассивный. Защита внутреннего объема. Установка на потолке. Наличие защиты от вскрытия

Объемная конусная зона. Высота установки от 2,3 до 5 м, угол 90° в вертикальной плоскости

10 … 16 В, не более 16 мА

-30 … +50

Радиоволновые

Аргус-2

Защита внутреннего объема. Работа при включенном люминесцентном освещении (не ближе 12 м от ламп). Индикация помех

Дальность max - от 12 до 16, min от 2 до 4 м, объемная зона обнаружения. Контролируемая площадь до 90 м2

10,2 … 15 В, не более 16 мА

-30 … +50

Аргус-3

Защита внутреннего объема. Работа при включенном люминесцентном освещении (не ближе 8 м от ламп). Индикация помех

Дальность max - от 6 до 7,5, min от 2 до 3 м, объемная зона обнаружения. Контролируемая площадь до 25 м

10,2 … 15 В, не более 30 мА

-30 … +50

Волна-5

Защита внутреннего объема. Работа при включенном люминесцентном освещении (не ближе 12 м)

Дальность max - от 12 до 15, min от 2 до 5 м, объемная зона обнаружения. Контролируемая площадь до 90 м2

от ШС 5,5 … 72 В, не более 1мА

-30 … +50

Радий-2;

Радий-2/1

Радий 212

Линейный. Защита внешнего периметра объекта. Высокая помехоустойчивость к метеосадкам

(10 - 200 м) × (2 - 5 м)

(10 - 75 м) × (1,5 - 2,5 м)

(5 - 30 м) × (0,75 - 1,5 м)

220 В, 28 ВА

пост. 12 - 30 В

-40 … +50

Комбинированные

Сокол-2

Защита внутреннего объема. Адаптация к помеховой обстановке, работа при включенном люминесцентном освещении (не ближе 3 м от ламп). Защищен от проникновения насекомых

Дальность max - от 12 до 15, min от 3 до 5 м, объемная зона обнаружения. Угол обзора 90°

10 - 15 В, не более 30 мА

-30 … +50

Сокол-3

Потолочный, высота установки от 2,5 до 5 м. Защита внутреннего объема. Адаптация к помеховой обстановке, работа при включенном люминесцентном освещении (не ближе 1 м от ламп). Защищен от проникновения насекомых

Зона обнаружения - круг площадью 50 м2 при высоте установки 4 м

10 - 15 В, не более 30 мА

-30 … +50

Емкостные

Пик

Защита металлических предметов (сейфов, шкафов, решеток), а также оконных и дверных проемов

Регулируемая чувствительность от 0 до 0,2 м. Максимальная емкость охраняемых предметов до 2000 пф

10,2 - 15 В, не более 15 мА

-10 … +50

Вибрационные (пьезоэлектрические)

Грань-2

Защита стен, пола и потолка. Многопозиционный - 10 датчиков

Максимальная контролируемая площадь одним датчиком:

бетонной, кирпичной конструкции - 15 м2;

метал. сейф и деревянная конструкция - 8 м2

10,2 … 15 В, не более: 100 мА (норма); 200 мА (тревога)

-10 …+50

Грань-2М

Защита стен, пола, потолка, металлических сейфов и шкафов. Многоступенчатый режим тестирования, индикация режимов работы и помеховой обстановки. Многопозиционный - 10 датчиков

Максимальная контролируемая площадь одним датчиком:

бетонной, кирпичной конструкции - 15 м2,

деревянной - 7,5 м2,

сейфе - 8 м2.

Всего датчиков 10

10 … 17 В, не более: 75 мА (норма); 135 мА (тревога)

-10 … +50

Шорох-1-1

Защита стен, пола, потолка, металлических сейфов и шкафов. Устойчив к акустическим шумам, однократным ударам, вибрации от проезжающего транспорта, вентиляции, электромагнитным помехам, электростатическим разрядам. Однопозиционный.

Максимальная контролируемая площадь:

бетонной, кирпичной, деревянной конструкции - 12 м2,

металлическом шкафе, сейфе - 6 м2.

9 … 18 В, не более 20 мА

-30 … +50

Ударноконтактные

Окно-5

Защита стекол. Обнаруживает любые виды разрушения обычного стекла. Реагирует на появление трещины длиной от 20 см

Максимальная контролируемая площадь одним комплектом - 20 м2

Комплект - 5 датчиков

От ШС 10 … 30 В, не более 40 мкА

-40 … 4-50

Окно-6

Защита стекол. Обнаруживает любые виды разрушения стекла: обычного и стекла защищенного полимерной пленкой. Реагирует на появление трещины длиной от 20 см. Микропроцессорная обработка сигнала, автоматическое самотестирование с периодической индикацией

Максимальная контролируемая площадь одним комплектом:

обычного стекла - 60 м2;

с пленкой - 34 м2.

Комплект - 15 датчиков

9 … 17 В, не более 25 мА

-40 … +50

Акустические(звуковые)

Стекло-3

Защита стекол. Обнаруживает разрушение обычного, закаленного, узорчатого, армированного, трехслойного, защищенного полимерной пленкой стеклоблоков. Работает в одном помещении с ультразвуковыми извещателями. Индикация режимов работ и тестовых воздействий, дискретная регулировка чувствительности.

Максимальная дальность - 6 м.

Минимальная контролируемая площадь стекла - 0,1 м2, лицевой поверхности стеклоблока - 0,05 м2

9 … 17 В, не более 25 мА

-20 … +45

Арфа

Защита стекол. Обнаруживает разрушение обычного, закаленного, узорчатого, армированного, трехслойного, защищенного полимерной пленкой. Режим тестирования, индикация режимов работ и тестовых воздействий, дискретная регулировка чувствительности, изменение ориентации микрофона

Максимальная дальность - 6 м.

Минимальная контролируемая площадь стекла - 0,05 м2

9,5 … 16 В, не более 20 мА

-20 … +50

Астра-С

Защита стекол. Обнаруживает разрушение стекла: обычного и защищенного полимерной пленкой. Режим тестирования, индикация режимов работ и тестовых воздействий, плавная регулировка чувствительности

Максимальная дальность - 6 м.

Минимальная контролируемая площадь стекла - 0,1 м2

10 … 15 В не более 40 мА

-10 … +45

Совмещенные

Сова-2

Защита стекол и внутреннего объема, два канала акустический (АК) и инфракрасный (ИК). АК обнаруживает разрушение обычного, закаленного, узорчатого, армированного, трехслойного, защищенного полимерной пленкой. ИК - проникновение нарушителя в охраняемую зону. Режим тестирования, индикация режимов работы и тестовых воздействий, дискретная регулировка чувствительности

Максимальная дальность действия:

АК - 6 м, ИК - 12 м.

Минимальная контролируемая АК площадь стекла - 0,05 м2.

Угол обзора зоны обнаружения ИК в горизонтальной плоскости - 90°.

10 … 15 В

не более:

35 мА - исполнение А;

25 мА - исполнение Б

-20 … +50


Таблица 4.2 - Технические характеристики приборов приемно-контрольных

Наименование ППК

Основное питание

Резервное питание

Шлейф

Диапазон температур, °С

Задержка на вход/выход, с

Длительность нарушений ШС, мс.

(Не должен сраб./должен сраб.)

Кол. ШС

шт.

Rпровод

ШС

кОм,

не более

Rут

кОм,

не более

Выносной элемент

Извещение на ПЦН

Дюна

От СПИ

 

1

1,0

20,0

Резистор - 3 кОм (центр КМ - 12 кОм)

Норма 2,3 - 40 кОм (центр КМ 6 - 13 кОм)

+1 … +40

30, 60, 120

400/600

Прима

От СПИ

 

1

1,0

20,0

Резистор-9,1 кОм

Норма - от 7 до 12 кОм

Нарушение - 3,5 и менее, 18,0 и более

-30 … +50

60 и 120

300/500

Прима-3

От источника пост. тока 10 - 15 В

Iп - не более 0,05 А

 

3

1,0

20,0

Резистор - 5,6 кОм

Норма - от 4 до 7 кОм

-30 … +50

От 0 до 90

60/90

300/500

Нота

187 - 242 В

W - не более 15 ВА

11,8 - 14,3 В

Iп - не более 0,06 А (без внеш. потреб.)

Встроенный аккумулятор емк. 2 Ач

1

1,0

20,0

Резистор - 5,6 кОм

Норма - от 4 до 7 кОм

-30 … +50

60. Постановка под охрану с «открытой или закрытой дверью»

200/400

Сигнал-ВКП

Сеть 160 - 242 В, 50 Гц;

W - не более 12 ВА

От источника пост. тока 12 В

1

1,0

20,0

Резистор - 4,7 кОм

Норма - от 2 до 11 кОм

-30 … +50

 

50/70

350/300

Сигнал-ВК4П

Сеть 160 - 242 В, 50 Гц;

W - не более 12 ВА

От источника пост. тока 12 В

4

1,0

20,0

Резистор - 4,7 кОм

Норма - от 2 до 11 кОм

-30 … +50

 

50/70

Аккорд (исп. 1)

Сеть 220 (+22/-33) В, 50 Гц;

W - не более 15 ВА

Встроенный аккумулятор емкостью 4,5 Ач. Внешнее резервное питание 12 и 24 В.

4

1,0

20,0

Резистор - 5,6 кОм

Норма - от 4 до 7 кОм

-30 … +50

0, 30, 60, 90; постановка на охрану с «открытой или закрытой дверью»

50/70 или 400/600

Аккорд (исп. 2)

Сеть 220 (+22/-33) В, 50 Гц;

W - не более 15 ВА

Встроенный аккумулятор емкостью 7 Ач. Внешнее резервное питание 12 и 24

8

1,0

20,0

Резистор - 5,6 кОм

Норма - от 4 до 7 кОм

-30 … +50

0, 30, 60, 90; постановка на охрану с «открытой или закрытой дверью»

50/70 или 400/600

Сигнал-ВК-4 (исп. 05)

Сеть 220 (+22/-33) В, 50 Гц;

W - не более 30 ВА

Встроенный аккумулятор емкостью 7 Ач

4

1,0

20,0

Резистор - 5,6 кОм

Норма - от 2 до 11 кОм

-10 … +50 без аккумулятора; -30 … +50 с аккумулятором

Постановка на охрану с «открытой дверью» через 30 с;

Постановка на охрану с закрытой дверью через 2 мин.

50/70

250/300

Сигнал-20 (исп. 02)

От источника постоянного тока от 10,2 до 28,0 В

 

20

1,0

20,0

Резистор 8,2 кОм

Норма - от 2,2 кОм до 9,9 кОм

-30 … +50

До 254

50/70

250/300

Виста-101

Сеть 220 (+22/-33) В, 25 ВА

Встроенный аккумулятор емк. 7 Ач

6

300 Ом

20,0

1 кОм

 

+ 1 … +50

300/500

10/15

 

Аккорд 512

Сеть 220 (+22/-33) В, 50 Гц;

Встроенный в центральный блок аккумулятор емкостью 7 Ач

До 512

1,0

20,0

Резистор - 5,6 кОм

Норма - от 4 до 7 кОм

-30 … +50 (пульт управления центральный -10 … +50)

0, 32, 64, 96, 128, 160, 192, 224, постановка на охрану с «открытой или закрытой дверью»

50/70 или 500/700

Виста-501

Сеть 220 (+22/-33) В, 50 Гц;

Встроенный аккумулятор емкостью 7 Ач

9 радиальных

78 адресных

0,1

20

2 кОм

 

+1 … +50

 

300/500

5/20

Сеть

Сеть 220 (+22/-33) В, 50 Гц; 50 ВА

Встроенный аккумулятор емкостью 7 Ач

До 68

1,0

20,0

Резистор - 5,6 кОм

Норма - от 4 до 7 кОм

Устройство пультовое - +1 … +50. Устройства оконечные 30 … +50

60 по ШС № 65 и 66, постановка на охрану с «открытой дверью»

400/600


5. ТЕХНИЧЕСКИЕ СРЕДСТВА ОХРАННОЙ СИГНАЛИЗАЦИИ. УСЛОВИЯ ЭКСПЛУАТАЦИИ

5.1. ИЗВЕЩАТЕЛИ

При выборе извещателей, в первую очередь, необходимо учитывать условия эксплуатации на объекте:

- воздействие на их работу помех производственно-технологических процессов, бытовых приборов, транспорта;

- вероятность присутствия в непосредственной близости людей, животных (например, в смежных помещениях, за стеклами, вблизи охраняемого периметра, территории), насекомых и других факторов, негативно влияющих на работу извещателей;

- реальное состояние сети переменного тока на объекте и возможность резервирования электропитания;

- способ возможного криминального воздействия на охраняемый объект или строительную конструкцию.

На объектах с высоким уровнем помех необходимо устанавливать извещатели, имеющие более высокие характеристики надежности, помехоустойчивый алгоритм обработки сигнала, самоконтроль канала в процессе работы, возможность более точно формировать зону обнаружения или устанавливать оптимальную чувствительность.

Контроль зоны обнаружения, выхода ее за пределы, допустимые границы рекомендуется проводить не реже одного раза в месяц. При неустойчивой работе извещателя этот контроль следует провести два раза в сутки - при максимальной и минимальной температуре воздуха в охраняемом помещении.

5.1.1. Магнитоконтактные

Магнитоконтактные извещатели предназначены для блокировки подвижных строительных конструкций на открывание. Они могут использоваться и в качестве датчиков-ловушек для блокировки отдельных предметов. Для блокировки металлических (стальных) строительных конструкций, со стальной металлической обвязкой, отдельных стальных предметов (сейфы, шкафы и т.п.) рекомендуется использовать магнитоконтактные извещатели, специально предназначенные для этих целей.

К ложным срабатываниям извещателей может привести: вибрация строительных конструкций, их слабая техническая укрепленность, превышение расстояния между модулями извещателя, нарушение их параллельности или соосности, нежесткое крепление, некачественная пайка или замена ее скруткой, отсутствие гибкого перехода.

Воздействие этих факторов на работоспособность извещателей исключается строгим выполнением требований к монтажу, проведением работ по инженерно-технической укрепленности строительных конструкций, своевременным техническим обслуживанием.

Рекомендуемое место установки извещателя - верхняя часть блокируемой конструкции. Допускается установка извещателя на боковой (противоположной петлям) стороне конструкции, а для блокировки окон - на нижних частях рамы. Извещатель устанавливается на конструкции со стороны охраняемого помещения. Извещатель следует размещать на расстоянии не более 20 см от вертикальной линии раствора блокируемой конструкции.

Для обеспечения устойчивой работы извещателей рекомендуется придерживаться следующих правил:

- магнит и геркон (модули извещателя) могут устанавливаться как на подвижной, так и на неподвижной части конструкции. Однако предпочтительнее геркон устанавливать на неподвижной конструкции, так как в этом случае исключается гибкий переход, подверженный механическим воздействиям и как следствие повреждениям;

- модули устанавливаются параллельно друг другу (извещатели для открытого монтажа) или соосно (извещатели для скрытого монтажа). При этом расстояние между модулями не должно превышать граничные значения (таблица 4.1);

- выводы геркона соединяются с ШС проводами типа НВМ-0,35 скруткой с обязательной пропайкой мест соединения. Переход ШС с подвижной части конструкции на неподвижную должен выполняться гибким специальным переходом типа УС. Допускается для перехода использовать провод типа МГШВ диаметром 0,35 мм, защищенный поливинилхлоридной трубкой;

- все блокируемые конструкции должны быть надежно закреплены и иметь исправные запирающие устройства.

5.1.2. Ударноконтактные

Ударноконтактные извещатели предназначены для блокировки остекленных строительных конструкций на разрушение, при толщине стекла от 2,5 мм до 8,0 мм. Извещатели могут быть использованы для блокировки внутренних витрин, экспозиций, витражей и других остекленных конструкций. Для блокировки стекол, покрытых защитной полимерной пленкой, обеспечивающей класс защиты А1 - A3, следует использовать ударноконтактные извещатели, специально предназначенные для этих целей (таблица 4.1).

К ложным срабатываниям извещателей может привести: ненадежное крепление, вибрация строительных конструкций, их слабая инженерно-техническая укрепленность, а также некачественная пайка или замена ее скруткой, отсутствие гибкого перехода.

Рекомендуемое место установки извещателя - на расстоянии 10 - 15 см от обвязки, в таком месте, чтобы расстояние от ДРС до самой удаленной точки стекла не превышало 2,8 м (1,5 м для стекла защищенного пленкой).

Для обеспечения устойчивой работы извещателей рекомендуется придерживаться следующих правил:

- при блокировке остекленных проемов, состоящих из ряда небольших по площади стекол (не более 0,05 м2) количество ДРС может превышать, указанное в паспорте, при условии выполнения требования к суммарной длине соединительных линий ДРС с БОС;

- ориентация стрелки на корпусе ДРС должна быть направлена параллельно плоскости стекла в сторону охраняемой поверхности;

- взаимное расположение БОС и ДРС должно обеспечивать минимально возможную длину соединяющих их линий, суммарная длина которых не должна превышать указанную в паспорте на извещатель;

- извещатели других типов рекомендуется включать в ШС между последним БОС и оконечном устройством. В противном случае срабатывание этих извещателей может привести к потере возможности достоверного определения причины срабатывания ППК;

- не допускается включать в линию питания ДРС инерционные электроконтактные извещатели или релейные выходы извещателей и ППК, так как возможный «дребезг» их контактов, вызываемый помехами, может привести к ложным срабатываниям БОС;

- все соединения проводов извещателя, особенно в линии питания ДРС, должны быть выполнены пайкой или под винт в соединительной коробке. Места паек должны быть тщательно изолированы;

- в случае прохождения силовых цепей с напряжением 220 В вблизи ШС и линией питания ДРС, расстояние между ними должно быть не менее 0,5 м;

- величина сопротивления линии связи с подключенными ДРС к БОС не должна быть более 10 Ом;

- все блокируемые конструкции должны быть надежно закреплены и иметь исправные запирающие устройства.

5.1.3. Акустические

Акустические извещатели по рабочему диапазону частот подразделяются на пассивные звуковые и ультразвуковые.

Пассивные звуковые извещатели предназначены для дистанционного (бесконтактного) обнаружения разрушения остекления конструкций здания и элементов интерьера помещения.

К ложным срабатываниям этих извещателей может привести: наличие акустических и электромагнитных помех в помещении, вибрация строительных конструкций, а также изменения свободного пространства охраняемой зоны за счет внесения, вынесения крупногабаритных предметов, обладающих повышенной способностью поглощения или отражения акустического сигнала.

Извещатель рекомендуется устанавливать на стене (на высоте не менее 2 м) или на потолке таким образом, чтобы все остекленные части блокируемой конструкции находились в пределах прямой видимости (угол обзора извещателя 90°). Расстояние от извещателя до самой удаленной точки охраняемого стекла должно быть не более 6 м.

Для обеспечения устойчивой работы извещателей рекомендуется придерживаться следующих правил:

- не применять при уровне акустического шума в помещении свыше 60 дБ;

- вибрирующие и крупногабаритные предметы, способные создавать «мертвые» зоны, не должны попадать в зону обнаружения;

- при изменении обстановки в помещении, вносе, выносе, перестановке мебели необходимо провести перенастройку извещателя;

- на период охраны закрывать на запирающие устройства двери, окна, форточки, фрамуги, люки, выключать вентиляционные и силовые переключающие установки, калориферы, телефоны, звонки, репродукторы и т.п.

Ультразвуковые извещатели предназначены для блокировки объемов закрытых отапливаемых помещений, отдельных локальных зон объемов помещений, мест сосредоточения ценностей, музейных экспонатов. Для блокировки витрин объемом от 0,03 до 1 м3 рекомендуется использовать извещатели, специально предназначенные для этих целей.

К ложным срабатываниям ультразвуковых извещателей может привести: наличие акустических и электромагнитных помех в помещении, вибрация строительных конструкций, а также изменения свободного пространства охраняемой зоны за счет внесения, вынесения крупногабаритных предметов, обладающих повышенной способностью поглощения или отражения акустического сигнала, движение воздуха (сквозняков), присутствия животных в зоне обнаружения.

Рекомендуемое место установки извещателя - на стене на высоте 1,5 - 2,5 м. Зона обнаружения извещателя должна перекрывать вероятные направления движения нарушителя.

Для обеспечения устойчивой работы извещателей рекомендуется придерживаться следующих правил:

- не применять при уровне акустического шума в помещении свыше 60 дБ;

- не устанавливать над батареями отопления, на подоконниках, вблизи оконных штор и комнатных растений;

- контроль зоны обнаружения, выхода ее за пределы охраняемого объекта рекомендуется проводить не реже одного раза в месяц. При неустойчивой работе извещателя этот контроль следует провести два раза в сутки - при максимальной и минимальной температуре воздуха в охраняемом помещении;

- вынести за пределы зоны обнаружения, вибрирующие и крупногабаритные предметы, способные создавать «мертвые» зоны, или сформировать зону обнаружения таким образом, чтобы эти предметы в нее не попадали;

- при изменении обстановки в помещении, вносе, выносе, перестановке мебели необходимо провести перенастройку извещателя;

- на период охраны закрывать на запирающие устройства двери, окна, форточки, фрамуги, люки, выключать вентиляционные и силовые переключающие установки, калориферы, телефоны, звонки, репродукторы и т.п.;

- не допускать нахождения в охраняемом помещении животных и птиц;

- не применять в помещениях объемом менее 4 м3 извещатели, не предназначенные для этих целей;

- не размещать в одном помещении два и более извещателей или отрегулировать их таким образом, чтобы их зоны обнаружения не пересекались при максимальной чувствительности.

5.1.4. Радиоволновые

Радиоволновые извещатели предназначены для блокировки объемов закрытых помещений, локальных зон объемов помещений, мест сосредоточения ценностей, музейных экспонатов, а также периметров территории и открытых площадок.

К ложным срабатываниям этих извещателей может привести: наличие электромагнитных помех в помещении, вибрация строительных конструкций, а также изменение свободного пространства охраняемой зоны за счет внесения, вынесения крупногабаритных предметов, обладающих повышенной способностью поглощения или отражения электромагнитных волн, проезжающий транспорт, люди, животные, находящиеся за пределами (вблизи) зоны обнаружения, люминесцентное освещение.

Рекомендуемое место установки извещателя - на стене, на высоте 2 - 2,5 м. Зона обнаружения извещателя должна перекрывать вероятные направления движения нарушителя. При установке на объекте нескольких радиоволновых извещателей, должны применяться извещатели с разными частотными литерами. При использовании нескольких извещателей в одном помещении с одним литером, во избежание ложных срабатываний, рекомендуется устанавливать извещатели так, чтобы их зоны обнаружения не пересекались.

Для обеспечения устойчивой работы радиоволновых извещателей рекомендуется придерживаться следующих правил:

- устанавливать извещатели так, чтобы их зоны обнаружения не выходили за пределы блокируемых помещений (через оконные проемы, тонкие деревянные перегородки, стены и потолок) или использовать извещатели с большей частотой излучения (более 24 ГГц), которое не проходит через стекло и тонкие перегородки;

- вынести за пределы зоны обнаружения колеблющиеся или движущиеся предметы, имеющие значительную отражающую поверхность, а также крупногабаритные предметы, способные создавать «мертвые» зоны, или сформировать зону обнаружения таким образом, чтобы эти предметы в нее не попадали. При наличии «мертвых» зон необходимо следить за тем, чтобы они не образовали нарушителю непрерывный путь к материальным ценностям;

- на период охраны закрывать на запирающие устройства двери, окна, форточки, фрамуги, люки, выключать вентиляционные и силовые переключающие установки;

- не допускать в зоне обнаружения наличия пластмассовых труб, по которым возможно движение воды;

- на период охраны выключать люминесцентные и неоновые лампы или применять извещатели, схемные решения которых исключают влияние этих помех;

- учитывать, что при установке извещателя в коридорах шириной менее 3 м, дальность обнаружения, может увеличиваться в 1,5 - 2 раза.

Для обеспечения устойчивой работы радиоволновых извещателей на периметре (открытых площадках), дополнительно рекомендуется учитывать следующие факторы:

- вблизи места установки извещателя не должны проходить автомобильные (не ближе 5 м от зоны обнаружения) и железнодорожные (не ближе 20 м от зоны обнаружения) дороги, пешеходные (не ближе 1,5 м от зоны обнаружения) тротуары, дорожки, тропинки, а расстояние до высоковольтных линии электропередач должно быть не менее 20 м;

- в зоне (вблизи) обнаружения не должны размещаться крупные металлические конструкции. Они способны переотражать СВЧ энергию за пределы периметра и могут вызвать ложное срабатывание;

- не допускать случайное попадание в зону обнаружения извещателя людей и животных.

5.1.5. Оптико-электронные

Оптико-электронные извещатели подразделяются на активные и пассивные.

Активные оптико-электронные извещатели предназначены для блокировки окон, дверей, стен, потолков, полов, коридоров и отдельных предметов на проникновение или на подход.

К ложным срабатываниям этих извещателей может привести: наличие электромагнитных помех в помещении, вибрация строительных конструкций, совместная работа в одном помещении нескольких извещателей при пересечении зон обнаружения, засветка светом солнца, фар транспортных средств и других источников света.

Место установки извещателя выбирается исходя из архитектурных и строительных особенностей блокируемых конструкций. Извещатели можно устанавливать как на стенах помещения, так и на потолке (для защиты пола - только на стенах).

Для обеспечения устойчивой работы активных оптико-электронных извещателей рекомендуется придерживаться следующих правил:

- не устанавливать извещатель над отопительными приборами;

- не допускать попадания на извещатель прямых солнечных лучей;

- не допускать нахождения в зоне обнаружения животных, колеблющихся предметов.

К факторам, приводящим к ЛС извещателей, установленных на периметре, территории, можно отнести ненадежное функционирование в экстремальных условиях (образование снежной корки на светофильтрах, сильный порывистый дождь, снег, густой туман, повышенные запыленность и загазованность).

Пассивные оптико-электронные извещатели с линейной, поверхностной или объемной зоной обнаружения предназначены для блокировки объемов помещений, мест сосредоточения ценностей и подходов к ним, коридоров, внутренних периметров, оконных и дверных проемов, потолков и полов.

К ложным срабатываниям этих извещателей может привести: наличие электромагнитных помех в помещении, вибрация строительных конструкций, сквозняки, тепловые потоки от батарей отопления, мелкие животные, насекомые, ползающие по линзе извещателя, изменения свободного пространства охраняемой зоны за счет внесения, вынесения крупногабаритных предметов, обладающих повышенной способностью поглощения или отражения инфракрасного света, засветка светом солнца, фар транспортных средств и других источников света, изменение температуры фона.

Место установки извещателя выбирается исходя из архитектурных особенностей блокируемых конструкций. Извещатели, как правило, устанавливаются на стенах помещения. Высота установки, определяется типом извещателя.

Для обеспечения устойчивой работы пассивных оптико-электронных извещателей рекомендуется придерживаться следующих правил:

- не устанавливать извещатель над отопительными приборами;

- не направлять извещатель на вентиляторы теплого воздуха, двигатели автомашин, находящихся в боксах, прожекторы, лампы накаливания и другие источники, вызывающие быстрые изменения температуры;

- не допускать попадания на извещатель прямых солнечных лучей;

- не допускать нахождения в зоне обнаружения животных, предметов (штор, перегородок, шкафов и т.п.), способных создавать «мертвые» зоны.

5.1.6. Емкостные

Емкостные извещатели предназначены для блокировки металлических шкафов, сейфов, решеток, а также оконных и дверных проемов.

К ложным срабатываниям этих извещателей может привести: вибрация строительных конструкций, наличие электромагнитных помех в помещении, работающие в непосредственной близости электросварочные аппараты, электроустановки мощностью более 15 кВА.

Рекомендуемое место установки извещателя - на стене в непосредственной близости от блокируемого предмета так, чтобы при установленной чувствительности извещателя доступ к нему был невозможен без выдачи сигнала тревоги.

Для обеспечения устойчивой работы емкостных извещателей рекомендуется придерживаться следующих правил:

- не устанавливать извещатели вблизи мощных электроустановок, которые не могут быть отключены на период охраны;

- необходимо обеспечить надежный контакт антенны и заземления в местах их подсоединения;

- устанавливать блокируемые предметы на хорошо изолируемые от «земли» основания (резиновая, гетинаксовая прокладка);

- устанавливать блокируемые предметы на расстоянии не менее 0,2 м от стен, окон и перегородок, за которыми возможно появление людей или животных;

- не устанавливать извещатели на конструкциях, подверженных вибрации;

- сопротивление утечки между блокируемым предметом и соединительными проводами по отношению к «земле» должно быть не менее 8 кОм;

- соединение извещателя с блокируемым предметом должно быть выполнено проводом диаметром не менее 0,5 мм с изоляцией на рабочее напряжение не менее 250 В;

- не рекомендуется блокировать оконные проемы с шириной стеклянных полотен более 40 см, а также с металлическими рамами;

- в качестве заземлителя можно использовать выводы металлических конструкций электрощита, заземленную арматуру железобетонных сооружений;

- не использовать в качестве заземлителя трубопроводы горячей и холодной воды, горючих жидкостей, газов, теплоснабжения. Сопротивление заземления извещателя должно быть не более 4 Ом.

5.1.7. Вибрационные

Вибрационные извещатели предназначены для обнаружения разрушения монолитных бетонных и кирпичных стен и перекрытий, деревянных конструкций из досок, фанеры, металлических сейфов и шкафов.

К ложным срабатываниям этих извещателей может привести: наличие акустических и электромагнитных помех в помещении, вибрация строительных и защищаемых конструкций, превышение длины линии связи между ДРС и БОС, их ненадежное крепление, некачественная пайка или замена ее скруткой, отсутствие гибкого перехода.

Место установки и количество датчиков (извещателей) выбирают с таким расчетом, чтобы площадь незащищенных участков блокируемой конструкции не превышала 0,1 м2.

Для обеспечения устойчивой работы извещателей рекомендуется придерживаться следующих правил:

- знать специфические особенности объекта (форма и размеры помещений, расположение дверей, толщина и материал стен, перекрытий, расположение водопроводных и отопительных труб);

- не применять извещатели при уровне акустического шума в помещении свыше 60 дБ;

- длина двухпроводной линии связи ДСВ с БОС извещателей типа «Грань» не должна превышать 50 м;

- места установки ДСВ1 и звуковода для ДСВ2 должны быть не ближе 1,0 м от мест крепления батарей и труб систем водоснабжения и отопления.

5.1.8. Комбинированные

Комбинированные извещатели сочетают в себе несколько принципов обнаружения проникновения нарушителя, позволяющие значительно снизить количество ложных тревог. Наибольшее распространение получили извещатели, сочетающие пассивный оптико-электронный и радиоволновой принципы обнаружения.

Рекомендуемая область применения - блокировка объема помещений с повышенным уровнем помех.

Для обеспечения устойчивой работы не рекомендуется устанавливать извещатель напротив окон, дверей, перегородок, за которыми возможно движение людей, транспорта, а также в непосредственной близости от вентиляционных отверстий, радиаторов отопления, других источников тепловых помех, оставлять на период охраны включенным люминесцентное освещение.

5.1.9. Совмещенные

Совмещенные извещатели сочетают функции двух извещателей: пассивного звукового и пассивного оптико-электронного. Извещатель предназначен для обнаружения разрушения остекления конструкций и проникновения нарушителя.

Воздействие мешающих факторов на каждый канал извещателя, способы их нейтрализации изложены в разделах 5.1.3, 5.1.5.

5.1.10. Электроконтактные

Электроконтактные (омические) извещатели предназначены для блокировки остекленных конструкций от разбития, строительных конструкций (двери, люки, ворота, некапитальные стены, перегородки и т.п.) на разрушение (пролом). Они могут использоваться и в качестве датчиков-ловушек для блокировки отдельных предметов.

На работоспособность извещателей практически не влияет воздействие помех приведенных в таблице 3.2. К ложным срабатываниям этих извещателей может привести: вибрация с большой амплитудой строительных конструкций, их слабая инженерно-техническая укрепленность, некачественное крепление, отсутствие пайки проводов или замена ее скруткой, отсутствие гибкого перехода.

Воздействие этих факторов на работоспособность извещателей исключается строгим выполнением требований монтажа, проведением работ по инженерно-технической укрепленности строительных конструкций, своевременным техническим обслуживанием.

Для обеспечения устойчивой работы электроконтактных извещателей рекомендуется придерживаться следующих правил:

- алюминиевая фольга приклеивается по периметру стеклянных полотен, по центру стеклоблоков или стеклопакетов;

- провод прокладывается по внутренней стороне строительных конструкций по всей площади параллельно контурным линиям и крепится скобами с шагом не более 200 мм. Под скобу должна быть подложена неразрезанная полихлорвиниловая трубка длиной 10 мм;

- блокировка металлических решеток производится обвиванием горизонтальных и вертикальных прутьев проводом с шагом витка 30 … 70 мм. В местах пересечения прутьев решетки проводом делается узел, который должен охватывать оба прута. Решетки из металлических трубок следует блокировать пропусканием провода через все трубки.

5.2. ПРИБОРЫ ПРИЕМНО-КОНТРОЛЬНЫЕ

Приборы приемно-контрольные предназначены для контроля состояния параметров ШС как в автономном режиме работы с включением устройств оповещения, так и/или с передачей служебных и тревожных извещений на пулы централизованного наблюдения.

Информационная емкость приборов определяется размерами и значимостью объекта охраны.

К ложным срабатываниям ППК может привести: заниженная задержка времени реакции (таблица 4.2) на нарушение ШС (или ее отсутствие), изменения основных параметров ШС в течение суток. Чем выше эти параметры, тем больше импульсных помех отсеивается на входе прибора и, как следствие, меньше ложных тревог.

При выборе ППК следует отдавать предпочтение приборам, имеющим селекцию входных сигналов по длительности, отслеживание медленного изменения сопротивления ШС, сохранение работоспособности при пониженном напряжении сети переменного тока.

Установка ППК должна производиться в местах, где он защищен от механических повреждений и вмешательства в его работу посторонних лиц:

- при отсутствии специально выделенного помещения - на стенах, на высоте не менее 2,2 м от уровня пола;

- при наличии специального помещения - на высоте не менее 1,5 м или на столе.

Установка приборов в местах, доступных посторонним лицам, должна производиться в запираемых металлических шкафах, конструкция которых не влияет на их работоспособность. Не допускается установка приборов в сгораемых шкафах, а также на расстоянии менее 1 м от отопительных систем и приборов.

Для обеспечения устойчивой работы ППК рекомендуется придерживаться следующих правил:

- на объектах с высоким уровнем помех необходимо устанавливать ППК, имеющие более высокие характеристики надежности, помехоустойчивый алгоритм обработки сигнала, контроль параметров ШС в процессе работы;

- применять ППК со встроенным аккумулятором для исключения ложных срабатываний при отключении или снижении напряжения сети переменного тока;

- применять ППК со световой и/или звуковой сигнализацией, напоминающей собственнику о необходимости снятия прибора с охраны;

- для исключения ложных срабатываний, возникающих из-за нестабильности параметров сети переменного тока, применять ППК с питанием непосредственно от ретрансляторов СПИ;

- устанавливать на объекте ППК, позволяющие организовать локальную объектовую сеть;

- применять резервные источники питания, имеющие расширенный рабочий диапазон напряжений сети переменного тока (от 100 до 250 В) позволяющие снизить количество ложных срабатываний ТС ОС, работающих от этого источника.

5.3. ПРИБОРЫ-СИГНАЛИЗАТОРЫ

Приборы-сигнализаторы предназначены для организации централизованной охраны объектов по занятым телефонным линиям при работе совместно с СПИ.

На работоспособность прибора существенное влияние оказывает длина абонентской линии связи. Максимальная длина абонентской линии в зависимости от диаметра жилы и типа кабеля при величине выходного напряжения передатчика 400 … 500 мВ приведена в таблице 5.1. Превышение данного параметра может привести к ложным срабатываниям прибора.

Таблица 5.1 - Длина абонентской линии связи

Диаметр жилы, мм

Длина линии, км

Кабель типа ТПК

Кабель типа Т (ТТ)

0,4

2,8

-

0,5

3,2

3,2

0,7

4,8

4,5

Для обеспечения устойчивой работы приборов сигнализаторов рекомендуется придерживаться следующих правил:

- не применять прибор на линиях, занятых аппаратурой высокочастотного уплотнения;

- регулярно проводить измерения частоты и величины выходного напряжения передатчика, особенно на длинных линиях.

5.4. СИСТЕМЫ ПЕРЕДАЧИ ИЗВЕЩЕНИЙ

Системы передачи извещений, в том числе и радиосистемы, предназначены для сбора, обработки, передачи и регистрации извещений о состоянии ШС охраняемых объектов.

К ложным срабатываниям СПИ могут привести:

- уменьшение сопротивления утечки абонентской линии;

- изменения тока в абонентской линии (тока «охраны»);

- помехи в каналах связи, цепях питания.

Влияние этих факторов устраняется в процессе проведения технического обслуживания.

Следует иметь в виду, что кроме импульсных помех в линиях имеют место кратковременные нарушения соединений на громполосах, в муфтах, распределительных шкафах и коробах, окисление контактов реле, короткие замыкания линии. Эти явления носят случайный характер и оказывают на систему такое же влияние, как и импульсные помехи, однако имеют длительность до секунд. Для снижения числа ложных срабатываний по вине сотрудников АТС необходимо четко проработать договорную базу работы территориальных подразделений охраны с сотрудниками АТС.

Для обеспечения устойчивой работы СПИ рекомендуется придерживаться, следующих правил:

- заменять СПИ, выработавшие установленные сроки службы, на современные, использующие для передачи извещения о тревоге на ПЦН специальные кодированные сигналы и помехозащищенные протоколы обмена УО с ретранслятором и ретранслятора с ПЦН;

- проводить модернизацию СПИ старых типов, не выработавших установленные сроки службы;

- поэтапно оснащать действующий парк аппаратуры ПЦО автоматизированными рабочими местами;

- в системах типа «Центр-М», «Центр-КМ», «Нева-10», не прошедших модернизацию, регулярно проводить работы по регулировке (контролю) тока «охраны». Методика измерения и настройки тока охраны приведена в приложении 1.

Для обеспечения устойчивой работы РСПИ рекомендуется придерживаться следующих правил:

- исследовать, в разрешенном для работы РСПИ диапазоне радиочастот, электромагнитную обстановку в районе эксплуатации оборудования;

- выбрать для работы РСПИ радиочастоты, на которых присутствует минимальный уровень помех;

- получить разрешение на использование выбранных радиочастот в штабе военного округа Министерства обороны (для ОБО, УВО) или региональном отделении Госсвязьнадзора (для прочих организаций);

- применять РСПИ с контролем исправности и/или качества канала радиосвязи;

- применять для передачи извещений на ГТЦН специальные кодированные сигналы и помехоустойчивые протоколы их передачи и обработки с УО на ПЦН или с УО через ретранслятор на ПЦН;

- строго соблюдать при монтаже рекомендации по размещению и ориентации антенн и прокладке фидерных устройств;

- использовать антенны направленные или всенаправленные с большим коэффициентом усиления, в разрешенном частотном диапазоне, рассчитанные на эксплуатацию в соответствующих погодных и климатических условиях;

- периодически контролировать электромагнитную обстановку в районе функционирования РСПИ;

- периодически проводить измерение величины мощности, излучаемой передатчиками РСПИ, и величины коэффициента стоячей волны в фидере, величина которого не должна превышать величины 1,5.

5.4.1. Повышение имитостойкости СПИ

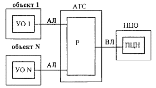
В большинстве случаев существующие СПИ, использующие телефонную сеть для связи между разнесенными устройствами, имеют структуру, приведенную на рисунке 5.1.

Рисунок 5.1 - Структура СПИ

Устройства оконечные, установленные на охраняемых объектах, через абонентские линии подключены к ретранслятору СПИ. Ретранслятор выполняет циклический опрос состояний подключенных на охрану УО и, при изменении этих состояний, формирует соответствующие извещения для передачи их на ПЦН. Извещения от Р на ПЦН передаются по выделенным линиям связи.

Такую структуру построения имеют системы «Фобос», «Центр-КМ», «Нева-10М», использующие для сбора информации и контроля состояния шлейфов сигнализации, абонентские линии телефонной сети, переключаемые на период охраны.

В СПИ «Фобос» оценка состояния охраняемого направления осуществляется путем измерения величины постоянного тока, протекающего через абонентскую линию и шлейф сигнализации. Такое измерение осуществляется в ретрансляторе системы с помощью четырехуровневого компаратора, на выходе которого формируются сигналы одного из возможных состояний контролируемого направления «Норма», «Тревога», «Авария», «Замыкание».

Одним из возможных путей повышения имитостойкости систем, использующих указанный принцип оценки состояния объектов является увеличение точности измерения.

В настоящее время для СПИ «Фобос» применяется новый узел центрального ретранслятора УЦР-А, удовлетворяющий указанным требованиям.

С его помощью производится оценка суммарного сопротивления шлейфа сигнализации и абонентской линии по каждому направлению с точностью не хуже 200 Ом и выдачей сигнала «Тревога» при скачкообразном превышении этой величины.

Для повышения имитостойкости СПИ «Фобос» следует:

1) заменить в ретрансляторе модуль УЦР на УЦР-А, после чего:

- не требуется регулировка или настройка системы;

- не изменяется порядок работы оператора.

2) заменить точный резистор номиналом 4,32 кОм ± 1 % в ШС на резистор, величина сопротивления которого лежит в пределах от 3 до 6 кОм.

Перспективным путем повышения имитостойкости существующих СПИ можно считать введение индивидуального кодирования сигналов, поступающих от УО к ретранслятору, по каждому охраняемому направлению. Эта проблема уже успешно реализована в СПИ «Фобос-А».

В настоящее время проводятся работы по созданию нового УО такого типа для СПИ «Фобос» с ручной тактикой взятия/снятия объектов под охрану. Индивидуальный код УО будет формироваться случайным образом при взятии объекта под охрану и постоянно контролироваться системой.

При изменении кода в составе телеграмм, поступающих от УО (что возможно при замене УО на аналогичный), системой будет сформировано тревожное сообщение.

Следует особо отметить, что применение нового УО не потребует дополнительной доработки ретранслятора СПИ «Фобос», если ранее в нем был установлен модуль УЦР-А.

Целесообразно рассмотреть возможность проведения подобной модернизации для СПИ «Нева-10М», «Центр-КМ», имеющих малый срок эксплуатации (например, систем, введенных в эксплуатацию не ранее 1995 г.), а для остальных разработать программу ускоренной замены на СПИ современного типа.

5.4.2. Практические рекомендации по развертыванию и эксплуатации радиосистем передачи извещений «Струна-3» и «Струна-3М»

Развертывание пультового оборудования радиосистем следует начинать с установки базовой антенны.

Базовую антенну необходимо устанавливать как можно выше, так как увеличение высоты подъема пропорционально увеличению дальности устойчивой радиосвязи. В качестве базовой рекомендуется использовать коллинеарную антенну (типа ANLI А-1000 и т.п.). Кабель для этой антенны надо выбирать с малыми потерями (типа РК 50-4-47 или Н 1000). В таблице 5.2. приведены типичные параметры затухания радиосигнала для различных типов кабелей, а также приведены параметры отечественных высокочастотных (ВЧ) кабелей.

К антенне необходимо устанавливать противовесы. Эксплуатация антенны без прикручивания штырей противовеса приводит к рассогласованию антенны и неустойчивой работе всей системы. Труба мачты антенны должна находиться ниже плоскости противовесов, иначе мачта будет экранировать базовую антенну. Следует убедиться в том, что на крыше здания отсутствуют антенны других мощных радиосредств, которые могут создать помехи при работе.

Таблица 5.2 - Параметры затухания радиосигнала для различных типов кабелей

Тип кабеля

Наружный Ø мм

Затухание ВЧ сигнала (дБ/м)

200 МГц

500 МГц

РК 50-2-21

3,5

0,2 - 0,3

0,45

РК 50-2-11

3,5

0,3

0,50

РК 50-3-11

5,0

0,2

0,40

РК 50-4-11

8,0

0,10

0,20

РК 50-7-11

10,0

0,09

0,20

РК 50-4-47

10,0

0,06 - 0,07

0,14

РК 50-7-58

11,2 ± 0,6

0,05

0,10

Н 1000

9,8

0,05

0,09

Н 155

5,4

0,11

0,19

Н 1000

10,3

0,048

0,09

10D-A-R

10,3

0,04

0,09

RG 58 A/U

5,0

0,17 - 0,20

0,40

RG 213 U

10,5

0,07

0,14

Если нет возможности установить антенну вне влияния иных радиопередающих средств связи, следует максимально использовать «разнос» по высоте и по горизонту, а при необходимости - полосовой или режекторный фильтры.

При развертывании радиосистемы радиус устойчивой работы можно определить исходя из соотношения сигнал/шум (не ниже 20 дБ), для чего используют анализаторы спектра или сканирующие радиоприемники. При их отсутствии соотношение сигнал/шум можно проверить по упрощенной методике. Для этого необходимо подключить к выходу передатчика, установленного на предполагаемом объекте, ослабитель сигнала на 15 - 20 дБ. Ослабитель следует включить между выходом передатчика и антенной. Затем, убедившись по пульту РСПИ «Струна-3, -3М», что в течение трех суток с этого объекта не было извещений «Авария», включить антенну на вход передатчика, предварительно убрав ослабитель.

Этот метод не может гарантировать 100 % надежность устойчивой работы объекта охраны, поскольку не является инструментальным методом измерения соотношения сигнал/шум. Однако он позволяет в большинстве случаев получить достоверный результат.

При развертывании пультового оборудования не следует располагать приемники непосредственно у плат блоков цифровой обработки сигналов пульта или иных устройств, которые могут создавать сильные радиопомехи (например, дроссели ламп люминесцентного освещения). Чувствительность приемника составляет 0,35 мкВ, поэтому уровень помех должен быть ниже этой величины.

При развертывании объектового оборудования необходимо строго соблюдать положения Руководства по эксплуатации. Вместе с тем имеются некоторые особенности, отраженные в документации, которые часто упускают из виду при работе. Например:

- при развертывании прибора приемно-контрольного (ППК) «Струна-801» не рекомендуется устанавливать антенну считывателя кода брелока на металлическую поверхность, так как резко сокращается радиус действия брелока;

- не забывать устанавливать номер системы, одинаковый на пульте и в объектовом устройстве (ППК). Для изменения номера системы в пульте централизованного наблюдения необходимо вынуть разъем питания на 30 - 40 с. Если отключить питание пульта и не вынуть разъем питания, он сохранит прежний номер системы;

- не забывать устанавливать одинаковые рабочие радиочастоты приемника и передатчика. После установки радиочастоты с помощью ДИП-переключателей необходимо нажать кнопку ввода в память измененной частоты;

- нельзя путать провода при подключении сигналов «Строб» и «Данные» на передатчик;

- нельзя устанавливать в помещениях антенны объектовых устройств ближе 0,5 м от массивных металлических поверхностей. Это не относится к комнатным антеннам из состава РСПИ «Струна-.

6. ОРГАНИЗАЦИЯ РАБОТ ПО СНИЖЕНИЮ КОЛИЧЕСТВА ЛОЖНЫХ СРАБАТЫВАНИЙ

6.1. ОСНОВНЫЕ РАБОТЫ

Значительное сокращение ЛС можно получить за счет организационно-технических мероприятий, направленных на повышение качества проектно-монтажных работ, технической укрепленности объектов, технического обслуживания, квалификации персонала, а также улучшения контроля работ, проводимыми службой связи на АТС и собственником на охраняемом объекте.

Уменьшение влияния ошибок ответственного лица объекта можно добиться:

- проведением периодического инструктажа;

- повышением ответственности за сдачу объекта под охрану и снятие с охраны;

- автоматизацией процесса «взятия - снятия» и индикацией состояния ТС ОС.

В Договор с АТС рекомендуется включить пункты:

- о своевременном предупреждении начала профилактических и восстановительных работ на кроссе и кабельном хозяйстве АТС;

- о проведении измерений параметров абонентских линий с передачей результатов в подразделение вневедомственной охраны.

6.2. ТЕХНИЧЕСКОЕ ОБСЛУЖИВАНИЕ

Техническое обслуживание - это комплекс работ по поддержанию ТС ОС в работоспособном состоянии в течение всего срока эксплуатации. Основными задачами технического обслуживания являются:

- обеспечение устойчивого функционирования ТС ОС;

- контроль технического состояния ТС ОС и определение их пригодности к дальнейшей эксплуатации;

- выявление и устранение неисправностей и причин ложных срабатываний ТС ОС, уменьшение их количества;

- ликвидация последствий воздействия на ТС ОС неблагоприятных климатических, производственных и других условий;

- анализ и обобщение сведений по результатам выполнения работ, разработка мероприятий по совершенствованию форм и методов технического обслуживания.

Повышение качества технического обслуживания можно добиться:

- обязательным выполнением регламентных работ;

- усилением контроля работы электромонтеров;

- включением в регламентные работы (по заявкам на АТС) операций измерения электрических параметров телефонных линий.

Техническое обслуживание подразделяется на плановое и неплановое. Плановое техническое обслуживание проводится со следующей периодичностью:

- устройств СПИ и приборов-сигнализаторов (типа «Атлас»), установленных на ПЦО и в помещениях телефонных станций, в объеме регламента № 1 - 4 раза в месяц, регламента № 2 - 1 раз в 3 месяца;

- ТС ОС, установленных на объекте, в объеме регламента № 1 - 1 раз в месяц.

Неплановое техническое обслуживание ТС ОС проводится со следующей периодичностью:

- устройств СПИ и приборов-сигнализаторов, установленных на ПЦО и в помещениях телефонных станций, в объеме методик проверки технического состояния ТС ОС и инструкций по среднему ремонту - при возникновении сбоев в работе аппаратуры, когда их причина не может быть устранена проведением регламентов № 1 и № 2;

- ТС ОС, установленных на объекте, в объеме регламента № 2 - при поступлении с объекта двух и более ложных срабатываний в течение 30 календарных дней (в пересчете на 1 условную установку), а также в случаях ликвидации последствий воздействия на ТС ОС неблагоприятных климатических или производственных условий. При поступлении заявки от собственника о ложном срабатывании ТС ОС или невзятии объекта под охрану, объем работ определяется инженерно-техническим персоналом или бригадиром электромонтеров.

Техническое обслуживание ТС ОС, установленных на квартирах, проводится:

- шлейфов сигнализации - по заявкам квартиросъемщиков;

- устройств автоматизированных СПИ и приборов-сигнализаторов в объеме регламента № 2 - при поступлении с квартиры двух и более ложных срабатываний в течение 30 календарных дней (в пересчете на 1 условную установку), а также в случаях ликвидации последствий воздействия на ТС ОС неблагоприятных климатических или других условий.

При проведении регламентных работ, в обязательном порядке, должна быть выполнена проверка работоспособности всего объектового комплекса охраны совместно с СПИ.

Примерный перечень основных работ по техническому обслуживанию ТС ОС в объеме регламентов № 1 (ТО-1) и № 2 (ТО-2) приведен в приложении 2.

В работах по выявлению и устранению причин ложных срабатываний ТС ОС помимо электромонтера, за которым эти средства закреплены для технического обслуживания, по распоряжению руководителя, принимают участие инженерно-технические работники и электромонтеры, занятые ремонтом аппаратуры.

Для оперативного выявления причины ложного срабатывания при проведении регламентных работ рекомендуется составить технологические карты для каждого обслуживаемого объекта.

Технологическая карта должна содержать следующие сведения:

- структурную схему построения системы сигнализации объекта с нумерацией шлейфов, приборов и извещателей;

- количество установленных ТС ОС каждого типа;

- порядок и последовательность проведения необходимых замеров параметров и операций по обслуживанию шлейфов и ТС ОС каждого типа с указанием номенклатуры контрольно-измерительных приборов и инструментов;

- таблицы технических параметров шлейфов сигнализации, всех ТС ОС данного объекта. В таблицах также должны быть приведены параметры, указанные в акте приема в эксплуатацию комплекса охраны данного объекта.

Для электромонтеров должны быть составлены (и внесены в журнал) таблицы граничных условий применения ТС ОС, аналогичные таблицам 4.1, 4.2, для всей аппаратуры закрепленной за ними. В журнал заносятся результаты измерений параметров, которые сравниваются с полученными при последнем проведении регламентных работ с указанием фамилии электромонтера, проводившего измерения.

Возможные причины значительных отклонений электрических параметров ТС ОС от предыдущих значений приведены в таблице 6.1.

Приведенные возможные причины изменения контролируемых параметров, подлежат определению и немедленному устранению во время проведения технического обслуживания ТС ОС на охраняемом объекте.

Таблица 6.1 - Возможные причины изменения контролируемых параметров

Параметр

Возможная причина

при уменьшении величины параметра

при увеличении величины параметра

1.

Сопротивление утечки шлейфа сигнализации

- повреждение изоляции проводников, наличие пробоя на «землю»;

- наличие влаги (конденсата) в устройствах коммутации

- замена участков шлейфа при проведении предыдущего регламента;

- сезонное улучшение климатической обстановки на объекте;

2.

Сопротивление шлейфа сигнализации

- перемыкание участков шлейфа при изменении конфигурации системы сигнализации

- окисление контактов в устройствах коммутации;

- ослабление винтовых соединений;

- наличие «холодных» скруток проводов

- старение (изменение переходного сопротивления) радиоэлементов (герконов, резисторов и т.п.);

- изменение номиналов оконечных элементов под воздействием температуры окружающей среды, конденсата влаги

3.

Сопротивление электрической изоляции ППК и извещателей.

- повышенная влажность в месте размещения приборов; - пробой изоляции обмоточного провода трансформатора ППК или БП

- замена неисправного прибора ППК другим типом из обменного фонда дежурным электромонтером;

- нагревание трансформатора в процессе работы ППК или БП.

4.

Ток (мощность), потребляемый извещателем (ППК) при питании от резервного источника.

- замена неисправного прибора ППК другим типом из обменного фонда дежурным электромонтером;

- изменение параметра без восстановления ШС.

- изменение параметров радиоэлементов блока питания ППК в результате выхода из строя, старения;

- неисправность цепи пультового реле.

5.

Мощность, потребляемая извещателем (ППК) при питании от сети переменного тока.

- замена неисправного прибора ППК другим типом из обменного фонда дежурным электромонтером

- межвитковое замыкание трансформатора блока питания;

- изменение параметра без отключения оповещателей

Работы, связанные со вскрытием пломб завода-изготовителя, выполняют только по истечении гарантийного срока службы. До окончания гарантийного срока службы указанные работы следует проводить только в ремонтной группе с предварительного согласия завода-изготовителя.

Контроль правильного и своевременного проведения регламентных работ и ведением эксплуатационной документации возлагается на руководство и инженерно-технический состав управлений, отделов вневедомственной охраны.

6.3. ДОПОЛНИТЕЛЬНЫЕ ФУНКЦИОНАЛЬНЫЕ ОБЯЗАННОСТИ ЛИЧНОГО СОСТАВА

Для усиления борьбы с ЛС рекомендуется ввести в функциональные и должностные обязанности личного состава ОБО следующие работы:

1). Начальнику отдела: общая организация работ, взаимодействие с руководителями предприятий, организаций. Ежемесячное заслушивание непосредственного руководителя работ;

2). Заместителю начальника отдела: непосредственное руководство работами, учет их выполнения, взаимодействие со службами АТС и энергоснабжения, организация материально-технического снабжения работ, анализ состояния работы, еженедельное подведение итогов работы. Доклад начальнику справкой о результатах работы за месяц. При отсутствии должности заместителя его обязанности выполняет начальник ПЦО;

3). Начальнику ПЦО: определение по результатам анализа объекты, квартиры, подлежащие постановке на контроль. Осуществление контроля полноты и качества работ, проводимых на ПЦО, АТС, объектах. Возглавлять комиссию по борьбе с ЛС, организовывать ежемесячно «День техники» на объектах, стоящих на контроле;

4). Дежурному ПЦО: по указанию руководителя работ осуществлять контроль качества работ на объектах и квартирах. Вести посменно листы-накопители по всем находящимся в эксплуатации пультам и журнал контроля работы электромонтеров;

5). Инспектору отдела: совместно с электромонтерами проводить обследование объектов в закрепленных зонах на предмет технической укрепленности строительных конструкций, обеспечивающих нормальную работоспособность ТС ОС. О результатах докладывать руководителю работ, принимать меры к устранению выявленных недостатков и контролировать исполнение в установленные сроки;

6). Инженеру отдела: контролировать полноту и качество работ, выполненных на объектах, квартирах, оказывать помощь в выявлении и устранении причин повторных ЛС ТС ОС, в поисках неисправностей, проведение измерений на объектах;

7). Инженеру ПЦО: контролировать полноту и качество работ, выполненных электромонтерами ПЦО. Принимать участие в проведении регламентов ПЦН, измерений, поиске неисправностей. Вносить в листы-накопители данные для первичного анализа, вести текущий анализ, контролировать заполнение листов-накопителей дежурными ПЦО. Оформлять заявки на проведение измерений линий АТС и контролировать эту работу;

8). Бригадиру электромонтеров: совместно с электромонтерами проводить работы и измерения на объектах, квартирах, поставленных на контроль. Осуществлять контроль полноты и качества работ, выполненных на объектах, квартирах. Вести учет работ по закрепленной зоне. Вносить результаты измерений в техническую документацию. Взаимодействовать с руководителями работ по вопросам материально-технического обеспечения, привлечения дополнительных средств;

9). Электромонтеру, обслуживающему сигнализацию на объектах, квартирах: проводить весь объем работ по эксплуатационно-техническому обслуживанию, восстановлению работоспособности ТС ОС, измерениям параметров аппаратуры и линий на объектах, квартирах;

10). Электромонтеру, обслуживающему СПИ и аппаратуру уплотнения: проводить весь объем работ на ПЦО и АТС по техническому обслуживанию ТС ОС и измерениям их параметров. Вносить результаты измерений в техническую документацию. Свою работу координировать с электромонтерами, обслуживающими ТС ОС на объектах, квартирах.

7. УЧЕТ И АНАЛИЗ ЛОЖНЫХ СРАБАТЫВАНИЙ.

7.1. УЧЕТ ЛОЖНЫХ СРАБАТЫВАНИЙ

Учет ЛС ТС ОС и невзятий объектов и квартир под охрану следует вести в листах-накопителях по номерам пультов централизованного наблюдения. Рекомендуемые формы листов-накопителей и примеры их заполнения приведены в таблицах 7.1, 7.2.

Условные обозначения:

- Нр - номер не задействован (не работает);

- Кв - на номер подключена квартира;

- А - на объекте установлена аппаратура уплотнения типа «Атлас»;

- Кц - на номер подключен ППК средней и большой информационной емкости (концентратор);

- О - вторые, третьи рубежи защиты особо важных объектов (можно выделять цветом);

- Т - ложное срабатывание ТС ОС (независимо от причин);

- Н - объект, квартира не взятые под охрану (цифры перед условным обозначением указывают дату события);

- К - объект, квартира, поставленные на контроль (цифры после условного обозначения указывают дату постановки на контроль);

- РВ - отметка о проведении внеочередных регламентных работ (цифры после условного обозначения указывают дату их проведения);

- Ту - отметка о проведенном обследовании объекта на предмет технической укрепленности и постановки на контроль, устранения выявленных недостатков (цифры после условного обозначения показывают дату направления предписания по устранению недостатков);

- - отметка об одновременном срабатывании ТС ОС по нескольким номерам пультов;

- Зм - отметка о замене ППК, извещателя на объекте (цифры впереди условного обозначения указывают дату проведения этой работы);

- Ф - условное обозначение прибора, замена которого произведена (например, «Фотон»).

Листы-накопители заводятся на каждый пульт, находящийся в эксплуатации на ПЦО. Сведения о срабатываниях ТС ОС и невзятиях под охрану вносятся в лист-накопитель на основании данных, имеющихся в контрольных листах дежурных пультов управления.

Первичный анализ общего количества срабатываний ТС ОС и невзятий объектов под охрану проводится по соответствующим данным, внесенным в листы-накопители за три месяца, предшествующих началу работы. Для последующего анализа работа по заполнению листов-накопителей ведется ежедневно. Анализ данных, внесенных в листы-накопители, заключается в выборе пультовых номеров, по которым суммарно зафиксировано наибольшее количество срабатываний и невзятий за определенный период времени (месяц, квартал, полугодие). Форма ведения листа-накопителя может быть выбрана и другой, обеспечивающей удобство пользования и ведение анализа, в том числе и с автоматической обработкой на ПЭВМ.

Для анализа причин ЛС, определения пультовых номеров, подверженных ЛС, комплексной отработке и выявления причин ЛС рекомендуется использовать соответствующую компьютерную базу данных и программное обеспечение к ней.

По результатам анализа выбираются пультовые номера и соответствующие им объекты, квартиры, с которых в течение 30 календарных дней поступило два и более ложных срабатываний (невзятий). Указанные номера (объекты, квартиры) ставятся на контроль с цепью проведения на них внеочередных регламентных работ, устранения недостатков в технической укрепленности и т.п. График проведения плановых регламентов корректируется с учетом проведения указанных работ.

По мере завершения работ по пультовым номерам и соответствующим им объектам и квартирам, давшим наибольшее количество срабатываний (невзятий), необходимо переходить к другим объектам, давшим по результатам первичного и текущего анализа меньшее количество срабатываний (невзятий). Наличие двух и более срабатываний в месяц после выполнения внеочередных регламентных работ требует проведения дополнительных мероприятий с участием инженерно-технических работников отдела, ПЦО и использованием необходимой контрольно-измерительной аппаратуры с целью выявления и устранения причин ложных срабатываний (невзятий).

Таблица 7.1 - Лист-накопитель. Пульт № 8 (вариант № 1). ПЦО Заречного района Начат с 1.01.01

Условные обозначения

Пультовой номер

Первичный анализ: октябрь - декабрь

Месяцы/года

январь

февраль

март

апрель

май

июнь

июль

август

сентябрь

октябрь

ноябрь

декабрь

Нр

1

 

 

 

 

 

 

 

 

 

 

 

 

 

 

2

Т-1

Н-1

17Н

26Т

К5,

РВ6-7

 

 

 

 

 

 

 

 

 

3

Т-2

20Т

4Т К9.

РВ10

10 - ЗмФ

 

 

 

 

 

 

 

 

 

 

Кв

4

Т-3

Н-1

K8

РВ11

11 - ЗмУО

 

15Н

 

 

 

 

 

 

 

 

 

А

5

 

11Т, 23Н, 28Т

К9,

РВ11-14

 

 

 

 

 

 

 

 

 

Кц

6

Н-7

Т-1

К8.

РВ9-15

Ty11

 

 

 

 

 

 

 

 

 

 

 

Примечание.

Первичный анализ - общее количество ЛС, невзятий за три предшествующих месяца.

Таблица 7.2 - Лист-накопитель. Пульт № 8 (вариант № 2) ПЦО Заречного района Начато 1.01.01

Условное обозначение

Пультовой номер

Первичный анализ 1.10 - 31.12.00

Текущий анализ (даты срабатываний, невзятий под охрану и другие отметки)

Нр

1

-

 

 

2

Т-1, Н-1

я: ; ф: 17Н; м: 26Т; а: 5К, РВ6-7; м

 

3

Т-2

я: , 7Т, 20Т; ф: РВ10, 10 - ЗмФ; м; а; м

Кв

4

Т-3, Н-1

я: 8К, РВ11, 23Н, 28Т; м: 9К, РВ11-14; а; м

А

5

-

я: 4Т; ф: 11Т, 23Н, 28Т; м: 9К, РВ11-14; а; м

Кц

6

Т-1, Н-7

я: 8К, РВ9-15, ПТу; ф; м; а; м

Примечания:

1. Первичный анализ - общее количество ЛС, невзятий за три предшествующих месяца.

2. Для анализа и контроля проводимых работ, мероприятий, кроме указанных обозначений, могут дополнительно использоваться и другие.

3. Повторные ЛС, невзятия имеют аналогичное обозначение, например, 17Т, 17Н, 17Т, 17Н.

Рассмотрим работу по проведению анализа на примере приведенных таблиц. Ведение листа-накопителя начато 1 января 2001 года. Для выделения «неблагополучных» объектов и квартир по всем пультовым номерам, обобщаются данные по срабатываниям ТС ОС и невзятиям под охрану, имевшим место в октябре - декабре 2000 года. По окончании первичного анализа последующая текущая информация о всех срабатываниях ТС ОС и невзятиях под охрану ежедневно заносится в лист-накопитель. Записи, внесенные в таблицу, расшифровываются следующим образом.

Пультовой номер 1 - номер не задействован (неисправен).

Пультовой номер 2 - в октябре - декабре 2000 года имело место одно ложное срабатывание ТС ОС и одно невзятие под охрану:

5 января было одно ложное срабатывание сигнализации, причем одновременно с третьим пультовым номером из-за обрыва телефонных линий;

в феврале - марте поступило по одной ложной тревоге;

5 апреля по итогам 1-го квартала 2001 года пультовой номер поставлен на контроль;

6 - 7 апреля проведены внеочередные регламентные работы и далее ложных срабатываний ТС ОС и невзятий под охрану не отмечалось.

Пультовой номер 3 - второй рубеж особо важного объекта;

в октябре-декабре 2000 года зафиксировано два ложных срабатывания сигнализации:

5, 7, 20 января поступили сигналы ложных тревог, причем 3 января сигнализация сработала одновременно со вторым пультовым номером из-за обрыва телефонных линий;

4 февраля произошло ложное срабатывание сигнализации;

9 февраля по результатам анализа за январь месяц объект поставлен на контроль;

10 февраля проведены внеочередные регламентные работы и замена извещателя «Фотон»;

в феврале-мае ложных срабатываний сигнализации и невзятий объекта под охрану не отмечалось.

Пультовой номер 4 - охраняется квартира:

в октябре-декабре 2000 года отмечено три ложных срабатывания сигнализации и одно невзятие под охрану;

8 января по результатам первичного анализа пультовой номер поставлен на контроль;

11 января проведены неплановые регламентные работы и замена устройства объектового;

15 марта зарегистрировано невзятие объекта под охрану;

по май месяц включительно ложных срабатываний сигнализации и невзятий под охрану не отмечалось.

Пультовой номер 5 - объект подключен через аппаратуру уплотнения «Атлас»:

в октябре-декабре 2000 года ложных срабатываний и невзятий объекта под охрану не зарегистрировано;

4 января поступил один ложный сигнал тревоги;

в феврале зарегистрировано два ложных срабатывания сигнализации и одно невзятие под охрану;

по итогам анализа за февраль объект поставлен на контроль;

после проведения с 11 по 14 марта неплановых регламентных работ ложных срабатываний ТС ОС и невзятий под охрану не зарегистрировано.

Пультовой номер 6 - объект подключен через концентратор:

8 января по результатам первичного анализа (семь невзятий под охрану, одно ложное срабатывание сигнализации) объект поставлен на контроль;

с 9 по 15 января на объекте проведены неплановые регламентные работы и обследование объекта на предмет технической укрепленности элементов строительных конструкций. После устранения выявленных недостатков объект поставлен на контроль.

При подготовке исходных данных для первичного анализа даты срабатываний ТС ОС и невзятий под охрану в листах накопителях не ставятся. Объекты на контроль берутся по общей сумме срабатываний и невзятий за три месяца. При ведении текущего учета отмечаются даты срабатываний и невзятий. Ведение в листах-накопителях ежедневного учета срабатываний ТС ОС и невзятий под охрану наглядно показывает состояние эксплуатационного обслуживания ТС ОС на охраняемых объектах, квартирах и позволяет своевременно принимать меры к выявлению - «неблагополучных» объектов и проведению по ним необходимого объема работ, а также оценивать качество работы электромонтеров ОПС.

7.2. ПОРЯДОК ПРОВЕДЕНИЯ РАБОТ ПО РЕЗУЛЬТАТАМ АНАЛИЗА

Внесение данных в листы-накопители для первичного анализа проводится инженерно-техническим персоналом ПЦО. Текущие (ежедневные) данные вносятся в листы-накопители дежурным ПЦО по результатам работы за смену.

Для проведения внеочередных регламентных работ по пультовым номерам (объектам, квартирам), поставленным в результате анализа на контроль, следует временно создавать оперативные бригады. В состав бригады должны входить: электромонтер ОПС, обслуживающий объект, его бригадир, электромонтер ПЦН. Руководитель работ должен организовать обеспечение бригад необходимыми запасными частями, материалами, инструментом и измерительными приборами, а также ТС ОС из обменного фонда. В зависимости от объема работ на объекте руководитель может увеличить состав бригады за счет электромонтеров ОПС монтажной группы или ремонтной мастерской.

На каждом контролируемом объекте должны быть проведены неплановые работы в объеме регламента № 2 для ПИК и извещателей и регламента № 3 для шлейфа сигнализации. Результаты измерений параметров ТС ОС, а также сведения о выявленных и устраненных недостатках заносятся бригадиром в рабочую тетрадь, электромонтером - в Журнал электромонтера ОПС и паспорт объекта. Контроль качества выполнения работ на объекте должен осуществляться инженерно-техническими работниками отделов (отделений) охраны.

Рабочие тетради ведутся в произвольной форме. В них должны содержаться следующие сведения: пультовой номер, наименование объекта, даты проведения неплановых и плановых регламентных работ, перечень выполненных работ, результаты измерений основных параметров шлейфов сигнализации, объектовой аппаратуры, линий связи, систем передачи извещений, аппаратуры уплотнения. Руководитель обязан ежедневно анализировать состояние работ по сокращению количества ложных срабатываний и принимать меры по повышению эффективности работы бригад.

Измерение параметров телефонных линий, используемых для подключения объектов к ПЦО (сопротивление абонентской линии, её утечки и емкости), проводится работниками измерительных лабораторий АТС по заявкам подразделений охраны.

Наряду с внеочередными регламентными работами проводится обследование объектов для определения технического состояния элементов строительных конструкций, оказывающих влияние на работу ТС ОС. Обследование объектов осуществляется инспекторским составом подразделений вневедомственной охраны при участии электромонтеров ОПС. Результаты обследований докладываются руководителю работ. Инспектором совместно с собственником принимаются меры по устранению выявленных недостатков.

8. АЛГОРИТМЫ ПОИСКА ПРИЧИН ЛОЖНЫХ СРАБАТЫВАНИЙ

Эффективность борьбы с ложными срабатываниями, а также оперативность их устранения во многом определяется алгоритмом (или последовательностью) поиска причин ложных срабатываний.

Алгоритм поиска ложного срабатывания ТС ОС для группы задержания на объекте приведен на рисунке 8.1.

При поступлении сигнала тревога с охраняемого объекта, к нему оперативно направляется группа задержания. Важной задачей группы задержания при перевзятии объекта, с которого поступил сигнал тревоги, является точное определение причины срабатывания ТС ОС с целью ее устранения и предотвращения повторных ложных выездов группы задержания на данный объект.

Методика поиска причин ЛС построена на анализе состояния индикаторов и выносных световых и звуковых оповещателей ППК, состояния линии электропитания и телефонной связи. При отсутствии следов проникновения и нахождения преступника на объекте в зависимости от варианта охраны объекта возможны следующие причины.

Световые оповещатели на объекте находятся в режиме постоянного свечения, что соответствует режиму «норма», то есть объект автономно охраняется. Наиболее вероятной причиной поступления на ПЦО сигнала «тревога» является нарушение телефонной линии объекта либо изменение ее параметров сверх граничных значений. Причиной ЛС так же может стать самовосстановление системы сигнализации в результате перепада или кратковременного отключения напряжения сетевого питания.

Рисунок 8.1 - Алгоритм поиска причины ложного срабатывания ТС ОС для группы задержания.

Световые оповещатели на объектах находятся в нерабочем состоянии (отсутствует свечение). Причиной может являться отсутствие электропитания на объекте вследствие нарушения магистральной линии. Подтверждением служит, как правило, отсутствие электроэнергии в ближайших домах или организациях, а также одновременное поступление на ПЦО сигналов тревоги с нескольких объектов, расположенных в одном квартале. Другой причиной может быть неисправность ППК, обычно связанная с отсутствием подачи питания на прибор (перегорание предохранителей, электрических пробок) либо неисправность выходных цепей питания оповещателей при использовании ламп накаливания с мощностью, превышающей паспортную, а также выход из строя самого оповещателя (перегорания лампы).

Световые оповещатели ППК, на которые подключены шлейфы периметра объекта (фасад, тыл, датчики-ловушки, промежуточные двери, люки и вентиляционные короба) находятся в состоянии прерывистого свечения - «тревога», световые оповещатели дополнительных рубежей охраны (объемные извещатели) в режиме постоянного свечения - «норма». Причиной ЛС может стать:

- размыкание магнитоконтактных извещателей, вследствие неудовлетворительной технической укрепленности (неисправность дверных и оконных конструкций, самопроизвольное открывание форточек и т.п.);

- самопроизвольное срабатывание извещателей «Окно» вследствие неисправности либо повышенной чувствительности БОС или близости проезжей части улиц с интенсивным движением большегрузного транспорта;

- изменение сопротивления шлейфа, его изоляции вследствие недоброкачественного технического обслуживания, физического износа кабельных линий;

- условия эксплуатации не соответствующие техническим характеристикам ТС ОС (повышенная влажность, температура в помещениях объекта);

- неустойчивая работа ППК.

Световые оповещатели первого рубежа «горят» ровным светом, а второго рубежа - в режиме «тревога». В этом случае наиболее вероятными причинами ложного срабатывания ТС ОС являются:

- возможность появления на объекте мелких животных (кошки и т.п.);

- возможность засветки оптико-электронных извещателей светом автомобильных фар, солнечными лучами;

- несоблюдение технических условий при установке извещателей второго рубежа охраны (наличие произвольно открывающихся строительных элементов и конструкций, близость батарей отопления и т.п.);

- неправильная установка чувствительности и мощности излучения ультразвуковых и радиоволновых извещателей.

Все световые оповещатели первого и дополнительных рубежей охраны «горят» прерывистым светом. Кроме совместного возникновения вышеперечисленных причин, наиболее вероятной можно считать кратковременный перепад напряжения питания электрической сети, приведший к невосстановлению первоначального состояния ППК.

В свою очередь звуковые оповещатели на объектах, подключенные к ППК последних лет выпуска, подают сигнал «тревога» с задержкой до 30 секунд от момента посылки тревожного сообщения на ПЦН и ограниченным временем звучания - до 4 минут. Эти особенности необходимо учитывать при анализе состояния оповещателей на объектах.

Сделать попытку постановки системы охраны в автономный режим и при положительном результате сдать объект под централизованную охрану, связавшись с ПЦО с данного объекта, одновременно дополнительно проконтролировав работоспособность канала связи.

При невзятии объекта на ПЦО, необходимо, электромонтеру проверить исправность ППК, активных извещателей, оконечного устройства СПИ и объектовых блоков аппаратуры уплотнения типа «Атлас-3/ -6», а также состояние блоков подключения (фильтров) этой аппаратуры путем замеров величины напряжения выходного сигнала и контроля подачи питания на блоки.

Алгоритма поиска причин ложных срабатываний для электромонтера приведен на рисунке 8.2.

По результатам проведенной работы дежурный ПЦО (старший группы задержания) обязан составить акт перевзятия объекта с указанием конкретно определенной причины срабатывания ТС ОС для дальнейшего принятия мер инженерно-технической службы ОВО с целью предотвращения повторных срабатываний.

Руководитель инженерно-технической службы ОВО обязан информировать личный состав групп задержания о любых временных изменениях в схеме блокировки объекта (установки аппаратуры «локализация», объединения нескольких рубежей охраны на один ключ ПЦН и т.д.) для более эффективной работы группы задержания при перевзятии объекта.

Рисунок 8.2 - Алгоритм поиска причины ложного срабатывания ТС ОС для электромонтера

Поиск причины ложного срабатывания рекомендуется начинать с проверки основных параметров шлейфа сигнализации.

8.1. ПРОВЕРКА ШЛЕЙФА СИГНАЛИЗАЦИИ

Проверьте исправность шлейфа сигнализации с целью выявления повреждений простейших извещателей, соединительных линий, распределительных коробок, выносных элементов. Поврежденные элементы шлейфа и участки соединительных линий следует заменить исправными, холодные скрутки - пропаять и заизолировать. Если на участке шлейфа длиной до 10 м (от одной распределительной коробки до другой) имеется две и более скруток, этот участок шлейфа следует заменить.

Измерьте электрические параметры шлейфа сигнализации. Если параметр не соответствует граничным значениям, необходимо, последовательно отключая в распределительных коробках участки шлейфа сигнализации, определить участок, имеющий большую утечку /минимальное сопротивление «провод-земля», определите и устраните имеющиеся повреждения изоляции проводников или замените участок шлейфа. Особое внимание при этом следует уделять местам крепления провода к стене. В случае если место повреждения изоляции не обнаружено, данный участок шлейфа следует полностью заменить.

При проведении регламентных работ необходимо добиваться максимально возможного увеличения сопротивления утечки шлейфа с целью повышения помехоустойчивости ППК.

Проверьте состояние монтажа линий, подведенных к ППК. Обратите внимание на то, чтобы пультовая линия, шлейф сигнализации с сетями электропитания 220 В не были проложены в одном жгуте, а были разнесены как можно дальше друг от друга. Близкое расположение этих линий способствует появлению в них взаимных наводок и помех.

Одновременно с проверкой шлейфов сигнализации следует проверить состояние абонентской телефонной линии (от телефонного аппарата до коробки телефонной распределительной). При неудовлетворительном состоянии этого участка линий принять меры к его замене (по заявке на АТС или самостоятельно по согласованию с АТС).

Примерный перечень основных работ по техническому обслуживанию шлейфа сигнализации в объеме регламентов № 1 (ТО-1) и № 2 (ТО-2) приведен в таблице П2.1 приложения 2.

8.2. ПРОВЕРКА ИЗВЕЩАТЕЛЕЙ

При обнаружении неустойчивой работы извещателей проверьте правильность их установки и настройки, выявите источники помех, мешающие факторы.

Контроль правильности настройки извещателей должен проводиться при регламентных работах на охраняемых объектах. В тех случаях, когда извещатель выдает ложные срабатывания, необходимо провести его дополнительную подстройку в межрегламентный период. Прежде чем приступить к настройке извещателей:

- проверьте соответствие монтажа аппаратуры требованиям, указанным в технической документации;

- измерьте величину питающих напряжений;

- измерьте величину напряжения резервного источника питания и в случае несоответствия указанной в технической документации, замените батареи (аккумуляторы) на новые;

- убедитесь, что температура окружающего воздуха на объекте соответствует граничным условиям, приведенным в таблице 4.1;

- измерьте величину потребляемой мощности (тока) извещателем, которая не должна выходить за граничные значения.

Проконтролируйте зону обнаружения (установочные размеры) извещателя, убедитесь, что она не выходит за пределы охраняемого объекта и перекрывает все пути возможного проникновения нарушителя. Рекомендуется, чтобы зоны обнаружения однотипных извещателей не пересекались. При необходимости подрегулировать извещатель. Контроль размеров зоны обнаружения рекомендуется проводить при максимальной и минимальной температуре воздуха на объекте.

По окончании настройки следует поставить объект на контроль отсутствия ложных срабатываний в течение 2 - 3 дежурных периодов. При неустойчивой работе извещателей в контрольный период их необходимо демонтировать и передать в ремонтную мастерскую с заменой из обменного фонда.

Для уменьшения количества ЛС с объектов, где установлены извещатели типа ДИМК, рекомендуется провести их замену на ударноконтактные извещатели приведенные в Перечне.

Примерный перечень основных работ по техническому обслуживанию извещателей в объеме регламентов № 1 (ТО-1) и № 2 (ТО-2) приведен в таблице П2.2 приложения 2.

8.3. ПРОВЕРКА ПРИБОРОВ ПРИЕМНО-КОНТРОЛЬНЫХ

Проверку ППК рекомендуется выполнять по следующей методике:

- проведите внешний осмотр прибора с целью выявления повреждений его корпуса и проводов в месте ввода внешних линий. При наличии повреждений, которые могут повлиять на работу прибора, устраните их;

- осмотрите световой и звуковой оповещатели, убедитесь в их исправности;

- выключите прибор, снимите крышку, закрывающую клеммную колодку, и осмотрите элементы, к которым открыт доступ. При наличии повреждений съемных элементов замените их исправными;

- проверьте качество подключения линий к клеммам колодки. Провода должны быть припаяны к ламелям (если на колодке предусмотрено крепление под «винт», винты должны быть завернуты до упора);

- включите прибор и восстановите шлейф сигнализации. Выборочно нарушьте шлейф сигнализации (открыть дверь, форточку и т.п.) и убедитесь в работоспособности прибора;

- измерьте величину потребляемой мощности, тока ППК, которые не должны выходить за граничные значения.

При наличии на объекте аппаратуры уплотнения типа «Атлас» измерьте на выходных клеммах объектового блока подключения частоту и выходное напряжение генератора, которые не должны выходить за пределы, указанные в технической документации.

Примерный перечень основных работ по техническому обслуживанию ППК и устройств уплотнения в объеме регламентов № 1 (ТО-1) и № 2 (ТО-2) приведены в таблицах П2.3 и П2.4 приложения 2.

8.4. ПРОВЕРКА СИСТЕМ ПЕРЕДАЧИ ИЗВЕЩЕНИЙ

На первом этапе проверяется совместное функционирование СПИ с объектовым комплексом во всех режимах работы. При неустойчивом функционировании рекомендуется выполнить следующие работы:

- проверьте исправность СПИ в объеме методик регламентов технического обслуживания или инструкций по среднему ремонту;

- выполните проверку состояния соединительных кабелей и разъемов;

- измерьте величину потребляемой мощности, тока устройствами СПИ, которые не должны выходить за граничные значения.

Для СПИ «Нева-10» «Нева-10М» проведите регулировку тока считывания линейных ячеек в соответствии с инструкцией по эксплуатации. Для систем типа «Центр-М», «Центр-КМ», «Нева-10» и «Нева-10М» выполните работы по установке тока «охраны», проверяемого объекта. Методика измерения и регулировки тока охраны приведена в приложении 1.

Примерный перечень основных работ по техническому обслуживанию устройств (блоков), входящих в состав СПИ в объеме регламентов № 1 (ТО-1) и № 2 (ТО-2) приведены в таблице П2.5 приложения 2.

8.5. ПРОВЕРКА РАДИОСИСТЕМ ПЕРЕДАЧИ ИЗВЕЩЕНИЙ

Перед началом проведения монтажных работ на объекте для РСПИ «Струна-3, -3М»:

- рекомендуется проведение тестирования приборов на «столе» перед развертыванием объектового оборудования. Требуется смоделировать прохождение сигнала по радиоканалу. Чтобы избежать перегрузки приемника от близко расположенного передатчика, на выход передатчика следует подключить «заглушку», которую можно изготовить из резистора номиналом 50 Ом мощностью 0,25 Вт. Затем подключить один выход резистора на центральную жилу кабеля, а другой - на «экран». При этом необходимо изолировать открытые токоведущие части резистора. Помните, что короткое замыкание и работа передатчика без нагрузки приведут к выходу его из строя. Антенну приемника можно не подключать, так как с расстояния в несколько метров двухватный передатчик (даже на резистивную нагрузку) излучает достаточно энергии для работы приемника и без антенны;

- если не удалось проверить работу оборудования по радиоканалу, следует проконтролировать функционирование объектового устройства и пульта, исключив радиоканал. Для этого нужно соединить проводами клеммы объектового устройства «Данные на передатчик» и «Вход» пульта РСПИ «Струна-3, -3М». При этом нельзя забывать об объединении клемм «Земля» на ОУ и пульте;

- если после этого не удалось «запустить» оборудование, необходимо произвести последовательную замену узлов РСПИ (объектовых блоков, радиоприемных, радиопередающих устройств, ПЦН и т.п.) на заведомо исправное оборудование или на оборудование, не бывшее в эксплуатации. Таким образом удастся локализовать неисправность до отдельного узла радиосистемы.

Большинство неисправностей связано с нарушением контакта, - это:

- нарушение электрического соединения в клеммах подключения;

- обрыв проводов или их неправильное подключение;

- неисправность в антенно-фидерном хозяйстве (особенно в разъемах);

- обрыв центральной жилы кабеля или неисправность антенны.

При обрыве центральной жилы в кабеле может сложиться впечатление о нормальной работе радиосистемы при незначительном расстоянии между объектом охраны и ПЦО.

Для проверки качества антенно-фидерного тракта необходимо иметь измеритель коэффициента стоячей волны (КСВ). Лучше, если измеритель КСВ будет дополнен измерителем мощности, которым можно определить и мощность передатчика. Иногда пробой выходного транзистора передатчика приводит не к полному отсутствию высокочастотного сигнала, а только к падению его уровня в десятки раз. Поэтому рекомендуется измерить мощность передатчика. Коэффициент стоячей волны показывает долю энергии передатчика, которая отдается в антенну. В идеале КСВ = 1. В реальных условиях КСВ антенны должен находиться в диапазоне от 1 до 1,5, а при больших длинах кабеля до 2,5.

Необходимо учитывать потери радиосигнала при прохождении через конструкции зданий.

В таблице 8.1 приведены типовые величины затухания радиосигнала УКВ-диапазона в зданиях различной конструкции.

Таблица 8.1. - Типовые величины затухания радиосигнала УКВ-диапазона

Конструкция здания

Затухание сигнала внутри помещения, дБ

Деревянная

менее 5

Кирпичная

5 … 10

Железобетонная

10 … 20

Железный бокс

Свыше 25

Прокладывать линии питания и управления передатчиком следует проводом как можно большего сечения. Особенно это важно для проводов питания передатчика. Рекомендуется использовать многожильный медный провод, обладающий требуемой механической прочностью.

Мощность передатчика зависит от уровня питающего напряжения, при значительном падении этого напряжения на проводах передатчик не развивает полную мощность. Максимальные длины проводов при их различных сечениях и диаметрах приведены в таблице 8.2.

Для повышения дальности действия и помехозащищенности канала передачи радиосистемы рекомендуется использовать ретранслятор.

Таблица 8.2. - Зависимость длины провода от диаметра жилы, сечения провода

Диаметр жилы медного провода, мм

Сечение провода, мм2

Длина провода, м

0,3

0,0707

5

0,4

0,126

9

0,5

0,196

14

0,6

0,282

20

0,7

0,385

27

0,8

0,503

42

0,9

0,635

45

1,0

0,785

50

Рекомендуется устанавливать ретранслятор на крыше жилого высотного дома, точнее в его чердачных помещениях или лифтовой комнате, где есть электропитание и приемлемые условия эксплуатации. Перед установкой ретранслятора необходимо убедиться в отсутствии рядом антенн других радиопередающих средств.

При наличии вблизи других радиопередающих станций, необходимо использовать «разнос» антенн либо по вертикали, либо по горизонтали. Из-за ограниченной площади крыши рекомендуется использовать «разнос» антенн как по вертикали, так и по горизонтали. «Разнос» по горизонтали в 15 - 20 м дает ослабление мешающего сигнала на 20 дБ или по вертикали в 4 - 5 м даст ослабление мешающего сигнала на 40 дБ. «Разнос» по вертикали дает лучшие результаты, так как расположение одной антенны строго под другой не оказывает влияния друг на друга.

При «разносе» антенн по горизонтали на 15 - 20 м наблюдается ослабление сигнала на 20 дБ.

При невозможности разнести антенны радиосредств в пространстве следует использовать полосовые или режекторные ВЧ-фильтры.

При использовании направленных антенн кабель подключения необходимо прокладывать параллельно траверсе антенны.

9. КОНТРОЛЬ ТЕХНИЧЕСКОЙ ЭКСПЛУАТАЦИИ

Контроль технической эксплуатации ТС ОС представляет собой комплекс организационных мероприятий, направленных на повышение надежности функционирования этих средств в соответствии с установленными нормами и требованиями.

Контроль технической эксплуатации подразделяется на входной контроль технических средств охраны, который заключается в проверке ТС ОС по качеству и комплектности до начала эксплуатации и контроль, направленный на повышение эффективности эксплуатации ТС ОС.

В соответствии с п. 6.1 настоящих рекомендаций, персональная ответственность за организацию работ по борьбе с ложными срабатываниями и невзятиями под охрану возлагается на начальников отделов вневедомственной охраны. В отделе охраны должна быть создана комиссия по борьбе с ложными срабатываниями, состав которой утверждается приказом начальника ОБО. Председателем комиссии назначается начальник ПЦО, в ее состав входят инженерно-технические работники отдела, бригадиры и наиболее опытные электромонтеры.

Для исключения отказов ТС ОС из-за некачественного технического обслуживания необходимо обеспечить действенный контроль со стороны заместителя начальника отдела по технике за готовностью и способностью личного состава технической службы к выполнению поставленных задач, за организацией работы комиссии по борьбе с ложными срабатываниями, за повышением электромонтерами своей квалификации и знанием личным составом своих обязанностей, правильным и своевременным выполнением регламентных работ и ремонтов, ведением эксплуатационной документации.

Значительная часть ложных срабатываний и невзятий под охрану, особенно в начальный период эксплуатации ТС ОС на объекте, вызвана неумением собственника пользоваться средствами охраны, его халатностью, нежеланием выполнять предписания вневедомственной охраны. Поэтому необходимо: обучать собственника правильному обращению с ТС ОС, проводить тренировки на объекте, заниматься разъяснительной работой. Ежегодно, в обязательном порядке, проводить инструктаж с собственником по правилам пользования ТС ОС с отметкой в «Журнале электромонтера ОПС». Ответственность за эти мероприятия возлагается на инженерно-технический состав отдела охраны.

Уменьшение числа ложных срабатываний из-за неисправностей и помех в телефонных линиях и на АТС достигается путем совместного планирования работ по инвентаризации и приведению в соответствие с нормативными требованиями линий связи, а также упорядочением работ, на используемых каналах связи, сотрудников АТС.

Снижение количества ложных срабатываний достигается соблюдением требования о 100 % входном контроле ТС ОС, контроле производства монтажных и пусконаладочных работ, выполнением требований нормативных документов МВД к установке и размещению аппаратуры, правильным выбором типа извещателей и оптимальной настройкой по месту установки (с учетом мешающих факторов), своевременным проведением ремонтов и заменой, выработавших сроки эксплуатации, приборов.

10. ОРГАНИЗАЦИЯ ЭЛЕКТРОПИТАНИЯ

10.1. ПУЛЬТОВАЯ АППАРАТУРА СИСТЕМ ПЕРЕДАЧИ ИЗВЕЩЕНИЙ

Полное резервирование электропитания аппаратуры СПИ на ПЦО - блоков индикации, диспетчерских полукомплектов, пультов управления и т.п. обеспечивает гарантированную защиту от кратковременного и полного отключения электроэнергии в сети переменного тока.

Непрерывность электропитания аппаратуры обеспечивается в соответствии с таблицей 10.1

Таблица 10.1 - Резервирование электропитания

Категория

Функция

Оборудование

Основная линия

Штатная схема электропитания аппаратуры ПЦО

Щит электрический с предохранителями и электросчетчиком

Кратковременное резервирование

Аккумуляторная батарея с ресурсом обеспечения электропитания не менее 4 часов

Кислотные аккумуляторы в проветриваемом помещении, непрерывно подключенные к аппаратуре ПЦО

Долговременное резервирование

Фидер электропитания от дополнительной подстанции или распределительного шкафа

Многосекционный рубильник с индикаторами наличия напряжения на силовых вводах

Автономное долговременное электропитание

Бензоэлектрический генератор необходимой мощности

Отдельный ввод с защитой от одновременного включения

При отсутствии либо несоответствии параметров напряжения на основной линии питания автоматически должны включаться аккумуляторные батареи, которые обеспечат работу СПИ, средств радиосвязи, сервисного оборудования ПЦО при кратковременных отключениях напряжения питания.

Целесообразно так же обеспечить помещение ПЦО дополнительными фидерами (линиями) электропитания от нескольких независимых подстанций. При локальном отключении электропитания на одном фидере и автоматическом переходе аппаратуры на аккумуляторное питание необходимо убедиться в наличии напряжения на дополнительном фидере (сигнализатор с использованием неоновых индикаторных ламп) и при положительном результате перевести электропитание на исправный фидер.

Резервирование электропитания пультовой части аппаратуры централизованного наблюдения рекомендуется организовать двумя ступенями:

- использование аккумуляторных батарей либо блоков бесперебойного сетевого питания для исключения влияния кратковременных отключений и провалов питающего напряжения;

- использование бензоэлектрического агрегата для обеспечения долговременной автономной работы аппаратуры.

10.2. СТАНЦИОННАЯ АППАРАТУРА ОХРАННОЙ СИГНАЛИЗАЦИИ

Комплекс аппаратуры охранной сигнализации, установленной в помещениях кросса АТС, должен быть обеспечен резервируемой линией электропитания от станционных источников питания напряжением 60 В через отдельный распределительный щит.

Проблемы резервирования электропитания УТ систем типа «Атлас» решаются либо подключением согласно схемы аккумуляторных батарей соответствующего напряжения 12 В, либо организацией двух полярного преобразователя напряжения из 60 В в ±12 В от станционной цепи питания по согласованию с администрацией АТС. Некоторые типы квазиэлектронных АТС требуют разно полярного низковольтного электропитания, поэтому при наличии на АТС соответствующих источников тока, их необходимо использовать с разрешения руководства АТС для резервирования станционной аппаратуры.

10.3. ОБЪЕКТОВАЯ АППАРАТУРА ОХРАННОЙ СИГНАЛИЗАЦИИ

Полное резервирование электропитания объектовой аппаратуры - это решение проблемы борьбы с ложными срабатываниями по цепи электропитания.

При наличии возможности подключения ТС ОС к различным силовым сетям, их рекомендуется подключать к тем, в которых отсутствуют мощные силовые устройства. Наибольшая помехозащищенность ТС ОС обеспечивается при подключении непосредственно к вводно-распределительному устройству объекта.

Для электропитания ТС ОС, установленных на объектах, рекомендуется использовать источники питания, приведенные в Перечне. Основные технические характеристики источников питания приведены в таблице 10.2.

При использовании импортных источников питания следует помнить, что они предназначены для работы в электросетях с более стабильными параметрами напряжения. Амплитудное значение пульсаций выходного напряжения достигает у них 1 - 2 В. Все это может привести к ЛС.

Для ТС ОС рекомендуется использовать источники питания, имеющие расширенный рабочий диапазон напряжений сети переменного тока (от 100 до 250 В), что позволяет снижать количество ложных срабатываний.

Стабильная работа резервных источников питания гарантируется своевременным выполнением работ по их техническому обслуживанию. Примерный перечень основных работ по техническому обслуживанию источников питания приведен в таблице П.2.6 приложения 2.

При организации резервного питания на объектах рекомендуется использовать герметичные свинцово-кислотные не обслуживаемые аккумуляторные батареи, как импортного, так и отечественного производства.

Большая протяженность линий питания создает возможность возникновения в них различных электромагнитных помех и недопустимо большого падения величины напряжения на конце линии питания, поэтому источники питания и ТС ОС необходимо размещать на минимально близком расстоянии друг от друга. Для борьбы с электромагнитными помехами при длине электропроводок более 50 м необходимо использовать экранированные кабели и провода, витые пары. Уменьшить падение величины напряжения питания на проводах позволяет правильный выбор сечения (диаметра) провода. Сечение проводников следует выбирать, учитывая длину электропроводки, падение напряжения на проводах, тока нагрузки в соответствии с таблицей 10.3.

Таблица 10.2 - Технические характеристики источников питания

Параметры

МИП-Р

МИП-Р-1

МБП-12

Скат-1200Д

Скат-2400М

Скат-2412

Аксай

ББП12/12А

Напряжение:

 

 

 

 

 

 

 

 

- сети, В;

187242

187242

187242

187242

187242

187242

150242

100250

- резерва, В

12

12

10,8 … 14

12

24

12; 24

12

12

Выходное напряжение, В

1,4 … 12,6

11,4 … 12,6

10,8 … 13,2

11,4 … 12,6

22,8 … 25,2

11,412,6

2627

1014

10,2 … 13,8

Амплитуда пульсаций выходного напряжения, мВ

20

20

25

30

30

30

20

80

Выходной ток, А

0,05

0,16

0,12

1,0

1,0

0,5/2,0

0,5

2

Напряжение отключение аккумулятора при его разряде, В

-

-

9,410,6

1010,5

21 … 22

2122

10,510,9

10,210,6

Емкость встроенного аккумулятора, Ач

-

-

0,26

7

4,5

2 шт.

7 - 12

2 шт.

1,2

7

Мощность, потребляемая от сети, ВА

12

15

20

30

50

120

15

60

Температура окружающей среды, °С

-30 … +50

-30 … +50

-30 … +50

-10 … +40

-10 … +40

-10 … +40

-10 … +40

-20 … +50

Ток срабатывания защиты, А

0,32

0,36

0,35

5

2

1/3

1

1,5

Индикация

Uвых

Uвых

Uвых

Uвых Uсеть

Uвых Uсеть

Uвых Uсеть

Uвых Uсеть

Uвых Uсеть

Таблица 10.3 - Выбор диаметра, сечения проводов, жил кабеля

Диаметр медной жилы, мм (площадь сечения, мм2)

Сопротивление 100 м петли кабеля, Ом

Падение напряжения на 100 м кабеля при различных токах, В

100 мА

250 мА

500 мА

2,5 (5)

0,73

0,073

0,18

0,36

2 (3,5)

1,04

0,1

0,25

0,5

1,8 (2,5)

1,48

0,15

0,37

0,74

1,4 (1,5)

2,42

0,24

0,6

1,2

1,12 (1,0)

3,6

0,36

0,9

1,8

1 (0,75)

4,9

0,49

1,23

2,46

0,5 (0,2)

18,8

1,88

4,7

9,4

0,4 (0,13)

29,6

2,96

7,4

14,8

11. ЗАЗЕМЛЕНИЕ

Для надежной работы ТС ОС, особенно извещателей, установленных на периметре территории, требуется заземление. В большинстве случаев на объектах заземление отсутствует или выполнено не верно.

Заземляющее устройство должно быть спроектировано в соответствии с требованиями эксплуатационной документации на ТС ОС и требованиями ПУЭ.

Заземлению подлежат ТС ОС с напряжением питания переменного тока выше 42 В и постоянного тока выше 110 В - в помещениях с повышенной опасностью и особо опасных, а также при их наружных установках.

Заземление не требуется, если это не оговорено в технической документации на применяемую аппаратуру, при напряжении питания до 42 В переменного тока и до 110 В постоянного тока.

Сопротивление заземляющего устройства должно быть не более 4 Ом.

Заземляющие устройства состоят из заземляющих проводников и электродов заземления. В качестве проводников рекомендуется использовать:

- сталь полосовую 40 × 4 мм или 40 × 6 мм;

- сталь арматурную стержневую диаметром от 10 до 16 мм;

- проволоку стальную оцинкованную диаметром не менее 6 мм;

- изолированный проводник сечением не менее 1,5 мм2 для меди и не менее 2,5 мм2 - для алюминия.

В качестве электродов рекомендуется использовать:

- сталь угловую 50 × 50 × 5 мм или 63 × 63 × 6 мм;

- стержни из круглой стали диаметром от 10 до 16 мм;

- сталь полосовую 40 × 4 мм или 40 × 6 мм.

Допускается использовать естественные заземляющие устройства:

- проложенные в земле водопроводные и другие металлические трубопроводы, за исключением трубопроводов горючих жидкостей, горючих или взрывчатых газов и смесей;

- металлические конструкции железобетонных зданий и сооружений, находящиеся в соприкосновении с землей;

- обсадные трубы скважин;

- свинцовые оболочки кабелей, проложенные в земле.

Запрещается применять в качестве заземлителей алюминиевые оболочки кабелей.

В сухих помещениях без агрессивных сред заземляющие проводники прокладываются по стенам, в остальных помещениях - на расстоянии не менее 10 мм от стен.

ТС ОС должны подключаться к заземлению при помощи отдельного ответвления. Последовательное включение в заземляющий проводник ТС ОС не допустимо.

Экран экранированного провода должен быть заземлен в одной точке на одном из концов.

На периметре территории для уменьшения взаимного влияния заземляющих устройств рекомендуется располагать их не ближе 40 м друг от друга.

12. МОНТАЖ ЭЛЕКТРОПРОВОДОК

12.1. ШЛЕЙФ СИГНАЛИЗАЦИИ

Размещение и монтаж ТС ОС, выбор проводов и кабелей для шлейфов сигнализации и соединительных линий следует производить в соответствии с ПУЭ, РД 78.145-93, технической документацией на применяемое изделие и требованиями настоящего документа.

Прокладка электропроводок по наружным стенам объектов с внешней стороны или по периметру территории должна быть выполнена скрытым способом или в металлических трубах, коробах. Металлические трубы, короба должны быть заземлены.

Прокладка электропроводок между охраняемыми объектами и пунктом охраны должна осуществляться в канализации или траншеях. Воздушную прокладку рекомендуется не применять.

При параллельной прокладке электропроводок и цепей питания 220 В переменного тока расстояние между ними должно быть не менее 0,5 м, а их пересечение должно производиться под прямым углом не более двух раз. При пересечении цепей питания 220 В переменного тока электропроводки должны быть защищены резиновыми или полихлорвиниловыми трубками, концы которых должны выступать на 4 - 5 мм с каждой стороны перехода.

Прокладка электропроводок по стенам внутри охраняемых объектов должна производиться на расстоянии не менее 0,1 м от потолка и, как правило, на высоте не менее 2,2 м от пола. При прокладке на высоте менее 2,2 м от пола должна быть предусмотрена механическая защита (короба, трубы) электропроводок от повреждений. Не допускается установка пластмассовых труб и коробов в помещениях с температурой воздуха ниже минус 20 °С и выше +60 °С.

Провода и кабели в трубах, коробах должны лежать свободно, без натяжения, суммарное сечение проводов, кабелей, рассчитанное по их наружным диаметрам, не должно превышать 20 - 30 % от внутреннего диаметра трубы, 35 % внутреннего сечения глухих коробов и 40 % - для коробов с открываемыми крышками.

12.2. ЛОКАЛЬНАЯ ВЫЧИСЛИТЕЛЬНАЯ СЕТЬ

В случае использования в качестве линий связи стандартного интерфейса RS 485 монтаж линий связи между приборами должен осуществляться: сигнальных проводов - витой парой; возвратного провода (объединяет логические нули приборов) - проводом любой марки. Логический ноль приборов должен быть заземлен. Разность потенциалов логических нулей приборов относительно «земли» должна быть не более 1 В.

В качестве линии связи интерфейса запрещается использовать свободные пары в любом низковольтном кабеле.

Прокладку линий связи интерфейса на объекте рекомендуется производить в металлических трубах, коробах по стенам, ограждению объекта, в земле. Прокладка линий связи интерфейса воздушным путем не рекомендуется.

ПРИЛОЖЕНИЕ 1.

КОНТРОЛЬ ТОКА «ОХРАНЫ»

Контроль, установка тока «охраны» в абонентской линии СПИ выполняется в следующем порядке:

- установите перемычку на пультовые контакты ПИК и/или извещателя, которые выходят на пульт;

- для конкретной СПИ соберите соответствующую схему измерения, представленную на рисунках П1.1 - П1.3;

- сдайте объект под охрану и измерьте ток «охраны» в абонентской линии. Величина тока «охраны» должна лежать в пределах:

1) 8,5 … 9,5 мА для СПИ «Центр-М»;

2) 1,451,55 мА для СПИ «Центр-КМ»;

3) 10,2 … 11,2 мА для СПИ «Нева-10»;

4) 9 … 10 мА для СПИ «Нева-10М»;

- снимите объект с охраны и если значение тока «охраны» лежит за указанными пределами, то вместо оконечного резистора установите резистор, номинал которого выбирается из таблице П1.1. для соответствующей СПИ;

- сдайте объект под охрану и убедитесь, что величина тока лежит в заданных пределах;

- снимите объект с охраны, разберите схему измерения, отсоедините перемычки.

Аналогичным образом произвести установку тока в абонентских линиях по всем пультовым номерам данного объекта.

Рисунок П1.1. - Схема измерения тока системы «Центр-М»

Рисунок П1.2. - Схема измерения тока системы «Центр-КМ»

Рисунок П1.3. - Схема измерения тока систем «Нева-10М» и «Нева-10»

Таблица П 1.1 - Выбор номинала оконечного резистора СПИ

«Центр-М»

Iо, мА

6,50

7,0

7,5

8,0

8,5

9,0

10,0

10,5

11,0

R, кОм

0,91

1,5

2,0

2,2

2,7

3,0

3,3

3,6

3,9

«Центр-КМ»

Iо, мА

1,2

1,3

1,4

1,5

1,6

1,7

1,8

R, кОм

2,4

3,0

3,6

4,3

4,7

5,1

5,6

«Нева-10»

Iо, мА

6,5

7,0

7,5

8,0

8,5

9,0

9,5

10,0

10,5

11,0

11,5

12,0

12,5

R, кОм

1,0

1,6

2,2

2,7

3,0

3,6

3,9

4,3

4,3

4,7

4,7

5,1

5,6

«Нева-10М»

Iо, мА

6,5

7,0

7,5

8,0

8,5

9,0

9,5

10,0

10,5

11,0

11,5

12,0

12,5

R, кОм

0,27

0,91

1,50

2,00

2,40

2,70

3,00

3,6

3,9

3,9

4,3

4,7

4,7

ПРИЛОЖЕНИЕ 2.

ПЕРЕЧЕНЬ ОСНОВНЫХ РАБОТ ПО ТЕХНИЧЕСКОМУ ОБСЛУЖИВАНИЮ

Таблица П.2.1 - Шлейф сигнализации

Работы

ТО-1

ТО-2

Проверка технического состояния:

- внешний осмотр соединительных линий, разветвительных коробок, контрольных розеток и гибких переходов;

- контроль целостности изоляции, экранирования провода, отсутствия перемычек (закороток), вставок другого типа провода;

- удаление пыли, грязи, перемычек, скруток, провесов проводов;

- контроль наличия крышек на коробках и розетках, пломб или печатей на них, правильности и качества соединения проводов, наличия технологического запаса проводов;

- контроль состояния звукового и светового оповещателей;

- проверка состояния электропроводки питания, качества соединения проводов и кабелей в распределительных щитах электропитания, оповещателях, выключателях;

- проверка надежности крепления проводов и кабелей;

- контроль соответствия типа (номинала) выносного элемента.

+

+

Проверка работоспособности:

- контроль режима «короткое замыкание»;

- контроль режима «обрыв».

+

+

Проверка электрических параметров:

- контроль величины сопротивления утечки и изоляции проводов;

- контроль величины сопротивления шлейфа без выносного элемента;

- измерение величины тока в абонентской линии (по необходимости).

+

+

Проверка магнитоконтактных извещателей:

- проверка рабочего зазора, соосности или параллельности установки магнита и геркона;

- проверка состояния крепления геркона и магнита извещателей, качество паек проводов к геркону;

- проверка срабатывания извещателя при открывании и закрывании заблокированного проема. При наличии гибкого перехода его работоспособность проверяется одновременно.

 

+

Проверка извещателя типа «Фольга»:

- проверка правильности блокировки охраняемого проема;

- проверка целостности и качества наклейки фольги, перехода со стекла на обвязку проема, окраски;

- проверка качества крепления защитных планок (штапиков).

 

+

Проверка извещателя типа «Провод»:

- проверка правильности установки извещателя;

- контроль целостности провода на отдельных участках заблокированной поверхности, отсутствия закороток отдельных участков провода;

- проверка качества подсоединения провода к клеммам распределительных коробок;

- контроль качества врезки провода в штроб, его заделки;

- проверка качества обвивки прутьев решетки проводом, окраски.

 

+

Ведение эксплуатационно-технической документации.

+

+

Таблица П.2.2 - Извещатели

Работы

ТО-1

ТО-2

Внешний осмотр:

- проверка надежности крепления извещателя (блока извещателя);

- чистка корпуса извещателя (блока извещателя) от пыли, грязи, влаги, устранение механических повреждений корпуса;

- контроль наличия крышек на клеммных колодках, пломб или печатей на них;

- проверка технического состояния источника питания (резервного);

- проверка исправности органов управления;

- проверка соответствия номинала и исправности предохранителя;

- проверка надежности крепления проводов на клеммных колодках.

+

+

Проверка конфигурации зоны обнаружения извещателя и его чувствительности:

- проверка правильности установки извещателя;

- контроль площади охраняемой зоны и чувствительности извещателя (блока извещателя);

- контроль границ (дальности) зоны обнаружения;

- проверка отсутствия отдельных участков зоны обнаружения радиоволновых извещателей за пределами охраняемого помещения;

- проверка отсутствия «мертвых зон» в зоне обнаружения извещателя (блока извещателя), режима «усиление».

+

+

Проверка работоспособности извещателя при питании от основного и резервного источников питания:

- контроль режимов работы извещателя (блока извещателя) «тревога» и «дежурный режим»;

- проверка времени задержки выдачи извещателем сигнала «тревога»;

- проверка прохождения сигнала «тревога» на приемную аппаратуру.

+

+

Измерение электрических параметров:

- сопротивления изоляции;

- мощности, потребляемой при питании от сети переменного тока;

- тока, потребляемого при питании от резервного источника питания;

- сопротивления изоляции блокированного предмета по отношению к земле (для емкостных извещателей).

 

+

Проверка работоспособности, конфигурации зоны обнаружения извещателя и его чувствительности при граничных значениях величины напряжения сети переменного тока.

 

+

Ведение эксплуатационно-технической документации.

+

+

Таблица П.2.3 - Приборы приемно-контрольные и панели контрольные

Работы

ТО-1

ТО-2

Внешний осмотр:

- проверка надежности крепления прибора;

- чистка корпуса прибора от пыли, грязи, влаги, устранение механических повреждений корпуса;

- проверка технического состояния источника питания (резервного);

- проверка исправности органов управления;

- контроль исправности элементов индикации;

- проверка соответствия номинала и исправности предохранителя;

- контроль наличия крышек на клеммных колодках, пломб или печатей на них и на корпусе прибора;

- проверка надежности крепления проводов на клеммных колодках и в разъемах.

+

+

Проверка работоспособности прибора при питании от сети переменного тока и резервного источника питания:

- «Дежурного» режима, а также режима «Внимание» для панелей контрольных;

- режима «Тревоги» при коротком замыкании и обрыве шлейфа;

- режима «Самоохрана»;

- длительности времени задержки на вход и/или выход при их наличии;

- длительности работы звукового и светового оповещателей;

- запоминание и прохождение сигнала «тревога» на приемную аппаратуру;

- сохранение работоспособности прибора при переходе на резервное питание и обратно.

+

+

Измерение электрических параметров прибора:

- сопротивления изоляции;

- тока, потребляемого при питании от резервного источника питания;

- мощности, потребляемой при питании от сети переменного тока.

 

+

Проверка работоспособности при граничных значениях величины напряжения сети переменного тока.

 

+

Контроль правильности программирования режимов работы.

 

+

Ведение эксплуатационно-технической документации.

+

+

Таблица П.2.4 - Устройства уплотнения

Работы

ТО-1

ТО-2

Внешний осмотр:

- проверка надежности крепления устройства;

- чистка корпуса устройства от пыли, грязи, влаги, устранение механических повреждений корпуса;

- осмотр источника питания (резервного);

- проверка исправности органов управления;

- проверка соответствия номинала и исправности предохранителя;

- контроль наличия крышек на клеммных колодках, пломб или печатей на них;

- проверка надежности крепления проводов на клеммных колодках.

+

+

Проверка работоспособности при питании от основного и резервного источников тока:

- проверка частоты и уровня напряжения сигнала, выдаваемого в линию связи;

- проверка прохождения сигнала «тревога» на приемную аппаратуру.

+

+

Измерение электрических параметров устройства:

- мощности, потребляемой при питании от сети переменного тока;

- сопротивления изоляции;

- тока, потребляемого при питании от резервного источника.

 

+

Проверка работоспособности при граничных значениях величины напряжения сети переменного тока.

 

+

Ведение эксплуатационно-технической документации.

+

+

Таблица П.2.5 - Систем передачи извещений

Работы

ТО-1

ТО-2

Проверка внешнего состояния устройств (блоков), входящих в состав СПИ:

- проверка надежности крепления устройств СПИ;

- чистка корпусов устройств СПИ от пыли, грязи, влаги, устранение механических повреждений корпуса;

- проверка технического состояния источника питания (резервного);

- контроль исправности элементов индикации, управления, звукового сигнализатора;

- проверка соответствия номинала и исправности предохранителя;

- контроль наличия крышек на клеммных колодках, пломб или печатей на них и на корпусах устройств СПИ;

- проверка надежности крепления проводов на клеммных колодках и в разъемах.

+

+

Контрольная распечатка состояния охраняемых объектов перед началом проведения технического обслуживания.

+

+

Проверка работоспособности прибора при питании от сети переменного тока и резервного источника питания:

- проверка режимов ввода и прохождения команд телеуправления («Взять под охрану» «Смять с охраны») по каждому направлению;

- проверка каналов телесигнализации, прохождения сигналов «Тревога, «Внимание», «Короткое замыкание» «Обрыв» и т.п. по каждому направлению;

- контроль приемо-передающего тракта пульт - ретранслятор (пульт - устройство оконечное);

- контроль индикации режимов работы устройств СПИ.

+

+

- проверка режима текущего времени и его установки;

- контроль правильности программирования режимов работы устройств СПИ;

- проверка сохранения работоспособности при переходе на резервное питание и обратно.

+

+

Измерение электрических параметров:

- величины тока «охраны» при необходимости;

- сопротивления изоляции;

- тока, потребляемого при питании от резервного источника питания;

- мощности, потребляемой при питании от сети переменного тока.

 

+

Проверка работоспособности системы при граничных значениях величины напряжения сети переменного тока.

 

+

Проверка технического состояния оргтехники.

+

+

Распечатка состояния охраняемых объектов по окончанию работ по техническому обслуживанию. Сравнение распечаток.

+

+

Проверка автоматизированных рабочих мест.

 

 

Внешний осмотр:

- проверка надежности крепления;

- чистка поверхности от пыли, грязи, влаги, устранение механических повреждений;

- проверка исправности органов управления;

- проверка соответствия номинала и исправности предохранителя;

- проверка надежности крепления в разъемах.

+

+

Проверка на отсутствие компьютерных вирусов.

 

+

Контроль состояния жесткого диска.

 

+

Проверка базы данных.

 

+

Проверка работоспособности АРМ.

 

+

Контроль правильности программирования режимов работы.

 

+

Ведение эксплуатационно-технической документации.

+

+

Таблица П.2.6 - Источники постоянного тока

Работы

ТО-1

ТО-2

Внешний осмотр:

- проверка надежности крепления источника питания;

- чистка поверхности источника питания от пыли, грязи, влаги, устранение механических повреждений корпуса;

- проверка исправности органов управления;

- проверка соответствия номинала и исправности предохранителя;

- контроль наличия крышек на клеммных колодках, пломб или печатей на них и на корпусе источника;

- проверка надежности крепления проводов на клеммных колодках и в разъемах.

+

+

Проверка условий эксплуатации аккумуляторных батарей:

- температуры, влажности и загрязненности воздуха;

- контроль выполнения требований по размещению;

- отсутствия посторонних шумов и запахов;

- проверка чистоты вентиляционных решеток и очистка их при необходимости.

+

+

Проверка работоспособности источника питания:

- при питании от сети переменного тока;

- при питании от резервного источника.

+

+

Проверка работы вентиляторов охлаждения, визуальный контроль вибрации, определение дефектов.

 

+

Измерение электрических параметров источника питания:

- величины выходного напряжения;

- величины тока срабатывания автоматической защиты от перегрузки.

 

+

Проверка работоспособности при граничных значениях величины напряжения сети переменного тока.

 

+

Проверка сохранения работоспособности источника питания при переходе на резервное питание и обратно.

 

+

Проверка и при необходимости регулировка величины напряжения аккумуляторных батарей.

 

+

Ведение эксплуатационно-технической документации.

+

+

Работы, помеченные «+» обязательны при выполнении данного вида технического обслуживания.




Яндекс цитирования



   Copyright © 2007-2026,  www.tehlit.ru.

[ ѓосты, стандарты, нормативы, инструкции, правила, строительные нормы ]