//
ТехЛит.ру
- крупнейшая бесплатная электронная интернет библиотека для "технически умных" людей.
WWW.TEHLIT.RU - ТЕХНИЧЕСКАЯ ЛИТЕРАТУРА

:: Алготрейдинг::


АЛГОТРЕЙДИНГ
шаг за шагом
с нуля по урокам!

Торговые роботы на PYTHON, BackTrader,
Pandas, Pine Script для TradingView. Связка с брокерами, телеграм и легкими приложениями.


ГОСТ 9150-2002
(ИСО 68-1-98)

МЕЖГОСУДАРСТВЕННЫЙ СТАНДАРТ

Основные нормы взаимозаменяемости

РЕЗЬБА МЕТРИЧЕСКАЯ

Профиль

МЕЖГОСУДАРСТВЕННЫЙ СОВЕТ
ПО СТАНДАРТИЗАЦИИ, МЕТРОЛОГИИ И СЕРТИФИКАЦИИ

Минск

Предисловие

1 РАЗРАБОТАН Научно-исследовательским и конструкторским институтом средств измерения в машиностроении (ОАО «НИИизмерения»)

2 ВНЕСЕН Госстандартом России

3 ПРИНЯТ Межгосударственным советом по стандартизации, метрологии и сертификации (протокол № 22 от 6 ноября 2002 г.)

За принятие проголосовали:

Наименование государства

Наименование национального органа по стандартизации

Азербайджан

Азгосстандарт,

Армения

Армгосстандарт

Беларусь

Госстандарт Республики Беларусь

Грузия

Грузстандарт

Казахстан

Госстандарт Республики Казахстан

Кыргызстан

Кыргызстандарт

Молдова

Молдова-Стандарт

Российская Федерация

Госстандарт России

Таджикистан

Таджикстандарт

Туркменистан

Главгосслужба «Туркменстандартлары»

Узбекистан

Узгосстандарт

4 Настоящий стандарт представляет собой идентичный текст международного стандарта ИСО 68-1-98 «Резьбы ИСО общего назначения. Основной профиль. Часть 1. Метрическая резьба» и содержит дополнительные требования, отражающие потребности экономики страны

5 Постановлением Государственного комитета Российской Федерации по стандартизации и метрологии от 23 июня 2003 г. № 200-ст межгосударственный стандарт ГОСТ 9150-2002 (ИСО 68-1-98) введен в действие непосредственно в качестве государственного стандарта Российской Федерации с 1 января 2004 г.

6 ВЗАМЕН ГОСТ 9150-81

СОДЕРЖАНИЕ

ГОСТ 9150-2002
(ИСО 68-1-98)

МЕЖГОСУДАРСТВЕННЫЙ СТАНДАРТ

Основные нормы взаимозаменяемости

РЕЗЬБА МЕТРИЧЕСКАЯ

Профиль

Basic norms of interchangeability. Metric screw threads. Profile

Дата введения 2004-01-01

1 Область применения

Настоящий стандарт распространяется на метрические резьбы общего назначения и устанавливает для них основной профиль.

Диаметры и шаги метрической резьбы - по ГОСТ 8724.

Основные размеры метрической резьбы - по ГОСТ 24705.

Допуски резьбы - по ГОСТ 16093 и ГОСТ 9000.

Дополнительные требования, отражающие потребности экономики страны, выделены курсивом.

2 Нормативные ссылки

В настоящем стандарте использованы ссылки на следующие стандарты:

ГОСТ 8724-2002 Основные нормы взаимозаменяемости. Резьба метрическая. Диаметры и шаги

ГОСТ 9000-81 Основные нормы взаимозаменяемости. Резьба метрическая для диаметров менее 1 мм. Допуски

ГОСТ 11708-82 Основные нормы взаимозаменяемости. Резьба. Термины и определения.

ГОСТ 16093-81 Основные нормы взаимозаменяемости. Резьба метрическая. Допуски. Посадки с зазором.

ГОСТ 24705-81 Основные нормы взаимозаменяемости. Резьба метрическая. Основные размеры

3 Определения и обозначения

3.1 Термины и определения - по ГОСТ 11708.

3.2 В настоящем стандарте приняты следующие обозначения:

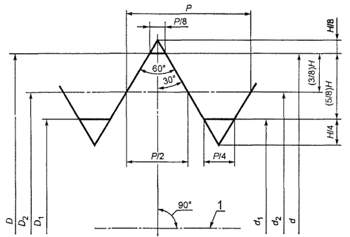
D - номинальный наружный диаметр внутренней резьбы (номинальный диаметр резьбы);

d - номинальный наружный диаметр наружной резьбы (номинальный диаметр резьбы);

D2 - номинальный средний диаметр внутренней резьбы;

d2 - номинальный средний диаметр наружной резьбы;

D1 - номинальный внутренний диаметр внутренней резьбы;

d1 - номинальный внутренний диаметр наружной резьбы;

H - высота исходного треугольника;

Р - шаг резьбы.

4 Основной профиль

4.1 Основной профиль метрической резьбы, общий для наружной и внутренней резьбы, должен соответствовать указанному на рисунке 1. Основной профиль показан утолщенной линией.

4.2 Номинальный профиль наружной и внутренней резьбы определяется основным профилем и дополнительными требованиями к форме впадины резьбы, устанавливаемыми ГОСТ 9000 (для резьб диаметром менее 1 мм) и ГОСТ 16093 (для резьб диаметром от 1 мм и более).

1 - ось резьбы

Рисунок 1

4.3 Размеры элементов основного профиля метрической резьбы должны соответствовать таблице 1.

Размеры элементов определены по следующим формулам

Н = 0,866025404 Р;                                                                (1)

;                                                             (2)

;                                                              (3)

;                                                                (4)

.                                                                (5)

Таблица 1

В миллиметрах

Шаг Р

H

0,075

0,064952

0,040595

0,024357

0,016238

0,008119

0,08

0,069282

0,043301

0,025981

0,017321

0,008660

0,09

0,077942

0,048714

0,029228

0,019486

0,009743

0,1

0,086603

0,054127

0,032476

0,021651

0,010825

0,125

0,108253

0,067658

0,040595

0,027063

0,013532

0,15

0,129904

0,081190

0,048714

0,032476

0,016238

0,175

0,151554

0,094722

0,056833

0,037889

0,018944

0,2

0,173205

0,108253

0,064952

0,043301

0,021651

0,225

0,194856

0,121785

0,073071

0,048714

0,024357

0,25

0,216506

0,135316

0,081190

0,054127

0,027063

0,3

0,259808

0,162380

0,097428

0,064952

0,032476

0,35

0,303109

0,189443

0,113666

0,075777

0,037889

0,4

0,346410

0,216506

0,129904

0,086603

0,043301

0,45

0,389711

0,243570

0,146142

0,097428

0,048714

0,5

0,433013

0,270633

0,162380

0,108253

0,054127

0,6

0,519615

0,324760

0,194856

0,129904

0,064952

0,7

0,606218

0,378886

0,227332

0,151554

0,075777

0,75

0,649519

0,405949

0,243570

0,162380

0,081190

0,8

0,692820

0,433013

0,259808

0,173205

0,086603

1

0,866025

0,541266

0,324760

0,216506

0,108253

1,25

1,082532

0,676582

0,405949

0,270633

0,135316

1,5

1,299038

0,811899

0,487139

0,324760

0,162380

1,75

1,515544

0,947215

0,568329

0,378886

0,189443

2

1,732051

1,082532

0,649519

0,433013

0,216506

2,5

2,165063

1,353165

0,811899

0,541266

0,270633

3

2,598076

1,623798

0,974279

0,649519

0,324760

3,5

3,031089

1,894431

1,136658

0,757772

0,378886

4

3,464102

2,165063

1,299038

0,866025

0,433013

4,5

3,897114

2,435696

1,461418

0,974279

0,487139

5

4,330127

2,706329

1,623798

1,082532

0,541266

5,5

4,763140

2,976962

1,786177

1,190785

0,595392

6

5,196152

3,247595

1,948557

1,299038

0,649519

8

6,928203

4,330127

2,598076

1,732051

0,866025

Ключевые слова: резьба, метрическая резьба, профиль, основной профиль




Яндекс цитирования



   Copyright © 2007-2026,  www.tehlit.ru.

[ ѓосты, стандарты, нормативы, инструкции, правила, строительные нормы ]