//
ТехЛит.ру
- крупнейшая бесплатная электронная интернет библиотека для "технически умных" людей.
WWW.TEHLIT.RU - ТЕХНИЧЕСКАЯ ЛИТЕРАТУРА

:: Алготрейдинг::


АЛГОТРЕЙДИНГ
шаг за шагом
с нуля по урокам!

Торговые роботы на PYTHON, BackTrader,
Pandas, Pine Script для TradingView. Связка с брокерами, телеграм и легкими приложениями.


ГОСТ 7746-2001

МЕЖГОСУДАРСТВЕННЫЙ СТАНДАРТ

ТРАНСФОРМАТОРЫ ТОКА

Общие технические условия

МЕЖГОСУДАРСТВЕННЫЙ СОВЕТ
ПО СТАНДАРТИЗАЦИИ, МЕТРОЛОГИИ И СЕРТИФИКАЦИИ

Минск

Предисловие

1 РАЗРАБОТАН Открытым акционерным обществом ОАО «Свердловский завод трансформаторов тока»

ВНЕСЕН Госстандартом России

2 ПРИНЯТ Межгосударственным Советом по стандартизации, метрологии и сертификации (протокол № 20 от 1 ноября 2001 г.)

За принятие проголосовали:

Наименование государства

Наименование национального органа по стандартизации

Азербайджанская Республика

Азгосстандарт

Республика Армения

Армгосстандарт

Республика Беларусь

Госстандарт Беларуси

Республика Грузия

Грузстандарт

Республика Казахстан

Госстандарт Республики Казахстан

Кыргызская Республика

Кыргызстандарт

Республика Молдова

Молдовастандарт

Российская Федерация

Госстандарт России

Республика Таджикистан

Таджикстандарт

Туркменистан

Главгосслужба «Туркменстандартлары»

Республика Узбекистан

Узгосстандарт

Украина

Госстандарт Украины

3 Настоящий стандарт соответствует требованиям международного стандарта МЭК 44-1:1996 «Измерительные трансформаторы. Часть 1. Трансформаторы тока»

4 Постановлением Государственного комитета Российской Федерации по стандартизации и метрологии от 13 марта 2002 г. № 92-ст межгосударственный стандарт ГОСТ 7746-2001 введен в действие непосредственно в качестве государственного стандарта Российской Федерации с 1 января 2003 г.

5 ВЗАМЕН ГОСТ 7746-89

Содержание

1 Область применения

2 Нормативные ссылки

3 Определения

4 Классификация

5 Основные параметры

6 Технические требования

7 Требования безопасности

8 Правила приемки

9 Методы контроля

10 Транспортирование и хранение

11 Указания по эксплуатации

12 Гарантии изготовителя

ПРИЛОЖЕНИЕ А (обязательное) Перечень справочных данных, приводимых в информационных материалах предприятия-изготовителя

ПРИЛОЖЕНИЕ Б (обязательное) Допускаемая область погрешностей для трансформаторов различных классов точности

 

МЕЖГОСУДАРСТВЕННЫЙ СТАНДАРТ

ТРАНСФОРМАТОРЫ ТОКА

Общие технические условия

Current transformers. General specifications

Дата введения 2003-01-01

1 Область применения

Настоящий стандарт распространяется на электромагнитные трансформаторы тока (далее - трансформаторы) на номинальное напряжение от 0,66 до 750 кВ включительно, предназначенные для передачи сигнала измерительной информации приборам измерения, защиты, автоматики, сигнализации и управления в электрических цепях переменного тока частотой 50 или 60 Гц.

Дополнительные требования к отдельным видам трансформаторов в связи со спецификой их конструкции или назначения (например для каскадных трансформаторов, трансформаторов, предназначенных для работы с нормированной точностью в переходных режимах, для установки в комплектных распределительных устройствах (КРУ), пофазно экранированных токопроводах) следует устанавливать в стандартах, технических условиях, договорах или контрактах (далее - стандартах) на трансформаторы конкретных типов.

Стандарт не распространяется на трансформаторы лабораторные, нулевой последовательности, суммирующие, блокирующие, насыщающиеся.

2 Нормативные ссылки

В настоящем стандарте использованы ссылки на следующие стандарты:

ГОСТ 2.601-95 Единая система конструкторской документации. Эксплуатационные документы

ГОСТ 8.217-87 Государственная система обеспечения единства измерений. Трансформаторы тока. Методика поверки

ГОСТ 12.2.007.0-75 Система стандартов безопасности труда. Изделия электротехнические. Общие требования безопасности

ГОСТ 12.2.007.3-75 Система стандартов безопасности труда. Электротехнические устройства на напряжение свыше 1000 В. Требования безопасности

ГОСТ 12.3.019-80 Система стандартов безопасности труда. Испытания и измерения электрические. Общие требования безопасности

ГОСТ 15.001-881) Система разработки и постановки продукции на производство. Продукция произодственно-технического назначения

____________

1) В Российской Федерации действует ГОСТ Р 15.201-2000.

ГОСТ 15.309-98 Система разработки и постановки продукции на производство. Испытания и приемка выпускаемой продукции. Основные положения

ГОСТ 27.003-90 Надежность в технике. Состав и общие правила задания требований по надежности

ГОСТ 403-73 Аппараты электрические на напряжение до 1000 В. Допустимые температуры нагрева частей аппаратов

ГОСТ 1516.1-76 Электрооборудование переменного тока на напряжения от 3 до 500 кВ. Требования к электрической прочности изоляции

ГОСТ 1516.2-97 Электрооборудование и электроустановки переменного тока на напряжение 3 кВ и выше. Общие методы испытаний электрической прочности изоляции

ГОСТ 1516.3-96 Электрооборудование переменного тока на напряжения от 1 до 750 кВ. Требования к электрической прочности изоляции

ГОСТ 2933-93 1) Аппараты электрические низковольтные. Методы испытаний

__________

1) В Российской Федерации действует ГОСТ 2933-83.

ГОСТ 3484.1-88 Трансформаторы силовые. Методы электромагнитных испытаний

ГОСТ 3484.5-88 Трансформаторы силовые. Испытания баков на герметичность

ГОСТ 6581-75 Материалы электроизоляционные жидкие. Методы электрических испытаний

ГОСТ 8024-90 Аппараты и электротехнические устройства переменного тока на напряжение свыше 1000 В. Норма нагрева при продолжительном режиме работы и методы испытаний

ГОСТ 9920-89 (МЭК 694-80, МЭК 815-86) Электроустановки переменного тока на напряжение от 3 до 750 кВ. Длина пути утечки внешней изоляции

ГОСТ 10434-82 Соединения контактные электрические. Классификация. Общие технические требования

ГОСТ 13109-97 Электрическая энергия. Совместимость технических средств электромагнитная. Нормы качества электрической энергии в системах электроснабжения общего назначения

ГОСТ 14192-96 Маркировка грузов

ГОСТ 15150-69 Машины, приборы и другие технические изделия. Исполнения для различных климатических районов. Категории, условия эксплуатации, хранения и транспортирования в части воздействия климатических факторов внешней среды

ГОСТ 15543.1-89 Изделия электротехнические. Общие требования в части стойкости к климатическим внешним воздействующим факторам

ГОСТ 15963-79 Изделия электротехнические для районов с тропическим климатом. Общие технические требования и методы испытаний

ГОСТ 16504-81 Система государственных испытаний продукции. Испытания и контроль качества продукции. Основные термины и определения

ГОСТ 16962.1-89 (МЭК 68-2-1-74) Изделия электротехнические. Методы испытаний на устойчивость к климатическим внешним воздействующим факторам

ГОСТ 16962.2-90 Изделия электротехнические. Методы испытаний на стойкость к механическим внешним воздействующим факторам

ГОСТ 17516.1-90 Изделия электротехнические. Общие требования в части стойкости к механическим внешним воздействующим факторам

ГОСТ 18425-73 Тара транспортная наполненная. Метод испытания на удар при свободном падении

ГОСТ 18685-73 Трансформаторы тока и напряжения. Термины и определения

ГОСТ 19880-74 Электротехника. Основные понятия. Термины и определения

ГОСТ 20074-83 Электрооборудование и электроустановки. Метод измерения характеристик частичных разрядов

ГОСТ 20690-75 Электрооборудование переменного тока на напряжение 750 кВ. Требования к электрической прочности изоляции

ГОСТ 21130-75 Изделия электротехнические. Зажимы заземляющие и знаки заземления. Конструкция и размеры

ГОСТ 21242-75 Выводы контактные электротехнических устройств плоские и штыревые. Основные размеры

ГОСТ 23216-78 Изделия электротехнические. Хранение, транспортирование, временная противокоррозионная защита, упаковка. Общие требования и методы испытаний

РМГ 29-99 Государственная система обеспечения единства измерений. Метрология. Основные термины и определения

3 Определения

Термины, применяемые в настоящем стандарте, и соответствующие им определения - по РМГ 29, ГОСТ 16504, ГОСТ 18685, ГОСТ 19880, а также следующие:

3.1 номинальный коэффициент безопасности приборов: Отношение номинального тока безопасности приборов к номинальному первичному току трансформатора.

3.2 номинальный ток безопасности приборов: Минимальное значение первичного тока трансформатора, при котором полная погрешность составляет не менее 10 % при номинальной вторичной нагрузке.

3.3 испытание для утверждения типа: Вид государственного метрологического контроля вновь разработанного трансформатора, проводимого в целях обеспечения единства измерений, утверждения типа трансформатора и занесения его в Государственный реестр средств измерений.

3.4 испытание на соответствие утвержденному типу: Вид государственного метрологического контроля, проводимого периодически в целях определения соответствия выпускаемых из производства трансформаторов утвержденному типу.

3.5 допускаемая область погрешностей: Область, за пределы которой не должны выходить погрешности трансформатора.

4 Классификация

4.1 Трансформаторы подразделяют по следующим основным признакам:

4.1.1 По роду установки (категории размещения и климатическому исполнению) по ГОСТ 15150.

При размещении трансформаторов внутри оболочек комплектных изделий категории размещения должны соответствовать указанным в таблице 1.

Таблица 1 - Категории размещения трансформаторов, установленных внутри оболочек комплектных изделий

Характеристика среды внутри оболочки

Категория размещения комплектного изделия по ГОСТ 15150

1

2

3

4

5

1 Газовая среда, изолированная от наружного воздуха, или жидкая среда

-

-

4

-

-

2 Газовая среда, не изолированная от наружного воздуха

2

2 или 2.1

3

4

5 или 5.1

4.1.2 По принципу конструкции: опорные, проходные, шинные, встроенные, разъемные. Допускается сочетание в конструкции трансформатора нескольких перечисленных признаков, а также специальное конструктивное исполнение.

4.1.3 По виду изоляции: с литой изоляцией, с фарфоровой покрышкой, в пластмассовом корпусе, с твердой изоляцией (кроме фарфоровой и литой) или с полимерной покрышкой, маслонаполненные, газонаполненные.

4.1.4 По числу ступеней трансформации: одноступенчатые, каскадные.

4.1.5 По числу вторичных обмоток: с одной вторичной обмоткой, с несколькими вторичными обмотками.

4.1.6 По назначению вторичных обмоток: для измерения и учета, для защиты1), для измерения и защиты, для работы с нормированной точностью в переходных режимах.

_________

1) Здесь и далее под словом «защита» подразумевается защита, автоматика, управление и сигнализация.

4.1.7 По числу коэффициентов трансформации: с одним коэффициентом трансформации, с несколькими коэффициентами трансформации, получаемыми путем изменения числа витков первичной или (и) вторичной обмотки, а также путем применения нескольких вторичных обмоток с различными числами витков, соответствующих различным значениям номинального вторичного тока.

4.1.8 Признаки по 4.1.2, 4.1.3, 4.1.4, 4.1.6 и их обозначения приведены в таблицах 2 - 4.

Таблица 2

Конструктивное исполнение трансформатора

Условное обозначение

Опорный

О

Проходной

П

Шинный

ш

Встроенный

в

Разъемный

Р

Одноступенчатый

-

Каскадный

к

Таблица 3

Вид изоляции

Условное обозначение

С фарфоровой покрышкой

Ф

С твердой и воздушной изоляцией, с полимерной покрышкой

-

Маслонаполненные

М

Газонаполненные

Г

Литая

л

В пластмассовом корпусе

п

Таблица 4

Назначение вторичной обмотки трансформатора

Условное обозначение

Для измерений и учета

Указывают класс точности

Для защиты

То же

Для измерений и защиты

»

5 Основные параметры

5.1 Номинальные параметры трансформатора:

а) номинальное напряжение трансформатора Uном (кроме встроенных трансформаторов);

б) номинальный первичный ток трансформатора I1ном;

в) номинальный вторичный ток трансформатора I2ном;

г) номинальный коэффициент трансформаторации трансформатора nном, определяемый по формуле

                                                                                                                 (1)

д) номинальная вторичная нагрузка S2ном с коэффициентом мощности (допускается обозначение вторичной нагрузки Z2ном);

е) класс точности трансформатора (для трансформатора с одной вторичной обмоткой) или вторичных обмоток (для трансформатора с несколькими вторичными обмотками);

ж) номинальная предельная кратность вторичной обмотки, предназначенной для защиты, Kном;

и) номинальный коэффициент безопасности приборов вторичной обмотки, предназначенной для измерения, KБном;

к) номинальная частота напряжения сети fном, равная 50 или 60 Гц. Качество напряжения сети - по ГОСТ 13109.

5.2 Значения основных параметров следует выбирать из приведенных в таблице 5.

Таблица 5

Наименование параметра

Значение

1 Номинальное напряжение трансформатора Uном, кВ

0,66; 3; 6; 10; 15; 20; 24; 27; 35; 110; 150; 220; 330; 500; 750

2 Наибольшее рабочее напряжение, кВ

Для номинального напряжения 0,66 кВ - 0,72; для 3 кВ и выше - по ГОСТ 1516.3

3 Номинальный первичный ток трансформатора I1ном, A

1; 5; 10; 15; 20; 30; 40; 50; 75; 80; 100; 150; 200; 300; 400; 500; 600; 750; 800; 1000; 1200; 1500; 2000; 3000; 4000; 5000; 6000; 8000; 10000; 12000; 14000; 16000; 18000; 20000; 25000; 28000; 30000; 32000; 35000; 40000

4 Номинальный вторичный ток I2ном, А

1; 2; 5

5 Наибольший рабочий первичный ток Ip, А

См. таблицу 10

6 Номинальная вторичная нагрузка S2ном с коэффициентом мощности cos φ2 = 1, В·А

1; 2; 2,5

7 Номинальная вторичная нагрузка S2ном с индуктивно-активным коэффициентом мощности cos φ2 = 0,8 В·А1)

3; 5; 10; 15; 20; 25; 30; 50; 60; 75; 100

8 Класс точности трансформатора или вторичной обмотки:

 

для измерений и учета

0,1; 0,2; 0,2S2); 0,5; 0,5S2); 1; 3; 5; 103)

для защиты

5Р; 10Р

9 Номинальная предельная кратность вторичных обмоток для защиты Kном

От 5 до 304)

10 Номинальный коэффициент безопасности приборов KБном, вторичных обмоток для измерений

Устанавливают в стандартах на трансформаторы конкретных типов. Не устанавливают для вторичных обмоток для измерений и защиты

1) Соответствующие значения номинальной вторичной нагрузки Z2ном, Ом, определяют по формуле

.                                                                                               (2)

2) Классы точности 0,2S и 0,5S допускаются по согласованию между изготовителем и потребителем трансформаторов, предназначенных для коммерческого учета электроэнергии.

3) Только для встроенных трансформаторов с номинальным первичным током до 100 А.

4) По требованию потребителя в стандартах на трансформаторы конкретных типов допускается устанавливать другие значения.

5.3 Условное обозначение трансформатора

Примечания

1 Буквенная часть условного обозначения представляет серию; совокупность буквенного обозначения, значения номинального напряжения, категории внешней изоляции по длине пути утечки и конструктивного варианта исполнения - тип; приведенное выше обозначение в целом - типоисполнение трансформатора.

2 Для встроенных трансформаторов допускается применение упрощенного условного обозначения.

3 В стандартах на трансформаторы конкретных типов допускается в буквенную часть вводить дополнительные буквы, исключать или заменять отдельные буквы (кроме Т) для обозначения особенностей конкретного трансформатора.

Пример условного обозначения опорного трансформатора тока с литой изоляцией на номинальное напряжение 35 кВ, категории II по длине пути утечки внешней изоляции, с вторичными обмотками классов точности 0,5 (одна) и 10Р (три), на номинальный первичный ток 2000 А, номинальный вторичный ток 1 А, климатического исполнения У, категории размещения 1:

ТОЛ - 35 - II - 0,5/10Р/10Р/10Р - 2000/1У1

6 Технические требования

6.1 Трансформаторы следует изготавливать в соответствии с требованиями настоящего стандарта и стандартов на трансформаторы конкретных типов по рабочим чертежам, утвержденным в установленном порядке.

Перечень дополнительных справочных данных для трансформаторов, которые по требованию заказчика следует приводить в информационных материалах, указан в приложении А.

6.2 Общие требования

6.2.1 Трансформаторы следует изготавливать в климатических исполнениях по ГОСТ 15150 и ГОСТ 15543.1. Категории размещения - по ГОСТ 15150.

Для трансформаторов категории размещения 4 по ГОСТ 15150 климатическое исполнение и категория - УХЛ4 или 04.

Требования в части стойкости к климатическим внешним воздействующим факторам - по ГОСТ 15543.1.

6.2.2 Трансформаторы должны быть предназначены для работы на высоте до 1000 м над уровнем моря, за исключением трансформаторов на номинальное напряжение 750 кВ, которые должны быть предназначены для работы на высоте до 500 м. Допускается по согласованию между потребителем и изготовителем выпускать трансформаторы для работы на высоте свыше 1000 м.

6.2.3 Устойчивость трансформаторов к воздействию механических факторов внешней среды - по ГОСТ 17516.1. Группу механического исполнения по ГОСТ 17516.1 устанавливают в стандартах на трансформаторы конкретных типов.

Трансформаторы категории размещения 1 должны быть рассчитаны на суммарную механическую нагрузку от ветра скоростью 40 м/с, гололеда с толщиной стенки льда 20 мм и от тяжения проводов не менее:

500 Н (50 кгс) - для трансформаторов на номинальное напряжение до 35 кВ включительно;

1000 Н (100 кгс) - для трансформаторов на номинальное напряжение 110 - 220 кВ;

1500 Н (150 кгс) -для трансформаторов на номинальное напряжение 330 кВ и выше.

При этом значения испытательных статических нагрузок должны составлять1):

1250 Н (125 кгс) - для трансформаторов на номинальное напряжение до 35 кВ включительно;

2000 Н (200 кгс) - для трансформаторов на номинальное напряжение 110 - 220 кВ;

2500 Н (250 кгс) - для трансформаторов на номинальное напряжение 330 кВ и выше.

Значения испытательных статических нагрузок учитывают возникающие экстремальные динамические нагрузки на контактных выводах трансформатора, например при токах короткого замыкания, не превышающие более чем в 1,4 раза испытательные статические нагрузки.

___________

1) Значения испытательных статических нагрузок указаны для трансформаторов, техническое задание на которые утверждено после 01.01.2001.

6.2.4 Рабочее положение трансформаторов в пространстве должно быть указано в стандартах на трансформаторы конкретных типов.

6.3 Требования к изоляции

6.3.1 Изоляция первичной обмотки (первичной цепи) трансформаторов на номинальные напряжения от 3 до 500 кВ включительно должна соответствовать требованиям ГОСТ 1516.1 и ГОСТ 1516.3, а на номинальное напряжение 750 кВ - требованиям ГОСТ 1516.3 и ГОСТ 20690.

К изоляции первичной обмотки (первичной цепи) маслонаполненных трансформаторов на номинальное напряжение 330 кВ и выше по согласованию между потребителем и изготовителем допускается предъявление требований по воздействию срезанного грозового и многократных срезанных импульсов.

Изоляция первичной обмотки (первичной цепи) трансформаторов на номинальное напряжение 0,66 кВ должна выдерживать воздействие испытательного напряжения 3 кВ частотой 50 Гц в течение 1 мин.

Дополнительные требования к изоляции трансформаторов категорий размещения 2 и 5, имеющих собственную первичную обмотку, определяемые конденсацией влаги (выпадением росы), и длина пути утечки внешней изоляции должны быть указаны в стандартах на трансформаторы конкретных типов.

6.3.2 Для трансформаторов категории размещения 1 по ГОСТ 15150 длина пути утечки внешней изоляции по ГОСТ 9920 должна быть установлена в стандартах на трансформаторы конкретных типов.

6.3.3 Междусекционная изоляция секций первичных и вторичных обмоток, предназначенных для изменения коэффициента трансформации трансформаторов, должна выдерживать в течение 1 мин воздействие испытательного напряжения 3 кВ частотой 50 Гц.

6.3.4 Изоляция вторичных обмоток трансформаторов относительно заземленных частей, а для трансформаторов с несколькими вторичными обмотками также относительно друг друга, должна выдерживать в течение 1 мин воздействие испытательного напряжения 3 кВ частотой 50 Гц.

6.3.5 Газовая изоляция первичной обмотки трансформаторов, работающих при избыточном давлении газа, должна в течение 15 мин выдерживать воздействие напряжения, равного , при избыточном давлении газа, равном нулю, где Uнp - наибольшее рабочее напряжение.

6.3.6 Уровень частичных разрядов изоляции первичной обмотки трансформаторов на номинальное напряжение 3 кВ и выше уровня изоляции «а» по ГОСТ 1516.3 должен соответствовать приведенным в таблице 6.

Таблица 6

Вид изоляции

Напряжение измерения

Допускаемый уровень, пКл

Бумажно-масляная

10

Газовая 1)

10

Твердая

20

1) Не распространяется на трансформаторы с воздушной изоляцией, свободно сообщающейся с наружным воздухом.

Тангенс угла диэлектрических потерь конденсаторной бумажно-масляной изоляции первичной обмотки трансформаторов при температуре (25 ± 10) °С и напряжении  не должен превышать 0,0035, а его прирост в диапазоне напряжений от  до  не должен превышать 0,0003.

6.3.7 Междувитковая изоляция обмоток трансформатора должна выдерживать без пробоя или повреждения в течение 1 мин индуктируемое в них напряжение при протекании по первичной обмотке тока, значение которого должно быть номинальным, если амплитуда напряжения между выводами разомкнутой вторичной обмотки не превышает 4,5 кВ или меньше номинального; при этом амплитуда напряжения между выводами разомкнутой вторичной обмотки должна быть 4,5 кВ.

6.3.8 При нормальных климатических условиях по ГОСТ 15150 значение сопротивления изоляции обмоток трансформаторов должно быть не менее:

40 МОм - для первичных обмоток трансформаторов на номинальное напряжение 0,66 кВ;

1000 МОм -для первичных обмоток трансформаторов на номинальные напряжения 3 - 35 кВ;

3000 МОм - для первичных обмоток трансформаторов на номинальные напряжения 110 - 220 кВ;

5000 МОм - для первичных обмоток трансформаторов на номинальные напряжения 330 кВ и выше;

20 МОм - для вторичных обмоток трансформаторов на номинальное напряжение 0,66 кВ;

50 МОм - для вторичных обмоток трансформаторов на номинальные напряжения 3 кВ и выше.

6.3.9 Диэлектрические показатели качества масла маслонаполненных трансформаторов должны соответствовать указанным в таблице 7.

Таблица 7

Показатель качества масла

Номинальное напряжение трансформатора, кВ

Предельное допускаемое значение показателя качества масла

для заливки в трансформатор

после заливки в трансформатор

Пробивное напряжение по ГОСТ 6581, кВ, не менее

 

 

 

 

До 15 включ.

30

25

 

До 35 включ.

35

30

 

110 - 150

60

55

 

220 - 500

65

60

 

750

70

65

Тангенс угла диэлектрических потерь при 90 °С по ГОСТ 6581, %, не более

До 220 включ.

1,7

2,0

 

Св. 220

0,5

0,7

6.4 Метрологические характеристики

6.4.1 Метрологические характеристики следует устанавливать для следующих рабочих условий применения трансформаторов:

а) частота переменного тока (50 ± 0,5) Гц или (60 ± 0,5) Гц;

б) первичный ток - в соответствии с 6.4.2 и 6.4.3;

в) значение вторичной нагрузки - в соответствии с 6.4.2 и 6.4.3;

г) температура окружающего воздуха - в соответствии с климатическим исполнением и категорией размещения, если иное не указано в стандартах на трансформаторы конкретных типов;

д) высота установки трансформаторов над уровнем моря - по 6.2.2.

6.4.2 Пределы допускаемых погрешностей вторичных обмоток для измерений и учета в рабочих условиях применения по 6.4.1 при установившемся режиме должны соответствовать значениям, указанным в таблице 8.

Погрешности не должны выходить за пределы допускаемых областей.

Допускаемые области погрешностей для различных классов точности приведены в приложении Б.

Для трансформаторов с номинальными вторичными нагрузками 1; 2; 2,5; 3; 5 и 10 В·А нижний предел вторичных нагрузок - 0,8; 1,25; 1,5; 1,75; 3,75 и 3,75 В·А соответственно.

Таблица 8

Класс точности

Первичный ток, % номинального значения

Предел допускаемой погрешности

Предел вторичной нагрузки, % номинального значения

токовой, %

угловой

0,1

5

± 0,4

± 15'

± 0,45 срад

25-100

20

± 0,2

± 8'

± 0,24 срад

100-120

± 0,1

± 5'

± 0,15 срад

0,2

5

± 0,75

± 30'

± 0,9 срад

20

± 0,35

± 15'

± 0,45 срад

100-120

± 0,2

± 10'

± 0,3 срад

0,2S

1

± 0,75

±30'

± 0,9 срад

5

± 0,35

± 15'

± 0,45 срад

20

± 0,2

± 10'

± 0,3 срад

100

± 0,2

± 10'

± 0,3 срад

120

± 0,2

± 10'

± 0,3 срад

0,5

5

± 1,5

± 90'

± 2,7 срад

20

± 0,75

± 45'

± 1,35 срад

100-120

± 0,5

± 30'

± 0,9 срад

0,5S

1

± 1,5

± 90'

± 2,7 срад

5

± 0,75

± 45'

± 1,35 срад

20

± 0,5

± 30'

± 0,9 срад

100

± 0,5

± 30'

± 0,9 срад

120

± 0,5

± 30'

± 0,9 срад

1

5

± 3,0

± 180'

± 5,4 срад

20

± 1,5

± 90'

± 2,7 срад

100-120

± 1,0

± 60'

± 1,8 срад

3

50-120

± 3,0

Не нормируют

50-100

5

±5,0

10

± 10

6.4.3 Пределы допускаемых погрешностей вторичных обмоток для защиты в рабочих условиях применения по 6.4.1 при установившемся режиме и номинальной вторичной нагрузке должны соответствовать указанным в таблице 9.

Таблица 9

Класс точности

Предел допускаемой погрешности

при номинальном первичном токе

при токе номинальной предельной кратности

токовой, %

угловой

полной, %

± 1

± 60'

± 1,8 срад

5

10Р

± 3

Не нормируют

10

6.4.4 По согласованию между потребителем и изготовителем в эксплуатационной документации на трансформаторы должны быть указаны зависимости погрешностей от влияющих факторов: первичного тока, вторичной нагрузки, частоты и температуры, а также динамические характеристики. Зависимости погрешностей от каждого влияющего фактора определяют при номинальном значении всех остальных влияющих факторов и с указанием точности определения.

6.5 Значение тока намагничивания

6.5.1 Ток намагничивания вторичных обмоток для измерения, полученный при испытаниях по 9.8 и выраженный в процентах значения, равного произведению номинального вторичного тока на номинальный коэффициент безопасности приборов, должен быть не менее 10 %.

6.5.2 Ток намагничивания вторичных обмоток для защиты, полученный при испытаниях по 9.8 и выраженный в процентах значения, равного произведению номинального вторичного тока на номинальную предельную кратность, не должен превышать значений полной погрешности, указанных в таблице 9.

6.5.3 Допускаемое значение тока намагничивания и соответствующее ему расчетное значение напряжения должны быть установлены предприятием-изготовителем с учетом требований 6.5.1, 6.5.2 и указаны в эксплуатационной документации на конкретные трансформаторы.

6.5.4 Измеренные значения тока намагничивания вторичных обмоток должны быть записаны в паспорт на конкретный трансформатор.

6.6 Требования к нагреву

6.6.1 При продолжительном режиме протекания наибольших рабочих первичных токов (номинальных токов длительного режима) трансформаторы (за исключением встроенных, работающих в трансформаторном масле) на номинальные напряжения свыше 0,66 кВ должны соответствовать требованиям ГОСТ 8024, а трансформаторы на номинальное напряжение 0,66 кВ - требованиям ГОСТ 403.

Для трансформаторов, эксплуатируемых при температурах окружающего воздуха, отличающихся от указанных ГОСТ 15150 и ГОСТ 15543.1, верхнее рабочее значение и (или) эффективное значение температуры окружающего воздуха должны быть установлены в стандартах на трансформаторы конкретных типов.

Для встроенных трансформаторов, устанавливаемых в масляные выключатели, силовые масляные трансформаторы, автотрансформаторы или реакторы, и погружаемых в масло, предельно допустимые превышения температуры над температурой масла (90 °С для масляных выключателей и 95 °С для силовых масляных трансформаторов, автотрансформаторов или реакторов) при продолжительном режиме не должны превышать:

10 °С - для обмоток;

15 °С - для магнитопроводов.

Для встроенных трансформаторов на номинальные первичные токи свыше 10000 А при температуре масла, окружающего трансформатор, ниже 90 °С для масляных выключателей и ниже 95 °С для силовых масляных трансформаторов, автотрансформаторов или реакторов допустимые превышения температуры могут быть соответственно увеличены, но не более чем на 10 °С.

6.6.2 Наибольшие рабочие первичные токи трансформаторов на номинальные токи до 10000 А должны соответствовать указанным в таблице 10.

Для трансформаторов, у которых эффективное значение температуры окружающей среды по ГОСТ 15543.1 превышает 40 °С, значения наибольших рабочих первичных токов могут быть меньше указанных в таблице 10 и их следует устанавливать в стандартах на трансформаторы конкретных типов.

Для трансформаторов на номинальные первичные токи свыше 10000 А, предназначенных для генераторов или синхронных компенсаторов, наибольший рабочий первичный ток может быть больше или меньше номинального тока, но не менее наибольшего длительного тока генератора или синхронного компенсатора.

По согласованию между потребителем и изготовителем допускается кратковременное, не более 2 ч в неделю, повышение первичного тока на 20 % по отношению к наибольшему рабочему первичному току.

Таблица 10

Наименование параметра

Значение, А

Номинальный первичный ток I1ном

1

5

100

15

20

30

40

50

75

80

100

150

200

Наибольший рабочий первичный ток I1нр

1

5

10

16

20

32

40

50

80

80

100

160

200

Продолжение таблицы 10

Наименование параметра

Значение, А

Номинальный первичный ток I1ном

300

400

500

600

750

800

1000

1200

1500

Наибольший рабочий первичный ток I1нр

320

400

500

630

800

800

1000

1250

1600

Окончание таблицы 10

Наименование параметра

Значение, А

Номинальный первичный ток I1ном

2000

3000

4000

5000

6000

8000

10000

Наибольший рабочий первичный ток I1нр

2000

3200

4000

5000

6300

8000

10000

6.7 Требования к стойкости при токах короткого замыкания

6.7.1 Трансформаторы на напряжение свыше 0,66 кВ должны быть устойчивы к электродинамическому1) и термическому воздействиям токов короткого замыкания, параметры которых не превышают установленных значений:

а) тока электродинамической стойкости iд или его кратности Kд по отношению к амплитуде номинального первичного тока;

б) тока термической стойкости Iт или его кратности Kт по отношению к номинальному первичному току;

в) времени протекания тока tк, равного:

1 или 3 с - для трансформаторов на номинальные напряжения до 220 кВ включительно;

1 или 2 с - для трансформаторов на номинальные напряжения 330 кВ и выше.

____________

1) К шинным, встроенным и разъемным трансформаторам требования по электродинамической стойкости не предъявляют.

6.7.2 Между значениями iд и Iт должно быть соблюдено соотношение

6.7.3 В стандартах на трансформаторы конкретных типов должны быть установлены: значение тока термической стойкости или его кратность, время протекания тока, а также значение тока электродинамической стойкости или его кратность.

6.8 Значение сопротивления вторичных обмоток постоянному току должно быть установлено изготовителем и указано в эксплуатационной документации.

6.9 Обозначение выводов обмоток

Выводы первичных и вторичных обмоток и вторичные обмотки трансформаторов следует обозначать в соответствии с таблицей 11.

Линейные выводы первичной обмотки, а также соответствующие им стороны шинных, встроенных и разъемных трансформаторов, не имеющих собственной первичной обмотки обозначают Л1 иЛ2.

Обозначения наносят таким образом, чтобы в один и тот же момент времени выводы Л1, Н1 ..., Нn и И1, ..., Иn имели одинаковую полярность, т.е. чтобы при направлении тока в первичной обмотке от Л1, Н1, ..., Нn к К1, К2 ..., Л2 вторичный ток проходил по внешней цепи (приборам) от И1 к И2, ..., Иn.

Обозначения выполняют прописными буквами русского алфавита в сочетании с цифрами. Цифры располагают в одну строку с буквами (например Л1) или в индексе (например Л1).

Таблица 11

Обмотка трансформатора

Обозначения выводов и обмоток

Первичная

С одной секцией

С несколькими секциями

Вторичная

Трансформатор с одной вторичной обмоткой:

без ответвлений

с ответвлениями

Вторичная

Трансформатор с несколькими вторичными обмотками:

без ответвлений

с ответвлениями

6.10 Требования к конструкции

6.10.1 Металлические части трансформатора, подверженные коррозии под воздействием климатических факторов внешней среды, должны иметь защитное покрытие.

6.10.2 Контактные выводы первичной обмотки трансформаторов должны соответствовать требованиям ГОСТ 10434, а трансформаторов категории размещения 1 также требованиям ГОСТ 21242.

6.10.3 Контактные выводы вторичных обмоток трансформаторов должны соответствовать требованиям ГОСТ 10434.

Контактные выводы вторичных обмоток встроенных трансформаторов могут быть расположены в конструкции изделия, в которое встроен трансформатор.

6.10.4 Трансформаторы должны иметь контактную площадку для присоединения заземляющего проводника и заземляющий зажим в соответствии с требованиями ГОСТ 21130 и ГОСТ 12.2.007.3. Возле заземляющего зажима должен быть знак заземления по ГОСТ 21130.

Заземляющие зажимы трансформаторов исполнений Т и О должны также соответствовать требованиям ГОСТ 15963.

Требования настоящего пункта не распространяются на встроенные трансформаторы, трансформаторы с корпусом из литой смолы или пластмассы, не имеющие подлежащих заземлению металлических частей, а также на трансформаторы, не подлежащие заземлению согласно ГОСТ 12.2.007.0.

6.10.5 Конструкция маслонаполненных трансформаторов должна обеспечивать их герметичность. Стандарты на маслонаполненные трансформаторы должны содержать требования по проверке герметичности конструкции, а на трансформаторы с конденсаторной бумажно-масляной изоляцией также требования к газо- и влагосодержанию заливаемого в трансформаторы масла.

6.10.6 Конструкция трансформаторов на номинальные напряжения 110 кВ и выше должна обеспечивать защиту масла от увлажнения, исключающую его непосредственное соприкосновение с атмосферой.

6.10.7 Маслонаполненный трансформатор должен иметь расширитель, емкость которого должна обеспечивать постоянное наличие в нем масла при всех режимах работы трансформатора в диапазоне рабочих температур. Функцию расширителя могут выполнять верхняя часть фарфоровой покрышки, сильфон или другие устройства.

Маслонаполненные трансформаторы должны быть оснащены указателем уровня масла или аналогичным устройством, позволяющим контролировать уровень масла в трансформаторе с безопасного для обслуживающего персонала расстояния.

При массе масла до 20 кг указатель уровня масла допускается не устанавливать.

Маслонаполненные трансформаторы с массой масла более 10 кг должны быть оснащены арматурой для заливки, отбора пробы и слива масла, в том числе для хроматографического анализа растворенных в масле газов. При этом должно быть предусмотрено плавное регулирование вытекающей струи масла.

6.10.8 Трансформаторы массой более 20 кг должны иметь устройство по ГОСТ 12.2.007.0 для подъема, опускания и удержания их на весу. При невозможности конструктивного выполнения таких устройств в руководстве по эксплуатации должны быть указаны места захвата трансформатора при такелажных работах.

6.10.9 В конструкции трансформаторов, имеющих вторичные обмотки для измерения, должно быть предусмотрено одно или несколько мест для установки пломб или нанесения оттиска клейма о поверке трансформатора по ГОСТ 8.217.

6.10.10 В трансформаторах на напряжение 330 кВ и выше с конденсаторной бумажно-масляной изоляцией должен быть предусмотрен вывод для подключения устройства контроля изоляционных характеристик под рабочим напряжением.

6.10.11 Конструкция газонаполненных трансформаторов должна обеспечивать утечки массы газа не более 1 % за год.

6.10.12 Конструкция газонаполненных трансформаторов должна иметь защиту от чрезмерного увеличения давления газа при аварии, связанной с пробоем внутренней изоляции и горением дуги.

6.10.13 Применяемые в конструкции трансформаторов материалы должны обеспечивать выполнение требований по взрыво- и пожаробезопасности.

6.11 Требования к надежности

6.11.1 В стандартах на трансформаторы конкретных типов следует устанавливать среднюю наработку до отказа в соответствии с ГОСТ 27.003.

6.11.2 Средний срок службы трансформаторов - 25 лет.

6.11.3 В стандартах на трансформаторы конкретных типов должны быть установлены требования к ремонтопригодности.

6.12 Комплектность

6.12.1 Комплектность трансформатора должна быть установлена в стандартах на трансформаторы конкретных типов.

6.12.2 К трансформаторам прилагают эксплуатационную документацию по ГОСТ 2.601: паспорт, руководство по эксплуатации, ведомости ЗИП (при наличии).

Для трансформаторов на номинальное напряжение до 10 кВ по согласованию между изготовителем и потребителем, если это установлено в стандартах на трансформаторы конкретных типов, паспорт может быть заменен этикеткой.

Для трансформаторов на напряжение 0,66 кВ номенклатура эксплуатационной документации может быть сокращена и должна быть установлена в стандартах на трансформаторы конкретных типов.

Число экземпляров эксплуатационных документов, прилагаемых к трансформаторам, должно быть установлено в стандартах на трансформаторы конкретных типов.

6.13 Маркировка

6.13.1 Каждый трансформатор должен иметь табличку (таблички), на которой должны быть указаны:

а) товарный знак или наименование предприятия-изготовителя;

б) наименование «трансформатор тока»;

в) тип трансформатора и климатическое исполнение;

г) порядковый номер по системе нумерации предприятия-изготовителя;

д) номинальное напряжение, кВ (кроме встроенных трансформаторов);

е) номинальная частота, Гц (при частоте 50 Гц допускается не указывать);

ж) номер вторичной обмотки (только для трансформаторов с двумя или более вторичными обмотками);

и) номинальный коэффициент трансформации (в виде отношения номинальных токов: первичного и вторичного), А;

к) класс точности для вторичных обмоток согласно 6.41);

л) номинальный коэффициент безопасности приборов KБном (для вторичных обмоток, предназначенных для измерения)2);

м) значение номинальной предельной кратности Kном (для вторичных обмоток, предназначенных для защиты)2);

н) номинальная вторичная нагрузка, В·А;

о) масса трансформатора, кг3);

п) обозначение стандарта на трансформаторы конкретных типов или обозначение настоящего стандарта;

р) год выпуска (на трансформаторах, предназначенных для экспорта, не указывают).

_____________

1) Для вторичных обмоток, предназначенных для измерений и защиты, следует указывать оба номинальных класса точности.

2) Для трансформаторов на номинальное напряжение 0,66 кВ допускается Kном и KБном не указывать, если они приведены в руководстве по эксплуатации.

3) Только для трансформаторов массой от 10 кг и выше, транспортируемых в неразобранном виде.

Примечания

1 Допускается наносить перечисленные данные на одну или несколько табличек, а также частично или полностью на элементы конструкции трансформатора.

2 При недостатке места на табличке допускается данные по перечислениям д), е), и) - о) наносить без указания наименования параметра (например 6 кВ, 50 Гц), при этом данные по перечислениям к) - н) наносят в сочетании и последовательности согласно следующим примерам: 30 В·А 5Р 10 (номинальная вторичная нагрузка 30 В·А, номинальный класс точности 5Р, номинальная предельная кратность 10); 20 В·А 0,5 10 (номинальная вторичная нагрузка 20 В·А, номинальный класс точности 0,5, номинальный коэффициент безопасности приборов 10).

3 Допускается, кроме данных, указанных в настоящем пункте, наносить на табличку дополнительную информацию в соответствии со стандартом на трансформаторы конкретных типов.

Для трансформаторов с несколькими вторичными обмотками или с ответвлениями на вторичных обмотках данные по перечислениям и) - н) указывают для каждой вторичной обмотки и каждого ответвления.

Для встроенных трансформаторов, предназначенных для использования внутри другого изделия, табличку (таблички) с техническими данными следует помещать на корпусе этого изделия, а на самих трансформаторах следует указывать:

тип встроенного трансформатора;

номинальный коэффициент трансформации (при наличии ответвлений указывают наибольший коэффициент трансформации);

порядковый номер по системе нумерации предприятия-изготовителя.

6.13.2 Части трансформаторов, транспортируемых в разобранном виде, должны иметь маркировку, облегчающую сборку трансформаторов на месте монтажа. Виды и способы нанесения маркировки должны быть указаны в эксплуатационной документации.

6.13.3 Способ нанесения маркировки на таблички, а также способ маркирования выводов обмоток (6.9) должны обеспечивать четкость надписей в течение всего времени эксплуатации трансформатора.

6.13.4 Маркировка транспортной тары - по ГОСТ 14192.

6.14 Упаковка

6.14.1 Все неокрашенные металлические части трансформатора (включая запасные части, при их наличии), подверженные воздействию внешней среды в процессе транспортирования и хранения, должны быть законсервированы с помощью смазок или другим надежным способом на срок хранения 3 г.

6.14.2 Упаковка должна обеспечивать сохранность трансформаторов при их транспортировании. Вид упаковки должен быть предусмотрен в стандартах на трансформаторы конкретных типов.

7 Требования безопасности

7.1 Требования безопасности к конструкции трансформаторов - по ГОСТ 12.2.007.0 и ГОСТ 12.2.007.3.

7.2 Требования безопасности при испытаниях трансформаторов - по ГОСТ 8.217 и ГОСТ 12.3.019.

8 Правила приемки

8.1 Для проверки соответствия трансформаторов требованиям настоящего стандарта и стандарта на трансформаторы конкретных типов следует проводить испытания:

для утверждения типа;

на соответствие утвержденному типу;

квалификационные;

приемосдаточные;

периодические;

типовые.

8.2 Объем испытаний и проверок, в зависимости от конструктивных особенностей и назначения трансформатора, следует выбирать по таблице 12 и устанавливать в стандартах на трансформаторы конкретных типов.

Таблица 12

Наименование испытания и проверки

Необходимость проведения испытаний

Пункт настоящего стандарта

для утверж­дения типа

на соответст­вие утвержден­ному типу

Квалифи­кацион­ных

Приемо­сдаточ­ных

Периоди­ческих

Техничес­кие тре­бования

Методы контроля

1 Проверка на соответствие требованиям сборочного чертежа

+

+

+

+

+

6.1; 6.9; 6.12.2

9.1

2 Испытание электрической прочности изоляции первичной обмотки одноминутным напряжением промышленной частоты

-

-

+

+

+

6.3.1

9.2.1

3 Испытание изоляции первичной обмотки напряжением грозового импульса1)

-

-

+

-

-

6.3.1

9.2.1

4 Испытание изоляции маслонаполненных трансформаторов с номинальным напряжением 330 кВ и выше срезанным грозовым импульсом и многократными срезанными импульсами

-

-

О

-

-

6.3.1

9.2.1

5 Испытание электрической прочности изоляции трансформаторов с номинальным напряжением 330 кВ и выше напряжением коммутационного импульса

-

-

+

-

+

6.3.1

9.2.1

6 Испытание внутренней изоляции первичной обмотки на стойкость к тепловому пробою

-

-

О

-

-

6.3.1

9.2.1

7 Проверка длины пути утечки

-

-

+

-

-

6.3.1; 6.3.2

9.2.2

8 Испытание междусекционной изоляции секционированных обмоток

-

-

+

+

+

6.3.3

9.2.3

9 Испытание изоляции первичной обмотки газонаполненных трансформаторов при остаточном давлении газа, равном нулю

-

-

+

-

+

6.3.5

9.2.1

10 Испытания электрической прочности изоляции вторичных обмоток одноминутным напряжением промышленной частоты

-

-

+

+

+

6.3.4

9.2.4

11 Измерение уровня частичных разрядов трансформаторов с уровнем изоляции «а» по ГОСТ 1516.3

-

-

+

+

+

6.3.6

9.2.5

12 Испытание междувитковой изоляции

-

-

+

+

+

6.3.7

9.2.6

13 Измерение сопротивления изоляции обмоток

-

-

+

О

+

6.3.8

9.3

14 Испытание пробы масла масляных трансформаторов:

 

 

 

 

 

 

 

определение пробивного напряжения

-

-

+

+

+

6.3.9

9.4

определение тангенса угла диэлектрических потерь масла трансформаторов класса напряжения 110 кВ и выше

-

-

+

+

+

6.3.6; 6.3.9

9.2.5; 9.4

определение влаго- и газосодержания, хроматографический анализ

-

-

+

+

+

6.10.5

9.4

15 Проверка полярности

+

+

+

+

+

6.9

9.5

16 Определение токовых и угловых погрешностей

+

+

+

+

+

6.4.2

9.5

17 Проверка предельной кратности (определение полной погрешности) вторичных обмоток для защиты

+

+

+

-

+

5.1; 6.4.3

9.6

18 Проверка коэффициента безопасности приборов вторичных обмоток для измерений

+

+

+

-

+

5.1

9.6

19 Определение количественной утечки газа газонаполненных трансформаторов

-

-

+

+

+

6.10.11

9.7

20 Определение тока намагничивания вторичных обмоток

+

+

+

+

+

6.5

9.8

21 Испытание на нагрев при продолжительном режиме работы

-

-

+

-

-

6.6

9.9

22 Испытание на стойкость к токам короткого замыкания (испытания на электродинамическую и термическую стойкость)

-

-

+

-

-

6.7

9.10

23 Измерение сопротивления вторичных обмоток постоянному току

-

-

+

О

+

6.8

9.11

24 Испытание маслонаполненных трансформаторов на герметичность

-

-

+

+

+

6.10.5

9.12

25 Испытания на устойчивость к воздействию климатических факторов внешней среды

+

+

+

-

О

6.2.1

9.13

26 Испытания на устойчивость к воздействию механических факторов

-

-

+

-

О

6.2.3

9.13

27 Испытание на прочность при транспортировании

-

-

+

-

-

6.14.2; 10.1

9.14

28 Испытание упаковки на сбрасывание

-

-

+

-

-

6.14.2; 10.1

9.15

29 Подтверждение средней наработки до отказа

-

-

-

-

+

6.11.1

9.16

30 Испытание газонаполненных трансформаторов на взрывобезопасность

-

-

+

-

-

6.10.12

9.17

1) Для шинных трансформаторов не проводят.

Примечание - Знак «+» означает, что испытание проводят; знак «-» - не проводят; буква «О» означает, что испытание проводят, если это указано в стандарте на трансформатор конкретного типа.

Испытания трансформаторов, предназначенных для работы при частотах 50 и 60 Гц, на соответствие всем требованиям настоящего стандарта проводят при частоте 50 Гц, о чем указывают в паспорте. При этом результаты испытаний трансформаторов, предназначенных для работы при частоте 60 Гц, не корректируют, кроме результатов испытаний на нагрев при продолжительном режиме работы и на стойкость к токам короткого замыкания, которые следует оценивать с учетом 9.9.7 и 9.10.3 соответственно.

8.3 Общие положения

8.3.1 При испытаниях квалификационных, периодических, типовых, для утверждения типа и на соответствие утвержденному типу отдельные испытания, не влияющие на результаты других испытаний, предусмотренных в таблице 12, допускается проводить на разных трансформаторах (параллельные испытания). Перечень параллельных испытаний следует устанавливать в стандартах на трансформаторы конкретных типов.

8.3.2 Допускается совмещение отдельных видов испытаний, перечисленных в 8.1.

При наличии различных исполнений трансформаторов испытания для утверждения типа, квалификационные, периодические, типовые и на соответствие утвержденному типу следует проводить на типоисполнениях, для которых соответствующие испытания являются наиболее критическими.

8.3.3 Типоисполнения и число трансформаторов, подвергаемых каждому испытанию, следует указывать в стандартах на трансформаторы конкретных типов.

8.3.4 При приемосдаточных испытаниях трансформаторы предъявляют к приемке поштучно или партиями и подвергают проверке сплошным контролем.

8.3.5 Отдельные испытания допускается проводить на сборочных единицах и деталях трансформатора. Допускается по согласованию между потребителем и изготовителем при испытаниях квалификационных, периодических, типовых, для утверждения типа и на соответствие утвержденному типу засчитывать испытания трансформаторов других типов, имеющих аналогичные конструктивные или технологические решения и одинаковые применяемые материалы, при наличии таких указаний в стандартах на трансформаторы конкретных типов.

8.3.6 Последовательность испытаний может быть произвольной, если иные требования не установлены в стандартах на трансформаторы конкретных типов.

8.3.7 При отрицательных результатах приемосдаточных, периодических и типовых испытаний после устранения дефектов повторные испытания проводят в полном объеме или, в технически обоснованных случаях, в сокращенном объеме: повторяют испытания, по которым получены неудовлетворительные результаты, испытания, которые могли повлиять на возникновение дефектов, а также испытания, которые не проводились.

Если конкретные причины неудовлетворительного результата не установлены, повторные испытания по пунктам несоответствия проводят на удвоенном числе образцов. Результаты повторных испытаний являются окончательными.

8.4 Квалификационные испытания

8.4.1 Порядок проведения квалификационных испытаний - по ГОСТ 15.001 и ГОСТ 15.309.

8.4.2 Допускается засчитывать в качестве квалификационных испытаний испытания опытных образцов, проведенные в соответствии с таблицей 12, если соблюдены следующие условия:

опытные образцы были изготовлены по технологии и на оборудовании, предусмотренных для серийного производства;

при изготовлении установочной серии не проводилась доработка конструкции, требующая проведения испытаний:

время, прошедшее после испытаний опытных образцов, не превышает срок, установленный для периодических испытаний.

Если эти условия не соблюдены, то при соответствующем техническом обосновании допускается засчитывать испытания, на результатах которых несоблюдение указанных условий не отражается.

8.5 Приемосдаточные испытания проводит служба технического контроля либо другая, уполномоченная на это служба предприятия-изготовителя.

Одновременно с приемосдаточными испытаниями каждый трансформатор должен подвергаться первичной поверке по правилам, принятым в стране-изготовителе, и методике по ГОСТ 8.217.

8.6 Периодические испытания

8.6.1 Периодические испытания следует проводить на трансформаторах серийного производства не реже одного раза в 5 лет.

Подтверждение средней наработки до отказа первый раз проводят через 10 лет после начала серийного производства, затем - не реже одного раза в 5 лет.

8.6.2 Если производство трансформаторов было прервано ко времени наступления срока очередных периодических испытаний, то при возобновлении выпуска следует проводить периодические испытания трансформаторов на образцах первой партии, изготовленной после возобновления производства.

До завершения отдельных (длительных по времени) испытаний, входящих в объем периодических испытаний, основанием для выпуска трансформаторов является протокол предыдущих периодических испытаний.

8.7 Типовые испытания следует проводить в полном или сокращенном объеме квалификационных испытаний при изменении конструкции, применяемых материалов или технологии производства, если эти изменения могут оказать влияние на характеристики или параметры трансформаторов.

В зависимости от характера вносимого изменения (изменений) испытаниям допускается подвергать отдельные сборочные единицы, детали, образцы материалов и др.

8.8 Испытания для утверждения типа и на соответствие утвержденному типу следует проводить по правилам, принятым в стране-изготовителе.

9 Методы контроля

9.1 Проверка на соответствие требованиям сборочного чертежа

9.1.1 Проверке подлежат:

габаритные1), установочные и присоединительные размеры, для которых на сборочном чертеже указаны предельные отклонения;

масса трансформатора1);

состояние поверхности наружных изоляционных частей;

состояние защитных покрытий наружных частей;

состояние площадок под заземляющие зажимы;

правильность заполнения табличек технических данных;

маркировка выводов;

комплектность.

Проверку проводят внешним осмотром, измерением универсальным измерительным инструментом, при помощи шаблонов, а также взвешиванием трансформатора на весах общего применения или при помощи пружинного динамометра.

_________

1) Кроме приемосдаточных испытаний.

9.1.2 При приемосдаточных испытаниях размеры допускается проверять на деталях и сборочных единицах до сборки трансформатора.

9.1.3 Допускается определять массу трансформатора суммированием масс его отдельных сборочных единиц.

9.2 Испытание изоляции

9.2.1 Изоляцию первичной обмотки испытывают:

для трансформаторов на номинальное напряжение 0,66 кВ - по ГОСТ 2933;

для трансформаторов на номинальные напряжения от 3 до 500 кВ включительно - по ГОСТ 1516.1, ГОСТ 1516.2 и ГОСТ 1516.3;

для трансформаторов на номинальное напряжение 750 кВ - по ГОСТ 1516.2, ГОСТ 1516.3 и ГОСТ 20690.

Испытательные напряжения прикладывают между одним из выводов (или замкнутыми накоротко выводами) первичной обмотки и замкнутыми накоротко выводами вторичных обмоток, к которым должны быть присоединены заземляемые части трансформатора. Для трансформаторов, не имеющих собственной первичной обмотки, способ приложения напряжения следует указывать в стандартах на трансформаторы конкретных типов.

При отсутствии в конструкции трансформатора заземляемых элементов в стандартах на трансформаторы конкретных типов должны быть указаны металлические части, которые при испытаниях должны быть присоединены к замкнутым накоротко вторичным обмоткам.

Методы испытания изоляции маслонаполненных трансформаторов на номинальное напряжение 330 кВ и выше срезанным грозовым импульсом и многократными срезанными импульсами следует указывать в стандартах на трансформаторы конкретных типов.

9.2.2 Длину пути утечки внешней изоляции трансформаторов на соответствие требованиям 6.3.1 и 6.3.2 проверяют по ГОСТ 9920.

9.2.3 Междусекционную изоляцию испытывают по ГОСТ 1516.2.

Испытательное напряжение 3 кВ прикладывают поочередно между каждой секцией и соединенными между собой прочими секциями обмотки.

9.2.4 Изоляцию вторичных обмоток трансформаторов испытывают по ГОСТ 1516.2. Испытательное напряжение 3 кВ прикладывают поочередно между замкнутыми накоротко выводами каждой из вторичных обмоток и замкнутыми накоротко выводами прочих вторичных обмоток, к которым присоединяют заземляемые части трансформатора. При отсутствии в конструкции заземляемых частей следует руководствоваться указаниями 9.2.1.

9.2.5 Уровень частичных разрядов определяют по ГОСТ 1516.3 и ГОСТ 20074. Методы измерения тангенса угла диэлектрических потерь конденсаторной бумажно-масляной изоляции следует указывать в стандартах на трансформаторы конкретных типов.

9.2.6 Испытание междувитковой изоляции

9.2.6.1 При испытаниях междувитковой изоляции испытуемая вторичная обмотка должна быть разомкнута, а остальные вторичные обмотки (если они имеются) - замкнуты накоротко.

Через первичную обмотку трансформатора пропускают ток частотой 50 Гц значение которого определяют в соответствии с требованиями 6.3.71).

Допускается проведение испытания при нескольких одновременно разомкнутых вторичных обмотках, если сравнительными испытаниями на одной и той же установке доказано, что индуктированное во вторичных обмотках напряжение (амплитуда) не уменьшается более чем на 20 % по сравнению с испытаниями, проводимыми при одной разомкнутой обмотке.

___________

1) Целью настоящего испытания является не воспроизведение условий работы трансформатора при разомкнутой вторичной цепи, а проверка качества междувитковой изоляции, поэтому форму волны тока и напряжения не нормируют.

9.2.6.2 Первичная обмотка шинных, втулочных, встроенных и разъемных трансформаторов может имитироваться несколькими витками, при этом за номинальный первичный ток принимают такое значение, при котором сохраняется значение номинальных ампервитков.

9.2.6.3 Индуктируемое во вторичной обмотке напряжение допускается определять: непосредственным измерением напряжения на выводах испытуемой вторичной обмотки: для трансформаторов, имеющих собственную первичную обмотку, - измерением напряжения на выводах первичной обмотки и умножением измеренного значения напряжения на отношение чисел витков вторичной и первичной обмоток2);

для шинных, втулочных, встроенных и разъемных трансформаторов - измерением напряжения на выводах «контрольной» обмотки, наложенной временно поверх испытуемой обмотки, и умножением измеренного значения напряжения на отношение чисел витков вторичной и «контрольной» обмоток.

___________

2) При этом измерении пренебрегают падением напряжения на первичной обмотке.

9.2.6.4 Первичный ток (действующее значение) следует измерять с помощью трансформатора тока и амперметра классов точности не ниже 1.

9.2.6.5 Трансформатор считают выдержавшим испытание, если в процессе испытания междувитковой изоляции вторичных обмоток не произошло резкого увеличения первичного тока или уменьшения индуктируемого напряжения.

Напряжение, индуктируемое во вторичной обмотке (амплитудное значение), следует определять с погрешностью не более 10 % приборами, имеющими высокое входное сопротивление: электронным вольтметром или электронно-лучевым осциллографом с делителем напряжения. Допускается использовать для измерения напряжения вольтметр, реагирующий на амплитудное значение напряжения, но градуируемый в действующих значениях синусоидальной кривой. В этом случае напряжение, показываемое прибором, должно быть умножено на .

Допускается вместо измерения тока ограничиваться контролем за его изменением в случае, когда определяющей величиной при испытании является амплитудное значение напряжения, и, аналогично, допускается вместо измерения напряжения ограничиваться контролем за его изменением в случае, когда определяющей величиной при испытании является первичный ток.

9.2.7 Испытания изоляции, проводимые в качестве критерия успешности других испытаний, проводят при значениях испытательных напряжений, равных 90 % нормированных значений, и времени воздействия 1 мин, вне зависимости от вида изоляции.

9.3 Измерение сопротивления изоляции обмоток проводят мегомметром на 2500 В для первичных обмоток и на 1000 В - для вторичных обмоток.

9.4 Определение пробивного напряжения и тангенса утла диэлектрических потерь при испытании пробы масла - по ГОСТ 6581.

Для трансформаторов с номинальным напряжением до 35 кВ включительно пробу масла отбирают в день испытания из емкости, из которой было залито масло в трансформатор, а для трансформаторов с номинальным напряжением 110 кВ и выше непосредственно из трансформатора. Порядок взятия пробы должен быть установлен в стандартах на трансформаторы конкретных типов. Методы определения влаго- и газосодержания, а также проведения хроматографического анализа содержащихся в масле газов должны быть указаны в стандартах на трансформаторы конкретных типов.

9.5 Определение погрешностей

9.5.1 Проверка полярности и определение токовых и угловых погрешностей

9.5.1.1 Проверку полярности и определение токовых и угловых погрешностей проводят на трансформаторах, подвергнутых размагничиванию. Методы размагничивания, проверка полярности и определение погрешностей - по ГОСТ 8.217.

Определение погрешностей проводят на каждой вторичной обмотке.

Если обмотке присвоено несколько классов точности и (или) несколько нагрузок, то при приемосдаточных испытаниях определение погрешностей проводят в высшем классе точности в условиях, оговоренных между изготовителем и потребителем, а при других видах испытаний - во всех классах точности и при всех нагрузках, установленных в стандарте на данный трансформатор.

9.5.1.2 При определении погрешностей вторичной обмотки каскадного трансформатора все остальные его вторичные обмотки должны быть замкнуты на нагрузки. Процентное отношение значений нагрузок к номинальным значениям должно соответствовать процентному отношению вторичной нагрузки (к номинальному значению) в испытуемой обмотке, если иные требования не предусмотрены в стандарте на трансформатор конкретного типа.

9.5.1.3 Погрешности шинных, втулочных, встроенных и разъемных трансформаторов при испытаниях квалификационных, типовых и на утверждение типа следует определять в первичном токоведущем контуре согласно рисунку 1a.

1 - испытуемый трансформатор; Амакс расстояние между осями проводников соседних фаз в месте установки трансформатора в эксплуатации; Бмакс - расстояние в свету от трансформатора до места ближайшего изгиба проводника, служащего в эксплуатации первичной обмоткой трансформатора

Рисунок 1

Численные значения размеров Амакс и Бмакс должны быть установлены в стандартах на трансформаторы конкретного типа и при испытании они не должны быть превышены.

9.5.1.4 Погрешности шинных, втулочных, встроенных и разъемных трансформаторов на номинальные токи свыше 2000 А при испытаниях приемосдаточных, периодических и на соответствие утвержденному типу допускается определять с первичной обмоткой, состоящей из нескольких витков, и при соответственно уменьшенном значении номинального тока (таким образом, чтобы значение номинальных ампервитков оставалось неизменным), если при квалификационных или типовых испытаниях установлено, что разница в значениях погрешностей, измеренных подобным образом и при условиях установки трансформатора согласно 9.5.1.3, не превышает 25 % нормируемых значений. Расположение витков первичной обмотки, выполняемой для испытания, равномерное вдоль магнитопровода или сосредоточенное на одной из его частей, должно быть указано в стандарте на трансформатор конкретного типа.

9.5.2 При необходимости проверки стабильности метрологических характеристик в качестве критерия успешности других испытаний, ее следует проводить непосредственным определением погрешностей или измерением тока намагничивания согласно 9.13. Значение допустимого изменения погрешностей или тока намагничивания должно быть установлено в стандарте на трансформатор конкретного типа.

9.5.3 При приемосдаточных испытаниях погрешности допускается измерять при меньшем числе значений токов и нагрузок, чем указано в 6.4 (таблицы 8 и 9), если это обосновано результатами квалификационных или типовых испытаний.

9.6 Проверка предельной кратности и коэффициента безопасности приборов

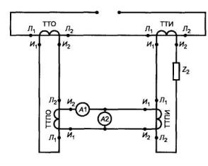
9.6.1 Проверку предельной кратности и коэффициента безопасности приборов следует проводить по схеме, приведенной на рисунке 2.

ТТО - образцовый трансформатор тока; ТТИ - испытуемый трансформатор тока; ТТПИ - промежуточный трансформатор тока, находящийся в цепи испытуемого трансформатора тока; ТТПО - промежуточный трансформатор тока, находящийся в цепи образцового трансформатора тока; А1, А2 - амперметры; Z2 - вторичная нагрузка в цепи испытуемого трансформатора тока

Рисунок 2

К элементам схемы предъявляют следующие требования:

а) коэффициенты трансформации трансформаторов ТТПО и ТТПИ должны быть такими, чтобы выполнялось условие

                                                                                                               (3)

где  - коэффициент трансформации ТТО;

 - коэффициент трансформации ТТПО;

* - коэффициент трансформации ТТИ;

 - коэффициент трансформации ТТПИ.

Если образцовый трансформатор имеет коэффициент трансформации, при котором выполняется условие  то промежуточный трансформатор в его цепи может отсутствовать;

б) амперметры А1 и А2 должны измерять действующие значения тока.

Амперметр А2 должен иметь малое внутреннее сопротивление.

Класс точности амперметров должен быть не ниже 1.

Класс точности промежуточных трансформаторов должен быть не ниже 0,5.

Образцовый трансформатор должен иметь:

класс точности не ниже 0,5 или полную погрешность не более 0,5 % при испытании вторичной обмотки класса 5Р;

класс точности не ниже 1 или полную погрешность не более 1 % при испытании вторичной обмотки класса 10Р;

в) значение нагрузки и ее коэффициент мощности должны быть выбраны так, чтобы полное сопротивление внешней вторичной цепи испытуемого трансформатора (включая сопротивление проводов и промежуточного трансформатора) и ее коэффициент мощности были равны заданным значениям (с точностью 5 %).

Через первичные обмотки ТТО и ТТИ пропускают ток частотой  Гц практически синусоидальной формы, значение которого соответствует предельной кратности или коэффициенту безопасности приборов. Значение первичного тока измеряют амперметром А1.

Полную погрешность ε, %, определяют по формуле

                                                                                                                (4)

где  - ток по амперметру А1, А;

* - ток по амперметру А2, А.

9.6.2 Если испытательная установка и (или) нормируемая термическая стойкость испытуемого трансформатора ограничивает длительность протекания требуемого тока, необходимую для успокоения амперметров, допускается определять ток другим способом, например осциллографированием.

Для трансформаторов с несколькими номинальными коэффициентами трансформации, получаемыми переключением секций обмоток при неизменном значении номинальных ампервитков, полную погрешность допускается измерять при любом коэффициенте трансформации.

9.6.3 Шинные, втулочные, встроенные и разъемные трансформаторы следует испытывать в испытательном контуре согласно рисунку 1а.

Численные значения размеров А и Б должны быть установлены в стандартах на трансформаторы конкретных типов и при проверке предельной кратности они не должны быть превышены, а при проверке коэффициента безопасности приборов должны быть не менее установленных значений.

9.6.4 Предельную кратность допускается проверять другим способом, который должен быть установлен в стандарте на трансформатор конкретного типа, если при испытаниях квалификационных, типовых, на утверждение типа или для проверки соответствия утвержденному типу доказано, что этот способ обеспечивает получение равнозначных результатов.

Коэффициент безопасности приборов допускается определять путем измерения тока намагничивания по 9.8.5.

9.7 Определение количественной утечки газа газонаполненных трансформаторов

9.7.1 Испытание по определению утечки проводят при температуре (25 ± 10) °С.

Испытуемый трансформатор, заполненный газом до номинального рабочего давления, помещают в замкнутый объем (камеру, чехол из полимерной пленки), который не должен превышать наружный объем испытуемого трансформатора более чем в 3 раза.

Внутрь объема помещают вентилятор, способствующий перемешиванию смеси воздуха и газа, заполняющего трансформатор.

После установки трансформатора в замкнутый объем, в последний вводят щуп чувствительного прибора (течеискателя), реагирующего на малые концентрации газа, которым заполнен испытуемый трансформатор, и фиксируют показания прибора. Через определенный промежуток времени выдержки трансформатора в замкнутом объеме (например через 1 ч) операцию повторяют.

9.7.2 Годовую утечку газа q, % массы газа в испытуемом трансформаторе, определяют по формуле

                                                                                        (5)

где  - разность концентрации газа в замкнутом объеме за время выдержки, г/л;

 - давление газа, равное 1 кгс/см2;

* - разность между замкнутым объемом и наружным объемом испытуемого трансформатора, л;

 - номинальное давление газа в трансформаторе (абсолютное), кгс/см2;

* - объем газа в трансформаторе, л;

d - плотность газа в трансформаторе;

t - время между измерениями, ч.

Для трансформатора, заполненного элегазом

                                                                                          (6)

Примечания

1 Значения объемов, необходимых для вычисления утечки, должны быть найдены с погрешностью, не превышающей 20 %.

2 Если шкала прибора для определения утечки не калибрована непосредственно для определения значения концентрации, г/л, эти значения находят по зависимости С = f(н), где н - показания прибора в единицах шкалы, приложенной к свидетельству об аттестации (калибровке), проводимой в установленном порядке.

9.8 Определение тока намагничивания вторичных обмоток

9.8.1 Для определения тока намагничивания к испытуемой вторичной обмотке при разомкнутой первичной обмотке прикладывают напряжение U частотой 50 Гц и измеряют протекающий по обмотке ток.

9.8.2 Значение напряжения U, В, соответствующее значению первичного тока, А, определяют по формуле

                                                    (7)

где I2ном - номинальный вторичный ток, А;

K - номинальный коэффициент безопасности обмотки для измерения или номинальная предельная кратность обмотки для защиты;

R2 - сопротивление вторичной обмотки постоянному току, приведенное к температуре, при которой определяют ток намагничивания, Ом;

Z2ном - номинальная вторичная нагрузка, Ом.

9.8.3 Напряжение U следует измерять вольтметром. Показания вольтметра необходимо умножить на коэффициент 1,11.

Допускается проводить измерение вольтметром, показания которого пропорциональны среднему значению напряжения, а шкала градуирована в действующих значениях синусоидальной кривой. Умножение показаний вольтметра на коэффициент 1,11 в этом случае не требуется.

Основная погрешность вольтметра должна быть не более ±1 %.

Измерение напряжения U проводят:

а) непосредственно на выводах испытуемой вторичной обмотки;

б) для трансформаторов, имеющих собственную первичную обмотку, - на выводах первичной обмотки. При этом показания вольтметра должны быть умножены на коэффициент 1,11 и на отношение витков вторичной и первичной обмоток;

в) для шинных, втулочных, встроенных и разъемных трансформаторов, не имеющих собственной первичной обмотки, - на выводах специальной «контрольной» обмотки, намотанной на трансформатор на время испытаний. При этом показания вольтметра должны быть умножены на коэффициент 1,11 и на отношение витков вторичной и «контрольной» обмоток.

9.8.4 Действующее значение тока намагничивания следует измерять амперметром (миллиамперметром) класса точности не ниже 1.

9.8.5 Ток намагничивания вторичных обмоток I2нам(%K), % находят по формуле

                                                                                            (8)

где I2нам - ток намагничивания, А, измеренный по 9.8.1;

I2ном - номинальный вторичный ток, А;

K - KБном или Kном;

I2нам(%K) - в соответствии с требованиями 6.5.

9.9 Испытание на нагрев при продолжительном режиме работы

9.9.1 Трансформаторы на номинальное напряжение 0,66 кВ испытывают по ГОСТ 2933, а на номинальные напряжения от 3 до 750 кВ включительно - по ГОСТ 8024 при наибольшем рабочем первичном токе.

Примечание - Допускается испытание трансформаторов на номинальное напряжение 0,66 кВ проводить по ГОСТ 8024.

9.9.2 Испытание проводят при нормальной температуре испытаний по ГОСТ 15150, если в стандартах на трансформаторы конкретных типов не предусмотрены иные условия.

9.9.3 При испытании трансформаторов, имеющих собственную первичную обмотку, ток к выводам первичной обмотки следует подводить проводами или шинами длиной не менее 1,5 м.

Трансформаторы, предназначенные для эксплуатации с конкретным типом шин, допускается испытывать без учета температуры проводников, подводящих ток к первичной обмотке. В этом случае проводники, подводящие ток при испытании, должны соответствовать условиям их эксплуатации.

9.9.4 Шинные, втулочные, встроенные и разъемные трансформаторы испытывают в первичном токоведущем контуре согласно рисунку 1а или 1б.

Необходимость испытаний в контуре, вид контура, а также размеры Амакс и Бмакс (которые при испытании не должны быть превышены), должны быть установлены в стандартах на трансформаторы конкретных типов.

9.9.5 Трансформаторы с несколькими коэффициентами трансформации, получаемыми переключением секций первичной обмотки, испытывают при наибольшем коэффициенте трансформации.

9.9.6 Вторичные обмотки трансформаторов при испытании должны быть замкнуты на номинальную нагрузку, на амперметр либо накоротко.

9.9.7 Значения превышения температур обмоток трансформаторов на частоту 60 Гц следует корректировать следующим образом:

а) для трансформаторов до 1000 А или для трансформаторов без собственной первичной обмотки на любые номинальные токи

                                                                                                         (9)

где  - превышение температуры, соответствующее частоте 60 Гц;

 - превышение температуры, определенное опытным путем при частоте 50 Гц;

б) для трансформаторов с собственной первичной обмоткой на номинальные токи свыше 1000 А

                                                                                                            (10)

9.10 Испытание на стойкость к токам короткого замыкания

9.10.1 Испытание проводят при замкнутых накоротко вторичных обмотках и любом подходящем для опыта напряжении частотой  Гц пропусканием через первичную обмотку следующих токов:

а) тока, наибольший пик которого должен быть (1,0 - 1,1) iд 1); начальное действующее значение периодической составляющей не должно превышать  Время протекания тока - 3-10 полупериодов, число опытов - 3;

б) тока Iи, действующее значение которого в течение времени протекания tн должно быть таким, чтобы выполнялось соотношение

                                                                                                     (11)

При этом значение tи должно быть от 0,5 до 5 с, число опытов - 1.

При наличии технических возможностей испытания по перечислениям а и б могут быть совмещены.

Перед испытанием температура трансформатора должна быть (25 ± 10) °С.

__________

1) При испытании шинных, втулочных, встроенных и разъемных трансформаторов значение наибольшего пика тока не устанавливают.

9.10.2 Испытание проводят в однофазном испытательном контуре. Размеры и конфигурация контура при испытании трансформаторов категорий размещения 2, 3, 4 и 5, а также расстояния от выводов первичной обмотки трансформатора до ближайших точек фиксации проводников контура должны соответствовать указанным в стандартах на трансформаторы конкретных типов.

Испытание шинных, втулочных, встроенных и разъемных трансформаторов допускается проводить при имитации их первичной обмотки несколькими первичными витками, располагаемыми равномерно относительно вторичных обмоток.

9.10.3 Трансформатор считают выдержавшим испытание, если:

а) не произошло повреждений, препятствующих его дальнейшей работе;

б) после охлаждения до температуры (25 ± 10) °С он выдержал испытания по пунктам 2, 10, 12 таблицы 12;

в) погрешности вторичных обмоток, измеренные после размагничивания, соответствуют установленным классам точности и не изменились по сравнению с первоначальными более чем на половину значений, установленных для этих классов.

В стандартах на трансформаторы конкретных типов, у которых плотность односекундного тока термической стойкости превышает значения:

а) у трансформаторов на частоту 50 Гц:

160 А/мм2 - для медных проводников;

105 А/мм2 - для алюминиевых проводников;

б) у трансформаторов на частоту 60 Гц:

154 А/мм2 - для медных проводников;

101 А/мм2 - для алюминиевых проводников

должны быть установлены дополнительные критерии, подтверждающие, что трансформатор выдержал испытания на стойкость к токам короткого замыкания.

9.11 Измерение сопротивления вторичных обмоток постоянному току проводят по ГОСТ 3484.1.

9.12 Испытание маслонаполненных трансформаторов на герметичность проводят по ГОСТ 3484.5.

9.13 Методы и виды испытаний трансформаторов на устойчивость к климатическим внешним воздействующим факторам по ГОСТ 16962.1 и механическим внешним воздействующим факторам по ГОСТ 16962.2 должны быть указаны в стандартах на трансформаторы конкретных типов в зависимости от исполнения и конструктивных особенностей трансформаторов.

Метрологические характеристики проверяют одним из следующих способов:

а) путем непосредственного определения погрешностей по ГОСТ 8.217 при наибольшем и наименьшем рабочих значениях температуры с учетом длительного нагрева. При этом токовые и угловые погрешности не должны превышать значений, установленных в 6.4.2 для соответствующих классов точности;

б) путем измерения токов намагничивания согласно 9.8.5 при наибольшем и наименьшем рабочих значениях температуры с учетом длительного нагрева. При этом значение тока намагничивания должно соответствовать следующим условиям:

                                                                                           (12)

                                                                                          (13)

где   - токи намагничивания при наибольшем и наименьшем рабочих значениях температуры, А;

J2ном - номинальный вторичный ток, А;

fдоп - предел допускаемой токовой погрешности, %;

δдоп - предел допускаемой угловой погрешности, срад.

При испытаниях трансформаторов категории размещения 1 на воздействие испытательных статических нагрузок основание трансформатора жестко закрепляют, а к середине вывода его первичной обмотки прикладывают испытательную нагрузку, равную значению, указанному в 6.2.3. Указанную нагрузку прикладывают поочередно в трех взаимно перпендикулярных направлениях: в горизонтальной плоскости по оси вывода в сторону от трансформатора, в горизонтальной плоскости в направлении, перпендикулярном оси вывода, в вертикальной плоскости по направлению к основанию.

В каждом направлении время выдержки нагрузки - 1 мин.

Трансформатор считают выдержавшим испытание, если во время и после его проведения не отмечено повреждение трансформатора или вывода, течи масла у маслонаполненных и увеличение утечки газа у газонаполненных трансформаторов.

(Поправка, ИУС 6-2007).

9.14 Испытание на прочность при транспортировании

9.14.1 Методы испытания на прочность при транспортировании по ГОСТ 23216 должны быть приведены в стандартах на трансформаторы конкретных типов.

9.14.2 После испытания трансформаторы распаковывают, проводят внешний осмотр трансформаторов, тары, креплений, а также проверяют параметры, установленные в стандартах на трансформаторы конкретных типов.

9.14.3 Трансформатор и его упаковку считают выдержавшими испытание, если:

при внешнем осмотре упаковки не обнаружены механические повреждения тары, ведущие к потере защитных свойств, а также нарушения креплений упакованных изделий в таре. Допускается ослабление креплений изделия в таре, если это не привело к повреждению трансформатора в процессе испытания;

при внешнем осмотре трансформатора не обнаружено повреждений, препятствующих его работе, и результаты проверки параметров положительные.

9.14.4 При упаковке нескольких трансформаторов в один ящик допускается проверку параметров проводить выборочно. Число подлежащих испытанию трансформаторов должно быть указано в стандартах на трансформаторы конкретных типов.

9.14.5 Для крупногабаритных трансформаторов испытание допускается не проводить, а способность трансформаторов и упаковки противостоять разрушающему действию механических нагрузок при транспортировании допускается оценивать на основании результатов транспортирования этих или аналогичных им изделий потребителю.

9.15 Испытание упаковки на сбрасывание

9.15.1 Методы испытания упаковки трансформаторов на сбрасывание по ГОСТ 18425 должны быть указаны в стандартах на трансформаторы конкретных типов.

9.15.2 Испытанию подвергают упаковку суммарной массой (вместе с упакованным изделием) до 200 кг. Упаковку суммарной массой более 200 кг, а также упаковку, маркированную знаком «Хрупкое. Осторожно» испытанию на прочность при сбрасывании не подвергают.

9.15.3 Ящик (упаковку) с находящимся в нем трансформатором (трансформаторами) или макетом, имитирующим упакованные трансформаторы, сбрасывают один раз на площадку по ГОСТ 18425 на его торцевую сторону с высоты:

0,5 м - при суммарной массе трансформатора и упаковки до 100 кг включительно;

0,3 м - при суммарной массе трансформатора и упаковки от 100 до 200 кг включительно.

9.15.4 По окончании испытания проводят внешний осмотр упаковки.

9.15 Упаковку считают выдержавшей испытание, если при внешнем осмотре не обнаружено серьезных повреждений, ведущих к потере ее защитных свойств. Допускается ослабление отдельных креплений.

9.16 Подтверждение средней наработки до отказа проводят на основании сбора у потребителей и обработки информации о работе трансформаторов или их прототипов по методике, указанной в стандарте на трансформатор конкретного типа.

9.17 Методы испытания газонаполненных трансформаторов на взрывобезопасность следует указывать в стандартах на трансформаторы конкретных типов.

10 Транспортирование и хранение

10.1 Транспортирование

10.1.1 Требования к транспортированию в части воздействия механических факторов по ГОСТ 23216 и климатических факторов внешней среды по ГОСТ 15150 должны быть указаны в стандартах на трансформаторы конкретных типов.

При транспортировании в транспортных контейнерах трансформаторы без индивидуальной упаковки, должны быть надежно закреплены и предохранены от механических повреждений.

Допускается транспортирование трансформаторов в пределах одного города без упаковки при условии принятия необходимых мер, исключающих возможность их повреждения.

10.2 Хранение

10.2.1 Требования к хранению трансформаторов в части воздействия климатических факторов внешней среды по ГОСТ 15150 должны быть указаны в стандартах на трансформаторы конкретных типов.

11 Указания по эксплуатации

При вводе трансформаторов в эксплуатацию, а также в процессе эксплуатации трансформаторов следует соблюдать требования, установленные в стандартах на трансформаторы конкретных типов. Эти требования должны быть указаны в эксплуатационной документации.

12 Гарантии изготовителя

12.1 Изготовитель гарантирует соответствие трансформаторов требованиям настоящего стандарта при соблюдении условий применения, эксплуатации, хранения и транспортирования, установленных настоящим стандартом.

Гарантийный срок эксплуатации трансформаторов - три года с момента ввода в эксплуатацию, но не более трех с половиной лет со дня отгрузки с предприятия-изготовителя.

12.2 Для трансформаторов, предназначенных для экспорта, гарантийный срок эксплуатации устанавливают в соответствии с требованиями, принятыми в стране-изготовителе.

ПРИЛОЖЕНИЕ А
(обязательное)

Перечень справочных данных, приводимых в информационных материалах предприятия-изготовителя

В информационных материалах предприятия-изготовителя следует указывать следующие справочные данные:

а) допустимые вторичные нагрузки для различных классов точности, если такое требование предусмотрено в стандарте на трансформатор конкретного типа;

б) конструктивные данные: номинальное число ампервитков, среднюю длину магнитного пути и сечение магнитопровода, сопротивление вторичной обмотки постоянному току, расчетное значение индуктивного сопротивления вторичных обмоток (без учета влияния внешних магнитных полей);

в) типовые кривые намагничивания магнитопроводов вторичных обмоток для защиты, снятые при практически синусоидальном напряжении (зависимость максимальной индукции от действующего значения напряженности магнитного поля);

г) кривые предельной кратности вторичных обмоток для защиты для кратностей, не превышающих тока динамической стойкости, деленного на  и для вторичных нагрузок - 25 % номинального значения (но не менее 10 В·А) и выше.

Для трансформаторов с несимметричным расположением первичной и вторичной обмоток диапазон нагрузок ниже номинальной может отличаться от указанного;

д) конструктивные особенности трансформаторов.

Примечание - Данные перечислений б - г приводят для трансформаторов на номинальные напряжения 6 кВ и выше (с указанием значений их возможных отклонений).

ПРИЛОЖЕНИЕ Б
(обязательное)

Допускаемая область погрешностей для трансформаторов различных классов точности

Таблица Б.1

Класс точности

Погрешность

токовая

угловая

0,1; 0,2; 0,5; 1

0,2S; 0,5S

3; 5; 10

Не нормируется

 

Ключевые слова: электромагнитные трансформаторы тока, технические требования, безопасность, приемка, транспортирование, хранение

 




Яндекс цитирования



   Copyright © 2007-2026,  www.tehlit.ru.

[ ѓосты, стандарты, нормативы, инструкции, правила, строительные нормы ]