//
ТехЛит.ру
- крупнейшая бесплатная электронная интернет библиотека для "технически умных" людей.
WWW.TEHLIT.RU - ТЕХНИЧЕСКАЯ ЛИТЕРАТУРА

:: Алготрейдинг::


АЛГОТРЕЙДИНГ
шаг за шагом
с нуля по урокам!

Торговые роботы на PYTHON, BackTrader,
Pandas, Pine Script для TradingView. Связка с брокерами, телеграм и легкими приложениями.


ОСТ 24.125.162-01

СТАНДАРТ ОТРАСЛИ

ПЛИТЫ ОПОРНЫЕ ДЛЯ ОПОР
ТРУБОПРОВОДОВ ТЭС И АЭС

КОНСТРУКЦИЯ И РАЗМЕРЫ

Предисловие

1 РАЗРАБОТАН открытым акционерным обществом «Научно-производственное объединение по исследованию и проектированию энергетического оборудования им. И. И. Ползунова» (ОАО «НПО ЦКТИ») и открытым акционерным обществом «Белгородский завод энергетического машиностроения» (ОАО «Белэнергомаш»)

ИСПОЛНИТЕЛИ: от ОАО «Белэнергомаш» ЗАВГОРОДНИЙ Ю.В., СЕРГЕЕВ О.А., РОГОВ В.А.; от ОАО «НПО ЦКТИ» ПЕТРЕНЯ Ю.К., д-р физ.-мат. наук; СУДАКОВ А.В., д-р техн. наук; ДАНЮШЕВСКИЙ И.А., канд. техн. наук; ИВАНОВ Б.Н., канд. техн. наук; ТАБАКМАН М.Л.; ГЕОРГИЕВСКИЙ Н.

2 ПРИНЯТ И ВВЕДЕН В ДЕЙСТВИЕ Департаментом промышленной и инновационной политики в машиностроении Министерства промышленности, науки и технологий Российской Федерации письмом № 10-1984 от 31.10.2001 г.

3 ВЗАМЕН ОСТ 108.275.44-80

СТАНДАРТ ОТРАСЛИ

ПЛИТЫ ОПОРНЫЕ ДЛЯ ОПОР ТРУБОПРОВОДОВ ТЭС И АЭС

Конструкция и размеры

Дата введения 2002-01-01

1 Область применения

Настоящий стандарт распространяется на плиты опорные для направляющих катковых блоков трубопроводов ТЭС и АЭС, изготавливаемых по ОСТ 24.125.160 и ОСТ 24.125.163. Стандарт устанавливает конструкцию и размеры опорных плит.

2 Нормативные ссылки

В настоящем стандарте использованы ссылки наследующие стандарты:

ГОСТ 1050-88 Прокат сортовой калиброванный со специальной отделкой поверхности из углеродистой качественной конструкционной стали. Общие технические условия

ГОСТ 14637-89 Прокат толстолистовой из углеродистой стали обыкновенного качества. Технические условия

ОСТ 24.125.160-01 Блоки катковые направляющие для опор трубопроводов ТЭС и АЭС. Конструкция и размеры

ОСТ 24.125.163-01 Блоки катковые двухрядные для опор трубопроводов ТЭС и АЭС. Конструкция и размеры

ОСТ 24.125.170-01 Детали и сборочные единицы опор, подвесок, стяжек для линзовых компенсаторов и приводов дистанционного управления арматурой трубопроводов ТЭС и АЭС. Общие технические условия

3 Конструкция и размеры

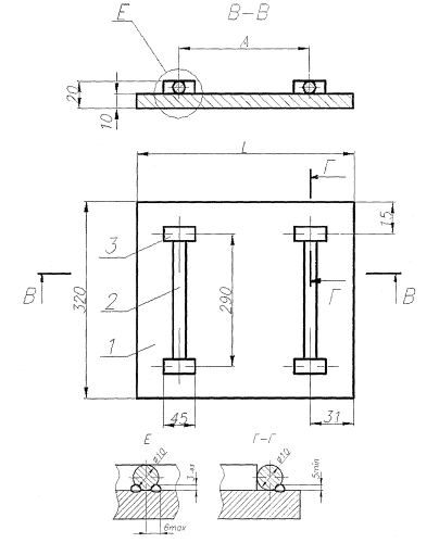
3.1 Конструкция, основные размеры и материал деталей плит должны соответствовать указанным на рисунке 1 и в таблице 1.

3.2 Маркировка и остальные технические требования по ОСТ 24.125.170.

3.3 Пример условного обозначения опорной плиты исполнения 01:

ПЛИТА ОПОРНАЯ 01 ОСТ 24.125.162

3.4 Пример маркировки: 03 ОСТ 24.125.162

1 - основание; 2 - направляющая; 3 - упор

Рисунок 1.

Таблица 1

Размеры в миллиметрах

Исполнение

А

L

Масса, кг

Основание, поз. 1, 1 шт.

Направляющая, поз. 2, 2 шт.

Упор, поз. 3, 4 шт.

Материал

01

258

320

8,8

Ст3сп5 ГОСТ 14637

Сталь 20 ГОСТ 1050

02

408

470

12,9

03

728

790

20,7

Ключевые слова: опорные плиты, трубопроводы, конструкция, размеры.

СОДЕРЖАНИЕ

 




Яндекс цитирования



   Copyright © 2007-2026,  www.tehlit.ru.

[ ѓосты, стандарты, нормативы, инструкции, правила, строительные нормы ]