//
ТехЛит.ру
- крупнейшая бесплатная электронная интернет библиотека для "технически умных" людей.
WWW.TEHLIT.RU - ТЕХНИЧЕСКАЯ ЛИТЕРАТУРА

:: Алготрейдинг::


АЛГОТРЕЙДИНГ
шаг за шагом
с нуля по урокам!

Торговые роботы на PYTHON, BackTrader,
Pandas, Pine Script для TradingView. Связка с брокерами, телеграм и легкими приложениями.


ОТКРЫТОЕ АКЦИОНЕРНОЕ ОБЩЕСТВО

ПРОЕКТНО-КОНСТРУКТОРСКИЙ И ТЕХНОЛОГИЧЕСКИЙ
ИНСТИТУТ ПРОМЫШЛЕННОГО СТРОИТЕЛЬСТВА

ОАО ПКТИпромстрой

ТЕХНОЛОГИЧЕСКАЯ КАРТА
НА ИНДУКЦИОННЫЙ ПРОГРЕВ МОНОЛИТНЫХ
КОНСТРУКЦИЙ

Введено в действие Распоряжением Управления развития Генплана
№ 6 от 07.04.98

Москва - 1997

АННОТАЦИЯ

Технологическая карта на индукционный прогрев монолитных конструкций разработана ОАО ПКТИпромстрой в соответствии с протоколом семинара-совещания «Современные технологии зимнего бетонирования», утвержденным первым заместителем премьера Правительства г. Москвы В.И. Ресиным и техническим заданием на разработку комплекта технологических карт на производство монолитных бетонных работ при отрицательных температурах воздуха, выданным управлением развития Генплана г. Москвы.

Карта содержит организационно-технологические и технические решения по индукционному прогреву монолитных конструкций, применение которых при производстве бетонных (железобетонных) работ при отрицательных температурах воздуха, должно способствовать ускорению работ, снижению затрат труда и повышению качества возводимых конструкций в зимних условиях.

В технологической карте приведены область применения, организация и технология выполнения работ, требования к качеству и приемке работ, калькуляция затрат труда, график производства работ, потребность в материально-технических ресурсах, решения по технике безопасности и технико-экономические показатели. Исходные данные и конструктивные решения, применительно к которым разработана карта, приняты с учетом требований СНиП, а также условий и особенностей, характерных для строительства в г. Москве.

Технологическая карта предназначена для инженерно-технических работников строительных и проектных организаций, а также производителей работ, мастеров и бригадиров, связанных с производством бетонных (железобетонных) работ.

Технологическую карту разработали:

Ю.А. Ярымов - гл. инженер проекта, руководитель работы, И.Ю. Томова - ответственный исполнитель, А.Д. Мягков, к.т.н. - ответственный исполнитель от ЦНИИОМТП, В.Н. Холопов, Т.А. Григорьева, Л.В. Ларионова, И.Б. Орловская, Е.С. Нечаева - исполнители.

В.В. Шахпаронов, к.т.н. - научно-методическое руководство и редактирование,

С.Ю. Едличка, к.т.н. - общее руководство разработкой комплекта технологических карт.

СОДЕРЖАНИЕ

1. ОБЛАСТЬ ПРИМЕНЕНИЯ

1.1. Областью применения индукционного прогрева монолитных конструкций в соответствии со СНиП 3.03.01-87 «Несущие и ограждающие конструкции» являются колонны, балки, прогоны, свайные ростверки, стены, перекрытия с модулем поверхности Мп = 6 - 10*, бетонирование которых производится при минимальной температуре воздуха до -15 °С.

* Модуль поверхности бетонируемой конструкции определяется отношением суммы площадей охлаждаемых поверхностей конструкции к ее объему, имеющей размерность - М-1.

1.2. Сущность индукционного прогрева монолитных конструкций заключается в использовании магнитной составляющей переменного электромагнитного поля для теплового действия электрического тока, наводимого электромагнитной индукцией.

При индукционном прогреве монолитных конструкций энергия переменного магнитного поля преобразуется в арматуре или стальной опалубке в тепловую и передается теплопроводностью бетону. Индукционный прогрев применим к конструкциям замкнутого контура, длина которых превышает размеры сечения, с густой арматурой с коэффициентом армирования более 0,5, при бетонировании которых имеется возможность обмотать их проводом (изготовить индуктор), или когда бетонирование производят в металлической опалубке.

1.3. В технологической карте приводятся:

- схемы нагревающих устройств;

- указания по подготовке конструкций к бетонированию и требования к готовности предшествующих работ и строительных конструкций;

- схема организации рабочей зоны на время производства работ;

- методы и последовательность производства работ, описание установки и подключения нагревающих устройств и осуществление с их помощью индукционного нагрева монолитных конструкций;

- электротехнические характеристики и количество витков индуктора в зависимости от температуры наружного воздуха;

- профессиональный и численно-квалификационный состав рабочих;

- график выполнения работы и калькуляция трудовых затрат;

- указания по контролю качества и приемке работ;

- решения по технике безопасности;

- потребность в необходимых материально-технических ресурсах, электротехническом оборудовании и эксплуатационных материалах;

- рекомендации по энергосбережению;

- технико-экономические показатели.

1.4. Расчет индукционного прогрева, численно-квалификационный состав рабочих, график работы и калькуляция трудовых затрат, а также потребность в необходимых ресурсах и технико-экономические показатели приведены применительно к монолитным железобетонным колоннам высотой 3 м и сечением 400 ´ 400 мм, бетонируемым в металлической опалубке.

Расчет индукционного прогрева колонн произведен с учетом следующих условий:

- температура наружного воздуха,                                                   -15 °С

- начальная температура бетона,                                                     12 °С

- скорость ветра,                                                                                5 м/с,

- прочность бетона к концу обогрева,                                             50 % R28

- температура изотермического прогрева,                                     60 °С

- скорость разогрева,                                                                         8 °С в час

Железобетонная колонна армирована 4-мя стержнями вертикальной арматуры диаметром 32 мм, а бетонирование производят в металлической опалубке, утепленной минеральной ватой (пенополистиролом) толщиной 50 мм, закрытой фанерой толщиной 3 мм.

1.5. При привязке настоящей технологической карты к бетонированию других конструкций, на которые распространяется область применения индукционного прогрева, подлежат уточнению расчетная часть, а также калькуляция затрат труда, график производства работ и потребность в материально-технических ресурсах с учетом исходных условий осуществления нагрева.

2. ОРГАНИЗАЦИЯ И ТЕХНОЛОГИЯ ВЫПОЛНЕНИЯ РАБОТ

2.1. До начала работ по индукционному прогреву монолитных конструкций выполняют следующие подготовительные операции:

устанавливают опалубку, арматуру в очередности с учетом бетонируемых конструкций, предварительно очистив от мусора, снега и наледи;

на ровной площадке на расстоянии не более 25 м от участка нагрева конструкций устанавливают комплектную трансформаторную подстанцию КТП ТО-80/86 или другие понижающие трансформаторы, используемые для этих целей;

КТП ТО-80/86 подключают к питающей сети и опробывают ее на холостом ходу, а также проверяют работу временного освещения и систем автоматики температурного регулирования;

изготавливают инвентарные секции шинопроводов (рис. 1)

на расстоянии до 1,5 м от бетонируемой конструкции устанавливают инвентарные секции шинопроводов вдоль захватки;

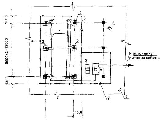
устанавливают ограждение рабочей зоны, проводят сигнализацию и освещение рабочей зоны, которая включает шесть колонн (рис. 2);

изготавливают и устанавливают в рабочее положение шаблон с пазами для размещения витков кабеля индуктора (рис. 3);

в пазы шаблонов последовательными витками навивают кабель КРПТ 1 ´ 25, соответствующий расчетной токовой нагрузке (рис. 4);

концы индуктора подсоединяют к секции шинопровода (рис. 5);

секции шинопровода подсоединяют к комплектной трансформаторной подстанции КТП ТО-80/86 кабелем марки КРПТ 3 ´ 50 (рис. 5);

рабочую зону оборудуют в соответствии с требованиями по технике безопасности и проводят инструктаж по технике безопасности.

2.2. В зависимости от температуры наружного воздуха и сечения кабеля для навивки индуктора принимают электрические параметры индукционного прогрева (табл. 1).

Электрические параметры индукционного прогрева

Таблица 1

Температура наружного воздуха

Удельная мощность индуктора Вт/см2

Напряжение питания, В

Количество витков индуктора, шт.

Сила тока, А

Сечение кабеля индуктора, мм2

1

2

3

4

5

6

-5

0,06

55

65

120

25

65

77

102

25

75

89

88

16

85

101

78

16

95

113

70

10

-10

0,07

55

61

138

35

65

72

117

25

75

83

101

25

85

94

89

16

95

105

80

16

-15

0,08

55

58

155

35

65

68

132

35

75

78

115

25

85

89

101

25

95

99

91

16

В данной карте приняты средние значения: сечение кабеля индуктора - 25 мм2, напряжение - 75 В, сила тока - 115 А, количество витков индуктора - 78.

Потребная электрическая мощность с учетом расчетной температуры наружного воздуха -15 °С и сечения кабеля 25 мм2 в соответствии с температурным режимом прогрева составит на одну колонну:

на предварительный отогрев арматуры и опалубки                 - 8,62 кВт×час;

на разогрев бетонной смеси до 60 °С                                        - 51,75 кВт×час;

на изотермический прогрев                                                        - 66,3 кВт×час;

общая потребность                                                                       - 126,67 кВт×час.

2.3. Подготовку оснований и укладку бетонной смеси производят с учетом следующих требований:

при температуре воздуха ниже -10 °С арматуру диаметром более 25 мм, а также арматуру прокатных профилей и крупные металлические закладные детали при наличии на них наледи предварительно отогревают включением индуктора. В остальных случаях допускается укладка бетонной смеси без предварительного обогрева арматуры. Удаление наледи с помощью пара или горячей воды не допускается;

укладку бетонной смеси производят непрерывно, без перевалок, средствами, обеспечивающими минимальное охлаждение смеси при ее подаче;

температура бетонной смеси, уложенной в опалубку, должна быть не ниже +5 °С. На время укладки бетонной смеси индуктор отключают.

2.4. Открытые поверхности укрывают гидроизоляцией (полиэтиленовая пленка) и теплоизоляцией (минеральная вата толщиной 50 мм) сразу после укладки бетонной смеси в конструкцию. Кроме того укрывают выпуски арматуры.

2.5. Подают напряжение на систему индукционного нагрева.

Нагрев бетонируемых колонн производят со скоростью разогрева 8 °С/час в соответствии с графиком температурного режима, приведенного ниже:

Контроль температуры обогреваемого бетона производят техническими термометрами или дистанционно с помощью термодатчиков, устанавливаемых в скважину (рис. 6 и 7).

Температуру бетона измеряют в процессе изотермического обогрева не реже чем через 2 часа.

Скорость подъема температуры не должна превышать 8 °С/час. Скорость разогрева бетонной смеси регулируют повышением или понижением напряжения на низкой стороне трансформатора. Температуру бетона в процессе разогрева необходимо контролировать не реже чем через 1 час.

2.6. Не реже двух раз в смену, а в первые три часа с начала обогрева бетона через каждый час, измеряют силу тока и напряжение в питающей цепи. Визуально проверяют отсутствие искрения в местах электрических соединений. При изменении температуры наружного воздуха в процессе обогрева конструкции выше или ниже расчетной, соответственно понижается или повышается напряжение в электрической сети.

2.7. Скорость остывания бетона по окончании тепловой обработки для конструкций с модулем поверхности Мп = 5 - 10 и выше 10 должна быть соответственно не более 5 и 10 °С/час. Один-два раза в смену замеряют температуру наружного воздуха, результаты замеров фиксируются в журнале работ.

2.8. Прочность бетона, как правило, проверяют по фактическому температурному режиму на наименее нагретых участках. Рекомендуется после распалубливания монолитной конструкции определять прочность обогретого бетона, имеющего положительную температуру с помощью молотка конструкции НИИМосстроя, ультразвуковым способом или, высверливанием и испытанием кернов.

Набор прочности бетона при различных температурах его выдерживания определяется графиком (рис. 8). Пример определения прочности бетона по графику приведены на рис. 9.

2.9. Теплоизоляция и опалубка могут быть сняты не ранее того момента, когда температура бетона в наружных слоях конструкции достигает плюс 5 °С и не позже, чем слои остынут до 0 °С. Примерзания опалубки и теплозащиты к бетону не допускается.

2.10. Для предотвращения появления трещин в бетонируемых конструкциях перепад температур между открытой поверхностью бетона и наружным воздухом не должен превышать:

20 °С - для монолитных конструкций с модулем поверхности Мп < 5;

30 °С - для монолитных конструкций с модулем поверхности Мп > 5.

В случае невозможности соблюдения указанных условий поверхность бетона после распалубливания укрывают (брезентом, толью, щитами и т.д.).

2.11. Индукционный прогрев конструкций выполняет звено из 4-х человек (таблица 2).

Распределение операций по исполнителям

Таблица 2

№ п/п

Состав звена по профессиям

Кол-во чел.

Перечень работ

1.

Электромонтер V р.

1

Подсоединения КТП ТО-80/86 к питающей сети, подсоединение шинопроводов к КТП ТО-80/86.

2.

Электромонтер III р.

1

Расстановка шинопроводов, подсоединение кабелей индукторов к секциям шинопровода.

3.

Бетонщики III р.

2

Укладка кабеля по шаблонам (изготовление индуктора). Устройство гидро-теплоизоляции.

2.12. Операции по индукционному прогреву бетонируемых конструкций выполняют в следующей последовательности:

бетонщики III р. укладывают кабель по шаблонам согласно схеме (рис. 3);

электромонтер V р. производит разделку концов жил кабеля, подсоединяет его к трансформаторной подстанции КТП ТО-80/86;

электромонтер III р. расставляет инвентарные секции шинопроводов вдоль захватки, соединяет их между собой;

после присоединения кабеля электромонтер V р. подсоединяет секции шинопроводов к трансформаторной подстанции и производит ее заземление. Он же опробывает работу трансформаторной подстанции на холостом ходу;

после этого электромонтер III р. подсоединяет кабели индукторов к секциям шинопровода;

после укладки бетона в конструкцию бетонщики III р. устраивают гидро- и теплоизоляцию открытых поверхностей;

подают напряжение на систему индукционного прогрева.

Рекомендации по энергосбережению.

2.13. В целях энергосбережения при индукционном прогреве монолитных конструкций рекомендуется:

- не допускать возможности охлаждения бетонной смеси более чем установлено технологическим расчетом, нарушения однородности и снижения заданной подвижности на месте укладки при определении средств и продолжительности транспортирования бетонной смеси;

- применять бетонные смеси возможно более высокой относительной прочности при малой продолжительности прогрева (портландцемент, быстротвердеющий портландцемент);

- применять химические добавки для сокращения продолжительности термообработки бетона и получения повышенной прочности, приобретаемой бетоном сразу после прогрева;

- применять максимально допустимую температуру термообработки бетона с учетом нарастания прочности бетона при остывании;

- надежно производить теплоизоляцию поверхностей бетона и опалубки подвергающихся охлаждению;

- соблюдать режим электрообработки;

- следить за качеством и плотностью соединений контактов кабелей;

- сохранять теплозащитные маты в сухом состоянии.

3. ТРЕБОВАНИЯ К КАЧЕСТВУ И ПРИЕМКЕ РАБОТ

3.1. Контроль качества индукционного прогрева монолитной конструкции при отрицательных температурах воздуха производят в соответствии с требованиями СНиП 3.01.01-85* «Организация строительного производства», СНиП III-4-80* «Техника безопасности в строительстве» и СНиП 3.03.01-87 «Несущие и ограждающие конструкции».

3.2. Производственный контроль качества индукционного прогрева осуществляют прорабы и мастера с участием специалистов энергетических служб строительных организаций.

3.3. Производственный контроль включает входной контроль электротехнического оборудования, эксплуатационных материалов и бетонной смеси, операционный контроль отдельных производственных процессов и приемочный контроль качества монолитной конструкции.

3.4. При входном контроле электротехнического оборудования, эксплуатационных материалов и бетонной смеси проверяют внешним осмотром их соответствие нормативным и проектным требованиям, а также наличие и содержание паспортов, сертификатов и других сопроводительных документов.

При операционном контроле проверяют соблюдение состава подготовительных операций, технологии наладки электрообогревающего оборудования и устройств, укладки бетона в тело конструкции в соответствии с требованиями СНиП, процесс индукционного прогрева, температуру, силу тока и напряжение в соответствии с расчетными данными.

Результаты операционного контроля фиксируются в журнале работ.

Основными документами при операционном контроле является настоящая технологическая карта и указанные в карте нормативные документы, а также перечни операций или процессов, контролируемых производителем работ (мастером), данные о составе, сроках и способах контроля (табл. 3).

При приемочном контроле производят проверку качества монолитной конструкции с индукционным прогревом бетона.

Скрытые работы подлежат освидетельствованию с составлением актов по установленной форме.

3.5. Контроль температурного режима при индукционном прогреве уложенного бетона производится регулярно с помощью технических термометров, устанавливаемых в скважины на глубину 10 - 20 см.

3.6. При индукционном прогреве бетонируемых колонн предельные значения скорости подъема температуры и скорости остывания бетона должны быть не выше соответственно 20 °С и 10 °С в час.

3.7. Для автоматического регулирования температуры рекомендуется применять блок-приставку автоматического регулирования температуры, разработанной ЦНИИОМТП Госстроя СССР с установкой термодатчиков (рис. 6).

3.8. Температуру бетона при индукционном прогреве замеряют каждые 2 часа во время разогрева и изотермического прогрева и 2 раза в сутки во время остывания.

3.9. Прочность бетона по окончании индукционного прогрева и остывания, которая должна быть равна 50 % R28, достигается при условии соблюдения параметров графика приведенного в п. 2.5.

3.10. Все результаты производственного контроля индукционного прогрева монолитных конструкций заносят в специальный журнал.


СОСТАВ И СОДЕРЖАНИЕ ПРОИЗВОДСТВЕННОГО КОНТРОЛЯ КАЧЕСТВА

Таблица 3

Кто контролирует

Прораб или мастер

Операции, подлежащие контролю

Операции при входном контроле

Подготовительные операции

Операции по укладке бетона в конструкцию колонн и индукционному прогреву

Операции при приемочном контроле

Состав контроля

исправность необходимого количества проводов индуктора

проверка изоляции проводов и работоспособности коммутационной аппаратуры, трансформаторов и др. электрооборудования

устройство защитного ограждения и световой сигнализации

установка и монтаж электрооборудования, проводов

очистка опалубки, арматуры от снега, наледи утепление конструкции

укладка бетона в конструкцию

контроль величины силы тока и напряжения питающей цепи

контроль температуры бетона

контроль прочности бетона

проверка соответствия готовых колонн требованиям проекта

Методы контроля

визуально-инструментальная проверка

визуально-инструментальная проверка

визуальная и по приборам

визуально-инструментальная

Время контроля

до укладки бетона в опалубку

во время укладки бетона и электрообогрева

после электрообогрева

Кто привлекается к контролю

энергетик строительной организации

 

лаборатория

лаборатория


4. КАЛЬКУЛЯЦИЯ ЗАТРАТ ТРУДА

Калькуляция затрат труда составлена на индукционный прогрев 6-ти колонн сечением 400 ´ 400 мм, высотой 3 м общим объемом 2,9 м3.

Таблица 4

Обоснование

Наименование работ

Ед. изм.

Объем работ

Норма времени, чел.-час

Затраты труда чел.-час

Состав звена

1

2

3

4

5

6

7

ЕНиР 1987

§ Е23-6-2 п. 35

Установка трансформаторной подстанции

1 шт.

1 шт.

2,5

2,5

Электромонтеры

V р. - 1 чел.

III p. - 1 чел.

Опытные данные ЦНИИОМТП

Установка сетчатого ограждения, плакатов по технике безопасности, сигнальных лампочек

м2

75

0,1

7,5

Бетонщик

III р. - 1 чел.

Электромонтер

III р. - 1 чел.

ЕНиР 1987

§ Е1-19 п. 2

Переноска и установка инвентарных секций шинопровода (при массе секций 10 кг, 6 шт.)

т

0,06

1,2

0,072

Электромонтер

III р. - 1 чел.

Опытные данные ЦНИИОМТП

Изготовление и установка деревянных шаблонов для устройства индуктора (сеч. 50 ´ 50, h = 3,0 м)

шт.

24

0,35

8,0

Бетонщик

III р. - 2 чел.

Опытные данные ЦНИИОМТП

Укладка (навивка) кабеля вокруг колонны по шаблонам

100м

9,3

0,55

5,11

Бетонщик

III р. - 2 чел.

ЕНиР 1987

§ Е23-6-16 п. 3

Присоединение кабеля к секциям шинопровода

100 концов

0,36

7,5

2,0

Электромонтер

V р. - 1 чел.

ЕНиР 1987

§ Е23-6-16 п. 3

Присоединение к сети трансформатор ной подстанции секций шинопроводов

100 концов

0,2

7,5

150

Электромонтер

V р. - 1 чел.

ЕНиР 1987

§ Е23-4-14 табл. 3 п. 2

Проверка состояния изоляции кабеля мегоме гром

1 кабель

3

0,24

0,72

Электромонтер

V р. - 1 чел.

ЕНиР 1987

§ Е23-6-16 п. 3

Отсоединение кабеля от шинопроводов, трансформаторной подстанции

100 концов

0,56

7,5

4,2

Электромонтер

III р. - 1 чел.

Опытные данные ЦНИИОМТП

Снятие индуктора

100 м

9,3

0,55

5,11

Бетонщик

III р. - 2 чел.

ЕНиР 1987

Е4-1-54; п. 10

Е4-1-34 п. 10: табл. 3 п. 2 «а»

Устройство теплоизоляции минераловатными плитами - 50 мм (с закрытием их фанерой - 3 мм) по плоскостям колонн

100 м2

0,3

40,21

12,0

Бетонщик

III р. - 2 чел.

Тарифно-квалификационный справочник

Индукционный прогрев бетонной смеси (в т.ч. изотермический прогрев)

час

16

1

16

Электомонтер

III р. - 1 чел.

ЕНиР 1987

Е4-1-54 п. 12

Е4-1-34 табл. 3 п. 2Б

Снятие укрытия теплоизоляции

100 м2

0,3

15,22

4,6

Бетонщик

III р. - 2 чел.

Тарифно-квалификационный справочник

Предварительный отогрев арматуры и опалубки

час

1

1

1

Электромонтер

III р. - 1 чел.



6. ПОТРЕБНОСТЬ В МАТЕРИАЛЬНО-ТЕХНИЧЕСКИХ РЕСУРСАХ

Таблица 5

№ п/п

Наименование

Марка (ГОСТ, ТУ)

Ед. изм.

Кол-во

Техническая характеристика

1.

Комплектная трансформаторная подстанция

КТП ТО-80/86

шт.

1

Мощность - 80 кВт

Макс. ток - 490 А,

напряжение - 55, 65, 75, 85, 95 В

2.

Кабель

КРПТ - 3 ´ 25 + 1 ´ 16

м

25

 

КРПТ - 3 ´ 50

50

КРПТ - 1 ´ 25

 

930

3.

Инвентарные секции шинопроводов

-

шт.

6

Длина секции - 1,5 м

4.

Пиломатериалы

 

м3

0,25

Доска d = 40 мм

Брус d = 50 мм

5.

Гвозди

-

кг

2,0

Длина - 100 мм

6.

Инвентарное сетчатое ограждение

ГОСТ 23407-78

п.м.

60

h = 1,2 м

7.

Диэлектрические перчатки

Т У38-106359-79

пар.

2

 

галоши

пар.

2

коврик

шт.

1

8.

Противопожарный щит

-

шт.

1

С углекислотными огнетушителями

9.

Прожектор

-

шт.

2

Мощность - 1000 Вт

10.

Изоляционная лента

-

кг

0,2

 

11.

Токоизмерительные клещи

Ц-91

шт.

1

 

12.

Ртутные термометры

-

шт.

6

предел измерения

t = 140 - 100 °С

13.

Полиэтиленовая пленка Тс 0,1 ´ 1400

ГОСТ 10354-82

м2

1,50

толщина d = 0,1 мм

ширина В = 1,4 м

14.

Минеральная вата d = 50 мм

ГОСТ 9573-82

Марка - 50

м2

30

1150-1000.1000.50

15.

Фанера d = 3 мм

 

м2

30

толщина d = 3 мм

7. РЕШЕНИЯ ПО ТЕХНИКЕ БЕЗОПАСНОСТИ

7.1 При производстве работ, связанных с индукционным прогревом монолитных конструкций и применением силового питающего электрооборудования помимо требований общих правил безопасного производства работ согласно СНиП III-4-80* «Техника безопасности в строительстве» следует руководствоваться «Правилами технической эксплуатации и безопасности электроустановок промышленных предприятий».

7.2 Электробезопасность на строительной площадке, участках производства работ и рабочих местах необходимо обеспечивать в соответствии с требованиями ГОСТ 12.1.013-78 «Строительство. Электробезопасность. Общие требования». Лица занятые на строительно-монтажных работах, должны быть обучены безопасным способам ведения работ, а также уметь оказать первую доврачебную помощь при электротравме.

7.3 В строительно-монтажной организации должен быть назначен инженерно-технический работник, ответственный за безопасную эксплуатацию электрохозяйства организации, имеющего квалификационную группу по технике безопасности не ниже IV.

7.4 При устройстве электрических сетей следует предусматривать возможность отключения всех электроустановок в пределах отдельных участков и объектов производства работ.

7.5 Работы, связанные с присоединением (отсоединением) проводов, должны выполняются специалистами по электротехнике, имеющими соответствующую квалификационную группу по технике безопасности.

7.6 В течение всего периода эксплуатации электроустановок на строительных площадках должны быть установлены знаки безопасности в соответствии с ГОСТ 12.4.026.76

7.7 Технический персонал, проводящий индукционный прогрев бетона, должен пройти обучение и проверку знаний квалификационной комиссией по технике безопасности с получением соответствующих удостоверений. Дежурные электромонтеры должны иметь квалификацию не ниже III группы.

7.8 Рабочие, занятые на индукционном прогреве бетона должны быть, снабжены резиновыми сапогами или диэлектрическими галошами, а электромонтеры, кроме того, резиновыми перчатками. Подключение прогревательных проводов необходимо производить при отключенном напряжении.

7.9 Зона, где производится индукционный прогрев бетона должна быть ограждена, на видном месте помещены предупредительные плакаты, правила по технике безопасности, противопожарные средства. В ночное время ограждение зоны должно быть освещено, для чего на нем устанавливаются красные лампочки, автоматически загорающиеся при подаче напряжения в линию обогрева.

7.10 Все металлические токоведущие части электрооборудования и арматуру следует надежно заземлить, присоединив к ним нулевой провод питающего кабеля. При использовании защитного контура заземления перед включением напряжения необходимо проверить сопротивление контура, которое должно быть не более 4 Ом.

Около трансформаторов, рубильников и распределительных щитков должны быть установлены настилы, покрытые резиновыми ковриками.

7.11 Проверку сопротивления изоляции проводов с помощью мегомметра производит персонал, квалификационная группа которого по технике безопасности не ниже III.

Концы проводов, которые могут оказаться под напряжением, необходимо изолировать или оградить.

Участок электрообогрева бетона должен постоянно находиться под надзором дежурного электрика.

Запрещается:

1. Доступ посторонних лиц в зону производства работ.

2. Использовать в качестве заземления водопроводную сеть.

3. Производить работы в сырую погоду и при сильном снегопаде.

4. Размещать легковоспламеняющиеся материалы вблизи прогреваемых конструкций.

5. Заливать водой очаг пожара до отключения напряжения на участках электротермообработки.

8. Технико-экономические показатели

Наименование

Ед. измерения

На шесть колонн

На 1 м3 бетона

Затраты труда

чел. час

67,55

22,5

Расход электроэнергии

кВтч

760

263

Рис. 1. Инвентарная секция шинопроводов (крайняя секция):

1 - разъем; 2 - деревянная стойка; 3 - болты; 4 - токопроводы (полоса 3 ´ 40 мм)

Рис. 2. Организация рабочей зоны электрообогрева

1 - инвентарная трехфазная секция шинопроводов; 2 - индуктор; 3 - прожектор; 4 - трансформаторная подстанция КТП-ТО-80/86; 5 - диэлектрический коврик; 6 - инвентарное ограждение; 7 - сигнальная лампочка красного цвета

Рис. 3. Устройство индуктора

Рис. 4. Принципиальная схема индуктора

Рис. 5. Электрическая схема индукционного нагрева колонн

Рис. 6. Расстановка температурных скважин при термообработке колонн

Рис. 7. Установка термодатчика в обогреваемой конструкции

1 - монолитная конструкция; 2 - утеплитель;

3 - пенал из тонкостенной стальной трубки;

4 - индустриальное масло; 5 - термодатчик

Рис. 8. Кривые набора прочности бетоном при различных температурах его выдерживания:

а, в - для бетона класса В25 на портландцементе активностью 400 - 500;

б, г - для бетона класса В25 на шлакопортландцементе активностью 300 - 400

Пример: Определить прочность бетона в конструкции с Мп = 4 на портландцементе марки 400 при скорости подъема температуры 10 °С в час, температуре изотермического прогрева 70 °С, его продолжительности 12 ч и остывании со скоростью 5 °С в час до конечной температуры 8 °С.

Решение:

1. Определить величину относительной прочности за период подъема температуры

продолжительность подъема температуры

при средней температуре

Для этого из точки «А» (см. график) проводим перпендикуляр до пересечения с кривой прочности при 40 °С (точка «Б»).

Величина прочности за время подъема температуры определяется проекцией точки «Б» на ось ординат (точка «В») и составляет 15 %.

Определяем прирост относительной прочности при изотермическом прогреве за 12 часов как проекцию участка (точки «Л» и «К») кривой прочности при 70 °С (отрезок «ВЗ»), что соответствует 46 % R28.

Определяем прирост прочности бетона за 12 часов остывания по кривой прочности при 38 °С как проекцию участка «ЖГ» на ось ординат. Отрезок «ЗИ» соответствует 9 % R28.

За весь цикл термообработки бетон приобретает прочность 15 + 46 + 9 = 70 % R28.

Для каждого конкретного состава бетона строительной лабораторией должен быть уточнен на опытных образцах-кубах оптимальный режим выдерживания.

Рис. 9. Пример определения прочности бетона по графику

ЛИТЕРАТУРА

1. СНиП 3.01.01-85* «Организация строительного производства».

2. СНиП 3.03.01-87 «Несущие и ограждающие конструкции».

3. СНиП III-4-80* «Техника безопасности в строительстве».

4. Пособие по электрообогреву бетона монолитных конструкций (к СНиП III-15-76) НИИЖБ Госстроя СССР, Москва, Стройиздат, 1985 г.

5. Руководство по электротермообработке бетона. НИИЖБ Госстроя СССР, Москва, Стройиздат, 1974 г.

6. Руководство по производству бетонных работ в зимних условиях, районах Дальнего Востока, Сибири и Крайнего Севера. ЦНИИОМТП Госстроя СССР, Москва, Стройиздат, 1982 г.

7. Временные указания по индукционному нагреву железобетонных конструкций (ВСН-22-68). Техническое управление Главмосстроя, Москва, 1969 г.




Яндекс цитирования



   Copyright © 2007-2026,  www.tehlit.ru.

[ ѓосты, стандарты, нормативы, инструкции, правила, строительные нормы ]