|
| |
ТИПОВЫЕ ТЕХНОЛОГИЧЕСКИЕ КАРТЫ НА
ПРОИЗВОДСТВО
ОТДЕЛЬНЫХ ВИДОВ РАБОТ
РАЗДЕЛ
01
ТИПОВАЯ
ТЕХНОЛОГИЧЕСКАЯ КАРТА
НА ЗЕМЛЯНЫЕ И БУРОВЗРЫВНЫЕ РАБОТЫ
1.01.01.72
КОМПЛЕКСНО-МЕХАНИЗИРОВАННЫЙ ПРОЦЕСС
УСТРОЙСТВА КОТЛОВАНА ПОД ФУНДАМЕНТЫ
ОБОРУДОВАНИЯ В ГРУНТАХ И ГРУППЫ
ПРИ РЕКОНСТРУКЦИИ ПРОМЫШЛЕННЫХ ЗДАНИЙ
В СТЕСНЕННЫХ УСЛОВИЯХ
МОСКВА - 1989
|
РАЗРАБОТАНА
|
ОДОБРЕНА
|
|
ВНИПИИСТРОМСЫРЬЕ
|
Отделом
организации и технологии
строительного
производства Госстроя СССР
|
|
Главный инженер института
|
Р.
А. Родин
|
Письмо от
14.09.1988 г. № 23-532
|
|
Главный инженер
проекта
|
В. Н. Бауман
|
Введена
в действие с 1.01.1989 г.
|
1.1. Типовая технологическая карта рекомендуется
для использования при устройстве котлованов под фундаменты оборудования
глубиной до 5,0 м и объемом работ до 5000 м3 при реконструкции
промышленных зданий в стесненных условиях.
1.2. Карта может быть использована для
грунтов I - III групп.
1.3. В данной карте приведен пример
разработки котлована с параметрами:
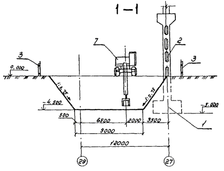
длина
- 110 м, ширина - 12 м, глубина - 4,5 м, заложение откосов 1:0,75.
1.4. Строительство осуществляется в средней
зоне СССР при положительных температурах воздуха.
1.5. При привязке технологической карты к
конкретному объекту и условиям строительства необходимо скорректировать объемы
работ, группы грунтов, график производства работ и калькуляцию затрат труда,
средства малой механизации с учетом наличия парка землеройных механизмов.
2.1. Настоящий комплексно-механизированный
технологический процесс состоит из подготовительных и основных операций.
2.2. К подготовительным операциям
относятся:
разбивка
осей, контуров котлована и землевозных автодорог; демонтаж существующего
оборудования; разборка пола; установка ограждения по контуру котлована и
землевозных автодорог в пределах действующего цеха; устройство освещения мест
разработки грунта.
2.3. К основным операциям относится
разработка грунта в котловане.
2.4. Состав вариантов комплексов машин,
применяемых для основного процесса.
Таблица
1
|
Технологическая
операция
|
Варианты комплексов машин
|
|
1
|
2
|
3
|
4 (аналог)
|
|
Разработка
грунта в котловане
|
Экскаватор
ЭО-4321А, оборудованный обратной лопатой и ковшом (0,65 м3) с зачистным устройством.
Автомобили-самосвалы ЗИЛ-ММЗ-555. Бульдозер ДЗ-110А. Автогрейдер ДЗ-31-1
|
Экскаватор
ЭО-4121Б, оборудованный обратной лопатой и ковшом (0,65 м3) с зачистным
устройством. Автомобили-самосвалы ЗИЛ-ММЗ-555. . Бульдозер ДЗ-110А.
Автогрейдер ДЗ-31-1
|
Экскаватор
ЭО-3322Б, оборудованный обратной лопатой и ковшом (0,5 м3) с зачистным
устройством. Автомобили-самосвалы ЗИЛ-ММЗ-555. Бульдозер ДЗ-110А. Автогрейдер ДЗ-31-1
|
Экскаватор
ЭО-4111В, оборудованный обратной лопатой и ковшом (0,65 м3) с
зачистным устройством. Автомобили-самосвалы ЗИЛ-ММЗ-555. Бульдозер ДЗ-110А.
Автогрейдер ДЗ-31-1
|
Ведущими машинами в комплексе машин
являются:
в
варианте 1 - экскаватор ЭО-4321А, оборудованный обратной лопатой;
в
варианте 2 - экскаватор ЭО-4121Б, оборудованный обратной лопатой;
в
варианте 3 - экскаватор ЭО-3322Б, оборудованный обратной лопатой;
в
варианте 4 - экскаватор ЭО-4111В, оборудованный обратной лопатой
2.5. Технология производства работ для
варианта 1.
Разработка
грунта в котловане производится экскаватором ЭО-4321А, оборудованным обратной
лопатой. Грунт грузится на автомобили-самосвалы ЗИЛ-ММЗ-555 и вывозится в отвал
на расстояние 2 км. Движение автомобилей-самосвалов должно быть односторонним.
К месту погрузки автомобили-самосвалы подаются задним ходом.
Землевозные
дороги, по которым транспортируется груз, должны постоянно поддерживаться в
исправном состоянии автогрейдером ДЗ-31-1.
2.6. Разработка грунта в котловане
выполняется (при работе в одну смену) для варианта № следующим составом:
машинисты
экскаватора 6 разряда - 1;
машинисты
бульдозера 6 разряда - 1;
машинист
автогрейдера 6 разряда - 1.
2.7. Контроль качества выполняемых работ.
Таблица
2
|
Наименование
операций, подлежащих контролю
|
Контроль качества
выполнения операций
|
|
Производителем
работ
|
Мастером
|
Состав
|
Инструмент, способ
|
Время
|
Привлекаемые
службы
|
|
Разбивка контура котлована
|
-
|
Точность выноса
|
Теодолит, стальная рулетка
|
До начала разработки грунта
|
Геодезическая
|
|
|
Разработка грунта в котловане
|
Геометрические размеры в плане,
высотные отметки, крутизна откосов, повреждаемость существующих фундаментов и
конструкций
|
Нивелир, стальная рулетка, уклономер,
откосник, шаблон. Визуально
|
В процессе устройства котлована
|
Геодезическая
|
3.1. При разработке грунта в котловане
необходимо руководствоваться требованиями СНиП III-4-80 «Техника
безопасности в строительстве»; ГОСТ
12.1.013-78; ГОСТ 12.1.004-76 и ГОСТ
23407-78.
3.2. Перед началом работ на территории
действующего цеха необходимо оформить акт-допуск по форме согласно СНиП III-4-80
приложение 3.
3.3. Место работы строительных машин и
транспортных средств, проходы для людей необходимо оградить с вывешиванием
предупредительных знаков «Опасная зона».
3.4. Во время работы в стесненных условиях
необходимо следить, чтобы расстояние между существующими конструкциями и
выступающими частями строительных машин были не менее 1,0 м.
3.5. Перед началом движения строительных
машин и транспортных средств должен быть подан звуковой сигнал.
3.6. При движении автомобилей-самосвалов в
действующем цехе должны быть включены габаритные огни.
3.7. Скорость движения
автомобилей-самосвалов ограничивается до 5 км/ч.
В
соответствии с принятыми вариантами комплексов машин (табл. 1) и на
основании калькуляции затрат труда в табл. 3 приведены сравнительные
технико-экономические показатели эффективности вариантов.
Таблица
3
|
Наименование
показателей
|
Варианты комплексов механизации работ
|
|
1
|
2
|
3
|
4 (аналог)
|
|
Объем
работ, м3
|
3500
|
3500
|
3500
|
3500
|
|
Общая
трудоемкость, чел. дн.
|
68,43
|
64,57
|
76,53
|
71,41
|
|
То
же, на 1000 м3 грунта, чел.-ч
|
160,32
|
151,28
|
179,30
|
167,30
|
|
Затраты машинного времени на весь объем работ,
маш.-смен
|
80,67
|
80,64
|
105,00
|
89,64
|
|
Продолжительность процесса при двухсменной
работе
|
6,72
|
5,76
|
8,75
|
7,47
|
|
Выработка
на 1 маш.-ч, м3
|
5,29
|
5,29
|
4,06
|
4,76
|
|
Стоимость
затрат труда на весь объем работ, руб.
|
597-83
|
550-44
|
713-32
|
640-21
|
|
То
же, на 1000 м3 грунта,
руб.
|
170-81
|
157-27
|
203-81
|
182-92
|
|
Приведенные
затраты на весь объем работ, руб.
|
4112-50
|
3727-50
|
4522-00
|
4249-00
|
|
То
же, на 1000 м3 грунта,
руб.
|
1175-00
|
1065-00
|
1292-00
|
1214-00
|
|
Эффективность
в сравнении с аналогом на 1000 м3 грунта, руб.
|
+39-00
|
+149-00
|
-78-00
|
-
|
|
Прямые
затраты на 1000 м3 грунта, руб.
|
1019
|
950
|
1130
|
1073
|
4.1. Потребность в машинах, оборудовании,
инструментах, инвентаре и приспособлениях приведена в табл. 4
Таблица
4
|
Наименование
машин, оборудования, инструментов и приспособлений
|
Тип
|
Марка, ГОСТ
|
Количество машин для вариантов механизации, шт.
|
Техническая характеристика
|
|
1
|
2
|
3
|
4
|
|
Экскаватор
универсальный
|
Одноковшовый,
гидравлический на пневмоколесном ходу
|
ЭО-4321А, 22894-77
|
1
|
-
|
-
|
-
|
Оборудован
обратной лопатой. Ковш-0,65 м3
|
|
Экскаватор
универсальный
|
Одноковшовый,
гидравлический на гусеничном ходу
|
ЭО-4121Б,
22894-77
|
-
|
1
|
-
|
-
|
Оборудован
обратной лопатой. Ковш-0,65 м3
|
|
Экскаватор
универсальный
|
Одноковшовый,
гидравлический на пневмоколесном ходу
|
ЭО-3322Б,
22894-77
|
-
|
-
|
1
|
-
|
Оборудован
обратной лопатой. Ковш-0,5 м3
|
|
Экскаватор
универсальный
|
Одноковшовый,
канатный на гусеничном ходу
|
ЭО-4111В,
17343-83
|
-
|
-
|
-
|
1
|
Оборудован
обратной лопатой. Ковш-0,65 м3
|
|
Бульдозер
с неповоротным отвалом, управление гидравлическое
|
На
тракторе класса 10 т
|
ДЗ-110А
|
1
|
1
|
1
|
1
|
Трактор
Т-130.1.Г-1, длина отвала 3220 мм
|
|
Автогрейдер
|
Среднего
типа, самоходный
|
ДЗ-31-1,
9420-79
|
1
|
1
|
1
|
1
|
Мощность
двигателя 96 кВт, длина отвала 3700 мм
|
|
Автомобиль-самосвал
|
Двухосный
|
ЗИЛ-ММЗ-555
|
3
|
4
|
3
|
3
|
Грузоподъемность
5,25 т
|
|
Теодолит
|
|
Т-15,
10529-86
|
1
|
1
|
1
|
1
|
|
|
Нивелир
|
|
Н-10,
10528-76
|
1
|
1
|
1
|
1
|
|
|
Рейка
нивелирная
|
|
РН-10,
11158-83
|
2
|
2
|
2
|
2
|
|
|
Вешка геодезическая
|
Стандартная
|
|
3
|
3
|
3
|
3
|
|
|
Рулетка измерительная металлическая
|
Стандартная
|
РС-200,
7502-80
|
1
|
1
|
1
|
1
|
|
|
Рейка трехметровая с уровнем
|
|
|
1
|
1
|
1
|
1
|
|
4.2.
Потребность в эксплуатационных материалах приведена в табл.
5.
Таблица
5
|
Наименование
эксплуатационных материалов
|
Норма на час работы машины, кг
|
Количество на принятый
объем работ по вариантам, кг
|
|
1
|
2
|
3
|
4
|
|
Экскаватор
ЭО-4321А
|
|
|
|
|
|
|
Дизельное
топливо
|
3,50
|
386,02
|
|
|
|
|
Бензин
|
0,10
|
11,03
|
|
|
|
|
Моторное
масло
|
0,17
|
18,75
|
|
|
|
|
Трансмиссионное
масло
|
0,02
|
2,21
|
|
|
|
|
Консистентная
смазка
|
0,10
|
11,03
|
|
|
|
|
Экскаватор
4121Б
|
|
|
|
|
|
|
Дизельное
топливо
|
5,50
|
|
519,53
|
|
|
|
Бензин
|
0,16
|
|
15,11
|
|
|
|
Моторное масло
|
0,27
|
|
25,50
|
|
|
|
Трансмиссионное масло
|
0,03
|
|
2,83
|
|
|
|
Консистентная смазка
|
0,16
|
|
15,11
|
|
|
|
Экскаватор
ЭО-3322Б
|
|
|
|
|
|
|
Дизельное
топливо
|
4,30
|
|
|
617,05
|
|
|
Бензин
|
0,12
|
|
|
16,22
|
|
|
Моторное
масло
|
0,21
|
|
|
30,14
|
|
|
Трансмиссионное
масло
|
0,02
|
|
|
2,87
|
|
|
Консистентная
смазка
|
0,12
|
|
|
17,22
|
|
|
Экскаватор
ЭО-4111В
|
|
|
|
|
|
|
Дизельное
топливо
|
5,70
|
|
|
|
698,31
|
|
Бензин
|
0,17
|
|
|
|
20,83
|
|
Моторное масло
|
0,28
|
|
|
|
34,30
|
|
Трансмиссионное
масло
|
0,03
|
|
|
|
3,68
|
|
Консистентная
смазка
|
0,17
|
|
|
|
20,83
|
|
Бульдозер
ДЗ-110А
|
|
|
|
|
|
|
Дизельное
топливо
|
7,70
|
94,09
|
94,09
|
94,09
|
94,09
|
|
Бензин
|
0,23
|
2,81
|
2,81
|
2,81
|
2,81
|
|
Моторное масло
|
0,37
|
4,52
|
4,52
|
4,52
|
4,52
|
|
Трансмиссионное
масло
|
0,10
|
1,22
|
1,22
|
1,22
|
1,22
|
|
Консистентная смазка
|
0,08
|
0,98
|
0,98
|
0,98
|
0,98
|
|
Автогрейдер
ДЗ-31-1
|
|
|
|
|
|
|
Дизельное топливо
|
5,20
|
573,51
|
491,19
|
746,20
|
637,05
|
|
Бензин
|
0,16
|
17,65
|
15,11
|
22,96
|
19,60
|
|
Моторное
масло
|
0,25
|
27,57
|
23,62
|
35,83
|
30,63
|
|
Трансмиссионное масло
|
0,07
|
7,72
|
6,61
|
10,04
|
8,57
|
|
Консистентная
смазка
|
0,06
|
6,62
|
5,67
|
8,61
|
7,35
|
|
Автомобиль-самосвал ЗИЛ-ММЗ-555
|
|
|
|
|
|
|
|
|
|
|
|
|
Бензин
|
6,80
|
2232,64
|
2232,64
|
2232,64
|
2232,64
|
|
Автомобильное масло
|
0,02
|
6,57
|
6,57
|
6,57
|
6,57
|


1 -
существующий фундамент;
2 - существующая колонна;
3 - ограждающий забор;
4 -
автодорога для движения порожних автомобилей-самосвалов;
5 - автодорога
для движения груженых автомобилей-самосвалов;
6 - разворотная площадка для автомобилей-самосвалов;
7 - экскаватор ЭО-4321 с оборудованием обратная лопата;
8 -
автомобиль-самосвал ЗИЛ-ММЗ-555;
9 - ось проходки экскаватора;
10 -
ось движения автомобилей-самосвалов

Примечание.
Здесь и далее пунктирная линия указывает на неполное использование механизмов в
течение смены
|
Наименование
работ
|
Обоснование
(ЕНиР и др.)
|
Единица
измерения
|
Объем
работ
|
Норма
времени на единицу измерения, чел.-ч/ маш.-ч
|
Затраты
труда на весь объем работ, чел.-дн./ маш.-смен
|
Время
пребывания машины на объекте, маш.-смен
|
Расценка
на единицу измерения, руб.-коп.
|
Стоимость
затрат на весь объем работ, руб.-коп.
|
Стоимость
затрат с учетом пребывания машины на объекте, руб.-коп.
|
|
Разработка
грунта I группы экскаватором ЭО-4321А,
оборудованным обратной лопатой, с погрузкой на автомобили-самосвалы
|
ЕНиР
§Е2-1-11, т. 7, п. 4б, К1 = 1,05; К2 = 1,1; К3 =
1,05
|
100 м3
|
35,0
|
3,15
3,15
|
13,45
13,45
|
13,45
|
3-35
|
117-25
|
117-25
|
|
Транспортирование
грунта автомобилями-самосвалами ЗИЛ-ММЗ-555 на расстояние 2 км
= 1,75 т/м3
|
ЕНВХ
К1 = 1,05
|
100 т
|
61,25
|
5,36
5,36
|
40,04
40,04
|
40,32
|
4-02
|
246-23
|
246-44
|
|
Работа
бульдозера ДЗ-110А на отвале в грунте II
группы
|
ЕНиР
§Е2-1-22, т. 2, п. 5б, прим. п. 3, К = 0,85
|
100 м3
|
35,0
|
0,35
0,35
|
1,49
1,49
|
13,45
|
0-37
|
12-95
|
116-91
|
|
Ремонт и содержание
дорог автогрейдером ДЗ-31-1 при транспортировании грунта
|
ЕНиР §Е17-20,
п. 15
|
1 км
|
100,2
|
1,10
1,10
|
13,45
13,45
|
13,45
|
1-17
|
117-23
|
117-23
|
|
ИТОГО:
|
68,43
68,43
|
80,67
|
-
|
493-66
|
597-83
|
Примечания: Здесь и далее. 1. ЕНВХ - «Единые нормы времени на
перевозку грузов автомобильным транспортом и сдельные расценки для оплаты труда
водителей»;
2.
К1 - коэффициент на стесненные условия работы;
К2
- коэффициент, учитывающий работу экскаватора с углом поворота стрелы свыше 135° (ЕНиР
Е2 технич. часть гл. 1 п. 8);
К3
- коэффициент, учитывающий работу экскаватора с зачистным устройством (Данные
ЦНИИОМТП)

|
Наименование работ
|
Обоснование (ЕНиР
и др.)
|
Единица измерения
|
Объем
работ
|
Норма времени на
единицу измерения, чел.-ч/ маш.-ч
|
Затраты труда на
весь объем работ, чел.-дн./ маш.-смен
|
Время пребывания
машины на объекта, маш.-смен
|
Расценка
на единицу измерения, руб.-коп.
|
Стоимость
затрат на весь объем работ, руб.-коп.
|
Стоимость затрат с
учетом пребывания машины на объекте, руб.-коп.
|
|
Разработка грунта II группы
экскаватором ЭО-4121Б, оборудованным обратной лопатой, с погрузкой на
автомобили-самосвалы
|
ЕНиР §Е2-1-11, т. 7, п. 5б, К1 = 1,05; К2 =
1,1; К3 = 1,05
|
100
м3
|
35,0
|
2,70
2,70
|
11,52
11,52
|
11,52
|
2-83
|
99-05
|
99-05
|
|
Транспортирование грунта
автомобилями-самосвалами ЗИЛ-ММЗ-555 на расстояние 2 км
=
1,75 т/м3
|
ЕНВХ К1 = 1,05
|
100
т
|
61,25
|
5,36
5,36
|
40,04
40,04
|
46,08
|
4-02
|
246-23
|
250-76
|
|
Работа бульдозера ДЗ-110А на отвале в
грунте II
группы
|
ЕНиР §Е2-1-22, т. 2, п. 5б, прим. п. 3
К = 0,85
|
100
м3
|
35,0
|
0,35
0,35
|
1,49
1,49
|
11,52
|
0-37
|
12-95
|
100-13
|
|
Ремонт и содержание дорог автогрейдером
ДЗ-31-1 при транспортировании грунта
|
ЕНиР §Е17-20, п. 15
|
1 км
|
85,9
|
1,10
1,10
|
11,52
11,52
|
11,52
|
1-17
|
100-50
|
100-50
|
|
ИТОГО:
|
64,57
64,57
|
80,64
|
-
|
458-73
|
550-44
|

|
Наименование работ
|
Обоснование (ЕНиР
и др.)
|
Единица измерения
|
Объем работ
|
Норма времени на
единицу измерения, чел.-ч/ маш.-ч
|
Затраты труда на
весь объем работ, чел.-дн./ маш.-смен
|
Время пребывания
машины на объекте, маш.-смен
|
Расценка на
единицу измерения, руб.-коп.
|
Стоимость затрат
на весь объем работ, руб.-коп.
|
Стоимость затрат с
учетом пребывания машины на объекте, руб.-коп.
|
|
Разработка грунта II группы экскаватором
ЭО-3322В оборудованным обратной лопатой, с погрузкой на автомобили-самосвалы
|
ЕНиР §Е2-1-11, т. 7, п. 3б, К1
= 1,05; К2 = 1,1; К3 = 1,05
|
100
м3
|
35,0
|
4,10
4,10
|
17,50
17,50
|
17,5
|
4-37
|
152-95
|
152-95
|
|
Транспортирование грунта автомобилями-самосвалами
ЗИЛ-ММЗ-555 на расстояние 2 км
=
1,75 т/м3
|
ЕНВХ
|
100
т
|
61,25
|
5,36
5,36
|
40,04
40,04
|
52,50
|
4-02
|
246-23
|
255-58
|
|
Работа бульдозера ДЗ-110А на отвале в
грунте II
группы
|
ЕНиР §Е2-1-22, т. 2, п. 5б прим. п. 3 К
= 0,85
|
100
м3
|
35,0
|
0,35
0,35
|
1,49
1,49
|
17,50
|
0-37
|
12-95
|
152-11
|
|
Ремонт и содержание дорог автогрейдером
ДЗ-31-1 при транспортировании грунта
|
ЕНиР §Е17-20,
п. 15
|
1 км
|
130,5
|
1,10
1,10
|
17,50
17,50
|
17,50
|
1-17
|
152-68
|
152-68
|
|
ИТОГО:
|
76,53
76,53
|
105-00
|
-
|
564-81
|
713-32
|

|
Наименование работ
|
Обоснование (ЕНиР
и др.)
|
Единица измерения
|
Объем
работ
|
Норма времени на единицу
измерения, чел.-ч/ маш.-ч
|
Затраты труда на
весь объем работ, чел.-дн./ маш.-смен
|
Время пребывания
машины на объекте, маш.-смен
|
Расценка
на единицу измерения, руб.-коп.
|
Стоимость
затрат на весь объем работ, руб.-коп.
|
Стоимость затрат с
учетом пребывания машины на объекте, руб.-коп.
|
|
Разработка грунта II группы
экскаватором оборудованным обратной лопатой, с погрузкой на
автомобили-самосвалы
|
ЕНиР §Е2-1-11, т. 3, п. 5б, К1 = 1,05; К2 =
1,1; К3 = 1,05
|
100
м3
|
35,0
|
3,5
3,5
|
14,94
14,94
|
14,94
|
3-72
|
130-20
|
130-20
|
|
Транспортирование грунта
автомобилями-самосвалами ЗИЛ-ММЗ-565 на расстояние 2 км
=
1,75 т/м3
|
ЕНВХ К1 = 1,05
|
100
т
|
61,25
|
5,36
5,36
|
40,04
40,04
|
44,82
|
4-02
|
246-23
|
249-81
|
|
Работа бульдозера ДЗ-110А на отвале в
грунте II
группы
|
ЕНиР §Е2-1-22, т. 2, п. 5б, прим. п. 3, к
= 0,85
|
100
м3
|
35,0
|
0,35
0,35
|
1,49
1,49
|
14,94
|
0-37
|
12-95
|
129-86
|
|
Ремонт и содержание дорог автогрейдером
ДЗ-31-1 при транспортировании грунта
|
ЕНиР §Е17-20, п. 15
|
1 км
|
11,4
|
1,10
1,10
|
14,94
14,94
|
14,94
|
1-17
|
130-34
|
130-34
|
|
ИТОГО:
|
71,41
71,41
|
89,64
|
-
|
519-72
|
640-21
|
| |
|