//
ТехЛит.ру
- крупнейшая бесплатная электронная интернет библиотека для "технически умных" людей.
WWW.TEHLIT.RU - ТЕХНИЧЕСКАЯ ЛИТЕРАТУРА

:: Алготрейдинг::


АЛГОТРЕЙДИНГ
шаг за шагом
с нуля по урокам!

Торговые роботы на PYTHON, BackTrader,
Pandas, Pine Script для TradingView. Связка с брокерами, телеграм и легкими приложениями.


МИНИСТЕРСТВО ЖИЛИЩНО-КОММУНАЛЬНОГО ХОЗЯЙСТВА РСФСР

ОРДЕНА ТРУДОВОГО КРАСНОГО ЗНАМЕНИ
АКАДЕМИЯ КОММУНАЛЬНОГО ХОЗЯЙСТВА им. К.Д. ПАМФИЛОВА

Утверждено

РПО «Роскоммунэнерго»

Минжилкомхоза РСФСР

3 марта 1988 г.

РЕКОМЕНДАЦИИ
ПО СОВЕРШЕНСТВОВАНИЮ УПРАВЛЕНИЯ РАБОТОЙ
КОТЕЛЬНЫХ И ТЕПЛОВЫХ СЕТЕЙ
ПРИ КОМПЛЕКСНОЙ АВТОМАТИЗАЦИИ СИСТЕМ
ТЕПЛОСНАБЖЕНИЯ ГОРОДОВ

Отдел научно-технической информации АКХ

Москва 1988

Настоящие рекомендации направлены на совершенствование управления работой котельных и тепловых сетей систем централизованного теплоснабжения городов и других населенных пунктов при внедрении комплексной автоматизации этих систем. Рекомендации содержат вопросы выбора режимов работы и систем управления этими режимами, выбора системы диспетчерского управления, организации наладки и эксплуатации средств автоматизации. Внедрение рекомендаций позволит эксплуатационным организациям (теплоэнергетическим предприятиям) при внедрении комплексной автоматизации получить экономию топливно-энергетических ресурсов в полном объеме, равном проектному.

Разработаны отделом коммунальной энергетики АКХ им. К. Д. Памфилова (ст. науч. сотр. В. С. Фаликов) и ПТП «Оргкоммунэнерго» Минжилкомхоза РСФСР (инженеры В. Л. Никитин, О. М. Бытенский, В. А. Гун) и предназначены для теплоэнергетических предприятий, проектных и наладочных организаций.

I. ТРЕБОВАНИЯ К ПРОЕКТУ КОМПЛЕКСНОЙ АВТОМАТИЗАЦИИ СИСТЕМЫ ТЕПЛОСНАБЖЕНИЯ ГОРОДА (РАЙОНА)

В действующих СНиП и руководствах по проектированию теплоисточников, тепловых сетей и тепловых пунктов, систем отопления, вентиляции, горячего водоснабжения жилых и общественных зданий приведены требования к автоматизации отдельных звеньев системы централизованного теплоснабжения (СЦТ) без взаимной их увязки. Утвержденные нормы проектирования по комплексной автоматизации СЦТ в настоящее время отсутствуют.

В связи с этим, при принятии решения о внедрении в данном теплоэнергетическом предприятии комплексной автоматизации должны быть подготовлены требования к проекту комплексной автоматизации конкретной СЦТ. Эти требования составляются предприятием при участии проектной и научно-исследовательских организаций (при необходимости) с учетом фактического состояния объектов СЦТ и перспективы их развития и возможности поэтапного внедрения автоматизации (при больших капиталовложениях и большом объеме строительно-монтажных и наладочных работ).

В этих требованиях, кроме схемы СЦТ, нагрузок и параметров сети и потребителей, должны быть отражены: принципы комплексной автоматизации и диспетчеризации; выбор ступеней автоматического регулирования отпуска теплоты в звеньях СЦТ; выбор структуры диспетчеризации CЦT и типа системы управления; порядок поэтапного внедрения комплексной автоматизации и диспетчеризации СЦТ.

Принципы комплексной автоматизации, рациональные сочетания ступеней автоматического регулирования, построение системы диспетчерского управления, объемы телемеханизации и задачи АСУТП теплоснабжения определяются для данной системы теплоснабжения в соответствии с «Основными положениями по комплексной автоматизации систем теплоснабжения городов» [4], согласованными Госкомархитектуры при Госстрое СССР.

Порядок поэтапного внедрения комплексной автоматизации и диспетчеризации СЦТ целесообразно определить с учетом нижеследующих рекомендаций.

В связи с большими затратами средств и времени на внедрение комплексной автоматизации систем теплоснабжения целесообразна разработка каждым теплоэнергетическим предприятием плана работ, согласно которому в обоснованной последовательности осуществляются: диспетчерский централизованный контроль и управление, автоматизация регулирования отпуска теплоты в тепловых пунктах, телемеханизация объектов системы теплоснабжения, применение вычислительной техники для управления отпуском теплоты на теплоисточниках, создание АСУТП (АСДУ). В плане должны быть предусмотрены мероприятия по усилению подразделений, связанных с наладкой и обслуживанием средств автоматизации, телемеханизации и вычислительной техники.

В тех случаях, когда действующая система теплоснабжения не подготовлена к внедрению комплексной автоматизации, неизбежно поэтапное осуществление последней. Неподготовленность системы теплоснабжения может быть вызвана трудностями с приобретением и освоением большого количества приборов и регуляторов, с выполнением мероприятий по установлению требуемого гидравлического режима работы тепловых сетей (замена насосов, перекладка участков тепловых сетей, строительство подкачивающих насосных станций, установка в ТП регуляторов ГВС и др.), с подготовкой специалистов по обслуживанию электронных средств автоматизации. В этих условиях необходимая для получения максимального экономического эффекта сплошная автоматизация регулирования отпуска теплоты в ЦТП и ИТП может быть достигнута лишь в несколько этапов (очередей).

На первых этапах автоматизация будет частичной, так как автоматизацией регулирования отпуска теплоты будет охвачена лишь часть ЦТП и ИТП.

Следует при этом иметь в виду, что случайный выбор ЦТП и ИТП для дооборудования автоматизацией регулирования не даст ожидаемой экономии топлива на теплоисточнике (пропорциональной доле охвата автоматизацией ТП), так как сетевой теплоноситель перераспределится, а часть сэкономленного теплоносителя поступит к неавтоматизированным ТП и вызовет непроизводительный перегрев присоединенных к ним ТП зданий. В связи с этим рекомендуется следующая стратегия поэтапного внедрения комплексной автоматизации:

1) автоматизацией регулирования отпуска теплоты на первом этапе должны быть охвачены одновременно тепловые пункты одного из тепловых районов или одной из магистралей. На последующих этапах автоматизация также должна внедряться целыми районами или магистралями;

2) в первую очередь в выбранных для автоматизации тепловых районах или магистралях должны оснащаться автоматическими регуляторами отпуска теплоты и необходимым оборудованием (насосами смешения) ЦТП жилых районов и промышленных предприятий и ИТП зданий, присоединенных без ЦТП к магистральным (распределительным) двухтрубным тепловым сетям;

3) с целью исключения перегрева потребителей неавтоматизированных на данном этапе магистралей следует на теплоисточнике обеспечить полное разделение магистралей по тепловому и гидравлическому режимам и осуществление раздельного контроля и регулирования параметров этих режимов;

4) при невозможности разделения магистралей на выходах из теплоисточника в каждую из магистралей, включая и неавтоматизируемые, должны быть установлены автоматические регуляторы перепада давлений;

5) во всех случаях в ТП неавтоматизируемых магистралей должны на первом этапе устанавливаться (если они не были установлены) автоматические регуляторы температуры воды на горячее водоснабжение, что позволит устранить чрезмерное завышение расхода сетевой воды и установить требуемые напоры перед тепловыми пунктами. При отсутствии авторегуляторов ГЭС через верхние ступени водонагревателей ГВС и ТП циркулирует не контролируемый ничем расход воды, который, как показывает практика, устанавливается в два-три раза больше, чем расчетный расход воды при наличии авторегуляторов ГВС. А это приводит к резкому повышению температуры обратной воды и снижению располагаемых напоров, особенно у концевых потребителей. Оба указанных фактора обусловливают невозможность поддержания теплоисточником требуемого температурного графика центрального регулирования и разрегулированность тепловых сетей и потребителей данной магистрали, что приводит в свою очередь к невозможности организации необходимых режимов центрального регулирования для автоматизируемой магистрали;

6) на первом этапе автоматизации целесообразна автоматизация насосов в ТП и телемеханизация теплоисточников и ЦТП с возможностью телеуправления из ДП заданиями автоматических регуляторов отпуска теплоты. На теплоисточниках следует организовать учет потребленного топлива и отпущенной тепловой энергии в тепловые сети для проведения анализа экономической эффективности внедрения автоматизации. Последующие этапы внедрения комплексной автоматизации целесообразно осуществлять с учетом результатов указанного анализа.

Перечень рекомендуемых пособий по проектированию автоматизации ЦТП и ИТП, действующих типовых проектов автоматизированных ЦТП и ИТП и рекомендуемых для автоматизации типов регуляторов приведен в «Основных положениях» [4].

При составлении задания на проектирование комплексной автоматизации также определяются: дополнительные мероприятия по оборудованию ТП согласно данным табл. 1; схема автоматизации управления насосами в ЦТП по данным табл. 2.

Таблица 1

Дополнительные мероприятия по оборудованию ТП при отклонении параметров режимов тепловой сети от требуемых для нормальной работы ТП

Характер отклонения режимов тепловой сети

Мероприятия по обеспечению нормальной работы потребителей, перечень дополнительных элементов в схеме ТП и его автоматизации

Условия отклонения

Возможные последствия (нарушения)

H0 < hM3,

HСТ < hM3

Нет залива местной системы, ее опорожнение

Регулятор подпора на обратной линии и обратный клапан (или регулятор рассечки) на подающей линии. В крупных ЦТП вместо обратного клапана - регулятор давления "после себя" и подпиточный насос

Р0 > Pд,

РСТ > Pд

Разрушение нагревательных приборов

Подкачивающие насосы и регулятор подпора на обратной линии и регулятор рассечки на подающей линии. В крупных ЦТП для подпитки - обводная линия вокруг насосов с регулятором давления на ней

Не обеспечен требуемый расход воды в местной системе

Подкачивающие насосы на обратной (или подающей) линии или замена элеваторного смещения на насосное (для ИТП, МТП)

Р0 > Pд,

HП - ,

РСТ > Pд

Разрушение нагревательных приборов, нет подачи воды к верхним точкам местной системы

Независимое присоединение местных систем через водонагреватель с регулятором давления "после себя" (и с подпиточными насосами при недостаточном давлении в обратной линии для залива местных систем) на линии подпитки

Буквенные обозначения: hM3 - напор, необходимый для залива местных систем; Нп, Н00) - напоры (давления) в подающей и обратной линиях тепловой сети при работе сетевых насосов на теплоисточнике (в динамическом режиме); Нст, рст - напор (давление) в системе теплоснабжения при останове сетевых насосов (в статическом режиме); Pд - давление воды, допустимое для нагревательных приборов систем отопления, вентиляции; Н - располагаемый напор на вводе потребителя; - располагаемый напор, необходимый для преодоления гидравлического сопротивления местных систем, распределительных сетей и арматуры.

Таблица 2

Выбор схемы автоматизации управления насосами в ЦТП

Область применения

Количества насосов и схема их включения

Схема автоматизации управления включением и отключением насосов

Хозяйственные насосы

ЦТП с мощностью до 3 Гкал/ч при продолжительности работы насосов менее 6 ч в сутки

Два насоса одинаковой производительности, включенных параллельно

По импульсу давления в холодном водопроводе до насосов - основной насос и АВР

ЦТП с суммарной мощностью более 3 Гкал/ч, а также при продолжительности работы насосов более 6 ч в сутки при

Три насоса одинаковой производительности, включенных параллельно

По импульсу давления в холодном водопроводе до насосов - основной насос, по импульсам давления после первой ступени водонагревателя ГВС и перепада давления на ней - дополнительный насос и АВР

То же, при Р = 0,1 - 0,3 МПа

Три насоса разной производительности, включенных параллельно

По импульсу давления после первой ступени и перепаду давлений на насосах - основной, дополнительный, резервный (последовательно) и АВР

То же, при Р > 0,3 МПа

Три насоса одинаковой производительности, включенных последовательно

По импульсам давления в холодном водопроводе и перепаду давления на насосах - основной, дополнительный (последовательно) и АВР

Циркуляционные насосы ГЭС

В каждом ЦТП

два насоса одинаковой производительности, включенных параллельно в циркуляционной линии

Основной насос включен постоянно и АВР

То же, включенных по циркуляционно-повысительной схеме

Основной насос включен постоянно, резервный как дополнительный по импульсу перепада давления на водомере холодной воды и АВР

Подпиточные насосы

ЦТП с независимым присоединением систем отопления

Два насоса одинаковой производительности, включенных параллельно

По импульсу уровня в расширительном баке

Циркуляционные насосы отопления

ЦТП с независимым присоединением систем отопления

Два насоса одинаковой производительности, включенных параллельно

Основной насос включен постоянно в АВР

Корректирующие смесительные насосы

ЦТП с независимым присоединением систем отопления

Два насоса одинаковой производительности, включенных параллельно

По импульсу температуры наружного воздуха основной и дополнительный (последовательно) и АВР

Примечания: 1. Р - наибольшее и наименьшее значения давления в холодном водопроводе.

2. В городах с ненадежным холодным водоснабжением схемой автоматизации хозяйственных насосов должно предусматриваться их отключение при падении давления в водопроводе до допустимого  (ниже 0,05 МПа). Значение  уточняется при наладке.

II. ПОДГОТОВКА СИСТЕМЫ ТЕПЛОСНАБЖЕНИЯ К ВНЕДРЕНИЮ КОМПЛЕКСНОЙ АВТОМАТИЗАЦИИ

1 Общие положения

Одним из основных мероприятий, обеспечивающих эффективное внедрение комплексной автоматизации систем централизованного теплоснабжения (СЦТ) и составляющих основу подготовки СЦТ к такому внедрению, является наладка тепловых сетей с разработкой оптимальных эксплуатационных режимов. Причем разработка гидравлических эксплуатационных режимов тепловых сетей должна предусматривать нормальное функционирование автоматических регуляторов отпуска теплоты. В результате наладки и поддержания оптимальных режимов должны быть созданы условия, необходимые для эффективной работы систем отопления приточной вентиляции и горячего водоснабжения, а также повышены технико-экономические показатели работы системы теплоснабжения в целом. Последнее может быть достигнуто за счет увеличения пропускной способности тепловых сетей, ликвидации перегревов, связанных с разрегулировкой тепловых сетей группового (местного) автоматического регулирования потребления теплоты непосредственно на тепловых пунктах теплоснабжаемых зданий, снижения затрат электроэнергии на перекачку теплоносителя.

Наладочными работами должны быть охвачены все звенья системы централизованного теплоснабжения: теплоприготовительная установка источника теплоснабжения, тепловая сеть, тепловые пункты (ТП) и систем теплопотребления.

Наладочные работы проводятся в три этапа:

обследование и испытания отдельных элементов системы теплоснабжения; разработка оптимальных эксплуатационных тепловых и гидравлических режимов и мероприятий, обеспечивающих внедрение этих режимов с учетом требований комплексной автоматизации;

выполнение наладочных мероприятий;

регулирование системы теплоснабжения.

При обследовании системы теплоснабжения должны быть выявлены имеющие место эксплуатационные режимы, уточнены типы и состояние оборудования системы, определены тепловые нагрузки потребителей по видам теплового потребления, необходимость и объем испытаний отдельных звеньев и элементов системы теплоснабжения.

На базе результатов обследования и испытаний разрабатываются оптимальные эксплуатационные режимы и мероприятия, позволяющие получить максимально возможную экономию энергоресурсов при комплексной автоматизации системы теплоснабжения. Разработка должна производиться в следующем порядке:

расчет действительных тепловых нагрузок отопления, приточной вентиляции, горячего водоснабжения;

разработка режима автоматизированного отпуска теплоты на теплоисточнике и в автоматизированных ТП;

определение расчетных расходов теплоносителя;

гидравлический расчет тепловой сети;

разработка гидравлического режима тепловой сети;

разработка и составление перечня мероприятий, направленных на внедрение разработанных режимов.

К регулированию системы теплоснабжения можно приступать только тогда, когда полностью выполнены все необходимые мероприятия по наладке системы.

В процессе регулирования (завершающего, III этапа наладочных работ) необходимо проверить работу систем теплопотребления при разработанных гидравлическом и тепловом режимах, соответствие действительных расходов теплоносителя расчетным, настроить автоматические регуляторы в тепловых пунктах и на источнике теплоты.

Экономическая эффективность наладки системы теплоснабжения характеризуется следующими показателями:

сокращение затрат топлива - за счет получения максимально возможной экономии теплоты при данном объеме комплексной автоматизации;

сокращение затрат электроэнергии на перекачку теплоносителя - за счет снижения расхода теплоносителя, замены насосов;

возможность подключения к тепловой сети дополнительных систем теплопотребления без капитальных затрат;

сокращение затрат топлива на выработку электроэнергии - за счет снижения температуры теплоносителя в обратном трубопроводе тепловой сети в теплофикационных системах теплоснабжения.

2. Определение тепловых нагрузок

Если при обследовании системы теплоснабжения установлено соответствие систем теплопотребления их проектам, тепловые нагрузки могут быть приняты по проектным данным.

В случае отсутствия проектов или несоответствия систем теплопотребления проектам тепловые нагрузки для промышленных, общественных и административных зданий необходимо определять расчетным путем по выявленным при обследовании характеристикам отопительных приборов, калориферов приточных установок систем вентиляции, теплообменников горячего водоснабжения, для жилых зданий - по укрупненным показателям, т.е. по удельным тепловым характеристикам. При определении отопительных нагрузок общественных, административных, а особенно промышленных зданий, кроме теплоотдачи отопительных приборов, необходимо учитывать тепловыделения неизолированными трубопроводами и поверхностями.

Расчетные часовые тепловые нагрузки калориферных установок приточной вентиляции при отсутствии проектных данных следует определять расчетным путем на основании воздушных испытаний.

Расход теплоты на горячее водоснабжение при отсутствии проектных данных следует рассчитывать на базе сведений о количестве потребителей и норм расхода горячей воды на одного потребителя.

3. Расчет режимов отпуска теплоты

Наладочные работы в системах централизованного теплоснабжения должны базироваться на проектном режиме отпуска теплоты из теплоисточника. При изменении проектных условий (отношение суммарного среднечасового расхода теплоты на отопление и вентиляцию, степень охвата автоматизацией тепловых пунктов - сплошная, частичная) проектный режим следует откорректировать для учета происшедших изменений - разработать новый температурный график отпуска теплоты из теплоисточника. Для закрытых систем расчет производится согласно разд. III. В открытых системах теплоснабжения регулирование отпуска теплоты производится по совместной нагрузке отопления и горячего водоснабжения по скорректированному отопительному температурному графику с обязательным учетом функционирования имеющихся циркуляционных линий в местных системах горячего водоснабжения.

Расчет режимов отпуска теплоты из ТП производится согласно [3, 7, 9], при этом могут учитываться тепловыделения внутри отапливаемых зданий, а также поступление теплоты в здания извне (солнечная радиация), так как в ТП предусматривается групповое (местное) автоматическое регулирование потребления теплоты.

4. Определение расчетных расходов теплоносителя

Суммарный расчетный расход теплоносителя определяется по отдельным потребителям (ТП) по каждому виду теплового потребления и оценке потерь в магистральной сети с последующим суммированием этих расходов для каждого потребителя (ТП) на каждом расчетном участке трубопроводов тепловой сети. Расчет расходов теплоносителя должен производиться в соответствии с каждым видом тепловой нагрузки и тепловыми потерями в сети и расчетными параметрами каждой из систем теплопотребления.

Расчетный расход теплоносителя для систем отопления определяется при температуре наружного воздуха, расчетной для проектирования отопления, и вентиляции, расчетной для проектирования вентиляции.

Расчетный расход теплоносителя для покрытия нагрузки горячего водоснабжения определяется в зависимости от вида системы теплоснабжения (открытая или закрытая) и схемы присоединения подогревателей горячего водоснабжения с учетом потерь теплоты на циркуляцию.

В закрытой системе теплоснабжения расчетный расход теплоносителя на горячее водоснабжение должен определяться при температуре наружного воздуха, соответствующей "точке излома" температурного графика, а схема подключения подогревателей определяется согласно разд. III; в открытой системе - в соответствии с нормативной температурой горячей воды, поступающей к потребителям.

Расход теплоносителя для компенсации тепловых потерь в магистральных сетях определяется по величине этих потерь и разности температур в сети в "точке излома" графика.

5. Гидравлический расчет тепловых сетей

Гидравлический расчет тепловых сетей производится для определения гидравлических потерь при циркуляции теплоносителя по трубопроводам тепловых сетей (падение давления, потери напора) в целях последующей разработки гидравлических режимов, определения располагаемых напоров (перепадов давления теплоносителя) на тепловых пунктах.

Гидравлический расчет производится на суммарный расчетный расход теплоносителя, определяемый в гл. 4.

Для гидравлического расчета необходимо составить расчетную схему тепловой сети с указанием длин и диаметров трубопроводов на каждом расчетном участке, местных сопротивлений (запорная арматура, автоматические регуляторы, компенсаторы и т.п.), а также расчетных расходов теплоносителя (суммарных) нарастающим итогом, начиная с потребителей, наиболее удаленных от источника теплоснабжения.

Гидравлические потери на расчетном участке трубопроводов складываются из потерь на трение (линейных) и потерь в местных сопротивлениях. Линейные потери пропорциональны длине расчетного участка и зависят от эквивалентной шероховатости труб, потери в местных сопротивлениях зависят только от суммы коэффициентов местных сопротивлений и скорости теплоносителя в трубах. Потери в местных сопротивлениях могут быть определены также по методу эквивалентных длин.

Значения эквивалентной шероховатости трубопроводов должны быть выявлены в результате специальных гидравлических испытаний трубопроводов. Эквивалентная шероховатость, определенная в результате испытаний, может быть распространена на участки трубопроводов тепловой сети, не подвергавшихся испытаниям, условия эксплуатации которых аналогичны тем условиям, в которых эксплуатируются испытанные участки (срок эксплуатации, качество теплоносителя). При значениях эквивалентной шероховатости, отличных от расчетного значения (К = 0,5 мм), в расчетах линейных потерь должен быть введен поправочный коэффициент.

Для осуществления гидравлического расчета рекомендуется применение ЭВМ.

6. Разработка гидравлических режимов тепловых сетей

Гидравлический режим тепловой сети определяет давление теплоносителя (напор) в подающих и обратных трубопроводах, расчетные перепады давления теплоносителя (располагаемый напор) на выводах источника теплоснабжения, в узловых камерах тепловой сети, на центральных тепловых пунктах (ЦТП), индивидуальных (ИТП) и местных тепловых пунктах (МТП) отдельных зданий, системы теплопотребления которых присоединены к рассматриваемой тепловой сети. Режим определяет также давление теплоносителя на всасывающих патрубках сетевых, подкачивающих и подмешивающих насосов, напоры, которые должны развивать эти насосы.

К гидравлическому режиму тепловых сетей предъявляются следующие требования:

давление теплоносителя в обратных трубопроводах тепловой сети во избежание подсоса воздуха должно быть не менее 0,05 МПа;

давление теплоносителя в обратных трубопроводах не должно превышать давления, допустимого по условиям прочности нагревательных приборов систем теплопотребления, непосредственно присоединенных к тепловой сети;

давление теплоносителя в обратных трубопроводах должно быть на 0,05 МПа выше статического давления отопительных систем теплоснабжаемых зданий для обеспечения их заполнения;

давление теплоносителя во всасывающих патрубках сетевых, подпиточных, подкачивающих и подмешивающих насосов не должно превышать давления, допустимого по условиям прочности их конструкции, но быть не менее 0,05 МПа;

давление теплоносителя в подающих трубопроводах тепловой сети при работе сетевых насосов (гидродинамический режим) должно быть на уровне, обеспечивающем невскипание воды при ее максимальной (расчетной) температуре в каждой точке подающего трубопровода, в оборудовании источника теплоснабжения и систем теплопотребления, непосредственно присоединенных к тепловой сети; одновременно эта величина не должна превышать допустимого уровня по их прочности;

перепад давления теплоносителя (располагаемый напор) на МТП должен быть больше потерь в системе теплопотребления при расчетном расходе теплоносителя с учетом потерь в дроссельных устройствах или автоматических регуляторах;

статическое давление теплоносителя в системе теплоснабжения не должно быть более допустимого давления в оборудовании источника теплоснабжения, тепловой сети и систем теплопотребления, непосредственно присоединенных к тепловой сети, но должно обеспечивать их заполнение сетевой водой. Статическое давление теплоносителя определяется условно для температуры его 100 °С. Однако в случае аварийной остановки сетевых насосов или отключения отдельных участков тепловой сети при сложном рельефе местности, по которой проложена тепловая сеть, или гидродинамическом режиме допустимо учитывать повышение статического давления за счет вскипания сетевой воды с температурой выше 100 °С.

В целях учета взаимного влияния рельефа местности (сложный профиль или значительная разность геодезических отметок местности), высоты систем теплопотребления, гидравлических потерь в трубопроводах тепловых сетей, а также учета изложенных выше требований, предъявляемых к гидравлическому режиму водяной тепловой сети, при разработке гидравлических режимов тепловых сетей необходимо строить пьезометрический график (график напоров).

В системах теплоснабжения с тепловыми сетями большой протяженности и сложным профилем трассы тепловых сетей требования, предъявляемые к гидравлическому режиму, могут быть соблюдены лишь за счет подкачивающих и дроссельных станций на подающих и обратных трубопроводах.

При комплексной автоматизации в связи с изменением гидравлического режима сетей, обусловленным изменением расхода в сети, а для открытых сетей и водоразбором непосредственно из тепловой сети, необходимо строить линии напоров не только для расчетного режима, но и для режимов в начале (конце) отопительного сезона, когда нагрузка отопления минимальна, и при максимальном водоразборе из обратных трубопроводов тепловой сети (для открытых сетей).

При сооружении в тепловой сети подкачивающих и дроссельных станций, необходимых по разработанному гидравлическому режиму, напор сетевых насосов должен быть выбран с учетом дросселируемого на станциях напора и напора, развиваемого подкачивающими насосами.

В случае несоответствия напоров, развиваемых сетевыми (подпиточными или подкачивающими) насосами, напорам, необходимым согласно разработанному гидравлическому режиму, следует предусмотреть одно из мероприятий: уменьшение диаметра рабочих колес насосов; замена насосов; сооружение дополнительных подкачивающих насосных станций; выключение насосных станций, оказывающихся лишними.

7. Разработка и составление перечня мероприятий, направленных на внедрение разработанных режимов

Мероприятия должны предусматривать следующее: устранение дефектов в системе теплоснабжения; приведение схем и оборудования отдельных звеньев системы теплоснабжения в соответствие с произведенными расчетами и разработанными тепловыми и гидравлическими режимами; оснащение всех звеньев системы теплоснабжения необходимыми контрольно-измерительными приборами согласно требованиям действующих нормативных документов; комплексную автоматизацию и диспетчеризацию системы теплоснабжения.

8. Регулирование водяных тепловых сетей

Регулирование тепловой сети является заключительным этапом наладочных работ.

Задача регулирования состоит в том, чтобы в действующей тепловой сети достичь расчетного гидравлического и теплового режимов тепловой сети и нормального теплоснабжения всех подключенных к ней систем теплопотребления. Регулирование должно охватывать все звенья системы теплоснабжения - тепло-приготовительную установку источника теплоснабжения (котельной, ТЭЦ), тепловые сети, тепловые пункты и системы теплопотребления.

При регулировании должны быть достигнуты: расчетная циркуляция теплоносителя в тепловой сети; распределение расхода теплоносителя между всеми подключенными к тепловой сети системами теплопотребления в строгом соответствии с их расчетной тепловой потребностью.

Регулирование тепловой сети можно производить только после выполнения всех разработанных для наладки мероприятий. Наладочные мероприятия необходимо выполнять до начала отопительного периода, так как выполнение их при функционировании системы теплоснабжения вызывает необходимость отключения отдельных участков трубопроводов тепловой сети, тепловых пунктов и поэтому может привести к нарушениям теплоснабжения потребителей.

Регулирование отдельных систем теплопотребления и теплопотребляющих приборов заключается в проверке соответствия действительных расходов теплоносителя расчетным. При отсутствии соответствующих контрольно-измерительных приборов это может быть определено по температурному перепаду в системе или в теплопотребляющем приборе. При этом под расчетным расходом теплоносителя подразумевается такой расход его, который при соответствующей графику температуре теплоносителя в подающем трубопроводе тепловой сети обеспечивает необходимую температуру теплоносителя в обратном трубопроводе системы или прибора.

Температуру теплоносителя следует измерять при стабильной в течение 1 - 2 ч температуре теплоносителя в подающем трубопроводе, не отличающейся от заданной по температурному графику отпуска теплоты более чем на ± 5 °С.

В случае горизонтальной или вертикальной разрегулировки систем отопления следует произвести подрегулировку систем с помощью вентилей или кранов на стояках и подводках к отопительным приборам.

Регулирование систем отопления с подмешивающим насосом на ЦТП (ИТП) заключается в создании расчетной циркуляции в системе, что достигается изменением действительного коэффициента подмешивания соответствующей настройкой регуляторов.

III. СОВЕРШЕНСТВОВАНИЕ ТЕПЛОВЫХ И ГИДРАВЛИЧЕСКИХ РЕЖИМОВ РАБОТЫ КОТЕЛЬНЫХ, ТЕПЛОВЫХ СЕТЕЙ И ТЕПЛОВЫХ ПУНКТОВ ПОТРЕБИТЕЛЕЙ

9. Общие положения

Настоящий раздел содержит требования и способы реализации наиболее экономичных режимов работы звеньев СЦТ при ее комплексной автоматизации с учетом особенностей функционирования СЦТ в реальных условиях эксплуатации.

Особенностями функционирования СЦТ современных городов и населенных пунктов являются: изменяющаяся из года в год степень загрузки теплоисточника и тепловой сети; возможность ограничения отпуска теплоты потребителя от теплоисточника, в частности, при ограничении в подаче топлива; возможность значительной повреждаемости теплопроводов магистральной сети от влияния наружной коррозии; передача в ряде городов всей (или части) нагрузки котельных теплоэлектроцентралям.

Основной целью реализации предлагаемых режимов работы является получение наиболее полной экономии топливно-энергетических ресурсов на теплоисточнике от внедрения проектного объема комплексной автоматизации при поддержании требуемых температур воздуха в отапливаемых зданиях и воды на горячее водоснабжение и стабильной работе тепловых сетей и потребителей в реальных условиях их эксплуатации.

Режимы работы комплексно автоматизируемой СЦТ должны учитывать возможность частичной и поэтапно внедряемой автоматизации регулирования отпуска теплоты в ТП, т.е. отсутствия в течение определенного периода времени сплошной автоматизации ТП. Режимы должны также учитывать возможность широкого маневрирования изменением температуры сетевой воды в подающем трубопроводе, целесообразного, в частности, для крупных систем теплоснабжения с резервированием тепловых сетей при аварийных режимах, при котором обеспечивается 100 %-ная подача теплоты всем потребителям при сниженном расходе сетевой воды.

Стабильная работа тепловых сетей без нарушения теплоснабжения потребителей в условиях автоматизации ТП может быть обеспечена при условии непревышения расходов сетевой воды на ТП сверх своих расчетных значений, выбранных с учетом выравнивания тепловой нагрузки потребителей. Указанное непревышение расходов может быть реализовано путем установки в ТП устройств ограничения расхода или использования баков-аккумуляторов горячей воды (при их наличии).

Широкое маневрирование температурой сетевой воды возможно при установке автоматических регуляторов отпуска теплоты в ТП всех потребителей, т.е. при сплошной автоматизации ТП (в противном случае будет иметь место чрезмерный перегрев потребителей, не оборудованных регуляторами отпуска теплоты).

Поэтому рекомендуемые экономичные режимы работы автоматизированной СЦТ принимаются различными в зависимости от наличия в ТП бака-аккумулятора горячей воды и степени охвата ТП автоматизацией регулирования отпуска теплоты на отопление, горячее водоснабжение, вентиляцию (сплошная, частичная).

Материал настоящего раздела используется как при подготовке СЦТ к внедрению комплексной автоматизации (см. разд. II), так и при эксплуатации автоматизированной СЦТ.

10. Режимы работы систем теплоснабжения при частичной и поэтапно внедряемой автоматизации ТП

Режимы регулирования отпуска теплоты из котельной

1. При отсутствии в ТП баков-аккумуляторов центральное регулирование отпуска теплоты осуществляется по повышенному температурному графику качественного регулирования, различному для выходных и будних дней, при постоянном перепаде давлений воды на выходе котельной, а при наличии баков в ТП - по отопительному графику (рис. 1).

2. Повышенный температурный график (кривая 2) для выходных дней рассчитывается из условия постоянного расхода сетевой воды для удовлетворения расхода теплоты на отопление и горячее водоснабжение в ТП (с типичным для района отношением нагрузок  - среднечасовая за неделю нагрузка горячего водоснабжения; QО - расчетная нагрузка отопления. Для будних дней при расчете графика  принимается на 20 - 30 % меньше, чем для выходных дней.

3. Построение отопительного (кривая 3) и повышенного (кривая 2) температурного графика производится по известной методике [3, 9].

4. Постоянный перепад давлений воды на выходе котельной обеспечивается путем поддержания постоянным давления воды в подающем и обратном сетевых трубопроводах. Величины регулируемых давлений определяются гидравлическим расчетом сети и условиями присоединения потребителей к сети и рельефом местности. При этом давление в обратном трубопроводе котельной должно быть таким, чтобы при полном прекращении подачи сетевой воды на отопление и на водонагреватели верхней ступени регуляторами в ТП обеспечивался требуемый для каждого из присоединенных зданий напор в обратном трубопроводе отопления на выходе каждого ТП (во избежание оголения систем отопления зданий).

Рис. 1. Температурные графики регулирования отпуска теплоты при автоматизации ТП:

а - центрального регулирования на теплоисточнике; б - группового (местного) в ЦТП (ИТП); 1 - ступенчатый при постоянной температуре; 2 - качественного регулирования по совмещенной нагрузке отопления и горячего водоснабжения района теплоснабжения; 3 - качественного регулирования по нагрузке отопления, ограниченный наименьшей температурой, необходимой для подогрева воды, поступающей в системы ГВС; 4 - качественного регулирования по совмещенной нагрузке отопления и горячего водоснабжения данного ТП; 5 - качественного регулирования по нагрузке отопления; 6 - то же, с учетом внутренних теплопоступлений

5. Регулирование температуры подающей сетевой воды на выходе котельной производится автоматически регулятором температуры с дистанционными средствами управления его задатчиком из диспетчерского пункта.

6. Постоянство давления воды в подающем трубопроводе поддерживается автоматическим регулятором давления изменением скорости вращения двигателей сетевых насосов или с помощью регулирующего органа на нагнетании сетевых насосов. Постоянство давления воды в обратном трубопроводе до сетевых насосов поддерживается автоматическим регулятором давления (регулятором подпитки сети).

Технологические схемы и схемы автоматизации ТП

7. Для ЦТП жилых микрорайонов основной схемой присоединения водонагревателя горячего водоснабжения при отсутствии бака-аккумулятора является смешанная с ограничением расхода воды схема (рис. 2, А). Для ЦТП при наличии бака-аккумулятора присоединение водонагревателя горячего водоснабжения осуществляется по смешанной схеме (рис. 2, Б) с включением насосов смешения по импульсу - tн.

8. В действующих ЦТП при отсутствии бака-аккумулятора в ряде случаев временно могут применяться следующие схемы присоединения водонагревателя горячего водоснабжения: при отсутствии устройств ограничения расхода - смешанная схема с включением насосов смешения по импульсу tн или двухступенчатая последовательная с переключением на смешанную по импульсу tн.

9. Независимо от схемы водонагревателя горячего водоснабжения ЦТП с зависимым присоединением систем отопления зданий оборудуется корректирующими насосами смешения для систем отопления (табл. 3).

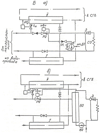
Рис. 2. Схема теплового пункта со смешанным присоединением подогревателя горячего водоснабжения

А - с ограничением расхода; Б - без ограничения расхода; а - зависимое присоединение систем отопления; б - независимое присоединение систем отопления; I, II - ступени водонагревателя горячего водоснабжения; РТГ - регулятор температуры воды на горячее водоснабжение; РО - регулятор отопления; НС - насос смешения; ОК - обратный клапан; Э - элеватор; СО, СГВ - системы отопления, горячего водоснабжения; ВО, НО - водонагреватель и насос отопления; ДП - диспетчерский пункт; УОР - устройство ограничения расхода; РР - регулятор перепада давлений (расхода) воды

Таблица 3

Периоды работы корректирующих смесительных насосов в ЦТП (вариант)

Принятый график центрального регулирования отпуска теплоты

Схема присоединения водонагревателя ГВС

Температура наружного воздуха tн, °С, при которой включен

первый насос

второй насос

По суммарной нагрузке отопления и горячего водоснабжения (повышенный) (рис. 1, кривая 2)

Смешанная с ограничением расхода

tH  tHРО

При срабатывании АВР

Последовательная с переключением на смешанную

tН = tНИ + (1,5 - 2)

tH  tH (и = 1)

Смешанная, параллельная

tH  tHРО

tH  tH (и = 1)

По нагрузке отопления (отопительный) (рис. 1, кривая 3)

То же

tH  tHИ

tH  tH (и = 1)

При постоянной температуре воды в тепловой сети (ступенчатый) (рис. 1, кривая 1)

»

tH  tHI

При срабатывании АВР

Примечание. tHРО - расчетная температура наружного воздуха для отопления, °С, tHИ - температура в точке излома графика температур, °С; tH (И = 1) - температура при которой для данного графика температур воды в сети коэффициент смещения и = 1, °С; tHI - температура, соответствующая концу первой ступени ступенчатого графика, °С.

10. Схемы автоматизации регулирования отпуска теплоты в ЦТП включают: автоматический регулятор температуры воды на отопление в зависимости от температуры наружного воздуха; автоматический регулятор температуры воды на горячее водоснабжение; автоматическое устройство ограничения расхода сетевой воды для смешанной с ограничением расхода схемы или автоматическое устройство переключения для последовательной схемы с переключением на смешанную; автоматический регулятор перепада давления (расхода воды) на отопление; автоматическое устройство включения насосов смешения по импульсу tH.

11. В элеваторных узлах зданий (в МТП) без фасадного деления систем отопления, присоединенных к ЦТП, целесообразно устанавливать элеваторы с регулируемым соплом с ручным управлением с целью правильного распределения теплоносителя во внутриквартальной сети по зданиям. Номер элеватора и диаметр сопла определяются так же, как и для обычного нерегулируемого элеватора.

12. Все потребители, присоединенные к магистральной тепловой сети помимо ЦТП жилых микрорайонов, должны иметь собственные автоматизированные тепловые пункты (ИТП) с регулированием отпуска теплоты на отопление и горячее водоснабжение согласно «Основным положениям» [4]. При элеваторном присоединении этих потребителей должны быть установлены элеваторы с регулируемым соплом с автоматическим управлением.

13. Функциональные и принципиальные электрические схемы автоматизации рекомендуется выполнять согласно данным [4], в том числе с применением комплексов АНС для ЦТП и элеваторов ЭРСА в блочном исполнении повышенной заводской готовности на базе единой аппаратуры серийного производства.

Порядок поэтапного внедрения автоматизация

14. Охват автоматизации регулирования отпуска теплоты в ЦТП и тепловых пунктах отдельных потребителей должен быть максимально возможным на каждом этапе внедрения. Чем больше степень охвата автоматизацией, тем больше может быть получена экономия топлива на районной котельной или ТЭЦ.

15. Поэтапное внедрение автоматизации регулирования следует осуществлять путем охвата автоматизацией на каждом этапе целых магистралей.

Этап включает следующие мероприятия:

ЦТП и потребители выбранной для автоматизации магистрали автоматизируются согласно п. 7 - 13. При этом тепловая сеть должна быть гидравлически отрегулирована в соответствии с действующими положениями. При необходимости внедрению автоматизации должны предшествовать работы по гидравлической наладке тепловой сети (см. разд. II);

ЦТП и потребители остальных магистралей должны быть оборудованы обязательно регуляторами температуры воды на горячее водоснабжение. Схемы присоединения водонагревателя горячего водоснабжения в тепловых пунктах этих магистралей - смешанная (параллельная) или двухступенчатая последовательная. Элеваторные узлы в зданиях должны быть отрегулированы на расчетный расход теплоносителя. На головных участках этих магистралей следует установить регуляторы перепада давлений. Лишь при выполнении этих мероприятий может быть обеспечено получение экономии топлива на котельной от работы регуляторов в ТП автоматизированной магистрали и сведен к минимуму перегрев потребителей неавтоматизированных магистралей.

Режимы работы автоматизированных ЦТП

16. В ЦТП жилых микрорайонов со смешанной с ограничением расхода схемой (см. п. 7) отпуск теплоты на отопление зданий из ЦТП производится по повышенному температурному графику (кривая 4 на рис. 1), рассчитанному для отнесения нагрузок  данного ЦТП. Температура воды на горячее водоснабжение поддерживается на заданном уровне со снижением этого уровня в ночные часы (если снижение допускается).

Требуемая зависимость температуры воды на отопление от температуры наружного воздуха (температурный график) и требуемая температура воды на горячее водоснабжение устанавливаются настроечными органами соответствующих регуляторов. Перевод работы ЦТП на режим сниженной температуры воды на горячее водоснабжение в ночные часы осуществляется программно-временным устройством.

Насос смешения включен в течение всего отопительного сезона (см. табл. 3). Во внутриквартальной сети поддерживается постоянный расход воды.

17. ЦТП со смешанной схемой (без ограничения расхода) (см. п. 7) имеет те же режимы работы, что и в п. 16. Отличие заключается в том, что регулятор отопления настраивается на отпуск теплоты по отопительному графику (кривые 5 и 6 с учетом бытовых тепловыделений) и насос смешения автоматически отключается при низких tн. Учет бытовых тепловыделений в графике производится опытным путем или путем расчета с последующей корректировкой температурного графика по данным замеров фактических температур воздуха в отапливаемых помещениях.

18. В ЦТП со смешанной схемой с частичным ограничением расхода (без регулятора расхода) (см. п. 8) в зимний период насосы смешения автоматически отключается, клапан регулятора отопления открыт полностью. Благодаря повышенному температурному графику центрального регулирования (кривая 2) и постоянному перепаду давления сетевой воды здания получают за сутки требуемое при данной температуре наружного воздуха количество теплоты на отопление, так как схема обеспечивает использование аккумулирующей способности отапливаемых зданий.

В переходный период сезона автоматически включаются насосы смешения (сначала один, затем с повышением температуры наружного воздуха и второй) и регулятор отопления. Отпуск теплоты на отопление зданий из ЦТП производится по отопительному температурному графику с учетом избыточных тепловыделений (кривые 5 и 6). Настройка регуляторов производится аналогично п. 16.

19. ЦТП с последовательным присоединением водонагревателя горячего водоснабжения и переключением (см. п. 7) работает в зимний период по последовательной схеме. При этом насосы автоматически отключаются.

В переходный период водонагреватель горячего водоснабжения автоматически (или обходчиком) переключается на смешанную схему, автоматически включаются насосы смешения и регулятор отопления; режимы их работы и настройка регуляторов такие же, как и в п. 16 для аналогичного периода сезона. Настройка устройства переключения производится согласно данным табл. 3.

20. Расчетные расходы сетевой воды перед ЦТП и других пунктов определяются согласно СНиП 2.04.07-86 в точке излома графика с учетом наличия или отсутствия бака-аккумулятора, типа схемы присоединения водонагревателя горячего водоснабжения, наличия или отсутствия устройств ограничения расхода и регулятора расхода воды.

При расчете расходов температура подающей сетевой воды на входе теплового пункта принимается с учетом влияния тепловых потерь в подводящей сети, а для действующих систем теплоснабжения - равной фактической.

21. В ЦТП с зависимым присоединением систем отопления гидравлический режим работы насосов должен быть согласован с гидравлическим режимом работы тепловой сети в точке присоединения ЦТП. Это согласование осуществляется в процессе наладки, при этом в случае отсутствия регулятора расхода воды могут быть применены различные способы:

с помощью вентилей (задвижек) на обводных и нагнетательных трубопроводах насосов;

обточкой рабочего колеса насосов;

заменой двухходового клапана регулятора отопления на трехходовой клапан;

установкой второго двухходового клапана на перемычке после насосов, управляемого регулятором РО разновременно с первым в разных направлениях (рис. 3) [1].

При наличии регулятора расхода рекомендуется самоприспосабливающаяся система автоматического регулирования: при полном открытии клапана 4 происходит переключение клапанов (рис. 4) (заявка В 4303155/29-06 от 29.06.88).

22. При необходимости централизованного ограничения отпуска теплоты в котельной снижают температуру подающей сетевой воды. При этом на период ограничения автоматически открываются полностью клапаны регуляторов отопления во всех ЦТП и автоматически (или телемеханически из диспетчерского пункта) отключаются насосы смещения в тех ЦТП, где они до ограничения были включены.

При снижении температуры наружного воздуха ниже своего расчетного значения для систем отопления с целью уменьшения величины недодачи теплоты на отопление отключаются водонагреватели горячего водоснабжения в ЦТП (обходчиком) в порядке, предусмотренном действующей на предприятии инструкцией по эксплуатации ЦТП. При этом также открывается полностью клапан регулятора отопления и отключаются насосы смешения (если последние были включены).

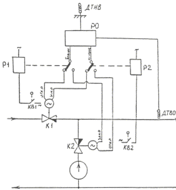
Рис. 3. Схема автоматического регулятора отпуска теплоты с двумя регулирующими клапанами

РО - регулятор отопления; К1, К2 - регулирующие клапаны; ДТНВ, ДТВО - датчики температуры наружного воздуха, воды на отопление; Р1, Р2 - промежуточные реле; КВ1, КВ2 - конечные выключатели открытого положения клапанов К1 и К2

Рис. 4. Схема регулирования отпуска теплоты с двумя переключающимися регуляторами

1 - регулятор температуры; 2 - регулятор расхода; 3 - автоматическое переключающее устройство; 4 - клапан на подающей линии; 5 - клапан на перемычке; 6 - насосы смешения; 7 - конечный выключатель

Режимы работы тепловых сетей

23. Расход воды в магистральной тепловой сети определяется принятым температурным графиком центрального регулирования и схемами и режимами работы автоматизированных ЦТП. Расчетный суммарный расход сетевой воды определяется для точки излома температурного графика как сумма расчетных расходов сетевой воды всех тепловых пунктов, найденных по п. 20.

24. Среднесуточный суммарный расход сетевой воды в сети имеет наибольшее значение, равное расчетному расходу, в точке излома графика. При снижении температуры наружного воздуха до расчетной расход уменьшается незначительно (до 10 %), при этом насосы смешения могут не работать. При повышении температуры наружного воздуха от точки излома расход снижается до значения, определяемого лишь нагрузкой горячего водоснабжения и его циркуляционной нагрузкой в конце (начале) отопительного сезона.

Снижение суммарного расхода воды от расчетного, особенно в переходный период, и обусловливает экономию теплоты и соответственно топлива и электроэнергии на теплоисточнике от внедрения комплексной автоматизации регулирования в ТП.

25. Для обеспечения указанного снижения расхода сетевой воды необходимо строгое соблюдение параметров режима отпуска теплоты из котельной и параметров отпуска теплоты из ЦТП, что должно контролироваться средствами телемеханики или обходчиками.

26. При наличии насосной станции давления в подающем и обратном трубопроводах должны поддерживаться постоянными на уровнях, определенных для района сети, охватываемого станцией.

11. Режимы работы системы теплоснабжения при сплошной автоматизации ТП

Режимы регулирования отпуска теплоты из котельной

27. Центральное регулирование отпуска теплоты целесообразно осуществлять по ступенчатому температурному графику регулирования (кривая 1 на рис. 1) при постоянной температуре и постоянном перепаде давлений воды на выходе котельной (при освоении средств регулирования скорости вращения сетевых насосов - при переменном перепаде давлений на выходе котельной) [7].

Ступенчатый температурный график регулирования представляет собой график, в каждой из ступеней которого температура подающей сетевой воды  поддерживается постоянной. Отпуск теплоты по такому графику обеспечивает при незначительном повышении тепловых потерь в сети снижение повреждаемости теплопроводов от наружной коррозии благодаря достаточно высокой температуре в зоне контакта трубопровода с его изоляцией, а также существенное снижение расходов сетевой воды и соответственно расхода электроэнергии на ее перекачку и улучшение работы компенсаторных устройств в сетях благодаря сокращению диапазона температуры воды (100 - 150 вместо 70 - 150 °C) и увеличению времени работы с постоянной температурой.

28. Наиболее целесообразен следующий график (см. рис. 1, кривая 1):

первая ступень - при температуре наружного воздуха tH ³ tHl (включая и летний период) температура подающей сетевой воды 1 = 105 - 120 °C;

вторая ступень - при температуре наружного воздуха tH1 > tH  tH2 температура подающей сетевой воды  = 125 - 135 °C;

третья ступень - при температуре наружного воздуха tH < tH2 температура подающей сетевой воды равна расчетной .

Значения температур наружного воздуха tH1 и tH2, при которых происходит переход с одной ступени на другую, принимаются согласно повышенному или отопительному графику.

Меньшее значение  и соответственно  принимается при относительно меньшей протяженности тепловых сетей, большее значение - при большой протяженности сетей (с учетом обеспечения у наиболее удаленного потребителя температуры сетевой воды не ниже 100 °С).

29. Для условий Москвы (расчетная температура наружного воздуха для отопления t = -26 °С, т = 0,25), например, может быть принята первая ступень  = 120 °С при tH -13 °С, которая составляет по длительности в отопительный период 88 % этого периода; вторая ступень  = 135 °С при -13 °С > tH2 -19 °C с длительностью 8 % отопительного периода; третья ступень  =  при tH2 < -19 °C (длительность 4 %).

30. Если котельная не имеет избытков тепловой мощности, т.е. ее мощность не больше, чем требуется для покрытия расчетной нагрузки отопления, вентиляции и среднечасовой нагрузки горячего водоснабжения, график должен состоять из двух частей:

первая - при температуре наружного воздуха tH  tH2 (включая летний период) температура подающей сетевой воды постоянна и равна 1 = 105 - 120 °C;

вторая - при температуре наружного воздуха tH > tH2 t температура подающей сетевой воды 2 изменяется по повышенному или отопительному графику.

31. Способы поддержания постоянными температуры и давления подающей воды и давления обратной воды и выбор величин регулируемых давлений аналогичны п.п. 4 - 6.

Технологические схемы и схемы автоматизации ТП

32. Присоединение водонагревателя горячего водоснабжения в ЦТП и других тепловых пунктах осуществляется по смешанной схеме на рис. 2, Б (как при наличии бака-аккумулятора, так и при его отсутствии).

33. ЦТП с зависимым присоединением отопления зданий оборудуется корректирующими насосами смешения для систем отопления.

34. Схема автоматизации регулирования отпуска теплоты в ЦТП включает: автоматический регулятор температуры воды на отопление в зависимости от температуры наружного воздуха; автоматический регулятор температуры воды на горячее водоснабжение; автоматический регулятор перепада давлений (расхода) воды на отопление.

35. В элеваторных узлах зданий (МТП) без фасадного деления систем отопления, присоединенных к ЦТП, устанавливаются элеваторы с регулируемым соплом с ручным управлением.

36. Все потребители, присоединенные к магистральным тепловым сетям помимо ЦТП жилых микрорайонов, должны иметь собственные автоматизированные тепловые пункты (ИТП) с регулированием отпуска теплоты на отопление и горячее водоснабжение. При элеваторном присоединении схема автоматизации отопления этих потребителей должна осуществляться по одному из следующих вариантов:

обычный элеватор, бесшумный электронасос на подмешивающем трубопроводе к элеватору, автоматический регулятор отпуска теплоты с установкой клапана на подающем трубопроводе перед элеватором;

элеватор с регулируемым соплом с автоматическим регулированием и бесшумный электронасос на подмешивающем трубопроводе к элеватору.

Режимы работы автоматизированных ЦТП

37. В ЦТП жилых микрорайонов и других тепловых пунктах отпуск теплоты на отопление зданий производится по отопительному температурному графику с учетом избыточных тепловыделений (кривая 5 или 6 на рис. 1) (по минимуму) и снижения отпуска теплоты в ночные часы (только для общественных зданий). Настройка регуляторов и режимы работы аналогичны п. 16. Согласование режимa работы смесительных насосов с сетью аналогично п. 21.

38. При осуществлении отпуска теплоты из котельной по графику п. 30 на диапазоне температуры наружного воздуха tH < tHl в ЦТП автоматически насосы смещения отключаются и открываются полностью клапаны регуляторов отопления: ЦТП переходит на режим работы по смешанной схеме (с частичным ограничением расхода при повышенном графике).

39. Расчетный расход сетевой воды на ЦТП и других пунктах определяется согласно СНиП 2.04.07-86 при температуре наружного воздуха, равной tHl. Температура подающей сетевой воды на входе пункта принимается с учетом влияния тепловых потерь в подводящей тепловой сети, а для действующей системы - равной фактической.

40. Режимы работы ЦТП при ограничении отпуска теплоты от котельной и снижении tH ниже расчетной аналогичны п. 22.

Режимы работы тепловых сетей

41. Расчетный суммарный расход сетевой воды определяется при температуре tHl, как сумма расчетных расходов сетевой воды всех тепловых пунктов, найденных по п. 39.

42. Среднесуточный суммарный расход в сети имеет наибольшее значение, равное расчетному расходу, при температуре наружного воздуха tH1. При снижении температуры наружного воздуха ниже tH1 расход уменьшается незначительно. При повышении температуры наружного воздуха выше tH1 расход снижается до значения, определяемого лишь нагрузкой горячего водоснабжения и его циркуляционной нагрузкой в конце (начале) отопительного сезона.

43. В системах теплоснабжения с сетями с резервированием локализация аварии в сети должна осуществляться при условии подачи 100 % теплоты всем потребителям. Это обеспечивается поддержанием в течение значительной части отопительного сезона повышенной температуры подающей сетевой воды. При необходимости значение этой температуры на период аварийно-восстановительных работ поднимается до более высокого уровня, определяемого гидравлическим расчетом тепловой сети и расчетом режимов работы ТП.

44. При применении центрального регулирования по ступенчатому графику в котельной любое активное изменение отпуска теплоты потребителям может быть осуществлено лишь в ТП с помощью автоматических регуляторов отопления и горячего водоснабжения и путем воздействия на их задатчики. От качества работы этих регуляторов зависит эффективность и надежность теплоснабжения.

Кроме того, рассматриваемый режим регулирования обусловливает в сезонном и суточном разрезах изменение расхода воды в сети и, следовательно, изменение давлений воды в сети, которые должны стабилизироваться на котельной и в насосных сетевых станциях (при их наличии).

Поэтому роль контроля регулируемых параметров ЦТП и котельной, расходов и давлений в сетях, а также управления оборудованием в ЦТП становится весьма ответственной. Этот контроль и управление наиболее целесообразно осуществлять из диспетчерского пункта с применением средств телемеханики.

IV. СОВЕРШЕНСТВОВАНИЕ ДИСПЕТЧЕРСКОЙ СИСТЕМЫ УПРАВЛЕНИЯ

45. Комплексная автоматизация может обеспечить высокое качество и экономичность теплоснабжения только при постоянном контроле за работой оборудования и средств автоматизации. Для этого необходимо развивать диспетчеризацию систем теплоснабжения путем внедрения телемеханизированных систем диспетчерского управления (ТСДУ), создания автоматизированных систем управления технологическими процессами (АСУТП) теплоснабжения или автоматизированных систем диспетчерского управления (АСДУ) тепловыми сетями.

46. Основной целью работы диспетчерской системы управления (ДСУ) в системах теплоснабжения в условиях комплексной автоматизации является: создание и поддержание режима работы технологического оборудования и средств автоматизации, обеспечивающих безаварийное и качественное снабжение потребителей тепловой энергией и горячей водой при максимальной экономии топливно-энергетических ресурсов и минимальных трудовых затрат на обслуживание.

47. В соответствии со своей целью ДСУ должна осуществлять:

контроль состояния основного технологического оборудования и основных технологических параметров, характеризующих тепловой и гидравлический режимы;

оперативное управление технологическим режимом изменением параметров настроек регуляторов и состояния оборудования;

обнаружение аварий и неисправностей технологического оборудования и средств автоматизации, руководство персоналом по локализации и ликвидации аварий, выдачу разрешений на отключение технологического оборудования для проведения ремонтных и профилактических работ;

эксплуатацию технических средств телемеханики, обеспечение связи между диспетчерским пунктом и эксплуатационным персоналом, находящимся на объектах.

48. Контроль состояния основного технологического оборудования, важнейших технологических параметров осуществляется в соответствии с проектом ДСУ городского теплоснабжения.

Проектирование телемеханизации производится на основании технического задания на разработку ДСУ и ряда исходных материалов. Техническое задание составляется совместно технологами предприятия-заказчика и специалистами проектной организации и утверждается заказчиком (более подробные рекомендации по проектированию приведены в [6]).

Техническое задание включает:

характеристики и режимы работы как основного оборудования, так и самих объектов телемеханизации;

порядок организации диспетчерской службы, структуру, характеристики каналов связи, вид системы диспетчерского управления ОДУ, ТСДУ, АСУТП или АСДУ согласно [4];

объем телемеханизации выбранных объектов.

Рекомендуемый объем телемеханизации объектов системы теплоснабжения приведен в работе [4].

49. При организации оперативного управления технологическим режимом в условиях комплексной автоматизации необходимо учитывать основные требования, предъявляемые к режимам центрального, группового и местного регулирования:

расчетный расход сетевой воды от источника теплоты, в магистралях и у потребителей определяется с учетом выравнивания тепловой нагрузки в ЦТП жилых микрорайонов путем использования аккумулирующей способности ограждающих конструкций зданий или баков-аккумуляторов горячей воды (при их наличии);

расход сетевой воды на входе каждого ЦТП должен быть ограничен до расчетного значения с помощью устройств ограничения расхода (УОР);

должна быть обеспечена надежная работа системы теплоснабжения в условиях, определяемых особенностями ее функционирования (ограничение отпуска теплоты от теплоисточника, например, по ограничению в подаче топлива; перераспределение расходов сетевой воды при повреждении магистральных теплопроводов от наружной или внутренней коррозии, при совместной работе нескольких теплоисточников; перераспределение нагрузки теплоисточников с задействованием наиболее экономичных в случае избытка теплоты и т.п.);

должны быть определены потребители, у которых недопустимы ограничения в теплопотреблении (детские дошкольные учреждения, школы, поликлиники, предприятия общественного питания и др.).

50. Для ведения оперативного руководства эксплуатацией системы теплоснабжения в расположении диспетчера должны быть:

оперативные схемы, отражающие точное состояние тепловых сетей, перекачивающих насосных станций, узловых камер, ТП, насосно-подогревательных установок и баков-аккумуляторов источника теплоснабжения;

необходимая техническая документация, указанная в ПТЭ (комплект схем тепловых сетей, альбом основных камер тепловых сетей, списки потребителей с указанием расчетных тепловых нагрузок, инструкция по эксплуатации аппаратуры телемеханики, ПТЭ, ПТБ, оперативный журнал и др.);

суточный температурный график регулирования отпуска теплоты.

В условиях комплексной автоматизации необходимость в оперативном управлении технологическим режимом возникает в основном либо в переходные периоды отопительного сезона, либо при возникновении аварийных ситуаций.

В переходные периоды возникает необходимость в изменении как гидравлического, так и теплового режимов. Изменение гидравлического режима (количественное регулирование) может достигаться воздействием с помощью телерегулирования на задатчики уставок регуляторов давления или напора, расположенных как на источнике тепла, так и на перекачивающих станциях или ТП, а также путем изменения скорости вращения сетевых насосов. При этом необходимо следить после каждого плавного воздействия за значением регулируемого параметра в установившемся режиме с помощью телеизмерения.

Необходимо также учесть, что изменение располагаемых напоров источника теплоты или насосных перекачивающих станций целесообразно проводить с одновременным изменением регулируемых напоров у потребителей.

Величины регулируемых давлений определяются гидравлическим расчетом сети и условиями присоединения потребителей к сети и рельефом местности.

Изменение теплового режима (качественное регулирование) достигается регулированием температуры подающей сетевой воды на выходе котельной или автоматическим регулятором температуры либо с помощью телеуправления по прибору, измеряющему температуру наружного воздуха путем воздействия на подачу топлива в котлы и регулирующий орган на узле подмешивания сетевой воды.

Подробно режимы работы закрытых систем теплоснабжения при комплексной автоматизации приведены в разд. III.

51. Мероприятия по ликвидации аварий и их последствий, порядок введения режимов ограничения при дефиците тепловой мощности источников и нарушениях теплового и гидравлического режимов (включая снижение температур наружного воздуха ниже расчетных) должны быть предусмотрены в разработанном Положении по управлению функционированием систем теплоснабжения с учетом местных условий с привлечением теплоснабжающих организаций Минэнерго СССР и других ведомств.

В соответствии с Положением диспетчерская служба должна иметь разработанные аварийные режимы, в которых предусматривается резервирование подачи теплоты по перемычкам от других магистралей данного или смежного районов или от других источников теплоты (в качестве резервного источника желательно предусмотреть передвижную котельную, а для ее присоединения на магистралях иметь специальные штуцера).

Методы обнаружения аварийных ситуаций или аварий по указаниям телеизмерения и телесигнализации и порядок их предупреждения, локализации и ликвидации должны быть изложены в местных инструкциях. Этим методам должен быть обучен дежурный персонал.

52. Эксплуатационное обслуживание устройств телемеханики (УТ) включает в себя техническое обслуживание и ведение эксплуатационной документации. Техническое обслуживание УТ включает: ежедневный контроль УТ на диспетчерском пункте; периодической внешний осмотр аппаратуры; профилактические эксплуатационные проверки аппаратуры (полные или частичные); оперативное устранение повреждений в УТ.

Для обеспечения нормальной эксплуатации УТ специалистами завода-изготовителя или пуско-наладочной организации составляются местные инструкции эксплуатационному и оперативному персоналу.

Инструкции эксплуатационному персоналу, составляемые на основе технической заводской документации и обобщения опыта эксплуатации, должны регламентировать сроки, объемы и порядок выполнения всех видов профилактических работ, указанных ранее в тексте.

Инструкция оперативному персоналу ДП должна содержать точные и четкие указания по работе с УТ как в нормальных режимах, так и при возникновении неисправностей. В приложении к инструкции должен приводиться перечень параметров телеизмерения, телеуправления, телесигнализации и аварийно-предупредительной сигнализации.

Инструкция оперативному персоналу разрабатывается службой эксплуатации УТ и оперативно-диспетчерской службой и утверждается главным инженером предприятия.

Работа УТ должна фиксироваться в эксплуатационном журнале и журнале неполадок. Эксплуатационный журнал отражает техническое состояние УТ, в нем должны отмечаться все случаи отказов и нарушений нормальной работы аппаратуры, причины их вызвавшие и меры по устранению неисправностей, а также проверки УТ и профилактические работы после нарушений, отказов и т.п. Журнал неполадок УТ является основным официальным документом для учета их работы. В журнале, который ведется оперативно-диспетчерским персоналом, необходимо отмечать время возникновения и характер неисправности аппаратуры, время восстановления нормальной работы устройства, а также принятые меры и причины нарушения работы УТ.

V. СОВЕРШЕНСТВОВАНИЕ ОРГАНИЗАЦИИ НАЛАДКИ И ЭКСПЛУАТАЦИИ СРЕДСТВ АВТОМАТИЗАЦИИ И ТЕЛЕМЕХАНИЗАЦИИ

53. Внедрение комплексной автоматизации систем теплоснабжения городов и других населенных пунктов значительно увеличит насыщенность сооружений тепловых сетей и потребителей тепловой энергии средствами автоматики и диспетчерского контроля, что в свою очередь приведет к увеличению объемов наладочных работ и эксплуатационных затрат на их обслуживание и ремонт. Это потребует совершенствования организации наладки и эксплуатации средств, автоматизации и телемеханизации.

В настоящее время наладку средств автоматизации на объектах коммунальной теплоэнергетики осуществляют специализированные наладочные организации и в отдельных случаях наладочные подразделения, созданные при энергетических объединениях, управлениях АССР, краев и областей. Наладку и сервисное обслуживание технических средств АСУТП теплоснабжения (телемеханических комплексов и ЭВМ) осуществляют специализированные организации Минприбора СССР.

Исходя из вышеизложенного целесообразно наладку локальной автоматики и средств автоматического регулирования отпуска теплоты на объектах теплоснабжения возложить на хозяйственные наладочные подразделения при энергетических объединениях, управлениях.

Наладку систем телемеханики для контроля объектов теплоснабжения отдельных городских районов, магистралей тепловых сетей или систем теплоснабжения малой емкости могут осуществлять специализированные наладочные организации или персонал эксплуатационных теплоэнергетических предприятий.

54. Для успешного выполнения работ по внедрению комплексной автоматизации систем теплоснабжения в структуру каждого энергообъединения, управления ввести наладочное подразделение, на которое возложить выполнение следующих работ: режимная наладка котлоагрегатов и вспомогательного оборудования; наладка котельной автоматики; наладка автоматики на объектах тепловых сетей и тёплопотребления; наладка систем телемеханики малой емкости; метрологическое обеспечение средств измерений (СИ).

Численный состав наладочного подразделения должен определяться по каждому энергообъединению, управлению отдельно, с учетом объемов наладочных работ по системам теплоснабжения и внедрения комплексной автоматизации.

При комплексной автоматизации системы теплоснабжения должен быть составлен план-график, предусматривающий очередность и сроки проведения каждого вида наладочных работ. План-график утверждается головной организацией, ответственной за комплексную автоматизацию.

Наладочные подразделения должны быть обеспечены методической и нормативно-технической документацией по каждому виду работ. Наладка автоматики ТП производится согласно [8].

Для повышения квалификации персонала наладочных подразделений следует организовать отраслевые курсы повышения квалификации.

При комплексной автоматизации систем городов и других населенных пунктов значительное внимание должно уделяться организации эксплуатации средств автоматизации и телемеханизации.

55. В зависимости от объемов насыщения объектов систем теплоснабжения, центральных тепловых пунктов и тепловых пунктов жилых и общественных зданий в эксплуатационном предприятии тепловых сетей должен быть создан специализированный производственный участок (лаборатория) по обслуживанию и ремонту средств автоматики.

В номенклатуре работ специализированного участка (лаборатории) следует предусматривать обслуживание и ремонт: гидравлической аппаратуры автоматики; электрооборудования тепловых пунктов и других объектов теплоснабжения; электронных приборов и электрических исполнительных механизмов; обслуживание, ремонт и метрологическую поверку КИП (в том числе приборов учета отпуска и потребления тепловой энергии и воды).

Численный состав специализированного производственного участка (лаборатории) зависит от количества обслуживаемых автоматизированных центральных и индивидуальных тепловых пунктов.

Нормы на обслуживание средств автоматики тепловых пунктов в настоящее время разработаны только нормативной станцией объединения «Мосинжремонт» для специализированных управлений этого объединения. Поэтому рекомендуется применить бригадный метод обслуживания тепловых пунктов. Примерный состав бригады по профессиям: слесарь-сантехник 4 разряда - обслуживание гидравлической автоматики; электромонтер 4 разряда - обслуживание электрооборудования; слесарь КИПиА 5-6 разряда - обслуживание электронной автоматики и контрольно-измерительных приборов.

Одна бригада обслуживает 10 - 12 ЦТП или 18 - 20 ИТП с учетом времени на передвижение бригады городским транспортом. Руководителем бригады является мастер, в подчинении у которого должны находиться 2 - 3 бригадира. Бригада фиксирует все сбои и неполадки в работе автоматики в оперативном журнале теплового пункта.

Ремонт средств автоматики следует производить в производственных мастерских (помещениях) участка (лаборатории).

Для замены вышедшего из строя автоматического регулятора на предприятии тепловых сетей должны быть в запасе резервные комплекты средств автоматики в объеме 5 - 7 % от общего их установленного количества.

В состав производственного участка (лаборатории) должна входить группа по ремонту средств автоматики, контрольно-измерительных приборов и метрологического обеспечения.

При значительных объемах работ по проверке средств измерения (СИ) группа по метрологическому обеспечению может быть выделена в самостоятельную производственную единицу (бригаду).

Для проверки, снятия характеристик и предварительной настройки электронных и гидравлических регуляторов, а также проверки плотности закрытия запорно-регулирующих органов производственные участки (лаборатории) должны быть оснащены соответствующими стендами и оборудованием.

56. В связи с тем, что серийно выпускаемые в настоящее время телемеханические комплексы на электронных элементах III и IV поколений достаточно сложны, для их эксплуатации требуется персонал с квалификацией инженеров и техников по электронике.

Для обслуживания комплексов рекомендуется создание группы из указанных специалистов. Состав группы определяется руководством теплоэнергетического предприятия и зависит от подготовленности специалистов, количества обслуживаемых или контролируемых пунктов (КП), удаленности КП от диспетчерского пункта (ДП), вида средств передвижения и т.д.

Примерный состав группы и квалификация входящих в нее специалистов рекомендуется разработчиками комплексов и приводится, как правило, в РТМ на проектную привязку комплекса к объектам системы теплоснабжения. Для ряда телемеханических комплексов эти рекомендации приведены в табл. 4.

Более точно состав группы и квалификацию специалистов можно определить по трудозатратам, действительно необходимым для эксплуатации конкретного телемеханического комплекса. Методика расчета этих трудозатрат приведена в рекомендациях [5].

Таблица 4

Рекомендуемая численность и квалификация персонала, обслуживающего некоторые телемеханические комплексы

Комплекс

Обслуживающий персонал

Старший инженер по электронике

Инженер по электронике

Техник по электронике

Слесарь 6 разряда

Слесарь-электрик

TМ-321 на 100 КП

1

-

1

1
(в смену)

-

ТМ-322 на 100 КП

1

-

1

1
(в смену)

-

TМ-120-1, ТМ-120-2М

2

1 + 1
(в смену)

1 + 1
(в смену)

Может заменить техников по электронике

 

"Гранит" на 16 КП

1

1 + 1
(в смену)

1 + 1
(в смену)

То же

-

ЛТК-133 с ПУ ТК-132

1

1
(в смену)

1
(в смену)

-

-

"Контур-23", "Контур-33"

-

-

-

-

2

Примечание. При наличии ЭВМ она обслуживается своим персоналом, состав и количество которого рекомендованы в номенклатурном перечне изделий НПО ВТ «Импульс».

ЛИТЕРАТУРА

1. A. c. № 1218262 СССР, кл. Р 24Д3/00. Устройство для регулирования расхода теплоты в системе теплоснабжения/В. С. Фаликов, В. В. Шелудько, В. С. Миронов, А. Н. Парщуков (СССР). - № 3672033/29-33; Заявлено 06.12.83; Опубл. 15.03.86, Бюл. № 10//Открытия, изобретения. - 1986. - № 10.

2. Временные рекомендации по составлению технико-экономического обоснования целесообразности создания АСУТП систем теплоснабжения. - И: ОНТИ АКХ им. К. Д. Памфилова, 1987. - 76 с.

3. Зингер Н. М. Гидравлические и тепловые режимы теплофикационных систем. - М.: Энергоатомиздат, 1986. - 320 с.

4. Основные положения по комплексной автоматизации систем теплоснабжения городов. - М.: ОНТИ АКХ им. К. Д. Памфилова, 1988.

5. Рекомендации по оценке экономической эффективности внедрения средств телемеханики в коммунальной энергетике. - М.: ОНТИ АКХ им. К. Д. Памфилова, 1987. - 65 с.

6. Рекомендации по проектированию и эксплуатации средств телемеханики в коммунальной энергетике. - М.: ОНТИ АКХ им. К. Д. Памфилова, 1983. - 54 с.

7. Рекомендации по схемам сетей и режимам работы тепловых сетей от котельных. - М.: ОНТИ АКХ им. К. Д. Памфилова, 1986. - с. 41 - 44.

8. Рекомендации по применению средств автоматического регулирования систем отопления и горячего водоснабжения эксплуатируемых жилых зданий. - М.: ОНТИ АКХ им. К. Д. Памфилова, 1988.

9. Соколов Е. Я. Теплофикация и тепловые сети. М.: Энергоиздат, 1982. - 360 с.

СОДЕРЖАНИЕ

I. Требования к проекту комплексной автоматизации системы теплоснабжения города (района) 1

II. Подготовка системы теплоснабжения к внедрению комплексной автоматизации. 5

III. Совершенствование тепловых и гидравлических режимов работы котельных, тепловых сетей и тепловых пунктов потребителей. 10

IV. Совершенствование диспетчерской системы управления. 20

V. Совершенствование организации наладки и эксплуатации средств автоматизации и телемеханизации. 23

Литература. 26

 




Яндекс цитирования



   Copyright © 2007-2026,  www.tehlit.ru.

[ ѓосты, стандарты, нормативы, инструкции, правила, строительные нормы ]