//
ТехЛит.ру
- крупнейшая бесплатная электронная интернет библиотека для "технически умных" людей.
WWW.TEHLIT.RU - ТЕХНИЧЕСКАЯ ЛИТЕРАТУРА

:: Алготрейдинг::


АЛГОТРЕЙДИНГ
шаг за шагом
с нуля по урокам!

Торговые роботы на PYTHON, BackTrader,
Pandas, Pine Script для TradingView. Связка с брокерами, телеграм и легкими приложениями.


Министерство жилищно-коммунального хозяйства РСФСР

Ордена Трудового Красного Знамени
Академия коммунального хозяйства им. К.Д. Памфилова

Утверждаю

Зам. генерального директора

ПО "Роскоммунэнерго"

Э. Б. Xих

26 июня 1989 г.

УКАЗАНИЯ
ПО ПОВЫШЕНИЮ НАДЕЖНОСТИ СИСТЕМ
КОММУНАЛЬНОГО ТЕПЛОСНАБЖЕНИЯ

МОСКВА 1990

В настоящих указаниях приводятся практические мероприятия технического и организационного характера, применение и соблюдение которых в процессе эксплуатации позволит повысить надежность систем теплоснабжения. К ним относятся мероприятия по совершенствованию эксплуатации, резервированию, защите от гидравлических ударов, применению передвижных котельных, автоматизации систем.

Указания составлены отделом коммунальной энергетики АКХ им. К.Д. Памфилова (канд. техн. наук Н.Г. Дворецков, ст. науч. сотр. В.С. Фаликов, инж. Н.А. Кузнецова) и предназначены для теплоснабжающих организаций.

ОБЩАЯ ЧАСТЬ

1. Повышение надежности системы коммунального теплоснабжения является одной из важнейших задач службы эксплуатации. Развитие крупных систем теплоснабжения, старение тепловых сетей, проложенных в годы массового строительства, увеличение повреждаемости теплопроводов до 30-40 и более повреждений на 100 км в год приводит к снижению надежности теплоснабжения, значительным эксплуатационным затратам и отрицательным социальным последствиям. Повреждения на трубопроводах большого диаметра приводят к длительным перерывам в подаче теплоты целым жилым районам и к выходу из строя систем отопления в десятках зданий.

Надежность функционирования системы теплоснабжения должна обеспечиваться целым рядом мероприятий, осуществляемых на стадиях проектирования и строительства, а также в период эксплуатации.

2. Под надежностью понимается свойство системы теплоснабжения выполнять заданные функции в заданном объеме при определенных условиях функционирования. Применительно к системе коммунального теплоснабжения в числе заданных функций рассматривается бесперебойное снабжение потребителей теплом и горячей водой требуемого качества и недопущение ситуаций, опасных для людей и окружающей среды. Надежность является комплексным свойством, оно в зависимости от назначения объекта и условий его эксплуатации может включать ряд свойств (в отдельности или в определенном сочетании), основными из которых являются безотказность, долговечность, ремонтопригодность, сохраняемость, устойчивоспособность, режимная управляемость, живучесть и безопасность.

3. Ниже приведены определения терминов свойств, характеризующих надежность.

Безотказность - свойство объекта непрерывно сохранять работоспособность в течение некоторого времени или некоторой наработки.

Долговечность - свойство объекта сохранять работоспособность до наступления предельного состояния при установленной системе технического обслуживания и ремонта.

Ремонтопригодность - свойство объекта, заключающееся в приспособлении к предупреждению и обнаружению причин возникновения его отказов, повреждений и устранению их последствий путем проведения технического обслуживания и ремонтов.

Сохраняемость - свойство объекта непрерывно сохранять исправное или только работоспособное состояние в течение и после хранения.

Устойчивоспособность - свойство объекта непрерывно сохранять устойчивость в течение некоторого времени.

Режимная управляемость - свойство объекта поддерживать нормальный режим посредством управления.

Живучесть - свойство объекта противостоять возмущениям, не допуская их каскадного развития с массовым нарушением питания потребителей.

Безопасность - свойство объекта не допускать ситуации, опасные для людей и окружающей среды.

4. Степень снижения надежности выражается в частоте возникновения отказов и величине снижения уровня работоспособности или уровня функционирования системы теплоснабжения. Полностью работоспособное состояние - это состояние системы, при котором выполняются все заданные функции в полном объеме. Под отказом понимается событие, заключающееся в переходе системы теплоснабжения с одного уровня работоспособности на другой, белее низкий в результате выхода из строя одного или нескольких элементов системы. Событие, заключающееся в переходе системы теплоснабжения с одного уровня работоспособности на другой, отражающийся на теплоснабжении потребителей, является аварией. Таким образом, авария также является отказом, но с более тяжелыми последствиями.

5. Наиболее слабым звеном системы теплоснабжения являются тепловые сети. Основная причина этого - наружная коррозия подземных теплопроводов, в первую очередь подающих линий водяных тепловых сетей, на которые приходится 80 % всех повреждений.

6. В настоящее время не имеется какой-либо общей теории надежности системы теплоснабжения, позволяющей оценивать надежность системы по всем или большинству показателей надежности, характеризующих в совокупности надежность системы. Отсутствуют какие-либо нормативные документы по надежности систем теплоснабжения. Оценка надежности системы производится на основе использования отдельных показателей надежности. В частности, для оценки надежности системы теплоснабжения используются такие показатели, как интенсивность отказов и относительный аварийный недоотпуск теплоты.

7. Интенсивность отказов определяется по зависимости

Р = SМотnот/SМп,

где Мот - материальная характеристика участков тепловой сети, выключенных из работы при отказе, м2; nот - время вынужденного выключения участков сети, вызванное отказом и его устранением, ч; SМп - произведение материальной характеристики тепловой сети данной системы теплоснабжения на плановую длительность ее работы за заданный период времени (обычно за год).

Материальной характеристикой тепловой сети, состоящей из "n" участков является величина М = , представляющая сумму произведений диаметров трубопроводов на их длину в метрах (учитываются как подающие, так и обратные трубопроводы).

8. Относительный аварийный недоотпуск теплоты может быть определен по формуле

q = SQав/SQ,

где SQав - аварийный недоотпуск теплоты за год; SQ - расчетный отпуск теплоты всей системой теплоснабжения за год.

9. Указанные показатели в определенной мере характеризуют надежность работы системы теплоснабжения. По динамике изменений этих показателей во времени (например из года в год) можно судить о прогрессе или деградации надежности системы теплоснабжения.

10. Объективная оценка надежности системы может быть произведена только при ведении тщательного учета всех аварий и отказов, возникающих в системе в процессе эксплуатации. Анализ зарегистрированных событий позволяет выявить наличие элементов пониженной надежности с целью принятия своевременных мер по замене или ремонту несовершенных и изношенных элементов системы. Учет аварий и отказов должен вестись на каждом предприятии в обязательном порядке. Журналы учета аварий и отказов приведены в прил. 1, 2 и 3.

РЕЗЕРВИРОВАНИЕ В СИСТЕМЕ ТЕПЛОСНАБЖЕНИЯ

11. В соответствии со СНиП 2.04.07-86 "Тепловые сети" (М., 1988) в тепловых сетях при проектировании должно предусматриваться резервирование подачи теплоты потребителям за счет совместной работы источников теплоты, а также устройства перемычек между тепловыми сетями смежных районов.

При подземной прокладке тепловых сетей в непроходных каналах и бесканальной прокладке резервная подача теплоты предусматривается в зависимости от расчетной температуры наружного воздуха для отопления и диаметров трубопроводов, принимаемых по табл. 1.

Таблица 1

Минимальный диаметр трубопроводов, мм

Расчетная температура наружного воздуха для проектирования отопления tо, °С

-10

-20

-30

-40

-50

Допускаемое снижение подачи теплоты, %

300

-

-

-

-

50

400

-

-

-

50

60

500

-

-

50

60

70

600

-

50

60

70

80

700 и более

50

60

70

80

90

Примечание. Знак "-" означает, что резервной подачи теплоты не требуется.

Резервирование подачи теплоты по тепловым сетям, прокладываемым наземно и в туннелях, предусматривать не следует.

12. Для зданий, в которых не допускаются перерывы в подаче теплоты (больницы, детские дошкольные учреждения с круглосуточным пребыванием детей, картинные галереи и т.п., устанавливаемые в задании на проектирование), следует предусматривать резервирование, обеспечивающее 100 %-ную подачу теплоты тепловыми сетями. Допускается предусматривать местные резервные источники теплоты.

13. В заданиях на проектирование, дополнительно к перечисленным выше объектам, следует предусматривать резервирование, обеспечивающее 100 %-ную подачу теплоты тепловыми сетями для родильных домов, детских яслей и садов, детских домов, школ-интернатов, домов для инвалидов и престарелых, станций скорой помощи, музеев, АТС, теле- и радиостудий.

14. С учетом климатических условий к потребителям тепла первой категории могут быть также отнесены жилые микрорайоны с населением, для которых также должно предусматриваться 100 %-ное резервирование подачи теплоты (см. ниже).

Население, тыс. чел.                            tрн, °С

2                                             (-40)

5                                             (-40) - (-31)

10                                           (-30) - (-21)

20                                           (-20) - (-11)

50                                           Выше (-10)

15. Надежность существующей системы теплоснабжения в городе может быть повышена путем осуществления совместной работы нескольких источников тепла на единую тепловую сеть, создания узлов распределения, прокладки резервных перемычек.

16. При наличии в городе нескольких источников тепла должна быть проанализирована возможность работы их на единую тепловую сеть и создания для нескольких из них единой тепловой сети. В этом случае при аварии на одном из источников тепла имеется возможность частичного обеспечения тепловой нагрузки единой тепловой сети за счет других источников тепла. Предполагаемые основные тепловые и гидравлические режимы, возникающие в аварийной ситуации, должны быть рассчитаны проектной организацией и реализовываться эксплуатирующей организацией. При наличии программ гидравлического расчета и ЭВМ расчет производится при аварии.

17. Наличие автоматизированных тепловых пунктов, подключенных к тепловой сети по независимой схеме или с помощью смесительных насосов, позволяет почти в течение всего отопительного сезона компенсировать снижение расхода в тепловой сети повышением температуры сетевой воды, обеспечивая необходимую подачу тепла.

18. В крупных системах теплоснабжения от ТЭЦ и районных котельных мощностью 300 Гкал/ч и более целесообразно устройство узлов распределения (УР) (СНиП 2.04.07-86, п. 1, 2) с двухсторонним присоединением к тепловой сети, обеспечивающим в случае аварии подачу тепла через перемычки между магистралями, а в идеальном случае - путем подключения к двум магистралям.

19. Наличие в тепловой сети УР позволяет получить управляемую систему теплоснабжения, т.е. обеспечить возможность точного распределения циркулирующей воды в нормальном и аварийном режимах, а при совместной работе теплоисточников - возможность изменения режима работы сети в широких пределах.

20. Надежность системы теплоснабжения может быть повышена путем устройства перемычек между магистральными сетями, проложенными радиально от одного или разных источников теплоты.

Перемычки используются как в нормальном, так и в аварийном режимах работы. Наличие перемычек позволяет обеспечить беспрерывное теплоснабжение и значительно снизить недоотпуск теплоты при аварии. Количество и диаметры перемычек определяются исходя из режима резервирования при сниженном расходе теплоносителя в соответствии с табл. 1.

21. Проработка вопросов, связанных с осуществлением совместной работы нескольких источников тепла на единую тепловую сеть, созданием узлов распределения и прокладкой резервных перемычек, должна производиться специализированной проектной и наладочной организациями.

В настоящее время указанные вопросы целесообразно решать при разработке схем теплоснабжения городов.

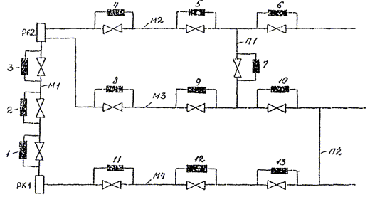
22. Принципиальная схема сетей с совместной работой на единую тепловую сеть двух районных котельных, устройством перемычек между магистралями и узлами распределения приведена на рис. 1. Наличие в городе такой схемы теплоснабжения позволяет осуществлять непрерывную подачу тепла через групповые тепловые пункты в результате их двухстороннего присоединения к сети, при выключении любого участка сети, на котором произошла авария. Два источника тепла обеспечивают возможность использования свободной тепловой мощности при аварии на одном из них. При работе схем теплоснабжения городов необходимо стремиться к тому, чтобы и распределительные тепловые сети, к которым подключаются центральные тепловые пункты, выполнялись аналогичным образом с двухсторонним подключением ЦТП и устройством перемычек.

Рис. 1. Принципиальная схема тепловых сетей с совместной работой источников тепла, с устройством перемычек и ГТЦ:

РК - районная котельная; М1-М4 - магистрали; П1-П2 - перемычки; 1-13 - групповые тепловые пункты

23. При проектировании котельных должны предусматриваться два ввода водопровода и электроснабжения, а также резервное топливо.

24. Практика эксплуатации показывает, что при осуществлении плана ликвидации мелких котельных, замене их крупными источниками теплоты, мелкие котельные, находящиеся в технически исправном состоянии, целесообразно оставлять в резерве.

КОМПЛЕКСНАЯ АВТОМАТИЗАЦИЯ СИСТЕМЫ ТЕПЛОСНАБЖЕНИЯ

25. В современных условиях комплексная автоматизация систем теплоснабжения включает как одну из основных задач - автоматизацию регулирования отпуска теплоты на отопление и горячее водоснабжение в тепловых пунктах зданий (ЦТП, ИТП). Главная цель автоматизации регулирования в ЦТП, ИТП - получение экономии теплоты и соответственно топлива, обеспечение комфортных условий в отапливаемых помещениях.

Решается эта задача путем установки в тепловых пунктах средств автоматического регулирования отпуска теплоты (регуляторов для систем отопления и горячего водоснабжения) и необходимых смесительных устройств (корректирующих насосов смешения, элеваторов с регулируемым соплом) согласно СНиП 2.04.07-86 "Тепловые сети" и "Основным положением…" [8]. Основные схемы автоматизации ЦТП и ИТП приведены на рис. 2 и 3.

Рис. 2. Схема теплового пункта со смешанным присоединением подогревателя горячего водоснабжения:

I, II - ступени водонагревателя горячего водоснабжения; РТг - регулятор температуры воды на горячее водоснабжение; РО - регулятор отопления; НС - насос смешения; ОК - обратный клапан; Э - элеватор; СО, СГВ - системы отопления, горячего водоснабжения; ВО, НО - подогреватель и насос отопления; ДП - диспетчерский пункт; УОР - устройство ограничения расхода; РР - регулятор перепада давлений (расхода) воды

Рис. 3. Схема автоматизации ИТП с элеваторным присоединением системы отопления и смешанным присоединением водонагревателей горячего водоснабжения:

1 - грязевик; 2 - регулятор температуры ГВ; 3 - водонагреватель II ступени; 4 - насос; 5 - регулятор отпуска теплоты на отопление; 6 - элеватор с регулируемым сечением сопла; 7 - водонагреватель I ступени; 8 - водомер; 9 - теплосчетчик

26. Одновременно с решением главной задачи автоматизация тепловых пунктов способствует повышению надежности систем теплоснабжения. При наличии автоматизации могут быть достигнуты:

улучшение состояния изоляции трубопроводов и связанное с этим снижение коррозионной повреждаемости тепловых сетей за счет поддержания температуры ³ 100 °С при 100 %-ной автоматизации;

улучшение условий работы компенсаторных устройств тепловых сетей;

подача теплоты потребителям в требуемом количестве (соответствующем данной температуре наружного воздуха) при ликвидации аварий в сетях с резервированием;

обеспечение устойчивого гидравлического режима работы систем отопления зданий при снижении температуры сетевой воды против требуемой по графику;

автономная циркуляция в местных системах отопления при аварийном падении давления в тепловых сетях, позволяющая снизить вероятность повреждений систем отопления потребителей.

27. Улучшение состояния изоляции трубопроводов и улучшение условий работы компенсаторных устройств обеспечивается осуществлением центрального регулирования отпуска теплоты на теплоисточнике по ступенчатому температурному графику регулирования при постоянной температуре.

Ступенчатый температурный график регулирования (рис. 4) представляет собой график, в каждой из ступеней которого температура подающей сетевой воды tс поддерживается постоянной и выше 100 °С. Отпуск теплоты по такому графику обеспечивает при незначительном повышении тепловых потерь в сети снижение повреждаемости теплопроводов от наружной коррозии благодаря достаточно высокой температуре в зоне контакта трубопровода с его изоляцией. Следует отметить, что увеличение затрат, связанное с повышением тепловых потерь в сетях, в определенной степени компенсируется снижением затрат на электроэнергию, так как ступенчатый график обусловливает резкое снижение расходов сетевой воды.

Рис. 4. Температурный график центрального регулирования отпуска теплоты при автоматизации ТП:

1 - ступенчатый при постоянной температуре; 2 - качественного регулирования по совмещенной нагрузке отопления в ГВС района теплоснабжения; 3 - качественного регулирования по нагрузке отопления, ограниченный наименьшей температурой, необходимой для подогрева воды, поступающей в системы ГВС

Кроме отмеченного, указанный график обусловливает улучшение работы компенсаторных устройств в сетях благодаря сокращению диапазона изменения температуры сетевой воды (100-150 вместо 70-150 °С) и увеличению времени работы с постоянной температурой.

По данным АКХ [9], наиболее целесообразен следующий график (см. рис. 4, кривая 1):

первая ступень - при температуре наружного воздуха tн ³ tн1 (включая и летний период) температура подающей сетевой воды tс1 = 105-120 °С);

вторая ступень - при tн1 > tн ³ tн2 температура подающей сетевой воды tс2 = 125-135 °С;

третья ступень - при tн < tн2 температура подающей сетевой воды равна расчетной, т.е. tс = tрс.

Значения температур наружного воздуха tн1 и tн2, при которых происходит переход с одной ступени на другую, принимаются согласно повышенному или отопительному графику. Меньшее значение tс1 и соответственно для tс2 принимается при относительно меньшей протяженности тепловых сетей, большее значение - при большей протяженности сетей (с учетом обеспечения у наиболее удаленного потребителя температуры сетевой воды не ниже 100 °С).

Для условий Москвы (расчетная температура наружного воздуха для отопления tрс = -26 °С, отнесение нагрузок горячего водоснабжения и отопления жилых зданий равно 0,25), например, может быть принята первая ступень графика tс1 = 120 °С при tн > -13 °С, которая составляет по длительности 88 % отопительного сезона; вторая ступень tс2 = 135 °С при -13 °С > tн2 ³ -19 °С с длительностью 8 % сезона; третья ступень tс3 = tрс при tн2 < -19 °С (длительность 4 %).

Если теплоисточник не имеет избытков тепловой мощности для покрытия максимальной нагрузки горячего водоснабжения, то график должен состоять из двух частей: первая полностью соответствует указанной выше первой ступени (при tн ³ tн1 tс1 = 105-120 °С); во второй части при tн1 > tн ³ tн2 температура tс2 изменяется по повышенному или отопительному графику (см. рис. 4, кривые 2, 3).

Для реализации такого графика необходима сплошная автоматизация отпуска теплоты на отопление, горячее водоснабжение, вентиляцию и другим потребителям в тепловых пунктах, непосредственно присоединенных к магистральной тепловой сети (в случае частичной автоматизации неавтоматизированные потребители недопустимо перегреваются). Теплоисточником при этом может быть котельная, а также может быть ТЭЦ при технико-экономическом обосновании с учетом повышения доли отбора пара повышенного давления и, следовательно, снижения экономичности выработки электроэнергии на тепловом потреблении.

28. Наличие автоматизации отпуска теплоты в тепловых пунктах тепловых сетей с резервированием (путем устройства перемычек между тепловыми сетями смежных районов согласно СНиП 2.04.07-86, п. 3.1) позволяет осуществить широкое маневрирование температурой сетевой воды.

При ликвидации аварий на отдельных участках сети можно, повысив температуру, подать всем потребителям теплоту на отопление в полном объеме (соответственно данной температуре наружного воздуха) при сниженном расходе сетевой воды на отопление. Значение этого расхода определяют расчетом на ЭРМ для каждой конкретной сети с учетом имеющихся перемычек и места аварии. Зная этот расход Wо, температуру наружного воздуха tн и требуемый для данной температуры tн расход теплоты на отопление Qо, находят необходимую температуру воды в подающем сетевом трубопроводе согласно работе [14]:

t01 = tн + (tвр - tно + ,                                  (1)

где  = Qo/Q¢o, Q¢o - расчетный расход теплоты на отопление, Гкал/ч; tвр - расчетная температура воздуха в помещениях, °С; tно - расчетная температура наружного воздуха для систем отопления, °С; u - коэффициент смешения элеватора; dt¢о - разность температур сетевой воды перед элеватором, °С;  = Wo/W¢o, W¢o - расчетный расход сетевой воды, т/ч; Dt¢o - температурный напор нагревательного прибора, °С.

Если отпуск теплоты от теплоисточника производится по ступенчатому графику (см. рис. 4), то температура t01 принимается по этому графику, но не ниже значения согласно формуле (1).

Как видно из формулы (1), чем меньше  (чем больше отличается сниженный расход в сети от расчетного значения W¢o), тем больше должна быть температура t01, чтобы осуществить 100 %-ную подачу теплоты потребителям при авариях в сетях с резервированием. Отметим, что при этом надежность теплоснабжения зданий существенно повышается по сравнению с СНиП 2.04.07-86 (п. 3.1, табл. 1), которые предусматривают при аналогичных условиях снижение подачи теплоты потребителям от 50 до 90 %.

Увеличение температуры сетевой воды при сниженном расходе воды может осуществляться при теплоснабжении как от котельной, так и от ТЭЦ.

29. Гидравлический режим работы автоматизированных систем отопления зданий ухудшается при снижении против графика температуры сетевой воды, в том числе при аварии на теплоисточнике; при этом регулирующие клапаны авторегуляторов отпуска теплоты на отопление полностью открываются и возможна разрегулировка тепловой сети, так как головные потребители отберут из сети больший расход, чем концевые потребители. Чем ниже гидравлическая устойчивость сети, тем больше величина указанной разрегулировки и больше снижается надежность теплоснабжения.

Устранить этот недостаток возможно, как это предлагается рядом организаций, путем установки дополнительных регуляторов давления (перепада давления). Однако это приводит, во-первых, к удорожанию автоматизации, во-вторых, к усложнению работы средств автоматизации в тепловых пунктах из-за взаимного влияния авторегуляторов отпуска теплоты и гидравлического режима.

Эффективное решение этого вопроса для ЦТП с насосом смешения возможно путем использования предложенной АКХ им. К.Д. Памфилова самоприспосабливающейся системы автоматического регулирования отпуска теплоты с двумя авторегуляторами 1, 2 и логико-переключающим устройством 3 (рис. 5). Система настраивается таким образом, что при наличии требуемой температуры tс согласно принятому графику и даже при ее превышении регулятор температуры воды на отопление 1 управляет клапаном на подающем трубопроводе 4, а регулятор перепада давления (расхода) 2 - клапаном на перемычке 5. При недостатке теплоты в сети и снижении температуры сетевой воды клапан 4 полностью открывается, устройство 3 от действия выключателя 7 переключает клапаны 4 и 5, теперь регулятор температуры 1 прикрывает клапан 5 и при полном его закрытии отключится насос 6. В действии остается регулятор расхода 2, который, управляя клапаном 4, обеспечит в данных условиях устойчивый гидравлический режим систем отопления зданий: относительное снижение отпуска теплоты на отопление на период снижения температуры в сети будет одинаковым для всех зданий при поддержании постоянства расхода воды, равного расчетному.

Рис. 5. Самоприспосабливающаяся система автоматического регулирования отпуска теплоты в ЦТП:

1 - регулятор температуры; 2 - регулятор расхода; 3 - переключающееся устройство; 4 - клапан на подающей линии; 5 - клапан на перемычке; 6 - насосы смешения; 7, 8 - конечные выключатели

30. Снизить вероятность повреждений системы отопления зданий от замораживания при аварийном прекращении подачи теплоносителя из сети (например, в результате падения давления в тепловой сети) позволяет организация автономной циркуляции воды в местных системах отопления. При наличии циркуляции воды, кроме того, отдаляется момент необходимого слива воды из систем отопления. Для получивших наибольшее распространение ЦТП с корректирующими насосами смешения указанная циркуляция обеспечивается установкой на подающем трубопроводе на входе в ЦТП электроконтактного манометра (ЭКМ), который при падении давления своим контактом включает насос смешения (или оба насоса, если подача каждого составляет 50 % расчетного расхода воды на отопление) (см. рис. 2).

31. Предлагаемые технические решения по повышению надежности теплоснабжения реализуются путем применения выпускаемых отечественной промышленностью средств автоматизации и АСУТП [1, 2]. Основные вопросы проектирования, наладки и эксплуатации этих средств для систем теплоснабжения решены в разрабатываемых АКУ нормативно-технических материалах [8, 10, 11].

ЗАЩИТА СИСТЕМ ТЕПЛОСНАБЖЕНИЯ ПРИ ГИДРАВЛИЧЕСКОМ УДАРЕ

32. Гидравлическим ударом называется явление, возникающее в трубопроводе при быстром изменении скорости движения жидкости. Гидравлический удар характеризуется мгновенными повышениями и понижениями давления, которые могут привести к разрушению трубопровода. Вероятность возникновения гидравлических ударов возрастает с увеличением мощности теплоисточников, увеличением диаметров и длины тепловых сетей, оснащения сети регуляторами, клапанами и задвижками.

33. Причинами возникновения гидравлических ударов являются: внезапный останов насосов на теплоисточнике или насосной станции при прекращении подачи электроэнергии; внезапное включение насосов; вскипание теплоносителя в котле в случае снижения расхода теплоносителя и последующей конденсации; быстрое закрытие регулирующих клапанов и задвижек на теплоисточнике, насосных станциях и тепловой сети.

Защита от гидравлических ударов может быть осуществлена за счет применения ряда специальных устройств.

34. На насосных станциях может быть рекомендовано устройство противоударной перемычки между обратным и подающим трубопроводами с установкой на ней обратного клапана (рис. 6). При внезапной остановке насосов, когда давление в обратном трубопроводе превышает давление в подающем, открывается обратный клапан на противоударной перемычке, что приводит к выравниванию давлений в трубопроводах и затуханию ударной волны.

35. В котельных для предотвращения гидравлического удара используются гидрозатворы, подключаемые к обратному коллектору, Гидрозатвор представляет собой установленную вертикально "трубу в трубе" высотой примерно на 3 м больше напора в обратном коллекторе. Внутренняя труба гидрозатвора врезана в обратный коллектор тепловой сети, внешняя - служит для приема выброса теплоносителя при срабатывании гидрозатвора и подключается либо к приемной емкости, либо к системе канализации.

Рис. 6. Схема устройства противоударной перемычки:

1 - насос; 2 - противоударная перемычка; 3 - обратный клапан; 4 - тепловая сеть; 5 - потребители тепла

36. К системе обеспечения надежности и защиты относятся и защитно-регулирующие клапаны (ЗРК) РК-1 с регуляторами типа РД-3а трехсильфонной сборки и импульсными клапанами ИК-25 для аварийного отключения котельной от системы. Кроме того, ЗРК укомплектованы регуляторами РД-3а односильфонной сборки, что позволяет регулировать давление сетевой воды в подающей и обратной магистралях (рис. 7). В системе применена гидравлическая автоматика, работа которой не зависит от наличия электроэнергии. При отключении электроэнергии и внезапной остановке насосов повышается давление перед насосом, что приводит к срабатыванию импульсного клапана ИК, в результате регуляторы РК-1 закрываются, отсекая оборудование котельной. Гидравлический удар гасится в результате срабатывания гидрозатвора. Комбинация защит "Гидрозатвор-ЗРК" обеспечивает защиту оборудования котельной, тепловой сети и систем отопления.

Рис. 7. Схема установки защитных устройств:

1 - насос; 2 - регулятор РД-3а; 3 - котел; 4 - импульсный клапан ИК-25; 5 - клапан РК-1; 6 - гидрозатвор; 7 - потребители тепла

37. В качестве быстродействующих сбросных устройств для систем теплоснабжения могут использоваться: гидрозатвор, сбросной клапан конструкции СКВ ВТИ, разрывные выпуклые мембраны, разрывные плоские мембраны, сбросной клапан конструкции "Союзтехэнерго".

38. При давлении в обратной магистрали в пределах 0,1-0,25 МПа наиболее целесообразно устанавливать гидрозатвор. При давлении в обратной магистрали более 0,25 МПа в сетевых насосах с электродвигателем, имеющими маховый момент более 150 кг×м2 (например насосы типа СЭ2500-180, 20Д-6 и др.), возможна установка сбросного клапана. При давлении в обратной магистрали более 0,25 МПа для сетевых насосов с электродвигателями, имеющими маховый момент менее 150 кг×м2, наиболее целесообразна установка мембранных предохранительных устройств, имеющих время срабатывания примерно 0,05 с.

39. По вопросам проектирования защиты систем теплоснабжения от гидравлического удара и приобретения сбросных клапанов, разрывных выпуклых мембран и разрывных мембран следует обращаться во Всесоюзный государственный научно-исследовательский и проектно-конструкторский институт ВНИПИэнергопром Министерства энергетики и электрификации СССР по адресу: 105266. Москва, Семеновская наб., 2/1.

ПОВЫШЕНИЕ ТЕМПЕРАТУРЫ ВОДЫ В ТЕПЛОВОЙ СЕТИ В ЛЕТНИЙ ПЕРИОД

40. Условия работы тепловых сетей, более чем на 90 % проложенных в непроходных подземных каналах без долговечной гидроизоляции труб и поверхностей каналов, чрезвычайно неблагоприятны из-за частого затопления каналов и увлажнения изоляции. Это вызывает наружную коррозию труб практически по всей длине и является причиной сквозных повреждений, что усугубляется неблагоприятными температурными режимами работы при существующих графиках отпуска теплоты. По имеющимся сведениям, более 90 % повреждений приходится на подающие трубопроводы.

При температуре 70 - 80 °С протекает интенсивный процесс наружной коррозии, имеющий язвенный характер, приводящий к значительному коррозионному повреждению металлических поверхностей, контактирующих с увлажненной тепловой изоляцией.

41. Проведенными исследованиями и наблюдениями в эксплуатационных условиях Москвы (РТС-5) установлено, что повышение температуры теплоносителя в летний период до 100 °С приводит к подсушиванию тепловой изоляции и снижению скорости коррозии и повреждаемости в 2 - 2,5 раза.

42. С целью снижения отказов тепловой сети, возникающих в результате коррозионных повреждений, рекомендуется при канальной и бесканальной прокладках в летний период ввести повышенный режим работы теплосети при температуре в подающем трубопроводе, равной 100 °С.

43. Работа тепловой сети по повышенному графику в летний период требует обязательного оснащения всех подключенных к тепловой сети систем горячего водоснабжения регуляторами температуры.

44. В качестве регуляторов температуры может быть использована как гидравлическая, так и электронная автоматика. Гидравлическая автоматика имеет меньшую точность поддержания регулируемой температуры по сравнению с электронной, но она значительно дешевле и прочнее в эксплуатации. Из гидравлических регуляторов могут применяться регуляторы типов РР с ТРБ, РТ, РПДМ, РК-1 с ТМП, УРРД с ТМП; из электронных - РС-29 в комплексе с регулирующим клапаном с электроприводом.

Схемы регулирования и технические данные регуляторов приведены в "Методических указаниях по автоматизации систем горячего водоснабжения жилых зданий в закрытых тепловых сетях" (М.: ОНТИ АКХ им. К.Д. Памфилова, 1986).

ИСПОЛЬЗОВАНИЕ ПЕРЕДВИЖНЫХ КОТЕЛЬНЫХ

45. Повышение надежности систем теплоснабжения может быть достигнуто путем использования передвижных котельных, которые при аварии на тепловой сети должны применяться в качестве резервных источников теплоты, обеспечивая подачу тепла как целым кварталам (через центральные тепловые пункты), так и отдельным зданиям, в первую очередь потребителям первой категории. Для целей аварийного теплоснабжения каждое предприятие объединенных котельных должно иметь как минимум одну передвижную котельную.

46. Для целей аварийного теплоснабжения могут использоваться передвижные котельные следующих типов: на твердом топливе - УКМТ-1 (1), УКМТ-3 (3,2), "Аксиома-1" (1), "Аксиома-3" (3,1); "Квант-1" (1); на твердом, жидком и газообразном топливе - "Виток" (0,26; 0,6; 0,77), "Поиск" (0,5; 0,77); на жидком топливе - ПАКУ (Ж) (3,2), КБК-2 (1,4), ПКУЖ (0,7), БМКУ-5М (4,3); на газообразном топливе - ПАКУ (Г) (3,2), КБК (2), "Братск-1Г" (1,7), ПКУ-2,32 (2), ПКУ-1М (1), ПКБ (1). После типа котельной в скобках указана теплопроизводительность котельной в Гкал/ч.

Подробные технические характеристики передвижных котельных приведены в "Указаниях по использованию передвижных котельных в жилищно-коммунальном хозяйстве" (М: ОНТИ АКХ им. К.Д. Памфилова, 1988).

47. Передвижные котельные к месту назначения могут транспортироваться волоком или на специальных платформах и трайлерах. Разгрузка и погрузка котельных должна осуществляться краном. При необходимости доставки передвижной котельной на объект с помощью трайлера или специальной платформы теплоэнергетическое предприятие заблаговременно должно на месте решить вопрос о наличии данного оборудования в районе или городе и возможности его предоставления предприятию в экстренных случаях. Кроме трайлера должен быть также заблаговременно решен вопрос о выделении самоходного крана для погрузки и разгрузки передвижной котельной. Грузоподъемность указанного оборудования должна быть не менее 30 т.

48. Основным преимуществом передвижных котельных при аварийном теплоснабжении является быстрота ввода установки в работу, что в зимний период является решающим фактором надежности эксплуатации. Время присоединения передвижной котельной к системе отопления и топливно-энергетическим коммуникациям для бригады из 4 чел. (два слесаря, электрик, сварщик), составляет примерно 4-8 ч.

49. На случай аварийного подключения передвижной котельной к центральному тепловому пункту или тепловому пункту здания - потребителя первой категории их целесообразно заранее оборудовать специальными вводами с фланцами, выведенными наружу через стену и отключаемыми от основной системы теплоснабжения задвижками, установленными внутри помещения. Кроме вводов, указанные объекты должны иметь оборудованное место для подключения котельной к электрической энергии с рабочей мощностью 10-50 кВт (в зависимости от типа котельной).

ПОВЫШЕНИЕ НАДЕЖНОСТИ СИСТЕМ В СЕВЕРНОЙ КЛИМАТИЧЕСКОЙ ЗОНЕ

50. С целью повышения надежности теплоснабжения потребителей и с учетом недопустимости снижения фактического отпуска теплоты по сравнению с расчетной, даже при выходе из строя одного котла в котельной при расчетных температурах наружного воздуха, следует предусматривать установку дополнительного котла сверх общего числа котлов, определенного по расчетной нагрузке.

51. Схемы тепловых сетей городов и других населенных пунктов должны предусматривать подачу теплоты не менее чем по двум взаимнорезервируемым трубопроводам в соответствии со СНиП 2.04.07-86, рассчитанным на подачу не менее 70 % суммарного теплового потока каждым трубопроводом и связанным между собой перемычками.

52. При выборе способа прокладки тепловой сети в северной климатической зоне предпочтение следует отдавать надземной прокладке на эстакадах, низких или высоких отдельно стоящих опорах, а также в надземных каналах, расположенных на поверхности земли.

53. В городах и поселках, расположенных в северной климатической зоне, должны иметься 2-3 передвижных котельных, предназначенных для целей аварийного теплоснабжения. На основании анализа возможных аварийных ситуаций должны быть определены и подготовлены места для их подключения с учетом обеспечения теплом, в первую очередь потребителей первой категории.

54. Надежность теплоснабжения потребителей значительно повышается при наличии в городе или поселке нескольких передвижных электрических станций и использовании их в качестве резервных источников электроэнергии при аварии в системе электроснабжения. Мощность электрической станции должна соответствовать мощности электрооборудования, включенного для обеспечения рабочего режима котельной и тепловой сети. В настоящее время промышленностью выпускаются передвижные электрические станции на дизельном топливе ЭСД-10-Т/400-М, ЭСД-50-Т/400-М, ЭСД-50-Т/400-МУ, ЭСД-75-Т/400-М, ЭСД-75-Т/400-МУ, ЭСД-100-Т/400-РК, ЭД-200-Т/400-ЗРК, ЭД-500-Т/400-ЗРК. После буквенного обозначения "ЭСД" приведена цифра, обозначающая мощность передвижной электростанции в кВт. Для передвижной электростанции так же, как и для передвижной котельной, должен иметься двухнедельный запас топлива.

СОВЕРШЕНСТВОВАНИЕ ЭКСПЛУАТАЦИИ СИСТЕМЫ ТЕПЛОСНАБЖЕНИЯ

55. Надежность системы теплоснабжения в значительной степени может быть повышена путем четкой организации эксплуатации системы, взаимодействия теплоснабжающих и теплопотребляющих организаций, своевременного проведения ремонта, замены изношенного оборудования, наличия аварийно-восстановительной службы и организация аварийных ремонтов. Последнее является особенно важным при наличии значительной доли ветхих теплопроводов и их высокой повреждаемости.

56. Организация аварийно-восстановительной службы, ее численности и технической оснащенности в каждом конкретном случае должна решаться на основе технико-экономического обоснования с учетом оптимального сочетания структурного резерва системы теплоснабжения и временного резерва путем использования аккумулирующей способности зданий. Необходимо совершенствовать процесс восстановления отказавших теплопроводов, устанавливать нормативные сроки ликвидации аварий и определять оптимальный состав аварийно-восстановительной службы.

57. Классификация повреждений в системах теплоснабжения на аварии, отказы в работе I степени и отказы в работе II степени даны в "Инструкции по расследованию и учету нарушений в работе энергетических предприятий и организаций системы Минжилкомхоза РСФСР" (М.: ОНТИ АКХ им. К.Д. Памфилова, 1986). Нормы времени на восстановление должны определяться с учетом требований данной инструкции и местных условий.

58. Предприятия объединенных котельных и тепловых сетей должны быть оснащены необходимыми машинами и механизмами для проведения восстановительных работ в соответствии с "Табелем оснащения машинами и механизмами эксплуатации котельных установок и тепловых сетей" (М.: ОНТИ АКХ им. К.Д. Памфилова, 1985).

59. Время, необходимое для восстановления тепловой сети, при разрыве трубопровода, полученное на основе обработки статистических данных [6] при канальной прокладке, приведены ниже.

Диаметр, мм                                                Среднее время

восстановления, ч

100                                                                    12,5

125-300                                                             17,5

350-500                                                             17,5

600-700                                                             19

800-900                                                             27,2

Приведенные данные могут использоваться как ориентировочные для оценки времени, необходимого для восстановления теплоснабжения, при принятии соответствующих решений.

60. По имеющимся данным (СНиП 2.04.07-86 "Тепловые сети") замораживание трубопроводов в подвалах зданий и лестничных клетках может произойти в случае прекращения подачи тепла при снижении температуры воздуха внутри жилых помещений до 8 °С. Примерный темп падения температуры в отапливаемых помещениях (°С/ч) при полном отключении подачи тепла приведен в табл. 2.

Таблица 2

Коэффициент аккумуляция, ч

Темп падения температуры, °С/ч, при температуре наружного воздуха, °С

± 0

-10

-20

-30

20

0,8

1,4

1,8

2,4

40

0,5

0,8

1,1

1,5

60

0,4

0,6

0,8

1

Коэффициент аккумуляции характеризует величину тепловой аккумуляции зданий и зависит от толщины стены, коэффициента теплопередачи и коэффициента остекления. Коэффициенты аккумуляции тепла для жилых и промышленных зданий приведены в табл. 3.

Таблица 3

Характеристика зданий

Помещения

Коэффициент аккумуляция, ч

1

2

3

1. Крупнопанельный дом серии 1-605А с трехслойными наружными стенами, утепленными минераловатными плитами с железобетонными фактурными слоями: толщина стены 21 см, из них толщина утеплителя 12 см

Угловые:

 

верхнего этажа

42

среднего и первого этажа

46

Средние

77

2. Крупнопанельный жилой дом серии К7-3 (конструкции инж. Лагутенко) с наружными стенами толщиной 16 см, утепленными минераловатными плитами с железобетонными фактурными слоями

Угловые:

 

верхнего этажа

32

среднего этажа

40

Средние

51

3. Дом из объемных элементов с наружными ограждениями из железобетонных вибропрокатных элементов, утепленных минераловатными плитами. Толщина наружной стены 22 см, толщина слоя утеплителя в зоне стыкования с ребрами 5 см, между ребрами 7 см. Общая толщина железобетонных элементов между ребрами 30-40 мм

Угловые верхнего этажа

40

4. Кирпичные жилые здания с толщиной стен в 2,5 кирпича и коэффициентом остекления 0,18-0,25

Средние

100-65

Угловые

65-60

5. Промышленные здания с незначительными внутренними тепловыделениями (стены в 2 кирпича, коэффициент остекления 0,15-0,3)

В целом

25-14

На основании данных, приведенных в табл. 3, можно оценить время, имеющееся для ликвидации аварии или принятия мер по предотвращению лавинообразного развития аварий, т.е. замерзания теплоносителя в системах отопления зданий, в которые прекращена подача тепла. Предположим, что в отключенном в результате аварии квартале имеются здания конструкции инж. Лагутенко, коэффициент аккумуляции для углового помещения среднего этажа которых равен 40 (см. табл. 3, п. 2). Если авария произошла при температуре наружного -20 °С, то по табл. 2 определяем темп падения температуры, равный 1,1 °С в час. Время снижения температуры в квартире с 18 до 8 °С, при которой в подвалах и на лестничных клетках может произойти замерзание теплоносителя в трубах, определится как (18 - 8) : 1,1 и составит 9 ч. Если в результате аварии отключено несколько зданий, то определение времени, имеющегося в распоряжении на ликвидацию аварии или принятие мер по предотвращению развития аварии производится по зданию, имеющему наименьший коэффициент аккумуляции.

61. Основной надежной, бесперебойной и экономичной работы систем теплоснабжения является выполнение правил эксплуатации, а также своевременное и качественное проведение профилактических ремонтов. Плановые, текущие и капитальные ремонты оборудования систем теплоснабжения при нормальных условиях эксплуатации должны проводиться в сроки, предусмотренные "Положением о системе планово-предупредительных ремонтов основного оборудования коммунальных теплоэнергетических предприятий (с нормами времени и нормами расходов материалов" (М.: Стройиздат, 1986)).

62. Время ликвидации аварий в значительной мере зависит от наличия запасных частей и материалов, необходимых для этого. Поэтому особое внимание должно быть обращено на обеспечение переходящего запаса оборудования, деталей, узлов и материалов. В теплоснабжающих предприятиях наличие переходящих запасов должно соответствовать "Нормам производственных переходящих запасов материалов и оборудования для теплоснабжающих предприятий местных Советов" (М.: ОНТИ АКХ им. К.Д. Памфилова, 1985). Перечень необходимых запасных частей имеется также в "Нормах расхода запасных частей на ремонт частей на ремонт теплоэнергетического и вспомогательного оборудования" (М.: ОНТИ АКХ им. К.Д. Памфилова,, 1988).

63. Подготовка системы теплоснабжения к отопительному сезону должна проводиться в соответствии с "Методическими указаниями по определению готовности систем теплоснабжения к прохождению отопительного сезона" (М.: СПО "Союзтехэнерго", 1987). Выполнение в полном объеме перечня работ по подготовке источников, тепловых сетей и потребителей к отопительному сезону в значительной степени обеспечит надежное и качественное теплоснабжение потребителей.

64. С целью определения состояния строительно-изоляционных конструкций, тепловой изоляции и трубопроводов должны проводиться шурфовки, которые в настоящее время являются единственным способом оценки состояния элементов подземных прокладок тепловых сетей. Для проведения шурфовок ежегодно составляются планы. Количество проводимых шурфовок устанавливается предприятием тепловых сетей и зависит от протяженности тепловой сети, ее состояния, вида изоляционных конструкций. Результаты шурфовок учитываются при составлении плана ремонтов тепловых сетей. Шурфовки следует проводить в соответствии с "Методическими указаниями по определению шурфовок в тепловых сетях" (М.: СПО "Союзтехэнерго", 1987).

65. Тепловые сети от источника теплоснабжения до тепловых пунктов теплопотребителя, включая магистральные, разводящие трубопроводы и абонентские ответвления, должны подвергаться испытаниям на расчетную температуру теплоносителя не реже одного раза в год. Целью испытания водяных тепловых сетей на расчетную температуру теплоносителя является проверка тепловой сети на прочность в условиях температурных деформаций, вызванных повышением температуры до расчетных значений, а также проверка в этих условиях компенсирующей способности тепловой сети. Испытания должны проводиться в соответствии с "Методическими указаниями по испытаниям водяных тепловых сетей на расчетную температуру теплоносителя" (М.: СПО "Союзтехэнерго", 1997).

66. Тепловые сети, находящиеся в эксплуатации, должны подвергаться испытаниям на гидравлическую плотность ежегодно после окончания отопительного периода для выявления дефектов, подлежащих устранению при капитальном ремонте и после окончания ремонта, перед включением сетей в эксплуатацию. Испытания проводятся по отдельным, отходящим от источника тепла магистралям при отключенных водоподогревательных установках, системах водопотребления и открытых воздушниках у потребителей. При испытании на гидравлическую плотность давление в самых высоких точках сети должно доводиться до пробного (1,25 рабочего), но не ниже 1,6 МПа (16 кгс/см2). Температура воды в трубопроводах при испытаниях не должна превышать 45 °С. Испытания следует проводить в соответствии с "Методическими указаниями по гидравлическим испытаниям водяных тепловых сетей" (М.-Л.: Госэнергоиздат, 1963).

67. Для дистанционного обнаружения мест повреждения трубопроводов тепловых сетей канальной и бесканальной прокладки под слоем грунта на глубине до 3-4 м в зависимости от типа грунта и вида дефекта может быть использован выпускаемый предприятием Минприбора пьезометрический течеискатель ПТ-12Д. Прибор основан на непосредственном прослушивании с помощью пьезометрического преобразователя и головных телефонов участка поверхности грунта в зоне прилегания трубопровода. Течеискатель функционирует при температуре окружающий среды от -30 до 40 °С.

68. В процессе эксплуатации особое внимание должно быть уделено выполнению всех требований "Типовой инструкции по эксплуатации тепловых сетей" (М.: СПО "Союзтехэнерго", 1988), что позволит в значительной степени контролировать состояние системы теплоснабжения и значительно снизить число отказов в период отопительного сезона.

ПРИЛОЖЕНИЯ

Приложение 1

Журнал учета аварий

№ п/п

Дата и время отключения

Место аварии, описание ее возникновения, протекания, причины и виновники в возникновении и развитии, выполненные меры по ликвидации

Классификационная группа 4.1.1.-4.1.7.

Дата и время включения

Общий недоотпуск энергии, Гкал

Число

месяц

Час

Число

месяц

Час

1

2

3

4

3

6

7

а

Приложение 2

Журнал учета отказов в работе I и II степени

№ п/п

Дата и время отключения

Наименование района топливной сети

Наименование отключенного присоединения (потребитель)

Причина отключения

Принятые меры

Классификационная группа 4.1.1.-4.1.7.

Дата и время включения

Недоотпуск энергии, Гкал

Число

месяц

Час

Число

месяц

Час

1

2

3

4

5

6

7

8

9

10

1

Приложение 3

Выписка
из инструкции по распределению и учету нарушений в работе энергетических предприятий и организаций системы Минжилкомхоза РСФСР

4. Классификация нарушений по причинам и виновникам

4.1. Аварии, отказы в работе I и II ступени классифицируются в зависимости от причин и виновников их возникновения или развития по следующим группам:

4.1.1. Вина эксплуатационного персонала энергопредприятия, в том числе:

4.1.1.1. Оперативного.

4.1.1.2. Ремонтного.

4.1.1.3. Служб, отделов и лабораторий.

4.1.1.4. Руководящего.

4.1.2. Вина потребителя.

4.1.3. Вина других организаций, в том числе:

4.1.3.1. Заводов-изготовителей.

4.1.3.2. Проектных.

4.1.3.3. Ремонтных.

4.1.3.4. Наладочных.

4.1.3.5. Строительных.

4.1.3.6. Прочих.

4.1.4. Вина посторонних лиц (повреждения тепловых сетей, другого оборудования).

4.1.5. Стихийные явления.

4.1.5.1. Гроза.

4.1.5.2. Гололед.

4.1.5.3. Сильный ветер.

4.1.5.4. Паводок.

4.1.5.5. Другие стихийные явления.

4.1.6. Естественный износ.

4.1.7. Прочие и невыясненные причины.

ЛИТЕРАТУРА

1. Витальев В. П., Фаликов В. С. Приборы и средства автоматизации систем теплоснабжения зданий: Справочное пособие. - М.: Стройиздат, 1987. - 174 с.

2. Водяные тепловые сети: Справочное пособие по проектированию. - М.: Энергоатомиздат, 1988.

3. Громов Б. Н. и пр. Методы защиты тепловых сетей от нарушений гидравлических режимов. V Международная конференция по централизованному теплоснабжению: Сб. докладов. Гидравлические и тепловые режимы систем централизованного теплоснабжения. Секция V. - Вып. II. - Киев, 1982.

4. Кнотько П. Н. и др. Исследования динамики гидравлических режимов минского теплофикационного комплекса при аварийных возмущениях. Сб. науч. тр. Совершенствование проектных решений систем централизованного теплоснабжения ВНИПИэнергопром. - М., 1983.

5. Конопович Ю. В. Тепловой режим зданий массовой застройки. - М.: Стройиздат, 1986.

6. Кучев В. А. Повышение надежности теплоснабжающих систем на основе совершенствования и нормирования процессов восстановления при отказах теплопроводов. Автореф. канд. дис. - Иркутск: СЗИ СО АН СССР, 1988.

7. Надежность систем энергетики. Терминология. - М.: Наука, 1980.

8. Основные положения по комплексной автоматизации систем теплоснабжения городов. - М.: ОНТИ АКХ им. К.Д. Памфилова, 1988. - 64 с.

9. Рекомендации по схемам и режимам работы тепловых сетей от котельных. - М.: ОНТИ АКХ им. К.Д Памфилова, 1986. - С. 41-44.

10. Рекомендации по применению средств автоматического регулирования систем отопления и горячего водоснабжения эксплуатируемых жилых зданий. - М.: ОНТИ АКХ им. К.Д. Памфилова, 1988. - 58 с.

11. Рекомендации по совершенствованию управления работой котельных и тепловых сетей при комплексной автоматизации систем теплоснабжения городов. - М.: ОНТИ АКХ им. К.Д. Памфилова, 1988. - 49 с.

12. Рекомендации по повышению надежности действующих тепловых сетей. - М.: ОНТИ АКХ им. К.Д. Памфилова, 1977.

13. СНиП II-35-76. Нормы проектирования. Котельные установки. - М., 1977.

14. Соколов В.Я. Теплофикация и тепловые сети. - М.: Энергоиздат, 1982.

15. Технические решения систем защиты электростанций от затопления сетевой водой со стороны тепловых сетей при разрыве станционных сетей трубопроводов. - М.: НИПИэнергопром, 1986.

СОДЕРЖАНИЕ

 




Яндекс цитирования



   Copyright © 2007-2026,  www.tehlit.ru.

[ ѓосты, стандарты, нормативы, инструкции, правила, строительные нормы ]