//
ТехЛит.ру
- крупнейшая бесплатная электронная интернет библиотека для "технически умных" людей.
WWW.TEHLIT.RU - ТЕХНИЧЕСКАЯ ЛИТЕРАТУРА

:: Алготрейдинг::


АЛГОТРЕЙДИНГ
шаг за шагом
с нуля по урокам!

Торговые роботы на PYTHON, BackTrader,
Pandas, Pine Script для TradingView. Связка с брокерами, телеграм и легкими приложениями.


Государственное санитарно-эпидемиологическое
нормирование Российской Федерации

УТВЕРЖДЕНО

                                                                         Председатель Госкомсанэпиднадзора России

                                                                    Главный государственный санитарный врач

                                                             Российской Федерации

Е.Н. Беляев

                                                                    8 июня 1996 г.

                                                                    МУК 4.1.0.425-96

                                                                    Дата введения: с момента утверждения

4.1. МЕТОДЫ КОНТРОЛЯ. ХИМИЧЕСКИЕ ФАКТОРЫ

Измерение концентраций диоксацина (5,8-дигидро-8-5-этил-1,3-диоксоло(4,5)хинолин-7-карбоновая кислота) методом высокоэффективной жидкостной хроматографии в воздухе рабочей зоны

                                                                                      М. м. 281,24

Диоксацин - (5,8-дигидро-8-5-этил-1,3-диоксоло(4,5)хинолин-7-карбоновая кислота) - кристаллическое вещество белого цвета. Не растворим в воде, метиловом и этиловом спиртах, серном эфире. Мало растворим в хлороформе. Хорошо растворим в водных растворах щелочей.

В воздухе находится в виде аэрозоля.

Обладает общетоксическим действием.

ОБУВ в воздухе - 1 мг/м3.

Характеристика метода

Метод основан на использовании высокоэффективной жидкостной хроматографии с применением УФ-детектора.

Отбор проб проводят с концентрированием на фильтр.

Нижний предел измерения диоксацина в хроматографируемом объеме пробы (4 мкл) - 0,02 мкг.

Нижний предел измерения концентраций диоксацина в воздухе - 0,5 мг/м при отборе 50 л воздуха).

Диапазон измеряемых концентраций диоксацина в воздухе - от 0,5 до 10 мг/м3.

Определению не мешает присутствие триметина и форидона.

Суммарная погрешность измерения не превышает ± 20 %.

Время выполнения измерения, включая отбор проб, - около 40 мин.

Приборы, аппаратура, посуда

Микроколоночный жидкостной

хроматограф «Милихром» или

другие модели с УФ-детектором

Хроматографическая колонка, длиной

120 мм и внутренним диаметром 2 мм,

заполненная сорбентом «Силасорб SPH С18»

с размером зерен 9 мкм (ЧСФР)

Стеклянная ректификационная колонна,

длиной 550 мм и внутренним диаметром

20 мм, флегмовое число 5                                                                     ТУ 25-1173.131-85

(или другая такого же типа)

Аспирационное устройство

Фильтродержатель                                                                                ТУ 95-72-05-77

Микроскоп отсчетный типа МПБ-2                                                    ТУ 3-3.821-78

Колбы мерные, вместимостью 100 мл                                                ОСТ 1770-74

Пипетки, вместимостью 1, 10 мл                                                        ГОСТ 20292-74

Пробирки с пришлифованными пробками,

вместимостью 10 мл                                                                             ГОСТ 10515-75

Реактивы, растворы, материалы

Диоксацин, 99 % основного вещества                                                ВФС 42-1934

Калий марганцовокислый

(калия перманганат)                                                                              ТУ 20490-75

Кислота лимонная моногидрат                                                            ГОСТ 3652-69

0,1 M раствор лимонной кислоты готовят растворением 21 г кислоты лимонной моногидрата в дистиллированной воде в мерной колбе, вместимостью 1 л.

Ацетонитрил очищенный, ч.                                                                ТУ 6-09-3534-82

Ацетонитрил очищенный получают из ацетонитрила, путем ректификации с предварительной химической обработкой, которая заключается в кипячении растворителя с обратным холодильником в присутствии перманганата калия из расчета 1 г перманганата калия на 1 л растворителя. Кипячение проводится до полного перехода перманганата калия в двуокись марганца. Перед ректификацией осадок двуокиси марганца отделяют путем фильтрации через фильтр Шотта № 4. Ректификационная колонна длиной 550 мм и внутренним диаметром 20 мм, флегмовое число 5. Насадка - спиральки Левина из нержавеющей стали (2 ´ 2 ´ 0,2 мм). Основную фракцию отбирают при температуре 81,6 °С (атмосферное давление) в пределах колебаний ± 0,1 °С.

Растворитель: 0,1 М лимонная кислота:

ацетонитрил,1:8

Элюент: 0,1 М лимонная кислота -

ацетонитрил (2:1)

Стандартный раствор № 1 с концентрацией диоксацина 500 мкг/мл готовят растворением 0,05 г вещества в растворителе в мерной колбе, вместимостью 100 мл.

Стандартный раствор № 2 с концентрацией диоксацина 100 мкг/мл готовят соответствующим разбавлением стандартного раствора № 1 растворителем.

Растворы устойчивы при хранении в холодильнике в течение суток. Фильтры аналитические стекловолокнистые ТУ 8-ЮП-1-77

Отбор пробы воздуха

Воздух с объемным расходом 5 л/мин аспирируют через аналитический стекловолокнистый фильтр. Для определения 1/2 ОБУВ достаточно отобрать 50 л воздуха. Пробы можно хранить в закрытых сосудах в холодильнике в течение месяца.

Подготовка к измерению

Хроматографическая колонка промышленного изготовления. Количественный анализ проводят методом абсолютной калибровки с использованием градуировочных растворов, которые готовят с концентрацией от 0,005 до 0,1 мкг/мкл путем соответствующего разбавления стандартного раствора № 2 растворителем. Растворы устойчивы в течение суток при хранении в холодильнике в закрытых сосудах.

Градуировочные растворы в количестве 4 мкл вводят к колонку хроматографа.

Условия хроматографирования градуировочных смесей и анализируемых проб:

скорость подачи элюента

(0,1 М лимонная кислота: ацетонитрил, 2:1)                                100 мкл/мин;

длина волны УФ-детектора                                                             254 нм;

скорость движения диаграммной ленты                                        3 мм/мин;

диапазон чувствительности детектора                                           0,4 - 0,8;

диапазон измерения самопишущего потенциометра                   100 мВ;

объем вводимой пробы                                                                    4 мкл;

время удерживания диоксацина                                                      8 мин 30 с;

элюирующий объем                                                                          850 мкл;

эффективность колонки по диоксацину                                        600 тт.

На полученных хроматограммах измеряют площади пиков и строят градуировочный график, выражающий зависимость площади пиков (мм2) от диоксацина в хроматографируемом объеме пробы (мкг).

Построение градуировочного графика необходимо проводить не менее чем по 6 точкам, выполняя по 5 параллельных измерений для каждого инжектируемого объема. Проверку градуировочных графиков следует проводить при изменении условий анализа, но не реже 1 раза в месяц.

Проведение измерения

Фильтр с отобранной пробой помещают в пробирку с пришлифованной пробкой, добавляют 5 мл растворителя и оставляют на 15 мин при комнатной температуре и периодическом перемешивании. Степень десорбции с фильтра - 96,5 %.

4 мкл полученного раствора вводят в колонку хроматографа. Хроматографирование анализируемого раствора проводят в тех же условиях по отношению к тому же элюенту, что и при построении градуировочного графика.

Количественное определение содержания диоксацина в хроматографируемом объеме проводят по предварительно построенному градуировочному графику.

Расчет концентрации

Концентрацию (С) диоксацина в воздухе (мг/м) вычисляют по формуле:

а - содержание диоксацина в хроматографируемом объеме пробы найденное по градуировочному графику, мкг;

б - объем пробы, взятой на хроматографирование, мл;

в - общий объем анализируемого раствора, мл;

V - объем воздуха, отобранного для анализа и приведенного к стандартным условиям, л (см. приложение 1).

Методические указания разработаны НИИ «Экотокс», г. Москва.

Приложение 1

Приведение объема воздуха к стандартным условиям (температура 20 °С и давление 760 мм рт. ст.)

проводят по формуле

Vt - объем воздуха, отобранный для анализа, л;

Р - барометрическое давление, кПа (101,33 кПа = 760 мм рт. ст.);

t - температура воздуха в месте отбора пробы, °С.

Для удобства расчета V20 следует пользоваться таблицей коэффициентов (приложение 2). Для приведения воздуха к стандартным условиям надо умножить Vt на соответствующий коэффициент.

Приложение 2

Коэффициенты для приведения объема воздуха к стандартным условиям

Давление Р, кПа/мм рт. ст.

°С

97,33/730

97,86/734

98,4/738

98,93/742

99,46/746

100/750

100,53/754

101,06/758

101,33/760

101,86/764

-30

1,1582

1,1646

1,1709

1,1772

1,1836

1,1899

1,1963

1,2026

1,2058

1,2122

-26

1,1393

1,1456

1,1519

1,1581

1,1644

1,1705

1,1768

1,1831

1,1862

1,1925

-22

1,1212

1,1274

1,1336

1,1396

1,1458

1,1519

1,1581

1,1643

1,1673

1,1735

-18

1,1036

1,1097

1,1158

1,1218

1,1278

1,1338

1,1399

1,1460

1,1490

1,1551

-14

1,0866

1,0926

1,0986

1,1045

1,1105

1,1164

1,1224

1,1284

1,1313

1,1373

-10

1,0701

1,0760

1,0819

1,0877

1,0986

1,0994

1,1053

1,1112

1,1141

1,1200

-6

1,0540

1,0599

1,0657

1,0714

1,0772

1,0829

1,0887

1,0945

1,0974

1,1032

-2

1,0385

1,0442

1,0499

1,0556

1,0613

1,0669

1,0726

1,0784

1,0812

1,0869

0

1,0309

1,0366

1,0423

1,0477

1,0535

1,0591

1,0648

1,0705

1,0733

1,0789

+2

1,0234

1,0291

1,0347

1,0402

1,0459

1,0514

1,0571

1,0627

1,0655

1,0712

+6

1,0087

1,0143

0,0198

1,0253

1,0309

1,0363

1,0419

1,0475

1,0502

1,0557

+10

0,9944

0,9999

0,0054

1,0108

1,0162

1,0216

1,0272

1,0326

1,0353

1,0407

+14

0,9806

0,9860

0,9914

0,9967

1,0027

1,0074

1,0128

1,0183

1,0209

1,0263

+18

0,9671

0,9725

0,9778

0,9830

0,9884

0,9936

1,9989

1,0043

1,0069

1,0122

+20

0,9605

0,9658

0,9711

0,9783

0,9816

0,9868

0,9921

0,9974

1,0000

1,0053

+22

0,9539

0,9592

0,9645

0,9696

0,9749

0,9800

0,9853

0,9906

0,9932

1,9985

+24

0,9475

0,9527

0,9579

0,9631

0,9683

0,9735

0,9787

0,9839

0,9865

1,9917

+26

0,9412

0,9464

0,9516

0,9566

0,9618

0,9669

0,9721

0,9773

0,9799

1,9851

+28

0,9349

0,9401

0,9453

0,9503

0,9555

0,9605

0,9657

0,9708

0,9734

1,9785

+30

0,9288

0,9339

0,9391

0,9440

0,9432

0,9542

0,9594

0,9645

0,9670

0,9723

+34

0,9167

0,9218

0,9268

0,9318

0,9368

0,9418

0,9468

0,9519

0,9544

0,9595

+38

0,9049

0,9099

0,9149

0,9199

0,9248

0,9297

0,9347

0,9397

0,9421

0,9471

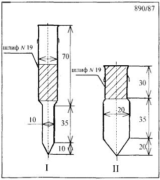
Приложение 3

Рис. 1

Ловушка-концентратор.

Общий вид.

Рис. 2

Ловушка-концентратор.

Приложение 4

Вещества, определяемые по ранее утвержденным методическим указаниям

Название вещества

Методические указания

1. Аммоний винно-кислый кислый

Методические указания на фотометрическое определение аммиака: Сб. МУ в. 1 - 5. - М., 1981. - 58 с.

К = 9,82

Аммоний винно-кислый

Методические указания на фотометрическое определение аммиака: Сб. МУ в. 1 - 5. - М., 1981 - 58 с.

К = 5,41

2. Калий винно-кислый

Калий виннокислый кислый

Методические указания по измерению концентраций сульфата калия, калийной магнезии и хлорида калия в воздухе рабочей зоны: Сб. МУ, в. 22. - М., 1988 - 182 с.

К = 2,9 и 4,82

3. Калий сурьмоксид винно-кислый

Методические указания по полярографическому измерению концентраций сурьмы в воздухе рабочей зоны: Сб. МУ, в. 8. - М., 1983. - 90 с.

К = 2,66

4. Натрий винно-кислый кислый

Методические указания по измерению концентраций натрия сульфата в воздухе рабочей зоны методом атомно-абсорбционной спектрофотометрии: Сб. МУ, в. 21. - М., 1986 - 135с.

К = 7,48

Натрий винно-кислый

Методические указания по измерению концентраций натрия сульфата в воздухе рабочей зоны методом атомно-абсорбционной спектрофотометрии: Сб. МУ, в. 21. - М., 1986 - 135 с.

К = 4,22

Калий-натрий винно-кислый

Методические указания по измерению концентраций натрия сульфата в воздухе рабочей зоны методом атомно-абсорбционной спектрофотометрии: Сб. МУ, в. 21. - М., 1986. - 135 с.

К = 3,39

5. Полиметилмочевина

Методические указания по гравиметрическому определению пыли в воздухе рабочей зоны и в системах вентиляционных установок: Сб. МУ, в. 1 - 5. - М., 1981. - 235 с.

6. Трифторметансульфофторид (фторангидрид трифторметан сульфокислоты)

Методические указания на фотометрическое определение фторорганических соединений: Сб. МУ, в. 1 - 5. - М. 1981. - 187 с.

К = 2

7. Хлоргидрат изонипекотиновой кислоты

Методические указания на фотометрическое определение диэтиламина в воздухе: Сб. МУ, в. 1 - 5. -  М., 1981. - 123 с. Отбор проб на фильтр со скоростью 2 л/мин.

 




Яндекс цитирования



   Copyright © 2007-2026,  www.tehlit.ru.

[ ѓосты, стандарты, нормативы, инструкции, правила, строительные нормы ]