//
ТехЛит.ру
- крупнейшая бесплатная электронная интернет библиотека для "технически умных" людей.
WWW.TEHLIT.RU - ТЕХНИЧЕСКАЯ ЛИТЕРАТУРА

:: Алготрейдинг::


АЛГОТРЕЙДИНГ
шаг за шагом
с нуля по урокам!

Торговые роботы на PYTHON, BackTrader,
Pandas, Pine Script для TradingView. Связка с брокерами, телеграм и легкими приложениями.


Государственное санитарно-эпидемиологическое
нормирование Российской Федерации

УТВЕРЖДЕНО

                                                                         Председатель Госкомсанэпиднадзора России

                                                                    Главный государственный санитарный врач

                                                             Российской Федерации

Е.Н. Беляев

                                                                    8 июня 1996 г.

                                                                    МУК 4.1.0.427-96

                                                                    Дата введения: с момента утверждения

4.1. МЕТОДЫ КОНТРОЛЯ. ХИМИЧЕСКИЕ ФАКТОРЫ

Газохроматографическое измерение концентраций дифенилсульфида в воздухе рабочей зоны

                                                                                                  М. м. 186,0

Дифенилсульфид (ДФС) - бесцветная маслянистая жидкость с сильным тошнотворным запахом. Ткип. - 296 °С при 760 мм рт. ст. Летучесть С20 - 3,56 мг/м3. Ориентировочно давление насыщенного пара Р20 по номограмме В.Г. Мацака - 0,35 мм рт. ст. Растворим в хлороформе, этаноле, диметилформамиде и других органических растворителях.

В воздухе находится в виде паров. При нагревании ДФС возможно образование аэрозоля конденсации.

Обладает общетоксическим действием.

ОБУВ в воздухе - 1 мг/м3.

Характеристика метода

Метод основан на использовании газожидкостной хроматографии с применением пламенно-ионизационного детектора.

Отбор проб с концентрированием в диметилформамид.

Нижний предел измерения в хроматографируемом объеме -0,005 мкг.

Нижний расчетный предел измерения в воздухе (при отборе 50 л воздуха) - 0,5 мг/м3

Диапазон измеряемых концентраций в воздухе - от 0,5 до 50 мг/м3.

Суммарная погрешность измерения не превышает ± 25 %.

Время выполнения измерения, включая отбор проб, - около 50 мин.

Приборы, аппаратура, посуда

Хроматограф газовый

с пламенно-ионизационным детектором

Колонка стальная, длиной 2 м, диаметром 3 мм

Аспирационное устройство

Поглотительные сосуды с пористой

пластинкой

Секундомер                                                                                            ГОСТ 5072-75

Линейка измерительная                                                                       ГОСТ 427-75

Лупа с ценой деления 0,1 мм                                                               ГОСТ 8309-75

Колбы мерные, вместимостью 25 мл                                                  ГОСТ 1770-74

Микрошприц МШ-10, вместимостью 1 мкл                                       ГОСТ 8043-74

Реактивы, растворы, материалы

Дифенилсульфид (ДФС), х. ч.

Диметилформамид (ДМФА), х. ч.                                                       ТУ 711-11-69

Хлороформ, х. ч.                                                                                    ТУ 6-90-4263-76

Носитель - хроматон N-AW (0,16 - 0,20 мм)

Жидкая фаза - полиэтиленгликоль-адипинат

Стандартный раствор № 1 ДФС. Во взвешенную колбу, вместимостью 25 мл, с 10 - 15 мл ДМФА вносят 1 - 2 капли вещества, колбу взвешивают и доводят объем до метки растворителем. Вычисляют содержание дифенилсульфида в 1 мл раствора.

Стандартный раствор № 2 с концентрацией 0,5 мг/мл готовят соответствующим разбавлением раствора № 1 диметилформамидом.

Газообразные (в баллонах с редукторами):

азот                                                                                                     ГОСТ 9293-74

водород                                                                                              ГОСТ 3022-80

воздух

Отбор пробы воздуха

Воздух с объемным расходом 2 л/мин аспирируют через 1 поглотительный прибор с пористой пластинкой, заполненный 5 мл диметилформамида. Для измерения 1/2 ОБУВ следует отобрать 50 л воздуха. Пробы можно хранить в течение 2 - 3 суток в холодном месте.

Подготовка к измерению

Хроматографическую колонку заполняют готовой насадкой хроматон N-AW с 5 % полиэтиленгликольадипината с подсоединением слабого вакуума и кондиционируют в токе азота при температуре 230 °С в токе газа-носителя в течение 8 - 10 ч.

Количественный анализ проводят методом абсолютной калибровки с использованием градуировочных растворов с концентрацией 0,005, 0,01, 0,05, 0,1, 0,3, 0,5 мкг/мкл, которые готовят соответствующим разбавлением стандартного раствора № 2 диметилформамидом.

Для построения градуировочного графика вводят по 1 мкл каждого градуировочного раствора в хроматограф через самоуплотняющуюся мембрану. Строят градуировочную кривую, выражающую зависимость площади пика (мм2) от количества компонента (мкг). Площадь пика получают умножением высоты на его ширину, измеренную на половине высоты. Построение градуировочной кривой необходимо проводить не менее чем по 5 точкам, проводя 5 параллельных определений для каждой концентрации.

Условия хроматографирования градуировочных растворов и анализируемых проб:

температура термостата колонок                                                   175 °С;

температура испарителя                                                                  200 °С;

скорость потока газа-носителя (азота)                                           40 мл/мин;

скорость потока водорода                                                                40 мл/мин;

скорость потока воздуха                                                                  300 мл/мин;

скорость движения диаграммной ленты                                        200 см/ч;

время удерживания ДФС                                                                 7 мин 15 с;

шкала электрометра                                                                         2 ´ 10-10;

объем вводимой пробы                                                                    1 мкл.

Проведение измерения

1 мкл раствора из поглотительного сосуда вводят в хроматограф, записывают хроматограмму, вычисляют площадь пиков и по градуировочному графику находят количество анализируемого вещества.

Расчет концентрации

Концентрацию ДФС (С) в воздухе (мг/м3) вычисляют по формуле:

а - количество вещества, найденное в анализируемом объеме раствора по градуировочному графику, мкг;

в - общий объем анализируемой пробы, мл;

б - объем пробы, взятой для анализа, мл;

V - объем воздуха, отобранного для анализа и приведенного к стандартным условиям, л (см. приложение 1).

Методические указания разработаны Университетом Дружбы народов, г. Москва.

Приложение 1

Приведение объема воздуха к стандартным условиям (температура 20 °С и давление 760 мм рт. ст.)

проводят по формуле

Vt - объем воздуха, отобранный для анализа, л;

Р - барометрическое давление, кПа (101,33 кПа = 760 мм рт. ст.);

t - температура воздуха в месте отбора пробы, °С.

Для удобства расчета V20 следует пользоваться таблицей коэффициентов (приложение 2). Для приведения воздуха к стандартным условиям надо умножить Vt на соответствующий коэффициент.

Приложение 2

Коэффициенты для приведения объема воздуха к стандартным условиям

Давление Р, кПа/мм рт. ст.

°С

97,33/730

97,86/734

98,4/738

98,93/742

99,46/746

100/750

100,53/754

101,06/758

101,33/760

101,86/764

-30

1,1582

1,1646

1,1709

1,1772

1,1836

1,1899

1,1963

1,2026

1,2058

1,2122

-26

1,1393

1,1456

1,1519

1,1581

1,1644

1,1705

1,1768

1,1831

1,1862

1,1925

-22

1,1212

1,1274

1,1336

1,1396

1,1458

1,1519

1,1581

1,1643

1,1673

1,1735

-18

1,1036

1,1097

1,1158

1,1218

1,1278

1,1338

1,1399

1,1460

1,1490

1,1551

-14

1,0866

1,0926

1,0986

1,1045

1,1105

1,1164

1,1224

1,1284

1,1313

1,1373

-10

1,0701

1,0760

1,0819

1,0877

1,0986

1,0994

1,1053

1,1112

1,1141

1,1200

-6

1,0540

1,0599

1,0657

1,0714

1,0772

1,0829

1,0887

1,0945

1,0974

1,1032

-2

1,0385

1,0442

1,0499

1,0556

1,0613

1,0669

1,0726

1,0784

1,0812

1,0869

0

1,0309

1,0366

1,0423

1,0477

1,0535

1,0591

1,0648

1,0705

1,0733

1,0789

+2

1,0234

1,0291

1,0347

1,0402

1,0459

1,0514

1,0571

1,0627

1,0655

1,0712

+6

1,0087

1,0143

0,0198

1,0253

1,0309

1,0363

1,0419

1,0475

1,0502

1,0557

+10

0,9944

0,9999

0,0054

1,0108

1,0162

1,0216

1,0272

1,0326

1,0353

1,0407

+14

0,9806

0,9860

0,9914

0,9967

1,0027

1,0074

1,0128

1,0183

1,0209

1,0263

+18

0,9671

0,9725

0,9778

0,9830

0,9884

0,9936

1,9989

1,0043

1,0069

1,0122

+20

0,9605

0,9658

0,9711

0,9783

0,9816

0,9868

0,9921

0,9974

1,0000

1,0053

+22

0,9539

0,9592

0,9645

0,9696

0,9749

0,9800

0,9853

0,9906

0,9932

1,9985

+24

0,9475

0,9527

0,9579

0,9631

0,9683

0,9735

0,9787

0,9839

0,9865

1,9917

+26

0,9412

0,9464

0,9516

0,9566

0,9618

0,9669

0,9721

0,9773

0,9799

1,9851

+28

0,9349

0,9401

0,9453

0,9503

0,9555

0,9605

0,9657

0,9708

0,9734

1,9785

+30

0,9288

0,9339

0,9391

0,9440

0,9432

0,9542

0,9594

0,9645

0,9670

0,9723

+34

0,9167

0,9218

0,9268

0,9318

0,9368

0,9418

0,9468

0,9519

0,9544

0,9595

+38

0,9049

0,9099

0,9149

0,9199

0,9248

0,9297

0,9347

0,9397

0,9421

0,9471

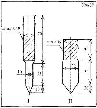
Приложение 3

Рис. 1

Ловушка-концентратор.

Общий вид.

Рис. 2

Ловушка-концентратор.

Приложение 4

Вещества, определяемые по ранее утвержденным методическим указаниям

Название вещества

Методические указания

1. Аммоний винно-кислый кислый

Методические указания на фотометрическое определение аммиака: Сб. МУ в. 1 - 5. - М., 1981. - 58 с.

К = 9,82

Аммоний винно-кислый

Методические указания на фотометрическое определение аммиака: Сб. МУ в. 1 - 5. - М., 1981 - 58 с.

К = 5,41

2. Калий винно-кислый

Калий виннокислый кислый

Методические указания по измерению концентраций сульфата калия, калийной магнезии и хлорида калия в воздухе рабочей зоны: Сб. МУ, в. 22. - М., 1988 - 182 с.

К = 2,9 и 4,82

3. Калий сурьмоксид винно-кислый

Методические указания по полярографическому измерению концентраций сурьмы в воздухе рабочей зоны: Сб. МУ, в. 8. - М., 1983. - 90 с.

К = 2,66

4. Натрий винно-кислый кислый

Методические указания по измерению концентраций натрия сульфата в воздухе рабочей зоны методом атомно-абсорбционной спектрофотометрии: Сб. МУ, в. 21. - М., 1986 - 135с.

К = 7,48

Натрий винно-кислый

Методические указания по измерению концентраций натрия сульфата в воздухе рабочей зоны методом атомно-абсорбционной спектрофотометрии: Сб. МУ, в. 21. - М., 1986 - 135 с.

К = 4,22

Калий-натрий винно-кислый

Методические указания по измерению концентраций натрия сульфата в воздухе рабочей зоны методом атомно-абсорбционной спектрофотометрии: Сб. МУ, в. 21. - М., 1986. - 135 с.

К = 3,39

5. Полиметилмочевина

Методические указания по гравиметрическому определению пыли в воздухе рабочей зоны и в системах вентиляционных установок: Сб. МУ, в. 1 - 5. - М., 1981. - 235 с.

6. Трифторметансульфофторид (фторангидрид трифторметан сульфокислоты)

Методические указания на фотометрическое определение фторорганических соединений: Сб. МУ, в. 1 - 5. - М. 1981. - 187 с.

К = 2

7. Хлоргидрат изонипекотиновой кислоты

Методические указания на фотометрическое определение диэтиламина в воздухе: Сб. МУ, в. 1 - 5. -  М., 1981. - 123 с. Отбор проб на фильтр со скоростью 2 л/мин.

 




Яндекс цитирования



   Copyright © 2007-2026,  www.tehlit.ru.

[ ѓосты, стандарты, нормативы, инструкции, правила, строительные нормы ]