//
ТехЛит.ру
- крупнейшая бесплатная электронная интернет библиотека для "технически умных" людей.
WWW.TEHLIT.RU - ТЕХНИЧЕСКАЯ ЛИТЕРАТУРА

:: Алготрейдинг::


АЛГОТРЕЙДИНГ
шаг за шагом
с нуля по урокам!

Торговые роботы на PYTHON, BackTrader,
Pandas, Pine Script для TradingView. Связка с брокерами, телеграм и легкими приложениями.


Государственное санитарно-эпидемиологическое
нормирование Российской Федерации

УТВЕРЖДЕНО

                                                                         Председатель Госкомсанэпиднадзора России

                                                                    Главный государственный санитарный врач

                                                             Российской Федерации

Е.Н. Беляев

                                                                    8 июня 1996 г.

                                                                    МУК 4.1.0.431-96

                                                                    Дата введения: с момента утверждения

4.1. МЕТОДЫ КОНТРОЛЯ. ХИМИЧЕСКИЕ ФАКТОРЫ

Фотометрическое измерение концентраций иодпирона в воздухе рабочей зоны

                                 М. м. 10500 - 14000

Иодпирон - (смесь поливинилпирролидона с йодом и йодистым калием) - аморфный порошок светло-коричневого цвета, без запаха.

Хорошо растворим в воде, метиловом и этиловом спиртах. Не растворим в эфире. Не плавится. Разлагается при температуре свыше 110 °С.

В воздухе находится в виде аэрозоля.

Обладает общетоксическим действием.

ПДК в воздухе - 3 мг/м/м3.

Характеристика метода

Метод основан на образовании в водной среде при температуре 0 °С специфического, окрашенного в синий цвет, комплекса йода с крахмалом, содержание которого определяют спектрофотометрически при длине волны 600 нм.

Отбор проб производится с концентрированием на фильтр.

Нижний предел измерения иодпирона в анализируемом объеме пробы - 200 мкг.

Нижний предел измерения иодпирона в воздухе- 1 мг/м3 (при отборе 130 л воздуха).

Диапазон измеряемых концентраций иодпирона в воздухе - от 1,5 до 7 мг/м3.

Определению мешает присутствие углеводов и их производных.

Суммарная погрешность измерения не превышает ± 20 %.

Время выполнения измерения, включая отбор пробы, - около 60 мин.

Приборы, аппаратура, посуда

Спектрофотометр СФ-16 или

другие модели того же класса

Электроаспиратор

Фильтродержатель                                                                                ТУ 95.72.05-77

Колбы мерные, вместимостью 100 мл                                                ГОСТ 1770-74

Пипетки, вместимостью 2 и 10 мл                                                      ГОСТ 20292-74

Пробирки с пришлифованными

пробками, вместимостью 10 мл                                                           ГОСТ 10515-75

Реактивы, растворы, материалы

Крахмал растворимый, 1 %-ный водный

раствор, свежеприготовленный                                                           ГОСТ 10163-62

Основной стандартный раствор с концентрацией иодпирона 100 мкг/мл готовят растворением 0,01 г вещества в дистиллированной воде в мерной колбе, вместимостью 100 мл. Раствор устойчив при хранении в холодильнике в течение 2 суток.

Фильтры АФА-ВП-10                                                                           ТУ 65-743-80

Отбор пробы воздуха

Воздух с объемным расходом 20 л/мин аспирируют через фильтр АФА-ВП-10, помещенный в фильтродержатель. Для определения 1/2 ПДК достаточно отобрать 130 л воздуха.

Пробы можно хранить в закрытых сосудах в течение месяца.

Подготовка к измерению

Градуировочные растворы готовят согласно таблице.

Таблица

Шкала градуировочных растворов

№ стандарта

Стандартный р-р, мл

Дистиллированная вода, мл

1 %-ный раствор крахмала, мл

Концентрация вещества в градуировочном р-ре, мкг/мл

1

2

7,5

0,5

20

2

4

5,5

0,5

40

3

5

4,5

0,5

50

4

6

3,5

0,5

60

5

8

1,5

0,5

80

6

9

0,5

0,5

90

9,5 мл каждого разбавленного стандартного раствора, полученного согласно таблице, помещают в отдельную пробирку с пришлифованной пробкой. Содержимое пробирок охлаждают 15 мин в бане с ледяной водой, добавляют 0,5 мл свежеприготовленного 1 %-ного водного раствора крахмала и энергично перемешивают. Реакционную смесь выдерживают в течение 15 мин при температуре 0 °С.

Полученные окрашенные растворы комплекса иод-крахмал устойчивы при температуре 0 °С в течение 30 мин с момента прибавления крахмала.

Измеряют оптическое поглощение полученных растворов при длине волны 600 нм. Измерения проводят в кюветах с толщиной поглощающего слоя 10 мм по отношению к раствору сравнения, не содержащему определяемого вещества.

Строят градуировочный график: на ось ординат наносят значения оптических плотностей полученных растворов, на ось абсцисс - соответствующие им концентрации вещества в градуировочном растворе (мкг/мл).

Построение градуировочных графиков необходимо проводить не менее чем по 6 точкам.

Проверку градуировочных графиков следует проводить при изменении условий анализа, но не реже 1 раза в месяц.

Проведение измерения

Фильтр с отобранной пробой помещают в пробирку с пришлифованной пробкой, добавляют 10 мл дистиллированной воды и оставляют на 15 мин при комнатной температуре и периодическом перемешивании. Степень десорбции с фильтра - 98 %.

9,5 мл полученного раствора помещают в пробирку с пришлифованной пробкой. Содержимое пробирки охлаждают 15 мин в бане с ледяной водой, добавляют 0,5 мл свежеприготовленного 1 %-ного водного раствора крахмала и энергично перемешивают. Реакционную смесь выдерживают в течение 15 мин при температуре 0 °С.

Измеряют оптическое поглощение полученного раствора при длине волны 600 нм. Измерение проводят в кюветах с толщиной поглощающего слоя 10 мм по отношению к раствору сравнения, не содержащему определяемого вещества.

Спектрофотометрирование полученного раствора проводят в тех же условиях и по отношению к тому же раствору сравнения, что и при построении градуировочного графика.

Количественное определение содержания иодпирона в анализируемом объеме проводят по предварительно построенному градуировочному графику.

Расчет концентрации

Концентрацию иодпирона (С) в воздухе (мг/м3) вычисляют по формуле:

а - концентрация иодпирона в анализируемом объеме пробы, найденная по градуировочному графику, мкг/мл;

в - общий объем анализируемого раствора, мл;

V - объем воздуха, отобранного для анализа и приведенного к стандартным условиям, л (см. приложение 1).

Методические указания разработаны НИО «Экотокс», г. Москва.

Приложение 1

Приведение объема воздуха к стандартным условиям (температура 20 °С и давление 760 мм рт. ст.)

проводят по формуле

Vt - объем воздуха, отобранный для анализа, л;

Р - барометрическое давление, кПа (101,33 кПа = 760 мм рт. ст.);

t - температура воздуха в месте отбора пробы, °С.

Для удобства расчета V20 следует пользоваться таблицей коэффициентов (приложение 2). Для приведения воздуха к стандартным условиям надо умножить Vt на соответствующий коэффициент.

Приложение 2

Коэффициенты для приведения объема воздуха к стандартным условиям

Давление Р, кПа/мм рт. ст.

°С

97,33/730

97,86/734

98,4/738

98,93/742

99,46/746

100/750

100,53/754

101,06/758

101,33/760

101,86/764

-30

1,1582

1,1646

1,1709

1,1772

1,1836

1,1899

1,1963

1,2026

1,2058

1,2122

-26

1,1393

1,1456

1,1519

1,1581

1,1644

1,1705

1,1768

1,1831

1,1862

1,1925

-22

1,1212

1,1274

1,1336

1,1396

1,1458

1,1519

1,1581

1,1643

1,1673

1,1735

-18

1,1036

1,1097

1,1158

1,1218

1,1278

1,1338

1,1399

1,1460

1,1490

1,1551

-14

1,0866

1,0926

1,0986

1,1045

1,1105

1,1164

1,1224

1,1284

1,1313

1,1373

-10

1,0701

1,0760

1,0819

1,0877

1,0986

1,0994

1,1053

1,1112

1,1141

1,1200

-6

1,0540

1,0599

1,0657

1,0714

1,0772

1,0829

1,0887

1,0945

1,0974

1,1032

-2

1,0385

1,0442

1,0499

1,0556

1,0613

1,0669

1,0726

1,0784

1,0812

1,0869

0

1,0309

1,0366

1,0423

1,0477

1,0535

1,0591

1,0648

1,0705

1,0733

1,0789

+2

1,0234

1,0291

1,0347

1,0402

1,0459

1,0514

1,0571

1,0627

1,0655

1,0712

+6

1,0087

1,0143

0,0198

1,0253

1,0309

1,0363

1,0419

1,0475

1,0502

1,0557

+10

0,9944

0,9999

0,0054

1,0108

1,0162

1,0216

1,0272

1,0326

1,0353

1,0407

+14

0,9806

0,9860

0,9914

0,9967

1,0027

1,0074

1,0128

1,0183

1,0209

1,0263

+18

0,9671

0,9725

0,9778

0,9830

0,9884

0,9936

1,9989

1,0043

1,0069

1,0122

+20

0,9605

0,9658

0,9711

0,9783

0,9816

0,9868

0,9921

0,9974

1,0000

1,0053

+22

0,9539

0,9592

0,9645

0,9696

0,9749

0,9800

0,9853

0,9906

0,9932

1,9985

+24

0,9475

0,9527

0,9579

0,9631

0,9683

0,9735

0,9787

0,9839

0,9865

1,9917

+26

0,9412

0,9464

0,9516

0,9566

0,9618

0,9669

0,9721

0,9773

0,9799

1,9851

+28

0,9349

0,9401

0,9453

0,9503

0,9555

0,9605

0,9657

0,9708

0,9734

1,9785

+30

0,9288

0,9339

0,9391

0,9440

0,9432

0,9542

0,9594

0,9645

0,9670

0,9723

+34

0,9167

0,9218

0,9268

0,9318

0,9368

0,9418

0,9468

0,9519

0,9544

0,9595

+38

0,9049

0,9099

0,9149

0,9199

0,9248

0,9297

0,9347

0,9397

0,9421

0,9471

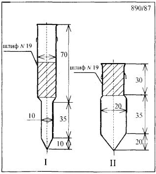
Приложение 3

Рис. 1

Ловушка-концентратор.

Общий вид.

Рис. 2

Ловушка-концентратор.

Приложение 4

Вещества, определяемые по ранее утвержденным методическим указаниям

Название вещества

Методические указания

1. Аммоний винно-кислый кислый

Методические указания на фотометрическое определение аммиака: Сб. МУ в. 1 - 5. - М., 1981. - 58 с.

К = 9,82

Аммоний винно-кислый

Методические указания на фотометрическое определение аммиака: Сб. МУ в. 1 - 5. - М., 1981 - 58 с.

К = 5,41

2. Калий винно-кислый

Калий виннокислый кислый

Методические указания по измерению концентраций сульфата калия, калийной магнезии и хлорида калия в воздухе рабочей зоны: Сб. МУ, в. 22. - М., 1988 - 182 с.

К = 2,9 и 4,82

3. Калий сурьмоксид винно-кислый

Методические указания по полярографическому измерению концентраций сурьмы в воздухе рабочей зоны: Сб. МУ, в. 8. - М., 1983. - 90 с.

К = 2,66

4. Натрий винно-кислый кислый

Методические указания по измерению концентраций натрия сульфата в воздухе рабочей зоны методом атомно-абсорбционной спектрофотометрии: Сб. МУ, в. 21. - М., 1986 - 135с.

К = 7,48

Натрий винно-кислый

Методические указания по измерению концентраций натрия сульфата в воздухе рабочей зоны методом атомно-абсорбционной спектрофотометрии: Сб. МУ, в. 21. - М., 1986 - 135 с.

К = 4,22

Калий-натрий винно-кислый

Методические указания по измерению концентраций натрия сульфата в воздухе рабочей зоны методом атомно-абсорбционной спектрофотометрии: Сб. МУ, в. 21. - М., 1986. - 135 с.

К = 3,39

5. Полиметилмочевина

Методические указания по гравиметрическому определению пыли в воздухе рабочей зоны и в системах вентиляционных установок: Сб. МУ, в. 1 - 5. - М., 1981. - 235 с.

6. Трифторметансульфофторид (фторангидрид трифторметан сульфокислоты)

Методические указания на фотометрическое определение фторорганических соединений: Сб. МУ, в. 1 - 5. - М. 1981. - 187 с.

К = 2

7. Хлоргидрат изонипекотиновой кислоты

Методические указания на фотометрическое определение диэтиламина в воздухе: Сб. МУ, в. 1 - 5. - М., 1981. - 123 с. Отбор проб на фильтр со скоростью 2 л/мин.

 




Яндекс цитирования



   Copyright © 2007-2026,  www.tehlit.ru.

[ ѓосты, стандарты, нормативы, инструкции, правила, строительные нормы ]