//
ТехЛит.ру
- крупнейшая бесплатная электронная интернет библиотека для "технически умных" людей.
WWW.TEHLIT.RU - ТЕХНИЧЕСКАЯ ЛИТЕРАТУРА

:: Алготрейдинг::


АЛГОТРЕЙДИНГ
шаг за шагом
с нуля по урокам!

Торговые роботы на PYTHON, BackTrader,
Pandas, Pine Script для TradingView. Связка с брокерами, телеграм и легкими приложениями.


Государственное санитарно-эпидемиологическое
нормирование Российской Федерации

УТВЕРЖДЕНО

                                                                         Председатель Госкомсанэпиднадзора России

                                                                    Главный государственный санитарный врач

                                                             Российской Федерации

Е.Н. Беляев

                                                                    8 июня 1996 г.

                                                                    МУК 4.1.0.434-96

                                                                    Дата введения: с момента утверждения

4.1. МЕТОДЫ КОНТРОЛЯ. ХИМИЧЕСКИЕ ФАКТОРЫ

Газохроматографическое измерение концентраций коричного альдегида (b-фенилакриловый альдегид) в воздухе рабочей зоны

                                                                                  М. м. 132,16

Коричный альдегид (b-фенилакриловый альдегид) - жидкость коричневого цвета со специфическим запахом. Хорошо растворим в органических растворителях, в т. ч. в спирте, эфире. Трудно растворим в воде. Тпл. - 7,5 °С. Ткип. - 250 - 252 °С (с разл.).

В воздухе находится в виде паров.

Обладает общетоксическим и раздражающим действием.

ОБУВ в воздухе - 3 мг/м3.

Характеристика метода

Определение основано на использовании газожидкостной хроматографии с применением пламенно-ионизационного детектора.

Отбор проб проводится с концентрированием в диоксан.

Нижний предел измерения содержания коричного альдегида в хроматографируемом объеме раствора - 0,002 мкг.

Нижний предел измерения концентрации коричного альдегида в воздухе - 1,25 мг/м3 (при отборе 8 л воздуха).

Диапазон измеряемых концентраций коричного альдегида в воздухе - от 1,25 до 12,5 мг/м3.

Измерению не мешают пары органических растворителей, в том числе гексана, четыреххлористого углерода, циклических углеводородов.

Суммарная погрешность измерения не превышает ± 20 %.

Время выполнения измерения, включая отбор пробы, - около 25 мин.

Приборы, аппаратура, посуда

Хроматограф с пламенно-ионизационным

детектором

Хроматографическая колонка

из нержавеющей стали длиной 3 м

и диаметром 3 мм

Аспирационное устройство

Поглотительные сосуды Рихтера

Колбы мерные, вместимостью 25, 50 и 100 мл                                  ГОСТ 1770-74

Пипетки, вместимостью 1, 5 и 10 мл                                                  ГОСТ 20292-74

Микрошприц МШ-10М                                                                         ГОСТ 8043-75

Линейка измерительная                                                                       ГОСТ 427-75

Секундомер                                                                                            ГОСТ 5072-79

Реактивы, растворы, материалы

Коричный альдегид

Инертон AW-DMCS с 5 % SE-30 (фракция

0,125 - 0,169 мкн) - насадка хроматографической

колонки

Диоксан                                                                                                  ГОСТ 10455-80

Стандартный раствор № 1 коричного альдегида готовят в ацетоне в мерной колбе, вместимостью 25 мл. Взвешивают колбу с 5 - 10 мл диоксана, добавляют 1 - 2 капли вещества и снова взвешивают. По разности весов рассчитывают концентрацию коричного альдегида.

Стандартный раствор № 2 с концентрацией коричного альдегида 100 мкг/мл готовят соответствующим разбавлением стандартного раствора № 1 диоксаном.

Газообразные (в баллонах с редуктором)

азот                                                                                                          ГОСТ 9293-74

водород                                                                                                   ГОСТ 3022-80

воздух                                                                                                      ГОСТ 11882-73

Фильтры обеззоленные «синяя лента»,

диаметром 5,5 см                                                                                   ТУ 6-09-1678-77

Отбор пробы воздуха

Воздух с объемным расходом 0,5 л/мин аспирируют через 2 последовательно соединенных поглотительных сосуда Рихтера, содержащих по 5 мл диоксана каждый. Во время отбора воздуха поглотительные сосуды охлаждают водой с температурой 12 - 15 °С.

Для измерения 1/2 ОБУВ достаточно отобрать 8 л воздуха. Пробы можно хранить в холодильнике в закрытых сосудах в течение недели.

Подготовка к измерению

Приготовление хроматографической колонки.

Хроматографическую колонку заполняют под вакуумом готовой насадкой - инертон AW-DMES SE. Колонку кондиционируют в течение 12 ч, при температуре 260 °С и скорости газа-носителя 40 мл/мин.

Количественный анализ проводят методом абсолютной калибровки с использованием градуировочных растворов, которые готовят с концентрацией от 0,002 до 0,02 мкг/мкл соответствующим разбавлением стандартного раствора № 2 диоксаном. Растворы устойчивы в течение суток при хранении в холодильнике в закрытых сосудах.

Градуировочные растворы в количестве 1 мкл вводят через самоуплотняющуюся мембрану в испаритель хроматографа.

Условия хроматографирования градуировочных растворов и анализируемых проб:

температура термостата колонки                                                   115 °С;

температура испарителя                                                                  275 °С;

температура термостата детектора                                                 130 °С;

скорость потока газа-носителя (азота)                                           30 мл/мин;

скорость потока водорода                                                                30 мл/мин;

скорость потока воздуха                                                                  250 мл/мин;

скорость движения диаграммной ленты                                        200 мм/ч;

объем вводимой пробы                                                                    1 мкл;

масштаб чувствительности                                                              10 ´ 10-12;

время удерживания коричного альдегида                                      17 мин.

Строят градуировочный график, выражающий зависимость площади пика (мм2) от количества коричного альдегида в хроматографируемом объеме (мкг). Градуировочный график строят не менее чем по 6 точкам, проводя не менее 5 параллельных определений для каждой концентрации. Проверку градуировочного графика следует проводить при изменении условий анализа, но не реже 1 раза в месяц.

Проведение измерения

Растворы из поглотительных сосудов Рихтера анализируют каждый отдельно.

1 мкл полученного раствора вводят через самоуплотняющуюся мембрану в испаритель хроматографа. На полученной хроматограмме измеряют площадь пика.

Количественное определение коричного альдегида в хроматографируемом объеме проводят по предварительно построенному градуировочному графику.

Расчет концентрации

Концентрацию коричного альдегида (С) в воздухе (мг/м3) вычисляют по формуле:

а - содержание коричного альдегида в хроматографируемом объеме пробы, найденное по градуировочному графику, мкг;

б - хроматографируемый объем пробы, взятой для анализа, мл;

в - общий объем анализируемого раствора, мл;

V - объем воздуха, отобранного для анализа и приведенного к стандартным условиям, л (см. приложение 1).

Методические указания разработаны НПО «Экотокс», г. Москва.

Приложение 1

Приведение объема воздуха к стандартным условиям (температура 20 °С и давление 760 мм рт. ст.)

проводят по формуле

Vt - объем воздуха, отобранный для анализа, л;

Р - барометрическое давление, кПа (101,33 кПа = 760 мм рт. ст.);

t - температура воздуха в месте отбора пробы, °С.

Для удобства расчета V20 следует пользоваться таблицей коэффициентов (приложение 2). Для приведения воздуха к стандартным условиям надо умножить Vt на соответствующий коэффициент.

Приложение 2

Коэффициенты для приведения объема воздуха к стандартным условиям

Давление Р, кПа/мм рт. ст.

°С

97,33/730

97,86/734

98,4/738

98,93/742

99,46/746

100/750

100,53/754

101,06/758

101,33/760

101,86/764

-30

1,1582

1,1646

1,1709

1,1772

1,1836

1,1899

1,1963

1,2026

1,2058

1,2122

-26

1,1393

1,1456

1,1519

1,1581

1,1644

1,1705

1,1768

1,1831

1,1862

1,1925

-22

1,1212

1,1274

1,1336

1,1396

1,1458

1,1519

1,1581

1,1643

1,1673

1,1735

-18

1,1036

1,1097

1,1158

1,1218

1,1278

1,1338

1,1399

1,1460

1,1490

1,1551

-14

1,0866

1,0926

1,0986

1,1045

1,1105

1,1164

1,1224

1,1284

1,1313

1,1373

-10

1,0701

1,0760

1,0819

1,0877

1,0986

1,0994

1,1053

1,1112

1,1141

1,1200

-6

1,0540

1,0599

1,0657

1,0714

1,0772

1,0829

1,0887

1,0945

1,0974

1,1032

-2

1,0385

1,0442

1,0499

1,0556

1,0613

1,0669

1,0726

1,0784

1,0812

1,0869

0

1,0309

1,0366

1,0423

1,0477

1,0535

1,0591

1,0648

1,0705

1,0733

1,0789

+2

1,0234

1,0291

1,0347

1,0402

1,0459

1,0514

1,0571

1,0627

1,0655

1,0712

+6

1,0087

1,0143

0,0198

1,0253

1,0309

1,0363

1,0419

1,0475

1,0502

1,0557

+10

0,9944

0,9999

0,0054

1,0108

1,0162

1,0216

1,0272

1,0326

1,0353

1,0407

+14

0,9806

0,9860

0,9914

0,9967

1,0027

1,0074

1,0128

1,0183

1,0209

1,0263

+18

0,9671

0,9725

0,9778

0,9830

0,9884

0,9936

1,9989

1,0043

1,0069

1,0122

+20

0,9605

0,9658

0,9711

0,9783

0,9816

0,9868

0,9921

0,9974

1,0000

1,0053

+22

0,9539

0,9592

0,9645

0,9696

0,9749

0,9800

0,9853

0,9906

0,9932

1,9985

+24

0,9475

0,9527

0,9579

0,9631

0,9683

0,9735

0,9787

0,9839

0,9865

1,9917

+26

0,9412

0,9464

0,9516

0,9566

0,9618

0,9669

0,9721

0,9773

0,9799

1,9851

+28

0,9349

0,9401

0,9453

0,9503

0,9555

0,9605

0,9657

0,9708

0,9734

1,9785

+30

0,9288

0,9339

0,9391

0,9440

0,9432

0,9542

0,9594

0,9645

0,9670

0,9723

+34

0,9167

0,9218

0,9268

0,9318

0,9368

0,9418

0,9468

0,9519

0,9544

0,9595

+38

0,9049

0,9099

0,9149

0,9199

0,9248

0,9297

0,9347

0,9397

0,9421

0,9471

Приложение 3

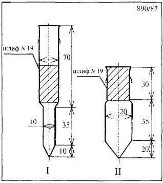
Рис. 1

Ловушка-концентратор.

Общий вид.

Рис. 2

Ловушка-концентратор.

Приложение 4

Вещества, определяемые по ранее утвержденным методическим указаниям

Название вещества

Методические указания

1. Аммоний винно-кислый кислый

Методические указания на фотометрическое определение аммиака: Сб. МУ в. 1 - 5. - М., 1981. - 58 с.

К = 9,82

Аммоний винно-кислый

Методические указания на фотометрическое определение аммиака: Сб. МУ в. 1 - 5. - М., 1981 - 58 с.

К = 5,41

2. Калий винно-кислый

Калий виннокислый кислый

Методические указания по измерению концентраций сульфата калия, калийной магнезии и хлорида калия в воздухе рабочей зоны: Сб. МУ, в. 22. - М., 1988 - 182 с.

К = 2,9 и 4,82

3. Калий сурьмоксид винно-кислый

Методические указания по полярографическому измерению концентраций сурьмы в воздухе рабочей зоны: Сб. МУ, в. 8. - М., 1983. - 90 с.

К = 2,66

4. Натрий винно-кислый кислый

Методические указания по измерению концентраций натрия сульфата в воздухе рабочей зоны методом атомно-абсорбционной спектрофотометрии: Сб. МУ, в. 21. - М., 1986 - 135с.

К = 7,48

Натрий винно-кислый

Методические указания по измерению концентраций натрия сульфата в воздухе рабочей зоны методом атомно-абсорбционной спектрофотометрии: Сб. МУ, в. 21. - М., 1986 - 135 с.

К = 4,22

Калий-натрий винно-кислый

Методические указания по измерению концентраций натрия сульфата в воздухе рабочей зоны методом атомно-абсорбционной спектрофотометрии: Сб. МУ, в. 21. - М., 1986. - 135 с.

К = 3,39

5. Полиметилмочевина

Методические указания по гравиметрическому определению пыли в воздухе рабочей зоны и в системах вентиляционных установок: Сб. МУ, в. 1 - 5. - М., 1981. - 235 с.

6. Трифторметансульфофторид (фторангидрид трифторметан сульфокислоты)

Методические указания на фотометрическое определение фторорганических соединений: Сб. МУ, в. 1 - 5. - М. 1981. - 187 с.

К = 2

7. Хлоргидрат изонипекотиновой кислоты

Методические указания на фотометрическое определение диэтиламина в воздухе: Сб. МУ, в. 1 - 5. - М., 1981. - 123 с. Отбор проб на фильтр со скоростью 2 л/мин.

 




Яндекс цитирования



   Copyright © 2007-2026,  www.tehlit.ru.

[ ѓосты, стандарты, нормативы, инструкции, правила, строительные нормы ]