//
ТехЛит.ру
- крупнейшая бесплатная электронная интернет библиотека для "технически умных" людей.
WWW.TEHLIT.RU - ТЕХНИЧЕСКАЯ ЛИТЕРАТУРА

:: Алготрейдинг::


АЛГОТРЕЙДИНГ
шаг за шагом
с нуля по урокам!

Торговые роботы на PYTHON, BackTrader,
Pandas, Pine Script для TradingView. Связка с брокерами, телеграм и легкими приложениями.


Государственное санитарно-эпидемиологическое
нормирование Российской Федерации

УТВЕРЖДЕНО

                                                                         Председатель Госкомсанэпиднадзора России

                                                                    Главный государственный санитарный врач

                                                             Российской Федерации

Е.Н. Беляев

                                                                    8 июня 1996 г.

                                                                    МУК 4.1.0.435-96

                                                                    Дата введения: с момента утверждения

4.1. МЕТОДЫ КОНТРОЛЯ. ХИМИЧЕСКИЕ ФАКТОРЫ

Газохроматографическое измерение концентраций 0-метилбутиролактима в воздухе рабочей зоны

                                                                                                   М. м. 99,13

0-метилбутиролактим - жидкость с неприятным запахом. Ткип. -118 - 120 °С. Хорошо растворим в воде, ацетоне, этаноле, бензоле. Раздражает слизистую оболочку.

В воздухе находится в виде паров.

Обладает общетоксическим и раздражающим действием.

ОБУВ в воздухе - 0,5 мг/м3.

Характеристика метода

Определение основано на использовании газожидкостной хроматографии с применением пламенно-ионизационного детектора.

Отбор проб проводится без концентрирования.

Нижний предел измерения содержания в хроматографируемом объеме пробы - 0,025 мкг.

Нижний предел измерения концентраций в воздухе - 0,25 мг/м3 (при вводе 10 л воздуха).

Диапазон измеряемых концентраций в воздухе - от 0,25 до 5 мг/м3.

Измерению не мешают бензол, ацетон, этанол, метилпирролидон-2.

Суммарная погрешность измерения не превышает ± 23 %.

Время выполнения измерения, включая отбор проб, - 15 мин.

Приборы, аппаратура, посуда

Газовый хроматограф

с пламенно-ионизационным детектором

Аспирационное устройство

Хроматографическая колонка стеклянная,

длиной 1 м, внутренним диаметром 3 мм

Шприцы медицинские, вместимостью 10 мл                                    ТУ 64-1-378-83

Шприцы медицинские, вместимостью 200 мл                                  ТУ 64-1-1279-75

Пипетки газовые, вместимостью 500 - 1000 мл                                 ГОСТ 19954-78

Микрошприцы (Газохром 101),

вместимостью 1 мкл                                                                             ТУ 25.05-2152-76

Секундомер                                                                                            ГОСТ 5072-79

Лупа измерительная                                                                              ГОСТ 8309-75

Насос водоструйный

Реактивы, растворы, материалы

0-метилбутиролактим (технологический

регламент)

Инертон АW-НМД8 с 10 %

Карбовакс 1500 (ЧСФР)

Гелий в баллоне с редуктором                                                             ТУ 51-940-80

Водород в баллоне с редуктором или

производимый генератором водорода СГС-2                                    ГОСТ 3022-77

Воздух в баллоне с редуктором                                                            ГОСТ 11882-73

Отбор пробы воздуха

Отбор пробы воздуха проводят, аспирируя через газовые пипетки 5 - 10-кратный объем воздуха со скоростью 1 - 2 л/мин.

По окончании отбора краны пипеток закрывают. В выходной патрубок одного из кранов вставляют самоуплотняющуюся мембрану, вырезанную по внутреннему диаметру патрубка. Пробы анализируют в день отбора.

Подготовка к измерению

Хроматографическую колонку заполняют готовой насадкой - инертон AW-НМДS с 10 % Карбовакс 1500 (ЧСФР) с помощью вакуума и механической вибрации.

Заполненную колонку кондиционируют в токе гелия при температуре 100 °С в течение 10 - 12 ч. Измеряют плотность 0-метилбутиролактима (технологический регламент) с помощью пикнометра и вводят в газовую пипетку 1 мкл жидкости этого вещества. Газовую пипетку предварительно вакуумируют с помощью водоструйного насоса до остановочного давления 200 - 300 мм рт. ст. После введения 1 мкл вещества пипетку заполняют сухим чистым воздухом. Вычисляют концентрацию (мкг/мл) 0-метилбутиролактима с учетом плотности жидкости и содержания целевого вещества по технологическому регламенту. Путем последовательного разбавления в медицинских шприцах готовят градуировочные газовые смеси с содержанием 0,0025, 0,008, 0,016, 0,02, 0,05 мкг/мл 0-метилбутиролактима. По 10 мл каждой из градуировочных смесей с помощью медицинского шприца вводят в хроматограф через самоуплотняющуюся мембрану испарителя. По данным не менее 5 измерений вычисляют площади пиков, строят график зависимости площади пика (мм2) от количества вещества (мкг) в хроматографируемом объеме.

Условия хроматографирования градуировочных растворов и анализируемых проб:

температура колонки                                                                       110 °С;

температура испарителя                                                                  150 °С;

температура детектора                                                                     170 °С;

расход воздуха                                                                                   300 мл/мин;

расход гелия                                                                                      40 мл/мин;

расход водорода                                                                                35 мл/мин;

скорость диаграммной ленты                                                          200 мм/ч;

объем вводимой пробы                                                                    10 мл;

масштаб чувствительности                                                              10 ´ 10-12;

время удерживания 0-метилбутиролактима                                  1 мин 20 с.

Проведение измерения

10 мл пробы воздуха из газовой пипетки с помощью медицинского шприца вводят в испаритель хроматографа через самоуплотняющуюся мембрану. Записывают хроматограмму, вычисляют площадь пика и по градуировочному графику находят количество 0-метилбутиролактима в хроматографируемом объеме.

Расчет концентрации

Концентрацию (С) в воздухе (мг/м3) вычисляют по формуле:

а - количество 0-метилбутиролактима в хроматографируемом объеме пробы, найденное по градуировочному графику, мкг;

V - хроматографируемый объем пробы, приведенной к стандартным условиям, л (см. приложение 1).

Методические указания разработаны НИО «Экотокс», г. Москва.

Приложение 1

Приведение объема воздуха к стандартным условиям (температура 20 °С и давление 760 мм рт. ст.)

проводят по формуле

Vt - объем воздуха, отобранный для анализа, л;

Р - барометрическое давление, кПа (101,33 кПа = 760 мм рт. ст.);

t - температура воздуха в месте отбора пробы, °С.

Для удобства расчета V20 следует пользоваться таблицей коэффициентов (приложение 2). Для приведения воздуха к стандартным условиям надо умножить Vt на соответствующий коэффициент.

Приложение 2

Коэффициенты для приведения объема воздуха к стандартным условиям

Давление Р, кПа/мм рт. ст.

°С

97,33/730

97,86/734

98,4/738

98,93/742

99,46/746

100/750

100,53/754

101,06/758

101,33/760

101,86/764

-30

1,1582

1,1646

1,1709

1,1772

1,1836

1,1899

1,1963

1,2026

1,2058

1,2122

-26

1,1393

1,1456

1,1519

1,1581

1,1644

1,1705

1,1768

1,1831

1,1862

1,1925

-22

1,1212

1,1274

1,1336

1,1396

1,1458

1,1519

1,1581

1,1643

1,1673

1,1735

-18

1,1036

1,1097

1,1158

1,1218

1,1278

1,1338

1,1399

1,1460

1,1490

1,1551

-14

1,0866

1,0926

1,0986

1,1045

1,1105

1,1164

1,1224

1,1284

1,1313

1,1373

-10

1,0701

1,0760

1,0819

1,0877

1,0986

1,0994

1,1053

1,1112

1,1141

1,1200

-6

1,0540

1,0599

1,0657

1,0714

1,0772

1,0829

1,0887

1,0945

1,0974

1,1032

-2

1,0385

1,0442

1,0499

1,0556

1,0613

1,0669

1,0726

1,0784

1,0812

1,0869

0

1,0309

1,0366

1,0423

1,0477

1,0535

1,0591

1,0648

1,0705

1,0733

1,0789

+2

1,0234

1,0291

1,0347

1,0402

1,0459

1,0514

1,0571

1,0627

1,0655

1,0712

+6

1,0087

1,0143

0,0198

1,0253

1,0309

1,0363

1,0419

1,0475

1,0502

1,0557

+10

0,9944

0,9999

0,0054

1,0108

1,0162

1,0216

1,0272

1,0326

1,0353

1,0407

+14

0,9806

0,9860

0,9914

0,9967

1,0027

1,0074

1,0128

1,0183

1,0209

1,0263

+18

0,9671

0,9725

0,9778

0,9830

0,9884

0,9936

1,9989

1,0043

1,0069

1,0122

+20

0,9605

0,9658

0,9711

0,9783

0,9816

0,9868

0,9921

0,9974

1,0000

1,0053

+22

0,9539

0,9592

0,9645

0,9696

0,9749

0,9800

0,9853

0,9906

0,9932

1,9985

+24

0,9475

0,9527

0,9579

0,9631

0,9683

0,9735

0,9787

0,9839

0,9865

1,9917

+26

0,9412

0,9464

0,9516

0,9566

0,9618

0,9669

0,9721

0,9773

0,9799

1,9851

+28

0,9349

0,9401

0,9453

0,9503

0,9555

0,9605

0,9657

0,9708

0,9734

1,9785

+30

0,9288

0,9339

0,9391

0,9440

0,9432

0,9542

0,9594

0,9645

0,9670

0,9723

+34

0,9167

0,9218

0,9268

0,9318

0,9368

0,9418

0,9468

0,9519

0,9544

0,9595

+38

0,9049

0,9099

0,9149

0,9199

0,9248

0,9297

0,9347

0,9397

0,9421

0,9471

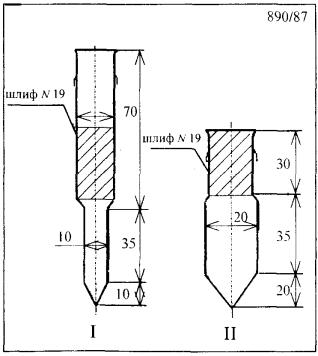
Приложение 3

Рис. 1

Ловушка-концентратор.

Общий вид.

Рис. 2

Ловушка-концентратор.

Приложение 4

Вещества, определяемые по ранее утвержденным методическим указаниям

Название вещества

Методические указания

1. Аммоний винно-кислый кислый

Методические указания на фотометрическое определение аммиака: Сб. МУ в. 1 - 5. - М., 1981. - 58 с.

К = 9,82

Аммоний винно-кислый

Методические указания на фотометрическое определение аммиака: Сб. МУ в. 1 - 5. - М., 1981 - 58 с.

К = 5,41

2. Калий винно-кислый

Калий виннокислый кислый

Методические указания по измерению концентраций сульфата калия, калийной магнезии и хлорида калия в воздухе рабочей зоны: Сб. МУ, в. 22. - М., 1988 - 182 с.

К = 2,9 и 4,82

3. Калий сурьмоксид винно-кислый

Методические указания по полярографическому измерению концентраций сурьмы в воздухе рабочей зоны: Сб. МУ, в. 8. - М., 1983. - 90 с.

К = 2,66

4. Натрий винно-кислый кислый

Методические указания по измерению концентраций натрия сульфата в воздухе рабочей зоны методом атомно-абсорбционной спектрофотометрии: Сб. МУ, в. 21. - М., 1986 - 135с.

К = 7,48

Натрий винно-кислый

Методические указания по измерению концентраций натрия сульфата в воздухе рабочей зоны методом атомно-абсорбционной спектрофотометрии: Сб. МУ, в. 21. - М., 1986 - 135 с.

К = 4,22

Калий-натрий винно-кислый

Методические указания по измерению концентраций натрия сульфата в воздухе рабочей зоны методом атомно-абсорбционной спектрофотометрии: Сб. МУ, в. 21. - М., 1986. - 135 с.

К = 3,39

5. Полиметилмочевина

Методические указания по гравиметрическому определению пыли в воздухе рабочей зоны и в системах вентиляционных установок: Сб. МУ, в. 1 - 5. - М., 1981. - 235 с.

6. Трифторметансульфофторид (фторангидрид трифторметан сульфокислоты)

Методические указания на фотометрическое определение фторорганических соединений: Сб. МУ, в. 1 - 5. - М. 1981. - 187 с.

К = 2

7. Хлоргидрат изонипекотиновой кислоты

Методические указания на фотометрическое определение диэтиламина в воздухе: Сб. МУ, в. 1 - 5. - М., 1981. - 123 с. Отбор проб на фильтр со скоростью 2 л/мин.

 




Яндекс цитирования



   Copyright © 2007-2026,  www.tehlit.ru.

[ ѓосты, стандарты, нормативы, инструкции, правила, строительные нормы ]