//
ТехЛит.ру
- крупнейшая бесплатная электронная интернет библиотека для "технически умных" людей.
WWW.TEHLIT.RU - ТЕХНИЧЕСКАЯ ЛИТЕРАТУРА

:: Алготрейдинг::


АЛГОТРЕЙДИНГ
шаг за шагом
с нуля по урокам!

Торговые роботы на PYTHON, BackTrader,
Pandas, Pine Script для TradingView. Связка с брокерами, телеграм и легкими приложениями.


Государственное санитарно-эпидемиологическое
нормирование Российской Федерации

УТВЕРЖДЕНО

                                                                         Председатель Госкомсанэпиднадзора России

                                                                    Главный государственный санитарный врач

                                                             Российской Федерации

Е.Н. Беляев

                                                                    8 июня 1996 г.

                                                                    МУК 4.1.0.446-96

                                                                    Дата введения: с момента утверждения

4.1. МЕТОДЫ КОНТРОЛЯ. ХИМИЧЕСКИЕ ФАКТОРЫ

Фотометрическое измерение концентраций нитрата натрия в воздухе рабочей зоны

NaNО3                                                                                                                                                                                                 M. м. 84,96

Нитрат натрия (натриевая соль) - кристаллическое вещество белого цвета, хорошо растворим в воде, глицерине, гигроскопичен. В воздухе находится в виде аэрозоля. Обладает общетоксическим действием. ПДК в воздухе - 5 мг/м3.

Характеристика метода

Определение основано на измерении светопоглощения окрашенных растворов, образующихся в результате реакции нитрата натрия с салициловокислым натрием в присутствии серной кислоты с образованием солей нитросалициловой кислоты.

Отбор проб проводится с концентрированием на фильтр.

Нижний предел измерения нитрата натрия в анализируемом объеме

пробы - 2 мкг.

Нижний предел измерения вещества в воздухе (при отборе 20 л воздуха) - 0,5 мг/м3.

Диапазон измеряемых концентраций в воздухе - от 0,5 до 20 мг/м3.

Определению мешают нитриты, хлориды, железо.

Граница суммарной погрешности измерения - ± 15 %.

Время выполнения измерения, включая отбор проб, - 10 мин.

Приборы, аппаратура, посуда

Спектрофотометр

Аспирационное устройство

Фильтродержатель                                                                                ТУ 95.7206-77

Баня водяная

Колбы мерные, вместимостью 50 и 100 мл                                        ГОСТ 1770-74

Пипетки, вместимостью 1, 5 и 10 мл                                                  ГОСТ 20292-74

Пробирки колориметрические

градуированные, вместимостью 20 мл                                                ГОСТ 1770-74

Стаканы химические, вместимостью 50 мл                                       ГОСТ 25336-82

Чашки фарфоровые выпарительные                                                    ГОСТ 9147-80

Реактивы, растворы, материалы

Кислота серная                                                                                      ГОСТ 4204-80

Натрия гидроокись, 10 н раствор                                                         ГОСТ 4228-77

Натрия азотнокислый                                                                           ГОСТ 4168-66

Натрий салициловокислый, 0,5 %-ный

водный раствор                                                                                      МРТУ 6-09-836-67

Хлороформ                                                                                             ГОСТ 3160-51

Стандартный раствор нитрата натрия № 1 с концентрацией 1 мг/мл: 0,1000 г нитрата натрия, х. ч., высушенного при (105 ± 2) °С растворяют в воде в мерной колбе, вместимостью 100 мл, добавляют 0,1 мл хлороформа и доводят объем до 100 мл дистиллированной водой.

Раствор устойчив в течение недели.

Стандартный раствор нитрата натрия № 2 с концентрацией 40 мкг/мл готовят соответствующим разбавлением раствора № 1 дистиллированной водой.

Раствор свежеприготовленный.

Отбор пробы воздуха

Воздух с объемным расходом 1 л/мин аспирируют через фильтры типа АФА-ВП-20. Для определения 1/2 ПДК следует отобрать 4 л воздуха.

Пробы устойчивы.

Подготовка к измерению

Градуировочные растворы готовят согласно таблице.

Таблица

Шкала градуировочных растворов

№ стандарта

Стандартный р-р № 2, мл

Дистиллированная вода, мл

Содержание нитрата натрия, мкг

1

0

2,0

0

2

0,06

1,95

2

3

0,1

1,9

4

4

0,3

1,7

12

5

0,5

1,5

20

6

0,8

1,2

32

7

1,2

0,8

48

8

1,5

0,5

60

9

2,0

0

80

Во все пробирки шкалы добавляют 0,2 мл 0,5 %-ного раствора салициловокислого натрия и выпаривают на водяной бане досуха. После охлаждения сухой остаток увлажняют 0,2 мл концентрированной серной кислоты, тщательно растирают стеклянной палочкой и оставляют на 10 мин. Затем добавляют 2 - 5 мл дистиллированной воды и количественно переносят в мерные пробирки. Прибавляют 1,5 мл 10 н раствора едкого натрия и доводят объем дистиллированной водой до 10 мл и перемешивают. Через 10 мин фотометрируют при 400 нм в кювете с толщиной слоя 1 см по сравнению с контрольным раствором.

Строят градуировочный график: на ось ординат наносят значения оптических плотностей градуировочных растворов, на ось абсцисс - соответствующие им величины содержания вещества в градуировочном растворе (мкг).

Проверка градуировочного графика проводится 1 раз в 3 мес или в случае использования новой партии реактивов.

Проведение измерения

Фильтр с пробой помещают в стакан, заливают 10 мл дистиллированной воды. Через 3 - 4 мин фильтр отжимают стеклянной палочкой и удаляют. 2 мл полученного раствора переносят в фарфоровую чашку. Далее пробы обрабатывают аналогично градуировочным растворам.

Оптическую плотность полученного анализируемого раствора пробы измеряют аналогично градуировочным растворам по сравнению с контролем, который готовят одновременно и аналогично пробе.

Количественное определение содержания вещества (мкг) в анализируемой пробе проводят по предварительно построенному градуировочному графику.

Расчет концентрации

Концентрацию вещества (С) в воздухе (мг/м3) вычисляют по формуле:

а - содержание нитрата натрия в анализируемом объеме пробы, определенное по калибровочному графику, мкг;

в - общий объем раствора пробы, мл;

б - объем раствора пробы, взятой для анализа, мл;

V - объем воздуха, взятого для анализа и приведенного к стандартным условиям, л (см. приложение 1).

Методические указания разработаны Донецким мединститутом.

Приложение 1

Приведение объема воздуха к стандартным условиям (температура 20 °С и давление 760 мм рт. ст.)

проводят по формуле

Vt - объем воздуха, отобранный для анализа, л;

Р - барометрическое давление, кПа (101,33 кПа = 760 мм рт. ст.);

t - температура воздуха в месте отбора пробы, °С.

Для удобства расчета V20 следует пользоваться таблицей коэффициентов (приложение 2). Для приведения воздуха к стандартным условиям надо умножить Vt на соответствующий коэффициент.

Приложение 2

Коэффициенты для приведения объема воздуха к стандартным условиям

Давление Р, кПа/мм рт. ст.

°С

97,33/730

97,86/734

98,4/738

98,93/742

99,46/746

100/750

100,53/754

101,06/758

101,33/760

101,86/764

-30

1,1582

1,1646

1,1709

1,1772

1,1836

1,1899

1,1963

1,2026

1,2058

1,2122

-26

1,1393

1,1456

1,1519

1,1581

1,1644

1,1705

1,1768

1,1831

1,1862

1,1925

-22

1,1212

1,1274

1,1336

1,1396

1,1458

1,1519

1,1581

1,1643

1,1673

1,1735

-18

1,1036

1,1097

1,1158

1,1218

1,1278

1,1338

1,1399

1,1460

1,1490

1,1551

-14

1,0866

1,0926

1,0986

1,1045

1,1105

1,1164

1,1224

1,1284

1,1313

1,1373

-10

1,0701

1,0760

1,0819

1,0877

1,0986

1,0994

1,1053

1,1112

1,1141

1,1200

-6

1,0540

1,0599

1,0657

1,0714

1,0772

1,0829

1,0887

1,0945

1,0974

1,1032

-2

1,0385

1,0442

1,0499

1,0556

1,0613

1,0669

1,0726

1,0784

1,0812

1,0869

0

1,0309

1,0366

1,0423

1,0477

1,0535

1,0591

1,0648

1,0705

1,0733

1,0789

+2

1,0234

1,0291

1,0347

1,0402

1,0459

1,0514

1,0571

1,0627

1,0655

1,0712

+6

1,0087

1,0143

0,0198

1,0253

1,0309

1,0363

1,0419

1,0475

1,0502

1,0557

+10

0,9944

0,9999

0,0054

1,0108

1,0162

1,0216

1,0272

1,0326

1,0353

1,0407

+14

0,9806

0,9860

0,9914

0,9967

1,0027

1,0074

1,0128

1,0183

1,0209

1,0263

+18

0,9671

0,9725

0,9778

0,9830

0,9884

0,9936

1,9989

1,0043

1,0069

1,0122

+20

0,9605

0,9658

0,9711

0,9783

0,9816

0,9868

0,9921

0,9974

1,0000

1,0053

+22

0,9539

0,9592

0,9645

0,9696

0,9749

0,9800

0,9853

0,9906

0,9932

1,9985

+24

0,9475

0,9527

0,9579

0,9631

0,9683

0,9735

0,9787

0,9839

0,9865

1,9917

+26

0,9412

0,9464

0,9516

0,9566

0,9618

0,9669

0,9721

0,9773

0,9799

1,9851

+28

0,9349

0,9401

0,9453

0,9503

0,9555

0,9605

0,9657

0,9708

0,9734

1,9785

+30

0,9288

0,9339

0,9391

0,9440

0,9432

0,9542

0,9594

0,9645

0,9670

0,9723

+34

0,9167

0,9218

0,9268

0,9318

0,9368

0,9418

0,9468

0,9519

0,9544

0,9595

+38

0,9049

0,9099

0,9149

0,9199

0,9248

0,9297

0,9347

0,9397

0,9421

0,9471

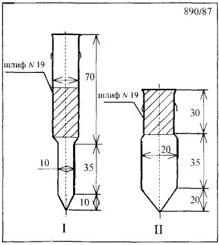
Приложение 3

Рис. 1

Ловушка-концентратор.

Общий вид.

Рис. 2

Ловушка-концентратор.

Приложение 4

Вещества, определяемые по ранее утвержденным методическим указаниям

Название вещества

Методические указания

1. Аммоний винно-кислый кислый

Методические указания на фотометрическое определение аммиака: Сб. МУ в. 1 - 5. - М., 1981. - 58 с.

К = 9,82

Аммоний винно-кислый

Методические указания на фотометрическое определение аммиака: Сб. МУ в. 1 - 5. - М., 1981 - 58 с.

К = 5,41

2. Калий винно-кислый

Калий виннокислый кислый

Методические указания по измерению концентраций сульфата калия, калийной магнезии и хлорида калия в воздухе рабочей зоны: Сб. МУ, в. 22. - М., 1988 - 182 с.

К = 2,9 и 4,82

3. Калий сурьмоксид винно-кислый

Методические указания по полярографическому измерению концентраций сурьмы в воздухе рабочей зоны: Сб. МУ, в. 8. - М., 1983. - 90 с.

К = 2,66

4. Натрий винно-кислый кислый

Методические указания по измерению концентраций натрия сульфата в воздухе рабочей зоны методом атомно-абсорбционной спектрофотометрии: Сб. МУ, в. 21. - М., 1986 - 135с.

К = 7,48

Натрий винно-кислый

Методические указания по измерению концентраций натрия сульфата в воздухе рабочей зоны методом атомно-абсорбционной спектрофотометрии: Сб. МУ, в. 21. - М., 1986 - 135 с.

К = 4,22

Калий-натрий винно-кислый

Методические указания по измерению концентраций натрия сульфата в воздухе рабочей зоны методом атомно-абсорбционной спектрофотометрии: Сб. МУ, в. 21. - М., 1986. - 135 с.

К = 3,39

5. Полиметилмочевина

Методические указания по гравиметрическому определению пыли в воздухе рабочей зоны и в системах вентиляционных установок: Сб. МУ, в. 1 - 5. - М., 1981. - 235 с.

6. Трифторметансульфофторид (фторангидрид трифторметан сульфокислоты)

Методические указания на фотометрическое определение фторорганических соединений: Сб. МУ, в. 1 - 5. - М. 1981. - 187 с.

К = 2

7. Хлоргидрат изонипекотиновой кислоты

Методические указания на фотометрическое определение диэтиламина в воздухе: Сб. МУ, в. 1 - 5. - М., 1981. - 123 с. Отбор проб на фильтр со скоростью 2 л/мин.

 




Яндекс цитирования



   Copyright © 2007-2026,  www.tehlit.ru.

[ ѓосты, стандарты, нормативы, инструкции, правила, строительные нормы ]