//
ТехЛит.ру
- крупнейшая бесплатная электронная интернет библиотека для "технически умных" людей.
WWW.TEHLIT.RU - ТЕХНИЧЕСКАЯ ЛИТЕРАТУРА

:: Алготрейдинг::


АЛГОТРЕЙДИНГ
шаг за шагом
с нуля по урокам!

Торговые роботы на PYTHON, BackTrader,
Pandas, Pine Script для TradingView. Связка с брокерами, телеграм и легкими приложениями.


Государственное санитарно-эпидемиологическое
нормирование Российской Федерации

УТВЕРЖДЕНО

                                                                         Председатель Госкомсанэпиднадзора России

                                                                    Главный государственный санитарный врач

                                                             Российской Федерации

Е.Н. Беляев

                                                                    8 июня 1996 г.

                                                                    МУК 4.1.0.447-96

                                                                    Дата введения: с момента утверждения

4.1. МЕТОДЫ КОНТРОЛЯ. ХИМИЧЕСКИЕ ФАКТОРЫ

Измерение концентраций 3-нитробензойной кислоты методом высокоэффективной жидкостной хроматографии в воздухе рабочей зоны

                                                                                        М. м. 167

3-Нитробензойная кислота - белое кристаллическое вещество с Тпл. - 139 °С, растворима в ацетоне, метаноле, этаноле, эфире, плохо растворяется в бензоле, лигроине. Растворимость в воде - 0,31 г на 100 г воды. Плотность - 1,5 г/см3.

Вещество обладает слабой кумулятивной активностью.

В воздухе находится в виде аэрозоля.

ПДК в воздухе 2 мг/м3.

Характеристика метода

Метод основан на использовании высокоэффективной жидкостной хроматографии с применением УФ-детектора.

Отбор проб с концентрированием на фильтр.

Нижний предел измерения в анализируемом объеме пробы (10 мкл) - 0,02 мкг.

Нижний предел измерения в воздухе - 1 мг/м3 (при отборе 10 л воздуха).

Диапазон измеряемых концентраций в воздухе - от 1 до 10 мг/м3.

Измерению не мешают: нитробензол, динитробензол, тринитробензол и бензойная кислота.

Суммарная погрешность измерения не превышает ± 16,6 %.

Время выполнения измерений, включая отбор проб, - 40 мин.

Приборы, аппаратура, посуда

Микроколоночный жидкостной

хроматограф с УФ-детектором

Колонка из нержавеющей стали,

длиной 28 см, диаметром 4,6 мм

Аспиратор электрический, модель 822                                               ТУ 61-1-862-82

Фильтродержатели                                                                                ТУ 95-72.05-77

Фильтры АФА-ВП-20                                                                           ТУ 95-743-80

Колбы мерные, вместимостью 50 и 1000 мл                                      ГОСТ 1770-74

Пипетки, вместимостью 2, 5 и 10 мл                                                  ГОСТ 20292-74

Микрошприц, вместимостью 10 мкл

Стаканы химические                                                                             ГОСТ 25336-72

Бюксы, вместимостью 10 и 20 мл                                                        ГОСТ 1770-74

Реактивы, растворы, материалы

3-Нитробензойная кислота, ч.                                                              ТУ 6-09-19-73

Этиловый спирт, х. ч.                                                                            ГОСТ 5963-67

Ацетонитрил                                                                                          ТУ 6-09-14-2167-84

Уксусная кислота, х. ч.                                                                          ГОСТ 61-75

Состав элюента:          30 % этанола,

                                  20 % ацетонитрила,

                                  50 % воды,

                                  0,05 моль/л уксусной кислоты

Насадка для хроматографической колонки

С18, фирмы Лахема, зернением 8 мк

Стандартный раствор 3-нитробензойной кислоты с концентрацией 1 мг/мл готовят растворением 100 мг вещества в мерной колбе, вместимостью 100 мл в этаноле. Время хранения раствора - 5 дней.

Градуировочные растворы с концентрацией 2, 5, 8, 0, 10, 15 и 20 мкг/мл готовят соответствующим разбавлением стандартного раствора этиловым спиртом. Градуировочные растворы 3-нитробензойной кислоты устойчивы при хранении в холодильнике в течение 5 дней.

Инжектируют в хроматограф по 10 мкл каждого градуировочного раствора.

Отбор пробы воздуха

Воздух с объемным расходом 1 л/мин аспирируют через фильтр, закрепленный в фильтродержателе. Для определения 1/2 ПДК необходимо отобрать 10 л воздуха. Отобранные пробы сохраняются 5 дней в бюксах.

Подготовка к измерению

Условия хроматографирования градуировочных смесей и анализируемых проб:

температура колонки                                                                       комнатная;

скорость элюента                                                                              1 мл/мин;

длина волны УФ-детектора                                                             254 нм;

максимальный объем вводимой пробы                                          10 мкл;

режим изократический

скорость движения диаграммной ленты                                        0,25 см/мин;

время удерживания 3-нитробензойной кислоты                           9 мин.

Строят градуировочную кривую, выражающую зависимость высоты пика (мм) от концентрации 3-нитробензойной кислоты (мкг/мл).

Для каждой концентрации проводят не менее 5 параллельных измерений для каждого стандартного раствора в 6 точках.

Проведение измерения

Фильтр с отобранной пробой переносят в химический стакан и заливают 5 мл воды и оставляют на 5 мин, периодически помешивая стеклянной палочкой для лучшего растворения. Степень десорбции с фильтра - 97 %. 10 мкл раствора вводят в хроматограф с помощью микрошприца. Записывают хроматограмму, измеряют высоту пика и по градуировочному графику находят концентрацию определяемого вещества.

Расчет концентрации

Концентрацию вещества (С) в воздухе (мг/м3) вычисляют по формуле:

а - концентрация 3-нитробензойной кислоты, найденная по графику, мкг/мл;

в - общий объем раствора пробы, мл;

V - объем воздуха, отобранного для анализа и приведенного к стандартным условиям, л (см. приложение 1).

Методические указания разработаны «НИИОПик», г. Москва.

Приложение 1

Приведение объема воздуха к стандартным условиям (температура 20 °С и давление 760 мм рт. ст.)

проводят по формуле

Vt - объем воздуха, отобранный для анализа, л;

Р - барометрическое давление, кПа (101,33 кПа = 760 мм рт. ст.);

t - температура воздуха в месте отбора пробы, °С.

Для удобства расчета V20 следует пользоваться таблицей коэффициентов (приложение 2). Для приведения воздуха к стандартным условиям надо умножить Vt на соответствующий коэффициент.

Приложение 2

Коэффициенты для приведения объема воздуха к стандартным условиям

Давление Р, кПа/мм рт. ст.

°С

97,33/730

97,86/734

98,4/738

98,93/742

99,46/746

100/750

100,53/754

101,06/758

101,33/760

101,86/764

-30

1,1582

1,1646

1,1709

1,1772

1,1836

1,1899

1,1963

1,2026

1,2058

1,2122

-26

1,1393

1,1456

1,1519

1,1581

1,1644

1,1705

1,1768

1,1831

1,1862

1,1925

-22

1,1212

1,1274

1,1336

1,1396

1,1458

1,1519

1,1581

1,1643

1,1673

1,1735

-18

1,1036

1,1097

1,1158

1,1218

1,1278

1,1338

1,1399

1,1460

1,1490

1,1551

-14

1,0866

1,0926

1,0986

1,1045

1,1105

1,1164

1,1224

1,1284

1,1313

1,1373

-10

1,0701

1,0760

1,0819

1,0877

1,0986

1,0994

1,1053

1,1112

1,1141

1,1200

-6

1,0540

1,0599

1,0657

1,0714

1,0772

1,0829

1,0887

1,0945

1,0974

1,1032

-2

1,0385

1,0442

1,0499

1,0556

1,0613

1,0669

1,0726

1,0784

1,0812

1,0869

0

1,0309

1,0366

1,0423

1,0477

1,0535

1,0591

1,0648

1,0705

1,0733

1,0789

+2

1,0234

1,0291

1,0347

1,0402

1,0459

1,0514

1,0571

1,0627

1,0655

1,0712

+6

1,0087

1,0143

0,0198

1,0253

1,0309

1,0363

1,0419

1,0475

1,0502

1,0557

+10

0,9944

0,9999

0,0054

1,0108

1,0162

1,0216

1,0272

1,0326

1,0353

1,0407

+14

0,9806

0,9860

0,9914

0,9967

1,0027

1,0074

1,0128

1,0183

1,0209

1,0263

+18

0,9671

0,9725

0,9778

0,9830

0,9884

0,9936

1,9989

1,0043

1,0069

1,0122

+20

0,9605

0,9658

0,9711

0,9783

0,9816

0,9868

0,9921

0,9974

1,0000

1,0053

+22

0,9539

0,9592

0,9645

0,9696

0,9749

0,9800

0,9853

0,9906

0,9932

1,9985

+24

0,9475

0,9527

0,9579

0,9631

0,9683

0,9735

0,9787

0,9839

0,9865

1,9917

+26

0,9412

0,9464

0,9516

0,9566

0,9618

0,9669

0,9721

0,9773

0,9799

1,9851

+28

0,9349

0,9401

0,9453

0,9503

0,9555

0,9605

0,9657

0,9708

0,9734

1,9785

+30

0,9288

0,9339

0,9391

0,9440

0,9432

0,9542

0,9594

0,9645

0,9670

0,9723

+34

0,9167

0,9218

0,9268

0,9318

0,9368

0,9418

0,9468

0,9519

0,9544

0,9595

+38

0,9049

0,9099

0,9149

0,9199

0,9248

0,9297

0,9347

0,9397

0,9421

0,9471

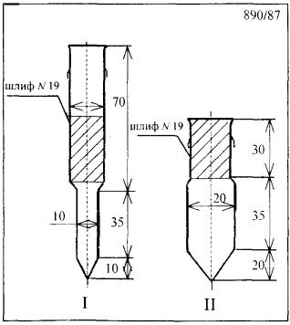
Приложение 3

Рис. 1

Ловушка-концентратор.

Общий вид.

Рис. 2

Ловушка-концентратор.

Приложение 4

Вещества, определяемые по ранее утвержденным методическим указаниям

Название вещества

Методические указания

1. Аммоний винно-кислый кислый

Методические указания на фотометрическое определение аммиака: Сб. МУ в. 1 - 5. - М., 1981. - 58 с.

К = 9,82

Аммоний винно-кислый

Методические указания на фотометрическое определение аммиака: Сб. МУ в. 1 - 5. - М., 1981 - 58 с.

К = 5,41

2. Калий винно-кислый

Калий виннокислый кислый

Методические указания по измерению концентраций сульфата калия, калийной магнезии и хлорида калия в воздухе рабочей зоны: Сб. МУ, в. 22. - М., 1988 - 182 с.

К = 2,9 и 4,82

3. Калий сурьмоксид винно-кислый

Методические указания по полярографическому измерению концентраций сурьмы в воздухе рабочей зоны: Сб. МУ, в. 8. - М., 1983. - 90 с.

К = 2,66

4. Натрий винно-кислый кислый

Методические указания по измерению концентраций натрия сульфата в воздухе рабочей зоны методом атомно-абсорбционной спектрофотометрии: Сб. МУ, в. 21. - М., 1986 - 135с.

К = 7,48

Натрий винно-кислый

Методические указания по измерению концентраций натрия сульфата в воздухе рабочей зоны методом атомно-абсорбционной спектрофотометрии: Сб. МУ, в. 21. - М., 1986 - 135 с.

К = 4,22

Калий-натрий винно-кислый

Методические указания по измерению концентраций натрия сульфата в воздухе рабочей зоны методом атомно-абсорбционной спектрофотометрии: Сб. МУ, в. 21. - М., 1986. - 135 с.

К = 3,39

5. Полиметилмочевина

Методические указания по гравиметрическому определению пыли в воздухе рабочей зоны и в системах вентиляционных установок: Сб. МУ, в. 1 - 5. - М., 1981. - 235 с.

6. Трифторметансульфофторид (фторангидрид трифторметан сульфокислоты)

Методические указания на фотометрическое определение фторорганических соединений: Сб. МУ, в. 1 - 5. - М. 1981. - 187 с.

К = 2

7. Хлоргидрат изонипекотиновой кислоты

Методические указания на фотометрическое определение диэтиламина в воздухе: Сб. МУ, в. 1 - 5. - М., 1981. - 123 с. Отбор проб на фильтр со скоростью 2 л/мин.

 




Яндекс цитирования



   Copyright © 2007-2026,  www.tehlit.ru.

[ ѓосты, стандарты, нормативы, инструкции, правила, строительные нормы ]