//
ТехЛит.ру
- крупнейшая бесплатная электронная интернет библиотека для "технически умных" людей.
WWW.TEHLIT.RU - ТЕХНИЧЕСКАЯ ЛИТЕРАТУРА

:: Алготрейдинг::


АЛГОТРЕЙДИНГ
шаг за шагом
с нуля по урокам!

Торговые роботы на PYTHON, BackTrader,
Pandas, Pine Script для TradingView. Связка с брокерами, телеграм и легкими приложениями.


Государственное санитарно-эпидемиологическое
нормирование Российской Федерации

УТВЕРЖДЕНО

                                                                         Председатель Госкомсанэпиднадзора России

                                                                    Главный государственный санитарный врач

                                                             Российской Федерации

Е.Н. Беляев

                                                                    8 июня 1996 г.

                                                                    МУК 4.1.0.450-96

                                                                    Дата введения: с момента утверждения

4.1. МЕТОДЫ КОНТРОЛЯ. ХИМИЧЕСКИЕ ФАКТОРЫ

Фотометрическое измерение концентраций осмия в воздухе рабочей зоны

Os                                                                                                                           M. м. 190,2

Осмий - металл синевато-серого цвета.

В тонкораздробленном состоянии реагирует с концентрированными серной и азотной кислотой, царской водкой. Растворяется при сплавлении со щелочами, пероксидом натра.

В воздухе находится в виде аэрозоля.

ОБУВ в воздухе - 5 мг/м3.

Характеристика метода

Метод основан на переводе осмия в растворимое состояние окислительно-щелочным плавлением с гидроксидом и пероксидом натра и последующем определении осмия по реакции восстановления азотной кислоты 1-нафтиламином при помощи реактива Грисса.

Отбор пробы производится с концентрированием на фильтр.

Нижний предел измерения содержания в фотометрируемом растворе составляет 0,08 мкг/мл (или содержание осмия в объеме анализируемого раствора - 2,5 мкг).

Нижний предел измерения концентрации осмия в воздухе (при отборе проб в объеме 8 л воздуха) - 2,5 мг/м3.

Диапазон измеряемых концентраций в воздухе - от 2,5 до 10 мг/м3.

Измерению осмия не мешают преобладающие количества железа, меди, никеля, кобальта, рения, молибдена, вольфрама, алюминия и щелочных металлов. Мешают определению окислители: бихромат калия, тетраоксид рутения, кериодаты.

Суммарная погрешность не превышает ± 25 %.

Время выполнения измерения, включая отбор проб, - 24 ч.

Приборы, аппаратура, посуда

Спектрофотометр СФ-26 или аналогичный

прибор

Аспирационное устройство

Фильтродержатель                                                                                ТУ 95.72.05-77

Печь муфельная с терморегулятором типа

ПМ-8 или аналогичная

Баня водяная

Весы аналитические

Весы технические

Плитка электрическая или аналогичная                                             ГОСТ 306-76

Термометр                                                                                              ГОСТ 215-73Е

Стаканы химические, вместимостью 50,

100 и 300 мл                                                                                           ГОСТ 25336-82

Колбы конические, вместимостью 250

и 500 мл                                                                                                  ГОСТ 25336-82Е

Воронки стеклянные конические,

диаметром 50 мл                                                                                    ГОСТ 25336-82Е

Пипетки, вместимостью 1, 2, 5 и 10 мл

с делениями                                                                                            ГОСТ 20292-74Е

Колбы мерные, вместимостью 25, 50, 100

и 250, 500 и 1000 мл                                                                              ГОСТ 1770-74Е

Бюксы стеклянные диаметром 25 мм

и высотой 35 мм                                                                                    ГОСТ 7148-70

Пробирки градуированные со шлифом,

вместимостью 25 мл                                                                             ГОСТ 10515-75

Тигли лабораторные алундовые № 3,

высокие и низкие                                                                                   ТУ 14-82190-75

Реактивы, растворы, материалы

Осмия (VIII) оксид, ч.                                                                            ТУ 6-09-05-118-74

Основной стандартный раствор осмия с концентрацией 1000 мкг/мл готовят растворением точной навески оксида осмия следующим образом: 0,668 г оксида осмия (VIII) помещают в стакан, вместимостью 100 мл, добавляют 50 мл 4 М раствора едкого натра и проводят растворение оксида осмия (VIII) при перемешивании стеклянной палочкой. Полученный раствор переносят в мерную колбу, вместимостью 500 мл, и доводят до метки 4 М раствором гидроксида натрия.

Стандартные растворы № 1 и № 2 с концентрацией 10 мкг/мл и 1 мкг/мл соответственно готовят разбавлением основного стандартного раствора 0,4 М раствором гидроксида натрия перед употреблением.

Натрия гидроксид, гранулированный, х. ч.

4 М и 0,4 М растворы                                                                            ГОСТ 4328-77

Натрия пероксид, ч. д. а.                                                                       ТУ МХП-6-09-

                                                                                                            2706-79

Кислота сульфаниловая, ч. д. а.                                                           ГОСТ 5821-78

1-нафтиламин, ч. д. а.                                                                           ГОСТ 8827-74

Калий марганцовокислый, х. ч. 0,3 М р-р                                           ГОСТ 4527-77

Кислота азотная, ос. ч., концентрированная

и 1 М р-р.                                                                                                ГОСТ 11125-78

Кислота азотная не должна содержать

окислов азота

Азотную кислоту, не содержащую окислов азота, готовят следующим образом: стакан, вместимостью 300 мл со 100 мл концентрированной азотной кислоты, помещают на водяную баню, нагревают содержимое до 60 °С и вытесняют окислы азота из кислоты при этой температуре пропусканием через нее в течение 1 ч воздуха, предварительно очищенного путем пропускания через 0,3 М раствор марганцовокислого калия.

Реактив Грисса готовят следующим образом:

а) в мерной колбе, вместимостью 1 л растворяют 6 г сульфаниловой кислоты в 200 мл дистиллированной воды, подкисленной 10 мл концентрированной азотной кислоты;

б) в плоскодонной колбе, вместимостью 500 мл, растворяют при нагревании на кипящей водяной бане 4 г 1-нафтиламина в 400 мл дистиллированной воды. Растворение ведут до образования на дне колбы малиновой капли. Раствор декантируют в колбу с раствором сульфаниловой кислоты (следует не допускать попадания в колбу малиновой капли), доводят водой до метки и тщательно перемешивают.

Индикаторная бумага

Фильтры АФА-ВП-20                                                                           ТУ 95-7186-76

Отбор пробы воздуха

Воздух с объемным расходом 2 л/мин аспирируют через фильтр АФА-ВП-20, помещенный в фильтродержатель. Для измерения 1/2 ОБУВ достаточно отобрать 8 л воздуха. Фильтр сразу же после отбора помещают в бюкс или пробирку с притертой пробкой, предварительно смочив фильтр 0,3 мл 0,04 М раствора гидроксида натрия.

Подготовка к измерению

Градуировочные растворы готовят в градуировочных пробирках со шлифом вместимостью 25 мл согласно таблице.

Таблица

Шкала градуировочных растворов

№ стандарта

Стандартный р-р № 2, мл

Гидроксид натрия 0,04 М р-р, мл

Содержание осмия в градуировочном р-ре, мкг

1

0

3,0

0

2

0,25

2,75

0,25

3

0,5

2,5

0,5

4

1,0

2,0

1,0

5

2,0

1,0

2,0

6

ст. р-р № 1 0,4

2,6

4,0

7

0,6

2,4

6,0

8

0,8

2,2

8,0

9

1,0

2,0

10,0

Содержание пробирок нейтрализуют 1 М раствором азотной кислоты до рН = 2. Далее в пробирки вносят по 12,5 мл реактива Грисса и доводят до отметки дистиллированной водой. Градуировочные растворы помещают в кипящую водяную баню на 20 мин. После охлаждения Градуировочные растворы фотометрируют при длине волны 505 нм относительно стандарта № 1.

По полученным данным строят градуировочный график: на ось ординат наносят значения относительных плотностей растворов, на ось абсцисс - соответствующие им величины концентрации осмия в градуировочных растворах (мкг).

При приготовлении новой порции реактива Грисса Градуировочные графики строят заново. Максимум поглощения окрашенных растворов может смещаться в диапазоне длин волн 505 - 520 нм в зависимости от качества 1-нафтиламина в реактиве Грисса.

Проведение измерения

Пробирку с фильтром помещают в кипящую водяную баню для досушивания фильтра. Высушенный фильтр помещают в алундовый тигель, на дно которого предварительно кладут 2 - 3 гранулы гидроксида натрия. Сверху фильтр покрывают пероксидом натрия. Фильтр должен быть укрыт пероксидом натра полностью.

Тигель помещают в муфельную печь, медленно повышая температуру в печи в течение 3 ч до 500 °С и сплавляют при этой температуре в течение 1 ч до получения прозрачного однородного плава. Тигель вынимают из печи и охлаждают при комнатной температуре.

После сплавления проводят выщелачивание проб горячей дистиллированной водой (3 - 4 раза по 3 мл воды). Воду сливают до метки водой. В случае образования мути из взвешенных частиц оксида алюминия вследствие корродирования алундовых тиглей, растворы выдерживают 5 - 6 ч до полного осаждения твердых частиц.

Далее в пробирку с притертой пробкой, вместимостью 25 мл, вносят 3 мл выщелоченного раствора, который нейтрализуют 1 М раствором азотной кислоты до рН = 2 (по индикаторной бумаге).

Затем в пробирку вносят 12,5 мл реактива Грисса, доводят до отметки 25 мл дистиллированной водой.

Помещают пробу на кипящую водяную баню на 20 мин. После охлаждения растворы фотометрируют на спектрофотометре при длине волны 505 нм относительно холостой пробы, которую проводят через все стадии анализа одновременно с измеряемой пробой.

Расчет концентрации

Концентрацию осмия (С) в воздухе (мг/м3) находят по формуле:

а - количество осмия, найденное по градуировочному графику, мкг;

б - объем пробы, взятой для анализа, мл;

в - общий объем пробы, мл;

V - объем отобранного воздуха, приведенного к нормальным условиям, л (см. приложение 1).

Методические указания разработаны Московской медицинской академией им. И.М. Сеченова.

Приложение 1

Приведение объема воздуха к стандартным условиям (температура 20 °С и давление 760 мм рт. ст.)

проводят по формуле

Vt - объем воздуха, отобранный для анализа, л;

Р - барометрическое давление, кПа (101,33 кПа = 760 мм рт. ст.);

t - температура воздуха в месте отбора пробы, °С.

Для удобства расчета V20 следует пользоваться таблицей коэффициентов (приложение 2). Для приведения воздуха к стандартным условиям надо умножить Vt на соответствующий коэффициент.

Приложение 2

Коэффициенты для приведения объема воздуха к стандартным условиям

Давление Р, кПа/мм рт. ст.

°С

97,33/730

97,86/734

98,4/738

98,93/742

99,46/746

100/750

100,53/754

101,06/758

101,33/760

101,86/764

-30

1,1582

1,1646

1,1709

1,1772

1,1836

1,1899

1,1963

1,2026

1,2058

1,2122

-26

1,1393

1,1456

1,1519

1,1581

1,1644

1,1705

1,1768

1,1831

1,1862

1,1925

-22

1,1212

1,1274

1,1336

1,1396

1,1458

1,1519

1,1581

1,1643

1,1673

1,1735

-18

1,1036

1,1097

1,1158

1,1218

1,1278

1,1338

1,1399

1,1460

1,1490

1,1551

-14

1,0866

1,0926

1,0986

1,1045

1,1105

1,1164

1,1224

1,1284

1,1313

1,1373

-10

1,0701

1,0760

1,0819

1,0877

1,0986

1,0994

1,1053

1,1112

1,1141

1,1200

-6

1,0540

1,0599

1,0657

1,0714

1,0772

1,0829

1,0887

1,0945

1,0974

1,1032

-2

1,0385

1,0442

1,0499

1,0556

1,0613

1,0669

1,0726

1,0784

1,0812

1,0869

0

1,0309

1,0366

1,0423

1,0477

1,0535

1,0591

1,0648

1,0705

1,0733

1,0789

+2

1,0234

1,0291

1,0347

1,0402

1,0459

1,0514

1,0571

1,0627

1,0655

1,0712

+6

1,0087

1,0143

0,0198

1,0253

1,0309

1,0363

1,0419

1,0475

1,0502

1,0557

+10

0,9944

0,9999

0,0054

1,0108

1,0162

1,0216

1,0272

1,0326

1,0353

1,0407

+14

0,9806

0,9860

0,9914

0,9967

1,0027

1,0074

1,0128

1,0183

1,0209

1,0263

+18

0,9671

0,9725

0,9778

0,9830

0,9884

0,9936

1,9989

1,0043

1,0069

1,0122

+20

0,9605

0,9658

0,9711

0,9783

0,9816

0,9868

0,9921

0,9974

1,0000

1,0053

+22

0,9539

0,9592

0,9645

0,9696

0,9749

0,9800

0,9853

0,9906

0,9932

1,9985

+24

0,9475

0,9527

0,9579

0,9631

0,9683

0,9735

0,9787

0,9839

0,9865

1,9917

+26

0,9412

0,9464

0,9516

0,9566

0,9618

0,9669

0,9721

0,9773

0,9799

1,9851

+28

0,9349

0,9401

0,9453

0,9503

0,9555

0,9605

0,9657

0,9708

0,9734

1,9785

+30

0,9288

0,9339

0,9391

0,9440

0,9432

0,9542

0,9594

0,9645

0,9670

0,9723

+34

0,9167

0,9218

0,9268

0,9318

0,9368

0,9418

0,9468

0,9519

0,9544

0,9595

+38

0,9049

0,9099

0,9149

0,9199

0,9248

0,9297

0,9347

0,9397

0,9421

0,9471

Приложение 3

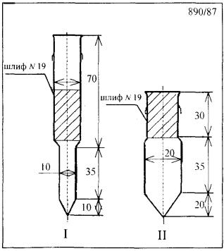
Рис. 1

Ловушка-концентратор.

Общий вид.

Рис. 2

Ловушка-концентратор.

Приложение 4

Вещества, определяемые по ранее утвержденным методическим указаниям

Название вещества

Методические указания

1. Аммоний винно-кислый кислый

Методические указания на фотометрическое определение аммиака: Сб. МУ в. 1 - 5. - М., 1981. - 58 с.

К = 9,82

Аммоний винно-кислый

Методические указания на фотометрическое определение аммиака: Сб. МУ в. 1 - 5. - М., 1981 - 58 с.

К = 5,41

2. Калий винно-кислый

Калий виннокислый кислый

Методические указания по измерению концентраций сульфата калия, калийной магнезии и хлорида калия в воздухе рабочей зоны: Сб. МУ, в. 22. - М., 1988 - 182 с.

К = 2,9 и 4,82

3. Калий сурьмоксид винно-кислый

Методические указания по полярографическому измерению концентраций сурьмы в воздухе рабочей зоны: Сб. МУ, в. 8. - М., 1983. - 90 с.

К = 2,66

4. Натрий винно-кислый кислый

Методические указания по измерению концентраций натрия сульфата в воздухе рабочей зоны методом атомно-абсорбционной спектрофотометрии: Сб. МУ, в. 21. - М., 1986 - 135с.

К = 7,48

Натрий винно-кислый

Методические указания по измерению концентраций натрия сульфата в воздухе рабочей зоны методом атомно-абсорбционной спектрофотометрии: Сб. МУ, в. 21. - М., 1986 - 135 с.

К = 4,22

Калий-натрий винно-кислый

Методические указания по измерению концентраций натрия сульфата в воздухе рабочей зоны методом атомно-абсорбционной спектрофотометрии: Сб. МУ, в. 21. - М., 1986. - 135 с.

К = 3,39

5. Полиметилмочевина

Методические указания по гравиметрическому определению пыли в воздухе рабочей зоны и в системах вентиляционных установок: Сб. МУ, в. 1 - 5. - М., 1981. - 235 с.

6. Трифторметансульфофторид (фторангидрид трифторметан сульфокислоты)

Методические указания на фотометрическое определение фторорганических соединений: Сб. МУ, в. 1 - 5. - М. 1981. - 187 с.

К = 2

7. Хлоргидрат изонипекотиновой кислоты

Методические указания на фотометрическое определение диэтиламина в воздухе: Сб. МУ, в. 1 - 5. - М., 1981. - 123 с. Отбор проб на фильтр со скоростью 2 л/мин.

 




Яндекс цитирования



   Copyright © 2007-2026,  www.tehlit.ru.

[ ѓосты, стандарты, нормативы, инструкции, правила, строительные нормы ]