//
ТехЛит.ру
- крупнейшая бесплатная электронная интернет библиотека для "технически умных" людей.
WWW.TEHLIT.RU - ТЕХНИЧЕСКАЯ ЛИТЕРАТУРА

:: Алготрейдинг::


АЛГОТРЕЙДИНГ
шаг за шагом
с нуля по урокам!

Торговые роботы на PYTHON, BackTrader,
Pandas, Pine Script для TradingView. Связка с брокерами, телеграм и легкими приложениями.


Государственное санитарно-эпидемиологическое
нормирование Российской Федерации

УТВЕРЖДЕНО

                                                                         Председатель Госкомсанэпиднадзора России

                                                                    Главный государственный санитарный врач

                                                             Российской Федерации

Е.Н. Беляев

                                                                    8 июня 1996 г.

                                                                    МУК 4.1.0.453-96

                                                                    Дата введения: с момента утверждения

4.1. МЕТОДЫ КОНТРОЛЯ. ХИМИЧЕСКИЕ ФАКТОРЫ

Газохроматографическое измерение концентраций пихтового масла в воздухе рабочей зоны

Пихтовое масло является продуктом, получаемым при переработке хвои пихты методом гидродистилляции и представляет собой светло-желтую жидкость с характерным хвойным запахом. Плотность - 0,894 г/см3. Растворимо в большинстве органических растворителей, трудно в воде. Пихтовое масло состоит из смеси терпеновых соединений, физико-химические свойства которых приведены в таблице.

В воздухе находится в виде паров.

Обладает умеренными раздражающими свойствами.

ПДК - 10 мг/м3.

Характеристика метода

Метод основан на использовании газожидкостной хроматографии на приборе с пламенно-ионизационным детектором.

Отбор проб проводится с концентрированием в этиловый спирт. Нижний предел обнаружения 0,01 мкг вещества в анализируемом объеме пробы - 0,01 мкг.

Таблица

Физико-химические свойства терпеновых соединений

Название вещества

Формула

М. м.

Ткип.°C

Тплавл.°C

Плотность при 20 °С

Сантен

С9H14

122,2

140 - 142

-

0,8640

Трициклен

C10H16

136,2

153,3

68

d664

0,8440

a-пинен

C10H16

136,2

155,9

--

0,8578

Камфен

C10H16

136,2

160

49,5

0,8486

b-пинен

C10H16

136,2

162 - 166

-

0,8712

Мирцен

C10H16

136,2

171

 

0,7898

D3-карен

C10H16

136,2

170 - 171

-

0,8644

Лимонен

C10H16

136,2

177,6 - 177,8

-

0,8419

b-фелландрен

C10H16

136,2

170 - 172

-

0,8415

Терпинолен

C10H16

136,2

183 - 185

-

0,8632

Борнил-ацетат

C12H20O2

196,3

225 - 226

29

0,9782

Нижний предел измерения содержания вещества в воздухе - 5 мг/м3 (при вводе 5 л воздуха).

Диапазон измеряемых концентраций вещества в воздухе - от 5 до 50 мг/м3.

Измерению не мешают углеводороды C1 - C6, бензол, толуол, мешает определению п-ксилол.

Суммарная погрешность измерения не превышает ± 20 %.

Время выполнения измерений, включая отбор проб воздуха, - 50 мин.

Приборы, аппаратура, посуда

Хроматограф с пламенно-ионизационным

детектором

Хроматографическая колонка стеклянная,

длиной 2 м и диаметром 3 мм

Аспирационное устройство

Поглотительные приборы с пористой

пластинкой

Пипетки, вместимостью 1, 2, 5 мл                                                       ГОСТ 20292-74

Пробирки с пришлифованными пробками,

вместимостью 5 мл

Микрошприц МШ-10                                                                            ГОСТ 8043-75

Секундомер ГОСТ 5072-75

Реактивы, растворы, материалы

Пихтовое масло, ч.                                                                                 ОСТ 13.221-86

Этиловый спирт, ректификат                                                               ГОСТ 5963-67

Жидкая фаза - эластомер SE-30

Твердый носитель - хроматон

N-AW-HMDS, фракция 0,20 - 0,25 мм

Газообразные (в баллонах с редуктором)

азот                                                                                                          ГОСТ 9293-74

водород                                                                                                   ГОСТ 3022-80

воздух сжатый                                                                                        ГОСТ 11882-73

Стандартный раствор № 1 пихтового масла готовят в мерной колбе, вместимостью 50 мл. Взвешивают колбу с 5 - 10 мл этилового спирта, вносят 1 каплю (0,1 мл) пихтового масла, колбу закрывают пробкой и снова взвешивают. По разности взвешиваний определяют навеску. Растворы в колбе доводят до метки этиловым спиртом и рассчитывают содержание пихтового масла в 1 мл раствора. Раствор устойчив в течение 2 недель.

Стандартный раствор № 2 пихтового масла с концентрацией 0,1 мг/мл готовят соответствующим разбавлением стандартного раствора № 1 этиловым спиртом. Раствор устойчив при хранении в холодильнике в течение 10 дней.

Отбор пробы воздуха

Воздух с объемным расходом 0,5 л/мин аспирируют через поглотительный сосуд с пористой пластинкой, содержащей 5 мл этилового спирта при охлаждении смесью «вода-лед». Для измерения 1/2 ПДК следует отобрать 5 л воздуха. Срок хранения герметично закрытых проб в холодильнике-до 10 дней.

Подготовка к измерению

Стеклянную хроматографическую колонку промывают хромовой смесью, тщательно промывают водопроводной, затем дистиллированной водой, ацетоном и гексаном, сушат с помощью вакуума, заполняют готовой насадкой (около 3 г) - хроматон N-AW-HMDS с 5 % SE-30 и кондиционируют в термостате хроматографа при 250 °С в течение 8 ч в токе газа-носителя.

Градуировочные растворы с концентрацией пихтового масла от 0,005 до 0,05 мг/мл готовят соответствующим разбавлением этиловым спиртом стандартного раствора № 2. По 2 мкл каждого градуировочного раствора вводят в испаритель хроматографа через самоуплотняющуюся мембрану. На основании полученных хроматограмм строят градуировочный график, выражающий зависимость суммы площадей пиков (мм2) от количества пихтового масла (мкг). Построение градуировочного графика проводят не менее чем по 6 точкам, проводя по 5 параллельных определений для каждой концентрации. Условия анализа и калибровки должны быть идентичными.

Условия хроматографирования градуировочных смесей и анализируемых проб:

температурный режим                                                        изотермический в течение 7 мин при 70 °С.

                                                                                                   Программирование температуры от 70 до 120 °С со скоростью 30 °С/мин.

                                                                                                   Изотермический в течение 6 мин при 120 °С;

температура испарителя                                                     250 °С;

скорость потока газа-носителя (азота)                               30 мл/мин;

скорость потока водорода                                                   30 мл/мин;

скорость потока воздуха                                                      300 мл/мин;

скорость диаграммной ленты                                             360 мм/ч;

объем вводимой пробы                                                      2 мкл;

время удерживания:

сантена                                                                                 2 мин 40 с;

трициклена                                                                           3 мин 30 с;

a-пинена                                                                              3 мин 50 с;

камфена                                                                                 4 мин 15 с;

b-пинена                                                                              5 мин 5 с;

мирцена                                                                                5 мин 40 с;

D3-карена                                                                              6 мин 30 с;

лимонена                                                                              7 мин 15 с;

b-фелландрена                                                                     7 мин 15 с;

терпинолена                                                                         10 мин 35 с;

борнилацетата                                                                     15 мин 10 с.

Проведение измерения

После отбора пробы воздуха раствор из поглотительного прибора переносят в пробирку с пришлифованной пробкой. Для анализа берут 2 мкл раствора и вводят в хроматограф через самоуплотняющуюся мембрану испарителя. Затем записывают хроматограмму и вычисляют сумму площадей пиков веществ пихтового масла и по градуировочному графику находят количество определяемого компонента.

Расчет концентрации

Концентрацию пихтового масла (С) в воздухе (мг/м3) вычисляют по формуле:

а - количество пихтового масла, найденное в анализируемом объеме поглотительного раствора по градуировочному графику, мкг;

в - общий объем раствора, мл;

б - объем раствора, взятого для анализа, мл;

V - объем воздуха, отобранного для анализа и приведенного к стандартным условиям, л (см. приложение 1).

Методические указания разработаны Белорусским санитарно-гигиеническим институтом, НИИ медицины труда РАМН, г. Москва.

Приложение 1

Приведение объема воздуха к стандартным условиям (температура 20 °С и давление 760 мм рт. ст.)

проводят по формуле

Vt - объем воздуха, отобранный для анализа, л;

Р - барометрическое давление, кПа (101,33 кПа = 760 мм рт. ст.);

t - температура воздуха в месте отбора пробы, °С.

Для удобства расчета V20 следует пользоваться таблицей коэффициентов (приложение 2). Для приведения воздуха к стандартным условиям надо умножить Vt на соответствующий коэффициент.

Приложение 2

Коэффициенты для приведения объема воздуха к стандартным условиям

Давление Р, кПа/мм рт. ст.

°С

97,33/730

97,86/734

98,4/738

98,93/742

99,46/746

100/750

100,53/754

101,06/758

101,33/760

101,86/764

-30

1,1582

1,1646

1,1709

1,1772

1,1836

1,1899

1,1963

1,2026

1,2058

1,2122

-26

1,1393

1,1456

1,1519

1,1581

1,1644

1,1705

1,1768

1,1831

1,1862

1,1925

-22

1,1212

1,1274

1,1336

1,1396

1,1458

1,1519

1,1581

1,1643

1,1673

1,1735

-18

1,1036

1,1097

1,1158

1,1218

1,1278

1,1338

1,1399

1,1460

1,1490

1,1551

-14

1,0866

1,0926

1,0986

1,1045

1,1105

1,1164

1,1224

1,1284

1,1313

1,1373

-10

1,0701

1,0760

1,0819

1,0877

1,0986

1,0994

1,1053

1,1112

1,1141

1,1200

-6

1,0540

1,0599

1,0657

1,0714

1,0772

1,0829

1,0887

1,0945

1,0974

1,1032

-2

1,0385

1,0442

1,0499

1,0556

1,0613

1,0669

1,0726

1,0784

1,0812

1,0869

0

1,0309

1,0366

1,0423

1,0477

1,0535

1,0591

1,0648

1,0705

1,0733

1,0789

+2

1,0234

1,0291

1,0347

1,0402

1,0459

1,0514

1,0571

1,0627

1,0655

1,0712

+6

1,0087

1,0143

0,0198

1,0253

1,0309

1,0363

1,0419

1,0475

1,0502

1,0557

+10

0,9944

0,9999

0,0054

1,0108

1,0162

1,0216

1,0272

1,0326

1,0353

1,0407

+14

0,9806

0,9860

0,9914

0,9967

1,0027

1,0074

1,0128

1,0183

1,0209

1,0263

+18

0,9671

0,9725

0,9778

0,9830

0,9884

0,9936

1,9989

1,0043

1,0069

1,0122

+20

0,9605

0,9658

0,9711

0,9783

0,9816

0,9868

0,9921

0,9974

1,0000

1,0053

+22

0,9539

0,9592

0,9645

0,9696

0,9749

0,9800

0,9853

0,9906

0,9932

1,9985

+24

0,9475

0,9527

0,9579

0,9631

0,9683

0,9735

0,9787

0,9839

0,9865

1,9917

+26

0,9412

0,9464

0,9516

0,9566

0,9618

0,9669

0,9721

0,9773

0,9799

1,9851

+28

0,9349

0,9401

0,9453

0,9503

0,9555

0,9605

0,9657

0,9708

0,9734

1,9785

+30

0,9288

0,9339

0,9391

0,9440

0,9432

0,9542

0,9594

0,9645

0,9670

0,9723

+34

0,9167

0,9218

0,9268

0,9318

0,9368

0,9418

0,9468

0,9519

0,9544

0,9595

+38

0,9049

0,9099

0,9149

0,9199

0,9248

0,9297

0,9347

0,9397

0,9421

0,9471

Приложение 3

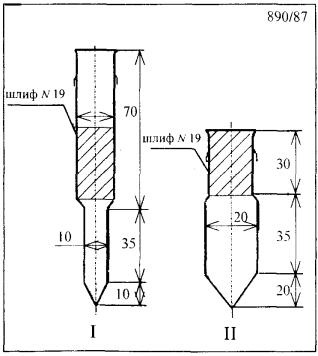
Рис. 1

Ловушка-концентратор.

Общий вид.

Рис. 2

Ловушка-концентратор.

Приложение 4

Вещества, определяемые по ранее утвержденным методическим указаниям

Название вещества

Методические указания

1. Аммоний винно-кислый кислый

Методические указания на фотометрическое определение аммиака: Сб. МУ в. 1 - 5. - М., 1981. - 58 с.

К = 9,82

Аммоний винно-кислый

Методические указания на фотометрическое определение аммиака: Сб. МУ в. 1 - 5. - М., 1981 - 58 с.

К = 5,41

2. Калий винно-кислый

Калий виннокислый кислый

Методические указания по измерению концентраций сульфата калия, калийной магнезии и хлорида калия в воздухе рабочей зоны: Сб. МУ, в. 22. - М., 1988 - 182 с.

К = 2,9 и 4,82

3. Калий сурьмоксид винно-кислый

Методические указания по полярографическому измерению концентраций сурьмы в воздухе рабочей зоны: Сб. МУ, в. 8. - М., 1983. - 90 с.

К = 2,66

4. Натрий винно-кислый кислый

Методические указания по измерению концентраций натрия сульфата в воздухе рабочей зоны методом атомно-абсорбционной спектрофотометрии: Сб. МУ, в. 21. - М., 1986 - 135с.

К = 7,48

Натрий винно-кислый

Методические указания по измерению концентраций натрия сульфата в воздухе рабочей зоны методом атомно-абсорбционной спектрофотометрии: Сб. МУ, в. 21. - М., 1986 - 135 с.

К = 4,22

Калий-натрий винно-кислый

Методические указания по измерению концентраций натрия сульфата в воздухе рабочей зоны методом атомно-абсорбционной спектрофотометрии: Сб. МУ, в. 21. - М., 1986. - 135 с.

К = 3,39

5. Полиметилмочевина

Методические указания по гравиметрическому определению пыли в воздухе рабочей зоны и в системах вентиляционных установок: Сб. МУ, в. 1 - 5. - М., 1981. - 235 с.

6. Трифторметансульфофторид (фторангидрид трифторметан сульфокислоты)

Методические указания на фотометрическое определение фторорганических соединений: Сб. МУ, в. 1 - 5. - М. 1981. - 187 с.

К = 2

7. Хлоргидрат изонипекотиновой кислоты

Методические указания на фотометрическое определение диэтиламина в воздухе: Сб. МУ, в. 1 - 5. - М., 1981. - 123 с. Отбор проб на фильтр со скоростью 2 л/мин.

 




Яндекс цитирования



   Copyright © 2007-2026,  www.tehlit.ru.

[ ѓосты, стандарты, нормативы, инструкции, правила, строительные нормы ]