//
ТехЛит.ру
- крупнейшая бесплатная электронная интернет библиотека для "технически умных" людей.
WWW.TEHLIT.RU - ТЕХНИЧЕСКАЯ ЛИТЕРАТУРА

:: Алготрейдинг::


АЛГОТРЕЙДИНГ
шаг за шагом
с нуля по урокам!

Торговые роботы на PYTHON, BackTrader,
Pandas, Pine Script для TradingView. Связка с брокерами, телеграм и легкими приложениями.


Государственное санитарно-эпидемиологическое
нормирование Российской Федерации

УТВЕРЖДЕНО

                                                                         Председатель Госкомсанэпиднадзора России

                                                                    Главный государственный санитарный врач

                                                             Российской Федерации

Е.Н. Беляев

                                                                    8 июня 1996 г.

                                                                    МУК 4.1.0.457-96

                                                                    Дата введения: с момента утверждения

4.1. МЕТОДЫ КОНТРОЛЯ. ХИМИЧЕСКИЕ ФАКТОРЫ

Газохроматографическое измерение концентраций тиофенола в воздухе рабочей зоны

С6Н5SН                                                                                                                М. м. 110,17

Тиофенол - бесцветная прозрачная жидкость с резким запахом. Ткип. - 168 - 169 °С (при 760 мм рт. ст.). Плотность жидкости при 25 °С - 1,077 г/см3. Плохо растворим в воде, растворим в спирте, толуоле, гексане и других органических растворителях.

В воздухе находится в виде паров.

Обладает раздражающим действием на слизистые оболочки.

ПДК в воздухе - 0,2 мг/м3.

Характеристика метода

Метод основан на использовании газожидкостной хроматографии с применением пламенно-ионизационного детектора.

Отбор проб производится с концентрированием на сорбционной трубке.

Нижний предел измерения тиофенола в хроматографируемом объеме - 0,1 мкг.

Нижний предел измерения тиофенола в воздухе - 0,1 мг/м3 (при отборе 1 л воздуха).

Диапазон измеряемых концентраций тиофенола в воздухе - от 0,1 до 2 мг/м3.

Суммарная погрешность измерения не превышает ± 20 %.

Время выполнения измерений, включая отбор пробы, не превышает 10 мин.

Приборы, аппаратура, посуда

Хроматограф с пламенно-ионизационным

детектором

Интегратор

Колонка стеклянная, длиной 1 м,

внутренним диаметром 2,5 мм

Трубка из нержавеющей стали, длиной

5 см, внутренним диаметром 5 мм

Аспирационное устройство

Весы аналитические типа ВЛА или ВЛР

Колбы мерные, вместимостью 25 и 50 мл                                          ГОСТ 1770-74

Пипетки, вместимостью 1, 5, 10 мл                                                    ГОСТ 20292-74

Микрошприц «Газохром 101»                                                              МИ 485-84

Реактивы, растворы, материалы

Тиофенол, содержание основного вещества - 98 %

Гексан.ч.                                                                                                 ТУ 6-09-3375-78

Хроматон N-AW, фракция 0,2 - 0,25 мм,

пропитанный 15 % SE-30 - насадка

хроматографической колонки («Хемапол», ЧСФР)

Тенакс ГХ, фракция 0,1 - 0,2 мм,

насадка сорбционной трубки

Газообразные (в баллонах с редуктором)

азот                                                                                                          ГОСТ 9293-74

водород                                                                                                   ГОСТ 3022-80

воздух                                                                                                      ГОСТ 11882-73

Стандартный раствор № 1 тиофенола готовят в мерной колбе, вместимостью 25 мл. Взвешивают колбу с 5 - 10 мл гексана, вносят 1 - 2 капли вещества, колбу закрывают пробкой и снова взвешивают. По разности взвешиваний определяют навеску вещества. Раствор в колбе доводят до метки гексаном и вычисляют содержание вещества в 1 мл раствора.

Отбор пробы воздуха

Воздух с объемным расходом 0,2 л/мин аспирируют через сорбционную трубку. По окончании аспирации трубку заглушками с обоих концов. Пробу можно хранить в течение 1 дня.

Для определения 1/2 ПДК достаточно отобрать 1 л воздуха.

Подготовка к измерению

Сорбционную трубку заполняют насадкой, помещают в испаритель хроматографа и кондиционируют в токе азота в течение 3 ч. Трубку закрывают заглушками в обоих концов.

Хроматографическую колонку заполняют с использованием вакуумного насоса готовой насадкой. Колонку кондиционируют в токе азота путем последовательного прогрева при температурах 100, 200, 300 °С в течение 5 ч при каждой температуре.

Количественный анализ вещества проводят методом абсолютной калибровки. Для этого готовят градуировочные растворы, с концентрациями 0,1; 0,2; 0,4; 1,0 и 2,0 мг/мл путем соответствующего разбавления стандартного раствора № 1 гексаном. Градуировочные растворы устойчивы в течение 3 дней.

Проводят анализ градуировочных растворов, для чего по 1 мкл каждого раствора вводят с помощыр микрошприца на насадку сорбционной трубки.

Условия хроматографирования градуировочных растворов и анализируемых проб:

температура термостата колонки                                                   20 °С;

температура испарителя                                                                  250 °С;

температура детектора                                                                     200 °С;

скорость потока газа-носителя                                                       30 мл/мин;

скорость потока водорода                                                                30 мл/мин;

скорость потока воздуха                                                                  300 мл/мин;

скорость движения диаграммной ленты                                        360 мм/ч.

Отвинчивают крышку испарителя и быстро вводят сорбционную трубку. Через 2 мин включают нагрев термостата колонок до 100 °С. Время выхода тиофенола составляют 4 мин. Определяют площадь пика анализируемого вещества с помощью интегратора. Проводят не менее 5 определений для каждого стандартного раствора, вычисляют средние значения и строят градуировочную кривую зависимости площади пика от количества компонента в пробе (мкг). Для определения степени десорбции компонента с сорбционной трубки проводят анализ стандартных растворов в тех же условиях путем внесения 1 мкл жидкой пробы непосредственно в испаритель. Степень десорбции составляет не менее 90 %.

Проведение измерения

Сорбционную трубку с отобранной пробой помещают в испаритель и проводят анализ в тех же условиях, что и анализ градуировочных смесей. Записывают хроматограмму, вычисляют площадь пика и по градуировочному графику находят количество анализируемого вещества в пробе (мкг).

Расчет концентрации

Концентрацию тиофенола (С) в воздухе (мг/м3) вычисляют по формуле:

а - количество тиофенола в пробе, найденное по градуировочному графику, мкг;

V - объем воздуха, отобранного для анализа и приведенного к стандартным условиям, л (см. приложение 1).

Методические указания разработаны НИИ медицины труда РАМН, г. Москва РГМУ им. Н.И. Пирогова, санитарно-гигиеническим институтом, г. Санкт-Петербург.

Приложение 1

Приведение объема воздуха к стандартным условиям (температура 20 °С и давление 760 мм рт. ст.)

проводят по формуле

Vt - объем воздуха, отобранный для анализа, л;

Р - барометрическое давление, кПа (101,33 кПа = 760 мм рт. ст.);

t - температура воздуха в месте отбора пробы, °С.

Для удобства расчета V20 следует пользоваться таблицей коэффициентов (приложение 2). Для приведения воздуха к стандартным условиям надо умножить Vt на соответствующий коэффициент.

Приложение 2

Коэффициенты для приведения объема воздуха к стандартным условиям

Давление Р, кПа/мм рт. ст.

°С

97,33/730

97,86/734

98,4/738

98,93/742

99,46/746

100/750

100,53/754

101,06/758

101,33/760

101,86/764

-30

1,1582

1,1646

1,1709

1,1772

1,1836

1,1899

1,1963

1,2026

1,2058

1,2122

-26

1,1393

1,1456

1,1519

1,1581

1,1644

1,1705

1,1768

1,1831

1,1862

1,1925

-22

1,1212

1,1274

1,1336

1,1396

1,1458

1,1519

1,1581

1,1643

1,1673

1,1735

-18

1,1036

1,1097

1,1158

1,1218

1,1278

1,1338

1,1399

1,1460

1,1490

1,1551

-14

1,0866

1,0926

1,0986

1,1045

1,1105

1,1164

1,1224

1,1284

1,1313

1,1373

-10

1,0701

1,0760

1,0819

1,0877

1,0986

1,0994

1,1053

1,1112

1,1141

1,1200

-6

1,0540

1,0599

1,0657

1,0714

1,0772

1,0829

1,0887

1,0945

1,0974

1,1032

-2

1,0385

1,0442

1,0499

1,0556

1,0613

1,0669

1,0726

1,0784

1,0812

1,0869

0

1,0309

1,0366

1,0423

1,0477

1,0535

1,0591

1,0648

1,0705

1,0733

1,0789

+2

1,0234

1,0291

1,0347

1,0402

1,0459

1,0514

1,0571

1,0627

1,0655

1,0712

+6

1,0087

1,0143

0,0198

1,0253

1,0309

1,0363

1,0419

1,0475

1,0502

1,0557

+10

0,9944

0,9999

0,0054

1,0108

1,0162

1,0216

1,0272

1,0326

1,0353

1,0407

+14

0,9806

0,9860

0,9914

0,9967

1,0027

1,0074

1,0128

1,0183

1,0209

1,0263

+18

0,9671

0,9725

0,9778

0,9830

0,9884

0,9936

1,9989

1,0043

1,0069

1,0122

+20

0,9605

0,9658

0,9711

0,9783

0,9816

0,9868

0,9921

0,9974

1,0000

1,0053

+22

0,9539

0,9592

0,9645

0,9696

0,9749

0,9800

0,9853

0,9906

0,9932

1,9985

+24

0,9475

0,9527

0,9579

0,9631

0,9683

0,9735

0,9787

0,9839

0,9865

1,9917

+26

0,9412

0,9464

0,9516

0,9566

0,9618

0,9669

0,9721

0,9773

0,9799

1,9851

+28

0,9349

0,9401

0,9453

0,9503

0,9555

0,9605

0,9657

0,9708

0,9734

1,9785

+30

0,9288

0,9339

0,9391

0,9440

0,9432

0,9542

0,9594

0,9645

0,9670

0,9723

+34

0,9167

0,9218

0,9268

0,9318

0,9368

0,9418

0,9468

0,9519

0,9544

0,9595

+38

0,9049

0,9099

0,9149

0,9199

0,9248

0,9297

0,9347

0,9397

0,9421

0,9471

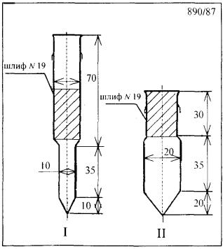
Приложение 3

Рис. 1

Ловушка-концентратор.

Общий вид.

Рис. 2

Ловушка-концентратор.

Приложение 4

Вещества, определяемые по ранее утвержденным методическим указаниям

Название вещества

Методические указания

1. Аммоний винно-кислый кислый

Методические указания на фотометрическое определение аммиака: Сб. МУ в. 1 - 5. - М., 1981. - 58 с.

К = 9,82

Аммоний винно-кислый

Методические указания на фотометрическое определение аммиака: Сб. МУ в. 1 - 5. - М., 1981 - 58 с.

К = 5,41

2. Калий винно-кислый

Калий виннокислый кислый

Методические указания по измерению концентраций сульфата калия, калийной магнезии и хлорида калия в воздухе рабочей зоны: Сб. МУ, в. 22. - М., 1988 - 182 с.

К = 2,9 и 4,82

3. Калий сурьмоксид винно-кислый

Методические указания по полярографическому измерению концентраций сурьмы в воздухе рабочей зоны: Сб. МУ, в. 8. - М., 1983. - 90 с.

К = 2,66

4. Натрий винно-кислый кислый

Методические указания по измерению концентраций натрия сульфата в воздухе рабочей зоны методом атомно-абсорбционной спектрофотометрии: Сб. МУ, в. 21. - М., 1986 - 135с.

К = 7,48

Натрий винно-кислый

Методические указания по измерению концентраций натрия сульфата в воздухе рабочей зоны методом атомно-абсорбционной спектрофотометрии: Сб. МУ, в. 21. - М., 1986 - 135 с.

К = 4,22

Калий-натрий винно-кислый

Методические указания по измерению концентраций натрия сульфата в воздухе рабочей зоны методом атомно-абсорбционной спектрофотометрии: Сб. МУ, в. 21. - М., 1986. - 135 с.

К = 3,39

5. Полиметилмочевина

Методические указания по гравиметрическому определению пыли в воздухе рабочей зоны и в системах вентиляционных установок: Сб. МУ, в. 1 - 5. - М., 1981. - 235 с.

6. Трифторметансульфофторид (фторангидрид трифторметан сульфокислоты)

Методические указания на фотометрическое определение фторорганических соединений: Сб. МУ, в. 1 - 5. - М. 1981. - 187 с.

К = 2

7. Хлоргидрат изонипекотиновой кислоты

Методические указания на фотометрическое определение диэтиламина в воздухе: Сб. МУ, в. 1 - 5. - М., 1981. - 123 с. Отбор проб на фильтр со скоростью 2 л/мин.

 




Яндекс цитирования



   Copyright © 2007-2026,  www.tehlit.ru.

[ ѓосты, стандарты, нормативы, инструкции, правила, строительные нормы ]