//
ТехЛит.ру
- крупнейшая бесплатная электронная интернет библиотека для "технически умных" людей.
WWW.TEHLIT.RU - ТЕХНИЧЕСКАЯ ЛИТЕРАТУРА

:: Алготрейдинг::


АЛГОТРЕЙДИНГ
шаг за шагом
с нуля по урокам!

Торговые роботы на PYTHON, BackTrader,
Pandas, Pine Script для TradingView. Связка с брокерами, телеграм и легкими приложениями.


Система нормативных документов в строительстве

СВОД ПРАВИЛ
ПО ПРОЕКТИРОВАНИЮ И СТРОИТЕЛЬСТВУ

ОЦЕНКА ВИБРАЦИИ ПРИ ПРОЕКТИРОВАНИИ,
СТРОИТЕЛЬСТВЕ И ЭКСПЛУАТАЦИИ
ОБЪЕКТОВ МЕТРОПОЛИТЕНА

СП 23-105-2004

ГОСУДАРСТВЕННЫЙ КОМИТЕТ РОССИЙСКОЙ ФЕДЕРАЦИИ
ПО СТРОИТЕЛЬСТВУ И ЖИЛИЩНО-КОММУНАЛЬНОМУ КОМПЛЕКСУ
(ГОССТРОЙ РОССИИ)

Москва

2004

ПРЕДИСЛОВИЕ

1 РАЗРАБОТАН Общероссийской общественной организацией «Тоннельная ассоциация России»

ВНЕСЕН Управлением технического нормирования, стандартизации и сертификации в строительстве и ЖКХ Госстроя России

2 ПРИНЯТ И ВВЕДЕН В ДЕЙСТВИЕ постановлением Госстроя России № 20 от 09.03.2004 г.

3 ВВЕДЕН ВПЕРВЫЕ

СОДЕРЖАНИЕ

Введение. 2

1 область применения. 4

2 нормативные ссылки. 5

3 расчет вибрации от движения поездов метрополитена. 5

3.1 общие положения. 5

3.2 расчет величин вибрации обделок тоннелей. 7

3.3 расчет величин вибрации лотковой части станций, тупиков и камер съезда. 8

3.4 расчет ожидаемых значений вибрации поверхности грунта вблизи перегонных тоннелей, станций, тупиков и камер съезда. 10

4 определение физико-механических свойств грунта при расчетах вибрации в помещениях жилых и общественных зданий от движения поездов метрополитена. 11

4.1 общие положения. 11

4.2 оценка упругих динамических, массовых и диссипативных параметров грунта. 11

4.3 получение исходной экспериментальной информации при определении параметров грунта. 13

4.4 ограничения методики определения динамических параметров грунта. 16

5 виброизоляция верхнего строения пути метрополитена. 17

5.1 общие положения. 17

5.2 расчет конструкции виброизоляции верхнего строения пути для метрополитена. 18

5.3 дополнительные мероприятия в верхнем строении пути по снижению возбуждаемой вибрации. 26

6 методы измерения и оценки вибрации в помещениях жилых и общественных зданий от движения поездов в метрополитенах. 26

6.1 общие положения. 27

6.2 средства измерений. 27

6.3 условия и правила проведения измерений. 27

6.4 обработка результатов измерений. 28

6.5 оценка вибрационного воздействия. 29

6.6 представление результатов. 30

Приложение а. Физико-механические свойства грунтов. 30

Приложение б. Расчет значений виброскорости на поверхности грунта вблизи перегонных тоннелей. 31

Приложение в. Эффективность некоторых виброзащитных устройств. 33

Приложение г. Конструкции тоннельных обделок, лотка и верхнего строения пути. 34

Приложение д. Аппаратура, рекомендуемая для выполнения измерений и выполнения частотного анализа. 36

Приложение е. Пример определения физико-механических параметров грунта. 36

Приложение ж. Сводка обобщенных характеристик виброзащитных устройств. 40

Приложение з. Пример подбора параметров виброизолирующей конструкции верхнего строения пути. 41

Приложение и. Определение постоянной с.. 43

Приложение к. Библиография. 48

ВВЕДЕНИЕ

Контроль окружающей среды в крупных современных городах является одной из социально важных задач. От состояния окружающей среды зависят здоровье жителей города, производительность труда, полноценность отдыха и обучения. К числу факторов, определяющих качество окружающей среды, относятся шум и вибрация. Среди их многочисленных источников особое место занимают действующие линии метрополитена. Повышенные величины вибрации могут также негативно сказываться на состоянии зданий, коммуникаций и пр.

До настоящего времени не существовало корректной расчетной методики прогноза значений вибрации от действующих линий метрополитена. Это связано с тем, что механизм возбуждения вибрации изучен недостаточно. Прежде всего, это относится к взаимодействию в системе колесо - рельс и на внешней поверхности обделки тоннеля и излучению упругих волн в грунт. Грунт является довольно сложной средой, требующей записи громоздких моделей теории упругости и их трудоемкого численного анализа. В дополнение к математическим трудностям проблема осложняется неполнотой данных о геометрических характеристиках и упругих свойствах слоев грунта. В этом случае даже корректно сформулированные модели практически бесполезны вследствие их параметрической неопределенности. В силу этого использование традиционных численных подходов при моделировании распространения упругих волн, основанных на достаточно точных алгоритмах метода конечных элементов (МКЭ), метода граничных элементов (МГЭ), сеточных и вариационных подходах, приводит к избыточным вычислительным затратам при неизбежной потере точности из-за ошибок в задании параметров. Здесь же возникает и проблема выбора шага интегрирования исходных уравнений. Наличие в задаче процессов и объектов с существенно различными масштабами может привести к потере важных составляющих решения при некорректном задании численной сетки. Чрезмерная детализация может привести к недопустимому росту объема необходимых вычислений и ужесточению требований на производительность используемых ЭВМ. В настоящем Своде правил использован другой подход, основанный на использовании физически прозрачных моделей, включающих временное и пространственное осреднение рассматриваемых величин. Получаемые в результате эффективные значения входящих в модели параметров требуют дополнительной настройки, что и было выполнено в ходе натурных измерений на действующих линиях метрополитена. В дополнение к этому разработан метод, позволяющий оценивать геометрические и упругие свойства верхней части грунта для последующего использования в прямых расчетах. Таким образом, для оценки величин вибрации вблизи действующих линий метрополитена, а также в процессе проектирования и строительства необходимо использовать процедуру, изложенную в настоящем Своде правил. Для оценки исходных параметров используется раздел 4 настоящего Свода правил. Процедура оценки полученных величин вибрации на соответствие санитарным нормам описана в разделе 6. В случае если требования санитарных норм не выполняются, необходимо применение специальных мер по снижению избыточной вибрации в соответствии с положениями разделов 3 и 5 настоящего Свода правил.

Свод правил разработан «Тоннельной ассоциацией России» на основании проведенных научно-исследовательских работ, натурных экспериментальных исследований, обобщения опыта эксплуатации линий метрополитена и анализа литературных источников. В его основу положены соответствующие руководства, подготовленные Виброакустической лабораторией МОО «Тоннельная ассоциация» и прошедшие апробацию на линиях Московского метрополитена.

Настоящий Свод правил необходимо использовать при получении оценок величин вибрации в наземных зданиях и сооружениях, возникающих от движения поездов метрополитена на участках перегонных тоннелей, в пределах станций, камер съездов. Свод правил адаптирован к сложившимся в настоящее время принципам нормирования. В частности, в качестве основного оцениваемого параметра используются абсолютные значения виброскорости (м/с). Логарифмические единицы (уровни в дБ) также допускается использовать в качестве вспомогательных параметров.

Если исходные параметры для расчета вибрации не заданы, настоящий Свод правил следует использовать для определения динамических и диссипативных характеристик грунта (скоростей и коэффициентов затухания упругих волн) в различных естественных геологических и вызванных техногенными факторами условиях города. Знание указанных характеристик необходимо при прогнозировании величин вибрации в наземных зданиях и сооружениях, возникающих при движении поездов метрополитена, а также для оценки эффективности мероприятий по их виброзащите.

Согласно настоящему Своду правил динамические характеристики грунтов, необходимые для расчета абсолютных величин или уровней вибрации в зданиях, определяются в процессе геологических изысканий или по имеющимся стандартным табличным данным. Второй путь зачастую неприемлем из-за имеющегося большого разброса характеристик однотипных грунтов. Вследствие этого рекомендуется использовать прямые измерения на месте и основанные на них расчеты характеристик грунтов. Здесь представлена последовательность шагов, реализующих данный подход определения динамических параметров грунта для их последующего использования при расчетах виброакустической ситуации на поверхности.

Динамические свойства грунта будут характеризоваться скоростями продольных и поперечных упругих волн в твердой среде, а также связанными с ними динамическими модулями упругости (Юнга и Пуассона) и скоростью распространения поверхностных волн Рэлея. Диссипативные свойства характеризуются энергетическим коэффициентом затухания g или связанным с ним амплитудным коэффициентом b = g / 2. Рассматриваются средние значения параметров для октавных диапазонов частот, при этом их величина может зависеть от частоты.

Настоящий Свод правил следует использовать для разработки средств виброзащитных мероприятий в конструкции верхнего строения пути метрополитена при необходимости снижения избыточной вибрации. Приводится порядок подбора требуемых характеристик виброзащитных устройств в зависимости от величины требуемого снижения вибрации, а также значений параметров грунта и характеристик тоннельной конструкции. В приложении З дается пример использования Свода правил в конкретной ситуации.

Настоящий Свод правил устанавливает методы измерения и оценки вибрации, генерируемой при движении поездов в метрополитенах, в помещениях жилых и общественных зданий, при определении степени воздействия вибрации на человеческий организм.

Измерения выполняют с целью контроля вибрации, генерируемой при движении поездов в метрополитенах, в помещениях жилых и общественных зданий, на соответствие допустимым уровням, установленным СНиП 32-02.

Свод правил предназначен для контроля вибрации, создаваемой в помещениях жилых и общественных зданий при движении поездов в метрополитенах, осуществляемого при приемке в эксплуатацию новых линий. Он входит в комплекс нормативных документов, подготовленных в связи с разработкой СНиП 32-02 «Метрополитены». Он может использоваться также при периодическом контроле действующих линий метрополитенов.

В Своде правил учтены требования и рекомендации основополагающих нормативно-технических документов: ГОСТ 12.1.012, СН 2.2.4/2.1.8.566-96, МР 2957-84 общетехнического характера. Вместе с тем в нем конкретизированы требования к виду и составу подлежащих измерению и контролю параметров вибрации исходя из временного характера и спектрального состава вибрации, генерируемой при движении поездов; определены требования к аппаратуре, условиям и правилам выполнения измерений; процедурам обработки результатов измерений и оценке их на соответствие допустимым значениям. При этом использован опыт, накопленный мировой практикой и отраженный в международном стандарте ИСО 2631/1 и немецком стандарте ДИН 4150/2.

В разработке данного Свода правил принимали участие:

Зав. виброакустической лабораторией ТАР канд. техн. наук, ст. науч. сотр. С.А. Костарев - руководитель разработки; научный консульстант ТАР д-р. физ.-мат. наук, проф. С.А. Рыбак, гл. науч. сотр. ТАР канд. физ.-мат. наук С.А. Махортых, главный научный сотрудник ТАР д-р техн. наук, снс, член-кор. Метрологической академии (раздел 6, приложения Д, И) И.Е. Цукерников.

СВОД ПРАВИЛ ПО ПРОЕКТИРОВАНИЮ И СТРОИТЕЛЬСТВУ

ОЦЕНКА ВИБРАЦИИ ПРИ ПРОЕКТИРОВАНИИ,
СТРОИТЕЛЬСТВЕ И ЭКСПЛУАТАЦИИ ОБЪЕКТОВ
МЕТРОПОЛИТЕНА

VIBRATION ASSESSEMENT FOR DESIGN,
CONSTRUCTION AND OPERATION OF METRO UNITS

1 ОБЛАСТЬ ПРИМЕНЕНИЯ

Настоящий Свод правил необходимо использовать при получении оценок значений вибрации в ходе проектирования и строительства линий метрополитенов, расположенных в селитебной зоне, а также проектирования и строительства жилых зданий, располагающихся в технической зоне метрополитена.

Положения настоящего Свода правил необходимо использовать при экспериментальном определении на месте динамических и диссипативных характеристик грунта в естественных геологических и вызванных техногенными факторами условиях города, необходимых при прогнозировании величин вибрации в наземных зданиях и сооружениях, расположенных в зоне возможного влияния проектируемых линий метрополитена, с целью проверки их на соответствие требованиям СНиП 32-02, а также при разработке конкретных технических решений по виброзащите зданий и сооружений.

Положения настоящего Свода правил необходимо использовать при разработке конструкций виброзащитных устройств верхнего строения пути метрополитена в случае превышения предельно допустимых санитарными нормами величин вибрации на поверхности грунта в примыкающих к линии метро районах жилой и административной застройки, в станционных помещениях и на платформах станций метрополитена. Помимо этого, настоящий Свод правил необходимо использовать для снижения избыточных уровней шума на станциях и в зданиях на поверхности грунта, если акустическая эмиссия связана с преобладающей структурной компонентой (в октавном диапазоне 63 Гц). Контроль достигаемой эффективности разрабатываемых мероприятий и прогнозируемых уровней виброскорости и шума при этом проводится в соответствии с требованиями СНиП 32-02.

Настоящий Свод правил устанавливает методы измерения и оценки вибрации, генерируемой при движении поездов метрополитенов в помещениях жилых и общественных зданий, при определении степени воздействия вибрации на человеческий организм.

Измерения выполняют с целью контроля вибрации, генерируемой при движении поездов метрополитенов в помещениях жилых и общественных зданий, на соответствие допустимым уровням, установленным СНиП 32-02.

2 НОРМАТИВНЫЕ ССЫЛКИ

В настоящем Своде правил использованы ссылки на следующие нормативные документы:

ГОСТ 12.1.012-90 ССБТ. Вибрационная безопасность. Общие требования

ГОСТ 12.4.012-83 ССБТ. Вибрация. Средства измерения и контроля вибрации на рабочих местах. Технические требования

ГОСТ 17168-82 Фильтры электронные октавные и третьоктавные. Общие технические требования и методы испытаний

СНиП 32-02-2003 Метрополитены

3 РАСЧЕТ ВИБРАЦИИ ОТ ДВИЖЕНИЯ ПОЕЗДОВ МЕТРОПОЛИТЕНА

3.1 Общие положения

3.1.1 Расчет вибрации от движения поездов метрополитена проводится при прогнозировании ожидаемых значений вибрации в зданиях, расположенных в зоне возможного влияния проектируемых линий метрополитена, с целью проверки их на соответствие требованиям СНиП 32-02, а также при разработке конкретных технических решений по виброзащите зданий и сооружений.

3.1.2 Оценку вибрации от движения поездов метрополитена в жилых помещениях, палатах больниц, санаториев необходимо проводить для ночного времени суток. Рассчитываемыми параметрами вибрации в соответствии с настоящим Сводом правил являются:

· корректированные максимальные и эквивалентные значения виброскорости  и , м/с;

· максимальные и эквивалентные значения виброскорости vmax и veq, м/с, в октавных полосах со среднегеометрическими частотами 16, 31,5 и 63 Гц, наиболее характерных для метрополитена.

Расчет корректированных и эквивалентных значений виброскорости следует выполнять по формулам ГОСТ 12.1.012, принимая весовые коэффициенты коррекции для вертикального и горизонтального направлений для случая общей вибрации.

3.1.3 В качестве дополнительного параметра вибрации могут использоваться уровни виброскорости L (дБ), определяемые соотношением вида L = 20lg (v / v0), где в качестве величины v выступают перечисленные выше параметры; v0 - пороговая величина виброскорости, равная 5 × 10-8 м/с.

3.1.4 При проектировании в селитебной зоне линий метрополитена необходимо выполнение следующих условий:

v £ vдоп, L £ Lдоп,                                                         (3.1)

где v и L - ожидаемые абсолютные величины и уровни виброскорости в оцениваемом здании соответственно в м/с и дБ;

vдоп и Lдоп - допустимые абсолютные величины и уровни виброскорости, принимаемые в соответствии с СНиП 32-02 по таблице 3.1.

Таблица 3.1 - Нормативные значения для оценки вибрационного воздействия на соответствие требованиям СНиП 32-02

Помещения, здания

Допустимое значение

vmax × 104,

м/с

Lmax, дБ

veq × 105, м/с

Leq, дБ

 × 104, м/с

Lmax, дБ

 × 105, м/с

Leq, дБ

Жилые

1,1

67

3,5

57

2,3

73

7.4

63

Палаты больниц и санаториев

0,8

64

2,6

54

1,7

70

5,4

60

Административно-управленческие, общественные здания

2,8

75

9,0

65

5,9

81

18,8

71

Учебные заведения, читальные залы библиотек

2,0

72

6,4

62

4,2

78

13,4

68

При проверке условий (3.1) в качестве ожидаемых величин вибрации в оцениваемом здании допускается принимать значения виброскорости, рассчитанные на поверхности грунта в месте расположения фундамента.

3.1.5 В случае, когда расчетные величины вибрации превышают допустимые значения, рекомендуется предусматривать специальные виброзащитные мероприятия и устройства, которые подразделяются на следующие типы:

· устройства, уменьшающие динамические нагрузки при взаимодействии колесной пары с верхним строением пути;

· амортизирующие устройства в конструкции верхнего и нижнего строения пути;

· виброзащитные конструкции обделок тоннелей метрополитенов;

· экранирующие конструкции в грунте;

·амортизирующие элементы в конструкции зданий.

Выбор средств защиты от вибрации производится с учетом их эффективности и экономической целесообразности.

3.1.6 Прогнозирование величин виброскорости в жилых зданиях и подбор виброзащитных мероприятий проводятся в следующей последовательности:

а) оцениваются величины вибрации обделок тоннелей и лотковой части пути метрополитена в соответствии с положениями разделов 3.2, 3.3;

б) задается или определяется в соответствии с разделом 4 исходное для расчета геологическое строение верхней части грунта: число и толщины слагающих слоев верхней части грунта общей толщиной Н ³ h + 10 м, где h - расстояние от поверхности грунта до лотка;

в) определяются массовые, динамические упругие и диссипативные параметры слагающих грунтов: плотность, скорости продольных и поперечных волн и коэффициент затухания в каждом слое;

г) определяются ожидаемые значения виброскорости поверхности грунта в соответствии с разделом 3.4;

д) проверяются условия (3.1) и в случае их невыполнения подбираются виброзащитные мероприятия в соответствии с 3.1.5.

3.1.7 Динамические характеристики грунтов, необходимые для расчета величин вибрации в зданиях (перечисление в 3.1.6, в), определяются в процессе геологических изысканий или в соответствии с разделом 4 на основе прямых акустических измерений на месте. Приближенные значения параметров различных типов грунтов приводятся в приложении А.

3.2 Расчет величин вибрации обделок тоннелей

3.2.1 Исходными расчетными параметрами колебаний обделок тоннелей метрополитена являются величины вертикальной и горизонтальной составляющих виброскорости ее лотковой части ( и ), определяемые в октавных полосах частот 16, 31,5 и 63 Гц для принятой в качестве типовой конструкции обделки кругового сечения, выполненной из сборного железобетона, а также типовой конструкции верхнего строения пути и заданной структуры окружающего грунта. Конкретные значения параметров приводятся в таблице 3.2. Представленные значения получены в ходе прямых измерений на действующих линиях метрополитена.

3.2.2 В ходе процедуры вычислений производится перерасчет величин виброскорости на типовой обделке (кругового сечения) в значения виброскорости на реально рассматриваемой обделке произвольного сечения с заданными грунтовыми условиями. Величина виброскорости лотковой части тоннеля определяется по формуле

                                        (3.2)

где l2 - ширина тоннеля;

Е - модуль Юнга стен тоннеля;

т - погонная масса обделки тоннеля;

,

, k = 0,7 м-1,

J - момент инерции поперечного сечения тоннеля;

r, lг, mг - плотность и коэффициенты Ламэ прилегающего грунта;

с - скорость распространения продольных упругих волн в грунте;

f - частота колебаний.

Величина р вычисляется по формуле

                                   (3.3)

где все параметры в выражении - те же, что и в (3.2), но принятые для стандартизованного тоннеля, величины виброскорости для которого приведены в таблице 3.2, R = 2,75 м - радиус обделки тоннеля.

3.2.3. На стадии разработки технико-экономического обоснования или проекта перегонных тоннелей линии метрополитена величины виброскорости на лотковой части обделки допускается оценивать на основе результатов натурных измерений, проведенных на эксплуатируемых участках линий метрополитена, имеющих аналогичную конструкцию обделки и верхнего строения пути, а также находящихся в аналогичных, как и проектируемый участок, инженерно-геологических условиях. При этом различие свойств грунта и скорости движения поездов не должно превышать 10 - 15 %. Пример расчета приводится в приложении Б.

Таблица 3.2 - Исходные данные для расчета. Величины вибрации на типовой обделке

Скорость продольных волн в грунте

 

600

м/с

Скорость поперечных волн в грунте

 

200

м/с

Плотность грунта

 

1800

кг/м3

Толщина обделки

 

0,2

м

Радиус обделки

 

2,6

м

Частота (Гц)

16

31.5

63

Максимальная величина горизонтальной компоненты виброскорости (м/с)

0,00011

0,00096

0,00083

Максимальная величина вертикальной компоненты виброскорости (м/с)

0,00011

0,00096

0,00083

Эквивалентная величина горизонтальной компоненты виброскорости (м/с)

0,00006

0,00055

0,00048

Эквивалентная величина вертикальной компоненты виброскорости (м/с)

0,00006

0,00055

0,00048

3.3 Расчет величин вибрации лотковой части станций, тупиков и камер съезда

3.3.1 Исходным расчетным параметром колебаний элементов конструкции станций, тупиков, камер съезда метрополитена является значение динамической силы, действующей на лотковую часть тоннеля. Величина последней определяется в октавных полосах частот 16, 31,5 и 63 Гц, для типовой конструкции обделки, имеющей прямоугольное сечение и выполненной из сборного железобетона, типовой конструкции верхнего строения пути и заданной структуры непосредственно прилегающего к лотковой части грунта. Конкретные значения параметров приводятся в таблице 3.3.

3.3.2. В ходе процедуры вычислений производится перерасчет величин виброскорости на лотковой части типовой обделки тоннеля (прямоугольного сечения) в значения виброскорости на лотковой части рассматриваемого сооружения (станции, тупика, камеры съезда) с заданными грунтовыми условиями. В качестве исходных стандартизованных величин вертикальной и горизонтальной составляющих виброскорости используются вычисленные величины, полученные в вычислительной части подпрограммы из заданных параметров лотковой части конструкции и непосредственно прилегающего грунта.

3.3.3 Для расчета величин виброскорости элементов конструкции станций, тупиков, камер съезда метрополитена применяется следующая модель.

В декартовой системе координат рассмотрим лежащую на полуплоскости (z < 0) площадку толщины h в виде бесконечной в направлении у полосы и ширины X в направлении х (рисунок 3.1). Далее разобьем площадку на систему балок, каждая из которых имеет высоту h, бесконечна в направлении у и ширину l2. Величина виброскорости каждой балки определяется по формуле

                                        (3.4)

где

 - момент инерции балки;

т, l2, h - соответственно погонная масса, ширина и высота балки;

Е - модуль Юнга материала балки;

lг и mг - коэффициенты Ламэ;

r - плотность грунта;

с - скорость продольных волн в грунте;

Pвн - внешняя сила, действующая со стороны поезда на балку, остальные обозначения приводятся в 3.2.2 настоящего СП.

Таблица 3.3 - Исходные параметры для расчета. Значение динамической силы, действующей на лотковую часть тоннеля

Модуль деформации грунта

 

18

МПа

Коэффициент Пуассона грунта

 

0,3

 

Плотность грунта

 

1700

кг/м3

Толщина лотковой части тоннеля

 

0,5

м

Ширина лотковой части тоннеля

 

19

м

Модуль деформации лотковой части конструкции

 

30000

МПа

Коэффициент Пуассона лотковой части конструкции

 

0,2

 

Плотность лотковой части конструкции

 

2300

кг/м3

Частота (Гц)

16

31,5

63

Приведенная динамическая сила (Н/м)

1

0,25

2

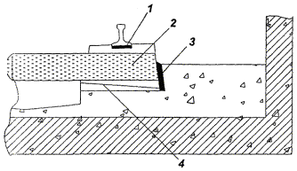
Рвн - приведенная динамическая сила, действующая на лоток со стороны поезда; 1 - обделка; 2 - лоток; 3 - поезд

Рисунок 3.1 - Схема расчета

Таким образом, для известных сил Рвн найдем виброскорости балок с точностью до констант из общего решения, определяемых условиями на границе балки. Общее решение для виброскорости лотковой части тоннеля находится из решения линейной системы уравнений на вышеупомянутые константы, составленной из уравнений на граничные условия для балок, а именно на условия равенства смещений и виброскоростей примыкающих друг к другу краев балок. Величины сил Рвн для каждой балки определяются пересчетом экспериментальных данных, выполненных по формуле (3.3).

3.3.4. На стадии разработки технико-экономического обоснования или проекта подземных сооружений метрополитена (станций, тупиков и камер съезда) величины виброскорости лотковой части допускается оценивать на основе результатов натурных измерений, проведенных на действующих сооружениях метрополитена, имеющих аналогичную конструкцию помещения и верхнего строения пути, а также находящихся в аналогичных, как и проектируемый объект, инженерно-геологических условиях. При этом различие свойств грунта и скорости движения поездов не должно превышать 10 - 15 %.

3.4 Расчет ожидаемых значений вибрации поверхности грунта вблизи перегонных тоннелей, станций, тупиков и камер съезда

3.4.1 Вертикальные и горизонтальные составляющие виброскорости на поверхности грунта определяются по формуле

                                                        (3.5)

Здесь vR - виброскорость, вызванная волной Рэлея, вычисляемая по формуле

                                                (3.6)

b - коэффициент затухания в грунте;

kR - волновое число волны Рэлея;

 - соответствующие проекции виброскорости, вызванные продольной волной в грунте, вычисляемые по формуле

.

Причем Н0 - глубина, на которой находится лотковая часть обделки тоннеля;

х - удаление от продольной оси тоннеля;

r0 - характерный размер, представляющий собой минимальное из D / 2 - половины ширины тоннеля;

 - отношению скорости продольных волн в грунте к круговой частоте;

 - максимальные величины виброскорости на лотковой части обделки тоннеля, принимаемые в соответствии с разделом 4;

vmax - максимальное из них.

3.4.2 Величины виброскорости (максимального или эквивалентного) поверхности грунта в октавных полосах частот  при использовании виброзащитных мероприятий определяются по формуле

где D(i) - эффективность одного или нескольких одновременно используемых виброзащитных мероприятий в октавной полосе с номером i, которая определяется по таблице В.1, приведенной в приложении В настоящего Свода правил, или рассчитывается в соответствии с разделом 5 (см. также таблицу Ж.1 в приложении Ж).

3.4.3 Корректированная величина виброскорости вычисляется по формуле

Величины  вычисляются в разделах 6.1 или 6.2 настоящего Свода правил.

3.4.4 Эквивалентное корректированное значение виброскорости вычисляют по формуле

.

Здесь Tr - время оценки вибрационного воздействия;

Тej - частичное время воздействия вибрации, соответствующее реализации j-го режима движения поездов;

 - максимальное корректированное значение виброскорости, характеризующее интенсивность вибрации за время Тej.

Значения величин времени воздействия вибрации определяются согласно предполагаемому графику движения поездов на линии метрополитена.

4 ОПРЕДЕЛЕНИЕ ФИЗИКО-МЕХАНИЧЕСКИХ СВОЙСТВ ГРУНТА ПРИ РАСЧЕТАХ ВИБРАЦИИ В ПОМЕЩЕНИЯХ ЖИЛЫХ И ОБЩЕСТВЕННЫХ ЗДАНИЙ ОТ ДВИЖЕНИЯ ПОЕЗДОВ МЕТРОПОЛИТЕНА

4.1 Общие положения

4.1.1 За критерий вибрации принимаются абсолютные максимальные и эквивалентные величины vmax, veq в октавных диапазонах (со среднегеометрическими частотами 16, 31,5 и 63 Гц), м/с2, а также корректированные максимальные и эквивалентные величины. Допускается также пользоваться соответствующими перечисленным величинам v уровнями виброскорости, определяемыми соотношением:

L = 20lg (v / v0), дБ,                                                     (4.1)

где v0 - пороговая величина виброскорости, равная 5 × 10-8 м/с. Величина виброскорости v определяется в соответствии с разделом 3.

4.1.2 Для стандартизации излагаемой в настоящем Своде правил методики определения физико-механических параметров грунта в дальнейшем рассматриваются эквивалентные величины виброскорости в октавных диапазонах 16, 31,5 и 63 Гц.

4.1.3 При использовании положений раздела 3 в расчетах амплитуд виброскорости на поверхности грунта требуется задание следующих параметров грунтовых условий:

·типа стратификации (число слоев);

·плотности грунта в каждом слое r;

· скоростей продольных и поперечных упругих волн сl и ct в каждом слое;

· коэффициента затухания b в каждом слое.

4.1.4 При анализе распространения вибрации в грунте от тоннелей метрополитена расчеты следует проводить в нормируемых октавных диапазонах со среднегеометрическими частотами 16, 31,5 и 63 Гц, так как именно в этих октавах при движении поездов метрополитена наблюдаются наибольшие превышения значений вибрации в зданиях над нормативными величинами.

4.2 Оценка упругих динамических, массовых и диссипативных параметров грунта

4.2.1 В соответствии с разделом 3 (3.1.6, в) при расчетах величин вибрации на поверхности грунта требуется определение следующих параметров грунтовых условий в заданном районе:

· стратификации - число слоев и толщину каждого слоя (далее принимается общее число слоев 1 £ Nc £ 3 с существенно отличающимися свойствами);

· плотности грунта в каждом слое r;

· скоростей продольных и поперечных упругих волн сl и сt в каждом слое;

· коэффициента затухания b в каждом слое.

Максимальное число слоев 3 выбрано с учетом многочисленных расчетов, проделанных в реальных городских условиях. Этого числа достаточно для достижения требуемом точности оценок величин виброскорости в 2 - 3 дБ.

Если динамические и диссипативные свойства двух соседних слоев отличаются соответственно менее чем в 1,5 и 2 раза, данные слои объединяются в один с общей суммарной толщиной h = h1 + h2 и средними скоростями распространения упругих волн и коэффициента затухания:

                                        (4.2)

Здесь 1, 2 - номер слоя, индексы l и t соответствуют продольным и поперечным волнам. При этом необходимо рассматривать лишь верхнюю часть грунта до глубины

H = hобд + 5, м,                                                          (4.3)

здесь hобд - расстояние от поверхности грунта до основания обделки тоннеля.

4.2.2 При определении структуры верхней части грунта на предварительном этапе анализа геологической ситуации необходимо руководствоваться имеющейся геологической информацией: схемами разрезов вдоль трассы и т.п. Используя значения, представленные в приложении А и правило объединения слоев с близкими свойствами из п. 4.2.1, строим начальную одно-, двух- или трехслойную модель грунта. При этом толщины слоев задаются окончательно, а их динамические и диссипативные параметры требуют дальнейшего уточнения.

4.2.3 Если предварительная информация о геологическом строении грунта отсутствует, необходимо решать полную обратную задачу с неизвестным числом слоев, их толщинами, динамическими и диссипативными свойствами.

4.2.4 Вследствие того, что в городских условиях плотность грунта меняется незначительно (1600 - 2000 кг/м3), этим изменением в пределах приемлемой точности расчетов можно пренебречь и считать ее постоянной r = 1800 кг/м3.

4.2.5 Коэффициент Пуассона для грунта в городских условиях меняется в пределах от 0,1 до 0,45. Несмотря на это, опыт расчетов показывает, что конкретная величина данного коэффициента оказывает незначительное влияние на величину виброскорости. В силу этого в пределах приемлемой точности расчетов можно считать его постоянным и равным его среднему значению v = 0,4.

4.2.6 Чтобы учесть зависимость определяемых параметров от частоты, а также, принимая во внимание 4.1.4, расчеты следует проводить в октавных диапазонах со среднегеометрическими частотами 16, 31,5 и 63 Гц.

4.2.7 Решение обратной задачи оценки параметров грунта производится методом подбора их конкретных величин с подстановкой в расчетную схему, изложенную в разделе 3 и сравнением рассчитанных значений с набором измеренных величин на разных расстояниях от источника вибрации. При этом поступать надо следующим образом. В качестве начального приближения берутся нижние значения скорости продольных волн и минимальные величины коэффициента затухания (см. приложение А) для соответствующего грунта. Задаются также максимальные значения тех же параметров для соответствующего типа грунта (из той же таблицы). С учетом принятого постоянного значения коэффициента Пуассона, скорость поперечных волн в грунте находится по формуле

                                                    (4.4)

Подставляя значения для скоростей продольных и поперечных волн и коэффициента затухания в каждом слое в расчетную схему, описанную в разделе 3.4, находим величины виброскорости в тех же точках, в которых производились измерения. Если получаемая невязка не превосходит точности измерений (обычно это 2 - 3 дБ), тогда задача оценки параметров считается решенной.

Если при первой прогонке требуемой точности достичь не удается, необходимо варьировать начальные значения для определяющих параметров (рисунок 4.1). Вначале следует изменять коэффициент затухания, на каждом следующем шаге итерации определяем его как

b = bmin + iDb, i = l, 2, 3                                                  (4.5)

с шагом

Db = (bmах - bmin) / 3.                                                    (4.6)

Здесь bmах и bmin - соответственно максимальное и минимальное значение коэффициента затухания для данного типа грунта (см. приложение А).

Если при некотором значении коэффициента затухания удается достичь удовлетворительного соответствия экспериментальным данным, то задача считается решенной. В противном случае варьируем скорость продольных волн для каждого слоя грунта. При этом каждое следующее i-е значение скорости выбирается следующим образом:

, i = 1, 2, 3, ...                                                   (4.7)

Коэффициент d выбирается в зависимости от величины отношения сmax / сmin из таблицы 4.1.

Таблица 4.1 - Выбор коэффициента d из выражения (4.7)

сmax / сmin

d

£ 3

£ 6

> 6

Здесь cmin и cmax - минимальная и максимальная скорости продольных волн для данного типа грунта (см. приложение А).

Таким образом, в зависимости от значения сmax / сmin имеем 3, 4 или 5 итераций по скорости продольных волн. Скорость поперечных волн при каждой итерации вычисляется по формуле (4.4) настоящего СП с постоянным коэффициентом Пуассона. При необходимости на каждой итерации варьируется коэффициент затухания.

Если на некотором шаге достигается требуемая точность, задача оценки параметров считается решенной.

4.2.8 Если исходные данные по геологическому строению грунта в рассматриваемом районе отсутствуют, тогда из исходных данных исключается информация о стратификации, при этом дополнительными неизвестными параметрами являются число слоев (от 1 до 3) и толщина каждого слоя (общее число дополнительных параметров от 1 до 4). Анализ ведется, начиная с простейшей однослойной модели, если при этом требуемая точность не достигается, осуществляется переход к двух- и трехслойным стратификациям. Выбор толщины каждого слоя осуществляется из учета характера поведения поля вибрации, полученного в эксперименте, на малом и большом расстоянии от источника.

Начальными значениями для скорости продольных волн выбирается величина с = 100 м/с, а для коэффициента затухания b = 0,05.

4.2.9 В случае наличия предварительной информации о геологическом строении верхней части грунта дополнительными исходными данными (параметрами) являются:

· тип стратификации, т.е. число слоев в верхней части грунта до глубины, определяемой выражением (4.3) с учетом 4.2.1 настоящего Свода правил;

·толщина каждого слоя;

·минимальная и максимальная величина скорости продольных волн для каждого слоя (приложение А);

·минимальная и максимальная величина коэффициента затухания продольных волн для каждого слоя (приложение А).

4.3 Получение исходной экспериментальной информации при определении параметров грунта

4.3.1 Средства измерений вибрации должны соответствовать требованиям ГОСТ 12.4.012 и иметь действующее свидетельство о поверке.

4.3.2. Для измерения корректированного значения виброскорости следует применять средства измерений, обеспечивающие частотную коррекцию в вертикальном и горизонтальном направлениях для общей вибрации по ГОСТ 12.1.012.

4.3.3. Для выполнения частотного анализа следует применять аппаратуру, удовлетворяющую требованиям ГОСТ 17168. Рекомендуемый перечень современных цифровых анализаторов приведен в приложении Д.

4.3.4 Допускается предварительная запись сигнала на измерительный магнитофон с последующей обработкой записанной информации.

4.3.5 Использование последовательности расчета 4.2.1 - 4.2.9 (см. рисунок 4.1) настоящего СП основано на результатах измерений величин вибрации на разных расстояниях от стандартного источника на участке, на котором впоследствии предполагается прогнозирование вибрации от действующей, строящейся или проектируемой линии метрополитена. Общая методика получения экспериментальной информации должна включать следующие компоненты:

· описание аппаратуры, используемой в процессе измерений;

·описание процедуры измерений;

·описание способа представления полученных результатов;

·описание процедуры обработки результатов.

4.3.6 Стандартизованный источник вибрации на поверхности грунта должен удовлетворять следующим требованиям:

· в качестве источника используется стандартный взрывпакет мощностью 50 - 100 г тротилового эквивалента (далее - источник);

·источник помещается в скважине на глубину, соответствующую глубине закладки тоннеля метрополитена;

·в месте расположения источника скважина не должна иметь чугунной или железобетонной обсадной трубы;

· в случае, если проведение измерения без обсадной трубы невозможно, допускается использовать последнюю, предварительно определив ее акустический коэффициент передачи (снижение амплитуды вибрации на внешней поверхности трубы, контактирующей с грунтом);

·в плане место закладки источника должно быть удалено не более чем на 10 м от оси тоннеля.

Рисунок 4.1 - Блок-схема реализации алгоритма определения динамических параметров грунта. «Да» и «Нет» означают соответственно выполнение и невыполнение условий совпадения расчетных и измеренных данных

4.3.7 Натурные измерения величин виброскорости (рисунок 4.2) должны удовлетворять следующим требованиям:

· измеряемыми величинами являются абсолютные эквивалентные значения вертикальных и горизонтальных компонент виброскорости;

·измерение величин вертикальных и горизонтальных компонент виброскорости производится на поверхности грунта в 5 точках с шагом 10 м, удаленных от источника на расстояние от 0 до 40 м (по поверхности грунта) в перпендикулярном к линии метрополитена направлении в сторону имеющейся жилой или административной застройки, при этом первую точку необходимо располагать над осью тоннеля по одну сторону от скважины, а остальные - по другую на расстояниях 10, 20, 30, 40 м от оси скважины;

· измерения проводятся в нормируемых октавных диапазонах со среднегеометрическими частотами 16, 31,5 и 63 Гц.

4.3.8 Рекомендуется результаты измерений подвергать статистической обработке с вычислением средних значений виброскорости vср в октавных полосах частот по формуле

При этом среднеквадратические уклонения виброскорости в октавных полосах частот вычисляются по формуле

Достаточность числа проведенных измерений п проверяется исходя из условия обеспечения относительного доверительного интервала е = ± 0,4 среднего значения виброскорости в октавных полосах частот при доверительной вероятности 0,95.

Доверительный интервал вычислялся по формуле

где п - число измерений;

s - значения среднеквадратических уклонений виброскорости в октавных полосах частот;

tn - коэффициент Стьюдента.

4.3.9 После получения экспериментального массива данных (в нашем случае состоящего из наборов абсолютных эквивалентных величин вертикальных и горизонтальных проекций виброскорости в 5 точках на поверхности грунта) применяется процедура, изложенная в разделе 4.2. В результате ее выполнения корректируется предварительная модель строения верхней части грунта или в случае ее отсутствия строится новая.

4.4 Ограничения методики определения динамических параметров грунта

4.4.1 Настоящий Свод правил позволяет определить динамические и диссипативные параметры вертикально стратифицированного грунта при расчетах величин вибрации от движения поездов метрополитена согласно разделу 3.

ОО¢ - ось тоннеля (действующего или строящегося); AS - скважина, в которую помещается источник S, глубина источника должна равняться расстоянию от оси тоннеля до поверхности грунта; 1 - 5 - точки измерений, расстояние от скважины до ближайших точек измерения (1 и 2) не должно превышать 10 м; аz, ax - измеряемые величины (вертикальная и горизонтальная проекции виброскорости)

Рисунок 4.2 - Схема проведения измерений (разрез)

4.4.2 В случае если свойства грунта меняются вдоль оси тоннеля метрополитена, допускается использование данного Свода правил, если горизонтальный пространственный масштаб изменений параметров превышает величину 40 м. При этом необходимо независимое проведение измерений на поперечных разрезах с шагом вдоль линии метрополитена, равным данному пространственному масштабу изменений.

4.4.3 В случае если изменения основных определяющих параметров грунта в поперечном направлении превышают 50 %, допускается использование данного Свода правил с определением и дальнейшим использованием при расчетах усредненных вдоль этого направления характеристик.

5 ВИБРОИЗОЛЯЦИЯ ВЕРХНЕГО СТРОЕНИЯ ПУТИ МЕТРОПОЛИТЕНА

5.1 Общие положения

5.1.1 Порядок оценки вибрации от движения поездов метрополитена необходимо проводить в соответствии с разделом 3 настоящего Свода правил.

При оценке эффективности разрабатываемого мероприятия по снижению избыточных величин вибрации необходимо учитывать октавные диапазоны частот 16, 31,5, 63 Гц, а при контроле структурного шума - диапазон 63 Гц. Последнее связано с требованиями санитарных норм и особенностями спектра возбуждаемой поездами метрополитена вибрации.

5.1.2 В качестве нормируемых параметров вибрации в соответствии с положениями СНиП 32-02 принимаются максимальные и эквивалентные значения виброскорости vmax и veq, м/с, в октавных полосах со среднегеометрическими частотами 16, 31,5 и 63 Гц, наиболее характерных для метрополитена, а также корректированные максимальные и эквивалентные величины.

Для удобства оценки величины превышения вибрации, а также определения эффективности виброзащитного мероприятия будут использоваться также уровни виброскорости, определяемые по формуле (4.1).

5.1.3 При проектировании виброзащитных мероприятий верхнего строения пути на линиях, расположенных в пределах селитебной зоны, а также в помещениях станций метрополитена требуется выполнение условий (3.1). На станции метрополитена условие (3.1) проверяется в 1 м от края платформы.

5.1.4 В случае, когда расчетные значения виброскорости в жилом здании или помещении (платформе) станции превышают нормативные значения и после применения предлагаемого технического решения виброизолирующей конструкции верхнего строения пути (достигаемая эффективность меньше требуемой), рекомендуется предусматривать дополнительные виброзащитные мероприятия и устройства, которые подразделяются на следующие типы:

·устройства, уменьшающие динамические нагрузки при взаимодействии колесной пары с верхним строением пути;

· виброзащитные конструкции обделок тоннелей метрополитенов;

· экранирующие конструкции в грунте;

· амортизирующие элементы в конструкции зданий.

Выбор дополнительных средств защиты от вибрации и структурного шума проводится с учетом их эффективности и экономической целесообразности с использованием положений раздела 3, а также таблицы, приведенной в приложении Ж.

5.1.5 Необходимость разработки виброзащитной конструкции верхнего строения пути устанавливается в результате выполнения следующей предварительной процедуры.

5.1.5.1 Оцениваются величины вибрации в помещениях станции (на платформе) и ожидаемые значения вибрации поверхности грунта в соответствии с разделом 3.

5.1.5.2 Проверяется условие (3.1) и в случае его невыполнения для величин виброскорости в октавных частотных диапазонах (16, 31,5, 63 Гц) подбираются виброзащитные мероприятия в соответствии с настоящим Сводом правил.

5.1.6 Динамические характеристики грунтов, необходимые для расчета уровней вибрации и подбора параметров виброзащитной конструкции, определяются в процессе геологических изысканий или в соответствии с разделом 4 настоящего Свода правил на основе прямых акустических измерений на месте.

5.2 Расчет конструкции виброизоляции верхнего строения пути для метрополитена

5.2.1 Одним из наиболее эффективных средств борьбы с вибрацией, возбуждаемой движением поездов метрополитена, является виброизоляция верхнего строения железнодорожного полотна эластичными резиновыми прокладками и амортизаторами. При этом смещается собственная частота колебаний обделки в сторону более низких частот и уменьшается амплитуда вибрации во всем диапазоне частот, за исключением новой собственной частоты.

Однако, чтобы получить требуемый эффект необходим тщательный учет механических параметров при моделировании вибрации в получаемой механической системе. При некорректном применении виброзащитных мероприятий [1], [2] можно не получить необходимого снижения уровней или получить отрицательный эффект.

На рисунках 5.1, 5.2 приводится общая компоновка различных вариантов исполнения виброизолирующей конструкции верхнего строения пути.

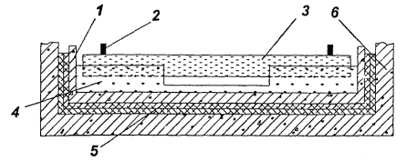
1 - балластное корыто, 2 - рельс, 3 - шпала, 4 - щебеночная постель, 5 - трехслойный резиновый мат, 6 - обделка тоннеля

Рисунок 5.1 - Система виброизоляции эластичными матами под конструкцией верхнего строения пути

а - амортизаторами под конструкцией верхнего строения пути; б - амортизаторами под лежнями

1 - балластное корыто; 2 - рельс; 3 - шпала; 4 - щебеночная постель; 5 - амортизатор; 6 - обделка тоннеля; 7 - лежень; 8 - стальные связи

Рисунок 5.2 - Система виброизоляции

При этом, как видно из рисунков, возможна реализация конструкции из сплошных эластичных матов (рисунок 5.1) и из отдельных элементов (амортизаторов) (рисунок 5.2). Во втором случае возможно размещение виброизолирующих элементов под балластным слоем (в дальнейшем вариант 1) и под несущими элементами рельсового пути (шпалами, лежнями - вариант 2). По сути оба типа конструкции (из сплошных и дискретных элементов) эквивалентны, в силу чего требуется выдерживать усредненные характеристики конструкции (упругость, масса, коэффициент диссипации, приведенные к длине вагона). Далее будут рассматриваться два варианта реализации с виброизолирующими элементами под балластным слоем (вариант 1) и амортизаторами под лежнями (вариант 2), общие схемы конструкций показаны на рисунках 5.1, 5.2.

5.2.2 Общая схема и физическая модель системы «поезд в тоннеле с виброизоляторами в верхнем строении пути» представлена на рисунке 5.3.

Параметры, входящие в модель, имеют следующий смысл:

m1 - масса вагона с пассажирами без учета тележки и колесных пар;

т2 - масса двух тележек;

т3 - масса колесных пар + масса верхнего строения пути: корыта, щебня, рельсов (вариант 1) или масса лежней и рельсов (вариант 2) на длине вагона;

m4 - масса обделки + масса грунта на длине вагона (+ масса балластного слоя для варианта 2);

k1 и b1 - жесткость и коэффициент демпфирования центрального подвешивания;

k2 и b2 - жесткость и коэффициент демпфирования буксового подвешивания;

k3 и b3 - жесткость и коэффициент демпфирования амортизаторов на длине вагона;

k4 и b4 - жесткость и коэффициент демпфирования грунта и обделки на длине вагона.

5.2.3 Величина жесткости k4 и коэффициент затухания b4 рассчитываются по известным характеристикам обделки и грунта. В данном случае имеем: присоединенная масса грунта и коэффициент упругости реакции окружающего грунта задаются формулами (см. [3]):

тг = 4prгR2L;

Здесь s - коэффициент Пуассона;

rг - плотность грунта;

R - радиус обделки;

L - длина вагона.

В результате следует принимать

k4 = 109 Н/м; b4 = 2 × 105 Н×с/м.

а - механическая схема; б - физическая модель системы

Рисунок 5.3 - Взаимодействующие вязкоупругие элементы в системе «вагон - виброизоляционная конструкция верхнего строения пути»

5.2.4 В расчетах для подвижного состава и обделки выбираются следующие значения определяющих параметров:

m1 = 50 т;

т2 = 9,9 т;

m3 = 55 т (вариант 1) и 13 т (вариант 2);

m4 = 50 - 150 т (вариант 1);

m4 = 100 - 200 т (вариант 2);

k1 = 5,45 × 106 Н/м;

k2 = 1,36 × 107 Н/м;

Im k1 = 0,05k1;

Im k2 = 0,05k2;

Im k3 = 0,05k2.

5.2.5 Общая жесткость амортизаторов рассчитывается по формуле

Здесь Е - модуль Юнга резины (для оценок можно использовать величину 5 × 106 Н/м2);

S и h - площадь и высота упругого элемента амортизатора;

п - число амортизаторов на вагон.

5.2.6 Чтобы рассчитать число амортизаторов п на погонный метр используется выражение

v = п / l,

где l - длина вагона по сцепке, принимаемая для вагонов 81-717, 81-714: l = 19210 мм, для вагона Е: l = 19166 мм, для вагона 81-740: l = 28150 мм.

Оценка эффективности проводится в нормируемых октавных диапазонах с центральными частотами 16, 31,5, 63 Гц, а также в диапазоне с центральной частотой 63 Гц, нормируемого для структурного шума.

При этом эффективность подсчитывается по формуле

                                                       (5.1)

где vвзм - амплитуда виброскорости с установленными в верхнем строении пути амортизаторами;

v - амплитуда виброскорости без использования виброзащитных мероприятий.

5.2.7 Для оценки эффективности виброзащитной конструкции верхнего строения пути по вариантам 1 и 2 используются графики на рисунках 5.4 - 5.11, полученные расчетным путем для различных типов грунта.

5.2.8 Выбор надлежащих характеристик амортизаторов проводится с учетом результатов, представленных на рисунках 5.4 - 5.11, а также требования положительной эффективности в наиболее критичных для метрополитена диапазонах (16, 31,5, 63 Гц).

5.2.9 Суммарная жесткость амортизаторов должна обеспечивать удовлетворение требований на вертикальную просадку пути и боковое смещение. При этом предполагается, что максимально допустимые вертикальные и горизонтальные смещения пути должны составлять величину от 4 до 6 мм (см. [4]). Зависимость статической просадки состава от приведенной к длине вагона суммарной жесткости амортизаторов приведена на рисунке 5.12.

Рисунок 5.4 - Зависимость эффективности виброзащитной конструкции (вариант 1) от жесткости амортизаторов, приведенной к длине вагона, для случая мягких грунтов со скоростью продольных волн 300 - 600 м/с

Здесь и в дальнейшем обозначения величин по оси абсцисс даются в стандартной нотации для ЭВМ, например, 3,60Е + 08 = 3,6 × 108

Рисунок 5.5 - Зависимость эффективности виброзащитной конструкции (вариант 1) от жесткости амортизаторов, приведенной к длине вагона, для случая грунтов со скоростью продольных волн 600 - 1200 м/с

Рисунок 5.6 - Зависимость эффективности виброзащитной конструкции (вариант 1) от жесткости амортизаторов, приведенной к длине вагона, для случая грунтов со скоростью продольных волн 1200 - 2000 м/с

Рисунок 5.7 - Зависимость эффективности виброзащитной конструкции (вариант 1) от жесткости амортизаторов, приведенной к длине вагона, для случая грунтов со скоростью продольных волн более 2000 м/с

Рисунок 5.8 - Зависимость эффективности виброзащитной конструкции (вариант 2) от жесткости амортизаторов, приведенной к длине вагона, для случая грунтов со скоростью продольных волн 200 - 600 м/с

Рисунок 5.9 - Зависимость эффективности виброзащитной конструкции (вариант 2) от жесткости амортизаторов, приведенной к длине вагона, для случая грунтов со скоростью продольных волн 600 - 1200 м/с

Рисунок 5.10 - Зависимость эффективности виброзащитной конструкции (вариант 2) от жесткости амортизаторов, приведенной к длине вагона, для случая грунтов со скоростью продольных волн 1200 - 2000 м/с

Рисунок 5.11 - Зависимость эффективности виброзащитной конструкции (вариант 2) от жесткости амортизаторов, приведенной к длине вагона, для случая грунтов со скоростью продольных волн более 2000 м/с

Рисунок 5.12 - Зависимость статической вертикальной просадки верхнего строения пути s от жесткости виброзащитной конструкции k

5.3 Дополнительные мероприятия в верхнем строении пути по снижению возбуждаемой вибрации

5.3.1 Установка под щебеночную постель шероховатого трехслойного резинового мата толщиной 3 см приводит к уменьшению уровней вибрации, начиная с частотного диапазона 63 Гц (таблица 5.1). Аналогичный эффект достигается при укладке под щебеночную постель минераловолокнистых плит толщиной 10 см.

5.3.2 Использование вместо балластного корыта с щебеночной засыпкой сплошной плиты толщиной 40 см ведет к повышению эффективности виброизолирующей конструкции. Значения соответствующей дополнительной эффективности приводятся в таблице 5.2.

Таблица 5.1 - Эффективность шероховатого трехслойного резинового мата толщиной 3 см, устанавливаемого под щебеночную постель

Октава со среднегеометрической частотой, Гц

Эффективность, дБ

16

-2

31,5

0

63

4

125

7

250

10

500

15

Таблица 5.2 - Эффективность шероховатого трехслойного резинового мата толщиной 3 см, устанавливаемого под сплошную плиту толщиной 40 см

Октава со среднегеометрической частотой, Гц

Дополнительная эффективность DLэфф, дБ

16

-7

31,5

5

63

11

125

4

250

15

500

22

6 МЕТОДЫ ИЗМЕРЕНИЯ И ОЦЕНКИ ВИБРАЦИИ В ПОМЕЩЕНИЯХ ЖИЛЫХ И ОБЩЕСТВЕННЫХ ЗДАНИЙ ОТ ДВИЖЕНИЯ ПОЕЗДОВ В МЕТРОПОЛИТЕНАХ

6.1 Общие положения

6.1.1 Вибрация, создаваемая в помещениях жилых и общественных зданий от движения поездов в метрополитенах, носит непостоянный прерывистый характер с выраженным преобладанием сигнала в полосе частот 22,5 - 90 Гц и повторяется с периодом, определяемым графиком движения поездов.

6.1.2 Измеряемыми параметрами вибрации в соответствии с настоящим Сводом правил являются:

корректированное среднее квадратическое значение виброскорости , м/с;

средние квадратические значения виброскорости v, м/с, в октавных полосах со среднегеометрическими частотами 16 Гц, 31,5 Гц и 63 Гц.

Весовые коэффициенты коррекции для вертикального и горизонтального направлений принимаются по ГОСТ 12.1.012 для случая общей вибрации.

6.1.3 Контролю вибрации от движения поездов в метрополитенах должно предшествовать определение влияния фоновой вибрации. Если сигнал, регистрируемый при прохождении поезда, не выделяется над уровнем фона, оценку вибрации от движения поездов в соответствии с настоящим Сводом правил выполнить нельзя (см. 6.4.1.6).

6.1.4 Оценку вибрации проводят посредством сопоставления результатов измерений с допустимыми значениями максимальных и эквивалентных корректированных виброскоростей, максимальных и эквивалентных виброскоростей в октавных полосах со среднегеометрическими частотами 16 Гц, 31,5 Гц и 63 Гц по СНиП 32-02.

6.1.5 Оценку вибрации от движения поездов в метрополитенах в помещениях жилых зданий необходимо проводить для ночного времени. Определяющим в этом случае является максимальное значение виброскорости. Измерения вибрации допускается проводить в дневное время с учетом требований 6.1.3.

Для дневного времени вибрация оценивается только в помещениях общественных зданий, в жилых зданиях - в случае особой необходимости. При этом измерения вибрации проводятся, как правило, в периоды наиболее интенсивного движения поездов.

6.2 Средства измерений

6.2.1 Средства измерений вибрации должны соответствовать требованиям ГОСТ 12.4.012 и иметь действующее свидетельство о поверке.

6.2.2 Для измерения корректированного значения виброскорости следует применять средства измерений, обеспечивающие частотную коррекцию в вертикальном и горизонтальном направлениях для общей вибрации по ГОСТ 12.1.012.

6.2.3 Для выполнения частотного анализа следует применять аппаратуру, удовлетворяющую требованиям ГОСТ 17168. Рекомендуемый перечень современных цифровых анализаторов приведен в приложении Д.

Допускается предварительная запись сигнала на измерительный магнитофон с последующей обработкой записанной информации.

6.3 Условия и правила проведения измерений

6.3.1 Измерение вибрации следует проводить в трех точках на полу помещения, удаленных друг от друга и от стен на расстояние не менее 1,5 м, при этом одна точка должна располагаться в центре перекрытия. Верхнее покрытие пола (пластик, линолеум, паркет и др.) должно плотно прилегать к несущей конструкции в точке измерения.

6.3.2 В каждой точке измерение вибрации осуществляется по трем взаимно перпендикулярным направлениям: вертикальному (ось Z - перпендикулярно полу) и двум горизонтальным (ось X - перпендикулярно, ось Y - параллельно трассе метрополитена).

6.3.3 Вибропреобразователь должен быть прикреплен с помощью резьбового соединения к поверхности промежуточной платформы по ГОСТ 12.1.012 или стального диска по МР 2957-84 [6]. Для ориентации однокомпонентных преобразователей в разных направлениях допускается применять кубик из легкого сплава по ГОСТ 12.1.012.

6.3.4 Для уменьшения кабельного эффекта присоединяемый к вибропреобразователю кабель должен быть эластично прикреплен к неподвижным точкам через промежутки не более 1,5 м.

6.3.5 При проведении измерений на приборе должна быть установлена динамическая характеристика «медленно» (t = 1 с).

6.3.6 Измерения следует выполнять в периоды времени, характеризующиеся одним режимом движения поездов.

Пример - Период наиболее интенсивного движения поездов по линиям Московского метрополитена: с 7 ч до 9 ч или с 16 ч до 19 ч днем и с 6 ч до 7 ч ночью (таблица И.1).

Примечание - Режим движения поездов, в котором проводят измерения, обозначают далее через l. Это обозначение используют в качестве верхнего индекса для соответствующих этому режиму величин виброскорости.

Допускается проведение измерений в периоды времени, соответствующие различным режимам движения поездов и, при необходимости, - во всех предписываемых графиком режимах движения поездов в дневное или ночное время.

6.3.7 Время измерения Тт должно быть достаточным для регистрации непрерывной выборки, включающей не менее 10 событий прохождения поезда. Время измерения разбивается на целое число N элементарных интервалов (тактов) продолжительностью 30 с (Тт = 30 ´ N c = 0,5N мин.).

За каждый 30-секундный такт регистрируется максимальное измеренное корректированное значение виброскорости , i = 1, 2, ..., N и, при необходимости, максимальные измеренные значения виброскорости в октавных полосах частот , i = 1, 2, ..., N; k = 1, 2, 3.

6.3.8 До и после проведения измерений следует выполнять калибровку средств измерений в соответствии с инструкциями по их эксплуатации. Если результаты калибровки различаются более чем в 1,4 раза (3 дБ), измерения вибрации следует повторить.

6.4 Обработка результатов измерений

6.4.1 Обработка результатов измерений корректированных значений

6.4.1.1 По результатам измерений определяют наибольшее максимальное корректированное значение виброскорости  за время измерения по формуле

, i = 1, 2, ..., N,                                             (6.1)

где  - максимальное измеренное корректированное значение виброскорости для i-го такта;

N - число 30-секундных тактов за время измерения.

6.4.1.2 Выделяют точку измерения и направление, для которых  имеет наибольшее значение. Дальнейшую обработку и оценку вибрации (а также измерение спектральных характеристик) выполняют только для выбранных точки и направления измерения.

6.4.1.3 Значение  принимают в качестве максимального корректированного значения виброскорости за время оценки вибрационного воздействия, которое сравнивают с нормативными значениями по СНиП 32-02.

6.4.1.4 Рассчитывают среднее квадратическое корректированное значение виброскорости за время измерения по формуле

                                                       (6.2)

где  и N - те же величины, что в формуле (6.1).

6.4.1.5 Рассчитывают среднее квадратическое корректированное значение виброскорости , соответствующее времени отсутствия поездов за время измерения, по формуле

                                              (6.3)

где  и N - те же величины, что в формуле (6.1);

п - число событий прохождения поезда за время измерения Тт; штрих у знака суммы означает, что учитываются лишь те значения , которые были зарегистрированы в интервалы, когда прохождение поезда отсутствовало.

6.4.1.6 Рассчитывают эквивалентное корректированное значение виброскорости  за время оценки (16 ч днем, 8 ч ночью) по формуле

,                                (6.4)

где Bl = 1 для дневного времени оценки, Вl = 0,8 для ночного времени оценки; значение постоянной Сl определяется в зависимости от графика движения поездов и режима движения l, в котором проводятся измерения, по приложению И.

Допускается вычисление эквивалентного корректированного значения по формуле (6.2) при условии определения средних квадратических корректированных значений виброскорости  за время измерения по 6.4.1.4 для всех предписанных графиком режимов движения поездов в дневное и ночное время суток.

6.4.2 Обработка результатов измерений спектральных значений виброскорости.

При необходимости выполнения спектрального анализа (см. 6.5.2) обработку результатов измерений проводят по 6.4.1.1 - 6.4.1.6 с заменой корректированных величин на величины , , , , , обозначающие соответствующие значения виброскорости в октавных полосах со среднегеометрическими частотами 16 Гц (k = 1), 31,5 Гц (k = 2) и 63 Гц (k = 3).

6.5 Оценка вибрационного воздействия

6.5.1 Сначала оценку проводят по корректированным значениям виброскорости:

- при  £  / 2,1 и  £  / 2,1 требования санитарных норм выполнены;

- при  >  или  >  требования санитарных норм не выполнены.

Значения  и  принимают по таблице 3.1 СНиП 32-02.

6.5.2 Если /2,l <  £  или  / 2,1 <  £ , вывод о соответствии или несоответствии вибрации требованиям санитарных норм делают по результатам оценки значений  и veq в октавных полосах со среднегеометрическими частотами 16 Гц, 31,5 Гц и 63 Гц:

- при  £ vдоп и veqk £ veq,доп, k = 1, 2, 3 требования санитарных норм выполнены;

- при  > vдоп и veqk > veq,доп в какой-либо из трех октавных полос требования санитарных норм не выполнены.

Значения vдоп и veq,доп принимают по таблице 3.1 СНиП 32-02.

6.6 Представление результатов

Результаты измерений оформляют протоколом, который должен содержать следующие сведения:

- организация, проводившая измерения;

- линия метрополитена, поезда которой являются источниками оцениваемой вибрации;

- место проведения измерений (здание, этаж, квартира);

- дата и время проведения измерений;

- средства измерений (прибор, тип, заводской номер, сведения о госповерке);

- план помещения с нанесением точек измерения;

- результаты измерений корректированных виброскоростей (осциллограмма, если снималась, время измерения Тт, число N 30-секундных тактов, таблица максимальных измеренных корректированных значений виброскорости , номер точки и направление, в котором зарегистрирована наибольшая вибрация);

- время оценки (день, ночь);

- результаты обработки максимальных измеренных корректированных значений виброскорости (, , , );

- результаты оценки по корректированным значениям виброскорости;

- при необходимости, результаты измерений, обработки и оценки значений виброскорости (, , , , ) в октавных полосах частот;

- заключение по результатам оценки;

- подписи лиц, проводивших измерения и оценку вибрационного воздействия.

ПРИЛОЖЕНИЕ А

(рекомендуемое)

ФИЗИКО-МЕХАНИЧЕСКИЕ СВОЙСТВА ГРУНТОВ

Таблица А.1 - Значения упругих, массовых и диссипативных параметров различных грунтов (ВСН 211-91) [5]

Наименование грунта

Плотность

Скорость распространения продольных упругих волн

Скорость распространения поперечных упругих волн

Коэффициент поглощения

кг/м3

м/с

м/с

Насыпной грунт, уплотненный со степенью влажности G < 0,5

1600

300

100

0,1

Песок крупный и средней крупности со степенью влажности G < 0,8

1700

500

150

0,1

Суглинок тугопластичный и плотно-пластичный

1700

600

250

0,15

Глина твердая и полутвердая

1700

1500

350

0,15

Лесс, лессовидный суглинок при показателе просадочности П = 0,17

1500

400

150

0,15 - 0,2

Грунт при относительном содержании растительных остатков q > 0,6, торф

1000

200

80

0,2

Илы супесчаные, глинистые

1500 - 1800

1100

300

0,2

Водонасыщенный грунт ниже уровня грунтовых вод при степени влажности G > 0,9

2000

1750

250

0,1

Насыпные рыхлые пески, супеси, суглинки и другие неводонасыщенные грунты

1400 - 1700

100 - 300

70 - 150

0,1 - 0,2

Гравелисто-песчаные

1600 - 1900

200 - 500

100 - 250

0,1

Песчаные маловлажные

1400 - 1700

150 - 900

130 - 500

0,05 - 0,1

То же, средней влажности

1600 - 1900

250 - 1300

160 - 600

0,05 - 0,1

То же, водонасыщенные

1700 - 2200

300 - 1600

200 - 800

0,05 - 0,1

Супеси

1600 - 2000

300 - 1200

120 - 600

0,1 - 0,15

Суглинки

1600 - 2100

300 - 1400

140 - 700

0,15 - 0,2

Глинистые влажные, пластичные

1700 - 2200

500 - 2800

130 - 200

0,2

То же, плотные, полутвердые

1900 - 2600

2000 - 3500

1100 - 2000

0,15

Лесс и лессовидные грунты

1300 - 1600

380 - 400

130 - 140

0,15

ПОЛУСКАЛЬНЫЕ И СКАЛЬНЫЕ ПОРОДЫ

Мергель

1800 - 2600

1400 - 3500

800 - 2000

0,05 - 0,1

Песчаник рыхлый

1800 - 2200

1500 - 2500

800 - 1700

0,1

То же, плотный

2000 - 2600

2000 - 4300

1100 - 2500

0,05 - 0,1

То же, сильновыветренный

1700 - 2200

1000 - 3000

600 - 1800

0,1

Известняк прочный

2000 - 3000

3000 - 6500

1500 - 3700

0,05

Глинистые сланцы

2000 - 2800

2000 - 5000

1200 - 3000

0,05 - 0,1

Изверженные и метаморфические породы (гранит, гнейс, базальт, диабаз и пр.) трещиноватые

2400 - 3000

3000 - 5000

1700 - 3000

0,05 - 0,1

То же, нетрещиноватые

2700 - 3300

4000 - 6500

2700 - 4300

0,03 - 0,05

ПРИЛОЖЕНИЕ Б

(рекомендуемое)

РАСЧЕТ ЗНАЧЕНИЙ ВИБРОСКОРОСТИ НА ПОВЕРХНОСТИ ГРУНТА ВБЛИЗИ ПЕРЕГОННЫХ ТОННЕЛЕЙ

Определение величин вибрации поверхности грунта проводится в соответствии с разделами 4, 6 настоящего Свода правил.

Необходимо задать следующие исходные данные:

· величины виброскорости лотковой части обделки тоннеля, определяемые в октавных полосах (таблица 3.2) или непосредственно с учетом 4.3 настоящего Свода правил;

· параметры грунта;

· параметры обделки, включая геометрическую форму и размеры, массовые и упругие характеристики материала обделки;

· данные о глубине заложения тоннеля и расстояние от оси тоннеля до контрольной точки.

Пример расчета

Определить амплитуды виброскорости на поверхности грунта, возбуждаемого движением поездов метрополитена в тоннеле с глубиной заложения 12 м от основания лотка до поверхности. Строение пути - типовое (деревянные шпалы, утопленные в бетон). Конструкция обделки тоннеля - цельносекционная железобетонная (приложение Г настоящего Свода правил, рисунок Г.2). Геологическая обстановка - суглинок тугопластичный с плотностью 1700 кг/м3, скоростями распространения продольных и поперечных волн соответственно 600 и 250 м/с и декрементом затухания во всем нормируемом диапазоне частот 0,1.

Зависимости максимальных величин вибрации в октавных диапазонах 16, 31,5 и 63 Гц от расстояния до стены тоннеля (в плане) приводятся соответственно на рисунках Б.1 - Б.3. Все расчеты производятся для максимальных значений виброскорости.

На тех же рисунках приводятся для сравнения нормативные значения виброскорости для жилых зданий в ночное время суток.

Переход к эквивалентным значениям производится по формуле, представленной в 6.4 настоящего Свода правил с учетом реального режима движения поездов на рассматриваемой линии метрополитена.

Расчет дает следующие результаты:

Удаление 10 м    16 Гц - 1,4 × 10-5 м/с, превышение составляет 2 дБ;

31,5 Гц - 1,2 × 10-4 м/с, превышение составляет 21 дБ;

63 Гц - 6,4 × 10-5 м/с, превышение составляет 15 дБ.

Корректированная величина - 3,5 × 10-5 м/с, превышение составляет 9 дБ.

Удаление 20 м    16 Гц - 7,3 × 10-6 м/с, превышение отсутствует;

31,5 Гц - 4,9 × 10-5 м/с, превышение составляет 13 дБ;

63 Гц - 1,7 × 10-5 м/с, превышение составляет 4 дБ.

Корректированная величина - 1,3 × 10-5 м/с, превышение составляет 2 дБ.

Для снижения величин вибрации в частотных октавных диапазонах 16, 31,5 и 63 Гц могут быть использованы плиты жесткости в основании и перекрытии тоннеля в комбинации со стеной в грунте, прилегающей к стене обделки со стороны расчетных точек. Задаем толщину плит и стены в грунте, равную 40 см. Расчет максимальных корректированных величин виброскорости приводит к следующим результатам:

Удаление 10 м

Корректированная величина - 1,1 × 10-5 м/с, превышение отсутствует.

Удаление 20 м

Корректированная величина - 4,0 × 10-6 м/с, превышение отсутствует.

1 - вертикальная составляющая; 2 - горизонтальная составляющая; 3 - нормативное значение

Рисунок Б.1 - Зависимость максимальной величины вертикальной и горизонтальной составляющих виброскорости v от расстояния до тоннеля l в октавном диапазоне 16 Гц

1 - вертикальная составляющая; 2 - горизонтальная составляющая; 3 - нормативное значение

Рисунок Б.2 - Зависимость максимальной величины вертикальной и горизонтальной составляющих виброскорости v от расстояния до тоннеля l в октавном диапазоне 31,5 Гц

1 - вертикальная составляющая; 2 - горизонтальная составляющая; 3 - нормативное значение

Рисунок Б.3 - Зависимость максимальной величины вертикальной и горизонтальной составляющих виброскорости v от расстояния до тоннеля l в октавном диапазоне 63 Гц

ПРИЛОЖЕНИЕ В

(справочное)

ЭФФЕКТИВНОСТЬ НЕКОТОРЫХ ВИБРОЗАЩИТНЫХ УСТРОЙСТВ

Таблица В.1. - Значения эффективности некоторых виброзащитных устройств

Тип виброзащитного устройства

Эффективность DLэфф виброзащитного устройства (дБ) в октавах

16 Гц и 31,5 Гц

63 Гц

Устройства в рельсовых скреплениях

3

5

Балластное корыто на амортизаторах

8

13

Железобетонные рамы, опирающиеся на амортизаторы

9

13

Подшпальные амортизирующие прокладки

~ 0

8

Железобетонные лежни

~ 0

13

Плиты жесткости

В основании тоннеля

В основании и перекрытии тоннеля

В основании тоннеля

В основании и перекрытии тоннеля

Толщина, м

0,2

3

5

2

4

0,4

5

7

4

7

0,6

6

10

6

9

0,8

7

12

7

11

Представленные в таблице В.1 значения эффективности DLэфф вычисляются по формуле , здесь v и vвзм - амплитуда виброскорости без учета и с учетом виброзащитного мероприятия в октавной полосе со среднегеометрической частотой 16, 31,5 или 63 Гц.

ПРИЛОЖЕНИЕ Г

(справочное)

КОНСТРУКЦИИ ТОННЕЛЬНЫХ ОБДЕЛОК, ЛОТКА И ВЕРХНЕГО СТРОЕНИЯ ПУТИ

Перегонный тоннель:

а) из сборных ж/б блоков                                 б) цельносекционный

в) из сборных ж/б блоков                                      г) с чугунной обделкой

д) сдвоенный перегонный тоннель из сборных ж/б блоков

Рис. Г.1 - Конструкции тоннельных обделок

Перегонный тоннель с чугунной обделкой

Перегонный тоннель с железобетонной обделкой

Рисунок Г.2 - Конструкции лотка и верхнего строения пути

ПРИЛОЖЕНИЕ Д

(рекомендуемое)

АППАРАТУРА, РЕКОМЕНДУЕМАЯ ДЛЯ ВЫПОЛНЕНИЯ ИЗМЕРЕНИЙ И ВЫПОЛНЕНИЯ ЧАСТОТНОГО АНАЛИЗА

В измерительном тракте в качестве вибродатчиков рекомендуется использовать акселерометры типа АР-98 фирмы «Глобал-Тест» (Россия), типа D3143M1 фирмы «Ditran Instruments», типа 4332 фирмы «Bruel & Kjaer» (Дания) или типа 353В33 фирмы «Larson-Davis» (США).

Для выполнения частотного анализа рекомендуется применение цифровых анализаторов фирм «Svantek» (Польша) - типы SVAN 912AE, SVAN 946, SVAN 947, «Октава+» (Россия) - тип Октава 101В, «Bruel & Kjaer» (Дания) - тип 2260, «Hewlett Packard» (США) - тип HP 3569A, «Larson-Davis» (США) - тип D2800 (2900).

ПРИЛОЖЕНИЕ Е

(рекомендуемое)

ПРИМЕР ОПРЕДЕЛЕНИЯ ФИЗИКО-МЕХАНИЧЕСКИХ ПАРАМЕТРОВ ГРУНТА

Для определения коэффициента поглощения вибрации в грунте были проведены измерения виброскорости, возбуждаемой при проведении десяти слабых стандартизованных взрывов. Измерения величин вибраций проводились в соответствии с требованиями ГОСТ 12.1.012. Использовалась аппаратура «Bruel & Kjaer» (Дания) и «Larson-Davis» (США).

В измерительном тракте в качестве вибродатчиков использовались акселерометры типа 4332 фирмы «Bruel & Kjaer» и типа 353В33 фирмы «Larson-Davis». Данные акселерометры являются прецизионными пьезокерамическими преобразователями с широким частотным (до 30000 Гц) и динамическим (более 120 дБ) диапазонами. Акселерометры серии 353В33 используют встроенную электронику для согласования сигнала. Согласование служит для преобразования высокоимпедансного зарядового сигнала с пьезокристалла в низкоимпедансный сигнал напряжения с импедансом менее 100 Ом. Такой низкоимпедансный сигнал может передаваться по обычным кабелям на большие расстояния практически без ослабления.

Сигнал от вибродатчиков регистрировался на четырехканальном магнитофоне типа 7005 фирмы «Bruel & Kjaer». Частотная характеристика магнитофона позволяет производить запись и воспроизведение сигналов без частотных искажений от 0,1 до 10000 Гц.

В качестве согласующих устройств использовались усилители анализатора типа 2900 фирмы «Larson-Davis» и усилители регистрирующего магнитофона.

Перед проведением измерений и после каждой серии измерений все измерительные тракты калибровались при помощи калибратора типа 4294 фирмы «Bruel & Kjaer».

При измерениях на поверхности грунта для крепления датчиков использовались металлические плиты диаметром 500 мм и толщиной 10 мм.

Вибрация в грунте возбуждалась взрывным воздействием на стенки и дно шахты глубиной Н = 21,75 м и диаметром 8 м. Шахта представляла собой цилиндр, стены которого смонтированы из чугунных тюбингов. В зоне измерений структура грунта следующая: верхний слой глины толщиной 6 м, далее песок.

На поверхности грунта измерялись вертикальные и горизонтальные среднегеометричные значения виброскорости на расстояниях от стены шахты l = 0, 10, 20, 30, 40 м.

Сигналы записывались на четыре канала магнитофона и анализировались в лабораторных условиях спектроанализатором типа 2900 фирмы «Larson-Davis». Результаты приведены в таблицах Е.1 и Е.2.

Таблица Е.1 - Вертикальная компонента виброскорости

Октавные полосы со среднегеометрическими частотами (Гц)

Амплитуды виброскорости (мм/с)

Расстояние от ствола шахты (м)

0

10

20

30

40

16

0,149

0,149

0,149

0,080

0,050

31,5

0,152

0,142

0,076

0,041

0,023

63

0,142

0,129

0,068

0,035

0,019

Таблица Е.2 - Горизонтальная компонента виброскорости

Октавные полосы со среднегеометрическими частотами (Гц)

Амплитуды виброскорости (мм/с)

Расстояние от ствола шахты (м)

0

10

20

30

40

16

0,169

0,169

0,169

0,149

0,030

31,5

0,172

0,172

0,152

0,066

0,027

63

0,169

0,134

0,149

0,066

0,021

В данном случае имеется предварительная информация о стратификации верхней части грунта. Поэтому в качестве исходных параметров для расчета берутся величины, указанные в таблице Е.3 (см. приложение А).

Таблица Е.3 - Исходные значения параметров

№ слоя

Тип грунта

Толщина слоя, м

сmin, м/с

сmax, м/с

bmin

bmax

1

Глинистый

6

50

2800

0,1

0,4

2

Песчаный сухой

20

150

900

0,05

0,1

Кроме приведенных параметров, учитывая 4.2.4, 4.2.5, 4.2.7 настоящего СП, задаются постоянная для всех слоев плотность r = 1800 кг/м3 и скорость поперечных упругих волн, вычисляемая для каждого слоя с помощью формулы

и постоянного коэффициента Пуассона v = 0,4.

Параметры грунта в соответствии с экспериментальными данными оцениваются для двух частот: 16 и 63 Гц. Критерием правильного определения параметров грунта для имеющихся двух слоев является минимум функции невязки

Здесь  - значения экспериментальной кривой зависимости амплитуды вибрации в точках измерения хi;

 - результат расчета по методике раздела 3 в тех же точках хi;

величины тj - определяемые параметры (индексы при с и b отвечают двум слоям):

m1 = с1; m2 = b1;

m3 = с2; m4 = b2.

Результат оценки параметров приводится в таблице Е.4.

Таблица Е.4 - Результат определения физико-механических параметров грунта

Номер слоя

Скорость продольных волн с, м/с

Коэффициент затухания b

16 Гц

31,5 Гц

63 Гц

16 Гц

31,5 Гц

63 Гц

1

800

900

1000

0,2

0,15

0,1

2

600

700

800

0,15

0,1

0,06

Сопоставление расчетных (при найденных значениях параметров) и экспериментальных данных (уровней L вертикальных проекций виброскорости v) для октавных полос 16, 31,5 и 63 Гц приведены на рисунке Е.1. Уровни рассчитывались по формуле (4.1).

¨ - экспериментальные значения, ■ - расчетные значения

Рисунок Е.1 - Измеренные и рассчитанные значения виброскорости

ПРИЛОЖЕНИЕ Ж

(рекомендуемое)

СВОДКА ОБОБЩЕННЫХ ХАРАКТЕРИСТИК ВИБРОЗАЩИТНЫХ УСТРОЙСТВ

В настоящем приложении представлены основные виброзащитные устройства, применяемые в перегонных тоннелях метрополитена. Для каждого устройства приводится оценка эффективности. При этом эффективность подсчитывалась по формуле (4.1). В зависимости от конструкции тоннеля и характеристик окружающего грунта приведенная оценка может меняться в пределах ± 2 дБ.

В сводной таблице Ж.1 представлены конструкции для обделки прямоугольного типа. Аналогичные результаты получаются и для других конструкций: круглой и прямоугольной сдвоенной.

Таблица Ж.1 - Эффективность виброзащитных устройств

Поперечный профиль пути на перегоне без применения виброзащитных мероприятий

1 - путевой бетон; 2 - шпала; 3 - обделка

f = 16 Гц

DL ~ 0

f = 31,5 Гц

DL ~ 0

f = 63 Гц

DL ~ 0

Упругая прокладка под рельс

1 - прокладка резиновая; 2 - подкладка стальная; 3 - прокладка гомбелит или фанера клееная, резина; 4 - деревянная шпала

f = 16 Гц

DL ~ 0

f = 31,5

Гц DL ~ 0

f = 63 Гц

DL ~ 0

Конструкция балластного корыта на амортизаторах

1 - балластное корыто; 2 - упругая подвеска-амортизатор; 3 - шпала

f = 16 Гц

DL ~ 0 - 7 дБ

f = 31,5 Гц

DL ~ 7 - 12 дБ

f = 63 Гц

DL ~ 15 - 20 дБ

Упругая прокладка под шпалу

1 - прокладка резиновая; 2 - шпала деревянная; 3 - прокладка боковая; 4 - прокладка регулировочная

f = 16 Гц

f = 31,5 Гц

DL ~ 0 дБ

f = 63 Гц

DL ~ 5 дБ

Упругий мат под бетонным основанием пути

1 - обделка; 2 - рельс и шпала; 3 - путевой бетон; 4 - виброизолирующий мат; 5 - герметик; 6 - балластное корыто

f = 16 Гц

DL ~ 0 - 3 дБ

f = 31,5 Гц

DL ~ 7 - 10 дБ

f = 63 Гц

DL ~ 15 - 20 дБ

ПРИЛОЖЕНИЕ З

(рекомендуемое)

ПРИМЕР ПОДБОРА ПАРАМЕТРОВ ВИБРОИЗОЛИРУЮЩЕЙ КОНСТРУКЦИИ ВЕРХНЕГО СТРОЕНИЯ ПУТИ

Исходные данные

Пусть на участке линии метрополитена имеется типовая конструкция тоннельной обделки прямоугольного очертания с глубиной заложения 10 м (от оси тоннеля до поверхности грунта). Грунтовые условия определяются типичными для Москвы влажными песчаными грунтами со скоростью продольных и поперечных упругих волн соответственно 900 и 170 м/с, плотностью 1800 кг/м3 и декрементом затухания 0,1. Величины возбуждаемых на поверхности грунта уровней вибраций определяются согласно разделу 3 и представлены на рисунке З.1: а - 31,5 Гц; б - 63 Гц. Этим частотным диапазонам соответствуют предельно допустимые санитарными нормами значения в жилых помещениях для ночного времени 57 дБ.

Предполагается, что требуется выполнение санитарных норм на расстоянии 10 м от оси тоннеля. На рисунке З.1 приведены соответствующие расчетные значения ожидаемой вибрации (67,3 и 70,2 дБ на 10 м от оси тоннеля). Таким образом требуется снижение уровней возбуждаемой вибрации в диапазонах 31,5 и 63 Гц соответственно на 10,2 и 13,2 дБ. Для предварительного подбора типа виброизолирующей конструкции верхнего строения необходимо обратиться к таблице Ж.1 настоящего Свода правил. Требуемую эффективность обеспечивают конструкции верхнего строения пути типа амортизаторов или упругого мата под балластным корытом или амортизаторов под лежневыми блоками. Упругие характеристики соответствующих конструкций подбираются с использованием рисунков 5.4 - 5.11. Для конкретных значений параметров грунта имеем следующие величины требуемых коэффициентов упругости: для упругих элементов, расположенных под балластным корытом, k = 2,8 × 108 Н/м и под лежневыми блоками - k = 1,0 × 108 Н/м в расчете на длину вагона.

Далее проверяется требование удовлетворения условий на статическую просадку системы под нагрузкой подвижного состава. Для этого используется рисунок 5.12. Имеем для жесткости k = 2,8 × 108 Н/м просадку s < 3 мм и для k = 1,0 × 108 Н/м s = 5 мм, что в обоих случаях удовлетворяет техническим требованиям (s < 6 мм) [4].

В заключение проверяются прогнозируемые уровни виброскорости (с учетом вибропонижающего мероприятия) на соответствие санитарным нормам. В рассматриваемом случае имеем для 31,5 Гц величину L = 61,3 - 10,2 = 51,1 дБ (оба варианта конструкций) и для 63 Гц L = 58,1 - 25 = 33,1 дБ - амортизаторы под балластным корытом и L = 58,1 - 23 = 35,1 дБ - под лежневыми блоками. Во всех случаях санитарные нормы, приводимые в таблице 3.1, будут выполняться.

Выбор конкретного конструктивного решения (сплошные упругие маты или набор амортизаторов) под балластным корытом или лежневыми блоками осуществляется из имеющихся технических или/и экономических возможностей.

Примечание - В случае если ни одно из приведенных решений не обеспечивает требуемой виброизоляции, применяются дополнительные мероприятия, приведенные в разделе 5.3 (таблицы 5.1 и 5.2) настоящего Свода правил, а также мероприятия, реализуемые в грунте между источником (тоннелем метрополитена) и нормируемой точкой на поверхности грунта, приводимые в разделе 3.

a - f = 31,5 Гц; б - f = 63 Гц

Рисунок З.1 - Зависимость величины возбуждаемой вибрации от расстояния до оси тоннеля (в плане)

ПРИЛОЖЕНИЕ И

(обязательное)

ОПРЕДЕЛЕНИЕ ПОСТОЯННОЙ С

И.1 При условии выбора одинакового числа событий прохождения поездов за время измерения в различные режимы движения и предположении, что фон существенно ниже сигнала, регистрируемого от поезда, и его можно не учитывать при определении среднего квадратического корректированного или спектрального значения виброскорости за время измерения, значения  для различных режимов движения связаны с определенным по 6.4.1.4 (6.4.2) средним квадратическим корректированным (спектральным) значением виброскорости за время измерения , соответствующим режиму l (в котором выполнены измерения), выражением

, , k = 1, 2, 3,                                     (И.1)

где tj и tl - интервалы движения поездов в j-м режиме и режиме l, в котором выполнены измерения, мин.

И.2 Значения постоянной Сl, связывающей эквивалентное корректированное (спектральное) значение виброскорости за время оценки со средним квадратическим корректированным (спектральным) значением виброскорости за время измерения, определенным для режима, в котором выполнены измерения, вычисляют по формуле

,                                                 (И.2)

где Тr - время оценки вибрационного воздействия: 16 ч днем, 8 ч ночью;

Тj - частичное время воздействия вибрации, соответствующее реализации j-го режима движения поездов.

Пример - Представленная службой движения информация о числе поездов, задействованных на линиях Московского метрополитена в различное время суток, приведена в таблице И.1.

В таблице И.2 приведены вычисленные по данным таблицы И.1 интервалы движения поездов в различное время суток. Можно выделить от 5 до 8 режимов движения поездов в дневное время и от 3 до 5 режимов движения поездов в ночное время, характеризующихся одинаковыми интервалами tj.

Значения постоянной Сl, вычисленные из формулы (И.2) для случая выполнения измерений в режиме наиболее интенсивного движения поездов (таблица И.2), приведены в таблице И.3.


Таблица И.1 - График движения поездов по линиям Московского метрополитена

Время

Сокольническая линия

Замоскворецкая линия

Каховская-Каширская линия

Арбатско-Покровская линия

Филевская линия

Дни/Часы

Рабочие

Субботние

Воскресные

Пятница

Рабочие

Субботние

Воскресные

Пятница

Рабочие

Субботние

Воскресные

Пятница

Рабочие

Субботние

Воскресные

Пятница

Рабочие

Субботние

Воскресные

Пятница

5 - 6

8

7

7

8

13

13

11

13

4

3

3

4

7

6

6

6

8

6

4

8

6 - 7

21

11

11

21

29

27

20

29

14

12

10

14

20

18

16

21

18

13

11

18

7 - 1

34

22

22

34

31

30

21

38

14

15

12

14

36

24

16

36

32

17

12

32

8 - 9

36

24

24

36

39

30

24

39

16

15

12

16

36

27

16

36

32

17

15

32

9 - 10

25

24

24

25

21

21

25

21

14

12

12

14

23

24

18

23

17

16

15

17

10 - 11

25

25

25

25

24

21

26

24

12

12

12

12

22

24

18

22

15

16

15

15

12 - 13

27

26

26

27

24

21

26

24

12

12

12

12

22

24

18

22

15

16

15

15

13 - 14

27

27

27

27

25

21

26

25

12

12

12

12

22

24

18

22

15

16

15

17

14 - 15

27

27

27

28

30

27

26

30

15

12

12

15

22

24

18

22

17

16

15

23

15 - 16

30

27

27

36.

34

27

26

34

15

12

12

15

22

24

18

30

23

16

15

26

16 - 17

32

27

27

36

36

27

26

36

17

12

12

17

30

24

18

36

26

16

15

32

17 - 18

36

27

27

32

40

27

26

40

20

12

12

20

36

24

18

34

32

17

15

32

18 - 19

36

21

25

30

40

27

25

40

20

12

12

20

36

24

18

26

32

17

15

25

19 - 20

26

21

21

21

31

27

25

38

18

12

12

18

27

24

18

22

25

17

15

11

20 - 21

24

19

19

24

34

24

23

34

15

12

12

15

20

19

15

17

18

15

15

14

21 - 22

19

15

15

17

24

22

21

24

12

10

10

12

19

17

15

15

14

12

14

13

22 - 23

14

13

13

12

22

18

19

22

10

10

10

10

13

14

14

15

13

11

13

13

23 - 24

10

11

11

8

18

16

14

18

8

6

6

8

12

14

13

12

12

11

12

12

24 - 01

7

8

8

6

12

10

10

12

6

6

6

6

12

14

14

13

11

11

11

11

01 - 02

1

1

1

1

1

1

1

1

1

1

1

1

1

1

1

1

1

1

1

1

Окончание таблицы И.1

Время

Кольцевая линия

Калужско-Рижская линия

Таганско-Краснопресненская линия

Калининская линия

Серпуховско-Тимирязевская линия

Люблинская линия

Дни/Часы

Рабочие

Субботние

Воскресные

Пятница

Рабочие

Субботние

Воскресные

Пятница

Рабочие

Субботние

Воскресные

Пятница

Рабочие

Субботние

Воскресные

Пятница

Рабочие

Субботние

Воскресные

Пятница

Рабочие

Субботние

Воскресные

Пятница

5 - 6

9

8

9

9

14

10

8

14

9

6

6

9

6

5

5

6

8

7

6

7

5

4

3

5

6 - 7

21

28

16

21

31

25

17

31

28

18

14

28

20

13

13

20

23

13

9

23

15

15

10

15

7 - 1

34

28

20

34

38

27

19

38

39

26

18

39

34

19

19

34

38

20

11

38

20

17

15

20

1 - 9

34

26

24

34

38

26

22

38

40

25

20

40

34

20

20

34

38

20

12

38

20

17

15

20

9 - 10

25

24

24

24

30

26

23

30

25

25

21

25

20

18

18

20

22

17

15

22

15

17

13

15

10 - 11

22

24

24

22

25

26

24

25

20

24

22

20

20

17

17

20

20

17

15

20

12

17

15

12

11 - 12

22

26

24

22

25

26

24

25

20

24

22

20

20

17

17

20

20

17

15

20

12

17

15

12

12 - 13

22

26

24

22

25

26

24

25

20

24

22

20

20

17

17

20

20

17

15

20

12

17

15

12

13 - 14

22

26

24

22

25

26

24

25

20

24

22

24

20

17

17

20

20

17

15

20

12

17

15

12

14 - 15

22

26

24

23

25

26

24

30

24

24

22

27

20

17

17

26

20

17

15

22

12

17

15

15

15 - 16

23

26

24

28

30

26

24

36

28

24

22

36

24

17

17

34

22

17

15

30

15

17

15

18

16 - 17

28

26

24

33

35

26

24

38

38

24

22

39

26

17

17

34

30

17

15

38

18

17

15

20

17 - 18

33

26

24

35

38

25

24

38

39

24

22

37

34

17

17

28

38

17

15

38

20

17

15

20

18 - 19

35

26

24

25

38

25

25

32

35

24

22

30

34

16

16

24

38

17

16

25

20

17

15

18

19 - 20

25

22

23

20

30

24

26

30

25

20

22

26

22

15

15

17

23

15

17

22

18

15

15

15

20 - 21

19

22

22

20

24

21

23

21

20

18

21

21

17

15

15

15

17

15

15

17

15

15

15

15

21 - 22

17

20

20

17

19

18

22

16

16

16

21

16

14

10

10

13

14

12

12

14

12

15

15

12

22 - 23

14

18

16

15

15

14

18

15

14

13

14

13

10

9

9

10

9

10

10

10

8

8

10

8

23 - 24

14

16

14

14

12

13

14

13

10

10

13

10

8

9

9

7

8

7

8

8

7

7

7

7

24 - 01

14

14

14

13

9

10

10

10

9

9

9

9

6

6

6

6

6

6

6

7

7

7

6

7

01 - 02

3

3

4

4

1

1

1

1

1

1

1

1

1

1

1

1

1

1

 

I

1

I

1

1

Таблица И.2 - Интервалы tj движения поездов в одном направлении в рабочие дни на линиях Московского метрополитена по утвержденному графику в соответствии с таблицей И.1

Часы суток

tj, мин, на линии

Сокольнической

Замоскворецкой

Каховско-Каширской

Арбатско-Покровской

Филевской

Кольцевой

Калужско-Рижской

Таганско-Краснопресненской

Калининской

Серпуховско-Тимирязевской

Люблинской

5 - 6

7,5

4,5

1,5

8,5

7,5

6,5

4,5

4,5

10,0

7,5

12,0

6 - 7

3,0

2,0

4,5

3,0

3,5

3,0

2,0

2,0

3,0

2,5

4,0

7 - 8

2,0

1,5

4,5

1,5

2,0

2,0

1,5

1,5

2,0

1,5

3,0

8 - 9

1,5

1,5

4,0

1,5

2,0

2,0

1,5

1,5

2,0

1,5

3,0

9 - 10

2,5

2,0

4,5

2,5

3,5

2,5

2,0

2,5

3,0

2,5

4,0

10 - 11

2,5

2,5

5,0

2,5

4,0

2,5

2,5

3,0

3,0

3,0

5,0

11 - 12

2,0

2,5

5,0

2,5

4,0

2,5

2,5

3,0

3,0

3,0

5,0

12 - 13

2,0

2,5

5,0

2,5

4,0

2,5

2,5

3,0

3,0

3,0

5,0

13 - 14

2,0

2,5

5,0

2,5

4,0

2,5

2,5

3,0

3,0

3,0

5,0

14 - 15

2,0

2,0

4,0

2,5

3,5

2,5

2,5

2,5

3,0

3,0

5,0

15 - 16

2,0

2,0

4,0

2,5

2,5

2,5

2,0

2,0

2,5

2,5

4,0

16 - 17

2,0

1,5

3,5

2,0

2,5

2,0

1,5

1,5

2,5

2,0

3,5

17 - 18

1,5

1,5

3,0

1,5

2,0

2,0

1,5

1,5

2,0

1,5

3,0

18 - 19

1,5

1,5

3,0

1,5

2,0

1,5

1,5

1,5

2,0

1,5

3,0

19 - 20

2,5

1,5

3,5

2,0

2,5

2,5

2,0

2,5

2,5

2,5

3,5

20 - 21

2,5

2,0

4,0

3,0

3,5

3,0

2,5

3,0

3,5

3,5

4,0

21 - 22

3,0

2,5

5,0

4,0

4,5

3,5

3,0

4,0

4,5

4,5

5,0

22 - 23

4,5

2,5

6,0

4,5

4,5

4,5

4,0

4,5

6,0

6,5

7,5

23 - 24

6,0

3,5

7,5

5,0

5,0

4,5

5,0

6,0

7,5

7,5

8,5

24 - 01

8,5

5,0

10,0

5,0

5,0

4,5

6,5

6,5

10,0

10,0

8,5

01 - 02

8,5

8,5

8,5

8,5

8,5

4,5

8,5

7,0

7,0

7,0

8,5

Таблица И.3 - Значения постоянной Сl для линий Московского метрополитена при выполнении измерений в режиме наиболее интенсивного движения поездов

Время оценки

Значение Сl для линии

Сокольнической

Замоскворецкой

Каховско-Каширской

Арбатско-Покровской

Филевской

Кольцевой

Калужско-Рижской

Таганско-Краснопресненской

Калининской

Серпуховско-Тимирязевской

Люблинской

День (с 7 до 23 ч)

0,85

0,90

0,85

0,80

0,80

0,80

0,85

0,80

0,85

0,80

0,85

Ночь (с 23 до 7 ч)

0,55

0,55

0,60

0,60

0,65

0,60

0,55

0,50

0,55

0,50

0,60


ПРИЛОЖЕНИЕ К

(справочное)

БИБЛИОГРАФИЯ

[1]                             Справочник по технической акустике / Под ред. М. Хекла и Х.А. Мюллера. - Л.: Судостроение, 1980, 437 с.

[2]                             Совершенствование конструкции железнодорожного пути метрополитенов. Труды ВНИИЖТа. Выпуск 630. - М.: Транспорт, 1981.

[3]                             Ландау Л.Д., Лифшиц Е.М. Теория упругости. - М.: Наука, 1987.

[4]                             Разработка рекомендаций по виброизолирующей конструкции верхнего строения пути для Московского метрополитена. Научно-технический отчет. МОО «Тоннельная ассоциация», 1998.

[5] ВСН 211-91       Прогнозирование уровней вибрации грунта от движения метропоездов и расчет виброзащитных устройств. Минтрансстрой.

[6] МР 2957-84       Методические рекомендации по измерению и гигиенической оценке вибрации в жилых помещениях. Минздрав СССР. - М., 1984.

Ключевые слова: уровень вибрации, физико-механические свойства грунта, виброизоляция верхнего строения пути метрополитена, снижение возбуждаемой вибрации, методы измерения и оценки вибрации в помещениях от движения поездов в метрополитенах




Яндекс цитирования



   Copyright © 2007-2026,  www.tehlit.ru.

[ ѓосты, стандарты, нормативы, инструкции, правила, строительные нормы ]