//
ТехЛит.ру
- крупнейшая бесплатная электронная интернет библиотека для "технически умных" людей.
WWW.TEHLIT.RU - ТЕХНИЧЕСКАЯ ЛИТЕРАТУРА

:: Алготрейдинг::


АЛГОТРЕЙДИНГ
шаг за шагом
с нуля по урокам!

Торговые роботы на PYTHON, BackTrader,
Pandas, Pine Script для TradingView. Связка с брокерами, телеграм и легкими приложениями.


МИНИСТЕРСТВО СВЯЗИ СССР

ГЛАВНОЕ УПРАВЛЕНИЕ КОСМИЧЕСКОЙ И РАДИОСВЯЗИ

СБОРНИК
НОРМАТИВНЫХ ДОКУМЕНТОВ
ПО КРУПНЫМ СИСТЕМАМ
КОЛЛЕКТИВНОГО ПРИЕМА
ТЕЛЕВИДЕНИЯ

РУКОВОДЯЩИЕ ТЕХНИЧЕСКИЕ МАТЕРИАЛЫ

КРУПНЫЕ СИСТЕМЫ
КОЛЛЕКТИВНОГО ПРИЕМА ТЕЛЕВИДЕНИЯ

(РТМ.6.030-1-87)

ПРЕЙСКУРАНТИЗДАТ

Москва - 1989

В сборнике представлены нормативные материалы по крупным системам коллективного приема телевидения (КСКПТ) и системам кабельного телевидения (СКТВ). Он включает в себя инструкцию по монтажу, инструкцию по настройке, инструкцию по приемке систем в эксплуатацию, правила технической эксплуатации, правила техники безопасности, материалы по проектированию систем. Приводятся технические характеристики применяемого при сооружении КСКПТ и СКТВ отечественного и зарубежного оборудования и кабелей, дана методика и пример расчета систем кабельного телевидения.

Настоящие материалы обязательны для исполнения предприятиями и организациями, осуществляющими проектирование, сооружение и техническую эксплуатацию КСКПТ и СКТВ.

Сборник предназначен для широкого круга специалистов.

ПРЕДИСЛОВИЕ

Развитие передающей телевизионной сети в стране сопровождалось совершенствованием приемной сети. Повсеместное распространение получили системы коллективного приема телевидения (СКПТ).

В целях проведения единой политики в области проектирования, строительства и эксплуатации таких систем Министерство связи СССР в 1965 году в издательстве «Связь» выпустило сборник «Антенные системы коллективного приема телевидения», который до последнего времени оставался практически единственной справочной технической документацией специально по СКПТ.

В последнее десятилетие в результате массового строительства зданий повышенной этажности, полного перевода передающей сети на цветное вещание, ввода мощных передающих станций и др. СКПТ перестали во многих случаях обеспечивать высококачественный прием. Начали внедряться крупные СКПТ (КСКПТ) и системы кабельного телевидения (СКТВ), к каждой из которых подключено от сотен до десятков тысяч абонентов.

Однако, из-за отсутствия для этих систем нормативно-технической документации не было единых требований к их монтажу, настройке, техобслуживанию, их технический уровень определялся опытом, накопленным конкретными проектными, строительно-монтажными, эксплуатационными и другими организациями, знаниями отдельных специалистов.

Необходимость широкого внедрения КСКПТ и СКТВ во многих городах страны, а также освоение промышленностью специального оборудования для СКТВ и КСКПТ, поставили остро вопрос о создании указанной документации.

Обеспечивая проведение единой технической политики в области развития приемной телевизионной сети в 1985-1987 гг., Министерством связи СССР был разработан ряд нормативных документов, помещенных в настоящем сборнике.

В их разработке участвовали ведущие специалисты различных организаций Министерства связи СССР: ОРПС, НИИР, ГСПИ, треста «Мостелефонстрой», ССКТБ, МЭИС, ЦНИИЛОТ. В работе приняли участие также ведущие специалисты ряда организаций Мосгорисполкома: Управления Моспроект-1 Главного архитектурно-планировочного управления и Главного управления жилищного хозяйства. Разработка нормативных документов осуществлялась под общим руководством ГКРУ Министерства связи СССР.

Все приведенные в сборнике нормативные документы по мере их подготовки были согласованы с заинтересованными ведомствами и организациями и утверждены Министерством связи СССР (за исключением «Руководящих технических материалов КСКПТ», утвержденных ГСПИ). Кроме того, «Инструкция по приемке в эксплуатацию КСКПТ» и «Типовой договор на техническое обслуживание КСКПТ» были также утверждены исполкомом Моссовета, «Инструкция по технике безопасности при техническом обслуживании КСКПТ» согласована с технической инспекцией труда ЦК профсоюзов работников связи, а «Методическое руководство по проектированию» согласовано с Госкомархитектурой при Госстрое СССР.

Материалы сборника, за исключением приложения, являются обязательными для применения всеми министерствами, ведомствами и организациями, осуществляющими проектирование, строительство, монтаж, настройку, эксплуатацию, техническое обслуживание КСКПТ и СКТВ на территории СССР. «Типовой договор на техническое обслуживание КСКПТ» является обязательным только в г. Москве. В других городах он может быть использован лишь как рекомендательный при разработке местных договоров.

Все нормативные документы разрабатывались на основе опыта проектирования, сооружения и технической эксплуатации КСКПТ в г. Москве и ряде других городов. В них учтена ближайшая перспектива развития подобных систем. Учитывая, что сборник выпускается впервые и материалы подготавливались неодновременно различными организациями, в отдельных случаях в разных материалах возможны некоторые непринципиальные разночтения, которые будут исключены при их переработке.

Сборник подготовлен к изданию сотрудниками ОРПС под руководством А.Л. Каневского.

Все предложения по совершенствованию отдельных материалов и сборника в целом необходимо направлять по адресу: 103375 г. Москва, ул. Горького, 7, Министерство связи СССР, Главное управление космической и радиосвязи.

Главное управление космической и радиосвязи

Министерства связи СССР

Перечень сокращений

АВР - автоматическое включение резерва

АЛ - абонентская линия

АМС - антенно-мачтовые сооружения

АПУ - абонентское присоединительное устройство

АРУ - автоматическая регулировка усиления

АРУ и Н - автоматическая регулировка усиления и наклона

АС - антенная система

AT - аттенюатор

АУ* - антенный усилитель

АЧХ - амплитудная частотная характеристика

БВС - блок выбора строки

БДП - блок дистанционного питания

БП - блок питания

БФТК - блок фильтров телевизионных канальных

ВГС - временная головная станция

ВКП - воздушно-кабельный переход

ВМ - ведомости потребности в материалах

ВРУ - вводно-распределительное устройство

ГОСТ - государственный стандарт

ГОЧ - генератор опорной частоты

ГС* - головная станция

ГТС - городские телефонные сети

ГЭМ - главэлектромонтаж

ДВ* - домовый ввод

ДРС* - домовая распределительная сеть

ДСП - древесно-стружечная плита

ДЭЗ - дирекция по эксплуатации зданий

ЗИП - запасные инструменты и приспособления

КЕО - коэффициент естественной освещенности

КЛ - кабельная линия

КПД - коэффициент полезного действия

КСКПТ - крупная система коллективного приема телевидения

КТ - контрольная точка

ЛГН - лаборатория госнадзора

ЛУ* - линейный усилитель

МЛ* - магистральная линия

МС* - магистральная сеть

МУ - магистральный усилитель

МУЛ - магистральный усилительный пункт

НОТ - научная организация труда

ОДС - объединенные диспетчерские службы

ОМ - ответвитель магистральный

ОПЗ - общая пояснительная записка

ОРПС - общесоюзная радиотелевизионная передающая станция им. 50-летия Октября Министерства связи СССР

ОРС* - ответвитель распределительной сети

П - проект

ПА* - приемная антенна

ПАК - присоединительная антенная коробка

ПВ - проводное вещание

ПДВ - пункт домового ввода

ПП - приемопередатчик

ППБ - правила противопожарной безопасности

ПС - паспорт

ПСД - проектно-сметная документация

ПСР - плановый средний ремонт

ПТО - периодическое техническое обслуживание

ПТЭ - правила технической эксплуатации

ПУЭ - правила устройства электроустановок

РА* - разветвитель абонентский

РД - рабочая документация

РП - рабочий проект

РТПС - радиотелевизионная передающая станция

PC* - распределительная сеть

РТО - регламентированное техническое обслуживание

СВТ - средство вещательного телевидения

СИ - средства измерения

СНиП - строительные нормы и правила

СКПТ - системы коллективного приема телевидения

СКТВ - система кабельного телевидения

СЛ - соединительная линия

СМЛ* - субмагистральная линия

СМР - строительно-монтажные работы

CMC* - субмагистральная сеть

СО - спецификация оборудования

ТВ - телевидение (телевизионный)

ТИТ - телевизионная испытательная таблица

ТО - техническое описание

ТУ - технические условия

ТУТ - термоусаживаемые трубки

ТЭ - техническая эксплуатация

ТЭО - технико-экономическое обоснование

УВДП - устройство ввода дистанционного питания

УДРС* - усилитель домовой распределительной сети

УПА* - устройство присоединительное абонентское

УР - усилитель радиодиапазона

УСС - устройство сложения сигналов

УЭИТ - универсальная электронная испытательная таблица

ФК - фильтр канальный

ЭТН - эксплуатационные технические нормы

* - определение терминов приведено в приложении 1 к Методическому руководству по проектированию.

РУКОВОДЯЩИЕ ТЕХНИЧЕСКИЕ МАТЕРИАЛЫ

КРУПНЫЕ СИСТЕМЫ КОЛЛЕКТИВНОГО ПРИЕМА ТЕЛЕВИДЕНИЯ

(РТМ.6.030-1-87)

(утверждены 17.12.1987)

СОДЕРЖАНИЕ

1. Общие положения. 5

2. Требования к заданию на проектирование. 5

3. Исходные данные и материалы, необходимые для проектирования КСКПТ. 6

4. Обследования существующих зданий и сооружений. 6

5. Состав и объем проектной документации. 6

6. Зонирование КСКПТ и чертеж зоны действия. 8

7. Установка телевизионного оборудования. 8

7.1. Установка головных станций. 8

7.2. Установка линейных и домовых усилителей. 9

8. Трассирование сетей КСКПТ. План сетей телевидения. 10

9. Расчет КСКПТ и расчетная схема. 11

10. Антенные сооружения и антенные усилители. 21

11. Линейные сооружения. 22

12. Электрооборудование, электроосвещение, заземление, молниезащита. 25

13. Архитектурно-строительная часть, вентиляция, отопление. 27

14. Техника безопасности, противопожарные мероприятия. 28

15. Организация строительства. 28

16. Спецификации оборудования (СО), ведомости потребности в материалах (ВМ) и сметы.. 30

Приложение 1 Антенны, оборудование и кабели, применяемые в кскпт. Основные параметры.. 31

Приложение 2 Техническое задание. 43

Приложение 3 Обследование. 44

Приложение 4 Пример расчета диаграммы уровней системы кабельного телевидения. 45

ПРИЛОЖЕНИЯ К СБОРНИКУ.. 59

Приложение 1 Нормативные, инструктивные, справочные и другие документы, рекомендуемые при проектировании и эксплуатации КСКПТ. 59

Приложение 2 Временный типовой договор на техническое обслуживание крупных систем коллективного приема телевидения (КСКПТ) 60

Приложение 3 Приложение к договору. 65

Приложение 4 Инструкция для диспетчеров ДЭЗ при получении заявок на неисправность КСКПТ. 66

Приложение 5 Информация о конвертировании каналов. 67

1. ОБЩИЕ ПОЛОЖЕНИЯ

1.1. Настоящие Руководящие технические материалы (далее материалы) рассматривают вопросы проектирования крупных систем коллективного приема телевидения (КСКПТ), выполняемых по схемам категорий 1.2, 2 и 3 в соответствии с ГОСТ 11216-83.

1.2. Эти материалы распространяются на проектирование строительства новых и реконструкции действующих КСКПТ, в том числе расширение - подключение объектов к действующим или ранее запроектированным КСКПТ.

1.3. При разработке материалов учтены положения и требования нормативных и инструктивных документов, а также утвержденного Технического задания на разработку настоящих материалов.

1.4. Проектирование и строительство КСКПТ осуществляется с целью обеспечения приема программ ТВ вещания с высоким качеством в соответствии с требованиями [6]* и повышения технико-экономических показателей систем приема телевидения.

* Указанная литература приведена в приложении к настоящему сборнику.

1.5. При проектировании КСКПТ должны быть обеспечены:

высококачественный радиосигнал ТВ и УКВ ЧМ вещания у абонентов КСКПТ с уровнями, рекомендованными [1];

внедрение прогрессивных проектных решений, обеспечивающих снижение материалоемкости, трудоемкости, сметной стоимости строительства и эксплуатационных затрат, что может быть обеспечено при максимальном использовании применяемого оборудования и прокладкой ТВ кабелей по наиболее коротким трассам;

совершенствование технологии и повышения качества строительства и монтажных работ;

внедрение передовых методов эксплуатации и безопасных условий труда, в том числе удобства технического обслуживания и обеспечение сохранности оборудования.

1.6. Руководство разработано для проектных организаций, осуществляющих проектирование КСКПТ.

2. ТРЕБОВАНИЯ К ЗАДАНИЮ НА ПРОЕКТИРОВАНИЕ

2.1. Задание на проектирование КСКПТ должно составляться и утверждаться в соответствии с требованиями [2].

2.2. Задание на проектирование должно также содержать следующие технологические требования:

2.2.1. Номера действующих и перспективных телевизионных каналов.

2.2.2. При наличии каналов в ДМВ диапазоне - номер или номера ТВ каналов метрового диапазона для конвертирования.

2.2.3. Указание о выделении специального помещения или квартиры для размещения оборудования головной станции.

2.2.4. Требования по реконструкции или подключению существующих сооружений телевидения к проектируемой системе.

2.2.5. Требования по установке оборудования, электропитанию, прокладке кабелей и учету расхода электроэнергии.

2.2.6. Требования к мероприятиям по сохранности оборудования.

2.2.7. При необходимости указания о типах оборудования и кабелей.

2.3. Технико-экономические показатели.

2.4. Задание на проектирование должно составляться по форме приложения 2.

2.5. К заданию на проектирование должны прилагаться технические условия на проектирование КСКПТ и другие исходные данные согласно [2].

3. ИСХОДНЫЕ ДАННЫЕ И МАТЕРИАЛЫ, НЕОБХОДИМЫЕ ДЛЯ ПРОЕКТИРОВАНИЯ КСКПТ

3.1. Для проектирования КСКПТ, кроме задания на проектирование и технических условий должны быть следующие исходные данные и материалы:

3.1.1. Ситуационные планы микрорайонов в М 1:2000 и, при необходимости, в М 1:5000.

3.1.2. Административные или строительные адреса жилых и общественных зданий, включаемых в зону действия проектируемой КСКПТ.

3.1.3. Техническая документация на КСКПТ, построенные или ранее запроектированные в проектируемой зоне.

3.1.4. Планы застройки в М 1:500 с нанесенными инженерными коммуникациями.

3.1.5. Архитектурно-строительные, электротехнические и сантехнические чертежи существующих и проектируемых жилых и общественных зданий, входящих в зону проектируемой системы.

Примечание. При отсутствии чертежей существующих зданий проектировщиками должны быть произведены необходимые натурные обследования.

3.1.6. Техническая документация на оборудование, изделия и кабели, применяемые в проекте.

3.1.7. Материалы обследований существующих зданий и сооружений.

4. ОБСЛЕДОВАНИЯ СУЩЕСТВУЮЩИХ ЗДАНИЙ И СООРУЖЕНИЙ

4.1. Обследования производятся при проектировании КСКПТ в существующей застройке (реконструкция СКПТ или использование существующих зданий и сооружений для строительства КСКПТ).

4.2. Основные задачи обследований:

4.2.1. Выбрать места установки телевизионного оборудования.

4.2.2. Выбрать наиболее рациональные трассы для прокладки кабелей телевидения и проводов электропитания.

4.2.3. Выбрать места и способы крепления мачт телеантенн и стоек для воздушно-кабельных переходов.

4.2.4. Уточнить напряжение электропитания и места подключений к вводно-распределительным устройствам.

4.2.5. Определить объем демонтажа существующих сооружений телевидения, которые не могут быть использованы в проектируемой системе.

4.3. Результаты обследований могут быть оформлены в таблицу, см. приложение 3.

5. СОСТАВ И ОБЪЕМ ПРОЕКТНОЙ ДОКУМЕНТАЦИИ

5.1. Проектирование КСКПТ для реконструкции действующих систем коллективного приема телевидения в районах сложившейся застройки осуществляется, как правило, в одну стадию - рабочий проект (РП).

5.2. При проектировании районов массового строительства и при выборочной застройке в сложившихся районах города стадийность проектов КСКПТ соответствует стадийности проектов застройки.

5.3. На стадиях «Проект» (П) и утверждаемой части РП проект КСКПТ должен содержать следующие разделы:

общая пояснительная записка (ОПЗ) и основные технические решения;

организация строительства;

сметная документация.

5.3.1. Раздел «ОПЗ и основные технические решения» должен содержать общую пояснительную записку, основные технические решения, необходимые технико-экономические показатели и следующие чертежи:

зона действия КСКПТ в масштабе 1:2000;

план сетей телевидения в масштабе 1:500;

Заказные спецификации и ведомости основных материалов.

5.3.2. Раздел «организация строительства» должен содержать пояснительную записку, календарный план строительства, необходимые технико-экономические показатели и, при необходимости, другие материалы согласно СНиП 3.01.01-85.

5.3.3. Раздел «Сметная документация» должен содержать:

сводный сметный расчет (сводная смета);

объектный сметный расчет (объектная смета);

локальные сметные расчеты (локальные сметы);

ведомость сметной стоимости товарно-строительной продукции (только для РП);

договорную цену.

5.4. Рабочая документация КСКПТ или СКТВ на стадии П или в составе РП должна содержать:

основные комплекты рабочих чертежей;

рабочие чертежи нестандартизированных изделий;

сметную документацию (объектные и локальные сметы);

ведомости и, при необходимости, сводные ведомости потребности в материалах;

спецификации оборудования и, при необходимости, сборники спецификации оборудования.

5.4.1. Основные комплекты рабочих чертежей технологической части проекта должны содержать следующие материалы:

общие данные;

зона действия КСКПТ или СКТВ;

план сетей телевидения в масштабе 1:500;

расчетная схема;

план размещения оборудования головной станции;

план размещения антенных сооружений;

сети телевидения, электропитания и узлы установки оборудования в технических подпольях, технических этажах, чердаках и т.д.

Примечание. При отсутствии по существующим зданиям масштабных планов технических подполий, технических этажей, чердаков и т.д. информация может быть представлена в виде эскизов, кабельных журналов, указаний по монтажу и т.д.

Узлы установки телевизионного оборудования в слаботочных монтажных шкафах, на стенах, стойках, лотках и т.д.

Чертежи конструкции крепления мачт с телевизионными антеннами.

Наружные сети телевидения с указанием трасс и способов прокладки кабелей.

5.4.2. При наличии типовых, унифицированных чертежей или узлов допускается в рабочей документации давать на них ссылки без приведения соответствующих чертежей.

5.5. При необходимости строительства подземной кабельной канализации и воздушно-кабельных переходов для сетей телевидения, проектно-сметная документация на их устройство выпускается отдельным разделом, содержание которого определяется по [2].

6. ЗОНИРОВАНИЕ КСКПТ И ЧЕРТЕЖ ЗОНЫ ДЕЙСТВИЯ

6.1. Зона действия КСКПТ должна быть указана в технических условиях на проектирование или определяться Генеральной схемой развития и реконструкции приемной телевизионной сети данного города.

6.2. При отсутствии информации по п. 6.1. при определении зоны действия системы необходимо руководствоваться следующими соображениями:

6.2.1. Границами зон действия систем должны быть наиболее широкие и важные автомобильные магистрали городского значения, а также территории промышленных предприятий, естественных и искусственных водоемов, лесопарков, рек и т.д.

6.2.2. Территория каждой системы, ее застройка и инженерные коммуникации должны обеспечивать возможность строительства системы таким образом, чтобы максимальное количество последовательно включенных усилителей обеспечивало требуемое качество телевизионного сигнала по [6]. (Определяется методом расчета по методике раздела 9).

6.2.3. Имеющиеся переходы телефонной канализации ГТС через основные автомобильные магистрали, а также через бульвары, скверы, площади, линии железных дорог, реки и т.д. должны иметь возможность прокладки телевизионного кабеля в существующем канале без докладки или прокладки собственной канализации.

6.2.4. Условия застройки должны обеспечивать возможность размещения антенных сооружений головной станции на здании повышенной этажности, расположенном по возможности в центре нагрузки и имеющим прямую видимость с передающими антеннами РТПС или ретранслятора.

6.2.5. В зону действия КСКПТ должны включаться жилые здания, обслуживаемые конкретной (одной) жилищно-эксплуатационной организацией.

6.2.6. Технико-экономическая целесообразность построения системы.

6.3. Чертеж зоны действия должен быть выполнен на ситуационном плане в масштабе 1:2000 с экспликацией зданий, в которой указываются административные или строительные адреса зданий, их ведомственная принадлежность и количество абонентов телевизионной сети.

6.4. Если проектом предусматривается строительство части системы, то на чертеже зоны действия должна быть указана в М 1:2000 проектируемая часть системы и вся система в М 1:5000.

7. УСТАНОВКА ТЕЛЕВИЗИОННОГО ОБОРУДОВАНИЯ

7.1. Установка головных станций

7.1.1. Установка головных станций в специально выделяемых помещениях.

7.1.1.1. Головные станции стоечного типа устанавливаются на полу с креплением в зависимости от конструкции стойки. Например, для установки станции типа СГ-215 необходимо в конструкции пола предусмотреть закладные устройства в соответствии с указаниями по монтажу завода-изготовителя указанного оборудования.

7.1.1.2. Стойка устанавливается таким образом, чтобы были обеспечены эксплуатационные проходы не менее 800 мм, а лицевая сторона была максимально освещена естественным светом.

7.1.1.3. Головные станции настольной конструкции устанавливаются на столе с выполнением условий п. 7.1.1.2.

7.1.1.4. Головные станции настенной конструкции устанавливаются на стене в соответствии с указаниями по монтажу завода-изготовителя указанного оборудования. Высота установки и расстояние от строительных конструкций должны обеспечивать удобства эксплуатации, при этом должны быть обеспечены минимальные расстояния оборудования до пола и потолка - 200 мм.

7.1.1.5. При необходимости установки совместно с оборудованием ГС дополнительных устройств (например УСС, фильтры канальные, аттенюаторы, устройства ввода дистанционного питания и т.д.), они устанавливаются в непосредственной близости к оборудованию ГС на стене на древесно-стружечной плите.

7.1.2. Установка оборудования ГС в служебных помещениях (административных помещениях жилищно-эксплуатационных организаций, диспетчерских, электрощитовых и др.) осуществляется в соответствии с требованиями п. 7.1.1. При этом следует соблюдать расстояние между оборудованием ГС и существующим технологическим оборудованием или мебелью, обеспечивающие удобную и безопасную эксплуатацию как телевизионного, так и имеющегося технологического оборудования.

7.1.3. Установка оборудования головных станций на чердаках или технических этажах.

7.1.3.1. При размещении головных станций в специально выгораживаемых помещениях, их установка осуществляется в соответствии с требованиями п. 7.1.1.

7.1.3.2. Для размещения оборудования головных станций вне специальных помещений применяются металлические шкафы, желательно промышленного изготовления. (Например из каталога изделий Главэлектромонтаж). Габариты шкафа должны обеспечивать свободное размещение технологического оборудования и прокладку кабелей ТВ и электропитания с нормируемыми радиусами изгиба. Шкафы должны снабжаться замками. Для удобства крепления оборудования внутри шкафа устанавливается древесностружечная плита или плита типа «ацеит». Шкаф с оборудованием головной станции на чердаке или техническом этаже желательно устанавливать в непосредственной близости от входа на чердак или технический этаж.

7.1.4. Установка оборудования ГС на лестничных клетках, в коридорах, вестибюлях и т.д. осуществляется в металлических шкафах аналогично требованиям п. 7.1.3.2.

Установка шкафов должна осуществляться таким образом, чтобы не нарушались минимально допустимые габариты эксплуатационных проходов, установленные требованиям СНиП и норм пожарной безопасности. Места установки шкафов надо выбирать таким образом, чтобы обеспечивалась рациональная прокладка к оборудованию ГС кабелей как телевизионных, так и электропитания.

7.2. Установка линейных и домовых усилителей

7.2.1. Линейные и домовые усилители в служебных помещениях (жилищно-эксплуатационных организаций, диспетчерских, электрощитовых и др.) устанавливаются открыто на стенах. Высота установки должна обеспечивать удобства технического обслуживания, при расстоянии от выступающих частей потолка, дверных или оконных проемов не менее 200 мм. Расстояние между усилителем и существующим технологическим оборудованием должно обеспечивать удобную и безопасную работу как телевизионного, так и имеющегося технологического оборудования.

7.2.2. Линейные и домовые усилители в слаботочных монтажных шкафах устанавливаются в тех случаях, когда габариты шкафа позволяют произвести монтаж с обеспечением необходимых требований по радиусу изгиба кабелей. При этом необходимо избегать совместной установки ответвительных, разветвительных и других устройств сетей телефонной, проводного вещания и диспетчеризации, а, при необходимости, предусматривать их выноску в слаботочные монтажные шкафы соседних этажей. Слаботочные монтажные шкафы с усилителями должны снабжаться замками.

7.2.3. Линейные и домовые усилители на чердаках, технических этажах, технических подпольях и лестничных клетках устанавливаются в металлических шкафах в соответствии с указаниями п. 7.1.3.2. Места установки шкафов с усилителями выбираются исходя из условий удобства технического обслуживания с учетом реальных трасс прокладки кабелей телевидения. Место установки шкафов должно выбираться в соответствии с указаниями п. 7.1.4.

7.2.4. При необходимости установки дистанционно-питаемых усилителей в герметичном исполнении в коллекторах, колодцах кабельной канализации и на столбовых опорах воздушных линий в проекте следует приводить узлы установки этого оборудования с привязкой к существующим или запроектированным сооружениям и кабельным линиям. Привязки оборудования следует осуществить с учетом требований [8].

7.2.5. Места установки магистральных ответвителей выбираются в зависимости от построения системы, в местах ответвления кабеля таким образом, чтобы обеспечить минимальный расход кабеля (см. [1] п. 5.6).

7.2.6. При установке магистральных ответвителей на стенах технических подполий, чердаков, коллекторов, колодцев кабельной канализации или других помещений его крепление может быть предусмотрено как непосредственно на стене, так и на специальных конструкциях, чертежи которых должны приводиться в проектной документации.

7.2.7. Установка магистральных ответвителей на стойках воздушно-кабельных переходов и столбовых опорах, должна осуществляться на специально разрабатываемые в проектах конструкции.

7.2.8. При установке магистральных ответвителей на электротехнических лотках и консолях для кабелей связи в коллекторах в проекте должно быть указание о креплении кабеля к лоткам или консолям на расстоянии не более 0,9 м до ответвителя.

7.2.9. При установке абонентских разветвителей в слаботочных монтажных шкафах или нишах следует учитывать возможность их крепления на существующих закладных элементах или, при необходимости, применять специальные конструкции, чертежи которых должны приводиться в проектной документации.

Габариты шкафа или ниши и его загрузка устройствами других систем электросвязи должны обеспечивать возможность прокладки абонентских и распределительных ТВ кабелей с нормируемыми радиусами изгиба.

При установке абонентских разветвителей на стене лестничной клетки, они могут крепиться непосредственно на стене или древесностружечной плите на высоте не менее 2,0 м.

8. ТРАССИРОВАНИЕ СЕТЕЙ КСКПТ. ПЛАН СЕТЕЙ ТЕЛЕВИДЕНИЯ

8.1. Для определения трасс кабельных линий КСКПТ необходимо иметь следующие исходные данные:

генеральный план застройки в масштабе 1:500;

геоподоснова плана застройки с подземными коммуникациями в М 1:500;

результаты обследований существующих жилых и общественных зданий с рекомендуемыми местами установки усилительного оборудования и способами прокладки кабелей;

количество стояков домовых распределительных сетей, их этажность и количество абонентов на каждом этаже;

информация о загрузке существующей телефонной канализации и возможности использования ее каналов для прокладки кабелей ТВ;

информация о наличии и техническом состоянии канализации для прокладки кабелей объединенных диспетчерских служб (ОДС).

8.2. Трассы кабельных линий КСКПТ следует выбирать исходя из условий минимальных длин магистралей в каждом направлении, выполнение наименьшего объема работ при строительстве КСКПТ и максимального использования существующих инженерных коммуникаций.

8.3. Если при трассировании сетей КСКПТ не представляется возможность использования технических подполий зданий и существующих подземных коммуникаций для прокладки кабелей ТВ по наиболее рациональным трассам, то проектом должно предусматриваться строительство собственной кабельной канализации или воздушно-кабельных переходов.

8.4. Намеченные трассы сетей телевидения и ориентировочные места установки усилительного оборудования являются исходным материалом для выполнения расчета системы и выполнения расчетной схемы.

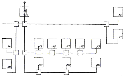
8.5. На основании расчетной схемы выполняется чертеж плана сетей телевидения, на который наносится следующая информация:

марки кабелей и их длины на всех участках между оборудованием и элементами системы. (Длины кабелей должны указываться с учетом всех необходимых изгибов при его прокладке в реальных условиях);

места установки усилительного оборудования, его типы и номера;

места установки магистральных ответвителей и их типы;

трассы коммуникаций, по которым прокладываются кабели ТВ между зданиями;

номера и типы стояков домовых распределительных сетей;

при подключении к одному домовому усилителю нескольких стояков ДРС - схемы их подключения;

адреса домов с указанием этажности, количества секций (подъездов) и их нумерация;

указания о способах прокладки кабелей, местах установки оборудования, элементов системы;

указания об электропитании усилителей со ссылками на соответствующие чертежи проекта или соответствующие правила и инструкции по монтажу КСКПТ [10] и [11];

указанием об использовании демонтируемого оборудования и кабелей (при строительстве КСКПТ в районах сложившейся застройки, имеющих системы коллективного приема телевидения).

9. РАСЧЕТ КСКПТ И РАСЧЕТНАЯ СХЕМА

9.1. При проектировании КСКПТ должны быть проведены расчеты в результате которых определяются:

уровни сигналов на выходе приемных антенн для всех действующих и планируемых в данной местности ТВ и УКВ ЧМ вещательных каналов в случае отсутствия протоколов измерений;

максимально-допустимые уровни сигналов на выходах ЛУ и УД для требуемого количества последовательно включенных усилителей;

минимально-допустимые уровни сигналов на входах ЛУ и УД, обеспечивающие требуемые соотношения сигнал/шум в системе;

диаграмма уровней распределительной сети, обеспечивающая на выходе любого абонентского присоединительного устройства уровни ТВ сигналов в диапазоне 66-80 дБ/мкВ.

9.2. Исходными данными для расчета распределительной сети КСКПТ являются:

электрические параметры выбранного оборудования и кабелей;

намеченные трассы сетей телевидения на генплане застройки в масштабе 1:500 и информация о зданиях и инженерных сооружениях системы.

9.3. Одним из основных факторов, определяющих состав и параметры используемого оборудования, является напряженность полей принимаемых сигналов, расчетное значение которой при условии прямой видимости

,

где Рпер - мощность передатчика, кВт,

εпер - коэффициент усиления передающей антенны относительно полуволнового вибратора в абсолютных единицах,

R - расстояние от передающей антенны до приемной, км.

Примечание. При расчетах напряженности поля на расстояниях от передающей антенны примерно до 5 км, в метровом диапазоне и до 10 км в дециметровом диапазоне необходимо учитывать уменьшение уровня сигнала, обусловленное характеристикой направленности передающей антенны.

При определении напряженности полей принимаемых сигналов можно воспользоваться графиками, приведенными на рис. 1 и 2 [21].

Величина напряженности поля принимаемых сигналов может быть определена экспериментальным путем, по результатам измерения уровней сигналов несущих на выходах приемных антенн

,

где Lпp - уровень сигнала несущей изображения на выходе приемной антенны, дБ/мкВ;

λ - длина волны несущей изображения, м;

Gпp - коэффициент усиления приемной антенны относительно полуволнового вибратора, дБ.

Рис. 1

Следующий этап проектирования системы связан с определением каналов распределения. Согласно требованиям ГОСТ 11216-83 распределение сигналов по сети осуществляется в диапазоне метровых волн с повсеместным конвертированием частот дециметрового диапазона и преобразованием частот метровых каналов в условиях сильных полей принимаемых сигналов. Выбор варианта построения сети осуществляется по результатам оценки уровня помех, обусловленных наводками сигналов метрового диапазона волн. Поскольку наиболее слабым звеном системы, как правило, является ТВ приемник, в первую очередь оценивается уровень помех, наведенной на его вход.

,

где Ет - напряженность поля принимаемого сигнала в месте размещения ТВ приемника, мкВ/м;

λ - длина волны несущей изображения, м;

Gп - коэффициент усиления эквивалентной паразитной антенны, характеризующей экранирующие свойства входных цепей ТВ приемника, дБ.

Рис. 2

Минимально допустимый уровень полезного сигнала на выходе абонентского отвода, подключенного к исследуемому ТВ приемнику

,

где Rп - защитное отношение для повторного сигнала, дБ.

При расчете Ln следует учесть ослабление электромагнитного поля стенами зданий, среднее значение которого составляет по экспериментальным данным порядка 14 дБ. Величина Gп согласно [15] для современных ТВ приемников может быть принята равной минус 50 дБ в 1 ТВ диапазоне и минус 40 дБ во II и III диапазонах.

С учетом выполнения защитного отношения по повторному сигналу Rп=30 дБ минимально допустимый уровень на выходе абонентского отвода

,

где Еср - среднее значение напряженности поля на кровлях зданий, расположенных в районе создания системы.

При выборе варианта построения сети можно исходить из условия, что система без преобразования частот метровых каналов может быть реализована в тех зонах, для которых найденная величина минимально допустимого уровня на выходе абонентского отвода не превышает порядка 70 дБ/мкВ. В противном случае следует рекомендовать создание систем с преобразованием частот метровых каналов.

В населенных пунктах, занимающих большую территорию, могут встретиться ситуации, когда на некоторой части территории требуется создание систем с преобразованием частот метровых каналов, в то время как на другой ее части возможно построение систем с распределением сигналов на принимаемых частотах. Решение в этом случае принимается с учетом конкретных условий. Однако из соображений применения единого технического решения более предпочтительным является создание систем с преобразованием частот метровых каналов на всей территории населенного пункта.

Определение каналов распределения в кабельной сети производится по согласованию с компетентными организациями, осуществляющими распределение частот ТВ вещания в стране.

Следует отметить, что при выборе каналов распределения в сети желательно избегать сочетаний каналов, при которых каналы распределения оказываются смежными по отношению к каналам приема. Однако при наличии 4 ... 5 ТВ программ данного условия выполнить не удается. В этом случае при проектировании системы необходимо учитывать возможность появления помех, обусловленных наличием наведенных в соседних каналах сигналов. Данное обстоятельство обуславливает необходимость определения на стадии изыскательских работ уровня сигналов на выходе абонентского отвода, при котором исключается влияние указанных помех.

Практически установлено, что при распределении сигналов по сети в каналах смежных по отношению к каналам приема минимально допустимый уровень на выходе абонентского отвода примерно на 20 дБ ниже по сравнению с аналогичным параметром в той же точке системы без преобразования частоты.

Необходимой частью предпроектных работ являются изыскания с целью определения точек установки приемных антенн. Изыскания проводятся по методике, изложенной в (12), и завершаются выдачей исходных данных по уровням и качеству принимаемых сигналов. Если выходной уровень на выходе кабеля снижения по какому-либо каналу оказывается ниже номинального входного уровня оборудования ГС, то предусматривается использование антенных усилителей или более сложных антенных устройств с большим коэффициентом усиления и меньшим затуханием в кабеле снижения.

С учетом принятых мест установки антенн и данных по геоподоснове обслуживаемого района проводится трассировка линий распределительной сети и намечаются возможные точки установки усилителей и ответвителей.

Исходя из необходимой протяженности линий и имеющейся номенклатуры оборудования и кабелей (см. приложение 1) выбираются типы усилителей, ответвителей и коаксиальных кабелей. На основании параметров выбранных устройств и мест их установки определяется число усилительных участков на линии максимальной протяженности. При этом необходимо принять во внимание, что при расчете сети приведенные справочные данные по затуханию кабелей со сплошным внешним проводником необходимо увеличить на 3 ... 5 % [16]. Затем проводится расчет диаграммы уровней в следующей последовательности.

9.4. Предварительно определяется максимально возможный выходной уровень ТВ сигнала в канале каждого из усилителей, включенных в цепочку, при равенстве уровней сигналов по всем каналам

,                                (1)

где UaN/n - максимально возможное выходное напряжение ТВ сигнала каждого из усилителей, включенных в цепочку, при равенстве уровней сигналов по каждому каналу, мкВ;

Uо - опорное напряжение 1 мкВ, измеренное на сопротивлении 75 Ом;

La2/1 - максимальный уровень в ТВ канале на выходе одиночного усилителя в режиме усиления сигналов двух ТВ каналов;

N - число ТВ каналов распределения;

п - число усилительных участков линии с учетом первого участка с оборудованием ГС.

Примечание. При расчете по формуле (1) принимается, что оборудование ГС содержит только канальные активные устройства и в нем отсутствуют нелинейные искажения, свойственные широкополосным усилителям линейного тракта.

9.5. Для каждого усилителя рассчитывается среднее значение σ2y/ср суммы квадратов отношений возможных в реальных условиях величин выходных напряжений в каждом ТВ канале к напряжению UaN/n

,                                                              (2)

где

Uакl - возможное в реальных условиях напряжение к-го ТВ канала на выходе l-го усилителя.

Результаты расчетов сводим в табл. 1.

Таблица 1

...

...

...

При заполнении таблицы 1 следует учитывать, что разброс уровней ТВ сигналов обусловлен как неточностью установки уровней из-за неравномерности АЧХ участков тракта и ошибки измерения (статическое отклонение) так и нестабильностью уровней сигналов в процессе эксплуатации из-за нестабильности затухания кабеля (динамическое отклонение). Для проведения расчета можно принять, что существующие технические средства обеспечивают возможность настройки каждого из участков линии с неравномерностью ±3 дБ в пределах рабочего диапазона частот. При этом целесообразно принять, что уровни мешающих сигналов равномерно распределены в интервале 0 ... 3 дБ (рис. 3).

Для учета нестабильности уровней, обусловленной измерением затухания сигнала в кабеле можно воспользоваться следующей формулой из [17]

а=а20[1а(t-20)] дБ,                                                   (3)

где а - коэффициент затухания коаксиального кабеля;

а20 - коэффициент затухания при температуре 20 °С;

аа=0,002/град - температурный коэффициент затухания;

t - рабочая температура.

При расчете динамического отклонения можно воспользоваться рис. 4, на котором приведено распределение уровней на выходе усилителя при минимальном затухании отрезка кабеля предшествующего участка. На этом же рисунке крестиками приведено распределение уровней на выходе усилителя с АРУ при минимальном затухании отрезка кабеля предшествующего участка.

Рис. 3

Рис. 4

При определении отклонения уровней на выходе усилителя без АРУ необходимо к имеющимся уровням сигналов (рис. 3) прибавить величины, найденные на основании (3) при минимальной рабочей температуре линии (рис. 4). При каскадном включении нескольких усилителей без АРУ изменение уровней сигналов на выходе каждого усилителя обусловлено суммой изменений затуханий всех предшествующих отрезков коаксиальных кабелей.

При определении отклонений уровней на выходе усилителя с АРУ необходимо все уровни, которые имели бы место в том же усилителе в отсутствии АРУ уменьшить на величину ∆аn-∆р,

где ∆аn - результирующее изменение затухания на частоте пилот-сигнала в предшествующих отрезках кабеля на участках до выхода предыдущего усилителя с АРУ;

∆р - ошибка регулирования в усилителе с АРУ.

При определении отклонений уровней на выходе усилителя с АРУ и Н ориентировочно можно оценить, увеличив все уровни сигналов в нормальных условиях эксплуатации (рис. 3) на величину ошибки регулирования.

Примечание. Расчет системы должен производиться из условия обеспечения заданных параметров в диапазонах рабочих температур от минус 40 до +50° С при прокладке линий на открытом воздухе и примерно от 5 до 15° С при прокладке линий в канализации. Для выполнения указанного условия при определении номенклатуры используемых магистральных усилителей можно руководствоваться следующими практическими соображениями: в линиях, коаксиальные кабели которых проложены на открытом воздухе или в неотапливаемых помещениях, предусматривается наличие устройств автоматической регулировки в каждом втором магистральном усилителе, а в линиях с прокладкой кабелей в подземной канализации - в каждом третьем-пятом.

9.6. На основании данных таблицы 1 определяется среднее значение

.

9.7. Рассчитывается максимальный уровень ТВ сигнала в канале на выходе каждого из усилителей, включенных в цепочку, при наличии отклонений уровней от заданного значения

.                                                 (4)

9.8. С целью уменьшения количества домовых усилителей в системе целесообразно увеличить их выходные уровни с тем, чтобы обеспечить возможность подключения к одному усилителю нескольких линий ДРС. При этом необходимо снизить максимальный уровень магистральных усилителей, который составит

,                           (5)

где ,

Uад, Uaм - максимальные выходные напряжения в канале соответственно, домового и магистральных усилителей в используемом режиме.

9.9. По найденному значению максимального уровня магистральных усилителей и выбранной величине р рассчитывается максимальный выходной уровень домового усилителя в используемом режиме

                                                         (6)

Примечание. Режим работы системы с увеличенным выходным уровнем домового усилителя сопряжен с сокращением максимальной протяженности магистральной линии.

9.10. При использовании в системе магистральных и домовых усилителей, характеризуемых различными паспортными значениями максимальных выходных уровней, максимальный выходной уровень магистральных усилителей

,                          (7)

где

Uам2/1, Uад2/1 - паспортные значения максимальных выходных уровней магистрального и домового усилителей соответственно в режиме усиления сигналов двух ТВ каналов.

Максимальный выходной уровень домового усилителя в используемом режиме рассчитываем на основании (6).

9.11. По выбранному значению максимального выходного уровня домового усилителя и минимальному уровню на выходе абонентского отвода определяется допустимое затухание в линиях домовой сети

                                                    (8)

При определении минимального уровня на выходе абонентского отвода следует иметь в виду, что его расчетное значение не рекомендуется принимать менее 66 дБ/мкВ даже в тех случаях, когда при оценке необходимого уровня по изложенной выше методике допускаются меньшие значения.

С учетом найденного значения затухания в линиях и рекомендаций, изложенных в [18], выбирается структура ДРС.

9.12. Рассчитывается мощность шумов на выходе наиболее удаленного абонентского отвода

Рш∑=(…((Рши+(Шу1-1)Рштм1шф1+(Шу2-1)Рштm2шф2+…+(Шуn-1)Рштmnшфn,  (9)

где    Рши - мощность шумов источника, выделяющаяся на входном сопротивлении активного устройства оборудования головной станции;

Ршт = кТ0f - мощность теплового шума, выделяющаяся на входном сопротивлении активного устройства;

к = 1,38∙10-23 Вт∙С/град - постоянная Больцмана;

Т0 ≈ 300°К - температура окружающей среды;

f - шумовая полоса ТВ канала (для системы ТВ вещания, принятой в Советском Союзе, шумовая полоса составляет 5,75 МГц [6]);

Км - коэффициент, передачи по мощности от входа предыдущего активного устройства до входа последующего;

Ршф = кТ0(1-ηф)∆f - мощность тепловых шумов, возникающих в отрезке кабеля, соединяющем два соседних активных устройства;

ηф - КПД отрезка кабеля, соединяющего два соседних активных устройства (при затухании в отрезках кабелей, имеющих место на практике ηф→0);

Шy1, Шy2,... Шуn - коэффициенты шума активных устройств в абсолютных единицах.

Рассчитываем мощность шумов источника, выделяющуюся на входном сопротивлении активного устройства оборудования головной станции.

При отсутствии антенного усилителя

,                                                         (10а)

где Т’а = Таηф0(1-η0) - шумовая температура эквивалентного двухполюсника, включенного на вход активного устройства головной станции;

Та - шумовая температура приемной антенны;

η0 - КПД отрезка кабеля, соединяющего антенну со входом активного устройства головной станции, с учетом потерь в аттенюаторе, включенном на входе ГС.

При наличии антенного усилителя, установленного непосредственно у антенны

Р``ши = [кТаf+(Шуо-1)Рштмо+(1-η0шт=кТ0f[(уо-1)Кмо+(1-η0)],       (10б)

где Шуо - коэффициент шума антенного усилителя в абсолютных единицах;

Кмо - коэффициент передачи от входа антенного усилителя до входа активного устройства оборудования головной станции с учетом потерь в аттенюаторе, включенном на входе ГС.

Примечание. При расчете результирующей мощности шумов значения шумовой температуры антенн, могут быть заимствованы в [19]. График зависимости шумовой температуры антенн приведен на рис. 5.

Рис. 5

Определяются необходимые для расчета результирующей мощности шумов коэффициенты передачи участков линии.

Коэффициент передачи первого усилительного участка от входа активного устройства головной станции до входа следующего за ней магистрального усилителя.

10lgКм1=LамN/n-Gам-Lвх1,

где LaмN/n - рассчитанное выше на основании (5) или (7) значение максимального выходного уровня магистральных усилителей, дБ/мкВ;

Gам - коэффициент усиления магистрального усилителя, дБ;

Lв´1 - номинальный уровень оборудования головной станции, дБ/мкВ.

Коэффициенты передачи последующих усилительных участков магистральной линии принимаем равным единице, т.е.

Км2м3=…=Км(n-2)=1.

Коэффициент передачи предпоследнего усилительного участка (от входа магистрального усилителя, предшествующего домовому усилителю, до входа домового усилителя)

10gКm(n-1)=LadN/n-Gad-Lвхм,

где LаdN/n - рассчитанное выше на основании (6) значение максимального выходного уровня домового усилителя, дБ/мкВ;

Gaд - коэффициент усиления домового усилителя, дБ;

Lвхм=LaмN/n-Gам - входной уровень магистрального усилителя, дБ/мкВ.

Коэффициент передачи последнего участка

10lgKmn=Lотв.мин.-Lвх.д.,

где Lотв.мин. - выбранное выше значение уровня на выходе наиболее удаленного абонентского отвода, дБ/мкВ;

Lвх.д.=LadN/n-Gad - входной уровень домового усилителя.

9.13. По найденной величине результирующей мощности шумов определяются фактические значения отношений сигнал/шум в ТВ каналах. Для выполнения предъявляемых к системе требований необходимо соблюдение следующего условия

дБ,

где  - мощность, выделяющаяся на сопротивлении 75 Ом при напряжении 1 мкВ эфф.

9.14. Проверяется возможность обеспечения заданного отношения сигнал/шум при максимальном затухании кабеля. С этой целью используя выражение для температурной зависимости затухания кабеля (3), находятся значения для коэффициентов передачи усилительных участков при наибольшей рабочей температуре линии и на основании (9) рассчитывается новое значение результирующей мощности шумов Рш∑ на выходе наиболее удаленного отвода.

Рассчитывая для найденных значений коэффициентов передачи уровень сигнала на выходе наиболее удаленного отвода L`отв.мин., определяется реализуемое отношение сигнал/шум в наиболее неблагоприятных условиях.

, дБ.

Найденное значение не должно быть менее 43 дБ.

Если в результате расчетов получены весьма высокие значения отношений сигнал/шум (более 50 дБ), целесообразно несколько уменьшить (на 3-4 дБ) рабочие уровни магистральных усилителей и усилителя ДРС путем снижения уровня на входе первого магистрального усилителя. Затем следует для выбранных условий по приведенной выше методике повторить расчет отношения сигнал/шум на выходе наиболее удаленного абонентского отвода.

9.15. Рассчитывается отношение сигнал/шум на выходе наиболее удаленного абонентского отвода в канале УКВ ЧМ вещания. Для этого с учетом рекомендованных для усилителя УКВ ЧМ вещания номинальных входного и выходного уровней определяется коэффициент передачи первого усилительного участка для сигнала УКВ ЧМ вещания и затем рассчитывается по аналогии с (9) мощность шумов в канале УКВ ЧМ вещания на выходе наиболее удаленного абонентского отвода. При этом шумовая полоса канала УКВ ЧМ вещания принимается равной 200 кГц [20].

По известному входному уровню сигнала УКВ ЧМ вещания и значениям коэффициентов передачи усилительных участков рассчитывается уровень сигнала УКВ ЧМ вещания на выходе наиболее удаленного абонентского отвода.

Рассчитывается реализуемое отношение сигнал/шум на выходе наиболее удаленного отвода

, дБ,

где Lотв.мин.чм - уровень сигнала УКВ ЧМ вещания на выходе наиболее удаленного абонентского отвода;

Рш∑чм - мощность шумов в канале УКВ ЧМ вещания на выходе наиболее удаленного абонентского отвода.

Для выполнения регламентируемых ГОСТ 11216-83 требований по отношению сигнал/шум найденная величина должна быть не менее 51 дБ.

Примечание. Норма и метод измерения подлежат уточнению.

9.16. По аналогии с п. 9.14. проверяется возможность обеспечения заданного отношения сигнал/шум при максимальном затухании кабеля.

Если в результате расчетов получены весьма высокие значения отношений сигнал/шум (более 60 дБ), целесообразно несколько снизить (на 3-4 дБ) уровни сигналов УКВ ЧМ вещания в линии путем включения соответствующего аттенюатора на входе усилителя УКВ ЧМ вещания, входящего в ГС.

С учетом имеющего уровня в канале УКВ ЧМ вещания на выходе кабеля снижения антенны окончательно определяем требуемое значение аттенюатора, устанавливаемого на входе усилителя УКВ ЧМ вещания.

9.17. По результатам расчетов, приведенным в соответствии с рекомендациями данной главы, составляется расчетная схема КСКПТ, на которой указываются уровни сигналов на выходе ГС, входах и выходах линейных и домовых усилителей, на входах стояков домовых распределительных сетей.

Для систем, выполненных с применением частотно независимых ответвителей магистральных и разветвителей абонентских, уровни сигналов необходимо рассчитывать и указывать по наиболее высокочастотному ТВ каналу, а на входах линейных и домовых усилителей - по наиболее низкочастотному и наиболее высокочастотному ТВ каналам.

Для систем, выполненных с применением частотнозависимых магистральных ответвителей и абонентских разветвителей, уровни сигналов рассчитываются и указываются по всем действующим и планируемым ТВ каналам. Пример расчета приведен в приложении 4.

При массовом проектировании КСКПТ для снижения трудоемкости расчета систем целесообразно выполнить таблицы или номограммы требуемых уровней сигналов на входах стояков ДРС для наиболее распространенных в данном городе (местности) типов стояков и применяемых абонентских разветвителей и кабелей.

10. АНТЕННЫЕ СООРУЖЕНИЯ И АНТЕННЫЕ УСИЛИТЕЛИ

10.1. Здание или сооружение, на котором предполагается установка антенных сооружений КСКПТ, должно быть определено техническими условиями на проектирование, см. п. 2.5.

К техническим условиям должен быть приложен протокол измерений уровней и оценки ТВ сигналов с указанием типов рекомендуемых антенн, мест их установки, необходимости фазирования и т.д. При отсутствии технических условий на проектирование (КСКПТ в районе нового массового строительства) антенные сооружения должны располагаться на наиболее высоких зданиях, имеющих прямую видимость с передающими антеннами РТПС. При этом желательно, чтобы выбранное здание или сооружение располагалось как можно ближе к геометрическому центру проектируемой зоны действия КСКПТ. В этом случае типы антенных сооружений и их размещение на опорах определяется исходя из расчетного уровня напряженности поля (см. п. 9.3) и требований [1], [7], [9].

10.2. В крупных городах с продолжающейся массовой застройкой электромагнитная обстановка не является постоянной и может изменяться в больших пределах, особенно по качеству принимаемых ТВ сигналов. В этом случае целесообразно антенные сооружения устанавливать на переносные конструкции, установка которых на кровле не требует закладных устройств.

В случае отсутствия протоколов измерений уровня и качества ТВ сигналов в проекте необходимо предусматривать максимальный набор антенных сооружений, позволяющих обеспечить все виды работ по созданию точек качественного приема ТВ сигналов по всем каналам (перемещение антенных полотен по вертикали, перемена мест установки антенных опор, фазирование антенн).

10.3. При отсутствии промышленно изготовляемых переносных конструкций для крепления мачт с антеннами, чертежи их необходимо разрабатывать и приводить в проектной документации. Переносные конструкции должны разрабатываться с учетом ветровых и гололедных нагрузок в данной местности. Они должны обеспечивать механическую устойчивость антенной опоры и не нарушать гидроизоляцию кровли. Конструкция должна быть сборно-разборной и позволять, при необходимости, перенос антенных сооружений в другую точку кровли. На рис. 6 приведена конструкция, разработанная управлением Моспроект-1.

10.4. При применении сложных антенн типа 2АТКГ(В) или 4АТКГ(В) для целей фазирования с использованием искусственной линии задержки расстояние между антенными полотнами одноименных каналов необходимо предусматривать в пределах (0,5÷1)λ средней длины волны каждого ТВ канала.

10.5. Если на выходе антенных сооружений уровни ТВ сигналов ниже требуемых по ТУ на головную станцию, а качественные показатели соответствуют требованиям ГОСТ 11216-83, то необходимо проектом предусматривать установку антенных усилителей.

В зависимости от их конструкции, они могут устанавливаться на антенной опоре, на переносной конструкции крепления мачты с антеннами, либо на чердаке или техническом этаже в непосредственной близости от кабельного ввода с кровли на чердак.

Учитывая, что антенные усилители являются канальными и при их размещении в одном сборочном корпусе все кабели снижения от антенн или фазирующих устройств следует прокладывать к месту установки усилителей и далее с их выхода ко входу головной станции.

Рис. 6

11. ЛИНЕЙНЫЕ СООРУЖЕНИЯ

11.1. Кабельные линии КСКПТ по условиям прокладки подразделяются на подземные, прокладываемые в кабельной канализации и в коллекторах, и воздушные подвесные на стоечных или столбовых опорах.

11.2. Проекты, в которых предусматривается использование существующих телефонной кабельной канализации, коллекторов, трубопроводов ОДС, должны быть согласованы с их владельцами.

11.3. При проектировании прокладки ТВ кабелей в существующей телефонной канализации или канализации объединенных диспетчерских систем в проектах следует приводить разрезы кабельной канализации с указанием загрузки каналов и каналов, в которых должны быть проложены кабели КСКПТ на всех участках прокладки.

11.4. При проектировании прокладки ТВ кабелей в существующих коллекторах в проектах приводятся чертежи поперечных сечений на всех участках между поворотными камерами, между поворотными камерами и домами, а также чертежи конструкций для переходов кабеля с одной стенки коллектора на другую.

11.5. При необходимости строительства новой кабельной канализации или докладке канала по существующей кабельной канализации проект должен выполняться отдельным разделом и содержать ситуационный план в М 1:2000, план трассы в М 1:500 на действующей геоподоснове и продольные профили. В проекте должны быть оформлены все согласования со всеми заинтересованными организациями.

11.6. Кабели телевидения в смотровых устройствах кабельной канализации и в коллекторах должны иметь соответствующую маркировку, отличную от кабелей городских телефонных сетей.

11.7. При проектировании линейных сооружений необходимо учитывать требования [1], [5], [8], [11], а также других нормативных документов, регламентирующих проектирование, строительство и эксплуатацию линейных сооружений связи.

11.8. Проектирование подвесных воздушных линий КСКПТ должно выполняться исходя из следующих условий:

настоящее руководство распространяется на проектирование трубостоек высотой до 4,6 м и предназначенных для крепления на них кабеля РК75-17-13С или РК75-11-11С на стальных канатах с пролетом до 100 м;

максимальная высота установки стоек должна быть в пределах 100 м от уровня земли.

11.8.1. В зависимости от географического месторасположения строительства, трубостойки и канат, поддерживающий кабель, должны рассчитываться с учетом:

ветрового района, регламентируемого главой 6 СНиП II-6-74 «Нагрузки и воздействия. Нормы проектирования»;

района гололедности, регламентируемого главой 7 того же СНиПа;

района с температурным режимом, устанавливаемого СНиП 2.01.01.-82 «Строительная климатология и геофизика».

11.8.2. Проектирование трубостоек и несущего каната кабели должно производиться в соответствии с требованием СНиП II-23-81 «Стальные конструкции. Нормы проектирования», требованиями настоящего руководства с другими общеобязательными действующими нормативными документами.

11.8.3. При проектировании линий воздушных КСКПТ необходимо учитывать нормы и правила, изложенные в СНиП III-18-75 «Правила производства и приемки работ. Металлические конструкции».

11.8.4. В проекте необходимо указать, что изготовление трубостоек должно производиться по деталировочным чертежам, выполняемым заводом-изготовителем на основе чертежей «КМ», разработанным в проекте, а монтаж линий КСКПТ должен производиться в соответствии с проектом производства работ.

11.8.5. Качество стали в конструкции трубостоек, предназначенных для расчетных температур воздуха выше минус 40 °С, должно соответствовать:

для элементов из труб - сталь 20 по ГОСТ 1050-74 с химсоставом согласно п. 2.1. этого ГОСТа. Механические свойства стали труб должны соответствовать требованиям табл. 2 ГОСТа 8731-74 и сталь должна проходить контроль по микроструктуре согласно п. 1.15 этого ГОСТа. Внешний вид труб должен соответствовать требованиям п. 1.4. ГОСТ 8731-74 и т.д.

11.8.6. Расчет линий КСКПТ производится по первому и второму предельным состояниям в соответствии со СНиП и настоящим руководством. Расчет по первому предельному состоянию производится:

на прочность трубостойки, отдельных элементов и соединений, а также каната, поддерживающего кабели,

устойчивость трубостоек,

выносливости отдельных элементов.

Расчет по второму предельному состоянию производится по деформациям и перемещениями.

Деформативность трубостоек должна удовлетворять следующим предельным отклонениям:

при горизонтальном отклонении любой точки трубостойки при ураганном ветре или при гололеде с 0,25 значения ураганного ветра величина перемещения не более 1/100 высоты рассматриваемой точки,

то же, при односторонне подвешенном кабеле, при отсутствии ветра величина перемещения не более 1/200 высоты рассматриваемой точки. При расчете линии КСКПТ должны применяться следующие коэффициенты:

коэффициент условия работы,

коэффициент перегрузки,

аэродинамический коэффициент лобового сопротивления для трубчатых элементов в зависимости от числа Рейнольса. Трубостойки должны рассчитываться при следующих режимах работы:

монтажном натяжении оттяжек при отсутствии ветра,

расчетном скоростном напоре ветра с направлением его вдоль и поперек кабельной линии,

обледенении при отсутствии ветра, обледенении при четверти расчетного скоростного напора ветра с направлением его вдоль и поперек кабельной линии.

Усилия от ветровых нагрузок в элементах сооружения линии должны определяться с учетом динамических воздействий пульсаций скоростного напора, вызываемых порывами ветра, принимаемых согласно указаниям СНиП 2.01.07-85. Нагрузки от обледенения определяются в соответствии со СНиП 2.01.07-85. При этом толщина стенки гололеда принимается при повторяемости один раз в 5 лет.

За расчетную отрицательную температуру принимается температура наружного воздуха по наиболее холодной пятидневке обеспеченностью 0,92 по СНиП 2.01.01.-82.

При расчете трубостойки допускаются следующие упрощения, облегчающие расчет:

ветровая нагрузка на пролет ствола (без гололеда или при гололеде) принимается равномерно распределенной по его длине по значению ветрового напора, взятого на высоте половины ствола трубостойки;

ветровая нагрузка на оттяжку принимается равномерно распределенной по ее длине, значение ветрового напора принимается на высоте 2/3 длины оттяжки;

нагрузка на оттяжку от вертикальных и горизонтальных сил принимается равномерно распределенной по хорде оттяжки. В расчете допускается учитывать только проекцию этих нагрузок на направление, перпендикулярное хорде;

поддерживающий кабель канат и оттяжки трубостойки рассчитываются как упругие нити, а усилие в каждом из них принимается постоянным по длине.

11.9. Конструктивные требования к воздушным линиям связи.

11.9.1. Конструкция линии в целом и отдельных ее элементов должны обеспечить надежность работы в эксплуатации и в условиях транспортировки и монтажа.

11.9.2. Соединения элементов конструкций должны быть удобны при выполнении монтажных работ, осуществляемых в сложных условиях на высоте.

11.9.3. Узлы соединений должны быть равнопрочными основным элементам.

11.9.4. В проекте должно быть указано, что все канаты должны быть предварительно вытянуты на усилие, равное 0,6 разрывного усилия каната в целом, указанного в соответствующем ГОСТе на канаты.

11.9.5. При определении высоты промежуточной стойки необходимо учитывать, что расстояние от наинизшей точки провисания кабеля до кровли (габарит) должно быть не менее 1,5 м.

11.9.6. Для пролета 20 м стрела провисания не должна превышать 1 м, для пролета 40 м - 2,2 м, для пролета 70 м - 6 м, а для пролета 100 м - не более 8 м.

11.9.7. Трубостойки высотой 4,6 м поддерживаются двумя ярусами оттяжек, а трубостойки высотой 3,4 м - одним ярусом оттяжек.

В плане все трубостойки имеют по 4 оттяжки. Крепление кабеля к трубостойкам осуществляется с помощью болтов и стяжных муфт. Кабель к поддерживающему канату крепится специальными скобами. Между кабелем и канатом ставится резиновая прокладка, чтобы избежать повреждение кабеля. Для заземления трубостоек предусматриваются специальные скобы заземления.

Должны предусматриваться антикоррозийные мероприятия, грунтовка и окраска в три слоя.

Для оттяжек и поддерживающего каната следует применять стальные канаты круглые оцинкованные по группе СС.

11.10. Допускается применение серийно изготовляемых трубостоек другого назначения при условии соблюдения требований данной главы.

12. ЭЛЕКТРООБОРУДОВАНИЕ, ЭЛЕКТРООСВЕЩЕНИЕ, ЗАЗЕМЛЕНИЕ, МОЛНИЕЗАЩИТА

12.1. При проектировании электрооборудования КСКПТ помимо требований настоящих Руководящих технических материалов необходимо учитывать требования:

СНиП «Электротехнические устройства»;

«Инструкции по проектированию силового и осветительного оборудования промышленных предприятий»;

СНиП - «Естественное и искусственное освещение»;

«Инструкции по устройству сетей заземления и зануления в электроустановках»;

«Инструкции по проектированию и устройству молниезащиты зданий и сооружений»;

«Инструкции по проектированию молниезащиты радиообъектов»;

«Инструкции по проектированию электрооборудования жилых зданий»;

Правил устройств электроустановок (ПУЭ).

12.2. Конструкция, исполнение, способ установки и класс изоляции электрооборудования должны соответствовать номинальному напряжению сети и условиям окружающей среды.

12.3. Каналы, ниши и закладные детали для электропроводок должны быть предусмотрены в архитектурно-строительной части проекта по заданию проектировщиков электриков.

12.4. Напряжение питающей сети должно приниматься 380/220 В при глухом заземлении нейтрали. В существующих зданиях с сетями на напряжении 220/127 В следует предусматривать повышающие трансформаторы на напряжение 380/220 В.

12.5. В проектах электрооборудования КСКПТ должны быть обеспечены:

экономичность и прогрессивность технических решений;

экономия электроэнергии;

надежность работы электроустановок;

удобство и безотказность обслуживания электроустановок;

пожаробезопасность электроустановок;

выполнение электромонтажных работ индустриальными методами;

увязка с другими частями проекта, а также с документацией на технологическое оборудование.

12.6. По степени надежности электроснабжения технологические потребители КСКПТ относятся:

ГС, ЛУ, БДП - ко II-ой категории по классификации ПУЭ.

УДРС - к той категории по классификации ПУЭ, по которой получает электроснабжение здание, в котором устанавливается УДРС.

12.7. Электропитание оборудования КСКПТ должно осуществляться от самостоятельных групп ВРУ здания, в котором устанавливается оборудование КСКПТ, по самостоятельным линиям. Отключение их не должно быть связано с отключением других электроприемников.

Допускается электропитание оборудования КСКПТ выполнять от неотключаемых линий здания.

12.8. Электропитание ГС, обслуживающих более 2000 абонентов, должно выполняться от ВРУ по двум линиям с установкой АВР в помещении головной станции.

12.9. Определение потребляемой мощности технологического оборудования должно производиться с учетом того, что оборудование КСКПТ работает круглосуточно с коэффициентом спроса, равным 1. Для подсчета нагрузок необходимо учитывать также мощность сервисного обслуживания.

12.10. Защита электрических сетей КСКПТ должна выполняться в соответствии с главой III-1 ПУЭ. Электрические сети КСКПТ должны иметь защиту от коротких замыканий. Для защиты электрических сетей следует применять автоматические выключатели с максимальными расцепителями.

12.11. Отклонение напряжения от номинального значения на вводных щитах оборудования КСКПТ не должно превышать +10-15 %. Качество электроэнергии должно соответствовать ГОСТ «Нормы качества электрической энергии у ее приемников, присоединенных к электрическим сетям общего назначения».

12.12. Электрические сети КСКПТ должны выполняться проводами и кабелями с алюминиевыми жилами.

12.13. Допустимые токовые нагрузки на провода питающих КСКПТ линий должны приниматься по ПУЭ, как для четырех проводов, проложенных в одной трубе.

12.14. Незащищенные изолированные провода и кабели электропроводки должны быть расположены или ограждены таким образом, чтобы они были недоступны для прикосновения с мест, где возможно частое пребывание людей.

12.15. Питающие линии КСКПТ должны, как правило, прокладываться в каналах электроблоков (в строительных конструкциях).

12.16. Взаиморезервируемые питающие линии КСКПТ следует прокладывать в разных каналах, трубах или на разных лотках.

12.17. В местах прохода проводов и кабелей через стены, перегородки и междуэтажные перекрытия необходимо обеспечивать возможность смены электропроводки.

Для этого проход должен быть выполнен в трубе, коробе или в строительных конструкциях, в которых должны быть предусмотрены отверстия. Зазоры между проводами или кабелями с трубой или коробом, а также резервные трубы следует заделывать легко удаляемой массой из несгораемого материала. Допускается использование в существующих зданиях несменяемых проводок.

12.18. Прокладку питающей сети КСКПТ внутри здания, как правило, следует выполнить скрыто, под штукатуркой за исключением технических подполий, подвалов, чердаков, тепловых пунктов, насосных, бойлерных, вентиляционных камер, сырых и особо сырых помещений.

12.19. Учет расхода электроэнергии должен выполняться в соответствии с требованиями глав 1-5 и VII-1 ПУЭ.

12.20. Расчетные счетчики должны устанавливаться на вводе в помещение ГС КСКПТ.

12.21. Счетчики следует выбирать с учетом их перегрузочной способности.

12.22. Электрическое освещение помещений ГС должно проектироваться в соответствии с ПУЭ, СНиП «Естественное и искусственное освещение» и «Инструкцией по проектированию искусственного освещения предприятий связи» как светильниками с люминесцентными лампами, так и светильниками с лампами накаливания.

12.23. Заземление и зануление электроустановок КСКПТ следует выполнять в соответствии с ПУЭ и «Инструкцией по устройству сетей заземления и зануления в электроустановках».

12.24. В качестве заземляющих проводников рекомендуется использовать нулевые жилы питающих кабелей.

12.25. Использование в качестве заземляющих (зануляющих) проводников металлических оболочек изоляционных трубок, труб из тонколистовой стали (тонкостенных), металлорукавов, а также свинцовых оболочек кабелей, сетей водопровода, отопления, канализации и газоснабжения запрещается.

12.26. Для антенных устройств оборудования КСКПТ, независимо от числа часов грозовой деятельности, должна быть предусмотрена молниезащита по III категории устройства молниезащиты.

При воздушно-кабельных переходах внешний проводник кабеля должен быть присоединен к заземляющему устройству усилительного оборудования домовой сети, а при его отсутствии к отдельному заземлителю с импульсным сопротивлением растеканию тока не более 20 Ом.

12.27. Защита сооружений КСКПТ от заноса опасных напряжений, возникающих при ударе молний в магистральных и распределительных сетях КСКПТ как воздушных, так и прокладываемых в земле должна проектироваться в соответствии с требованиями «Инструкции по проектированию и устройству молниезащиты зданий и сооружении» и главы 6 «Инструкции по проектированию молниезащиты радиообъектов». Для кабелей ТВ, проложенных в кабельной канализации, коллекторах и в зданиях молниезащита не требуется.

12.28. Если на здании, где устанавливаются антенны КСКПТ имеются существующие антенны СКПТ, то при проектировании молниезащитного заземления антенных устройств КСКПТ необходимо использовать заземлители существующих антенн СКПТ.

13. АРХИТЕКТУРНО-СТРОИТЕЛЬНАЯ ЧАСТЬ, ВЕНТИЛЯЦИЯ, ОТОПЛЕНИЕ

13.1. В архитектурно-строительной части проекта КСКПТ должны выполняться следующие работы:

проектирование помещений головных станций в зданиях, где помещение для головных станций отсутствует;

проверка расчетом возможности установки антенно-фидерных устройств на кровле здания в случаях, не оговоренных в типовых проектах или типовых проектных материалах;

проектирование необходимых закладных устройств для установки антенн и трубостоек воздушных линий связи;

проектирование усиления конструкций кровли для крепления антенно-фидерных устройств и трубостоек.

13.2. При строительстве новых помещений для головных станций материалом для стен может служить эффективный дырчатый кирпич с толщиной 1/2 кирпича, шлакобетонные мелкоразмерные блоки толщиной 80, 100 мм на цементно-песчаном растворе, металлический каркас из уголковой стали на болтах с сеткой, выгороженной изнутри асбестоцементными листами.

Полы бетонные с железнением, покрытые линолеумом на тканевой основе, потолки желательно гладкие, ровные, без выступающих внешних частей ограждающих конструкций.

Двери деревянные, обитые листовой сталью, с дверными коробками, закрепленными в кирпичные или блочные стены. При металлическом каркасе - аналогичной конструкции металлические. Замки - навесные. Внутренняя отделка помещения для головных станций - стены и двери окрашиваются масляной краской, металлический каркас эмалевой краской за 2 раза, потолки - водоэмульсионной белой краской.

13.3. Помещения головных станций должны удовлетворять требованиям главы 5 [1].

13.4. В помещениях головных станций следует предусматривать вентиляцию с естественным побуждением.

Вентиляцию с механическим побуждением необходимо предусматривать, когда требуемые климатические условия не могут быть обеспечены вентиляцией с естественным побуждением.

Отопление необходимо предусматривать от существующей системы отопления зданий. В качестве нагревательных приборов следует использовать реестры из гладких труб. В помещениях головных станций запрещается устанавливать запорную арматуру и применение резьбовых соединений. В расчете отопления температуру наружного воздуха необходимо принимать соответствующей расчетным параметрам «Б» для холодного периода года. Температуру внутреннего воздуха в помещениях головных станций необходимо принимать +10 °С (при эпизодическом нахождении там обслуживающего персонала) и +18 °С при постоянном нахождении в них обслуживающего персонала.

14. ТЕХНИКА БЕЗОПАСНОСТИ, ПРОТИВОПОЖАРНЫЕ МЕРОПРИЯТИЯ

14.1. К мероприятиям, связанным с техникой безопасности при проведении работ по монтажу, настройке и эксплуатации КСКПТ относятся:

оборудование антенн устройствами молниезащиты;

заземление телевизионного оборудования;

заземление трубостоек воздушных линий КСКПТ;

соблюдение инструкций и правил по технике безопасности.

14.2. Устройство молниезащитного заземления антенн и трубостоек должно предусматриваться в соответствии с требованиями главы 12.

14.3. Заземление телевизионного оборудования, размещенного на лестничных клетках и шкафах, в техподпольях и чердаках осуществляется в соответствии с требованиями главы 12.

14.4. При проектировании воздушных линий КСКПТ следует руководствоваться требованиями ОСТ 45-27-84 «Система стандартов безопасности труда. Металлические мачты и башни радиопредприятий. Общие требования безопасности».

14.5. Проектирование воздушных линий КСКПТ должно выполняться квалифицированными специалистами, имеющими опыт проектирования строительных высотных металлоконструкций.

14.6. Для помещения головных станций необходимо использовать материалы и конструкции, удовлетворяющие категорийности зданий и сооружений в соответствии с противопожарными нормами СНиП 2.01.02-85.

14.7. В помещениях головных станций должен предусматриваться противопожарный инвентарь: огнетушители, песок и т.д. Курение в них запрещается.

14.8. При проведении работ по монтажу и эксплуатации необходимо руководствоваться следующими документами:

Временными правилами технической эксплуатации КСКПТ и СКТВ*;

* - приводятся в настоящем сборнике.

Правилами техники безопасности при сооружении и эксплуатации радиопредприятий, 1986 г.;

Правилами технической эксплуатации электроустановок потребителей и Правилами техники безопасности при эксплуатации электроустановок потребителей. М. 1986 г.;

Правилами техники безопасности при работах на кабельных линиях связи и проводного вещания. М. Связь 1979 г.;

Общей инструкцией по строительству линейных сооружений ГТС. М. Связь 1978 г., раздел 1.22.;

временной инструкцией по технике безопасности при техническом обслуживании крупных систем коллективного приема телевидения (КСКПТ)*;

* - приводятся в настоящем сборнике.

Правилами пожарной безопасности на объектах Министерства М. Связь 1975 г., другими правилами и инструкциями.

15. ОРГАНИЗАЦИЯ СТРОИТЕЛЬСТВА

15.1. Проектирование КСКПТ в части организации строительства должно включать общие сведения о местонахождении района работ, о генподрядной и субподрядной организациях, о составе работ и календарный план строительства (график работ).

15.1.1. Календарный план строительства составляется по приведенной форме, рекомендованной ЦНИИОМТП, так как в составе СНиП 1.04.03-85 нет прямых норм продолжительности строительства КСКПТ. Исходными данными для составления календарного плана строительства системы являются:

сумма строительно-монтажных работ в тыс. руб.,

сумма нормируемых трудозатрат в чел. ч.,

состав звена (бригады), выполняющего строительно-монтажные работы в чел.

продолжительность рабочего дня 8 ч.

Общая продолжительность работ ... чел. дней.

Для пересчета продолжительности работ в других единицах (неделя или месяц) необходимо применять:

продолжительность рабочей недели - 41 ч;

число рабочих дней в неделе - 5 раб. дней;

среднее число рабочих дней в одном месяце - 22,5 раб. дня.

15.2. Подвоз монтажных материалов на строительство осуществляется автотранспортом.

Календарный план строительства КСКПТ

№ п. п.

Наименование зданий, сооружений и работ

Сметная стоимость в тыс. руб.

Трудозатраты в чел. ч

Состав звена

чел.

Продолж. Работы

дней

19__

кварталы

19__

кварталы

всего

в том числе объем СМР

обоснование

кол-во

I

II

III

IV

I

II

1

2

3

4

5

6

7

8

9

10

11

12

13

14

1

Строительно-монтажные работы на строительство КСКПТ на _____ абонентов по адресу ____

 

 

 

 

 

 

 

 

 

 

 

 

 

в том числе прочих затрат, включая непредвиденные и лимитированные

 

 

 

 

 

 

 

 

 

 

 

 

 

График потребности рабочих

 

 

 

 

 

 

 

 

 

 

 

 

Примечание. В числителе указываются объемы капитальных вложений, в знаменателе - объемы СМР.

15.3. Хранение монтажных материалов и размещение рабочих на строительстве осуществляется в существующих помещениях, временно отведенных заказчиком (площадь по норме).

15.4. Потребность в электроэнергии - определяется по расчетным нормативам на 1 млн. руб. годовой стоимости строительно-монтажных работ (РН-73 ч. I) или по фактической потребности расчетом.

Снабжение электроэнергией производится подключением к существующим сетям.

15.5. Объемы работ и потребность в строительных материалах, полуфабрикатах и конструкциях определяются путем выборок из смет проекта.

Потребность в основных строительных материалах выявляется на основании объемов работ по строительным нормам и правилам.

15.6. Методы производства работ

Учитывая габариты и массу поставляемого оборудования, доставка его производится на автомашинах. Его подъем на этажи здания осуществляется при помощи лифта, по лестничным маршам и далее вручную на кровли зданий.

В связи с тем, что платформы с антеннами в зависимости от вариантных разработок могут иметь вес 170-500 кг, при их установке на кровле зданий под конструкции необходимо подложить распределительные подкладки из деревянных брусков в целях сохранения рулонного ковра от повреждений и дальнейших протечек кровли.

Перемещение этих платформ по кровле предусматривает их разборку и сборку на новом месте.

15.7. Прокладка кабельных линий между домами. При разработке проекта необходимо в максимальной степени использовать существующие кабельную телефонную канализацию, коллекторы и т.д. с последующим согласованием с их владельцами, а при строительстве новой канализации - с отделом подземных сооружений.

15.8. Учитывая, что прокладка кабелей осуществляется в зоне массовой застройки в стесненных условиях и наличия подземных коммуникаций, процент земляных работ при использовании техники минимален и определяется проектом. Траншеи для кабельной канализации, как правило, предусматриваются на небольшой глубине, аналогично траншеям для кабелей ГТС. Они разрабатываются экскаватором с емкостью ковша 0,15-0,25 м3 типа «Беларусь», причем ширина траншеи принимается равной ширине ковша.

15.9. Разрешение на ведение земляных работ выдает административная инспекция Исполкома на основании согласованной проектной Документации.

15.10. Работы в пределах зданий выполняются с согласия владельцев этих зданий.

15.11. При производстве работ необходимо соблюдать правила по технике безопасности в соответствии с СНиП III-4-80.

15.12. Строительные организации принимают на время строительства обязательства по сохранности линейно-кабельных сооружений ГТС, получая разрешение и акт-допуск на работу от владельца линейных сооружений.

15.13. Строительные организации обязаны в случае повреждений выполнить восстановительные работы (кровли зданий, кабельная канализация, кабели ГТС и т.д.).

16. СПЕЦИФИКАЦИИ ОБОРУДОВАНИЯ (СО), ВЕДОМОСТИ ПОТРЕБНОСТИ В МАТЕРИАЛАХ (ВМ) И СМЕТЫ

16.1. На стадии П необходимо разрабатывать заказные спецификации на оборудование длительного изготовления и ведомости, составленные по укрупненной номенклатуре, на серийно изготовляемое оборудование, приборы, кабельные и другие изделия и материалы массового и серийного производства, а так же нестандартизированное оборудование, поставляемые заказчиком.

16.2. На стадии РД и РП необходимо разрабатывать СО по форме ГОСТ 21.110-82 и ВМ по форме ГОСТ 21.109-80.

16.3. СО и ВМ необходимо разрабатывать к каждому рабочему проекту КСКПТ.

16.4. СО должны состоять из трех разделов:

оборудование и материалы, поставляемые заказчиком,

оборудование, поставляемое подрядчиком,

оборудование, имеющееся на предприятии и используемое при расширении, реконструкции и техническом перевооружении.

16.5. Электроустановочные изделия, изделия ГЭМ, конструкции и т.д. включают в раздел оборудования, поставляемого подрядчиком в виде готовых изделий без учета материалов на их изготовление.

16.6. Монтажные изделия и конструкции (рамы, ограждения, трубостойки и т.д.), а так же железобетонные изделия, изготовляемые на строительной площадке, включаются в раздел оборудования, поставляемого подрядчиком, а материалы, необходимые для их изготовления - в ведомость потребности в материалах.

16.7. Спецификации оборудования и Ведомости потребности в материалах прилагают к основным комплектам рабочих чертежей как самостоятельный документ и вкладывают в том основного комплекта.

Сведения о СО и ВМ должны быть помещены в разделе «Прилагаемые документы», «Ведомости ссылочных и прилагаемых документов» листа «Общие данные» основного комплекта рабочих чертежей.

16.8. Сметная документация КСКПТ должна разрабатываться в соответствии с требованиями СНиП [2].

ПРИЛОЖЕНИЕ 1

АНТЕННЫ, ОБОРУДОВАНИЕ И КАБЕЛИ, ПРИМЕНЯЕМЫЕ В КСКПТ. ОСНОВНЫЕ ПАРАМЕТРЫ

1. АНТЕННЫ

Параметры используемых в КСКПТ антенн приведены в табл. П.1.1.

Антенны типа АТКГ - ... предназначены для коллективного приема сигналов телевидения, передаваемых с горизонтальной поляризацией в I, II, III, IV и V диапазонах.

Антенны типа АТКГ - 1.1.1.3 ÷ АТКГ - 1.1.12.3 являются одноканальными.

АТКГ - 2.1.1, 3.2 ÷ АТКГ - 2.13, 5.1 - двухканальными, АТКГ-4.1.6-12.3 ÷ АТКГ - 5.3.21-41.6 - широкополосными.

Условные обозначения антенн по ГОСТ 11289:

буквенные обозначения:

AT - антенна телевизионная;

К - коллективная;

Г - горизонтальная поляризация;

Г(В) - предусматривает работу как с горизонтальной, так и вертикальной поляризациями;

первая цифра обозначает тип антенны:

1 - одноканальная, работает только на одном из 12-ти каналов частот 48,5-100 и 174-230 МГц;

2 - многоканальная антенна работает в полосах частот двух или нескольких телевизионных каналов;

4 - широкополосная, работает на любом (с 6-го по 12-й) канале диапазона частот 174-230 МГц;

5 - широкополосная, работает в любом (с 21-го по 41-й) канале диапазона частот 470-638 МГц;

вторая цифра обозначает категорию сложности приема:

1 - I категория;

2 - II категория;

3 - III категория;

третья цифра или комбинация цифр обозначает номер (номера) телевизионного, канала (каналов), в полосе (полосах) частот которого (которых) работает антенна.

Например: 1 - 1 канал; 2 - 2 канал;

1,3 - 1 и 3 каналы;

6-12 - с 6 по 12 канал и т.д.;

четвертая цифра обозначает номер модификации антенны.

Таблица П.1.1

Параметры используемых в КСКПТ антенных устройств

№ п. п.

Вариант антенны

Номер канала, в полосе которого работает антенна

Среднее значение коэффициента усиления относительно полуволнового вибратора, дБ

Помехозащищенность антенны, дБ, не менее

КБВ антенны, не мен ее

1

АТКГ-1.1.1.3

1

5,0

минус 12

0,5

2

АТКГ-1.1.2.3

2

5,0

минус 12

0,5

3

ATKT-1.1.3.3

3

5,0

минус 12

0,5

4

АТКГ-1.1.4.3

4

5,0

минус 12

0,5

5

АТКГ-1.1.5.3

5

5,0

минус 12

0,5

6

АТКГ-1.1.6.3

6

8,0

минус 14

0,6

7

ATKT-1.1.7.3

7

8,0

минус 14

0,6

8

АТКГ-1.1.8.3

8

8,0

минус 14

0,6

9

АТКГ-1.1.9.3

9

8,0

минус 14

0,6

10

АТКГ-1.1.10.3

10

8,0

минус 14

0,6

11

АТКГ-1.1.11.3

11

8,0

минус 14

0,6

12

АТКГ-1.1.12.3

12

8,0

минус 14

0,6

13

АТКГ-2.1.1, 3.2

1,3

4,0

минус 9

0,5

14

АТКГ-2.1.1, 4.2

1,4

4,0

минус 9

0,5

15

АТКГ-2.1.1, 5.2

1,5

4,0

минус 9

0,5

16

АТКГ-2.1.2, 3.2

2,3

4,0

минус 9

0,5

17

АТКГ-2.1.2, 4.2

2,4

4,0

минус 9

0,5

18

АТКГ-2.1.2, 5.1

2,5

4,0

минус 9

0,5

19

АТКГ-2.1.3, 5.1

3,5

4,0

минус 9

0,5

20

АТКГ-4.1.6-12.3

6-12

5,0

минус 12

0,6

21

АТКГ-5.1.21-41.6

21-41

 

 

 

 

а) на 21-29 каналах

 

8,0

минус 14

0,6

 

6) на 30-41 каналах

 

9,5

 

 

22

АТКГ-5.2.21-41.6

21-41

 

минус 16

0,7

 

а) на 21-29 каналах

 

9,0

 

 

 

б) на 30-41 каналах

 

11,5

 

 

23

АТКГ-5.3.21-41.6

21-41

 

 

 

 

а) на 21-29 каналах

 

12,0

минус 18

0,7

 

б) на 30-41 каналах

 

13,5

 

 

24

Антенны для высокоэффективных СКПТ

 

 

 

 

 

а) одноканальные на каждый из 12 каналов I, II, III диапазонов

1,2 ... 12

I диапазон - 5,0

минус 16

0,5

 

 

II диапазон - 6,5

минус 18

0,5

 

 

III диапазон - 8,0

минус 20

0,6

 

6) антенна для приема сигналов УКВ ЧМ вещания

УКВ ЧМ

5,0

минус 16

0,5

 

 

 

 

 

 

в) антенна для приема в диапазоне IV и V

21-41

в диапазоне 470-520 МГц

9,0

минус 18

0,6

 

 

в диапазоне 520-580 МГц

10,0

минус 20

0,6

25

Антенны для СКТВ

 

в диапазоне 580-638 МГц

11,0

минус 19

0,6

 

а) одноканальные на каждый из 12 каналов I, II, III диапазонов

1,2 ... 12

I диапазон - 7,0

минус 20

0,65

 

 

II диапазон - 8,5

минус 22

0,65

 

 

III диапазон - 10,0

минус 24

0,7

 

б) антенна для приема сигналов УКВ ЧМ вещания

УКВ ЧМ

8,0

минус 20

0,65

 

в) антенна для приема в диапазоне IV-V

21-61

8,5

минус 18

0,6

2. АНТЕННЫЕ УСИЛИТЕЛИ*

* - серийно не выпускаются

Антенные усилители предназначены для усиления ТВ радиосигналов метрового и дециметрового диапазонов волн, а также радиосигналов УКВ ЧМ вещания.

Антенные усилители входят в комплект, содержащий до 3 или до 6 усилителей. Комплект антенных усилителей состоит из канальных усилителей, настроенных на полосы частот стандартных телевизионных каналов и диапазона УКВ ЧМ радиовещания в заранее заданных сочетаниях, и корпуса, допускающего установку до трех антенных усилителей.

Примечание. Имеет возможность изготовления корпуса, рассчитанного на установку до 6 антенных усилителей.

Комплекты предназначены для работы в чердачных помещениях, стенных шкафах лестничных клеток, на технических этажах зданий. Напряжение питания минус 12 В к комплекту подается по кабелю типа ШБВЛ 2´1,5 ГОСТ 7399-71 от блоков питания головных станций серии 100 или 200.

Технические характеристики

Коэффициент усиления на средней частоте телевизионных каналов и диапазона УКВ ЧМ радиовещания, дБ не менее....................................................... 30

Неравномерность амплитудно-частотной характеристики в полосе частот одного телевизионного канала или в диапазоне УКВ ЧМ радиовещания, дБ, не более................................................................................................................................. 1

Коэффициент стоячей волны со стороны входов и выходов в полосе частот усиливаемых сигналов, не более................................................................................ 1,7

Коэффициент шума, дБ, не более............................................................................. 5

Максимальный уровень несущей частоты изображения на выходах комплекта, мВ, не менее................................................................................................................ 100

Избирательность на частотах, отстоящих на 8 МГц от границ полосы частот усиливаемых телевизионных каналов метрового диапазона волн и диапазона УКВ ЧМ радиовещания, дБ, не менее................................................................................. 20

Избирательность на частотах, отстоящих на 8 МГц от границ полосы частот усиливаемых телевизионных каналов дециметрового диапазона волн, дБ, не менее................................................................................................................................ 6

Ток, потребляемый от источника питания при напряжении минус 12 В, мА, не более............................................................................................................................. 120

Габаритные размеры комплекта, мм........................... 293´192´116

3. ОБОРУДОВАНИЕ ГОЛОВНЫХ СТАНЦИЙ (ГС)

3.1. Головная станция серии 100

Головная станция серии 100 производства ПО «Горизонт» предназначена для приема телевизионных сигналов пяти и менее программ одновременно в стандартных каналах I, II, III, IV и V ТВ диапазонов и до шести программ УКВ ЧМ радиовещания в диапазоне 66-73 МГц, однократного преобразования ТВ каналов в стандартный канал I, II, III ТВ диапазонов и последующей подачи в кабельную сеть.

Условные обозначения головных станций:

Станция головная СГ-105-1/12,3/7,8/4,11/2,33/9 (А2)

первая цифра указывает на принадлежность к серии 100;

вторая цифра: 0 - без пилот-генератора;

1 - с пилот-генератором;

третья цифра - количество принимаемых ТВ программ;

после тире - перечисление номеров конвертируемых (через дробь) или усиливаемых ТВ каналов;

в скобках - условное обозначение зажима для подключения магистрального кабеля:

А1 - под кабель типа РК 75-17...

А2 - под кабель типа РК 75-11...

A3 - под кабель типа РК 75-9...

Примечание. Необходимость пилот-генератора, входящего в состав ГС, определяется на стадии проектирования системы.

Технические характеристики

Затухание несогласованности на входе (выходе) станции, дБ, не менее:

для I, II, III ТВ диапазонов............................................................................................ 15

для IV ТВ диапазона..................................................................................................... 10

для УKB ЧМ................................................................................................................... 15

Коэффициент шума, дБ, не более:

для I, II, III ТВ диапазонов............................................................................................ 10

для IV, V ТВ диапазона................................................................................................. 12

для УКВ ЧМ..................................................................................................................... 8

Номинальный входной уровень, дБ/мкВ:

для ТВ каналов.............................................................................................................. 70

для УКВ ЧМ................................................................................................................... 60

Выходные уровни сигналов, дБ/мкВ:

для ТВ каналов........................................................................................................ 106±3

для УКВ ЧМ............................................................................................................. 100±3

для пилот-сигнала..................................................................................................... 96±3

Отношение сигнал/помеха комбинационных частот при номинальных выходных уровнях, дБ не менее:

для ТВ каналов lMA(III)k................................................................................................. 60

для УКВ ЧМ вещания 1МА(III..................................................................................... 60

Автоматическая регулировка усиления обеспечивает постоянство номинального выходного уровня ТВ каналов 106 дБ/мкВ в пределах от 60 до 80 дБ/мкВ.

На входах оборудования станции головной предусмотрена возможность установки сменных аттенюаторов со ступенчатой регулировкой через 2 дБ и максимальным затуханием, дБ:

для I, II, III ТВ диапазонов УКВ ЧМ............................................................................ 40

для IV, V ТВ диапазонов............................................................................................... 20

Избирательность на частотах, отстоящих не менее, чем на ±8 МГц от границ канала, дБ, не менее:

дли I, II, III, ТВ диапазонов........................................................................................... 40

для IV, V ТВ диапазонов............................................................................................... 30

для УКВ ЧМ................................................................................................................... 40

При этом избирательность по выходу, дБ, не менее:

для I, II, III, ТВ диапазонов........................................................................................... 20

для IV, V ТВ диапазонов............................................................................................... 15

Избирательность по зеркальному ТВ каналу, дБ, не менее:....................................... 50

Неравномерность АЧХ, дБ, не более:

в полосе ТВ канала между несущей изображения и несущей звука....................... 1,5

в диапазоне УКВ ЧМ вещания.................................................................................... 1,5

Номинальная частота пилот-сигнала, МГц................................................................ 110

Нестабильность частоты гетеродинов и пилот-сигналов, кГц, не более:................. 50

Нестабильность уровня пилотного, дБ, не более......................................................... 0,3

Уровень побочных частот вне канала на выходе станции, дБ, не более:....... минус 46

Мощность сигналов гетеродинов и его гармоник, проникающих на вход, для I, II, III ТВ каналов, Вт, не более................................................................................................ 1∙10-10

Модуляция ТВ сигнала фоном, дБ, не более..................................................... минус 50

На выходе ГС предусмотрено контрольное гнездо с параметрами:

выходное сопротивление, Ом...................................................................................... 75

затухание несогласованности, дБ, не менее............................................................... 15

переходное ослабление, дБ...................................................................................... 20±1

коэффициент защиты гнезда от отраженной волны, дБ, не менее.......................... 30

Габаритные размеры, мм.............................................................................. 630´480´240

Наработка на отказ при риске поставщика a=0,2 и риске заказчика b=0,2 для каждого из блоков станции, ч, не менее....................................................................... 10000

3.2. Головная станция серии 200

Головная станция серии 200 производства ПО «Горизонт» предназначена для приема, преобразования и подачи в кабельную распределительную сеть сигналов телевидения и УКВ ЧМ радиовещания в составе систем кабельного телевидения (СКТВ) [16].

Условные обозначения головных станций:

станция головная СГ-215-06;

первая цифра (2) указывает принадлежность к серии 200;

вторая цифра (1) - станция содержит генератор пилот-сигнала;

третья цифра (5) - количество принимаемых каналов;

четвертая и пятая цифры - вариант комбинации приемо-передатчиков в ГС.

Технические характеристики

Преобразование частоты телевизионных сигналов двойное - в любой канал диапазона 48,5-230 МГц

Затухание несогласованности на входе (выходе), станции при номинальном входном (выходном) сопротивлении 75 Ом, дБ, не менее............................................... 17

Выходные уровни сигналов станции, дБ/мкВ:

ТВ каналов............................................................................................................... 114±2

УКВ ЧМ радиовещания.......................................................................................... 108±2

генераторов пилот-сигналов.................................................................................. 104±2

Автоматическая регулировка усиления обеспечивает постоянство выходного уровня в пределах ±1 дБ при изменении входного уровня от 60 до 80 дБ/мкВ.

Нестабильность уровней пилот-сигналов, дБ, не более............................................. 0,3

Нестабильность частот несущей изображения и генератора

пилот-сигналов, не более.............................................................................................. ±5∙10-5

Номинальные частоты пилот-сигналов, МГц................................................... 110 и 235

Неравномерность АЧХ в полосе частот между несущими изображения и звукового сопровождения, дБ, не более.............................................................................................. 1,5

Избирательность ниже fнес.из. - 1,5 МГц и выше fнеc.из. + 8 МГц

относительно уровня fнес.из., дБ, не менее........................................................................... 25

Внутриканальные помехи при выходном уровне не менее 120 дБ/ мкВ, не более, дБ................................................................................................................................................ 54

Отношение сигнала к фоновой помехе, дБ, не менее.................................................. 50

Коэффициент шума, дБ, не более:

для I, II, III ТВ диапазонов, УКВ ЧМ радиовещания.................................................... 8

для IV, V диапазонов..................................................................................................... 10

Мощность сигналов гетеродинов и его гармоник, проникающих на вход, для I, II, III ТВ диапазонов, Вт, не более.......................................................................................... 1∙10-11

Затухание сигналов гетеродинов и его гармоник, проникающих на выход станции относительно уровня несущей изображения, дБ, не менее.............................................. 46

Групповое время запаздывания в полосе частот от fнес.из. до fнес.из. + 6 МГц, но, не более..................................................................................................................................... ±50

На выходе ГС предусмотрено контрольное гнездо с выходным сопротивлением 75 ом, затуханием несогласованности не менее 15 дБ, переходным затуханием 20±1 дБ.

Коэффициент защиты контрольного гнезда от отраженной волны, не менее 30 дБ.

Избирательность по зеркальному каналу и по промежуточной частоте, дБ, не менее 50.

Избирательность на частотах, отстоящих не менее, чем на ±8 МГц от границ рабочей части диапазона УКВ ЧМ радиовещания, дБ, не менее..................................... 46

Работоспособность станции обеспечивается при колебаниях напряжения сети 220 В от плюс 10 % до минус 15 %.

Мощность, потребляемая ГС при номинальном напряжении сети, В А, не более............................................................................................................................................. 300

4. ЛИНЕЙНЫЕ УСИЛИТЕЛИ

4.1. Линейные усилители серии «100»
(УМ-101/220, УМ-101/60, УМ-111/60, УМ-111/220)

Условные обозначения усилителей:

усилитель магистральный УМ-111/220;

первая цифра указывает на принадлежность к серии «100»;

вторая цифра: 0 - усилить без АРУ;

1 - усилить с АРУ по пилот-сигналу;

третья цифра: 1 - номер модификации;

последние цифры через дробь показывают напряжение питающей сети.

Технические характеристики

Рабочий диапазон, МГц........................................................................................... 40-240

Неравномерность амплитудно-частотной характеристики в рабочем диапазоне частот, дБ, не более................................................................................................................ 1

Затухание несогласованности со стороны входа (выхода) усилителя в диапазоне рабочих частот, дБ, не менее............................................................................................... 18

Допускается уменьшение затухания несогласованности не более, чем на 1 дБ на октаву по сравнению с его затуханием на частоте 40 МГц.

Коэффициент шума при номинальном положении регуляторов усиления и наклона, дБ, не более............................................................................................................................ 10

Коэффициент усиления, дБ:

для УМ без АРУ........................................................................................................... 28±3

для УМ с АРУ............................................................................................................... 24±3

Выходной уровень при отношении сигнал/помеха III порядка минус 60 дБ, мВ, не менее...................................................................................................................................... 57

Выходной уровень при отношении сигнал/помеха комбинационных частот II порядка минус 56 дБ, дБмВ, не менее................................................................................ 57

Ручная регулировка коэффициента усиления осуществляется в пределах, дБ.......... 15

Ручная регулировка наклона АЧХ осуществляется в пределах, дБ............................. 15

Уровень фоновых помех, не более, дБ............................................................... минус 60

В усилителе УМ-111 предусмотрена возможность работы с АРУ и без нее. АРУ обеспечивает поддержание выходного уровня в пределах ±0,5 дБ при изменении входного уровня на ±4 дБ

Ослабление ВЧ сигнала на контрольных гнездах на входе и выходе усилителя, дБ............................................................................................................................................ 20±1

Затухание несогласованности контрольных гнезд, дБ, не менее................................ 15

Коэффициент защиты контрольного гнезда от отраженной волны, дБ, не менее.... 30

масса, кг, не более.............................................................................................................. 6

габаритные размеры усилителя, мм.............................................................. 420´270´96

Питание усилителей должно осуществляться от сети переменного тока, В:

УМ-101/60, УМ-111/60............................................................................................ 60±

УМ-101/220, УМ-111/220...................................................................................... 220±

4.2. Линейные усилители серии «200»
(УМ-201/60, УМ-202/60, УМ-222/60, УМ-221/60, УМ-201/220, УМ-202/220, УМ-221/220, УМ-222/220)

Условные обозначения усилителей:

усилитель магистральный УМ-222/220

первая цифра указывает принадлежность усилителя к серии «200»;

вторая цифра 0 - усилитель без АРУ и Н;

2 - усилитель с АРУ и Н;

третья цифра 1 - один выход у усилителя;

2 - два выхода у усилителя;

последние цифры через дробь показывают напряжение питающей сети.

Технические характеристики

Рабочий диапазон частот, МГц............................................................................... 40-240

Неравномерность АЧХ в рабочем диапазоне частот, дБ, не более.............................. 1

Затухание несогласованности со стороны входа (выхода) усилителя в диапазоне рабочих частот, дБ, не менее............................................................................................... 18

Допускается уменьшение затухания несогласованности не более, чем 1 дБ на октаву по сравнению с его значением на частоте 40 МГц.

Коэффициент шума, дБ, не более..................................................................................... 9

Коэффициент усиления, дБ:

УМ с одним выходом.................................................................................................. 6±3

УМ с двумя выходами:

основного выхода...................................................................................................... 26±3

дополнительного выхода.......................................................................................... 28±3

Отношение сигнала к помехе комбинационных частот III порядка не менее 60 дБ при выходном уровне, дБ/мкВ:

для УМ с одним выходом........................................................................................... 120

для УМ с двумя выходами:

на основном выходе.................................................................................................... 120

на дополнительном выходе........................................................................................ 116

Отношение сигнала к помехе комбинационных частот II порядка не менее 55 дБ при выходном уровне дБ/мкВ:

для УМ с одним выходом........................................................................................... 116

для УМ с двумя выходами:

на основном выходе.................................................................................................... 116

на дополнительном выходе........................................................................................ 116

Ручная регулировка коэффициента усиления осуществляется в пределах 16 дБ сменными аттенюаторами с шагом 2 дБ.

В усилителе предусмотрена возможность плавной регулировки усиления в пределах 10 дБ.

Отношение сигнала к фоновой помехе, дБ, не менее.................................................. 60

Автоматическая регулировка усиления обеспечивает при изменении входного уровня на ±3 дБ поддержание выходного уровня в пределах ±0,5 дБ

Ослабление сигнала на контрольных гнездах усилителя, дБ............................... 20±1,5

Затухание несогласованности контрольных гнезд, дБ, не менее................................ 15

Коэффициент защиты выходного контрольного гнезда от отраженной волны, дБ, не менее...................................................................................................................................... 30

Питание усилителей УМ-201/220, УМ-202/220, УМ-221/220, УМ-222/ 220 осуществляется от сети с напряжением 220 В, частотой 50 Гц.

Мощность, потребляемая усилителями, ВА, не более

УМ-222........................................................................................................................... 40

УМ-201........................................................................................................................... 33

Масса усилителей, кг, не более

УМ-222........................................................................................................................... 11

Габаритные размеры, мм.............................................................................................................................. 450´300´128

5. УСИЛИТЕЛИ ДРС

5.1. Усилитель типа УД-101 (серии «100»).

Условное обозначение усилителя:

усилитель домовой УД-101

первая цифра (1) показывает на принадлежность к серии «100»;

вторая цифра (0) показывает, что усилитель без АРУ;

третья цифра (1) - номер модификации.

Технические характеристики

Рабочий диапазон частот, МГц............................................................................... 40-240

Неравномерность АЧХ в диапазоне рабочих частот, дБ, не более............................ 1,5

Затухание несогласованности со стороны входа (выхода) усилителя в диапазоне рабочих частот, дБ, не менее............................................................................................... 18

Допускается уменьшение затухания несогласованности, не более, чем на 1 дБ на октаву по сравнению с его значением на частоте 40 МГц

Коэффициент шума при номинальном положении регуляторов усилении и наклона АЧХ, дБ, не более................................................................................................................. 10

Коэффициент усиления, дБ........................................................................................ 35±3

Выходной уровень при отношении сигнал/помеха комбинационных частот III порядка минус 60 дБ, дБмВ, не менее................................................................................ 57

Выходной уровень при отношении сигнал/помеха комбинационных частот II порядка минус 56 дБ дБмВ, не менее................................................................................. 57

Ручная регулировка коэффициента усиления осуществляется в пределах, дБ.......... 15

Ручная регулировка наклона АЧХ осуществляется в пределах, дБ............................. 15

Уровень фоновых помех, дБ, не более............................................................... минус 60

Ослабление ВЧ сигнала на контрольных гнездах на входе и выходе усилителя, дБ............................................................................................................................................ 20±1

Затухание несогласованности контрольных гнезд, дБ, не менее................................ 15

Коэффициент защиты контрольного гнезда от отраженной волны, дБ, не менее.... 30

Масса, кг, не более............................................................................................................. 6

5.2. Усилитель типа УД-201 (серии «200»)

Условное обозначение усилителя:

усилитель домовой УД-201

первая цифра (2) показывает на принадлежность к серии «200»;

вторая цифра (0) показывает, что усилитель без АРУ;

третья цифра (1) - номер модификации

Технические характеристики

Рабочий диапазон частот, МГц............................................................................... 40-240

Неравномерность АЧХ в диапазоне рабочих частот, дБ, не более............................ 1,0

Затухание несогласованности со стороны входа (выхода) усилителя в диапазоне частот дБ, не менее............................................................................................................... 17

Допускается уменьшение затухания несогласованности не более, чем 1 дБ на октаву по сравнению с его значением на частоте 40 МГц

Коэффициент шума при номинальном положении регуляторов усиления и наклона АЧХ, дБ, не более................................................................................................................... 9

Коэффициент усиления, дБ........................................................................................ 35±3

Выходной уровень при отношении сигнал/помеха комбинационных частот III порядка минус 60 дБ, дБмВ, не менее................................................................................ 59

Выходной уровень при отношении сигнал/помеха комбинационных частот II порядка минус 56 дБ, дБмВ, не менее................................................................................ 59

Ручная регулировка коэффициента усиления осуществляется в пределах, дБ.......... 16

Ручная регулировка наклона АЧХ осуществляется в пределах, дБ............................. 16

Уровень фоновых помех, дБ, не более минус............................................................... 60

Ослабление ВЧ сигнала на контрольных гнездах на входе и выходе усилителя, дБ............................................................................................................................................ 20±1

Затухание несогласованности контрольных гнезд, дБ, не менее................................ 15

Коэффициент защиты контрольного гнезда от отраженной волны, дБ, не менее.... 30

Масса, кг, не более............................................................................................................. 6

6. ОТВЕТВИТЕЛЬНЫЕ УСТРОЙСТВА МАГИСТРАЛЬНЫЕ

Ответвители магистральные предназначены для ответвления, деления мощности радиосигналов в кабельной распределительной сети.

Ответвители магистральные типа ОМ-101, ОМ-102

Условные обозначения ответвителей:

ответвитель магистральный ОМ-102.

первая цифра показывает принадлежность к серии «100»,

третья цифра - номер модификации.

Ответвители в зависимости от количества направлений и пропорции деления мощности ВЧ сигнала изготавливаются в вариантах согласно табл. П.1.6.1

Таблица П.1.6.1

Шифр ответвителей

Переходное ослабление ВЧ сигнала на отводах, дБ

ОМ-101/3

3

ОМ-101/6

6

ОМ-101/10

10

ОМ-101/13

13

ОМ-101/16

16

ОМ-102/6

6

ОМ-102/10

10

ОМ-102/13

13

ОМ-102/16

16

Технические характеристики

Переходное ослабление ВЧ сигнала ответвителей в диапазоне частот 40-240 МГц соответствует значениям, приведенным в табл. П.1.6.2

Таблица П.1.6.2

Шифр ответвителей

Переходное ослабление ВЧ сигнала на отводах, дБ

Переходное ослабление ВЧ сигнала в линии, дБ

1

2

ОМ-101/3

3±1,0

-

3±1,0

ОМ-101/6

6±1,5

-

2±0,5

ОМ-101/10

10±1,0

-

1±0,8

ОМ-101/13

13±1,2

-

0,8±0,6

ОМ-101/16

16±1,2

-

0,8±0,5

ОМ-102/6

6±1,5

6±1,5

3±1,0

ОМ-102/10

10±1,0

10±1,0

1,5±0,8

ОМ-102/13

13±1,2

13±1,2

1,0±0,5

ОМ-102/16

16±1,5

16±1,5

0,8±0,5

Затухание несогласованности со стороны входа, выхода и отводов на частоте 40 МГц, дБ, не менее................................................................................................................. 23

С повышением частоты до 240 МГц допускается понижение значения затухания на 1 дБ на октаву.

Развязка между отводами в диапазоне частот 40-240 МГц, дБ, не менее................. 26

Для ответвителей ОМ-102/6 развязка между отводами, дБ, не менее....................... 21

Ответвители обеспечивают прохождение переменного тока дистанционного питания на выход и каждый отвод, А, не более.................................................................. 3

Коэффициент защиты отводов от отраженной волны в диапазоне частот 40-240 МГц в зависимости от исполнения ответвителей соответствует значениям, приведенным в табл. П.1.6.3

Таблица П.1.6.3

Шифр ответвителей

Коэффициент защиты, дБ, не менее

ОМ-101/3, ОМ-101/6, ОМ-102/6

21

ОМ-101/10, ОМ-102/10

24

ОМ-102/13, ОМ-101/13

25

ОМ-101/16, ОМ-102/16

26

Масса ответвителей ОМ-101, кг, не более

0,4

Масса ответвителей ОМ-102, кг, не более

0,5

Габаритные размеры, мм, не более

118´103´58

7. АБОНЕНТСКИЕ РАЗВЕТВИТЕЛИ
(РА-102.РА-104)

Условные обозначения разветвителей:

разветвитель абонентский РА-102

первая цифра (1) показывает принадлежность к серии «100»

третья цифра (2) - количество отводов

Шифр разветвителей

Ослабление ВЧ сигнала на отводах, дБ

РА-102/10

10

РА-102/13

13

РА-102/16

16

РА-102/22

22

РА-104/10

10

РА-104/13

13

РА-104/16

16

РА-104/22

22

Технические характеристики

Переходное ослабление ВЧ сигнала разветвителя в диапазоне частот 40-240 МГц соответствует значениям, приведенным в табл. П.1.7.1

Таблица П.1.7.1

Шифр разветвителей

Переходное ослабление ВЧ сигнала дБ

Переходное ослабление ВЧ сигнала в линии, ДБ

на 1 и 2 отводах

на 3 и 4 отводах

РА-102/10

10±1,0

-

1,5±0,5

РА-102/13

13±1,5

-

1,0±0,5

РА-102/16

16±1,5

-

0,8±0,5

РА-102/22

22±1,5

-

0,8±0,5

РА-104/10

10±1,5

11±1,5

3,0±0,7

РА-104/13

13±1,5

14±1,5

1,5±0,7

РА-104/16

16±1,5

16±1,5

1,0±0,5

РА-104/22

22±1,5

22±1,5

1,0±0,5

Затухание несогласованности со стороны входа, выхода и отводов в диапазоне частот 40-240 МГц, дБ, не менее..................................................................................... 20

Развязка между отводами в диапазоне частот 40-240 МГц, дБ, не менее.............. 20

Коэффициент защиты отводов от отраженной волны в диапазоне частот 40-240 МГц, в зависимости от исполнения разветвителей соответствует значениям, приведенным в табл. П.1.7.2

Таблица П.1.7.2

Шифр разветвителей

Коэффициент защиты дБ, не менее

PA-102/10

20

РА-104/10

20

РА-102/13

22

РА-104/13

-

РА-102/16

-

РА-104/16

25

РА-102/22

-

РА-104/22

-

Масса разветвителей, кг, не более:

 

для РА-102

0,4

для РА-104

0,5

Габаритные размеры, мм, не более

 

для РА-102

150´96´43

для РА-104

150´110´43

8. Параметры кабелей, используемых в КСКПТ

Наименование элементов

Радиальная толщина, мм

Внешний диаметр, мм

Масса погонная, кг/км

Коэффициент затухания, дБ/М, на частоте 0,2 ГГц

Сопротивление связи, мОм/м

Коэффициент укорочения длины волны

1. Коаксиальный кабель типа РК-75-17-13C

-

22,3

473

0,034

не более 10

1,51

Внутренний проводник медный

-

2,73

 

 

-

 

Сплошная полиэтиленовая изоляция

-

17,3

 

 

-

 

Внешний проводник медный кольцеобразно-гофрированный

0,16

-

-

 

 

 

Оболочка из светостабилизированного полиэтилена

2,3

22,3

-

 

 

 

2. Коаксиальный кабель типа РК 75-17-12

-

21,0

561

0,18 (1 ГГц)

-

1,51

Внутренний медный проводник

-

2,63

-

 

 

 

Сплошная полиэтиленовая изоляция

-

17,3

-

 

 

 

Внешний проводник в виде оплетки из медной проволоки диаметром 0,3 мм и плотностью 96 %

-

-

-

 

 

 

Оболочка из светостабилизированного полиэтилена

-

21,0

-

 

 

 

3. Коаксиальный кабель типа РК 75-11-11-С

-

15,4

220

0,047

не более 10

1,51

Внутренний медный проводник

-

1,88

-

 

 

 

Сплошная полиэтиленовая изоляция

-

11,5

-

 

 

 

Внешний проводник медный кольцеобразно-гофрированный

0,16

-

-

 

 

 

Оболочка из светостабилизированного полиэтилена

-

15,4

-

 

 

 

4. Коаксиальный кабель типа РК 75-7-19

-

10,2

-

0,085

не более 10

1,51

Внутренний медный проводник

-

1,2

-

 

 

 

Изоляция сплошная полиэтиленовая

-

7,25

-

 

 

 

Внешний проводник медный, гофрированная лента номинальной толщины 0,1 мм

-

-

-

 

 

 

Оболочка из светостабилизированного полиэтилена

-

10,2

-

 

 

 

5. Коаксиальный кабель типа РК 75-9-12

-

13,1

189

0,12

-

1,52

Внутренний проводник медный

-

1,35

-

 

 

 

Изоляция сплошная полиэтиленовая

-

9,0

-

 

 

 

Внешний проводник в виде оплетки из медной проволоки диаметром 0,2 мм плотностью 88-92 %

-

-

-

 

 

 

Оболочка из светостабилизированного полиэтилена

-

13,1

-

 

 

 

6. Коаксиальный кабель типа РК 75-4-15

-

7,9

72

0,2

-

1,52

Внутренний проводник медный

-

0,72

-

 

 

-

Сплошная полиэтиленовая изоляция

-

4,6

-

 

 

 

Внешний проводник в виде оплетки из медной проволоки диаметром 0,1 мм плотностью 88-92 %

-

-

-

 

 

 

Оболочка из поливинилхлорида

-

7,9

-

 

 

 

7. Коаксиальный кабель типа РК 75-16

-

7,9

72

0,2

-

1,52

Внутренний проводник медный из 7 проволок диаметром 0,26 мм

-

-

-

 

 

 

Сплошная полиэтиленовая изоляция

-

4,6

-

 

 

 

Внешний проводник в виде оплетки из медной проволоки диаметром 0,25 плотностью 88-92 %

-

-

-

 

 

 

Оболочка из поливинилхлорида

-

7,9

-

 

 

 

8. Коаксиальный кабель тина РК 75-4-113

-

7,0

46

0,018

не более 50

1,5

Внутренний проводник медный

-

0,8

-

 

 

 

Изоляция из сплошного полиэтилена

-

4,6

-

 

 

 

Внешний проводник в виде медной гофрированной фольги номинальной толщины 0,05 мм, положенной с перекрытием продольно оси кабеля

-

-

-

 

 

 

Оболочка из светостабилизированного полиэтилена

-

7,0

-

 

 

 

9. Коаксиальный кабель типа РК 75-3,7-31

-

5,8

30,8

0,103

не более 50

1,22

Внутренний проводник медный

-

0,9

-

 

 

 

Изоляция из пористого полиэтилена

-

3,7

-

 

 

 

Внешний проводник в виде гофрированной фольги с толщиной 0,05 мм, наложенной с перекрытием продольно оси кабеля

-

-

-

 

 

 

Оболочка из светостабилизированного полиэтилена низкой плотности

-

5,8

-

 

 

 

10. Коаксиальный кабель типа РК 75-4-115A

-

6,4

36

0,127

не более 50

1,51

Внутренний проводник медный

-

0,71

-

 

 

 

Сплошная полиэтиленовая изоляция

-

4,6

-

 

 

 

Внешний проводник из фольгированной пленки

-

-

-

 

 

 

Оболочка из светостабилизированного полиэтилена

-

6,4

-

 

 

 

ПРИЛОЖЕНИЕ 2

УТВЕРЖДАЮ

                                         

«___»_________19__ г.

ТЕХНИЧЕСКОЕ ЗАДАНИЕ

на проектирование систем кабельного телевидения

1. Общие вопросы

1.1. Заказчик проектных работ

1.2. Заказчик строительно-монтажных работ

1.3. Проектная организация

1.4. Генподрядная организация

1.5. Субподрядная организация

1.6. Стадийность проектирования

1.7. Год строительства

1.8. Основание для проектирования

2. Технические вопросы

2.1. Проектом предусмотреть строительство системы кабельного телевидения (СКТВ-___), обеспечивающей качественный прием программ телевизионного вещания по каналам ____ с преобразованием их в ___ ТВ каналы и программ УКВ ЧМ вещания.

Предусмотреть подключение к системе телевизионных сетей жилых зданий детских дошкольных и школьных учреждений, а также отдельно стоящих зданий жилищно-эксплуатационных организаций в пределах улиц                                                                

2.2. В качестве основного оборудования в проекте применить головную станцию и усилительное оборудование серии ___, а также ответвительные и распределительные устройства, выпускаемые ПО «Горизонт».

2.3. Сети телевидения выполнить кабелем марки                                                           ,

а снижение от антенн кабелем марки                                                                              

2.4. Оборудование головной станции разместить в специальном помещении на первом этаже дома по адресу:                                                                                                             

Вопрос выделения помещения решает заказчик с районными организациями.

2.5. Установку усилителей осуществить в служебных помещениях, жилищно-эксплуатационных организациях, а также электрощитовых.

При отсутствии такой возможности усилители устанавливать в металлических шкафах на стенах лестничных клеток.

2.6. Электропитание телевизионного оборудования предусмотреть от самостоятельных групп вводно-распределительных устройств зданий.

2.7. Предусмотреть в жилых зданиях полную реконструкцию домовых распределительных сетей и демонтаж всех существующих сооружений телевидения.

Демонтированные кабели, распределительные коробки и другие устройства телевидения должны быть переданы подрядной организацией по акту в организацию, на балансе которой находится существующая СКПТ (КСКПТ).

Главный инженер                                                            Ответственный

проектов                                                              представитель заказчика

ПРИЛОЖЕНИЕ 3

Обследование

_____ этажного _____ квартирного _____ секционного жилого дома _______ серии по адресу                                                                                                                                        

№ п.п.

Наименование объекта обследования

Информация по результатам обследования

1.

1.1.

Кровля

Тип кровли

Плоская, эксплуатируемая, наклонная, неэксплуатируемая, покрытие______________

1.2.

Существующие антенные сооружения

Мачта типа ________________________

к-во _______________________________

Антенные полотна __________________

Тип _______________________________

Способ крепления мачты: на оттяжках, на опорной стойке, на кронштейнах, к машинному отделению лифтов

1.3.

Сети проводного вещания

Распределительные фидеры

Магистральные фидеры

Эскиз размещения стоек ПВ

1.4.

Отверстие для вводов телевизионных кабелей

Типовые, под мачтами с телевизионными антеннами, в стене машинного отделения лифта ____________________________________

1.5.

Сети ОДС или другие средства связи

Эскиз размещения стоек:

1.6.

Дополнительная информация

 

2.

Чердак или технический этаж

 

2.1.

Высота

Н=____ в рекомендуемом месте размещения ГС

2.2.

Места ввода в стояки электропанелей

Эскиз:

2.3.

Рекомендуемое место размещения помещения для ГС или установки шкафа с оборудованием ГС

Возможность прохода персонала с аппаратурой

Эскиз:

2.4.

Рекомендуемый способ прокладки ТВ кабелей по чердаку (тех. этажу)

В винипластовых трубах, на тросе, по строительным конструкциям, по стене открыто

2.5.

Наличие, наименование и количество существующих материалов и изделий СКПТ

АТКГ2.1.1, 3.1., __________

АТКГ4.1,6÷12.1 __________

КРТ-6 (КРТВ-6) __________

РК-75-4-111 ______________

РК-75-9-12 _______________

Усилители ________________

3.

Верхний этаж

 

3.1.

Количество стояков слаботочных устройств, диаметр труб, их занятость

 

3.2.

Тип шкафа

 

3.3.

Рекомендуемое место установки оборудования ГС, МУ, УДРС

Эскиз:

3.4.

Количество квартир, подключаемых к каждому стояку

1-й стояк _____________

2-й стояк _____________

4.

Первый этаж

 

4.1.

Рекомендуемое место установки МУ или УДРС

Эскиз:

 

Занятость слаботочного, магистрального, монтажного шкафа, труб стояка

 

4.2.

Место размещения щитовой

№ секции

Эскиз:

4.3.

Наличие служебных помещений

№ секции

характеристика

5.

Техническое подполье (подвал)

 

5.1.

Наличие вводов телефонной канализации, канализации ОДС или коллекторов.

Эскиз:

5.2.

Способ прокладки существующих кабелей связи и ОДС

На лотках ____________

в стальных трубах _________

в винипластовых трубах ___________

по стене открыто ______________

5.3.

Предполагаемое место установки МУ

Эскиз:

5.4.

Место ввода и способ прокладки провода электропитания

 

5.5.

Рекомендуемый способ прокладки кабелей телевидения и установка магистральных ответвителей

 

5.6.

Место ввода кабелей в стояки электропанелей

Эскиз:

ПРИЛОЖЕНИЕ 4

Пример расчета диаграммы уровней системы кабельного телевидения

Рассмотрим порядок расчета диаграммы уровней СКТВ, предназначенной для приема и распределения пяти ТВ программ и 6 программ УКВ ЧМ вещания. Структурная схема распределительной сети СКТВ приведена на рис. П.4.1.

Телевизионное вещание в данной местности осуществляется тремя радиопередающими станциями, с параметрами, приведенными в таблице П.4.1.

Таблица П.4.1

Наименование параметра

№ каналов ТВ вещания

1

3

8

11

33

УКВ ЧМ

(для каждого канала)

Мощность передатчика, кВт

50

5

50

5

20

15

Коэффициент усиления передающей антенны, дБ

6,5

6,5

7

7

11

3,5

Высота установки передающей антенны, м

150

150

300

150

300

150

Расстояние до обслуживаемой территории, км

10

10

60

10

40

10

1. Определим ориентировочную величину напряженности поля в точке приема:

.

В случае установки приемной антенны на расстоянии более 10 км от передающей станции напряженность поля может быть рассчитана с использованием кривых распространения МККР (рис. 1, 2)

В этом случае

,

где: Е` - значение, определенное из кривых; мкВ/м

Р - мощность передатчика, кВт

εпер - коэффициент усиления передающей антенны

Результаты расчета напряженности поля приведены в табл. П.4.2

Рис. П.4.1

Рис. П.4.2

2. Определим уровень сигнала на выходе приемной антенны

где Ео - напряженность поля в точке приема, дБ∙мкВ/м,

λ - длина волны, м

Gпр - коэффициент усиления приемной антенны, дБ.

Результаты расчетов приведены в таблице П.4.2

Таблица П.4.2

Наименование параметра

№ ТВ каналов

1

3

8

11

33

Напряженность поля в точке приема, мкВ/м

3,3´105

1,05´105

2,8´103

1,1´105

7,05´103

Уровень напряженности поля в точке приема, дБ мкВ/м

110

100

69

100

76

Коэффициент усиления используемой приемной антенны, дБ

5

6,5

8

8

10

Уровень сигнала на выходе используемой приемной антенны, дБ/мкВ

115

102

65

94

64

Номинальный уровень на входе головной станции, дБ/мкВ

70

70

70

70

70

Допустимое затухание в кабеле снижения, дБ

45

32

-5

24

-6

Тип кабеля снижения

РК75-4-113

Допустимая длина кабеля снижения, м

775

432

215

с ант. усилителем

190

107

с ант. усилителем

Затухание аттенюатора на входе ГС, дБ

42

28

19

17

13

3. Определим допустимое затухание в кабеле снижения антенн как разность между уровнем на выходе приемной антенны и номинальным уровнем на входе головной станции.

Из полученных результатов следует, что на входе приемной антенны 8 и 33 ТВ канала необходимо установить антенные усилители.

Примечание. Место включения антенного усилителя следует выбирать в непосредственной близости от антенны. При этом необходимо обеспечить условия, при которых рабочий выходной уровень усилителя не превосходит значения данного параметра, регламентированного техническими условиями.

4. Используя для снижения кабель типа РК 75-4-113, определяем его допустимую длину

,

где Lпр - уровень сигнала на выходе приемной антенны, дБ/мкВ;

Gуo - коэффициент усиления антенного усилителя, дБ;

Lном.сг - номинальный входной уровень головной станции, дБ/мкВ;

ak - коэффициент затухания кабеля снижения на частоте данного ТВ канала, дБ/м

5. Учитывая, что головная станция установлена на расстоянии от приемных антенн 50 м, определяем значение затухания аттенюатора, устанавливаемого на входе ГС.

, дБ.

Результаты расчета приведены в таблице П.4.2

6. Определяем минимально допустимые уровни радиосигналов на выходах абонентских отводов, при которых отсутствуют помехи, обусловленные наводками на входные цепи ТВ приемников, подключенных к системе без преобразования частот метровых каналов.

,

где: Еср - среднее значение напряженности поля на кровлях зданий, расположенных в зоне действия СКТВ, принимаем равным рассчитанному значению;

λ - длина волны принимаемого канала, м;

Gп - коэффициент усиления эквивалентной паразитной антенны, характеризующей экранировку входных цепей ТВ приемника, дБ (см. [15] ил. 3.3.3 [1]).

Результаты расчетов приведены в табл. П.4.3

Таблица П.4.3

Номера каналов

1

3

8

11

Значение минимально допустимого уровня на выходе абонентского отвода, дБ/мкВ

75

72

33

63

Как видно из полученных результатов, требуемые уровни на выходах абонентских отводов по 1 и 3 ТВ каналам превышают 70 дБ/мкВ. Обеспечение таких величин сигналов вызывает необходимость использования усилителей ДРС в режиме с высокими выходными уровнями, что приводит к снижению технико-экономических показателей системы.

Для исключения влияния наведенных помех на качество принимаемых ТВ сигналов при меньших уровнях сигналов на выходах абонентских отводов в системе предусматриваем конвертирование частот метровых каналов.

По согласованию с организацией, осуществляющей планирование частот выбираем для данного пункта каналы распределения в соответствии с табл. П.4.4

Таблица П.4.4

Канал приема

1

3

8

11

33

Канал распределения

12

7

4

2

9

7. Уровни сигналов на выходах абонентских отводов, при которых нацеленные помехи не заметны на изображении в системе с преобразованием частот метровых каналов, примерно на 20 дБ ниже по сравнению с величинами указанными в табл. 3. Однако, полученные таким образом значения оказываются недостаточными для обеспечения требуемого отношения сигнал/шум. В связи с этим, для предварительных расчетов принимаем минимально допустимые уровни на выходах абонентских отводов равными 70 дБ/мкВ. Окончательные значения уточняются по результатам расчетов отношения сигнал/шум в системе.

Радиосигналы УКВ ЧМ вещания в системе распределяются непосредственно на принимаемых частотах.

8. Выбираем тип оборудования головной станции, в качестве которого в рассматриваемом случае целесообразно использовать оборудование типа СГ-215 с конверторами и усилителем УКВ ЧМ вещания.

9. Рассчитываем число усилительных участков на линии наибольшей протяженности. При этом принимаем, что распределительная сеть реализуется с использованием оборудования серии 200 и магистрального кабеля типа РК-75-17-13С. Число усилительных участков магистральной линии (с учетом усилительного участка с оборудованием ГС) определяем при условии минимального значения коэффициентов усиления используемых усилителей максимального коэффициента затухания кабеля

,

где a230э - коэффициент затухания магистрального кабеля на частоте 230 МГц на период эксплуатации и хранения, для кабеля типа РК-75-17-13С a230э=60 дБ/км;

l - длина магистральной линии, км;

aотв.i - проходное затухание i-го магистрального ответвителя, дБ;

Gм.мин. - минимальный коэффициент усиления магистрального усилителя, дБ.

Для используемого усилителя серии 200 Gм.мин.=23 дБ

.

Принимая во внимание, что расчет проведен для экстремальных условий, а также учитывая, что первый усилительный участок имеет несколько большую протяженность за счет большего усиления оборудования ГС, принимаем nм=7.

С учетом домового усилителя общее количество усилительных участков в линии п=8.

Примечание. Поскольку расчет требуемого количества усилительных участков при экстремальных условиях дает несколько завышенный результат по количеству усилителей, значения минимального коэффициента усиления усилителей и максимального затухания кабелей на период эксплуатации и хранения необходимо уточнить на основе результатов статистической оценки.

Рассчитываем длины отрезков кабелей усилительных участков.

Для первого усилительного участка

,

где Lсг.вых - выходной уровень оборудования ГС в ТВ канале, дБ/мкВ. Для используемого типа оборудования Lcг.вых=114±3 дБ/мкВ;

L`мвх - входной уровень магистрального усилителя в ТВ канале.

На данном этапе L`мвx рассчитываем при условии равенства уровней сигналов по всем ТВ каналам. В этом случае при усилении сигналов N ТВ каналов и каскадном включении (n - 1) широкополосного усилителя максимальный выходной уровень сигнала в ТВ канале

,

где La2/1 - максимальный выходной уровень используемого усилителя при отношении сигнала к помехе комбинационной частоты 3-го порядка IMAIII(B)=60 дБ.

Для используемых магистральных усилителей серии 200 La2/1=120 дБ/мкВ.

Примечание. При расчете максимального выходного уровня принимаем, что результирующая загрузка усилителя всеми сигналами УКВ ЧМ вещания примерно эквивалентна загрузке сигналом одного ТВ канала.

При этом условии в рассматриваемом случае N=6.

 дБ/мкВ.

При коэффициенте усиления магистрального усилителя, соответствующем минимальному значению

L`мвх=106,3-23=83,3 дБ/мкВ.

Для найденных условий

 км.

Примечание. Длину отрезка кабеля первого усилительного участка следует уточнить по результатам окончательного расчета рабочих выходных уровней магистральных усилителей.

Длины отрезков кабелей последующих усилительных участков выбираем из условия численного равенства коэффициентов затухания отрезков кабелей коэффициентам усиления соответствующих усилителей.

lу2=0,383 км

lу3=0,383 км

lу4=0,383 км

lу5=0,383 км

lу6=0,383 км

 км

Структурная схема выбранной для расчета линии приведена на рис. П.4.2

10. Определяем необходимость использования в линии усилителей с автоматическим регулированием уровней. При этом можно руководствоваться следующими соображениями. Включение усилителей с АРУ следует предусматривать при наличии на предшествующем отрезке линии отклонения уровня пилот-сигнала с частотой 110 МГц, обусловленного нестабильностью затухания кабеля, более 3 дБ относительно среднего значения, а усилителей с АРУ и Н - при наличии разности отклонений уровней пилот-сигнал с частотами 235 МГц и 110 МГц, обусловленных нестабильностью затухания кабеля, 2-2,5 дБ и более.

Окончательный выбор типа используемых усилителей с автоматической регулировкой и их количества осуществляется из условия обеспечения заданных параметров при наименьшей стоимости системы.

Рассчитываем отклонение уровней сигналов, обусловленные температурной нестабильностью затухания кабеля. При этом используем получаемое с учетом (3) следующее соотношение

, дБ/км,

где

;

;

a50, a200 - коэффициенты затухания кабеля на частотах 50 и 200 МГц соответственно, дБ/км;

t - диапазон изменения температур, °С.

Результаты расчета приведены в табл. П.4.5. При проведении расчетов принято, что диапазон изменения рабочих температур в канализации составляет от +6 до +15 °С, а на открытом воздухе от -50 до +50 °С. Изменение коэффициента затухания рассчитано по отношению к его значению при средней рабочей температуре.

Таблица П.4.5

Каналы распределения

2

УКВ

4

7

9

12

Пилот-сигнал АРУ

Пилот-сигнал Н

Частота, МГц

59

70

85

183

199

223

110

235

al1, дБ

0,332

0,365

0,409

0,64

0,674

0,721

0,474

0,745

al2,…, ∆al4, дБ

0,212

0,233

0,261

0,408

0,430

0,460

0,303

0,475

al5,…, ∆al6, дБ

1,06

1,16

1,30

2,04

2,15

2,30

1,51

2,38

al1, дБ

0,102

0,112

0,126

0,197

0,207

0,222

0,146

0,229

На основании данных табл. П.4.5 определяем места установки усилителей с АРУ. Рассчитываем значения sдин на частотах пилот-сигналов на выходе каждого усилительного участка. При этом принимаем, что отклонение уровней пилот-сигналов на выходе головной станции и усилителя с АРУ и Н составляет 0,5 дБ.

.

Результаты расчета приведены в табл. П.4.6.

Таблица П.4.6

Номера усилительных участков

Пилот-сигнал АРУ 110 МГц

Пилот-сигнал Н 235 МГц

1 (ГС)

0,5

0,5

2

0,974

1,245

3

1,28

1,72

4

1,58

2,19

5 (АРУиН)

0,5

0,5

6 возд(АРУиН)

0,5

0,5

7 возд(АРУиН)

0,5

0,5

8 (ДРС)

0,646

0,729

На основании данных табл. П.4.6 принимаем, что на 5, 6 и 7 усилительных участках целесообразно использовать усилители с АРУ и Н. С учетом данного соображения из имеющейся номенклатуры устройств применяем на 2, 3, 4 усилительных участках усилитель типа УМ-201, на 5, 6, 7 участках - усилители типа УМ-221, на 8 участке - усилитель типа УД-201.

11. Определим рабочие выходные уровни усилителей. С этой целью предварительно найдем динамические отклонения уровней на выходе каждого из усилителей. Результаты расчетов приведены в табл. П. 4.7.

Таблица П.4.7

Номера усилителей

Размерн.

Распределяемые каналы

4

7

9

12

1 (ГС)

дБ

раз

0,5

1,06

0,5

1,06

0,5

1,06

0,5

1,06

2

дБ

раз

0,909

1,11

1,14

1,14

1,174

1,14

1,22

1,15

3

дБ

раз

1,17

1,14

1,55

1,19

1,6

1,20

1,68

1,21

4

дБ

раз

1,431

1,18

1,95

1,25

2,0

1,26

2,14

1,28

5 (АРУиН)

дБ

раз

0,5

1,06

0,5

1,06

0,5

1,06

0,5

1,06

6 (АРУиН)

дБ

раз

0,5

1,06

0,5

1,06

0,5

1,06

0,5

1,06

7 (АРУиН)

дБ

раз

0,5

1,06

0,5

1,06

0,5

1,06

0,5

1,06

8 (ДРС)

дБ

раз

0,626

1,07

0,697

1,08

0,71

1,09

0,72

1,09

На основании данных табл. П.4.7 рассчитываем среднее значение суммы квадратов отношений возможных величин выходных напряжений в ТВ каналах к напряжению UaN/n по всей линии

,

где ;

sylдин - составляющая, обусловленная нестабильностью уровней в линии и определяемая на основании данных табл. 6.

sylст - составляющая, обусловленная неравномерностью АЧХ тракта.

При реализации неравномерности АЧХ, не превышающей ±3 дБ на каждом усилительном участке, и равномерном распределении уровней в интервале 0 ... 3 дБ (рис. 3) 20lgsylcт=1,5 дБ.

Для принятых условий sylст=sл ср.ст.

С учетом данных табл. П.4.7 получаем

.

На основании полученных результатов определяем максимальный уровень сигнала в ТВ канале на выходе каждого из усилителей с учетом отклонений уровней

 дБ/мкВ.

12. Выбираем структурную схему домовой распределительной сети корпуса 3. Корпус 3 представляет собой 22-х этажное здание. Принимаем, что ДРС запитана одним домовым усилителем. Структурная схема показана на рис. П.4.3.

Рассчитываем требуемый уровень на выходе УДРС - Laд, задаваясь минимальным уровнем на выходе абонентского отвода Lотв.мин=70 дБ/мкВ.

,

где а230э - коэффициент затухания распределительного кабеля на период приемки и поставки на частоте 230 МГц.

Для РК-75-11-11C a50=24 дБ/км

а200=54 дБ/км

а200э=70 дБ/км

а230э=76 дБ/км

l - длина кабельной линии ДРС, км;

Kpai - количество абонентских разветвителей i-го типа;

аi - проходное затухание абонентских разветвителей i-го типа, дБ;

aотв - переходное ослабление в отвод последнего абонентского разветвителя;

aаб.к - коэффициент затухания абонентского кабеля на частоте 230 МГц, для кабеля РК 75-4-113 ааб.к=130 дБ/км;

lабл - длина абонентской линии, км, lабл=0,025 км;

ам.отв - проходное ослабление j-го магистрального ответвителя, дБ;

Котв j - количество магистральных ответвителей j-го типа;

Lотв - минимальный уровень на выходе абонентского отвода; Lотв=70 дБ/км;

 дБ/мкВ

Lад=105 дБ/мкВ.

Рис. П.4.3

13. Учитывая, что требуемый уровень сигнала в ТВ канале на выходе усилителя ДРС превышает найденный выше максимальный выходной уровень (La6/8=100,7), целесообразно рассмотреть возможность увеличения выходного уровня домового усилителя при одновременном снижении выходных уровней магистральных усилителей. В этом случае максимальный выходной уровень каждого магистрального усилителя

,

где ,

Uaд, Uaм - максимальные выходные напряжения в ТВ канале соответственно домового и магистрального усилителей.

Решая приведенные уравнения относительно р, получаем

.

Для рассматриваемого случая

.

Определяем уровень сигнала на выходе магистральных усилителей

Lам6/8=120-7,5lg(6-l)-10lg(8-2-l,35)-10lg(l,41∙1,24)=103,6 дБ/мкВ.

На основании приведенных расчетов принимаем:

Lам=103,6 дБ/мкВ,

Lад=105 дБ/мкВ.

14. Рассчитываем уровень шумов на выходе наиболее удаленного абонентского отвода.

Уровень шумов на выходе кабеля снижения антенны (на выходе аттенюатора ГС) определяется следующим образом.

При отсутствии антенного усилителя:

;                                       ,

где: К - постоянная Больцмана

;

f - эффективная шумовая полоса ТВ приемника

f=5,75 МГц;

Т0300 К - температура окружающей среды;

Та - шумовая температура приемной антенны, определяемая с помощью графика рис. 5 руководства

Tal5000 K

Для II, III ТВ диапазона

Тa300 К

Для IV диапазона

Ta300 K

ηо - КПД фидера с учетом затухания аттенюатора, включенного на входе ГС.

 - мощность шумов, соответствующая напряжению 1 мкВ и выделяемая на нагрузке 75 Ом.

При наличии антенного усилителя

;

;

где Шуо - коэффициент шума антенного усилителя.

Шуо=3,16

Кмо - коэффициент передачи по мощности от входа антенного усилителя до входа ГС.

;

Lвх сг - номинальный уровень сигнала оборудования ГС;

Lвх уо - уровень сигнала на входе антенного усилителя.

Результаты расчетов уровня шумов на выходе кабелей снижения антенн приведены в табл. П.4.8

Таблица П.4.8

Канал приема

1

3

8

11

33

Тао

50

10

10

10

1

Шуо

-

-

3,16

-

3,16

Кмо

-

-

3,16

-

3,98

ηо

3,16´10-5

6,31´10-4

3,16´10-3

3,98´10-3

3,98´10-3

Рши, Вт

2,38´10-14

2,4´10-14

9,39´10-13

2,38´10-14

3,23´10-13

Lши, дБ/мВ

2,52

2,55

18,48

2,52

13,84

Уровень шумов на выходе первого усилительного участка

;

;

где Ршт=kTof;

Шу1 - коэффициент шума оборудования ГС.

Шу1=10 для I, II, III ТВ диапазонов

Шу1=15,8 для IV ТВ диапазона;

Км1 - коэффициент передачи по мощности от входа оборудования ГС до входа первого магистрального усилителя;

;

Gам - номинальный коэффициент усиления магистрального усилителя;

Gам.ном=26 дБ;

.

Уровень шумов на выходах последующих усилительных участков определяем по формуле:

;

;

где l - номер усилительного участка, на выходе которого рассчитывается уровень шума.

В расчетах принимаем коэффициент передачи по мощности от входа (l-1) усилителя до входа l-го усилителя Кмl=1, за исключением (n-1)-го усилительного участка.

Значение коэффициента передачи данного участка

,

где Lад - уровень на выходе УДРС;

Gад - коэффициент усиления УДРС

Gад=35 дБ

Кмn=100,1(-103,6+26+105-35)=0,174.

Результаты расчетов приведены в табл. П.4.9

Таблица П.4.9

Номер усилит. участка

Параметр

Распределяемые каналы

2

4

7

9

12

0

(выход кабеля сниж.)

Lш0 дБ/мкВ

с/ш, дБ

2,52

67,48

18,48

51,52

2,55

67,45

13,84

56,16

2,52

67,48

1

Lш1 дБ/мкВ

с/ш, дБ

20,19

57,41

26,98

50,61

20,19

57,41

24,67

52,93

20,19

57,41

2

Lш2 дБ/мкВ

с/ш, дБ

20,87

56,72

27,13

50,46

20,87

56,72

24,92

52,7

20,87

56,72

3

Lш3 дБ/мкВ

с/ш, дБ

21,47

56,13

27,28

50,31

21,47

56,13

25,13

52,4

21,47

56,13

4

Lш4 дБ/мкВ

с/ш, дБ

21,99

55,61

27,42

50,17

21,99

55,61

25,4

52,2

21,99

55,61

5

Lш5 дБ/мкВ

с/ш, дБ

22,45

55,15

27,56

50,03

22,45

55,15

25,62

51,98

22,45

55,15

6

Lш6 дБ/мкВ

с/ш, дБ

22,87

54,73

27,7

49,9

22,87

54,73

25,82

51,77

22,87

54,73

7

Lш7 дБ/мкВ

с/ш, дБ

15,87

54,17

20,29

49,71

15,87

54,17

18,5

51,48

15,83

54,17

8

Lш8 дБ/мкВ

с/ш, дБ

17,49

52,51

20,96

49,03

17,49

52,51

19,49

50,51

17,49

52,51

15. Проверяем возможность выполнения заданного отношения сигнал/шум в наиболее неблагоприятных условиях, т.е. при максимальном затухании кабельных линий. При этом

 на усилительном участке без АРУиН,

где ∆аkll - изменение затухания l-го усилительного участка на k-том ТВ канале (табл. 6).

На усилительном участке с АРУиН

,

где Lвх ном l - номинальный входной уровень l-го усилителя;

Lвхl - входной уровень l-го усилителя с АРУиН при максимальном затухании кабельной линии.

Расчеты выполняем по аналогичным формулам (п. 14). Результаты расчетов приведены в табл. П.4.10.

Расчеты показывают, что при выбранных уровнях на выходах магистральных усилителей и усилителя ДРС минимальное отношение сигнал/шум получается на четвертом распределяемом канале и составляет 48,3 дБ. Поскольку данное значение превышает допустимое отношение 43 дБ, система может быть реализована при выбранных уровнях.

16. Рассчитаем значения затуханий аттенюаторов и выравнивателей, устанавливаемых на входах каждого из усилителей. Расчеты проводим для номинальных значений коэффициента затухания кабелей и номинальных выходных уровнях усилителей и ГС. Значение устанавливаемого аттенюатора определяется на частоте 12 ТВ канала

.

Таблица П.4.10

Номер усилит. участка

Параметры

Распределительные каналы

2

4

7

9

12

0

(выход кабели сниж.)

Lш0, дБ/мкВ

2,52

18,48

2,55

13,84

2,52

с/ш, дБ

67,48

51,52

67,45

56,16

67,48

1

Lш1, дБ/мкВ

19,9

26,6

19,6

24,0

19,5

 

с/ш, дБ

57,4

50,6

47,4

52,9

57,4

2

Lш2, дБ/мкВ

20,4

26,4

20,0

23,9

19,8

 

с/ш, дБ

56,7

50,4

56,6

52,6

56,6

3

Lш3, дБ/мкВ

20,8

26,4

20,2

23,8

20,1

 

с/ш, дБ

56,0

50,3

55,9

52,3

55,8

4

Lш4, дБ/мкВ

21,1

26,3

20,5

23,6

20,3

 

с/ш, дБ

55,4

50,1

55,2

52,0

55,1

5

Lш5, дБ/мкВ

21,6

26,3

21,0

23,8

20,7

 

с/ш, дБ

54,8

49,9

54,5

51,7

54,5

6

Lш6, дБ/мкВ

22,1

26,5

21,6

24,1

21,4

 

с/ш, дБ

54,3

49,7

54,0

51,4

53,9

7

Lш7, дБ/мкВ

16,1

20,4

16,4

18,8

16,5

 

с/ш, дБ

53,7

49,5

53,3

51,0

53,2

8

Lш8, дБ/мкВ

17,7

21,0

17,9

19,7

18,0

 

с/ш, дБ

52,2

48,9

51,8

50,1

51,8

где А - затухание аттенюатора, дБ;

Lвых(l-1) - выходной уровень l-го участка;

ll - длина участка от выхода (l-1)-го усилителя до входа l-го;

Lвхl - входной уровень l-го участка.

Значение затухания устанавливаемого выравниватели определяется как разность между затуханием усилительного участка на 12 ТВ канале и затуханием усилительного участка на I ТВ канале.

Результаты расчета приведены в табл. П.4.11

Значения затуханий аттенюаторов и выравнивателей округляются.

Таблица П.4.11

Номер усилителя

Параметр

1 ТВ канал

12 ТВ канал

А, дБ

В, дБ

1

Lвх, дБ

77,6

77,6

 

 

 

Lвых(n-1), дБ

114

114

 

 

 

aklk

8,6

22,2

14

14

2

Lвх

77,6

77,6

 

 

 

Lвых(n-1)

103,6

103,6

 

 

 

aklk

6,51

15,84

11

10

3

Lвх

77,6

77,6

 

 

 

Lвых(n-1)

103,6

103,6

 

 

 

aklk

6,51

15,84

11

10

4

Lвх

77,6

77,6

 

 

 

Lвых(n-1)

103,6

103,6

 

 

 

aklk

6,51

15,84

11

10

5

Lвх

77,6

77,6

 

 

 

Lвых(n-1)

103,6

103,6

 

 

 

aklk

6,51

15,84

11

10

6

Lвх

77,6

77,6

 

 

 

Lвых(n-1)

103,6

103,6

 

 

 

aklk

6,51

15,84

11

10

7

Lвх

70

70

 

 

 

Lвых(n-1)

103,6

103,6

 

 

 

aklk

5,1

13,1

20

8

17. Рассчитаем уровни радиосигналов на 1 и 12 ТВ каналах на всех абонентских отводах самой дальней ДРС (КЗ). Результаты расчетов приведены в табл. П.4.12

Таблица П.4.12

Номер этажа

Lаб.отв, 1 ТВ канал

Lаб.отв, 12 ТВ канал

1

76

75

2

75

74

3

74

73

4

79

78

5

78

77

6

77

75

7

76

74

8

75

72

9

77

74

10

75

72

11

77

73

12

75

73

13

74

72

14

73

71

15

78

76

16

77

75

17

76

73

18

75

72

19

74

70

20

76

72

21

74

70

22

76

71

18. Рассчитаем уровень шумов на выходе наиболее удаленного абонентского отвода в канале УКВ ЧМ вещания.

Уровень шумов на выходе кабеля снижения антенны (на выходе аттенюатора СГ)

;

,

где ∆fчм - эффективная шумовая полоса УКВ ЧМ приемника

fчм 200 кГц;

То=300 К;

Та=3000 К;

ηочм - КПД фидера УКВ ЧМ антенны с учетом затухания аттенюатора, включенного на входе ГС.

Примем ηочм =0.

Рши чм=1,38∙10-23∙200∙103∙300=0,83∙10-15 Вт

Lши чм=10lg(0,83∙10-15∙75∙1012)=-12,1 дБ/мкB

Уровень шумов на выходе первого усилительного участка

;

,

где ;

Ршт.чм - коэффициент передачи по мощности от входа оборудования ГС до входа первого магистрального усилителя для УКВ ЧМ сигналов;

;

Lвх ст чм - номинальный входной уровень СГ-215 УКВ ЧМ сигнала Lвх сг чм=70 дБ/мкВ;

La вх чм - входной уровень УКВ ЧМ сигнала магистрального усилителя

La вх чм=67,6 дБ/мкВ;

Шу1 чм - коэффициент шума оборудования ГС в диапазоне УКВ ЧМ

Шу1чм=6,3

 дБ/мкВ.

Уровень шумов на выходах последующих усилительных участков определяем по формуле

;

.

В расчетах принимаем Км чмl=1, за исключением коэффициента передачи (п-1) усилительного участка, значение которого определено в п. 14.

Значение коэффициента передачи от входа УДРС до выхода абонентского отвода при учете, что на последнем включена абонентская коробка типа КА-102

,

Lаб чм - уровень УКВ ЧМ сигнала на выходе абонентской коробки

lаб чм=60-6=52 дБ/мкВ

Kmn=100,1(52-95+35)=0,16.

Результаты расчетов приведены в табл. П.4.13

Таблица П.4.13

Номер усилительного участка

Lш, дБ/мкВ

с/ш, дБ

0

-12,1

82,1

(выход кабеля снижения)

 

 

1

-5,6

73,0

2

-1,81

69,1

3

0,2

67,1

4

1,5

65,7

5

2,6

64,7

6

3,45

63,8

7

0,97

63,0

8

-3,4

61,4

(выход аб.отв.)

 

 

Из данных табл. П.4.13 следует, что выбранные уровни сигналов УКВ ЧМ вещания позволяют обеспечить заданное отношение сигнал/шум на выходах абонентских отводов.

ПРИЛОЖЕНИЯ К СБОРНИКУ

ПРИЛОЖЕНИЕ 1

НОРМАТИВНЫЕ, ИНСТРУКТИВНЫЕ, СПРАВОЧНЫЕ И ДРУГИЕ ДОКУМЕНТЫ, РЕКОМЕНДУЕМЫЕ ПРИ ПРОЕКТИРОВАНИИ И ЭКСПЛУАТАЦИИ КСКПТ

1. Методическое руководство по проектированию. Крупные системы коллективного приема телевидения РП.6.029-1-87. - М.: Минсвязи СССР, 1987.- 48 с.

2. СНиП 1.02.01-85. Инструкция о составе, порядке разработки, согласования и утверждения проектно-сметной документации на строительство предприятий, зданий и сооружений / Госстрой СССР. - М.: ЦИТП Госстроя СССР, 1986. - 40 с.

3. Инструкция по проектированию и устройству молниезащиты зданий и сооружений. СН 305-77. - М.: Стройиздат, 1978. - 47 с.

4. Инструкция по проектированию молниезащиты радиообъектов. ВСН-1-77. Минсвязи СССР. - М.: Связь, 1978. - 31 с.

5. Инструкция по проектированию линейно-кабельных сооружений связи. ВСН 116-87. Минсвязи СССР, 1988. - 80 с.

6. ГОСТ 11216-83 (СТ СЭВ 1814-79, СТ СЭВ 1815-79). Сети распределительных систем телевидения и радиовещания. Основные параметры, технические требования, методы измерений и испытаний. - М.: Изд-во стандартов, 1983. - 31 с.

7. ГОСТ 11289-80 Антенны телевизионные приемные. Типы, основные параметры и общие технические требования. - М.: Изд-во стандартов, 1985. - 13 с.

8. Общая инструкция по строительству линейных сооружений городских телефонных сетей. - М.: Связь, 1978. - 432 с.

9. Антенные системы коллективного приема телевидения. М.: Связь, 1965. - 136 с.

10. Правила устройства электроустановок / Минэнерго СССР. - 6-е изд., перераб. и доп. - М.: Энергоатомиздат, 1986. - 648 с.

11. Временная инструкция по монтажу крупных систем коллективного приема телевидения (КСКПТ) и систем кабельного телевидения (СКТВ). - М.: Минсвязи СССР, 1986. - 64 с.

12. Временная инструкция по настройке крупных систем коллективного приема телевидения и систем кабельного телевидения. - М.: Минсвязи СССР, 1986. - 70 с.

13. Временная инструкция по приемке эксплуатацию крупных систем коллективного приема телевидения (КСКПТ) и систем кабельного телевидения (СКТВ). - М.: Минсвязи СССР, 1988. - 27 с.

14. Крупные системы коллективного приема телевидения. Системы кабельного телевидения. Типовые материалы для проектирования. 1988.

15. ГОСТ 18198-85. Приемники телевизионные. Общие технические условия. М.: Изд-во стандартов, 1985.

16. Белик А.Я. и др. Технические средства для коллективного приема телевидения и кабельного телевидения // Электросвязь. - 1987. - № 2. - с. 10-16.

17. Пименов В.М., Бранзбург Б.Я., Колесников В.А. Кабели для систем кабельного телевидения. - М.: Связь, 1980. - 52 с.

18. Реушкин Н.А., Коданова Т.А. Повышение эффективности работы домовых распределительных сетей КСКПТ // Электросвязь. - 1983. - № 9. - с. 15-18.

19. Вильям А. Рейнфельд. Разработка малошумящих входных цепей на транзисторах. - М.: Связь, 1967.

20. International Electrotechnical Communication. Geneve. 1986. 185р. Cable Distribution System. Part 1. Publication 728. 1. 1986

21. Рекомендация 370-1. Кривые распространения ОВЧ и УВЧ для диапазона частот 30÷1000 МГц. Радиовещание и подвижные службы // МККР. Документы XI Пленарной ассамблеи. Осло, 1966. Том 11. Распространение радиоволн. - М.: Связь, 1969. - с. 27-46.

22. СНиП II-4-79. Естественное и искусственное освещение / Госстрой СССР. - М.: Стройиздат, 1980. - 48 с.

23. Инструкция по проектированию электрооборудования жилых зданий. СН 544-82. - М.: Стройиздат, 1983. - 33 с.

24. СНиП 3.05.06-85. Электротехнические устройства / Госстрой СССР. - М.: ЦИТП Госстроя СССР, 1986. - 56 с.

25. Инструкция по устройству сетей заземления и зануления в электроустановках. - М.: Минсвязи СССР, 1977. - 35 с.

26. Общие производственные нормы расхода материалов в строительстве. Сборник 39. Кабельные линии связи / Минсвязи СССР. - М.: Стройиздат, 1986. - 72 с.

27. Правила строительства и ремонта воздушных линий связи и радиотрансляционных сетей, ч. 1. - М.: Связьиздат, 1975.

28. Руководящие технические материалы. Крупные системы коллективного приема телевидения. РТМ.6.030-1-87. - М.: Минсвязь СССР, 1988. - 130 с.

29. ГОСТ 12.1.005-76. Воздух рабочей зоны. Общие санитарно-гигиенические требования. - М.: Изд-во стандартов, 1977. - 32 с.

30. Инструкция по монтажу сооружений и устройств связи, радиовещания и телевидения. ВСН 600-81* Минсвязи СССР. - М.: Радио и связь, 1985. - 288 с.

31. Инструкция по проектированию силового и осветительного электрооборудования. СН 357-77. - М.: Стройиздат, 1977. - 94 с.

32. Инструкция по проектированию искусственного освещения предприятий связи. - М., 1977 - 29 с.

Примечание. Литература 1, 11÷13, 28 приведена в настоящем сборнике.

ПРИЛОЖЕНИЕ 2

ВРЕМЕННЫЙ ТИПОВОЙ ДОГОВОР НА ТЕХНИЧЕСКОЕ ОБСЛУЖИВАНИЕ КРУПНЫХ СИСТЕМ КОЛЛЕКТИВНОГО ПРИЕМА ТЕЛЕВИДЕНИЯ (КСКПТ)

в г. Москве

(утвержден 12.12.1985 г.)

Общесоюзная радиотелевизионная передающая станция имени 50-летия Октября Министерства связи СССР (ОРПС) в лице начальника тов. Мисюлина В.Н., действующего на основании Положения о социалистическом государственном производственном предприятии, утвержденного постановлением Совета Министров СССР от 14.10.65 г. № 731, и Устава Общесоюзной радиотелевизионной передающей станции имени 50-летия Октября Министерства связи СССР, утвержденного приказом Министерства связи СССР от 07.03.84 г. № 2948, в дальнейшем именуемая «Предприятие связи», с одной стороны, и производственное жилищное ремонтное объединение (ПЖРО)                                                                                                             

                                 р-на, (жилищно-эксплуатационная организация)                               

                                      в лице начальника тов.                                                                      

действующего на основании Устава, Положения                                                                

(наименование, дата, номер, кем утверждено)

                                                                                                                                              

в дальнейшем именуемое «Организация», с другой стороны, заключили настоящий договор о нижеследующем.

I. ПРЕДМЕТ ДОГОВОРА

1.1. В соответствии с решением Исполкома Моссовета от 29.08.83 г. № 2743 и приказом Министерства связи СССР от 06.01.84 г. № 8 «Предприятие связи» производит техническое обслуживание КСКПТ, указанных в приложении 1.2* и находящихся на балансе «Организации» в домах, эксплуатацию которых она осуществляет и составной частью инженерных сооружений которых является КСКПТ. Конкретные данные по каждой системе приведены в паспортах систем (приложение 2*), на основе которых составляются формуляры, являющиеся неотъемлемой частью настоящего договора (приложение 3).

Примечания: 1. Приложение 1.2* подписывается ответственными лицами и заверяется печатями «Предприятия связи» и «Организации».

2. В формуляр включаются все дома, входящие в одну КСКПТ и находящиеся на балансе одной организации. Он подписывается ответственными лицами и заверяется печатями «Предприятия связи» и эксплуатирующей организации.

3. При любых изменениях в количестве обслуживаемых систем, количестве подключенных абонентов и соответствующей сумме оплаты за техническое обслуживание приложение 1.2 подлежит замене на измененное. Одновременно к договору прикладываются новые формуляры на дополнительно принятые системы или обслуживаемые системы, в которых произошли изменения. В основной текст договора при этом изменения не вносятся.

1.2. Техническое обслуживание КСКПТ осуществляется согласно соответствующим Правилам Министерства связи СССР.

1.3. «Организация», согласно                                                                                            

(нормативный акт)

                                                                                                                                              

(кем принят, когда утвержден, номер)

перечисляет «Предприятию связи» причитающуюся по настоящему договору сумму за техническое обслуживание КСКПТ в соответствии с приложением 1.2.

1.4. Сторонами по договору могут быть только юридические лица. В тех случаях, когда жилищно-коммунальные организации не имеют своего расчетного или текущего счета и не являются самостоятельными предприятиями, а представляют собой лишь структурное подразделение какого-либо предприятия или учреждения, то настоящий договор заключается с последним.

II. ОБЯЗАННОСТИ СТОРОН

2.1. «Предприятие связи» обязуется:

2.1.1. Участвовать в комиссиях по приемке КСКПТ в эксплуатацию «Организацией» от строительной организации согласно действующим положениям.

2.1.2. Обеспечивать работоспособность КСКПТ с качеством телевизионного изображения на экране телевизора, подключенного к абонентскому отводу, не менее 3 баллов (удовлетворительно) согласно ГОСТ 11216-83.

2.1.3. Производить следующие работы на КСКПТ:

2.1.3.1. Техническое обслуживание с периодическим контролем (по ГОСТ 18322-78) по графикам, разрабатываемым «Предприятием связи», в соответствии с п. 1.2 настоящего договора.

2.1.3.2. Текущий (внеплановый) ремонт (по ГОСТ 18322-78) для восстановления работоспособности системы по заявкам «Организации» (п. 2.2.14) в сроки, определенные п. 2.1.6 настоящего договора.

2.1.3.3. Непредвиденный ремонт для обеспечения работоспособности КСКПТ в случаях выхода из строя системы из-за пожара, урагана, затопления отдельных элементов оборудования и т.д., при необходимости замены отдельных элементов распределительной сети или отрезков радиочастотного кабеля в связи с выходом их из строя по техническим причинам, а также после хищения или умышленного повреждения отдельных элементов оборудования.

2.1.4. Представлять «Организации» по ее требованию графики технического обслуживания КСКПТ по п. 2.1.3.1.

2.1.5. При проведении контроля технического состояния КСКПТ отключать систему не более, чем на 8 часов в сутки один раз в месяц, и не более, чем на 40 часов в течение пяти суток один раз в год (за исключением праздничных дней и вечернего времени, в вечернее время допускается пониженное качество изображения у абонентов до окончания работ на системе).

Сообщать «Организации» не позднее чем за 10 дней о планируемых сроках отключения КСКПТ.

2.1.6. Высылать специалистов по заявкам «Организации» и выполнять текущий ремонт КСКПТ в течение трех рабочих дней после поступления заявки на неисправность 1 и 2 общесоюзных программ, и в течение пяти рабочих дней - остальных программ при условии выполнения «Организацией» п.п. 2.2.11 и 2.2.12.

2.1.7. Непредвиденный ремонт КСКПТ осуществлять:

2.1.7.1. С использованием необходимого для его проведения оборудования и кабельной продукции, закупленных «Предприятием связи» для технического обслуживания систем, с оплатой их стоимости «Организацией».

2.1.7.2. При хищении оборудования в сроки по п. 2.1.6 после составления акта (см. п. 2.2.6), заверенного печатью эксплуатирующей организации (ДЭЗа). При отсутствии необходимого оборудования у «Предприятия связи» сроки восстановления систем после хищения устанавливаются по согласованию сторон.

В других случаях, оговоренных пунктом 2.1.3.3, в согласованные сторонами сроки после составления совместного акта «Организации» и «Предприятия связи», заверенного их печатями, о техническом состоянии зданий и сооружений, обеспечивающее возможность восстановления системы.

2.1.8. Немедленно официально ставить в известность «Организацию» об обнаруженных фактах умышленной порчи или хищения оборудования КСКПТ и необходимости проведения непредвиденного ремонта, принимать участие в составлении соответствующего акта.

2.1.9. Вносить предложения, составлять и представлять на утверждение «Организации» проекты планов реконструкции КСКПТ не позднее, чем за 2 года до начала планируемого периода.

Примечание. Реконструкция КСКПТ производится силами специализированной строительно-монтажной организации, как правило, один раз в 10 лет при условии действительной в ней необходимости, по проектам, разработанным в порядке, определенном для проектирования вновь создаваемых систем.

2.1.10. Составлять ежегодно (до марта месяца) перечень и количество запасных частей и оборудования импортного производства (на основе данных предыдущего года), которые необходимо закупать «Организации» для проведения непредвиденных ремонтов по п. 2.1.3.3.

2.2. «Организация» обязуется:

2.2.1. Подготавливать формуляры, необходимые изменения приложения 1.2 и заполнять графу 9 паспорта на КСКПТ на этапе приемки зданий под заселение.

В случае незаключения договора в указанный срок по ее вине, проверка принимаемых на техническое обслуживание систем производится «Предприятием связи» в полном объеме, аналогичном приемке КСКПТ, Государственной комиссией за дополнительную плату по смете на фактические затраты «Предприятия связи».

2.2.2. Обеспечивать передачу «Предприятию связи» к моменту подписания акта приемки КСКПТ в эксплуатацию полного комплекта исполнительской и другой документации, необходимой для технического обслуживания КСКПТ, а также ЗИПа, предусмотренного проектом.

2.2.3. Сообщать «Предприятию связи» о любых изменениях в формулярах, являющихся неотъемлемой частью настоящего договора, и вносить необходимые коррективы в приложение 1.2 к настоящему договору не позднее 15 дней со дня фактического изменения.

2.2.4. Вносить коррективы в приложение 1.2 и формуляры по мере заселения домов-новостроек (а также реконструированных и капитально отремонтированных домов), включенных в КСКПТ, отражающие сведения о заселяемых квартирах, и сообщать об этом «Предприятию» не позднее 15-дневного срока со дня заселения квартиры.

Примечание. Поскольку квартиросъемщики въезжают в квартиры, уже подключенные к КСКПТ, начисление абонентной платы производится без письменного заявления. В случае нежелания пользоваться КСКПТ абонент должен подать заявление об отключении от КСКПТ. Днем отказа от пользования считается день получения «Предприятием связи» сообщения от «Организации».

2.2.5. Перечислять не позднее 10 числа следующего за платежным месяца в соответствии с приложением 1.2. на расчетный счет «Предприятия связи» (см. п. 5.2) причитающуюся ему сумму абонентской платы за техническое обслуживание КСКПТ.

2.2.6. Немедленно вызывать представителей «Предприятия связи» при нарушении работоспособности КСКПТ из-за случаев, указанных в п. 2.1.3.3, составлять с участием представителей владельца зданий и «Предприятия связи» акты о случившемся и о восстановлении системы и заверять их печатями, по 2 экз. актов передавать «Предприятию связи», оплачивать стоимость установленного оборудования в 10-дневный срок после представления «Предприятием связи» акта о восстановлении работоспособности системы и счета на оплату.

2.2.7. Своевременно заказывать и финансировать проектирование и выполнение силами специализированной строительно-монтажной организации реконструкции КСКПТ по соответствующим планам (п. 2.1.9).

2.2.8. Не производить самостоятельно, а также не допускать других лиц и организаций к производству работ на антенно-кабельных сооружениях, головных станциях, магистральных и линейных усилителях КСКПТ без разрешения «Предприятия связи».

2.2.9. Обеспечивать сохранность антенно-кабельных сооружений, магистральных и распределительных усилителей и оборудования головных станций. Регулярно контролировать средства защиты от хищения оборудования КСКПТ, при их нарушении срочно восстанавливать.

Примечание. Ответственность за выход из строя системы или ухудшение качества телевизионного изображения в результате хищения, разукомплектования или порчи оборудования и антенно-кабельных сооружений несет «Организация».

2.2.10. Передавать «Предприятию связи» в кратчайшие сроки импортное оборудование, закупленное для проведения непредвиденных ремонтов, после чего «Предприятием связи» будут произведены восстановительные работы в сроки, согласованные с «Организацией».

При невозможности поставки такого оборудования решить в кратчайшие сроки с проектной организацией и «Предприятием связи» вопрос обеспечения приема телевидения абонентами КСКПТ, в которой похищено оборудование.

2.2.11. Содержать в исправности выходы и проходы по чердакам, подвалам и крышам зданий к антенно-кабельным сооружениям и оборудованию КСКПТ. Обеспечивать беспрепятственный допуск работников «Предприятия связи» (при предъявлении соответствующего документа) на чердаки, подвалы, крыши зданий, к собственной кабельной канализации для выполнения требуемых работ. Содержать в исправности электросеть и освещение, электрозащитное и молниезащитное заземления, ограждения крыш, обеспечивая безопасные условия работы персонала «Предприятия связи». При обнаружении отклонения от нормы величины сопротивления заземления осуществлять работы по его восстановлению в кратчайшие сроки. Поддерживать в исправном состоянии настилы и мостики над трубами и инженерными коммуникациями для возможности прохода к оборудованию КСКПТ и переноса измерительных приборов. При их отсутствии обеспечивать безопасные условия прохода к оборудованию КСКПТ.

Решать с управлением коллекторов вопрос о допуске работников «Предприятия связи» для обслуживания линейных сооружений КСКПТ.

2.2.12. При затоплении подвалов, коллекторов, канализации, где проходят кабели КСКПТ, производить откачку воды из них.

2.2.13. До начала плановых строительных и ремонтных работ, которые могут повлечь за собой нарушение работы систем, порчу антенно-кабельных сооружений, головных станций и оборудования КСКПТ, обеспечивать силами проектных и строительно-монтажных организаций включение КСКПТ по временной схеме по согласованию с «Предприятием связи».

2.2.14. Принимать заявки на неисправности в работе КСКПТ от абонентов, регистрировать их в специальном журнале объединенной диспетчерской службы (ОДС) «Организации» (форма журнала и примеры его заполнения приведены в приложении 4*) и за время не более 2-х часов передавать «Предприятию связи». Заявки передаются «Предприятию связи» в следующих случаях:

* См. приложение к сборнику № 4.

при нескольких заявках абонентов одного подъезда без подтверждения из телеателье;

при разовой заявке абонента с подтверждением о неисправности КСКПТ из телеателье.

2.2.15. Обеспечивать выполнение объединенными диспетчерскими службами (ОДС) «Организации» инструкции (приложение 4) по принятию заявок от абонентов КСКПТ, разработанной «Предприятием связи» и согласованной с «Организацией».

2.2.16. Заранее оповещать абонентов системы:

об особенностях приема телевизионных передач в системах с конвертированием (приложение 5) или имеющие другие технические особенности по дополнительной информации, подготовленной «Предприятием связи»;

о сроках проведения контроля технического состояния, времени отключения системы и возможности временного ухудшения качества приема телевизионных передач (см. п. 2.1.6).

2.3. Штрафные санкции при нарушении сторонами своих обязательств оговариваются в разделе «Особые условия» по согласованию «Предприятия связи» и «Организации».

III. ПОРЯДОК РАСЧЕТОВ

3.1. «Организация» обязана не позднее 10 числа следующего за платежным месяца, в соответствии с приложением 1.2, перечислять на расчетный счет «Предприятия связи» (см. п. 5.2) договорную сумму за пользование КСКПТ платежными поручениями, подлежащими оплате банком в порядке очередности, установленной постановлением Совета Министров СССР от 16 сентября 1983 г. № 911 «Основные положения о расчетах в народном хозяйстве СССР».

3.2. «Предприятие связи» обязано ежемесячно оплачивать услуги «Организации» по сбору абонементной платы за обслуживание КСКПТ в размере 2 % от сумм, перечисленных «Предприятию связи».

IV. ОСОБЫЕ УСЛОВИЯ

4.1. В случае задержки «Организацией» перечисления причитающейся по настоящему договору за оплачиваемый месяц суммы «Предприятие связи» 12 числа каждого месяца представляет в банк на инкассо платежное требование на оплату за техническое обслуживание.

4.2. При просрочке платежа «Организация» уплачивает «Предприятию связи» пени в размере 0,05 % от суммы договора за каждый день просрочки.

4.3. Договор заключен в 2 экземплярах по одному для каждой стороны.

4.4. Все спорные вопросы по настоящему договору решаются в соответствии с действующим законодательством, регулирующим хозяйственные споры.

4.5. В дальнейшем стороны по согласованию между собой и с вышестоящими организациями по подчиненности, могут вносить дополнения в данную главу настоящего договора.

4.6. «Предприятие связи» лишается права на получение с «Организации» абонентской платы за данный месяц за абоненты, по которым имелось нарушение обязательств, указанных в п. 2.1.6.

4.7. «Организация» оплачивает фактические затраты «Предприятия связи» за выезды по заявкам в следующих случаях:

4.7.1. При подаче заявок с нарушением п. 1 инструкции по принятию заявок от абонентов КСКПТ.

V. СРОК ДОГОВОРА И АДРЕСА СТОРОН

5.1. Срок действия настоящего договора определен с _____________ 19 г. до_____________19 г. При неполучении сторонами за месяц до истечения указанного срока письменного заявления условий договора, последний считается продленным на год.

5.2. Адреса, номера счетов для расчетов и телефоны:

«Предприятие связи»                                                                                                          

                                                                                                                                              

«Организация»                                                                                                                    

                                                                                                                                              

5.3. Приложение к договору:

1*. Общие данные о КСКПТ, принятых на техническое обслуживание ОРПС. (паспорт)

* - см. приложение 1.2 временной инструкции по приемке в эксплуатацию КСКПТ и СКТВ (приведено в настоящем сборнике).

2. Технический паспорт КСКПТ.**

** - см. приложение 2 временной инструкции по приемке в эксплуатацию КСКПТ и СКТВ (приведено в настоящем сборнике).

3. (Формуляр.)

4. Инструкция для диспетчеров ДЭЗ Главмосжилуправления (ведомств) с приложением «Форма журнала».

«Предприятие связи»                                                       «Организация»

«___»_______198__ г.                                                      «___»__________198_ г.

ПРИЛОЖЕНИЕ 3

ПРИЛОЖЕНИЕ К ДОГОВОРУ №_________

                                           р-н города                                                                                 

Изменение от «___»                                                   198__ г.

Фактическое количество подключений на 01.____________198__ г.:                         

Сумма оплаты за техобслуживание: __________ руб. _______ коп.

№№ п/п

Номер КСКПТ

Дата принятия на техобслуживание

Фактическое количество подключений

Сумма оплаты за техобслуживание в месяц

 

 

 

 

 

 

 

 

 

 

 

 

 

 

 

 

 

 

 

 

 

 

 

 

 

 

 

 

 

 

 

 

 

 

 

 

 

 

 

 

 

 

 

 

 

 

 

 

 

 

 

 

 

 

 

 

 

 

 

 

Итого:                                                      

Всего:                                                      

ОРГАНИЗАЦИЯ                                                               ПРЕДПРИЯТИЕ СВЯЗИ

________________                                                           _________________

«___»__________198_ г.                                                  «___»___________198_ г.

М.П.                                                                                        М.П.

ПРИЛОЖЕНИЕ 4

ИНСТРУКЦИЯ ДЛЯ ДИСПЕТЧЕРОВ ДЭЗ ПРИ ПОЛУЧЕНИИ ЗАЯВОК НА НЕИСПРАВНОСТЬ КСКПТ

Диспетчер ДЭЗа обязан:

1. Принять заявку о неисправности коллективной антенны от владельца телевизора (абонента) в следующих случаях:

при предъявлении им квитанции, оставленной механиком телеателье, который осмотрел телевизор и сделал в ней записи об исправности телевизора и абонентского отвода и необходимости ремонта КСКПТ. Квитанция должна быть оставлена диспетчеру для передачи представителю предприятия связи, прибывшему по вызову;

при значительном ухудшении качества телевизионного изображения или при его пропадании у нескольких абонентов одного подъезда, проведенные техником-смотрителем или другим ответственным работником ДЭЗа.

2. Зарегистрировать заявки в журнале в графе 1.

3. Передать заявку по телефону, сделав соответствующую запись в журнале (графы 5, 6).

4. При прибытии специалистов предприятия связи выдать им ключи от помещений, где установлено оборудование КСКПТ под расписку при предъявлении служебных удостоверений.

5. В случаях отсутствия электропитания или освещения, необходимого для нормальной работы КСКПТ или ее обслуживания, а также при затоплении подвальных помещений, где расположено оборудование системы, в кратчайшие сроки вызвать соответствующие организации для устранения вышеуказанных неполадок, поставив в известность об этом руководство ДЭЗа.

6. После устранения неисправности подтвердить выполнение заявки росписью в наряде специалиста предприятия связи.

7. При заключении специалиста предприятия связи о необходимости проведения среднего или восстановительного (при похищении или умышленном повреждении оборудования или кабелей) ремонтов немедленно ставить в известность об этом руководство ДЭЗа для заключения договора с предприятием связи на проведение соответствующих работ.

ЗАПРЕЩАЕТСЯ направление абонентов непосредственно в службу предприятия связи.

Дата и время поступления заявки

(Адрес, фамилия, телефон аб-та, номер телеателье, номер квитанции, или № квартиры и Ф.И.О. кто проверил)

Причина вызова

Дата и время передачи заявки

Фамилия лица, принявшего заявку

Дата и результаты проведенных работ

Ф.И.О. роспись спец-та предприятия связи

Примечание

искажение или пропадание изображ. и № каналов

характер искажений

1

2

3

4

5

6

7

8

9

20/Х 1500

Коломенская ул., д. 15 корп. 1, Сидоров

118-55-60 телеателье № 9 квитанция № 954111

 

 

21/Х

1000

Иванова

21/Х - проведен текущий (мелкий) ремонт

 

 

 

 

 

 

 

21/Х - нет питающего напряж. 220 В

 

 

 

 

 

 

 

 

21/Х - похищен усилитель, требуется восстановительный ремонт, акт составлен

 

 

 

 

 

 

 

 

21/Х - требуется проведение среднего ремонта

 

 

 

 

 

 

 

 

(в журнал вносится одна из указанных или других причин)

 

 

ПРИЛОЖЕНИЕ 5

Информация о конвертировании каналов

УВАЖАЕМЫЕ ТОВАРИЩИ ЖИЛЬЦЫ!

Ваш дом с____________ с. г. подключен к крупной системе коллективного приема телевидения (КСКПТ), которая позволяет смотреть телевизионные программы на следующих частотных каналах:

I вариант                                                                     II вариант

Первая программа - 12 канал                              Первая программа - 12 канал

Вторая программа - 4 канал                                Вторая программа - 2 канал

Московская программа - 9 канал                        Московская программа - 7 канал

Четвертая программа - 2 канал                           Четвертая программа - 4 канал

Пятая программа - 7 канал                                  Пятая программа - 9 канал

В случае, если качество телевизионных изображений будет неудовлетворительным, Вам необходимо вызвать механика телеателье, который установит причину брака (неисправность в телевизоре или в антенной системе).

Заявки на неисправность КСКПТ принимаются диспетчерской ДЭЗа, только при наличии соответствующей записи в квитанции, выданной механиком телеателье после проверки Вашего телевизора.

Для подачи заявки представьте эту квитанцию в диспетчерскую ДЭЗа.

 




Яндекс цитирования



   Copyright © 2007-2026,  www.tehlit.ru.

[ ѓосты, стандарты, нормативы, инструкции, правила, строительные нормы ]