//
|
|
ЕДИНООБРАЗНЫЕ
ПРЕДПИСАНИЯ, Regulation № 36
Предисловие Цели
и принципы стандартизации, а также правила разработки и утверждения российских
национальных стандартов установлены Федеральным законом «О техническом
регулировании» от 27 декабря Сведения о стандарте 1 ПОДГОТОВЛЕН Всероссийским научно-исследовательским институтом стандартизации и сертификации в машиностроении (ВНИИНМАШ) 2 ВНЕСЕН Управлением стандартизации Госстандарта России 3 УТВЕРЖДЕН И ВВЕДЕН В ДЕЙСТВИЕ Постановлением Госстандарта России
от 9 марта 4 Настоящий стандарт является модифицированным по отношению к Правилам ЕЭК ООН № 36 «Единообразные предписания, касающиеся официального утверждения пассажирских транспортных средств большой вместимости в отношении общей конструкции» (Uniform provisions concerning the approval of large passenger vehicles with regard to their general construction) с поправками серии 03. В него не включены разделы 10 - 12, которые нецелесообразно применять в национальной стандартизации в связи с особенностями процедур проведения сертификации, установленных в Российской Федерации. Дополнительные слова (фразы, раздел 1а, приложение А), включенные в текст стандарта для учета особенностей национальной стандартизации, выделены курсивом 5 ВЗАМЕН ГОСТ Р 41.36-99 6 ПЕРЕИЗДАНИЕ. Октябрь Информация об изменениях к настоящему стандарту публикуется в указателе «Национальные стандарты», а текст этих изменений - в информационных указателях «Национальные стандарты». В случае пересмотра или отмены настоящего стандарта соответствующая информация будет опубликована в информационном указателе «Национальные стандарты» Содержание НАЦИОНАЛЬНЫЙ СТАНДАРТ РОССИЙСКОЙ ФЕДЕРАЦИИ
Дата введения - 2005-01-01 1 Область примененияНастоящий
стандарт распространяется на одноэтажные транспортные средства - одиночные и сочлененные
- сконструированные и изготовленные для перевозки пассажиров, вместимостью
более 22 стоящих или сидящих пассажиров, помимо водителя, и имеющие общую
ширину свыше 1а Нормативные ссылкиВ настоящем стандарте использованы нормативные ссылки на следующие стандарты: ГОСТ Р 41.66-99 (Правила ЕЭК ООН № 66) Единообразные предписания, касающиеся официального утверждения крупногабаритных пассажирских транспортных средств в отношении прочности верхней части конструкции ГОСТ Р 50460-92 Знак соответствия при обязательной сертификации. Форма, размеры и технические требования ГОСТ Р 52051-2003 Механические транспортные средства и прицепы. Классификация и определения Примечание - При пользовании настоящим стандартом целесообразно проверить действие ссылочных стандартов по указателю «Национальные стандарты», составленному по состоянию на 1 января текущего года, и по соответствующим информационным указателям, опубликованным в текущем году. Если ссылочный документ заменен (изменен), то при пользовании настоящим стандартом следует руководствоваться замененным (измененным) стандартом. Если ссылочный документ отменен без замены, то положение, в котором дана ссылка на него, применяется в части, не затрагивающей эту ссылку. 2 Термины и определенияВ настоящем стандарте применены следующие термины с соответствующими определениями: 2.1 транспортное средство: Одноэтажное транспортное средство, сконструированное и оборудованное для перевозки более 22 пассажиров. Существуют транспортные средства трех классов. Допускается использование транспортного средства более чем в одном классе. В этом случае ему может предоставляться сертификат соответствия согласно каждому классу транспортного средства, которому оно удовлетворяет. 2.1.1 транспортные средства класса I, конструкцией которых предусмотрены зоны для стоящих пассажиров, обеспечивающие возможность пассажирообмена. 2.1.2 транспортные средства класса II, сконструированные для перевозки, главным образом, сидящих пассажиров и в которых может предусматриваться перевозка стоящих пассажиров, находящихся в проходах и/или зонах, не превосходящих по своей площади пространства, необходимого для размещения двух двойных сидений. 2.1.3 транспортные средства класса III, сконструированные исключительно для перевозки сидящих пассажиров. 2.1.4 троллейбус: Транспортное средство классов I, II или III с питанием электроэнергией от внешних проводов. 2.1.5 сочлененное транспортное средство: Транспортное средство, которое состоит из двух или более жестких секций, шарнирно сочлененных относительно друг друга; пассажирские салоны каждой секции взаимно соединены таким образом, что пассажиры могут свободно перемещаться; жесткие секции стационарно соединены и могут быть разъединены только с помощью приспособлений, обычно имеющихся только в мастерской. 2.1.6 транспортное средство с низким расположением пола: Транспортное средство, в котором, по меньшей мере, 35 % площади, отводимой для стоящих пассажиров (или его передняя секция - в случае сочлененных транспортных средств), образуют сплошную поверхность без ступенек, на которую можно подняться через, по крайней мере, одну служебную дверь, сделав при этом всего один шаг с опорной поверхности. 2.2 тип транспортного средства: Транспортные средства, не имеющие между собой существенных различий в отношении конструктивных особенностей, указанных в настоящем стандарте. 2.3 сертификация типа транспортного средства: Процедура подтверждения соответствия типа транспортного средства в отношении конструктивных особенностей требованиям, установленным в настоящем стандарте. 2.4 служебная дверь: Дверь, используемая пассажирами при нормальной эксплуатации, когда водитель находится на рабочем месте. 2.5 сдвоенная дверь: Дверь, имеющая два прохода или один проход, эквивалентный по площади двум проходам. 2.6 запасная дверь: Дверь, предусмотренная как дополнительная к служебной двери (ям) и предназначенная для использования пассажирами в качестве выхода только при исключительных обстоятельствах и, в частности, в случае аварии, дорожно-транспортном происшествии. 2.7 запасное окно: Окно, не обязательно застекленное, предназначенное для использования пассажирами в качестве выхода только в случае опасности. 2.8 двойное окно: Запасное окно, при делении которого воображаемой вертикальной линией (или плоскостью) получаются такие две части, отвечающие требованиям в отношении размеров и доступа, предъявляемым к обычному запасному окну. 2.9 аварийный люк: Отверстие в крыше или полу, предназначенное для использования пассажирами в качестве выхода только в случае опасности. 2.10 запасной выход: Запасные двери, окно или аварийный люк. 2.11 выход: Служебная дверь или запасной выход. 2.12 пол или площадка: Часть кузова, на которой располагаются стоящие пассажиры, на которую опираются ноги сидящих пассажиров и водителя и служащая также для крепления сидений. 2.13 проход: Пространство, обеспечивающее доступ пассажиров от любого сиденья (ряда сидений) к любому другому сиденью (ряду сидений), или к любому входному проходу от любой служебной двери и любой площадки для стоящих пассажиров либо к ним. К проходу не относятся: 2.13.1 пространство шириной 2.13.2 пространство над поверхностью любой подножки или ступеньки около дверей, или 2.13.3 любое пространство, которое предназначается для доступа только к одному сиденью (ряду сидений). 2.14 входной проход: Пространство
внутри транспортного средства от служебной двери до наиболее выступающей кромки
верхней ступеньки (край прохода). Если дверной проем не имеет подножки, то
входным проходом должно считаться пространство, измеренное в соответствии с 5.7.1.1
на расстоянии 2.15 отделение для водителя: Пространство, предназначенное исключительно для водителя, в котором расположены сиденье водителя, рулевое колесо, органы управления, приборы и другие устройства, необходимые для управления транспортным средством. 2.16 порожняя масса: (МК): Масса
транспортного средства без пассажиров и груза, но с учетом веса водителя 2.16.1 масса снаряженного транспортного средства (MV): Порожняя масса транспортного средства с учетом веса члена
экипажа 2.17 максимальная масса (РТ): Технически допустимая максимальная масса, объявленная предприятием - изготовителем транспортного средства. (Эта масса может превышать «разрешенную максимальную массу», предписываемую национальными компетентными органами). 2.18 максимальная масса, приходящаяся на ось: Часть технически допустимой максимальной массы транспортного средства, объявленная предприятием-изготовителем, которая проявляется в вертикальной нагрузке в зоне соприкосновения колеса/колес оси с поверхностью дороги. Эта масса может превышать максимально допустимую массу, приходящуюся на ось, разрешенную национальными компетентными органами. Сумма всех технических допустимых максимальных масс, приходящихся на оси транспортного средства, может превышать технически допустимую максимальную массу данного транспортного средства. 2.19 пассажир: Любое лицо, кроме водителя или члена экипажа. 2.19.1 пассажиры с ограниченной способностью к передвижению: Пассажиры, испытывающие особые трудности при пользовании общественным транспортом, в частности лица пожилого возраста и инвалиды. Ограниченная способность к передвижению необязательно связана с какой-либо формой заболевания. 2.20 пассажирский салон: Пространство, предназначенное для пассажиров, за исключением любого пространства, в котором расположены закрепленные элементы оборудования, такие как буфеты, кухни или туалеты. 2.21 автоматическая служебная дверь: Служебная дверь с механическим приводом, которая может открываться (без использования аварийных средств управления) только после того, как орган управления включен пассажиром или водителем, и закрываться автоматически. 2.22 устройство, препятствующее началу движения: Устройство, предотвращающее начало движения транспортного средства при неполностью закрытой двери. 2.23 служебная дверь, приводимая в движение водителем: Служебная дверь, обычно открываемая и закрываемая водителем. 2.24 Если не указано иное, то все измерения проводят на транспортном средстве с порожней массой, когда оно находится на ровной горизонтальной поверхности. Если транспортное средство оснащено устройством, позволяющим опускать пол, то последнее должно быть отключено. 2.25 В случаях, когда в настоящем стандарте приведено требование о том, что какая-либо поверхность транспортного средства должна быть горизонтальной либо наклоненной под конкретным углом - если речь идет о порожней массе транспортного средства и если оно оснащено механической подвеской - эта поверхность может быть наклонена под более значительным углом или иметь наклон, когда речь идет о порожней массе транспортного средства, при условии соблюдения требования к транспортному средству, находящемуся в нагруженном состоянии, указанном предприятием-изготовителем. Если транспортное средство оснащено устройством, позволяющим опускать пол, то последнее должно быть отключено. 3 Заявка на сертификацию3.1 Заявка на получение сертификата соответствия типа транспортного средства в отношении его конструктивных особенностей представляется предприятием - изготовителем транспортного средства или его уполномоченным представителем. 3.2 К заявке прилагается документ в трех экземплярах по форме, приведенной в приложении А. 3.3 Испытательной лаборатории, уполномоченной проводить испытания для сертификации, указанные в разделе 5, должно быть представлено транспортное средство, представляющее тип транспортного средства, подлежащего сертификации. 4 Предоставление сертификата соответствия4.1 Если транспортное средство, представленное на сертификацию в соответствии с настоящим стандартом, удовлетворяет требованиям раздела 5, то данный тип транспортного средства считают сертифицированным. 4.2 На каждый сертифицированный тип транспортного средства выдают сертификат соответствия, в котором указывают обозначение настоящего стандарта и серию поправок, удовлетворяющих самым последним техническим изменениям, внесенным в Правила ЕЭК ООН № 36 на дату сертификации (в настоящее время 03, что соответствует поправкам серии 03). 4.3 В рамках одного органа по сертификации один и тот же номер сертификата соответствия не может быть присвоен другому типу транспортного средства, определенному в 2.2. 4.4 Сертификат соответствия в виде приложения должен включать в себя информацию по образцу, приведенному в приложении Б, представляемую предприятием, сделавшим заявку на сертификацию. 4.5 На каждом сертифицированном транспортном средстве должна быть проставлена на видном и легко доступном месте, указанном в сертификате соответствия и приложении к нему, маркировка, содержащая: - знак соответствия по ГОСТ Р 50460; - обозначение настоящего стандарта с учетом поправок; - дополнительное обозначение, отделенное от обозначения настоящего стандарта вертикальной линией и содержащее римскую цифру (ы), соответствующую (ие) классу (ам), в котором (ых) транспортное средство было сертифицировано. 4.6 Если транспортное средство соответствует типу, сертифицированному на основании другого стандарта, то дополнительные обозначения всех стандартов, согласно которым было сертифицировано это транспортное средство, должны быть расположены в вертикальных колонках справа от обозначения знака соответствия по ГОСТ Р 50460. 4.7 Все элементы маркировки должны быть четкими и нестираемыми. 4.8 Маркировку помещают рядом с табличкой, на которой приведены характеристики транспортного средства, или наносят на эту табличку. 4.9 На рисунках В.1 и В.2 приложения В изображены в качестве примеров схемы маркировки. 5 Технические требованияВ качестве альтернативы требованиям, изложенным в настоящем разделе, предприятия - изготовители транспортных средств, выпускающие в обращение на рынок Российской Федерации не более 20 000 транспортных средств в год, могут получать сертификат соответствия на основании соответствующих технических требований, указанных в Директиве ЕС 2001/85 «Специальные предписания для транспортных средств для перевозки пассажиров и имеющих более восьми мест помимо места водителя»1). 1) Опубликовано в Official Journal № L 42 от 13.02.2002. 5.1 Распределение нагрузки по осям и условия нагрузки 5.1.1 Распределение нагрузки неподвижно стоящего на ровной дороге транспортного средства должно определяться в двух положениях: 5.1.1.1 без нагрузки по 5.1.3; 5.1.1.2 с нагрузкой по 5.1.4. 5.1.2 На переднюю ось (оси) должно приходиться не менее указанной в таблице 5.1 доли массы (%). Таблица 5.1
5.1.3 Под транспортным средством без нагрузки для 5.1 и 5.3 подразумевают транспортное средство в состоянии, определенном в 2.15.1. 5.1.4 Под транспортным средством с нагрузкой для 5.1 подразумевают транспортное средство без нагрузки по 5.1.3 с дополнительной массой Q на каждое пассажирское сиденье, массой Q в соответствии с разрешенным количеством стоящих пассажиров, равномерно распределенной по зоне S1 массой В, равномерно распределенной по багажным отделениям, и в соответствующих случаях массой ВХ, равномерно распределенной по поверхности крыши, оборудованной для перевозки багажа. 5.1.5 Значения Q для транспортных средств различных классов приведены в 5.3. 5.1.6 Числовое значение В (кг) должно быть не менее 100 V (м3). 5.1.7 Значение ВХ должно соответствовать удельной нагрузке не менее 75 кг/м2 на поверхности крыши, предназначенной для размещения багажа. 5.2 Площадь, предназначенная для пассажиров 5.2.1 Общую площадь So, предназначенную для пассажиров, рассчитывают путем вычитания из общей площади пола транспортного средства: 5.2.1.1 площади отделения водителя; 5.2.1.2 площади ступенек у дверей и площади любой ступеньки
глубиной менее 5.2.1.3 площади любой части, находящейся на высоте над уровнем
пола менее 5.2.1.4 площади любой части поворотной секции (секций) сочлененного транспортного средства, которая ограждена поручнями и/или перегородками. 5.2.2 Площадь S1 предназначенную для стоящих пассажиров (только в транспортных средствах классов I и II, в которых допускается перевозка стоящих пассажиров), рассчитывают путем вычитания из Sо: 5.2.2.1 для транспортных средств классов I и II: 5.2.2.1.1 площади всех частей пола, наклон которых превышает 8 %; 5.2.2.1.2 площади всех частей, которые не являются доступными для стоящего пассажира, при всех занятых сиденьях, за исключением складных сидений; 5.2.2.1.3 площади всех частей, находящихся на высоте над уровнем
пола менее 5.2.2.1.4 площади, расположенной перед вертикальной плоскостью, проходящей через центр поверхности подушки сиденья водителя (когда оно находится в своем крайнем заднем положении) и центр наружного зеркала заднего вида, расположенного на противоположной стороне транспортного средства; 5.2.2.1.5 площади в пределах 5.2.2.1.6 любой поверхности, не исключаемой на основании положений
5.2.2.1.1 - 5.2.2.1.5, на которой нельзя разместить прямоугольник размером 400
× 5.2.2.1.7 для транспортных средств класса II - площади, не предназначенной для стоящих пассажиров. 5.3 Пассажировместимость5.3.1 В транспортном средстве должно быть указано определенное число (Ps) мест для сидения, не считая складных сидений, соответствующих требованиям 5.7.8. Спальные и другие места, предназначенные для временного использования вместо мест для сидения, не учитывают в качестве мест для сидения. Если транспортное средство относится к классу I или II, число Ps должно быть, по меньшей мере, равно числу квадратных метров пола, доступного для пассажиров и экипажа (если таковой имеется) So, округленному до ближайшего меньшего целого числа; в случае транспортных средств класса I требуемое число может быть уменьшено на 10 % (0,9 So).
где Ps - число мест для сидения (см. 5.3.1); S1 - площадь для размещения стоящих пассажиров, м2 (см. 5.2.2); Ssp - площадь, необходимая для одного стоящего пассажира, м2 (см. 5.3.2.2); МТ - максимальная масса, кг (см. 2.17); MV - снаряженная масса, кг (см. 2.16.1); L - удельная нагрузка багажа в багажном отделении (отделениях), кг/м3; V - общий объем багажных отделений, м3; R - удельная масса багажа на крыше, кг/м2; VX - общая площадь крыши, предназначенная для размещения багажа, м2; Q - предполагаемая масса груза, приходящаяся на каждое сидячее и стоячее место, в случае наличия, кг (см. 5.3.2.2). 5.3.2.1 В случае транспортных средств класса III площадь, S1 = 0. 5.3.2.2 Для транспортных средств каждого класса используют значения, приведенные в таблице 5.2. Таблица 5.2
5.3.2.3 Если транспортное средство класса II или III сертифицируют в качестве транспортного средства класса I, массу багажа, перевозимого в багажных отделениях, доступных только снаружи транспортного средства, не принимают во внимание. 5.3.4 Внутри транспортного средства в непосредственной близости от
передней двери должна быть нанесена четкая надпись или пиктограмма высотой не менее
5.3.4.1 число мест для сидения, на которое рассчитано транспортное средство (Ps); 5.3.4.2 общее число пассажиров, на которое рассчитано транспортное средство (N). 5.4 (Не определен) 5.5 Противопожарная защита 5.5.1 Моторное отделение 5.5.1.1 В моторном отделении не должен использоваться никакой легко воспламеняющийся либо абсорбирующий топливо и смазку звукоизоляционный материал, если он не покрыт непроницаемым листовым материалом. 5.5.1.2 Следует, по мере возможности, принимать меры предосторожности против накопления топлива или смазочного масла в любом месте моторного отделения либо путем специальной конструкции моторного отделения, либо путем устройства дренажных отверстий. 5.5.1.3 Между моторным отделением или любым другим источником тепла (таким, как устройство, предназначенное для поглощения энергии, освобождаемой при движении транспортного средства по длинному спуску, например замедлитель или устройство для отопления салона, за исключением любых устройств, обогреваемых водой) и остальной частью транспортного средства должна размещаться перегородка из жаропрочного материала. 5.5.2 Заливные горловины топливных баков 5.5.2.1 Заливные горловины должны быть доступны только с наружной стороны транспортного средства. 5.5.2.2 Ни одна из частей заливных горловин не должна размещаться
на расстоянии менее 5.5.2.3 Топливо не должно вытекать через пробку заливной горловины или через устройство, предназначенное для уравновешивания давления в баке, даже если бак полностью опрокинут; допускается незначительное просачивание, не превышающее 30 г/мин. Если транспортное средство оборудовано несколькими соединенными топливными баками, давление при испытании должно соответствовать наименее благоприятному их положению. 5.5.2.4 Если заливная горловина расположена на боковых сторонах транспортного средства, то пробка в закрытом положении не должна выступать над прилегающей поверхностью кузова. 5.5.2.5 Пробки заливных горловин должны быть сконструированы и изготовлены таким образом, чтобы исключалось их случайное открытие. 5.5.3 Топливные баки 5.5.3.1 Каждый топливный бак должен быть надежно закреплен. Ни
одна из частей бака не должна находиться на расстоянии менее 5.5.3.2 Ни одна из частей топливного бака не должна выступать за пределы габаритной ширины кузова. 5.5.3.3 Все топливные баки должны подвергаться гидравлическому испытанию на внутреннее давление, проводимому на отдельном комплекте с заливным патрубком, горловиной и пробкой серийного производства. Бак наполняют до краев водой. После исключения всякого сообщения с наружной атмосферой постепенно увеличивают давление через приемную трубку топливопровода до достижения относительного давления, вдвое превышающего рабочее давление, но не менее 0,3 бар, которое поддерживают в течение 1 мин. За это время не допускается появление трещины в стенке бака, утечки, однако может иметь место остаточная деформация. 5.5.3.4 Топливные баки должны изготовляться из коррозийно-стойких материалов. 5.5.3.5 Любое избыточное давление или любое давление, превышающее рабочее, должно автоматически компенсироваться с помощью соответствующих устройств (выпускных вентилей, предохранительных клапанов и т. д.). Выпускные вентили должны быть сконструированы таким образом, чтобы полностью исключить опасность возникновения пожара. 5.5.4 Система подачи топлива 5.5.4.1 В отделениях транспортного средства, предназначенных для пассажиров и водителя, не должны размещаться элементы топливной системы. 5.5.4.2 Топливопроводы и остальные части системы питания должны размещаться таким образом, чтобы обеспечивалась их максимальная защита, насколько это возможно. 5.5.4.3 Перекосы, изгибные деформации и вибрация всей конструкции транспортного средства или двигателя не должны вызывать чрезмерных напряжений в топливопроводах. 5.5.4.4 Соединения гибких трубок или шлангов с жесткими элементами системы питания должны иметь такую конструкцию и быть изготовлены таким образом, чтобы обеспечивалась их герметичность в различных условиях эксплуатации транспортного средства, независимо от естественного старения, перекосов, изгибных деформаций и вибрации всей конструкции транспортного средства или двигателя. 5.5.4.5 Утекаемое из любой части системы топливо должно свободно выливаться на поверхность дороги, но ни в коем случае не на какую-либо часть выхлопной системы или на какой-либо элемент высоковольтного электрического оборудования. 5.5.5 Аварийный выключатель Должен быть предусмотрен аварийный выключатель, предназначенный для снижения опасности возникновения пожара после постановки транспортного средства на стоянку. 5.5.5.1 Аварийный выключатель должен располагаться в месте, легко доступном для сидящего на рабочем месте водителя. 5.5.5.2 Аварийный выключатель должен быть четко обозначен и иметь защитную крышку или другие соответствующие средства предотвращения случайного срабатывания. Четкие инструкции относительно способа использования должны быть указаны в непосредственной близости от аварийного выключателя, например: «Снять крышку и повернуть рычаг вниз! Приводить в действие только после остановки транспортного средства». 5.5.5.3 Приведение аварийного выключателя в действие должно служить одновременно для выполнения следующих функций: 5.5.5.3.1 быстрой остановки двигателя; 5.5.5.3.2 приведения в действие выключателя аккумулятора, установленного возможно ближе к аккумулятору и отключающего, по крайней мере, одну его клемму от электрической цепи, за исключением цепи, обеспечивающей функцию, указанную в 5.5.5.3.3, цепей, которые обеспечивают непрерывное функционирование тахографа, а также тех приборов, внезапное включение которых может привести к возникновению большей опасности по сравнению с предотвращаемой, например: 5.5.5.3.2.1 аварийного внутреннего освещения, 5.5.5.3.2.2 охлаждающего приспособления вспомогательных обогревателей, 5.5.5.3.2.3 централизованной электронной блокировки дверей, 5.5.5.3.3 включения на транспортном средстве аварийных сигналов, 5.5.5.3.4 опускания штанг токоприемников на троллейбусах. 5.5.5.4 Кроме аварийного выключателя, функции, упомянутые в 5.5.5.3, могут также выполняться отдельными органами управления при условии, что эти органы в экстренном случае не препятствуют срабатыванию аварийного выключателя. 5.5.6 Электрооборудование и электропроводка 5.5.6.1 Все провода должны быть надежно изолированы, и вся электропроводка и электрооборудование должны выдерживать воздействие температуры и влажности, которым они подвергаются. В моторном отделении особое внимание следует обратить на то, чтобы они могли выдерживать воздействие температуры, масла и испарений. 5.5.6.2 Ни в одном из проводов электрической цепи не должен допускаться ток, превышающий допустимое значение силы тока для такого провода (с учетом способа его установки и максимальной окружающей температуры). 5.5.6.3 Каждая электрическая цепь, питающая любой элемент оборудования, за исключением стартера, цепи зажигания (в случае принудительного зажигания), свечей накаливания, устройства остановки двигателя, зарядной цепи и аккумуляторной батареи, должна иметь плавкий предохранитель или выключатель. Однако цепи, питающие устройства с малым потреблением энергии, могут защищаться общим плавким предохранителем или выключателем при условии, что номинальная сила тока не будет превышать 16 А. В случае использования электроники эти цепи могут предохраняться соответствующими предохранительными устройствами, встроенными в электронные элементы или системы. В таком случае предприятие-изготовитель предоставляет всю соответствующую техническую информацию по просьбе испытательной лаборатории, ответственной за проведение испытаний. 5.5.6.4 Все провода должны быть надежно защищены и прочно прикреплены, чтобы исключалась возможность их обрыва, перетирания или износа. 5.5.6.5 В случаях, когда среднеквадратическое напряжение в одной или нескольких электрических цепях транспортного средства превышает 100 В, на каждой клемме источника энергии, который не заземлен, устанавливают изолированный выключатель, с помощью которого вручную все эти электрические цепи могут быть отключены от основного источника питания. Выключатели должны находиться внутри транспортного средства в местах, легко доступных для водителя, при условии, что ни один из таких изолированных выключателей не должен отключать какую-либо электрическую цепь, питающую обязательные внешние огни транспортного средства. 5.5.6.6 Необходимо иметь, по крайней мере, две такие цепи внутреннего освещения, чтобы выход из строя одной из них не оказывал влияния на функционирование другой. Цепь, служащая для освещения только постоянного входа и выхода, может рассматриваться в качестве одной из этих цепей. 5.5.7 Аккумуляторные батареи 5.5.7.1 Аккумуляторные батареи должны быть надежно закреплены и легко доступны. 5.5.7.2 Отделение, в котором размещаются аккумуляторные батареи, должно быть отделено от пассажирского салона и хорошо вентилироваться наружным воздухом. 5.5.8 Огнетушители и аптечки первой помощи 5.5.8.1 В транспортном средстве должны предусматриваться места для
установки одного или нескольких огнетушителей. Один из них должен находиться
вблизи от сиденья водителя. Место, предусмотренное для каждого огнетушителя,
должно иметь размеры не менее 600 × 200 × 5.5.8.2 Должны предусматриваться места для установки одной или
нескольких аптечек первой помощи. Объем этого места должен составлять не менее
7 дм3, а минимальный размер должен быть не менее 5.5.9 Материалы Наличие
каких-либо воспламеняющихся материалов в пределах 5.6 Выходы 5.6.1 Число 5.6.1.1 Минимальное число служебных дверей должно соответствовать указанному в таблице 5.3. Таблица 5.3
5.6.1.2 Минимальное число служебных дверей в каждой жесткой секции сочлененного транспортного средства должно равняться одному; исключение составляет передняя секция сочлененного транспортного средства класса I, минимальное число дверей которого должно равняться двум. 5.6.1.3 Минимальное число дверей транспортного средства должно равняться двум. 5.6.1.4 В целях настоящих предписаний служебные двери, оборудованные механизированной системой привода, рассматривают в данном контексте как выходы только в том случае, если они могут легко открываться вручную после приведения в действие, при необходимости, органа управления, указанного в 5.6.5.1. 5.6.1.5 Минимальное число запасных выходов должно быть таким, чтобы общее число выходов соответствовало указанному в таблице 5.4. Таблица 5.4
5.6.1.6 При определении минимального числа выходов каждую секцию сочлененного транспортного средства следует рассматривать как отдельное транспортное средство. Число пассажиров определяется для каждой жесткой секции, причем соединяющий их проход не рассматривают в качестве выхода. 5.6.1.7 Если кабина водителя или специальное отделение для экипажа не сообщается с внутренней частью транспортного средства, они должны иметь два выхода, которые не должны располагаться с одной и той же боковой стороны; когда одним из этих выходов является окно, то оно должно соответствовать требованиям в отношении запасных окон, содержащимся в 5.6.8. 5.6.1.8 Сдвоенную служебную дверь считают как две двери, а двойное окно - как два запасных окна. 5.6.1.9 Кроме запасных дверей и окон, транспортные средства классов II и III должны иметь аварийные люки. Ими также могут оборудоваться транспортные средства класса I. В крыше троллейбусов любых типов не должно быть никаких аварийных люков. Минимальное число люков должно быть в соответствии с таблицей 5.5. Таблица 5.5
5.6.2 Расположение выходов 5.6.2.1 Служебные двери должны располагаться с ближайшей к обочине стороны транспортного средства, и, по меньшей мере, одна из них должна находиться в передней половине транспортного средства. 5.6.2.2 Две двери должны быть удалены друг от друга таким образом, чтобы расстояние между центрами поперечных вертикальных плоскостей, проходящих через центры их площадей, составляло не менее 40 % общей длины пассажирского салона при измерении вдоль продольной оси транспортного средства. В случае сочлененного транспортного средства это требование считают выполненным, если две двери разных секций удалены друг от друга таким образом, что расстояние между ними составляет не менее 40 % общей длины пассажирского салона в целом (все секции). В любом случае, если одна из этих дверей является частью сдвоенной двери, то это расстояние следует измерять между осями двух дверей, наиболее удаленных друг от друга. 5.6.2.3 Выходы должны располагаться таким образом, чтобы в каждой боковой стенке имелось практически одинаковое их число. 5.6.2.4 По меньшей мере один аварийный выход должен быть расположен соответственно в задней или в передней стенке транспортного средства. Для транспортных средств класса I и транспортных средств, задняя часть которых наглухо отделена от пассажирского салона, это требование выполняют в том случае, если в крыше оборудован аварийный люк. 5.6.2.5 Выходы, расположенные с одной и той же стороны транспортного средства, должны равномерно размещаться вдоль его длины. 5.6.2.6 Разрешается устройство двери в задней стенке транспортного средства при условии, что она не является служебной. 5.6.2.7 При наличии аварийных люков они должны размещаться
следующим образом: если имеется только один люк, то он должен устраиваться в
средней трети транспортного средства; при наличии двух люков расстояние между
ближайшими краями отверстий, измеренное по линии, параллельной продольной оси
транспортного средства, должно быть не менее 5.6.3 Минимальные размеры Таблица 5.6
5.6.4 Технические требования в отношении служебных дверей 5.6.4.1 Каждая служебная дверь должна легко открываться изнутри и снаружи транспортного средства, находящегося на стоянке (данное условие не является обязательным для движущегося транспортного средства). Однако это требование не должно толковаться как исключающее возможность запирания дверей снаружи при условии, что двери всегда можно открыть изнутри. 5.6.4.2 Каждый орган управления или устройство, служащее для
открывания дверей снаружи, должно размещаться на высоте не выше 5.6.4.3 Каждая открываемая и закрываемая вручную одинарная служебная дверь, предназначенная для навешивания на петлях или шарнирах, должна навешиваться таким образом, чтобы при ее соприкосновении в открытом положении с неподвижным объектом при движении транспортного средства вперед она стремилась закрыться. 5.6.4.4 Если открываемая вручную служебная дверь оборудована английским замком, то он должен быть двухпозиционного типа. 5.6.4.5 На внутренней стороне служебной двери не должно быть никаких устройств, предназначенных для закрытия внутренних ступенек, когда дверь находится в закрытом положении. 5.6.4.6 Если непосредственная обзорность является недостаточной, то должны устанавливаться оптические или другие устройства, позволяющие водителю со своего сиденья видеть пассажиров, находящихся в непосредственной близости внутри и снаружи от каждой служебной двери, за исключением автоматических служебных дверей. 5.6.4.7 Каждая служебная дверь, открывающаяся вовнутрь транспортного средства, должна быть сконструирована таким образом, чтобы при нормальной работе она не могла причинить вреда пассажирам. При необходимости должны быть установлены соответствующие защитные устройства. 5.6.4.8 Если служебная дверь расположена в непосредственной
близости от двери туалета или другого внутреннего отделения, то служебная дверь
должна быть оборудована устройством, предотвращающим ее непреднамеренное
открытие. Однако это условие не применяют, если служебная дверь запирается
автоматически при движении транспортного средства со скоростью более 5.6.4.9 Служебная дверь в любом открытом положении не должна мешать использованию любого обязательного выхода или затруднять к нему необходимый доступ. 5.6.5 Дополнительные технические требования в отношении служебных дверей с механическим приводом 5.6.5.1 В чрезвычайных обстоятельствах каждая служебная дверь с механическим приводом должна, когда транспортное средство находится на стоянке (но не обязательно для движущегося транспортного средства), открываться изнутри и в незапертом состоянии - снаружи при помощи органов управления, которые, несмотря на то, функционирует ли источник энергии: 5.6.5.1.1 работают независимо от всех других органов управления; 5.6.5.1.2 размещаются на двери или на расстоянии не более 5.6.5.1.3 могут быть легко видимы и четко различимы при приближении к двери и нахождении перед дверью; 5.6.5.1.4 могут включаться человеком, стоящим непосредственно перед дверью; 5.6.5.1.5 открывают дверь или обеспечивают легкое открытие двери вручную; 5.6.5.1.6 могут быть защищены приспособлением, легко снимаемым или разбиваемым с целью доступа к аварийному органу управления; водитель должен быть извещен звуковым или визуальным сигналом о включении аварийного органа управления или снятии с него защитной крышки; 5.6.5.1.7 должны быть устроены таким образом, что после их включения для открытия двери и возвращения в нормальное положение последние не закрывались вновь до тех пор, пока водитель не включит закрывающий орган управления в случае, когда дверь, открываемая и закрываемая водителем, не соответствует требованиям 5.6.5.6.2. 5.6.5.2 На служебные двери может устанавливаться устройство,
включаемое водителем с его сиденья, для приведения в действие внешних аварийных
органов управления, с тем, чтобы запереть двери снаружи. В этом случае внешние
аварийные органы управления должны вновь включаться автоматически либо при
запуске двигателя, либо до того, как транспортное средство наберет скорость 5.6.5.3 Каждая служебная дверь, открываемая и закрываемая водителем, должна приводиться в действие последним со своего сиденья при помощи органов управления (за исключением педалей), которые ясно и четко обозначены. 5.6.5.4 Каждая служебная дверь, приводимая в движение при помощи
источника энергии, должна включать визуальное сигнальное устройство, которое
должно быть четко видимым для водителя, сидящего в нормальном положении для
вождения, при любых условиях окружающего освещения, и должно информировать о
том, что дверь закрыта не полностью. Устройство должно подавать сигналы в
случаях, когда жесткие элементы двери занимают промежуточное состояние между
полностью открытым положением и положением, когда расстояние между элементами
двери составляет 5.6.5.5 Если водитель может управлять органами, служащими для открывания и закрывания служебной двери, приводимой в движение при помощи источника энергии, то органы управления должны быть устроены таким образом, чтобы водитель мог изменить движение двери в обратном направлении в любое время при ее закрытии или открытии. 5.6.5.6.1 За исключением случаев, касающихся передней служебной двери, данное требование считают выполненным, если соблюдены два условия в соответствии с 5.6.5.6.2 и 5.6.5.6.3. 5.6.5.6.2 Первое условие заключается в том, что,
если к закрывающейся двери в любой точке измерения, описанной в приложении Ж,
приложено усилие сопротивления, не превышающее 150 Н, дверь должна вновь
полностью открываться автоматически и, за исключением случаев, касающихся
автоматической служебной двери, оставаться открытой до включения органа
управления, закрывающего дверь. Усилие сопротивления может быть измерено любым
способом, удовлетворяющим требованиям компетентного органа. Рекомендации по
измерению приведены в приложении Ж. Пиковое усилие может кратковременно
превышать 150 Н, но не более 300 Н. Система повторного открытия может быть
проверена при помощи испытательного стержня сечением: высотой 5.6.5.6.3 Второе условие заключается в том, что в случаях, когда двери зажимают запястье или пальцы пассажира: 5.6.5.6.3.1 дверь вновь автоматически открывают полностью и, за исключением случаев, касающихся автоматической служебной двери, оставляют открытой до включения закрывающего органа управления, либо 5.6.5.6.3.2 запястье или пальцы могут быть высвобождены без риска
нанесения травмы пассажиру путем открывания двери вручную или при помощи
упомянутого в 5.6.5.6.2 испытательного конического стержня длиной 5.6.5.6.3.3
дверь привести в положение, обеспечивающее свободный проход стержня сечением:
высотой 5.6.5.6.4 Для передней служебной двери требование 5.6.5.6 считают выполненным, если она: 5.6.5.6.4.1 отвечает требованиям 5.6.5.6.2 и 5.6.5.6.3, 5.6.5.6.4.2 или имеет эластичные края, однако не настолько, чтобы при закрытии двери и зажатии стержня, упомянутого в 5.6.5.6.2, жесткие элементы дверей принимали полностью закрытое положение. 5.6.5.7 В случаях, когда служебная дверь с механическим приводом удерживается в закрытом положении только при постоянной подаче энергии к дверям, должно быть визуальное сигнальное устройство, информирующее водителя о любой неисправности, касающейся подачи энергии. 5.6.5.8 При наличии устройства, препятствующего началу движения,
оно должно функционировать только при скорости менее 5.6.5.9 Звуковой сигнал, предупреждающий водителя, может
подаваться, если транспортное средство приведено в движение, когда служебная
дверь с механическим приводом закрыта не полностью. Этот сигнал должен
подаваться на скорости свыше 5.6.6 Дополнительные технические требования в отношении автоматических служебных дверей 5.6.6.1 Включение открывающих органов управления 5.6.6.1.1 За исключением случаев, предусмотренных в 5.6.5.1, открывающие органы управления каждой автоматической служебной двери должны включаться и выключаться только водителем со своего сиденья. 5.6.6.1.2 Включение и выключение может быть либо прямым при помощи выключателя или опосредованным, например, путем открывания и закрывания передней служебной двери. 5.6.6.1.3 Информация о включении открывающих органов управления водителем должна обозначаться внутри, а в случаях, когда дверь должна быть открыта снаружи, также снаружи транспортного средства; индикатор (например, включение подсветки кнопки, включение подсветки условного знака) должен находиться на той двери, к которой он относится, или в непосредственной близости от нее. 5.6.6.1.4 В случае прямого приведения в действие включателя функциональное состояние системы должно четко указываться водителю, например положением включателя или при помощи индикаторной лампочки, или подсветкой включателя. Включатель должен иметь специальное обозначение и располагаться таким образом, чтобы его нельзя было спутать с другими органами управления. 5.6.6.2 Открывание автоматических служебных дверей 5.6.6.2.1 После включения открывающих органов управления водителем пассажиры должны иметь возможность открыть дверь следующим образом: 5.6.6.2.1.1 изнутри, например, путем нажатия кнопки или прохождения через световой барьер; 5.6.6.2.1.2 снаружи, за исключением случаев, когда дверь предназначена только для использования в качестве выхода и обозначена, как таковая, например, путем нажатия кнопки с загорающейся подсветкой, кнопки под условным знаком с подсветкой или аналогичного приспособления, снабженного надлежащей инструкцией. 5.6.6.2.2 При нажатии кнопок, упомянутых в 5.6.6.2.1.1, и использовании средств связи с водителем, приведенных в 5.7.9.1, может подаваться сигнал, который регистрируется и, после включения водителем открывающих органов управления, обеспечивает открывание двери. 5.6.6.3 Закрывание автоматических служебных дверей 5.6.6.3.1 После того как автоматическая служебная дверь открылась, она должна закрыться вновь автоматически по истечении определенного периода времени. Если в течение этого периода времени в транспортное средство входит или из него выходит пассажир, приспособление безопасности (например, контактная панель в полу, световой барьер, односторонний турникет) должно увеличить паузу, предшествующую закрытию двери. 5.6.6.3.2 Если пассажир входит (выходит) в (из) транспортное (го) средство (а) в момент закрытия двери, процесс закрытия должен прерываться автоматически, и дверь должна возвратиться в открытое положение. Обратный ход может обеспечиваться одним из приспособлений, упомянутых в 5.6.6.3.1, или любым другим приспособлением. 5.6.6.3.3 Необходимо, чтобы дверь, которая закрылась автоматически в соответствии с положениями 5.6.6.3.1, могла быть вновь открыта пассажиром согласно положению 5.6.6.2; это положение не должно применяться в случае, если водитель выключил открывающие органы управления. 5.6.6.3.4 После выключения открывающих органов управления автоматической служебной двери водителем открытые двери должны закрыться в соответствии с 5.6.6.3.1-5.6.6.3.3. 5.6.6.4 Остановка автоматического закрывания дверей для специального использования, например для пассажиров с детскими колясками, инвалидов и т. д. 5.6.6.4.1 Водитель должен иметь возможность остановить автоматическое закрывание дверей путем включения специального органа управления. Пассажир также должен иметь возможность непосредственно остановить закрывание дверей путем нажатия специальной кнопки. 5.6.6.4.2 Водитель должен быть проинформирован о приостановке автоматического закрывания дверей, например с помощью визуального сигнального устройства. 5.6.6.4.3 Отмена остановки автоматического закрывания дверей должна осуществляться только водителем. 5.6.6.4.4 Требования 5.6.6.3 должны применяться и к последующему закрыванию двери. 5.6.7 Технические требования в отношении запасных дверей 5.6.7.1 Запасные двери должны легко открываться изнутри и снаружи, когда транспортное средство находится на стоянке. Однако это требование не исключает возможность запирания двери снаружи при условии, что она всегда может быть открыта изнутри с помощью обычного открывающего механизма. 5.6.7.2 Запасные двери не должны оборудоваться сервомеханизмом и не должны быть раздвижного типа. 5.6.7.3 Наружная ручка запасных дверей должна находиться на высоте
не более 5.6.7.4 Запасные двери, установленные на боковой части транспортного средства, должны навешиваться передней частью и открываться наружу. Ремни, ограничивающие открытие двери, цепочки или другие ограничивающие устройства допускаются, если они не препятствуют свободному открытию дверей на угол не менее 100° и позволяют им оставаться в этом положении. Если имеются достаточные средства для обеспечения свободного доступа к проходу через проем запасной двери, требование, касающееся минимального угла 100°, не применяют. 5.6.7.5 Если запасная дверь расположена в непосредственной
близости от двери туалета или другого внутреннего отделения, то такая запасная
дверь должна иметь средства, предотвращающие непреднамеренное открывание.
Однако это требование не должно применяться, если запасная дверь фиксируется в
закрытом положении автоматически, когда транспортное средство движется со
скоростью 5.6.7.6 Если к служебной двери водителя затруднен подход вследствие узкого прохода между рулевым колесом и сиденьем водителя, то ее нельзя считать запасной дверью. 5.6.7.7 Все запасные двери, обзор которых с места водителя затруднен, должны быть оснащены звуковыми устройствами, информирующими водителя о неплотно закрытых дверях. Устройство должно приводиться в действие движением фиксатора двери, а не движением самой двери. 5.6.8 Технические требования в отношении запасных окон 5.6.8.1 Любое навесное запасное окно должно открываться наружу. 5.6.8.2 Любое запасное окно должно: 5.6.8.2.1 либо легко и быстро открываться изнутри и снаружи транспортного средства при помощи соответствующего приспособления, одобренного органом по сертификации, 5.6.8.2.2 либо иметь легко разбиваемое безопасное стекло. Последнее положение исключает возможность использования слоистого или изготовленного из пластического материала стекла. 5.6.8.3 Любое запасное окно, которое может быть заперто снаружи, должно быть устроено таким образом, чтобы его в любое время можно было открыть изнутри транспортного средства. 5.6.8.4 Любое запасное окно, которое навешивается в верхней его части, должно быть оборудовано соответствующим механизмом для удержания его в открытом положении. 5.6.8.5 Высота нижнего края запасного окна, расположенного в
боковой части транспортного средства над уровнем пола непосредственно под
окном, должна составлять не более Однако
для навесного запасного окна высота нижнего края может быть снижена до 5.6.8.6 Любое навесное запасное окно, которое не является отчетливо видимым с сиденья водителя, должно быть оборудовано сигнальным устройством, информирующим водителя о том, что окно закрыто не полностью. Такое устройство должно включаться не от движения самого окна, а только от замка окна. 5.6.9 Технические требования в отношении аварийных люков 5.6.9.1 Каждый аварийный люк должен открываться и закрываться таким образом, чтобы не препятствовать свободному входу (выходу) внутрь (из) транспортного средства. 5.6.9.2 Аварийные люки в крыше должны быть либо отбрасываемого
типа, либо навесного типа, либо изготавливаться из легко разбиваемого
предохранительного стекла. Люки в полу должны быть либо навесного, либо
отбрасываемого типа и оснащены звуковыми сигнальными устройствами,
информирующими водителя о том, что люки закрыты неплотно. Сигнальное устройство
должно приводиться в действие при открытии замка люка в полу, а не движением
самого люка. Аварийные люки в полу должны быть оборудованы устройством,
предотвращающим их непреднамеренное открытие. Однако это предписание не должно
применяться, если люк в полу запирается автоматически при движении
транспортного средства со скоростью более 5.6.9.3 Люки отбрасываемого типа при открытии не должны полностью отделяться от транспортного средства, чтобы не представлять опасности для участников дорожного движения. Аварийные люки должны открываться и закрываться таким образом, чтобы исключалось их случайное отбрасывание. Люки, оборудованные в полу, должны отбрасываться только внутрь пассажирского салона. 5.6.9.4 Навесные аварийные люки должны навешиваться по краю проема таким образом, чтобы открываться в направлении передней либо задней части транспортного средства с углом поворота петли не менее 100°. Люки, оборудуемые в полу, должны открываться внутрь салона. 5.6.9.5 Аварийные люки должны легко открываться или сниматься как изнутри, так и снаружи. Однако это требование не должно толковаться как исключающее возможность запирания люка с целью обеспечения безопасности транспортного средства, когда в нем никого нет, при условии, что люк можно всегда открыть или снять изнутри с помощью обычного отпирающего механизма или механизма для снятия люка. В случае если люк изготовлен из легко разбиваемого материала, рядом с люком должно находиться приспособление, которым пассажиры могут разбить люк. 5.6.10 Технические требования в отношении убирающихся ступенек Убирающиеся ступеньки, если таковые установлены, должны удовлетворять следующим требованиям: 5.6.10.1 надлежащим образом убираться и выдвигаться одновременно с закрытием и открытием соответствующей служебной или запасной двери; 5.6.10.2 при закрытой двери ни одна из частей ступеньки не должна
выступать более чем на 5.6.10.3 при открытой двери и выдвинутой ступеньке площадь поверхности должна соответствовать требованиям 5.7.7; 5.6.10.4 возможность трогания с места транспортного средства с помощью собственного двигателя при выдвинутой ступеньке должна быть исключена; 5.6.10.5 возможность выдвижения ступеньки во время движения транспортного средства должна быть исключена. В случае выхода из строя привода ступеньки она должна убираться и находиться в задвинутом положении. Однако такая неисправность или повреждение ступеньки не должны нарушать работу соответствующей двери; 5.6.10.6 если пассажир стоит на ступеньке, возможность закрытия
соответствующей двери должна быть исключена. Соблюдение этого требования
проверяют путем установки в центре ступеньки груза массой 5.6.10.7 движение ступеньки ни в коем случае не должно являться причиной нанесения травм, как пассажирам, так и лицам, ожидающим транспортное средство на остановке; 5.6.10.8 передние и задние углы ступенек должны иметь закругления
радиусом не менее 5.6.10.9 при открытой двери ступенька должна надежно удерживаться
в выдвинутом положении. При установке по центру ступеньки груза массой 5.6.11 Надписи 5.6.11.1 Каждый запасный выход должен обозначаться надписью «Запасный выход» снаружи и внутри транспортного средства. 5.6.11.2 Приборы экстренного управления служебными дверями и всеми запасными выходами внутри и снаружи транспортного средства должны обозначаться как таковые соответствующим знаком или четкой надписью. 5.6.11.3 На всех приборах экстренного управления выходами или около них должны быть четкие инструкции по их применению. 5.6.11.4 Указания, предусмотренные в 5.6.11.1-5.6.11.3, должны быть изложены на русском языке, и могут быть продублированы на других языках. 5.7 Внутренняя планировка 5.7.1 Доступ к служебным дверям (рисунок Г.1 и таблица Г.1) 5.7.1.2 Высота верхнего шаблона должна быть 110,
95 и В
качестве альтернативы может быть использована трапециевидная секция высотой 5.7.1.3 Когда средняя линия этого двойного шаблона прошла расстояние
5.7.1.4 Затем цилиндрический шаблон (рисунок Г.3), используемый для измерения свободного прохода, перемещают от прохода в вероятном направлении движения пассажира, выходящего из транспортного средства, до того момента, когда средняя линия цилиндрического шаблона достигнет вертикальной плоскости, проходящей через верхний край верхней ступеньки, или когда плоскость, проходящая по касательной к верхней части цилиндрического шаблона, коснется двойного шаблона, в зависимости от того, что происходит раньше, и удерживается в этом положении (рисунок Г.9). 5.7.1.5 Между цилиндрическим шаблоном, находящимся в положении,
указанном в 5.7.1.4 и двойным шаблоном, пребывающим в положении согласно
5.7.1.3, должно быть свободное пространство, верхние и нижние границы которого
показаны на рисунке Г.9. Это
пространство должно обеспечивать свободное прохождение вертикального шаблона,
форма и размеры которого аналогичны центральному сечению цилиндра (5.7.5.1)
и толщина не превышает 5.7.1.6 Свободный проход для цилиндрического шаблона не должен
включать в себя никакое пространство в пределах 5.7.1.7 В случае складных сидений это пространство должно определяться по отношению к сиденью в рабочем положении. 5.7.1.8.1 четко указано как в самом транспортном средстве, так и в приложении к сертификату соответствия (приложение Б), что сиденье предназначено только для членов экипажа; 5.7.1.8.2 неиспользуемое сиденье автоматически складывается, что необходимо для выполнения требований 5.7.1.1 (или 5.7.1.2) - 5.7.1.5; 5.7.1.8.3 в соответствии с 5.6.1.5 дверь необязательно рассматривают в качестве выхода; 5.7.1.8.4 сиденье оборудовано убирающимся пристяжным ремнем и 5.7.1.8.5 в рабочем и сложенном положении ни одна из частей сиденья не выступает за вертикальную плоскость, проходящую через центр поверхности подушки сиденья водителя, когда оно находится в своем крайнем заднем положении, и через центр наружного зеркала заднего вида, размещенного на противоположной стороне транспортного средства. 5.7.1.9 Максимальный наклон пола во входном проходе не должен превышать 5 %, когда снаряженное транспортное средство находится на ровной и горизонтальной поверхности при обычных условиях движения (в частности, любое наклоняющее устройство должно быть отключено). 5.7.1.10 Проходы, в том числе и входные, должны быть покрыты материалом, препятствующим скольжению. 5.7.2 Доступ к запасным дверям (рисунок Г.2) 5.7.2.1 Свободное пространство между проходом и боковой стенкой, в
которой расположена дверь, должно обеспечивать свободный проход вертикального
цилиндрического шаблона диаметром 5.7.2.2 Основание первого цилиндрического шаблона должно находиться в пределах проекции второго шаблона. 5.7.2.3 При наличии складных сидений, размещенных вдоль данного прохода, свободное пространство для прохода цилиндрического шаблона должно обязательно определяться при раскрытом (т.е. в несложенном) положении сиденья. 5.7.3 Доступ к запасным окнам 5.7.3.1 Должна быть возможность перемещать контрольный шаблон в направлении от прохода наружу транспортного средства через каждое запасное окно. 5.7.3.2 Направление движения контрольного шаблона должно соответствовать предполагаемому направлению движения пассажира, покидающего транспортное средство. Контрольный шаблон должен находиться в перпендикулярном положении по отношению к направлению его движения. 5.7.3.3 Контрольный шаблон должен иметь форму тонкой пластины
размером 60 × 5.7.4 Доступ к аварийным люкам 5.7.4.1 Аварийные люки, оборудуемые в крыше. 5.7.4.1.1
В транспортных средствах, за исключением класса I, должен быть предусмотрен, по крайней мере, один аварийный люк,
расположенный таким образом, чтобы четырехугольная усеченная пирамида с углом
наклона стороны 20° и высотой
Рисунок 5.1 Опоры могут быть складными или сдвигающимися при условии, что они могут быть зафиксированы в рабочем положении. Для проверки должно использоваться именно это положение. 5.7.4.1.2
Когда толщина крыши превышает 5.7.4.2 Аварийные люки, оборудуемые в полу В
случае если аварийный люк оборудуют в полу, он должен обеспечивать прямой и
беспрепятственный выход из транспортного средства и находиться там, где над
люком обеспечивается свободное пространство, точно соответствующее высоте
прохода. Любые источники тепла либо движущиеся части должны находиться от любой
части горловины люка на расстоянии не менее Необходимо
предусмотреть возможность перемещения контрольного шаблона в форме тонкой
пластины размером 600 × 5.7.5 Проходы (рисунок Г.3 и таблица Г.2) Таблица 5.7
5.7.5.2 Для транспортных средств класса I диаметр нижнего цилиндра может быть уменьшен с
45 до 5.7.5.2.1 поперечной вертикальной, расположенной на расстоянии 5.7.5.2.2 поперечной вертикальной, проходящей через задний край самой задней служебной двери между осями. 5.7.5.2.3 Для целей применения положений 5.7.5.2 каждую жесткую секцию сочлененного транспортного средства рассматривают отдельно. 5.7.5.3 Сиденья транспортных средств класса III, расположенные с одной стороны прохода или по
обеим его сторонам, могут иметь конструкцию, позволяющую их перемещение в
боковом направлении, причем ширина прохода в этом случае может быть уменьшена
настолько, чтобы соответствовать диаметру нижнего цилиндра, равному 5.7.5.4 Высота верхнего цилиндра может быть уменьшена на 5.7.5.4.1 поперечной вертикальной, расположенной на расстоянии 5.7.5.4.2 поперечной вертикальной, проходящей через задний край самой задней служебной двери; 5.7.5.4.3 для целей применения положений 5.7.5.4 каждую жесткую секцию сочлененного транспортного средства рассматривают отдельно. 5.7.5.5 В сочлененных городских или междугородных автобусах должно быть обеспечено свободное прохождение описанных в 5.7.5.1 контрольных цилиндров через поворотную секцию. Никакие элементы мягкого покрытия этой секции, включая элементы гофрированного соединения, не должны выступать внутрь прохода. 5.7.5.6 В проходах могут быть устроены ступеньки. Ширина ступенек должна быть не менее ширины прохода на уровне верхней ступеньки. 5.7.5.7 Не допускается устройство складных сидений, позволяющих размещение на них пассажиров в проходе. 5.7.5.8 Не допускается устройство складывающихся в боковом направлении сидений, которые в одном из своих положений выступают в проход; исключение составляют транспортные средства класса III при соблюдении условий, предусмотренных в 5.7.5.3. 5.7.6 Наклон прохода 5.7.6.1 Наклон прохода в продольном направлении не должен быть более: 5.7.6.1.1 для транспортного средства класса I или II - 8 %; 5.7.6.1.2 для транспортного средства класса III - 12,5 %. 5.7.6.2 Наклон прохода в поперечном направлении - не более 5 % для транспортных средств всех классов. 5.7.7 Ступеньки (рисунок Г.4 и таблица Г.3) 5.7.7.1 Максимальная высота и минимальная и максимальная глубина ступенек для пассажиров у служебных и аварийных дверей и внутри транспортного средства приведены на рисунке Г.4 и в таблице Г.3. 5.7.7.2 Высота ступеньки должна измеряться в центре ее ширины. Кроме того, предприятиям-изготовителям следует уделять особое внимание вопросу о доступе в транспортное средство пассажиров с физическими недостатками, что, в частности, касается высоты ступеньки в транспортном средстве класса I, которая должна быть минимальной. 5.7.7.3 Любой переход от заглубленного прохода к пространству для
сидящих пассажиров не рассматривают как ступеньку. Однако вертикальное
расстояние от поверхности прохода до поверхности пространства для сидящих пассажиров
не должно превышать 5.7.7.4 Высота первой ступеньки по отношению к земле должна измеряться на транспортном средстве без нагрузки, причем шины и давление в них должны соответствовать параметрам, указанным предприятием-изготовителем для максимальной технической массы. 5.7.7.5 При наличии более одной ступеньки глубина каждой из них
может превысить границу вертикальной проекции следующей ступеньки на расстоянии
до 5.7.7.6 Ширина и форма каждой ступеньки должны быть такими, чтобы
на первой ступеньке можно было разместить прямоугольник размером 40 × 5.7.7.7 Максимальный наклон ступеньки в любом направлении не должен превышать 5 %, когда снаряженное транспортное средство находится на ровной и горизонтальной поверхности при обычных условиях движения (в частности, любое наклоняющее устройство должно быть отключено). 5.7.8 Пассажирские сиденья (включая складные сиденья) и пространство для сидящих пассажиров 5.7.8.1 Минимальная ширина сиденья (рисунок Г.5 и таблица Г.4) 5.7.8.1.1 Минимальная ширина подушки сиденья, измеренная от вертикальной плоскости, проходящей через центр этого места для сидения, должна составлять: 5.7.8.1.1.1 в транспортных средствах классов I и II - 5.7.8.1.1.2 в транспортных средствах класса III - 5.7.8.1.2 Минимальная ширина свободного пространства для каждого
места для сидения, измеренная от вертикальной плоскости, проходящей через центр
этого места на высоте 27 - 5.7.8.1.2.1 для индивидуальных сидений - 5.7.8.1.2.2 в случае сплошных сидений для двух и более пассажиров
- 5.7.8.2 Минимальная глубина подушки сиденья (рисунок Г.7 и таблица Г.6) Минимальная глубина подушки сиденья должна составлять: 5.7.8.2.1 в транспортных средствах класса I - 5.7.8.2.2 в транспортных средствах классов II и III - 5.7.8.3 Высота подушки сиденья (рисунок Г.6 и таблица Г.5) Высота
недеформированной подушки сиденья относительно пола должна быть такой, чтобы
расстояние между полом и горизонтальной плоскостью, касающейся передней верхней
поверхности подушки сиденья, составляла 40 - 5.7.8.4 Расстояние между сиденьями (рисунок Г.6 и таблица Г.5) 5.7.8.4.1
При наличии сидений, обращенных в одном направлении, расстояние между передней
стороной спинки сиденья и задней стороной спинки расположенного впереди сиденья
при изменении по горизонтали и на любой высоте над полом между верхней поверхностью
подушки сиденья и высотой - для транспортных средств класса I - - для транспортных средств классов II и III - 5.7.8.4.2 Все измерения должны проводиться в вертикальной плоскости, проходящей через осевую линию каждого индивидуального места для сидения, когда подушки и спинки сидений находятся в несжатом состоянии. 5.7.8.4.3 При наличии поперечных сидений, обращенных друг к другу,
минимальное расстояние между передней поверхностью спинок сидений, обращенных
друг к другу, измеренное в поперечном направлении между наивысшими точками
подушек сидений, должно составлять не менее 5.7.8.5 Пространство для сидящих пассажиров (рисунок Г.8) 5.7.8.5.1 Перед каждым пассажирским сиденьем должно быть предусмотрено минимальное свободное пространство, как показано на рисунке Г.8. Часть этого пространства может занимать спинка впереди находящегося сиденья или перегородка, контур которой приблизительно соответствует контуру наклонной спинки сиденья, как предусмотрено в 5.7.8.4. Также допускаются в этом пространстве ножки кресел при условии, что для ног пассажиров остается достаточно места. 5.7.8.6 Свободное пространство над сиденьями 5.7.8.6.1 Над каждым местом для сидения должно иметься свободное пространство
высотой не менее 5.7.8.6.2.1 спинка другого сиденья; 5.7.8.6.2.2 элемент конструкции при
условии, что он расположен в треугольнике, вершина которого находится на
расстоянии 5.7.8.6.2.3 трубопровод (например,
для подачи горячего воздуха), расположенный в нижней части упомянутого
пространства, прилегающего к боковой стенке транспортного средства и имеющего
поперечное сечение не более 200 см2 и ширину не более 5.7.8.6.2.4 откидные окна в открытом положении и их детали. 5.7.9 Связь с водителем 5.7.9.1 Для транспортных средств класса I или II должны быть предусмотрены приспособления, позволяющие пассажирам сигнализировать водителю о необходимости остановки. 5.7.9.2 Если отделение для экипажа не соединено с кабиной водителя или пассажирским салоном, то должно быть предусмотрено средство связи между водителем и этим отделением. 5.7.10 Автоматы для горячих напитков и кухонное оборудование Автоматы для горячих напитков и кухонное оборудование должны быть установлены и защищены таким образом, чтобы в случае экстренного торможения или под воздействием центробежной силы на поворотах горячая пища или напитки не попадали на сидящих пассажиров. 5.7.11 Двери внутренних отделений Любая дверь в туалет или другое внутреннее отделение: 5.7.11.1 должна сама закрываться и не иметь никаких устройств, удерживающих их в открытом положении, поскольку в последнем случае при аварийной ситуации они могут явиться препятствием для пассажиров; 5.7.11.2 в открытом положении не должна прикрывать ручку или рычаг для открывания служебной или запасной двери; 5.7.11.3 должна быть оборудована средствами, позволяющими открыть дверь снаружи при аварийной ситуации; 5.7.11.4 не должна запираться снаружи, за исключением случаев, когда ее всегда можно открыть изнутри. 5.8 Искусственное внутреннее освещение 5.8.1 Электрический свет внутри салона должен обеспечивать освещение: 5.8.1.1 всех пассажирских отделений и поворотной секции сочлененного городского и междугородного автобуса; 5.8.1.2 ступенек; 5.8.1.3 подходов ко всем выходам; 5.8.1.4 внутренних обозначений и надписей и внутренних органов управления всеми выходами; 5.8.1.5 всех мест, где имеются препятствия. 5.9 Поворотная секция сочлененных транспортных средств 5.9.1 Поворотная секция, которая соединяет жесткие секции транспортного средства, должна быть сконструирована и изготовлена таким образом, чтобы позволять вращательное движение вокруг горизонтальной и вертикальной оси. 5.9.2 Если сочлененное порожнее транспортное средство остановлено на ровной горизонтальной поверхности, то между полом любой из его жестких секций и полом вращающейся площадки или элемента, который ее заменяет, не должно быть неприкрытого зазора шириной более: 5.9.2.1 когда колеса транспортного средства расположены на одном
уровне - 5.9.2.2 когда колеса смежной с поворотной секцией оси находятся на
поверхности, расположенной на 5.9.3 Разность между уровнем пола жестких секций и уровнем пола вращающейся площадки, измеренная в месте соединения, не должна превышать: 5.9.3.1 при условиях, описанных в 5.9.2.1, - 5.9.3.2 при условиях, описанных в 5.9.2.2, - 5.9.4 На сочлененных транспортных средствах должны быть предусмотрены поручни и/или перегородки, препятствующие доступу пассажиров в любой участок поворотной секции, где: - в полу имеется неприкрытый зазор, размер которого не соответствует требованиям 5.9.2; - пол не выдерживает массы пассажиров; - передвижение стенок представляет опасность для пассажиров. 5.10 Маневренность (приложение Д) 5.10.1 При движении на поворотах транспортное средство должно
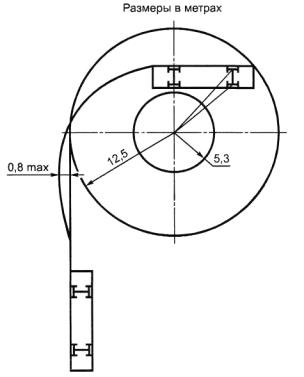
полностью вписываться по наиболее выступающей точке в круг радиусом 5.10.2 Если наиболее выступающие точки транспортного средства
находятся в пределах круга поворота радиусом 5.10.3 Когда транспортное средство находится в неподвижном
состоянии, на земле прочерчивается след вертикальной плоскости, касающейся
внешней по отношению к кругу поворота стороны транспортного средства. В случае
сочлененного транспортного средства след этой плоскости прочерчивается, когда
обе жесткие секции расположены на одной прямой. Когда транспортное средство,
движущееся по прямой, совершает поворот, описанный в 5.10.1 и 5.10.2, ни один элемент
его не должен выступать за эту вертикальную плоскость более чем на 5.10.4 Если транспортное средство оснащено осью с разгрузочным устройством, оно должно соответствовать этим требованиям в любых наименее благоприятных условиях в отношении этой оси. 5.11 Движение сочлененных транспортных средств по прямой линии При движении сочлененного автобуса по прямой линии вертикальные плоскости, проведенные через продольные оси его жестких секций, должны совпадать друг с другом и образовывать непрерывную плоскость без каких-либо отклонений. 5.12 Поручни и опоры для рук 5.12.1 Общие предписания 5.12.1.1 Поручни и опоры для рук должны иметь надлежащую прочность. 5.12.1.2 Они должны быть спроектированы и установлены таким образом, чтобы исключить возможность нанесения повреждений пассажирам. 5.12.1.3 Сечение поручней и опор для рук должно быть таким, чтобы
пассажир мог легко ухватиться и крепко держаться за них. Длина любого поручня
должна быть не менее 5.12.1.4 Свободное пространство между поручнями или опорами для
рук и смежной частью потолка или стенок транспортного средства должно быть не
менее 5.12.1.5 Поверхности каждого поручня, опоры для рук или стойки должны иметь контрастную окраску и быть нескользящими. 5.12.2 Поручни и опоры для рук стоящих пассажиров в транспортных средствах классов I и II 5.12.2.1 Поручни и опоры для рук должны быть предусмотрены в достаточном количестве у каждого участка пола, предназначенного для стоящих пассажиров согласно 5.2.2. Это условие считают выполненным, если для всех возможных положений испытательного устройства, изображенного в приложении Е, его подвижная «рука» достает, по крайней мере, до двух поручней или опоры для рук. Для этой цели подвесные поручни, если таковые предусмотрены, могут рассматриваться в качестве ременных поручней, если они надлежащим образом прикреплены к своему месту. Испытательное устройство может свободно поворачиваться вокруг своей вертикальной оси. 5.12.2.2 При применении описанной в 5.12.2.1 процедуры учитывают
лишь те поручни и опоры для рук, которые расположены на высоте не менее 5.12.2.3 Для каждого местоположения стоящего пассажира один из
двух требуемых поручней или опор для рук должен быть расположен на высоте не
более 5.12.2.4 В зоне для стоящих пассажиров, которая не отделена
сиденьями от боковых или задней стенок транспортного средства, должны быть
предусмотрены горизонтальные поручни, установленные параллельно стенкам на
высоте 80 - 5.12.3 Поручни и опоры для рук у служебных дверей 5.12.3.1 Дверные проемы должны оборудоваться поручнями и/или опорами для рук с обеих сторон. Для сдвоенных дверей это требование может считаться выполненным путем установки одной центральной стойки или поручня. 5.12.3.2 Конструкция поручней и/или опор для рук у служебных
дверей должна предусматривать наличие рукоятки, за которую может держаться
пассажир, стоящий на земле рядом с дверью и поднимающийся затем по ступенькам.
Эта рукоятка должна располагаться по вертикали на высоте 80 - 5.12.3.2.1 ручка, за которую держится пассажир, стоящий на земле,
не должна выступать внутрь более чем на 5.12.3.2.2 ручка, предназначенная для пассажира, стоящего на
какой-либо ступеньке, не должна выступать наружу за внешний край этой
ступеньки, а также внутрь транспортного средства более чем на 5.12.4 Поручни и опоры для рук для пассажиров с физическими недостатками Поручни и опоры для рук между дверьми и указанными в 5.7.8.5.2 сиденьями должны быть приспособлены к особым потребностям пассажиров с физическими недостатками. 5.13 Ограждение проемов для ступенек В
случаях, когда пассажир, сидящий на каком-либо месте, может быть выброшен
вперед в проем для ступенек в результате резкого торможения, должно быть
предусмотрено соответствующее ограждение. Ограждение устанавливают на высоте не
менее 5.14 Багажные полки, защита водителя Водитель должен быть защищен от предметов, которые могут упасть с багажных полок в случае резкого торможения. 5.15 Крышки люков Крышка
каждого люка в полу транспортного средства должна устанавливаться и закрепляться
таким образом, чтобы исключить ее смещение или открывание без использования
инструментов или ключей. Не допускается выступание каких-либо подъемных или
крепежных приспособлений над уровнем пола более чем на 5.16 Троллейбусы Должны соответствовать требованиям, содержащимся в приложении И. 6 Изменение типа транспортного средства6.1 Любое изменение типа транспортного средства доводят до сведения органа по сертификации, который предоставил сертификат соответствия данному типу транспортного средства. Этот орган может: 6.1.1 либо прийти к заключению, что внесенные изменения не будут иметь значительного отрицательного влияния и данное транспортное средство продолжает удовлетворять требованиям настоящего стандарта; 6.1.2 либо потребовать дополнительный протокол испытательной лаборатории, уполномоченной проводить испытания. 6.2 Процедура подтверждения или отказа в предоставлении сертификата соответствия типа транспортного средства с внесенными изменениями должна удовлетворять «Порядку проведения сертификации продукции в Российской Федерации»1). 7 Соответствие производства7.1 Каждое транспортное средство, имеющее сертификат соответствия на основании настоящего стандарта, должно удовлетворять сертифицированному типу транспортного средства. 7.2 Для проверки требований 7.1 проводят достаточное число выборочных проверок транспортных средств серийного производства, имеющих сертификат соответствия на основании настоящего стандарта. 8 Меры, принимаемые при выявлении несоответствия производства8.1 Сертификат соответствия типа транспортного средства, предоставленный на основании настоящего стандарта, может быть отменен, если не соблюдаются требования 7.1. 8.2 Отмену сертификата соответствия типа транспортного средства проводят согласно процедурам, установленным в «Порядке проведения сертификации продукции в Российской Федерации1). 1) Принят Постановлением
Госстандарта России от 21 сентября 9 Окончательное прекращение производстваЕсли владелец сертификата соответствия, предоставленного на основании настоящего стандарта, полностью прекращает производство сертифицированного транспортного средства, он должен информировать об этом орган, предоставивший сертификат соответствия. По получении этого сообщения орган по сертификации направляет в Государственный реестр копию сертификата соответствия, на которой внизу крупными буквами делает отметку «ПРОИЗВОДСТВО ПРЕКРАЩЕНО» и проставляет подпись и дату. Приложение А
| |||||||||||||||||||||||||||||||||||||||||||||||||||||||||||||||||||||||||||||||||||||||||||||||||||||||||||||||||||||||||||||||||||||||||||||||||||||||||||||||||||||||||||||||||||||||||||||||||||||||||||||||||||||||||||||||||||||||||||||||||||||||||||||||||||||||||||||||||||||||||||||||||||||
|
Класс транспортного средства |
А |
Альтернативный шаблон |
|
I |
110 |
110 |
|
II |
95 |
|
|
III |
85 |

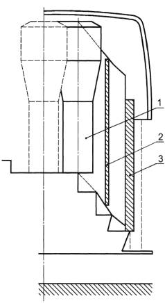
Рисунок Г.2 - Доступ к запасным дверям (см. 5.7.2)
|
|
Таблица Г.2 В сантиметрах
|
|
|
Таблица Г.3 В сантиметрах
|
|||||||||||||||||||||||||||||||

Рисунок Г.5 - Ширина пассажирских сидений (см. 5.7.8.1)
Таблица Г.4
В сантиметрах
|
Класс транспортного средства |
F, не менее |
G, не менее |
|
|
Сплошное сиденье |
Индивидуальное сиденье |
||
|
I, II |
20,0 |
22,5 |
25 |
|
III |
22,5 |
||

Рисунок Г.6 - Расстояние между сиденьями и высота подушки сиденья (см. 5.7.8.3 и 5.7.8.4)
Таблица Г.5
В сантиметрах
|
Класс транспортного средства |
Н, не менее |
I, не менее |
|
I |
65 |
40 - 50 (35 над колесными кожухами и моторным отделением) |
|
II, III |
68 |
|
Рисунок Г.7 - Глубина подушки сиденья (см. 5.7.8.2) Таблица Г.6
|
Рисунок Г.8 - Пространство для сидящих пассажиров (см. 5.7.8.5) |

1 - цилиндрический шаблон; 2 - вертикальный шаблон; 3 - двойной шаблон
Рисунок Г.9 - Доступ к служебным дверям (см. 5.7.1)
|
|
|
|
Рисунок Г. 10 - Допустимый выступ элемента конструкции (см. 5.7.8.6.2.2) |
Рисунок Г.11 - Допустимый выступ трубопровода (см. 5.7.8.6.2.3) |
Таблица Г.7
|
Класс транспортного средства |
I, см, не менее |
|
I - III |
40 - 50 (для классов I и II - |

Рисунок Г.12 - Проем служебной двери. Сдвоенная дверь (см. 5.6.3.1)

Рисунок Г.13 - Проем служебной двери. Одинарная дверь (см. 5.6.3.1)



Рисунок Е.1
Ж.1 Общие положения
Закрывание двери с механическим приводом представляет собой динамический процесс. Когда движущаяся дверь наносит удар по препятствию, результатом этого является динамическое противодействующее усилие, характеристики которого (во времени) зависят от нескольких факторов (например, массы двери, ускорения, габаритов).
Ж.2 Определения
Ж.2.1 Усилие закрытия F(t) является функцией времени и измеряется на замыкающихся краях двери (см. Ж.3.2).
Ж.2.2 Пиковое усилие Fs является максимальным значением усилия закрытия.
Ж.2.3 Действующее усилие FE является средним значением соотношения усилия закрытия и продолжительности импульса
. (Ж.1)
Ж.2.4 Продолжительность импульса T означает разность между временем t1 и t2
T=t2 - t1, (Ж.2)
где t1 - время порога чувствительности, если усилие закрытия превышает 50 Н;
t2 - время порога убывания, если усилие закрытия меньше 50 Н.
Ж.2.5 Соотношение между указанными выше параметрами показано на рисунке Ж.1 (в качестве примера)

Рисунок Ж.1
Ж.2.6 Усилие зажима Fc является среднеарифметическим значением действующих усилий, многократно и последовательно измеренных в одной и той же точке
. (Ж.3)
Ж.3 Измерения
Ж.3.1 Условия измерения
Ж.3.1.1 Температура от 10 °С до 30 °С.
Ж.3.1.2 Испытуемое транспортное средство должно располагаться на горизонтальной поверхности.
Ж.3.2 Измерение проводят в следующих точках:
Ж.3.2.1 на основных замыкающихся краях двери:
- в середине двери,
- на расстоянии
Ж.3.2.2 на вторичных замыкающихся краях двери в точке, которую считают самым опасным местом зажима в том случае, если двери оборудованы противоударными устройствами для процесса открывания.
Ж.3.3 В каждой точке для определения усилия зажима в соответствии с Ж.2.6 проводят, по крайней мере, три измерения.
Ж.3.4 Значения усилия зажима регистрируют при помощи фильтра низких частот с предельной частотой 100 Гц. Для ограничения продолжительности импульса пороги чувствительности (t1) и убывания (t2) устанавливают на значение 50 Н.
Ж.3.5 Отклонение показаний от расчетного значения не должно превышать ± 3 %.

Рисунок Ж.2
Ж.4 Измерительное устройство
Ж.4.1 Измерительное устройство состоит из двух частей: рукоятки и элемента, представляющего собой камеру нагрузки (см. рисунок Ж.2).
Ж.4.2 Камера нагрузки имеет следующие характеристики.
Ж.4.2.1
Камера состоит из двух скользящих втулок наружным диаметром
Ж.4.2.2
Прочность камеры составляет (10 ± 0,2) Н/мм. Максимальный прогиб пружины
ограничен
И.1 В настоящем приложении применяют следующие термины с соответствующими определениями.
И.1.1 напряжение контактной сети: Номинальное напряжение контактной сети питания троллейбусов:
600 В (рабочий диапазон 400 - 720 В);
750 В (рабочий диапазон 500 - 900 В).
И.1.2 электрические цепи троллейбуса:
- высоковольтные цепи: Цепи, в которые поступает ток из контактной сети,
- низковольтные цепи: Цепи, в которые поступает ток от аккумуляторной батареи и зарядного устройства с номинальным напряжением 24 В,
- трехфазные цепи: Цепи, в которые поступает ток от вторичного преобразователя, подающего трехфазный переменный ток напряжением не более 400 В.
И.1.3 рабочие климатические условия: Условия, при которых троллейбусы эффективно функционируют:
- температура воздуха - от минус 40°С до плюс 40°С;
- относительная влажность - 98 % при температуре воздуха 25°С и ниже;
- атмосферное давление - от 866 до 1066 кПа;
- высота над уровнем моря - не более
И.1.4 самозатухающий материал: Материал, горение которого прекращается при удалении источника пламени.
И.2 Требования к токосъему
И.2.1 Электропитание троллейбуса от проводов воздушной контактной сети осуществляется через токоприемники. Токоприемник состоит из штанги, токосъемной головки и сменной контактной вставки. Токоприемники устанавливаются на троллейбусах в шарнирных штангодержателях и могут перемещаться в горизонтальном и вертикальном направлениях.
И.2.2 Штанги изготовляют из изоляционного материала или металла, покрытого изоляционным материалом, обладающим повышенной механической прочностью.
И.2.3
Токоприемники должны быть рассчитаны на обеспечение надлежащего эффективного
контакта с проводами верхней контактной сети при высоте подвески проводов от 4
до
И.2.4
В случае схода токоприемника с контактного провода токосъемная (ые) головка (и)
не должна (ы) подниматься более чем на
И.2.5 Каждый токоприемник должен быть снабжен механизмом автоматического опускания штанг при сходе головки токоприемника с контактного провода.
И.2.6 В случае вывинчивания из гнезда головка токоприемника должна оставаться соединенной со штангой и не должна падать вниз.
И.2.7 Сопротивление изоляции токоприемников на троллейбусах должно составлять не менее 10 МОм.
И.2.8 Токоприемники могут быть снабжены механизмом дистанционного управления из кабины водителя, по крайней мере, на случай схода головки токоприемника с контактного провода.
И.2.9 Троллейбус должен быть укомплектован определенными средствами, позволяющими водителю при необходимости производить замену контактных вставок головок токоприемников на линии.
И.3 Требования к тяговым двигателям и вспомогательному оборудованию
И.3.1 Электрооборудование, установленное на троллейбусе, должно быть защищено от перегрузок и токов короткого замыкания. Оптимальную защиту для этих целей обеспечивают специальные средства отключения цепей от сети, предполагающие последующее автоматическое, дистанционное или ручное подключение соответствующих цепей.
И.3.2 Электрооборудование должно быть защищено от перегрузок, связанных с коммутацией электрических цепей или атмосферными явлениями.
И.3.3 Средства отключения цепей от сети должны обеспечивать возможность отключения конкретных поврежденных цепей.
И.3.4 Если какая-либо цепь имеет единственное средство отключения от сети, то последнее должно быть расположено на положительной линии цепи.
И.3.5 Все электрические цепи и ветви электрических цепей должны быть двухпроводными. Кузов троллейбуса может использоваться для заземления лишь в низковольтных электрических цепях.
И.3.6 Корпуса, крышки и объединительные блоки аккумуляторных батарей должны быть изготовлены из невоспламеняющихся или самозатухающих материалов.
И.3.7 Электрооборудование, работающее на напряжении контактной сети, должно иметь дополнительную изоляцию от кузова и системы трансмиссии.
И.3.8 Электрооборудование, за исключением резисторов в цепях тяговых двигателей, должно быть защищено от попадания влаги и пыли внутрь корпуса, а также на изолированные и токопроводящие части.
И.3.9 В рабочих климатических условиях сопротивление изоляции электрических цепей на сухом и чистом троллейбусе при полностью включенных вращающихся электрических машинах и электрических аппаратах должно быть не менее:
- между кузовом и высоковольтными электрическими цепями и между высоковольтными электрическими цепями и низковольтными электрическими цепями - 5 МОм;
- между кузовом и положительным полюсом низковольтных электрических цепей - 1 МОм.
И.3.10 Требования к электропроводке и аппаратуре
И.3.10.1 В высоковольтных цепях должны использоваться только многожильные провода. Все провода высоковольтных цепей постоянного тока должны иметь изоляцию, рассчитанную на напряжение 3000 В постоянного или переменного тока.
И.3.10.2 Смонтированные провода и кабели не должны подвергаться чрезмерным механическим нагрузкам.
И.3.10.3 Изоляция электропроводки не должна распространять горение.
И.3.10.4 Проводники токов разного напряжения должны монтироваться раздельно.
И.3.10.5 Кабелепроводы должны быть изготовлены из невоспламеняющегося материала.
И.3.10.6 Кабельные каналы, проходящие под полом троллейбуса, должны исключать распространение влаги и пыли.
И.3.10.7 Кабели и провода, проходящие под полом троллейбуса, должны быть смонтированы в кабелепроводе, защищенном от попадания влаги и пыли.
И.3.10.8 Кабели и провода должны быть закреплены и уложены таким образом, чтобы была исключена возможность повреждения (истирания) изоляции.
Для исключения возможности повреждения изоляции в точках прохождения проводки через металлические части конструкции должны быть предусмотрены прокладки из упругого полимерного материала.
Радиус закругления оси кабелепровода должен быть не менее пятикратного внешнего диаметра самого кабелепровода.
И.3.10.9 Схема расположения проводов в средствах отключения цепей от сети должна исключать возможность короткого замыкания между проводами.
И.3.10.10 Должны быть приняты меры для предотвращения возможности повреждения проводки вследствие нагревания резисторов и других элементов электрических цепей. В зонах повышенного риска должны использоваться термостойкие провода.
И.3.10.11 Держатели, соединители и другие монтажные элементы системы проводки должны быть изготовлены из невоспламеняющихся или самозатухающих материалов. Элементы электрических цепей, изготовленные из трудносгораемых материалов, могут устанавливаться лишь вне пассажирского салона.
И.3.10.12 Для электрического оборудования и проводки высоковольтных цепей значение испытательного напряжения UT, В, должно составлять
UT = 2,5 U + 2000 В (переменный ток), (И.1)
где U - номинальное напряжение контактной сети, В.
Испытательное напряжение для низковольтного оборудования UT = 750 В.
Кривая испытательного напряжения при частоте 50 Гц должна иметь синусоидальную форму. Продолжительность применения испытательного напряжения составляет 1 мин.
И.3.11 Электрические машины, аппараты, приборы и проводка должны выдерживать следующие механические воздействия, прилагаемые в точках крепления:
- синусоидальную вибрацию частотой от 0,5 до 55,0 Гц с максимальной амплитудой 10 м/с2, с учетом возможного резонанса;
- разрозненные толчки в вертикальном направлении с максимальным ускорением 30 м/с2 и продолжительностью от 2 до 20 мс.
И.4 Электробезопасность пассажиров и обслуживающего персонала
И.4.1 В рабочих климатических условиях на сухом и чистом троллейбусе, оба токоприемника которого соединены с проводами положительного и отрицательного полюсов контактной сети, значение тока утечки с корпуса на заземленный контур должно составлять не более 0,2 мА (заземленная контактная система).
И.4.2 Троллейбус должен быть оснащен бортовым прибором постоянного контроля токов утечки или разности потенциалов между шасси и дорожным покрытием. Этот прибор должен отключать высоковольтные цепи от контактной цепи, если ток утечки превышает 3 мА при напряжении 600 В (постоянный ток) или разность потенциалов составляет более 40 В.
И.4.3 Стойки в дверных проходах должны быть изготовлены из изоляционного материала и либо покрыты изоляцией, обладающей повышенной механической прочностью, либо изолированы от корпуса троллейбуса. Сопротивление изоляции должно составлять не менее 1,0 МОм на контактной поверхности площадью (100 ± 5) см2.
И.4.4 Первые ступеньки в дверях должны быть изготовлены из изоляционного материала или покрыты изоляцией, обладающей повышенной механической прочностью. Сопротивление изоляции должно составлять не менее 1,0 Мом на контактной поверхности площадью (300 ± 5) см2.
И.4.5 Панели дверей должны быть изготовлены из изоляционного материала или изолированы от корпуса троллейбуса. Сопротивление изоляции должно составлять не менее 1,0 МОм на контактной поверхности площадью (300 ± 5) см2.
И.4.6
Боковые панели, прилегающие к дверным проемам, должны быть покрыты изоляционным
материалом. Изоляция должна покрывать зону в пределах не менее
И.4.7 Если троллейбус оснащен преобразователями тока с двойной изоляцией, то нет необходимости в применении положений И.4.3 - И.4.6.
И.5 Требования к кабине водителя
И.5.1 В кабине не должно быть высоковольтного оборудования, доступного для водителя.
И.5.2 Приборная панель должна содержать, по крайней мере:
- индикатор напряжения в контактной сети;
- индикатор отсутствия напряжения в контактной сети;
- индикатор состояния главного автоматического выключателя напряжения контактной сети;
- индикатор степени заряженности аккумуляторных батарей;
- индикатор опасного уровня потенциала на корпусе или тока утечки, превышающего допустимое значение.
|
Транспорт дорожный. Размеры автомобилей и тягачей с прицепами. Термины и определения. (Road vehicles; Dimensions of motor vehicles and towed vehicles; Terms and definitions) |
|
|
Автомобили легковые. Распределение масс (Passenger cars; mass distribution) |
Ключевые слова: автобус, троллейбус, конструкция, сертификат соответствия
|
|
|
|