|
| |
ТИПОВЫЕ ТЕХНОЛОГИЧЕСКИЕ КАРТЫ НА ПРОИЗВОДСТВО
ОТДЕЛЬНЫХ ВИДОВ РАБОТ
Раздел 01
ТИПОВАЯ
ТЕХНОЛОГИЧЕСКАЯ КАРТА
НА ЗЕМЛЯНЫЕ РАБОТЫ
1.01.01.75
КОМПЛЕКСНО-МЕХАНИЗИРОВАННЫЙ ТЕХНОЛОГИЧЕСКИЙ ПРОЦЕСС
УСТРОЙСТВА ЗЕМЛЯНОГО ПОЛОТНА АВТОДОРОГ
В ГРУНТАХ Iм-IIIм ГРУПП В ЗИМНИХ УСЛОВИЯХ.
ВЫСОТА НАСЫПИ ДО 3 м
|
РАЗРАБОТАНА
Институтом Красноярский
ПромстройНИИпроект
Минуралсибстроя СССР
Главный
инженер института Б.П. Запятой
Начальник
отдела Л.Ф.
Галимова
Главный
инженер проекта Е.В. Каминов
|
СОГЛАСОВАНО
Отделом механизации и
технологии
строительства Госстроя СССР
Письмо
от 14.12.1988 г. № 23-712
Срок
ввода 1 февраля 1989 г.
|
Москва 1989
1.1. Типовая технологическая карта (ТТК)
комплексно-механизированного технологического процесса устройства земляного
полотна автомобильных дорог разработана для применения при проектировании
организации и производства работ в зимних условиях в грунтах IIм группы
при высоте насыпи до 3,0 м.
1.2. ТТК рассчитана на разработку супесчаных грунтов c
включением до 10 % глинистых частиц. Район строительства расположен в пятой
температурной зоне. Глубина промерзания грунта с применением мероприятий по
предохранению его от промерзания во второй трети зимы составляет 0,3 м.
Грунтовые воды расположены ниже отм. минус 5,0 м. Производство работ
предусмотрено в три смены.
1.3. В составе ТТК приведены четыре варианта
комплексно-механизированного технологического процесса разработки,
транспортировки грунта и возведения насыпи дорожного полотна до проектной
отметки.
Для каждого варианта разработан комплекс строительно-дорожных
машин, отличающийся марками ведущих машин. Дополнительные машины приняты общими
для всех вариантов.
1.4. Привязка ТТК к конкретным объектам и условиям производства
работ заключается в уточнении объемов работ, калькуляций затрат труда,
машинного времени и заработной платы, графиков производства работ и
технико-экономических показателей на измеритель конечной продукции.
2.1. До начала производства работ по устройству земляного полотна
необходимо выполнить ряд подготовительных работ. До наступления постоянных
отрицательных температур выполняются работы по геодезической разбивке и
закреплению карьера (резервов) и трассы автодороги, срезке растительного слоя
грунта, рыхлению грунта на глубину до 0,3 м и боронованию.
Подготовительные работы, производящиеся непосредственно в карьере
или боковых резервах и на трассе автодороги выполняются, в зимний период и
состоят из расчистки снега, разбивки элементов карьера и трассы, устройства землевозных
дорог.
2.2. Комплексно-механизированный технологический процесс
предусматривает предварительное рыхление грунта тракторными рыхлителями. Для
разработки и транспортирования грунта на различные расстояния в зависимости от
расположения строительных карьеров и резервов
используются скреперы. Как вариант рассмотрена разработка грунта в карьере
экскаватором с транспортированием автомобилями-самосвалами.
2.3. На участке производства работ организуется склад ГСМ, склад
инвентаря, вагончик производителя работ, помещение для отдыха рабочих, принятия
пищи и обогрева. Участок должен быть обеспечен медицинской аптечкой, питьевой и
хозяйственной водой. В темное время суток участки производства работ должны
освещаться прожекторами, установленными на инвентарные передвижные мачты или
вышки.
2.4. Схемы производства работ по разработке грунта,
транспортированию и укладке в насыпь полотна автодороги приведены на листах 3,
4, 5.
2.5. Растительный грунт снимают со всей площади, отведенной под
карьер и трассу автодороги в летний период. Лишний грунт, не используемый для
укрепления откосов, употребляют для повышения продуктивности
сельскохозяйственных полей. Границы в плане, толщина снимаемого слоя, места и
дальность транспортировки плодородного грунта определяются проектом.
2.6. К мероприятиям по предохранению грунта от промерзания
относятся работы по рыхлению грунта на глубину до 0,35 м тракторным рыхлителем
и разравнивание разрыхленного грунта тракторной бороной.
Перечисленные работы необходимо выполнить до наступления заморозков,
но после окончания осеннего дождливого периода.
В зимний период должно быть выполнено снегозадержание путем
наталкивания снега бульдозерами на утепляемую площадь и устройства
снегозадерживающих валов.
2.7. Разработку грунта в строительном карьере или боковом резерве
необходимо начинать с расчистки площадей от снега на величину захватки,
определяемой в зависимости от температуры наружного воздуха, но не более 50 м,
после чего приступают к рыхлению грунта тракторным рыхлителем на глубину до
0,35 м за один проход. Разрыхленный грунт бульдозером перемещается в отвал.
Затем рыхлят следующий слой. Скрепер наполняет ковш на прямолинейном участке
карьера или резерва и транспортирует грунт в насыпь дорожного полотна, где
выгружает его слоем до 0,5 м.
Для увеличения производительности скрепера рекомендуется включать
в комплекс по разработке грунта бульдозер-толкач.
2.8. Разрыхлять грунт в зимнее время необходимо перед каждым
нарезанием грунта не раньше чем за время, указанное в табл. 1.
Таблица 1
2.9. Разравнивание и уплотнение грунта в насыпи дорожного полотна
следует начинать не позже чем через 2 часа после выгрузки из ковша скрепера или
кузова автомобиля-самосвала.
2.10. Послойное разравнивание грунта в насыпи производят
бульдозером. Толщина слоев грунта должна быть не менее 0,5 м.
СХЕМА ПРОИЗВОДСТВА РАБОТ РАЗРАБОТКА ГРУНТА В БОКОВЫХ РЕЗЕРВАХ
СКРЕПЕРАМИ


1 - боковой резерв; 2 -
насыпь; 3 - боковой резерв.
РАЗРАБОТКА ГРУНТА В КАРЬЕРЕ СКРЕПЕРАМИ

НАРАБОТКА ГРУНТА В КАРЬЕРЕ ЭКСКАВАТОРАМИ И УКЛАДКА В НАСЫПЬ

2.11. Послойное уплотнение грунта производят трамбовочной машиной
с падающими плитами на базе гусеничного трактора тягового класса 10 т. Отсыпку
и уплотнение слоев грунта выполняют от края насыпи к середине.
2.12. Планировку верха дорожного полотна осуществляют бульдозером.
2.13. Для планировки откосов земляного полотна необходимо
выравнивание грунта в основании откоса. Планировку основания откоса производят
тем же бульдозером, что и планировку верха дорожного полотна.
2.14. Для планировки откоса земляного полотна используется
откосник, устанавливаемый на автогрейдере или бульдозере на базе трактора
тягового класса 10 т. Планировку производят за два прохода. Первый проход
осуществляется по верху в двух направлениях, второй проход - по низу с
перестановкой откосника в верхнее положение.
2.15. ТТК комплексно-механизированного технологического процесса
предусматривает применение четырех вариантов комплексов машин.
Варианты рекомендуемых машин для устройства земляного полотна
автодорог приводятся в табл. 2.
2.16. Первый вариант предусматривает разработку грунта в боковых
резервах шириной по низу 21,5 м каждый и глубиной до 1,30 м. Боковые резервы
расположены по обеим сторонам насыпи.
Плодородный слой грунта со всей площади насыпи и резервов
срезается бульдозером и перемещается в отвалы за пределы боковых резервов.
Грунт из отвалов используется для восстановления растительного слоя резервов и
укрепления откосов дорожного полотна.
После окончания периода дождей до установления постоянных
отрицательных температур необходимо выполнить рыхление площади насыпи и боковых
резервов тракторным рыхлителем на глубину до 0,35 м. Одновременно разрыхленный
грунт разравнивается тракторной бороной.
С наступлением постоянных отрицательных температур и выпадением
снега приступают к снегозадержанию: устраивают валы из снега и других подручных
материалов перпендикулярно преобладающему направлению ветра.
Расчистку снега в пределах захватки производят бульдозером ДЗ-27С.
Рыхление промерзшего грунта на глубину 0,3 м производят рыхлителем
ДП-5С и бульдозером ДЗ-27С перемещают грунт в отвал.
Устройство землевозных дорог, въездов на насыпь производят
бульдозером ДЗ-27С.
Рыхление каждого слоя немерзлого грунта на глубину до 0,3 м
выполняют тракторным рыхлителем ДП-5С.
Послойную разработку грунта с транспортированием в насыпь и
разгрузку слоями толщиной до 0,5 м производят самоходным скрепером ДЗ-11П с
ковшом вместимостью 8 м. В качестве трактора-толкача принят бульдозер-толкач
ДЗ-120 один на четыре скрепера.
Разравнивание грунта слоями по 0,5 м осуществляют бульдозером
ДЗ-27С.
Уплотнение грунта производят послойно грунтоуплотняющей машиной ДУ-12Б
на базе гусеничного трактора Т-100М.
Планировочные работы верха земляного полотна и основания насыпи
выполняют бульдозером ДЗ-27С при рабочем ходе в двух направлениях.
Планировку откосов насыпи автодороги производят автогрейдером
ДЗ-99-1-4.
2.17. Второй вариант учитывает применение средств механизации в
соответствии с номенклатурным каталогом строительных, дорожных и коммунальных
машин и оборудования 1987 года.
В отличие от первого варианта грунт для устройства насыпи
разрабатывается в строительном карьере, расположенном на расстоянии 750 м от
насыпи. Разрабатывается грунт самоходными скреперами с ковшами вместимостью 15
м3 при условии использования в качестве толкача бульдозера ДЗ-121.
Планировка откосов насыпи производится автогрейдером ДЗ-140. Расстояние
транспортирования грунта от строительного карьера до насыпи дорожного полотна
принята 3000 м. Планировку откосов насыпи производят откосником, укрепленным на
тракторном бульдозере ДЗ-54С.
ВАРИАНТЫ КОМПЛЕКСОВ МАШИН
Таблица 2
|
Технологическая операция
|
Технологическая характеристика и состав средств механизации
|
|
I
|
II
|
III
|
IV
|
|
Срезка грунта
|
Бульдозер ДЗ-27С на
Т-130.1.Г-1
|
Бульдозер ДЗ-109 на
Т-130М.Г-1
|
Бульдозер ДЗ-110В на
Т-130.1.Г-1
|
|
Рыхление грунта
|
Рыхлитель ДП-5С на
Т-130.1.Г-1
|
Рыхлитель ДП-26С на Т-130М.Г-1
|
Рыхлитель ДП-26С на
гусеничном тракторе Т-130.1.
|
|
Перемещение снега и
расчистка от снега
|
Бульдозер ДЗ-27С на
Т-130.1-Г-1
|
Бульдозер ДЗ-109 на
Т-130М.Г-1
|
Бульдозер ДЗ-118 на
ДЭТ-250А
|
Бульдозер ДЗ-34С на
ДЭТ-250М
|
|
Устройство землевозных
дорог
|
Бульдозер ДЗ-27С на
Т-130.1.Г-1
|
Бульдозер ДЗ-109 на
Т-130М.Г-1
|
Бульдозер ДЗ-118 на
ДЭТ-250М
|
Бульдозер ДЗ-34С на
ДЭТ-250М
|
|
Рыхление мерзлого грунта
|
Рыхлитель ДП-5С на
Т-130.1.Г-1
|
Рыхлитель ДП-26С на
Т-130М.Г-1
|
Рыхлитель ДП-98ХЛ на
ДЭТ-250М
|
Рыхлитель ДП-9С на ДЭТ-250М
|
|
Перемещение мерзлого грунта
в отвал
|
Бульдозер ДЗ-27С на
Т-130.1.Г-1
|
Бульдозер ДЗ-109 на
Т-130М.Г-1
|
Бульдозер ДЗ-118 49
ДЭТ-250М
|
Бульдозер ДЗ-34С на
ДЭТ-250М
|
|
Рыхление немерзлого грунта
|
Рыхлитель ДП-5С на
Т-130.1.Г-1
|
Рыхлитель ДП-26С на
Т-130М.Г-1
|
Рыхлитель ДП-98ХЛ на
ДЗТ-250М
|
|
|
Разработка грунта
|
Скрепер самоходный ДЗ-11П с
ковшом вместимостью 8 м3
|
Скрепер, самоходный ДЗ-13А
с ковшом вместимостью 15 м3
|
Экскаватор 30-4121Б с
ковшом вместимостью 1,0 м3
|
|
Работа трактора-толкача
|
Бульдозер-толкач ДЗ-120 на
Т-130М.Г-1
|
Бульдозер-толкач ДЗ-121 на
базе гусеничного трактора ДЭТ-250М
|
|
|
Транспортирование грунта
|
Скрепер самоходный ДЗ-11П
|
Скрепер самоходный ДЗ-13А
|
Автомобиль-самосвал
КрАЗ-256Б грузоподъемностью 12 т
|
|
Разравнивание грунта в
насыпи
|
Бульдозер ДЗ-27С на Т-130.1.Г-1
|
Бульдозер ДЗ-109 на
Т-130М.Г-1
|
Бульдозер ДЗ-118 на
ДЭТ-250М
|
Бульдозер ДЗ-34С на
ДЭТ-250М
|
|
Уплотнение грунта насыпи
|
Трамбовочная машина ДУ-12Б
на Т-100М
|
Трамбовочная машина ДУ-12А
на Т-130
|
Трамбовочная машина ДУ-12Б
на гусеничном тракторе Т-100М
|
|
Планировка верха и
основания насыпи
|
Бульдозер ДЗ-27С на
Т-130.1.Г-1
|
Бульдозер ДЗ-109 на
Т-130М.Г-1
|
Бульдозер ДЗ-118 на
ДЭТ-250М
|
Бульдозер Д3-34С на
ДЭТ-250М
|
|
Планировка откосов насыпи
|
Автогрейдер ДЗ-99-1-4
|
Автогрейдер ДЗ-140
|
Бульдозер ДЗ-54С на
Т-100МЗГП
|
Бульдозер ДЗ-54С на
Т-100МЗГП
|
2.19. В четвертом варианте средств механизации принята разработка
немерзлого грунта в строительном карьере гидравлическим экскаватором ЭО-4121Б,
оборудованным обратной лопатой вместимостью 1,0 м3 с погрузкой в
автомобили-самосвалы КрАЗ-256Б грузоподъемностью 12 т. Расстояние
транспортирования грунта от карьера до дорожной насыпи принято равным 5,0 км.
2.20. На каждый вариант механизированного комплекса составлена
калькуляция затрат труда, машинного времени и заработной платы. Калькуляции
приведены в табл. 4, 5, 6, 7.
Разработка немерзлого грунта в зимнее время принята без учета коэффициентов на
работу при отрицательных температурах. При привязке карты к местным условиям
необходимо применять усредненные коэффициенты в зависимости от месяца и
температурной зоны, приведенные в ЕНиР «Общая часть» Приложение 3.
2.21. Графики производства работ составлены на конечный измеритель
- 1000 м3 грунта, уложенного в тело насыпи. Графики приведены в
табл. 8, 9,
10, 11.
Работы летнего подготовительного периода на продолжительность работ и состав
бригады влияния не оказывают, поэтому в графики, изображенные в табл. 8, 9, 10, 11
не включены.
3.1. Технический контроль качества возведенных насыпей
производится в процессе производства работ и заключается в систематическом
наблюдении за соответствием выполняемых работ проекту, соблюдением указаний СНиП
3.02.01.87 «Земляные сооружения, основания и фундаменты» и выполнением
указаний проекта производства земляных работ.
3.2. В процессе производства земляных работ повседневно
контролируют: качество уложенного грунта; правильность расположения отдельных
слоев; степень уплотнения грунта; геометрические размеры земляного полотна в
плане, продольном и поперечном профилях; условия обеспечения водоотвода;
крутизну откосов.
3.3. Продольный профиль земляного полотна проверяют измерением
отдельных углов поворота и прямых между ними, а также путем контрольной разбивки
кривых нивелированием на всех пикетах и переломах проектных уклонов. При этом
проверяют отметки оси дороги, обеих бровок, дна резерва и боковых канав. Ширину
земляного полотна, крутизну откосов и размеры канав проверяют не менее, чем в
трех местах на каждом километре дороги, а также в местах, вызывающих сомнение
при осмотре. Одновременно осматривают поверхность земляного полотна, которая
должна быть спланирована так, чтобы вода на ней не задерживалась. Размеры
боковых канав проверяют в местах измерения ширины земляного полотна, а также в
местах, вызывающих сомнение.
3.4. Качество уложенного в насыпь грунта и степень его уплотнения
в процессе приемки готового земляного полотна проверяют по данным лабораторных
испытания.
3.5. Плотность грунта насыпи проверяют в процессе возведения
земляного полотна не менее, чем в 10 местах или взятием не менее трех образцов
на каждые 200 м отсыпаемого слоя. Пробы берут по оси и в 1,5-2,0 м от бровки
земляного полотна.
3.6. В зимнее время должен быть обеспечен повседневный контроль за
качеством уплотнения, влажностью и составом грунта.
3.7. Технические критерии и средства контроля операций и процессов
приводятся в табл. 3.
Таблица 3
|
Наименование процессов,
подлежащих контролю
|
Предмет контроля
|
Инструмент и способ контроля
|
Периодичность контроля
|
Ответственный за контроль
|
Технические оценки качества
|
|
Подготовительные работы
летнего периода
|
Срезка растительного слоя.
|
Визуальный
|
В процессе производства
работ
|
Прораб
|
|
|
Геодезическая разбивка
трассы
|
Теодолит, стальная лента
|
До начала рыхления
|
Прораб, геодезист
|
Отклонение отметок оси и
бровки полотна на 0,05
|
|
Подготовительные работы
зимнего периода
|
Снегозадержание и очистка
от снега.
|
Визуальный
|
В процессе производства
работ.
|
Прораб
|
|
|
|
Разбивка трассы на захватки
|
Стальная лента
|
До разработки грунта
|
Мастер
|
Соответствие ППР
|
|
Основные работы
|
Горизонтальность слоев
отсыпки, заложение откосов (увеличение).
|
Нивелир, стальная лента,
шаблон
|
В процессе производства
работ, через 50 м
|
Мастер, геодезист
|
10 %
|
|
|
Характеристики грунта.
|
Лабораторный анализ
|
Не позже 1,5 ч после
разработки
|
Мастер, лаборант
|
Соответствие
|
|
|
Геометрические размеры,
отметки насыпи, уклоны откосов.
|
Теодолит, нивелир, стальная
лента, шаблон
|
После окончания работ
|
Прораб, представитель
заказчика
|
±5 см
|
|
|
Поперечные размеры и
глубина боковых канав
|
Нивелир, стальная лента
|
Через 50 м и в местах
выпусков
|
Мастер, геодезист
|
±5 см
|
3.8. Отклонения от наименьшего требуемого коэффициента уплотнения
в сторону понижения допускаются не более чем у 10 % образцов. Отклонения не
должны превышать по абсолютной величине 0,04.
4.1. ВАРИАНТ I
Таблица 4
|
Наименование
процесса
|
Единица измерения
|
Объем работ
|
Обоснование (ЕНиР и др. нормы)
|
Норма времени
|
Расценка, руб. -коп
|
Затраты труда
|
Заработная плата, руб.-коп.
|
Время пребывания машина на
объекте, маш.-ч
|
Заработная плата машиниста с
учетом пребывания машины на объекте, руб. -коп.
|
|
|
рабочих, чел. -ч
|
машиниста, чал. -ч (маш.-ч)
|
рабочих
|
машиниста
|
рабочих, чел.-ч
|
машиниста, чел. -ч (маш.-ч)
|
|
|
рабочих
|
машиниста
|
|
|
Срезка
растительного слоя бульдозером
|
1000 м2
|
195,0
|
§Е2-1-5, № 3а
|
-
|
0,66 (0,66)
|
-
|
0-70
|
-
|
128,7 (128,7)
|
-
|
136-50
|
128,70
|
136-50
|
|
|
Рыхление
грунта тракторным рыхлителем
|
100 м3
|
472,5
|
§Е2-1-1, т. 2, № 2б
|
-
|
0,13 (0,13)
|
-
|
0-13,8
|
-
|
61,42 (61,42)
|
-
|
65-21
|
61,42
|
65-21
|
|
|
Перемещение
снега бульдозером с устройством валов
|
1000 м2
|
195,0
|
§Е2-1-35, № 4а, прим.
|
-
|
0,2 (0,2)
|
-
|
0-21,2
|
-
|
39,0 (39,0)
|
-
|
41-34
|
39,00
|
41-34
|
|
|
Расчистка
снега бульдозером
|
1000 м2
|
195,0
|
§Е2-1-35, № 4а, прим
|
-
|
0,2 (0,2)
|
-
|
0-21,2
|
-
|
39,0 (39,0)
|
-
|
41-34
|
39,00
|
41-34
|
|
|
Рыхление
мерзлого грунта бульдозером-рыхлителем
|
100 м3
|
423,0
|
§Е2-1-2, № 1б
|
-
|
1,2 (1,2)
|
-
|
1-27
|
-
|
507;6 (507,6)
|
-
|
537-21
|
507,60
|
537-21
|
|
|
Устройство
землевозных дорог и въездов из грунта резервов толщиной слоя до 0,3 м
|
100 м3
|
67,5
|
§Е2-1-28, № 2б
|
-
|
0,75 (0,75)
|
-
|
0-79,5
|
-
|
50,62 (50,62)
|
-
|
53-66
|
50,62
|
53-66
|
|
|
Перемещение
разрыхленного грунта на расстояние до 30 м бульдозером
|
100 м3
|
423,0
|
§Е2-1-23, № 1б+2б´2
|
-
|
1,08 (1,08)
|
-
|
1-30,7
|
-
|
456,8 (456,8)
|
-
|
552-86
|
456,80
|
552-36
|
|
|
Рыхление
немерзлого грунта рыхлителями
|
100 м3
|
1350,0
|
§Е2-1-1, т. 2, № 2а
|
-
|
0,15 (0,15)
|
-
|
0-15,7
|
-
|
202,5 (202,5)
|
-
|
211-95
|
202,50
|
211-95
|
|
|
Разработка
и перемещение грунта самоходными скреперами
|
100 м3
|
1350,0
|
§Е2-1-21, т. 3, № 1б
|
-
|
2,9 (2,9)
|
-
|
3-51
|
-
|
3915,0 (3915,0)
|
-
|
4252-50
|
3915,00
|
4252-50
|
|
|
Работа
трактора-толкача
|
100 м3
|
1350,0
|
§Е2-1-21, ПР-2
|
-
|
0,72 (0,72)
|
-
|
0-76,8
|
-
|
972,0 (972,0)
|
-
|
1036-80
|
972,00
|
1036-80
|
|
|
Разравнивание
грунта бульдозером при отсыпке насыпей
|
100 м3
|
1350,0
|
§Е2-1-28, № 3д
|
-
|
0,32 (0,32)
|
-
|
0-33,9
|
-
|
432,0 (432,0)
|
-
|
457-65
|
816,75
|
865-76
|
|
|
Уплотнение
грунта грунтоуплотняющей машиной за 2 прохода
|
100 м3
|
1350,0
|
§Е2-1-33, № 1б, к=2
|
-
|
2,4 (2,4)
|
-
|
2-18
|
-
|
3240,0 (3240,0)
|
-
|
2943-00
|
3240,00
|
2943-00
|
|
|
Планировка
верха земляного полотна бульдозером при рабочем ходе в двух направлениях
|
1000 м2
|
36,0
|
§Е2-1-35, № 4б, к=2
|
-
|
0,76 (0,76)
|
-
|
0-80,4
|
-
|
27,36 (27,36)
|
-
|
28-94
|
27,36
|
28-94
|
|
|
Планировка
грунта вдоль основания насыпи бульдозером
|
100 м3
|
36,0
|
§Е2-1-28, № 3б
|
-
|
0,58 (0,58)
|
-
|
0-61,5
|
-
|
20,88 (20,88)
|
-
|
22-14
|
20,88
|
22-14
|
|
|
Планировка
откосов насыпи автогрейдером
|
1000 м2
|
16,98
|
§Е2-1-39, № 3б
|
-
|
0,4 (0,4)
|
-
|
0-42,4
|
-
|
6,79 (6,79)
|
-
|
7-20
|
6,79
|
6-79
|
|
|
На
конечный измеритель
|
м3
|
1000
|
|
|
|
|
|
|
10099,67 (10099,67) 74,81 (74,81)
|
|
10388-30
76-95
|
10484,42
77,66
|
10796-41
79-97
|
|
4.2. ВАРИАНТ II
Таблица
5
|
Наименование
процесса
|
Единица измерения
|
Объем работ
|
Обоснование (ЕНиР и др. нормы)
|
Норма времени
|
Расценка, руб. -коп.
|
Затраты труда
|
Заработная плата, руб. -коп.
|
Время пребывания машины на
объекте, маш.-ч
|
Заработная плата машиниста с
учетом пребывания машины на объекте, руб.-коп.
|
|
|
рабочих, чал. -ч
|
машиниста, чел. -ч (маш.-ч)
|
рабочих
|
машиниста
|
рабочих, чел.-ч
|
машиниста, чел. -ч (маш.-ч)
|
|
|
рабочих
|
машиниста
|
|
|
Срезка
растительного слоя бульдозером
|
1000 м3
|
121,5
|
§Е2-1-5, № 3а
|
-
|
0,66 (0,66)
|
-
|
0-70
|
-
|
80,19 (80,19)
|
-
|
85-05
|
80,19
|
85-05
|
|
|
Рыхление
грунта тракторным рыхлителем
|
100 м3
|
348,75
|
§Е2-1-1, т.2, № 2б
|
-
|
0,13 (0,13)
|
-
|
0-13,8
|
-
|
45,34 (45,34)
|
-
|
48-13
|
45,34
|
48-13
|
|
|
Перемещение
снега бульдозером на расстояние до 40 м с устройством валов
|
100 м3
|
116,25
|
§Е2-1-22, т. 2, № 5б+№ 5дх3,
к=0,85
|
-
|
1,19 (1,19)
|
-
|
1-26,2
|
-
|
138,34 (138,34)
|
-
|
146-71
|
138,34
|
146-71
|
|
|
Расчистка
снега толщиной до 0,5 м бульдозером
|
100 м3
|
581,25
|
§Е2-1-22, т. 2, № 5б+№5 дхЗ, к=0,85
|
-
|
1,19 (1,19)
|
-
|
1-26,2
|
-
|
691,69 (691,29)
|
-
|
733-54
|
691,69
|
733-54
|
|
|
Рыхление
мерзлого грунта бульдозером-рыхлителем
|
100 м3
|
348,75
|
§Е2-1-2, №1б
|
-
|
1,2 (1,2)
|
-
|
1-27
|
-
|
418,5 (418,5)
|
-
|
442-91
|
418,5
|
442-91
|
|
|
Устройство
землевозных дорог и въезда: из грунта толщиной слоя до 0,3 м
|
100 м3
|
73,0
|
§Е2-1-28, № 2б
|
-
|
0,75 (0,75)
|
-
|
0-79,5
|
-
|
54,75 (54,75)
|
-
|
58-04
|
54,75
|
58-04
|
|
|
Перемещение
разрыхленного грунта на расстояние до 30 м бульдозером
|
100 м3
|
348,75
|
§Е2-1-23, № 1б+2бх2
|
-
|
1,03 (1,08)
|
-
|
1-30,7
|
-
|
376,65 (376,65)
|
-
|
455-82
|
376,65
|
455-82
|
|
|
Рыхление
немерзлого грунта рыхлителем
|
100 м3
|
1350,0
|
§Е2-1-1, т.2, № 2а
|
-
|
0,15 (0,15)
|
-
|
0-15,7
|
-
|
202,50 (202,50)
|
-
|
211-95
|
202,50
|
211-95
|
|
|
Разработка и перемещение
грунта самоходными скреперами с ковшом вместимостью 15 м3
|
100 м3
|
1350,0
|
§Е2-1-21, т.З, №13+43x5
|
-
|
2,20 (2,20)
|
-
|
2-66
|
-
|
2970,0 (2970,0)
|
-
|
3591-00
|
2970,00
|
3591-00
|
|
|
Работа
трактора-толкача
|
100 м3
|
1350,0
|
§Е2-1-21, т.3.ПР-2
|
-
|
0,55 (0,55)
|
-
|
0-58,3
|
-
|
742,5 (742,5)
|
-
|
787-05
|
742,50
|
787-05
|
|
|
Разравнивание грунта
бульдозером при отсыпке насыпей
|
100 м3
|
1350,0
|
§Е2-1-28, № 3д
|
-
|
0,32 (0,32)
|
-
|
0-33,9
|
-
|
432,0 (432,0)
|
-
|
457-65
|
761,40
|
807-03
|
|
|
Уплотнение грунта
грунтоуплотняющей машиной за 2 прохода
|
100 м3
|
1350,0
|
§Е2-1-33, № 1б, к=2,0
|
-
|
2,4 (2,4)
|
-
|
2-18
|
-
|
3240,0 (3240,0)
|
-
|
2943-00
|
3240,00
|
2943-00
|
|
|
Планировка верха земляного
полотна бульдозером при рабочем хода в двух направлениях
|
1000 м3
|
36,0
|
§Е2-1-35, № 4б,к=2, §Е2-1-36, № 4б, к=2
|
-
|
0,76 (0,76)
|
-
|
0-80,4
|
-
|
27,36 (27,36)
|
-
|
28-94
|
27,36
|
28-94
|
|
|
Планировка грунта вдоль основания
насыпи бульдозером
|
100 м3
|
36,0
|
§Е2-1-28, № 3б
|
-
|
0,58 (0,58)
|
-
|
0-61,5
|
-
|
20,88 (20,88)
|
-
|
22-14
|
20,68
|
22-14
|
|
|
Планировка откосов насыпи
автогрейдером
|
1000 м3
|
12,72
|
§Е2-1-39, № 2б
|
-
|
0,59 (0,59)
|
-
|
0-62,5
|
-
|
7,51 (7,51)
|
-
|
7-95
|
7,51
|
7-95
|
|
|
На конечный измеритель
|
м3
|
1000
|
|
|
|
|
|
|
9448 ,21 (9448,21) 69,99 (69,99)
|
|
10019-88
74-22
|
9777,61
72,43
|
10369-31
76-81
|
|
4.3. ВАРИАНТ III
Таблица 6
|
Наименование
процесса
|
Единица измерения
|
Объем работ
|
Обоснование (ЕНиР и ДР. нормы)
|
Норма времени
|
Расценка, руб.-коп.
|
Затраты труда
|
Заработная плата, руб.-коп.
|
Время пребывания машины на
объекте, маш.-ч
|
Заработная плата машиниста с
учетом пребывания машины на объекте, руб.-коп.
|
|
|
рабочих, чел.
|
машиниста, чел.-ч (маш.-ч)
|
рабочих
|
машиниста
|
рабочих, чел.-ч
|
машиниста, чел. -ч (маш.-ч)
|
|
|
рабочих
|
машиниста
|
|
|
Срезка
растительного слоя бульдозером
|
1000 м2
|
135,0
|
§Е2-1-5, №За
|
-
|
0,66 (0,66)
|
-
|
0-70
|
-
|
89,1 (89,1)
|
-
|
94-50
|
89,1
|
94-50
|
|
|
Рыхление
грунта тракторным рыхлителем
|
100 м3
|
348,75
|
§Е2-1-1, т. 2, № 2б
|
-
|
0;13 (0,13)
|
-
|
0-13,8
|
-
|
45,34 (45,34)
|
-
|
48-13
|
45,34
|
48-13
|
|
|
Перемещение
снега бульдозером с устройством валов
|
1000 м2
|
135,0
|
§Е2-1-35, № 7а, прим.
|
-
|
0,12 (0,12)
|
-
|
0-14,5
|
-
|
16,20 (16,20)
|
-
|
19-58
|
16,20
|
19-58
|
|
|
Расчистка
снега бульдозером
|
1000 м2
|
135,0
|
§Е2-1-35, № 7а, прим.
|
-
|
0,12 (0,12)
|
-
|
0-14,5
|
-
|
16,20 (16,20)
|
-
|
19-58
|
16,20
|
19-58
|
|
|
Рыхление
мерзлого грунта бульдозером-рыхлителем
|
100 м3
|
348,75
|
§Е2-1-2, № 3б
|
-
|
0,88 (0,88)
|
-
|
1-06
|
-
|
306,90 (306,90)
|
-
|
369-68
|
306,90
|
369-68
|
|
|
Устройство
землевозных дорог и выездов толщиной сдоя 0,3 м
|
100 м3
|
94,50
|
§Е2-1-28, № 7б
|
-
|
0,34 (0,34)
|
-
|
0-41,1
|
-
|
32,13 (32,13)
|
-
|
38-84
|
32,13
|
38-84
|
|
|
Перемещение
разрыхленного грунта на расстояние до 30 м
|
100 м3
|
348,75
|
§Е2-1-23-№ 1б+ № 2бx2
|
-
|
1,06 (1,06)
|
-
|
1-30,7
|
-
|
376,65 (376,65)
|
-
|
455-82
|
376,65
|
455-82
|
|
|
Рыхление
немерзлого грунта тракторным рыхлителем
|
100 м3
|
1350,00
|
§Е2-1-1, № 3а
|
-
|
0,09 (0,09)
|
-
|
0-09,5
|
-
|
121,50 (121,50)
|
-
|
128-25
|
140,40
|
118-20
|
|
|
Разработка
и перемещение грунта самоходными скреперами (ковш 15 м3)
|
100 м3
|
1350,00
|
§Е2-1-21, т.3, № 13+№ 43х27
|
-
|
5,72 (5,72)
|
-
|
6-92,8
|
-
|
7722,0 (7722,0)
|
-
|
9352-80
|
7722,0
|
9352-80
|
|
|
Работа
трактора-толкача
|
100 м3
|
1350,00
|
§Е2-1-21, т.3. ПР-2
|
-
|
0,96 (0,95)
|
-
|
1-00,7
|
-
|
12820 (1282,50)
|
-
|
1359-45
|
1282,50
|
1359-45
|
|
|
Разравнивание
грунта бульдозером при отсыпке насыпи
|
100 м3
|
1350,0
|
§Е2-1-28, № 7д
|
-
|
0,19 (0,19)
|
-
|
0-23
|
-
|
256,5 (256,5)
|
-
|
3.10-50
|
256,50
|
310-50
|
|
|
Уплотнение
грунта грунтоуплотняющей машиной за 2 прохода по одному месту
|
100 м3
|
1350,0
|
§Е2-1-33 № 1б, к=2,0
|
-
|
2,4 (2,4)
|
-
|
2-18
|
-
|
3240,0 (3240,0)
|
-
|
2943-00
|
3240,0
|
2943-00
|
|
|
Планировка
верха земляного полотна бульдозером при рабочем ходе в двух направлениях
|
1000 м3
|
36,0
|
§Е2-1-35, № 7б, к=2.0 §Е2-1-36, №
7б, к=2,0
|
-
|
0,46 (0,46)
|
-
|
0-55,8
|
-
|
16,56 (16,56)
|
-
|
20-09
|
16,56
|
20-09
|
|
|
Планировка
грунта вдоль основания насыпи бульдозером
|
100 м3
|
36,0
|
§Е2-1-28, № 7б
|
-
|
0,34 (0,34)
|
-
|
0-41,1
|
-
|
12,24 (12,24)
|
-
|
14-80
|
12,24
|
14-60
|
|
|
Планировка
откосов насыпи бульдозером, оборудованным откосником
|
1000 м2
|
12,72
|
§Е2-1-40, № 3а, к=2,0
|
-
|
0,78 (0,78)
|
-
|
0-82,6
|
-
|
9,92 (9,92)
|
-
|
10-51
|
9,92
|
10-51
|
|
|
На
конечный измеритель
|
м3
|
1000,00
|
|
|
|
|
|
|
13543,74 (13543,74) 100,32
(101,32.)
|
|
15185-53
112-48
|
13562,64
100,46
|
13205-48
112-63
|
|
4.4. ВАРИАНТ IV
Таблица 7
|
Наименование
процесса
|
Единица измерения
|
Объем работ
|
Обоснование (ЕНиР и ДР. нормы)
|
Норма времени
|
Расценка, руб.-коп
|
Затраты труда
|
Заработная плата, руб. коп.
|
Время пребывания машины на
объекте, маш.-ч
|
Заработная плата машиниста с
учетом пребывания машины на объекте, руб.-коп.
|
|
|
рабочих, чел.-ч
|
машиниста, чел. -ч (маш.-ч)
|
рабочих
|
машиниста
|
рабочих, чел.-ч
|
машиниста, чел. -ч (маш.-ч)
|
|
|
рабочих
|
машиниста
|
|
|
Срезка
растительного слоя бульдозером
|
1000 м2
|
147,0
|
§Е2-1-5, № 3а
|
-
|
0,66 (0,66)
|
-
|
0-70
|
-
|
97,02 (97,02)
|
-
|
102-90
|
97,02
|
102-90
|
|
|
Рыхление
грунта тракторным рыхлителем
|
100 м3
|
348,75
|
§Е2-1-1, т. 2, № 2б
|
-
|
0,13 (0,13)
|
-
|
0-13,8
|
-
|
45,34 (45,34)
|
-
|
48-13
|
45,34
|
48-13
|
|
|
Перемещение
снега бульдозером с устройством валов
|
1000 м2
|
147,0
|
5Е2-1-35, № 7а, прим.
|
-
|
0,12 (0,12)
|
-
|
0-14,5
|
-
|
17,64 (17,64)
|
-
|
21-32
|
17,64
|
21-32
|
|
|
Расчистка
снега бульдозером
|
1000 м2
|
147,7
|
§Е2-1-35, № 7а, прим.
|
-
|
0,12 (0,12)
|
-
|
0-14,5
|
-
|
17,64 (17,64)
|
-
|
21-32
|
17,64
|
21-32
|
|
|
Рыхление
мерзлого грунта бульдозером-рыхлителем за один проход
|
100 м3
|
348,75
|
§Е2-1-2, № 3б
|
-
|
0,88 (0,88)
|
-
|
1-06
|
-
|
306,90 (306,90)
|
-
|
369-68
|
406,8
|
492-42
|
|
|
Устройство
землевозных дорог и въездов толщиной слоя до 0,3 м
|
100 м3
|
136,50
|
§Е2-1-28, № 7б
|
-
|
0,34 (0,34)
|
-
|
0-41,1
|
-
|
46,41 (46,41)
|
-
|
56-10
|
46,41
|
56-10
|
|
|
Перемещение
разрыхленного грунта на расстояние до 30 м
|
100 м3
|
348,75
|
§Е2-1-23, № 1б+2бx2
|
-
|
1,06 (1,06)
|
-
|
1-30,7
|
-
|
376,65 (376,65)
|
-
|
455-82
|
501,70
|
607-15
|
|
|
Разработка
немерзлого грунта экскаватором обратная лопата с ковшом вместимостью 1,0 м3
с погрузкой в транспортные средства
|
100 м3
|
1350,0
|
§Е2-1-9, т.3, № 3б
|
-
|
2,00 (2,00)
|
-
|
2-12
|
-
|
2700,0 (2700,0)
|
-
|
2862-00
|
2700,0
|
2862-00
|
|
|
Транспортирование
грунта автомобилями-самосвалами грузоподъемностью 12 т на расстояние до 5,0
км
|
т. км
|
1560937,5
|
ВНиР от 13.03.87 №153/6-142 рП,
§15
|
-
|
0,006
|
-
|
0-00,51
|
-
|
9365,62
|
-
|
7960-78
|
9365,62
|
7960-78
|
|
|
Простой
автомобилей-самосвалов при механизированной погрузке грунта и разгрузке
самосвалов
|
т
|
312187,5
|
ВНиР от 13.03.87, №153/6-142 Р1,§1
|
-
|
0,027
|
-
|
0-01,36
|
-
|
8429,06
|
-
|
4245-75
|
8429,06
|
4245-75
|
|
|
Разравнивание
грунта бульдозером при отсыпке насыпи
|
100 м3
|
1350,0
|
§Е2-1-28, № 7д
|
-
|
0,19 (0,19)
|
-
|
0-23
|
-
|
256,5 (256,5)
|
-
|
310-50
|
1123,20
|
13596
|
|
|
Уплотнение
грунта грунтоуплотняющей машиной за 2 прохода
|
100 м3
|
1350,0
|
§Е2-1-33, № 1б, к=2,0
|
-
|
2,4 (2,4)
|
-
|
2-18
|
-
|
3240,0 (3240,0)
|
-
|
2943-00
|
3240,00
|
2943-00
|
|
|
Планировка
верха земляного полотна бульдозером при рабочем ходе в двух направлениях
|
1000 м2
|
36,0
|
§Е2-1-35, № 7б, к=2,0 §Е2-1-36, №
7б, к=2,0
|
-
|
0,46 (06)
|
-
|
0-55,8
|
-
|
16,56 (1656)
|
-
|
20-09
|
16,56
|
20-09
|
|
|
Планировка
грунта вдоль основания насыпи бульдозером
|
100 м3
|
36,0
|
§Е2-1-28, № 7б
|
-
|
0,34 (0,34)
|
-
|
0-41,1
|
-
|
12,24 (12,24)
|
-
|
14-80
|
12,24
|
14-80
|
|
|
Планировка
откосов насыпи бульдозером, оборудованным откосником
|
1000 м2
|
12,72
|
§Е2-1-40, № За, к=2,0
|
-
|
0,78 (0,78)
|
-
|
0-82,6
|
-
|
9,92 (9,92)
|
-
|
10-51
|
9,92
|
10-51
|
|
|
На
конечный измеритель
|
м3
|
1000,00
|
|
|
|
|
|
|
24937,50 (24937,50) 184,72
|
|
19442-70
144-02
|
26031,15
192,82
|
20765-93
153-82
|
|
5.1. ВАРИАНТ I
Таблица 8

5.2. ВАРИАНТ II
Таблица 9

5.3. ВАРИАНТ III
Таблица 10

5.4. ВАРИАНТ IV
Таблица 11

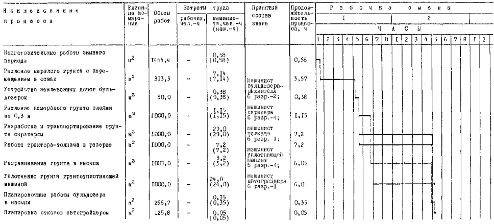
6.1. Потребность в машинах механизированного комплекса рассчитана
по «Методическим рекомендациям по построению комплексно-механизированных
процессов производства, земляных работ» (ЦНИИОМТП Госстроя СССР, Москва 1982).
Результаты расчета и потребность в инструменте и приспособлениях
приведены в табл. 12.
Таблица 12
|
Наименование
|
Марка, техническая
характеристика, ГОСТ, № чертежа
|
Количество по вариантам
|
Назначение
|
|
I
|
II
|
III
|
IV
|
|
Бульдозер-рыхлитель
|
ДЗ-90С
(бульдозер ДЗ-27С, рыхлитель ДП-5С)
|
1
|
-
|
-
|
-
|
Срезка
растительного грунта
|
|
|
ДЗ-117А
(бульдозер ДЗ-109, рыхлитель ДП-26С)
|
-
|
1
|
-
|
-
|
Рыхление
грунта
|
|
|
ДЗ-116ХЛ,
(бульдозер ДЗ-110В, рыхлитель ДП-26С)
|
-
|
-
|
1
|
1
|
|
|
|
ДЗ-90С
|
1
|
-
|
-
|
-
|
Снегозадержание
|
|
|
ДЗ-117А
|
-
|
1
|
-
|
-
|
Расчистка
от снега
|
|
|
ДЗ-126А
(бульдозер ДЗ-118, рыхлитель ДП-98Х)
|
-
|
-
|
1
|
-
|
Устройство дорог
Разравнивание
грунта в насыпи
|
|
|
ДП-9С
(бульдозер ДЗ-34С, рыхлитель ДП-9С)
|
-
|
-
|
-
|
1
|
Планировка
верха насыпи и основания откосов
Рыхление
грунта
|
|
Землеройно-транспортные
средства
|
Скрепер
самоходный ДП-11П с ковшом вместимостью 8 м3
|
4
|
-
|
-
|
-
|
Разработка
и транспортирование грунта
|
|
Землеройно-транспортные
средства
|
Бульдозер-толкач
ДЗ-120 Скрепер самоходный ДЗ-13А с ковшом вместимостью 15 м3
|
1
|
-
|
-
|
-
|
Разработка
грунта
Разработка
и транспортирование грунта
|
|
|
Бульдозер-толкач
|
-
|
4
|
8
|
-
|
|
|
|
ДЗ-121
|
-
|
1
|
1
|
-
|
|
|
Землеройные
средства
|
Экскаватор
гусеничный гидравлический ЭО-4121А с ковшом вместимостью 1,0 м3
|
-
|
-
|
-
|
2
|
Разработка
грунта с погрузкой в автотранспорт
|
|
Транспортные
средства
|
Автомобиль-самосвал
КрАЗ-256 с грузоподъемностью 12 т
|
-
|
-
|
-
|
12
|
Транспортирование
грунта
|
|
Грунтоуплотняющие
средства
|
Трамбовочная
машина ДУ-126
|
4
|
-
|
4
|
3
|
Уплотнение
|
|
То
же, ДУ-12А
|
-
|
4
|
-
|
-
|
|
|
Планировочные
средства
|
Автогрейдер
ДЗ-99-1-4
|
1
|
-
|
-
|
-
|
Планировка
откосов
|
|
Автогрейдер
ДЗ-140
|
-
|
1
|
-
|
-
|
Насыпи
|
|
Бульдозер
ДЗ-54С с откосником
|
-
|
-
|
1
|
1
|
|
|
Теодолит
|
ТТ-4,
ГОСТ 10529-86
|
1
|
1
|
1
|
1
|
Геодезические
работы
|
|
Нивелир
Рейка нивелирная
|
НА-1,
ГОСТ 10528-76
|
1
|
1
|
1
|
1
|
|
|
Стержень стальной
|
РН-10,
ГОСТ 11158-83
|
1
|
1
|
1
|
1
|
|
|
Рулетка
|
Ст
3, Æ10 мм
|
10
|
10
|
10
|
10
|
|
|
стальная
|
РС-20,
ГОСТ 7502-80
|
1
|
1
|
1
|
1
|
|
6.2. Потребность в эксплуатационных материалах рассчитана с учетом
усредненных норм расхода топлива и смазочных материалов, действующих в системе
Минтрансстроя СССР и СНиП IV-3-84 «Правила определения сметной
стоимости эксплуатации строительных машин».
Результаты расчета эксплуатационных материалов приведены в табл. 13.
Таблица 13
|
Наименование
эксплуатационных материалов
|
Наименование механизмов
|
Норма расхода на 1 ч работы, кг
|
Количество на 1000 м3 грунта, уложенного в насыпь,
кг
|
Количество эксплуатационных материалов на 1000 м3
грунта по вариантам, кг
|
|
I
|
II
|
III
|
IV
|
|
Дизельное топливо
|
Бульдозер:
|
|
-
|
|
|
|
|
|
ДЗ-27С
|
10,9
|
-
|
|
|
|
|
|
ДЗ-109
|
10,9
|
-
|
|
|
|
|
|
ДЗ-110В
|
10,9
|
-
|
|
|
|
|
|
ДЗ-118
|
19,6
|
-
|
|
|
|
|
|
ДЗ-34С
|
19,6
|
-
|
|
|
|
|
|
Д3-54С
|
6,9
|
-
|
|
|
|
|
|
Бульдозер-толкач:
|
|
-
|
|
|
|
|
|
ДЗ-120
|
10,9
|
-
|
|
|
|
|
|
ДЗ-121
|
19,6
|
-
|
|
|
|
|
|
Рыхлитель:
|
|
-
|
|
|
|
|
|
ДП-5С
|
11,3
|
-
|
|
|
|
|
|
ДП-26С
|
11,3
|
-
|
906,90
|
1124,73
|
2075,22
|
1667,70
|
|
ДП-98ХЛ
|
19,6
|
-
|
|
|
|
|
|
ДП-9С
|
19,6
|
-
|
|
|
|
|
|
Скрепер самоходный:
|
-
|
-
|
|
|
|
|
|
ДЗ-11П
|
-
|
423,4
|
|
|
|
|
|
ДЗ-13А
|
-
|
541,2
|
|
|
|
|
|
ДЗ-13А
|
-
|
1407,12
|
|
|
|
|
|
Дизельное топливо
|
Экскаватор гусеничный:
ЭО-4121Б
|
8,92
|
-
|
|
|
|
|
|
|
Автомобиль-самосвал
КрАЗ-256Б
|
-
|
852,6
|
|
|
|
|
|
|
Трамбовочная машина
|
4,1
|
-
|
|
|
|
|
|
|
Автогрейдер: ДЗ-99-1-4
|
6,7
|
-
|
|
|
|
|
|
|
ДЗ-140
|
6,7
|
-
|
|
|
|
|
|
Моторное масло
|
Бульдозер:
|
|
|
|
|
|
|
|
ДЗ-27С
|
|
|
|
|
|
|
|
ДЗ-109
|
|
|
|
|
|
|
|
ДЗ-110В
|
0,54
|
-
|
|
|
|
|
|
|
ДЗ-118
|
0,98
|
-
|
|
|
|
|
|
ДЗ-34С
|
|
|
|
|
|
|
|
|
ДЗ-54С
|
0,35
|
-
|
|
|
|
|
|
|
Бульдозер-толкач:
|
|
|
|
|
|
|
|
ДЗ-120
|
0,54
|
-
|
|
|
|
|
|
|
ДЗ-121
|
0,98
|
-
|
|
|
|
|
|
|
Рыхлитель:
|
|
|
45,34
|
56,24
|
103,76
|
83,38
|
|
ДП-5С
|
|
|
|
|
|
|
|
ДП-26С
|
0,56
|
-
|
|
|
|
|
|
|
ДП-98ХЛ
|
|
|
|
|
|
|
|
ДН-9С
|
0,98
|
-
|
|
|
|
|
|
|
Экскаватор
|
|
|
|
|
|
|
|
ЭО-4121Б
|
0,45
|
-
|
|
|
|
|
|
Моторное масло
|
Скрепер самоходный:
|
|
|
|
|
|
|
|
|
ДЗ-11П
|
-
|
21,17
|
|
|
|
|
|
|
ДЗ-13А
|
-
|
27,06
|
|
|
|
|
|
|
ДЗ-13А
|
-
|
70,36
|
|
|
|
|
|
|
Автомобиль-самосвал
|
|
|
|
|
|
|
|
КрАЗ-256Б
|
-
|
42,63
|
|
|
|
|
|
|
Трамбовочная машина:
|
|
|
|
|
|
|
|
ДУ-12Б
|
|
|
|
|
|
|
|
ДУ-12А
|
0,21
|
-
|
|
|
|
|
|
|
Автогрейдер:
|
|
|
|
|
|
|
|
ДЗ-99-1-4
|
|
|
|
|
|
|
|
ДЗ-140
|
0,34
|
-
|
|
|
|
|
|
Трансмиссионное масло
|
Бульдозер:
|
|
|
|
|
|
|
|
ДЗ-27С
|
|
|
|
|
|
|
|
ДЗ-109
|
|
|
|
|
|
|
|
ДЗ-110В
|
|
|
|
|
|
|
|
ДЗ-120
|
0,11
|
-
|
|
|
|
|
|
|
ДЗ-118
|
|
|
|
|
|
|
|
ДЗ-34С
|
|
|
|
|
|
|
|
ДЗ-121
|
0,20
|
-
|
|
|
|
|
|
|
ДЗ-54С
|
0,07
|
-
|
|
|
|
|
|
|
Рыхлитель:
|
|
|
|
|
|
|
|
ДП-5С
|
|
|
|
|
|
|
|
ДП-26С
|
0,11
|
-
|
|
|
|
|
|
|
ДП-98ХЛ
|
|
|
|
|
|
|
|
|
ДП-9С
|
0,2
|
-
|
|
|
|
|
|
|
Скрепер:
|
|
|
9,07
|
11,25
|
20,75
|
16,68
|
|
ДЗ-11П
|
|
4,23
|
|
|
|
|
|
|
ДЗ-13А
|
-
|
5,41
|
|
|
|
|
|
|
ДЗ-13А
|
-
|
14,07
|
|
|
|
|
|
|
Экскаватор
|
|
|
|
|
|
|
|
ЭО-4121В
|
0,09
|
-
|
|
|
|
|
|
|
Автомобиль самосвал
|
-
|
8,53
|
|
|
|
|
|
КрАЗ-256Б
|
|
|
|
|
|
|
|
Трансмиссионное масло
|
Трамбовочная машина:
|
|
|
|
|
|
|
|
ДУ-12Б,
|
0,04
|
-
|
|
|
|
|
|
ДУ-12А
|
|
|
|
|
|
|
|
|
Автогрейдер:
|
|
|
|
|
|
|
|
ДЗ-99-1-4
|
|
|
|
|
|
|
|
ДЗ-140
|
0,07
|
-
|
|
|
|
|
|
Пластичные смазки
|
Бульдозер:
|
|
|
|
|
|
|
|
ДЗ-27С
|
|
|
|
|
|
|
|
ДЗ-109
|
|
|
|
|
|
|
|
ДЗ-110В
|
|
|
|
|
|
|
|
ДЗ-120
|
0,16
|
-
|
|
|
|
|
|
ДЗ-118
|
|
|
|
|
|
|
|
ДЗ-34С
|
|
|
|
|
|
|
|
ДЗ-121
|
|
|
|
|
|
|
|
|
ДЗ-54С
|
0,10
|
-
|
|
|
|
|
|
|
Рыхлитель:
|
|
|
|
|
|
|
|
ДП-5С
|
|
|
|
|
|
|
|
ДП-26С
|
0,17
|
-
|
|
|
|
|
|
|
ДП-98ХЛ
|
|
|
|
|
|
|
|
ДП-9С
|
0,20
|
-
|
|
|
|
|
|
|
Скрепер:
|
|
|
|
|
|
|
|
ДЗ-11П
|
|
6,35
|
13,60
|
16,87
|
31,13
|
25,02
|
|
|
ДЗ-13А
|
-
|
8,12
|
|
|
|
|
|
|
ДЗ-13А
|
-
|
21,11
|
|
|
|
|
|
|
Экскаватор
|
|
|
|
|
|
|
|
ЭО-4121Б
|
0,13
|
-
|
|
|
|
|
|
|
Автомобиль-самосвал
|
-
|
72,79
|
|
|
|
|
|
КрАЗ-256Б
|
|
|
|
|
|
|
|
|
Трамбовочная машина
|
|
|
|
|
|
|
|
ДУ-12Б
|
|
|
|
|
|
|
|
ДУ-12А
|
0,06
|
-
|
|
|
|
|
|
|
Автогрейдер:
|
|
|
|
|
|
|
|
ДЗ-99-1-4
|
|
|
|
|
|
|
|
ДЗ-140
|
0,10
|
-
|
|
|
|
|
|
Бензин
|
Бульдозер:
|
|
|
|
|
|
|
|
ДЗ-27С
|
|
|
|
|
|
|
|
ДЗ-109
|
|
|
|
|
|
|
|
ДЗ-110В
|
|
|
|
|
|
|
|
ДЗ-120
|
0,49
|
-
|
|
|
|
|
|
|
Бульдозер:
|
|
|
|
|
|
|
|
ДЗ-Н8
|
|
|
|
|
|
|
|
Д3-34С
|
|
|
|
|
|
|
|
ДЗ-121
|
0,88
|
-
|
|
|
|
|
|
|
ДЗ-54С
|
0,31
|
-
|
|
|
|
|
|
|
Рыхлитель:
|
|
|
|
|
|
|
|
ДП-5С
|
|
|
|
|
|
|
|
ДП-36С
|
0,51
|
-
|
|
|
|
|
|
|
ДП-98ХЛ
|
|
|
|
|
|
|
|
ДП-90
|
0,88
|
-
|
|
|
|
|
|
|
Склепер:
|
|
|
|
|
|
|
|
ДЗ-11П
|
-
|
19,05
|
40,81
|
50,61
|
93,38
|
75,05
|
|
|
ДЗ-13А
|
-
|
24,35
|
|
|
|
|
|
|
ДЗ-13А
|
-
|
63,32
|
|
|
|
|
|
|
Экскаватор
|
|
|
|
|
|
|
|
ЭО-4121А
|
0,40
|
-
|
|
|
|
|
|
|
Автомобиль-самосвал
|
|
|
|
|
|
|
|
КрАЗ-256Б
|
-
|
38,36
|
|
|
|
|
|
|
Трамбовочная машина
|
|
|
|
|
|
|
|
ДУ-12Б
|
|
|
|
|
|
|
|
ДУ-12А
|
0,18
|
-
|
|
|
|
|
|
|
Автогрейдер:
|
|
|
|
|
|
|
|
ДЗ-99-1-4
|
|
|
|
|
|
|
|
ДЗ-140
|
0,30
|
-
|
|
|
|
|
7.1. При производстве земляных работ по разработке грунта,
транспортировке и укладке в насыпь необходимо руководствоваться указаниями глав
СНиП III-4-80
«Техника безопасности в строительстве».
7.2. Машины должны быть обеспечены звуковой сигнализацией.
Значения сигналов должны быть разъяснены всем рабочим, связанным с работой
машин.
7.3. При разработке, транспортировке, разгрузке, планировке и
уплотнении грунта двумя и более самоходными машинами (скреперы, грейдеры,
бульдозеры), идущими друг за другом, необходимо соблюдать расстояние между ними
не менее 10 м.
7.4. Запрещается обслуживающему персоналу оставлять без присмотра
машину с работающим двигателем. На стоянках необходимо опустить отвал
бульдозера до полного опирания его на грунт.
7.5. Воспрещается перевозить людей в ковше скрепера, а также
садиться на его раму во время движения скрепера.
7.6. Приближение скреперных агрегатов к откосу свежеотсыпанной
насыпи на расстояние менее 1 м от бровки насыпи до ближайшего к ней колеса или
гусеницы запрещается.
7.7. Поперечный уклон местности, по которой движется скрепер, не
должен превышать в зимнее время 3 %.
7.8. Топливо-смазочные материалы разрешается хранить только в
металлической, герметически закрывающейся таре. Склад топливо-смазочных
материалов следует устраивать только под навесом или в помещениях, обеспеченных
вентиляцией.
7.9. Заправлять механизмы топливом разрешается только при
выключенном двигателе.
ТЕХНИКО-ЭКОНОМИЧЕСКИЕ ПОКАЗАТЕЛИ НА 1000 м3 ГРУНТА
Таблица 14
|
Наименование
показателей
|
Единица
измерения
|
Количество
по вариантам
|
|
I
|
II
|
III
|
IV
|
|
Затраты машинного времени
|
маш.-ч
|
77,66
|
72,43
|
100,46
|
192,82
|
|
в том числе в зимний период
|
маш.-ч
|
76,25
|
71,50
|
99,47
|
191,77
|
|
Заработная плата
|
руб.-коп.
|
79-97
|
76-81
|
112-63
|
153-82
|
|
в том числе в зимний период
|
руб.-коп.
|
78-48
|
75-82
|
111-58
|
152-70
|
|
Продолжительность работ
|
смена
|
1,69
|
1,98
|
1,84
|
1,96
|
|
в том числе в зимний период
|
смена
|
1,52
|
1,81
|
1,66
|
1,78
|
|
Выработка на одного
рабочего
|
м3/чел.
в смену
|
103,01
|
110,45
|
79,63
|
41,49
|
|
Условные затраты на
механизацию
|
руб.
|
381,68
|
503,99
|
871,26
|
1720,80
|
|
в том числе в зимний период
|
руб.
|
375,52
|
499,64
|
866,06
|
1716,14
|
|
в том числе на
транспортирование груза автомобилями-самосвалами
|
руб.
|
-
|
-
|
-
|
1573,62
|
|
Прямые затраты
|
руб.
|
461,65
|
580,00
|
983,89
|
1874,62
|
|
в том числе в зимний период
|
руб.
|
454,00
|
575,46
|
978,44
|
1868,84
|
|
Приведенные затраты
|
руб.
|
586,61
|
777,68
|
1370,85
|
1987,91
|
|
в том числе в зимний период
|
руб.
|
577,02
|
771,16
|
1364,21
|
1980,84
|
|
Эффективность
комплексно-механизированного технологического процесса
|
руб.
|
|
+141,07
|
+784,24
|
+1401,50
|
Примечания: 1. Показатели
рассчитаны на законченный результат комплексно-механизированного
технологического процесса - 1000 м3 грунта уложенного в насыпь
автомобильного полотна. 2. Эффективность (-) экономия, (+) перерасход.
СОДЕРЖАНИЕ
| |
|