|
| |
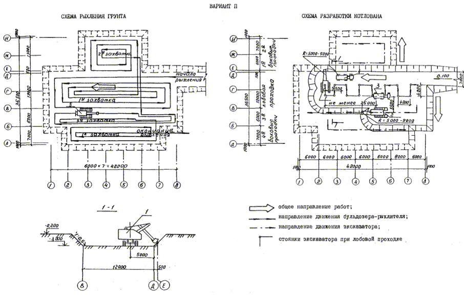
ТИПОВЫЕ ТЕХНОЛОГИЧЕСКИЕ КАРТЫ
НА ПРОИЗВОДСТВО ОТДЕЛЬНЫХ ВИДОВ РАБОТ
РАЗДЕЛ 01
ТИПОВАЯ
ТЕХНОЛОГИЧЕСКАЯ КАРТА
НА
ЗЕМЛЯНЫЕ РАБОТЫ
1.01.01.77
КОМПЛЕКСНО-МЕХАНИЗИРОВАННЫЙ
ТЕХНОЛОГИЧЕСКИЙ ПРОЦЕСС УСТРОЙСТВА КОТЛОВАНОВ
ПРОМЫШЛЕННЫХ ОБЪЕКТОВ
ОБЪЕМОМ ДО 5,0 тыс. м3 В ЗИМНИХ УСЛОВИЯХ
|
РАЗРАБОТАНА
Институтом Красноярский ПромстройНИИпроект
Минуралсибстроя СССР
Главный инженер института Б.П. Запятой
Начальник отдела Л.Ф. Галимова
Главный инженер проекта Е.В. Каминов
|
СОГЛАСОВАНО
Отделом механизации и технологии строительства
Госстроя СССР
Письмо от 14.12.1988 г. № 23-712.
Срок ввода 1 февраля 1989 г.
|
МОСКВА 1989
1.1. Типовая технологическая карта
комплексно-механизированного технологического процесса выполнена для
производства работ по устройству котлованов промышленных объектов объемом до
5,0 тыс. м3 в зимних условиях.
1.2. За основу карты приняты чертежи
рабочего проекта автоматической телефонной станции (шифр 1014), разработанного
институтом ПромстройНИИпроект (г. Красноярск).
1.3. Глубина котлована и размеры в плане
заданы, исходя из габаритов фундаментов, с учетом песчаной подготовки.
Объем
котлована 4910 м3.
Размеры
котлована в плане 42,0×36,5 м.
Глубина
котлована 3,0 м.
1.4. Характеристика местных условий.
Строительство ведется в 5-й температурной
зоне.
Согласно инженерно-геологическим изысканиям
основанием для фундаментов служит гравийно-галечниковый грунт с
примесью супеси.
Максимальный
уровень грунтовых вод соответствует относительной отметке, равной - 5,0 м.
Глубина
промерзания составляет - 1,0 м.
Расстояние
транспортирования разработанного грунта в отвал 1,5 км.
1.5. Работы ведутся в три смены во вторую
треть зимы. Подготовку участка производят в теплое время года.
1.6. Варианты комплексов средств
механизации приведены в табл. 1.
1.7. В качестве конечного измерителя
принято 1000 м3 разработанного грунта.
1.8. Привязка ТТК к местным условиям
строительства заключается в уточнении объемов работ, калькуляции затрат труда и
заработной платы, графика производства работ.
Варианты комплексов средств механизации
Таблица 1
|
Технологическая
операция
|
Состав
средств механизации
|
|
Вариант
I
|
Вариант
II
|
Вариант
III
|
|
Рыхление грунта
|
Рыхлитель ДП-26С
|
Рыхлитель ДП-5С
|
Рыхлитель ДП-26С
|
|
Разработка
грунта
|
Экскаватор ЭО-4112 с оборудованием:
прямая лопата с ковшом вместимостью 0,65 м3
|
Экскаватор Э-10011А с оборудованием:
прямая лопата с ковшом вместимостью 1,0 м3
|
Экскаватор ЭО-4125 с оборудованием:
обратная лопата с ковшом вместимостью 1,0 м3
|
|
Транспортирование грунта
|
Автомобиль-самосвал ЗИЛ-ММЗ-45021
|
Автомобиль-самосвал КамАЗ-55102
|
Автомобиль-самосвал ЗИЛ-ММЗ-45021
|
|
Зачистка дна котлована
|
Бульдозер ДЗ-109
|
Бульдозер ДЗ-54с
|
Бульдозер ДЗ-109
|
2.1. К началу работ необходимо иметь:
схему
разбивки котлована с нанесением существующих подземных коммуникаций;
разрешение
на право производства земляных работ;
проект
производства работ.
2.2. Участок разработки грунта
подготавливают в теплое время года до начала промерзания грунта.
Предварительная
подготовка включает:
срезку
и перемещение растительного слоя грунта в отвал для использования его в
последующем при благоустройстве площадок;
рыхление
на глубину 30 - 35 см для предохранения грунта от промерзания.
Рыхление
производят с одновременным разравниванием грунта с помощью бороны, закрепленной
на бульдозере-рыхлителе.
2.3. В зимнее время для предохранения
грунта от промерзания рекомендуется накапливать снежный покров с помощью
снегозадержания. Для снегозадержания устраивают валы из снега,
располагая их перпендикулярно господствующему ветру.
2.4. Настоящий комплексно-механизированный
процесс состоит из подготовительных и основных операций.
2.5. К подготовительным операциям
относятся:
предварительная разбивка осей и контура
котлована;
очистка площади котлована от снега;
устройство
временного освещения;
окончательные
разбивочные работы.
2.6. К основным операциям относятся:
предварительное
рыхление верхнего мерзлого слон грунта;
разработка
котлована до проектных отметок экскаватором с подчисткой основания бульдозером;
транспортирование
разработанного грунта за пределы строительной площадки.
2.7. Рыхление грунта производят
последовательно по захваткам, соответствующим по ширине проходкам экскаватора
при разработке грунта (см. схему рыхления грунта).
Рыхление
производится на глубину 0,7 м за два прохода бульдозера-рыхлителя и ведется
продольными проходками через 0,7 м с последующими поперечными проходками под
углом 60° к предыдущим. Последующие 0,3 м замерзшего слоя разрабатываются с
помощью ковша экскаватора без предварительного рыхления.
2.8. Разработка котлована ведется
комплексом машин, включающим бульдозернорыхлительный агрегат, экскаватор,
автомобили-самосвалы. Марки механизмов назначаются от принятого к производству
работ варианта комплекса средств механизации.
Количество
экскаваторов определяют из условия увязки по производительности механизмов,
используемых при разработке грунта.
2.9. Технология производства работ для
первого варианта.
Рыхление
верхнего слоя грунта производится бульдозером-рыхлителем ДЗ-117А (рыхлитель
ДП-26С на базе трактора Т-130М.Г-1 с бульдозерным оборудованием ДЗ-109).
Для
разработки грунта в котловане используются одновременно два экскаватора марок
ЭО-4112 с оборудованием прямая лопата. Разработка ведется одной лобовой
проходкой и четырьмя боковыми. Оптимальное расстояние между двумя
последовательными стоянками принимают равным разности между наибольшим и
наименьшим радиусами резания на уровне стоянки экскаватора.
Автомобили-самосвалы
под погрузку подают задним ходом и устанавливают за пределами хвостовой части
кузова экскаватора по поставленным вешкам с таким расчетом, чтобы угол поворота
платформы экскаватора при погрузке грунта был наименьшим.
Разработка
грунта ведется с недобором грунта 0,1 м до проектной отметки дна котлована.
Перебор грунта не допускается.
2.10. Технология производства работ для
второго варианта.
Рыхление верхнего слоя грунта производится
бульдозером-рыхлителем ДП-15 (рыхлитель ДП-5С на базе трактора Т-100 МЗГП с
бульдозерным оборудованием ДЗ-54С).
Для
разработки грунта в котловане применяют одновременно два экскаватора марок
Э-10011А с оборудованием прямая лопата. Разработка ведется одной лобовой и
четырьмя боковыми проходками. Недобор грунта до проектной отметки котлована
составляет 0,1 м.
2.11. Технология производства работ для
третьего варианта.
Рыхление верхнего слоя грунта производится
бульдозером-рыхлителем марки ДЗ-117А.
При
разработке грунта в котловане используют одновременно два экскаватора марок
ЭО-4125 с оборудованием обратная лопата. Разработка грунта ведется одной
лобовой и четырьмя боковыми проходками. Недобор грунта до проектной отметки дна
котлована составляет 0,2 м.
Транспортируют
грунт за пределы строительной площадки автомобилями-самосвалами.
2.12. При ведении работ требуется соблюдать
требования СНиП
3.02.01-87 «Земляные сооружения, основания и фундаменты».
2.13. Схемы производства работ приведены на
листах 5, 6, 7.
2.14. Калькуляции затрат труда и заработной
платы на весь объем работ приведены в табл. 3, 4, 5.
Расчеты
в калькуляциях выполнены для Свердловской области, находящейся в 5-й
температурной зоне. При разработке котлована грунт принят II и IIм группы.
Коэффициенты
к нормам времени и расценкам, применяемые при разработке грунтов в зимнее
время, не учтены.
При
привязке типовой технологической карты к местным условиям производится пересчет
калькуляций. При этом учитываются усредненные коэффициенты на зимнее удорожание
соответствующих видов работ в зависимости от месяца строительства и
температурной зоны (ЕНиР, Общая часть, приложение 3).
2.15. Графики производства работ на
конечный измеритель - 1000 м3 разработанного грунта приведены в
табл. 6, 7, 8.

1, 2 -
экскаваторы ЭО-4112 с оборудованием прямая лопата; 3, 4 - автомобили-самосвалы
ЗИЛ-ММЗ-45021; 5 - бульдозер-рыхлитель ДЗ-117А

1, 2 -
экскаваторы Э-10011А с оборудованием прямая лопата с ковшом вместимостью 1,0 м;
3, 4 - автомобили-самосвалы КамАЗ-55102; 5 - бульдозер-рыхлитель ДП-15

1, 2 -
экскаваторы ЭО-3122; 3, 4 - автомобили-самосвалы КамАЗ-55102; 5 -
бульдозер-рыхлитель ДЗ-117А
3.1. Систематические контрольные наблюдения
в процессе производства земляных работ ведут строительная организация и
представители технического надзора заказчика.
В
результате наблюдения устанавливают соответствие выполнения работ проектной
документации и соблюдение требований технических условий.
3.2. При приемке выполненных земляных работ
проверке подлежат: качество грунтов в основании, размеры котлована.
По
результатам проверки составляется акт, в котором указывают геологические и
гидрогеологические характеристики котлована и их отклонения от принятых в
проекте. К акту прилагаются результаты лабораторных определений основных характеристик
вскрытых грунтов основания.
3.3. Наименование процессов, подлежащих
контролю, предметы контроля приведены в табл. 2.
Таблица 2
|
Наименование
процессов, подлежащих контролю
|
Предмет контроля
|
Инструмент и способ контроля
|
Время контроля
|
Ответственный контролер
|
Технические критерии оценки качества
|
|
|
Качество
очистки территории
|
|
|
|
|
|
|
Разбивочные
работы: точность выноса осей и контура котлована
|
Стальная
рулетка, теодолит
|
|
|
Отклонение
границ нижнего контура и верхней бровки относительно осей не должны превышать
в плане ± 5 см
|
|
|
Рыхление
грунта. Глубина разрыхляемого слоя, расстояние между бороздами
|
Визуально.
Металлический щуп, стальная рулетка
|
|
|
|
|
|
Отметка дна
котлована, размеры в плане, величина откосов
|
Нивелирная
рейка, теодолит
|
|
Геодезист, мастер, представитель заказчика
|
Отклонение
отметок дна котлована ± 5 см. Увеличение крутизны откосов не допускается
|
4.1. ВАРИАНТ 1
Таблица 3
|
Наименование процесса
|
Единица
измерения
|
Объем
работ
|
Обоснование
(ЕНиР и др. нормы)
|
Норма времени
|
Расценка, руб.-коп.
|
Затраты труда
|
Заработная плата, руб.-коп
|
Время пребывания машины на объекте, маш.-ч
|
Заработная плата машиниста с учетом
пребывания машины на объекте, руб.-коп
|
|
рабочих, чел.-ч
|
машиниста, чел.-ч (маш.-ч)
|
рабочих
|
машиниста
|
рабочих, чел.-ч
|
машиниста, чел.-ч (маш.-ч)
|
рабочих
|
машиниста
|
|
Срезка растительного слоя грунта с
поверхности котлована
|
1000 м2
|
1,9
|
§ Е2-1-5, № 3а
|
-
|
0,66 (0,66)
|
-
|
0-70
|
-
|
1,25 (1,25)
|
-
|
1-33
|
1,25
|
1-33
|
|
Перемещение растительного слоя на
расстояние 20 м
|
100 м3
|
3,8
|
§ Е2-1-22, т. 2, № 5а + 5г
|
-
|
0,65 (0,65)
|
-
|
0-68,9
|
-
|
2,47 (2,47)
|
-
|
2-62
|
2,47
|
2-62
|
|
Рыхление грунта на поверхности
котлована для предохранения от промерзания на глубину 0,35 м
|
100 м3
|
6,3
|
§ Е2-1-1, т. 2, № 2а
|
-
|
0,15 (0,15)
|
-
|
0-15,9
|
-
|
0,94 (0,94)
|
-
|
1-00
|
0,94
|
1-00
|
|
Очистка площади котлована от снега за
два прохода бульдозера
|
1000 м2
|
2,8
|
Применит. § Е2-1-35, № 4а, к = 2
|
-
|
0,40 (0,40)
|
-
|
0-42,4
|
-
|
1,12 (1,12)
|
-
|
1-18,7
|
1,12
|
1-18,7
|
|
Рыхление мерзлого грунта на поверхности
котлована на глубину 0,7 м за два прохода бульдозера-рыхлителя
|
100 м3
|
12,6
|
§ Е2-1-2, т. 2, № 1б
|
-
|
1,2 (1,2)
|
-
|
1-27
|
-
|
15,12 (15,12)
|
-
|
16-00
|
19,64
|
20-62
|
|
Разработка грунта в котловане
экскаватором прямая лопата с ковшом вместимостью 0,65 м3
|
|
|
|
|
|
|
|
|
|
|
|
|
|
|
грунт IIм группы
|
100 м3
|
6,3
|
§ Е2-1-8, т. 7, № 2в
|
-
|
1,7 (1,7)
|
-
|
1-80
|
-
|
10,71 (10,71)
|
-
|
11-34
|
10,71
|
11-34
|
|
грунт II группы
|
100 м3
|
42,8
|
§ Е2-1-8, т. 7, № 2б
|
-
|
1,4 (1,4)
|
-
|
1-48
|
-
|
59,92 (59,92)
|
-
|
63-34
|
58,03
|
63-34
|
|
Разгрузка и погрузка
автомобиля-самосвала грузоподъемностью 5 т
|
т
|
9329
|
ЕН от 13.03.87 № 153/6-142
|
-
|
0,031 (0,031)
|
-
|
0-02,35
|
-
|
289,19
|
-
|
219-23
|
275,19
|
219-23
|
|
Транспортирование грунта
автомобилями-самосвалами грузоподъемностью 5 т на расстояние 1,5 км
|
т·км
|
13993
|
ЕН от 13.03.87 № 153/6-142
|
-
|
0,01 (0,01)
|
-
|
0-00,78
|
-
|
139,93
|
-
|
109-14
|
137,25
|
109-14
|
|
Зачистка дна котлована бульдозером за
два прохода
|
1000 м2
|
13,1
|
Применит. § Е2-1-36, № 4а, к = 2
|
-
|
0,54 (0,54)
|
-
|
0-57,2
|
-
|
7,07
|
-
|
7-49
|
10,07
|
10-57
|
|
Очистка от снега землевозных дорог
бульдозером за два прохода
|
1000 м2
|
11,3
|
Применит. § Е2-1-35, № 4а, к = 2
|
-
|
0,40 (0,40)
|
-
|
0-42,4
|
-
|
4,52
|
-
|
4-79
|
9,57
|
10-04
|
|
Итого:
|
|
|
|
|
|
|
|
|
|
|
|
|
|
|
На объем работ
|
100 м3
|
49,1
|
-
|
-
|
-
|
-
|
-
|
-
|
532,24 (532,24)
|
-
|
437-46
|
526,24
|
450-42
|
|
На конечный измеритель (1000 м3
грунта)
|
1000 м3
|
1,0
|
-
|
-
|
-
|
-
|
-
|
-
|
108,39 (108,39)
|
-
|
89-09
|
107,2
|
91-73
|
4.2.
ВАРИАНТ II
Таблица 4
|
Наименование процесса
|
Единица измерения
|
Объем работ
|
Обоснование
(ЕНиР и др. нормы)
|
Норма времени
|
Расценка, руб.-коп.
|
Затраты труда
|
Заработная плата, руб.-коп.
|
Время пребывания машины на объекте, маш.-ч
|
Заработная
плата машиниста с учетом пребывания машины на объекте, руб.-коп.
|
|
рабочих, чел.-ч
|
машиниста, чел.-ч (маш.-ч)
|
рабочих
|
машиниста
|
рабочих, чел.-ч
|
машиниста, чел.-ч (маш.-ч)
|
рабочих
|
машиниста
|
|
Срезка растительного слоя грунта с
поверхности котлована
|
1000 м2
|
1,9
|
§ Е2-1-5, № 2а
|
-
|
0,69 (0,69)
|
-
|
0-73,1
|
-
|
1,31 (1,31)
|
-
|
1-39
|
1,31
|
1-39
|
|
Перемещение растительного слоя на
расстояние 20 м
|
100 м3
|
3,8
|
§ Е2-1-22, т. 2, № 3а + 3г
|
-
|
1,03 (1,03)
|
|
1-09,7
|
-
|
3,91 (3,91)
|
-
|
4-17
|
3,91
|
4-17
|
|
Рыхление грунта на поверхности
котлована для предохранения от промерзания на глубину 0,35 м
|
100 м3
|
6,3
|
§ Е2-1-1, т. 2, № 2а
|
-
|
0,15 (0,15)
|
-
|
0-15,9
|
-
|
0,94 (0,94)
|
-
|
1-00
|
0,94
|
1-00
|
|
Очистка площади котлована от снега
бульдозером за два прохода
|
1000 м2
|
2,8
|
§ Е2-1-35, № 3а, к = 2
|
-
|
0,42 (0,42)
|
-
|
0-44,6
|
-
|
1,17 (1,17)
|
-
|
1-25
|
1,17
|
1-25
|
|
Рыхление мерзлого грунта на поверхности
котлована на глубину 0,7 м за два прохода бульдозера-рыхлителя
|
100 м3
|
12,6
|
§ Е2-1-2, т. 2, № 1б
|
-
|
1,20 (1,20)
|
-
|
1-27
|
-
|
15,12 (15,12)
|
-
|
16-00
|
19,64
|
20-78
|
|
Разработка
грунта в котловане экскаватором прямая лопата с ковшом вместимостью 1,0 м3
|
|
|
|
|
|
|
|
|
|
|
|
|
|
|
грунт IIм группы
|
100 м3
|
6,3
|
§ Е2-1-8, т. 3, № 6в
|
-
|
3,2 (1,6)
|
-
|
3-15
|
-
|
20,16 (20,16)
|
-
|
19-84
|
10,08
|
19-84
|
|
грунт II группы
|
100 м3
|
42,8
|
§ Е2-1-8, т. 3, № 6б
|
-
|
2,6 (1,3)
|
-
|
2-66
|
-
|
111,28 (55,64)
|
-
|
113-84
|
48,84
|
113-84
|
|
Разгрузка и
погрузка автомобиля-самосвала грузоподъемностью 7 т
|
т
|
9329
|
ЕН от 13.03.87 № 153/6-142
|
-
|
0,029 (0,029)
|
-
|
0-02,19
|
-
|
270,54 (270,54)
|
-
|
204-30
|
253,54
|
204,30
|
|
Транспортирование
грунта автомобилями-самосвалами грузоподъемностью 7 т на расстояние 1,5 км
|
т·км
|
13993
|
ЕН от 13.03.87 № 153/6-142
|
-
|
0,0076 (0,0076)
|
-
|
0-00,58
|
-
|
106,34 (106,34)
|
-
|
81-15
|
99,98
|
81-15
|
|
Зачистка дна
котлована бульдозером за два прохода
|
1000 м2
|
13,1
|
Применит. § Е2-1-36, № 3а, к = 2
|
-
|
0,56 (0,56)
|
-
|
0-59,4
|
-
|
7,33
|
-
|
7-78
|
8,99
|
9-52
|
|
Очистка
землевозных дорог от снега бульдозером за два прохода
|
1000 м2
|
11,3
|
Применит. § Е2-1-35, № 3а, к = 2
|
-
|
0,42 (0,42)
|
-
|
0-44,6
|
-
|
4,74 (4,74)
|
-
|
5-04
|
5,74
|
6-08
|
|
Итого:
|
|
|
|
|
|
|
|
|
|
|
|
|
|
|
На объем работ
|
100 м3
|
49,1
|
-
|
-
|
-
|
-
|
-
|
-
|
542,84 (477,12)
|
-
|
455-76
|
454,14
|
463-32
|
|
На конечный измеритель (1000 м3
грунта)
|
1000 м3
|
1,0
|
-
|
-
|
-
|
-
|
-
|
-
|
110,55 (97,17)
|
-
|
92-82
|
92,49
|
94-36
|
4.3.
ВАРИАНТ III
Таблица 5
|
Наименование
процесса
|
Единица
измерения
|
Объем
работ
|
Обоснование
(ЕНиР и др. нормы)
|
Норма
времени
|
Расценка, руб.-коп.
|
Затраты
труда
|
Заработная плата, руб.-коп.
|
Время пребывания машины на объекте, маш.-ч
|
Заработная плата машиниста с учетом
пребывания машины на объекте, руб.-коп.
|
|
рабочих,
чел.-ч
|
машиниста,
чел.-ч (маш.-ч)
|
рабочих
|
машиниста
|
рабочих,
чел.-ч
|
машиниста, чел.-ч (маш.-ч)
|
рабочих
|
машиниста
|
|
Срезка растительного слоя грунта с
поверхности котлована
|
1000 м2
|
1,9
|
§ Е2-1-5, № 3а
|
-
|
0,66 (0,66)
|
-
|
0-70
|
-
|
1,25 (1,25)
|
-
|
1-33
|
1,25
|
1-33
|
|
Перемещение растительного слоя на
расстояние 20 м
|
100 м3
|
3,8
|
§ Е2-1-22, т. 2, № 5а + 5г
|
-
|
0,65 (0,65)
|
-
|
0-68,9
|
-
|
2,47 (2,47)
|
-
|
2-62
|
2,47
|
2-62
|
|
Рыхление грунта на поверхности
котлована для предохранения от промерзания на глубину 0,35 м
|
100 м3
|
6,3
|
§ Е2-1-1, т. 2, № 2а
|
-
|
0,15 (0,15)
|
-
|
0-15,9
|
-
|
0,94 (0,94)
|
-
|
1-00
|
0,94
|
1-00
|
|
Очистка площади котлована от снега
бульдозером за два прохода
|
1000 м2
|
2,8
|
Применит. § Е2-1-35, № 4а, к = 2
|
-
|
0,40 (0,40)
|
-
|
0-42,4
|
-
|
1,12 (1,12)
|
-
|
1-18,7
|
1,12
|
1-18,7
|
|
Рыхление мерзлого грунта на поверхности
котлована на глубину 0,7 м за два прохода бульдозера-рыхлителя
|
100 м3
|
12,6
|
§ Е2-1-2, т. 2, № 1б
|
-
|
1,20 (1,20)
|
-
|
1-27
|
-
|
15,12 (15,12)
|
-
|
16-00
|
24,55
|
25-77
|
|
Разработка грунта экскаватором обратная
лопата с ковшом вместимостью 0,65 м3
|
|
|
|
|
|
|
|
|
|
|
|
|
|
|
грунт IIм группы
|
100 м3
|
6,3
|
§ Е2-1-11, т. 7, № 5в
|
-
|
2,8 (2,8)
|
-
|
2-97
|
-
|
17,64 (17,64)
|
-
|
18-71
|
15,64
|
18-71
|
|
грунт II группы
|
100 м3
|
42,8
|
§ Е2-1-11, т. 7, № 5б
|
-
|
2,2 (2,2)
|
-
|
2-33
|
-
|
94,16 (94,16)
|
-
|
99-72
|
82,56
|
99-72
|
|
Разгрузка и
погрузка автомобиля-самосвала грузоподъемностью 5 т
|
т
|
9329
|
ЕН от 13.03.87
№ 153/6-14
|
-
|
0,031
(0,031)
|
-
|
0-02,35
|
-
|
289,19
|
-
|
219-23
|
271,19
|
219-23
|
|
Транспортирование
грунта автомобилями-самосвалами грузоподъемностью 5,5 т на расстояние 1,5 км
|
т км
|
13993
|
ЕН от 13.03.87
№ 153/6-142
|
-
|
0,01 (0,01)
|
-
|
0-00,78
|
-
|
139,93
|
-
|
109-14
|
121-61
|
109-14
|
|
Зачистка дна
котлована бульдозером за два прохода
|
1000 м2
|
13,1
|
Применит. §
Е2-1-36, № 4а, к = 2
|
-
|
0,54 (0,54)
|
-
|
0-57,2
|
-
|
7,07
|
-
|
7-49
|
14,07
|
14-77
|
|
Очистка
землевозных дорог от снега бульдозером за два прохода
|
1000 м2
|
11,3
|
Применит. §
Е2-1-35, № 4а, к = 2
|
-
|
0,40 (0,40)
|
-
|
0-42,4
|
-
|
4,52
|
-
|
4-79
|
10,48
|
11-00
|
|
Итого:
|
|
|
|
|
|
|
|
|
|
|
|
|
|
|
На объем работ
|
100 м3
|
49,1
|
-
|
-
|
-
|
-
|
-
|
-
|
573,41 (573,41)
|
-
|
481-21
|
545,88
|
504-48
|
|
На конечный
измеритель (1000 м3 грунта)
|
1000 м3
|
1,0
|
-
|
-
|
-
|
-
|
-
|
-
|
116,78
(116,78)
|
-
|
98-00
|
111,4
|
102-74
|
5.1. ВАРИАНТ 1
Таблица
6

5.2. ВАРИАНТ 2
Таблица
7

5.3. ВАРИАНТ 3
Таблица
8

6.1. Формирование комплекса машин и
механизмов произведено в соответствии с указаниями «Методических рекомендаций
по построению комплексно-механизированных процессов производства земляных
работ» (ЦНИИОМТП Госстроя СССР, Москва, 1982 г.).
6.2. Потребность в машинах, механизмах,
инструменте приведена в табл. 9.
Таблица 9
|
Наименование
|
Марка, техническая характеристика
|
Количество по вариантам
|
Назначение
|
|
I
|
II
|
III
|
|
Экскаватор
|
ЭО-4112 с
оборудованием прямая лопата с ковшом вместимостью 0,65 м3
|
2
|
-
|
-
|
Разработка
грунта
|
|
Экскаватор
|
ЭО-4125 с
оборудованием обратная лопата с ковшом вместимостью 1,0 м3
|
-
|
-
|
2
|
То же
|
|
Экскаватор
|
Э-10011А с
оборудованием прямая лопата с ковшом вместимостью 1,0 м3
|
-
|
2
|
-
|
-"-
|
|
Автомобиль-самосвал
|
КамАЗ 55102
грузоподъемностью 7 т
|
-
|
12
|
-
|
Транспортирование
грунта
|
|
Бульдозер-рыхлитель
|
ДП-15
(бульдозер ДЗ-54С и рыхлитель ДП-5С на базе гусеничного трактора Т-100МЗГП)
|
-
|
1
|
-
|
Зачистка дна
котлована. Рыхление грунта
|
|
Бульдозер-рыхлитель
|
ДЗ-117А
(бульдозер ДЗ-109 и рыхлитель ДП-26С на базе гусеничного трактора Т-130М.Г-1)
|
1
|
-
|
1
|
То же
|
|
Автомобиль-самосвал
|
ЗИЛ-ММЗ-45021
грузоподъемностью 5 т
|
12
|
-
|
8
|
Транспортирование
грунта
|
|
Теодолит
|
ГОСТ 10529-86
|
1
|
1
|
1
|
Геодезические
работы
|
|
Нивелир
|
НВ1 ГОСТ 10528-76
|
1
|
1
|
1
|
То же
|
|
Нивелирная
рейка
|
ГОСТ 11158-83
|
1
|
1
|
1
|
-"-
|
|
Рулетка
стальная
|
РС-20 ГОСТ 7502-80
|
1
|
1
|
1
|
-"-
|
6.3. Потребность в эксплуатационных
материалах на 1000 м грунта приведена в табл. 10.
Таблица 10
|
Наименование
топливо-смазочного материала
|
Наименование механизма
|
Марка механизма
|
Норма на 1 ч работы машины, кг
|
Количество по вариантам, кг
|
|
I
|
II
|
III
|
|
Дизельное
топливо
|
Экскаватор
|
ЭО-4112
|
7,9
|
|
|
|
|
Экскаватор
|
ЭО-4125
|
9,8
|
|
|
|
|
Экскаватор
|
Э-10011А
|
8,9
|
|
|
|
|
Бульдозер
|
ДЗ-54с
|
7,4
|
|
|
|
|
Бульдозер
|
ДЗ-109
|
8,4
|
189
|
1632
|
264
|
|
Автомобиль-самосвал
на 100 км пробега
|
КамАЗ-55102
|
31
|
|
|
|
|
Моторное масло
|
Экскаватор
|
ЭО-4112
|
0,4
|
|
|
|
|
Экскаватор
|
ЭО-4125
|
0,5
|
|
|
|
|
Экскаватор
|
Э-10011А
|
0,45
|
|
|
|
|
Бульдозер
|
ДЗ-54с
|
0,37
|
|
|
|
|
Бульдозер
|
ДЗ-109
|
0,42
|
83
|
78
|
88
|
|
Автомобиль-самосвал
на 100 км пробега
|
КамАЗ-55102
|
1,6
|
|
|
|
|
Автомобиль-самосвал
на 100 км пробега
|
ЗИЛ-ММЗ-45021
|
1,7
|
|
|
|
|
Трансмиссионное
масло
|
Экскаватор
|
ЭО-4112
|
0,08
|
|
|
|
|
Экскаватор
|
ЭО-4125
|
0,1
|
|
|
|
|
Экскаватор
|
Э-10011А
|
0,09
|
|
|
|
|
Трансмиссионное
масло
|
Бульдозер
|
ДЗ-54с
|
0,07
|
18
|
17
|
19
|
|
Бульдозер
|
ДЗ-109
|
0,09
|
|
|
|
|
Автомобиль-самосвал
на 100 км пробега
|
КамАЗ-55102
|
0,34
|
|
|
|
|
Автомобиль-самосвал
на 100 км пробега
|
ЗИЛ-555-45021
|
0,37
|
|
|
|
|
Пластичная
смазка
|
Экскаватор
|
ЭО-4112
|
0,12
|
|
|
|
|
Экскаватор
|
ЭО-4125
|
0,15
|
|
|
|
|
Экскаватор
|
Э-10011А
|
0,13
|
|
|
|
|
Бульдозер
|
ДЗ-54с
|
0,10
|
|
|
|
|
Бульдозер
|
ДЗ-109
|
0,13
|
17
|
25
|
28
|
|
Автомобиль-самосвал
на 100 км пробега
|
КамАЗ-55102
|
0,51
|
|
|
|
|
Автомобиль-самосвал
на 100 км пробега
|
ЗИЛ-ММЗ-54021
|
0,55
|
|
|
|
|
Бензин
|
Экскаватор
|
ЭО-4112
|
0,35
|
|
|
|
|
Экскаватор
|
ЭО-4125
|
0,44
|
|
|
|
|
Экскаватор
|
Э-10011А
|
0,44
|
|
|
|
|
Бульдозер
|
ДЗ-54с
|
0,33
|
|
|
|
|
Бульдозер
|
ДЗ-109
|
0,38
|
1599
|
69
|
1604
|
|
Автомобиль-самосвал
на 100 км пробега
|
КамАЗ-55102
|
1,4
|
|
|
|
|
Автомобиль-самосвал
на 100 км пробега
|
ЗИЛ-555-45021
|
34
|
|
|
|
При
выполнении работ следует соблюдать требования СНиПа III-4-80 «Техника
безопасности в строительстве».
Разрешается
работать только на исправных машинах.
Машины
с топливными баками и обогревающими устройствами, в том числе для обогрева
кабины машиниста, должны быть снабжены огнетушителями.
Категорически
запрещается разогревать двигатель зимой огнем. Для разогрева его следует залить
в радиатор горячую воду, а в картер - подогретое масло.
Заправлять
бак машины топливом разрешается только при остановленном двигателе.
Крутизну
откосов котлована в сезонно-мерзлых грунтах следует назначать такой же, как для
талых грунтов.
Во
время работы экскаватора запрещается изменять вылет стрелы и регулировать
тормоза при заполненном ковше.
Во
избежание повреждения рабочего оборудования платформу экскаватора с наполненным
ковшом можно поворачивать только после выхода ковша из забоя.
Перед
кратковременной остановкой или по окончании работ стрелу экскаватора следует
расположить вдоль оси, а ковш опустить на землю.
При
совместном использовании экскаватора и бульдозера последний не должен
находиться в радиусе действия стрелы экскаватора.
Находиться
под поднятым отвалом бульдозера, удерживаемым только стальным канатом или
гидравлическим приводом, запрещается. При необходимости выполнения работ под
поднятым отвалом его поддерживают специальными упорами или устанавливают на
клеть из брусьев.
|
Наименование
|
Единица измерения
|
Количество по
вариантам
|
|
1
|
2
|
3
|
|
Затраты
машинного времени
|
маш.-ч
|
107,2
|
92,28
|
111,4
|
|
в
том числе в зимний период
|
маш.-ч
|
106,22
|
91,03
|
110,22
|
|
Заработная
плата
|
руб.-коп.
|
91-73
|
94-36
|
102-74
|
|
в
том числе в зимний период
|
руб.-коп.
|
90-72
|
93-02
|
101-73
|
|
Продолжительность работ
|
смена
|
1,1
|
1,08
|
1,5
|
|
в том числе в зимний период
|
смена
|
1
|
0,87
|
1,4
|
|
Выработка
на одного рабочего в смену
|
м3
|
74,6
|
86,7
|
71,8
|
|
Условные
затраты на механизацию
|
руб.-коп.
|
627-27
|
627-15
|
688-11
|
|
в
том числе в зимний период
|
руб.-коп.
|
623-21
|
623-46
|
684-05
|
|
в
том числе на транспортирование грунта автомобилями-самосвалами
|
руб.-коп.
|
545-50
|
545-50
|
545-50
|
|
Прямые
затраты
|
руб.-коп.
|
719-00
|
721-57
|
790-84
|
|
в
том числе в зимний период
|
руб.-коп.
|
713-93
|
716-48
|
785-78
|
|
Приведенные
затраты
|
руб.-коп.
|
751-03
|
748-02
|
840-67
|
|
в
том числе в зимний период
|
руб.-коп.
|
744-78
|
742-09
|
834-56
|
|
Эффективность
комплексно-механизированного технологического процесса
|
руб.-коп.
|
-
3-01
|
-
|
-
92-65
|
Примечание.
Показатели рассчитаны на законченный результат комплексно-механизированного
технологического процесса - 1000 м3 разработанного грунта
СОДЕРЖАНИЕ
| |
|