//
ТехЛит.ру
- крупнейшая бесплатная электронная интернет библиотека для "технически умных" людей.
WWW.TEHLIT.RU - ТЕХНИЧЕСКАЯ ЛИТЕРАТУРА

:: Алготрейдинг::


АЛГОТРЕЙДИНГ
шаг за шагом
с нуля по урокам!

Торговые роботы на PYTHON, BackTrader,
Pandas, Pine Script для TradingView. Связка с брокерами, телеграм и легкими приложениями.


Государственный проектный институт Ленинградский Промстройпроект Госстроя СССР

Центральный научно-исследовательский и проектно-экспериментальный институт промышленных зданий и сооружений Госстроя СССР

Научно-исследовательский институт бетона и железобетона Госстроя СССР

РУКОВОДСТВО
по конструированию
БЕТОННЫХ И ЖЕЛЕЗОБЕТОННЫХ КОНСТРУКЦИЙ
ИЗ ТЯЖЕЛОГО БЕТОНА
(БЕЗ ПРЕДВАРИТЕЛЬНОГО НАПРЯЖЕНИЯ)

МОСКВА СТРОЙИЗДАТ 1978

ПРЕДИСЛОВИЕ

В настоящем Руководстве изложены основные принципы конструирования наиболее массовых элементов из тяжелого бетона, а также приведены подробные данные по армированию конструкций, анкеровке и стыковке арматуры, конструированию арматурных изделий и закладных деталей и др.

Настоящее Руководство можно использовать и при конструировании предварительно напряженных элементов (в части обычной арматуры) наряду с указаниями специальных руководств.

Руководство разработано в соответствии с положениями главы СНиП II-21-75 «Бетонные и железобетонные конструкции».

Буквенные обозначения, приведенные без пояснения, соответствуют обозначениям главы СНиП II-21-75.

Приведенные в Руководстве рисунки не должны рассматриваться как примеры графического оформления рабочих чертежей.

Руководство разработано ГПИ Ленинградский Промстройпроект (инж. Г.Г. Виноградов) с участием ЦНИИпромзданий и НИИЖБ Госстроя СССР. При этом были использованы материалы НИЛФХММа и ТПа Главмоспромстройматериалов, КТБ Мосоргстройматериалов и Гипростроммаша Минстройдормаша СССР.

Замечания и предложения по Руководству просьба направлять по адресу: 196190, Ленинград, Ленинский проспект, д. 160, Ленинградский Промстройпроект.

Рекомендовано к изданию решением технического совета Ленинградского Промстройпроекта.

Руководство по конструированию бетонных и железобетонных конструкций из тяжелого бетона (без предварительного напряжения / ГПИ Ленингр. Промстройпроект Госстроя СССР, ЦНИИпромзданий Госстроя СССР, НИИЖБ Госстроя СССР. - М.: Стройиздат, 1978.

Руководство содержит положения главы СНиП II-21-75 и материал, необходимый проектировщикам, занимающимся конструированием бетонных и железобетонных элементов зданий различного назначения, в основном для промышленного строительства. Приведены способы конструирования наиболее распространенных конструкций сборного и монолитного исполнения с армированием как сварными, так и вязаными арматурными каркасами и сетками.

Даются также рекомендации по проектированию арматурных изделий и закладных деталей.

Руководство предназначено для инженеров и техников - проектировщиков, а также для студентов строительных вузов.

1. ОСНОВНЫЕ ПОЛОЖЕНИЯ

1.1. Настоящее Руководство распространяется на конструирование бетонных и железобетонных элементов без предварительного напряжения, выполняемых из тяжелого бетона для зданий и сооружений, эксплуатируемых при систематическом воздействии температур не выше 50 и не ниже минус 70 °С.

Примечание. Руководство не распространяется на конструирование элементов гидротехнических сооружений, мостов, транспортных тоннелей, труб под насыпями, покрытий автомобильных дорог и аэродромов, а также армоцементных конструкций и конструкций из специальных бетонов.

1.2. Руководство ориентировано в основном на проектировщиков, занимающихся конструированием бетонных и железобетонных элементов зданий и сооружений для промышленного строительства. Однако материал Руководства может быть использован и при конструировании элементов конструкций другого назначения.

1.3. При пользовании настоящим Руководством необходимо соблюдать требования государственных стандартов на арматуру, на арматурные изделия и закладные детали, а также на сварные соединения.

1.4. Проектирование бетонных и железобетонных конструкций зданий и сооружений, предназначенных для работы в условиях агрессивной среды и повышенной влажности, должно вестись с учетом дополнительных требований, предъявляемых главой СНиП по защите строительных конструкций от коррозии.

1.5. Выбор конструктивных решений армирования должен производиться исходя из технико-экономической целесообразности применения арматуры в конкретных условиях строительства с учетом максимального снижения металлоемкости, трудоемкости и стоимости арматурных изделий и, следовательно, строительства в целом, что может быть достигнуто путем применения эффективных видов арматуры и арматурных сталей, снижения веса арматурных изделий, наиболее полного обеспечения технологичности и механизации арматурных работ.

1.6. Элементы сборных конструкций должны отвечать условиям механизированного изготовления на специализированных предприятиях.

Сборные конструкции целесообразно при конструировании предусматривать максимально крупными, насколько это позволяют грузоподъемность монтажных механизмов, условия изготовлении и транспортирования.

1.7. Для монолитных конструкций следует предусматривать унифицированные размеры, позволяющие применять инвентарную опалубку, а также укрупненные пространственные арматурные каркасы.

1.8. Для обеспечения условий качественного изготовления конструкции, требуемой их долговечности и совместной работы арматуры и бетона следует выполнять конструктивные требования, изложенные в настоящем Руководстве.

1.9. Для железобетонных конструкций, конструируемых в соответствии с требованиями настоящего Руководства, применяются тяжелые бетоны, характеристики которых приведены в главе СНиП II-21-75.

1.10. Объемная масса тяжелого вибрированного бетона на гравии или щебне из природного камня принимается равной 2400 кгс/м3.

Объемная масса железобетона при содержании арматуры 3 % и менее может приниматься равной 2500 кгс/м3; при содержании арматуры более 3 % объемная масса должна определяться как сумма масс бетона и арматуры на единицу объема железобетонной конструкции.

1.11. В качестве арматуры железобетонных конструкций следует преимущественно применять:

а) горячекатаную арматуру класса A-III и термически упрочненную стержневую свариваемую арматуру класса Aт-III;

б) обыкновенную арматурную проволоку диаметром 3 - 5 мм классов Вр-I и В-I (в сварных сетках и каркасах).

Допускается также применять:

в) горячекатаную арматуру классов А-II, Ас-II и A-I в основном для поперечной арматуры линейных элементов, для конструктивной и монтажной арматуры, а также в качестве продольной рабочей арматуры в случаях, когда использование других видов арматуры нецелесообразно или не допускается;

г) обыкновенную арматурную проволоку класса В-I диаметром 3 - 5 мм для вязаных хомутов балок высотой до 400 мм и колонн;

д) горячекатаную арматуру классов A-IV, A-V и термически упрочненную классов Aт-IV и Aт-V, а также упрочненную вытяжкой класса А-IIIв только для продольной рабочей арматуры вязаных каркасов и сеток. Арматура этих классов может использоваться в качестве сжатой арматуры, а классов A-IIIв, A-IV, Aт-IV и в качестве растянутой арматуры.

Арматуру классов A-III, Aт-III, A-II, Ас-II и А-I рекомендуется применять в виде сварных каркасов и сварных сеток.

Арматуру классов A-III, Ат-III, А-IIIв, A-IV, A-V, Ат-IV и Aт-V рекомендуется применять при условии удовлетворения требований расчетов в частности по трещиностойкости.

Примечание. В дальнейшем в настоящем Руководстве для краткости используются следующие термины: «стержень» - для обозначения арматуры любого диаметра, вида и профиля независимо от того, поставляется ли она в прутках или в мотках (бунтах); «диаметр» (d), если не оговорено особо, означает номинальный диаметр стержня.

1.12. В конструкциях с ненапрягаемой арматурой, находящихся под давлением газов или жидкостей, следует применять:

а) горячекатаную арматуру классов А-II и А-I (преимущественно);

б) горячекатаную арматуру класса А-III и термически упрочненную класса Ат-III;

в) обыкновенную арматурную проволоку классов Вр-I и В-I.

1.13. Данные по арматуре приведены в прил. 1. При выборе вида и марки стали для арматуры, а также для закладных деталей, устанавливаемых по расчету, должны учитываться температурные условия эксплуатации конструкций и характер их нагружения согласно прил. 2 и 3.

2. ИЗДЕЛИЯ ДЛЯ БЕТОННЫХ И ЖЕЛЕЗОБЕТОННЫХ КОНСТРУКЦИЙ

общие указания

2.1. Изделия, применяемые в железобетонных конструкциях, подразделяются на:

а) арматурные изделия:

отдельные арматурные стержни;

плоские и рулонные арматурные сетки (в дальнейшем просто сетки);

пространственные арматурные каркасы (в дальнейшем просто каркасы);

б) закладные детали;

в) приспособления для фиксации арматуры и закладных деталей;

г) приспособления для строповки элементов сборных конструкций.

Примечание. Здесь и далее в настоящем Руководстве используются следующие термины: сетки - для обозначения любых плоских арматурных изделий, в том числе и так называемых плоских тарных каркасов; каркасы - для обозначения исключительно пространственных арматурных изделий.

2.2. При конструировании следует преимущественно применять типовые арматурные изделия, разработанные в соответствующих ГОСТах.

Если типовые изделия по своим параметрам не пригодны для применения в конкретных условиях, то допускается применять индивидуальные изделия, которые рекомендуется конструировать по аналогии с типовыми и в соответствии с указаниями настоящего Руководства. При этом необходимо стремиться к максимальной унификации изделий (в том числе размеров, шагов и диаметров продольной и поперечной арматуры) и к возможности изготовления их современными индустриальными способами. Изделия должны быть также удобны при транспортировании, складировании и укладке в форму.

2.3. Арматуру железобетонных элементов следует конструировать преимущественно, а линейных железобетонных элементов, как правило, в виде каркасов.

2.4. В рабочих чертежах арматурных изделий и закладных деталей следует указывать способы соединения стержней и их пересечений: какие пересечения должны быть сварными с нормируемой или ненормируемой прочностью, какие могут скрепляться вязальной проволокой или вообще не скрепляться.

2.5. Арматура железобетонных конструкций из горячекатаной стали периодического профиля, горячекатаной гладкой стали и обыкновенной арматурной проволоки должна, как правило, изготовляться с применением для соединения стержней контактной сварки точечной и стыковой, а также в указанных ниже случаях дуговой (ванной и протяженными швами) сварки.

Сварные соединения стержневой, термически упрочненной арматуры, как правило, не допускаются.

Типы сварных соединений арматуры и закладных деталей должны назначаться в соответствии с техническими требованиями и указаниями соответствующих государственных стандартов и нормативных документов на арматурные изделия, сварную арматуру и закладные детали для железобетонных конструкций. Основные типы сварных соединений стержневой арматуры и элементов закладных деталей приведены в прил. 4.

2.6. Контактная точечная сварка применяется при изготовлении сварных каркасов, сеток и закладных деталей с нахлесточными соединениями стержней.

2.7. Контактная стыковая сварка применяется для соединения по длине заготовок арматурных стержней. Диаметр соединяемых стержней при этом должен быть не менее 10 мм.

Контактную сварку стержней диаметром менее 10 мм допускается применять только в заводских условиях при наличии специального оборудования.

2.8. При отсутствии оборудования для контактной сварки допускается применять дуговую сварку в следующих случаях:

а) для соединения по длине заготовок арматурных стержней из горячекатаных сталей диаметром 8 мм и более;

б) при выполнении сварных соединений с нормируемой прочностью в сетках и каркасах с принудительным формированием шва в инвентарной форме или с обязательными дополнительными конструктивными элементами в местах соединения стержней продольной и поперечной арматуры (косынки, лапки, крюки и т.п.);

в) при выполнении крестообразных соединений стержней без дополнительных конструктивных элементов (косынок, лапок, крюков и т.д.) только для соединений с ненормируемой прочностью (имеющих монтажное значение).

2.9. При конструировании арматурных изделий и закладных деталей следует стремиться к сокращению числа их типоразмеров как в пределах железобетонного элемента, так и в пределах ряда железобетонных конструкций.

2.10. Применение вязаной арматуры допускается при отсутствии оборудования для контактной точечной сварки, а также для элементов монолитных конструкций сложной конфигурации, для плит с большим числом неупорядоченных отверстий различных размеров и форм, при невозможности многократно использовать данную марку арматурного изделия или при наличии специальных требований, связанных с условиями изготовления, эксплуатации и др.

2.11. Арматурные каркасы рекомендуется конструировать на весь железобетонный элемент или на его часть.

ОТДЕЛЬНЫЕ АРМАТУРНЫЕ СТЕРЖНИ

2.12. Отдельные стержни для армирования конструкций изготовляются из арматуры, сортамент которой приведен в прил. 5 и 6.

2.13. Длина отдельных стержней практически может приниматься любой, так как для реализации отрезков, получающихся при заготовке стержней, их соединяют контактной стыковой сваркой с целью последующей безотходной разрезки. При составлении спецификации арматуры это не учитывается. Длина отдельных стержней ограничивается условиями транспортировки, удобством укладки и пр.

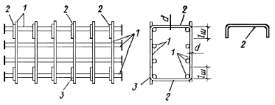
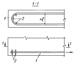
Некоторые часто встречающиеся в практике гнутые арматурные стержни показаны на рис. 1.

2.14. Длины стержней 1 - 9, приведенных на рис. 1, определяются соответственно по следующим формулам:

;                                           (1)

;                                                (2)

;                                                 (3)

;                                               (4)

;                                                     (5)

;                                                (6)

в стержнях 4 и 6 сторона с составляет:;

                                                      (7)

;                                             (7*)

;                                               (8)

;                                       (8*)

.                                             (9)

Элементы прямого отгиба (стержень 7*) составляют:

при

R = 5d: lо.п = 8,35d, tо.п = 6d;

при

R = 10d: lо.п = 16,21d, tо.п = 11d;

при

R = 15d: lо.п = 24,10d, tо.п = 16d;

Элементы наклонного отгиба (стержень 8*) составляют:

при

R = 10d:

a = 30° lо.п = 5,24d, tо.п = 2,68d;

a = 45° lо.п = 7,85d, tо.п = 4,14d;

a = 60° lо.п = 10,47d, tо.п = 5,77d;

при

R = 15d:

a = 30° lо.п = 7,86d, tо.п = 4,02d;

a = 45° lо.п = 11,78d, tо.п = 6,21d;

a = 60° lо.п = 15,70d, tо.п = 8,65d;

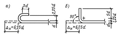
Рис. 1. Гнутые арматурные стержни

а - хомуты и шпильки; б - прямые отгибы; в - наклонные отгибы; г - кольцевой стержень; 1 - хомут элемента, рассчитанного на кручение; 2 - закрытый хомут; 3 - открытый хомут: 4 - ромбовидный хомут; 5, 6 - шпильки; 7, 8 - гнутый стержень диаметром 18 и менее мм; 7*, 8* - то же, диаметром 20 и более мм

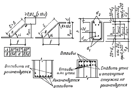
Горизонтальная проекция и длина наклонного участка стержни при d £ 18 составляют:

a = 30°: f = 1,73hотг, s = 2hотг;

a = 45°: f = hотг, s = 1,41hотг;

a = 60°: f = 0,58hотг, s = 1,15hотг,

а при d ³ 20 составляют:

a = 30°: f = 1,73(hотг - d), c = 2hотг;

a = 45°: f = hотг - d, c = 1,41(hотг - d) - 2tо.п;

a = 60°: f = 0,58(hотг - d), s = 1,15(hотг - d) - 2tо.п.

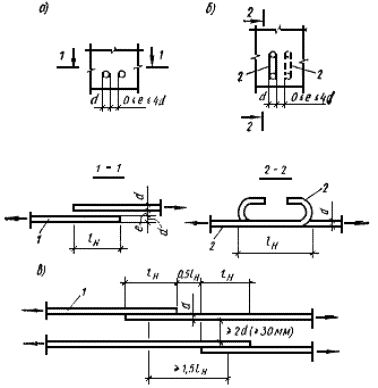
Рис. 2. Размеры крюков и лапок на концах круглых гладких стержней рабочей арматуры

a - крюк; б - лапка

2.15. Стержни периодического профиля выполняются без крюков.

Растянутые гладкие стержни, применяемые в качестве вязаной арматуры, должны заканчиваться полукруглыми крюками, лапками или петлями.

2.16. Размеры крюков и лапок на концах стержней приведены на рис. 2.

Добавка к длине стержня на крюки или лапки Dк принимается по табл. 1, а на крюки к длине хомута Dх - по табл. 2.

Таблица 1

Число крюков (лапок)

Добавка на крюки и лапки Dк, мм, к длине продольного стержня при диаметре стержня, мм

6

8

10

12

14

16

18

20

22

25

28

32

36

40

На 1 крюк или 1 лапку 6,25d

40

50

70

80

90

100

110

130

140

160

180

200

230

250

На 2 крюка или 2 лапки 12,5d

80

100

130

150

180

200

230

250

280

310

350

400

450

500

Таблица 2

Диаметр охватываемых хомутом продольных стержней, мм

Добавка Dх мм, к длине хомута на один крюк при диаметре хомута, мм

6 - 10

12

£ 25

75

90

28, 32

90

105

36, 40

105

120

При конструировании стержней, оканчивающихся петлями, диаметр петли может определяться из условия смятия бетона по следующей формуле:

                                          (10)

или по табл. 3, где приведены значения Dп/d.

Петли с диаметрами Dп > 20d применять не рекомендуется.

Здесь Dп - диаметр петли в свету;

c - расстояние между плоскостями петель в осях стержней петли;

a - расстояние от оси стержней в плоскости петли до ближайшей грани элемента.

2.17. Стержни отдельных позиций могут быть простыми, состоящими из стержня одного диаметра, или в целях экономии арматурной стали составными, состоящими по длине из стержней двух-трех разных диаметров, соединенных контактной стыковой сваркой (рис. 3). Составными могут быть только стержни из горячекатаной арматуры периодического профиля.


Таблица 3

Расположение петли в теле железобетонного элемента

Относительный диаметр петли Dп/d из арматуры класса

A-I

А-II

А-III

в железобетонных элементах из бетона марки

150

200

230

300

350

400

450

500

600

200

250

300

350

400

450

500

600

250

300

350

400

450

500

600

c = 2d или а = 2d

-

-

-

20

17

15

14

12

11

-

-

-

-

20

18

16

14

-

-

-

-

-

20

18

c = 3d или а = 3d

-

-

20

17

14

13

11

10

9

-

-

-

18

16

15

13

12

-

-

-

-

18

17

15

c = 4d или а = 4d

-

-

18

15

13

11

10

9

8

-

-

19

17

15

13

12

11

-

-

-

19

17

15

13

c = 5d или а = 5d

-

-

17

14

12

11

10

9

8

-

-

18

16

14

12

11

10

-

-

20

17

16

14

12

c = 6d или а = 6d

-

18

15

12

10

9

8

7

7

-

19

15

13

12

11

10

8

-

19

17

15

13

12

11

c =

19

15

12

10

9

8

7

6

5

19

16

13

11

10

9

8

7

20

16

14

12

11

10

9


Диаметры составного стержня и расположение в нем стыков определяются расчетом в соответствии с эпюрой действующих в конструкции усилий. Отношение диаметров стыкуемых стержней может приниматься .

В спецификациях арматуры следует давать привязку сварных стыков в пределах составного стержня.

2.18. При необходимости (например, стесненность) допускается располагать арматурные стержни попарно без зазора (рис. 4). При назначении расстояний между спаренными стержнями, при определении длины их анкеровки и нахлестки они должны рассматриваться как условный стержень с приведенным диаметром ,

где d1 и d2 - номинальные диаметры сближаемых стержней. При стержнях одинакового диаметра приведенный диаметр можно определить по формуле dпр = 1,41d.

Рис. 3. Составные отдельные стержни

а - для применения в балках; б - для применения в колоннах, подпорных стенках и т.п.; 1 - контактная стыковая сварка

Рис. 4. Групповое расположение стержней

а - вертикальные группы; б - горизонтальные группы; 1 - групповой стержень; 2 - железобетонный элемент; 3 - хомут

СЕТКИ

2.19. Сетки для армирования железобетонных конструкций в зависимости от поставки применяются рулонные (при диаметре продольных стержней 7 мм и менее) и плоские (при диаметре продольных стержней 8 мм и более).

2.20. Сварные сетки рекомендуется конструировать, как правило, с прямоугольным контуром и взаимно перпендикулярным расположением стержней. Рекомендуемые для применения сетки показаны на рис. 5.

2.21. Конструкция и размеры сетки назначаются в зависимости от вида и конструктивных особенностей армируемого элемента: сетки могут использоваться как самостоятельное изделие или как полуфабрикат, который подвергается последующей доработке (приварке дополнительных стержней, разрезке сетки, обрезке концов стержней, вырезке отверстий, приварке закладных деталей, фиксаторов, строповочных петель, гнутью, образованию каркасов и др.).

Элементы доработки сетки не включаются в чертеж сетки-полуфабриката, а должны быть разработаны на отдельном чертеже (рис. 6).

В чертежах сеток, требующих доработки, должны приводиться схемы их раскроя, а в спецификациях арматуры должен учитываться их полный вес, включая отходы, получаемые при раскрое.

2.22. В случае когда типовые или унифицированные сетки использовать не представляется возможным, рекомендуется конструировать индивидуальные сетки в соответствии с настоящим Руководством.

2.23. Минимальный размер концевых выпусков продольных и поперечных стержней в сварной сетке должен быть не менее 0,5d1 + d2 или 0,5d2 + d1 и не менее 20 мм. На концах свариваемых стержней не должно быть отгибов, крюков или петель.

Рис. 5. Основные виды сварных сеток

а - сетка, применяемая для армирования плит разной толщины, массивных и других конструкций; б - то же, для конструкций переменной ширины; в - сетка со стержнями, расположенными по эпюре изгибающих моментов, применяемая для армирования консольных конструкций, например подпорных стен; г - то же, применяемая для однопролетных плит; д, з - сетки, применяемые для армирования линейных внецентренно-сжатых конструкций, например колонн; е, ж - сетки типа «лесенка», применяемые для армирования линейных изгибаемых конструкций, например балок; и, к - сетки, применяемые для армирования балок переменной высоты

Наименьшее допустимое расстояние между осями стержней одного направления uмин и vмин должно быть 50 мм.

Соотношения диаметров свариваемых стержней следует принимать по табл. 4 (по условиям сварки).

При выборе диаметра поперечных стержней сварных сеток следует руководствоваться не только условиями сварки, но и условиями жесткости сетки в целом, обеспечение которой необходимо при погрузочно-разгрузочных работах, во время транспортировки и укладки.

Рис. 6. Виды доработки сеток

1 - основная сетка (полуфабрикат); 2 - дополнительные стержни; 3 - вырезка отверстий; 4 - дуговая сварка

2.24. Рекомендуется конструировать сетки, годные для изготовления на многоточечных машинах, при помощи контактной сварки.

Основные параметры многоточечных машин, используемых для изготовления сеток, приведены в прил. 7.

Таблица 4

Диаметр стержня одного направления d1, мм

3 - 12

14; 16

18; 20

22

25 - 32

36; 40

Наименьший допустимый диаметр стержня другого направления d2, мм

3

4

5

6

8

10

2.25. При конструировании сеток, предназначенных для изготовления на многоточечных машинах, следует руководствоваться параметрами этих машин, кроме того, нужно учитывать следующее:

а) допускается сварка крестообразных соединений стержней из разных сталей;

б) диаметр поперечных стержней d2, свариваемых в крест с продольными стержнями, допускается принимать по условиям сварки (см. табл. 4), если по расчету не требуется больший диаметр; поперечные стержни в сетке должны применяться одного диаметра и одной длины;

в) продольные стержни сетки рекомендуется применять одного диаметра.

Допускаются разные диаметры, но не более двух, причем различаться они должны не более чем в два раза; при этом два рядом расположенных стержня, считая от края, должны быть одинакового диаметра;

г) шаг продольных стержней при диаметре до 14 мм рекомендуется принимать кратным 100 мм, при диаметре 14 мм и более - кратным 200 мм; шаг продольных стержней может быть увеличен против указанного в прил. 7 путем исключения отдельных стержней; при ширине сетки, не кратной шагу продольных стержней, остаток следует размещать с одной стороны;

д) шаг поперечных стержней при диаметре до 14 мм рекомендуется принимать кратным 50 мм, а при диаметре 14 мм и более - кратным 100 мм; максимальный шаг поперечных стержней рекомендуется принимать 600 мм; рекомендуется назначать постоянный шаг поперечных чертежей, допускается принимать два шага.

Таблица 5

Эскиз сетки

Номенклатура основных унифицированных сварных сеток, мм

ширина1 В

длина L

с

800 - 3000

1450

125

800 - 3000

1750

275

800 - 3000

2050

125

800 - 3000

2350

275

800 - 3000

2650

125

800 - 3000

2950

275

800 - 3000

3250

125

800 - 3000

3550

275

800 - 3000

3850

125

800 - 3000

4150

275

800 - 3000

4450

125

800 - 3000

4750

275

800 - 3000

5050

125

800 - 3000

5350

275

800 - 3000

5650

125

800 - 3000

5950

275

800 - 3000

6250

125

800 - 3000

6550

275

800 - 3000

6850

175

800 - 3000

7150

275

1 Шаг по ширине 200 мм.

Рис. 7. Рекомендуемые очертания гнутых сеток

2.26. В соответствии с п. 2.25 разработаны унифицированные сетки для проектирования фундаментов и других монолитных конструкций. Сокращенная номенклатура этих сеток приведена в табл. 5.

2.27. Сетки, изготовляемые на многоточечных машинах, можно конструировать, предусматривая их последующее сгибание в одной плоскости на специальных станках. Возможные очертания гнутых сеток приведены на рис. 7. При этом участки сеток в местах сгиба следует конструировать по рис. 8.

Гнутье сеток производится на стандартном гибочном оборудовании, параметры которого приведены в прил. 8.

2.28. При конструировании сеток типа «лесенка» (см. рис. 5, е, ж) или при отсутствии многоточечных машин следует ориентироваться на технологические возможности одноточечных сварочных машин, параметры которых приведены в прил. 9. При этом допускаемое сочетание диаметров стержней в крестообразном соединении по условиям контактной точечной сварки должно приниматься по табл. 4.

2.29. В сетках с нормируемой прочностью крестообразных соединений, например применяемых для армирования балок, сварка всех мест пересечений стержней (узлов) является обязательной, а диаметр продольных стержней должен быть не меньше диаметра поперечных стержней.

В сетках с рабочей арматурой периодического профиля, применяемых для армирования плит, допускается предусматривать сварку не всех мест пересечения стержней, при этом должны быть сварены все пересечения стержней в двух крайних рядах по периметру сетки, остальные узлы могут быть сварены через узел в шахматном порядке.

Рис. 8. Конструирование мест сгиба сеток

а - прямые стержни за пределами сгибаемого участка; б - прямой стержень совпадает с линией сгиба сетки; в - то же, если прямой стержень большего диаметра

КАРКАСЫ

2.30. Конструкция и габариты каркаса назначаются в зависимости от вида и конструктивных особенностей железобетонного элемента.

2.31. Каркасы рекомендуется конструировать из плоских или гнутых сварных сеток с применением, при необходимости, соединительных стержней.

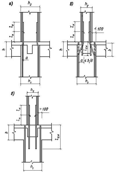
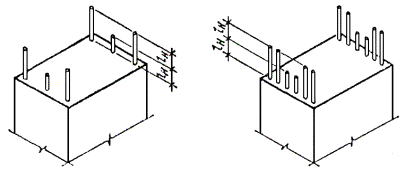
Каркасы следует конструировать достаточно жесткими для сохранения проектного положения в опалубочной форме, а также складировании и перевозке. Пространственная жесткость каркаса должна обеспечиваться замкнутым контуром и приваркой в необходимых случаях (а при длине 6 м и более в обязательном порядке) диафрагм жесткости в виде специальных связей из диагональных стержней, планок и т.п. (рис. 9).

Закладные детали и строповочные устройства - петли, трубки и т.п. - рекомендуется заранее крепить к каркасу, если при этом будет обеспечено их фиксированное положение в форме и в готовом железобетонном элементе.

Габариты каркаса должны удовлетворять условиям транспортировки.

Рис. 9. Обеспечение пространственной жесткости каркаса постановкой специальных связей из диагональных стержней

1 - каркас; 2 - диагональные стержни-связи, 3 - сварка

Рис. 10. Арматурные каркасы, образованные из плоских сеток контактной точечной сваркой

а - приваркой к сеткам соединительных стержней; б - объединением сеток сваркой поперечных стержней сеток одной плоскости к продольным стержням сеток другой плоскости; 1 - сетки; 2 - соединительные стержни

Рис. 11. Арматурные каркасы, образованные из гнутых сеток контактной точечной сваркой

1 - тугая сетка; 2 - соединительный стержень

Рис. 12. Арматурные каркасы, образованные нанизыванием на продольные стержни заранее изготовленной поперечной арматуры

а - поперечная арматура в виде сеток, изготовленных контактной точечной сваркой; б - поперечная арматура в виде хомутов, концы которых соединены контактной точечной сваркой; 1 - сварные сетки поперечной арматуры; 2 - продольная арматура; 3 - хомуты; 4 - точечная сварка

2.32. Каркасы рекомендуется образовывать следующими способами:

а) из плоских сеток путем припарки к продольным стержням соединительных стержней или поперечных стержней сеток другого направления (рис. 10);

б) применением гнутых сеток (рис. 11) с очертанием, которое можно получить на стандартном гибочном оборудовании (см. прил. 8).

Диаметры стержней гнутых сварных сеток, радиусы и углы загиба, расположение продольных стержней следует назначать с учетом классов применяемой арматуры в соответствии с рис. 8;

в) путем нанизывания на продольные стержни поперечных стержней, соединенных в отдельные сетки контактной точечной сваркой всех пересечений (рис. 12, а). После нанизывания продольные и поперечные стержни соединяют сваркой при помощи клещей. При отсутствии сварочных клещей может производиться вязка этих пересечений; в этом случае рекомендуется обеспечивать пространственную жесткость каркасов приваркой дополнительных стержней, планок и т.п.

При небольшом числе продольных стержней поперечная арматура может выполняться из одного гнутого стержня (по типу хомута) с контактной точечной сваркой его концов (рис. 12, б). Стыки концов при этом рекомендуется располагать в разных углах поперечного контура каркаса (вразбежку);

г) путем навивки поперечной спиральной арматуры на продольную арматуру с точечной сваркой всех пересечений в процессе навивки (рис. 13). При этом если спиральная арматура не учитывается в расчете как косвенная, с требованиями п. 3.72 настоящего Руководства можно не считаться.

2.33. Для сборки и сварки каркасов в зависимости от их конструктивных особенностей, как правило, применяются горизонтальные, вертикальные или линейные установки, оснащенные сварочными клещами для контактной точечной сварки крестообразных пересечений. При конструировании каркасов необходимо учитывать технические возможности сварочных клещей этих установок, приведенные в прил. 10.

Минимальные расстояния в свету между стержнями, при которых обеспечивается беспрепятственный проход электродов сварочных клещей для каркасов линейных железобетонных элементов, приведены на рис. 14. При этом диаметры продольных стержней должны быть не более 40 мм, а поперечных - не более 14 мм.

2.34. При отсутствии сварочных клещей образование каркасов линейных элементов может быть выполнено следующими способами:

а) плоские сетки соединяются при помощи скоб посредством дуговой сварки их с поперечными стержнями (рис. 15). В колоннах, в балках, работающих на кручение, а также в сжатой зоне балок с учитываемой в расчете сжатой арматурой длина сварных швов lш должна быть не менее 3d и не менее 30 мм, где d - диаметр хомута;

б) плоские сетки соединяются при помощи шпилек с вязкой всех пересечений (рис. 16) и с обеспечением монтажной жесткости каркаса приваркой стержней, планок и т.п.;

в) плоские сетки соединяются между собой путем дуговой сварки продольных стержней (рис. 17) возле всех мест приварки хомутов. Длина сварных швов lш должна быть не менее 40 мм. Такие соединения допускаются при насыщении сечения арматурой не более 3 %;

г) продольные стержни и гнутые хомуты соединяются вязкой пересечений и приваркой элементов жесткости (рис. 18);

д) плоский сетки соединяются с помощью промежуточных элементов (косынок, лапок, крюков и т.п.) посредством дуговой сварки (рис. 19).

Из-за большой трудоемкости каркасы, приведенные в п. 2.34 настоящего Руководства, допускается применять в виде исключения.

Рис. 13. Арматурные каркасы, образованные путем навивки поперечной спиральной арматуры на продольную арматуру

1 - стержни продольной арматуры; 2 - поперечная спиральная арматура

Рис. 14. Положение сварочных клещей при сварке каркаса

Примечание. Предельные размеры ячеек каркаса и диаметров стержней приведены в прил. 10.

Рис. 15. Арматурный каркас, образованный из плоских сеток, объединенных скобами при помощи дуговой сварки

1 - сетка; 2 - скоба; 3 - сварной шов

Рис. 16. Арматурный каркас, образованный из плоских сеток, объединенных с помощью привязываемых шпилек

1 - сетка; 2 - шпилька

Рис. 17. Арматурный каркас, образованный из плоских сеток с помощью дуговой сварки продольных стержней

1 - плоская сетка; 2 - дуговая сварка, hшв = 6 мм

Рис. 18. Арматурный каркас, образованный из гнутых хомутов и продольных стержнем с вязкой всех пересечений

1 - продольный стержень; 2 - хомут

Рис. 19. Пример арматурного каркаса, образованного из плоских сеток приваркой лапок дуговой сваркой

1 - плоские сетки; 2 - поперечные стержни с лапками; 3 - элементы жесткости; 4 - скобы; 5 - дуговая сварка

2.35. Образование каркасов для армирования плоских железобетонных элементов типа плит, стеновых панелей и т.п. рекомендуется производить следующим образом:

а) ряд сеток типа «лесенка» объединяется посредством соединительных стержней, привариваемых при помощи сварочных клещей (рис. 20);

б) сетки типа «лесенка» одного направления соединяются сваркой с такими же сетками, но меньшей высоты другого направления;

в) то же, но с приваркой в верхней или нижней плоскости каркаса одной или двух плоских сеток;

г) каркасы толстых железобетонных монолитных плит рекомендуется собирать по рис. 21 сваркой сеток между собой при помощи точечной или дуговой сварки.

2.36. Порядок выполнения сборки и сварки каркаса должен быть оговорен в рабочих чертежах.

Рис. 20. Примеры арматурных каркасов плоских железобетонных элементов

а - сетки типа «лесенка» объединяются в каркас приваркой соединительных стержней; б - образование каркаса сваркой сеток типа «лесенка», расположенных во взаимно перпендикулярных направлениях; в - то же, с приваркой в верхней или нижней плоскости каркаса плоских сеток; 1 - сварная сетка типа «лесенка»; 2 - соединительные стержни; 3 - сварная сетка типа «лесенка» другого направления и меньшей высоты; 4 -нижняя сварная плоская сетка; 5 - верхняя сварная плоская сетка

Рис. 21. Пример арматурного каркаса толстой железобетонной плиты

1 - горизонтальная плоская сетка; 2 - вертикальная плоская сетка типа «лесенка»; 3 - элементы жесткости

АНКЕРОВКА АРМАТУРЫ

2.37. Арматурные стержни в бетоне лишь тогда могут воспринимать напряжения, когда исключена возможность их проскальзывания. Для предотвращения проскальзывания они должны иметь надежную анкеровку.

2.38. Анкеровка осуществляется одним из следующих способов или их сочетанием (рис. 22):

а) сцеплением прямых стержней с бетоном;

б) крюками или лапками;

в) петлями;

г) приваркой поперечных стержней;

д) специальными приспособлениями (анкерами).

Рис. 22. Анкеровка рабочей арматуры в бетоне элемента

а - сцеплением прямых стержней с бетоном; б - крюками; в - лапками; г - петлями; д - приваркой поперечных стержней

Рис. 23. Поперечное армирование в зоне анкеровки петли

1 - петля; 2 - поперечные стержни не менее 2 Æ 6 мм

2.39. Анкеровка за счет сцепления прямых стержней с бетоном допускается только для арматуры периодического профиля. При этом следует иметь в виду, что прочность сцепления возрастает с увеличением эффективности профиля поверхности, с повышением прочности бетона, а также при наличии поперечного сжатия. И, наоборот, требуется большая длина анкеровки с повышением прочности (класса) арматуры, с повышением диаметра стержня, а также при наличии поперечного растяжения.

На длине анкеровки должен быть достаточный защитный слой бетона и в некоторых случаях, особенно при стержнях диаметром 16 мм и более, поперечное армирование.

Устройство лапок допустимо только для стержней периодического профиля, для гладких стержней нужно предусматривать крюки.

Анкеровка петлями может применяться как для гладких стержней, так и для стержней периодического профиля. При этом анкером считается такая петля, у которой оба стержня (оба конца) растянуты в одинаковой степени.

На длине анкеровки петли необходимо предусматривать поперечное армирование по рис. 23. Поперечная арматура устанавливается по расчету на выкалывание бетона и должна состоять не менее чем из двух стержней диаметром по 6 мм.

Приварка поперечных стержней или специальных приспособлений для анкеровки отдельных стержней применяется, если анкеровка сцеплением, крюками или петлями недостаточна.

2.40. Продольные стержни растянутой и сжатой арматуры должны быть заведены за нормальное к продольной оси элемента сечение, в котором они учитываются с полным расчетным сопротивлением на длину не менее lан, определяемую по формуле

,                                          (11)

но не менее lан = λанd, где значения mан, Dλан и λан, а также допускаемые минимальные величины lан определяются по табл. 6. При этом растянутые гладкие арматурные стержни должны оканчиваться крюками или иметь приваренную поперечную арматуру на длине заделки.

Таблица 6

Условия работы арматуры

Значения mан, Dλан, λан и lан для арматуры в виде

стержней периодического профиля

гладких стержней

mан

Dλан

λан

lан, мм

mан

Dλан

λан

lан, мм

не менее

не менее

Заделка растянутой арматуры в растянутом бетоне

0,7

11

20

250

1,2

11

20

250

Заделка сжатой и растянутой арматуры в сжатом бетоне

0,5

8

12

200

0,8

8

15

200

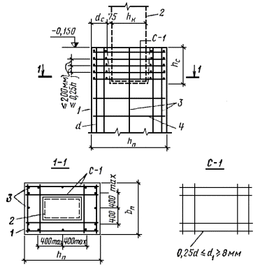
Длину заделки арматурных стержней в бетоне разных марок в зависимости от величины напряжения в стержне и от класса арматуры рекомендуется определять по графикам рис. 24.

Рис. 24. Графики для определения длины анкеровки арматурных стержней в бетоне разных марок

а - длина анкеровки растянутых стержней периодического профиля в растянутом бетоне; б - длина анкеровки растянутых или сжатых стержней периодического профиля в сжатом бетоне; в - длина анкеровки гладких стержней; 1 - растянутых класса B-I в растянутом бетоне; 2 - то же, класса A-I; 3 - растянутых или сжатых класса Б-I в сжатом бетоне; 4 - то же, класса А-I

Для определения по графику рис 24, а длины анкеровки растянутого стержня диаметром d из арматуры класса A-III (Rа = 3400 кгс/см2) в растянутом бетоне проектной марки М300 находим значение Rа = 3400 кгс/см2 на оси абсцисс и наклонную прямую для бетона марки М300. От точки пересечения этой наклонной прямой с перпендикуляром к оси абсцисс в точке с Rа = 3400 кгс/см2 проводим параллельно оси абсцисс линию до пересечения с осью ординат, где и читаем значение lан = 28d.

Для определения по графику рис. 24, б длины анкеровки растянутого стержня диаметром d из арматуры периодического профиля в сжатом бетоне проектной марки М300; в случае когда величина напряжения в стержне sа по расчету меньше Rа и составляет 3100 кгс/см2, находим значение sа = 3100 кгс/см2 на оси абсцисс и наклонную прямую для бетона марки М300. От точки пересечения этой наклонной прямой с перпендикуляром к оси абсцисс в точке с sа = 3100 кгс/см2 проводим параллельно оси абсцисс линию до пересчения с осью ординат, где и читаем значение lан = 19,5d или с округлением 20d.

Для определения по графику рис. 24, в длины анкеровки гладкого растянутого стержня из арматуры класса A-I и растянутом бетоне проектной марки М250 находим значение для бетона марки М250 на оси абсцисс и соответствующую данному случаю кривую 2. От точки пересечения этой кривой с перпендикуляром к оси абсцисс в точке для бетона марки М250 проводим параллельно оси абсцисс линию до пересечения с осью ординат, где и читаем значение lан = 34d.

Если вдоль анкеруемого стержня в растянутом бетоне по расчету образуются трещины, то стержень должен быть заделан в сжатую зону бетона на длину lан, определяемую по формуле (11) или по графику рис. 24.

Если площадь сечения фактически установленного анкеруемого стержня Fа.ф. больше требуемой расчетом по прочности Fa.р., то длина анкеровки этого стержня может быть уменьшена путем подстановки величины  вместо значения Rа при определении lан по формуле (11) или по графикам рис. 24.

2.41. Анкеровку продольного стержня при невозможности выполнения указанных в п. 2.40 настоящего Руководства требований необходимо обеспечить с помощью следующих специальных мер (при этом величина lан должна быть не менее 10d).

а) постановкой косвенной арматуры в виде сварных поперечных сеток или охватывающих продольную арматуру хомутов; в этом случае длина зоны анкеровки lан, определенная по формуле (11), может быть уменьшена путем деления коэффициента maн на величину 1 + 12μк и уменьшения коэффициента Dλан на величину,

где μк - объемный коэффициент армирования, определяемый:

при сварных сетках - по формуле

                                                   (12)

где n1, fc1 и l1 - соответственно число стержней, площадь поперечного сечения и длина стержня сетки в одном направлении;

n2, fc2 и l2 - то же, в другом направлении;

s - расстояние между сетками;

при охватывающих продольную арматуру хомутах - по формуле

                                                           (13)

где fx - площадь сечения огибающего хомута, расположенного у граней элемента; а - расстояние от равнодействующей усилий в растянутой продольной арматуре (при арматуре одного класса - расстояние от центра тяжести площади поперечного сечения арматуры) до ближайшей грани сечения; и - расстояние между хомутами, измеренное по длине элемента.

Напряжение сжатия бетона на опоре sб определяется делением опорной реакции на площадь опирания элемента и принимается не более 0,5Rпр.

Косвенное армирование распределяется по длине зоны анкеровки от торца элемента до ближайшей к опоре расчетной нормальной трещины;

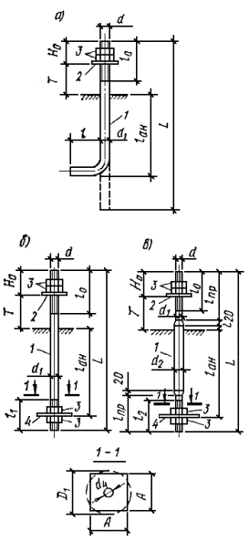
б) устройством на концах стержней специальных анкеров в виде пластин, гаек, уголков, высаженных головок и т.п. (рис. 25).

Площадь контакта анкера с бетоном назначается из расчета бетона на смятие и должна быть не менее , где nа - усилие, приходящееся на анкеруемый стержень.

Толщина анкерующей пластины должна быть не менее 1/5 всей ее ширины (диаметра) и удовлетворять требованиям п. 2.65 настоящего Руководства;

в) приваркой на длине заделки не менее двух поперечных анкерующих стержней диаметром не менее 0,5 диаметра продольных стержней; в этом случае длина анкеровки lан, определенная по п. 2.40 настоящего Руководства для стержней периодического профиля, может быть уменьшена на 5d, а гладкие стержни могут выполняться без крюков;

г) отгибом анкеруемого стержня на 90° по дуге круга радиусом в свету не менее 5d, при этом длина прямого участка у начала заделки должна быть не менее 0,5lан, а на отогнутом участке должны быть установлены дополнительные хомуты, препятствующие разгибанию стержней (рис. 26).

Рис. 25. Анкеровка продольного стержня с помощью специальных устройств

1 - бетон; 2 - анкеруемый стержень; 3 - круглая или квадратная, стальная шайба; 4 - сварка; 5 - обжатие; 6 - высаженная головка; 7 - стальной уголок; 8 - резьба

Рис. 26. Анкеровка продольного стержня посредством его отгиба

1 - анкеруемый стержень диаметром d; 2 - специальные хомуты, препятствующие разгибанию стержня

Рис. 27. Анкеровка гладких стержней продольной растянутой сварной арматуры на крайних свободных опорах изгибаемых элементов

а - в плитах; б - в балках

2.42. Величина lан запуска стержней продольной растянутой арматуры на крайних свободных опорах изгибаемых элементов, если эти стержни не имеют специальных анкеров и не привариваются к опорным закладным деталям, должна быть не менее 5d от внутренней грани этой опоры для плит и не менее 10d для балок [если не соблюдается условие (71) главы СНиП II-21-75].

При сварной арматуре из гладких стержней следует предусматривать приварку к каждому продольному стержню на длине lан хотя бы одного поперечного (анкерующего) стержня в сетках плит и двух стержней в каркасах балок и ребер. Анкерующий стержень должен быть диаметром dан ³ 0,5d продольного стержня и располагаться на расстоянии «С» (рис. 27) от конца сетки или каркаса, которое принимается: с £ 15 мм при d £ 10 мм, c £ 1,5d при d > 10 мм.

СТЫКИ АРМАТУРЫ ВНАХЛЕСТКУ (БЕЗ СВАРКИ)

2.43. Стыки рабочей арматуры внахлестку (без сварки) применяются при необходимости соединения как сварных, так и вязаных каркасов и сеток.

Стержни диаметром более 36 мм стыковать внахлестку (без сварки) не допускается.

2.44. Стыки стержней рабочей арматуры внахлестку не рекомендуется располагать в растянутой зоне изгибаемых и внецентренно-растянутых элементов в местах полного использования несущей способности арматуры. Такие стыки не допускаются в линейных элементах, сечение которых полностью растянуто (например, в затяжках арок), а также во всех случаях применения стержневой арматуры классов A-IV (Aт-IV) и выше.

2.45. Стыкуемые стержни по возможности должны соприкасаться между собой. Если вплотную их уложить невозможно, то между ними допускается зазор, не превышающий 4d.

Расстояние между двумя смежными стыками в одном поперечном сечении железобетонного элемента должно быть не менее 2d и не менее 30 мм (рис. 28).

В поперечном сечении элемента стыки рекомендуется располагать по возможности симметрично.

2.46. Стыки растянутой или сжатой рабочей арматуры, а также сварных сеток и каркасов в рабочем направлении должны иметь длину нахлестки не менее величины lн, определяемой по формуле

,                                                   (14)

где sа - напряжение в арматуре в месте стыка внахлестку с наиболее напряженной стороны.

Значения тн и Dλн, а также минимальные значения lн и λн для определения длины стыка арматурных стержней внахлестку приведены в табл. 7.

Рекомендуется длину стыка внахлестку определять по графикам рис. 29. Пользование этими графиками аналогично соответствующим графикам рис. 24.

2.47. Стыки сварных сеток и каркасов, а также растянутых стержней вязаных каркасов и сеток внахлестку без сварки должны, как правило, по длине элемента располагаться вразбежку. При этом площадь сечения рабочих стержней, стыкуемых в одном месте или на расстоянии менее длины нахлестки lн, должна составлять не более 50 % общей площади сечения растянутой арматуры при стержнях периодического профиля и не более 25 % при гладких стержнях.

Стыкование отдельных стержней, сварных сеток и каркасов без разбежки допускается при конструктивном армировании (без расчета), а также на тех участках, где арматура используется не более чем на 50 %.

Продольное смещение осей стыков должно быть не менее 1,5lн (рис 28, в).

Рис. 28. Конструирование стыков стержней продольной рабочей арматуры внахлестку (без сварки)

а, б - положение стыкуемых стержней в поперечном сечении железобетонного элемента; в - размещение смежных стыков в плане; 1 - стержни периодического профиля; 2 - гладкие стержни

Таблица 7

Условия работы стыка

Значения mн, Dλн, λн и lн для арматуры в виде

стержней периодического профиля

гладких стержней

mн

Dλн

λн

lн, мм

mн

Dλн

λн

lн, мм

не менее

не менее

Стык в растянутом бетоне

0,9

11

20

250

1,55

11

20

250

Стык в сжатом бетоне

0,65

8

15

200

1

8

15

200

Рис. 29. Графики для определения длины нахлестки арматурных стержней в стыках без сварки в конструкциях из бетона разных марок

а - длина нахлестки растянутых стержней периодического профиля в растянутом бетоне; б - длина нахлестки растянутых или сжатых стержней периодического профиля и сжатом бетоне; в - длина нахлестки гладких стержней; 1 - растянутых класса В-I в растянутом бетоне; 2 - то же, класса A-I; 3 - растянутых или сжатых класса B-I в сжатом бетоне; 4 - то же, класса A-I

2.48. Гладкие стержни в стыке должны заканчиваться крюками.

Стержни периодического профиля могут иметь прямые концы или лапки. Допускается стыковать стержни, заканчивающиеся петлями (рис. 31).

2.49. При стыковании растянутых стержней без сварки в зоне нахлестки требуется устанавливать дополнительную поперечную арматуру в случаях, когда:

диаметр стыкуемых рабочих стержней более 10 мм;

расстояние между стержнями в поперечном сечении элемента менее величины  (здесь d - наименьший диаметр стыкуемых стержней, см).

Площадь сечения дополнительной поперечной арматуры, устанавливаемой в пределах стыка, должна быть не менее 0,5Fа, где Fа - площадь сечения всех стыкуемых продольных стержней.

Дополнительная поперечная арматура может ставиться в виде хомутов, скруток или подвесок из корытообразно согнутых сварных сеток, заведенных в сжатую зону (рис. 30). При петлевых стыках поперечную арматуру располагают внутри петли (рис. 31).

2.50. Стыки сварных сеток в направлении гладкой рабочей арматуры классов A-I и B-I должны выполняться таким образом, чтобы в каждой из стыкуемых в растянутой зоне сеток на длине нахлестки располагалось не менее двух поперечных стержней, приваренных ко всем продольным стержням сеток (рис. 32).

Диаметр поперечных анкерующих стержней должен быть не менее одной трети диаметра продольного анкеруемого стержня и не менее величин, указанных в табл. 4.

Стыки сварных сеток в направлении рабочей арматуры периодического профиля классов A-II и А-III могут выполняться без поперечных стержней в пределах стыка (рис. 33).

Рис. 30. Установка дополнительной поперечной арматуры в зоне стыкования растянутых стержней внахлестку без сварки

1 - стыкуемые стержни; 2 - участки хомута, используемые в качестве поперечной арматуры стыка; 3 - спирали; 4 - специальные хомуты, устанавливаемые в зоне стыка стержней диаметром более 28 мм

Рис. 31. Установка дополнительной поперечной арматуры в зоне стыков внахлестку стержней с петлями

1 - стыкуемые стержни с петлями на концах; 2 - поперечная арматура стыка; 3 - центр петли

Рис. 32. Стыки сварных сеток внахлестку (без сварки) в направлении рабочей арматуры из гладких стержней

а - распределительные поперечные стержни расположены в одной плоскости; б, в - распределительные стержни расположены и разных плоскостях

Рис. 33. Стыки сварных сеток внахлестку (без сварки) в направлении рабочей арматуры из стержней периодического профиля

а, б - поперечные стержни в пределах стыка отсутствуют в обеих сетках или только в одной; в, г - при одном или двух анкерующих поперечных стержнях в пределах стыка

2.51. Длина нахлестки сварных сеток с гладкой рабочей арматурой при наличии двух приваренных анкерующих стержней на длине нахлестки или с рабочей арматурой периодического профиля без анкерующих поперечных стержней принимается в соответствии с требованиями п. 2.46 настоящего Руководства.

При приварке поперечных анкерующих стержней к рабочим стержням периодического профиля сварных сеток длина нахлестки, определенная по указаниям п. 2.46 настоящего Руководства, может быть уменьшена на:

5d - при одном поперечном анкерующем стержне;

8d - при двух поперечных анкерующих стержнях.

Во всех случаях длина нахлестки должна быть не менее 5d в растянутом бетоне и 10d в сжатом бетоне.

2.52. Стыки сварных сеток в нерабочем направлении выполняются внахлестку с перепуском, считая между крайними рабочими стержнями сетки:

а) при диаметре распределительной арматуры до 4 мм включительно - на 50 мм (рис. 34, а и б);

б) при диаметре распределительной арматуры более 4 мм - на 100 мм (рис. 34, в и г).

При диаметре рабочей арматуры 16 мм и более сварные сетки в нерабочем направлении допускается укладывать впритык друг к другу, перекрывая стык специальными стыковыми сетками, укладываемыми с перепуском в каждую сторону не менее 15 диаметров распределительной арматуры и не менее 100 мм (рис. 34, д).

Сварные сетки в нерабочем направлении допускается укладывать впритык без нахлестки и без дополнительных стыков сеток в следующих случаях:

в) при укладке сварных полосовых сеток в двух взаимно перпендикулярных направлениях;

г) при наличии в местах стыков дополнительного конструктивного армирования в направлении распределительной арматуры.

Рис. 34. Стыки сварных сеток в нерабочем направлении (в направлении распределительной арматуры)

а, б - при диаметре распределительной арматуры до 4 мм включительно; в, г - при диаметре распределительной арматуры более 4 мм; д - при диаметре рабочей арматуры 16 мм и более

2.53. При стыковании внахлестку сварных каркасов в балках на длине стыка независимо от диаметра рабочих стержней должна ставиться дополнительная поперечная арматура в виде хомутов или корытообразно согнутых сварных сеток. Площадь сечения этой арматуры должна составлять не менее 0,5Fа, а шаг дополнительных поперечных стержней в пределах стыка должен быть не более 5d, где d - наименьший диаметр продольных рабочих стержней, Fа - площадь поперечного сечения рабочей продольной арматуры.

Эти указания относятся и к стыкованию вязаных каркасов.

При стыковании внахлестку сварных (и вязаных) каркасов центрально и внецентренно сжатых элементов (например, колонн) и пределах стыка должны ставиться дополнительные хомуты на расстояниях не более 10d.

ЗАКЛАДНЫЕ ДЕТАЛИ

2.54. Закладные детали для железобетонных конструкций следует, как правило, применять унифицированные по действующим ГОСТам и сериям. При невозможности применить типовые закладные детали их следует конструировать в соответствии с рекомендациями настоящего раздела.

2.55. Закладные детали могут быть расчетными, т.е. обладающими определенной заданной прочностью для восприятия действующих на деталь усилий, и нерасчетными, устанавливаемыми по конструктивным соображениям, в которых сварные соединения могут не иметь нормируемую прочность.

2.56. Применяются следующие типы закладных деталей:

а) из листового, сортового или фасонного проката с приваренными анкерами;

б) состоящие только из листового, сортового или фасонного проката (в том числе штампованные).

Для закладных деталей, которые конструируются только из листового, сортового или фасонного проката в качестве анкеров, как правило, используются арматурные стержни железобетонного элемента, с которыми они соединяются в большинстве случаев ручной дуговой сваркой.

Штампованные закладные детали изготовляются методом вырубки на прессах и конструируются, как правило, без специальных анкеров. Их применяют в качестве нерасчетных закладных деталей, причем для тех объектов, где имеется специальное оборудование и освоено производство таких деталей.

2.57. Располагать закладные детали в железобетонном элементе рекомендуется так, чтобы наружные поверхности стального проката, как правило, находились в одной плоскости с поверхностью соответствующей грани элемента. Применять выступающие из плоскости бетона закладные детали не рекомендуется.

Допускается применять «утопленные» закладные детали, но не более чем на толщину защитного слоя бетона.

В случае изготовления сборного железобетонного элемента с заглаживанием поверхности механизмом стальные пластины со стороны этих поверхностей должны быть заглублены в бетон не менее чем на 5 мм.

2.58. Конструкция расчетных закладных деталей с приваренными к ним элементами, которые передают нагрузку на закладные детали, должна обладать достаточной жесткостью для обеспечения равномерного распределения усилий между растянутыми анкерами и равномерной передачи сжимающих усилий на бетон.

2.59. Не рекомендуется конструировать закладные детали с приваренными к ним стальными листами или полосами, разрезающими бетон на части. При необходимости применения таких закладных деталей нужно предусматривать специальные мероприятия против расслоения бетона, например устройство отверстий в листах.

2.60. В больших пластинах закладных деталей, находящихся при бетонировании железобетонного элемента вверху и закрывающих полностью или большую часть грани бетонируемого элемента следует предусматривать одно или несколько отверстий для выхода воздуха и контроля качества заливки формы бетоном.

Закладные детали могут также иметь устройства для крепления к формам (например, отверстия в пластинах), упоры для восприятия сдвигающих усилий, арматурные коротыши, служащие для фиксации положения рабочей арматуры или самой закладной детали, болты для соединения железобетонных элементов и т.п.

2.61. В рабочих чертежах в соответствии с требованиями главы СНиП по защите строительных конструкций от коррозии следует предусматривать защиту закладных деталей, эксплуатация которых возможна на открытом воздухе, в незащищенных или ненадежно защищенных стыках и т.п. При этом в чертежах должны указываться характеристики антикоррозионных покрытий.

2.62. В рабочих чертежах расход стали на закладные детали следует указывать отдельно от расхода стали на арматурные изделия железобетонного элемента. В массе закладных деталей с приваренными анкерами включается масса этих анкеров. Если закладная деталь состоит только из листового, сортового или фасонного проката, привариваемого к арматуре железобетонного элемента, то масса закладной детали принимается равной только массе указанного проката.

2.63. Марка прокатной стали для закладной детали назначается и зависимости от условий эксплуатации конструкции согласно прил. 3 и должна удовлетворять требованиям соответствующих ГОСТов.

2.64. Размеры листового, сортового или фасонного проката закладных деталей назначаются из условий обеспечения:

прочности и жесткости пластин с учетом возможных эксцентрицитетов приложения нагрузок;

размещения необходимого количества анкеров с учетом положения примыкающих арматурных элементов;

прочности и удобства выполнения сварных соединений;

размещения соединительных накладок и монтажных сварных швов при стыковании сборных железобетонных элементов;

допускаемых отклонений при размещении закладных деталей в железобетонном элементе при его монтаже;

удобства фиксации закладной детали в форме;

качественной укладки бетона под пластиной;

механизированного заглаживания поверхностей железобетонно изделия.

Размеры стальных пластин и профиля закладных деталей рекомендуется назначать унифицированным, чтобы получались одинаковые заготовки, для изготовления которых можно применять механизированные способы штампования или резки.

С целью унификации закладные детали и стыки железобетонных элементов следует конструировать так, чтобы размеры пластин, по возможности, не зависели от размеров сечения стыкуемых железобетонных элементов.

Если размеры пластины назначаются близкими к размеру сечения железобетонного элемента, следует учитывать их допускаемые отклонения, предусмотренные действующими нормативными документами, и обеспечить возможность свободной установки закладной детали в форму.

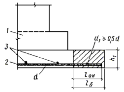
Для обеспечения плотного закрывания бортоснастки при бетонировании сборного железобетонного элемента размеры стальных пластин, если они полностью закрывают грань элемента, должны назначаться минимум на 5 мм меньше с каждой стороны грани (рис. 35).

Рис. 35. Назначение размеров пластин закладных деталей из условия плотного закрывания бортоснастки формы при бетонировании элемента

а - на боковой грани; б - на торцовой грани; 1 - железобетонный элемент; 2 - стальная пластина закладной детали

2.65. Толщина d стального профиля или пластины для закладной детали должна удовлетворять условиям прочности, жесткости и условиям технологии сварки.

По условиям жесткости закладной детали толщина пластины должна быть не менее значений, указанных в табл. 8.

По условиям технологии сварки толщина профиля или пластины должна быть не менее величин, указанных в табл. 9 и 10.

Для расчетных закладных деталей стальной лист толщиной менее 6 мм применять не допускается. Толщина стенок или полок сортового или фасонного проката для этих закладных деталей должна быть не менее 5 мм.

При конструировании нерасчетных закладных деталей указанные толщины могут быть уменьшены на 1 мм.

Таблица 8

Класс стали пластины

Минимальная толщина пластины закладных деталей s при анкерах, приваренных втавр из арматуры класса

A-I

A-II

А-III

С38/23

0,41d

0,52d

0,66d

С46/33

0,31d

0,40d

0,50d

Таблица 9

Сварка

Класс арматуры

Предельные размеры и соотношения

Эскиз

d, мм

ds/d минимальное

минимальный

максимальный

Дуговая под слоем флюса (на сварочных автоматах), соединение типа T-I по ГОСТ 19292-73

А-I

8

40

0,5

А-II

10

25

0,55

28

40

0,75

A-III

8

25

0,65

28

40

0,75

Дуговая под слоем флюса (на ручных станках)

А-I

8

16

0,75

А-II

10

16

0,75

А-III

8

16

0,75

Контактная рельефно-точечная

А-I

10

12

0,6

А-II

10

12

0,6

А-III

10

12

0,6

Ручная дуговая в раззенкованных отверстиях

А-I

10

40

0,75

А-II

10

40

0,75

А-III

10

40

0,75

Примечание. Толщина пластины может быть уменьшена на 25 %, если с внешней ее стороны предусматривается приварка ребер жесткости по линии, соединяющей центры анкерных стержней.

Таблица 10

Сварка

Класс арматуры

Предельные размеры и соотношения

Эскиз

d, мм

d/d, минимальное

l/d, минимальное

минимальный

максимальный

Контактная рельефно-точечная (одна точка), соединение типа Н-1 по ГОСТ 19292-73

А-I

6

14

0,3

-

А-II

10

14

0,3

-

А-III

6

14

0,3

-

Контактная рельефно-точечная (две точки), соединение типа Н-2 по ГОСТ 19292-73

А-I

6

16

0,3

-

А-II

10

16

0,3

-

А-III

6

16

0,3

-

Ручная дуговая фланговыми швами

А-I

8

40

0,3

3

А-II

10

40

0,3

4

А-III

8

10

0,3

4

2.66. Анкеры закладных деталей следует конструировать преимущественно из арматурных стержней.

Для анкеров закладных деталей рекомендуется преимущественно применять арматуру периодического профиля классов А-П или A-III. В случае применения для анкеров расчетных закладных деталей арматуры класса A-I необходимо предусматривать на концах анкерных стержней усиления.

Марку арматурной стали для анкеров следует назначать с учетом требований, изложенных в прил. 2.

2.67. При конструировании расчетных закладных деталей применяют в основном два типа анкеров:

а) привариваемые к пластине втавр (нормальные анкера), эти анкеры препятствуют отрыву и сдвигу закладной детали;

б) привариваемые к пластине внахлестку (нахлесточные анкеры), эти анкеры препятствуют сдвигу закладной детали.

Конструирование закладных деталей только с нахлесточными анкерами не допускается. Кроме нахлесточных должны предусматриваться также нормальные анкеры, даже если они не требуются по расчету.

Для обеспечения необходимой толщины защитного слоя бетона, более надежной заделки нахлесточного анкера или возможности его размещения нахлесточный анкер рекомендуется отгибать на угол 15 - 30°. При необходимости по конструктивным соображениям допускается отгибать нахлесточный анкер до 60° по рис. 36, а.

В случае, если бетонный защитный слой нахлесточного анкера может быть обеспечен без его отгиба (например, при утопленных закладных деталях), он может быть прямым. Однако при этом анкеры вместе с арматурой железобетонного элемента должны быть охвачены хомутами или другой поперечной арматурой (рис. 36, б). Расчетные анкеры не рекомендуется выполнять прямыми.

2.68. Для передачи сдвигающих усилий на бетон допускается конструировать закладные детали с упорами из полосовой стали или круглых коротышей.

Высоту упоров рекомендуется принимать не менее 10 мм и не более 40 мм (рис. 37). При размещении упоров вблизи края железобетонного элемента должны приниматься меры против откалывания бетона (косвенное армирование и т.п.).

Упоры могут применяться при наличии прижимающего закладную деталь усилия для восприятия знакопеременных сдвигающих усилий, если не представляется возможным разместить наклонные анкеры.

2.69. Число нормальных анкеров, приваренных втавр, если отсутствует изгибающий момент в направлении, перпендикулярном плоскости, в которой расположены анкеры, должно быть не менее двух, а при действии на закладную деталь изгибающего момента - не менее четырех.

Число нахлесточных анкеров, приваренных внахлестку, если на закладную деталь действует сдвигающая сила и если эти анкеры нужны по расчету, должно быть не менее двух. При этом следует также предусматривать не менее двух нормальных анкеров.

Рис. 36. Конструирование закладной детали с анкерами, приваренными к пластине внахлестку

а - закладная деталь с нахлесточным отогнутым анкером; б - то же, с прямым анкером; 1 - бетон; 2 - пластина закладной детали; 3 - нормальный анкер; 4 - отогнутый анкер; 5 - прямой анкер; 6 - дополнительные хомуты; 7 – сварка

Рис. 37. Конструкция закладной детали с упорами для передачи на бетон сдвигающих усилий

1 - стальная пластина; 2 - нормальные анкеры; 3 - упор из полосовой стали; 4 - упор из арматурного стержня; 5 - упор из стальной пластины

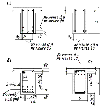
2.70. При конструировании закладной детали рекомендуется принимать большее из возможных число анкеров за счет применения стержней меньшего диаметра. Располагать анкеры следует равномерно и симметрично относительно плоскости действия усилия.

Расстояния между осями анкеров расчетных закладных деталей должны быть не менее величин, приведенных на рис. 38, и не менее величин, требуемых по условиям технологии сварки (табл. 9 и 10).

2.71. Длина нормального или нахлесточного анкерного стержня (глубина заделки анкера) расчетных закладных деталей определяется расчетом на выкалывание и должна быть не менее величины lан, определяемой по указаниям п. 2.40 настоящего Руководства.

Длина анкеровки lан нормального анкера отсчитывается от внутренней поверхности пластины, а нахлесточного - от начала отгиба или для прямых стержней от торцовой кромки пластины.

При действии на анкерные стержни только сдвигающих или сжимающих усилий их длина может назначаться на 5d меньше значений, определенных по формуле (11) или по графику рис. 24, но не менее минимальных величин, требуемых п. 2.41 настоящего Руководства, а для сборных элементов заводского изготовления - не менее 15d.

Указанная длина анкеровки может быть уменьшена за счет устройства усилений на концах стержней: приварки анкерных пластин или устройства высаженных горячим способом анкерных головок диаметром 2d для стержней из арматуры классов A-I и A-II и диаметром 3d для стержней из арматуры класса A-III. В этих случаях длина анкеровки определяется расчетом на выкалывание и смятие бетона и должна быть не менее 10d, где d - диаметр анкера.

Если по расчету вдоль анкеров в бетоне возможно образование трещин, то на концах анкеров обязательно устройство усилений.

Длину заготовок нормальных анкеров следует в спецификациях назначать с учетом припуска на осадку при сварке втавр. Длина припуска может приниматься равной диаметру анкера. Длину заготовок следует назначать кратной 10 мм.

Рис. 38. Расположение расчетных анкеров закладных деталей

а ³ 4d; b ³ 6d; l ³ 8d (здесь d - расчетный диаметр анкерного стержня)

2.72. Сварные соединения анкеров с пластинами следует конструировать в соответствии с ГОСТ 19292-73, а также по табл. 9 и 10 настоящего Руководства.

Рекомендуется предусматривать дуговую сварку втавр под слоем флюса или контактную рельефно-точечную сварку.

Ручную дуговую сварку тавровых соединений в раззенкованные отверстия из-за большой трудоемкости допускается применять только в случаях отсутствия необходимого оборудования для автоматической сварки под флюсом.

Рельефно-точечная сварка не допускается для закладных деталей, применяемых в конструкциях, подверженных действию вибрационных нагрузок.

Соединения сваркой элементов пластин и профильного проката между собой конструируются в соответствии с главой СНиП на проектирование стальных конструкции.

Для ручной дуговой сварки арматуры и элементов закладных деталей следует назначать электроды по ГОСТ 9466-75 и ГОСТ 9467-75 с целым неотслоившимся сухим покрытием. Тип и марку электродов следует выбирать согласно инструкции по сварке соединений арматуры и закладных деталей железобетонных конструкций в зависимости от марок стали. При этом для сварки сталей разных марок тип электрода назначается по марке стали меньшей прочности.

ПРИСПОСОБЛЕНИЯ ДЛЯ СТРОПОВКИ

2.73. При конструировании сборных железобетонных изделий должны предусматриваться приспособления для удобства строповки их грузозахватными устройствами с целью извлечения из формы, а также при погрузочно-разгрузочных и монтажных работах.

Способы захвата и размещение стрелочных приспособлений следует назначать с учетом технологии изготовления и монтажа железобетонного изделия, а также его конструктивных особенностей.

Расположение мест строповки железобетонного изделия определяется, кроме того, расчетом.

2.74. Стропочные приспособления должны отвечать следующим требованиям:

прочности при многократном загибе;

надежной анкеровки в бетоне элемента;

не препятствовать процессу формования элемента;

удобства продевания чалочных крюков или других устройств грузовых стропов;

экономии стали.

2.75. В качестве приспособлений для строповки сборных железобетонных элементов применяют:

инвентарные монтажные вывинчивающиеся петли (рым-болты);

строповочные отверстия со стальными трубками;

стационарные монтажные петли из арматурных стержней.

Строповку железобетонных элементов рекомендуется предусматривать, по возможности, без применения устройств, требующих расхода стали путем образования углублений, пазов, отверстий, а также использования очертания железобетонного изделия (рис. 39). Возможно сочетание двух видов приспособлений для захвата, предназначенных для различных этапов перемещения железобетонного изделия.

2.76. Для монтажных (подъемных) петель элементов сборных железобетонных и бетонных конструкций должна применяться горячекатаная арматура класса Ас-II и класса A-I марок ВСт3сп2 и ВСт3пс2.

В случае, если возможен монтаж конструкций при расчетной зимней температуре ниже минус 40 °С, для монтажных петель не допускается применять сталь марки ВСт3пс2.

2.77. Рекомендуется строповочные петли принимать по типовой серии. Если применение типовых петель невозможно, рекомендуется конструировать унифицированные петли, изготовлять которые можно механизированным способом.

Рис. 39. Способы строповки сборных элементов без применения закладных строповочных устройств

а - захват колонны с консолями; б - захват бесконсольной колонны; в - захват балки; г - захват двухветвевой колонны; д - захват блока

2.78. Если строповочные петли не препятствуют изготовлению сборного элемента (например, при ручном заглаживании поверхности), то их конструкцию и установку следует принимать по рис. 40. При этом предпочтение рекомендуется отдавать более простым в изготовлении типам петель П1 - П3 и лишь в том случае, если эти петли не размещаются в изделии - применять типы П4 - П9.

Размеры этих петель рекомендуется назначать по табл. 11.

Таблица 11

Рекомендуемые размеры строповочных петель, мм

с прямыми ветвями

с отогнутыми ветвями

d

r

a1

a2

6 - 12

20

30

75

14 - 18

30

50

115

20, 22

40

70

155

25, 32

60

100

230

Рис. 40. Рекомендуемые типы строповочных петель

2.79. Для изделий, изготовление которых может производиться с заглаживанием открытой грани механизированным способом, рекомендуется предусматривать петли на других необрабатываемых гранях или располагать проушины петель ниже заглаживаемой грани в углублениях-лунках по рис. 41 («утопленные» петли).

Из условия заведения чалочного крюка стропа в проушину лунку следует располагать со смещением к середине изделия относительно плоскости проушины.

2.80. При малых размерах бетонного сечения, не допускающих устройства постоянной выемки для «утопленной» петли, а также для возможности применения механизированного способа заглаживания открытой грани железобетонного изделия следует применять петли с подающим (рис 42, а) или инвентарным вывинчивающимся (рым-болт) кольцом (рис. 42, б). Диаметр, из которого изготовляется кольцо, должен быть на ступень больше диаметра, требуемого по табл. 12, но не менее 16 мм и изготовляться из стали марки ВСт3сп2.

Диаметр стержня петли d, мм

Размеры, мм

R

а

b

с

l1

l2

h

е

10 - 18

125

30

50

30

145

95

95

25

20, 22

150

40

65

35

177

117

120

30

Рис. 41. Конструирование утопленной строповочной петли

Рис. 42. Конструкция строповочной петли с убирающимся кольцом

а - с падающим стационарным кольцом; б - с инвентарным кольцом 1 - железобетонный элемент; 2 - анкерное устройство строповочной петли; 3 - падающее стационарное кольцо; 4 - дуговая сварка, lшв = 4d с двух сторон; 5 - инвентарная вывинчивающаяся петля (рым-болт); 6 - винтовая нарезка длиной не менее 4d; 7 - стальная трубка с внутренней резьбой

Сварка колец должна производиться электродами Э42-Т или Э46-Т. Сварной шов должен быть двусторонним длиной 4d.

На чертеже изделия с петлей по рис. 42, а следует писать примечание: «После заглаживания поверхности изделия кольцо необходимо поднять в вертикальное положение, а выемку заделать».

На чертеже изделия с петлей по рис. 42, б следует писать примечание: «На период бетонирования и заглаживания поверхности, а также транспортировки изделия внутреннюю резьбу в трубке защитить».

2.81. Расстояние от боковой поверхности хвостового участка петли до поверхности изделия, измеряемое в плоскости крюка, должно быть не менее 4d (см. рис. 40).

2.82. Диаметр стержня петли d в соответствии с приходящимся на петлю нормативным усилием от собственного веса сборного элемента и другие данные, необходимые для конструирования строповочных петель, приведены в табл. 12.

Таблица 12

Нормативное усилие, воспринимаемое одной петлей Рн, тс

Диаметр стержня петли d, мм, из арматуры класса

Выступающая над бетоном часть петли, высота, мм

Внутренний радиус закругления, мм

А-I

Ас-II

0,1

6

-

70

20

0,3

8

-

70

20

0,7

10

-

70

20

0,9

-

10

70

20

1,1

12

-

75

20

1,5

14

12

75

30

2

16

14

80

30

2,5

18

16

80

30

3,1

20

18

100

40

3,8

22

20

105

40

4,9

25

22

175

60

6,1

28

25

180

60

7

-

28

180

60

8

32

-

185

60

8,5

-

32

185

60

Примечания: 1. Нормативную нагрузку от собственной массы сборного элемента, поднимаемого за четыре петли, следует при подборе диаметра стержня петли считать распределенной только на три петли.

2. В случае подъема плоского изделия (например, стеновой панели) за три или большее количество петель, размещенных на одном торце изделия, нормативная нагрузка от собственного веса принимается распределенной только на две петли. Исключение допускается лишь в случае применения приспособлений, обеспечивающих самобалансирование усилий в грузовых стропах.

3. В тех случаях когда гарантируется отсутствие сгиба петли (при монтаже с помощью траверсы с вертикальными стропами), допускается повышать нормативное усилие на петлю в 1,5 раза.

2.83. Минимальную длину заделки строповочной петли lа, и глубину запуска в бетон вертикального участка ветви с отогнутым концом hб в зависимости от прочности бетона на сжатие в момент первого подъема рекомендуется принимать по табл. 13.

Если ветви петли на длине анкеровки не размещаются параллельно, концы их можно раздвинуть на угол до 45° или отогнуть.

Если несущая способность фактически принятой петли больше действующей на эту петлю нормативной нагрузки, то допускается величину анкеровки уменьшить, приняв ее равной lа.у, где

,                                                     (15)

где Рн.ф - фактическое нормативное усилие, воспринимаемое одной петлей;

Fа.ф - площадь поперечного сечения стержня, из которого изготовлена фактически установленная петля.

Таблица 13

Прочность бетона элемента на сжатие в момент первого подъема, кгс/см2

Минимальная длина и глубина запуска концов ветвей строповочных петель в бетон элемента

lа

hб

От 70 до 100

35d

25d

Свыше 100 до 200

30d

20d

Свыше 200

25d

15d

Примечание. При применении петель с отогнутыми ветвями из стержней Æ 25 А-I и Æ 22 Ас-II и более величину hб следует увеличить на 20 %.

Уменьшенная величина анкеровки петли должна быть не менее 15d стержня петли и не менее 250 мм.

В формуле (15) значение Рн.ф берется в тс, Fа.ф - в см2, a k принимайся по табл. 14.

Таблица 14

Условия работы петли при подъеме элемента

Значения коэффициента k в формуле (15) при арматуре петли класса

A-I

Ас-II

Сгиб петли возможен

1,08

0,84

Сгиб петли исключается

0,72

0,56

При невозможности обеспечения нормальной или минимальной величины заделки петли следует для ее анкеровки предусматривать приварку ветвей петли к закладным деталям или специальным шайбам, зацепление петли за рабочую арматуру и др.

Надежность принятой анкеровки петли должна подтверждаться расчетом или испытаниями.

ПРИСПОСОБЛЕНИЯ ДЛЯ ФИКСАЦИИ

2.84. Для обеспечения проектного положения арматуры и закладных деталей, а также нормативной величины защитного слоя в процессе бетонирования железобетонной конструкции необходимо при ее конструировании предусматривать специальные фиксаторы.

2.85. Положение арматуры и закладных деталей можно фиксировать:

а) с помощью приспособлений однократного использования, остающихся в бетоне;

б) с помощью инвентарных приспособлений, извлекаемых из бетона до или после его твердения;

в) с помощью специальных деталей, прикрепляемых к рабочей поверхности формы или опалубки и не препятствующих извлечению железобетонного элемента из формы или снятию с него опалубки;

г) путем конструирования арматурного каркаса таким образом, чтобы некоторые стержни упирались в опалубку, фиксируя положение каркаса.

Закладные детали, кроме того, можно фиксировать путем приварки их анкеров к арматурному каркасу железобетонного элемента при безусловном обеспечении фиксации самого каркаса.

Таблица 15

Условия эксплуатации железобетонного элемента

Характер отделки лицевой грани железобетонного элемента

Вид фиксатора

растворный, бетонный, асбестоцементный

пластмассовый (полиэтиленовый)

стальной

Обозначение фиксатора

РМ

РБ

ПМ

ПБ

СЗ

СН

На открытом воздухе

Чистая бетонная под окраску; облицованная в процессе бетонирования керамической плиткой

+

-

+

-

+

-

Обрабатываемая механическим способом

+

-

-

-

-

-

В помещении с нормальным влажностным режимом

Чистая бетонная

+

-

+

-

+

-

Бетонная под окраску водными составами

+

´

+

´

+

´

Бетонная под окраску масляными, эмалевыми и синтетическими красками, под облицовку

+

+

+

+

+

+

Бетонная под оклейку обоями

+

+

+

+

+

-

Примечания: 1. Обозначения фиксаторов в табл. 15:

Р - растворные, бетонные, асбестоцементные; П - пластмассовые, полиэтиленовые; С - стальные; М - малая поверхность контакта фиксатора с формой (опалубкой); Б - большая поверхность контакта фиксатора с формой (опалубкой); З - защищенные от коррозии; Н - незащищенные от коррозии.

2. Знак плюс обозначает допускается, минус - не допускается, «´» - допускается, но не рекомендуется.

2.86. Приспособления для фиксации арматуры следует назначать с учетом:

конструктивных особенностей элемента;

расположения арматуры относительно граней рабочей поверхности формы или опалубки;

конструктивных особенностей арматурного каркаса;

условий эксплуатации элемента в сооружении.

Рекомендуется применять наиболее простые приспособления фиксации.

2.87. Вид фиксатора однократного использования, устанавливаемого у лицевой грани железобетонного элемента для обеспечения толщины защитного слоя бетона, следует выбирать согласно табл. 15.

В случае применения фиксаторов однократного использования в соответствии с табл. 15 в рабочих чертежах следует указывать какие из этих фиксаторов не допускаются для применения в данном элементе.

В качестве фиксаторов для обеспечения толщины бетонного защитного слоя не допускается применять обрезки арматурных стержней, пластины и т.п.

В растянутой зоне бетона элементов, эксплуатируемых в условиях агрессивной среды, не допускается установка пластмассовых фиксаторов под стержни рабочей арматуры или вплотную к ним под стержни распределительной арматуры. В таких изделиях следует применять преимущественно фиксаторы из плотного цементно-песчаного раствора, бетона или асбестоцемента.

Толщину защитного слоя бетона в месте установки фиксатора-подкладки рекомендуется принимать кратной 5 мм.

Инвентарные фиксаторы, а также фиксаторы, являющиеся деталями опалубочной формы, разрабатываются заводами железобетонных конструкций и строительными организациями, которые должны своевременно ставить проектировщиков в известность о наличии у них фиксаторов той или иной конструкции в целях применения при конструировании.

2.88. В качестве фиксаторов однократного пользований рекомендуется принимать:

а) по рис. 43, а - с целью обеспечения требуемой толщины защитного слоя бетона для нижней арматуры тонких плит и стен;

б) по рис. 43, б - с целью обеспечения требуемой толщины защитного слоя бетона для арматуры ребер, балок, колонн и тому подобных конструкций;

в) по рис. 44, а - для обеспечения проектного положения сварных пространственных каркасов;

г) по рис. 44, б - для обеспечения проектного положения верхней арматуры плит толщиной до 200 мм;

д) по рис. 44, в - для обеспечения проектного положения верхней арматуры плит толщиной 200 - 500 мм;

е) по рис. 21 - для обеспечения проектного положения арматуры плит толщиной более 500 мм рекомендуется конструировать каркасы;

ж) по рис. 44, г - для обеспечения требуемого расстояния между отдельными арматурными изделиями или стержнями;

з) по рис. 45 - для обеспечения одновременно толщины бетонного защитного слоя и расстояния между арматурными изделиями.

2.89. Для фиксаторов однократного использования, выполняемых из арматурной стали, следует приводить, рабочие чертежи. На рабочих чертежах арматурных изделий и в случае необходимости на чертежах общих видов армирования железобетонных элементов следует показывать расположение этих фиксаторов или опорных стержней, а в спецификациях предусматривать расход стали на их изготовление.

Расположение и количество неметаллических фиксаторов-подкладок в рабочих чертежах допускается не приводить, однако в примечаниях следует оговаривать необходимость их установки.

Рис. 43. Пластмассовые и цементно-песчаные фиксаторы однократного использования

а - для арматуры стен и плит; б - для арматуры ребер, балок, колонн; 1 - опалубка; 2 - арматура; 3 - пластмассовый фиксатор; 4 - цементно-песчаный фиксатор; aб - толщина защитного слоя

Рис. 44. Стальные фиксаторы однократного использования для обеспечения проектного положения арматурного изделия

а - для обеспечения проектного положения сварных пространственных каркасов; б - для обеспечения проектного положения верхней арматуры плит толщиной до 200 мм; в - то же толщиной до 500 мм; г - для обеспечения требуемою расстояния между арматурными изделиями или стержнями; 1 - опалубка конструкции; 2 - арматура конструкции; 3 - стальные фиксаторы - сварные сетки «лесенки»; 4 - то же, отдельные стержни; 5 - точечная сварка

Рис. 45. Стальные фиксаторы однократного использования для обеспечения величины защитного слоя и проектного положения арматурного изделия

а - в стене; б - в балке; 1 - опалубка; 2 - арматура конструкции; 3 - фиксатор - сварная сетка типа «лесенка»; 4 - фиксаторы-стержни, привариваемые к арматурному изделию

3. КОНСТРУИРОВАНИЕ ОТДЕЛЬНЫХ ЭЛЕМЕНТОВ КОНСТРУКЦИЙ

ОБЩИЕ ТРЕБОВАНИЯ

3.1. Минимальные размеры сечения бетонных и железобетонных элементов, определяемые из расчета по действующим усилиям и соответствующим группам предельных состояний, должны назначаться с учетом экономических требований, необходимости унификации опалубочных форм и армирования, а также условий принятой технологии изготовления конструкций. Кроме того, размеры сечения элементов железобетонных конструкций должны приниматься такими, чтобы соблюдались требования в части расположения арматуры в сечении (толщины защитных слоев бетона, расстояний между стержнями и т.п.) и анкеровки арматуры.

3.2. Размеры бетонных и железобетонных элементов сборных конструкций следует назначать с учетом грузоподъемных средств на заводе-изготовителе и на строительстве. В необходимых случаях следует учитывать возможность подъема железобетонного изделия вместе с формой. При назначении размеров элементов следует учитывать также условия транспортировки.

3.3. Защитный слой бетона аб для рабочей арматуры должен обеспечивать совместную работу арматуры с бетоном на всех стадиях работы конструкции, а также защиту арматуры от внешних атмосферных, температурных и тому подобных воздействий.

В настоящем Руководстве аб - наименьшее расстояние от грани бетона (в том числе внутренней в полых элементах) до поверхности ближайшего к ней арматурного стержня.

3.4. Толщина защитного слоя бетона аб для стержневой арматуры (кроме арматуры подошвы фундаментов, а также подколонников, армируемых по п. 3.32 настоящего Руководства), как правило, должна быть не более 50 мм. В защитном слое толщиной более 50 мм растянутой зоны сечения следует устанавливать конструктивную арматуру в виде сеток, площадь сечения продольной арматуры которых должна быть не менее 0,1Fa, а шаг поперечной арматуры должен быть не более 400 мм и не должен превышать высоты сечения элемента (здесь Fa - площадь сечения продольной растянутой арматуры, имеющей защитный слой бетона толщиной более 50 мм и установленной у одной грани элемента).

3.5. Для конструкций, работающих в агрессивных средах, толщина защитного слоя бетона должна назначаться с учетом требований главы СНиП по защите строительных конструкций от коррозии.

При назначении толщины защитного слоя бетона должны также учитываться требования главы СНиП по противопожарным нормам проектирования зданий и сооружений.

3.6. В полых элементах кольцевого или коробчатого сечения расстояние от стержневой продольной арматуры до внутренней поверхности бетона должно удовлетворять требованиям к назначению толщины защитного слоя у наружной поверхности соответствующего элемента.

3.7. Расстояния в свету между стержнями арматуры по высоте и ширине сечения должны обеспечивать совместную работу арматуры с бетоном и назначаться с учетом удобства укладки и уплотнения бетонной смеси.

В элементах, изготовляемых без применения виброплощадок или вибраторов, укрепляемых на опалубке, должно быть обеспечено свободное прохождение между арматурными стержнями наконечников штыковых вибраторов или виброштампующих элементов машин, уплотняющих бетонную смесь.

Расстояние в свету между стержнями периодического профиля принимается по номинальному диаметру без учета выступов и ребер.

При назначении расстояния в свету между стержнями в конструкциях с большим насыщением арматуры следует учитывать:

а) фактические размеры поперечных сечений стержней периодического профиля с учетом допускаемых отклонений от них;

б) радиусы загиба стержней и соответствующие фактические габариты гнутых элементов;

в) допускаемые отклонения от проектных размеров при размещении стержней сварных сеток, каркасов, закладных деталей и т.п.

3.8. Площадь сечения продольной арматуры в железобетонных элементах (в процентах площади сечения бетона) должна приниматься не менее указанной в табл. 16.

Требования табл. 16 не распространяются на армирование, определяемое расчетом элемента для стадии транспортирования и монтажа. В этом случае площадь сечения арматуры определяется только расчетом по прочности.

Требования настоящего пункта не учитываются при назначении площади сечения арматуры, устанавливаемой по контуру плит или панелей из расчета на изгиб в плоскости плиты (панели), а также если их толщина назначена конструктивно.

Минимальное армирование стеновых панелей принимается в соответствии с Инструкцией по проектированию панельных жилых зданий.

Элементы, не удовлетворяющие требованиям минимального армирования, относятся к бетонным элементам.

3.9. У всех поверхностей железобетонных элементов, вблизи которых ставится продольная арматура, как правило, должна предусматриваться также поперечная арматура, охватывающая крайние продольные стержни.

3.10. В бетонных конструкциях должно предусматриваться конструктивное армирование:

а) в местах резкого изменения размеров сечения элементов;

б) в местах изменения высоты стен (на участке не менее 1 м) в бетонных стенах под и над проемами каждого этажа;

г) в конструкциях, подвергающихся воздействию динамической нагрузки;

д) у растянутой или менее сжатой грани внецентренно-сжатых элементов, если в сечении возникают растягивающие напряжения менее 10 кгс/см2; при наибольших сжимающих напряжениях более 08 Rпp (напряжения определяются как для упругого тела); при этом коэффициент армирования μ принимается равным или более 0,025 %

Требования настоящего пункта не распространяются на элементы сборных конструкций, проверяемые в стадии транспортирования и монтажа. В этом случае необходимое армирование определяется только расчетом по прочности.

Если, согласно расчету, с учетом сопротивления растянутой зоны бетона арматура не требуется и опытом доказана возможность транспортирования и монтажа таких элементов без арматуры, конструктивная арматура не предусматривается.

3.11. Диаметр стержней продольной арматуры сборных и монолитных железобетонных конструкций должен, как правило, приниматься не более 40 мм.

3.12. Во избежание повреждений сборных элементов от местных концентраций напряжений при резком изменении направлений граней изделий (например, во внутренних углах) рекомендуется предусматривать смягчение очертания в виде фасок или закруглений, по возможности небольшой величины (до 50 мм), чтобы не требовалось местное армирование (рис. 46, а, б, в).

Во внешних острых углах во избежание откалывания бетона следует устраивать скосы или закругления (рис. 46, г, д).

Небольшие отверстия в железобетонных элементах для пропуска коммуникаций, строповки и т.п. следует по возможности располагать в пределах ячеек арматурных сеток и каркасов так, чтобы не нужно было перерезать арматуру и вводить дополнительное местное армирование. Углы отверстий желательно делать плавными (рис. 46, а).

Рис. 46. Фаски, закругления и скосы в железобетонных элементах

а - в ребристой плите и в проеме, б - в тавровой балке, в - в узле фермы, г - смягчение острого угла в ригеле, д - переход от торца к стенке балки

Таблица 16

Условия работы арматуры

Минимальная площадь сечения продольной арматуры в железобетонных элементах (в процентах площади сечения бетона)

1. Арматура А во всех изгибаемых, а также во внецентренно-растянутых элементах при расположении продольной силы за пределами рабочей высоты сечения

0,05

2. Арматура А и А1 во внецентренно-растянутых элементах при расположении продольной силы между арматурой А и А1

0,05

3. Арматура А и А1 во внецентренно-сжатых элементах при:

 

а)  

0,05

б)  

0,1

в)  

0,2

г)  

0,25

* Значения в скобках даны для прямоугольных сечений.

Примечания: 1. Минимальная площадь сечения арматуры, приведенная в табл. 16, относится к площади сечения бетона, равной произведению ширины прямоугольного сечения либо ширины ребра таврового (двутаврового) сечения b на рабочую высоту сечения h0.

2. В элементах с продольной арматурой, расположенной равномерно по контуру сечения, а также в центрально-растянутых элементах указанная величина минимального армирования относится к полной площади сечения бетона и принимается вдвое больше величин, указанных в табл. 16.

3. Минимальный процент содержания арматуры А и А1 во внецентренно-сжатых элементах, несущая способность которых при расчетом эксцентриситете используется менее чем на 50 %, независимо от гибкости элементов принимается равным 0,05.

3.13. При проектировании бетонных и железобетонных конструкций их очертание следует принимать с учетом устройства и способа использования форм (опалубки).

При применении форм с откидными бортами очертание изделия не должно препятствовать повороту борта (рис. 47, а) перед распалубкой.

При применении неразъемных форм для возможности извлечения изделия из формы должны предусматриваться уклоны 1:10 (рис. 47, г).

При неразъемных формах с использованием выпрессовывания уклон должен быть не менее 1:15 (рис. 47, д).

При немедленной распалубке путем вертикального смещения формирующего элемента оснастки (рис. 47, е, ж) уклон должен быть не менее 1:50.

При использовании форм с одним неподвижным и одним откидным бортом для возможности вертикального подъема конструкций при распалубке следует переход от большей ширины изделия к меньшей, например от нижней полки к стенке (рис. 47, б), принимать под углом не менее 40°. Эти требования можно не предъявлять, если с заводом-изготовителем согласована форма, снабженная выпрессовывающим устройством.

3.14. При стыковании железобетонных элементов сборных конструкций усилия от одного элемента к другому передаются через стыкуемую рабочую арматуру, стальные закладные детали, заполняемые бетоном швы, бетонные шпонки или (для сжатых элементов) непосредственно через бетонные поверхности стыкуемых элементов.

Рис. 47. Технологические уклоны в железобетонных элементах

а - изготовляемых в форме с откидными бортами; б - изготовляемых в форме с глухим бортом; в - то же, с применением выпрессовщика; г, и - изготовляемых в неразъемной форме; д - то же, с применением выпрессовщика; е, ж - при немедленной распалубке; 1 - железобетонное изделие; 2 - форма; 3 - откидной борт; 4 - выпрессовщик; 5 - формующая рамка; 6 - вкладыш

3.15. Жесткие стыки сборных конструкций должны, как правило, замоноличиваться путем заполнения швов между элементами бетоном. Если при изготовлении элементов обеспечивается плотная подгонка поверхностей друг к другу (например, путем использования торца одного из стыкуемых элементов в качестве опалубки для торца другого), то допускается при передаче через стык только сжимающего усилия выполнение стыков «насухо».

3.16. Стыки элементов, воспринимающие растягивающие усилия, должны выполняться:

а) сваркой стальных закладных деталей;

б) сваркой выпусков арматуры;

в) пропуском через каналы или пазы стыкуемых элементов стержней арматуры, канатов или болтов с последующим натяжением их и заполнением пазов и каналов цементным раствором или мелкозернистым бетоном.

При проектировании стыков элементов сборных конструкций должны предусматриваться такие соединения закладных деталей, при которых не происходило бы разгибания их частей, а также выколов бетона.

3.17. При проектировании элементов сборных перекрытий должно предусматриваться устройство швов между ними, заполняемых бетоном. Ширина швов должна назначаться из условия обеспечения качественного заполнения их и должна составлять не менее 20 мм для элементов высотой сечения до 250 мм и не менее 30 мм при элементах большей высоты.

3.18. В настоящем Руководстве термин «поперечная арматура» принят для обозначения этой арматуры как для вязаных каркасов, так и для сварных и включает в себя понятия хомуты и поперечные стержни. Термин «хомут» принят для обозначения поперечной арматуры, как правило, вязаных каркасов. Термин, «поперечный стержень» принят для обозначения поперечной арматуры сварных сеток и каркасов. Термин «шпилька» принят для обозначения соединительных стержней, употребляемых для образования как сварных, так и вязаных каркасов. Шпилька может иметь или не иметь крюки на концах.

ФУНДАМЕНТЫ И РОСТВЕРКИ

3.19. Фундаментами являются подземные конструкции, предназначенные для передачи нагрузок от вышележащих частей здания или сооружения на грунтовое основание.

Применяют фундаменты на естественном основании и свайные (рис. 48). Фундамент на естественном основании состоит из плитной части и подколонника.

Свайный фундамент образуется из свай и ростверка, последний в свою очередь представляет собой плитную часть и подколонник.

Плитную часть фундаментов рекомендуется конструировать ступенчатого типа.

Наряду со ступенчатой плитной частью рекомендуется применять фундаменты с пирамидальной плитной частью (рис. 49). Фундаменты могут быть сборными и монолитными.

Сборные фундаменты рекомендуется конструировать в виде цельного блока, состоящего из плитной части и подколонника (рис. 50).

Рис. 48. Отдельные ступенчатые фундаменты

а - фундамент на естественном основании; б - свайный фундамент; 1 - колонна; 2 - подколонник; 3 - плитная часть; 4 - обрез фундамента; 5 - подошва фундамента; 6 - бетонная подготовка; 7 - сваи

3.20. В фундаменте (ростверке) различают обрез - верхнюю поверхность, на которую опираются конструкции, расположенные выше, и подошву - нижнюю поверхность, которая, как правило, больше поверхности по обрезу и поэтому передает нагрузку на грунтовое основание с меньшим удельным давлением.

В свайных фундаментах в подошву ростверка заделываются верхние концы свай.

Расстояние между подошвой и обрезом фундамента (ростверка) составляет его высоту Нф.

Рис. 49. Отдельный пирамидальный фундамент

1 - колонна; 2 - подколонник; 3 - пирамидальная плитная часть; 4 - бетонная подготовка

3.21. Верх фундамента рекомендуется принимать:

для фундаментов сборных колонн - на отметке - 0,15;

для фундаментов монолитных колонн - в уровне верха фундаментной балки, а при ее отсутствии - на отметке - 0,05;

для фундаментов стальных колонн - на 100 мм ниже отметки опорной плиты башмака колонны.

Глубина заложения фундамента принимается на основании расчетных данных и в соответствии с главой СНиП по проектированию оснований зданий и сооружений.

Размеры фундамента определяются в соответствии с п. 3.1 настоящего Руководства.

Высота фундамента Нф, кроме того, назначается по условиям заглубления, по условиям заделки сборной колонны или по условиям заделки выпусков арматуры при монолитных колоннах и анкерных болтов при стальных колоннах.

Высота плитной части фундамента назначается по расчету. Если высота фундамента получается больше высоты плитной части, то за счет разницы в высотах устраивается подколонник. Высоту фундамента рекомендуется назначать кратной 300 мм.

3.22. Размеры в плане подколонника и подошвы должны назначаться кратными 300 мм.

Форма поперечного сечения подколонника, как правило, принимается прямоугольной. При соответствующем обосновании для стальных двухветвевых колонн могут быть приняты и другие формы поперечных сечений подколонников, например двухветвевые, также Х-образные подколонники. Двухветвевые подколонники конструируют так же, как и колонны, а рекомендации по конструированию Х-образных подколонников приведены в п. 3.32 настоящего Руководства.

3.23. Размеры по высоте подколонника и плитной части назначаются кратными 150 мм. Высоты ступеней устанавливаются в зависимости от полной высоты плитной части фундамента и принимаются равными 300 и 450 мм. При высоте плитной части 1500 мм и более высота верхней ступени может быть принята равной 600 мм.

Высоты ступеней рекомендуется принимать по табл. 17.

3.24. Под монолитными фундаментами независимо от грунтовых условий (кроме скальных грунтов) рекомендуется всегда предусматривать бетонную подготовку толщиной 100 мм из бетона марки М50, а под сборными - из среднезернистого песка слоем 100 мм.

При необходимости устройства фундаментов на скальных грунтах следует предусматривать выравнивающий слой по грунту из бетона марки М50.

Рис. 50. Сборный железобетонный фундамент

t = 20 ÷ 30 мм при металлической опалубке; t = 50 мм при деревянной опалубке

3.25. Проектную марку бетона по прочности на сжатие для монолитных фундаментов на естественном основании и монолитных ростверков отдельных свайных фундаментов рекомендуется назначать не ниже марки M150.

Сборные фундаменты и ростверки следует выполнять из бетона марок М200 или М300.

3.26. Толщина защитного слоя бетона аб для рабочей арматуры подошвы монолитных фундаментов должна удовлетворять требованиям п. 3.3 настоящего Руководства и приниматься не менее 35 мм (с учетом, что выполняется бетонная подготовка), а при отсутствии бетонной подготовки - 70 мм. Толщина защитного слоя в сборных фундаментах и подколонниках монолитных фундаментов должна быть не менее 30 мм.

При необходимости армирования подошвы фундамента, устраиваемого на скальном грунте, следует предусматривать защитный слой бетона толщиной 35 мм.

3.27. Диаметр рабочих стержней арматуры (сварной или вязаной) подошвы, укладываемых вдоль стороны 3 м и менее, должен быть не менее 10 мм, а стержней, укладываемых вдоль стороны более 3 м, - не менее 12 мм.

3.28. Подошвы фундаментов рекомендуется армировать типовыми унифицированными сварными сетками (см. табл. 5), укладываемыми в два слоя с рабочей арматурой во взаимно перпендикулярном направлении. Возможные схемы раскладки типовых унифицированных сеток в слое даны на рис. 51.

При ширине фундамента до 3 м можно применить одну сетку с рабочими стержнями в двух направлениях, если это не противоречит условиям унификации армирования фундаментов данного объекта.

При армировании подошвы фундаментов типовыми унифицированными сетками следует проверять расчетом надежность анкеровки рабочих стержней, так как крайние поперечные стержни типовых сеток размещаются на расстоянии 150 или 300 мм от боковой грани нижней ступени.

Анкеровка продольных рабочих стержней считается обеспеченной, если и пределах участка нижней ступени, на котором прочность сечения обеспечивается бетоном - lб, расположен хотя бы один поперечный стержень сварной сетки или соблюдается условие

lб > lан.                                                               (16)

Рис. 51. Раскладка сварных унифицированных сеток одного слоя по подошвам отдельных фундаментов колонн

1 - сетки; 2 - подошва фундамента

Таблица 17

Общая высота плитной части фундамента, мм

высота ступеней, мм

h1

h2

h3

300

300

-

-

450

450

-

-

600

300

300

-

750

300

450

-

900

300

300

300

1050

300

300

450

1200

300

450

450

1500

450

450

600

Значения lб (рис. 52) для фундаментов из разных марок бетона в зависимости от отношения сопротивления осевому растяжению бетона Rp к краевому давлению на грунт под подошвой фундамента ргр (взятому из расчета) определяется по графику рис. 53.

Для определения значения lб для фундамента из бетона проектной марки M150 (Rр = 6,3 кгс/см2) при краевом давлении фундамента на грунт ргр = 1,8 кгс/см2 и высоте ступени h1 = 30 см вычисляем отношение , находим на оси ординат точку со значением 3,5 и проводим от нее прямую, параллельную оси абсцисс, до пересечения с кривой для значения h1 = 30 см. От точки пересечения этих линий опускаем перпендикуляр на ось абсцисс, где и читаем значение lб = 43 см.

Рис. 52. Анкеровка рабочей арматуры подошвы фундамента (второй слой сеток условно не показан)

1 - фундамент; 2 - продольные (рабочие) стержни сварных сеток; 3 - поперечные (монтажные) стержни сварных сеток; d и d1 - соответственно диаметры продольных и поперечных стержней сеток; h1 - высота нижней ступени фундамента

Рис. 53. График для определения длины участка lб, на которой прочность наклонных сечений обеспечивается бетоном нижней ступени фундамента

Rр - расчетное сопротивление бетона осевому растяжению по табл. 13 главы СНиП II-2I-75; Pгр - наибольшее краевое давление на грунт от расчетной нагрузки без учета веса фундамента и грунта на его уступах; h1 - высота нижней ступени фундамента

Значения lап определяются по п. 2.40 настоящего Руководства. Если расчетом показано, что анкеровка стержней типовой унифицированной сетки не обеспечивается, то необходимо предусмотреть одно из следующих мероприятий:

а) приварить к краям сетки на расстоянии 25 мм от концов продольных стержней по дополнительному поперечному анкерному стержню диаметром не менее половины диаметра рабочего стержня;

б) снизить диаметр рабочих стержней сеток за счет уменьшения их шага с 200 до 100 мм путем укладки сетки на сетку;

в) увеличить высоту нижней ступени фундамента;

г) увеличить марку бетона фундамента.

3.29. Допускается, при необходимости, армировать подошвы фундаментов отдельными стержнями. В этом случае стержни раскладываются во взаимно-перпендикулярных направлениях, параллельных сторонам подошвы. Шаг стержней рекомендуется принимать 200 мм, длина стержней каждого направления должна быть одинаковой. В случае применения арматуры периодического профиля два крайних ряда пересечений стержней по периметру сетки должны быть соединены сваркой. Допускается применение дуговой сварки. Внутренние пересечения должны быть перевязаны через узел в шахматном порядке. Если для армирования подошв применяется гладкая арматура, стержни должны заканчиваться крюками, а сварка пересечений по периметру в этом случае не требуется.

3.30. Минимальный процент армирования подошвы фундаментов и ростверков не регламентируется.

3.31. Подколонники, если необходимо по расчету, должны армироваться продольной и поперечной арматурой по принципу армирования колонн.

Площадь сечения продольной арматуры с каждой стороны железобетонного подколонника должна быть не менее 0,05 % площади поперечного сечения подколонника.

Диаметр продольных стержней монолитных подколонников должен быть не менее 12 мм.

3.32. Если в железобетонных подколонниках сжатая арматура по расчету не требуется, а сечение растянутой арматуры необходимо по расчету не более 0,3 % площади поперечного сечения бетона, то допускается не устанавливать продольную и поперечную арматуру по граням, параллельным плоскости действия изгибающего момента (по длинным сторонам поперечного сечения подколонника). Армирование по граням подколонников, перпендикулярным плоскости действия изгибающего момента (по коротким сторонам поперечного сечения подколонника), выполняется в этом случае сварными типовыми унифицированными сетками с обеспечением толщины защитного слоя бетона не менее 50 мм и не менее двух диаметров продольной рабочей арматуры. При этом конструктивную арматуру в защитном слое толщиной более 50 мм устанавливать не требуется; не требуется также соединение продольных стержней противоположных сеток хомутами и шпильками (рис. 54, а).

Аналогично армируются подколонники, рассчитанные как бетонные, если в них требуется установка конструктивной арматуры (см. п. 3.10, д настоящего Руководства).

Если допускается расчетом, то такое армирование сварными сетками (без их взаимной связи) может осуществляться не только по двум, но и по четырем сторонам сечения подколонника (рис. 54, б). Сетки в этом случае крепятся к жесткой опалубке.

В случае применения подколонников Х-образного поперечного сечения их конструирование рекомендуется выполнять по рис. 55.

3.33. В случае невозможности крепления сеток к опалубке армирование подколонников при высоте фундамента до 7,2 м можно осуществлять пространственными самонесущими каркасами по рис. 56. При этом в каркасах высотой до 4,5 м устанавливаются только развязывающие шпильки, а высотой 4,5 - 7,2 м устанавливаются дополнительно горизонтальные диафрагмы жесткости из стержней диаметром 12 - 16 мм через 1800 мм по высоте.

При армировании подколонников фундаментов высотой более 7,2 м при соответствующем обосновании для навески сварных сеток с двух или четырех сторон допускается применять каркас с использованием прокатных профилей преимущественно из уголков (рис. 57).

Прокатные профили этих каркасов должны учитываться в качестве рабочей арматуры подколонника.

При нежесткой опалубке допускается также армировать подколонник сетками с отогнутыми краями (рис. 57, поз. 3).

Рис. 54. Армирование подколонников прямоугольного сечения сварными сетками без их взаимной связи шпильками и хомутами

а - расчетная растянутая арматура в одной плоскости; б - расчетная растянутая арматура в двух плоскостях

Рис. 55. Армирование подколонников Х-образного сечения сварными сетками

а - расчетная растянутая арматура в одной плоскости; б - расчетная растянутая арматура в двух плоскостях

Рис. 56. Армирование подколонников самонесущими каркасами, собираемыми из сеток

а - общий вид фундамента; б - схемы установки развязывающих шпилек и горизонтальных арматурных связей в каркасах; в - схемы установки сеток при сборке их в каркас; 1 - сетки; 2 - шпильки (через 600 мм по высоте); 3 - горизонтальные арматурные связи (при 4,5 м £ Нф £ 7,2 м); 4 - дуговая сварка (lшв = 40 мм, hшв = 6 мм, шаг 600 мм)

Рис. 57. Армирование подколонников сетками, навешиваемыми на несущий каркас, и гнутыми сетками

а - при расчетной растянутой арматуре в одной плоскости; б - при расчетной растянутой арматуре в двух плоскостях; 1 - плоские сетки; 2 - несущий каркас; 3 - гнутые сетки

3.34. Армирование сварными сетками высоких подколонников при раздельном бетонировании плитной части и подколонника рекомендуется выполнять со стыкованием сеток над плитной частью (рис. 58). Стыкование растянутых рабочих стержней сеток внахлестку при обрыве всех стержней в одном сечении следует выполнять на величину 2lн (рис. 58, а).

При обрыве в одном сечении 50 % рабочих стержней стыкование сеток можно осуществлять вразбежку путем выпуска из плитной части фундамента двух сеток: одна сетка выпускается на длину lн, а вторая - на 2lн (рис. 58, б). Суммарная площадь сечения стержней сеток должна составлять площадь сечения рабочей арматуры подколонника.

3.35. Продольные стержни арматуры подколонников монолитных фундаментов при отсутствии грунтовых вод рекомендуется устанавливать непосредственно на бетонную подготовку, заканчивая их здесь без крюков и отгибов.

Рис. 58. Устройство стыков растянутых стержней внахлестку в фундаментах колонн при раздельном бетонировании ступенчатой части фундамента и подколонника

а - при стыковке всех стержней в одном сечении; б - при стыковке 60 % стержней в одном сечении; 1 - ступенчатая часть фундамента; 2 - подколонник; 3 - стыковая сетка; 4 - сетка подколонника; 5 - сетки подошвы фундамента

Дополнительные указания по конструированию фундаментов сборных железобетонных колонн

3.36. Фундаменты сборных колонн рекомендуется конструировать по рис. 59 со стаканной частью для защемления колонн.

Стаканы фундаментов двухветвевых колонн с расстоянием между наружными гранями ветвей hн > 2,4 м рекомендуется выполнять отдельно под каждую ветвь.

Глубину стакана фундамента hc следует назначать на 50 мм больше глубины заделки колонны hз.

3.37. Глубина заделки типовых колонн в фундамент принимается по соответствующим типовым сериям. Глубина заделки нетиповых колонн принимается в зависимости от типа колонны.

Колонны прямоугольного сечения заделываются в фундамент на глубину, определяемую по табл. 18.

Глубина заделки двухветвевых колонн должна удовлетворять следующему условию:

,                                                     (17)

где hн - расстояние между наружными гранями ветвей колонны, м.

При hн ³ 2,1 м глубина заделки принимается 1,2 м.

Рис. 59. Монолитные фундаменты сборных колонн

а - фундамент с развитым подколонником для колонны прямоугольного сечения и двухветвевой; б - то же, фундамент, состоящий только из плитной части; 1 - стакан; 2 - колонна; 3 - подколонник; 4 - плитная часть фундамента

Глубина заделки колонны должна также удовлетворять требованию анкеровки продольной рабочей арматуры колонны в фундаменте (табл. 19).

Допускается уменьшать глубину заделки растянутых стержней:

а) если они поставлены с запасом по сравнению с расчетом по прочности, умножив значения таблицы на коэффициент , но принимать не менее значений заделки для сжатой арматуры. Здесь Nа - усилие, которое должно быть воспринято анкеруемыми растянутыми стержнями по расчету;

Nа - площадь сечения фактически установленных анкеруемых растянутых стержней;

б) при устройстве усилений на концах анкеруемых стержней (п. 2.41 «б», «в» настоящего Руководства), но принимать не менее 15d.

Глубина заделки двухветвевых колонн должна также удовлетворять требованиям анкеровки растянутой ветви колонны в стакане фундамента. Достаточность анкеровки ветви проверяется расчетом на сцепление бетона по плоскостям контакта бетона замоноличивания с бетоном стенок стакана и с бетоном ветви колонны.

Таблица 18

Значение отношения  (см рис. 59, а) или  (см. рис. 59, б)

Минимальная глубина заделки сборных колонн прямоугольного сечении в фундамент hз при значении эксцентриситета продольной силы ео

£ 2hк

> 2hк

> 0,5

£ hк

£ hк

£ 0,5

£ hк

, причем hк £ hз £ 1,4hк

Таблица 19

Класс арматуры

Поперечное сечение колонны

Минимальная глубина заделки рабочей арматуры колонны в фундаменте при проектной марке бетона колонн

М200

М300 и выше

растянутой

сжатой

растянутой

сжатой

А-II

Прямоугольное

25d

15d

20d

10d

Двухветвевое

30d

15d

25d

10d

А-III

Прямоугольное

30d

18d

25d

15d

Двухветвевое

35d

18d

30d

15d

3.38. Толщину дна стакана следует принимать по расчету, и она должна быть не менее 200 мм. Исходя из этого высота фундамента сборной колонны должна быть не менее глубины стакана, увеличенной на 200 мм.

3.39. Стенки стакана допускается не армировать, если толщина их поверху более 200 мм и более 0,75 глубины стакана (при глубине стакана меньшей, чем высота подколонника, - (рис. 59, а) или более 0,75 высоты верхней ступени фундамента (при глубине стакана большей, чем высота подколонника, - рис. 59, б).

Если эти условия не соблюдаются, стенки стакана следует армировать по рис. 60 поперечной и продольной арматурой в соответствии с расчетом. При этом толщина стенок стакана должна быть не менее 150 мм. Кроме того, толщина стенок, расположенных перпендикулярно плоскости действия изгибающего момента, должна быть не менее величии, указанных в табл. 20.

Рис. 60. Армирование стаканной части фундамента сборной колонны сварными сетками (С1)

1 - фундамент; 2 - колонна; 3 - продольная арматура подколонника; 4 - поперечная арматура подколонника

Таблица 20

Тип колонны

Минимальная толщина стенки стакана, расположенной перпендикулярно плоскости действия изгибающего момента при эксцентриситете продольной силы е0

£ 2hк

> 2hк

Прямоугольная

0,2hк

0,3hк

Двухветвевая

0,2hк

3.40. Поперечное армирование стенок стакана следует выполнить сварными сетками с унифицированным шагом. Стержни этих сеток располагаются у наружных и внутренних плоскостей стенок. Диаметр стержней сеток следует принимать по расчету, но не менее четверти диаметра продольных стержней подколонника и во всех случаях не менее 8 мм.

Если верх стенок стакана по расчету необходимо армировать сильнее, чем в остальной его части, то диаметр стержней двух верхних сеток принимается увеличенным, а шаг сеток сохраняется. Расстояние между сетками следует назначать не более четверти глубины стакана и не более 200 мм.

Подколонник ниже дна стакана армируется в соответствии с требованиями настоящего Руководства к армированию колонн.

Стержни продольной арматуры подколонника должны проходить внутри ячеек сварных сеток поперечной арматуры.

3.41. Бетон для замоноличивания колонны в стакане фундамента должен быть не ниже марки М150 и не ниже марки бетона фундамента, уменьшенной на одну ступень (50 кгс/см2).

Дополнительные указания по конструированию фундаментов монолитных железобетонных колонн

3.42. Фундаменты монолитных колонн рекомендуется конструировать на рис. 61.

Размеры поперечного сечения подколонника по сравнению с размерами поперечного сечения колонны принимаются увеличенными на 50 мм в каждую сторону, что необходимо для удобства установки опалубки колонны.

Отметка верха подколонника назначается на 50 мм ниже уровня чистого пола. Стык колонны с подколонником, как правило, устраивается на отметке обреза фундамента.

Рис. 61. Фундамент монолитной железобетонной колонны

3.43. Соединение монолитных фундаментов с монолитными колоннами выполняется путем стыкования продольной арматуры колонны с выпусками стержней из фундамента.

3.44. Количество, диаметр и разбивка арматурных выпусков из подколонника должны быть такими же, как и в колонне в месте ее заделки. Заделка выпусков арматуры в фундаменте должна быть не менее величины lан (см. пп. 2.40 или 2.41. настоящего Руководства). Как правило, выпуски доводятся до подошвы фундамента и являются продольной арматурой подколонника. Эта арматура должна быть объединена хомутами пли поперечными стержнями.

При большой высоте подколонника может выполняться дополнительный стык продольной арматуры путем устройства выпусков из верхней ступени плитной части фундамента (рис. 62).

Рис. 62. Армирование фундамента монолитной колонны

Рис. 63. Расположение выпусков стержней периодического профиля для устройства стыков арматуры фундамента с арматурой колонны внахлестку без сварки

Рис. 64. Расположение выпусков гладких стержней для устройства стыков арматуры фундамента с арматурой колонны внахлестку без сварки

3.45. При армировании колонн вязаной арматурой стержни периодического профиля при их числе у растянутой грани сечения больше двух стыкуются в двух уровнях по рис. 63. Стыки гладких стержней устраиваются в зависимости от их количества у растянутой грани сечения подколонника в двух или трех уровнях по рис. 64.

Длина перепуска (нахлестки) стержней в стыке lн определяется по п. 2.46. настоящего Руководства.

Выпуски из фундамента следует назначать с таким расчетом, чтобы стержни большей длины и большего диаметра располагались по углам поперечного сечения подколонника.

В пределах стыка следует устанавливать хомуты с шагом не более 10 диаметров стержня продольной арматуры (берется меньший диаметр).

3.46. Выпуски стержней из фундаментов для устройства сварных стыков с продольной арматурой колонн с помощью ванной полуавтоматической сварки под флюсом выполняются, как правило, на одном уровне. Длина выпуска должна быть не менее 4d стыкуемого стержня и не менее 160 мм; расстояния в свету между выпускаемыми стержнями должны быть не менее 50 мм.

Дополнительные указания по конструированию фундаментов стальных колонн

3.47. Конструирование верхней части фундамента и отметка обреза зависят от принятого в проекте металлических конструкций способа опирания стального башмака на фундамент и метода монтажа колонны (рис. 65).

Размеры подколонника в плане устанавливаются в зависимости от размеров стального башмака, и они должны удовлетворять размещению фундаментных болтов (рис. 66), выпускаемых из фундамента для крепления башмака и передачи усилий от колонны.

3.48. Фундаментные болты должны быть заделаны в фундамент на глубину lан, принимаемую по табл. 21 в зависимости от типа болта (рис. 67).

Глубина заделки должна быть не менее 25d для болтов типа 1 и не менее 15d для болтов типов 2 и 3.

Анкерные плиты болтов типов 2 и 3 при расстоянии между болтами, меньшем или равном размеру плиты, следует применять сварными, объединяя в одну плиту для группы болтов.

Таблица 21

Тип болта

Параметр

Единица измерения

Обозначение

Параметры фундаментных болтов при диаметре резьбы d, мм

М20

М24

М30

М36

М42

М48

М56

М64

M72´6

M80´6

М90´6

1; 3

Диаметр шпильки

мм

d1

20

24

30

36

42

48

56

64

72

80

90

 

 

»

d2

-

-

-

-

-

-

60

70

75

85

95

 

Расчетная площадь сечения

см2

F

2,25

3,24

5,19

7,59

10,34

13,8

18,74

25,12

32,23

40,87

53,68

 

Выступающая часть:

 

 

 

 

 

 

 

 

 

 

 

 

 

 

длина нарезки

мм

l0

100

110

120

130

140

150

160

170

180

190

200

 

длина проточки

»

lпр

-

-

-

-

-

-

400

500

500

600

800

 

высота

»

H0

50

60

70

80

90

100

120

130

140

150

160

 

внутренний диаметр шайбы

»

d3

21

25

32

38

44

50

60

68

76

85

95

 

наружный диаметр шайбы

»

D

45

55

80

90

95

105

115

130

140

160

180

 

толщина шайбы

»

d

8

8

10

10

14

14

16

16

18

20

20

 

масса шайбы

кгс

g1

0,078

0,118

0,331

0,411

0,612

0,736

0,949

1,21,

1,53

2,27

2,88

1

Длина отгибаемой части

мм

l

60

75

90

110

125

150

-

-

-

-

-

 

Глубина заделки

мм

lан

500

600

750

900

1050

1200

-

-

-

-

-

 

Полная длина болта

»

L

610 + Т

725 + Т

910 + Т

1090 + Т

1265 + Т

1450 + Т

-

-

-

-

-

 

Глубина заделки

»

lан

300

350

450

550

650

750

850

1000

1100

1200

1350

 

Полная длина болта

»

L

90 + Т

465 + Т

580 + Т

705 + Т

825 + Т

950 + Т

1085 + Т

1255 + Т

1280 + Т

1390 + Т

1550 + Т

 

Длина нарезки нижней части

»

l1,2

100

110

120

130

140

150

160

180

200

230

260

 

Длина проточки нижней части

»

lпр

-

-

-

-

-

-

180

200

220

250

280

2; 3

Анкерная плита:

 

 

 

 

 

 

 

 

 

 

 

 

 

 

сторона квадратной плиты

»

А

80

100

120

150

170

190

220

260

300

320

360

 

диаметр круглой плиты

»

D1

90

115

135

170

190

215

250

295

340

365

410

 

толщина

»

d

16

18

20

22

25

28

32

36

40

45

50

 

внутренний диаметр

»

d4

26

32

38

45

50

60

66

74

82

90

100

 

масса

кгс

g2

0,74

1,3

2,08

3,28

5,29

7,31

11,21

17,8

26,41

33,7

47,5

Примечания: 1. Анкерные плиты, по желанию изготовителя, могут принимать квадратными или круглыми.

2. Типы болтов к обозначения параметров даны на рис. 67.

3. Параметр «Т» для определения полной длины болта принимается по заданию авторов проекта металлоконструкций колонны.

4. Глубина заделки lан указана для болтов, изготовляемых из стали Ст3.

Рис. 65. Опирание стальных конструкций колонн на железобетонные фундаменты

1 - фундамент; 2 - анкерные болты; 3 - стальные конструкции башмака колонны; 4 - выверочные болты; 5 - подливка цементным раствором или бетоном; 6 - выверенные закрепленные шайбы; 7 - выверенные балки

3.49. Следует применять фундаментные болты из углеродистых и низколегированных сталей:

а) при расчетной температуре выше минус 40 °С - из стали марки ВСт3кп2 (ГОСТ 380-71*) или при соответствующем обосновании из стали марок 09Г2С и 10Г2С1 (ГОСТ 19281-73).

б) при расчетной температуре от минус 40 °С до минус 65 °С - из стали марок 09Г2С и 10Г2С1 (ГОСТ 19281-73).

Примечание. В проекте и в документации по заказу должна указываться категория низколегированной стали.

Высокопрочные болты надлежит применять из углеродистой стали 35 (ГОСТ 1050-74) или из легированных сталей 40Х (ТУ 14-4-87-72), 40ХФА и 38ХС (ГОСТ 4543-71), термически обработанных в готовом изделии (болте).

3.50. В случае применения фундаментных болтов из низколегированных или высокопрочных сталей величину их заделки следует умножить на коэффициент , где , Ra - расчетные сопротивления соответственно низколегированной или высокопрочной стали и стали Ст3.

3.51. Если при удовлетворении требований по заделке фундаментных болтов от их низа до подошвы фундамента остается расстояние менее одного метра, целесообразно болты доводить до низа фундамента (рис. 68), но при условии, что это не противоречит унификации болтов для фундаментов данного объекта. В этом случае можно отказаться от продольной арматуры подколонника.

Рис. 66. Размеры подколонника в зависимости от размещения фундаментных болтов для крепления металлоконструкций башмака стальной колонны

1 - анкерные болты; 2 - башмак колонны; 3 - фундамент

Примечания: 1. lан и Hо - принимается по табл. 21. 2. Т - принимается по заданию авторов проекта металлоконструкций колонны.

3.52. Фундаментные болты должны быть установлены в проектное положение и забетонированы одновременно с фундаментом.

В случае если жесткость арматурного каркаса достаточна для фиксирования фундаментных болтов в проектном положении при бетонировании, что проверяется расчетом, следует для фиксирования использовать каркас.

Если крепление болтов требует усиления арматурного каркаса, рекомендуется применять инвентарные кондуктора, которые закрепляются за пределами подколонника.

Рис. 67. Фундаментные болты для крепления стальных колонн

а - с отгибом диаметром резьбы от М20 до М48 (тип 1); б - с анкерной плитой диаметром резьбы от М20 до М48 (тип 2); в - с анкерной плитой диаметром резьбы от М56 до М90 (тип 3); 1 - шпилька; 2 - шайба; 3 - гайка (ГОСТ 6915-74 для типов 1, 2; ГОСТ 10605-72 для типа 3); 4 - анкерная плита

Примечание. Размеры даны в табл. 21.

3.53. При необходимости по расчету косвенного армирования верхней части подколонника под опорными частями стальных колонн здесь следует предусматривать установку пакета сварных сеток в количестве не менее четырех штук с шагом 50 - 150 мм.

Первая сварная сетка должна устанавливаться на расстоянии не более требуемой толщины защитного слоя бетона, а весь пакет сеток при наличии учитываемой в расчете продольной сжатой арматуры подколонника должен располагаться на длине (считая от обреза фундамента) не менее 20d продольной арматуры, если она выполняется из гладких стержней, и 10d, если она выполняется из стержней периодического профиля.

В случае если сжатая продольная арматура по расчету не требуется и не устанавливается (см. п. 3.51 настоящего Руководства), то пакет сеток должен располагаться на длине не менее расстояния от обреза фундамента до сечения подколонника, где косвенное армирование по расчету уже не нужно, считая что усилия от местного сжатия распространяются под углом 45° (рис. 69).

При этом для случая, показанного на рис. 69, а толщина пакета сеток косвенного армирования определяется по формуле

,                                               (18)

а для случая, показанного на рис. 68, б - по формуле

,                                                  (19)

Здесь N - продольная сжимающая сила;

Rпр - расчетное сопротивление бетона осевому сжатию с учетом поз. 5 табл. 15 главы СНиП II-21-75;

hk1, hk2, В и S - по рис. 69.

Сетки косвенного армирования следует конструировать из арматуры классов A-I, A-II, A-III, B-I и Вр-I, применяя диаметры стержней не более 14 мм. Рекомендуется сваривать сетки из стержней диаметром 5 - 10 мм, причем из более прочной стали. Размеры ячеек сетки должны быть 50 - 100 мм, а площади сечения стержней на единицу длины сетки в одном и в другом направлении не должны различаться более чем в 1,5 раза.

Вместо сварных цельных сеток допускается применять составные сетки из гребенок, которые установкой во взаимно перпендикулярных направлениях образуют сетку.

Стержни продольной арматуры подколонника, если такая арматура имеется, должны устанавливаться внутри контура сеток.

Рис. 68. Положение фундаментных болтов по высоте фундамента

1 - фундаментные болты; 2 - фундамент; 3 - арматура подошвы фундамента; 4 - арматура подколонника

Рис. 69. Косвенное армирование подколонников фундаментов стальных колонн

а - опирание башмака стойки сплошного сечения; б - то же, двухветвевой колонны; 1 - фундамент; 2 - металлоконструкции башмака колонны; 3 - сварные сетки косвенного армирования

Дополнительные указания по конструированию ростверков

3.54. Ростверк отдельного свайного фундамента в плане рекомендуется принимать в зависимости от действующей на фундамент нагрузки (центральной или внецентренной) квадратной или прямоугольной формы (см. рис. 48).

Размеры ростверка в плане принимают согласно настоящему Руководству, п. 3.1 и 3.2, и они должны удовлетворять условию размещения свай в кусте, а также быть кратными 300 мм.

3.55. Расстояния между осями свай должны быть не менее 3d (здесь d - диаметр круглого, сторона квадратного или большая сторона прямоугольного сечения свай).

Расстояние от края плиты ростверки до ближайших граней свай следует принимать не менее 100 мм.

3.56. Железобетонные ростверки допускается применять сборными с изготовлением их цельными или составными. В сборных ростверках для головок свай предусматриваются отверстия.

Сопряжения элементов сборных ростверков между собой и со сваями устраиваются путем сварки выпусков арматуры или закладных деталей.

3.57. При стаканном сопряжении сборных железобетонных колонн с ростверком толщина дна стакана принимается по расчету и должна быть не менее 250 мм.

3.58. При заделке верхних концов свай в плиту ростверка на глубину 50 мм арматурные сетки плиты ростверка укладываются сверху на оголовки свай. При заделке свай в плиту ростверка на большую глубину стержни сеток, попадающие на сваи, вырезаются и сетки укладываются с защитным слоем 50 мм.

В случае необходимости по расчету для компенсации вырезанных стержней по контуру свай укладываются дополнительно отдельные стержни, привязываемые к основным сеткам.

Крайние рабочие стержни основных сеток должны располагаться на расстоянии не более 50 мм от края ростверка.

КОЛОННЫ

3.59. Колоннами или стойками называются вертикальные протяженные элементы одноэтажного или многоэтажного каркаса здания или сооружения, как правило, подверженные сжатию.

В зависимости от назначения и положения в одноэтажном здании колонны подразделяются на основные, расположенные в крайних и средних рядах, и фахверковые, расположенные в торцах и иногда в крайних рядах между основными (когда размер конструкции стенового ограждения меньше шага основных колонн).

По способу возведения различают колонны сборные и монолитные.

Форма поперечного сечения колонн может быть квадратная, прямоугольная, двутавровая, круглая (сплошная и полая).

В промышленном строительстве массовое распространение получили и применяются колонны сплошного квадратного и прямоугольного поперечного сечения, а также двухветвевые (рис. 70), рекомендации по конструированию которых излагаются ниже.

Рис. 70. Типы сборных колонн

а - призматические колонны сплошного сечении для одноэтажных бескрановых зданий; б - ступенчатые колонны сплошного сечения для одноэтажных зданий, оборудованных мостовыми кранами; в - то же, двухветвевые колонны; г - колонны сплошного сечения дли многоэтажных здании; 1 - консоль для опирания стропильных конструкций; 2 - консоль для опирания подкрановых балок; 3 - проем для устройства прохода; 4 - консоль для опирания ригелей междуэтажных перекрытий

Квадратная форма поперечного сечения рекомендуется для колонн, в которых продольная сила, как правило, приложена центрально, а прямоугольная или двухветвевая - при наличии в сечении изгибающих моментов. При необходимости в колоннах устраиваются короткие консоли для опирания примыкающих конструкций ферм, подкрановых и других балок. При этом для опирания несущих конструкций покрытия размер оголовка колонны должен быть не менее 300 мм при одностороннем опирании и не менее 500 мм при двустороннем опирании. Последний размер может быть уменьшен до 400 мм, если опираются конструкции покрытия пролетом до 12 м. Размер оголовка должен быть не менее размера сечения верхней части колонны.

Форма колонны может быть призматическая и ступенчатая. Последняя применяется для зданий, оборудованных мостовыми кранами. Ступенчатые колонны состоят из подкрановой и надкрановой части. В надкрановой части колонны могут при необходимости устраиваться проемы для прохода, которые должны быть размером не менее 400´1800 мм.

3.60. Размеры сечений колонн должны приниматься такими, чтобы их гибкость l0/r в любом направлении, как правило, не превышала 200 (для прямоугольных сечений ), а для колонн, являющихся элементами зданий - .

3.61. Размеры поперечных сечений сборных и монолитных колонн назначаются в соответствии с пп. 3.1. и 3.2. настоящего Руководства. Их рекомендуется назначать унифицированными в соответствии с табл. 22.

Размеры колонн по высоте от уровня чистого пола принимаются кратными 600 мм, а ниже уровня чистого пола - по условиям сопряжении с фундаментом.

Таблица 22

Ширина сечения колонны или ветви b, мм

Высота сечения колонны или ветви h, мм

300

400

500

600

700

800

900

1000

1200

далее кратно 300

200

 

XX

XX

XX

 

 

 

 

 

 

250

 

 

XX

XX

 

 

 

 

 

 

300

X

 

 

XX

 

 

 

 

 

 

400

 

X

О

X

X

X

X

 

 

 

500

 

 

X

О

X

X

X

X

 

 

600

 

 

 

X

 

X

X

X

X

 

Далее кратно 200

 

 

 

 

 

 

 

 

 

X

Условные обозначения:

X - рекомендуемые размеры для сплошных сечений колонн.

XX - рекомендуемые размеры сечений для двухветвевых колонн;

О - не рекомендуемые, но допускаемые сечения при условии использования типовой опалубки.

Примечания: 1. Для двухветвевых колонн размеры относятся к сечению одной ветви.

2. При высоте прямоугольного сечения колонны 1000 мм и более рекомендуется переходить на двухветвевые колонны.

Подкрановые части основных колонн одноэтажных зданий при высоте колонны более 12 - 14 м рекомендуется конструировать двухветвевыми.

3.62. Бетон для колонн применяется проектной марки не ниже М200.

Толщина защитного слоя бетона для рабочей арматуры колонн, находящихся в обычных условиях эксплуатации (при отсутствии агрессивных воздействий), должна удовлетворять требованиям пп. 3.3; 3.4; 3.5; 3.6 настоящего Руководства и приниматься по табл. 23.

Таблица 23

Характеристика колонн

Толщина защитного слоя бетона аб в колоннах

для продольной арматуры

для поперечной арматуры диаметром d2

стержневой диаметром d1

из полосовой, уголковой и фасонной стали

Сборные из тяжелого бетона марки М200 и монолитные

20 мм £ аб ³ d1

аб ³ 50 мм

15 мм £ аб ³ d2

Сборные из тяжелого бетона марки М250 и более

20 мм £ аб ³ (d1 - 5мм)

аб ³ 50 мм

15 мм £ аб ³ d2

3.63. Концы продольных рабочих стержней, не привариваемые к анкерующим деталям, должны отстоять от торца элемента на расстоянии не менее:

10 мм - для сборных колонн длиной до 18 м включительно;

15 мм - для сборных колонн длиной более 18 м, а также опор и мачт любой длины;

15 мм - для монолитных колонн длиной до 6 м включительно при диаметре стержней арматуры до 40 мм включительно;

20 мм - для монолитных колонн длиной более 6 м при диаметре стержней арматуры до 40 мм включительно.

Торцы поперечных стержней сварных каркасов колонн должны иметь защитный слой не менее 5 мм.

3.64. Площадь сечения рабочей арматуры колонны определяется расчетом и должна удовлетворять требованиям п. 3.8 настоящего Руководства.

Площадь сечения продольной рабочей арматуры не рекомендуется назначать более 5 % площади поперечного сечения колонны.

Сечение колонны, испытывающее действие изгибающих моментов, различных по знаку, но близких по величине, рекомендуется армировать симметричной продольной арматурой.

3.65. Диаметр продольных рабочих стержней сборных колонн рекомендуется назначать не менее 16 мм. Для монолитных колонн, а также для конструктивной арматуры допускается применять диаметр стержней 12 мм.

3.66. Все стержни продольной рабочей арматуры рекомендуется назначать одинакового диаметра. В случае если продольная арматура конструируется из стержней разного диаметра, допускается применение не более двух разных диаметров, не считая конструктивных стержней. При этом стержни большего диаметра следует располагать в углах поперечного сечения колонны.

Стержни продольной арматуры с каждой стороны поперечного сечения колонны рекомендуется располагать в один ряд. Допускается предусматривать второй ряд из двух стержней, располагая их вблизи углов поперечного сечения колонны.

Продольную рабочую арматуру внецентренно-сжатых колонн рекомендуется располагать по граням, перпендикулярным плоскости изгиба колонны. Продольную рабочую арматуру при косом внецентренном сжатии колонн рекомендуется концентрировать в углах сечения.

3.67. Длины продольных стержней арматуры колонны должны, как правило, назначаться таким образом, чтобы была исключена потребность в стыках. В случае необходимости устройства стыков внахлестку (без сварки) располагать их следует преимущественно в местах изменения сечения колонны.

В ступенчатых колоннах продольная арматура верхнего участка должна быть заведена в бетон нижнего участка не менее чем на длину анкеровки.

В двухветвевых колоннах обрываемые стержни должны быть заведены за грань распорки, отделяющей панель, в которой они требуются по расчету, на длину, определяемую расчетом, но не менее необходимой длины анкеровки.

Рис. 71 Схема устройства стыков продольных стержней монолитных колонн многоэтажных зданий

а - при одинаковом сечении колонн верхнего и нижнего этажей; б - при незначительном различии в сечениях колонн верхнего и нижнего этажей; в - при резком различии в сечениях колонн верхнего и нижнего этажей

В многоэтажных монолитных колоннах стыки следует устраивать на уровне верха перекрытий с помощью выпусков по аналогии с выпусками из фундаментов (см. пп. 3.45; 3.46 настоящего Руководства). При высоте этажа менее 3,6 м или при продольной арматуре d ³ 28 мм стыки рекомендуется устраивать через этаж.

Выпуски стержней из колонны с большим поперечным сечением нижнего этажа в колонну с меньшим поперечным сечением верхнего этажа рекомендуется осуществлять в соответствии с рис. 71. При этом перевод стержней из одного этажа колонны в другой осуществляется путем их отгиба с уклоном не более 1:6 (рис. 71, а, б). Часть стержней колонны нижнего этажа может быть доведена до верха перекрытия (рис. 71, б) и не заводиться в колонну верхнего этажа, если она там не нужна по расчету. В случае резкой разницы в сечениях колонн верхнего и нижнего этажей выпуски следует устраивать установкой специальных стержней в количестве, необходимом для колонны верхнего этажа (рис. 71, в).

Глубина заделки (длина анкеровки) рабочей продольной арматуры в колонне нижнего этажа должна быть не менее требуемой п. 2.40, а величина нахлестки стержней в стыке - п. 2.46 настоящего Руководства.

3.68. Расстояние между осями стержней продольной арматуры колонн должно приниматься не более 400 мм.

При расстоянии между рабочими стержнями более 400 мм между ними необходимо устанавливать конструктивные стержни диаметром не менее 12 мм, с тем чтобы расстояния между продольными стержнями были не более 400 мм.

Расстояние в свету между продольными стержнями следует назначить не менее 30 мм в сборных колоннах, не менее 50 мм в монолитных колоннах и в обоих случаях не менее диаметра стержня.

3.69. Конструкция поперечной арматуры должна обеспечивать закрепление сжатых стержней от их бокового выпучивания в любом направлении.

Поперечная арматура должна устанавливаться у всех поверхностей колонны, вблизи которых ставится продольная арматура.

Для образования пространственного каркаса плоские сварные сетки, расположенные у противоположных граней колонны, должны быть соединены друг с другом поперечными стержнями, привариваемыми контактной точечной сваркой к угловым продольным стержням сеток, или шпильками, связывающими эти стержни.

Если сетки противоположных граней колонны имеют промежуточные продольные стержни, то последние по крайней мере через один и не реже чем через 400 мм по ширине грани должны связываться между собой при помощи шпилек. Шпильки допускается не ставить при ширине данной грани колонны 500 мм и менее, если число продольных стержней у этой грани не превышает четырех. При больших размерах поперечного сечения колонны кроме сеток, располагаемых у граней, рекомендуется устанавливать промежуточные сварные сетки.

Примеры армирования сечений колонн сварными сетками показаны на рис. 72.

Рис. 72. Примеры армирования сечений колонн с рекомендуемым числом стержней сварными сетками

1 - сварная сетка; 2 - сварная сетка пли соединительный стержень; 3 - соединительный стержень (шпилька); 4 - хомут; 5 - отдельные стержни продольной арматуры; 6 - поперечная арматура в виде сварной сетки

Конструкция вязаных хомутов колонн должна быть такова, чтобы продольные стержни (по крайней мере через один) располагались в местах перегиба хомутов, а эти перегибы - на расстоянии не более 400 мм по ширине сечения колонны. При ширине грани не более 400 мм и числе продольных стержней у этой грани не более четырех допускается охват всех продольных стержней одним хомутом.

Примеры армирования сечений колонн вязаной арматурой приведены на рис. 73.

Рис. 73. Примеры армирования сечений колонн с рекомендуемым числом стержней вязаными каркасами

3.70. Диаметры стержней поперечной арматуры в зависимости от конструкции арматурного каркаса и диаметров продольных стержней следует принимать не менее указанных в табл. 24. Диаметр поперечной арматуры назначается по наибольшему диаметру продольной арматуры в сечении колонны.

Таблица 24

Конструкция каркаса

Наименьший допускаемый диаметр, мм, стержней поперечной арматуры при диаметре продольных стержней, мм

12

16

18

20

22

25

28

32

36

40

Сварной

3

4

5

5

6

8

8

8

10

10

Вязаный

5

5

5

5

6

8

8

8

10

10

Таблица 25

Условия работы поперечной арматуры

Рекомендуемые расстояния, мм, между стержнями поперечной арматуры колонн при диаметре продольных сжатых стержней, мм

12

16

18

20

22

25

28

32

36

40

Сварной каркас:

 

 

 

 

 

 

 

 

 

 

при Rа.с £ 4000 кгс/см2

250

300

350

400

450

500

500

500

500

500

при Rа.с ³ 4500 кгс/см2

150

250

250

300

350

350

400

400

400

400

Вязаный каркас:

 

 

 

 

 

 

 

 

 

 

при Rа.с £ 4000 кгс/см2

150

250

250

300

350

350

400

450

500

500

при Rа.с ³ 4500 кгс/см2

150

200

200

250

250

300

350

400

400

400

Сварной и вязаный каркас при μ ³ 3 %

100

150

150

200

200

250

250

300

300

300

Сварной и вязаный каркас на участке стыка продольной арматуры внахлестку без сварки

100

150

150

200

200

250

250

300

350

-

Примечания: 1. Шпильки для соединения сварных сеток в каркас устанавливаются с шагом, принятым для поперечных стержней сеток.

2. При вычислении процента армирования μ учитывается общее насыщение ceчения колонны продольной арматурой.

3. Если сечение армировано продольными стержнями разного диаметра, то расстояние между поперечной арматурой назначается по меньшему из них.

4. При назначении расстояний между стержнями поперечной арматуры разрешается не принимать во внимание продольные стержни, не учитываемые расчетом, если диаметр этих стержней не превышает 12 мм и не более половины толщины защитного слоя бетона.

Рис. 74. Схема армирования колонны поперечной арматурой в виде спирали

3.71. Расстояния между поперечной арматурой у каждой грани колонны должны назначаться:

при Rа.с £ 4000 кгс/см2 - не более 500 мм и не более 20d при сварных каркасах или 15d при вязаных;

при Rа.с = 4500 кгс/см2 и Rа.с = 5000 кгс/см2 - не более 400 мм и не более 15d при сварных каркасах или 12d при вязаных, где d - наименьший диаметр сжатых продольных стержней.

В колоннах с насыщением продольной арматурой более 3 % поперечная арматура должна устанавливаться с шагом не более 10d и не более 300 мм. Хомуты в этом случае должны привариваться к продольным стержням.

В стыках продольной рабочей арматуры внахлестку без сварки независимо от того, армируется ли колонна сварными или вязаными каркасами, рекомендуется применять, хомуты. Расстояния между хомутами в зоне стыка должны быть не более 10d.

Здесь d - диаметр сжатых продольных стержней рабочей арматуры (меньший).

Рекомендуемые расстояния между стержнями поперечной арматуры колонн приведены в табл. 25.

3.72. При конструировании колонн с поперечной арматурой в виде спирали, учитываемой в расчете как косвенное армирование (расчет по ядру сечения), должны соблюдаться следующие условия (рис. 74):

а) спирали в плане должны быть круглыми;

б) расстояния между витками спирали в осях должны быть не менее 40 мм, не более 1/5 диаметра сечения ядра колонны, охваченного спиралью, и не более 100 мм;

в) спирали должны охватывать всю рабочую продольную арматуру;

г) диаметр навивки спирали Dн должен быть не менее 200 мм.

Дополнительные указания по конструированию двухветвевых колонн

3.73. Двухветвевые колонны рекомендуется конструировать с распорками. Расстояния между осями распорок не должны превышать (8 - 12)hв, где hв - меньший размер поперечного сечения ветви.

Рекомендуется принимать одинаковые расстояния между осями распорок.

При необходимости устройства прохода в уровне пола расстояние от чистого пола до низа первой надземной распорки должно быть не менее 1,8 м.

На нижнем конце двухветвевой колонны распорку рекомендуется устраивать ниже уровня пола. При назначении привязки этой распорки необходимо учитывать условия унификации форм, транспортировки и монтажа колонн. Рекомендуется нижние грани распорки и ветвей совмещать.

Высоту сечения распорки рекомендуется принимать равной:

а) рядовой - (1 - 2)hв;

б) верхней (в месте перехода с двух ветвей на одну) - не менее удвоенной высоты сечения рядовой распорки;

в) нижней (располагаемой в пределах стакана фундамента) - не менее 200 мм.

Ширину сечения распорок следует принимать равной ширине ветви.

Рис. 75 Конструирование сопряжения промежуточной распорки с ветвью двухветвевой колонны

a - армирование сварными каркасами; б - то же, вязаной арматурой; 1 - арматура распорки; 2 - арматура ветви; 3 - дополнительные сварные сетки; 4 - дополнительные хомуты; 5 - дополнительные поперечные стержни (шпильки)

3.74. Продольная арматура распорок, если обе ветви колонны сжаты, принимается симметричной. Если по расчету одна из ветвей растянута, армирование принимается несимметричным. Продольные стержни распорок должны быть заанкерены в бетоне ветвей в соответствии с пп. 2.40 или 2.41 настоящего Руководства. Допускается анкеровку выполнять по рис. 26.

3.75. В узлах сопряжения рядовой распорки с ветвями (рис. 75) следует устанавливать дополнительную арматуру в виде сварных сеток или хомутов в сочетании с короткими вертикальными стержнями. Сетки устанавливаются в плоскостях поперечной вертикальной арматуры каркаса распорки.

Поперечные стержни каркасов ветвей в пределах распорки должны сохраняться. Если они мешают установке арматуры распорки, их следует вырезать и затем заменять шпильками.

3.76. Верхняя распорка армируется (рис. 76) рабочей продольной арматурой, располагаемой по верхней и нижней граням распорки, а также отгибами, горизонтальной и вертикальной поперечной арматурой (стержни или хомуты).

Шаг горизонтальных поперечных стержней или хомутов в верхней распорке следует принимать не более 150 мм и не более 1/4 ее высоты, а шаг вертикальных стержней или хомутов - не более 200 мм. Суммарная площадь горизонтальных хомутов должна быть не менее 0,001bh0, где h0 - рабочая высота сечения распорки, а b - ширина сечения распорки. Отгибы в распорке должны пересекать нижнюю половину наклонной линии АБ, идущей от угла примыкания надколонника к внутреннему углу примыкания ветви. Сечение отгибов, пересекающих нижнюю половину линии, должно быть не менее 0,002bh0. Отгибы могут не предусматриваться, если они не нужны по расчету.

Рис. 76. Конструирование сопряжения верхней распорки с ветвью крановой двухветвевой колонны среднего ряда

1 - арматура надкрановой ветви; 2 - арматура подкрановой ветви; 3 - вертикальная арматура распорки (шаг не более 200 мм); 4 - горизонтальная арматура распорки; 5 - отгибы распорки; 6 - отгибы подкрановой консоли; 7 - сетки косвенной арматуры

3.77. При устройстве проема в надкрановой части колонны его следует окаймлять сверху и снизу горизонтальными стержнями, площадь сечения которых определяется расчетом. Диаметр этих стержней должен быть не менее 16 мм.

Консоли колонн

3.78. Консоли в колоннах устраивают с целью создания необходимой площадки для опирания различных примыкающих к колонне на разных уровнях конструкций (ферм, подкрановых балок, ригелей, прогонов и пр.).

Консоли могут быть односторонние и двусторонние. Последние следует устраивать в одной плоскости, особенно в сборных колоннах. В случае если консоли на колонне необходимо расположить в перпендикулярных плоскостях или если консоль нужна для опирания элементов, передающих небольшую местную нагрузку (от рабочих площадок, лестниц и т.п.), то такие консоли рекомендуется конструировать в виде стальных столиков, предусматривая в колонне соответствующие закладные детали для их крепления.

При вылете 100 - 150 мм консоль может не иметь вута и конструироваться прямоугольной (рис. 77, а). При вылете более 150 мм консоль должна иметь вут с углом наклона a, принимаемым, как привило, величиной 45° (рис. 77, б).

Ширина консоли должна быть равной ширине колонны. Исключение могут составлять консоли, устраиваемые в широких подколонниках для опирания фундаментных балок. Высота консоли и ее арматура назначаются по расчету. Консоли армируются поперечной и продольной арматурой.

Рис. 77. Короткие консоли колонны

а - прямоугольная консоль; б - консоль с вутом

3.79. Поперечная арматура коротких консолей при сварных и вязаных каркасах колонн конструируется следующим образом (рис. 78):

при h £ 2,5а - в виде наклонных хомутов по всей высоте консоли (рис. 78, а);

при h > 2,5а - в виде отогнутых стержней и горизонтальных хомутов по всей высоте консоли (рис. 78, б);

при h > 3,5а и Q £ Rpbh0 - в виде горизонтальных хомутов без отогнутых стержней, которые в этом случае допускается не предусматривать; здесь h0 принимается в опорном сечении консолей.

Во всех случаях шаг хомутов должен быть не более h/4 и не более 150 мм; диаметр отогнутых стержней должен быть не более 1/15 длины отгиба lотг и не более 25 мм. При этом суммарная площадь сечения наклонных хомутов (см. рис. 78, а) и отогнутых стержней (см. рис. 78, б), пересекающих верхнюю половину линии длиной l, соединяющей точки приложения силы Q и сопряжения нижней грани консоли с гранью колонны, должна быть не менее 0,002bh0.

Поперечную арматуру консолей рекомендуется конструировать в виде сварных сеток с наклонными или горизонтальными поперечными стержнями, если число одинаковых консолей достаточно велико и арматура колонн сварная.

Рис. 78. Схема армирования коротких консолей

а - наклонными хомутами; б - отогнутыми стержнями и горизонтальными хомутами; в - горизонтальными хомутами; 1 - каркас колонны; 2 - продольная рабочая арматура консоли; 3 - наклонные хомуты; 4 - отгибы; 5 - горизонтальные хомуты

3.80. Отгибы в коротких консолях рекомендуется направлять из нижнего угла консолей в противоположный верхний угол. При большом вылете или при большой высоте консоли допускается делать отгибы соответственно под углом 30 или 60° или размещать отгибы в двух плоскостях, располагая каждую плоскость под углом 45°.

При большом числе прямых и отогнутых стержней верхние и нижние участки отгибаемых стержней допускается размещать во втором ряду.

3.81. Концы продольной арматуры растянутой зоны односторонней консоли, расположенной в пределах высоты колонны, должны быть заведены за грань колонны на величину lан, принимаемую по п. 2.40 настоящего Руководства, и в любом случае должны быть доведены до противоположной грани колонны (рис. 79).

У свободного конца консоли также необходимо предусматривать анкеровку продольной арматуры в случаях, если расстояние l3 от центра приложения груза Q до края прямого стержня меньше: 15d - при бетоне проектной марки ниже М300; 10d - при бетоне проектной марки М300 и выше.

Анкеровку здесь выполняют приваркой шайб или уголков к этой арматуре по рис. 79, в, г. Конструкция анкеров должна удовлетворять требованиям п. 2.41, б настоящего Руководства. Постановка анкеров необязательна в консолях, на которые опираются сборные балки, идущие вдоль вылета консоли, если стыки этих балок надежно замоноличены и верхняя арматура в балках предусмотрена как в раме с жесткими узлами, а нижняя арматура балок приварена через закладные детали к арматуре консолей.

Рис. 79. Анкеровка продольной рабочей арматуры коротких консолей

а, б - без дополнительной анкеровки у свободного конца консоли; в, г - с дополнительной анкеровкой у свободного конца консоли; 1 - продольная рабочая арматура; 2 - стальная пластина; 3 - сварка втавр; 4 - дуговая сварка; 5- стальной уголок

Рис. 80. Прямоугольная короткая консоль с жесткой арматурой

3.82. Хомуты ромбического очертания и шпильки поперечной арматуры колонны в пределах консоли не предусматривают.

3.83. При ограниченной высоте консоли допускается применение жесткой арматуры по рис. 80.

3.84. При необходимости по расчету под опорными закладными деталями подкрановой консоли следует предусматривать сетки косвенного армирования, которые должны конструироваться согласно п. 3.53 настоящего Руководства.

Особенности конструирования колон сборных железобетонных каркасов

3.85. Колонны сборных каркасов следует конструировать длиной, обеспечивающей удобство изготовления, транспортировки и монтажа. В случае необходимости конструирования высоких колонн при отсутствии соответствующего подъемно-транспортного оборудования допускается выполнять их из двух элементов с монтажным стыком.

3.86. Жесткие стыки сборных колонн рекомендуется выполнять путем ванной сварки выпусков продольной арматуры, расположенных в специальных подрезках с последующим замоноличиванием этих подрезок.

В таких стыках между торцами стыкуемых колонн должна предусматриваться центрирующая прокладка в виде стальной пластинки, заанкеренной в бетоне или приваренной на монтаже к распределительному листу закладной детали (рис. 81). Размеры центрирующей прокладки принимаются не более 1/3 соответствующего размера сечения колонны.

Форма и размеры подрезок определяются количеством стыкуемых стержней. Суммарная высота подрезок принимается не менее 300 мм и не менее 10d, где d -больший диаметр выпусков.

Рис. 81. Жесткий стык сборных колонн с ванной сваркой арматурных выпусков

а - при четырех угловых арматурных выпусках; б - при арматурных выпусках, расположенных по периметру сечения; 1 - арматурные выпуски; 2 - бетон замоноличивания в подрезках; 3 - центрирующая прокладка; 4 - сетки косвенного армирования; 5 - ванная сварка

Коэффициент насыщения косвенной арматурой  (см. п. 2.41, а) принимается не менее 0,0125.

При необходимости сварными сетками может армироваться и бетон замоноличивания в зоне подрезок (рис. 81, б). Здесь рекомендуется также устанавливать замкнутые хомуты, огибающие арматурные выпуски. Марка бетона замоноличивания принимается не менее М300.

3.88. Опирание сборных колонн на фундамент рекомендуется конструировать с защемлением путем установки колонны в стакан фундамента с последующим замоноличиванием. Необходимые условия заделки колонны в стакане приведены в п. 3.37 настоящего Руководства.

3.89. В двухветвевых сборных колоннах в случае, если одна из ветвей растянута, должна быть обеспечена прочность по контакту бетона замоноличивания со стаканом фундамента и с колонной. При необходимости по расчету (для увеличения площади контакта) по большим сторонам сечения ветвей устраиваются шпонки (рис. 82).

Рис. 82. Деталь сопряжения сборной колонны с бетоном замоноличивания стакана фундамента

1 - сборная колонна; 2 - бетон замоноличивания

3.87. На концевых частях стыкуемых сборных колонн должна устанавливаться косвенная арматура в соответствии с пп. 3.53 или 3.72 настоящего Руководства.

Размеры шпонок и их количество определяются расчетом. При этом глубина шпонки dш должна быть не более толщины защитного слоя бетона и принимается обычно 20 - 25 мм. Длина шпонки равна большей стороне сечении ветви, а высота ее должна быть не более 100 мм. Верхняя шпонка должна располагаться не ближе 200 мм от верха стакана фундамента. Для удобства распалубливания колонн шпонки должны иметь скосы.

3.90. На сборных колоннах следует предусматривать нанесение рисок, которые должны соответствовать привязке колонны к цифровым и буквенным разбивочным осям здания, а также к осям подкрановых балок.

В колоннах сплошного сечения риски наносятся в уровне верха стакана фундамента, в уровне верха колонны и подкрановой консоли. В двухветвевых колоннах риски буквенных (продольных) разбивочных осей наносятся на первой, считая от верха фундамента, распорке.

Риска представляет собой канавку треугольного сечения глубиной 5 мм или полоску, нанесенную краской, с прочерченной на ней осью. Длина риски 100 мм.

БАЛКИ

3.91. Балкой (ребром, прогоном) называется линейный, как правило, изгибаемый элемент, применяемый в конструкциях зданий и сооружений отдельно или в составе перекрытий, подпорных стен, фундаментов и других конструкций. Балки могут опираться свободно или с защемлением на две или несколько опор. В связи с этим по числу пролетов и характеру опирания различают балки:

а) однопролетные, свободно лежащие;

б) однопролетные, защемленные на одной или на обеих опорах;

в) многопролетные неразрезные;

г) консольные.

По способу изготовления железобетонные балки могут быть сборными и монолитными.

По формам поперечного сечения балки, как правило, могут быть прямоугольные, тавровые (с полкой сверху или снизу) и двутавровые. Рекомендуется монолитные балки конструировать прямоугольного поперечного сечения, а сборные - таврового или двутаврового. Примеры конструкций сборных балок приведены на рис. 83.

Рис. 83. Примеры конструкций сборных железобетонных балок

Размеры поперечных сечений балок назначаются в соответствии с п. 3.1 настоящего Руководства. Рекомендуется размеры прямоугольных сечений принимать по табл. 26.

3.92. Минимальная толщина защитного слоя бетона для арматуры балок, находящихся в обычных условиях эксплуатации (отсутствие агрессивных воздействий), должна удовлетворять требованиям пп. 3.3; 3.4; 3.5 и 3.6 и приниматься по табл. 27 настоящего Руководства.

Концы продольных рабочих стержней арматуры, не привариваемых к анкерующим деталям, должны отстоять от торца балки на расстоянии не менее:

10 мм - для сборных балок длиной до 9 м включительно;

15 мм - для монолитных балок длиной до 6 м включительно при диаметре стержней арматуры до 40 мм включительно;

20 мм - для монолитных балок длиной более 6 м при диаметре стержней арматуры до 40 мм включительно.

Таблица 26

Ширина сечения балки, мм

Высота сечения балки, мм

300

400

500

600

700

800

1000

1200

далее кратно 300

150

+

+

 

 

 

 

 

 

 

200

 

+

+

+

 

 

 

 

 

300

 

 

 

+

+

+

 

 

 

400

 

 

 

 

 

+

+

+

 

500

 

 

 

 

 

 

+

+

 

Далее кратно 100

 

 

 

 

 

 

 

+

+

Примечание. Знаком «+» обозначены рекомендуемые сечения балок.

Таблица 27

Характеристика балки

Толщина защитного слоя бетона для арматуры балок аб, мм

для продольной арматуры диаметром d1

для поперечной арматуры диаметром d2

Сборные и монолитные высотой поперечного сечения менее 250 мм

15 £ аб ³ d1

аб ³ 10

Сборные и монолитные высотой поперечного сечения 250 мм и более:

 

 

из бетона проектной марки менее М250

20 £ аб ³ d1

аб ³ 15

из бетона проектной марки М250 и более

20 £ аб ³ d1 - 5

аб ³ 15

Монолитные фундаментные балки

30 £ аб ³ d1

аб ³ 15

Сборные фундаментные балки из бетона марки М250 и более

30 £ аб ³ d1 - 5

аб ³ 15

3.93. Балки армируют продольной и поперечной арматурой, а при вязаных каркасах, кроме того, и отогнутой.

Площадь сечения рабочий арматуры балок определяется расчетом и должна удовлетворить требованиям п. 3.8 настоящего Руководства.

3.94. Для продольной рабочей вязаной арматуры балок высотой сечения 400 мм и более рекомендуется применять стержни диаметром не менее 12 мм. Для продольной арматуры, устанавливаемой по конструктивным соображениям, а также для продольных монтажных стержней сварных каркасов сборных балок допускается применять стержни и меньших диаметров.

Продольную рабочую арматуру рекомендуется назначать из стержней одинакового диаметра. Если же применяются стержни разных диаметров (количество которых рекомендуется не более двух), стержни большего диаметра следует размещать в первом ряду, в углах сечения и при вязаных каркасах - в местах перегиба хомутов.

Стержни продольной рабочей арматуры должны размещаться равномерно по ширине сечения балки или ребра и, как правило, не более чем в три ряда. При этом в третьем ряду должно быть не менее двух стержней. Размещение стержней последующих рядов над просветами (в пролете) или под просветами (на опорах) предыдущих рядов запрещается.

Рис. 84. Расположение продольной арматуры в поперечном сечении балки

а - сварная арматура; б - вязаная арматура

3.95. Расстояния в свету между отдельными стержнями продольной вязаной арматуры, а также между продольными стержнями соседних сварных сеток должны приниматься не менее наибольшего диаметра стержней и не менее для нижней арматуры 25 мм, а для верхней арматуры - 30мм.

Максимальное число продольных стержней одинакового диаметра, которое можно расположить в одном ряду по ширине поперечного сечения балки, дано в табл. 28.

При расположении нижней арматуры более чем в два ряда по высоте сечения расстояния между стержнями, расположенными в третьем и следующих рядах, должны приниматься не менее 50 мм. Расположение сварной и вязаной арматуры в сечении балок показано на рис. 84.

Таблица 28

Ширина сечения балки, мм

Арматура в сечении балки

Максимальное число продольных стержней одинакового диаметра, размещаемых в одном ряду балки при диаметре стержней, мм

12

14

16

18

20

22

25

28

32

36

40

150

Верхняя

3

3

3

2

2

2

2

2

-

-

-

 

Нижняя

3

3

3

3

3

2

2

2

-

-

-

200

Верхняя

4

4

4

4

3

3

3

3

2

-

-

 

Нижняя

5

4

4

4

4

3

3

3

2

-

-

300

Верхняя

-

-

6

6

5

5

5

4

4

3

3

 

Нижняя

-

-

7

6

6

5

5

5

4

3

3

400

Верхняя

-

-

-

-

7

7

6

6

6

5

4

 

Нижняя

-

-

-

-

8

8

7

6

6

5

4

500

Верхняя

-

-

-

-

9

9

8

8

7

6

6

 

Нижняя

-

-

-

-

10

10

9

8

7

6

6

3.96. В ребрах сборных панелей, настилов, часторебристых перекрытий и т.п. шириной 150 мм и менее, а также в отдельных балках шириной сечения 150 мм и менее при условии, что эти ребра и балки рассчитаны на равномерно распределенную нагрузку (не превосходящую 400 кгс/м2) и не рассчитаны на кручение, допускается установка в пролете и доведение до опоры одного продольного рабочего стержня или установка одной сетки типа «лесенка». В балках шириной более 150 мм число продольных рабочих стержней, устанавливаемых в пролете и доводимых до опоры, должно быть не менее двух.

В балках с вязаной арматурой и четырехсрезными хомутами следует устанавливать в пролете и доводить до опоры не менее четырех стержней. Схемы армирования поперечных сечений балок сварным и вязаными каркасами приведены на рис. 85.

Рис. 85. Схемы армирования сечений балок

а - вязаной арматурой, двухсрезными хомутами; б - то же, четырехсрезными хомутами; в - сварной арматурой

Нижнюю арматуру, которая доводится до крайних свободных опор балок, следует заводить за грань опоры на длину анкеровки в соответствии с п. 2.42 настоящего Руководства.

3.97. С целью экономии арматурной стали в балках, армированных сварными каркасами, часть стержней пролетной арматуры сверх их, которые следует довести до опоры, рекомендуется обрывать в пролете, не доводя их до опор. Места обрывов стержней определяются расчетом.

В балках, армированных вязаными каркасами, стержни пролетной арматуры, если их число больше двух при двухсрезных хомутах и больше четырех при четырехсрезных хомутах, не обрываются, но могут отгибаться на опоры.

3.98. Армирование второстепенных балок сварными каркасами рекомендуется выполнять по рис. 86, а вязаными - по рис. 87.

Рис. 86. Армирование второстепенных монолитных балок сварными сетками

а - крайние опоры; б - средняя опора; в - деталь установки стыкового стержни при рабочей арматуре из круглых гладких стержней; г - то же, из стержней периодического профиля; 1 - второстепенная балка; 2 - главная балка; 3 - пролетная арматура второстепенной балки; 4 - опорная сетка второстепенной балки; 5 - стыковой стержень диаметром dс; 6 - пролетная арматура главной балки; t1 - по расчету, но не менее 1/3l; t2 - по расчету, но не менее 1/4l

Рис. 87. Армирование второстепенных монолитных балок отдельными стержнями

а - крайние опоры; б - средняя опора; t1 - по расчету, но не менее 1/3l; t2 - по расчету, но не менее 1/4l

Длина пролетных сварных каркасов второстепенных балок назначается равной размеру пролета в свету, а за грань опор заводятся специальные стыковые стержни. Стыковые стержни должны быть предусмотрены на промежуточных опорах второстепенных балок, а также на крайних опорах этих балок, если крайней опорой является главная балка или прогон, связанные с второстепенной балкой монолитно. Эти стержни устанавливаются на уровне стержней пролетной рабочей арматуры балок и число их должно соответствовать количеству пролетных сеток. Диаметр стыковых стержней должен быть не менее, 10 мм и не менее половины диаметра рабочего стержня сетки. Общая площадь сечения этих стержней, кроме того, должна быть не менее минимального процента армирования сечения балки на опоре.

Стыковые стержни, если они периодического профиля, заводятся за грань опоры в пролет не менее чем на 15, а если стержни гладкие, то к 15d необходимо прибавить один шаг поперечных стержней второстепенных балок и плюс 50 мм.

Если на опоре нужна сжатая арматура, сечение стыковых стержней назначается по расчету и они заводятся за грань опоры в пролет на длину стыка внахлестку для сжатых стержней в соответствии с п. 2.46 настоящего Руководства.

Стержни нижней вязаной арматуры монолитных балок (рис. 87) в случаях, когда в опорных сечениях нижняя арматура по расчету не требуется, рекомендуется заводить за грань промежуточной опоры не менее чем на длину lан для растянутых стержней в сжатом бетоне (см. п. 2.40 настоящего Руководства).

Если нижняя арматура на промежуточной опоре учитывается в расчете как сжатая или растянутая, то стык стержней смежных пролетов осуществляется в соответствии с указаниями по устройству стыков арматуры внахлестку без сварки (п. 2.46 настоящего Руководства), при этом в одном сечении могут осуществляться стыки всех доведенных до опоры стержней.

3.99. На крайних опорах второстепенных балок, монолитно связанных с железобетонными прогонами, следует предусматривать верхнюю арматуру площадью сечения не менее 1/4 площади сечения арматуры в примыкающем пролете (рис. 86, а и 87, а). Стержни этой арматуры следует заводить в пролет на 1/6 пролета балки в свету и заделывать на опоре в соответствии с требованиями п. 2.40 настоящего Руководства.

3.100. На крайних, заделанных в стену (кирпичную и т.п.) опорах балки для восприятия возможного момента защемления должна предусматриваться верхняя арматура, которую можно назначать в виде специальных стержней, но, как правило, здесь достаточно имеющейся монтажной арматуры. При армировании отдельными стержнями монтажную арматуру следует поэтому всегда заводить за грань опоры на длину lан в соответствии с п. 2.40 (рис. 87, а), а в сварных сетках при выполнении монтажной арматуры из гладких стержней должны выполняться условия п. 2.42 (рис. 86, а) настоящего Руководства.

3.101. На промежуточных (средних) опорах многопролетных неразрезных второстепенных монолитных балок верхняя арматура задается расчетом. Места обрыва стержней этой арматуры следует, как правило, назначать также по расчету, причем в одном сечении разрешается обрывать не более трех стержней при двухсрезных хомутах и не более четырех при четырехсрезных хомутах. При действии на балку временной равномерно распределенной нагрузки, не превышавшей утроенной постоянной, можно половину (по площади) верхних стержней заводить за грань опоры в смежный пролет на 1/3 пролета в свету, а половину - на 1/4 (рис. 86, б и 87, б). В многопролетных балках с разными пролетами, отличающимися друг от друга не более чем на 20 %, места обрыва стержней во всех пролетах назначают одинаковыми (по большему пролету), а при различии в пролетах более 20 % стержни в меньший пролет заводят на длину, определенную по смежному пролету (большему). В случае если малый пролет находится между двумя большими, следует протягивать из смежных пролетов через весь малый пролет поверху не менее двух опорных стержней, даже если они не требуются по расчету.

3.102. Отрицательные моменты на промежуточных опорах многопролетных неразрезных балок иногда требуют усиления ребра нижней сжатой арматурой. При необходимости (по расчету) такого усиления конструирование этого участка балки рекомендуется выполнить следующим образом:

а) при армировании сварными сетками устанавливаются стыковые стержни в соответствии с п. 3.98 настоящего Руководства;

б) при армировании отдельными стержнями:

если необходимое сечение сжатой арматуры не превышает сечения стержней, доводимых до опоры из каждого пролета в отдельности, то стержни эти стыкуются на опоре внахлестку без сварки, причем стык осуществляется в одном сечении, а длина нахлестки принимается в соответствии с п. 2.46 настоящего Руководства;

если сечение доводимой до опоры пролетной арматуры недостаточно, то следует выполнять ее стык внахлестку и добавлять коротыши, площадь сечения которых назначается по расчету. Коротыши запускаются в каждый пролет на 1/6l от оси опоры пли на 1/8l от грани опоры (берется большая величина).

3.103. Армирование опор главных балок монолитных перекрытий сварной арматурой рекомендуется выполнять специальными вертикальными сетками по типу, показанному на рис. 88.

Схема армирования главных балок отдельными стержнями аналогична схеме армирования второстепенных балок, показанной на рис. 87.

Рис. 88. Армирование опор монолитных главных балок сварными сетками

а - средняя опора; б - крайняя опора; 1 - пролетная сетка; 2 - опорная сетка; t1 - по расчету, но не менее 1/3l; t2 - по расчету, но не менее 1/4l

3.104. У боковых поверхностей балок высотой поперечного сечения более 700 мм должны ставиться конструктивные продольные стержни с расстояниями между ними по высоте не более 400 мм и площадью сечения не менее 0,1 % площади сечения бетона с размерами, равными: по высоте элемента - расстоянию между этими стержнями, по ширине элемента - половине ширины ребра элемента, но не более 200 мм (рис. 89). Эти стержни должны соединяться шпильками диаметром 6 - 8 мм из арматуры класса A-I с шагом 500 мм по длине балки.

3.105. Вертикальная поперечная арматура в балках и ребрах высотой более 150 мм должна устанавливаться всегда. В балках и ребрах высотой 150 мм и менее допускается поперечную арматуру не устанавливать.

Поперечную арматуру допускается не ставить у граней тонких ребер и балок шириной 150 мм и менее, по ширине которых располагается лишь один продольный стержень или сварная сетка. При этом должны быть обеспечены требования расчета, изложенные в п. 3.36 главы СНиП II-21-75.

Рис. 89. Размещение конструктивных продольных стержней у боковых граней в поперечном сечении балки

а - при вязаной арматуре; б - при сварной арматуре; 1 - продольная рабочая арматура; 2 - продольная монтажная арматура; 3 - продольный конструктивный стержень площадью поперечного сечения fа.к ³ 0,001b¢h¢; 4 - шпильки или поперечные стержни, d = 6 - 8 мм

3.106. Диаметр поперечных стержней в сварных сетках и каркасах балок принимается по расчету. При этом необходимо учитывать условия сварки согласно табл. 4.

Диаметр хомутов в вязаных каркасах балок принимается по расчету и должен быть не менее: 6 мм при h £ 800 мм; 8 мм при h > 800 мм.

При этом как в сварных, так и в вязаных каркасах диаметр продольных стержней должен быть не менее диаметра поперечных.

3.107. Расстояния между вертикальными поперечными стержнями или хомутами в балках, не имеющих отогнутой арматуры, в случаях когда поперечная арматура требуется по расчету либо по конструктивным соображениям, указанным в п. 3.105 настоящего Руководства, должны быть не менее требуемых расчетом и приниматься (см. рис. 90):

а) на приопорных участках (равных при равномерной нагрузке 1/4 пролета, а при сосредоточенных нагрузках - расстоянию от опоры до ближайшего груза, но не менее 1/4 пролета):

при высоте сечения h £ 450 мм - не более h/2 и не более 150 мм;

при высоте сечения h > 450 мм -не более h/3 и не более 500 мм;

б) на остальной части пролета при высоте сечения h > 300 мм - не более 3/4h и не более 500 мм.

Рис. 90. Расположение поперечной арматуры в балках, не имеющих отгибов

3.108. Расстояния между поперечными стержнями (хомутами) в балках со сжатой продольной арматурой, учитываемой в расчете, должно приниматься по табл. 25 настоящего Руководства.

3.109. В вязаных каркасах средних балок монолитных ребристых перекрытий, в том числе многопролетных неразрезных, монолитно связанных поверху плитой по всей длине при временных нагрузках на перекрытие 3 тс/м2 и меньше рекомендуется ставить открытые хомуты. Закрытые хомуты ставятся в отдельных (не связанных монолитно с плитой) балках прямоугольного или таврового сечения, в крайних балках монолитных ребристых перекрытий, в балках с расчетной сжатой арматурой, а также в средних балках монолитных ребристых перекрытий, рассчитанных на временную нагрузку более 3 тс/м2.

При этом закрытые хомуты рекомендуется перевязывать вразбежку, чтобы стыки смежных хомутов не приходились на одном стержне.

3.110. В балках с вязаной арматурой, рассчитанных па кручение, следует ставить замкнутые хомуты с перепуском их концов на 30d, а при сварных каркасах вертикальные и горизонтальные поперечные стержни должны быть приварены в соответствии с п. 2.34а настоящего Руководства.

3.111. Соединения продольных и поперечных стержней в сварных сетках балок должны обеспечивать анкеровку поперечной арматуры, для чего сварные соединения должны быть равнопрочными.

В вязаных каркасах хомуты должны конструироваться таким образом, чтобы в мостах их перегиба, а также загиба концевых крюков (при отсутствии перепуска концов) обязательно располагались продольные стержни.

Рекомендуется, чтобы каждый хомут охватывал в одном ряду не более пяти растянутых стержней и не более трех сжатых. При большем числе стержней в одном ряду, а также при ширине балки 350 мм и более рекомендуется переходить на четырехсрезные или многосрезные хомуты.

Применяемые для балок с вязаной арматурой конструкции хомутов показаны на рис. 1 и 85. При этом ширина четырехсрезного хомута в зависимости от количества стержней в одном ряду балки и количества стержней между внутренними ветвями хомутов определяется по табл. 29.

Таблица 29

Ширина балки b, мм

Значение bх, мм, четырехсрезных хомутов при количестве продольных стержней в одном ряду балки

5

6

7

8

9

10

При количестве продольных стержней между внутренними ветвями хомутов

3

2

3

4

3

4

350

230

190

205

220

-

-

400

270

225

240

255

225

240

450

-

250

270

295

255

270

500

-

-

310

330

290

280

3.112. При монолитных конструкциях в толще опор в местах пересечения балки с колонной или с прогоном поперечную арматуру балки ставить не следует. В таких конструкциях первый хомут или поперечный стержень следует ставить в пролете на расстояние 50 мм от грани опоры.

При опирании монолитных балок на кирпичную кладку на крайней опоре первый хомут или поперечный стержень ставится у торца балки с необходимым защитным слоем, а в пределах средних опор, установка хомутов продолжается с шагом, принятым для пролета балки.

В сборных балках расстановку поперечной арматуры следует начинать от торца элемента с учетом защитных слоев бетона.

3.113. Отогнутые стержни следует применять в балках, армированных вязаными каркасами, если по расчету требуется поперечная арматура. Применять отогнутые стержни в сварных каркасах не рекомендуется.

Длина приопорного участка балки, на котором размещаются отгибы, назначается расчетом.

Радиус дуги, по которой отгибается наклонный участок стержня, должен быть не менее 10d.

Угол наклона отгиба к продольной оси балки, как правило, следует принимать равным 45°. В балках с высотой сечения более 800 мм и в балках-стенках угол наклона отгибов допускается увеличивать до 60°, а в низких балках и в балках, рассчитанных на сосредоточенные нагрузки, - уменьшать до 30°.

3.114. Наклонную арматуру предпочтительно образовывать, отгибая на опоры нижнюю пролетную арматуру, которая в неразрезных балках переводится затем через опору в соседний пролет (см. рис. 87).

Если возникает необходимость увеличить на промежуточной опоре число наклонных стержней сверх того количества, которое можно получить за счет отгибания стержней из смежных пролетов, то над этой опорой следует устанавливать короткие стержни с двумя наклонными участками (стержень dк на рис. 87) и с двумя горизонтальными участками внизу для обеспечения анкеровки.

Применение коротких стержней с одним наклонным участком и не связанных с общей арматурой так называемых плавающих стержней, а также стержней со сложной конфигурацией, имеющих более двух наклонных участков, не допускается.

3.115. В балках с шириной сечения 200 мм и менее разрешается отгибать в каждой плоскости по одному стержню. В балках с шириной сечения 300 - 400 мм следует отгибать в первой от опоры плоскости не менее двух стержней, а в последующих допускается отгибать по одному стержню. В балках с шириной сечения более 400 мм отгибать менее двух стержней в каждой плоскости не допускается.

Если диаметры отгибаемых стержней разные, то отгибы больших диаметров следует располагать ближе к опоре.

Отгибы стержней рекомендуется располагать симметрично относительно вертикальной оси сечения балки. Если в сечении отгибается один стержень, располагать его следует по оси симметрии сечения или возможно ближе к ней. Отгибать стержни, расположенные непосредственно у боковых поверхностей балки, не рекомендуется, располагать их следует на расстоянии не менее 2d от боковых граней балки (рис. 91).

3.116. Расстояния между наклонными участками стержней по длине балки назначаются расчетом. Если в расчете не даются указания о расположении плоскостей отгибов, то расстояния между ними принимаются по рис. 87.

3.117. Стержни первой от опоры плоскости отгибов не учитываются расчетом в составе надопорной продольной арматуры. Сечением, с которого полностью включается в работу на опорный изгибающий момент верхний прямой участок отогнутого стержня каждой плоскости, считается сечение на расстоянии ³  от верхней точки наклонного участка этого стержня в сторону опоры. Аналогично нижний прямой участок отгибаемого стержня полностью исключается из работы на пролетный изгибающий момент в сечении на расстоянии ³ от нижней точки наклонного участка в сторону пролета (здесь h0 - расчетная высота сечения балки, приблизительно равная 0,9 - 0,95 высоты сечения балки).

3.118. Стержни, отгибаемые из пролета в первой и второй плоскостях от промежуточной опоры, следует обязательно заводить в смежный пролог, и отгибаемые в третьей и последующих плоскостях разрешается в случае отсутствия в них надобности в работе на опорный изгибающий момент или при трудностях размещения их в надопорном сечении обрывать в пролете вверху (см. рис. 87).

Рис. 91. Конструирование отогнутых стержней

3.119. Верхние концы отогнутых стержней, которые не переводятся через опору и смежный пролет, должны заканчиваться прямыми участками длиной не менее 0,8lан, принимаемой согласно указаниям п. 2.40 настоящего Руководства, но не менее 20d в растянутой и 10d в сжатой зоне. Обрыва отогнутого стержня в растянутой зоне (внизу) следует избегать. В балках высотой более одного метра отогнутый стержень из гладкой арматуры может заканчиваться в сжатой зоне только крюком без прямого участка (см. рис. 91), а стержни периодического профиля должны всегда иметь прямой участок.

3.120. Вертикальные проекции hoтг.i мм, наклонных участков отгибаемых стержней в зависимости от высоты сечения балки hб и величины защитного слоя бетона аб, вычисляются по следующим формулам:

;                                                     (20)

;                                          (21)

;                                           (22)

.                                      (23)

При этом:  - для второстепенных балок; мм - для главных балок, к которым примыкают второстепенные балки с верхней арматурой диаметром до 20 мм; мм - для главных балок, к которым примыкают второстепенные балки с верхней арматурой диаметром более 20 мм.

Если d2 > 20 мм, или d1 > 20 мм, или (d1 + d2) > 40 мм, то в формулы (21), (22) и (23) следует подставлять соответственно (d2, d1, вместо 20 или d1 + d2 вместо 40; hoтг.i вычисляется с точностью до 10 мм.

Дополнительные указания по армированию балок в местах приложения сосредоточенной нагрузки

3.121. В сечениях балок, где приложены сосредоточенные нагрузки, в том числе в местах опирания монолитных второстепенных балок на главные, следует предусматривать дополнительное армирование по рис. 92. Площадь сечения этой арматуры назначается расчетом.

Дополнительная арматура в зависимости от вида основной арматуры конструируется в виде сварных сеток, отгибов, подвесок или учащенных хомутов. При этом число сварных сеток, отгибов или подвесок должно быть не менее двух; вертикальных стержней в каждой сварной сетке должно быть не менее 4 Æ 6; отгибы или подвески должны иметь диаметр не менее 10 мм; отогнутые стержни должны иметь в верхней зоне горизонтальный прямой участок длиной не менее 0,8lан, принимаемой по п. 2.40 настоящего Руководства, и не менее 20d, причем если отгибы из гладкой арматуры, этот участок должен заканчиваться крюком.

МОНОЛИТНЫЕ РАМЫ

3.122. Вопросы конструирования стоек монолитных рам отражены в разделе «Колонны» настоящего Руководства.

Вопросы конструирования ригелей монолитных рам отражены в разделе «Балки» настоящего Руководства.

Наиболее ответственной частью монолитных рам являются узлы, в которых необходимо создать предусмотренную расчетом жесткость. При конструировании узлов монолитных рам, обычно насыщенных арматурой, нужно стремиться к обеспечению максимального удобства укладки и уплотнения бетонной смеси, к возможности применения вибраторов. Для удобства размещения арматуры в узле ширина сечения стойки должна быть на 50 - 100 мм больше ширины сечения ригеля.

3.123. В узлах монолитных рам элементы, как правило, сопрягаются под прямым углом. При этом ригель может соединяться с концом стойки или в пределах ее высоты. Верхний ригель рам иногда выполняют ломаного очертания. Конструирование такого ригеля в зоне излома имеет некоторую специфику, так как этот узел должен быть жестким, т.е. рамным.

3.124. Сопряжение ригеля под прямым углом с концом стойки рекомендуется выполнять по рис. 93. Стержни, армирующие входящий угол, должны быть взаимно заведены в смежный элемент узла, как правило, без отгибания. Продольные рабочие стержни стойки доводят до верха ригеля (с учетом защитного слоя бетона). Нижние стержни пролетной арматуры ригеля заводят в стойку за ее внутреннюю грань на величину, обеспечивающую анкеровку. Поперечные стержни (хомуты) стойки доводят до верха ригеля, а поперечные стержни (хомуты) ригеля - до внутренней грани стойки.

Стержни, армирующие исходящий угол (наружные стержни), конструируются в зависимости от величин действующих в узле расчетных усилий и эксцентриситета продольной силы. Верхние стержни опорной арматуры ригеля заводят в стойку и в зависимости от количества арматуры, т.е. от расчета, их обрывают в одном или в двух сечениях, причем в первом сечении не более четырех стержней, во втором сечении не менее двух стержней. Места обрыва показаны на рис. 93. При значительном эксцентриситете часть наружных стержней стойки, но не менее двух можно пропустить в ригель на величину lан от внутренней грани стойки.

При применении в ригеле и в стойке сварной арматуры в узлах рекомендуется устанавливать специальные опорные сетки или каркасы по типу армирования опор главных балок. При невозможности установки сварной арматуры узел армируется отдельными стержнями.

Рис. 92. Дополнительное армирование балок в местах сосредоточенных нагрузок

а - сварными сетками; б - подвесками; в - учащением хомутов

3.125. Армирование сопряжения ригеля с промежуточным сечением стойки рекомендуется выполнять по рис. 94. При этом продольные арматурные стержни стойки нижнего этажа следует выпускать над перекрытием (над ригелем) для устройства вязаных или сварных стыков с арматурными стержнями стойки верхнего этажа.

Растянутые верхние стержни опорной арматуры ригеля следует заводить в стойку на величину lан. При этом узел конструируется по рис. 94, а, если расстояние до наружных стержней стойки больше требуемой длины анкеровки, или по рис. 94, б, если расстояние до наружных стержней стойки меньше величины анкеровки. В последнем случае на отогнутые участки стержня должны быть установлены дополнительные хомуты с шагом не более 100 мм, препятствующие разгибанию стержня. Рекомендуется отгибать стержни во второй ряд по отношению к наружной арматуре стойки. Если завести верхние стержни ригеля на необходимую длину анкеровки невозможно, узел можно конструировать по рис. 94, в с усилением анкерной шайбой.

Если в опорном сечении ригеля действуют знакопеременные изгибающие моменты и следовательно нижние стержни могут быть растянуты, их необходимо заводить в стойку с обеспечением соответствующей длины анкеровки либо усиливать анкеровку шайбой на конце.

Если нижняя сжатая арматура ригеля учитывается в расчете, то ее следует заводить за внутреннюю грань стойки на величину lан, как для сжатых стержней, в соответствии с п. 2.40 настоящего Руководства.

3.126. Конструирование ломаного ригеля в зависимости от угла сопряжения выполняется по рис. 95.

Пересекающиеся продольные стержни арматуры растянутой зоны сечения входящего угла ломаных ригелей рекомендуется заанкеровать в сжатой зоне сечения. Допускается часть этих стержней обрывать, не заводи в сжатую зону.

Рис. 93. Армирование крайних верхних узлов монолитных рам

Рис. 94. Армирование сопряжения промежуточного ригеля со стойкой

а - в случае когда расстояние до наружных арматурных стержней стойки больше lан; б - то же, если расстояние меньше lан; в - вариант усиления анкеровки растянутых стержней ригеля шайбой

Рис. 95. Схема армирования узла сопряжения ломаного ригеля

а - при угле сопряжения, меньшем 160°; б - то же, большей 160°

На участке длиной  необходимо устанавливать поперечную арматуру площадью сечения Fа.х не менее определенной по формуле

,                                            (24)

где Fa1 - площадь сечения продольных растянутых стержней, незаанкеренных в сжатой зоне;

Fa2 - то же, заанкеренных в сжатой зоне.

При сопряжении элементов ригеля ломаного очертания под углом меньше 160° не допускается укладывать внизу растянутые цельные стержни, следующие за очертанием угла. Сверху в сжатой зоне, наоборот, рекомендуется укладывать цельные стержни. Стыковать сжатые стержни в вершине исходящего угла не допускается.

При сопряжении элементов ригеля ломаного очертания под углом 160° и больше как верхние, так и нижние стержни могут быть цельными и следовать за очертанием угла.

ПЛИТЫ

3.127. Плитами считаются изгибаемые конструкции относительно небольшой толщины и сравнительно больших размеров в плане, предназначенные, как правило, для восприятия распределенной по площади плиты нагрузки.

В практике проектирования железобетонных конструкций в основном встречаются плиты балочные, опертые по контуру, и консольные. Их выполняют однопролетными или многопролетными неразрезными, причем они могут быть свободно опертыми или защемленными на опорах.

Балочными называются протяженные плиты с соотношением сторон плиты более двух при обязательном опирании по противоположным сторонам.

Опертыми по контуру называются плиты, опирающиеся по двум смежным, по трем или по четырем сторонам и имеющие соотношение сторон 2 и менее.

Консольными плитами называются плиты, заделанные с одной стороны в стену или в другую конструкцию или представляющие собой часть одно- или многопролетной плиты, свешивающуюся за раннюю опору.

Рис. 96. Примеры конструкций сборных плит

Плиты выполняют сборными и монолитными, и они могут быть элементами покрытий, перекрытий, плитных фундаментов, подпорных стен или других конструкций и конструируются гладкими или вместе с балками (ребрами) соответствующих конструкций.

Сборные плиты могут применяться для тех же конструктивных элементов и выполняться гладкими или вместе с ребрами. Указания по конструированию ребер ребристых сборных и монолитных плит приведены в разделе конструирования балок настоящего Руководства.

Примеры конструкций сборных плит с ребрами приведены на рис. 96. Примеры конструкций монолитных плит приведены в настоящем разделе.

3.128. Толщина монолитных плит должна назначаться в соответствии с п. 3.1 настоящего Руководства и приниматься не менее:

40 мм - для покрытий;

50 мм - для междуэтажных перекрытий жилых и общественных зданий,

60 мм - для междуэтажных перекрытии производственных зданий.

Таблица 30

Характеристика плиты

Толщина защитного слоя бетона аб в плитах

для рабочей арматуры диаметром d1

для распределительной арматуры диаметром d2

Сборные плиты из бетона проектной марки менее М250 и монолитные плиты независимо от марки бетона

 

 

толщиной, мм:

 

 

до 100 включительно

10 мм £ аб ³ d1

10 мм £ аб ³ d2

более 100 до 250

15 мм £ аб ³ d1

10 мм £ аб ³ d2

250 и более

15 мм £ аб ³ d1

15 мм £ аб ³ d2

Сборные плиты из тяжелого бетона проектной марки М250 и более

 

 

толщиной, мм:

 

 

до 100 включительно

10 мм £ аб ³ (d1 - 5)

10 мм £ аб ³ (d2 - 5)

более 100 до 250

15 мм £ аб ³ (d1 - 5)

10 мм £ аб ³ (d2 - 5)

250 и более

15 мм £ аб ³ (d1 - 5)

15 мм £ аб ³ (d2 - 5)

Примечание. В сборных плитах из тяжелого бетона проектной марки М250 и более, изготовляемых на заводах в металлических формах и защищаемых сверху (в сооружении) бетонной подготовкой или стяжкой, допускается для верхней арматуры принимать толщину защитного слоя не менее 5 мм.

Минимальная толщина сборных плит должна определяться из условий обеспечения требуемых толщин защитных слоев бетона и условий расположения арматуры по толщине плиты.

Толщины монолитных плит h, мм, рекомендуется принимать 40, 50, 60, 70, 80, 100, 120, 140, 160, 180, 200, 250, 300, далее кратно 100.

3.129. Толщина бетонного защитного слоя для рабочей арматуры плит, находящихся в обычных условиях эксплуатации, должна удовлетворять требованиям пп. 3.3; 3.4; 3.5; 3.6 и приниматься по табл. 30 настоящего Руководства.

Концы продольных рабочих стержней, не привариваемых к анкерующим деталям, должны отстоять от торца плиты на расстоянии не менее:

10 мм - для сборных плит перекрытий и стеновых панелей пролетом до 12 м включительно;

15 мм - для монолитных плит длиной до 6 м включительно;

20 мм - для монолитных плит длиной более 6 м.

3.130. Плиты, как правило, должны армироваться сварными сетками.

Вязаную арматуру допускается применять для сравнительно небольших монолитных участков сборных перекрытий и монолитных плит с большим числом неупорядоченных отверстий, а также в случаях, когда применение сварной арматуры не допускается по условиям эксплуатации согласно прил. 2.

Диаметр рабочих стержней сварной арматуры плит рекомендуется принимать не менее 3 мм, а вязаной - не менее 6 мм.

3.131. Расстояния между осями стержней рабочей арматуры в средней части пролета плиты (внизу) и над опорой (в верху многопролетных плит) должны быть не более: 200 мм - при толщине плиты h < 150 мм; 1,5h - при толщине плиты h ³ 150 мм.

Расстояния между стержнями, доводимыми до опоры плиты, не должны превышать 400 мм, причем площадь сечения этих стержнем на один метр ширины плиты должна составлять не менее 1/3 площади сечения стержней в пролете, определенной расчетом по наибольшему изгибающему моменту.

3.132. Площадь сечения рабочей арматуры плит определяется расчетом и должна удовлетворять требованиям п. 3.8 настоящего Руководства. Диаметр и шаг стержней этой арматуры можно подбирать по табл. 31.

Площадь сечения распределительной арматуры в балочных плитах должна составлять не менее 10 % площади сечения рабочей арматуры в месте наибольшего изгибающего момента. Диаметр и шаг стержней этой арматуры в зависимости от диаметра и шага стержней рабочей арматуры рекомендуется назначать по табл. 32.

Таблица 31

Шаг стержней, мм

Площадь поперечного сечения арматуры на 1 м ширины плиты, см2, при диаметре стержней, мм

3

4

5

6

8

10

12

14

16

18

20

22

25

100

0,71

1,26

1,96

2,83

5,03

7,85

11,31

15,39

20,11

25,45

31,42

38,01

49,09

125

0,57

1,01

1,57

2,26

4,02

6,28

9,05

12,31

16,08

20,36

25,13

30,41

39,27

150

0,47

0,84

1,31

1,89

3,35

5,23

7,54

10,26

13,4

16,96

20,94

25,33

32,72

200

0,35

0,63

0,98

1,41

2,51

3,93

5,65

7,69

10,05

12,72

15,71

19

24,54

250

0,28

0,5

0,79

1,13

2,01

3,14

4,52

6,16

8,04

10,18

12,56

15,2

19,64

300

0,23

0,42

0,65

0,94

1,68

2,61

3,77

5,13

6,7

8,48

10,47

12,66

16,36

350

0,2

0,36

0,56

0,81

1,44

2,24

3,23

4,44

5,74

7,27

8,97

10,86

14

400

0,18

0,32

0,49

0,71

1,25

1,96

2,82

3,5

5,02

6,36

7,86

9,5

12,49

Таблица 32

Диаметр стержней рабочей арматуры, мм

Диаметр и шаг, мм, стержней распределительной арматуры балочных плит при шаге стержней рабочей арматуры, мм

100

125

150

200

250

300

3 - 4

3

400

3

400

3

400

3

400

3

400

3

400

5

3

350

3

350

3

350

3

350

3

400

3

400

6

3

350

3

350

3

350

3

350

3

400

3

400

8

5

350

5

350

4

350

4

350

3

350

3

400

10

6

350

6

350

5

350

5

350

5

350

5

350

12

6

250

6

300

6

350

6

350

6

350

6

350

14

8

300

8

350

8

350

6

300

6

350

6

350

16

8

250

8

300

8

350

8

350

8

350

8

350

18

10

300

10

250

10

350

8

350

8

350

8

350

20

10

200

10

250

10

300

10

350

10

350

10

350

22

12

250

12

300

10

300

10

350

10

350

10

350

25

14

300

10

200

8

150

8

200

8

250

8

300

Примечание. Над чертой указан диаметр стержней распределительном арматуры, а под чертой - их шаг.

3.133. Балочные монолитные плиты, армированные сварными сетками, рекомендуется конструировать по рис. 97, 98.

Пролетную арматуру плит шириной до 3 м и длиной до 6 м рекомендуется конструировать в виде плоской цельной сварной сетки, поперечные стержни которой являются рабочей арматурой плиты (рис. 97, а).

При диаметре рабочей арматуры более 10 мм можно армировать плиту плоскими узкими сварными унифицированными сетками. Длина таких сеток должна соответствовать ширине плиты, которая в этом случае может быть и более трех метров. Продольные стержни этих сеток являются рабочей арматурой плиты, а поперечные - распределительной, стыкуемой в плите внахлестку без сварки (см. п. 2.52 настоящего Руководства). Надопорная арматура неразрезных плит может конструироваться по рис. 97, в в виде двух, со сдвижкой, сеток (рис. 98, в) или одной (рис. 98, г) сетки с поперечными рабочими стержнями, укладываемых вдоль опор. Эти надопорные сетки могут быть рулонными.

Рис. 97. Схема армирования монолитных балочных плит сварными сетками (планы)

а - пролетная арматура в виде цельных сварных сеток с поперечными рабочими стержнями; б - то же, в виде узких сварных сеток с продольными рабочими стержнями; в - план надопорной арматуры

Рис. 98. Армирование опор плит сварными сетками (разрезы в рабочем направлении)

а - крайняя опора плиты, монолитно связанная с железобетонной балкой; б - крайняя опора плиты на кирпичной стене; в, г - средняя опора плиты, монолитно связанная с железобетонной балкой, с надопорной арматурой из двух раздвинутых сеток и из одной сетки

Многопролетные балочные монолитные плиты толщиной до 100 мм с рабочей арматурой средних пролетов и опор диаметром до 7 мм рекомендуется армировать сварными рулонными типовыми сетками с продольной рабочей арматурой по рис. 99. Рулоны при этом раскатываются поперек второстепенных балок, а поперечные стержни сеток, являющиеся распределительной арматурой плиты, стыкуются внахлестку без сварки. В крайних пролетах и на первых промежуточных опорах, где обычно требуется дополнительная арматура, на основную сетку укладывается дополнительная сетка (рис. 99), которая заводится за первую промежуточную опору во второй пролет на 1/4 пролета плиты. Вместо дополнительной сетки возможна укладка отдельных стержней, привязываемых к основной сетке.

Рис. 99. Непрерывное армирование монолитных неразрезных плит сварными рулонными сетками

а - план и разрезы плиты, опертой на железобетонные балки; б - деталь, опирания плиты на кирпичную стену

3.134. Плиты, опертые по контуру, рекомендуется армировать сварными сетками. При этом плиты, имеющие размеры не более 6´3 м, допускается армировать в пролете одной цельной сварной сеткой с рабочей арматурой в обоих направлениях. При большом числе одинаковых плит с меньшим пролетом 2,5 - 3 м для экономии арматурной стали рекомендуется уменьшать количество стержней на крайних полосах плиты против средних. В этом случае плита может армироваться одной цельной плоской сварной сеткой с количеством арматуры, которое требуется на крайней полосе, а на среднем участке плиты укладывается дополнительная сетка (рис. 100). Ширина крайней полосы lк определяется расчетом.

При нецелесообразности армирования плиты цельными сварными сетками допускается конструировать арматуру из узких сварных унифицированных сеток с продольной рабочей арматурой. Сетки укладываются в пролете в два слоя во взаимно перпендикулярных направлениях (рис. 101). При этом сетки с более короткими рабочими стержнями (рис. 101, поз. 2) укладываются в нижний слой. Монтажные, стержни сеток каждого слоя кладутся впритык и не стыкуются, причем в сетках нижнего слоя они должны быть снизу, в защитном слое рабочей арматуры, а в сетках верхнего слоя - сверху.

Надопорная арматура опертых по контуру неразрезных многопролетных плит (рис. 101, б) с плоскими сетками в пролетах конструируется аналогично надопорной арматуре балочных плит по рис. 98.

Многопролетные неразрезные, опертые по контуру плиты, рассчитанные на равномерно распределенную нагрузку с рабочей арматурой диаметром до 7 мм, можно армировать типовыми рулонными сетками с продольными рабочими стержнями (рис. 102). Для этого плиту следует разбить на три полосы в каждом направлении: две крайние по 1/4 меньшего пролета и среднюю. Рулоны в пролетах укладываются в два слоя, раскатываемых во взаимно перпендикулярном направлении только по средним полосам плит (рис. 102, а). Надопорная арматура углов плиты в этом случае может конструироваться в виде квадратных плоских сеток с рабочими стержнями в обоих направлениях. Эти сетки укладываются на пересечении ребер плит, причем стержни могут быть параллельны ребрам или укладываться под углом 45° к ним (рис. 102, б).

Рис. 100. Схема армирования пролета плиты, опертой по контуру, цельными сварными сетками

1 - основная сетка; 2 - дополнительная сетка

3.135. Вязаную арматуру монолитных плит толщиной 120 мм и меньше рекомендуется конструировать по рис. 103 без отгибов и доводить до опор все пролетные нижние стержни, а над опорами устанавливать свою арматуру (поз. 1, 2 рис. 103), так называемое раздельное армирование. При этом нижние пролетные рабочие стержни неразрезных плит рекомендуется конструировать сквозными, пропуская их через несколько опор, а в крайних пролетах, при необходимости по расчету, устанавливают дополнительные стержни (поз. 4 рис. 103).

Надопорную арматуру в нерабочем направлении следует устанавливать конструктивно в количестве не менее 1/3 сечения рабочей арматуры в пролете.

В плитах больших толщин в целях экономии арматуры часть пролетных стержней рекомендуется отгибать на опоры (так называемое непрерывное армирование). Стержни отгибают под углом 30° в плитах, толщиной до 150 мм и под углом 45° в плитах толщиной 160 мм и более. Отгибы в плитах при непрерывном армировании конструируют по рис. 104.

Рис. 101. Схема армирования плиты, опертой по контуру, узкими сварными сетками

а - пролетные сетки; б - надопорные сетки

3.136. Вязаную арматуру плит, опертых по контуру, рекомендуется конструировать так же, как и вязаную арматуру балочных плит. При этом для экономии арматурной стали плиту можно разбить на три полосы в каждом направлении - две крайние шириной по 1/4 меньшего пролета и среднюю. В крайних полосах площадь сечения арматуры может быть уменьшена вдвое против параллельной им средней полосы, но не менее трех стержней на один метр. Стержни в направлении короткой стороны укладываются внизу. Надопорная рабочая арматура устанавливается по всей длине каждой стороны плиты равномерно.

Рис. 102. Схема армирования плиты, опертой по контуру, сварными рулонными сетками

а - пролетная и средняя надопорная арматура; б - надопорная арматура углов плиты

3.137. На крайних опорах плит, монолитно связанных с железобетонными прогонами, надопорную расчетную арматуру следует заделывать в прогон на глубину анкеровки, принимаемую в соответствии с п. 2.40 настоящего Руководства.

На крайних свободных опорах плит пролетную арматуру следует заводить за грань опоры в соответствии с п. 2.42 настоящего Руководства.

Рис. 103. Раздельное армирование монолитных балочных плит отдельными стержнями (вязаной арматурой)

1, 2 - надопорная арматура в рабочем направлении; 3, 4 - пролетная арматура в рабочем направлении; 5, 6 - надопорная арматура в нерабочем направлении

Рис. 104. Непрерывное армирование монолитных плит отдельными стержнями (вязаной арматуры)

а - средняя опора (железобетонная балка) многопролетной плиты; б - то же, стальная балка; в - крайняя опора - железобетонная балка; г - то же, кирпичная стена; 1 - отгибы; 2 - пролетная арматура; 3 - дополнительная надопорная арматура (ставится, если недостаточно отогнутых стержней)

Армирование опор монолитных плит отдельными стержнями при разных опорных условиях дано на рис. 105, 106, 107.

Рис. 105. Раздельное армирование крайних опор монолитных плит отдельными стержнями в рабочем направлении

а - монолитно связанной с железобетонной балкой; б - защемленной в кирпичной стене; в - свободно лежащей на стальной балке, г - то же, на кирпичной стене; д - консольно опирающейся на стальную балку; 1 - пролетная рабочая арматура Fa диаметром d; 2 - опорная арматура (по расчету, но не менее 0,5 Fa), 3 - опорная арматура не менее 1/3Fa и не менее 5 Æ 6 AI на 1 пог. м, 4 - распределенная арматура; 5 - арматура железобетонной балки; 6 - стержень, обеспечивающий совместную работу плиты со стальной балкой, обычно, если не требуется по расчету - Æ 6 шаг 1000; 7 - сварка

Рис. 106. Раздельное армирование крайних опор монолитных плит отдельными стержнями в нерабочем направлении

а - свободно лежащей на стальной балке; б - консольно опирающейся на стальную балку; в - монолитно связанной с железобетонной балкой; г - защемленной в кирпичной стене; д - примыкающей к стене без опирания; 1 - пролетная рабочая арматура Fа диаметром d; 2 - опорная арматура по расчету, но не менее 1/3Fa; 3 - опорная арматура; 4 - распределительная арматура; 5 - арматура железобетонной балки

Рис. 107. Армирование средних опор монолитной плиты отдельными стержнями

а - монолитно связанной с железобетонной балкой в рабочем направлении; б - свободно лежащей на стальной балке в рабочем направлении; в - монолитно связанной с железобетонной балкой в нерабочем направлении; 1 - пролетная рабочая арматура Fa диаметром d; 2 - распределительная арматура; 3 - опорная арматура по расчету, но не менее 1/3Fa; 4 - арматура железобетонной балки; 5 - сварка

3.138. Консольные плиты при вылете консоли до одного метра принимаются постоянной толщины, а при вылете более одного метра сечение плиты консоли может быть переменным: на свободном конце консоли - не менее 50 мм, а в месте заделки - по расчету.

Глубина заделки консольной плиты в стену назначается по расчету и при временной нагрузке до 400 кгс/м2 должна быть не менее:

250 мм - при вылете консоли до 600 мм;

380 мм - при вылете консоли 600 - 1000 мм.

При вылете консоли более 1000 мм или при больших нагрузках необходимо предусматривать специальные мероприятия по анкеровке консоли в стене.

3.139. Консольные плиты армируют, как правило, только верхней арматурой. Консоли, представляющие собой часть одно- или многопролетной плиты, армируются вместе с последними и той же арматурой - сетками или отдельными стержнями.

При армировании консольных плит, имеющих вылет более 1000 мм, допускается (если это рационально с точки зрения унификации позиции и сеток) половину рабочих стержней обрывать на половине вылета консоли.

3.140. Толстые монолитные плиты (например, фундаментные) рекомендуется армировать сварными армоблоками по типу, показанному на рис. 21.

Устанавливать их следует с разрывом, равным ширине армоблока, а в зазор помещать горизонтальные плоские сварные сетки, из которых собран армоблок. В случае необходимости укладывают также сварные сетки перпендикулярного направления.

Отверстия в плитах

3.141. Отверстия значительных размеров в железобетонных плитах, панелях и т.п. должны окаймляться дополнительной арматурой сечением не менее сечения рабочей арматуры (того же направления), которая требуется по расчету плиты как сплошной (рис. 108, а).

Отверстия размером до 300 мм специальными стержнями не обрамляются. Вязаная рабочая и распределительная арматура плиты вокруг таких отверстий сгущается - ставятся два стержня с промежутком 50 мм (рис. 108, б). При армировании плиты сварными сетками рекомендуется такое отверстие вырезать в арматуре по месту.

Отверстия (проемы), если необходимо по расчету, обрамляются армированными ребрами. Размеры и армирование этих ребер зависит от размеров, формы, расположения в плане относительно балок перекрытия, назначения проема и в каждом отдельном случае решаются проектировщиком на основании расчета.

В арматурных чертежах специальные стержни для армирования плиты в пределах размера отверстия, за исключением окаймляющих, как правило, не даются, а на чертеже следует помещать примечание: в пределах отверстия стержни разрезать по месту и отогнуть в тело плиты.

При армировании перекрытия сварными сетками отверстия размером до 500´500 мм при раскладке сеток не учитываются, а на чертеже дается примечание: отверстие вырезать по месту.

При больших размерах отверстия сетки раскладываются с учетом отверстий, однако в районе отверстия плиту рекомендуется армировать отдельными стержнями, не нарушая унификации сеток.

Дополнительная арматура, окаймляющая отверстия, должна быть заведена за края отверстия на длину не менее величины нахлестки lн согласно п. 2.46 настоящего Руководства.

Рис. 108. Армирование плит в местах отверстий

а - отверстия размером более 300 мм; б - отверстия размером до 300 мм; 1 - стержни арматуры плиты; 2 - окаймляющие стержни, образованные сгущением арматуры плиты; 3 - стержни специальной окаймляющей отверстие арматуры

Армирование плит в зоне продавливания

3.142. Поперечная арматура, устанавливаемая в плитах в зоне продавливания, должна иметь анкеровку по концам, выполняемую приваркой или охватом продольной арматуры. Расстояние между поперечными стержнями принимается не более 1/3h и не более 200 мм, где h - толщина плиты. Ширина зоны постановки поперечной арматуры должна быть не менее 1,5h.

ПЕРЕКРЫТИЯ

3.143. Перекрытия могут быть ребристыми, часторебристыми, так называемыми кессонными, безбалочными и др. По способу производства работ перекрытия могут быть сборными, монолитными и сборно-монолитными.

Рекомендуется проектировать сборные перекрытия либо полностью по типовым чертежам действующих серий, либо с использованием отдельных типовых сборных элементов.

3.144. Рекомендации по конструированию монолитных балочных перекрытий приведены в разделах настоящего Руководства, в которых излагаются вопросы конструирования плит и балок.

Правила конструирования сборных перекрытий из типовых элементов определяются соответствующими типовыми сериями.

3.145. При проектировании сборно-монолитных перекрытий для обеспечения условий изготовления конструкций, долговечности и совместной работы арматуры и бетона надлежит выполнять конструктивные требования, изложенные в настоящем Руководстве, а также следующие рекомендации.

Для повышения индустриализации изготовления и монтажа сборно-монолитных конструкций целесообразно применять крупные сборные элементы и располагать в них основную часть рабочей продольной растянутой арматуры.

3.146. На поверхностях сборных элементов, соприкасающихся с дополнительно уложенным бетоном, следует устраивать шпонки, шероховатость поверхностей контакта, продольные выступы и пазы, в соответствии с расчетными или конструктивными требованиями выпускать арматуру.

Шероховатость поверхности может быть достигнута естественным (незаглаженный бетон) и искусственным путем (насечка, обдирка поверхностного слоя, химический способ и др.).

Шпонки (рис. 109) и сопряжения, показанные на рис. 110, рекомендуется устраивать по поверхностям, где затруднено получение ecтественной шероховатости (например, по поверхностям, соприкасающимся с опалубкой).

Выпуски арматуры, как правило, должны быть продолжением хомутов, поперечных стержней сварных каркасов, продольной рабочей арматуры (рис. 111). Чтобы не усложнять изготовления сборных элементов, рекомендуется выпускать арматуру, по возможности, из свободных от опалубки поверхностей. Выпускаемые стержни должны иметь надежную анкеровку в дополнительно уложенном бетоне.

Рис. 109. Шпонки

а - треугольные; б - прямоугольные; 1 - cборный элемент; 2 - дополнительно уложенный бетон

Рис. 110. Сопряжения сборных элементов с дополнительно уложенным бетоном

а - ригеля с плитами; б - плит между собой; 1 - сборный элемент; 2 - дополнительно уложенный бетон; 3 - продольный выступ или паз

Рис. 111. Выпуски арматуры из сборных элементов

а - поперечной; б - продольной

3.147. При расположении арматуры в дополнительно уложенном бетоне необходимо предусматривать зазоры между арматурой и поверхностью сборного элемента, а также между рядами арматуры соседних сборных элементов, обеспечивающие заполнение швов бетоном или раствором и защиту арматуры от коррозии.

3.148. В сборно-монолитных конструкциях, на опорах которых в результате замоноличивания стыков (сварки выпусков арматуры; укладки в швах между элементами дополнительной арматуры, перекрывающей стык; установки поверх стыкуемых конструкций железобетонных элементов, перекрывающих стык, и др.) (рис. 112 - 114) могут возникнуть отрицательные опорные моменты, рекомендуется назначать площадь сечения надопорной арматуры в соответствии с действующими нормативными документами по расчету статически неопределимых железобетонных конструкции с учетом перераспределения усилий. Места обрыва этой арматуры определяют согласно п. 3.40 главы СНиП II-21-75.

Рис. 112. Сопряжение балок и плит

1 - главная балка; 2 - второстепенная балка; 3 - плита; 4 - выпуски арматуры

Рис. 113. Сопряжение плит

1 - ригель; 2 - дополнительно уложенный бетон; 3 - плита; 4 - выпуски арматуры из плит; 5 - надопорная арматура

Рис. 114. Сборно-монолитное покрытие одноэтажного промышленного здания

1 - ригель; 2 - дополнительно уложенный бетон; 3 - плита; 4 - выпуски арматуры

3.149. При проектировании сборных перекрытий должно предусматриваться устройство швов между отдельными элементами, заполняемых бетоном. Ширина швов назначается из условия обеспечения качественного заполнения их и должна составлять не менее 20 мм для элементов высотой сечения до 250 мм и не менее 30 мм при элементах большей высоты.

При этом должна быть обеспечена возможность размещения стыкуемой арматуры или закладных деталей и их надежной сварки.

3.150. Для замоноличивания стыков сборных железобетонных конструкций проектную марку бетона следует устанавливать в зависимости от условий работы соединяемых элементов, но принимать не ниже M100.

Для замоноличивания труднодоступных или трудноконтролируемых мест стыка рекомендуется заполнение шва раствором или бетоном под давлением, а также применение расширяющегося цемента.

3.151. Безбалочные перекрытия конструируются по рис. 115.

Рис. 115. Схема армирования безбалочных перекрытий

а - пролетная арматура - узкие сварные сетки; б - то же, надопорная арматура; в - пролетная арматура - отдельные стержни; г - то же, надопорная арматура

Плиты с нижней рабочей арматурой диаметром 10 - 12 мм и с длиной меньшей стороны 2,5 - 3 м следует армировать плоскими типовыми сварными цельными сетками. При больших ширинах плит и диаметрах стержней более 12 мм рекомендуется применять более узкие сетки, укладываемые в два взаимно перпендикулярных слоя.

В сварных сетках междуэтажных безбалочных перекрытий отверстия для пропуска арматуры колонн вырезаются по месту, а прерванная отверстием арматура компенсируется дополнительными стержнями в соответствии с п. 3.141.

В верхней части колонн в местах сопряжения с плитой безбалочные перекрытия снабжаются уширениями - капителями или капителями с надкапительными плитами.

3.152. Армирование безбалочных перекрытий отдельными стержнями производится обычно без отгибов. При большом числе одинаковых плит в целях экономии арматуры перекрытие делится на пролетные и надколонные полосы (см. рис. 115, в, г). В обеих полосах нижние стержни должны быть заведены от оси пролета в каждую сторону не менее чем на 0,35l. При этом в надколонной полосе стержни должны быть, заведены за грань капителей не менее чем на 10d. Стержни верхней арматуры надколонной полосы должны быть заведены за ось ряда колонн в каждую сторону также не менее чем на 0,35l.

Отдельные указания по конструированию элементов подвальных помещений

3.153. Конструирование монолитного сопряжения стены подвала с днищем производится по рис. 116.

3.154. Монолитное сопряжение ригеля с железобетонной стеной подвала следует выполнять по рис. 117. Вертикальные стержни стены следует доводить до верха ригеля. Верхняя арматура ригеля заводится в стену и отгибается вниз в плоскости наружной арматуры стены. При этом величина запуска арматуры ригеля в стену lс определяется по формуле

,                                                             (25)

где n - число участвующих в работе стыка стержней стены, определяемое по формуле ;

t - шаг стержней стены;

Rа.ст, Rа.р -расчетное сопротивление арматуры соответственно стены и ригеля растяжению;

Fа, fа - площадь сечения соответственно всех заводимых в стену верхних опорных стержней ригеля и одного стержня стены;

lан - длина анкеровки стержней стены, принимаемая в соответствии с п. 2.40 настоящего Руководства.

Если стержни стены и ригеля приняты из арматурной стали одного класса, то

;

Рис. 116. Армирование стен и днища подвалов (приямков и т.п.)

1 - сетки; 2 - поддерживающий каркас; 3 - уголковая (гнутая) сетка; 4 - стыковая сетка; 5 - армоблок; 6 - шов бетонирования

Рис. 117. Схема армирования узла сопряжения ригеля перекрытия со стеной подвала

ПОДПОРНЫЕ СТЕНЫ

3.155. Подпорные стены предназначаются для удержания насыпного грунта в вертикальном положении.

Конструкция подпорных стен обычно принимается уголкового сечения из гладких плит или из плит с ребрами (контрфорсами). Гладкие вертикальные стены применяют при относительно небольшой высоте удерживаемого грунта - примерно до 4 - 4,5 м. При большей высоте рекомендуется со стороны грунта устраивать в стене контрфорсы.

Горизонтальные плиты уголковых стен выполняются гладкими или с так называемой шпорой, то сеть с ребром, выступающим вниз вдоль всей горизонтальной плиты.

3.156. Подпорные стены могут выполняться монолитными или сборными.

Гладкие вертикальные элементы монолитных подпорных стен уголкового вида конструируют обычно переменной толщины. При этом вверху толщину назначают не менее 100 мм, а внизу принимают по расчету. Горизонтальные плиты также выполняют, как правило, переменной толщины.

Рис. 118. Схема армирования подпорных стен самонесущими арматурными блоками

а - при раздельном бетонировании подошвы и стенки; б - при одновременном бетонировании подошвы и стенки; 1 - арматурный блок; 2 - уголковая рабочая стыковая сетка; 3 - плоская стыковая сетка; 4 - шов бетонирования

3.157. Толщина защитного слоя бетона для рабочей арматуры подпорных стен при отсутствии грунтовых вод принимается для вертикальных элементов не менее диаметра рабочей арматуры и не менее 30 мм, а для горизонтальных плит - как в фундаментах (см. п. 3.26 настоящего Руководства).

3.158. Армирование подпорных стен высотой 3 м и более рекомендуется осуществлять пространственными арматурными каркасами (рис. 118).

При высоте стенок до 3 м арматуру рекомендуется конструировать, предусматривая навешивание сеток непосредственно на опалубку.

3.159. Для экономии арматурной стали при конструировании гладких протяженных подпорных стен армирование вертикальных плит этих стен рекомендуется выполнять двумя зонами. При этом на всю высоту стены устанавливается сетка с вертикальной рабочей арматурой, которая требуется в верхней зоне. В нижней зоне устанавливается дополнительная сетка также с вертикальными рабочими стержнями. Площадь сечения рабочей арматуры в обеих сетках устанавливается в соответствии с требованиями расчета нижней зоны стены. Сечение, где обрываются стержни вертикальной арматуры нижних сеток, устанавливается расчетом.

Горизонтальные плиты, как правило, армируются сетками без обрыва стержней. Пример армирования гладкой подпорной стены см. на рис. 119.

Рис. 119. Схема армирования монолитной гладкой подпорной стены

а - сдельными стержнями; б - сварными сетками; 1 - 5 - арматурные стержни; С-1 - С-5 - сварные сетки

Примечание. Стержень поз. 3 и сетку С-3 ставить при толщине сетки более 150 мм

3.160. Монолитные подпорные стены с ребрами (контрфорсами), как правило, выполняются с постоянной толщиной вертикальной горизонтальной плиты. Эти плиты конструируются по правилам конструирования плит, опертых по трем сторонам, которые изложены в разделе «Плиты».

Ребра армируют продольной (наклонные рабочие и боковые вертикальные конструктивные стержни) и поперечной (горизонтальные хомуты) арматурой в виде отдельных стержней или сварных сеток. Пример подпорной стены с контрфорсами приведен на рис. 120.

Рис. 120. Пример конструирования монолитной подпорной стены с контрфорсами

а - опорные сетки; б - пролетные сети; в - армирование контрфорса; 1 - вязаная арматура; 2 - сварные сетки

ТОННЕЛИ

3.161. Тоннели предназначаются для подземной прокладки различных коммуникаций и подразделяются на проходные и непроходные. По способу производства строительных работ они могут быть сборными и монолитными.

Сборные железобетонные тоннели могут конструироваться составными из отдельных элементов - стен, днища и крышки; из элементов П-образного сечения - днища с нижними участками стен и перекрытия с верхними участками стен или из элементов, представляющих собой одну стенку с участками днища и перекрытия. Разрезка может быть и по другой, экономически обоснованной схеме.

При небольших размерах поперечного сечения (с точки зрения удобства изготовления и транспортировки) тоннели могут конструироваться из цельных замкнутых блоков длиной 1 - 3 м.

При конструировании монолитных тоннелей, которые всегда представляют собой замкнутые рамы, необходимо назначать армирование и места стыков стержней с учетом максимального удобства строительных работ.

3.162. Тоннели рекомендуется армировать самонесущими пространственными каркасами и гнутыми сетками (рис. 121). Для стыкования распределительной (противоусадочной) арматуры могут быть использованы типовые сетки по действующим ГОСТам.

Каркасы собираются из сеток и поддерживающих устройств, которые фиксируют сетки в рабочем положении и обеспечивают общую пространственную жесткость (рис. 122).

При армировании тоннелей, в которых первоначально бетонируется только нижняя плита, для стыковки каркасов стен с днищем следует предусматривать специальные гнутые стыковые сетки.

Армирование участков тоннелей со сложной конфигурацией (места различных примыканий, углы поворота и т.п.) возможно осуществлять плоскими и гнутыми сетками.

3.163. Элементы сборных тоннелей армируются цельными спорными сетками или каркасами и снабжаются выпусками арматуры или закладными деталями для соединения со смежными элементами.

3.164. Армирование монолитных тоннелей отдельными стержнями показано на рис. 123.

Рис. 121. Схема армирования тоннеля самонесущими арматурными блоками

а - сечение тоннеля; б - раскладка угловых сеток вдоль тоннеля; 1 - армоблок; 2 - угловая сетка; 3 - стыковая сетка; 4 - шов бетонирования

Рис. 122. Самонесущий пространственный каркас (армоблок)

1 - сетки; 2 - поддерживающие каркас фиксаторы

Рис. 123. Пример армирования монолитного тоннеля отдельными стержнями

1 - 5 - номера позиций арматуры

4. ОСОБЕННОСТИ КОНСТРУИРОВАНИЯ ЖЕЛЕЗОБЕТОННЫХ КОНСТРУКЦИЙ, ПОДВЕРЖЕННЫХ ВОЗДЕЙСТВИЮ ДИНАМИЧЕСКИХ НАГРУЗОК

4.1. Динамические нагрузки по характеру воздействия на конструкцию могут быть периодическими и импульсными, а по повторяемости - многократно повторяющимися и немногократно повторяющимися.

К периодической динамической относится нагрузка с величиной амплитуды силы более 100 кгс/с.

К импульсной относится нагрузка с величиной эквивалентного мгновенного импульса более 100 кгс/с.

К многократно повторяющейся относится нагрузка, при которой конструкция испытывает более 106 циклов силовых воздействий, а коэффициент условий работы арматуры mа1 < 1 (табл. 25 гл. СНиП II-21-75).

4.2. При конструировании железобетонных конструкций, подверженных воздействию динамических нагрузок, следует кроме указаний, приведенных в разд. 1 - 3, руководствоваться пп. 4.3 - 4.21.

4.3. Очертания железобетонных конструкций, рассчитанных на нагрузки, указанные в п. 4.1, следует принимать простыми: без резких перепадов отметок, без изломов элементов и резкого изменения сечений. В местах сопряжения элементов конструкций (например, ригеля с колонной), а также изменения сечений элементов более чем в 1,5 раза следует, как правило, устраивать вуты, скругления входящих углов и т.п. Отверстия рекомендуется устраивать круглыми, а при необходимости устройства прямоугольного отверстия углы его следует скруглять.

4.4. Для железобетонных элементов, рассчитываемых на воздействие динамической нагрузки, рекомендуется принимать проектную марку бетона не ниже М200; для сильно нагруженных элементов (например, для колонн, воспринимающих значительные крановые нагрузки, элементов рам фундаментов под машины и т.п.) - не ниже М300. Монтажные набетонки по верху конструкции следует назначать из бетона марки не ниже М200.

4.5. Для армирования элементов железобетонных конструкций, подверженных воздействию динамических нагрузок, следует применить арматуру, указанную в п. 1.11 с учетом указаний п. 1.14 настоящего Руководства.

При выборе расчетной арматуры преимущество следует отдавить арматуре класса А-III.

Применение арматуры класса Ас-II более эффективно в конструкциях, подверженных воздействию многократно повторяющейся нагрузки при коэффициенте асимметрии цикла ρa < 0,7 (табл. 25 главы СНиП II-21-75). В этом случае допускается также применение арматуры классов А-II и А-I.

В конструкциях, подверженных воздействию, немногократно повторяющихся нагрузок, допускается применение арматуры классов B-I и Вр-I.

Для поперечной арматуры линейных элементов для конструктивной и монтажной арматуры в основном следует применять арматуру классов A-II и A-I.

4.6. Сталь для конструирования закладных деталей в конструкциях, подверженных динамическим нагрузкам, следует применять в соответствии с прил. 3.

4.7. Сварку арматуры и закладных деталей конструкций, подверженных динамической нагрузке, следует производить с учетом указаний инструкции по сварке соединений арматуры и закладных деталей железобетонных конструкций.

4.8. При стыковании растянутых стержней внахлестку в зоне перепуска необходимо устанавливать дополнительную поперечную арматуру в соответствии с п. 2.49 настоящего Руководства.

4.9. Участки бетона, воспринимающие импульсы указанной в п. 4.1 величины, должны иметь косвенное армирование в соответствии с п. 3.53 настоящего Руководства. При этом сетки косвенного армирования должны быть вязаными из арматуры классов А-I или A-II, диаметром 12 - 14 мм.

4.10. Минимальная площадь сечения продольной арматуры μ, % площади сечения бетона в железобетонных элементах конструкций, подверженных воздействию многократно повторяющихся нагрузок, принимается:

μ = 0,2 % - для арматуры А балок, плит и других изгибаемых, а также внецентренно растянутых элементов; μ = 0,25 % - для арматуры А и АI колонн и других внецентренно сжатых элементов. При воздействии немногократно повторяющихся нагрузок величина μ, должна устанавливаться в соответствии с табл. 10.

4.11. Расстояния между продольными стержнями в плитах, балках, колоннах и других конструкциях, а также хомутами (поперечными стержнями) в колоннах не должны превышать 300 мм.

4.12. Расстояния между стержнями боковой арматуры балок (рис. 89) не должны превышать 300 мм. Минимальный диаметр этих стержней при высоте балки h £ 1500 мм 12 мм, при большей высоте - 16 мм.

4.13. Арматуру ригелей и балок, подверженных воздействию многократно повторяющихся нагрузок при коэффициенте асимметрии цикла ρa < 0,7 следует конструировать вязаной с рабочей пролетной арматурой сверху и снизу и замкнутыми хомутами по рис. 18.

4.14. Колонны во всех случаях армируют симметричной арматурой, причем каждые 3 - 5 стержней должны обхватываться хомутами или шпильками.

4.15. Заделку рабочей арматуры ригелей и балок в колонии следует предусматривать по типу жестких рамных узлов.

4.16. В случае применения сварных каркасов все соединения продольных и поперечных стержней должны иметь нормируемую прочность.

4.17. При интенсивных динамических нагрузках следует предусматривать усиленное поперечное армирование узлов железобетонных рам (рис. 124).

Рис. 124. Пример армирования узла сопряжения железобетонного ригеля с колонной при интенсивных динамических воздействиях

1 - арматура колонны; 2 - арматура ригеля; 3 - дополнительные вертикальные стержни; 4 - дополнительные горизонтальные хомуты

Рамный узел в зоне пересечения ригеля с колонной необходимо армировать дополнительными хомутами и стержнями диаметром 8 - 10 мм соответственно с шагом 70 - 100 мм, а также усиленной поперечной арматурой на примыкающих участках ригелей и колонн с шагом, вдвое меньшим, чем требуется по расчету на статические нагрузки, но не более 100 мм.

4.18. По свободным граням массивных конструкций следует устанавливать противоусадочную арматуру из стали класса A-I из стержней диаметром 12 мм при толщине плиты hп £ 1,5 м; 16 мм при 1,5 < hп < 3 м; 20 мм при hп ³ 3 м.

Армирование выполняется и виде сеток или каркасов. Шаг арматуры в обоих направлениях назначается 200 - 300 мм.

4.19. Независимо от требований расчета все проемы при размере сторон более 300 мм надлежит окаймлять противоусадочной арматурой из стержней диаметром 12 мм из стали класса А-I, заделанных в массив на величину lн.

4.20. При назначении размеров опорных поверхностей конструкций, воспринимающих динамические нагрузки от оборудования, расстояние от грани колодцев анкерных болтов до наружной грани конструкции следует принимать: для болтов диаметром до 35 мм - не менее 100 мм и для болтов большего диаметра - не менее 150 мм.

Кроме того, в случае применения болтов с анкерными плитами расстояние от оси болта до края конструкции следует принимать равным не менее четырех диаметров болта. При невозможности соблюдения этого условия между болтом и гранью конструкции устанавливают дополнительную арматуру.

4.21. Если закладная деталь рассчитана на восприятие знакопеременных нагрузок, следует предусматривать установку нахлесточных анкеров, работающих на осевое растяжение отдельно в каждом их этих направлений, а также установку упорных пластинок или стержней (рис. 125).

Рис. 125. Закладная деталь при сдвигающей динамической знакопеременной нагрузке

1 - стальная пластина; 2 - нормальный анкер; 3 - наклонный анкер; 4 - упор из стальной пластины

ПРИЛОЖЕНИЕ 1

ДАННЫЕ ПО АРМАТУРЕ

Вид и класс арматуры

Марка арматурной стали

ТУ или ГОСТ

Номинальный диаметр стержней, мм

Угол загиба в холодном состоянии при толщине С оправки

Условное обозначение

Пример обозначения

на качество стали

на сортамент

Стержневая горячекатаная гладкая класса A-I

Ст3сп3

380-71*

5781-75

6 - 40

180°; С = 0,5d

А-I

2Ø20АI

Ст3пс3

 

 

 

 

 

 

Ст3кп3

 

 

 

 

 

 

ВСт3сп2

 

 

 

 

 

 

ВСт3пс2

 

 

 

 

 

 

ВСт3кп2

 

 

 

 

 

 

ВСт3Гпс3

 

 

6 - 18

 

 

 

Стержневая горячекатаная периодического профиля класса:

 

 

 

 

 

 

 

А-II

ВСт5сп2

380-71*

5781-75

10 - 40

180°; C = 3d

А-II

2Ø20AII

 

ВСт5пс2

 

 

 

 

 

 

Ас-II

18Г2С

5781-75

5781-75

40 - 80

 

 

 

 

10ГТ

5781-75

5781-75

10 - 32

180°; C = 1d

 

 

Стержневая горячекатаная периодического профиля класса A-III

25Г2С

5781-75

5781-75

6 - 40

90°; C = 3d

А-III

2Ø20AIII

35ГС

5781-75

5781-75

6 - 40

 

 

 

То же, класса А-IV

80С

5781-75

5781-75

10 - 18

45°; C = 5d

A-IV

2Ø16AIV

20ХГ2Ц

5781-75

5781-75

10 - 22

45°; C = 5d

 

 

То же, класса A-V

23Х2Г2Т

5781-75

5781-75

10 - 22

45°; C = 5d

A-V

2Ø20AV

Обыкновенная арматурная проволока гладкая класса B-I

-

380-71*

6727-53*

3 - 8

180°; C = d

B-I

2Ø5BI

Обыкновенная арматурная проволока периодического профиля класса Вр-I

-

380-71*

ТУ 14-4-659-75

3 - 5

180°; C = 0,5d

Bp-I

2Ø5BpI


ПРИЛОЖЕНИЕ 2

УКАЗАНИЯ ПО ПРИМЕНЕНИЮ АРМАТУРНЫХ СТАЛЕЙ

Основные виды арматурных сталей и области их применения в железобетонных конструкциях в зависимости от характера действующих нагрузок и расчетной температуры (знак плюс означает «допускается», знак минус - «не допускается»)

Вид арматуры и документы, регламентирующие качество

Класс арматуры

Марка стали

Диаметр, мм

Условия эксплуатации конструкций

статические нагрузки

динамические и многократно повторяющиеся нагрузки

в отапливаемых зданиях

на открытом воздухе и в неотапливаемых зданиях при расчетной температуре

в отапливаемых зданиях

на открытом воздухе и в неотапливаемых зданиях при расчетной температуре

до минус 30 °С включительно

ниже минус 30 °С до минус 40 °С включительно

ниже минус 40 °С до минус 55 °С включительно

ниже минус 55 °С до минус 70 °С включительно

до минус 30 °С включительно

ниже минус 30 °С до минус 40 °С включительно

ниже минус 40 °С до минус 55 °С включительно

ниже минус 55 °до минус 70 °С включительно

Стержневая горячекатаная гладкая, ГОСТ 5781-75

А-1

Ст3сп3

6 - 40

+

+

+

+

+1

+

+

-

-

-

Ст3пс3

6 - 40

+

+

+

-

-

+

+

-

-

-

Ст3кп3

6 - 40

+

+

-

-

-

+

+

-

-

-

ВСт3сп2

6 - 40

+

+

+

+

+

+

+

+

+

+

ВСт3пс3

6 - 40

+

+

+

-

-

+

+

+

-

-

ВСт3кп2

6 - 40

+

+

-

-

-

+

+

-

-

-

ВСт3Гпс2

6 - 18

+

+

+

+

+1

+

+

+

+

+1

Стержневая горячекатаная периодического профиля, ГОСТ 5781-75

А-II

ВСт5сп2

10 - 40

+

+

-

+1

+1

+

+

+1

-

-

ВСт5пс2

10 - 16

+

+

+

+1

-

+

+

+1

-

-

Ас-II

ВСт5пс2

18 - 40

+

+

-

-

-

+

+1

-

-

-

18Г2С

40 - 80

+

+

+

+

+1

+

+

+

+

+2

10ГТ

10 - 32

+

+

+

+

+

+

+

+

+

+

А- III

35ГС

6 - 40

+

+

+1

+1

-

+

+

+1

-

-

25Г2С

6 - 40

+

+

+

+

+1

+

+

+

+1

-

A-IV

80С

10 - 18

+

+

-

-

-

+

-

-

-

-

20ХГ211

10 - 22

+

+

+2

+2

+2

+

+

+

+2

-

A-V

23Х2Г2Т

10 - 22

+

+

+

+

+2

+

+

+

+

+

Стержневая термически упрочненная периодического профиля, ГОСТ 10884-71

Ат-III4

-

10 - 18

+

+

+1

+1

-

+

+

+1

-

-

Ат-IV

-

10 - 25

+

+

+

+3

-

+3

+3

+3

-

-

Ат-V

-

10 - 25

+

+

+

+3

-

+3

+3

+3

+3

-

Обыкновенная арматурная проволока гладкая, ГОСТ 6727-53*

B-I

-

3 - 5

+

+

+

+

+

+

+

+

+

+

Обыкновенная арматурная проволока периодического профиля, ТУ 14-4-659-75

Вр-1

-

3 - 5

+

+

+

+

+

+

+

+

+

+

1 Допускается применять только в вязаных каркасах и сетках.

2 Следует применять только в виде целых стержней мерной длины.

3 Применение термически упрочненной стали допускается при гарантируемой величине равномерного удлинения sр не менее 2 %.

Термически упрочненные стали не допускается применять в случаях, кода требуется расчет конструкций на выносливость.

4 Арматура класса Ат-III должна применяться в соответствии с Рекомендациями по применению в железобетонных конструкциях термически упрочненной стержневой свариваемой арматуры класса Ат-III, НИИЖБ, 1978 г. При этом следует учитывать, что для арматуры класса Ат-III не допускается ванная сварка.

Примечания: 1. Расчетная температура принимается согласно указаниям п. 1.3 главы СНиП II-21-75.

2. В данной таблице к динамическим следует относить нагрузки, если доля этих нагрузок при расчете конструкций по прочности превышает 0,1 статической нагрузки; к многократно повторяющимся нагрузкам - нагрузки, при которых коэффициент условий работы арматуры по табл. 25 главы СНиП II-21-75 меньше единицы.

ПРИЛОЖЕНИЕ 3

УКАЗАНИЯ ПО ПРИМЕНЕНИЮ СТАЛИ ДЛЯ ЗАКЛАДНЫХ ДЕТАЛЕЙ

Знак «плюс» означает «допускается», знак «минус» - «не допускается».

Основные характеристики стали

Условия эксплуатации конструкции при температуре, °С

ГОСТ

класс

марка

толщина проката, мм

закладные детали, рассчитываемые на усилия от статических нагрузок

закладные детали, рассчитываемые на усилия от динамических и многократно повторяющихся нагрузок

закладные детали конструктивные, не рассчитываемые на силовые воздействия

до -30

от -30

до -40

от -40

до -50

до -30

от -30

до -40

от -40

до -50

до -30

от -30

до -40

от -40

до -50

ГОСТ 380-71*

С38/23

ВСт3кп2

4 - 30

+

-

-

-

-

-

+

+

-

 

 

ВСт3пс6

4 - 25

-

+

-

-

-

-

-

-

-

 

 

ВСт3пс6

4 - 10

-

-

-

+

+

-

-

-

-

 

 

ВСт3сп5

11 - 25

-

-

-

+

+

-

-

-

-

 

 

ВСт3Гпс5

11 - 30

-

-

-

+

+

-

-

-

-

 

 

ВСт3сп2

6 - 20

-

-

-

-

-

-

-

-

+

 

 

ВСт3кп2

4 - 10

-

-

-

-

-

-

+

+

-

ГОСТ 19281-73

С46/33

10Г2С1

6 - 20

-

-

+

-

-

-

-

-

-

 

 

 

6 - 10

-

-

+

-

-

+

-

-

-

ГОСТ 19281-73

С46/33

09Г2С

6 - 20

-

-

+

-

-

-

-

-

-

 

 

 

6 - 20

-

-

+

-

-

+

-

-

-

ГОСТ 19281-73

С46/33

15ХСНД

6 - 20

-

-

+

-

-

-

-

-

-

 

 

 

6 - 10

-

-

+

-

-

+

-

-

-

Примечания: 1. Марка углеродистой стали устанавливается в соответствии с главой СНиП по проектированию стальных конструкций.

2. Расчетная температура наружного воздуха устанавливается по наиболее холодной пятидневке согласно главе СНиП по строительной климатологии и геофизике.

ПРИЛОЖЕНИЕ 4

ОСНОВНЫЕ ТИПЫ СВАРНЫХ СОЕДИНЕНИЙ СТЕРЖНЕВОЙ АРМАТУРЫ

Тип соединения

Условное обозначение типов соединений по государственным стандартам

Схема конструкции соединения

Положение стержней при сварке

Способ сварки

Класс арматуры

Диаметр стержней, мм

Дополнительные указания

1. Крестообразное, ГОСТ 14098-68

КТ-2

Горизонтальное

Контактная точечная

A-I

6 - 40

В соединениях типа КТ-2 и КТ-3 отношение меньшего диаметра стержня к большему составляет 0,25 - 1

А-II

10 - 80

A-III

6 - 40

B-I

3 - 5

Вр-I

3 - 5

КТ-3

»

»

A-I

6 - 40

В соединениях типа КТ-З отношение меньшего диаметра среднего стержня к одному из одинаковых крайних стержней большего диаметра должно быть не менее 0,5 Возможно вертикальное положение стержней, как правило, при сварке подвесными клешами

А-II

10 - 80

A-III

6 - 40

2. Стыковое, ГОСТ 14098-68 и ГОСТ 19293-73

КС-0

Горизонтальное

Контактная стыковая

A-I

10 - 40

-

А-II

10 - 80

КС-Р

То же

То же

A-III

10 - 40

А-IV

10 - 32

A-V

10 - 32

КС-М

»

»

А-II

10 - 80

A-III

10 - 40

A-IV

10 - 22

A-V

10 - 22

ВО-Б

»

Ванная одноэлектродная

A-I

20 - 40

Сварка выполняется в инвентарных формах

А-II

20 - 40

A-III

20 - 40

3. Стыковое ГОСТ 14098-68

ВП-Г

»

Ванная полуавтоматическая под флюсом

A-I

20 - 40

То же

А-II

20 - 40

A-III

20 - 40

ВМ-1

»

Ванная многоэлектродная

A-I

20 - 40

А-II

20 - 80

А-III

20 - 40

ВП-В

Вертикальное

Ванная полуавтоматическая под флюсом

A-I

20 - 40

-

А-II

20 - 40

А-III

20 - 40

ВМ-2

Горизонтальное

Ванная многоэлектродная

A-I

20 - 40

Рекомендуется также применение одноэлектродной ванной сварки. Сварка выполняется в инвентарных формах

А-II

20 - 80

А-III

20 - 40

4. Стыковое

-

»

Ванная одноэлектродная с желобчатой подкладкой

A-I

20 - 32

-

А-II

20 - 32

А-III

20 - 32

5. Стыковое

-

Горизонтальное

Ванно-шовная с желобчатой накладкой

A-I

20 - 40

Сварка открытой дугой голой проволокой допускается для стержней диаметром 25 - 70 мм

Горизонтальное и вертикальное

Полуавтоматическая многослойными швами с желобчатой накладкой

А-II

20 - 80

А-III

20 - 40

6. Стыковое

-

Вертикальное

Многослойными швами с желобчатой подкладкой или без нее

A-I

20 - 40

Суммарную площадь круглых накладок следует назначать в проекте или рассчитывать по формуле , где Fн и Rа.н - общая площадь поперечного сечения и расчетное сопротивление стали накладок; Fa и Rа - площадь поперечного сечения и расчетное сопротивление стали стыкуемого стержня; g - коэффициент, учитывающий условия работы накладок и равный: 1,5 - для арматуры классов A-I и А-II (диаметры 10-40 мм);

2 - для арматуры классов А-II (диаметры 45 - 80 мм), A-III (диаметры 10 - 40 мм), а также A-IV и A-V (диаметры 10-32 мм)

А-II

20 - 80

А-III

20 - 40

7. Стыковое, ГОСТ 19293-73

-

Горизонтальное и вертикальное

Дуговая фланговыми швами

A-I

10 - 40

А-II

10 - 80

A-III

10 - 40

A-IV

10 - 22

A-V

10 - 22

 

 

Горизонтальное

Дуговая фланговыми швами

A-I

10 - 40

А-II

10 - 80

A-III

10 - 40

8. Нахлесточное

-

Горизонтальное и вертикальное

Дуговая фланговыми швами

A-I

10 - 40

Допускаются двусторонние фланговые швы длиной 4d для соединений стержнем из арматуры классов A-I и Ас-II

А-II

10 - 25

A-III

10 - 25

9. Нахлесточное

-

То же

То же

A-I

10 - 40

-

А-II

10 - 40

A-III

10 - 40

A-IV

10 - 22

A-V

10 - 22

10. Нахлесточное, ГОСТ 19292-73

Н-1

Горизонтальное

Контактная рельефная

A-I

6 - 14

 

А-II

10 - 14

A-III

6 - 14

Н-2

Горизонтальное

Контактная рельефная

A-I

6 - 16

А-II

10 - 16

A-III

6 - 16

11. Тавровое из плоскости пластины, ГОСТ 19292-73

Т-1

Вертикальное

Пол флюсом без присадочного электродного материала

A-I

8 - 40

А-II

10 - 40

A-III

8 - 40

Примечание. На схемах поз. 7, 8 и 9 прил. 4 указана соответствующая длина фланговых швов: 6d и 3d - для арматуры класса A-I; 8d и 4d - для арматуры класса А-Ш; 10 d и 5 d - для арматуры класса A-IV и A-V.

ПРИЛОЖЕНИЕ 5

СОРТАМЕНТ ГОРЯЧЕКАТАНОЙ СТЕРЖНЕВОЙ АРМАТУРЫ

Номинальный диаметр, мм

Наружный диаметр стержней периодического профиля, мм

Расчетная площадь поперечного сечения, см2, при числе стержней

Теоретическая масса 1 м, кг

Прокатываемые диаметры из арматуры класса

1

2

3

4

5

6

7

8

9

10

А-I и А-III

А-II

А-IV и А-V

6

6,75

0,283

0,57

0,85

1,13

1,41

1,7

1,98

2,26

2,54

2,83

0,222

+

-

-

8

9

0,503

1,01

1,51

2,01

2,51

3,02

3,52

4,02

4,52

5,03

0,395

+

-

-

10

11,3

0,785

1,57

2,36

3,14

3,93

4,71

5,5

6,28

7,07

7,85

0,617

+

+

+

12

13,5

1,131

2,26

3,39

4,52

5,65

6,79

7,92

9,05

10,18

11,31

0,888

+

+

+

14

15,5

1,589

3,08

4,62

6,16

7,69

9,23

10,77

12,31

13,85

15,39

1,208

+

+

+

16

18

2,011

4,02

6,03

8,04

10,05

12,06

14,07

16,08

18,1

20,11

1,578

+

+

+

18

20

2,545

5,09

7,63

10,18

12,72

15,27

17,81

20,36

22,9

25,45

1,998

+

+

+

20

22

3,142

6,28

9,42

12,56

10,71

18,85

21,99

25,13

28,27

31,42

2,466

+

+

+

22

24

3,801

7,6

11,4

15,2

19

22,81

26,61

30,41

34,21

38,01

2,984

+

+

+

25

27

4,909

9,82

14,73

19,64

24,54

29,45

34,36

39,27

44,18

49,09

3,85

+

+

+

28

30,5

6,158

12,32

18,47

24,63

30,79

36,95

43,1

49,26

55,42

61,58

4,83

+

+

+

32

34,5

8,043

16,09

24,13

32,17

40,21

48,26

56,3

64,34

72,38

80,43

6,31

+

+

+

36

39,5

10,179

20,36

30,54

40,72

50,89

61,07

71,25

81,43

91,61

101,79

7,99

+

+

-

40

43,5

12,566

25,13

37,7

50,27

62,83

75,4

87,96

100,53

113,1

125,66

9,87

+

+

-

45

49

15,904

31,81

47,71

63,62

79,52

95,42

11l,33

127,23

143,13

159,04

12,49

-

+

-

50

5

19,635

39,27

58,91

78,54

98,18

117,81

137,45

157,08

176,72

196,35

15,41

-

+

-

55

59

23,76

47,52

71,28

95,04

118,8

142,56

166,32

190,08

213,84

237,6

18,65

-

+

-

60

64

28,27

56,54

84,81

113,08

141,35

169,62

197,89

226,16

254,43

282,7

22,19

-

+

-

70

74

38,48

76,96

115,44

153,92

192,4

230,88

269,36

307,84

346,32

384,8

30,21

-

+

-

80

83,5

50,27

100,55

150,81

201,08

251,35

301,62

351,9

402,15

452,43

502,7

39,46

-

+

-

ПРИЛОЖЕНИЕ 6

СОРТАМЕНТ ОБЫКНОВЕННОЙ АРМАТУРНОЙ ПРОВОЛОКИ

Диаметр, мм

Расчетная площадь поперечного сечения см2, при числе стержней

Теоретическая масса 1 м, кг

1

2

3

4

5

6

7

8

9

10

В-I

Вр-I

3

0,071

0,14

0,21

0,28

0,35

0,42

0,49

0,57

0,64

0,71

0,055

0,051

4

0,126

0,25

0,38

0,5

0,63

0,75

0,88

1,01

1,13

1,26

0,099

0,09

5

0,198

0,39

0,59

0,79

0,98

1,18

1,37

1,57

1,77

1,96

0,154

0,139

6

0,283

0,57

0,85

1,13

1,41

1,7

1,98

2,26

2,54

2,83

0,222

-

7

0,385

0,77

1,15

1,54

1,92

2,31

2,69

3,08

3,46

3,85

0,302

-

8

0,503

1,01

1,51

2,01

2,51

3,02

3,52

4,02

4,52

5,03

0,395

-

ПРИЛОЖЕНИЕ 7

ТЕХНИЧЕСКИЕ ВОЗМОЖНОСТИ СЕРИЙНЫХ СПЕЦИАЛИЗИРОВАННЫХ МНОГОТОЧЕЧНЫХ МАШИН ДЛЯ КОНТАКТНОЙ ТОЧЕЧНОЙ СВАРКИ ПЛОСКИХ АРМАТУРНЫХ ИЗДЕЛИЙ

Конструктивные параметры арматурных изделий

Типы многоточечных машин для сварки

АТМС-14Х75-7-1 (7-2)

МТМС-10´35

МТМ-32

МТМ-09

МТМ-33

МТМК-3´100

МТМ-35

Ширина (габаритная), мм

800 - 3800

800-2000

1050 - 3050

120 - 600

80 - 440

115 - 775

140 - 1200

Максимальная длина (габаритная), мм

12000

7200

-

-

-

-

-

Количество продольных стержней, шт.

До 36

До 20

До 16

2 - 4

2

2 - 6

2 - 8

Шаг стержней, мм:

 

 

 

 

 

 

 

продольных

100 - 300

100 - 250

200

100 - 570

50-400

75-725

100-1100

поперечных

100 - 300

100 - 350

100, 200, 300, 600

80 - 600

50-400

100-400

100-600

Количество переменных шагов между поперечными стержнями

2 (модель 7-2)

-

-

3

2

2

2

Класс арматуры

В-I, Вр-I, A-I

A-I, A-II, A-III

В-I, Bp-I, A-I, A-II, A-III

Диаметр стержней, мм:

 

 

 

продольных (d1)

3 - 12

3 - 8

12 - 32

3 - 8

3 - 18

5 - 25

12 - 40

поперечных (d2)

3 - 10

3 - 6

8 - 14

3 - 8

3 - 8

4 - 12

6 - 14

Длина свободных концов стержней, мм

 

 

 

 

 

продольных

30 - 150

50 - 175

30 - 300

поперечных

Примечания: 1. При сварке сеток на машине ATMC-14´75-7-2 переменный шаг поперечных стержней составляет 60 - 200 или 140 - 300 мм.

2. При сварке сеток на машине МТМ-09 возможно применение мерных продольных стержней диаметром до 16 мм. При этом не будет обеспечена приварка трех последних поперечных стержней.


ПРИЛОЖЕНИЕ 8

ТЕХНИЧЕСКИЕ ВОЗМОЖНОСТИ СТАНКОВ ДЛЯ ГИБКИ АРМАТУРНЫХ СЕТОК

Показатель

Тип станка

См-516А

7251А

конструкции ЦНИИОМТП

Наибольшая ширина сетки, мм

3500

3200

3000

Наибольшая длина сетки, мм

6000

6000

6000

Число изгибаемых стержней

34

15

30

Наибольший диаметр изгибаемых стержней из арматуры, мм, класса:

 

 

 

A-I

12

12

20

А-II и А-III

10

10

20

Наибольший угол загиба, град

105

135

180

Наибольшая длина отгиба, мм

700

-

-

Наименьшая длина отгибаемого участка, мм

50

50

50


ПРИЛОЖЕНИЕ 9

ТЕХНИЧЕСКИЕ ВОЗМОЖНОСТИ ОДНОТОЧЕЧНЫХ МАШИН ОБЩЕГО НАЗНАЧЕНИЯ, ПРИМЕНЯЕМЫХ ДЛЯ СВАРКИ ПЛОСКИХ АРМАТУРНЫХ ИЗДЕЛИЙ, А ТАКЖЕ ЗАКЛАДНЫХ ДЕТАЛЕЙ

Конструктивные параметры арматурных изделий и закладных деталей

Тип машины

МТ-1207, МТ-1210, МТ-1217

МТ-1607, МТ-1610, МТ-1613, МТ-1617

МТ-2507, MT-2510, MT-2517

МТ-4001, МТ-4017

МТП-150/1200

МТП-200/1200, МТ-2002

Ширина (габаритная), мм

£ 500

£ 500

£ 500

£ 500

£ 1200

£ 1200

Класс арматуры

поперечной B-I, A-I

Диаметры, мм

5 - 22

5 - 18

5 - 10

6 - 28

6 - 22

6 - 18

8 - 40

8 - 40

12 - 40

5 - 28

5 - 22

5 - 18

6 - 32

6 - 25

6 - 20

продольной A-I, A-II, A-III

5 - 22

5 - 36

5 - 40

6 - 28

6 - 40

6 - 50

8 - 40

8 - 50

12 - 50

5 - 28

5 - 36

5 - 50

6 - 32

6 - 40

6 - 50

поперечной A-II, A-III, Вр-I

5 - 14

5 - 10

5

5 - 18

5 - 14

5 - 10

6 - 25

6 - 20

6 - 16

10 - 40

10 - 32

5 - 18

5 - 14

5 - 10

5 - 20

5 - 16

5 - 10

продольной A-II, A-III, Вр-I

5 - 14

5 - 20

5 - 28

5 - 18

5 - 28

5 - 40

6 - 25

6 - 40

6 - 50

10 - 40

10 - 50

5 - 18

5 - 28

5 - 40

5 - 20

5 - 28

5 - 40

Диаметр, мм, анкерных стержней закладных деталей классов A-I, А-II, А-III

6 - 10

6 - 14

6 - 16

-

-

-

Примечания: 1. При сварке арматурных изделий с поворотом на 180° их ширина по договоренности с изготовителем может быть увеличена в 2 раза.

2. Длина арматурных изделий, количество продольных и поперечных стержней или анкеров в закладной детали не зависят от конструкции машины.

ПРИЛОЖЕНИЕ 10

ТИПЫ И ТЕХНИЧЕСКИЕ ВОЗМОЖНОСТИ ПОДВЕСНЫХ СВАРОЧНЫХ МАШИН

Тип машины

Конструктивные параметры сеток (каркасов)

Тип используемых клещей

Минимальный размер ячейки сетки (каркаса)

Класс арматурных стержней

Максимальный диаметр тонкого стержня в соединении с отношением диаметров

тонкого

толстого

1

1/2

1/3

1/4

МТПП-75, МТПГ-75, МТП-806, МТП-807

A-I, B-I

A-I, A-II, A-III, B-I, Bp-I

14

10

6

5

КТП-1

КТГ-75-5,

КТГ-75-3-1

70´110

60´110

A-II, A-III, Bp-I

10

8

5

4

МТПГ-150-2

A-I, B-I

20

16

12

8

КТГ-12-2-4(5)

КТГ-12-2-1(2)

КТГ-12-3-1(2)

60´60

70´120

250´300

МТП-1203

A-II, A-III, Bp-I

14

10

6

5

КТ-601

A-I, B-I

12

8

5

4

-

60´70

A-II, A-III, Bp-I

10

8

4

3

КТ-801

A-I, B-I

14

10

6

5

-

120´150

A-II, A-III, Bp-I

12

8

5

4

К-243В

A-I, B-I

28

20

14

10

-

75´75*
75
´120**

A-II, A-III, Bp-I

22

18

14

10

* В вертикальной плоскости.

** В горизонтальной плоскости.


СОДЕРЖАНИЕ

Предисловие. 1

1. Основные положения. 2

2. Изделия для бетонных и железобетонных конструкций. 3

Общие указания. 3

Отдельные арматурные стержни. 5

Сетки. 9

Каркасы.. 13

Анкеровка арматуры.. 19

Стыки арматуры внахлестку (без сварки) 24

Закладные детали. 29

Приспособления для строповки. 36

Приспособления для фиксации. 41

3. Конструирование отдельных элементов конструкций. 44

Общие требования. 44

Фундаменты и ростверки. 49

Колонны.. 69

Балки. 82

Монолитные рамы.. 94

Плиты.. 97

Перекрытия. 110

Отдельные указания по конструированию элементов подвальных помещений. 115

Подпорные стены.. 116

Тоннели. 118

4. Особенности конструирования железобетонных конструкций, подверженных воздействию динамических нагрузок. 120

Приложение 1 Данные по арматуре. 123

Приложение 2 Указания по применению арматурных сталей. 125

Приложение 3 Указания по применению стали для закладных деталей. 126

Приложение 4 Основные типы сварных соединений стержневой арматуры.. 127

Приложение 5 Сортамент горячекатаной стержневой арматуры.. 130

Приложение 6 Сортамент обыкновенной арматурной проволоки. 131

Приложение 7 Технические возможности серийных специализированных многоточечных машин для контактной точечной сварки плоских арматурных изделий. 131

Приложение 8 Технические возможности станков для гибки арматурных сеток. 133

Приложение 9 Технические возможности одноточечных машин общего назначения, применяемых для сварки плоских арматурных изделий, а также закладных деталей. 134

Приложение 10 Типы и технические возможности подвесных сварочных машин. 134

 




Яндекс цитирования



   Copyright © 2007-2026,  www.tehlit.ru.

[ ѓосты, стандарты, нормативы, инструкции, правила, строительные нормы ]