|
| |
ДЕТАЛИ ТРУБОПРОВОДОВ
ИЗ УГЛЕРОДИСТОЙ СТАЛИ
СВАРНЫЕ И ГНУТЫЕ Ду ДО 500 ММ
НА Ру ДО
10 МПа (100 КГС/СМ2)
ОСТ 36-46-81
УТВЕРЖДЕНЫ И ВВЕДЕНЫ В ДЕЙСТВИЕ приказом
Министерства монтажных и специальных строительных работ СССР от 18 февраля 1981 г. № 45
ИСПОЛНИТЕЛИ к.т.н. Р.И. Тавастшерна (руководитель работы);
к.т.н. А.И. Бесман (руководитель темы);
А.А. Гутовский,
Г.И. Пачкова,
П.В.
Рыбаков,
Л.И. Уткина
СОГЛАСОВАНЫ Госгортехнадзором СССР
Приказом Министерства монтажных и специальных
строительных работ СССР от 18 февраля 1981 г. № 45 срок введения
установлен
с 1 июля 1981 г.
Несоблюдение стандарта преследуется по закону.
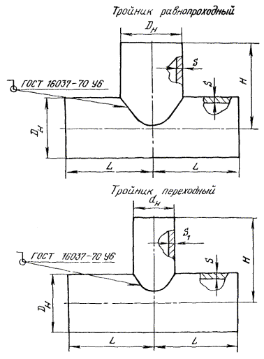
1. Настоящий стандарт распространяется на сварные равно-проходные и переходные тройники из углеродистой стали.
2. Тройники должны изготавливаться из бесшовных труб.
3. Конструкция, размеры и условное давление тройников
должны соответствовать указанным на чертеже и в табл. 1 и 2. Размеры шаблонов для разметки
штуцеров указаны в справочном приложении к настоящему стандарту.
3.1. Тройники с условным проходом штуцера 250 мм и более следует
изготавливать с подваркой корня шва.
4. Материал и температурные пределы применения - по ОСТ 36-41-81.
5. Технические требования - по ОСТ 36-49-81.
Пример условного обозначения
тройников:
равнопроходного Dу 250 мм, S = 20 мм:
Тройник
250×20 ОСТ 36-46-81;
переходного Dу 250 мм; dу
200 мм, S = 20 мм, S1 = 16 мм:
Тройник 250×20 - 200×16 ОСТ 36-46-81.

Таблица
1
Размер, масса и условные давления равнопроходных тройников
Размеры в мм
|
Dу
|
Dн
|
L = H
|
S
|
Ру, МПа (кгс/см2),
для веществ
|
Масса, кг
|
|
неагрессивных
|
среднеагрессивных
|
|
65
|
76
|
140
|
6
|
10,0 (100)
|
6,3
(63)
|
3,9
|
|
8
|
-
|
10,0 (100)
|
5,0
|
|
80
|
89
|
150
|
6
|
6,3
(63)
|
4,0
(40)
|
4,9
|
|
8
|
10,0 (100)
|
6,3
(63)
|
6,4
|
|
10
|
-
|
10,0 (100)
|
7,8
|
|
100
|
108
|
160
|
8
|
10,0 (100)
|
6,3
(63)
|
8,2
|
|
10
|
-
|
10,0 (100)
|
10,1
|
|
125
|
133
|
170
|
8
|
6,3
(63)
|
4,0
(40)
|
10,6
|
|
10
|
10,0 (100)
|
6,3
(63)
|
13,1
|
|
12
|
-
|
10,0 (100)
|
15,5
|
|
150
|
159
|
190
|
8
|
6,3
(63)
|
4,0
(40)
|
14,1
|
|
12
|
10,0 (100)
|
6,3
(63)
|
20,7
|
|
200
|
219
|
220
|
10
|
6,3
(63)
|
2,5
(25)
|
27,1
|
|
16
|
10,0 (100)
|
4,0
(40)
|
42,5
|
|
250
|
273
|
250
|
12
|
4,0
(40)
|
2,5
(25)
|
45,1
|
|
16
|
6,3
(63)
|
4,0
(40)
|
59,4
|
|
20
|
10,0 (100)
|
6,3
(63)
|
73,4
|
|
300
|
325
|
270
|
10
|
4,0
(40)
|
2,5
(25)
|
47,3
|
|
16
|
6,3
(63)
|
4,0
(40)
|
74,7
|
|
25
|
10,0 (100)
|
6,3
(63)
|
114,4
|
|
350
|
377
|
300
|
12
|
4,0
(40)
|
2,5
(25)
|
72,1
|
|
16
|
6,3
(63)
|
4,0
(40)
|
95,4
|
|
25
|
10,0 (100)
|
6,3
(63)
|
146,6
|
|
400
|
426
|
320
|
16
|
4,0
(40)
|
2,5 (25)
|
113,0
|
|
20
|
6,3
(63)
|
4,0
(40)
|
140,4
|
Таблица 2
Размеры, масса и условные давления переходных тройников
Размеры
в мм
|
Dу
|
dу
|
Dн
|
dн
|
L
|
H
|
S
|
S1
|
Ру, МПа (кгс/см2),
для веществ
|
Масса, кг
|
|
неагрессивных
|
среднеагрессивных
|
|
65
|
40
|
76
|
45
|
140
|
140
|
6
|
3
|
10,0 (100)
|
-
|
3,2
|
|
8
|
5
|
-
|
10,0 (100)
|
4,2
|
|
50
|
57
|
6
|
4
|
10,0 (100)
|
-
|
3,4
|
|
8
|
5
|
-
|
10,0 (100)
|
4,4
|
|
80
|
50
|
89
|
57
|
140
|
150
|
6
|
4
|
10,0 (100)
|
-
|
3,9
|
|
8
|
6
|
-
|
10,0 (100)
|
5,2
|
|
65
|
76
|
6
|
6
|
6,3
(63)
|
-
|
4,3
|
|
8
|
6
|
10,0 (100)
|
-
|
5,3
|
|
10
|
8
|
-
|
10,0 (100)
|
6,6
|
|
100
|
80
|
108
|
89
|
150
|
160
|
8
|
8
|
10,0 (100)
|
6,3
(63)
|
7,5
|
|
10
|
10
|
-
|
10,0 (100)
|
9,2
|
|
125
|
80
|
133
|
89
|
150
|
170
|
10
|
6
|
10,0 (100)
|
6,3
(63)
|
10,1
|
|
12
|
10
|
-
|
10,0 (100)
|
12,5
|
|
125
|
00
|
133
|
108
|
160
|
170
|
8
|
8
|
6,3
(63)
|
4,0
(40)
|
9,7
|
|
10
|
8
|
10,0 (100)
|
6,3
(63)
|
11,4
|
|
12
|
10
|
-
|
10,0 (100)
|
13,6
|
|
|
80
|
|
89
|
150
|
|
12
|
6
|
10,0 (100)
|
-
|
14,0
|
|
150
|
100
|
159
|
108
|
160
|
190
|
8
|
6
|
6,3
(63)
|
4,0
(40)
|
10,8
|
|
12
|
8
|
10,0 (100)
|
6,3
(63)
|
15,8
|
|
|
125
|
|
133
|
170
|
|
8
|
8
|
6,3
(63)
|
4,0
(40)
|
12,5
|
|
12
|
10
|
10,0 (100)
|
6,3
(63)
|
17,6
|
|
200
|
125
|
219
|
133
|
170
|
220
|
16
|
10
|
10,0 (100)
|
6,3
(63)
|
29,5
|
|
150
|
159
|
200
|
10
|
8
|
6,3
(63)
|
4,0
(40)
|
23,0
|
|
16
|
12
|
10,0 (100)
|
6,3
(63)
|
35,5
|
|
250
|
125
|
273
|
133
|
170
|
250
|
20
|
10
|
10,0 (100)
|
6,3
(63)
|
44,5
|
|
150
|
159
|
200
|
20
|
12
|
10,0 (100)
|
6,3
(63)
|
52,9
|
|
200
|
219
|
220
|
12
|
10
|
6,3
(63)
|
2,5
(25)
|
37,8
|
|
16
|
12
|
6,3
(63)
|
4,0
(40)
|
48,8
|
|
20
|
16
|
10,0 (100)
|
6,3
(63)
|
61,0
|
|
300
|
150
|
325
|
159
|
200
|
270
|
25
|
12
|
10,0 (100)
|
6,3
(63)
|
76,1
|
|
200
|
219
|
220
|
16
|
10
|
6,3
(63)
|
4,0
(40)
|
57,2
|
|
25
|
16
|
10,0 (100)
|
6,3
(63)
|
85,6
|
|
|
250
|
|
273
|
250
|
|
10
|
8
|
4,0
(40)
|
2,5
(25)
|
41,5
|
|
16
|
10
|
6,3
(63)
|
4,0
(40)
|
62,7
|
|
25
|
20
|
10,0 (100)
|
6,3
(63)
|
100,0
|
|
350
|
200
|
377
|
219
|
220
|
300
|
16
|
10
|
6,3
(63)
|
4,0
(40)
|
65,1
|
|
25
|
16
|
10,0 (100)
|
6,3
(83)
|
99,9
|
|
250
|
273
|
250
|
16
|
10
|
6,3
(63)
|
4,0
(40)
|
73,6
|
|
25
|
20
|
10,0 (100)
|
6,3
(63)
|
116,3
|
|
300
|
325
|
270
|
12
|
10
|
4,0
(40)
|
2,5 (25)
|
62,3
|
|
350
|
300
|
377
|
325
|
270
|
300
|
16
|
10
|
6,3
(63)
|
4,0
(40)
|
78,1
|
|
|
|
|
|
|
|
25
|
25
|
10,0 (100)
|
6,3
(63)
|
131,3
|
|
|
250
|
|
273
|
250
|
|
16
|
10
|
4,0
(40)
|
2,5
(25)
|
82,5
|
|
20
|
12
|
6,3
(63)
|
4,0
(40)
|
102,0
|
|
400
|
300
|
426
|
325
|
270
|
320
|
16
|
10
|
4,0
(40)
|
2,5
(25)
|
88,1
|
|
|
|
|
|
|
|
20
|
16
|
6,3
(63)
|
6,3
(63)
|
113,3
|
|
350
|
377
|
300
|
16
|
12
|
4,0
(40)
|
2,5
(25)
|
99,5
|
|
|
|
|
20
|
20
|
6,3
(63)
|
4,0
(40)
|
131,5
|
ПРИЛОЖЕНИЕ
Справочное

Размеры шаблона для разметки штуцеров
мм
|
Dу
|
dу
|
Dн
|
dн
|
A
|
у1
|
у2
|
у3
|
у4
|
|
65
|
40
|
76
|
45
|
141,3
|
102
|
103,9
|
106,9
|
109,3
|
|
50
|
57
|
179,0
|
102
|
105,4
|
111,3
|
114,8
|
|
-
|
-
|
238,6
|
102
|
107,1
|
121,0
|
140,0
|
|
80
|
50
|
89
|
57
|
179,0
|
104,5
|
106,8
|
113,0
|
115,2
|
|
65
|
76
|
238,6
|
104,5
|
108,8
|
119,1
|
125,6
|
|
-
|
-
|
279,5
|
104,5
|
110,4
|
127,6
|
149,0
|
|
100
|
80
|
108
|
89
|
279,5
|
106
|
111,0
|
122,0
|
129,4
|
|
-
|
339,1
|
106
|
113,2
|
133,0
|
160,0
|
|
125
|
80
|
133
|
89
|
279,5
|
103,5
|
107,3
|
115,0
|
120,6
|
|
100
|
108
|
339,1
|
103,5
|
108,8
|
122,7
|
131,2
|
|
-
|
-
|
417,6
|
103,5
|
112,4
|
136,8
|
170,0
|
|
150
|
80
|
159
|
89
|
279,5
|
110,5
|
113,7
|
120,4
|
124,8
|
|
100
|
108
|
339,1
|
110,5
|
115,0
|
125,4
|
130,9
|
|
125
|
133
|
417,6
|
110,5
|
117,6
|
134,4
|
147,6
|
|
-
|
-
|
499,3
|
110,5
|
121,2
|
150,2
|
190,0
|
|
200
|
125
|
219
|
133
|
417,6
|
110,5
|
115,5
|
126,8
|
133,0
|
|
150
|
159
|
499,3
|
110,5
|
118,3
|
135,0
|
144,7
|
|
-
|
-
|
687,7
|
110,5
|
125,2
|
165,3
|
220,0
|
|
250
|
125
|
273
|
133
|
417,6
|
113,5
|
117,6
|
126,3
|
130,6
|
|
150
|
159
|
499,3
|
113,5
|
119,2
|
132,4
|
139,5
|
|
200
|
219
|
687,7
|
113,5
|
124,7
|
152,0
|
168,0
|
|
-
|
-
|
857,2
|
113,5
|
131,8
|
181,8
|
250,0
|
|
300
|
150
|
|
159
|
499,3
|
107,5
|
112,4
|
122,8
|
127,8
|
|
200
|
335
|
219
|
687,7
|
107,5
|
116,8
|
137,6
|
149,3
|
|
250
|
273
|
857,2
|
107,5
|
122,0
|
158,4
|
183,4
|
|
-
|
-
|
1020,5
|
107,5
|
129,3
|
188,8
|
270,0
|
|
350
|
200
|
377
|
219
|
687,7
|
111,5
|
120,7
|
137,9
|
147,7
|
|
250
|
273
|
857,2
|
111,5
|
124,9
|
153,7
|
170,3
|
|
300
|
325
|
1020,5
|
111,5
|
129,6
|
175,2
|
205,0
|
|
-
|
-
|
1183,8
|
111,5
|
136,8
|
205,8
|
300,0
|
|
400
|
250
|
426
|
273
|
857,2
|
107
|
118,3
|
142,8
|
156,4
|
|
300
|
325
|
1020,5
|
107
|
122,6
|
159,6
|
181,8
|
|
350
|
377
|
1183,8
|
107
|
130,0
|
182,6
|
218,6
|
|
-
|
-
|
1337,6
|
107
|
135,5
|
213,5
|
320,0
|
Лист регистрации изменений ОСТ 36-46-81
|
Изм.
|
Номер листов (страниц)
|
Номер документа
|
Подпись
|
Дата
|
Срок введения
документа
|
|
измененных
|
замененных
|
новых
|
аннулированных
|
|
|
|
|
|
|
|
|
|
|
|
|
|
|
|
|
|
|
|
|
|
|
|
|
|
|
|
|
|
|
| |
|