//
ТехЛит.ру
- крупнейшая бесплатная электронная интернет библиотека для "технически умных" людей.
WWW.TEHLIT.RU - ТЕХНИЧЕСКАЯ ЛИТЕРАТУРА

:: Алготрейдинг::


АЛГОТРЕЙДИНГ
шаг за шагом
с нуля по урокам!

Торговые роботы на PYTHON, BackTrader,
Pandas, Pine Script для TradingView. Связка с брокерами, телеграм и легкими приложениями.


ГОСУДАРСТВЕННЫЙ ПРОИЗВОДСТВЕННЫЙ КОМИТЕТ
ПО ТРАНСПОРТНОМУ СТРОИТЕЛЬСТВУ СССР

ГЛАВТРАНСПРОЕКТ

«СОЮЗДОРПРОЕКТ»

УКАЗАНИЯ
ПО ПРОЕКТИРОВАНИЮ ЗЕМЛЯНОГО ПОЛОТНА
АВТОМОБИЛЬНЫХ ДОРОГ НА БОЛОТАХ

Рекомендуется Главтранспроектом в качестве пособия при проектировании автомобильных дорог на болотах.

Составил

И.Е. ЕВГЕНЬЕВ

ГЛАВНЫЙ ИНЖЕНЕР

ГЛАВТРАНСПРОЕКТА

/ХВОСТИК И.Ф./

Москва - 1963 г.

СОДЕРЖАНИЕ

Предисловие. 1

I. Общие положения. 1

II. Данные изысканий, необходимые для проектирования земляного полотна. 4

III. Выбор типа конструкции земляного полотна по данным изысканий. 6

IV. Проектирование плавающих насыпей (возводимых непосредственно на поверхности болота) 7

V. Проектирование земляного полотна с полным выторфовыванием.. 10

VI. Проектирование земляного полотна с частичным выторфовыванием.. 11

VII. Земляное полотно с вертикальными дренами и дренажными прорезями. 11

Приложение 1 Пример расчета земляного полотна с вертикальными дренами. 19

Приложение 2 Пример расчета земляного полотна с дренажными прорезями. 21

Приложение 3 Пример расчета земляного полотна с частичным выторфовыванием.. 22

ПРЕДИСЛОВИЕ

Настоящие Указания рекомендуются для руководства при индивидуальном проектировании земляного полотна на торфяных болотах.

В Указаниях изложены принципы выбора конструкции в зависимости от местных условий и основные методы расчета земляного полотна на болотах. Кроме того, в Указаниях приводятся основные требования к данным изысканий автомобильных дорог на болотах. В приложении даны примеры проектирования основных типов конструкций земляного полотна на болотах.

При составлении Указаний использована соответствующая нормативная и инструктивная литература, а также накопленный в последние годы опыт Союздорпроекта в проектировании земляного полотна на болотах.

Указания составлены сотрудником Союздорпроекта кандидатом технических наук И.Е. Евгеньевым.

I. ОБЩИЕ ПОЛОЖЕНИЯ

1. Настоящие Указания составлены в развитие действующих нормативных документов *) и могут быть использованы при проектировании земляного полотна автомобильных дорог на болотах в тех случаях, на которые не распространяются типовые решения.

*) НиТУ 128-55 (с учетом изменений и дополнений, вошедших в проект СНиП гл. 37); СН 140-60.

2. Предлагаемые Указаниями конструкции и расчетные методы разработаны применительно к торфяным болотам.

Примечание: Указаниями не рассматриваются вопросы устройства земляного полотна на болотах в условиях вечной мерзлоты.

3. Указания разработаны применительно к требованиям проектирования дорог с усовершенствованными покрытиями. Для проектирования местных и временных дорог даются лишь общие конструктивные рекомендации.

4. К земляному полотну на болотах, кроме общих нормативных требований, обязательных для земляного полотна в обычных условиях, предъявляются следующие дополнительные требования, учитывающие специфические особенности болотных грунтов:

а) земляное полотно должно быть устойчивым против деформаций выпирания или выдавливание слабого грунта из-под насыпи (если это не предусмотрено принятой в проекте технологией выторфовывания);

б) до укладки дорожной одежды должно произойти не менее 50 % консолидации грунта основания, т.е. интенсивная осадка за счет уплотнения основания должна прекратиться;

Таблица 1

Основные физико-механические свойства торфа по дорожно-строительной классификации

Тип болот

подтип

общая характеристика

основные внешние признаки

Характер деформаций под нагрузкой

Влажность в %

Коэффициент пористости

Степень разложения, %

Примерная несущая способность кг/см2

Примерная осадка при нагрузке 0,5 кг/см2 % от первоначальной мощности залежи)

1

2

3

4

5

6

7

8

9

10

I

А

Уплотненный торф, обладающий структурной прочностью

Осушенный или уплотненный вышележащим минеральным слоем. Удерживает вертикальные откосы.

Сжатие при незначительном боковом расширении

до 600

до 7

до 60

более 0,5

до 30 %

 

Б

Рыхлый торф, обладающий структурной прочностью

Влажность близка к максимальной влагоемкости. Короткое время удерживает вертикальные откосы.

То же

600-1500

до 20

до 40

более 0,3

30-50 %

 

А

Аморфный грунт (торф) вязкопластичной консистенции

Торф высокой степени разложения или сапропели, уплотненные вышележащими слоями

Преимущественно выдавливание из контура загружения

До 400

До 5

более 60

Менее 0,3

При отсутствии вышележащих более плотных слоев - до полного выдавливания

II

Б

Аморфный грунт (торф) мягкопластичной консистенции

Торф высокой степени разложения или сапропели при влажности близкой к максимальной влагоемкости.

Выдавливание из контура загружения

400-1000

4-10

более 40

При отсутствии более прочного покровного слоя - 0

До полного выдавливания.

III

 

Аморфный материал текучей консистенции

Жидкие слои сплавившее болот

Растекание

неогран.

неогран.

 

0

Под нагрузкой растекается

в) упругие деформации дорожной одежды при движении транспорта, вызванные деформируемостью грунта основания, не должны превышать величины, допускаемой для заданного типа покрытия.

5. Конструкция земляного полотна на болоте должна соответствовать характеру деформации грунта основания под нагрузкой от веса дорожной насыпи. Характер деформации определяется типом болота по дорожно-строительной классификации (табл. 1).

В зависимости от типа болота и категории дороги выбирается конструкция земляного полотна, обладающая наилучшими в данных условиях технико-экономическими показателями. При этом возможны следующие конструктивные решения:

А. Насыпи, опирающиеся на минеральное дно болота

(Искусственные основания)

а) Свайные эстакады;

б) насыпи с полным удалением слабого грунта из основания и заменой его качественным грунтом;

в) насыпи, погруженные на минеральное дно болота путем выдавливания слабого грунта в стороны.

Б. Насыпи, опирающиеся на торфяную залежь с проведением мероприятий, улучшающих строительные свойства слабого основания

а) Частичное выторфовывание;

б) земляное полотно с вертикальными дренами и дренажными прорезями;

в) глубинное уплотнение слабых грунтов грунтовыми сваями;

г) химическое укрепление слабых грунтов основания.

В. Земляное полотно, проложенное непосредственно на поверхности торфяной залежи

а) Плавающие массивные насыпи;

б) облегченные насыпи;

в) настилы и слани;

г) специально облегченные конструкции.

Искусственные основания, как правило, следует использовать лишь в тех случаях, когда сохранение слабого грунта под насыпью может привести к деформации земляного полотна.

6. Часть земляного полотна находящуюся ниже поверхности болота, рекомендуется устраивать из дренирующих грунтов. Пылеватые грунты допускаются в надводной части дорожной насыпи при условии соблюдения общих требований по обеспечению воднотеплового режима земполотна и дорожной одежды.

7. При проектировании конструктивных элементов земляного полотна следует пользоваться пособием «Типовые поперечные профили земляного полотна автомобильных дорог» /вып. 41/ Союздорпроекта с учетом дополнений и изменений, изложенных в настоящих Указаниях.

II. Данные изысканий, необходимые для проектирования земляного полотна

8. В составе работ по изысканиям автомобильных дорог на болотах, в части, относящейся к проектированию земляного полотна, следует предусматривать:

На стадии проектного задания:

а) данные, необходимые для выбора типа конструкции земляного полотна;

б) данные для составления проекта организации к стоимости работ.

На стадии рабочего проектирования -

- данные для конкретного расчета элементов выбранной конструкции земляного полотна.

Методика и программа изысканий разрабатывается в соответствии с Указаниями по изысканиям дорог на болотах (Союздорпроект 1959 г.) с учетом требований к исходным материалам, перечисленным в настоящей главе.

9. Для назначения типа конструкций земляного полотна на болоте на стадии проектного задания необходимо иметь следующие данные:

а) глубина болота (рельеф дна),

б) тип торфов, составляющих залежь (геотехнические разрезы);

в) степень разложения торфа;

г) пнистость болота;

д) прочие ситуационные данные (залесенность, наличие дорог, водоемов, населенных мест и т.п.);

е) технико-экономические данные для подсчета стоимости работ (дальность возки минерального грунта, необходимость в устройстве временных дорог и т.п.).

10. Рельеф дна болота в районе проложения трассы определяется зондировкой и бурением в соответствии с Указаниями по изысканиям дорог на болотах 1959 г.

11. Принадлежность торфа в состоянии естественного залегания к тому или иному типу дорожно-строительной классификации определяется при полевых изысканиях по комплексу его физико-механических свойств и внешних признаков, перечисленных в табл. 1*).

*) характеристики, приведенные в графах 6-8 таблицы 1 рекомендуется определять в полевой лаборатории.

Тип залежи может быть также определен по данным наблюдений за характером деформаций основания существующих насыпей в аналогичных условиях.

12. В тех случаях, когда торфяная залежь состоит из нескольких слоев торфа различного типа, тип залежи в целом определяется в зависимости от мощности более слабых слоев.

Если не менее 90 % общей мощности торфяной залежи составляют торфа I типа - болото следует относить к I типу;

если более 10 % общей мощности залежи составляют пластичные образования II типа, - болото относится ко II типу;

если более 50 % общей мощности залежи составляют текучие слои III типа, - болото относится к III типу.

13. Пнистость болота определяется процентом попадания зонда (бура) в крупные неразложившиеся остатки дерева по отношению к общему числу погружений зонда.

14. На стадии проектного задания составляются геотехнические разрезы по оси трассы и поперечникам, где выделяются типы и подтипы торфа с указанием мощности и границ простирания каждого слоя.

15. Для целей рабочего проектирования проводится углубленная обработка данных полевых изысканий и лабораторное определение физико-механических свойств торфов, составляющих залежь, по специальной программе и смете в соответствии с конкретными требованиями расчета выбранной конструкции (см. табл. 2).

Таблица 2

Состав лабораторных испытаний, необходимых для рабочего проектирования земляного полотна на болотах

Вид характеристики, получаемой при испытаниях

Услов. обозначен

Тип конструкции земляного полотна

Полное выторфовывание

погружение насыпи выдавливанием

Частичное выторфовывание

вертикальные дрены и др. прорези

плавающие насыпи

1

2

3

4

5

6

7

Для болотных грунтов основания

 

 

 

 

 

 

1. Коэффициент пористости /влажность природная/

e0, W0

X

X

X

X

X

2 Удельный вес

gуд

-

X

X

-

X

3. Объемный вес скелета

X

X

X

X

X

4. Угол внутреннего трения

-

X

X

X

X

5. Сцепление

С

-

X

X

X

Х

6. Предел текучести /для торфов II типа/

 

 

X

X

X

X

7. Компрессионные характеристики

a, eр

-

-

X

X

X

8. Коэффициент консолидации

Сн

-

-

X

X

X

9. Оптимальный угол заложения откоса выемки при выторфовывании /допол. полевые изыскания/

a

X

-

X

-

-

Для грунтов земляного полотна

 

 

 

 

 

 

1. Гранулометрический состав

 

X

X

X

X

X

2. Пределы пластичности

 

X

X

X

X

X

3. Естественная влажность

 

X

X

X

X

X

4. Коэффициент фильтрации /для песков/

Кф

-

-

-

X

-

5. Оптимальная влажность и плотность на приборе стандартного уплотнения Союздорнии

 

X

X

X

X

X

6. Объемный вес при станд. плотности и оптимальной влажности

-

X

X

X

X

16. Определение пористости, влажности, удельного и объемного веса, показателей сопротивления сдвигу производится по общепринятой методике лабораторных испытаний грунтов.

Компрессионные испытания рекомендуется проводить по ускоренной методике, разработанной Союздорпроектом.

Коэффициент консолидации находится по графику деформации образца во времени при постоянной нагрузке, близкой по величине к удельному давлению запроектированной насыпи на грунт основания.

При этом коэффициент консолидации равен:

                                                             (1)

где: hобр - высота монолита в компрессионном приборе;

t - время от начала загружения до затухания интенсивной деформации уплотнения.

Оптимальный угол заложения откосов выемки в торфа (при выторфовывании) определяется путем проходки пробного шурфа c вертикальными стенками. Если вертикальный откос в данном пласте торфа удерживается не менее 3 суток, в проекте предусматриваются вертикальные стенки, в противном случае проектируются более пологие откосы.

Характеристики грунтов земляного полотна определяются общепринятыми методами.

III. Выбор типа конструкции земляного полотна по данным изысканий

17. В целях обеспечения выбора наиболее целесообразной конструкция земляного полотна, по данным изысканий на стадии проектного задания /см. п. 9/ намечаются возможные варианты земляного полотна для заданной категории дороги по табл. 3.

В табл. 3 даны примерные конструктивные решения для наиболее распространенных условий. При назначении конструкции земляного полотна по табл. 3 следует учитывать возможность наличия отрицательных условий /см. п.п. 18-19/, а для конструкций высокой стоимости /свайные эстакады, полное выторфовывание/ проводить соответствующие технико-экономические расчеты, подтверждающие целесообразность их применения.

Таблица 3

Выбор конструкций земляного полотна в зависимости от типа и глубины болота

Тип болота

Глубина торфа, м

Рекомендуемая конструкция земляного полотна в зависимости от категории дороги

I

II и III

IV и V

1

2

3

4

5

 

до 2

Полное выторфовывание

Полное выторфовывание

 

I

2-4

Полное выторфовывание

Полное выторфовывание для подтипа 1-Б или дренажные прорези /для подтипа 1-А/

Массивная насыпь, отсыпаемая на поверхность залежи для подтипа 1-А или частичное выторфовывание /для подтипа 1-Б/

 

более 4

Вертикальные дрены

Вертикальные дрены

 

 

до 2

Полное выторфовывание

Полное выторфовывание

 

II

2-6

Посадка насыпи на минеральное дно болота путем выдавливания торфа для подтипа II-А - обязательно, с предварительным разрыхлением взрывным или механическим способом

Посадка насыпи на мин. дно болота, вертикальные дрены только для подтипа II А

Облегченная плавающая насыпь из шлака и др. легких материалов или грунтовая насыпь хворостяной /фашинной/ выстилкой в основании

III

до 8

Посадка насыпи на минеральное дно болота путем выдавливания торфа

Посадка насыпи на минеральное дно болота путем выдавливания торфа

Принимается в каждом конкретном случае на основе технико-экономических расчетов

 

Более 8

Свайная эстакада

Принимается в каждом конкретном случае на основе технико-экономических расчетов

 

В тех случаях, когда на дорогах IV категории применяется покрытие усовершенствованного типа, земляное полотно повышенной капитальности следует выбирать в соответствии с рекомендациями для дорог II-III категории.

Для выбранной конструкции земляного полотна на стадии проектного задания основные параметры, необходимые для подсчетов объема и стоимости работ определяются приближенно по указаниям, приведенным в главах V-VII.

18. Конструкции с выторфовыванием не следует назначать в случаях:

а) при расположении существующих дорожных насыпей, зданий и сооружений, основанием которых служит торфяной грунт, на расстоянии ближе удвоенной глубины залежи;

б) в торфяных залежах типа I-А, если торф перекрыт слоем минерального грунта или залежь имеет минеральные прослойки при общем соотношении толщины вышележащих минеральных слоев к толщине торфа не менее 1:2.

Конструкции с вертикальными дренами и дренажными прорезями не следует назначать при пнистости торфяной залежи более 20 %.

Ярко выраженная слоистость залежи, когда горизонтальная водопроницаемость пласта в несколько раз выше вертикальной, способствует повышению эффективности вертикального дренирования.

20. Как правило, плавающие насыпи могут рекомендоваться только для дорог низких категорий. Однако, в ряде случаев, при наличии плотных торфов /например, соответствующих описанию п. 18-б/ они могут быть использованы в качестве основания для дорог высоких категорий.

21. Для дорог низких категорий целесообразно в основании плавающей насыпи укладывать настил хворостяную выстилку слани из неделовой древесины, получаемой, в частности, при расчистке полосы отвода. Существующий опыт показал, что устройство настилов и сланей из привозных кондиционных материалов экономически не оправдывается.

22. При соответствующем технико-экономическом обосновании возможно применение специальных конструкций земляного полотна на болотах, имеющих частую область применении и не вошедших поэтому в табл. 3:

а) глубинное уплотнение слабых грунтов песчаными сваями;

б) специальные облегченные конструкции из пористого бетона, с полостями, из гофрированных металлических труб и т.п.;

в) химическое укрепление слабых грунтов;

г) временные /сезонные/ дороги из сборных железобетонных плит.

Перечисленные конструкции в настоящее время являются экспериментальными и методика их расчета и конструирования в Указаниях не приводится.

23. При возможности стадийного строительства, особенно на неглубоких болотах I типа вместо выторфовывания или вертикальных дрен следует устраивать плавающие массивные насыпи. При этом, на первой стадии /примерно через год после возведения насыпи/ укладывается покрытие переходного типа, а через 3-5 лет, после того, как наблюдениями установлено затухание деформации основания - капитального типа.

Скорость консолидации основания плавающей насыпи может быть увеличена с помощью устройства боковых продольных прорезей или дополнительной временной пригрузки /см. гл.VII/.

IV. Проектирование плавающих насыпей (возводимых непосредственно на поверхности болота)

24. Возможность применения плавающих насыпей ограничивается необходимостью соблюдения требований п. 4. Следует учитывать, что условия устойчивости и недопустимости значительных упругих просадок для плавающих насыпей в ряде случаев, особенно на болотах II типа, оказываются взаимно исключающими, т.к. увеличение высоты насыпи может привести к превышению несущей способности основания.

25. Толщина насыпного слоя определяется как сумма проектной высоты насыпи над окружающей поверхностью болота и величины осадки по осевому сечению земляного полотна. Толщина насыпного слоя должна быть такой, чтобы упругие просадки земляного полотна при движении транспорта не превышали допускаемой величины для данного типа покрытия. В табл. 4 приведены ориентировочные величины минимальной толщины насыпного слоя на болотах /без учета конструктивной толщины дорожной одежды/ по данным А.А. Ткаченко:

Таблица 4

Начальная глубина торфа под насыпью, м

Требуемая толщина минерального слоя в зависимости от типа одежды

асфальтобетон

Черный щебень

переходн. покрытие

2

2,5

2,0

1,5

3

2,7

2,2

1,7

4

3,0

2,5

2,0

5

3,5

3,0

2,5

6

3,8

3,5

3,0

7

4,2

3,8

3,3

8 и более

4,5

4,0

3,5

Если на поверхности болота имеется естественный слой минерального грунта, требуемая мощность насыпного грунта может быть снижена на толщину природного минерального слоя.

27. Во всех случаях высота насыпи над поверхностью болота /после осадки/ должна быть не меньше, чем рекомендуется техническими нормативами из условия соблюдении водно-теплового режима.

28. Задавшись толщиной минерального слоя с учетом проектных отметок /но не ниже, чем по табл. 4/ следует проверить устойчивость основания на выдавливание.

На торфах I типа нарушение устойчивости основания может произойти вследствие выпирания при быстрой отсыпке высоких насыпей. В этом случае устойчивость основания следует проверять по формуле Прандтля, определяющей величину критической нагрузки на поверхность слабого грунта

                                                    (2)

где:            Ркр - нагрузка на основание насыпи, вызывающая разрушение;

             С - сцепление;

             j - угол внутрен. трения;

             е - основание натур. логарифмов.

Значения j и С в формуле /2/ следует принимать для влажности, соответствующей природному состоянию грунта основания до начала загружения. В случае слоистого строения залежи j и С принимаются осредненные /пропорционально толщинам соответствующих слоев/.

29. Для повышения устойчивости слабых грунтов основания плавающей насыпи могут быть применены следующие мероприятия:

а) постепенная стадийная отсыпка насыпи,

б) устройство пригрузочных берм,

в) частичное выторфовывание.

30. Величина осадки насыпи, возведенной на торфяном основании I типа, определяется по формуле компрессионных показателей:

                                                             (3)

где:            Н0 - первоначальная мощность торфа под насыпью;

             e0 - начальный коэффициент пористости торфа

             eр - коэффициент пористости после уплотнения нагрузкой, соответствующей удельному давлению насыпи на основание /в осевом сечении/.

Показатель eр определяется путем компрессионных испытаний.

В случае, если залежь имеет слоистое строение, коэффициенты e0 и eр определяются отдельно для каждого слоя. Полная осадка залежи будет равна сумме осадок отдельных слоев.

Если залежь включает слой текучей консистенции, считается, что под нагрузкой такой слой растекается и осадка залежи в целом увеличивается на толщину текучего слоя.

31. Объем грунта /на 1 п.м насыпи/, необходимый для компенсации объема просевшей части насыпи, подсчитывается по формуле:

                                                             (4)

где:            В - ширина подошвы насыпи.

32. Длительность протекания интенсивной осадки насыпи за счет уплотнения торфа в основании приближенно определяется по формуле:

                                                                (5)

В случае слоистого строения залежи коэффициент консолидации принимается осредненный /пропорционально толщинам слоев/. Величина коэффициента консолидации определяется в соответствии с указаниями п. 16.

Скорость консолидации основания может быть повышена с помощью следующих мероприятий:

а) устройство вертикальных дрен и дренажных прорезей /см. гл.VII/;

б) устройство глубоких дренажных прорезей по обеим сторонам насыпи;

в) методом переменной дополнительной пригрузки.

33. С помощью временной дополнительной пригрузки возможно ускорение консолидации основания насыпи на болотах I типа в 7-8 раз. Метод временной пригрузки целесообразно применять при возможности вторичного использования грунта пригрузочного слоя. Толщину пригрузочного слоя следует принимать не менее половины толщины постоянного насыпного слоя.

При применении метода временной дополнительной пригрузки устойчивость основания на выпор подлежит обязательной проверке /см. п. 28/.

Расчет ускорения консолидации торфа в основании насыпи с временной пригрузкой проводится следующими этапами:

а) в соответствии с п. 30 определяется величина осадки от веса насыпи с пригрузкой (S2);

б) таким же способом определяется величина осадки насыпи без пригрузки (S1);

в) в соответствии с п. 32 определяется длительность стабилизации осадки основания от насыпи с пригрузкой t2;

г) длительность уплотнения основания от веса насыпи с пригрузкой до той плотности, которая была бы достигнута уплотнением без пригрузки, определяется по формуле:

.                                                                (6)

При возможности проведения контроля в период строительства дороги, пригрузка снимается после того, как будет достигнута расчетная осадка насыпи от проектной высоты (S1).

34. Нижняя часть плавающей насыпи должна быть устроена из дренирующих грунтов на высоту не менее расчетной величины осадки. К прочей части насыпи предъявляются обычные требования общие для всех типов земляного полотна в насыпях.

35. Придорожные кюветы проектируются в соответствии с рекомендациями «Альбома типовых поперечных профилей» Союздорпроект вып. 41. При невозможности соблюдения продольного уклона кюветов для отвода собираемой воды /не менее 0,005/ их устройство не рекомендуется.

V. Проектирование земляного полотна с полным выторфовыванием

36. Метод полного выторфовывания заключается в удалении слабого грунта из основания насыпи до плотных слоев минерального дна болота с немедленным заполнением выемки качественным привозным грунтом. При этом, необходимо соблюдение условия, чтобы подошва насыпи опиралась на кровлю плотных слоев всей своей площадью.

37. При проектировании выторфовывания следует стремиться к максимальной устойчивости земляного полотна за счет создания наиболее крутых откосов выемки. Угол откосов выемки назначается по данным полевых исследований /п. 16/. Ширина дна выемки не должна быть меньше ширины земляного полотна между бровками насыпи.

В целях обеспечения качества выторфовывания отметку дна выемки следует назначать на 10 - 15 см ниже дна болота.

38. При наличии продольного или поперечного уклона дна болота более 10 % следует при механическом выторфовывании разрабатывать дно ступенями или же в случае малоустойчивых торфов производить наброску крупного камня с пониженной стороны /рис. 1 а,б/.

При взрывном способе выторфовывания наклонное дно следует вырабатывать штрабами /рис. 1 в/.

39. В зависимости от типа болота и объема работ выторфовывание может производиться следующими способами:

а) механическая разработка;

б) взрывы на выброс;

в) взрывание под насыпью;

г) гидравлическое выторфовывание;

д) посадка насыпи на дно болота с выдавливанием слабого грунта весом насыпи.

Примечание: Указания по технологии и организации выторфовывания различными методами см. СНиП III-Д. 5-62.

40. На болотах II и III типа земляное полотно, как правило, должно сооружаться способом выдавливания слабых слоев весом отсыпаемой насыпи. При этом должно быть также выполнено требование опирания всей подошвы насыпи на плотные слои минерального дна болота.

При наличии в верхней части болота плотных слоев торфа, последние должны быть удалены или разрыхлены механическими, взрывными или гидравлическими методами на ширину земляного полотна плюс две полосы с каждой стороны с шириной не меньшей, чем глубина болота. Если плотные слои составляют более половины глубины болота, для облегчения выдавливания следует предусмотреть устройство торфоприемников по обеим сторонам насыпи. Объем торфоприемников должен быть не меньше половины объема торфа подлежащего выдавливанию.

Минимальная высота насыпного слоя, необходимая для выдавливания слабого слоя определяется по формуле:

                                                        (7)

где:       В - ширина насыпи по основанию

             С - сцепление слабого слоя

             Нсл - мощность выдавливаемого слоя

              - объемный вес грунта насыпи.

VI. Проектирование земляного полотна с частичным выторфовыванием

41. Земляное полотно с частичным выторфовыванием следует назначать в случаях:

а) если плотность торфяной залежи увеличивается по глубине;

б) если на некоторой глубине болота имеется слой высокой пнистости, не позволяющий применить другие типы конструкций земляного полотна;

в) в целях ускорения консолидации основания.

К земляному полотну с частичным выторфовыванием предъявляются те же требования, что и к плавающим насыпям /гл. IV/.

42. Минимальная глубина замены торфа качественным минеральным грунтом должна быть такой, чтобы общая толщина насыпного слоя от верха оставляемого слоя торфа до проектной отметки была не меньше, чем это требуется по табл. 4.

43. Устойчивость основания насыпи против выдавливания при частичном выторфовывании следует проверять по формуле Герсеванова-Пузыревского:

                                     (8)

где:            Рбез - величина удельной нагрузки не вызывающая пластических деформаций основания;

             В - ширина насыпи по основанию;

              - объемный вес материала насыпи;

              - объемный вес торфа в природном состоянии;

             hв - глубина удаления торфа;

             j и С - угол внутреннего трения и сцепление торфа по лабораторным данным.

44. Величина осадки насыпи с частичным выторфовыванием за счет уплотнения оставшихся слоев торфа определяется так же, как и для плавающей насыпи /п. 30/.

45. Длительность интенсивной осадки насыпи за счет консолидации грунтов основания определяется так же, как и для плавающей насыпи /п. 82/.

При частичном выторфовывании скорость консолидации основания увеличивается пропорционально квадрату отношения полной глубины болота к мощности удаляемого торфа.

VII. Земляное полотно с вертикальными дренами и дренажными прорезями

46. Вертикальное дренирование основания земляного полотна проводится с целью ускорения консолидации грунтов основания, повышения их устойчивости и снижения упругих осадок.

Ускорение консолидации основания вертикальными дренами или дренажными прорезями происходит за счет значительного сокращения пути фильтрации воды, отжимаемой из грунтовой массы при уплотнении весом насыпи. Вертикальные дрены позволяют ускорить осадку по сравнению с плавающей насыпью в десятки раз.

Вертикальные дрены или дренажные прорези быстро снимают напор, возникающий в порах водонасыщенного грунта после приложения внешней нагрузки. Поэтому сопротивление сдвигу основания с дренами возрастает значительно быстрее, чем без дренирования /практически - по мере отсыпки насыпи/.

Вертикальные дрены или дренажные прорези изменяют общую упругость массы болотного грунта, поэтому упругие просадки на поверхности земляного полотна с вертикальными дренами примерно в 3 раза ниже, чем без дрен.

47. При глубине болота до 3 м рекомендуется земляное полотно проектировать с дренажными прорезями, для устройства которых не требуется специального оборудования /прорези отрываются экскаватором/. Дренажные прорези могут устраиваться только в торфах, способных удерживать вертикальные откосы в течение времени, необходимого для заполнения траншеи песком.

Вертикальные дрены могут применяться при глубине болот более 2 м при мощности залежи свыше 8-10 м может оказаться целесообразным применение частично погруженных дрен. Однако, следует учитывать, что при неполном погружении дрен срок консолидации основания значительно возрастает.

Вертикальные дрены могут применяться в торфах I типа в уплотненных болотных грунтах типа II-А.

48. Дрены и прорези должны заполняться крупным или средним песком с коэффициентом фильтрации не менее 3 м/сутки. Нижняя часть насыпи на толщину не менее величины предполагаемой осадки также должна отсыпаться из песчаных грунтов с водопроницаемостью не менее 3 м/сутки.

49. Толщина насыпного слоя над торфом с вертикальными дренами или дренажными прорезями из условий требований снижения упругих деформаций может быть равной половине величины, требуемой по табл. 4, но не менее 2,5 м.

50. Осадка дорожной насыпи на торфах с вертикальными дренами определяется по формуле:

                                                       (9)

где первый член в скобках аналогичен формуле /3/ гл. IV п. 30, а второй представляет отношение квадрата диаметра дрены к квадрату расстояния между дренами /дрены располагаются в шахматном порядке/.

Если при проектировании возникает задача ограничения величины осадки, по формуле /9/, можно определить необходимое для этого расстояние между дренами.

51. Осадка земляного полотна на торфах с дренажными прорезями определяется по формуле:

                                                         (10)

где: L - расстояние между прорезями /в чистоте/,

a - ширина прорезей, ,

e0, - начальный коэффициент пористости торфа;

eр - коэффициент пористости торфа после уплотнения нагрузкой, равной удельному давлению в подошве насыпи.

По приведенной формуле можно определить расстояние между прорезями из условия заданной величины осадки.

52. Предварительно расстояние между дренами назначается по табл. 5 в зависимости от глубины залежи и плотности торфа. Диаметр дрен при этом может быть назначен от 35 до 50 см в зависимости от наличия оборудования. Срок стабилизации осадки принят - 4-6 мес.

Таблица 5

Глубина болота, м

Болото I типа А

Болото I типа В

Торф II типа А сапропели при влажности ниже предела текучести

3

3,0

3,0

2,6

4

3,0

3,0

2,4

6

2,6

2,8

2,2

8

2,4

2,5

2,0

10

2,0

2,3

1,8

53. Расстояние между прорезями из расчета срока стабилизации осадки 4-6 мес. при ширине прорезей 0,7 м, глубине залежи от 1,5 до 3 м ориентировочно может быть принята:

болото  I типа А - 2,4 м

             I типа Б - 2,0 м

             II типа А - 1,8 м

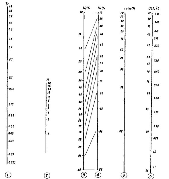
54. Ориентировочно назначенное расстояние между вертикальными дренами должно быть проверено и уточнено по данным лабораторных исследований. Расчет производится по номограмме, приведенной на рис. 2.

Рис. 1. Схема вариантов подготовки котлована выторфовывания при наклонном дне болота.

Рис. 2. Номограмма для расчета оснований с вертикальными дренами.

В случае, если в результате проверки окажется, что степень консолидации основания за заданное время /при ориентировочно выбранных параметрах конструкции земляного полотна/ составляет меньше 90 %, следует уменьшить расстояние между дренами.

Если на поверхности болота имеется уплотненный слой торфа или связного грунта, учитывать в расчетах вертикальную фильтрацию /Uв/ не следует.

Пример консолидационного расчета вертикальных дрен дан в приложении I.

Для проведения расчета необходимо знать:

глубину залежи - НТ (м)

коэффициент консолидации торфа при фильтрации в вертикальном направлении - Св 2/сут.)

коэффициент консолидации торфа при фильтрации в горизонтальном направлении - Сг 2/сут.)

ориентировочно принятое расстояние между дренами - l (м)

заданное время 90 % консолидации - t (сут.)

ориентировочно принятое отношение расстояния между дренами к их диаметру - п.

Вычислив , по правой шкале 5 определяется Uв % за заданное время t. Далее, на шкале 1 находится точка, соответствующая вычисленному значению , из которой через точку на шкале 2, соответствующую значению п, проводится прямая до шкалы 3. Точка пересечения даст величину Uг. Общая степень консолидации Uобщ находится на шкале 4 в точке пересечения прямой соединяющей величины Uг на шкале 3 и Uв на шкале 5.

55. Проверка правильности назначенного расстояния между дренажными прорезями производится по графику на рис. 3.

Для расчета земляного полотна с дренажными прорезями необходимо знать: коэффициент консолидации слабого грунта - С, глубину залежи - Н, заданное время консолидации – t. По графику определяется - какая степень консолидации грунта основания будет достигнута за время t - при назначенном расстоянии между прорезями - l. Пример расчета см. в приложении 2.

В целях упрощения считается, что коэффициент консолидации одинаков как для вертикальной, так и для горизонтальной эксфильтрации.

В случае, если при назначенных параметрах конструкции степень консолидации основания в заданное время составляет меньше 90 %, следует уменьшить расстояние между прорезями.

56. Примеры конструирования земляного полотна с вертикальными дренами и дренажными прорезями даны на рис. 4, 5.


Рис. 3. График для расчета расстояния между дренажными прорезями.


Приложение 1

Пример расчета земляного полотна с вертикальными дренами

Дорожная трасса разделена на участки, в пределах которых по данным геотехнических изысканий можно считать однородными следующие основные расчетные характеристики:

а) мощность слоев торфа,

б) физико-механические свойства каждого слоя,

в) рельеф дна болота,

г) проектную высоту насыпи.

Для участка, рассматриваемого в настоящем примере, получены следующие расчетные характеристики:

Расчетные характеристики

Обозн.

I слой

II слой

среднее значение

1. Тип торфа

 

I

I

 

2. Мощность слоя /м/

Н

4

2

 

3. Коэффициент пористости в ест. состоянии

e0

8,6

7,2

 

4. Коэффициент пористости после уплотнения

eр=0,5

6,2

4,7

 

5. Коэффициент консолидации /м2/сут/

С

0,0105

0,0074

0,0095

6. Высота насыпного слоя

Hн

 

 

2,5

7. Объемный вес торфа т/м3

1,02

1,01

1,02

8. Объемный вес материала насыпи

 

 

2,0

Приведенные в таблице расчетные данные определяются при полевых или лабораторных изысканиях, за исключением величины коэффициента пористости торфа после уплотнения нагрузкой, эквивалентной удельному давлению насыпи на основание - eр

Величина удельного давления на основание:

т/м2 =0,5 кг/см2.

При наличии горизонта грунтовых вод вблизи поверхности, давлением вышележащих пластов торфа на нижележащие можно пренебречь, т.к. объемный вес торфа близок к единице.

Коэффициент пористости торфа в состоянии уплотнения определяется по результатам компрессионных испытаний при нагрузке Р = 0,5 кг/см2 для каждого слоя.

В соответствии с табл. 3 настоящих Указаний, на торфяных залежах I типа под покрытие усовершенствованного типа рекомендуется устраивать земляное полотно с вертикальными дренами;

В необходимости вертикальных дрен можно убедиться и расчетным путем. Если будет принята конструкция земляного полотна типа «плавающей насыпи», то длительность осадки вычисляется по формуле /5/:

где: средний коэффициент консолидации равен:

Следовательно, требование достижения 90 % консолидации основания земляного полотна в данном случае будет выполнено только через 8 лет после возведения насыпи. Для того, чтобы обеспечить возможность устройства одежды в тот же год, в котором возведено земляное полотно, срок консолидации не должен превышать 6 месяцев. Значительное сокращение срока консолидации может быть достигнуто с помощью вертикальных дрен.

Ориентировочно параметры конструкции земляного полотна с вертикальными дренами могут быть назначены по табл. 5 Указаний. Для торфяной залежи типа I-А при мощности Н=6 м расстояние между дренами рекомендуется - 2,4 м.

Диаметр дрен назначается с учетом имеющегося оборудования - в данном случае принят d=0,35 м. Тогда отношение расстояния между дренами к их диаметру

.

Зная коэффициент консолидации торфяной залежи - Сср, можно проверить правильность назначенного расстояния между дренами по номограмме /рис. 2/.

1. Определение степени консолидации основания без дрен за заданный срок /t=6 мес./.

Вычисляется величина

.

На шкале 5 определяется величина степени консолидации при вертикальной фильтрации Uв =19 %.

2. Определение степени консолидации основания от воздействия вертикальных дрен.

Вычисляется

.

Через соответствующую точку на шкале 2 п =6,1 проводится прямая до шкалы 3, где получается значение Uг=86 %.

3. Определение общей степени консолидации основания с вертикальными дренами.

Но второй части номограммы точку на шкале 3, соответствующую величине Uв=86 %, соединяем с точкой на шкале 5, соответствующей величине Uв =19 %.

На шкале 9 получим искомую величину Uобщ=90 %.

В данном случае оказалось, что предварительно подобранные параметры конструкции отвечают заданным требованиям.

Следует заметить, что расчет по номограммам можно вести и обратным путем, отыскивая требуемый срок консолидации или требуемое расстояние между дренами по заданным общим параметрам.

Определение величины осадки в осевом сечении земляного полотна с вертикальными дренами.

Величина осадки определяется для каждого слоя отдельно по его компрессионным характеристикам по формуле /9/.

Для первого слоя осадка составит:

.

Для второго слоя:

.

Суммарная осадка торфяной залежи в осевом сечении земляного полотна:

.

Приложение 2

Пример расчета земляного полотна с дренажными прорезями

В пределах заданного участка дорожной трассы торфяная залежь типа I-А имеет мощность 2,7 м. Торф, составляющий залежь, обладает следующими расчетными характеристиками:

1. Коэффициент пористости в естественном состоянии e0 =8,6 м.

2. Коэффициент пористости после уплотнения весом насыпи eр=6,2.

3. Коэффициент консолидации Ср=0,0105 м2/кг. Слой торфа подстилается плотными суглинками. Общая высота насыпного слоя назначена из условия соблюдения допускаемых упругих деформаций /п. 53/ hн=2,5 м.

Объемный вес материала насыпи - =2 т/м3. Величина удельного давления в основании насыпи, при котором определен eр составляет:

.

В соответствии с табл. 3 настоящих Указаний, на торфяных залежах типа I-А для дорог с покрытием усовершенствованного типа рекомендуется земляное полотно с дренажными прорезями.

В необходимости устройства дренажных прорезей можно убедиться расчетным путем. Длительность 90 % консолидации слоя торфа в основании насыпи «плавающего типа» согласно формуле /5/ составит:

года.

Окончание строительства дороги с насыпью плавающего типа в заданных условиях за один сезон невозможно.

Для варианта земляного полотна с дренажными прорезями в соответствии с п. 57 для залежи торфа типа I-А рекомендуется расстояние между прорезями 2,4 м.

При наличии заданного коэффициента консолидации залежи С, принятое по ориентировочным рекомендациям расстояние между дренами, может быть уточнено по графику на рис. 4.

Отношение расстояния между прорезями к глубине:

.

Величина «фактора времени», откладываемая по абсциссе графика, в данном случае будет равна:

.

(Для обеспечения возможности окончания строительства за один сезон, время 90 % консолидации принято t=180 сут.)

На графике рис. 4 по кривой l (наиболее близкой к l=0,9 Н) находим степень консолидации /ординату/ точки с абсциссой T=0,257.

В данном случае Uг=95 % /0,95/, что полностью удовлетворяет исходным требованиям.

Расчет величины осадки основания с дренажными прорезями проводится по формуле /10/:

.

Мощность торфа - 2,7 м.

Расстояние между прорезями l=2,4 м.

Ширина прорезей по соображениям производства работ принята а=0,7 м.

Коэффициент

.

Тогда:

.

Приложение 3

Пример расчета земляного полотна с частичным выторфовыванием

На участке дорожной трассы, рассмотренном в предыдущем примере /приложение 2/, залежь отнесем к типу I-Б. Торф полностью насыщен водой и при устройстве прорезей откосы оползают настолько быстро, что засыпка прорезей оказывается невозможной.

Учитывая, что плавающая насыпь не обеспечивает необходимой консолидации основания в заданный срок /t=180 сут./, рассмотрим вариант частичного выторфовывания.

Основные расчетные характеристики залежи приняты те же, что и для примера, разобранного в Приложении 2.

Мощность оставляемого под насыпью слоя торфа определяется исходя из соблюдения требования достижения 90 % консолидации за 180 суток по формуле /5/:

.

Следовательно, выторфовывание должно быть проведено на глубину 2,7-1,5=1,2 м.

В соответствии с табл. 4 полная высота насыпного слоя для покрытия из черного щебня должна быть 2,2 м.

Давление на поверхность слоя торфа составит:

.

Осадка земляного полотна определяется по формуле/3/:

.

(Величина коэффициента пористости торфа после уплотнения нагрузкой Р=0,44 кг/см2 по данным компрессионных испытаний составила eр=0,44 = 6,4).

Проверка устойчивости запроектированной конструкции производится из условия недопустимости образования пластических деформаций по формуле /8/:

.

Где для данного примера:

Объемный вес торфа =1,02 т/м3

Глубина выторфовывания hвыт=1,2 м.

Сцепление торфа С=1,2 т/м2

Угол внутреннего трения j=8° /в радианах j=0,14/

т/м2.

Нагрузка от насыпи на основание Р=4,4 т/м2 меньше допустимой по расчету Рбез=5,4 т/м2, поэтому устойчивость запроектированной конструкции можно считать обеспеченной.




Яндекс цитирования



   Copyright © 2007-2026,  www.tehlit.ru.

[ ѓосты, стандарты, нормативы, инструкции, правила, строительные нормы ]