//
ТехЛит.ру
- крупнейшая бесплатная электронная интернет библиотека для "технически умных" людей.
WWW.TEHLIT.RU - ТЕХНИЧЕСКАЯ ЛИТЕРАТУРА

:: Алготрейдинг::


АЛГОТРЕЙДИНГ
шаг за шагом
с нуля по урокам!

Торговые роботы на PYTHON, BackTrader,
Pandas, Pine Script для TradingView. Связка с брокерами, телеграм и легкими приложениями.


МИНИСТЕРСТВО ЭНЕРГЕТИКИ И ЭЛЕКТРИФИКАЦИИ СССР

ГЛАВНОЕ ТЕХНИЧЕСКОЕ УПРАВЛЕНИЕ
ПО СТРОИТЕЛЬСТВУ И СТРОИТЕЛЬНОЙ ИНДУСТРИИ

ЦЕНТР ПО НАУЧНОЙ ОРГАНИЗАЦИИ ТРУДА И УПРАВЛЕНИЯ
В ЭНЕРГЕТИЧЕСКОМ СТРОИТЕЛЬСТВЕ

ЭНЕРГОСТРОЙТРУД

КАРТЫ ТРУДОВЫХ ПРОЦЕССОВ
СТРОИТЕЛЬНОГО ПРОИЗВОДСТВА

УСТРОЙСТВО МОНОЛИТНОЙ ТЕПЛОИЗОЛЯЦИОННОЙ
ПОДГОТОВКИ ИЗ ПОРИЗОВАННОГО БЕТОНА В ПОЛАХ

Комплект карт ККТ-0.0-3

(2 карты)

КТ-0.0-0.1-86

Москва 1986

ВВОДНАЯ ЧАСТЬ

1. В настоящий комплект (ККТ-0.0-3) входят следующие карты трудовых процессов:

- устройство монолитной теплоизоляционной подготовки из поризованного бетона;

- устройство цементной стяжки.

2. Карты разработаны на основе изучения и обобщения передового опыта работы бригады бетонщиков управления отделочных работ «Жилстрой» при УС «Саратовгэсстрой».

3. Нормативные данные получены на основе наблюдений.

4. Поризованные легкие мелкозернистые бетонные смеси, применяемые для устройства полов, приготовляются из цементного раствора М-100 с мелким заполнителем (песок), воды и специальных добавок (алюминиевая пудра, сульфат натрия, жидкое мыло) в реконструированной штукатурной передвижной станции на базе ПШСФ-2 (Рис. 1, рабочие чертежи в УС «Саратовгэсстрой»).

Полученная смесь после приготовления не менее чем через 10 мин самопроизвольно вспучивается (при условии правильной дозировки добавок) и увеличивается в объеме почти в 1,5 раза. Дозировка добавок и приготовление смеси приводятся в первой карте.

5. Режим труда и отдыха принят в соответствии с «Руководством по техническому нормированию труда рабочих в строительстве» (М., Стройиздат, 1977).

Карта трудового процесса строительного производства

КТ-0.0-0.1-86

 

Устройство монолитной теплоизоляционной подготовки из поризованного бетона

Разработана отделом нормативно-исследовательской станции № 21 при УС «Саратовгэсстрой».

Рассмотрена, откорректирована и рекомендована Центром «Энергостройтруд» для внедрения в строительное производство

 

Входит в комплект карт ККТ-0.0-3 на устройство монолитной теплоизоляционной подготовки из поризованного бетона в полах

На новый вид работ

 

1. Область и эффективность применения карты.

1.1. Карта предназначена для организации труда рабочих при устройстве монолитной теплоизоляционной подготовки из поризованного бетона в полах жилых, общественных, административных и вспомогательных зданий по перекрытиям из железобетонных плит.

Равномерно распределенная нагрузка на полы в перечисленных зданиях не должна превышать 400 кг/м2.

1.2. Показатели производительности труда.

                                                                       По карте

Выработка на 1 чел.-день, м2                     47,0

Затраты труда на устройство

1 м2 полов, чел.-ч                                         0,17

Примечание. В затраты труда включено время на подготовительно-заключительные работы (4 %) и отдых (12 %).

2. Условия и подготовка выполнения процессов.

2.1. При приготовлении поризованных бетонных смесей, их транспортировке и устройстве монолитных подготовок необходимо соблюдать все требования карты.

2.2. Работа по устройству монолитных поризованных бетонных подготовок должна выполняться при температуре не ниже +10 °С.

2.3. Учитывая свойства поризованного бетона, организация трудового процесса принята с учетом приготовления дозирующих составов на объекте строительства.

2.4. До начала работ по устройству монолитной подготовки из поризованного бетона необходимо:

провести инструктаж с рабочими о правилах производства работ и соблюдении требований правил техники безопасности; проверить наличие компонентов на весь объем работ; доставить на рабочее место оборудование, инструмент и приспособления; обеспечить электропитанием все механизмы, применяемые в процессе; подготовить поверхность плит и заделать все швы и отверстия в перекрытии; выполнить работы по устройству звукоизоляции и гидроизоляции пола; обеспечить полное закрывание всех дверей и окон, тем самым исключить наличие сквозняков.

2.5. Качество поверхности должно соответствовать требованиям СНиП III-14-72, отклонение по горизонтали не более 0,2 %, отклонение толщины не более 10 % в отдельных местах.

2.6. Общая продолжительность приготовления и транспортирования поризованного бетона зависит от их температуры и свойств применяемых материалов. Определяется она опытным путем и ориентировочно может быть принята:

- 15 минут с момента загрузки смесителя;

- 10 минут с момента введения в смесь добавок;

- температура укладываемой бетонной смеси должна быть в пределах от +10 до +30 °С.

2.7. Работы следует выполнять, соблюдая правила техники безопасности и охраны труда рабочих в соответствии с требованиями СНиП III-4-80 «Техника безопасности в строительстве», СН-277-70 «Инструкция по технологии изготовления изделий из ячеистых бетонов».

Хранение алюминиевой пудры допускается только в спецскладах. Она хранится в заводской упаковке в герметически закрытой таре. Вскрытие тары на складе запрещается и производится на месте приготовления пасты инструментом, исключающим новообразование.

Рабочие должны иметь респираторы любого типа, перчатки резиновые технические, защитные очки закрытого типа. Места попадания поризованного бетона, раствора, солевых добавок или алюминиевой пасты на кожный покров необходимо быстро промыть холодной водой.

2.8. Полученный поризованный бетон должен соответствовать следующим показателям:

Таблица № 1

Марка поризованного бетона

Объемная масса в высушенном состоянии, кг/м3

Коэффициент теплопроводности не более

Удельная теплоемкость не более

М-10

800

0,12

0,23

Прочность определяется путем испытания контрольных кубиков 70´70´70 мм в соответствии с ГОСТ 12852-67 «Бетон ячеистый», а тепло- и звукоизоляционные свойства по ГОСТ 5742-76 «Плиты теплоизоляционные из ячеистого бетона».

Контроль за качеством выполнения каждой операции производит мастер или прораб.

2.9. Режим труда и отдыха определен из условия оптимально высокого темпа выполнения трудовых процессов в соответствии с «Руководством по техническому нормированию труда рабочих в строительстве» (М., Стройиздат, 1977).

3. Исполнители, предметы и орудия труда

3.1. Исполнители:

бетонщик   4 разр. (Б1)                - 1

то же          3 разр. (Б2, Б3)          - 2

-"-               2 разр. (Б4)                - 1

3.2. Инструменты, приспособления и инвентарь

№ пп.

Наименование, назначение и основные параметры

ГОСТ, ОСТ, ТУ, № чертежа, марка

Кол-во шт.

1

2

3

4

1.

Станция штукатурная (реконструированная)

ПШСФ-2

ТУ 34-13-11203-78

Жигулевский з-д «Энергореммаш»

1

2.

Машина сверлильная электрическая (для перемешивания добавок)

ИЭ-1015

3

3.

Полутерок ручной, длина 0,7 м

Собств. изготовл.

2

4.

Кружка, емкость 2 л

МРТУ Минторга СССР

2

5.

Ведро, емкость 8 - 10 л

То же

3

6.

Весы бытовые

-

1

7.

Рукава резиновые напорные

ГОСТ 10362-76

1 компл.

8.

Лопата растворная

ЛР

ГОСТ 3620-76

2

9.

Скребок металлический

Р.ч. № 210

ВНИИСМИ Минстройдормаша

2

10.

Уровень гибкий (водяной)

ТУ 25-11-760-72

1

4. Технология процесса и организация труда

4.1. Работы по устройству монолитной подготовки из поризованного бетона выполняют в следующем порядке: подготавливают поверхность пола, принимают раствор из автосамосвала в приемный бункер станции, приготавливают добавки и поризованный бетон, подают и укладывают поризованный бетон.

Приготовление добавок

Дозировка составляющих раствора сульфата натрия

Таблица № 2

Наименование добавки

Ед. измерения

Сульфат натрия

Вода

Раствор сульфата натрия на 100 л при t = 60 - 70 °С

кг

5 - 10

90 - 95

Раствор сульфата натрия регулирует сроки схватывания бетонной поризованной смеси. Для приготовления раствора применяется горячая вода с температурой 60 - 70 °С.

Дозировка составляющих алюминиевой пасты

Таблица № 3

Наименование добавки

Ед. измерения

Алюминиевая пудра ПАП-1

Жидкое мыло

Вода

На 1 кг алюминиевой пасты

г

500

25

475

Раствор считается готовым к употреблению при условии получения от перемешивания однородной вязкой массы. Срок хранения пасты не более 7 суток.

Дозировка составляющих жидкого мыла

Таблица № 4

Наименование добавки

Ед. измерения

Мыло «Прогресс»

Вода

Жидкое мыло

кг

1

10

Дозировка составляющих поризованного бетона на один цикл замеса (0,7 м3)

Таблица № 5

№ пп

Наименование компонентов

Ед. измерения

Кол-во

1.

Цементно-песчаный раствор М-100 с осадкой конуса 6 - 8 см

л

65 - 66

2.

Раствор сульфата натрия

кг

5 - 6

3.

Алюминиевая паста

то же

1,5 - 2

4.

Вода

л

7

Вода в растворосмеситель подается в последнюю очередь. Перемешивание длится 2 - 3 минуты.

Потребность в основных материалах на 100 м2 подготовки толщиной 70 мм

Таблица № 6

№ пп

Наименование материалов

Марка

Ед. измерения

Кол-во

1.

Цементно-песчаный раствор

М-100

м3

7,0

2.

Алюминиевая пудра ГОСТ 5494-71

ПАП-1

кг

6,9

3.

Сульфат натрия ГОСТ 6818-77

Na2SO4

то же

60,0

4.

Жидкое мыло «Прогресс»

-

-"-

0,3

Контроль за качеством добавок и готового поризованного бетона осуществляет ответственное лицо и результаты заносит в журнал устройства подготовки (подобно журналу бетонных работ).

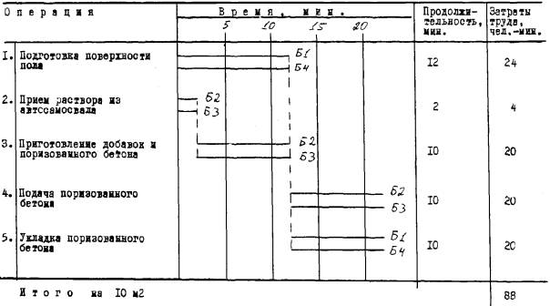
4.2. График трудового процесса

4.3. Схема организация рабочего места

Условные обозначения.

1. Штукатурная станция.

2. Поверхность основания пола.

3. Резиновый напорный рукав.

4. Емкость для воды 5 м3.

Б1, Б2, Б3, Б4 - рабочие места бетонщиков.

Станция штукатурная (реконструированная) ПШСФ-2

Условные обозначения.

1. Приемный бункер объемом 2,3 м3.

2. Роторное колесо для подачи раствора.

3. Вибросито.

4. Растворосмеситель СО-46А.

5. Насос для подачи раствора СО-50.

6. Емкость объемом 2 м3 для воды с электроподогревом.

7. Емкости объемом 200 л для приготовления добавок с приспособлениями для установки сверлильных машин.

8. Лебедка электрическая Т-224 для подъема приемного бункера.

9. Дополнительная емкость объемом 5 м3 для воды с электроподогревом для промывки оборудования и резиновых напорных рукавов.

Рис. 1

4.4. Описание операций, их продолжительность, исполнители, орудия труда.

1. ПОДГОТОВКА ПОВЕРХНОСТИ ПОЛА.

Бетонщики Б1 и Б4 очищают поверхность основания от мусора и грязи, увлажняют водой, размечают уровень заливки поризованного бетона.

Операция выполняется 12 мин.

2. ПРИЕМ РАСТВОРА ИЗ АВТОСАМОСВАЛА.

Бетонщики Б2 и Б3 принимают раствор в приемный бункер штукатурной станции с последующей очисткой кузова автосамосвала.

Операция выполняется 2 мин.

3. ПРИГОТОВЛЕНИЕ ДОБАВОК И ПОРИЗОВАННОГО БЕТОНА.

Бетонщики Б2 и Б3 в емкостях (№ 7 рис. 1) при помощи сверлильных машин приготовляют добавки (дозировку составляющих добавок см. таблицы № 2, 3, 4). Затем вводят добавки в просеянный цементный раствор (дозировку добавок см. таблица № 5) и перемешивают в течение 2 - 3 минут.

Операции выполняется 10 мин.

4. ПОДАЧА ПОРИЗОВАННОГО БЕТОНА.

Бетонщик Б2 включает насос и следит за его работой. Бетонщик Б3, находясь в зоне видимости бетонщиков Б2 и Б4, следит за подачей бетона.

Операция выполняется 10 мин.

5. УКЛАДКА ПОРИЗОВАННОГО БЕТОНА.

Бетонщик Б1 равномерно распределяет поризованный бетон по поверхности основания в соответствии с размеченным уровнем заливки бетона. Бетонщик Б4 переносит шланги и заглаживает поверхность уложенного бетона.

Операция выполняется 10 мин.

Норма времени Нвр. на устройство 10 м2 монолитной теплоизоляционной подготовки из поризованного бетона

Выработка В на одного рабочего за восьмичасовую смену

В = 8/17 = 4,7´10 = 47 м2

СОДЕРЖАНИЕ

 




Яндекс цитирования



   Copyright © 2007-2026,  www.tehlit.ru.

[ ѓосты, стандарты, нормативы, инструкции, правила, строительные нормы ]