|
| |
ТИПОВЫЕ ТЕХНОЛОГИЧЕСКИЕ КАРТЫ НА
ПРОИЗВОДСТВО ОТДЕЛЬНЫХ ВИДОВ РАБОТ
РАЗДЕЛ 03
ТИПОВАЯ
ТЕХНОЛОГИЧЕСКАЯ КАРТА
НА КАМЕННЫЕ РАБОТЫ
3.01.01.04
КИРПИЧНАЯ КЛАДКА ВНУТРЕННИХ СТЕН
|
РАЗРАБОТАНА
|
СОГЛАСОВАНО
|
|
Институтом
ПТИ Минсевзапстроя СССР
|
Отделом
механизации и технологии строительства Госстроя СССР
|
|
Главный
инженер института
|
Ю.И.
Руднев
|
|
|
Заведующий
отделом № 4
|
А.М.
Гущин
|
Письмо
от 27.12.88 г. № 23-737
|
|
Главный
инженер проекта
|
В.П.
Одинцов
|
Введена
в действие с 1 февраля 1989 г.
|
МОСКВА-1989
Типовая
технологическая карта разработана из расчета 100 м3 кирпичной кладки
внутренних стен 5-этажного жилого дома по типовому проекту 85-07/1,
разработанному ЦНИИЭПжилища. План и разрез приведены на листе 4.
В
состав работ, рассматриваемых в карте, входят:
кирпичная
кладка внутренних стен;
перестановка
подмостей;
транспортные
и такелажные работы.
Все
работы по устройству кирпичной кладки стен выполняют в летний период и ведут в
2 смены.
При
привязке типовой технологической карты к конкретному объекту и условиям
строительства, принятый в карте порядок выполнения работ по кирпичной кладке
стен, размещение машин и оборудования, объемы работ, средства механизации
уточняют в соответствии с проектными решениями.
До
начала работ по устройству внутренних стен из кирпича должны быть выполнены
следующие работы:
доставлены
на объект строительные машины, инвентарь, инструмент и приспособления;
заготовлен
кирпич на перекрытиях у мест производства работ.
Доставку
на объект кирпича осуществляют пакетами в специально оборудованных бортовых
машинах. Раствор доставляют автомобилями-самосвалами или растворовозами. Для
подачи раствора на рабочее место в ящики применяют установку С0-126. Подачу
кирпича в рабочую зону осуществляют с помощью подхвата-футляра. Схема строповки
поддона с кирпичом приведена на листе 5.
Складирование
кирпича предусмотрено на поддонах. Схема складирования приведена на листе 6.
При
производстве кирпичной кладки внутренних стен используют инвентарные
шарнирно-пакетные подмости.
Рабочие
места и расположение материалов звена каменщиков на подмостях приведены на
листе 4.
Устройство
внутренних стен из кирпича выполняет звено каменщиков в составе:
каменщик
3 разряда - 2 человека.
Устройство
внутренних стен из кирпича выполняют в следующей технологической
последовательности:
натягивают
причальный шнур;
расстилают
раствор и раскладывают кирпич на внутренней стене;
выполняют
кирпичную кладку стен;
проверяют
правильность кладки.
В
данной типовой карте предусмотрена кирпичная кладка внутренних стен толщиной в
11/2 кирпича под штукатурку.
До
начала работ необходимо:
произвести
разметку стен;
установить
и проверить на прочность подмости для кладки второго яруса;
доставить
на рабочее место необходимые материалы, инструмент и приспособления.
Каменщик
3 разряда (№ 1) устанавливает на своей делянке по нивелировочным отметкам и
отвесу необходимое число порядовок, затем натягивает причальный шнур для
обеспечения горизонтальности рядов кладки.
Каменщик
3 разряда (№ 2) берёт с поддона кирпичи и раскладывает их для ложковых и
тычковых рядов стопками по 2 кирпича, располагая их параллельно оси стены на
расстоянии длины одного кирпича один от другого - для ложковых рядов и вплотную
один к другому - для тычковых.
Кирпич
укладывают на противоположной стороне по отношению к закладываемой версте.
Раствор расстилают лопатой в виде грядки толщиной 2 - 2,5 см и шириной 22 - 24
см - под тычковые ряды, шириной 10 - 11 см - под ложковые.
Каменщик
№ 1 кладёт внутреннюю версту толщиной в 110/2 кирпича по
системе многорядной перевязки. Кладку верстовых рядов ведёт впритык и подрезает
раствор. После этого проверяет правильность кладки.
Калькуляция
затрат труда, машинного времени, заработной платы на 100 м3
приведена на листе 7.
График
производства работ на 100 м3 кирпичной кладки приведен на листе 8.
Рациональная
организация, методы и приёмы труда при устройстве кирпичных стен приняты в
соответствии с картами трудовых процессов ККТ-3.0-3 (ВНИПИ труда в
строительстве Госстроя СССР, Москва, Стройиздат, 1979 г.).
Варианты
рекомендуемых машин и оборудования для кирпичной кладки внутренних стен
приводятся в табл. 1.
Таблица 1
|
Наименование комплекта машин и оборудования
|
Вариант (фасет-код)
|
Техническая характеристика
|
Марка
|
Количество, шт.
|
|
Кран монтажный
|
15-1
|
Кран башенный грузоподъёмностью до 5 т
|
КБ-100.1
|
1
|
|
|
15-2
|
Кран башенный грузоподъёмностью до 8 т
|
КБ-160
|
1
|
|
|
15-3
|
Кран гусеничный грузоподъёмностью 16 т
|
МКГ-16
|
1
|
|
Оборудование
|
16-1
|
Установка для подачи раствора
|
СО-126
|
1
|
Работы
по возведению каменных конструкций следует осуществлять в соответствии с
технической документацией:
указания
по виду материалов, применяемых для кладки, их проектные марки по прочности и
морозостойкости;
марки
растворов для производства работ;
способ
кладки и мероприятия, обеспечивающие прочность и устойчивость конструкций в
стадии возведения.
Технические
критерии и средства контроля операций и процессов приведены в табл. 2.
Приёмочный
контроль каменных работ осуществляют согласно СНиП 3.03.01-87 «Несущие
ограждающие конструкции».
Таблица 2
|
Наименование
процессов, подлежащих контролю
|
Предмет контроля
|
Инструмент и способ контроля
|
Периодичность контроля
|
Ответственный за контроль
|
Технические критерии оценки качества
|
|
Кирпичная кладка
|
Качество кирпича, раствора, арматуры,
закладных деталей
|
Внешний осмотр, проверка паспортов и
сертификатов
|
До начала кладки ото и этажа
|
В случае сомнения - лаборатория
|
Должны соответствовать требованиям
стандартов и технических условий. Не допускается применение обезвоженных
растворов.
|
|
|
Правильность разбивки осей
|
Стальная рулетка
|
До начала кладки
|
Геодезист
|
Смещение осей 10 мм
|
|
|
Горизонтальность отметки обрезов кладки
под перекрытие
|
Нивелир, рейка, уровень
|
До установки панелей перекрытия
|
Геодезист
|
Отклонение отметок обрезов 15 мм
|
|
Кирпичная кладка
|
Геометрические размеры кладки (толщина,
проёмы)
|
Стальная рулетка
|
После выполнения каждых 10 м3
кладки
|
Мастер
|
Отклонения по тол шине конструкций 15
мм, по ширине проёмов +15 мм
|
|
|
Вертикальность, горизонтальность, и
поверхность кладки стен
|
Уровень,
рейка, отвес
|
В процессе и после окончания кладки
стен этажа
|
Мастер,
прораб
|
Отклонения поверхностей и углов кладки
от вертикали на 1 этаж 10, на всё здание высотой более 2-х этажей 30 мм.
Отклонения рядов кладки от горизонтали на 10 м длин стены 15 мм. Неровности
на вертикальной поверхности кладки 10 мм.
|
|
Кирпичная кладка
|
Качество швов кладки (размеры и
заполнение)
|
Стальная линейка, 2-х метровая рейка
|
После выполнения каждых 10 м3
кладки
|
Мастер
|
Средняя толщина горизонтальных швов в
пределах высоты этажа принимается 12 мм (10 ... 15) Средняя толщина
вертикальных швов - 10 мм (8 ... 15)
|
|
Установка перемычек
|
Положение перемычек, опирание,
размещение, заделка
|
Стальная линейка, визуально
|
После установки перемычек
|
Мастер
|
|
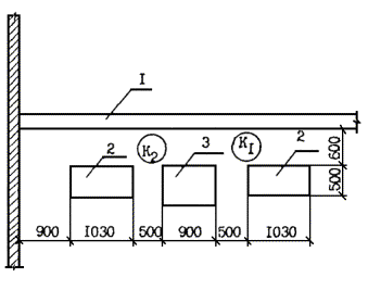
ПЛАН
ЗДАНИЯ

РАБОЧЕЕ
МЕСТО И РАСПОЛОЖЕНИЕ МАТЕРИАЛОВ ЗВЕНА КАМЕНЩИКОВ НА ПОДМОСТЯХ

1 - стена; 2 - поддоны с кирпичом; 3 - ящик-контейнер
с раствором
К1,
К2 - рабочие места каменщиков
СХЕМЫ СТРОПОВОК

а - строповка подмостей; б - строповка
подхват-футляра; в - строповка бункера с раствором; г - строповка растворного
ящика
1 - строп 4-х
ветвевой; 2 - подмости шарнирно-пакетные; 3 - подхват-футляр Б-8; 4 - бункер
для раствора; 5 - ящик для раствора
СХЕМЫ
СКЛАДИРОВАНИЯ КИРПИЧА

1 - кирпич; 2 - поддон; 3 - железобетонная
плита
4. КАЛЬКУЛЯЦИЯ
ЗАТРАТ ТРУДА, МАШИННОГО ВРЕМЕНИ, ЗАРАБОТНОЙ ПЛАТЫ НА 100 м3 КЛАДКИ
Таблица 3
|
Наименование процесса
|
Номер фасет для пересчёта показателей
|
Единица измерения
|
Объём работ
|
Обоснование (ЕНиР и др. нормы)
|
Норма времени
|
Расценка, р.-к.
|
Затраты труда
|
Заработная плата, р.-к.
|
Время пребывания машины на объекте, маш.-ч
|
Заработная плата машиниста с учётом
пребывания машины на объекте, р.-к.
|
|
|
рабочих, чел.-ч
|
машиниста, чел.-ч (маш.-ч)
|
рабочих
|
машиниста
|
рабочих, чел.-ч
|
машиниста, чел.-ч (маш.-ч)
|
|
|
рабочих
|
машиниста
|
|
|
Кладка
внутренних стен толщиной 38 см на цементном растворе
|
01, 02, 03,
04,
|
м3
|
100
|
Е3-3А, п. 3б
|
3,2
|
-
|
2-24
|
-
|
320,0
|
-
|
224-00
|
-
|
-
|
-
|
|
|
Установка,
перестановка пакетных подмостей при толщине внутренних стен 38 см
|
15
|
10 м3
|
10,0
|
Е3-20А, т. 2,
п. 1а, б
|
1,44
|
0,48
|
0-99,4
|
0-37,9
|
14,4
|
4,8
|
9-94
|
3-79
|
4,8
|
3-79
|
|
|
Выгрузка
кирпича из автомашины башенным краном, оборудованным грейферным захватом
|
15
|
1000 шт.
|
39,5
|
Е1-9
|
0,28
|
0,14
|
0-17,9
|
0-12,7
|
11,1
|
5,53
|
7-07
|
5-01
|
5,5
|
5-01
|
|
|
Подъём кирпича
башенным краном с помощью съёмного захвата
|
15
|
1000 шт.
|
39,5
|
Е1-7, п. 1а,
б
|
0,836
|
0,418
|
0-53,5
|
0-38,1
|
33,0
|
16,5
|
21-13
|
15-05
|
16,5
|
15-05
|
|
|
Приём и выдача
раствора с помощью шнекового перегружателя
|
-
|
м3
|
23,4
|
Е1-12
|
0,28
|
-
|
0-19,6
|
-
|
6,55
|
-
|
4-60
|
-
|
-
|
-
|
|
|
Подъём
раствора башенным краном в бункерах вместимостью 1 м3 с разгрузкой
в 4 точках на высоту до 12 м
|
16
|
м3
|
23,4
|
Е1-7, п. 20а,
б
|
0,42
|
0,21
|
0-26,9
|
0-19,1
|
9,82
|
4,91
|
6-29
|
4-47
|
4,9
|
4-47
|
|
|
Выгрузка с
автомашины башенным краном подмостей
|
15
|
100 т
|
0,06
|
Е1-7, п. 28а,
б
|
13
|
6,4
|
3-32
|
5-82
|
0,78
|
0,38
|
0-50
|
0-35
|
0,4
|
0-35
|
|
|
Итого:
|
395,65
|
32,12
|
273-53
|
28-67
|
32,1
|
28-67
|
|
Таблица 4

Потребность
в инструменте, инвентаре и приспособлениях приведена в табл. 5
Таблица 5
|
Наименование
|
Марка, техническая характеристика, ГОСТ, № чертежа
|
Количество по вариантам
|
Назначение
|
|
I
|
II
|
|
Кран башенный
|
КБ-100.1
|
1
|
|
Подъём
элементов
|
|
Строп 4-х ветвевой
|
4СК-5,0
4000 ГОСТ 25573-82*
|
1
|
|
Подъём элементов
|
|
Установка для перемешивания и выдачи
раствора
|
УБ-342.00.00.000
|
1
|
|
Перемешивание раствора
|
|
Бункер для раствора
|
Р.ч. 140-00 ПТИОМЭС вместимостью 1,0 м3
|
1
|
|
Подача раствора на рабочее место
|
|
Ящик для раствора
|
Р.ч. 4241.42.00 ЦНИИОМТП вместимостью
0,25 м3
|
5
|
|
Приём раствора из бункера
|
|
Установка для подачи раствора
|
СО-126
|
|
1
|
Приём раствора на рабочем месте
|
|
Шарнирно-пакетные подмости
|
Р.ч. 507.00 треста Ленинградоргстрой
разм. 5500´2500´1100
|
16
|
|
Кирпичная кладка стен
|
|
Подхват-футляр
|
Б-8 р. ч. 605.00.000 ЦНИИОМТП грузоподъёмностью
1,5 т
|
2
|
|
Для подачи кирпича
|
|
Поддон с металлическими крючьями
|
ГОСТ
18343-80
|
10
|
|
Складирование кирпича
|
|
Кельма для каменных работ
|
ГОСТ
9533-81
|
10
|
|
Разравнивание раствора
|
|
Молоток-кирочка
|
ГОСТ
11042-83
|
10
|
|
Сколка и тёска кирпичей
|
|
Отвес строительный
|
ОТ-400 ГОСТ
7948-80
|
10
|
|
Проверка
вертикальности кирпичной кладки стен
|
|
Уровень строительный
|
УС I-300 ГОСТ 9416-83
|
5
|
|
Проверка
горизонтальности кирпичной кладки
|
|
Рейка-порядовка
|
Р.ч. 3293.09.000 ЦНИИОМТП
|
5
|
|
Проверка
прямолинейности рядов кладки
|
|
Правило
|
ГОСТ
25782-83*
|
5
|
|
Проверка
правильности кирпичной кладки
|
|
Рулетка
|
ЗПК 2-30-АНТ/1 ГОСТ
7502-80
|
5
|
|
Разметка осей
здания
|
|
Лопата растворная
|
ЛР ГОСТ 3620-76
|
5
|
|
Расстилка
раствора
|
|
Линейка измерительная
|
ГОСТ
427-75
|
5
|
|
Разметка
проёмов, толщины стен кирпичной кладки
|
|
Лом монтажный
|
ЛМ-24 ГОСТ
1405-83
|
2
|
|
Рихтовка
элементов
|
|
Шнур причальный
|
ГОСТ
18408-73*
|
2
|
|
Обеспечение горизонтальности рядов
кладки
|
|
Скобы причальные
|
Р.ч. 240.241.00 ПТИОМЭС
|
10
|
|
Зачаливание
шнура при кладки стен
|
|
Угольник для каменных работ
|
Р.ч. 362.00.000 ПТИОМЭС
|
2
|
|
Проверка углов
|
|
Ножовка по дереву
|
ГОСТ
26215-84
|
3
|
|
Плотничные
работы
|
|
Каска строительная
|
ГОСТ
12.4.087-84
|
16
|
|
Безопасность
работ
|
|
Пояс монтажный
|
ГОСТ
12.4.089-80
|
16
|
|
То же
|
Потребность в материалах и полуфабрикатах
для выполнения работ по кирпичной кладке внутренних стен из расчета на 100 м3
приводится в табл. 6.
Таблица 6
|
Наименование материала, полуфабриката,
конструкции (марка, ГОСТ)
|
Вариант (фасет-код)
|
Исходные данный
|
Потребное количество
|
|
Единица измерения по нормам (чертежам)
|
Объём работ в нормативных единицах
|
Принятая норма расхода материалов на
единицу измерения
|
|
Кирпич по ГОСТ 379-79
|
05-2
|
м3
|
100
|
0,395 тыс.
шт.
|
39,5
|
|
Раствор
цементный
|
10-2
|
м3
|
100
|
0,234 м3
|
23,4
|
Работы
по кирпичной кладке внутренних стен выполняют с соблюдением СНиП III-4-80 «Техника
безопасности в строительстве». Необходимо пользоваться инструкциями по
эксплуатации применяемых машин и оборудования.
Уровень
кладки после каждого перемещения подмостей должен быть не менее чем на 0,7 м
выше уровня рабочего настила или перекрытия.
При
перемещении и подаче на рабочее место грузоподъёмными кранами кирпича следует
применять поддоны, контейнеры и грузозахватные устройства, исключающие падение
груза при подъёме.
Нормативные затраты труда
рабочих, чел.-ч 395,65
Нормативные затраты
машинного времени, маш.-ч 32,1
Заработная плата рабочих,
р.-к. 273-53
Заработная плата
механизаторов, р.-к. 28-67
Продолжительность
выполнения работ, смена 3,9
Выработка на одного
рабочего в смену, м 2,56
ФАСЕТ
01
Кладка
стен из кирпича
|
Наименование фактора
|
Обоснование
|
Код
|
Значение фактора
|
|
Кладка из
обыкновенного кирпича
|
ЕНиР, § Е3-3
|
1
|
По калькуляции
|
|
Кладка из
модульного кирпича
|
ЕНиР, Е3-3,
ТЧ-2
|
2
|
Н. вр. и расц.
умножать на 0,9
|
|
Кладка из
облегчённого кирпича
|
ЕНиР, § Е3-3,
ТЧ-3
|
3
|
Н. вр. и расц.
умножать на 0,9
|
ФАСЕТ
02
Кладочные растворы
|
Наименование фактора
|
Обоснование
|
Код
|
Значение фактора
|
|
Цементный
раствор
|
ЕНиР, § Е3-3
|
1
|
По калькуляции
|
|
Известковый
или известково-цементный
|
ЕНиР, § Е3-3,
ТЧ-6
|
2
|
Н. вр. и расц.
умножать на 0,87
|
ФАСЕТ
03
Высота от уровня земли
|
Наименование фактора
|
Обоснование
|
Код
|
Значение фактора
|
|
Высота до:
|
|
|
|
|
15 м
|
ЕНиР, § Е3-3, ТЧ п. 17
|
1
|
По калькуляции
|
|
24 м
|
То же
|
2
|
Н. вр. и расц.
умножать на 1,045
|
|
25 м
|
"
|
3
|
Н. вр. и расц.
умножать на 1,05
|
|
26 м
|
"
|
4
|
Н. вр. и расц.
умножать на 1,055
|
|
27 м
|
"
|
5
|
Н. вр. и расц.
умножать на 1,06
|
ФАСЕТ
04
Толщина стен в кирпичах
|
Наименование фактора
|
Обоснование
|
Код
|
Значение фактора
|
|
Толщина стен в 1 кирпич
|
ЕНиР,
§ Е3-3, т. 3, п. 1б
|
1
|
Н. вр. и расц. умножать на 1,16
|
|
То же, в 1,5 кирпича
|
ЕНиР,
§ Е3-3, т. 3, п. 3б
|
2
|
По калькуляции
|
|
То же, в 2 кирпича
|
ЕНиР,
§ ЕЗ-3, т. 3, п. 5б
|
3
|
Н. вр. и расц. умножать на 0,87
|
|
То же, в 2,5 кирпича
|
ЕИиР,
§ Е3-3, т. 3, п. 7б
|
4
|
Н. вр. и расц. умножать на 0,78
|
|
То же, в 3 кирпича
|
ЕНиР,
§ Е3-3, т. 3, п. 9б
|
5
|
Н. вр. и расц. умножать на 0,69
|
ФАСЕТ
05
Расход одинарного полнотелого кирпича на
1 м3 кладки, тыс. шт.
|
Наименование
фактора
|
Обоснование
|
Код
|
Значения фактора
|
|
Толщина стен в 1 кирпич
|
Общие производственные нормы расхода...
Сб. 04, табл. 012
|
1
|
0,400
|
|
То же, в 1,5 кирпича
|
То же
|
2
|
0,395
|
|
То же, в 2 кирпича
|
"
|
3
|
0,394
|
|
То же, в 2,5 кирпича
|
"
|
4
|
0,392
|
|
То же, в 3 кирпича
|
"
|
5
|
0,390
|
ФАСЕТ
06
Расход одинарного пустотелого кирпича на
1 м3 кладки, тыс. шт.
|
Наименование фактора
|
Обоснование
|
Код
|
Значение фактора
|
|
Толщина стен в 1 кирпич
|
Общие производственные нормы расхода...
Сб. 04, табл. 013
|
1
|
0,400
|
|
То же, в 1,5 кирпича
|
То же
|
2
|
0,395
|
|
То же, в 2 кирпича
|
"
|
3
|
0,394
|
|
То же, в 2,5 кирпича
|
"
|
4
|
0,392
|
|
То же, в 3 кирпича
|
"
|
5
|
0,390
|
ФАСЕТ
07
Расход модульного кирпича на 1 м3
кладки, тыс. шт.
|
Наименование
фактора
|
Обоснование
|
Код
|
Значение фактора
|
|
Толщина стен в 1 кирпич
|
Общие производственные нормы расхода...
Сб. 04, табл. 014
|
1
|
0,300
|
|
То же, в 1,5 кирпича
|
То
же
|
2
|
0,296
|
|
То же, в 2 кирпича
|
"
|
3
|
0,294
|
|
То же, в 2,5 кирпича
|
"
|
4
|
0,292
|
|
То же, в 3 кирпича
|
"
|
5
|
0,290
|
ФАСЕТ
08
Расход 8-дырчатого кирпича по ГОСТ
7484-69 на 1 м3 кладки, тыс. шт.
|
Наименование
фактора
|
Обоснование
|
Код
|
Значение фактора
|
|
Толщина стен в 1 кирпич
|
Общие производственные нормы расхода...
Сб. 04, табл. 014.01
|
1
|
0,395
|
|
То же, в 2 кирпича
|
То
же
|
2
|
0,394
|
|
То же, в 2,5 кирпича
|
"
|
3
|
0,392
|
ФАСЕТ
09
Расход 16-щелевого кирпича по ГОСТ
7484-69 на 1 м3 кладки, тыс. шт.
|
Наименование
фактора
|
Обоснование
|
Код
|
Значение фактора
|
|
Толщина стен в 1 кирпич
|
Общие производственные нормы расхода...
Сб. 04, табл. 014.02
|
1
|
0,395
|
|
То же, в 2 кирпича
|
То
же
|
2
|
0,394
|
|
То же, в 2,5 кирпича
|
"
|
3
|
0,392
|
ФАСЕТ
10
Расход раствора на 1 м3 кладки
из одинарного полнотелого кирпича, м3
|
Наименование
фактора
|
Обоснование
|
Код
|
Значение фактора
|
|
Толщина стен в 1 кирпич
|
Общие производственные нормы расхода...
Сб. 04, табл. 012
|
1
|
0,221
|
|
То же, в 1,5 кирпича
|
То
же
|
2
|
0,234
|
|
То же, в 2 кирпича
|
"
|
3
|
0,240
|
|
То же, в 2,5 кирпича
|
"
|
4
|
0,245
|
|
То же, в 3 кирпича
|
"
|
5
|
0,253
|
ФАСЕТ
11
Расход раствора на 1 м3 кладки
из одинарного пустотелого кирпича, м3
|
Наименование
фактора
|
Обоснование
|
Код
|
Значение фактора
|
|
Толщина стен в 1 кирпич
|
Общие производственные нормы расхода...
Сб. 04, табл. 013
|
1
|
0,249
|
|
То же, в 1,5 кирпича
|
То
же
|
2
|
0,264
|
|
То же, в 2 кирпича
|
"
|
3
|
0,271
|
|
То же, в 2,5 кирпича
|
"
|
4
|
0,276
|
|
То же, в 3 кирпича
|
"
|
5
|
0,281
|
ФАСЕТ
12
Расход раствора на 1 м3 кладки
из модульного кирпича, м3
|
Наименование фактора
|
Обоснование
|
Код
|
Значение
фактора
|
|
Толщина стен в 1 кирпич
|
Общие производственные нормы расхода...
Сб. 04, табл. 014
|
1
|
0,205
|
|
То же, в 1,5 кирпича
|
То
же
|
2
|
0,216
|
|
То же, в 2 кирпича
|
"
|
3
|
0,222
|
|
То же, в 2,5 кирпича
|
"
|
4
|
0.227
|
|
То же, в 3
кирпича
|
"
|
5
|
0,232
|
ФАСЕТ
13
Расход раствора на 1 м3 кладки
из 8-дырчатого кирпича, м3
|
Наименование
фактора
|
Обоснование
|
Код
|
Значение фактора
|
|
Толщина стен в 1,5 кирпича
|
Общие производственные нормы расхода...
Сб. 04, табл. 014.01
|
1
|
0,243
|
|
То же, в 2 кирпича
|
То
же
|
2
|
0,249
|
|
То же, в 2,5 кирпича
|
"
|
3
|
0,254
|
ФАСЕТ
14
Расход раствора на 1 м3 кладки
из 16-щелевого кирпича, м3
|
Наименование
фактора
|
Обоснование
|
Код
|
Значение фактора
|
|
Толщина стен в 1,5 кирпича
|
Общие производственные нормы расхода...
Сб. 04, табл. 013.02
|
1
|
0,311
|
|
То же, в 2 кирпича
|
То
же
|
2
|
0,323
|
|
То же, в 2,5 кирпича
|
"
|
3
|
0,325
|
ФАСЕТ
15
Стоимость 1 маш.-ч работы монтажного
крана, руб.
|
Наименование
фактора
|
Обоснование
|
Код
|
Значение фактора
|
|
Кран башенный грузоподъёмностью 5 т
|
СНиП IV-3-82 Приложение.
Сб. сметных цен...
|
1
|
3,58
|
|
То же, 5,5 - 8 т
|
То
же
|
2
|
4,59
|
|
Кран гусеничный грузоподъёмностью 16 т
|
"
|
3
|
5,64
|
ФАСЕТ
16
Стоимость 1 маш.-ч работы монтажных
механизмов и приспособлений, руб.
|
Наименование
фактора
|
Обоснование
|
Код
|
Значение фактора
|
|
Установка для подачи раствора
|
СНиП IV-3-82 Приложение.
Сб. сметных цен...
|
1
|
1,18
|
|
Бункер для подачи раствора
|
То же
|
2
|
0,09
|
Примечание. Рамкой обведены в таблицах значения
факторов, на которые рассчитаны показатели в данной технологической карте.
СОДЕРЖАНИЕ
| |
|