//
ТехЛит.ру
- крупнейшая бесплатная электронная интернет библиотека для "технически умных" людей.
WWW.TEHLIT.RU - ТЕХНИЧЕСКАЯ ЛИТЕРАТУРА

:: Алготрейдинг::


АЛГОТРЕЙДИНГ
шаг за шагом
с нуля по урокам!

Торговые роботы на PYTHON, BackTrader,
Pandas, Pine Script для TradingView. Связка с брокерами, телеграм и легкими приложениями.


МИНИСТЕРСТВО ЭНЕРГЕТИКИ И ЭЛЕКТРИФИКАЦИИ СССР

ГЛАВНОЕ ТЕХНИЧЕСКОЕ УПРАВЛЕНИЕ ПО СТРОИТЕЛЬСТВУ
И
СТРОИТЕЛЬНОЙ ИНДУСТРИИ

ВСЕСОЮЗНЫЙ ИНСТИТУТ ПО ПРОЕКТИРОВАНИЮ
ОРГАНИЗАЦИИ ЭНЕРГЕТИЧЕСКОГО СТРОИТЕЛЬСТВА
«ОРГЭНЕРГОСТРОЙ»
ОДЕССКИЙ ФИЛИАЛ

Утверждена решением Главного

технического управления по

строительству и стройиндустрии

№ 86 от 16.03.87

ТЕХНОЛОГИЧЕСКАЯ КАРТА
МОНТАЖА ВЫКЛЮЧАТЕЛЕЙ СЕРИИ ВН
В
НА НАПРЯЖЕНИЕ 330, 500 и 750 кВ

Москва - 1988

1. ВВЕДЕНИЕ

Технологическая карта монтажа воздушных выключателей серии ВНВ на напряжение 330, 500 и 750 кВ содержит указания по организации и технологии монтажа, перечень механизмов, инструментов и приспособлений, сведения о затратах материалов, калькуляции трудовых затрат, графики производства работ и потребности рабочих.

Выключатели предназначены для коммутационных операций (включений и отключений) в нормальных и аварийных режимах электрических сетей переменного тока частотой 50 Гц при номинальном напряжении соответственно 330, 500 и 750 кВ и токе отключения 40 кА.

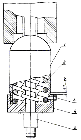
Выключатель состоит из трех одинаковых полюсов, механически не связанных друг с другом, и общего распределительного шкафа. Полюс выключателя (рис. 1 - 3) состоит из резервуара, шкафа управлений, двух (ВНВ-330, ВНВ-500) или трех (ВНВ-750) колонок опорных изоляторов с растяжками (ВНВ-500 и ВНВ-750) и дугогасительных устройств (модулей) с высоковольтными конденсаторами. Полюса пневматически и электрически связаны с распределительным шкафом, который связан с воздухораспределительной магистралью и внешней схемой вторичной коммутации. Связь полюсов с ошиновкой распределительного устройства осуществляется через линейные выводы.

2. ОБЛАСТЬ ПРИМЕНЕНИЯ

Технологическая карта предназначена для использования при организации и производстве монтажа выключателей серии ВНВ на напряжение 330, 500 и 750 кВ.

В карте принято, что работы, связанные с монтажом выключателей, производятся непосредственно на монтажной площадке, у места их установки. Заготовку воздухопроводов из медных труб следует производить в мастерской.

Указания по выполнению монтажных работ даны для одного полюса, остальные монтируются аналогично.

Калькуляции трудовых затрат и графики монтажа приведены для трех полюсов выключателя.

Полюс выключателя ВНВ-330 кВ

Рис. 1

1 - подвод сжатого воздуха; 2 - резервуар; 3 - шкаф управления; 4 - болт заземления М10; 5, 10, 11 - экраны; 6 - болт заземления М16; 7 - подъемное ушко; 8 - конденсатор (1100 пФ); 9 - колонка опорных изоляторов; 12 - конденсатор (1400 пФ); 13 - дугогасительное устройство.

Полюс выключателя ВНВ-500 кВ

Рис. 2

1 - подвод сжатого воздуха; 2 - резервуар: 3 - шкаф управления; 4 - болт заземления М10; 5 - конденсатор (1400 пФ); 6 - болт заземления М16; 7 - рама; 8 - растяжка; 9 - колонка опорных изоляторов; 10, 11, 15 - экраны; 12 - конденсатор (1600 пф); 13 - дугогасительное устройство; 14 - подъемное ушко.

Полюс выключателя ВНВ-750 кВ

Рис. 3

1 - подвод сжатого воздуха; 2 - резервуар; 3 - шкаф управления; 4 - болт заземления М10; 5, 7 - рама; 6 - болт заземления М16; 8 - растяжки; 9 - колонка опорных изоляторов; 10, 11, 16 - экраны; 12 - конденсатор (1400 пФ); 13 - дугогасительное устройство; 14 - подъемное ушко; 15 - конденсатор (1100 пФ); 17 - пояс жесткости.

3. ТЕХНИКО-ЭКОНОМИЧЕСКИЕ ПОКАЗАТЕЛИ МОНТАЖА

(1 группа - 3 полюса)

Наименование

Количество

ВНВ-330

ВНВ-500

ВНВ-750

Трудоемкость работ, чел.-день

77,1

85,2

139,7

Продолжительность работ, рабоч. день

19

22,2

26

Среднее количество занятых на монтаже рабочих, чел.

4

4

5

Максимальная потребляемая мощность, кВА

32

32

32

Работа автокрана, маш.-смена:

 

 

 

грузоподъемностью 16 т

-

-

15

грузоподъемностью 10 т

11,5

13

-

грузоподъемностью 6,3 т

4,4

5

7

Работа автогидроподъемника АГП-22, маш.-смена

11

13

15

4. ОСНОВНЫЕ УКАЗАНИЯ ПО МОНТАЖУ

4.1. Общие указания

4.1.1. К началу монтажных работ на территории ОРУ должны быть выполнены:

автодороги к месту установки выключателей;

фундаменты и опорные конструкции под выключатели, а также планировка прилегающей к ним территории;

площадка с твердым покрытием или настил для установки опорных изоляторов и модулей перед монтажом;

кабельные каналы и каналы для воздухопроводов;

компрессорная установка, обеспечивающая сжатым воздухом с номинальным давлением 4 МПа (40 кгс/см2), а также блок очистки сжатого воздуха до требуемой влажности. Сжатый воздух должен иметь температуру точки росы не выше минус 40 °С при положительной температуре окружающего воздуха и не выше минус 50 °С при отрицательной;

воздухопровод между компрессорной установкой и распределительным шкафом;

силовая сеть 380/220 В;

грозозащита ОРУ и заземляющее устройство.

4.1.2. Узлы и детали воздушного выключателя, кроме резервуара и рам, поступают на монтажную площадку в деревянных ящиках. Во избежание поломок ящиков при подъеме краном необходимо, чтобы стропы образовывали с горизонтальной плоскостью крышки ящика угол не менее 45°.

4.1.3. До монтажа сборочные единицы выключателя должны храниться в транспортной таре под навесом не более 24 месяцев. Допускается хранение выключателя в течение не более одного месяца на открытых площадках.

4.1.4. При получении выключателя необходимо проверить наличие полного комплекта поставки, количество мест, состояние упаковки, сохранность груза, наличие пломб на шкафах управления и соответствие маркировки заказу.

В случае повреждения упаковки дугогасительного устройства, негерметичности заглушек, а также при нарушении условий хранения выключателя, необходимо перед монтажом произвести ревизию узлов выключателя.

В калькуляцию трудовых затрат и график производства работ ревизия узлов выключателя не включена.

Непосредственно перед монтажом вскрыть упаковку, осмотреть все узлы и по результатам осмотра составить акт в присутствии представителя завода.

При неблагоприятных погодных условиях необходимо тщательно оберегать внутренние полости монтируемых узлов выключателя от загрязнения. Не рекомендуется оставлять открытыми отверстия изоляторов, труб и т.д. при перерывах в монтаже. Их следует закрывать полиэтиленовой пленкой.

4.1.5. Непосредственно перед монтажом узлов выключателя необходимо снять транспортные заглушки и произвести расконсервацию деталей и сборочных единиц - удалить старую смазку салфетками, не оставляющими ворса, смоченными бензином Б-70 или уайт-спиритом. Изоляторы снаружи протереть салфетками, смоченными водой, высушить, затем протереть салфетками, смоченными бензином Б-70. Соединяемые поверхности фланцев протереть салфетками, смоченными бензином. Уплотнительные кольца и места их установки смазать тонким слоем смазки ЦИАТИМ-221. Контактные поверхности промыть бензином Б-70 и смазать тонким слоем смазки ЦИАТИМ-221. Открытые полости до завершения монтажа закрыть плотной пылевлагонепроницаемой пленкой.

4.1.6. При сборке выключателя необходимо строго придерживаться заводской маркировки элементов выключателя.

Маркировка дугогасительных устройств, изоляционных вертикальных тяг, фланцев патрубков резервуаров и переходных фланцев под опорными колонками состоит из цифр, проставляемых через тире: 1-ая обозначает номер выключателя, 2я (1, 2 и 3) - номер полюса, 3-я - номер опорной колонки полюса (считая слева направо со стороны дверцы шкафа управления с товарным знаком).

Изоляторы опорных колонок маркируются дополнительно четвертой цифрой, означающей порядковый номер изолятора в колонке, начиная снизу. Маркировка нанесена на верхней юбке изолятора. Кроме цифровой маркировки на фланцах опорных изоляторов имеется маркировочная линия, которую следует совмещать при монтаже опорных колонок.

4.1.7. При ревизии и осмотре дугогасительных устройств запрещается одновременное отведение обоих вводов.

4.1.8. Монтаж выключателя должен осуществляться в соответствии с требованиями заводской инструкции по монтажу и эксплуатации и настоящей картой.

4.2. Подготовительные работы

4.2.1. Приемка от строителей опорных конструкций под выключатель. Выверка проектных горизонтальных и вертикальных осей и отметок нивелиром и отвесом. Отклонение отметки верха стойки не должно превышать ±15 мм, отклонение от вертикали - 1:100 ее высоты.

Приемка оформляется актом, подписанным представителями заказчика, строительной и электромонтажной организаций.

4.2.2. Уточнение рабочего графика производства работ в соответствии с технологической картой.

Ознакомление электромонтажников с технической документацией, объемом работ и принятой технологией.

4.2.3. Подготовка деревянного настила для установки сборочных единиц.

4.2.4. Доставка на монтажную площадку монтажных механизмов, оборудования, инвентарных устройств и размещение их в соответствии со схемой, приведенной на рис. 4 - 6.

4.2.5. Механические испытания опорных изоляторов на изгиб (рис. 16) в соответствии с инструкцией.

4.2.6. Инструктаж бригады по технике безопасности на рабочих местах ответственным руководителем работ - мастером, прорабом.

4.2.7. Установка на рабочих местах предупредительных плакатов в соответствии с правилами техники безопасности.

4.3. Монтаж распределительного шкафа

4.3.1. Осмотреть внутренние полости шкафа. Проверить внутренние присоединения воздухопроводов, герметизацию всех соединений, подверженных воздействию атмосферных осадков.

4.3.2. Сдать в лабораторию для проверки электроконтактные манометры. Установить манометры после проверки.

4.3.3. Застропить распределительный шкаф за скобы (строп 4СК-1,0/Рт1-1,0/К1-0,4/2000), расположенные на крышке шкафа, поднять и установить его на опорную конструкцию и закрепить. Подсоединить шину заземления к болту.

4.3.4. Подсоединить распределительный шкаф к воздухораспределительной сети ОРУ, предварительно убедиться в чистоте поступающего воздуха с помощью белой плотной ткани, намотанной на время проверки в несколько слоев на конец трубы, подводящей сжатый воздух к распределительному шкафу. Следы масла, грязи, пыли, ржавчины на ткани недопустимы. Продувка труб проводится небольшим избыточным давлением в течение 3 - 5 минут.

4.4. Монтаж воздухопроводов распределительной сети выключателя

4.4.1. Разметить места установки опорных конструкций под медные воздухопроводы, установить и приварить опорные конструкции под воздухопроводы.

4.4.2. Проложить заготовленные в монтажно-заготовительной мастерской элементы воздухопроводов по опорным конструкциям, сварить трубы, очистить швы от окалины (в качестве припоя рекомендуется ЛОК 59-1-0,3, ГОСТ 16130-72).

4.4.3. Промыть воздухопроводы бензином Б-70.

4.4.4. Продуть смонтированные воздухопроводы сухим сжатым воздухом.

План размещения оборудования и монтажных механизмов для монтажа выключателя ВНВ-330 кВ

Рис. 4

1 - площадка для разгрузки и укрупнительной сборки; 2 - дугогасительное устройство; 3 - конденсаторы в упаковке; 4 - опорные изоляторы в упаковке; 5 - инвентарный столик; 6 - опорные конструкции; 7 - шкаф управления; 8 - резервуар; 9 - автокран СМК-10; 10 - гидравлический подъемник АГП-22; 11 - шкаф распределительный.

План размещения оборудования и монтажных механизмов для монтажа выключателя ВНВ-500 кВ

Рис. 5

1 - площадка для разгрузки и укрупнительной сборки; 2 - дугогасительное устройство; 3 - конденсаторы в упаковке; 4 - опорные изоляторы в упаковке; 5 - изоляторы растяжек в упаковке; 6 - инвентарный столик; 7 - резервуар; 8 - рама; 9 - шкаф управления; 10 - опорные конструкции; 11 - автокран СМК-10; 12 - гидравлический подъемник АГП-22; 13 - шкаф распределительный.

План размещения оборудования и монтажных механизмов для монтажа выключателя ВНВ-750 кВ

Рис. 6

1 - площадка для разгрузки и укрупнительной сборки; 2 - дугогасительное устройство: 3 - конденсаторы: 4 - опорные изоляторы; 5 - изоляторы растяжек; 6 - инвентарный столик; 7 - резервуар; 8 - рама; 9 - шкаф управления; 10 - опорные конструкции; 11 - автокран К-162; 12 - гидравлический подъемник АГП-22.

4.4.5. Присоединить воздухопроводы к распределительному шкафу.

4.4.6. Проверить чистоту поступающего воздуха в соответствии с пунктом 4.3.4. и заглушить трубы до окончания монтажа собственно выключателя.

4.4.7. Перед первым наполнением резервуаров выключателя сжатым воздухом воздухопроводы на участках от магистрали до распределительного шкафа и от распределительного шкафа до шкафов управления необходимо продуть сжатым воздухом в атмосферу.

4.5. Установка резервуара

4.5.1. Установить на землю между фундаментными стойками шкаф управления выключателя (строп 4СК-1,0/Рт1-1,0/К1-0,4/5000).

4.5.2. Установить рамы ВНВ-500 и ВНВ-750 (стропы УСК1-0,5/4000) на настил из досок. Поднять резервуар, стропы УСК1-2,5/17000 (ВНВ-750) и УСК1-1,6/8500 (ВНВ-500), установить на рамы, соединить их между собой болтами.

4.5.3. Резервуар для ВНВ-330 установить на фундамент (рис. 7). Поднять резервуар с рамами - для ВНВ-500 и ВНВ-750 - и установить на фундамент (рис. 8 и 9).

4.5.4. С помощью стальных прокладок, устанавливаемых между фундаментом и рамой (для ВНВ-330 между фундаментом и стойками резервуара), добиться горизонтальности верхних плит стоек резервуара, проверить по уровню. Закрепить рамы на фундаментах с помощью шпилек. Прокладки приварить к фундаментным стойкам.

4.5.5. Заземлить резервуар с помощью имеющихся на стойках болтов заземления.

4.5.6. Снять крышки и заглушки с фланцев резервуара. Застропить (строп 4СК-1,0/Рт1-1,0/К1-0,4/5000) шкаф управления за скобы (рис. 10) на крышке шкафа. Поднять и подсоединить его к резервуару с помощью шпилек. Заземлить с помощью болта. Проверить размеры хода поршня пневматического привода. Для выключателей ВНВ-330 и ВНВ-500 он должен быть 59±2, а для ВНВ-750 - 64±2 мм.

4.5.7. Подсоединить горизонтальные металлические тяги к рычагам центрального и угловых механизмов с помощью осей и зафиксировать их планками. Места соединения и трущиеся детали смазать графитовой смазкой (на пять весовых частей смазки ЦИАТИМ-221 - две весовые части кристаллического графита, ГОСТ 5420-74). Закрыть люки резервуара крышками и заглушками.

Установка резервуара ВНВ-330

Рис. 7

1 - опора; 2 - шкаф управления; 3 - резервуар; 4 - строп УСК1-1,6/8500.

Установка резервуара с рамами ВНВ-500

Рис. 8

1 - опора; 2 - шкаф управления; 3 - рама; 4 - резервуар; 5 - строп УСК1-1,6/8500.

Установка резервуара с рамами ВНВ-750.

Рис. 9

1 - опора; 2 - шкаф управления; 3 - рама; 4 - резервуар; 5 - строп УСК1-1,6/8500.

Установка шкафа управления

Рис. 10

1 - опора; 2 - рама; 3 - резервуар; 4 - строп 4СК-1,6/Рт1-1,0/К1-0,5/5000; 5 - шкаф управления.

4.5.8. Подсоединить воздухопроводы.

4.6. Монтаж опорных колонок

4.6.1. Установить на верхние плиты стоек резервуара втулку и фланец с уплотнениями.

4.6.2. Собрать опорную колонку изоляторов методом подращивания, использовать приспособление для подъема изоляторов (поставляется заводом-изготовителем), начинать с верхнего изолятора для выключателей ВНВ-330 и ВНВ-500 (рис. 11 и 12) и с третьего сверху - для ВНВ-750 (рис. 13), с одновременной сборкой растяжек и пояса жесткости (для ВНВ-750). При сборке совместить маркировочные линии на фланцах изоляторов и соблюдать заводскую маркировку.

Сборка опорной колонки и установка дугогасительного устройства ВНВ-330 кВ

Рис. 11

А, Б, В, Г - последовательность сборки; 1 - настил из досок; 2 - изолятор опорной колонки; 3 - приспособление для подъема изоляторов; 4 - строп 1СК-1,6/0-1,61-1,6/1400; 5 - дугогасительное устройство; 6 - строп 2СК-3,2/Рт1-3,2/К1-2,5/1400.

Сборка опорной колонки и установка дугогасительного устройства ВНВ-500 кВ

Рис. 12

А, Б, В, Г, Д, Е - последовательность сборки; 1 - настил из досок; 2 - изолятор опорной колонки; 3 - приспособление для подъема изоляторов; 4 - строп 1СК-2,5/0-2,5/К-2,5/1400; 5 - изолятор растяжки; 6 - приспособление для предохранения изолятора; 7 - жгут из ткани; 8 - дугогасительное устройство; 9 - строп 2СК-3,2/Рт1-3,2/К1-2,5/1400.

Сборка опорной колонки и установка дугогасительного устройства ВНВ-750 кВ

Рис. 13

А, Б, В, Г, Д, Е, Ж, З - последовательность сборки; 1 - настил из досок; 2 - изолятор опорной колонки; 3 - изолятор растяжки; 4 - приспособление для подъема изоляторов; 5 - приспособление для предохранения изолятора; 6 - строп 1СК-2,5/0-2,5/К1-2,5/1400; 7 - дугогасительное устройство; 8 - строп 2СК-3,2/Рт1-3,2/К1-2,5/1400; 9 - жгут из ткани.

При подсоединении изолятора растяжки предварительно установить приспособление (см. рис. 17) для предотвращения повреждений фарфора изоляторов при подъеме опорной колонки. После подсоединения первого изолятора растяжки подращивается следующий опорный изолятор, предварительно подмотать жгут ткани (ВНВ-500), и подсоединить вторые изоляторы каждой растяжки. Растяжки внизу связать капроновым канатом.

На ВНВ-330 растяжки отсутствуют.

Для ВНВ-750 между вторым и третьим изоляторами растяжки устанавливается пояс жесткости и подматывается жгут ткани при установке четвертых изоляторов растяжек.

4.6.3. Собранную колонку вместе с растяжками установить на стойку резервуара.

4.6.4. Проверить по теодолиту отклонение опорной колонки изоляторов от вертикали по кромке фланца опорного изолятора. Оно не должно превышать для выключателей ВНВ-330 и ВНВ-500 - 15, для ВНВ-750 - 20 мм.

4.6.5. Протереть внутренние и наружные поверхности стеклопластиковых труб (воздухопроводов) салфетками, смоченными этиловым спиртом.

4.6.6. Поднять и установить с автогидроподъемника внутрь опорных колонок воздухопроводы, длинной проточкой вниз. Посадочные места предварительно смазать тонким слоем смазки ЦИАТИМ-221. Эту операцию проводить осторожно и тщательно с тем, чтобы не повредить посадочные поверхности воздухопроводов и резиновые уплотнения в нижней втулке.

В выключателе ВНВ-750 состыковать верхнюю часть воздухопровода (меньшей длины) с уже установленным узлом. Конец воздухопровода с короткой проточкой должен быть снизу. Установить и закрепить два верхних изолятора. Наведение изоляторов на установленный воздухопровод и их посадку необходимо производить с особой осторожностью.

4.6.7. Собрать верхний узел опорной колонки, смазать посадочные поверхности воздухопровода и резиновые уплотнения смазкой ЦИАТИМ-221.

4.6.8. Закрепить на рамах и натянуть растяжки (при их наличии), контролировать зазор (рис. 14) плоским стандартным щупом. Величина его определяется так полусумма максимального и минимального зазоров, замеренных в диаметрально противоположных точках.

4.6.9. Аналогично собрать и установить остальные колонки.

4.6.10. Произвести полную сборку тяг управления (для ВНВ-750). Протереть салфеткой, смоченной этиловым спиртом, стеклопластиковые тяги и с автогидроподъемника вставить осторожно их внутрь воздухопроводов. Верхний конец тяги прикрепить к фланцу изоляторов с помощью шпагата или киперной ленты. Во избежание попадания пыли или влаги верхние фланцы опорных изоляторов закрыть полиэтиленовой пленкой до установки дугогасительного устройства.

4.6.11. Надеть на опорную колонку экран, опустить его до уровня растяжек (при их наличии).

4.7. Монтаж дугогасительных устройств

4.7.1. Застропить (строп 2СК-3,2/Рт1-3,2/К1-2,5/1400), поднять и установить дугогасительное устройство (рис. 15) на монтажный стол (рис. 18).

4.7.2. Контактные поверхности шин, конденсаторов, дугогасительных устройств промыть бензином Б-70, места подсоединения контактных выводов смазать тонким слоем смазки ЦИАТИМ-221. Фарфор вводов и конденсаторов протереть влажной салфеткой, затем уайт-спиритом.

4.7.3. Проверить tgσ и величину емкости конденсаторов (выполняется группой наладки). Закрепить на конденсаторах стойки. Установить на фланцах ввода дугогасительного устройства стойку к швеллеру для крепления конденсаторов. Застропить конденсатор около металлической арматуры двумя мягкими стропами и установить его на дугогасительное устройство. Соединить стойки на дугогасительном устройстве и на конденсаторе между собой. Установить шину между конденсаторами и фланцами дугогасительного устройства, кожухи на конденсаторах и контактные выводы.

Установить и закрепить экраны вводов.

Узел крепления растяжки

Рис. 14

1 - стакан; 2 - пружина; 3 - болт; 4 - нажимной фланец; 5 - гайка.

Монтаж узлов и деталей, комплектующих дугогасительное устройство

Рис. 15

1 - канат капроновый, Ø 16 мм; 2 - экран гасительного устройства; 3 - конденсатор; 4 - стол монтажный; 5 - дугогасительное устройство.

4.7.4. Проверить электрическое сопротивление дугогасительного устройства.

4.7.5. Открыть смотровые люки. Из корпуса дугогасительного устройства убрать мешочки с силикагелем и закрыть смотровые люки.

4.7.6. Установить и закрепить на опорной колонке приспособление для монтажа дугогасительного устройства (рис. 19).

4.7.7. Застропить дугогасительное устройство (строп 2СК-3,2/Рт1-3,2/К1-2,5/1400 мм), поднять, установить и закрепить на приспособлении для его монтажа. Подсоединить верхний конец собранной изоляционной тяги к штоку дугогасительного устройства. Трущиеся поверхности осей смазать тонким слоем смазки ЦИАТИМ-221.

4.7.8. Освободить от крепления дугогасительное устройство и приспособление, приподнять дугогасительное устройство и снять приспособление.

4.7.9. Установить и закрепить на опорной колонке дугогасительное устройство. Угол разворота относительно оси резервуара полюса должен равняться 10°.

Дугогасительное устройство устанавливать с особой осторожностью. Монтажник, работающий в корзине автогидроподъемника, и шарнирная стрела этой машины должны находиться вне рабочей зоны автокрана и контура дугогасительного устройства.

4.7.10. Аналогично собрать и установить остальные дугогасительные устройства полюса.

4.7.11. Открыть люки резервуара и подогнать длину шпилек вертикальных тяг согласно заводской инструкции.

4.7.12. Подсоединить вертикальные тяги к угловым и центральному (ВНВ-750) механизмам. Установить рычаги центрального и угловых механизмов до соприкосновения с упором на расстоянии 52±0,5 мм.

4.7.13. Закрепить на фланце дугогасительного устройства экран (который был предварительно надет на колонку опорных изоляторов).

4.7.14. Аналогично собрать второй и третий полюса выключателя.

4.8. Проверка работы систем сжатого воздуха низкого и высокого давления

4.8.1. Закрыть смотровые люки, подготовить выключатель к подаче сжатого воздуха.

4.8.2. Проверить герметичность соединений воздухопроводов низкого и высокого давления на переток из полости высокого давления в полость низкого давления; отрегулировать полюса выключателя и проверить расход воздуха на утечку. Перечисленные работы выполняются в соответствии с заводской инструкцией.

4.8.3. Установить шины между элементами полюса.

4.9. Заключительные работы

4.9.1. Подкрасить места сварки и детали с поврежденной окраской.

4.9.2. Присоединить выключатель к ошиновке высокого напряжения.

4.9.3. Демонтировать силовой ящик. Убрать механизмы.

5. ТЕХНИКА БЕЗОПАСНОСТИ

5.1. При монтаже выключателей следует соблюдать требования техники безопасности согласно действующим нормам и правилам (приложение 1).

5.2. Перед началом работ мастер или прораб должен провести с электромонтажниками инструктаж на рабочем месте: объяснить задание, способы выполнения намечаемых работ и приемы пользования предохранительными приспособлениями.

5.3. Такелажное оборудование и инвентарь, используемые при монтаже, должны иметь отметки об испытаниях в соответствии с требованиями Госгортехнадзора.

5.4. При монтаже необходимо обращать внимание на состояние и правильную установку подъемных средств и одинаковый натяг всех стропов.

5.5. Подращивание опорной колонки необходимо выполнять с особой осторожностью. При наведении собранной части опорной колонки на подращиваемые изоляторы монтажники должны находиться вне контура монтируемой конструкции со стороны, противоположной подаче краном. При наведении собранной части на подращиваемый изолятор зазор между ними не должен превышать 30 см. Крепление троса за ребра изоляторов не допускается.

5.6. Непосредственно после проверки электрических параметров конденсаторы необходимо разрядить.

5.7. Резервуары полюсов, шкаф управления, распределительный шкаф должны быть заземлены. При работах, связанных непосредственно с дугогасительным устройством, их следует также заземлить за крепежные болты нижнего фланца дугогасительного устройства с помощью инвентарных средств.

5.8. Перед наполнением выключателя сжатым воздухом следует убедиться, что все болты, шпильки, гайки и накидные гайки фланцев и трубок затянуты.

5.9. При проведении работ на выключателе должны быть оставлены открытыми клапаны для спуска воздуха из резервуара, а на ключах и шкафах управления и распределительном шкафу, перекрытых вентилях сжатого воздуха должны быть вывешены плакаты «Не включать!», «Работают люди!».

Категорически запрещается проводить какие-либо работы на выключателе до снятия напряжения с него и до полного сброса сжатого воздуха из резервуаров выключателя, до снятия оперативного тока и напряжения с электронагревателей.

5.10. При первых холостых опробованиях полюса выключателя обслуживавший персонал, в том числе занятый наладкой других полюсов, должен находиться в укрытии (не ближе 50 м от места испытания).

5.11. На период монтажа опасная зона должна быть ограничена радиусом 19 м - для ВНВ-330 и ВНВ-500 кВ и 25 м - для ВНВ-750 кВ - от оси поворотной части крана, ограждена и обозначена хорошо видимыми предупредительными знаками.

6. ПООПЕРАЦИОННЫЙ КОНТРОЛЬ КАЧЕСТВА МОНТАЖА

Наименование

Проверяющий

Состав контроля

Способ контроля

Сроки

1. Установка резервуара с трехлучевыми рамами (для ВНВ-330 - установка резервуара)

Мастер

Горизонтальность установки

Уровень

До монтажа опорных колонок

2. Ход поршня привода пневматического

Мастер

Ход поршня 59±2 мм - для ВНВ-330 и ВНВ-500, 64±2 мм - для ВНВ-750

Метр складной

До подсоединения горизонтальных металлических тяг

3. Монтаж воздухопроводов

Прораб

Чистота поступающего воздуха в распределительный шкаф

Белая плотная ткань в несколько слоев

До подсоединения магистрального воздухопровода к распределительному шкафу

 

Мастер

Герметичность воздухопроводов распределительной сети выключателя

Прослушивание, промывание мест сварки

До проверки собственно выключателя на герметичность

 

Мастер

Чистота поступающего воздуха по распределительной сети выключателя

Белая, плотная ткань в несколько слоев

До подсоединения распределительной сети к выключателю

4. Монтаж опорных колонок

Бригадир

Целость изоляторов и растяжек

Визуально

До сборки опорной колонки

 

Бригадир

Совмещение маркировочных линий на фланцах изоляторов

Визуально

При сборке

 

Бригадир

Соблюдение заводской маркировки при оборке изоляторов

Визуально

При сборке

 

Мастер

Вертикальность установки опорных колонок (отклонение не должно превышать 15 мм для ВНВ-330, 550 кВ и 20 мм - для ВНВ-750)

Теодолит

До установки дугогасительных камер

Для ВНВ-500 и ВНВ-750 кВ

Мастер

Величина зазоров между нажимными фланцами и корпусами натяжных устройств 0,5 - 0,8 м

Щуп

То же

5. Установка рычагов центрального и угловых механизмов

Мастер

Размеры между осями 52±0,5 мм

Шаблон (поставляется с выключателем)

До проверки выключателя на герметичность

6. Герметичность выключателя

Прораб

Пополюсно герметичность полостей, находящихся под высоким давлением, и системы вентиляции

С помощью манометра - по методике завода-изготовителя

До сдачи выключателя в наладку

7. МАТЕРИАЛЬНО-ТЕХНИЧЕСКИЕ РЕСУРСЫ

Таблица 1

7.1. Монтажные механизмы и инвентарь

Наименование

Тип, стандарт

Количество, шт.

Примечание

ВНВ-330

внв-500

ВНВ-750

1. Автокран

К-162 (КС-4561)

-

-

1

Грузоподъемность 16 т, длина стрелы 22 м

2. Автокран

ОМК-10 (КС-3562Б)

1

1

-

Грузоподъемность 10 т, длина стрелы 16 м

3. Автокран

КС-2561Д

1

1

1

Грузоподъемность 6,3 т, длина стрелы 8 м

4. Автогидроподъемник

АГП-22

1

1

1

 

5. Автомашина

МАЗ-507

1

1

1

 

6. Прицеп двухосный

МАЗ-5243

-

-

1

 

7. Трансформатор сварочный

ТД-500

1

1

1

 

8. Электрододержатель с кабелем до 3 м

ЭД3102 VI, ГОСТ 14651-78

1

1

1

 

9. Маска защитная для электросварщика

ГОСТ 12.4.035-78

1

1

1

 

10. Баллон кислородный, 40 л, Р = 150 кг/см2

ГОСТ 949-73

1

1

1

 

11. Баллон ацетиленовый 40 л, Р = 150 кг/см2

ГОСТ 949-73

1

1

1

 

12. Шланг резиновый для кислорода, Р = 4 кг/см2, Ø 12 мм, l = 30 м

ГОСТ 9356-76

1

1

1

 

13. Шланг резиновый для ацетилена, Р = 0,5 кг/см2, Ø 12 мм, l = 30 м

ГОСТ 9356-75

1

1

1

 

14. Вентиль кислородного баллона

ГОСТ 699-76

1

1

1

 

15. Вентиль ацетиленового баллона

То же

1

1

1

 

16. Редуктор кислородный

ГОСТ 6268-78

1

1

1

 

17. Редуктор ацетиленовый

То же

1

1

1

 

18. Горелка ацетиленокислородная средней мощности, Г-3

ГОСТ 1077-79Е

1

1

1

Комплектно с наконечниками № 1 - 7

19. Резак вставной

РГС-70

1

1

1

 

20. Очки защитные

ГОСТ 12.4.013-80

1

1

1

 

21. Строп 4СК-1,0/Рт1-1,0/К1-0,4/2000

ОСТ 34.13.110-80

1

1

1

Для монтажа шкафа распределительного

22. Строп 2СК-3,2/Рт1-3,2/К1-2,5/1400

То же

1

1

1

Для монтажа дугогасительного устройства

23. Строп 4СК-1,0/Рт1-1,0/К1-0,4/5000

-"-

1

1

1

Для монтажа шкафа управления

24. Строп 1СК-1,6/0-1,6/К1-1,6/1400

-"-

1

-

-

Для монтажа колонки опорных изоляторов

25. Строп 1СК-2,5/0-2,5/К1-2,5/1400

-"-

-

1

1

Для монтажа колонки опорных изоляторов

26. Строп УСК1-0,5/4000

-"-

-

3

3

Для монтажа рамы

27. Строп УСК1-1,6/8500

-"-

2

2

-

Для монтажа резервуара

28. Строп УСК/1-2,5/17000

-"-

-

-

2

То же

29. Канат капроновый КК 50 мм, 167 ктекс об×м

гост 10293-77

12

12

20

 

30. Канат капроновый КК 25 мм, 117 ктекс об×м

ГОСТ 10293-77

-

-

20

 

31. Трансформатор понижающий, 220/12 В

ОСВ-0,25

1

1

1

 

32. Приспособление для предохранения фарфора

 

 

1

1

Рис. 17

33. Стол монтажный

 

2

2

3

Рис. 18

34. Приспособление для монтажа дугогасительного устройства

 

1

1

1

Рис. 19

35. Устройство для механического испытания опорных изоляторов

 

1

1

1

Входит в поставку завода (см. рис. 16)

36. Приспособление для подъема изоляторов

 

1

1

1

Входит в поставку завода

37. Динамометр с пределом измерения 15000 Н, не менее

 

1

1

1

 

38. Лестница приставная, 3,5 м

 

1

1

1

 

39. Пояс монтажный

 

2

2

2

 

40. Лампа переносная, 12 В, с шланговым проводом

 

2

2

2

 

41. Строительно-монтажный пистолет

ПЦ84-1

1

1

1

 

42. Аптечка походная

 

1

1

1

 

43. Ведро оцинкованное

 

1

1

2

 

44. Комплект плакатов по технике безопасности

 

1

1

1

 

45. Гидроцилиндр Ц455-1010001

ГОСТ 8755-80

1

1

1

Для механического испытания опорных изоляторов

46. Насосная станция

НСП-400

1

1

1

Тоже

Таблица 2

7.2. Материалы

Наименование

Тип, марка, стандарт

Единица измерения

Количество

Примечание

внв-330

ВНВ-500

ВНВ-750

1. Бензин Б-70

ТУ 38.101913-82

л

15

20

41

 

2. Спирт этиловый, ректификат

ГОСТ 18300-72

То же

6

7

11

 

3. Уайт-спирит

ГОСТ 3134-78

²

3

3

5

 

4. Ветошь, № 625

 

кг

0,75

0,75

1,2

 

5. Бязь х/б

ГОСТ 11680-76

м2

18

24

29

 

6. Смазка ЦИАТИМ-221

ГОСТ 9433-80

кг

1,2

1,3

2,0

 

7. Кислород технический

ГОСТ 5583-78

м3

1,0

1,0

1,5

 

8. Ацетилен

ГОСТ 5457-75,

м3

0,2

0,2

0,3

 

(пропан-бутан)

ГОСТ 20448-80

м3

(0,1)

(0,1)

(0,2)

 

9. Пруток сварочный, ЛОК 59-1-0,3

ГОСТ 16130-72

кг

0,5

0,5

0,8

 

10. Бура

ГОСТ 8429-77

То же

0,1

0,1

0,2

 

11. Лак БТ-577

ГОСТ 5631-79

"

2,0

2,0

3,5

 

12. Графит кристаллический

ГОСТ 5279-74

"

0,8

0,8

1,2

 

13. Мыло хозяйственное

ГОСТ 790-69

"

0,6

0,6

0,9

 

14. Пленка полиэтиленовая

ГОСТ 10354-82

м2

9,0

12,0

18,0

 

15. Шпагат

-

м

18,0

24,0

36,0

 

16. Шкурка шлифовальная

ГОСТ 6456-82

м2

1,2

1,3

2,1

 

17. Сталь полосовая, 30´4 мм

ГОСТ 103-76

кг

11,8

14,0

-

 

18. Сталь, 50´5 мм

ГОСТ 103-76

кг

-

-

8,8

 

19. Дюбель-винт

ДВП М8´70

шт.

15

15

32

 

20. Дюбель-гвоздь

ДГП 4,5´40

То же

9

12

27

 

21. Патроны к пистолету

дз

"

24

27

59

 

22. Наконечники полиэтиленовые

№ 1, Ø 4,4 мм

"

24

27

59

 

23. Гвозди строительные

ГОСТ 4028-63

кг

0,8

0,8

1,5

 

24. Доски, 40 мм

ГОСТ 8486-66

м3

0,5

0,5

0,8

 

25. Труба медная, Ø 36´2 мм

ГОСТ 617-72

м

45

50

46

 

26. Труба медная, Ø 12´1 мм

Тоже

То же

190

220

191

 

27. Переходник для труб М32´2 мм

 

шт.

-

1

1

Поставляется заводом

28. Тройник медный переходной для труб М12´1 мм

 

шт.

-

4

2

То же

29. Шпилька с двумя гайками с нормальными и пружинными шайбами

М36´260

комплект

-

12

12

"

30. Шпилька с двумя гайками с нормальными и пружинными шайбами

М16´85

То же

-

4

4

"

31. Короб металлический кабельный блочный, l = 1000 мм

ККБ-110-0,65/0,6-1

шт.

3

3

3

 

32. Лоток металлический кабельный

Л-400-1

То же

3

3

3

 

33. Скоба для крепления кабеля

С0-30/40

шт.

9

12

33

 

Примечание. Поз. 17 - 22, 25 - 33 подлежат уточнению по конкретному проекту.

Таблица 3

7.3. Инструмент

Наименование

Тип, марка, стандарт, чертеж

Количество, шт.

Примечание

1. Плоскогубцы комбинированные

ГОСТ 5547-75

3

 

2. Отвертки разные:

 

 

 

7810-0309 Кд. хр.,

ГОСТ 17199-71

3

 

7810-0320 Кд. хр.,

То же

3

 

7810-033 Кд. хр.

"

3

 

3. Нож монтерский складной, МН-2

ТУ-36-763-75

4

 

4. Напильник драчевый:

 

 

 

плоский 2820-0023

ГОСТ 1465-80

2

 

круглый 2822-0024

ГОСТ 1465-80

2

 

5. Лом, 1,5 м

ГОСТ 1405-83

1

 

6. Рулетка стальная, 20 м, РЗ-20

ГОСТ 7502-80

1

 

7. Метр складной металлический

 

2

 

8. Молоток слесарный, 7850-0035-Ц12, 500 г

ГОСТ 2310-77

3

 

9. Клещи универсальные

ГОСТ 14184-83

1

 

10. Кувалда, 3 кг

ГОСТ 11401-75

1

 

11. Уровень с микрометрической подачей ампулы, типа 2

ГОСТ 11196-74

1

 

12. Теодолит

ГОСТ 20063-74

1

 

13. Нивелир

 

1

 

14. Отвес стальной строительный типа ОТ-200

ГОСТ 7948-80

2

 

15. Кисть малярная

ГОСТ 10597-80

2

 

16. Зубило слесарное, 20´60, 170 мм

ГОСТ 7211-72

5

 

17. Щетка металлическая

 

3

 

18. Станок ножовочный раздвижной

СНП-ТУ 36-62

2

 

19. Полотно ножовочное

ГОСТ 8645-68

20

 

20. Ключи гаечные, двухсторонние разные, комплект

ГОСТ 2838-80

2

 

21. Мегаомметр М4101/4

 

1

 

22. Щуп

 

1

Для замера зазоров в узлах крепления растяжек

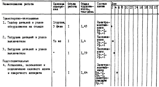
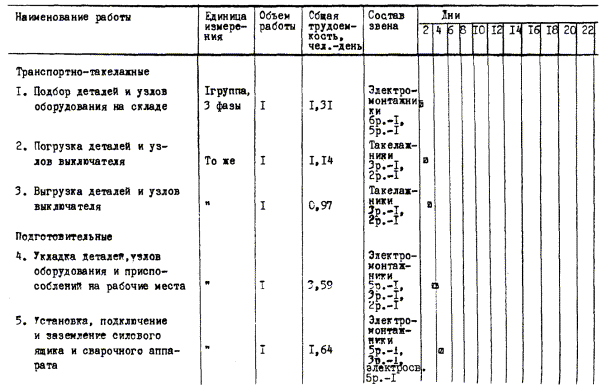
8. ГРАФИКИ МОНТАЖА

8.1. Укрупненный график монтажа ВНВ-330 кВ

8.2. График потребности рабочих

8.3. Пооперационный график монтажа ВНВ-330 кВ

Продолжение графика 8.3

Продолжение графика 8.3

Примечания: 1. Продолжительность смены - 8 ч.

2. Состав звена электромонтажников и их разряд в пооперационном графике указаны в соответствии с ЕНиР, рекомендуемый состав бригады указан в укрупненном графике.

8.4. Укрупненный график монтажа ВНВ-500 кВ

8.5. График потребности рабочих

8.6. Пооперационный график монтажа ВНВ-500 кВ

Продолжение графика 8.6

Продолжение графика 8.6

Примечания: 1. Продолжительность смены - 8 ч.

2. Состав звена электромонтажников и их разряд в пооперационном графике указаны в соответствии с ЕНиР, рекомендуемый состав бригады указан в укрупненном графике.

8.7. Укрупненный график монтажа ВНВ-750 кВ

8.8 График потребности рабочих

8.9. Пооперационный график монтажа ВНВ-750 кВ

Продолжение графика 8.9

Продолжение графика 8.9

Примечания. 1. Продолжительность смены - 6 ч.

2. Состав звена электромонтажников и их разряд в пооперационном графике указаны в соответствии с ЕНиР, рекомендуемый состав бригады указан в укрупненном графике.

9. КАЛЬКУЛЯЦИИ ТРУДОВЫХ ЗАТРАТ

9.1. Калькуляция трудовых затрат на монтаж ВНВ-330 кВ (1 группа - 3 фазы)

ЕНиР

Наименование работы

Единица измерения

Объем работы

Норма времени, чел.-ч

Расценка, руб., коп.

на единицу измерения

на весь объем

на единицу измерения

на весь объем

 

Транспортно-такелажные

 

 

 

 

 

 

1. 24-13, п. 2е

Погрузка автокраном грузоподъемностью 6,3 т деталей и узлов ВНВ-330 до 1 т, требующих особой осторожности

1 т

2,0

0,33

0,66

0-17,3

0-35

2. 24-13, п. 2е, К1 = 1,1

Погрузка автокраном грузоподъемностью 6,3 т деталей и узлов ВНВ-330 более 1 т, требующих особой осторожности

То же

18,1

0,36

6,52

0-19,0

3-44

3. 24-13, п. 5е

Погрузка прочих грузов

1 т

6,7

0,29

1,94

0-15,2

1-01

4. 24-13, 15е

Выгрузка автокраном грузоподъемностью 6,3 т деталей и узлов ВНВ-330 до 1 т, требующих особой осторожности

То же

2,0

0,28

0,56

0-14,7

0-29

5. 24-13, п. 15е, К1 = 1,1

Выгрузка автокраном грузоподъемностью 6,3 т деталей и узлов ВНВ-330 более 1 т, требующих особой осторожности

"

18,1

0,31

5,61

0-16,1

2-91

6. 24-13, п. 18е

Выгрузка прочих грузов

"

6,7

0,24

1,61

0-12,6

0-84

7. 2 % от основных работ

Подбор деталей и узлов оборудования на складе

 

 

10,51

 

 

6-72

 

Итого транспортно-такелажных работ

 

 

27,41

 

 

15-56

 

Подготовительные

 

 

 

 

 

 

8. 1-15,9, применительно

Укладка деталей, узлов оборудования и приспособлений по рабочим местам

1 т

25

1,15

28,75

0-50,4

12-60

9. 23-7-5, табл. 1, п. 1б

Установка силового ящика

1 ящик

1

1,6

1,6

0-93,3

0-93

10. 23-4-6, табл. 3, п.

Прокладка кабеля, питающего силовой ящик

100 м

0,5

8,8

4,4

4-93

2-47

11. 23-7-5, табл. 2, п. 2г

Присоединение проводов к силовому ящику

1 ящик

1

2,3

2,3

1-61

1-61

12. 23-7-5, табл. 1, п. 3г

Подготовка к включению силового ящика

1 ящик

1

0,25

0,25

0-17,6

0-18

13. 23-7-34, табл. 1, п.

Присоединение проводов к сварочному аппарату

100 концов, 10 мм2

0,02

6,3

0,13

3-94

0-08

14. 23-3-51, табл. 1, п. 1а

Прокладка временных шин заземления силового ящика и сварочного аппарата

100 м шин

0,2

8,4

1,68

4-66

0-93

15. 23-3-51, табл. 1, п. 2а, 3а

Сварка стыков шин заземления

100 стыков

0,04

11,6

0,46

6-44

0-26

16. 23-3-51, табл. 1, п. 4а

Присоединение шин заземления к силовому ящику и сварочному аппарату

присоединение

2

0,26

0,52

0-14,4

0-29

17. 6-1-25

Изготовление деревянного настила

м2

12

0,145

1,74

0-07,6

0-91

18. Повременно

Механические испытания опорных изоляторов

 

 

 

5 р. - 1-9 ч,

0-70,2

6,32

2 р. - 1-9 ч

0-49,3

4-44

19. Общая часть, п. 4

Доплата за вредные условия труда (8 %), п. 15

 

 

 

 

 

0-02

 

Итого подготовительных работ

 

 

 

59,83

 

31-04

 

Основные

 

 

 

 

 

 

20. ТНиР, сб. Т-16 вып. 4, § 1, табл. 2, п. 1д

Монтаж распределительного шкафа

1 группа 3 фазы

1

19

10

6-29

6-29

21. ТНиР, п. 4д

Монтаж выключателя

То же

1

370

370

233-10

233-10

22. ТНиР, п. 5д

Монтаж воздухопроводов

"

1

60

60

39-40

39-40

23. ТНиР, п. 6д

Сварка при монтаже воздухопроводов

1 группа, 3 фазы

1

12,5

12,5

8-78

8-78

24. Повременно. Электромонтажники

Регулировка и испытание выключателя

То же

1

 

6 р. - 1-22,7 ч, 4 р. - 1-22,7 ч, 3 р. - 1-22,7 ч

44-66

44-66

25. 23-6-30, табл. 2, п. 1а

Разметка и прокладка шин заземления

100 м шин

0,3

6,8

2,04

3-80

1-14

26. 23-6-30, табл. 2, п. 2а

Пристрелка шин

То же

0,15

4,6

0,69

2-88

0-43

27. 23-6-30, п.

Сварка шин

"

0,3

3,0

0,9

1-67

0-50

28. 23-6-32, п. 3

Приварка шин к заземлителям

1 заземлитель

3

0,12

0,36

0-06,7

0-20

29. 23-6-32

Окраска шин заземления

100 м шин

0,3

3,5

1,05

1-73

0-52

30. Общая часть, п. 4

Доплата за вредные условия труда (8 %), пп. 23, 27, 28

 

 

 

 

 

0-76

31. Общая часть, п. 4

Доплата за особо вредные условия труда (17 %) п. 26

 

 

 

 

 

0-07

 

Итого основных работ

 

 

 

525,54

 

335-85

 

Заключительные

 

 

 

 

 

 

32. 23-7-34, табл. 1, п. , К2 = 015

Отсоединение проводов от сварочного трансформатора

100 концов, 10 мм2

0,02

3,15

0,06

1-97

0-04

33. 23-7-5, табл. 2, п. 2г, К2 = 0,5

Отсоединение проводов от силового ящика

1 ящик

1

1,15

1,15

0-80,5

0-81

34. 23-7-5, табл. 1, п. 1б, К2 = 0,5

Демонтаж силового ящика

1 ящик

1

0,8

0,8

0-46,7

0-48

35. 23-7-5, табл. 3, п. , К2 = 0,5

Демонтаж питающего кабеля

100 м

0,5

4,4

2,2

2-46,5

1-23

 

Итого заключительных работ

 

 

 

4,21

 

2-56

 

Всего

 

 

 

616,99

 

385-01

Примечание: К1 - коэффициент, учитывающий увеличение трудозатрат при погрузке и выгрузке грузов, требующих особой осторожности, весом свыше 1 т.

К2 - коэффициент, учитывающий уменьшение трудозатрат при демонтаже оборудования по сравнению с монтажом; взят по данным СНиП IV-6-82 - Приложение «Указания по применению расценок на монтаж оборудования».

9.2. Калькуляция трудовых затрат на монтаж ВНВ-500 кВ (1 группа - 3 фазы)

ЕНиР

Наименование работы

Единица измерения

Объем работы

Норма времени, чел.-ч

Расценка, руб., коп.

на единицу измерения

на весь объем

на единицу измерения

на весь объем

 

Транспортно-такелажные

 

 

 

 

 

 

1. 24-13, 2е

Погрузка автокраном грузоподъемностью 6,3 т деталей и узлов ВНВ-500 до 1 т, требующих особой осторожности

1 т

2

0,33

0,66

0-17,3

0-35

2. 24-13, 2е, К1 = 1,1

Погрузка автокраном грузоподъемностью 6,3 т деталей и узлов ВНВ-500 весом более 1 т, требующих особой осторожности

То же

21,1

0,36

7,6

0-19

4-01

3. 24-13,

Погрузка прочих грузов

"

10

0,29

2,90

0-15,2

1-52

4. 24-13, 1

Выгрузка автокраном грузоподъемностью 6,3 т деталей и узлов ВНВ-500 до 1 т, требующих особой осторожности

1 т

2

0,28

0,56

0-14,7

0-29

5. 24-13, п. . К1 = 1,1

Выгрузка автокраном грузоподъемностью 6,3 т деталей и узлов ВНВ-500 более 1 т, требующих особой осторожности

То же

21,1

0,31

6,54

0-16,1

3-40

6. 24-13, 1

Выгрузка прочих грузов

"

10

0,24

2,4

0-12,6

1-26

7. 2 % от основных работ

Подбор деталей и узлов оборудования на складе

-

-

-

11,47

-

7-27

 

Итого транспортноакелажных работ

-

-

-

32,13

-

18-10

 

Подготовительные

 

 

 

 

 

 

8. 1-15,9. Применительно

Укладка деталей, узлов оборудования и приспособлений по рабочим местам для монтажа

1 т

30,0

1,15

34,5

0-50,4

15-12

9. 23-7-5, табл.

Установка силового ящика до 400 А

1 ящик

1

1,6

1,6

0-93,3

0-93

10. 23-4-6, табл. 3, п.

Прокладка кабеля, питающего силовой ящик

100 м

0,5

8,8

4,4

4-93

2-47

11. 23-7-5, табл. 2, п. 2г

Присоединение проводов к силовому ящику

1 ящик

1

2,3

2,3

1-61

1-61

12. 23-7-5, табл. 2, п. 2г

Подготовка к включению силового ящика

То же

1

0,25

0,25

0-17,6

0-18

13. 23-7-34, табл. 1, п. 1б

Присоединение проводов к сварочному аппарату

100 концов, 10 мм2

0,02

6,3

0,13

3-94

0-08

14. 23-3-51, табл. 2, п. 1а

Прокладка временных шин заземления ящика силового и сварочного аппарата

100 м шин

0,2

8,4

1,68

4-66

0-93

15. 23-3-51, табл. 1, п. 2 и 3а

Сварка стыков шин заземления

100 стыков

0,04

11,6

0,46

6-44

0-26

16. 23-3-51, табл. 1, п. 4а

Присоединение шин заземления к силовому ящику и сварочному аппарату

1 присоединение

2

0,26

0,52

0-14,4

0-29

17. 6-1-25

Изготовление деревянного настила

м2

12

0,145

1,74

0-07,6

0-91

18. Повременно

Механические испытания опорных изоляторов

ч

 

 

5 р. - 12 ч,

0-70,2

8-42

3 р. - 12 ч

0-49,3

5-92

19. Общая часть, п. 4

Доплата за вредные условия труда (8 %) п. 15

 

 

 

 

 

0-02

 

Итого подготовительных работ

 

 

 

71,58

 

37-14

 

Основные

 

 

 

 

 

 

20. ТНиР, сб. Т-16, выпуск 4, § 1, табл. 2, п. 1ж

Монтаж распределительного шкафа

1 группа, 3 фазы

1

10,0

10,0

6-29

6-29

21. ТНиР, сб. Т-16, выпуск 4, § 1, табл. 2, п. 4ж

Монтаж выключателя

То же

1

410,0

410,0

258-30

258-30

22. ТНиР, сб. Т-16, выпуск 4, § 1, табл. 2, п. 5ж

Монтаж воздухопровода

"

1

64,0

64,0

42-03

42-03

23. ТНиР, сб. Т-16, выпуск 4, § 1, табл. 2, п. 6ж

Сварка при монтаже воздухопроводов

"

1

14,5

14,5

10-17,9

10-18

24. Повременно, электромонтажники

Регулировка и испытание выключателя

1 группа, 3 фазы

1

-

6 р. - 1-23,3 ч, 4 р. - 1-23,3 ч. 3 р. - 1-23,3 ч

42-96

42-96

25. 23-6-30, табл. 2, п. 1а

Разметка и прокладка шин заземления

100 м шин

0,3

6,8

2,04

3-80

1-14

26. 23-6-30, табл. 2, п. 2а

Пристрелка шин

То же

0,15

4,6

0,69

2-88

0-43

27. 23-6-30, табл. 2, п. 3а

Сварка шин

"

0,3

3

0,9

1-67

0-50

28. 23-6-32, п. 3

Приварка шин к заземлителям

1 заземлитель

3

0,12

0,36

0-06,7

0-20

29. 23-6-32, п. 2

Окраска шин заземления

100 м шин

0,3

3,5

1,05

1-73

0-52

30. Общая часть, п. 4

Доплата за вредные условия труда (8 %), пп. 23, 27, 26

 

 

 

 

 

0-87

31. Общая часть, п. 4

Доплата за особо вредные условия труда (17 %), п. 26

 

 

 

 

 

0-07

 

Итого основных работ

 

 

 

573,54

 

363-49

 

Заключительные

 

 

 

 

 

 

 

Пункты 32 - 35 калькуляции 1

 

 

 

4,21

 

2-56

 

Всего

 

 

 

681,46

 

421-29

Примечание:

К1 - коэффициент, учитывающий увеличение трудозатрат при погрузке и выгрузке грузов, требующих особой осторожности, весом свыше 1 т;

К2 - коэффициент, учитывающий уменьшение трудозатрат при демонтаж оборудования по сравнению с монтажом, взят по данным СНиП IV-6-82 - Приложение «Указания по применению расценок на монтаж оборудования».

9.3. Калькуляция трудовых затрат на монтаж ВНВ-750 кВ (1 группа - 3 фазы)

ЕНиР

Наименование работы

Единица измерения

Объем работы

Норма времени, чел.-ч

Расценка, руб., коп.

на единицу измерения

на весь объем

на единицу измерения

на весь объем

 

Транспортно-такелажные

 

 

 

 

 

 

1. 24-13, п. 2е

Погрузка автокраном грузоподъемностью 6,3 т деталей и узлов ВНВ-750 до 1 т, требующих особой осторожности

1 т

2,4

0,33

0,79

0-17,3

0-42

2. 24-13. п. 2е. К = 1,1

Погрузка автокраном грузоподъемностью 6,3 т деталей и узлов ВНВ-750 весом более 1 т, требующих особой осторожности

То же

39,6

0,36

14,26

0-19

7-52

3. 24-13, п. 5е

Погрузка прочих грузов

"

17,2

0,29

4,99

0-15,2

2-61

4. 24-13, п. 1

Выгрузка автокраном грузоподъемностью 6,3 т деталей и узлов ВНВ-750 до 1 т, требующих особой осторожности

1 т

2,4

0,28

0,67

0-14,7

0-35

5. 24-13, п. 15е, К1 = 1,1

Выгрузка автокраном грузоподъемностью 6,3 т деталей и узлов ВНВ-750 более 1 т, требующих особой осторожности

То же

39,6

0,31

12,26

0-16,1

6-38

6. 24-13, п. 18е

Выгрузка прочих грузов

"

17,2

0,24

4,13

0-12,6

2-17

7. 2 % от основных работ

Подбор деталей и узлов оборудования на складе

-

-

-

18,60

 

12-03

 

Итого транспортно-такелажных работ

 

 

 

55,72

 

31-48

 

Подготовительные

 

 

 

 

 

 

8. 1-15,9. Применительно

Укладка деталей, узлов оборудования и приспособлений по рабочим местам для монтажа

1 т

52,0

1,15

59,8

0-50,4

26-21

9. 23-7-5, табл. 1, п.

Установка силового ящика до 400 А

1 ящик

1

1,6

1,6

0-93,3

0-93

10. 23-4-6, табл. 3, п. 2б

Прокладка кабеля питающего силовой ящик

100 м

0,5

8,8

4,4

4-93

2-47

11. 23-7-5, табл. 2, п. 2г

Присоединение проводов к силовому ящику

То же

1

2,3

2,3

1-61

1-61

12. 23-7-5, табл. 2, п. 3г

Подготовка к включению силового ящика

"

1

0,25

0,25

0-17,6

0-18

13. 23-7-34, табл. 1, п.

Присоединение проводов к сварочному аппарату

100 концов, 10 мм2

0,02

6,3

0,13

3-94

0-08

14. 23-3-51, табл. 1, п. 1а

Прокладка временных шин заземления силового ящика и сварочного аппарата

100 м шин

0,2

8,4

1,68

4-66

0-93

15. 23-3-5, табл. 1, пп. 2, 3

Сварка стыков шин заземления

100 стыков

0,04

11,6

0,46

6-44

0-26

16. 23-3-51, табл. 1, п. 4а

Присоединение шин заземления к силовому ящику и сварочному аппарату

1 присоединение

2

0,26

0,52

0-14,4

0-29

17. 6-1-25

Изготовление деревянного настила

м2

18

0,145

2,61

0-07,6

1-37

18. Повременно

Механические испытания опорных изоляторов

ч

 

 

5 р. - 1-27 ч,

0-70,2

18-95

2 р. - 1-27 ч

0-49,3

13-31

19. Общая часть, п. 4

Доплата за вредные условия труда (8 %), п. 16

 

 

 

 

 

0-02

 

Итого подготовительных работ

 

 

 

127,75

 

66-61

 

Основные

 

 

 

 

 

 

20. ТНиР, сб. Т-16 выпуск § 1, табл. 2, п. 1и

Монтаж распределительного шкафа

1 группа, 3 фазы

1

10,0

10,0

6-29

6-29

21. ТНиР, сб. Т-16. выпуск § 1, табл. 2, п. 4и

Монтаж выключателя

То же

1

730,0

730,0

468-66

468-66

20. ТНиР, сб. Т-16 выпуск § 1, табл. 2, п. 5и

Монтаж воздухопроводов

"

1

84,0

84,0

55-16

55-16

20. ТНиР, сб. Т-16 выпуск § 1, табл. 2, п. 6и

Сварка при монтаже воздухопроводов

1 группа, 3 фазы

1

20,0

20,0

14-04

14-04

24. Повременно, электромонтажники

Регулировка и испытание выключателя

То же

1

-

6 р. - 1-26 ч, 4 р. - 1-26 ч 3 р. - 1-26 ч

51-52

51-52

25. 23-6-30, табл. 2, п. 1а

Разметка и прокладка шин заземления

100 м шин

0,5

6,8

3,4

3-80

1-90

26. 23-6-30, табл. 2, п. 2а

Пристрелка шин

То же

0,25

4,6

1,15

2-88

0-72

27. 26-6-30, табл. 2, п.

Сварка шин

"

0,5

3,0

1,5

1-67

0-54

28. 23-6-32, п. 3

Приварка шин к заземлителям

1 заземлитель

3

0,12

0,36

0-06,7

0-20

29. 23-6-32

Окраска шин заземления

100 м шин

0,5

3,5

1,75

1-73

0-87

30. Общая часть, п. 4

Доплата за вредные условия труда (8 %) пп. 23, 26, 27

 

 

 

 

 

1-21

31. Общая часть

Доплата за особо вредные условия труда (17 %) п. 25

 

 

 

 

 

0-12

 

Итого основных работ

 

 

 

930,16

 

601-53

 

Заключительные

 

 

 

 

 

 

 

Пункты 32 - 35 калькуляции 1

 

 

 

4,21

 

2-56

 

Всего

 

 

 

1117,84

 

702-18

Примечание: К1 - коэффициент, учитывающий увеличение трудозатрат при погрузке и выгрузке грузов, требующих особой осторожности, весом более 1 т.

К2 - коэффициент, учитывающий уменьшение трудозатрат при демонтаже оборудования по сравнению с монтажом; взят по данным СНиП IV-6-82 - Приложение «Указания по применению расценок на монтаж оборудования».

Приложение 1

Перечень технической и нормативной документации, используемой при монтаже

Проектная документация

1. Планы и разрезы открытого распределительного устройства 330, 500 и 750 кВ

2. Установочные чертежи воздушных выключателей типа ВНВ-330, ВНВ-500 и ВНВ-750 кВ.

Заводская документация

1. Выключатели высоковольтные трехполюсные серии ВНВ на напряжение 330, 500 и 750 кВ.

Техническое описание и инструкция по эксплуатации ОСЯ.140.061, 1984 г.

2. Выключатель высоковольтный трехполюсный ВНВ-330, ВНВ-500 и ВНВ-750 кВ. Ведомость комплектации.

Общетехническая документация

1. Правила устройства электроустановок. Энергоатомиздат. Москва, 1985 г.

2. СНиП 3.05.06-85 - «Электротехнические устройства». Стройиздат, Москва, 1986 г.

3. СНиП III-4-80. «Правила производства и приемки работ. Техника безопасности в строительстве». Стройиздат, Москва, 1980 г.

4. Правила техники безопасности при производстве электромонтажных работ на объектах Минэнерго СССР. Информэнерго, 1984 г.

5. Инструкция по организации и производству работ повышенной опасности в строительно-монтажных организациях и на промышленных предприятиях Минэнерго СССР, г. Москва, 1985 г.

6. Правила устройства и безопасной эксплуатации стационарных компрессорных установок, воздухопроводов и газопроводов «Металлургия», Москва, 1973 г.

7. Правила устройства и безопасной эксплуатации сосудов, работающих под давлением. «Металлургия», Москва, 1971 г.

8. Правила устройства и безопасной эксплуатации грузоподъемных кранов. «Техника», Киев, 1973 г.

Приложение 2

ПЕРЕЧЕНЬ
прием
о-сдаточной документации

1. Акт приемки фундаментов под установку воздушных выключателей.

2. Акт осмотра упаковки и сборочных единиц воздушных выключателей.

3. Протокол механических испытаний опорных изоляторов.

4. Протокол монтажа и регулировки выключателей.

Примечание:

Образцы форм документации приведены в «Инструкции по оформлению приемо-сдаточной документации по электромонтажным работам» ВСН 123-79 ММСС СССР.

Приложение 3

Краткая техническая характеристика выключателей

Наименование

внв-330

ВНВ-500

ВНВ-750

Номинальное напряжение, кВ

330

500

750

Номинальный тек, А

3150

4000

4000

Номинальный ток отключения, кА

 

40

 

Номинальная частота, Гц

 

50

 

Номинальное давление сжатого воздуха, МПа (кгс/см2)

 

4,0 /40/

 

Габариты полюса, мм:

 

 

 

длина

9600

9600

14100

ширина

1750

1860

1860

высота

6400

8160

11000

Масса выключателя, кг (3 полюса)

27800

33100

59200

Приложение 4

Масса узлов выключателей

Наименование

ВНВ-330, кг

ВНВ-500, кг

ВНВ-750, кг

1. Рама трехлучевая

-

242

524

642

2. Резервуар (без шкафа управления и рам)

1274

1274

2580

3. Шкаф управления

350

350

350

4. Опорный изолятор

225

225

225

5. Изолятор растяжки

-

47

47

6. Конденсатор

230

230

230

7. Дугогасительное устройство

2000

2000

2000

8. Распределительный шкаф

400

400

400

Приложение 5

Масса и габариты упаковочных мест воздушных выключателей (для 3-х полюсов)

Наименование

ВНВ-330 кВ

Количество мест, шт.

Масса места, кг

Размер места, мм

брутто

нетто

длина

ширина

высота

1. Стойки, швеллер, шины, контакт, фланцы. Комплект документации

1

678

477

2200

1000

800

2. Устройство гасительное

6

2250

2000

5180

1195

1575

3. Изолятор армированный

3

1780

1500

1750

1140

1750

4. Конденсатор

3

1070

920

900

900

1500

5. Шкаф управления

1

1193

1050

2380

1080

1800

6. Резервуар

3

1283

1274

5740

1170

820

7. Шкаф распределительный

1

626

400

1850

1000

1545

8. Кольцо вместе с экраном

1

323

253

1600

1600

1400

9. Кожухи, кольца, метизы, серьги, сухари

1

234

180

1100

700

600

10. Тяга изоляционная, труба

1

152

89

4450

320

270

Продолжение приложения 5

Наименование

ВНВ-500 кВ

Количество мест, шт.

Масса места, кг

Размер места, мм

брутто

нетто

длина

ширина

высота

1. Стойки, швеллер, шины, контакт, фланцы. Комплект техдокументации

1

1231

988

2800

1000

800

2. Устройство гасительное

6

2250

2000

5180

1195

1575

3. Изолятор армированный

4

1681

1500

1500

1000

1650

4. Изолятор растяжки 985/2 (в упаковке завода-поставщика)

1

2960

1692

3300

1500

1210

5. Конденсатор

3

1070

920

900

900

1500

6. Шкаф управления

1

1193

1050

2380

1090

1800

7. Рама

2

739

732

2062

1860

1032

8. Резервуар

3

1287

1274

6020

1170

772

9. Шкаф распределительный

1

626

400

1850

1000

1545

10. Кольцо

1

164

123

1600

1500

960

11. Экран

1

117

80

1300

1000

945

12. Кожухи, кольца, метизы, серьги, сухари

1

304

250

1100

700

500

13. Тяга изоляционная, труба

1

 

111

5850

320

270

14. Комплект инструментов и принадлежностей

1

344

263

1700

700

700

15. Блок очистки сжатого воз духа

2

2720

2070

3500

1900

1297

16. Гигрометр «Байкал»

1

40

30

840

630

460

Продолжение приложения 5

Наименование

750 кВ

Количество мест, шт.

Масса места, кг

Размер места, мм

брутто

нетто

длина

ширина

высота

1. Стойки, швеллер, шины, контакт, фланцы. Комплект техдокументации

1

2323

1875

3200

1300

1000

2. Устройство гасительное

9

2250

2000

5180

1195

1575

3. Изолятор армированный

9

1681

1500

1500

1000

1650

4. Изолятор растяжки 985/2 (в упаковке завода-поставщика)

3

2960

1692

3300

1500

1210

5. Конденсатор

1

507

460

1550

820

440

4

1030

880

900

900

1500

6. Шкаф управления

1

1193

1050

2380

1090

2300

7. Рама

1

3160

3144

3105

2760

2088

1

1933

1926

3105

2760

1044

8. Резервуар

3

2593

2580

11350

1170

772

9. Шкаф распределительный

1

626

400

1850

1000

1545

10. Кольцо

1

235

184,5

1600

1500

1380

11. Экран

1

117

80

1300

1000

945

12. Кожухи, кольца, метизы, серьги, сухари

1

573

492

1700

700

700

13. Тяга изоляционная, труба

1

362

246

5850

450

450

Приложение 6

Инвентарные приспособления для монтажа выключатели

Устройство для механического испытания изоляторов

Рис. 16

1 - опорный изолятор; 2 - динамометр; 3 - стенд; 4 - трос; 5 - гидроцилиндр Ц55-1010001.

Приспособление из дерева для предохранения фарфора при монтаже растяжек

Рис. 17

1 - полукруг из доски толщиной 40 мм, ГОСТ 24454-60; 2 - петля ПН5-40, ГОСТ 5088-78; 3 - полоса стальная горячекатаная 40´4 мм, l = 150 мм, ГОСТ 103-76; 4 - болт М6, ГОСТ 7798-70; 5 - гайка М6, ГОСТ 5915-70.

Стол монтажный

Рис. 18

1 - швеллер № 8 ГОСТ 8249-72; 2 - уголок 50´50´5, ГОСТ 8509-72; 3 - труба 399´5, ГОСТ 10704-76; 4, 5 - сталь 3, 10 мм, ГОСТ 19903-74; 6, 8, 7 - сталь 3, 5 мм, ГОСТ 19903-74.

Приспособление для монтажа дугогасительного устройства

Рис. 19

1 - планец, 2 - стенка.

Примечание. Настоящий рисунок выполнен на основании чертежей ПО «Уралэлектротяжмаш» 5СЯ.487.021, 5СЯ.487.021СБ, 8СЯ.180.160, 8БП.051.047.

СОДЕРЖАНИЕ

1. Введение. 1

2. Область применения. 1

3. Технико-экономические показатели монтажа. 3

4. Основные указания по монтажу. 3

5. Техника безопасности. 14

6. Пооперационный контроль качества монтажа. 15

7. Материально-технические ресурсы.. 16

8. Графики монтажа. 19

9. Калькуляции трудовых затрат. 25

Приложение 1 Перечень технической и нормативной документации, используемой при монтаже. 31

Приложение 2 Перечень приемо-сдаточной документации. 32

Приложение 3 Краткая техническая характеристика выключателей. 32

Приложение 4 Масса узлов выключателей. 32

Приложение 5 Масса и габариты упаковочных мест воздушных выключателей. 33

Приложение 6 Инвентарные приспособления для монтажа выключатели. 34

 




Яндекс цитирования



   Copyright © 2007-2026,  www.tehlit.ru.

[ ѓосты, стандарты, нормативы, инструкции, правила, строительные нормы ]